Proform Pfevel48940 595 Hr Elliptical Users Manual PFEVEL48830 202292(UK
2015-04-14
: Proform Proform-Pfevel48940-595-Hr-Elliptical-Users-Manual-700397 proform-pfevel48940-595-hr-elliptical-users-manual-700397 proform pdf
Open the PDF directly: View PDF  .
.
Page Count: 24

AVVERTENZA
Leggere tutte le istruzioni e pre-
cauzioni elencate in questo
manuale prima di utilizzare que-
sta attrezzatura. Conservare il
manuale per future referenze
Modello Nº. PFEVEL48940
Nº di Serie
Etichetta
del Nº. di
Serie
DOMANDE?
Come fabbricanti, ci siamo impo-
sti di provvedere alla completa
soddisfazione del cliente. Se avete
domande, oppure rinvenite parti
mancanti, per favore chiamare il:
lunedì-venerdì: 15.00–18.00
(Non accessibile da telefoni 
cellulari.)
Fax: 075 5910105
email: csitaly@iconeurope.com
MANUALE D’ISTRUZIONI
800 865114
Classe HC Prodotto di Fitness

INDICE
PRECAUZIONI IMPORTANTI . . . . . . . . . . . . . . . . . . . . . . . . . . . . . . . . . . . . . . . . . . . . . . . . . . . . . . . . . . . . . . . . .3
PRIMA DI INIZIARE  . . . . . . . . . . . . . . . . . . . . . . . . . . . . . . . . . . . . . . . . . . . . . . . . . . . . . . . . . . . . . . . . . . . . . . . .4
MONTAGGIO  . . . . . . . . . . . . . . . . . . . . . . . . . . . . . . . . . . . . . . . . . . . . . . . . . . . . . . . . . . . . . . . . . . . . . . . . . . . . .5
COME UTILIZZARE LA ELLITTICA  . . . . . . . . . . . . . . . . . . . . . . . . . . . . . . . . . . . . . . . . . . . . . . . . . . . . . . . . . . . .9
MANUTENZIONE E LOCALIZZAZIONE DEI GUASTI  . . . . . . . . . . . . . . . . . . . . . . . . . . . . . . . . . . . . . . . . . . . . .20
CONSIGLI PER L’ALLENAMENTO . . . . . . . . . . . . . . . . . . . . . . . . . . . . . . . . . . . . . . . . . . . . . . . . . . . . . . . . . . . .21
LISTA DELLE PARTI  . . . . . . . . . . . . . . . . . . . . . . . . . . . . . . . . . . . . . . . . . . . . . . . . . . . . . . . . . . . . . . . . . . . . . . .22
DIAGRAMMA DELLE PARTI . . . . . . . . . . . . . . . . . . . . . . . . . . . . . . . . . . . . . . . . . . . . . . . . . . . . . . . . . . . . . . . . .23
COME ORDINARE PARTI DI RICAMBIO  . . . . . . . . . . . . . . . . . . . . . . . . . . . . . . . . . . . . . . . . . . . .Retro Copertina
2
PROFORM è una marchio della ICON IP, Inc.

3
PRECAUZIONI IMPORTANTI
AVVERTENZA: Per ridurre il rischio di gravi lesioni, leggere attentamente le seguen-
ti precauzioni importanti prima di utilizzare la ellittica.
1. Leggere tutte le istruzioni in questo manuale
prima di usare la ellittica.
2. Sarà responsabilità del proprietario della
ellittica di informare adeguatamente qualsia-
si persona che ne farà uso degli precauzio-
ni.
3. Posizionare la ellittica di una superficie
piana, per protezione coprire il pavimento la
moquette. Tenere la ellittica al coperto, lon-
tano da umidità e polvere.
4. Ispezionare ed assicurare tutte le parti fre-
quentemente. Cambiare immediatamente
qualsiasi parte logorata.
5. Tenere sempre i bambini di un’età inferiore
ai 12 anni ed gli animali domestici lontano
dalla ellittica.
6. La ellittica non dovrebbe essere utilizzata da
persone con un peso superiore ai 115 kg.
7. Indossare un abbigliamento appropriato
durante l’uso della ellittica. Indossare sem-
pre scarpe da ginnastica per proteggere i
piedi.
8. Tenersi sempre alle sensori pulsazioni impu-
gnatura o ai manubri mentre si sale, si scen-
de, o si usa la ellittica.
9. Il sensore pulsazioni in dotazione non è un
apparecchio medico. Vari fattori possono
influenzare l’accuratezza dei dati della fre-
quenza cardiaca. Il sensore pulsazioni è
inteso semplicemente come un aiuto nel
determinare approssimativamente la fre-
quenza cardiaca durante l’allenamento.
10. Tenere sempre la schiena diritta durante
l’uso della ellittica; non inarcarsi.
11. In caso di giramenti di testa o dolori di qual-
siasi tipo durante l’allenamento, fermarsi
immediatamente e incominciare il raffredda-
mento.
12. Quando finite di allenarvi, lasciate che i
pedali si fermino lentamente.
13. La ellittica è stata realizzata solo per uso
interno. Non usare questa ellittica per scopi
commerciali, non affittarla e non usarla negli
istituti pubblici.
AVVERTENZA: Prima di iniziare questo o qualsiasi programma di esercizi, consultate
il vostro medico. Questo è soprattutto importante per persone oltre i 35 anni o persone con problemi
di salute già esistenti. Leggere tutte le istruzioni prima dell’uso. ICON non si assume responsabilità
per ferite personali o per danni al proprietario sostenuti con o per l’uso di questo prodotto.

4
PRIMA DI INIZIARE
Congratulazioni per avere acquistato la nuova ellittica
PROFORM®595 HR. Il PROFORM 595 HR è incredi-
bilmente armoniosa che muove i vostri piedi in un
naturale movimento ellittico, minimizzando l’impatto
sulle vostre ginocchia e caviglie. La PROFORM 595
HR è caratterizzata da una resistenza regolabile e da
una consolle facile da usare per aiutarvi ad ottenere il
meglio da ogni allenamento. 
Per il vostro beneficio, leggere attentamente le
istruzioni di questo manuale prima di utilizzare la
ellittica. In caso di ulteriori informazioni rivolgersi al
Servizio Assistenza Clienti al Numero Verde 800
865114 tutti i pomeriggi dalle 15.00 alle 18.00. Fare
riferimento al numero di serie e a quello del modello.
Il numero del modello è PFEVEL48940. È possibile
trovare il numero di serie su un’etichetta posta sulla
ellittica (vedere la copertina di questo manuale).
Prima di procedere con la lettura di questo manuale,
si prega di osservare il grafico sottostante per familia-
rizzare con le diverse parti del prodotto.
Sensore Pulsazioni Impugnatura
FRONTE
RETRO  PARTE DESTRO
Molla Pedale
Disco Pedale
*La bottiglia per l’acqua non è inclusa.
Ruota
Pedale 
Ventilatore
Porta Bottiglia*
Manubrio
Consolle

MONTAGGIO
Il montaggio richiede due persone. Mettere tutte le parti della ellittica in una zona libera e rimuovere il mate-
riale d’imballaggio. Non gettare il materiale d’imballaggio fino a quando il montaggio sarà completato. Per
aggiunta gl’inclusi chiave di allen, il montaggio richiede un cacciavite a stella                      , una chiave
regolabile                     , e un maglio                         .
Questa tabella viene fornita per aiutare ad identificare le piccole parti usate per il montaggio. Il numero tra
parentesi sotto ciascuna parte fa riferimento al numero del diagramma della stessa, dalla LISTA DELLE PARTI a
pagina 22. Il secondo numero è attribuito alla quantità della parte necessaria per il montaggio. Nota: Alcune
parti potrebbero essere già state montante per ragioni di trasporto. Se dovessero mancare alcuni pezzi
per il montaggio, dentro gli appositi sacchetti che li contengono.
5
Vite da M4 x
16mm (52)–4
Rondella Spaccata
da M10 (59)–7
Controdado in Nylon
da M10 (33)–6
Bullone Trasporto da
M10 x 30mm (80)–2
Set Bulloni da M10 (74)–2
Rondella Manubrio
(55)–2
Rondella di Sostegno
Molla (35)–2
Controdado in
Nylon da M8 (38)–4
Bullone a Bottone da M8 x 45mm (50)–4
Vite con Nailon da
M10 x 27mm
Bullone di Sostegno da M10 x 75mm (34)–4
Rondella
Ondulata (43)–2
Bullone a Bottone da M10 x 72mm (84)–2
Vite con Nylon da
M8 x 25mm (56)–2
Vite da M4 x
19mm (86)–2
Vite a Bottone da
M10 x 25mm (67)–3
Rondella de M10
(78)–2

6
2. Mentre un’altra persona solleva la parte posteriore del
Telaio (1), attaccare lo Stabilizzatore Posteriore (9) al
Telaio con due Bulloni di Sostegno da M10 x 75mm
(34) e due Controdadi in Nailon da M10 (33).
34
9
1
3. Mentre un’altra persona tiene il Montante (2) nella
posizione mostrata nel disegno, collegare l’Estensione
Filo Bardato (44) al Filo Bardato (79). Tirare delicata-
mente l’estremità superiore dell’estensione del filo
bardato affinché il filo sia sempre teso e far scorre-
re il coperchio montante sul Telaio (1). Attenzione a
non pizzicare il filo bardato. Fissare il Montante con
due Bulloni a Bottone da M10 x 72mm (84) due Ron-
delle Spaccate da M10 (59) e due Controdadi in NAI-
LON da M10 (33).
Infilare l’estremità più in alto dell’Estensione Filo
Bardato (44) attraverso l’Estensione Montante (73).
Trattenendo l’estremità superiore dell’estensione
del Filo Bardato, inserire l’Estensione Montante (2).
Attenzione a non pizzicare l’estensione del filo bar-
dato. Fissare l’estensione montante con tre Viti a Bot-
tone da M10 x 25mm (67) e tre Rondelle Spaccate da
M10 (59). Assicurarsi che i Controdadi in Nailon
siano dentro i fori esagonali.
233
33
4. La Consolle (23) richiede quattro pile « D » da 1,5
(non incluse); sono raccomandate pile alcaline.
Rimuovere la vite indicata dal vano pile e tirarlo per
aprirlo. Inserire quattro batterie nell’apposito vano e
assicurarsi che siano state inserite correttamente
come indicato dalle marcature all’interno del vano
stesso. Poi, chiudere il cassetto pile e riattaccare la
vite. Nota: Quando le pile sono installate correttamen-
te, il ventilatore si accenderà per un momento.
23
Cassetto
Pile
4
1. Identificare lo Stabilizzatore Anteriore (10). Mentre
un’altra persona solleva la parte anteriore del Telaio (1),
attaccare lo Stabilizzatore Anteriore al Telaio con due
Bulloni di Sostegno da M10 x 75mm (34) e due
Controdadi in Nailon da M10 (33). Assicurarsi che lo
Stabilizzatore Anteriore sia girato in modo tale che
le Ruote (22) non tocchino il pavimento.
10 33
22
22
34
34 1
1
Pile
Vite
3
2
84
59
59
33
44
1
73
79
59
Assicurarsi che i
Fili Bardati (44,
79) non vengano
schiacciati e
danneggiati
durante questa
fase.
44
67
67
59
Fori
Esagonali

7
5. Mentre un’altra persona tiene la Consolle (23) nella
posizione mostrata, collegare il filo bardato sulla
Consolle al Estensione Filo Bardato (44). Inserire l’ec-
cesso del filo bardato nel Estensione Montante (73).
Fissare la Consolle (23) all’Estensione Montante (73)
con quattro Viti da M4 x 16mm (52). Fare attenzione a
evitare di pizzicare I fili bardato.
Attaccare il Porta Bottiglia (65) al Montante (2) con due
Viti da M4x 19mm (86).
6. Identificare il Manubrio Sinistro (6), che è segnato con
un autoadesivo. Inserire il Manubrio Sinistro in una
delle Gambe Manubrio (5); assicurarsi che la Gamba
Manubrio sia girata in modo che i fori esagonali
siano sul lato indicato. Fissare il Manubrio Sinistro ad
un Gamba Manubrio con due Bulloni a Bottone da M8 x
45mm (50) e due Controdadi in Nailon da M8 (38).
Assicurarsi che i Controdadi in Nailon siano dentro
i fori esagonali. Non stringere completamente i
Bulloni a Bottone ancora.
Inserire l’Asse del Perno (7) nel Montante (2), e centrar-
lo. Ingrassare abbondantemente entrambe le estremità
dell’asse del perno.
Girare lo Spaziatore Manubrio (47) in modo tale che la
freccia piccola presente sullo Spaziatore Manubrio sia
rivolta verso il pavimento e far scorrere lo Spaziatore
Manubrio sul montante a Manubrio Sinistro (6). In seguito
far scorrere il Manubrio Sinistro sull'Asse del Perno (7).
Far scorrere la Rondella Manubrio (55) e la Rondella
Ondulata (43) su una Vite con Nailon da M8 x 25mm
(56), e stringerla nell’Asse del Perno (7). Premere in
seguito le linguette presenti sul Cappuccio Manubrio
(46) nello Spaziatore Montante (47).
Montare il Manubrio Destro (8) e l’altra Gamba
Manubrio (5) nello stesso modo.
523
86
65
52
44
73
Filo Bardato
2
780
81
78
11
13
59
7. Identificare la Molla Pedale (11) sinistro, il quale è
segnata con un adesivo. Attaccare il Pedale Sinistro
(13) alla Molla Pedale sinistro con un Bullone Trasporto
da M10 x 30mm (80), una Rondella da M10 (78), una
Rondella Spaccate da M10 (59), ed una Manopola
Pedale (81) come mostrato nel disegno. Nota: Il Pedale
Sinistro può essere attaccato in diverse posizioni usan-
do le cinque posizioni nel Pedale Sinistro ed i tre fori
nella Molla Pedale. 
Attaccare il Pedale Destro (non mostrato) nello stesso
modo. Assicurarsi che entrambi i Pedali siano negli
stessi fori e nella stessa posizione pedale.
50
8
38
6
5
2
5
Fori
Esagonali
7
Lubrificare
46 Linguette
Freccia
6
55 43
56
47

8
9. Assicurarsi che tutte le parti siano appropriatamente avvitate prima di utilizzare la ellittica. Nota: A
montaggio completo, potrebbero rimanere alcune parti inutilizzabili. Proteggere il pavimento sotto la ellittica
con un tappeto.
8. Identificare il Sostengo Posteriore Sinistro Molla (12)
sulla Molla Pedale (11) sinistro. Applicare una piccola
quantità del grasso lubrificante alle Boccole Braccio
Pedale (37) nel Sostengo Posteriore Sinistro Molla e
all’asse sulla Barra Trasversale Disco (16). Infilare uno
Spaziatore Molla (63) sull’asse; assicurarsi che lo
Spaziatore Molla sia girato in modo che il lato piatto
sia rivolto verso la ellittica. Infilare il Sostegno
Posteriore Sinistro Molla sull’asse. Infilare una Rondella
di Sostegno Molla (35) su una Vite con Nailon  da M10
x 27mm (40), e stringere la Vite con Nailon sull’asse.
Dopo, tenere l’estremità più bassa della Gamba
Manubrio (5) sinistra dentro il Sostegno Anteriore Molla
(76) sulla Molla Pedale (11) sinistro. Applicare del gras-
so lubrificante ad un Set Bulloni da M10 (74). Attaccare
la Gamba Manubrio al Sostegno Anteriore Molla con il
Set Bulloni. Non stingere troppo il Set Bulloni; la
Gamba Manubrio deve poter girare liberamente.
Attaccare la Molla Pedale destra (non mostrata) al lato
destro della ellittica nello stesso modo.
Vedere la fase 6. Stringere dei Bulloni a Bottone da M8
x 45mm (50) nelle Gambe Manubrio (5).
37,
Lubrificare
Lubrificare
74 11
11
40 35
63
12
74
5
76
8
COME MUOVERE LA ELLITTICA
Stando in piedi dietro la ellittica, tenere fermamente lo
Stabilizzatore Posteriore (9), e sollevare la ellittica fino a
che può essere mossa sulle Ruote (22). Facendo atten-
zione muovere la ellittica nel posto desiderato e dopo
abbassarla. AVVERTENZA: Per diminuire le possibilità
di lesioni, piegate le gambe e tenete la schiena diritta
mentre sollevate lo Stabilizzatore Posteriore; assicu-
rarsi di sollevare facendo pressione sulle gambe piut-
tosto che sulla schiena.
22
9
16, Lubrificare

9
COME UTILIZZARE LA ELLITTICA
COME REGOLARE I PEDALI
Il movimento
della ellittica è
determinato
dalle posizioni
dei pedali. Per
regolare i pedali,
per prima cosa
rimuovere la
manopola pedali
al di sotto ogni
pedale. Muovere
i pedali in avanti
o indietro e riat-
taccare ogni
pedale usando
uno dei cinque
fori nel pedale
ed uno dei tre fori nella molla pedale. Assicurarsi che
entrambi i pedali siano nella stessa posizione.
COME UTILIZZARE I MANUBRI
I manubri sono
disegnati per
aggiungere al
vostro allenamen-
to esercizi per la
parte superiore
del corpo. Mentre
vi allenate, spin-
gere e tirare le
braccia superiori
in modo da eser-
citare le vostre braccia, spalle, e schiena.
ALLENANDOSI SULLA ELLITTICA
Per montare la
ellittica, tenere i
manubri e salire
sul pedale che
si trova nella
posizione più
bassa. Poi, sali-
re sull’altro
pedale.
Spingere i
pedali fino a
che inizino a
muoversi con
un movimento
continuo. Nota:
I dischi pedali
possono gira-
re in entrambe
le direzioni. É
consigliato
che muoviate i
dischi pedali nella posizione mostrata della feccia.
Per dare varietà al vostro allenamento, potete sce-
gliere di girare i dischi pedali nella direzione oppo-
sta. 
Per scendere della ellittica, aspettare fino a che i
pedali siano completamente fermi. Nota: la ellittica
non ha una ruota libera; i pedali continueranno a
muoversi fino a che il volano si ferma. Quando i
pedali sono fermi, scendere prima dal pedale più alto.
Poi, da quello più basso.
Pedale
Pedale
Disco Pedale
Manubri
Manubri
Manopola
Pedale
Molla
Pedale
Pedale

10
CARATTERISTICHE DELLA CONSOLLE
L’avanzata consolle offre una selezione di funzioni pro-
gettate per rendere il vostro allenamento più piacevole
ed efficace. Quando la funzione manuale della consol-
le viene selezionata, la resistenza dei pedali può esse-
re regolata con il tocco di un tasto. Mentre pedalate, la
consolle mostrerà un continuo aggiornamento dell’e-
sercizio stesso. Voi potete persino misurare la vostra
frequenza cardiaca usando e il sensore pulsazioni
impugnatore incorporato.
La consolle offre inoltre sei programmi Intelligente.
Ogni programma cambia automaticamente la resisten-
za dei pedali e vi avvisa di aumentate o diminuite la
vostra andatura mentre vi guida attraverso un allena-
mento efficace.
Inoltre, la consolle è fornità di due programmi frequen-
za cardiaca che cambiano la resistenza dei pedali e
che vi avvisano di variare la vostra andatura per man-
tenere la vostra frequenza cardiaca vicino all’obbiettivo
frequenza cardiaca mentre vi allenate. 
Inoltre, la consolle ha due programmi Frequenza Car-
diaca che cambiano la resistenza della pedalata inci-
tandovi a variare la vostra andatura per mantenere la
vostra frequenza cardiaca vicino all’obbiettivo frequen-
za cardiaca mentre vi allenate.
La consolle è inoltre caratterizzata dalla tecnologia inte-
rattiva iFIT.com. Avere la tecnologia interattiva iFIT.com è
come avere in casa vostra un allenatore personale.
Utilizzando un cavo per l’audio dello stereo (disponibile
nei negozi di elettronica), potete collegare la ellittica al
vostro stereo di casa, allo stereo portatile, al computer, o
al videoregistratore e utilizzare gli speciali programmi
iFIT.com su CD e videocassetta (i CD e le videocassette
iFIT.com sono disponibili separatamente). I programmi
iFIT.com su CD e videocassette controllano automatica-
mente la resistenza dei pedali mentre un allenatore per-
sonale vi guida attraverso ogni fase del vostro allena-
mento. Musica ad also livello energetico aggiunge ulte-
riore stimolo. Per acquistare i CD e le videocassette
iFIT.com visiatate il nostro sito all’indirizzo www.ico-
neurope.com.
Con la ellittica collegato al vostro computer, potete
inoltr nadre al nostro sito www.iFIT.com e accedere ai
programmi direttamente da internet. Esplorate
www.iFIT.com per ulteriori informazioni.
Per usare la funzione manuale della consolle, vede-
re a pagina 11. Per usare un programma intelligente,
vedere a pagina 13. Per usare un programma Fre-
quenza Cardiaca, vedere a pagina 14. Per usare un
programma CD o video iFIT.com, far riferimento a
pagina 18. Per usare un programma iFIT.com diret-
tamente dal nostro sito internet, vedere a pagina 19.
Pulsante Display
Pulsante
Ventilatore
Pulsante Acceso/Azzerato
Pulsante Resistenza

Accendere la consolle.
Nota: La consolle richiede quattro pile « D » da
1,5V (vedere la fase 4 del montaggio a pagina 6). 
Per accendere la consolle, premere il pulsante
Acceso/Azzerato (vedere il disegno a pagina 10
per identificare il pulsante Acceso/Azzerato). 
Selezione la funzione manuale.
Ogni volta che la consolle
viene accesa, la funzione
manuale sarà selezionata.
Se un programma è stata
selezionata, selezionare la
funzione manuale premen-
do il tasto Programma [pro-
gram] ripetutamente fino a
chele lettere RPM appariranno sul display piccolo.
Iniziare a pedalare e cambiare la resistenza
dei pedali come desiderato.
Mentre pedalate, cambiate la resistenza dei peda-
li premendo i pulsanti + e – sotto il display largo.
Ci sono dieci livelli di resistenza—il livello 10 è il
più difficoltoso. Nota: Dopo aver premuto i pulsan-
ti, ci vorranno alcuni secondi per la resistenza a
raggiungere la configurazione selezionata.
Seguire il vostro progresso con il display pic-
colo e con il display largo.
Il display piccolo mostrerà
il passo del vostro pedala-
re, in rotazioni al minuto
[RPM]. La barra indicatore
sul display piccolo aumen-
terà o diminuirà in lunghez-
za come voi aumenterete o
diminuirete il passo del
vostro pedalare.
La sezione
superiore del
display largo
mostrerà la
distanza
[DISTANCE] che
avete percorso e i numeri di calorie e calorie da
grasso [FAT CALORIES] che avete bruciato
(vedere DIAMAGRIMENTO a pagina 21 per una
spiegazione sulle calorie da grasso). Il display
cambierà da un numero al seguente ogni pochi
secondi. Inoltre, il vostro frequenza cardiaca ver-
rai raffigurato quando utilizzate il sensore pulsa-
zioni impugnatura (vedere fase 5 a pagina 12). 
Per vedere solo la distanza
che avete percorso o il
numero di calorie o di calo-
rie da grasso che avete
bruciato, premere il pulsan-
te superiore sul lato sinistro
del display largo fino a che
solo la parola DISTANCE,
CALORIES, o FAT CALORIES non appaia sulla
sezione superiore del display largo; assicurarsi
che la parola SCAN non appaia. Per vedere di
nuovo la distanza che avete percorso e i numeri
di calorie e calorie da grasso che avete bruciato,
premere il pulsante superiore fino a che la parola
SCAN riappaia.
Il centro del
dislay largo
mostrerà il tempo
trascorso [TIME]
e il vostro passo
attuale [PACE] (il
passo viene mostrato in miglia al minuto in que-
sta sezione del display largo). Il display cambierà
da un numero all’altro ogni pochi secondi. Nota:
Quando viene selezionato un programma (ad
eccezione il programma Frequenza Cardiaca 2
(SelfSelect), viene selezionato, il display mostrerà
il tempo rimanente del programma invece del
tempo trascorso.
Per vedere solo il tempo trascorso o il vostro
passo, premere il pulsante centrale sul lato sinistro
del display largo fino a che solo la parola TIME o
PACE appaia. Assicurarsi che la parola SCAN non
appaia. Per vedere di nuovo entrambi il tempo tra-
scorso e il vostro passo, premere il pulsante cen-
trale fino a che la parola SCAN riappaia.
La sezione infe-
riore del display
largo mostrerà la
velocità del
vostro pedalare
[SPEED] e il livel-
lo di resistenza [RESISTENCE]. Il display cam-
bierà da un numero all’altro ogni pochi secondi.
Per vedere solo la velocità del vostro pedalare o il
livello di resistenza, premere il pulsante inferiore
sul lato sinistro del display largo fino a che solo la
parola SPEED o RESISTENCE appaia. Assicu-
rarsi che la parola SCAN non appaia. Per vedere
di nuovo entrambe la velocità del vostro pedalare
e il livello di resistenza, premere il pulsante infe-
riore fino a che la parola SCAN riappaia.
4
3
2
1
COME USARE IL MODO MANUALE
11
Barra Indicatore
Pulsante Superiore

12
Per azzerare i display, premere il pulsante
Acceso/Azzerato.
Nota: La consol-
le può mostrare
la velocità e la
distanza sia in
miglia che in
chilometri. Le
lettere MPH (miglia per ora) o KM/H (chilometri
per ora) appariranno nella sezione inferiore del
display largo per mostrare quale unità di misura è
stata selezionata. Per cambiare l’unità di misura,
tener premuto il pulsante Acceso/Azzerato per
circa sei secondi. Nota: Quando il pulsante viene
tenuto premuto, il ventilatore si accenderà per un
attimo. Quando le pile vengono sostituite, potreb-
be essere necessario riselezionare l’unità di
misura desiderata.
Misurare il vostro battito cardiaco se deside-
rato.
Se ci fossero
delle sottili pel-
licole di plasti-
ca sui contatti
metallici sulle
impugnature,
rimuovere la
plastica. Per
utilizzare il sen-
sore pulsazioni a impugnatura, tenere le impu-
gnature con i vostri palmi posati contro i contatti
metallici. Evitate di muovere le vostre mani.
Quando il vostro battito è stato percepito, l’indicato-
re a forma di cuore sul display largo lampeggerà
ogni volta che il vostro cuore batte. Dopo un attimo,
due lineette (– –) appariranno e poi il vostro battito
cardiaco verrà mostrato.
Per una lettura più accurate, continuate a tenere le
impugnature per circa 30 secondi. Nota: Non
appena tenete le impugnatore, il display largo
mostrerà il vostro battito cardiaco di continuo per
30 secondi. Dopo di che il display mostrerà il
vostro battito cardiaco insieme alle altri funzioni
di feedback. 
Accendere il ventilatore se desiderato.
Per accendere il
ventilatore a
bassa velocità,
premere il pul-
sante Ventilatore.
Per accendere il
ventilatore ad
alta velocità, pre-
mere il pulsante
Ventilatore per la seconda volta. Per spegnere il
ventilatore, premere il pulsante Ventilatore per la
terza volta. Nota: Se il ventilatore viene acceso e i
pedali non vengono mossi per circa mezzo minu-
to, il ventilatore si spegnerà per conservare le pile.
Ruotare la rotella a pollice sul lato destro della
consolle per girare il ventilatore nell’angolatura
desiderata.
Quando avete terminato di esercitarvi, la con-
solle si spegnerà automaticamente.
Se i pedali non vengono mossi per pochi secon-
di, i display andranno in pausa e il tempo lam-
peggerà sul display largo.
Se i pedali non vengono mossi e i pulsanti della
consolle non vengono premuti per pochi secondi,
la consolle si spegnerà per conservare le pile.
7
6
5
Contatti
Metallici
Rotella a
Pollice
Pulsante
Ventilatore

13
Ogni programma Intelligente cambiera automaticamente
la resistenza dei pedali stimolandovi ad aumentare o
diminuire la vostra andatura mentre vi guida attraverso
un allenamento effettivo. I programmi 3 e 4 sono pro-
grammi per dimagrire, il programma 5 è  6 un program-
ma aerobici, e il programma 7 è 8 un programma di
alta prestazione. 
Seguire le fasi sottostanti per usare un programma
Intelligente. 
Accendere la consolle.
Vedere la fase 1 a pagina 11.
Selezionare uno dei Programma Intelligente.
Ogni volta che la consolle
viene accesa, la funzione
manuale sarà selezionata.
Per selezionare un pro-
gramma Intelligente, pre-
mere il tasto Programma
ripetutamente fino a che il
numero 3, 4, 5, 6, 7, or 8
appaia sul display piccolo. 
Per iniziare il programma iniziare a pedalare.
Per iniziare il programma, semplicemente iniziare
a pedalare. Ogni programma Intelligente consiste
in 20 o 30 periodi da un minuto. Un livello di resi-
stenza e uno di passo sono programmatici per
ciascun periodo. (La stessa resistenza o passo
potrebbero essere stati programmatici per periodi
consecutivi.)
Alla fine di ogni periodo del programma, la resi-
stenza dei pedali cambiera automaticamente se
viene programmato un livello di resistenza diver-
so per il periodo successivo. Nota: Se il livello di
resistenza attuale è troppo lato o troppo basso,
potete cambiare il livello di resistenza premendo i
tasti + e –. Tuttavia, quando il periodo attuale del
programma viene completato, il livello di resisten-
za cambierà automaticamente se una resistenza
differente è stata programma per il periodo
seguente.
L’obbiettivo d’an-
datura per il
periodo attuale
sara mostrato
dalle frecce nel
dispaly piccolo.
Per pedalare
all’obbiettivo d’an-
datura, semplicemente aumentare o diminuire la
vostra andatura fino a che ci sia solo una freccia
che punti ogni segmento della barra indicatore
(vedere il disegno sovrastante). Alla fine di ogni
periodo, il numero delle frecce cambiera se viene
programmato un obbiettivo d’andatura diverso per
il periodo successivo. Quando il numero delle
frecce cambia, cambiate la vostra andatura fino a
che ci sia di nuovo solo una freccia che punti ogni
segmento della barra indicatore. Importante: I
passi programmati per il programma hanno la
sola intenzione di provvedere una meta. Il
vostro passo attuale potrebbe essere più
lento di quello programmato, specialmente
durante i primi mesi del vostro programma di
esercizio. Assicurarvi di esercitarvi a un
passo a voi confortevole.
Durante il programma, il centro del dislay largo
mostrerà il tempo rimanente del programma. Se
si smette di pedalare per alcuni secondi, il display
va in pausa e il tempo lampeggia. Se continuate
a esercitarvi dopo che il programma è stato com-
pletato, il display continuerà a mostrare il feed-
back del vostro esercizio.
Seguite i vostri progressi con il display grande. 
Vedere fase 4 a pagina 11.
Misurare la frequenza cardiaca, se desiderato.
Vedere fase 5 a pagina 12.
Accendere il ventilatore se desiderato.
Vedere fase 6 a pagina 12.
Quando finite di allenarvi, la consolle si spe-
gnerà automaticamente.
Vedere fase 7 a pagina 12.
7
6
5
4
3
2
1
COME USARE UN PROGRAMMA INTELLIGENTE
Freccia
Barra
Indicatore

14
Il programma Frequenza Cardiaca 1 è stato progettato
per mantenere la vostra frequenza cardiaca fra 65% e
85% della vostra frequenza cardiaca massima durante
il vostro allenamento. (La vostra frequenza cardiaca
massima viene calcolata sottraendo la vostra età da
220. Per esempio, se avete 25 anni, la vostra frequen-
za cardiaca massima è 195 battiti per minuto.) Il pro-
gramma Frequenza Cardiaca 2 è stato progettato per
mantenere la vostra frequenza cardiaca vicino all’ob-
biettivo frequenza cardiaca che avete selezionato.
Seguire le fasi sottostanti per usare un programma
Frequenza Cardiaca.
Accendere la consolle. 
Vedere la fase 1 a pagina 11.
Selezionare uno dei programmi Frequenza
Cardiaca.
Ogni volta che viene acce-
sa la consolle, sarà sele-
zionato il modo manuale.
Per selezionare un pro-
gramma Frequenza
Cardiaca, premere ripetu-
tamente il pulsante
Programma [Program] fino
a che appaia il numero 1 o 2 nel display piccolo. 
Inserire la vostra età o un obbiettivo frequen-
za cardiaca.
Se viene selezionato il programma 1, la parole
età AGE appariranno nel display grande e l’età
attuale lampeggerà. Se avete già inserito la vostra
età, premere il pulsante inserire [Enter]. Se non
avete ancora inserito la vostra età, premere i pul-
santi piccoli + o – per inserire la vostra età. Dopo,
premere il pulsante  inserire. Una volta che avete
inserito la vostra età, verrà conservata nella
memoria fino a che vengono cambiate le pile della
consolle.
Se viene selezionato il programma 2, le lettere
PLS (pulsazioni) appariranno nel display grande e
l’obbiettivo attuale frequenza cardiaca lampeg-
gerà. Se non desiderate di cambiare l’obbiettivo
frequenza cardiaca, premere il pulsante Enter. Se
desiderate di cambiare l’obbiettivo frequenza car-
diaca, premere i pulsanti piccoli + o –. Dopo, pre-
mere il pulsante Enter. L’obbiettivo frequenza car-
diaca può essere di 70 a 170 battiti per minuto.
Tenere il sensore pulsazioni impugnatura.
Non è necessario di tenere continuamente le
impugnature durante un programma Frequenza
Cardiaca; comumque, dovete tenere le impugna-
ture frequentemente affinché il programma possa
funzionare appropriatamente. Ogni volta che
tenete le impugnature, tenere le mani sui con-
tatti metallici per almeno 30 secondi. Nota:
Quando non state tenendo le impugnature, le let-
tere PLS appariranno nel display grande al posto
della vostra frequenza cardiaca. 
Iniziare a pedalare per iniziare il programma.
Per iniziare il programma, semplicemente iniziare a
pedalare. Il Programa 1 consiste di 20 periodi di un
minuto. Per ogni periodo sono programmati un livel-
lo di resistenza e un obbiettivo frequenza cardiaca.
(Lo stesso livello di resistenza e/o obbiettivo fre-
quenza cardiaca può essere programmato per due
o più periodi consecutivi.) Il Programma 2 dura
sessanta minuti (voi potete scegliere di usare solo
una parte del programma). Lo stesso livello di resi-
stenza e obbiettivo frequenza cardiaca sono pro-
grammati per l’intero programma.
Se viene selezionato il programma 1, la resi-
stenza dei pedali cambierà periodicamente. (Nota:
Se il livello di resistenza è troppo alto o troppo
basso, voi potete cambiarlo premendo i pulsanti +
o – al di sotto del display grande. Comunque,
quando il periodo attuale viene completato, la resi-
stenza dei pedali può cambiare automaticamente.)
Se viene selezionato il programma 2, la resi-
stenza dei pedali non cambierà. Nota: Se deside-
rato potete cambiare il livello di resistenza per l’in-
tero programma premendo i pulsanti + o – al di
sotto del display grande.
Durante i pro-
grammi 1 e 2, le
frecce nel display
piccolo vi aiute-
ranno a mantene-
re la vostra fre-
quenza cardiaca
vicino all’obbietti-
vo attuale frequenza cardiaca. Quando tenete il
sensore pulsazioni impugnatura, la consolle para-
gonerà la vostra frequenza cardiaca all’obbiettivo
attuale frequenza cardiaca. Se la vostra frequenza
cardiaca è troppo alta o troppo bassa rispetto l’ob-
biettivo frequenza cardiaca, il numero delle frecce
nel display piccolo cambierà per incitarvi ad
aumentare o diminuire la vostra andatura. Quando
il numero delle frecce cambia, cambiate la vostra
andatura fino a che ci sia di nuovo solo una frec-
cia che punti ogni segmento della barra indicatore.
5
4
3
2
1
COME USARE UN PROGRAMMA FREQUENZA
CARDIACA
Freccia
Barra
Indicatore

15
Importante: L’obbiettivo andatura è inteso
solo a darvi un punto di arrivo. La vostra
andatura attuale può essere più lenta dell’ob-
biettivo andatura, specialmente durante i primi
mesi del vostro programma d’allenamento.
Assicuratevi di pedalare a un’andatura che sia
comodo per voi.
Nota: Se smettete di pedalare per pochi secondi,
il programma finirà. Per usare di nuovo il pro-
gramma, riselezionarlo e iniziarlo dal principio.
Seguite i vostri progressi con il display grande. 
Vedere fase 4 a pagina 11.
Accendere il ventilatore se desiderato.
Vedere fase 6 a pagina 12.
Quando finite di allenarvi, la consolle si spe-
gnerà automaticamente.
Vedere fase 7 a pagina 12.
Per utilizzare i CD iFIT.com, la ellittica deve essere
collegato al vostro lettore CD portatile, stereo portatile,
stereo, o computer con lettore CD. Vedere a pagina 16
a 18 per il collegamento. Per utilizzare le videocas-
sette iFIT.com, la ellittica deve essere collegato al
vostro videoregistratore. Vedere a pagina 18 per il col-
legamento. Per utilizzare i programmi iFIT.com
direttamente dal nostro sito internet, la ellittica deve
essere collegato al vostro computer. Vedere a pagina
18 per il collegamento. 
COME COLLEGARE IL VOSTRO LETTORE CD
PORTATILE
Nota: Se il vostro lettore CD ha prese separate per
le cuffie [PHONES] e per la linea d’uscita [LINE
OUT], vedere le istruzioni A sottostanti. Se il vostro
lettore CD ha una sola presa, vedere istruzioni B.
A.Inserire un’estremità del cavo audio nella presa
situata sotto la consolle. Inserire l’altra estremità del
cavo audio nella presa linea d’uscita del lettore CD.
Inserire le vostre cuffie nella presa cuffie.
B. Inserire un’estremità del cavo audio nella presa
situata sotto la consolle. Inserire l’altra estremità del
cavo audio in un perno manopola. Inserire il perno
manopola nella presa cuffie del vostro lettore CD.
Inserire le vostre cuffie nell’altro lato delle perno
manopola.
8
7
6
LINE OUT
PHONES LINE OUT
PHONES
Cavo
Audio
Cuffie
A
PHONES
PHONES
Cavo
Audio Perno
Manopola
Cuffie
B
COME COLLEGARE VOSTRO LETTORE CD,
VIDEOREGISTRATORE, O COMPUTER

16
COME COLLEGARE IL VOSTRO STEREO PORTA-
TILE
Nota: Se il vostro stereo ha una presa uscita audio
[AUDIO OUT] di tipo RCA, vedere le istruzioni A
sottostanti. Se il vostro stereo ha una presa linea
d’uscita [LINE OUT] da 3,5mm, vedere istruzioni B.
Se il vostro stereo ha soltanto una presa cuffie,
vedere istruzioni C.
A. Inserire un’estremità del cavo audio nella presa
situata sotto la consolle. Inserire l’altra estremità
del cavo audio nell’adattatore. Collegare l’adattato-
re ad una presa uscita audio del vostro stereo.
B. Far riferimento al disegno soprastante. Inserire una
estremità del cavo audio nella presa sotto la con-
solle. Inserire l’altra estremità del cavo audio nella
presa linea d’uscita del vostro stereo. Non utilizzare
l’adattatore.
C. Inserire un’estremità del cavo audio nella presa
situata nella presa sotto la consolle. Inserire l’altra
estremità del cavo audio in un perno manopola.
Collegare il perno manopola alla presa cuffie del
vostro stereo. Inserire le vostre cuffie nell’altro lato
delle perno manopola. 
COME COLLEGARE IL VOSTRO STEREO DI CASA
Nota: Se il vostro stereo ha una presa linea d’uscita
[LINE OUT] inutilizzata, vedere le istruzioni A sotto-
stanti. Se la presa linea d’uscita [LINE OUT] è utiliz-
zata, vedere istruzioni B.
A. Inserire un’estremità del cavo audio nella presa
situata sotto la consolle. Inserire l’altra estremità del
cavo audio nell’adattatore. Collegare l’adattatore
alla presa linea d’uscita del vostro stereo. 
B. Inserire un’estremità del cavo audio nella presa
situata sotto la consolle. Inserire l’altra estremità del
cavo audio nell’adattatore. Collegare l’adattatore ad
un adattatore-Y RCA (disponibile nei negozi di elet-
tronica). Dopo, rimuovere il filo che è attualmente
inserito nella presa linea d’uscita nel vostro stereo e
inserire il filo nell’inutilizzato lato dell’adattatore-Y.
Collegare l’adattatore-Y alla presa linea d’uscita del
vostro stereo.
AUDIO OUT
RIGHT
LEFT
Cavo Audio
Adattatore
A, B
PHONES
Cavo
Audio
C
Perno
Manopola
Cuffie
CD
VCR
Amp
LINE OUT
LINE OUT
Cavo Audio
A
CD
VCR
Amp
LINE OUT
Cavo Audio
Adattatore-Y RCA
Adattatore
Filo rimosso dalla
presa linea d’uscita
B
Adattatore

17
COME COLLEGARE IL VOSTRO COMPUTER
Note: Se il vostro computer ha una presa linea
d’uscita [LINE OUT] da 3,5mm, vedere istruzioni A.
Se il vostro computer ha soltanto una presa cuffie
[PHONES], vedere istruzioni B.
A. Inserire un’estremità del cavo audio nella presa
situata sotto la consolle. Inserire l’altra estremità
del cavo audio nella presa linea d’uscita del vostro
computer.
B. Inserire un’estremità del cavo audio nella presa
situata sotto la consolle. Inserire l’altra estremità del
cavo in un perno manopola. Collegare il perno
manopola alla presa cuffie del vostro computer.
Collegare le vostre cuffie o casse acustiche all’altro
lato delle perno manopola.
COME COLLEGARE IL VOSTRO VIDEOREG-
ISTRATORE
Nota: Se il vostro videoregistratore ha una presa
esterna audio [AUDIO OUT] inutilizzata, vedere le
istruzioni A sottostanti. Se la presa esterna audio
è stata usata, vedere l’istruzione B. Se il vostro
videoregistratore collegato al vostro stereo, vede-
re COME COLLEGARE IL VOSTRO STEREO DI
CASA a pagina 17.
A. Inserire un’estremità del cavo audio nella presa situa-
ta sotto la consolle. Inserire l’altra estremità del cavo
audio nell’adattatore. Inserire l’adattatore nella presa
esterna audio del vostro videoregistratore.
B. Inserire un’estremità del cavo audio nella presa
situata sotto la consolle. Inserire l’altra estremità
del cavo audio nell’adattatore. Inserire l’adattatore
in un adattatore-Y RCA (disponibile nei negozi di
elettronica). Dopo, rimuovere il filo che è attualmen-
te inserito nella presa esterna audio del vostro
videoregistratore ed inserirlo nel lato inutilizzato
dell’adattatore-Y. Inserire l’adattatore-Y nella presa
esterna audio del vostro videoregistratore.
LINE OUT
Cavo
Audio
A
PHONES
Cavo
Audio
B
Perno
Manopola
Cuffie/Casse Acustiche
AUDIO OUT
RIGHT
LEFT
VIDEO  AUDIO
ANT. IN
RF OUT
IN
OUT
CH
34
C
Cavo Audio
Adattatore
A
VIDEO  AUDIO
ANT. IN
RF OUT
IN
OUT
CH
34
Cavo Audio Adattatore
B
Filo rimosso dalla
presa esterna audio
Adattatore-Y
RCA

18
Per usare i CD o le videocassette iFIT.com, la ellittica
deve essere collegato al vostro lettore CD portatile,
stereo portatile, stereo, computer con lettore CD, o
videorestratore. Vedere COME COLLEGARE
VOSTRO LETTORE CD, VIDEOREGISTRATORE, O
COMPUTER a pagina 15. Nota: Per acquistare i CD
e le videocassette iFIT.com visiatate il nostro sito
all’indirizzo www.iconeurope.com.
Seguire le fasi sottostanti per utilizzare un programma
video o CD iFIT.com.
Accendere la consolle.
Vedere la fase 1 a pagina 11.
Selezionare la funzione iFIT.com.
Ogni volta che la consolle
viene accesa, la funzione
manuale sarà selezionata.
Per selezionare la funzione
iFIT.com, premere sul tasto
iFIT.com. L’indicatore vicino
al pulsante si accenderà e
le lettere IF appariranno
nell’angolo più alto a destra del display.
Inserire il CD o la videocassetta iFIT.com.
Se state usando un CD iFIT.com, inserire il CD
nel vostro lettore CD. Se state usando una video-
cassetta iFIT.com, inserire la videocassetta nel
vostro videoregistratore.
Premere il pulsante PLAY del vostro lettore
CD o videoregistratore.
Subito dopo aver premuto il pulsante, il vostro
allenatore personale inizierà a guidarvi attraverso
il vostro allenamento. Seguire semplicemente le
istruzioni del vostro allenatore personale.
Il programma funzionerà quasi nello stesso modo
di un programma Intelligente (far riferimento alla
fase 3 a pagina 13). Tuttavia, una specie di « cin-
guettio » elettronico vi avviserà quando la resi-
stenza e/o il passo sta per cambiare.
Nota: Se la resistenza dei pedali e/o il passo
non cambia dopo aver udito il « cinguettio »:
• Assicurarsi che l’indicatore sul tasto
iFIT.com sia acceso.
• Regolare il volume del vostro lettore CD o
videoregistratore. Se il volume è troppo alto
o troppo basso, la consolle potrebbe non
percepire i segnali del programma.
• Assicurarsi che il cavo audio sia collegato in
modo corretto e che sia completamente
inserito nella presa.
Seguite i vostri progressi con il display largo. 
Vedere fase 4 a pagina 11.
Misurare la frequenza cardiaca, se desiderato.
Vedere fase 5 a pagina 12.
Accendere il ventilatore se desiderato.
Vedere fase 6 a pagina 12.
Quando finite di allenarvi, la consolle si spe-
gnerà automaticamente.
Vedere fase 7 a pagina 12.
8
7
6
5
4
3
2
1
COME USARE I PROGRAMMI DEI CD O VIDEO
iFIT.COM

19
Il nostro sito all’indirizzo www.iFIT.com vi permette di
utilizzare i programmi audio e video iFIT.com diretta-
mente da internet. Per usare i programmi dal nostro
sito internet, la ellittica deve essere collegato al vostro
computer. Vedere, COME COLLEGARE IL VOSTRO
COMPUTER a pagina 17. Inoltre, dovete avere un
collegamento internet e un fornitore di servizio inter-
net. Una lista di specifici requisiti per il sistema potrà
essere trovata sul nostro sito internet.
Seguite le fasi sottostanti per usare un programma dal
nostro sito internet.
Accendere la consolle.
Vedere la fase 1 a pagina 11.
Selezionare la funzione iFIT.com.
Ogni volta che la consolle
viene accesa, la funzione
manuale sarà selezionata.
Per selezionare la funzio-
ne iFIT.com, premere sul
tasto iFIT.com. L’indicatore
vicino al pulsante si accen-
derà e le lettere IF appari-
ranno nell’angolo più alto sul display piccolo.
Andare al vostro computer ed iniziare un col-
legamento internet.
Iniziare la vostra ricerca sul web, se necessa-
rio, ed andare al nostro sito internet al
www.iFIT.com.
Seguire i collegamenti desiderati sul nostro
sito internet per selezionare un programma.
Seguire le istruzioni on-line per iniziare il pro-
gramma. 
Quando iniziate il programma, un conto alla rove-
scia inizierà sullo schermo.
Ritornare la ellittica e iniziare a pedalare.
Quando il conto alla rovescia sullo schermo ter-
mina, il programma inizierà. Il programma presta-
bilito quasi nello stesso modo di un programma
Intelligente (far riferimento alla fase 3 a pagina
13). Tuttavia, una specie di « cinguettio » elettro-
nico vi avviserà quando la resistenza e/o il passo
sta per cambiare.
Seguire il vostro progresso con display largo.
Vedere fase 4 a pagina 11.
Misurare la frequenza cardiaca, se desiderato.
Vedere fase 5 a pagina 12.
Quando finite di allenarvi, la consolle si spe-
gnerà automaticamente.
Vedere fase 7 a pagina 12.
10
9
8
7
6
5
4
3
2
1
COME USARE I PROGRAMMI DIRETTAMENTE
DAL NOSTRO SITO INTERNET

Ispezionare e stringere spesso tutte le parti della ellitti-
ca. Sostituire immediatamente qualsiasi parte logorata.
Per pulire la ellittica, utilizzare un panno umido e una
piccolo quantità di detersivo per piatti dolce.
Importante: Per evitare di danneggiare la consolle,
tenere sostanze liquide lontano dalla consolle e
tenere la consolle lontana dalla luce diretta del
sole. Mentre in magazzino, rimuovere le pile dalla
consolle.
COME CAMBIARE LE PILE
Se la consolle non funzionasse appropriatamente,
cambiate le pile (vedere la fase 4 di montaggio a
pagina 6).
SENSORE POLSO E LOCALIZZAZIONE DI GUASTI
• Evitare di muovere le mani mentre si sta misurando
la frequenza cardiaca. Un movimento eccessivo
può interferire con la lettura della frequenza cardia-
ca. Non stringere troppo i contatti metallici.
• Per una lettura più accurata della frequenza cardia-
ca, tenere i contatti per circa 15 secondi.
•Per una prestazione ottimale dei sensori polso,
tenere i contatti metallici puliti. I contatti possono
essere puliti con un panno soffice—non usare mai
alcool, abrasivi, o prodotti chimici. 
COME REGOLARE IL COMMUTATORE
Se la consolle non mostra una corretta elaborazione
dati, il commutatore dovrà essere regolato. Per fare
questo, dovete togliere le Molle Pedali (11), il Disco
Pedale (15) destro, ed i Pannelli Laterali (3, 4). Vedere
la fase 8 a pagina 8 e rimuovere le Molle Pedali. 
Dopo, rimuovere le quattro Viti (51) dal Disco Pedale
(15) destro, e toglierlo. Rimuovere tutte le Viti (52, 64)
dal Pannello Laterale Destro (4) e le due Viti (77) da
sotto il Disco Pedale, e rimuovere il Pannello Laterale
Destro. Rimuovere tutte le Viti (52) dal Pannello
Laterale Sinistro (3) e rimuovere il Pannello Laterale
Sinistro.
Dopo, fare riferimento al disegno sottostante e localiz-
zare il Commutatore (53). Allentare, ma non togliere,
la Vite de M4 x 16mm (52) indicata. Avvicinare o allon-
tanare leggermente il Commutatore dal Magnete (58)
sul volano. Riavvitare la Vite. Girare il Disco Pedale
(15) sinistro per un po’. Ripetere fino a quando la
Consolle darà una corretta elaborazione dati. Quando
il Commuta-tore è regolato appropriatamente, riattac-
care i Pannelli Laterali (3, 4), il Disco Pedale (15)
destro e le Molle Pedali (11).
COME REGOLARE LA CINGHIA GUIDA
Se vi sembra
che i pedali
scivolino men-
tre pedalate,
anche quando
la resistenza è
regolata al
massimo livel-
lo, la Cinghia
Guida (19)
potrebbe aver
bisogno di
essere regola-
ta. Per regolare la Cinghia Guida, deve rimuovere
entrambi i pannelli laterali. Vedere COME REGOLA-
RE IL COMMUTATORE sulla sinistra e rimuovere i
pannelli laterali.
Dopo, allentare la Bullone a Testa Piatta da M8 x
22mm (68) e girare il Vite da M10 x 60mm (62) fino a
che la Cinghia Guida (19) sia stretta. Quando la Cinta
Guida è stretta, stringere la Vite a Testa Piatta.
Riattaccare i Pannelli Laterali. 
MANUTENZIONE E LOCALIZZAZIONE DEI GUASTI
20
64
77
51
51
77
52
52
64
64
11
11
415
3
58
53
52
15
68
62 19

21
CONSIGLI PER L’ALLENAMENTO
Le seguenti indicazioni vi aiuteranno a creare e con-
trollare costantemente il vostro programma di allena-
mento. Ricordarsi che anche un adeguato riposo e
una sana alimentazione sono essenziali per ottenere
buoni risultati.
INTENSITÀ DELL’ESERCIZIO
Sia che la vostra meta è quella di dimagrire o raffor-
zare il sistema cardiovascolare, la chiave per raggiun-
gere tali risultati è allenarsi alla giusta intensità. Il giu-
sto livello d’intensità potrà essere determinato usando
il battito cardiaco come guida. La tabella sottostante
mostra la frequenza cardiaca raccomandata per bru-
ciare i grassi, per bruciare i grassi al massimo, e per
un esercizio cardiovascolare (aerobico).
Per determinare la vostra frequenza cardiaca ideale,
innanzi tutto cercate la vostra età nella parte inferiore
della tabella (arrotondare l’età al decennio più vicino).
Dopo di che, localizzate i numeri sopra la vostra età. I
tre numeri rappresentano la vostra zona d’allenamen-
to. I due numeri più bassi rappresentano la frequenza
cardiaca raccomandata per bruciare i grassi; il nume-
ro più alto rappresenta la frequenza cardiaca racco-
mandata per un esercizio aerobico.
Diamagrimento
Per bruciare i grassi in modo efficace, bisognerà alle-
narsi ad un livello d’intensità relativamente basso per
un lungo periodo di tempo. Durante i primi minuti del-
l’allenamento, il corpo utilizza le calorie derivanti dai
carboidrati le quali sono di facile accessibilità. Solo
dopo i primi minuti il corpo incomincia ad utilizzare le
calorie derivanti dalle scorte di grasso per ottenere
l’energia necessaria. Se la vostra meta è il bruciare i
grassi, regolate l’intensità dello vostro esercizio fino a
quando la vostra frequenza cardiaca è vicino all’estre-
mità bassa della vostra zona d’allenamento.
Per un massimo consumo dei grassi, regolate l’inten-
sità dello vostro esercizio fino a quando la vostra fre-
quenza cardiaca raggiunge il numero al centro della
vostra zona d’allenamento.
Esercizio Aerobico
Se la meta è quella di rafforzare il sistema cardiova-
scolare, l’allenamento deve essere “aerobico.” Un
allenamento aerobico richiede un notevole ammonta-
re di ossigeno per un prolungato periodo di tempo.
Così facendo aumenta la richiesta per il cuore di pom-
pare più sangue ai muscoli, e per i polmoni di ossige-
nare il sangue. Per esercizio aerobico, regolate l’in-
tensità dello vostro esercizio fino a quando la vostra
frequenza cardiaca è vicino alla metà della vostra
zona d’allenamento.
LINEE DI CONDOTTA PER L’ALLENAMENTO
Ogni allenamento dovrebbe essere suddiviso in tre
parti basilari:
Riscaldamento, consistente in 5–10 minuti di stret-
ching e leggeri esercizi. Un riscaldamento appropriato
aumenterà la vostra temperatura corporea, la fre-
quenza cardiaca, e la circolazione in preparazione per
l’allenamento.
Allenamento alla Zona d’Allenamento, consistente
in 20–30 minuti di allenamento con la vostra frequen-
za cardiaca nella vostra zona d’allenamento. (Durante
le prime settimane del vostro programma di allena-
mento, non mantenere la vostra frequenza cardiaca
nella vostra zona d’allenamento per più di 20 minuti.) 
Raffreddamento, con 5–10 minuti di stretching.
Questo aumenterà la flessibilità dei vostri muscoli e
aiuterà a prevenire i problemi post-allenamento.
FREQUENZA DELL’ALLENAMENTO
Per mantenere o migliorare la propria condizione fisi-
ca, completare tre allenamenti ogni settimana, alter-
nando i giorni. Dopo alcuni mesi, si potrà allenarsi fino
a cinque volte alla settimana, se desiderato. Ricordate,
la chiave del successo è fare dell’esercizio una parte
regolare e piacevole della vostra vita di tutti i giorni.
AVVERTENZA
• Consultare il medico prima di iniziare qualsiasi
tipo di esercizio fisico. Questo è importante
specialmente per persone oltre i 35 anni o per-
sone con problemi fisici già esistenti.
• Il sensore pulsazioni in dotazione non è un
apparecchio medico. Vari fattori possono
influenzare l’accuratezza dei dati della fre-
quenza cardiaca. Il sensore pulsazioni è inte-
so semplicemente come un aiuto nel deter-
minare approssimativamente la frequenza
cardiaca durante l’allenamento.

22
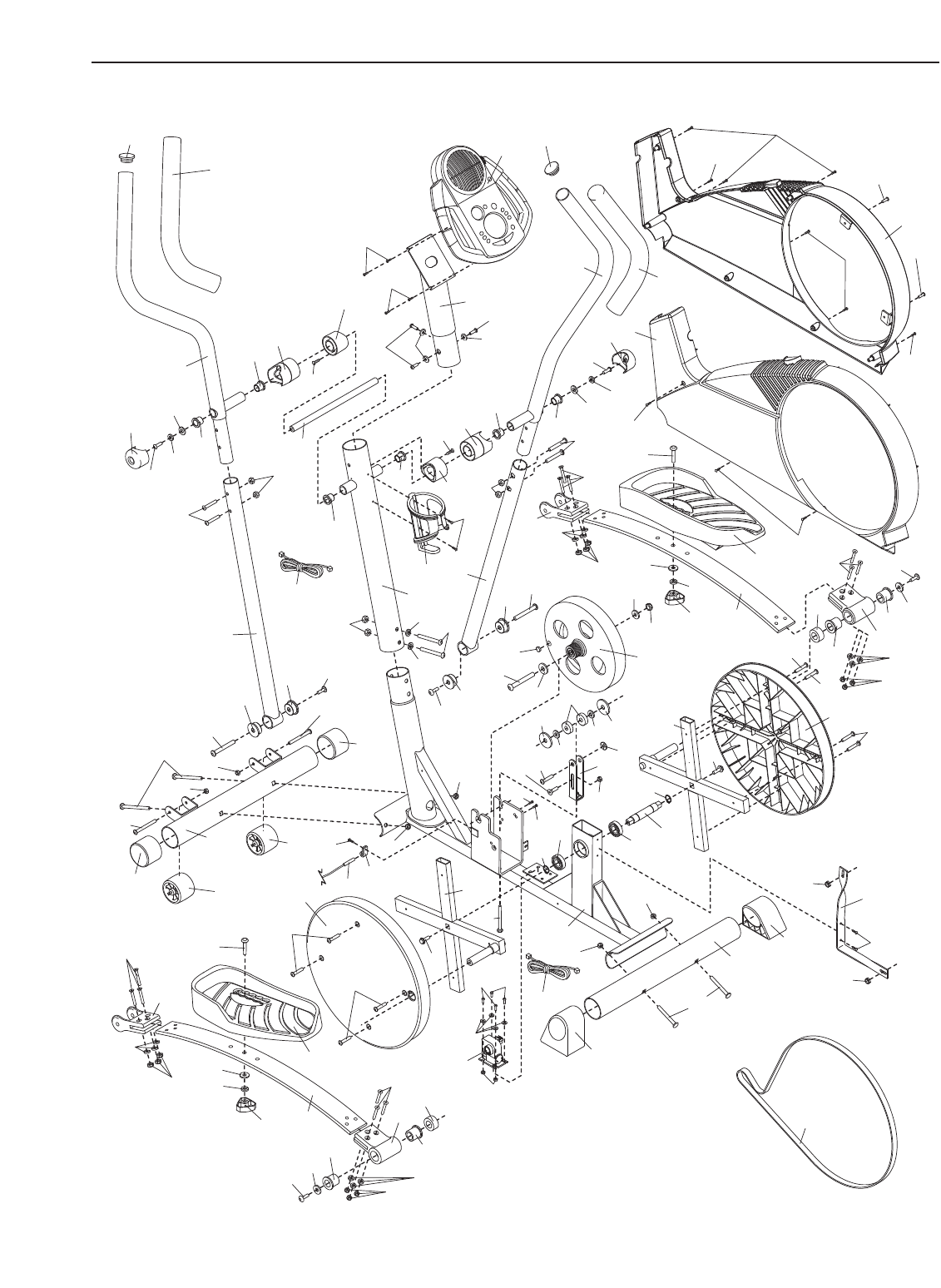
Nota: # indicata una parte non-illustrata. Specificazioni sono soggette a cambiamento senza preavviso.
1 1 Telaio
21 Montante
3 1 Pannello Laterale Sinistro
41 Pannello Laterale Destro
5 2 Gamba Manubrio
6 1 Manubrio Sinistro
7 1 Asse del Perno
8 1 Manubrio Destro
9 1 Stabilizzatore Posteriore
10 1 Stabilizzatore Anteriore
11 2 Molla Pedale
12 1 Sostegno Posteriore Sinistro Molla
13 1 Pedale Sinistro
14 1 Pedale Destro
15 2 Disco Pedale
16 2 Barra Trasversale Disco
17 1 Volano
18 1 Sostegno Pannello Laterale
19 1Cinghia Guida
20 2 Cappuccio Posteriore
21 2 Cappuccio Anteriore
22 2 Ruota
23 1 Consolle
24 2 Impugnatura
25 1 Sostegno Stazionario
26 2 Rondella Stazionario
27 2 Bronzina Stazionario
28 1 Asse Stazionario
29 2 Vite da M3 x 12mm
30 2Anello a Scatto Grande
31 2 Bronzina Grande
32 1 Asse Pedale
33 9Controdado in Nailon da M10
34 4 Bullone di Sostegno da M10 x 75mm
35 2 Rondella di Sostegno Molla
36 12 Bullone a Testa Piatta da M6 x
33,5mm
37 4 Boccole Braccio Pedale
38 5 Controdado in Nailon da M8
39 1 Rondella Volano
40 2 Vite con Nailon da M10 x 27mm
41 2 Bullone da M10 x 45mm
42 4 Rondella da M5
43 2 Rondella Ondulata
44 1 Estensione Filo Bardato
45 1 Motore Controllo Resistenza
46 2 Cappuccio Manubrio
47 2 Spaziatore Manubrio
48 2 Spaziatore Montante
49 6 Boccola Piccola Manubrio 
50 4 Bullone a Bottone da M8 x 45mm
51 8 Vite da M6 x 28mm
52 13 Vite da M4 x 16mm
53 1 Filo/Commutatore
54 1 Serrafilo
55 2 Rondella Manubrio
56 2 Vite con Nailon da M8 x 25mm
57 1 Bullone a Testa Piatta da M10
58 1 Magnete
59 7 Rondella Spaccata da M10
60 4 Boccola Grande Braccio Manubrio
61 2 Bullone Esagonale da 5/16” x
25,4mm
62 1 Vite da M10 x 60mm
63 2Spaziatore Molla
64 4 Vite da M4 x 25mm
65 1 Porta Bottiglia
66 14 Controdado in Nailon da M6
67 3 Vite a Bottone da M10 x 25mm
68 1 Bullone a Testa Piatta da M8 x
22mm
69 1 Dado a Spinta
70 1 Sostegno Posteriore Destro Molla
71 2 Vite Auto-Trivellante da M5 x 16mm
72 2 Vite da M5 x 16mm
73 1Estensione Montante
74 2 Set Bulloni da M10
75 12 Rondella da M6
76 2Sostegno Anteriore Molla
77 2 Vite da M6 x 18mm
78 5 Rondella da M10
79 1Filo Bardato
80 2 Bullone Trasporto da M10 x 30mm
81 2 Manopola Pedale
82 2 Vite Auto-Trivellante da M5 x 14mm
83 2 Controdado in Nailon da M5
84 2 Bullone a Bottone da M10 x 72mm 
85 2 Cappuccio Manubrio
86 2 Vite da M4 x 19mm
# 3 Chiave di Allen
# 2 Lubrificante
#1 Manuale d’Istruzioni
Nº. Qtà. Descrizione Nº. Qtà. Descrizione
LISTA DELLE PARTI—Modello Nº. PFEVEL48940 R0704A

23
61
30
32
31
30
31
24
8
4
3
50
5
38
44
45
6
46
5
60
17
2
10
33
14
12
35
18
19
1
33
13
37
11
51
51
51
15
51
51
34
9
33
33 20
20
16
61
54
52
53
26
38
28 25
68
27
69
62
55
56 38
50
48
47
49
24
56
55
57
39
33
58
22
41
21
33
41
21
22
37
33
34
81
59
80
81
59
80
60
60
60
23
52
52
64
52
77
52 77
64
37
37
49
48
47
49
49
46
11
16
52
35
70
75
66
36 40
63
40 75
66
63
36
67
59
59
67
73
36
66
75
36
66
75
76
76
71
74
74
74
74
26
78
79
15
66
66
72
42
78
78
82
82
83
85 85
29
29
43
7
86
52
52
43
65
49
49
84
33 59
59
78
78
DIAGRAMMA DELLA PARTI—Modello Nº. PFEVEL48940 R0704A

Parte Nº 207840 R0704A Stampato nella Cina © 2004 ICON IP, Inc.
COME ORDINARE PARTI DI RICAMBIO
Per ordinare parti di ricambio, chiamare il nostro Servizio Assistenza Clienti al número verde: 
tutti i pomeriggi dalle 15.00 alle 18.00 (non accessibile da telefoni cellulari). Fax: 075 5910105.
Fare riferimento ai seguenti dati:
• il NUMERO del MODELLO del prodotto (PFEVEL48940)
• il NOME del prodotto (la ellittica PROFORM®595 HR)
• il NUMERO di SERIE del prodotto (vedere la copertina di questo manuale)
•il NUMERO del DIAGRAMMA e la DESCRIZIONE della parte/i (vedere la pagina 26).
800 865114