Proform Pfevel49860 690 Hr Elliptical Users Manual 285430
Proform-Pfevel49860-Owner-S-Manual proform-pfevel49860-owner-s-manual
2015-04-14
: Proform Proform-Pfevel49860-690-Hr-Elliptical-Users-Manual-700412 proform-pfevel49860-690-hr-elliptical-users-manual-700412 proform pdf
Open the PDF directly: View PDF
.
Page Count: 28

Štítek se
sériovým číslem
UŽIVATELSKÁ PŘÍRUČKA
www.iconeurope.com
MÁTE OTÁZKY?
V případě dotazů nebo chybějících
dílů prosím kontaktujte firmu, od
které jste si tento výrobek zakoupili.
Navštivte naše internetové
stránky:
www.iconsupport.eu
POZOR
Před používáním tohoto zařízení
si prostudujte veškerá bezpeč-
nostní opatření a pokyny
uvedené v této příručce. Příručku
si uschovejte pro budoucí
potřebu.
Model č. PFEVEL4986.0
Sériové číslo
Výše si poznamenejte sériové číslo
pro budoucí potřebu.

OBSAH
UMÍSTĚNÍVÝSTRAŽNÉHOŠTÍTKU ...........................................................2
DŮLEŽITÁBEZPEČNOSTÍOPATŘENÍ .........................................................3
PŘÍPRAVA................................................................................4
MONTÁŽ .................................................................................5
JAKPOUŽÍVATELIPTICKÝŠLAPACÍTRENAŽÉR ...............................................12
ÚDRŽBAAPORADCEPŘIPOTÍŽÍCH.........................................................20
POKYNYPROCVIČENÍ....................................................................21
SEZNAMDÍLŮ ...........................................................................24
ROZLOŽENÝVÝKRES.....................................................................26
OBJEDNÁNÍNÁHRADNÍCHDÍLŮ....................................................Zadnístrana
INFORMACEORECYKLACI........................................................Zadnístrana
2
PROFORM je registrovaná ochranná známka společnosti ICON IP, Inc.
UMÍSTĚNÍ VÝSTRAŽNÉHO ŠTÍTKU
Na tomto výkrese jsou uvedena umístění
výstražných štítků. Pokud štítek chybí
nebo je nečitelný, zavolejte na telefonní
číslo na přední straně této příručky a
zdarma požádejte o náhradní štítek. Ští-
tek upevněte na uvedené místo.
Poznámka: Štítky nemusí být zobrazeny
ve skutečné velikosti.

3
UPOZORNĚNÍ:Aby se snížilo riziko vážného zranění, před použitím eliptického
šlapacího trenažéru si prostudujte všechna důležitá bezpečnostní opatření a pokyny v tomto návodu
a všechna varování umístěná na trenažéru. Společnost ICON nenese žádnou odpovědnost za
zranění osob nebo poškození majetku vzniklé používáním tohoto výrobku.
1. Před zahájením cvičebního programu se
poraďte se svým lékařem. To je důležité
zejména pro osoby starší 35 let nebo osoby
s dřívějšími zdravotními problémy.
2. Eliptický šlapací trenažér používejte pouze k
účelu popsanému v tomto návodu.
3. Odpovědností majitele je zajistit, aby všichni
uživatelé tohoto eliptického trenažéru byli
adekvátně informováni o všech výstrahách a
bezpečnostních opatřeních.
4. Tento eliptický šlapací trenažér je určen
pouze pro domácí použití. Tento eliptický
šlapací trenažér nepoužívejte k podnikání,
pronájmu nebo ve sportovních zařízeních.
5. Trenažér používejte v interiéru, v suchém a
bezprašném prostředí. Šlapací trenažér
umístěte na rovný povrch, podlahu či
koberec chraňte před poškozením pomocí
podložky vložené pod trenažér. Ujistěte se,
že je před a za trenažérem volný prostor ale-
spoň 0,9 m, a po stranách alespoň 0,6 m.
6. Pravidelně kontrolujte a řádně utáhněte
všechny součásti. Veškeré opotřebované
díly ihned vyměňte.
7. Děti mladší 12 let a domácí zvířata udržujte
vždy mimo dosah šlapacího trenažéru.
8. Šlapací trenažér by neměly používat osoby o
hmotnosti vyšší než 113 kg.
9. Při cvičení noste vhodné oblečení; nenoste
volné oblečení, které by se mohlo zachytit
do trenažéru. Při cvičení vždy mějte
sportovní obuv pro ochranu chodidel.
10. Při montáži, demontáži nebo používání šla-
pacího trenažéru se vždy přidržujte řídítek
nebo horních ramen.
11. Snímač pulsu není lékařský přístroj. Na přes-
nost údajů o srdeční frekvenci může mít vliv
několik faktorů. Snímač pulsu je určen
pouze jako cvičební pomůcka k přibližnému
zjištění trendů srdeční frekvence.
12. Při používání šlapacího trenažéru mějte záda
rovná; neohýbejte se.
13. Nadměrné cvičení může způsobit vážné
zranění nebo dokonce smrt. Pokud během
cvičení pocítíte slabost nebo bolest, ihned
cvičení přerušte a odpočiňte si.
14. Při přerušení cvičení nechte pedály pomalu
zastavit.
DŮLEŽITÁ BEZPEČNOSTNÍ OPATŘENÍ

4
PŘÍPRAVA
Děkujeme vám za zakoupení eliptického šlapacího
trenažéru PROFORM®690 HR. Eliptický šlapací tre-
nažér 690 HR nabízí řadu funkcí určených ke
zefektivnění a zpříjemnění domácího cvičení.
Před použitím šlapacího trenažéru si ve vlastním
zájmu pečlivě prostudujte tento návod. Pokud vám
po přečtení tohoto návodu bude něco nejasné,
podívejte se na přední stranu tohoto návodu. Než nás
budete kontaktovat, poznamenejte si pro snazší
pomoc číslo modelu a sériové číslo výrobku. Číslo
modelu a umístění štítku se sériovým číslem je uve-
deno na přední straně tohoto návodu.
Dříve, než budete číst dále, se prosím seznamte s
částmi, které jsou označeny ve výkresu níže.
Snímač pulsu
Horní rameno
Pedálový talíř
Kolečko
Pedál
Konzola
Držák láhve na vodu*
Vyrovnávací patka
Madlo
Tlačítko západky
Magnet pro uskladnění
Západka ramene pedálu
*Láhev není zahrnuta

5
Kontramatice Pojistná matice M10
(102)-8
(88)-6
(79)-5 (81)-2
(84)-4
MONTÁŽ
K montáži jsou zapotřebí dvě osoby. Všechny součásti šlapacího trenažéru umístěte do vyhrazených prostor
a odstraňte veškerý obalový materiál. Obalové materiály zlikvidujte až po dokončení montáže.
Kromě přibaleného nářadí je pro montáž zapotřebí křížový šroubovák , francouzský
klíč , a pryžová palice .
Při montáži šlapacího trenažéru používejte níže uvedené obrázky pro rozpoznání drobných dílů. Číslo v závorce
pod každým výkresem je číselný kód dílu ze SEZNAMU DÍLŮ na konci tohoto návodu. Číslo za závorkou je
počet kusů potřebných pro montáž. Poznámka: Pokud některá součást není v dodané soupravě, zkontrolu-
jte, zda nebyla instalována předem.

6
1.
Zatímco druhá osoba zvedne základnu (1),
pomocí dvou vratových šroubů M10 x 80mm
(82) a dvou pojistných matic M10 (81) k zák-
ladně upevněte přední stabilizátor (6).
2. Ze základny (1) vyjměte označený šroub a
přepravní držák. Přepravní konzolu a šroub
zlikvidujte.
Dále zatočte patku základny (26) co nejvíce do
základny (1).
3. Připevněte zadní stabilizátor (7) k rámu (2)
pomocí dvou šroubů s vnitřním šestihranem
M10 x 127mm (83).
Poté přidržte madlo na rámu (2) a stiskněte
tlačítko západky (68). Rám poté snižte tak, aby
se zadní stabilizátor (7) opíral o podlahu.
6
81
81
82
1
1
Přepravní
držák
26
Šroub
383
7
Madlo
2
68
2
1
Pro usnadnění montáže si předtím, než
začnete, přečtěte informace na straně 5.

7
4. Kryt náboje (75) a rameno kliky (36) přidržte u
levého náboje kliky (38). Otvory v krytu náboje
a ramenu kliky zarovnejte s nepoužitými otvory
vlevém náboji kliky.
Poté vložte do krytu náboje (75) a ramena kliky
(36) čtyři šrouby náboje (87). Poté rukou utáh-
něte šrouby náboje v levém náboji kliky (38).
Utáhněte jeden šroub náboje a poté do kříže
další šroub náboje. Poté dotáhněte dva zbýva-
jící šrouby náboje.
Tento krok opakujte na pravé straně trenažéru;
ověřte, zda jsou ramena kliky (36) orien-
tována tak, aby objímky pouzdra kliky (43)
byly ve znázorněných polohách. Poznámka:
Na pravé straně nejsou žádné šrouby kladky
(98).
4
36
38
98
75
87
87
36
43
43
5. Zatímco druhá osoba přidržuje sloupek (3),
připojte horní kabel (48) ke spodnímu kabelu
(49).
Mírně zatáhněte za horní konec horního
kabelu (48), čímž odstraníte případné uvol-
nění, a vložte sloupek (3) do základny (1).
Pomocí šroubu s vnitřním šestihranem M8 x
69mm (80), pružné podložky M8 (90) a kontra-
matice M8 (79) upevněte sloupek (3). Šroub s
vnitřním šestihranem ještě neutahujte;
ověřte, zda je pojistná matice v šestihran-
ném otvoru v základně.
Poté v základně (1) utáhněte rukou dva šrouby
s vnitřním šestihranem M8 x 23mm (84) s
pružnými podložkami M8 (90). Šrouby s
vnitřním šestihranem ještě neutahujte.
Pomocí tří šroubů M4 x 16mm (104) k základně
(1) upevněte držák láhev na vodu (22).
3
80
48
49
22
84
84
90
90
90
104
79
1
5

8
6. Pro napájení konzoly jsou zapotřebí čtyři baterie
1,5V D (nejsou součástí dodávky), doporučují
se alkalické baterie. Stlačte jazýček na krytu
baterie a kryt vyjměte. Poté do konzoly vložte
čtyři baterie. Polarita baterií musí odpovídat
diagramům uvnitř bateriových přihrádek.
Kryt baterie opět upevněte ke konzole.
Kryt
baterií
Baterie
Baterie
Jazýček
6
5
7. Zatímco druhá osoba přidržuje konzolu (5) u
sloupku (3), připojte kabel konzoly k hornímu
kabelu (48).
Přečnívající kabely zasuňte do sloupku (3).
Rada: Vyvarujte se sevření vodičů. Konzolu
(5) upevněte ke sloupku (3) pomocí čtyř šroubů
s kulatou hlavou M4 x 16mm (101).
48
5
3
101
Kabelový
svazek
7
Vyvarujte se
sevření vodičů
8. Přepravní madlo (116) upevněte ke sloupku (3)
pomocí čtyř šroubů přepravního madla (117).
Ujistěte se, že přepravní madlo je orientováno
dle ilustrace.
Jeden z krytů sloupku (17) ustavte podle
obrázku a držte jej na sloupku (3). Kryt sloupku
upevněte pomocí dvou šroubů s kulatou hlavou
M4 x 16mm (101).
Stejným způsobem upevněte i druhý kryt
sloupku (17).
8
17 17
3
101
101
117
117
116

9
10. Osu (74) nasuňte do sloupku (3) a vystřeďte ji.
Na osu naneste dostatečné množství
přibaleného maziva.
Levé horní rameno (11) ustavte dle ilustrace a
posuňte je na levý konec osy (74). Na pravý
konec osy nasuňte pravou horní nohu (12).
Na každém konci osy (74) utáhněte šroub s
vnitřním šestihranem M8 x 23mm (84) s pod-
ložkou M8 x 25mm (88) a vlnitou podložkou
(111). Ověřte, zda jsou vlnité podložky na
koncích osy.
9. Vyhledejte levé horní rameno (8) a levou horní
nohu (11), které jsou označeny nálepkami „Left”
(Levý).
Levé horní rameno (8) a levou horní nohu (11)
ustavte dle ilustrace. Levé horní rameno
zasuňte do horní nohy.
Levé horní rameno (8) připevněte dvěmi šrouby
s vnitřním šestihranem M8 x 41mm (78) a
dvěmi kontramaticemi M8 (79). Ujistěte se, že
pojistné matice zapadly do šestihranných
otvorů v levé horní noze.
Stejným způsobem připevněte pravé horním
rameno (9) k pravé horní noze (12).
9
11
8
9
12
88
84
111
88
74
3
84 111
12
11
78
78
79
79
Šestihranné
otvory
Mazivo
10

10
12. Vyhledejte levý pedál (13) a rameno levého
pedálu (14), které jsou označeny nálepkami
„Left” (vlevo).
Levý pedál (13) připevněte k levému ramenu
pedálu (14) pomocí šroubu M4 x 47mm (108),
tří šroubů M4 x 16mm (104), čtyř pružných pod-
ložek M4 (112) a čtyř podložek M4 (102).
Stejným způsobem připevněte pravý pedál
(není vidět) k pravému rameni pedálu (není
vidět).
13
14
104
104
112 112
112 112
108
102 102
102
12
11. Levý přední kryt ramene (18) a levý zadní kryt
ramene (19) přiložte ze stran k levé horní noze
(11). Kryty ramena upevněte pomocí tří šroubů
s kulatou hlavou M4 x 32mm (105).
Stejným způsobem nasaďte pravý přední
kryt ramene (20) a pravý zadní kryt ramene
(21) k pravé horní noze (12).
20
21
105
12
19
11
18
11

11
14. Zvedněte západku na spodní straně levého
ramene pedálu (14) a nastavte levé rameno
pedálu na levé objímce pouzdra kliky (43).
Uvolněte páku a ověřte, zda je levé rameno
pedálu bezpečně připojeno k objímce pouzdra
kliky.
Stejným způsobem připojte pravé rameno
pedálu (neznázorněno).
Viz krok 5. Utáhněte šroub s vnitřním
šestihranem M8 x 69mm (80) a dva šrouby s
vnitřním šestihranem M8 x 23mm (84).
15. Zkontrolujte řádné utažení všech součástí šlapacího trenažéru. Poznámka: Některé díly či spojovací
prvky mohou zbýt i po dokončení montáže. Podlahu či koberec chraňte před poškozením pomocí podložky
vložené pod trenažér.
Západka
43
14
13. Na osu ramena pedálu (32) a dvě pouzdra
ramena pedálu (33) v ramenu levého pedálu
(14) naneste tenkou vrstvu maziva.
Poté na šroub ramena M8 x 23mm (115) a kryt
ramena pedálu (31) nasuňte podložku M8 (88)
a šroub ramena utáhněte rukou do osy ramena
pedálu (32).
Zatímco druhá osoba přidržuje konec levého
ramena pedálu (14) uvnitř konzoly na levé horní
noze (11), na každou stranu konzoly vložte
rozpěrku ložiska (118). Poté vložte osu ramena
pedálu (32) do levé horní nohy a levého ramena
pedálu. Poté na šroub ramena M8 x 23mm
(115) a kryt ramena pedálu (31) nasuňte pod-
ložku M8 (88) a šroub ramena utáhněte rukou
do osy ramena pedálu (32). Utáhněte oba
šrouby ramene.
Tento krok opakujte pro upevnění pravého
ramene pedálu (není vidět) k pravé horní
noze (12).
Mazivo
13
115
32
88
31 118
118
12
11
14
115
88
33—Mazivo
Držák
31
14

12
JAK POUŽÍVAT ELIPTICKÝ ŠLAPACÍ TRENAŽÉR
SLOŽENÍ A ROZLOŽENÍ ELIPTICKÉHO
TRENAŽÉRU
Pokud se trenažér nepoužívá, rám lze složit, aby
nepřekážel. Nejprve zvedněte západku pod každým
ramenem pedálu a zvedněte ramena pedálu z objímek
na ramenech kliky.
Poté zvedejte ramena pedálu, dokud se nebudou
dotýkat magnetů na horních nohách; magnety budou
přidržovat ramena pedálu na místě. Potom přidržte
madlo a zvedejte rám, dokud se nezajistí ve vertikální
poloze.
Trenažér složte nejprve přidržením madla, poté
stisknutím tlačítka západky a snížením rámu.
Dále vytáhněte ramena pedálu z magnetů na horních
nohách. Poté zvedněte západky pod rameny pedálu
a uložte ramena pedálu na objímky na ramenech
kliky. Uvolněte západky a ověřte, zda jsou ramena
pedálu bezpečně připojena k ramenům kliky.
PŘEMÍSTĚNÍ ELIPTICKÉHO ŠLAPACÍHO
TRENAŽÉRU
Trenažér přesuňte jeho složením, jak je popsáno
nalevo. Poté se postavte před šlapací trenažér,
přidržte madlo u sloupku a jednu nohu dejte ke středu
předního stabilizátoru. Nadzvedněte madlo tak, aby
trenažér stál na kolečkách. Šlapací trenažér opatrně
přemístěte do požadované polohy a pak jej pomalu
spusťte dolů.
USTAVENÍ ELIPTICKÉHO ŠLAPACÍHO
TRENAŽÉRU
Pokud se šlapací trenažér během používání na pod-
laze mírně kolébá či kýve do stran, pootočte jednou
nebo oběmi vyrovnávacími patkami pod zadním stabi-
lizátorem tak, aby již ke kývaní nedocházelo.
Západka
Objímka
Rameno pedálu
Rameno
kliky
Madlo
Zde dejte
nohu
Magnet
Madlo
Rám
Tlačítko
západky
Rameno
pedálu
Vyrovnávací
patka

13
CVIČENÍ NA ELIPTICKÉM ŠLAPACÍM TRENAŽÉRU
TRENAŽÉR
Při nastupování na šlapací trenažér se přidržte
horních ramen a stoupněte na pedál v nejnižší poloze.
Poté si stoupněte i na druhý pedál. Na pedály zatlačte
tak, aby se začaly souvisle pohybovat.
Poznámka: Kliky se mohou otáčet v obou
směrech. Doporučený směr otáčení klik je zná-
zorněn ve směru šipky; pro změnu cvičení však
lze klikami otáčet v opačném směru.
Chcete-li ze šlapacího trenažéru vystoupit, vyčkejte do
úplného zastavení pedálů. Poznámka: Šlapací tre-
nažér nemá volnoběh, pedály se pohybují tak
dlouho, dokud se nezastaví setrvačník. Po zas-
tavení pedálů nejprve sestupujte z vyššího pedálu.
Poté sestupte i z nižšího pedálu.
Pedály
Rameno kliky
Horní ramena

14
PARAMETRY KONZOLY
Konzola rotopedu nabízí výběr funkcí určených ke
zefektivnění domácího cvičení.
Je-li na konzole vybrán manuální režim, odpor pedálů
lze měnit stiskem tlačítka. Při cvičení konzola
zobrazuje průběžnou zpětnou vazbu. Pomocí snímače
pulsu v rukojeti lze měřit tepovou frekvenci.
Konzola rovněž nabízí osm chytrých programů, při
kterých se automaticky mění odpor pedálů a cvíčící je
upozorněn na změnu frekvence šlapání, a tím je
proveden efektivním cvičením.
Kromě toho konzola nabízí dva programy tepové
frekvence, které automaticky ovládají odpor pedálů, a
upozorňují cvičící osobu udržování frekvence šlapání
tak, aby se srdeční frekvence během cvičení pohybo-
vala poblíž cílových hodnot.
Používání manuálního režimu je uvedeno na straně
15. Používání chytrého programu je uvedeno na
straně 17. Používání programu srdeční frekvence je
uvedeno na straně 18.
Poznámka: Před použitím konzoly se ujistěte, zda jsou
vloženy baterie (viz krok montáže 6 na straně 8).
Pokud je na čele konzoly plastová fólie, odstraňte ji.
SCHÉMA KONZOLY

15
POUŽITÍ MANUÁLNÍHO REŽIMU
1. Konzolu lze zapnout zahájením šlapání.
Za okamžik po začátku šlapání se displej rozsvítí.
2. Vyberte manuální režim.
Při každém zapnutí
konzoly se zvolí
manuální režim.
Pokud jste zvolili
určitý program,
vyberte znovu
manuální režim
stisknutím tlačítka Chytré programy [SMART
PROGRAMS] nebo tlačítka Programy srdeční
frekvence [HEART RATE PROGRAMS] opako-
vaně, dokud se v dolním levém rohu displeje
neobjeví slova MANUAL MODE (manuální režim).
3. Odpor pedálů lze měnit podle potřeby.
Během šlapání lze
měnit odpor pedálů
opakovaným
stiskem tlačítka pro
zvyšování a
snižování hodnoty.
Poznámka:
Přechod na nově nastavený odpor pedálů není
okamžitý, ale plynulý.
4. Na displeji sledujte váš postup.
V horním levém rohu displeje je zobrazen
uplynulý čas [TIME]. Poznámka: Pokud je vybrán
určitý program, na displeji se namísto uplynulého
času zobrazí zbývající čas programu.
V dolním levém rohu displeje se zobrazí
uražená vzdálenost [DISTANCE] jako celkový
počet otáček.
V pravém horním rohu displeje se zobrazuje při-
bližný počet spálených kalorií [CALORIES]. Pokud
používáte snímač pulsu v rukojeti, v pravém
horním rohu displeje zobrazí také vaše srdeční
frekvence (viz krok 5 na straně 16).
V dolním pravém rohu displeje se zobrazuje
rychlost šlapání v otáčkách za minutu [RPM].
Při každé změně odporu pedálů se uprostřed
displeje na několik sekund zobrazí hodnota
odporu [RESISTANCE].
Vybrané informace lze rovněž zobrazit ve větší
velikosti. Informace o čase a vzdálenosti, čase a
kaloriích nebo čase a rychlosti se zobrazí opako-
vaným stisknutím tlačítka Displej [DISPLAY].
Všechny informace se zobrazí stisknutím tlačítka
Displej znovu.

16
Konzola má tři možnosti podsvícení. Je-li zvolena
možnost ON (zap), konzola je podsvícená po
celou dobu, když je zapnutá. Za účelem úspory
baterie možnost AUTO udržuje podsvícení pouze
během šlapání. Při volbě OFF (vyp) je podsvícení
vypnuto.
Možnost podsvícení vyberte nejprve stisknutím a
podržením tlačítka Chytré programy na několik
sekund. Požadovanou možnost podsvícení lze
vybrat stiskem tlačítka Zvýšit [INCREASE]. Poté
váš výběr uložte stiskem tlačítka Chytré programy.
5. Podle potřeby si změřte svou srdeční
frekvenci.
Pokud jsou
kovové kontakty
snímače pulsu v
rukojeti chráněny
plastovou fólií,
odstraňte ji. Pro
měření tepové
frekvence je nutné
mít snímač pulsu umístěný v rukojeti pod dlaní
opřenou o kovové kontakty. Ruce mějte na jed-
nom místě a kontakty nesvírejte příliš pevně.
Po detekci pulsu se objeví jedna, dvě nebo tři
tečky a poté srdeční frekvence. Pro co nejpřes-
nější údaj o srdeční frekvenci přidržte kontakty
přibližně 15 sekund. Poznámka: Pokud budete
snímač pulsu v rukojeti držet i nadále, na displeji
se zobrazí vaše srdeční frekvence na dobu až 30
sekund.
Pokud se na displeji vaše tepová frekvence nezo-
brazí, zkontrolujte, zda máte ruce umístěny dle
ilustrace. Ruce mějte na jednom místě a kovové
kontakty nesvírejte příliš pevně Pro dosažení opti-
málního výkonu kovové kontakty vyčistěte
měkkým hadříkem, k čištění kontaktů nikdy
nepoužívejte alkohol, brusivo nebo chemikálie.
6. Po dokončení cvičení se konzola automaticky
vypne.
Pokud se pedály na několik sekund přestanou
pohybovat, zazní zvukový signál a nastane pauza
konzoly.
Pokud se pedály nepohybují několik minut a
nestiskne se žádné tlačítko, konzola se vypne a
displeji se vynuluje.
Kontakty

17
POUŽITÍ CHYTRÉHO PROGRAMU
1. Konzolu lze zapnout zahájením šlapání.
Za okamžik po začátku šlapání se displej rozsvítí.
2. Vyberte chytrý program.
Jeden z osmi chyt-
rých programů
vyberte stisknutím
tlačítka Chytré pro-
gramy [SMART
PROGRAMS] opa-
kovaně, dokud se
na displeji neobjeví 1, 2, 3, 4, 5, 6, 7 nebo 8. Na
displeji se objeví i doba programu a profil úrovní
odporu pedálů.
3. Začněte šlapat do pedálů a zahajte tak
program.
Každý program je rozdělen na 20, 30 nebo 45 jed-
nominutových úseků. Pro každý úsek je
naprogramovaná jedna úroveň odporu a jedny
cílové otáčky (tempo). Poznámka: Pro následné
úseky lze naprogramovat stejný odpor a/nebo
stejné cílové otáčky.
Uprostřed displeje se na několika sekund objeví
úroveň odporu pedálů a cílové otáčky pro první
úsek.
Profil zobrazuje během programu jeho průběh.
Blikající úsek v profilu představuje aktuální úsek
tréninku. Výška blikajícího úseku signalizuje nasta-
venou rychlost pro aktuální úsek. Na konci
každého úseku tréninku zazní několik tónů a
začne blikat další úsek profilu. Pokud se pro další
úseky naprogramuje jiná úroveň odporu a/nebo
cílových otáček, tato hodnota se na několik
sekund zobrazí na displeji a upozorňuje tak cvičící
osobu. Poté se změní odpor pedálů.
Během cvičení
budete naváděni,
abyste tempo šla-
pání udržovali na
úrovni cílového
tempa pro aktuální
úsek. Pokud se na
displeji zobrazí
šipka směřující vzhůru, zvyšte frekvenci šlapání.
Pokud se na displeji zobrazí šipka směřující dolů,
snižte frekvenci šlapání. Pokud se na displeji
neobjeví žádné šipky, udržujte aktuální frekvenci
šlapání.
DŮLEŽITÉ UPOZORNĚNÍ: Cílové otáčky se
udávají z důvodu motivace. Vaše aktuální
tempo může být pomalejší než cílové otáčky.
Tempo cvičení musí být pro vás pohodlné.
Pokud je odpor pedálů pro aktuální úsek příliš
vysoký nebo příliš nízký, nastavení lze upravit
ručně pomocí nastavovacích tlačítek. DŮLEŽITÉ
UPOZORNĚNÍ: Po skončení aktuálního úseku
programu se pedály automaticky přizpůsobí
úrovni odporu pro další úsek.
Program bude pokračovat tímto způsobem až do
konce posledního úseku. Program můžete kdykoli
přerušit přerušením šlapání. Zazní zvukový signál
a na displeji začne blikat čas. Chcete-li znovu
zahájit program, stačí znovu začít šlapat.
4. Na displeji sledujte váš postup.
Viz krok 4 na straně 15.
5. Podle potřeby si změřte svou srdeční frek-
venci.
Viz krok 5 na straně 16.
6. Po dokončení cvičení se konzola automaticky
vypne.
Viz krok 6 na straně 16.

18
POUŽITÍ PROGRAMU TEPOVÉ FREKVENCE
1. Konzolu lze zapnout zahájením šlapání.
Za okamžik po zapnutí konzoly se displej rozsvítí.
2. Vyberte program tepové frekvence.
Program srdeční frekvence zvolte stiskem tlačítka
Programy srdeční frekvence [HEART RATE
PROGRAMS] jednou nebo dvakrát, dokud nebude
vybrán požadovaný program.
3. Zadejte cílové nastavení tepové frekvence.
Pokud zvolíte pro-
gram srdeční
frekvence,
uprostřed displeje
se objeví nastavení
maximální cílové
srdeční frekvence.
Nastavení max-
imální srdeční frekvence lze podle přání měnit
stiskem tlačítek Zvýšit [INCREASE] a Snížit
[DECREASE]. Poznámka: Pokud změníte nas-
tavení maximální cílové srdeční frekvence, změní
se úroveň intenzity celého programu.
Na displeji se pak objeví doba programu a profil
nastavení cílové srdeční frekvence pro daný pro-
gram.
4. Uchopte snímač pulsu umístěný v rukojeti.
Během programu tepové frekvence není nutné
snímač pulsu v rukojeti držet neustále, pro správ-
nou funkci tréninkového programu se však
doporučuje tento snímač pulsu držet často. Při
každém uchopení snímače pulsu umístěného v
rukojeti přidržte ruce na kovových kontaktech
nejméně 30 sekund.
5. Začněte šlapat do pedálů a zahajte tak pro-
gram.
Každý program tepové frekvence je rozdělen na
20 až 30 jednominutových úseků. Pro každý úsek
je naprogramována jedna cílová tepová frekvence.
Poznámka: Stejnou cílovou tepovou frekvenci lze
naprogramovat pro následující úseky.
Profil zobrazuje během programu jeho průběh.
Blikající úsek v profilu představuje aktuální úsek
tréninku. Výška blikajícího úseku signalizuje nas-
tavenou tepovou frekvenci pro aktuální úsek. Na
konci každého úseku tréninku zazní několik tónů a
začne blikat další úsek profilu.
Při šlapání konzola pravidelně porovnává vaši
srdeční frekvenci s nastavením cílové srdeční
frekvence. Pokud bude vaše tepová frekvence o
hodně nižší nebo vyšší než cílová tepová
frekvence, odpor pedálů se automaticky zvýší
nebo sníží tak, aby se vaše tepová frekvence při-
blížila cílové tepové frekvenci.

19
Rovněž budete
upozorněni na
šlapání stabilním
tempem. Pokud se
na displeji zobrazí
šipka směřující
vzhůru, zvyšte
frekvenci šlapání. Pokud se na displeji zobrazí
šipka směřující dolů, snižte frekvenci šlapání.
Pokud se na displeji neobjeví žádné šipky, udržu-
jte aktuální frekvenci šlapání.
DŮLEŽITÉ UPOZORNĚNÍ: Tempo cvičení musí
být pro vás pohodlné. Poznámka: Úrovně
odporu lze změnit ručně, pokud však změníte
odpor pedálů, již nemusíte být schopni udržet
cílovou srdeční frekvenci. Kromě toho, když kon-
zola porovnává vaši tepovou frekvenci s cílovou,
může se odpor pedálů automaticky zvýšit nebo
snížit tak, aby se vaše tepová frekvence přiblížila
cílové tepové frekvenci.
Program bude pokračovat tímto způsobem až do
konce posledního úseku. Program můžete kdykoli
přerušit přerušením šlapání. Zazní zvukový signál
ana displeji začne blikat čas. Chcete-li znovu
zahájit program, stačí znovu začít šlapat.
6. Na displeji sledujte váš postup.
Viz krok 4 na straně 15.
7. Podle potřeby si změřte svou srdeční
frekvenci.
Viz krok 5 na straně 16.
8. Po dokončení cvičení se konzola automaticky
vypne.
Viz krok 6 na straně 16.

20
Pravidelně kontrolujte a řádně utahujte všechny části
šlapacího trenažéru. Veškeré opotřebované díly ihned
vyměňte.
Pro čištění šlapacího trenažéru používejte vlhký
hadřík a malé množství jemného mýdla. DŮLEŽITÉ
UPOZORNĚNÍ: Aby nedošlo k poškození konzoly,
v její blízkosti nemanipulujte s kapalinami a udržu-
jte ji mimo dosah přímého slunečního světla.
VÝMĚNA BATERIE
Pokud se displeje konzoly ztmaví, je třeba vyměnit
baterie; většina problémů konzoly je důsledkem jejich
nízké kapacity. Pokyny pro výměnu jsou uvedeny v
kroku montáže 6 na straně 8.
USTAVENÍ ELIPTICKÉHO ŠLAPACÍHO
TRENAŽÉRU
Pokud se šlapací trenažér během používání na pod-
laze mírně kolébá či kýve do stran, pootočte jednou
nebo oběmi vyrovnávacími patkami pod zadním stabi-
lizátorem tak, aby již ke kývaní nedocházelo.
PORADCE PŘI POTÍŽÍCH SNÍMAČE PULSU V
RUKOJETI
• Při používání snímače pulsu v rukojeti nepohybujte
rukama. Nadměrný pohyb může zkreslit údaje o
srdeční frekvenci.
• Kovové kontakty nepřidržujte příliš pevně; může to
zkreslit údaje o srdeční frekvenci.
• Pro co nejpřesnější údaj o srdeční frekvenci přidržte
kovové kontakty přibližně 30 sekund.
• Pro dosažení optimálního výkonu snímače pulsu v
rukojeti udržujte kovové kontakty čisté. Kontakty lze
čistit měkkým hadříkem, k čištění kontaktů nikdy
nepoužívejte alkohol, brusivo nebo chemikálie.
ODSTRANĚNÍ PRŮHYBU UPROSTŘED
TRENAŽÉRU
Pokud se trenažér během používání uprostřed pro-
hýbá, otáčejte nožkou základny (viz obrázek vlevo) až
do odstranění průhybu.
ÚDRŽBA A PORADCE PŘI POTÍŽÍCH
Vyrovnávací
patka
Nožka
základny

21
Tyto pokyny vám pomohou naplánovat váš cvičební
program. Pro detailní informace o cvičení si obstarejte
seriózní literaturu nebo se poraďte se svým lékařem.
Pamatujte, že základem úspěšných výsledků je nále-
žitá strava a řádný odpočinek.
INTENZITA CVIČENÍ
Ať už usilujete o spálení tuků nebo posílení kardiova-
skulárního systému, klíčem k dosažení výsledků je
cvičení při správné intenzitě. Údaj o srdeční frekvenci
lze použít jako ukazatel pro zjištění správné úrovně
intenzity. V tabulce níže jsou uvedeny doporučené
srdeční frekvence pro spalování tuků a aerobní cvi-
čení.
Pro zjištění správné úrovně intenzity vyhledejte svůj
věk v dolní části tabulky (věk je zaokrouhlen na nej-
bližší desítky let). Tři čísla uvedená nad vaším věkem
určují „zónu tréninku.“ Nejmenší číslo je srdeční frek-
vence pro spalování tuků, střední číslo je srdeční
frekvence pro maximální spalování tuků a nejvyšší
číslo je srdeční frekvence pro aerobní cvičení.
Spalování tuků—Pro efektivní spalování tuků je
nutné cvičit vytrvale při nízké úrovni intenzity. Během
prvních několika minut cvičení tělo spotřebuje na
výrobu energie uhlohydráty. Až po prvních několika
minutách cvičení začne tělo využívat pro výrobu ener-
gie uložené tuky. Pokud usilujete o spalování tuků,
nastavte intenzitu cvičení až na úroveň, kdy je vaše
srdeční frekvence blízko nejnižšímu číslu v zóne tré-
ninku. Pro maximální spálení tuků cvičte při srdeční
frekvenci blízké střednímu číslu v zóně tréninku.
Aerobní cvičení—Pokud se snažíte o posílení kardio-
vaskulárního systému, musíte provádět aerobní
cvičení, což představuje aktivitu vyžadující velké
množství kyslíku po delší dobu. Pro aerobní cvičení
nastavujte intenzitu cvičení, dokud vaše srdeční frek-
vence nebude blízká nejvyššímu číslu v zóně tréninku.
POKYNY PRO TRÉNINK
Rozehřátí—Začněte 5 až 10 minutami protahování a
lehkého cvičení. Zahřátím se zvýší vaše tělesná tep-
lota, srdeční frekvence a oběh pro přípravu na cvičení.
Cvičení v zóně tréninku—Cvičte 20 až 30 minut při
srdeční frekvenci v zóně tréninku. (Během prvních
několika týdnů cvičebního programu neudržujte vaši
srdeční frekvenci v zóně tréninku déle než 20 minut).
Při cvičení dýchejte pravidelně a zhluboka - nikdy
nezadržujte dech.
Ochlazení—Cvičení dokončete 5 až 10 minutami pro-
tahování. Protahováním zvýšíte pružnost svalů a
pomůžete zamezit problémům po cvičení.
FREKVENCE CVIČENÍ
Pro zachování či zlepšení kondice provádějte tři tré-
ninky týdně s minimálně jedním dnem odpočinku mezi
tréninky. Po několika měsících pravidelného cvičení
lze podle přání provádět až pět tréninků týdně.
Pamatujte na to, že klíčem k úspěchu je učinit ze cvi-
čení pravidelnou a příjemnou část všedního dne.
POKYNY PRO CVIČENÍ
UPOZORNĚNÍ: Před zaháje-
ním tohoto či jiného cvičebního programu se
poraďte se svým lékařem. To je důležité
zejména pro osoby starší 35 let nebo osoby s
dřívějšími zdravotními problémy.
Snímač pulsu není lékařský přístroj. Na přes-
nost údajů o srdeční frekvenci může mít vliv
několik faktorů. Snímač pulsu je určen pouze
jako cvičební pomůcka k přibližnému zjištění
trendů srdeční frekvence.

22
NÁVRH NA PROTAHOVÁNÍ
Správné provedení několika základních protahovacích cviků je
uvedeno vpravo. Protahujte se pomalu - bez trhavých pohybů.
1. Protahování dotykem prstů
Stůjte s mírně pokrčenými koleny a pomalu se ohýbejte od pasu
dolů. Když se co nejvíce skláníte k prstům u nohou, uvolněte
záda i ramena. Počítejte do 15, poté povolte. Opakujte 3krát.
Protahování: Kolenní šlachy, zadní část kolen a záda.
2. Protahování kolenních šlach
Sedněte si s nataženou pravou nohou. Přitáhněte chodidlo druhé
nohy směrem k sobě a opřete je o vnitřní stehno natažené nohy.
Natahujte se co nejvíce k palci u nohy. Počítejte do 15, poté
povolte. Opakujte 3krát pro každou nohu. Protahování: Kolenní
šlachy, dolní část zad a třísla.
3. Protahování lýtek/Achillovy šlachy
S jednou nohou před druhou se natahujte dopředu a opřete se
rukama o stěnu. Mějte zadní nohu rovnou a zadní chodidlo rovně
na podlaze. Pokrčte přední nohu, nakloňte se dopředu a pře-
suňte boky ke stěně. Počítejte do 15, poté povolte. Opakujte
3krát pro každou nohu. Pro další protažení Achillových šlach
pokrčte také zadní nohu. Protahování: Lýtka, Achillovy šlachy a
kotníky.
4. Protahování čtyřhlavého svalu stehenního
Pro rovnováhu se opřete jednou rukou o stěnu a uchopte jedno
chodidlo druhou rukou. Patu co nejvíce přitáhněte k hýždím.
Počítejte do 15, poté povolte. Opakujte 3krát pro každou nohu.
Protahování: Čtyřhlavý sval stehenní a boky.
5. Protahování vnitřního lýtka
Sedněte si a dejte plosky chodidel k sobě, kolena směřují ven.
Přitáhněte chodidla co nejvíce k oblasti třísel. Počítejte do 15,
poté povolte. Opakujte 3krát. Protahování: Čtyřhlavý sval ste-
henní a boky.
1
2
3
4
5

23
POZNÁMKY

24
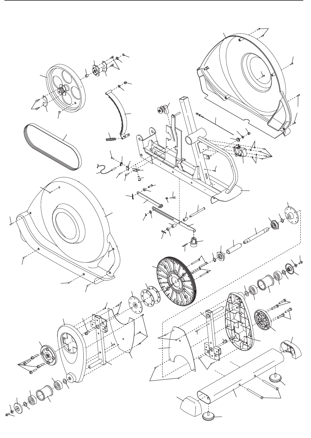
11Základna
21Rám
31Sloupek
41Víko sloupku
51 Konzola
61Přední stabilizátor
71Zadní stabilizátor
81Levé horní rameno
91Pravé horní rameno
10 2 Víko ramene
11 1 Levá horní noha
12 1 Pravá horní noha
13 1 Levý pedál
14 1 Rameno levého pedálu
15 1 Pravý pedál
16 1 Rameno pravého pedálu
17 2 Kryt sloupku
18 1 Levý přední kryt ramene
19 1 Levý zadní kryt ramene
20 1 Pravý přední kryt ramene
21 1 Kryt pravého zadního ramena
22 1 Držák láhve na vodu
23 2 Víko předního stabilizátoru
24 2 Kryt zadního stabilizátoru
25 2 Kolečko
26 1 Patka základny
27 2 Vyrovnávací patka
28 1 Levý kryt
29 1 Pravý kryt
30 6 Horní ložisko
31 4 Kryt ramena pedálu
32 2 Osa ramena pedálu
33 4 Ložisko ramena pedálu
34 1 Osa základny
35 2 Spodní pouzdro
36 2 Rameno kliky
37 2 Vnitřní kryt kliky
38 2 Náboj kliky
39 1 Mezikus kladky
40 1 Řemenice
41 2 Kryt pouzdra kliky
42 4 Ložisko ramena kliky
43 2 Objímka pouzdra kliky
44 2 Sada ložisek kliky
45 1 Klika
46 1 Mezikus kliky
47 2 Pojistný kroužek kliky
48 1 Horní kabel
49 1 Spodní kabel
50 1 Jazýčkový spínač/kabel
51 1 Hnací řemen
52 1 Setrvačník
53 1 Magnet tvaru C
54 1 Stojan ložiska
55 1 Magnet
56 1 Pružina
57 1 Napínací kladka
58 1 Konzola napínací kladky
59 1 Spona
60 1 Konzola jazýčkového spínače
61 1 Kolík základny
62 2 Mezikus držáku západky
63 2 Závlačka
64 1 Držák západky
65 1 Otočné pouzdro
66 2 Mezikus otočného pouzdra
67 1 Kolík rámu
68 1 Tlačítko západky
69 1 Válcový kolík
70 1 Odporový pohon
71 1 Řemenice odporového kabelu
72 1 Sada odporového kabelu
73 2 Měkčená násada na rukojeť
74 1 Osa
75 2 Kryt náboje
76 2 Vnější kryt kliky
77 2 Pouzdro setrvačníku
78 4 Šroub s vnitřním šestihranem
M8 x 41mm
79 7 Kontramatice M8
80 1 Šroub s vnitřním šestihranem
M8 x 69mm
81 4 Pojistná matice M10
82 2 Vratový šroub M10 x 80mm
83 2 Šroub s vnitřním šestihranem
M10 x 127mm
84 6 Šroub s vnitřním šestihranem
M8 x 23mm
85 1 Šroub s vnitřním šestihranem
M6 x 10mm
86 2 Šroub kliky
87 8 Šroub náboje
88 10 Podložka M8
89 2 Šroub s vnitřním šestihranem
M10 x 60mm
90 3 Pružná podložka M8
91 1 Mezikus setrvačníku
92 1 Podložka setrvačníku
93 1 Pojistný kroužek setrvačníku
94 4 Šroub stojanu ložiska
Kód Množství Popis Kód Množství Popis
SEZNAM DÍLŮ— Model č. PFEVEL4986.0 R1010A

25
95 1 Dorazový šroub
96 1 Šroub M8 x 35mm
97 1 Spona tvaru E
98 4 Šroub kladky
99 2 Podložka kliky
100 2 Šroub M4 x 25mm
101 8 Šroub s kulatou hlavou M4 x 16mm
102 12 Podložka M4
103 27 Šroub M4 x 16mm
104 8 Šroub M4 x 16mm
105 6 Šroub s kulatou hlavou M4 x 32mm
106 2 Lícovaný šroub M8 x 31mm
107 4 Šroub M4 x 12mm
108 2 Šroub M4 x 47mm
109 2 Vlnitá podložka velká
110 2 Malá podložka M8
111 2 Vlnitá podložka
112 8 Pružná podložka M4
113 1 Podložka M10
114 1 Matice M6
115 4 Lícovaný šroub M8 x 23mm
116 1 Přepravní madlo
117 4 Šroub přepravního madla
118 4 Rozpěrné ložiska
*–Montážní nářadí
*–Balení maziva
*–Uživatelská příručka
Kód Množství Popis Kód Množství Popis
Poznámka: Technické údaje podléhají změnám bez předchozího upozornění. Informace o objednávání náhrad-
ních dílů naleznete na zadní straně této příručky. *Tyto díly nejsou znázorněny.

26
ROZLOŽENÝ VÝKRES A—č. modelu PFEVEL4986.0 R1010A
1
4
3
5
6
8
9
10
10
11
12
13
14
15
16
17 17
18
19
20 21
22
23
23
25
26
30
30
30
30
30
30
31
31
32 33
33
31
33
32
31
34
35
35
80
78
101
101
79
105
105
88
84
79
84
101
101
74
105
79 78
88 84
104
115
115
88 84
115
115
84 88
89
82
81
81
81
89
48
49
84
73
73
88
88
88
88
90
90
90
111
111
101
116
117
117
118
118
118
118
104
104
112
112
102
104
104
108
112
112 112
102
102
25
108

27
66
2
7
24
24
27
27
28
29
75
76
36
86
99
87
106
37
38
39
40
41
42
42
43
103
103 103
103
107
107
103
38
43
42
42
41
106
36
75
37
83
87
87
76
103
103
103 86
99
44
98
98
44
45
46
47
47
103
100
103
51
50
53
56
79
57
58
59 60
103
103 85
96
61
62
62
63
64
63
65
66
67
68
69
113
97
70
95
103
79
71
72 107
100
103
103
102
102
88
88
109
109
114
103
110
110
52
54
55
94
94
92
93
91
77
77
ROZLOŽENÝ VÝKRES B—č. modelu PFEVEL4986.0 R1010A

Číslo součásti 309279 R1010A Tištěno v Číně © 2010 ICON IP, Inc.
OBJEDNÁNÍ NÁHRADNÍCH DÍLŮ
Informace o objednávání náhradních dílů naleznete na přední straně této příručky. Než nás budete kontaktovat,
mějte pro snazší pomoc připravené následující informace:
• číslo modelu a sériové číslo výrobku (viz přední strana této příručky)
• název výrobku (viz přední strana této příručky)
• číselný kód a popis náhradního dílu (viz SEZNAM DÍLŮ a SCHÉMATICKÝ VÝKRES na konci této příručky)
INFORMACE O RECYKLACI
Tento elektronický výrobek se nesmí vhazovat do komunálního odpadu.
Pro ochranu životního prostředí je nutné tento výrobek po skončení jeho
životnosti recyklovat podle zákona.
Využijte recyklační zařízení, která jsou oprávněná shromažďovat tento typ
odpadu ve vašem místě. Pomůžete tím zachovat přírodní zdroje a zlepšit
evropské normy o ochraně životního prostředí. V případě dalších informací o
bezpečných a správných způsobech likvidace kontaktujte prosím místní měst-
ský úřad nebo firmu, ve které jste tento výrobek zakoupili.