Proform Pfevel961070 Pf 900 Elliptical Users Manual PFEL39031 208048
2015-04-14
: Proform Proform-Pfevel961070-Pf-900-Elliptical-Users-Manual-700663 proform-pfevel961070-pf-900-elliptical-users-manual-700663 proform pdf
Open the PDF directly: View PDF  .
.
Page Count: 28

Etiqueta con el
Número de Serie
(debajo de la armadura)
PRECAUCIÓN
Antes de usar el equipo, lea cui-
dadosamente todas las adverten-
cias e instrucciones de este
manual. Guarde el manual para
futuras referencias.
Nº. de Modelo PFEVEL96107.0
Nº. de Serie
Escriba el número de serie en el
espacio de arriba para futuras refe-
rencias.
¿PREGUNTAS?
Si tiene alguna pregunta, o si faltan
piezas, por favor llame al:
900 460 410
correo electrónico:
serviciotecnico@imagefitness.es
página de internet:
www.iconsupport.eu
MANUAL DEL USUARIO

CONTENIDO
COLOCACIÓNDELACALCOMANÍADEADVERTENCIA ..........................................2
PRECAUCIONESIMPORTANTES.............................................................3
ANTESDECOMENZAR ....................................................................4
MONTAJE ................................................................................5
CÓMOUSARELENTRENADORELÍPTICO....................................................13
MANTENIMIENTOYPROBLEMAS ...........................................................20
GUÍASDEEJERCICIOS ...................................................................21
LISTADELASPIEZAS.....................................................................23
DIBUJODELASPIEZAS ...................................................................25
CÓMO ORDENAR PIEZAS DE REPUESTO . . . . . . . . . . . . . . . . . . . . . . . . . . . . . . . . . . . . . . . . . .Contraportada
2
COLOCACIÓN DE LA CALCOMANÍA DE ADVERTENCIA
La calcomanía de advertencia que aquí se
muestra ha sido colocada en el lugar que
se indica. Si falta una calcomanía o esta
es ilegible, llame al número que aparece
en la portada de este manual y solicite
una nueva calcomanía gratuita. Pegue
la calcomanía en el lugar indicado.
Nota: Puede ser que la calcomanía no se
muestre en su tamaño real.
PROFORM es una marca registrada de Icon IP, Inc.

3
ADVERTENCIA: Para reducir el riesgo de lesiones graves, lea todas las precaucio-
nes e instrucciones importantes de este manual y todas los advertencias que se observan en su
entrenador elíptico, antes de utilizarla. ICON no asume ninguna responsabilidad por lesiones perso-
nales o daños a la propiedad que ocurran por el uso de este producto o a través del mismo.
PRECAUCIONES IMPORTANTES
1. Antes de comenzar éste o cualquier progra-
ma de ejercicios, consulte a su médico. Esto
es muy importante especialmente para per-
sonas mayores de 35 años o que tengan
problemas de salud preexistentes.
2. Es la responsabilidad del propietario asegu-
rarse que todos los usuarios del entrenador
elíptico estén adecuadamente informados
sobre todas las precauciones.
3. Este entrenador elíptico está solamente dise-
ñada para uso dentro del hogar. No use este
entrenador elíptico en ningún lugar comer-
cial, de alquiler o institucional.
4. Guarde el entrenador elíptico en un lugar
cerrado, lejos de la humedad y el polvo.
Coloque el entrenador elíptico en una super-
ficie nivelada con un tapete debajo para pro-
teger el piso o la alfombra. Asegúrese que
haya suficiente espacio alrededor del entre-
nador elíptico para montar, desmontar y
usarlo.
5. Inspeccione y apriete correctamente todas
las piezas regularmente. Reemplace todas
las piezas deterioradas inmediatamente.
6. Mantenga a los niños menores de 12 años y
animales domésticos lejos del entrenador
elíptico a todo momento.
7. El entrenador elíptico deberá ser usado sola-
mente por personas cuyo peso sea 125 kg o
menos.
8. Use ropa apropiada cuando haga ejercicios;
no use ropa suelta que se pueda travar en el
entrenador elíptico. Siempre use zapatos
deportivos para proteger sus pies.
9. Siempre sostenga el sensor de pulso del
mango o las barandas cuando esté montan-
do, desmontando, o utilizando el entrenador
elíptico.
10. Siempre mantenga su espalda en una posi-
ción recta cuando esté usando el entrenador
elíptico; no doble su espalda.
11. El sensor de pulso no es un dispositivo
médico. Varios factores pueden afectar la
exactitud de las lecturas del ritmo cardíaco.
El sensor de pulso está diseñados única-
mente como ayuda para el ejercicio, y en
determinar el ritmo cardíaco en general.
12. Cuando pare de hacer sus ejercicios, permi-
ta que los pedales se paren lentamente.
13. El exceso de ejercicio puede causar lesiones
graves o la muerte. Si siente desfallecimien-
to o dolor mientras hace ejercicios, pare
inmediatamente y comience el enfriamiento.
14. Use el entrenador elíptico solamente como
se describe en este manual.

4
ANTES DE COMENZAR
Gracias por seleccionar el revolucionario entrenador
elíptico PROFORM®PF 900. El entrenador elíptico PF
900 ofrece una variedad grande de características
diseñadas para hacer sus entrenamientos más efica-
ces y agradables.
Para su beneficio, lea este manual cuidadosamen-
te antes de usar el entrenador elíptico. Si tiene pre-
guntas después de leer este manual por favor vea la
contraportada de este manual. Para ayudarnos a pro-
porcionarle asistencia, note el número del modelo del
producto y el número de serie antes de contactarnos.
El número de modelo y el lugar donde se coloca la
calcomanía con el número de serie se muestran en la
portada de este manual.
Antes de seguir leyendo, por favor familiarícese con
las piezas marcadas y sus nombres en el dibujo abajo.
Sensor de Pulso del Mango
Baranda
Rueda
Selector
Pedal
Consola
Porta Botella de Agua*
Charola de Accesorios
Pata de
Nivelación
Porta Libros
*No se incluye la botella de agua

5
MONTAJE
El montaje requiere dos personas. Coloque todas las piezas del entrenador elíptico en una área despejada y
quite los materiales de empaque. No deseche de los materiales de empaque hasta que el montaje se halla
completado. El montaje requiere las herramientas incluidas, un desarmador de estrella , una
llave ajustable , y un mazo .
Mientras que usted ensamble el entrenador elíptico, use el dibujo de abajo para identificar las piezas pequeñas.
El número en paréntesis abajo de cada dibujo se refiere al número de la pieza, de la LISTA DE LAS PIEZAS
verso la fine del presente manuale. El segundo número se refiere a la cantidad que se necesita para el montaje.
IMPORTANTE: Algunas piezas pequeñas pueden haber sido armadas previamente para propósitos de
envío. Si una parte no se encuentra en la bolsa de las piezas, revise si ha sido armada previamente.
Tornillo Taladro
de M4 x 16mm
(79)–10
Espaciador de
M10 (76)–2
Arandela
Dividida de M6
(88)–8
Arandela de
M10 x 20mm x
2mm (81)–2
Arandela de
M10 x 25mm x
1.5mm  (83)–10
Perno de Botón de
M8 x 42mm (71)–4
Tornillo Estrella de
M6 x 16mm (87)–8
Tornillo con Collar de
M8 x 23mm (80)–2
Tornillo Botón de M8
x 16mm (95)–3
Contratuerca de
Nylon de M8
(96)–4
Arandela
Ondulatoria (93)–6
Arandela Dividida
de M10 (72)–4
Tornillo con Nylon de
M10 x 15mm (82)–10
Tornillo con Nylon de M6 x 16mm (97)–2
Tornillo con Nylon de M10 x
48mm (78)–2
Tornillo de M4 x 65mm (91)–4
Tornillo de M4 x
16mm (86)–4
Tornillo con
Reborde de M4
x16mm (84)–2
Tornillo con
Reborde de M4
x 12mm (73)–6
Tornillo con Nylon de M10 x 88mm (104)–2

6
1.
Del montaje retire los tornillos y el soporte de
envío de metal (no se muestra) de la parte de
abajo de la armadura (2). Desheche los tornillos
y el soporte de envío.
Mientras que otra persona ladea la Armadura (2)
hacia atrás, conecte el Estabilisador Delantero
(98) a la Armadura con dos Tornillos con Nylon
de M10 x 88mm (104) y dos Arandelas Divididas
de M10 (72).
2. Con cuidado incline la Armadura (2) sobre su
costado. Oriente la Base (1) como se muestra y
a continuación inserte la Base dentro de la
Armadura. Conecte la Base con dos Tornillos
con Nylon de M10 x 62mm (97), dos
Espaciadores de M10 (76), dos Tornillos con
Nylon de M10 x 48mm (78) y dos Arandelas
Divididas de M10 (72).
Apriete dos Patas (26) y dos Espaciadores de la
Pata Trasera (102) dentro de la parte debajo de
la Base (1).
Luego cuidadosamente ladee el entrenador elíp-
tico a su posición vertical.
Para hacer que el montaje sea más fácil,
lea la información en la página 5 antes
de comenzar el montaje del entrenador
elíptico.
72
104
1
98
2
2
2
1
72
76
78 97
1
102
26
26

7
3. Identifique la Pata del Rodillo Derecho (21) y la
Pata del Pedal Derecho (16), las cuales se
encuentran marcadas con etiquetas adhesivas
con una “R” (LoLeft indica Izquierda; RoRight
indica Derecha). Oriente la Pata del Rodillo
Derecho y la Pata del Pedal Derecho como se
muestra.
Aplique una cantidad pequeña de la grasa
incluida a un Eje del Rodillo (24). Conecte el
Selector (34), que está ubicado sobre la Pata
del Pedal Derecho (16), a la Pata del Rodillo
Derecho con un Eje de Rodillo, dos Arandelas
de M10 x 25mm x 1,5mm (83) y dos Tornillos
con Nylon de M10 x 15mm (82).
Repita este paso con el Pata del Rodillo
Izquierdo (que no se muestra) y la Pata del
Pedal Izquierdo (que no se muestra).
21
16
34
3
24 82
Lubrique
83
83
82
4. Identifique el Pedal Derecho (15) y la Pata del
Pedal Derecho (16), los cuales se encuentran
marcados con etiquetas adhesivas con una “R”.
Oriente el Pedal Derecho y la Pata del Pedal
Derecho como se muestra. Conecte el Pedal
Derecho con cuatro Tornillos con Nylon de M6 x
16mm (87) y cuatro Arandelas Divididas de M6
(88).
Repita este paso con el Pedal Izquierdo (que
no se muestra) y la Pata del Pedal Izquierdo
(que no se muestra).
15
16
4
87
87
88
88

8
6. Conecte la Cubierta de la Armadura Central (27)
a la Base (1) con seis Tornillos con Reborde de
M4 x 12mm (73).
6
27
173
73
73
5. Aplique una pequeña cantidad de grasa al eje
en la Brazo Derecho de la Manivela (36) y a
una Arandela Ondulatoria (93). Luego, deslice
la Arandela Ondulatoria sobre la Brazo de la
Manivela.
También aplique un poco de grasa blanca (mar-
cada con una calcomanía con “Cuatro Ruedas”)
al Rodillo (22) en la Pata del Rodillo Derecho
(21); distribuya la grasa de modo parejo alrede-
dor del Rodillo.
Deslice la Pata del Rodillo Derecho (21) hacia el
Brazo Derecho de la Manivela (36) y coloque el
Rodillo (22) sobre la Base (1). Conecte la Pata
del Rodillo Derecho con un Tornillo con Nylon de
M10 x 15mm (82), una Arandela de M10 x
25mm x 1.5mm (83) y una Tapa de Eje de la
Manivela (30).
Repita este paso en el otro lado del entrena-
dor elíptico.
5
83
22
82
30
93
Lubrique
Lubrique
21
36
1

9
8. Mientras que otra persona sujeta el Montante
Vertical (6) cerca de la Armadura (2) como se
muestra.
Tire el Cableado Eléctrico (48) hacia fuera de la
Armadura (2) e insértelo hacia arriba a través
del Montante Vertical (6). Consejo Práctico:
Use un trozo de cinta adhesiva o una banda
elástica para sujetar el Cableado Eléctrico
hasta llegar al paso 14.
Inserte el Montante Vertical (6) dentro de la
Armadura (2). Consejo Práctico: Comience a
atornillar todos los tornillos antes de ajus-
tarlos. Conecte el Montante Vertical con tres
Tornillos con Nylon de M8 x 16mm (95). Tenga
cuidado y evite pellizcar el Cableado
Eléctrico (48) entre el Montante Vertical y la
Armadura.
8
9. Aplique una cantidad generosa de grasa al Eje
del Pivote (65) e insertelo el dentro de la
Armadura (2).
Oriente las dos Cubiertas de la Armadura (17)
como se muestra. Conecte las Cubiertas de la
Armadura a la Armadura (2) con cuatro Tornillos
de M4 x 16mm (86).
9
86
86
65
17 17
2
48
95
95
6
2
Lubrique
Evite pellizcar el
Cableado Eléctrico
(48) durante este
paso
7. Oriente la Cubierta Posterior de la Armadura
(23) como se muestra. Mientras que otra perso-
na inclina el entrenador elíptico hacia delante,
conecte la Cubierta Posterior de la Armadura a
la Base (1) con cuatro Tornillos de M4 x 65mm
(91) y dos Tornillos Taladro de M4 x 16mm (79). 23
79
91
7
1

10
11. Oriente una Cubierta Interna de la Baranda (18)
y una Cubierta Externa de la Baranda (19) alre-
dedor de la Baranda Derecha (9) como se
muestra.
Conecte la Cubierta Externa de la Baranda (19)
con un Tornillo Dentado de M4 x 16mm (84). A
continuación, conecte la Cubierta Interna de la
Baranda (18) con dos Tornillos Taladro de M4 x
16mm (79).
Repita este paso con la Baranda Izquierda
(que no se muestra).
11
19
18
79
84
9
10. Identifique la Baranda Derecha (9), la cual está
marcada con una calcomanía “R” (LoLeft indi-
ca Izquierda; RoRight indica Derecha). Inserte
la Baranda Derecha dentro de una de las Patas
de la Baranda (11) como se muestra.
Conecte la Baranda Derecha (9) con dos
Pernos Botón de M8 x 42mm (71) y dos
Contratuercas de Nylon de M8 (96). Asegúrese
que las Contratuercas de Nylon estén aden-
tro de los orificios hexagonales.
Repita este paso con la Baranda Izquierda
(que no se muestra) y la otra Pata de la
Baranda (que no se muestra).
10
9
96
71
11
Orificios
Hexagonales

11
13. La Consola (5) se puede operar con cuatro
pilas “D” de 1,5 V; se recomienda utilizar pilas
alcalinas. IMPORTANTE: Si el entrenador
elíptico ha sido expuesto a temperaturas
frías, permita que éste llegue a temperatura
ambiente antes de colocar las pilas en la
Consola. Si no lo hace, las pantallas de la
consola u otros componentes eléctricos se
pueden dañar. Extraiga los dos tornillos de las
pilas de la parte posterior de la consola y extrai-
ga la cubierta de las pilas. Inserte cuatro pilas
dentro de la Consola. Oriente las pilas como lo
muestran las marcas dentro del compartimiento
de las pilas. Luego vuelva a colocar la cubierta
de las pilas. Nota: Si es difícil colocar nueva-
mente la cubierta de las pilas, extraiga los dos
tornillos de las pilas, afloje con un par de vuel-
tas los dos tornillos indicados de la consola,
inserte el borde inferior de la cubierta de las
pilas en la consola y luego ajuste otra vez los
dos tornillos de la consola. Luego vuelva a colo-
car la cubierta de las pilas con los dos tornillos
de las pilas.
La Consola (5) también se puede operar con un
suministro de corriente opcional en vez de las
pilas. Para comprar un suministro de
corriente opcional, llame al número que apa-
rece en la portada de este manual. Para evi-
tar dañar la consola, use solamente una
fuente de alimentación suministrada por el
fabricante. Enchufe un extremo del suministro
de corriente en el enchufe de la consola.
Enchufe un extremo del suministro de corriente
dentro de un toma corriente apropiado que esté
correctamente instalado de acuerdo con todos
los códigos y ordenanzas locales.
13
5
Cubierta de
las Pila Pilas
Tornillos
de las
Pilas
Tornillos
de las
Pilas
Tornillos de
la Consola
12. Aplique una cantidad pequeña de grasa a la
Arandela Ondulatoria (93). Deslice la Arandela
Ondulatoria hacia el lado derecho del Eje del
Pivote (65). Luego deslice la Baranda Derecha
(9) hacia el Eje del Pivote.
Conecte la Baranda Derecha (9) con un Tornillo
con Nylon de M10 x 23mm (80) y una Arandela
de M10 x 20mm x 2mm (81).
Repita este paso para conectar la Baranda
Izquierda (8) al Eje del Pivote (65).
12
Lubrique
Lubrique
93
65
93
81
80
81
80
9
8

12
16. Asegúrese de que todas las piezas del entrenador elíptico estén apretadas apropiadamente. Nota:
Algunas piezas de ferretería pueden sobrar después que el montaje sea completado. Para proteger el suelo
o la alfombra de daños, coloque un tapete debajo el entrenador elíptico.
15
15. Aplique una cantidad generosa de grasa al Eje
de la Pata del Pedal (32). Inserte el Eje de la
Pata del Pedal dentro de la parte inferior de la
Pata de la Baranda (11) derecha.
Aplique una cantidad pequeña de grasa a la
Arandela Ondulatoria (93). Deslice la Arandela
Ondulatoria sobre el lado derecho de los Ejes de
la Pata del Pedal (32).
Oriente la Pata del Pedal Derecho (16) como se
muestra y luego deslícela hacia el Eje de la Pata
del Pedal (32). Conecte la Pata del Pedal
Derecho a la Pata de la Baranda (11) derecha
con dos Tornillos con Nylon de M10 x 15mm
(82), dos Tapas del Eje (31) y dos Arandelas de
M10 x 25mm x 1,5mm (83).
Repita este paso en el otro lado del entrena-
dor elíptico.
83
83
93
32
16
11
31
82
Lubrique
31
82
14
5
Cable de la
Consola
48
6
79
14. Mientras que una segunda persona sujeta la
Consola (5) cerca del Montante Vertical (6),
conecte el cable de la consola con el Cableado
Eléctrico (48). Inserte el exceso del cable hacia
abajo en el Montante Vertical.
Consejo Práctico: Evite pellizcar el Cableado
Eléctrico (48) durante este paso. Acople la
Consola (5) al Montante Vertical (6) con cuatro
Tornillos Taladro de M4 x 16mm (79).
Tenga cuidado y
evite pellizcar el
Cableado (48)
durante este paso.

13
CÓMO USAR EL ENTRENADOR ELÍPTICO
CÓMO MOVER EL ENTRENADOR ELÍPTICO
Debido al tamaño y peso del entrenador elíptico,
se requiere que sea movido por dos personas.
Párese en frente del entrenador elíptico, sostenga el
montante vertical y coloque un pie contra una de las
ruedas delanteras. Jale del montante vertical y haga
que otra persona levante la base hasta que el entre-
nador elíptico se deslice sobre las ruedas delanteras.
Mueva con cuidado el entrenador elíptico a la posición
deseada y a continuación bájelo hacia el suelo.
CÓMO HACER EJERCICIO EN EL ENTRENADOR
ELÍPTICO
Para montar el entrenador elíptico, firmemente sosten-
ga las barandas y cuidadosamente párese en el pedal
que esté en la posición más baja. Enseguida, párese
en el otro pedal. Empuje los pedales hasta que ellos
empiecen a moverse en una moción continua. Nota:
Las cubiertas de la manivela pueden girar en cual-
quier dirección. Se recomienda que gire las
cubiertas de la manivela en la dirección que mues-
tra la flecha abajo; sin embargo, para variar tam-
bién se puede girar las cubiertas de la manivela en
la dirección opuesta.
Para desmontar el entrenador elíptico, espere hasta
que los pedales paren por completo. Nota: El entre-
nador elíptico no tiene una rueda libre; los peda-
les continuarán hasta que el volante se detenga.
Cuando los pedales estén estacionarios, bájese del
pedal más alto primero. Después, bájese del pedal
más bajo.
Coloque su pie
aqui
Tire el Montante
Vertical
Levante
Aquí
Pedales
Brazo de la
Manivela
Cubierta
Barandas

14
CÓMO AJUSTAR EL SELECTOR
Los pedales del entrenador elíptico mueven sus pies
en una trayectoria elíptica natural. Se pueden ajustar
los selectores en el entrenador elíptico de manera que
los pedales se puedan mover en una trayectoria más
vertical o más horizontal.
Para ajustar el entrenador elíptico de modo que los
pedales se muevan en una trayectoria más vertical,
gire los dos selectores a la posición alta; para ajustar
el entrenador elíptico de modo que los pedales se
muevan en una trayectoria más horizontal, gire los
selectores a la posición baja. IMPORTANTE:
Asegúrese de ajustar ambos selectores en la
misma posición.
CÓMO NIVELAR EL ENTRENADOR ELÍPTICO
Si el entrenador
elíptico se
menea leve-
mente sobre el
piso durante su
uso, gire uno o
ambos pies de
nivelación ubi-
cados debajo
de la base
hasta que el
movimiento de
vaivén sea eliminado.
Selectores
Posición Alta
Posición Baja
Patas de
Nivelación

15
CARACTERÍSTICAS DE LA CONSOLA
La consola avanzada ofrece una serie de funciones
diseñadas para hacer sus entrenamientos más efecti-
vos y agradables.
Cuando la función manual de la consola se seleccio-
na, la resistencia de los pedales se puede ajustar con
solo tocar un botón. A medida que usted haga ejerci-
cios, la consola le mostrará información continua de
su ejercicio. Usted puede medir su ritmo cardíaco
usando el sensor de pulso del mango.
La consola ofrece cuatro programas para perder peso
diseñados para ayudarle a quemar calorías y desha-
cerse de esos kilos indeseables. La consola lo guiará
a través de un programa efectivo para perder peso,
indicándole que varíe su paso y cambiando automáti-
camente el nivel de resistencia de los pedales.
La consola también ofrece ocho programas de entre-
namiento preestablecidos que cambian automática-
mente el nivel de resistencia de los pedales y le indi-
can que varíe su paso mientras le guían en un entre-
namiento efectivo.
También puede usar el registro de entrenamiento para
ver información sobre el uso de su entrenador elíptico.
Para usar la función manual de la consola, siga los
pasos que comienzan en la página 16. Para usar un
programa para perder peso, vea la página 18. Para
usar un entrenamiento preestablecido, vea la pági-
na 19. Para ver el registro de bienestar física,
vease la página 19.
DIAGRAMA DE LA CONSOLA

16
CÓMO USAR LA FUNCIÓN MANUAL
Nota: Si hay una hoja de plástico transparente en la
carátula de la consola, quítela antes de usar la consola.
1. Comience a pedalear para encender la conso-
la.
Un momento después de encender la consola, la
pantalla se encenderá.
2. Seleccione la función manual.
Cada vez que encienda la consola, la función
manual se seleccionará. Si usted ha seleccionado
un entrenamiento, seleccione de nuevo la función
manual al presionar el botón Registrar/Salir
[ENTER/EXIT] repetidamente hasta que aparez-
can las palabras MANUAL MODE (función
manual) en la pantalla superior.
3. Presione el botón de Comienzo o comience a
pedalear y cambie la resistencia de los pedales
como lo desee.
A medida que pedalea, cambie el nivel de resis-
tencia de los pedales oprimiendo uno de los diez
botones numerados de Resistencia Rápida
[QUICK RESISTANCE]. Nota: Después que se
presionen los botones, tomará un momento para
que los pedales alcancen el nivel de resistencia
seleccionado.
4. Siga su progreso con las pantallas.
La pantalla izquier-
da—Esta pantalla
muestra el Tiempo
[TIME] transcurrido.
Nota: Cuando usted
seleccione un entrena-
miento, la pantalla mostrará el tiempo restante en
el entrenamiento, en vez del tiempo transcurrido.
La pantalla izquierda también mostrará su ritmo
cardíaco cuando se utilice el mango del sensor de
pulso (vea el paso 5 en la página 17).
Cuando usted seleccione un entrenamiento, la
pantalla también mostrará el número aproximado
de calorías quemadas.
La pantalla central—
Cuando usted seleccio-
ne la función manual,
la pantalla mostrará
una pista que repre-
senta 640 revolucio-
nes. A medida que usted se ejercita, algunos indi-
cadores aparecerán repetidamente en sucesión
alrededor de la pista hasta que toda la pista apa-
rezca. Después, la pista desaparecerá y los indi-
cadores aparecerán de nuevo en sucesión.
La pantalla central
muestra el nivel
Resistencia [RESIST.]
de los pedales por
algunos segundos
cada vez que el nivel
de la resistencia cambie.
La pantalla derecha—
Esta pantalla mostrará
la distancia [DIST.]
(revoluciones totales)
que usted ha pedalea-
do.
Cuando se selecciona un entrenamiento, la panta-
lla derecha también mostrará el paso de pedaleo
en revoluciones por minuto [rpm].
La pantalla superior—Cuando se selecciona la
modalidad manual, la pantalla superior mostrará el
número aproximado de calorías [CALS.] quema-
das y el paso del pedaleo en revoluciones por
minuto [rpm].
Nota: Cuando se selecciona un entrenamiento,
usted puede cambiar la función de la pantalla para
ver la información del ejercicio sobre el cual esté
más interesado. Para cambiar la función de la
pantalla, oprima el botón Pantalla [DISPLAY] de
manera repetidamente hasta que la información
deseada del ejercicio aparezca en las pantallas
izquierda o derecha. Después de varios segundos,
la función de la pantalla cambiará automáticamen-
te a como estaba antes.

17
5. Si lo desea, mida su ritmo cardíaco.
Si hay hojas de plás-
tico transparente en
los contactos de
metal en el sensor de
pulso del mango,
retire el plástico. Para
medir su ritmo cardía-
co, sostenga el sensor
de pulso del mango,
con sus palmas repo-
sando contra los con-
tactos de metal. Evite
mover sus manos o agarrar los contactos
apretadamente.
Cuando se detecte su
pulso, un símbolo en
forma de corazón se
iluminará intermitente-
mente en la pantalla
izquierda. Cada vez
que su corazón lata, aparecerán uno o dos guio-
nes y a continuación se mostrará su ritmo cardía-
co. Para la lectura de ritmo cardíaco más precisa,
mantenga los contactos sostenidos por lo menos
15 segundos. Nota: Si usted continúa sosteniendo
el sensor de pulso del mango, la pantalla mostrará
su ritmo cardíaco por hasta 30 segundos.
Si su ritmo cardiaco no aparece, asegúrese que
tenga las manos en la posición que se describe.
Tenga cuidado de no mover las manos en forma
excesiva o de apretar los contactos metálicos
demasiado fuerte. Para un funcionamiento óptimo,
limpie los contactos metálicos usando un paño
suave; nunca use alcohol, abrasivos, o produc-
tos químicos para limpiar los contactos.
6. Cuando usted termine de hacer ejercicios, la
consola se apagará automáticamente.
Si no se mueven los pedales por varios segundos,
una serie de tonos sonarán, la consola hará
pausa, y el tiempo hará la señal intermitente en la
pantalla grande.
Si los pedales no se mueven por aproximadamen-
te cinco minutos, la consola se apagará y la pan-
talla se reiniciará.
Contactos
del Metal

18
CÓMO USAR LOS PROGRAMAS PARA PERDER
PESO
1. Comience a pedalear para encender la conso-
la.
Siga al paso 1 en la página 16.
2. Seleccione un programa para perder peso.
Para seleccionar uno de los cuatro programas
para perder peso, oprima el botón Registrar/Salir
[ENTER/EXIT] repetidamente hasta que el nombre
de un WEIGHT LOSS (programma para perder
peso) aparezca en la pantalla superior.
Cuando usted seleccione un entrenamiento prea-
justado, el nombre del entrenamiento y el tiempo
de éste aparecerán en las pantallas y un perfil de
los niveles de resistencia del entrenamiento reco-
rrerán en el centro de la pantalla.
3. Oprima el botón Inicio o comience a pedalear
para comenzar el entrenamiento.
Cada programa para perder peso está dividido en
25, 30 ó 45 segmentos de un minuto. Un nivel de
resistencia y una configuración objetiva de rpm
(revoluciones por minuto) se encuentran progra-
mados para cada segmento. Nota: Para segmen-
tos consecutivos se podrá programar el mismo de
nivel de resistencia y/o configuración objetiva de
rpm.
Durante el entrenamiento, el perfil del entrena-
miento mostrará su progreso (véase el diagrama
de abajo). El segmento del perfil que se ilumina
intermitentemente corresponde al segmento actual
del entrenamiento. La altura del segmento intermi-
tente indica el nivel de resistencia para el segmen-
to. Al final de cada segmento del entrenamiento se
escuchará una serie de tonos sonoros y el próxi-
mo segmento del perfil comenzará a iluminarse
intermitentemente. Si se programó un nivel de
resistencia diferente para el próximo segmento, el
nivel de resistencia se iluminará intermitentemente
en la pantalla por algunos segundos para alertar-
le. La resistencia de los pedales cambiará.
A medida que ejercita, se le indicará que manten-
ga el paso del pedaleo cerca de la configuración
objetivo de rpm para el segmento actual. Cuando
las palabras PEDAL FASTER (Pedalee más rapi-
do) aparezcan en la pantalla superior, incremente
su paso. Cuando las palabras PEDAL SLOWER
(Pedalee más lento) aparezcan, disminuya su
paso. Cuando las palabras PEDALING IN RANGE
(Pedaleando dentro del alcance) aparezcan, man-
tenga su paso actual.
IMPORTANTE: La intención de los ajustes de
paso es solo para proveer motivación. Su paso
en realidad puede ser más lento que los ajus-
tes de paso. Asegúrese de pedalear a un paso
que sea cómodo para usted.
Si el nivel de resistencia para el segmento actual
es muy alto o muy bajo, usted puede omitir el pro-
grama manualmente presionando los botones
Resistencia Rápida [QUICK RESISTANCE]. Sin
embargo, al finalizar el segmento actual, los peda-
les se ajustarán automáticamente al nivel de resis-
tencia correspondiente al segmento siguiente.
Si deja de pedalear por varios segundos, se escu-
chará una serie de tonos sonoros y el entrena-
miento quedará en pausa. Para reiniciar el entre-
namiento, simplemente comience a pedalear. El
programa de entrenamiento continuará hasta que
el último segmento de la visualización gráfica se
ilumine intermitentemente y el último segmento del
entrenamiento finalice.
Cuando el último segmento del entrenamiento
haya finalizado, las palabras PROGRAM DONE
(Programa finalizado) aparecerán en la pantalla
superior.
4. Siga su progreso con las pantallas.
Vea el paso 4 en la página 16.
5. Si lo desea, mida su ritmo cardíaco.
Vea el paso 5 en la página 17.
6. Cuando usted termine de hacer ejercicios, la
consola se apagará automáticamente.
Vea el paso 6 en la página 17.
Perfil

COMO USAR ENTRENAMIENTO PREAJUSTADOS
1. Comience a pedalear para encender la consola.
Siga al paso 1 en la página 16.
2. Seleccione un entrenamiento preajustado.
Para seleccionar uno de los ocho programas pre-
establecidos, oprima los botones Registrar/Salir
[ENTER/EXIT] en forma repetida hasta que el nom-
bre de un Entrenamiento [WORKOUT] aparezca en
la pantalla superior.
Cuando se selecciona un programa preestablecido,
el nombre del programa y el tiempo de éste apare-
cerán en las pantallas; también un perfil de los
niveles de resistencia del entrenamiento se mostra-
rá en la pantalla central.
3. Oprima el botón Inicio o comience a pedalear
para comenzar el entrenamiento.
Cada programa está dividido en 20, 30 ó 45 seg-
mentos de un minuto. Un nivel de resistencia y una
configuración objetivo de rpm se encuentran pro-
gramados para cada segmento. Nota: Para seg-
mentos consecutivos se podrá programar el mismo
de nivel de resistencia y/o configuración objetivo de
rpm (revoluciones por minuto). Las pantallas
correspondientes a un entrenamiento preestableci-
do funcionarán de la misma manera que aquellas
para un entrenamiento para perder peso (véa el
paso 3 en la página 18).
A medida que ejercita, se le indicará que mantenga
el paso de pedaleo cerca de la configuración obje-
tiva de rpm para el segmento actual. Cuando las
palabras PEDAL FASTER (PEDALEE MÁS
RÁPIDO) aparezcan en la pantalla superior, incre-
mente su paso. Cuando las palabras PEDAL SLO-
WER (PEDALEE MÁS LENTO) aparezcan, disminu-
ya su ritmo. Cuando las palabras PEDALING IN
RANGE (PEDALENDO DENTRO DEL ALCANCE)
aparezcan, mantenga su ritmo actual.
IMPORTANTE: La intención de los ajustes de
paso es solo para proveer motivación. Su paso
en realidad puede ser más lento que los ajustes
de paso. Asegúrese de hacer ejercicios a un
paso que sea cómodo para usted.
Si el nivel de resistencia del segmento actual es
muy alto o muy bajo, usted puede omitir el progra-
ma manualmente presionando los botones de
Resistencia Rápida [QUICK RESISTANCE]. Sin
embargo, al finalizar el segmento actual, los peda-
les se ajustarán automáticamente a la resistencia
del segmento siguiente.
Si deja de pedalear por varios segundos, se escu-
chará una serie de tonos sonoros y el entrenamiento
quedará en pausa. Para reiniciar el entrenamiento,
simplemente comience a pedalear. El entrenamiento
continuará hasta que el último segmento de los perfi-
les se ilumine intermitentemente y el último segmen-
to finalice.
Cuando el último segmento del entrenamiento haya
finalizado, las palabras PROGRAM DONE (PRO-
GRAMA FINALIZADO) aparecerán en la pantalla
superior.
4. Siga su progreso con las pantallas.
Vea el paso 4 en la página 16.
5. Si lo desea, mida su ritmo cardíaco.
Vea el paso 5 en la página 17.
6. Cuando usted termine de hacer ejercicios, la
consola se apagará automáticamente.
Vea el paso 6 en la página 17.
CÓMO VER EL REGISTRO DE BIENESTAR FÍSICO
Para ver el registro de bienestar físico, oprima el
botón Recorrido/Total [TRIP TOTAL]. La distancia
de recorrido del entrenamiento actual y el número
de horas que el entrenador elíptico ha sido usado
durante el entrenamiento actual aparecerán en la
pantalla. Nota: La distancia del recorrido se reinicia-
rá a cero cada vez que se use la consola.
Para ver la distancia total pedaleada y el número
de horas que el entrenador elíptico ha sido usado
desde que fue comprado, oprima otra vez el botón
Recorrido/Total. Nota: Cuando la palabra K-REVS
aparezca en la pantalla superior, el número que se
muestra en la derecha multiplicado por mil corres-
ponde a la distancia total.
Para salir del registro de entrenamiento, oprima el
botón Recorrido/Total por tercera vez.
Perfil
19

Inspeccione y apriete regularmente las piezas del
entrenador elíptico. Reemplace inmediatamente cual-
quier parte gastada.
Para limpiar el entrenador elíptico, use un trapo
húmedo y una cantidad pequeña de jabón suave.
IMPORTANTE: Para evitar daños a la consola,
mantenga los líquidos alejados de la consola y
mantenga la consola fuera de la luz directa del sol.
REEMPLAZO DE LAS PILAS
Si es que la pantalla de la consola se atenúa, es hora
de reemplazar las pilas. La mayoría de los problemas
con la consola es el resultado de pilas agotadas. Vea
el paso de armado 13 en la página 11 para ver las
instrucciones de cómo reemplazar las pilas.
COMO NIVELAR EL ENRENADOR ELÍPTICO
Si el entrenador elíptico se mece un poco en su piso
durante el uso, vea COMO NIVELAR EL ENTRENA-
DOR ELÍPTICO en la página 14.
COMO AJUSTAR EL INTERRUPTOR DE LENGÜETA
Si la consola no muestra la información correctamen-
te, el interruptor de lengüeta se debe ajustar. Para
ajustar el interruptor de lengüeta, primero retire los
tornillos de los protectores laterales izquierdo y dere-
cho; hay dos tamaños de tornillos en los protectores
laterales–note cual tamaño de tornillo usted quitó de
cada orificio. Suavemente jale los protectores laterale-
se, separándolos y retire la bandeja utilitaria.
A continuación, vea el diagrama de abajo e identifique
el Interruptor de Lengüeta (50). Floje, pero no extrai-
ga, el Tornillo Taladro de M4 x 16mm indicado (79).
Deslice el Interruptor de Lengüeta levemente hacia el
Imán (55) o en la dirección opuesta a éste del volante.
Luego ajuste el Tornillo nuevamente. Gire una de las
Manivelas (36) por un momento. Repita hasta que la
consola muestre los resultados correctos. Cuando el
Interruptor de Lengüeta esté correctamente ajustado,
instale de nuevo la bandeja utilitaria y los protectores
del lado derecho e izquierdo.
CÓMO AJUSTAR LA CORREA
Si los pedales se resbalan mientras pedalea, incluso
cuando la resistencia está configurada al ajuste máxi-
mo, puede que la correa de manejo necesite ser ajus-
tada. Para ajustar la correa de manejo, primero extrai-
ga los tornillos de los protectores del lado derecho e
izquierdo; hay dos tamaños de tornillos en dichos
protectores—tome nota del tamaño del tornillo
que extraiga de cada orificio. Con cuidado separe
los protectores y extraiga la bandeja utilitaria.
A continuación, localice el Tornillo del Brazo Estable
(68) y desajústelo media vuelta. Súbase al entrenador
elíptico y mueva lo pedales. Si los pedales continúan
resbalándose, gire el Tornillo del Brazo Estable otra
media vuelta y pruebe los pedales de nuevo. Continúe
de esta manera hasta que los pedales hayan dejado
de resbalarse. A continuación, instale nuevamente la
bandeja utilitaria y los protectores laterales.
20
MANTENIMIENTO Y PROBLEMAS
68
36
79
55
50
40

21
Las siguientes indicaciones le ayudarán a planificar su
programa de ejercicios. Para información más detalla-
da sobre los ejercicios consiga un libro acreditado o
consulte con su médico.
INTENSIDAD DE LOS EJERCICIOS
Ya que su objetivo sea quemar grasa fortalecer su sis-
tema cardiovascular, la clave para alcanzar los resul-
tados deseados es hacer ejercicios con la intensidad
adecuada. El nivel de intensidad adecuado puede
encontrarse tomando como guía su ritmo cardiaco. El
esquema que se presenta más abajo muestra los rit-
mos cardíacos recomendados para quemar grasas y
hacer ejercicios aeróbicos.
Para encontrar el ritmo cardiaco adecuado para usted,
primero busque su edad cerca de la parte inferior del
esquema (las edades se redondean al múltiplo de 10
más cercano). Luego busque los tres números por
encima de su edad. Los tres números definen su
“zona de entrenamiento”. Los dos números por debajo
constituyen los ritmos cardíacos recomendados para
quemar grasa, el número más alto es el ritmo cardia-
co recomendado para realizar ejercicios aeróbicos.
Quemar Grasa—Para quemar grasas eficientemente
usted debe hacer ejercicios a un nivel de intensidad
relativamente bajo, durante un periodo de tiempo
mantenido. Durante los primeros minutos de ejercicio
su cuerpo utiliza las calorías de los carbohidratos para
obtener energía. Sólo tras los primeros minutos su
cuerpo comienza a utilizar las calorías de las grasas
almacenadas para obtener energía. Si su objetivo es
quemar grasas, ajuste la intensidad de su ejercicio
hasta que el ritmo cardiaco esté próximo al número
más bajo de su zona de entrenamiento. Para quemar
grasas de manera óptima, ajuste la la intensidad de
su ejercicio hasta que su ritmo cardiaco esté próximo
al número intermedio de su zona de entrenamiento.
Ejercicios Aeróbicos—Si su objetivo es fortalecer su
sistema cardiovascular, sus ejercicios deben ser “aeró-
bicos”. Los ejercicios aeróbicos constituyen una activi-
dad que requiere grandes cantidades de oxígeno
durante periodos de tiempo prolongados. Para realizar
ejercicios aeróbicos ajuste la intensidad de su ejercicio
hasta que su ritmo cardiaco esté próximo al número
más alto de su zona de entrenamiento.
GUÍA DE ENTRENAMIENTO
Calentamiento—Inicie cada sesión de entrenamiento
estirando y ejercitando ligeramente los músculos
durante 5 a 10 minutos. Un calentamiento adecuado
aumenta su temperatura corporal, su frecuencia car-
diaca y su circulación, preparándole para los ejerci-
cios.
Ejercicios en la Zona de Entrenamiento—Tras el
calentamiento aumente la intensidad de sus ejercicios
hasta que su pulso se encuentre en su zona de entre-
namiento durante 20 a 30 minutos. (Durante las pri-
meras semanas de su programa de ejercicios no
mantenga su pulso en su zona de entrenamiento
durante más de 20 minutos.) Respire de manera regu-
lar y profundamente mientras hace ejercicios – nunca
contenga la respiración.
Relajación—Termine cada sesión de entrenamiento
con estiramientos de relajación durante 5 a 10 minu-
tos. Esto aumentará la flexibilidad de sus músculos y
le ayudará a evitar problemas posteriores al ejercicio.
Frecuencia de Ejercicios
Para mantener o mejorar su forma física, complete
tres sesiones de entrenamiento cada semana, con al
menos un día de descanso entre sesiones. Tras algu-
nos meses puede completar hasta cinco sesiones de
entrenamiento cada semana si lo desea. Recuerde, la
clave para el éxito es hacer de los ejercicios una parte
regular y agradable de su vida diaria.
GUÍAS DE EJERCICIOS
ADVERTENCIA: Antes de
iniciar éste o cualquier programa de ejercicios
consulte con su médico. Esto es especialmen-
te importante para individuos con edades
superiores a 35 años o para aquellos con pro-
blemas previos de salud.
El sensor de pulso no es un dispositivo médi-
co. Varios factores, incluyendo su movimien-
to, pueden afectar a la precisión de las lectu-
ras del ritmo cardiaco. El sensor de pulso está
previsto sólo como ayuda para los ejercicios,
determinando las tendencias generales de su
ritmo cardiaco.

22
SUGERENCIAS PARA ESTIRAMIENTO
La forma correcta para algunos estiramientos básicos está mostra-
da en los dibujos de abajo. Hágalos despacio—manténgase quieto
en cada posición.
1. Extensiones Tocando las Puntas de los Pies
Párese con las rodillas ligeramente dobladas y doble la cintura len-
tamente hacia el frente. Deje que su espalda y brazos se relajen
mientras se estira al máximo hasta tocar las puntas de sus pies.
Sostenga la posición contando hasta 15, relájese. Repita 3 veces.
Estira: Tendón de la corva, la espalda y la parte trasera de las
rodillas.
2. Extensión de Tendón de las Corvas
Siéntese con una pierna extendida. Doble la suela del otro pie
hacia usted y póngala contra el interior de la pierna extendida.
Dóblese tratando de tocar los dedos del pie extendido o tanto
como pueda. Sostenga la posición contando hasta 15, relájese.
Repita 3 veces. Estira: Tendón de la corva, la parte baja de la
espalda y la ingle.
3. Extensiones de Tendón de Aquiles y Pantorrillas
Con una pierna enfrente de la otra, reclínese hacia adelante y
coloque las manos contra la pared. Mantenga la pierna de atrás
estirada y el pie de la misma pierna tocando el suelo completa-
mente. Doble la pierna de enfrente reclínese hacia adelante y
empuje con la cadera en dirección a la pared. Sostenga la posi-
ción contando hasta 15, relájese. Repita 3 veces con ambas pier-
nas. Para un mayor estiramiento del tendón de aquiles doble la
pierna de atras. Estira: Pantorrillas tendón de aquiles y tobillos.
4. Extensiones de los Cuadricéps
Sosteniéndose con una mano en la pared, con la otra mano agarre
uno de sus pies. Acérquelo lo más que se pueda a sus glúteos.
Sostenga la posición contando hasta 15, relájese. Repita 3 veces
con ambas piernas. Estira: Cuadricéps y músculos de la cadera.
5. Estiramiento de los Muslos Internos de la Cadera
Siéntese con las piernas dobladas y con las plantas de los pies
tocando una contra la otra. Tire de los pies juntos hacia adentro lo
más que se pueda. Sostenga la posición contando hasta 15, relá-
jese. Repita 3 veces. Estira: Cuadricéps y músculos de la cadera.
1
2
3
4
5

23
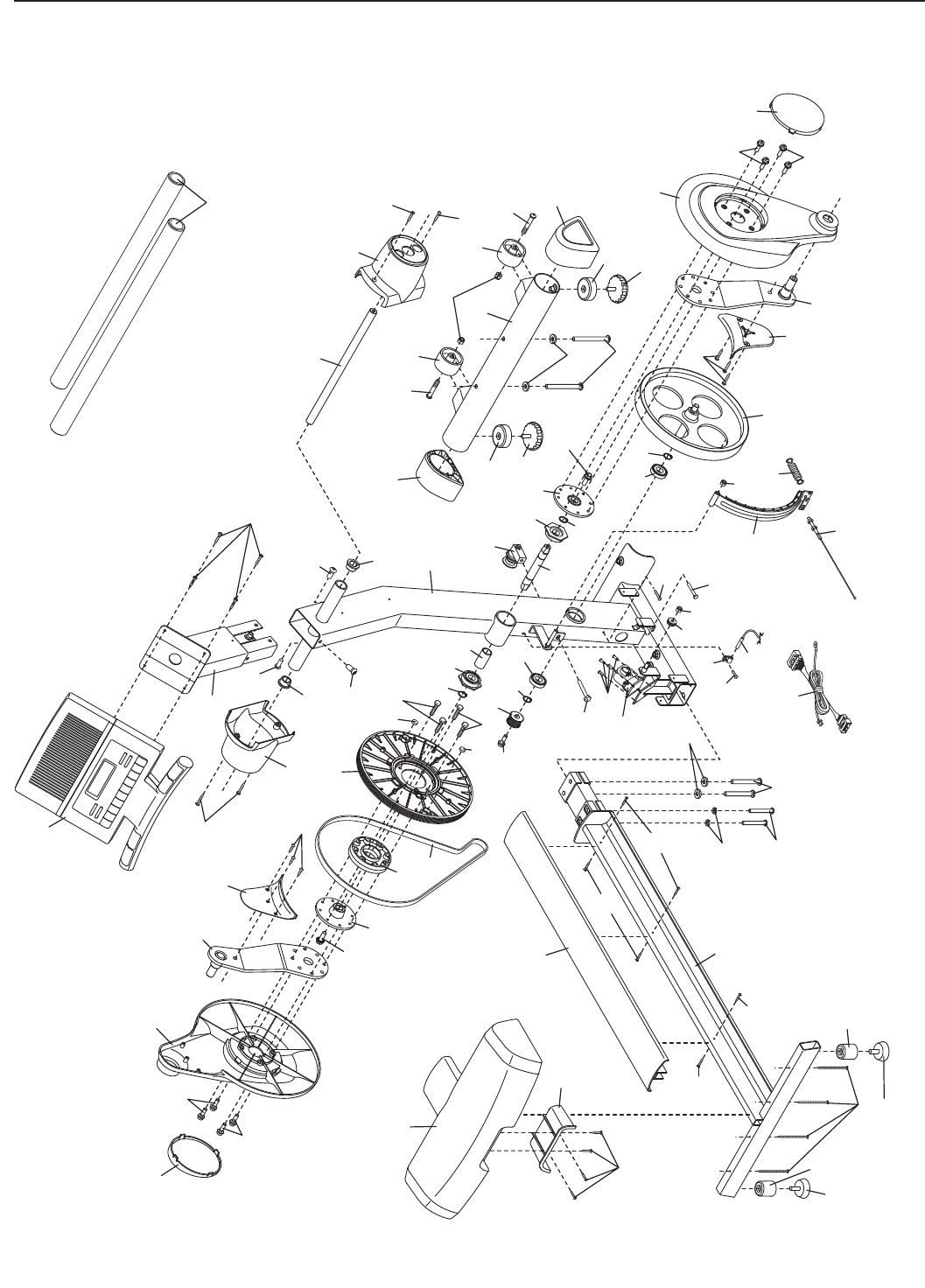
11Base
21Armadura
32Tapa de Externo del Brazo de la
Manivela
42Tapa de Interno del Brazo de la
Manivela
51Consola
61Montante Vertical
72Tapa del Rodillo
81Baranda Izquierda
91Baranda Derecha
10 2 Tapa del Extremo de la Baranda
11 2 Pata de la Baranda
12 1 Pata del Rodillo Izquierdo
13 1 Pedal Izquierdo
14 1 Pata del Pedal Izquierdo
15 1 Pedal Derecho
16 1 Pata del Pedal Derecho
17 2 Cubierta de la Armadura
18 2 Cubierta Interna de la Baranda
19 2 Cubierta Externa de la Baranda
20 2 Buje del Eje
21 1 Pata del Rodillo Derecho
22 2 Rodillo
23 1 Cubierta Posterior de la Armadura
24 2 Eje del Rodillo
25 2 Rueda
26 2 Pata
27 1 Cubierta de la Armadura Central
28 1 Protector Lateral Izquierdo
29 1 Protector Lateral Derecho
30 2 Tapa del Eje de la Manivela
31 4 Tapa de Eje
32 2 Eje de la Pata del Pedal
33 2 Tapa del Eje del Selector
34 2 Selector
35 2 Eje del Selector
36 2 Brazo de la Manivela
37 1 Bandeja Utilitaria
38 2 Centro de la Manivela.
39 1 Espaciador de la Polea
40 1 Polea
41 12 Buje del Eje
42 2 Tapa del Extremo de Pata del Pedal
43 1 Manga de la Manivela
44 2 Juego de Cojinetes de la Manivela
Izquierda
45 1 Manivela
46 2 Cubierta del Selector
47 4 Anillo
48 1 Cableado Eléctrico
49 2 Espaciador del Selector
50 1 Interruptor de Lengüeta/Cables
51 1 Correa
52 1 Volante
53 1 Imán en “C”
54 2 Juego Externo de Cojinetes
55 2 Imán
56 1 Resorte
57 1 Brazo Estable
58 1 Polea del Volante
59 1 Abrazadera
60 10 Juego Interno de Cojinetes
61 1 Motor
62 1 Polea del Cable de Resistencia
63 1 Juego del Cable de Resistencia
64 2 Mango de Espuma
65 1 Eje del Pivote
66 2 Cubiertas Centrales de la Manivela
67 1 Tornillo de Bloqueo
68 1 Tornillo del Brazo Estable
69 1 Tornillo con Reborde de M8
70 4 Tornillo con Nylon de M8 x 35mm
71 4 Perno de Botón de M8 x 42mm
72 2 Arandela Dividida de M10
73 10 Tornillo con Reborde de M4 x 12mm
74 8 Tornillo de M8 x 25mm
75 2 Tornillo con Reborde de 3/8"
76 2 Espaciador de M10
77 2 Buje del Pivote
78 2 Tornillo con Nylon de M10 x 48mm
79 20 Tornillo Taladro de M4 x 16mm
80 2 Tornillo con Nylon de M10 x 23mm
81 2 Arandela de M10 x 20mm x 2mm
Nº Ctd. Descripción Nº Ctd. Descripción
LISTA DE LAS PIEZAS—N°. de Modelo PFEVEL96107.0 R1207A

24
82 14 Tornillo con Nylon de M10 x 15mm
83 14 Arandela de M10 x 25mm x 1,5mm
84 2 Tornillo Dentado de M4 x 16mm
85 8 Tornillo de M4 x 12mm
86 6 Tornillo de M4 x 16mm
87 8 Tornillo con Nylon de M6 x 16mm
88 8 Arandela Dividida de M6
89 2 Gancho en “E”
90 1 Cubierta
91 4 Tornillo de M4 x 65mm
92 1 Tornillo de M4 x 12mm
93 8 Arandela Ondulatoria
94 2 Tornillo Botón de M10 X 60mm
95 3 Tornillo con Nylon de M8 x 16mm
96 6 Contratuerca de Nylon de M8
97 2 Tornillo con Nylon de M10 x 62mm
98 1 Estabilizador Delantero
99 2 Contratuerca de Nylon de M10
100 2 Pata Delantera
101 2 Espaciador de la Pata Delantera
102 2 Espaciador de la Pata Trasera
103 2 Tapa del Extremo del Estabilizador
104 2 Tornillo con Nylon de M10 x 88mm
105 1 Juego de Cojinetes de la Manivela
Derecha
*–Llave Hexagonal
*–Paquete de Grasa
*–Manual del Usuario
Nº Ctd. Descripción Nº Ctd. Descripción
Características técnicas están sujetas a cambios sin previo aviso. Vea el reverso de este manual para ordenar
piezas de repuesto. *Indica una parte no ilustrada.

25
DIBUJO DE LAS PIEZAS
A—
Nº de Modelo
PFEVEL96107.0 R1207A
89
71
96
84
81
80
18
19
41
79
93
41
8
10
11
87
88
88
14
13
60
60
93
37
28
93
60
60
41
41
42
82
85
7
12
22
24
34
35
41
82
82 83
83
93
30
54
60
82
31
32
31
82
41
82
79
86
79
79
33
49
46
83
83
83
83
83
79

26
23
48
64
73
68
67
51
5
6
65
17
1
26
79
74
74
66 3
95
95
95
17 77
77
86
86
86
36
75
38
44
45
47
43
2
105
47
57
39
36
38
75
70
70
3
66
74
74
40
47
52
96
96
94
58
20
47
53
61 73
50
59
79
62
56
4
4
63
20
85
85
69
25
25
97
78
72
76
92
27
73
73
73
94
55
55
90
79
91
99
98
103
103
101
100
101
100
72
104
102
102
26
DIBUJO DE LAS PIEZAS
B—
Nº de Modelo
PFEVEL96107.0 R1207A

27
11
18 19
60
60
41
79
79
80
81
93
15
31
31
30
32
60
60
54
60
7
21
22
24
35
41
41
41
41
42
82 83
83
82
82
82
82
82
82
88
83
83
88
87
9
10
29
84
71
96
41
93
93
86
79
79
79
79
16
85
93
34
33
49
46
89
83
83
83
DIBUJO DE LAS PIEZAS
C—
Nº de Modelo
PFEVEL96107.0 R1207A

Nº de Pieza 259737 R1207A Impreso en China © 2007 ICON IP, Inc.
CÓMO ORDENAR PIEZAS DE REPUESTO
Para solicitar componentes de repuesto lea la portada de este manual. Para ayudarnos a proporcionarle asis-
tencia, por favor esté listo para proporcionar la siguiente información cuando nos contacte:
- número de modelo y número de serie del producto (vea la portada de este manual)
- nombre del producto (vea la portada de este manual)
- número clave y descripción del (de las) pieza(s) (vea la LISTA DE LAS PIEZAS y DIBUJO DE LAS PIEZAS
hacia el final de este manual)