Proform Pfevex739130 345 Zlx Bike Users Manual
2015-04-14
: Proform Proform-Pfevex739130-345-Zlx-Bike-Users-Manual-700962 proform-pfevex739130-345-zlx-bike-users-manual-700962 proform pdf
Open the PDF directly: View PDF
.
Page Count: 28

Etichetta del
Nº. di Serie
(sotto il telaio)
MANUALE D’ISTRUZIONI
ATTENZIONE
Leggere tutte le istruzioni e
precauzioni riportate in que-
sto manuale prima di utilizzare
questa attrezzatura. Conservare
il manuale per ogni successivo
riferimento.
Nº del Modello PFEVEX73913.0
Nº di Serie
Riportare il numero di serie nello
spazio soprastante per eventuali
comunicazioni future.
www.iconeurope.com
SERVIZIO ASSISTENZA
CLIENTI
Per domande, pezzi mancanti o dan-
neggiati, contattare il Servizio
Assistenza Clienti (consultare le
informazioni sottostanti) o contattare
il rivenditore dove è stato acquistato
il prodotto.
848 35 00 28
Lunedì–Venerdì, 8.00–20.00 CET e
il Sabato 9.00–13.00 CET
Fax: 02 95 44 10 08
Sito Internet:
www.iconsupport.eu
E-mail:
csitaly@iconeurope.com

2
POSIZIONE DELL’ETICHETTA DI AVVERTENZA
INDICE
L’etichetta di avvertenza raffigurata è inclusa con
l’attrezzo. Applicare l’etichetta di avvertenza sopra a quella
in inglese nella posizione indicata. Il disegno mostra la
posizione dell’etichetta di avvertenza. Se un’etichetta
è mancante o illeggibile, consultare la copertina del
presente manuale e richiederne gratuitamente una in
sostituzione. Applicare l’etichetta nella posizione indi-
cata. Nota: l’etichetta potrebbe non essere raffigurata nelle
dimensioni reali.
PROFORM è un marchio registrato di ICON IP, Inc.
POSIZIONE DELL’ETICHETTA DI AVVERTENZA ..................................................2
PRECAUZIONI IMPORTANTI ..................................................................3
PRIMA DI INIZIARE. . . . . . . . . . . . . . . . . . . . . . . . . . . . . . . . . . . . . . . . . . . . . . . . . . . . . . . . . . . . . . . . . . . . . . . . . .4
TABELLA IDENTIFICAZIONE PEZZI ............................................................5
MONTAGGIO ..............................................................................6
USO DELLA CYCLETTE .....................................................................13
MANUTENZIONE E LOCALIZZAZIONE GUASTI .................................................22
GUIDA AGLI ESERCIZI. . . . . . . . . . . . . . . . . . . . . . . . . . . . . . . . . . . . . . . . . . . . . . . . . . . . . . . . . . . . . . . . . . . . . .24
ELENCO PEZZI. . . . . . . . . . . . . . . . . . . . . . . . . . . . . . . . . . . . . . . . . . . . . . . . . . . . . . . . . . . . . . . . . . . . . . . . . . . .26
DISEGNO ESPLOSO .......................................................................27
ORDINAZIONE DEI PEZZI DI RICAMBIO .............................................Retrocopertina
INFORMAZIONI PER IL RICICLO ...................................................Retrocopertina

3
1. È responsabilità del proprietario assicurarsi
che ogni utente della cyclette sia adeguata-
mente informato di tutte le precauzioni.
2. Consultare un medico prima di iniziare qual-
siasi programma di esercizio fisico. Questa
precauzione è di particolare importanza per
persone di età superiore ai 35 anni o con
problemi di salute preesistenti.
3. Utilizzare la cyclette solo come descritto nel
presente manuale.
4. La cyclette è indicata esclusivamente per
l'uso domestico. Non utilizzare la cyclette in
ambiente commerciale, istituzionale o in un
noleggio.
5. Tenere la cyclette all'interno, lontano da umi-
dità e polvere. Non posizionare la cyclette
in garage, in una veranda coperta o vicino
all'acqua.
6. Posizionare la cyclette su una superfi-
cie piana lasciando attorno uno spazio di
almeno 0,6 m. Posizionare un tappetino sotto
la cyclette, al fine di proteggere il pavimento
o la moquette.
7. Ispezionare e serrare regolarmente tutti i
pezzi. Sostituire immediatamente eventuali
pezzi usurati.
8. Tenere sempre la cyclette lontano dalla
portata di bambini di età inferiore ai 12 anni e
dagli animali domestici.
9. Durante gli esercizi indossare indumenti
opportuni; non indossare indumenti lar-
ghi tali da poter rimanere impigliati nella
cyclette. Indossare sempre scarpe da ginna-
stica per proteggere i piedi.
10. La cyclette non deve essere utilizzata da
persone di peso superiore ai 113 kg.
11. Fare attenzione quando si sale e si scende
dalla cyclette.
12. Il cardiofrequenzimetro non è un dispositivo
medico. Vari fattori, compresi i movimenti
dell'utente, possono inficiare la precisione
della rilevazione della frequenza cardiaca. Il
cardiofrequenzimetro è da intendersi esclu-
sivamente quale strumento di supporto per
determinare l'andamento generale della
frequenza cardiaca.
13. Mantenere sempre la schiena diritta, senza
inarcarla, durante l'uso della cyclette.
14. Un allenamento eccessivo può provocare
lesioni gravi o morte. Qualora si manifestino
vertigini o dolori durante l'allenamento,
fermarsi immediatamente e iniziare il
defaticamento.
PRECAUZIONI IMPORTANTI
AVVERTENZA: per ridurre il rischio di incidenti gravi, leggere tutte le precauzioni
e le istruzioni importanti contenute nel presente manuale nonché tutte le avvertenze riportate sulla
cyclette prima di iniziare a utilizzarla. ICON non si assume alcuna responsabilità in caso di lesioni
personali o danni causati o dovuti all’utilizzo dell’attrezzo.

4
Cardiofrequenzimetro
Sedile
Manopola Sedile
Manopola di
Livellamento
Ruota
Pedale/Cinghia
Consolle
Manubrio
Manopola Supporto Sedile
Grazie per avere scelto la rivoluzionaria cyclette
PROFORM® 345 ZLX. Pedalare è un esercizio effi-
cace per aumentare la capacità cardiovascolare e la
resistenza e per tonificare il corpo. La cyclette 345
ZLX offre una vasta gamma di funzioni realizzate per
rendere i vostri esercizi a casa più efficaci e piacevoli.
Onde evitare problemi, si consiglia di leggere
attentamente il presente manuale prima di utiliz-
zare la cyclette. Per qualsiasi domanda relativa al
contenuto del presente manuale, si prega di consultare
la copertina del manuale. Per poter soddisfare rapi-
damente ogni eventuale richiesta, prima di contattarci
è necessario munirsi del numero del modello e del
numero di serie. Il numero del modello e la posizione
dell’etichetta che riporta il numero di serie sono indicati
sulla copertina del presente manuale.
Prima di procedere con la lettura del manuale si prega
di osservare il disegno sottostante per poter familiariz-
zare con i pezzi contrassegnati.
Lunghezza: 104 cm
Larghezza: 58 cm
Peso: 34 kg
PRIMA DI INIZIARE

5
Vite
M4 x 16mm
(43)–4
Vite M10 x 95mm
(53)–4
Rondella
Grower M8
(64)–8
Dado
Autobloccante
M8 (72)–4
Vite
M4 x 22mm
(31)–4
Vite M6 x 20mm
(18)–4
Rondella
Grower M6
(74)–4
Vite M8 x 16mm
(65)–4
TABELLA IDENTIFICAZIONE PEZZI
Fare riferimento ai disegni sottostanti per identificare i pezzi utilizzati durante il montaggio. Il numero tra paren-
tesi indicato in ogni disegno rappresenta il numero pezzo, evinto dall’ELENCO PEZZI al termine del presente
manuale. Il numero dopo le parentesi è la quantità necessaria per il montaggio. Nota: qualora un pezzo non sia
rintracciabile nel kit hardware, verificare se sia stato preassemblato. Nella confezione possono essere
inclusi pezzi di scorta.

6
• Il montaggio richiede la presenza di due persone.
• Posizionare tutti i pezzi in uno spazio libero ed
eliminare gli imballaggi. Non gettare il materiale
d'imballaggionoalcompletamentodellefasidi
montaggio.
• I pezzi di sinistra sono contrassegnati con “L” o
“Left” e quelli di destra con “R” o “Right.”
• Peridenticareipezzipiccoli,vedereapagina5.
• Oltre agli utensili in dotazione, per il montaggio
sono necessari:
un cacciavite Phillips
una chiave inglese
ll montaggio risulterà più semplice se si dispone
diunsetdichiavi.Alnedievitaredanniai
componenti, non utilizzare strumenti alimentati
elettricamente.
1
1. Collegarsi al wito www.iconsupport.eu e regi-
strare il prodotto.
• attivalagaranzia
• sirisparmiatemposesinecessitadicontattare
il Servizio Assistenza Clienti
• ciconsentediavvisartiinmeritoagliaggiorna-
menti e alle offerte
Nota: se non possiedi una connessione Internet,
contatta il Servizio Assistenza Clienti (consultare
la copertina del presente manuale) per registrare
il prodotto.
MONTAGGIO

7
2. Posizionare alcuni pezzi resistenti appartenenti
all'imballo sotto la parte posteriore del Telaio
(1). Chiedere a un'altra persona di reggere il
Telaio per evitare che si capovolga mentre si
completa questa fase.
Localizzare lo Stabilizzatore Posteriore (3). Nota:
lo Stabilizzatore Anteriore (non raffigurato) è
dotato di ruote.
Orientare lo Stabilizzatore Posteriore (3) in modo
tale che i tubi saldati siano rivolti dalla parte
opposta del Telaio (1).
Fissare lo Stabilizzatore Posteriore (3) al Telaio
(1) con due Viti M10 x 95mm (53).
Eliminare gli imballaggi.
2
3
53 Tubi
Saldati
1
3. Posizionare alcuni pezzi resistenti appartenenti
all'imballo sotto la parte anteriore del Telaio
(1). Chiedere a un'altra persona di reggere il
Telaio per evitare che si capovolga mentre si
completa questa fase.
Orientare lo Stabilizzatore Anteriore (2) in modo
tale che i tubi saldati siano rivolti dalla parte
opposta del Telaio (1).
Fissare lo Stabilizzatore Anteriore (2) al Telaio
(1) con due Viti M10 x 95mm (53).
Eliminare gli imballaggi.
3Ruota
253
1

8
4
4. Allentare la Manopola Supporto Sedile (27) nel
Telaio (1) di alcuni giri.
Orientare il Supporto Sedile (6) come indicato.
Quindi inserire il Supporto Sedile nel Telaio (1).
Far scorrere il Supporto Sedile (6) verso l'alto
o verso il basso nella posizione desiderata e
rilasciare la Manopola Supporto Sedile (27) in
uno dei fori di regolazione presenti nel Supporto
Sedile.
Spostare il Supporto Sedile (6) leggermente
verso l'alto o verso il basso per accertare
che la Manopola Supporto Sedile (27) sia
opportunamente inserita in uno dei fori di
regolazione del Supporto Sedile.
6
Fori di
Regolazione
127
5
5. Orientare il Sedile (23) e il Carrello Sedile (24)
nel modo indicato.
Fissare il Sedile (23) al Carrello Sedile (24)
con quattro Dadi Autobloccanti M8 (72) e
quattro Rondelle Grower M8 (64). Nota: i Dadi
Autobloccanti e le Rondelle Grower possono
essere premontate nella parte sottostante al
Sedile.
23
24
64
72

9
6
7
7. Mentre una seconda persona regge il Manubrio
(5) vicino al Montante (4), inserire il Cavo
Cardiofrequenzimetro (61) nel foro presente nel
Montante ed estrarlo dalla parte superiore del
Montante.
Suggerimento: prestare attenzione a non piz-
zicare i cavi. Fissare il Manubrio (5) al Montante
(4) con quattro Viti M6 x 20mm (18) e quattro
Rondelle Grower M6 (74). Prestare
attenzione a
non pizzicare
i cavi
18
18 74
74
Foro
4
61
5
6. Rimuovere la Manopola Sedile (26) dal Carrello
Sedile (24). Reggere la Staffa Sedile (30)
all'interno del Carrello Sedile per evitare che si
muova.
In seguito inserire il Carrello Sedile (24) nel
Supporto Sedile (6). Inserire verso l'alto la
Manopola Sedile (26) nel Supporto Sedile e ser-
rare la Manopola Sedile nella Staffa Sedile (30)
all'interno del Carrello Sedile.
26
30
24
6

10
8
9. Orientare il gruppo Montante (4) e il Copri Perno
(12) nel modo indicato.
Far scorrere in alto il Copri Perno (12) verso il
Manubrio (5). Suggerimento: piegare e flettere
leggermente il Copri Perno per inserirlo sul
Manubrio.
Fissare il Copri Perno (12) al Manubrio (5) con
quattro Viti M4 x 22mm (31).
43
43
9
12
31
31
4
5
8. Mentre una seconda persona regge la Consolle
(13) vicino al Montante (4), collegare i cavi
consolle al Cavo di Prolunga (59) e al Cavo del
Cardiofrequenzimetro (61).
Inserire il cavo in eccesso nel Montante (4) o
nella Consolle (13).
Suggerimento: prestare attenzione a non
pizzicare i cavi. Fissare la Consolle (13) al
Montante (4) con quattro Viti M4 x 16mm (43).
Prestare attenzione
a non pizzicare i
cavi
13
61 59 4

11
10
11. Individuare il Pedale Destro (21).
Utilizzando una chiave regolabile, stringere
bene il Pedale Destro (21) in senso orario sulla
Pedivella Destra (19).
Serrare il Pedale Sinistro (non raffigurato) in
senso antiorario nella Pedivella Sinistra (non
raffigurata).
Regolare la cinghia sul Pedale Destro (21) nella
posizione desiderata e premere le estremità
delle cinghie nei passanti del Pedale Destro.
Regolare la cinghia sul Pedale Sinistro (non
raffigurato) nello stesso modo.
11
10. Infilare il Copri Pannello Anteriore (7) verso l'alto
sul Montante (4).
Mentre un'altra persona regge il Montante (4)
vicino al Telaio (1), collegare il Cavo di Prolunga
(59) al Cavo Principale (58).
Inserire il Montante (4) nel Telaio (1).
Suggerimento: prestare attenzione a non piz-
zicare i cavi. Fissare il Montante (4) con quattro
Viti M8 x 16mm (65) e quattro Rondelle Grower
M8 (64).
Inserire il Copri Pannello Anteriore (7) verso il
basso nel Telaio (1) e premerlo fino a quando si
fissa.
Prestare attenzione
a non pizzicare i
cavi
64 64
64
65
65
58
59
4
7
1
19 Cinghia
Linguetta
21

12
12
12. Inserire l'Alimentatore (67) nella presa presente
sul telaio della cyclette.
Se necessario inserire l'Alimentatore (67) nell'A-
dattatore Spina (A).
Nota: per inserire l'Alimentatore (67) nella
presa, consultare la sezione INSERIMENTO
DELL'ALIMENTATORE a pagina 13.
13. Dopo aver montato la cyclette controllare che sia stata assemblata correttamente e che funzioni
in modo adeguato. Assicurarsi che tutti i pezzi siano opportunamente serrati prima di utilizzare la
cyclette. Nota: nella confezione possono essere inclusi pezzi di scorta. Posizionare un tappetino sotto la
cyclette al fine di proteggere il pavimento o la moquette.
A
67

13
INSERIMENTO DELL'ALIMENTATORE
IMPORTANTE: se la cyclette è rimasta esposta
a basse temperature, riportarla a temperatura
ambiente prima di collegare l'alimentatore. In caso
contrario, i display o altri componenti elettronici
potranno risultarne danneggiati.
Inserire l'alimen-
tatore nella presa
sul telaio della
cyclette. Quindi
inserire l'alimenta-
tore nell'adattatore
spina. Inserire poi
l'adattatore spina
nella presa a
muro e opportuna-
mente installata in
conformità con le
normative vigenti.
REGOLAZIONE DEI PIEDINI STABILIZZATORI
Qualora la cyclette
oscilli leggermente
sul pavimento
durante l'uso,
ruotare uno o
entrambi i pie-
dini stabilizzatori
sullo stabilizza-
tore posteriore
fino a eliminare
l'oscillazione.
REGOLAZIONE DELL'ALTEZZA DEL SEDILE
Per un esercizio efficace, il sedile deve essere rego-
lato alla giusta altezza. Mentre si pedala, le ginocchia
dovranno essere leggermente piegate quando i pedali
si trovano nella posizione più bassa.
Per regolare il
sedile, innanzi-
tutto allentare
leggermente la
manopola sup-
porto sedile.
Quindi far scor-
rere il supporto
sedile in alto o
in basso nella
posizione scelta
e poi rilasciare
la manopola in
uno dei fori di
regolazione presenti sul supporto sedile. Spostare
leggermente il supporto sedile verso l'alto o verso
il basso per verificare che la manopola sia corret-
tamente inserita in uno dei fori di regolazione del
supporto sedile.
REGOLAZIONE DELLA POSIZIONE ORIZZONTALE
DEL SEDILE
Per regolare la
posizione oriz-
zontale del sedile
innanzitutto allen-
tare leggermente
la manopola
sedile. Quindi
spostare il sedile
in avanti o indietro
nella posizione
desiderata e ser-
rare saldamente la
manopola.
REGOLAZIONE DELLE CINGHIE PEDALE
Per regolare le
cinghie pedale,
per prima cosa
staccare l'estre-
mità delle cinghie
dalle linguette pre-
senti sui pedali.
Quindi regolare
le cinghie nella
posizione desi-
derata e premere
le estremità delle
cinghie sulle linguette.
USO DELLA CYCLETTE
Manopola
Piedini
Stabilizzatori
Manopola
Sedile
Linguetta
Cinghia
Alimentatore
Adattatore
Spina

14
CARATTERISTICHE DELLA CONSOLLE
La moderna consolle offre una gamma di funzioni
studiate per rendere gli esercizi a casa più piacevoli ed
efficaci.
Quando la consolle viene usata in modalità manuale, è
possibile modificare la resistenza dei pedali premendo
un pulsante. Durante l'allenamento la consolle visualiz-
zerà continuamente il feedback dell'esercizio. È inoltre
possibile misurare la frequenza cardiaca tramite il
cardiofrequenzimetro a impugnatura.
La consolle offre inoltre una serie di allenamenti pre-
definiti. Ogni programma controlla automaticamente la
resistenza dei pedali per permettere un allenamento
efficace. È inoltre possibile impostare le calorie, la
distanza o un tempo target.
La consolle dispone inoltre di una modalità iFit che le
consente di comunicare con la rete wireless dell'utente
tramite un modulo opzionale iFit. Con la modalità iFit è
possibile scaricare allenamenti personalizzati, creare
i propri allenamenti, tenere sotto controllo i risultati
dei propri allenamenti, gareggiare con altri utenti iFit
e accedere a molte altre funzionalità. Per acquistare
un modulo iFit in qualsiasi momento, visitare il
sito web www.iFit.com oppure chiamare il numero
riportato sulla copertina del presente manuale.
È inoltre possibile collegare un lettore MP3 o lettore
CD all'impianto stereo della consolle e ascoltare la
musica preferita o gli audio libri durante l'allenamento.
Per utilizzare la modalità manuale, vedere pagina
15. Per utilizzare l'impianto stereo, vedere pagina
16. Per utilizzare un allenamento predefinito,
vedere pagina 17. Per utilizzare un allenamento
con target impostato, vedere pagina 18. Per uti-
lizzare un allenamento iFit, vedere pagina 19. Per
modificare le impostazioni della consolle, vedere
pagina 20.
Nota: qualora sul display fosse presente una pellicola
di plastica trasparente, rimuoverla.
Stinger
EBPE73013
PFEVEX73013
DIAGRAMMA CONSOLLE

15
USO DELLA MODALITÀ MANUALE
1. Iniziare a pedalare o premere un pulsante
qualsiasi della consolle per avviarla.
All'accensione della consolle il display si illumina.
La consolle sarà così pronta per l'uso.
2. Selezione della modalità manuale.
Premere il pulsante Manual Control (comando
manuale) sulla consolle per selezionare la modalità
manuale.
Qualora un modulo iFit wireless non fosse inse-
rito nella consolle e collegato ad iFit, la modalità
manuale verrà selezionata automaticamente.
3. Modifica della resistenza dei pedali nel modo
desiderato.
Mentre si pedala, modificare la resistenza dei
pedali premendo i pulsanti di aumento/diminuzione
Quick Resistance (resistenza rapido).
Nota: dopo aver premuto un pulsante, ci vorranno
alcuni secondi prima che i pedali raggiungano il
livello di resistenza selezionato.
4. Seguire la progressione sul display.
Il display è in grado di visualizzare le seguenti
informazioni relative all’allenamento:
Cals. (calorie): questa modalità di visualizza-
zione indica la quantità approssimativa di calorie
consumate.
Cals./Hr (calorie/ora): questa modalità di visualiz-
zazione indica la quantità approssimativa di calorie
consumate ogni ora.
Dist. (distanza): questa modalità di visualizza-
zione mostra la distanza percorsa in miglia o
chilometri.
Pulse (pulsazioni): questa modalità di visualiz-
zazione mostra la frequenza cardiaca quando
si utilizza il cardiofrequenzimetro a impugnatura
(vedere la fase 5).
Resist. (resistenza): questa modalità di visualiz-
zazione indica il livello di resistenza dei pedali per
alcuni secondi ogni volta che il livello di resistenza
cambia.
Speed (velocità): questa modalità di visualizza-
zione indica la velocità di pedalata espressa in
chilometri/ora (KM/H) o in miglia/ora (MPH).
Time (tempo): quando è selezionata la moda-
lità manuale, questa modalità di visualizzazione
mostra il tempo trascorso. Quando si seleziona un
allenamento, questa modalità di visualizzazione
indica il tempo rimanente dell'allenamento.
La matrice dispone di varie schede display.
Premere il pulsante Display fino a quando la
scheda desiderata si visualizza. Per modificare le
impostazioni, premere i pulsanti di aumento/dimi-
nuzione a lato del pulsante Enter (invio).
Speed (velocità): questa scheda visualizza un
profilo delle impostazioni di velocità dell'allena-
mento. Al termine di ogni minuto si visualizzerà un
nuovo segmento.
My Trail (la mia pista): questa scheda visualizza
una pista che rappresenta i 400 m (1/4 di miglio).
Mentre ci si allena il rettangolo lampeggiante
visualizzerà l'avanzamento. La scheda My Trail
visualizzerà, inoltre, il numero di giri completati.
Calorie: questa scheda visualizza la quantità
approssimativa di calorie consumate. L'altezza di
ogni segmento rappresenta la quantità di calorie
consumate durante tale segmento.
Mentre ci si allena, la barra del livello intensità
dell'allenamento indicherà il livello d'intensità
approssimativo dell'allenamento.

16
Premere il pulsante Home per ritornare al menu di
default (consultare la sezione MODIFICA DELLE
IMPOSTAZIONI DELLA CONSOLLE a pagina
20 per impostare il menu di default). Premere
un'altra volta il pulsante Home, se necessario.
Quando un modulo iFit wire-
less è collegato, il simbolo
wireless nella parte alta del
display visualizzerà il livello
del segnale wireless. Quattro
archi indicano un segnale pieno.
Per uscire dalla modalità manuale o da un allena-
mento, premere il pulsante Home. Premere un'altra
volta il pulsante Home, se necessario.
Modificare il livello del volume
premendo i pulsanti di aumento/dimi-
nuzione Volume.
5. Se lo si desidera, misurare la frequenza
cardiaca.
Prima di
utilizzare
il cardiofre-
quenzimetro a
impugnatura,
rimuovere
l'eventuale
pellicola protet-
tiva dai contatti
metallici. Per
misurare la fre-
quenza cardiaca,
impugnare il car-
diofrequenzimetro a impugnatura tenendo i palmi
delle mani appoggiati ai contatti metallici. Evitare
di muovere le mani o di comprimere troppo i
contatti.
Una volta rilevate le pulsazioni sul display lampeg-
gerà un cuore in corrispondenza di ogni battito,
appariranno uno o due trattini e poi comparirà il
valore della frequenza cardiaca. Per una lettura
più precisa della frequenza cardiaca, impu-
gnare i contatti per almeno 15 secondi.
Se la frequenza cardiaca non viene visualizzata,
controllare che le mani siano posizionate come
descritto. Prestare attenzione a non muovere
eccessivamente le mani o comprimere eccessiva-
mente i contatti. Per ottenere prestazioni ottimali,
pulire i contatti utilizzando un panno morbido; non
utilizzare alcol, sostanze abrasive o prodotti
chimici.
6. Una volta terminato l'allenamento, la consolle
si spegnerà automaticamente.
Qualora i pedali non vengano azionati per alcuni
secondi, verrà emesso un segnale acustico, la con-
solle entrerà in pausa e il tempo lampeggerà nel
display. Per riprendere l'allenamento ricominciare
semplicemente a pedalare.
Qualora i pedali non vengano spostati per alcuni
minuti e non si prema alcun pulsante, la consolle si
spegnerà e i display si azzereranno.
USO DELL'IMPIANTO STEREO
Per riprodurre musica o audio libri sull'impianto stereo
della consolle durante l'allenamento, collegare un cavo
da 3,5 mm maschio a un cavo audio maschio da 3,5
mm (non in dotazione) nella presa sulla consolle e
nella presa del lettore MP3, del lettore CD o di qual-
siasi altro riproduttore audio personale; accertare di
avere inserito completamente il cavo audio nelle
prese. Nota: per acquistare un cavo audio, rivol-
gersi al proprio fornitore di componenti elettronici
locale.
Successivamente premere il pulsante riproduci sul
proprio lettore audio. Regolare il volume premendo i
pulsanti di aumento/diminuzione volume sulla consolle
o il comando del volume sul proprio dispositivo audio
personale.
Contatti

17
USO DI UN ALLENAMENTO PREDEFINITO
1. Iniziare a pedalare o premere un pulsante
qualsiasi della consolle per avviarla.
All'accensione della consolle il display si illumina.
La consolle sarà così pronta per l'uso.
2. Selezione di un allenamento predefinito
Per selezionare un allenamento predefinito, pre-
mere ripetutamente il pulsante 9 Calories Workouts
(allenamenti calorie) o il pulsante 9 Performance
Workouts (allenamenti potenziamento) fino a
quando l'allenamento desiderato appare sul
display.
Quando si seleziona un allenamento predefinito,
il display visualizzerà la durata e il nome dell'alle-
namento. Nella matrice comparirà un profilo delle
impostazioni della velocità per l’allenamento.
Il display visualizzerà inoltre il livello massimo di
resistenza e la velocità massima dell'allenamento.
3. Per avviare l'allenamento iniziare a pedalare.
Ogni allenamento è suddiviso in segmenti da un
minuto. Per ogni segmento è programmato un
livello di resistenza e una velocità di riferimento.
Nota: è possibile impostare lo stesso livello di resi-
stenza e/o velocità di riferimento per più segmenti
consecutivi.
Durante
l'allena-
mento,
il profilo
sulla
scheda
velocità
mostrerà i
progressi dell'utente. Il segmento lampeggiante del
profilo rappresenta il segmento corrente dell'allena-
mento. L'altezza del segmento lampeggiante indica
la velocità di riferimento per il segmento attuale.
Alla fine di ogni segmento dell'allenamento, verrà
emessa una serie di segnali acustici e il segmento
successivo del profilo comincerà a lampeggiare.
Qualora per il segmento successivo venga impo-
stato un livello di resistenza e/o una velocità di
riferimento diversi, questi due valori appariranno
sul display per alcuni secondi per avvisare l'utente.
Poi la resistenza dei pedali cambierà.
Durante l’allenamento l’utente verrà esortato a
mantenere il ritmo della pedalata vicino al valore
della velocità di riferimento impostata per il seg-
mento in corso. Quando sul display si visualizza
una freccia all'insù, aumentare il ritmo. Quando
sul display si visualizza una freccia all’ingiù,
diminuire il ritmo. Quando il display non visua-
lizza nessuna freccia, mantenere il ritmo.
IMPORTANTE: la velocità di target è volta
esclusivamente a motivare l'utente. La velo-
cità effettiva di pedalata dell'utente può essere
inferiore a quella impostata. Si raccomanda di
mantenere una velocità di pedalata adeguata al
proprio ritmo.
Qualora il livello di resistenza del segmento cor-
rente risulti eccessivo o insufficiente, è possibile
escludere l'impostazione manualmente premendo
i pulsanti Quick Resistance (resistenza rapido).
IMPORTANTE: quando il segmento corrente del
programma di allenamento termina, i pedali si
regolano automaticamente alle impostazioni di
resistenza del segmento successivo.
Il programma continuerà in questo modo fino al
termine dell'ultimo segmento. Per arrestare l'allena-
mento in qualsiasi momento smettere di pedalare.
Il tempo lampeggerà sul display. Per riprendere l'al-
lenamento ricominciare semplicemente a pedalare.
4. Seguire la progressione sul display.
Vedere la fase 4 a pagina 15.
5. Se lo si desidera, misurare la frequenza
cardiaca.
Vedere la fase 5 a pagina 16.
6. Una volta terminato l'allenamento, la consolle
si spegnerà automaticamente.
Vedere la fase 6 a pagina 16.
Profilo

18
USO DI UN ALLENAMENTO CON TARGET
IMPOSTATO
1. Iniziare a pedalare o premere un pulsante
qualsiasi della consolle per avviarla.
All'accensione della consolle il display si illumina.
La consolle sarà così pronta per l'uso.
2. Impostazione di calorie, distanza o tempo
target.
Per impostare le calorie, la distanza o un tempo
target, premere il pulsante Set A Goal (imposta un
target).
Quindi premere i pulsanti di aumento/diminuzione
accanto al pulsante Enter (invio) fino a quando il
nome del target desiderato compare sul display.
Quindi premere il pulsante Enter.
Premere poi i pulsanti di aumento/diminuzione
accanto al pulsante Enter per impostare il target
desiderato.
3. Per avviare l'allenamento iniziare a pedalare.
Ogni allenamento è suddiviso in segmenti da un
minuto. La velocità target per il segmento corrente
comparirà nel display all'inizio di ogni segmento.
Durante l'allenamento, mantenere la velocità di
pedalata vicino quella target. IMPORTANTE: la
velocità di target è volta esclusivamente a moti-
vare l'utente. La velocità effettiva di pedalata
dell'utente può essere inferiore a quella impo-
stata. Si raccomanda di mantenere una velocità
di pedalata adeguata al proprio ritmo.
È possibile modificare manualmente la resistenza
dei pedali durante l'allenamento premendo i pul-
santi Quick Resistance (resistenza rapido).
Nota: modificando la resistenza manualmente
durante un allenamento target calorie, la durata
dell'allenamento si regolerà automaticamente per
assicurare il raggiungimento del proprio target
calorie.
Nota: il target calorie rappresenta una stima
della quantità di calorie che l'utente consumerà
durante l'allenamento. La quantità effettiva di
calorie consumate dipenderà da vari fattori
come il peso dell'utente. Inoltre, qualora la resi-
stenza venga modificata manualmente durante
l'allenamento, la quantità di calorie consumate
varierà.
L’allenamento continuerà in questo modo fino a
quando calorie, distanza o tempo target saranno
raggiunti. Per mettere l’allenamento in pausa,
smettere di pedalare. Il tempo visualizzato sul
display si arresterà temporaneamente. Per ripren-
dere l'allenamento ricominciare semplicemente a
pedalare.
4. Seguire la progressione sul display.
Mentre ci si allena il display calorie, tempo o
distanza effettuerà un conto alla rovescia fino a
quando il target desiderato sarà raggiunto.
Vedere la fase 4 a pagina 15.
5. Se lo si desidera, misurare la frequenza
cardiaca.
Vedere la fase 5 a pagina 16.
6. Una volta terminato l'allenamento, la consolle
si spegnerà automaticamente.
Vedere la fase 6 a pagina 16.

19
USO DI UN ALLENAMENTO IFIT
Nota: per utilizzare un allenamento iFit è necessario
disporre del modulo opzionale iFit. Per acquistare
un modulo iFit in qualsiasi momento, visitare
il sito web www.iFit.com oppure chiamare il
numero riportato sulla copertina del presente
manuale. L'utente deve disporre di un PC con porta
USB e connessione a Internet. È inoltre necessario
poter accedere a una rete wireless, mediante router
802.11b/g/n con trasmissione SSID abilitata (non
sono supportate le reti nascoste). L'utente deve essere
iscritto al sito iFit.com.
IMPORTANTE: per rispettare i limiti stabiliti in
merito all'esposizione all'energia a radiofrequenza,
l'antenna e il trasmettitore del modulo iFit devono
essere collocati ad almeno 20 cm di distanza dalle
persone e non devono essere posizionati vicino o
collegati a qualsiasi altra antenna o trasmettitore.
1. Iniziare a pedalare o premere un pulsante
qualsiasi della consolle per avviarla.
All'accensione della consolle il display si illumina.
La consolle sarà così pronta per l'uso.
2. Inserire il modulo iFit nella consolle.
Dopo aver inserito il modulo iFit nella consolle
premere il pulsante Home. Nel display comparirà la
schermata principale di iFit.
3. Selezione di un utente.
Se più di un utente è registrato su iFit.com, è
possibile selezionare l'utente tramite la schermata
principale di iFit. Premere i pulsanti di aumento/
diminuzione che si trovano accanto al pulsante
Enter (Invio) per selezionare l'utente.
4. Selezione di un allenamento iFit.
Per selezionare un allenamento iFit premere uno
dei pulsanti iFit. Prima di scaricare gli allenamenti è
necessario aggiungerli alla lista personale su
www.iFit.com.
Premere il pulsante Map (mappa), il pulsante Train
(allenamento) o il pulsante Lose Wt. (dimagri-
mento) per scaricare l'allenamento successivo di
quel tipo nella lista personale.
Premere il pulsante Compete (gara) per gareggiare
in una corsa programmata in precedenza.
Per ripetere un allenamento iFit recente presente
nella lista personale, premere il pulsante Track
(pista). Premere poi i pulsanti di aumento/diminu-
zione per selezionare l’allenamento desiderato.
Quindi, premere il pulsante Enter per iniziare
l’allenamento.
Per maggiori informazioni sugli allenamenti iFit
consultare il sito www.iFit.com.
Selezionando un allenamento iFit, il display visua-
lizzerà la durata dell'allenamento e la quantità
approssimativa di calorie che si consumeranno.
Il display può anche visualizzare il nome dell'al-
lenamento. Selezionando un allenamento gara,
il display visualizzerà un conto alla rovescia per
l'inizio della corsa.
Nota: tutti i pulsanti iFit possono anche avviare gli
allenamenti demo. Per utilizzare gli allenamenti
demo, rimuovere il modulo iFit dalla consolle e
premere uno dei pulsanti iFit.
5. Avvio dell'allenamento.
Vedere la fase 3 a pagina 17.
Durante alcuni allenamenti, la voce di un personal
trainer guiderà l'utente nell'esecuzione dell'eserci-
zio. È possibile selezionare un'impostazione audio
per il proprio personal trainer (vedere la sezione
MODIFICA DELLE IMPOSTAZIONI CONSOLLE a
pagina 20).
Per arrestare l'allenamento in qualsiasi momento
smettere di pedalare. Il tempo lampeggerà sul
display. Per riprendere l'allenamento ricominciare
semplicemente a pedalare.

20
6. Seguire la progressione sul display.
Vedere la fase 4 a pagina 15.
La scheda My Trail (la mia pista) visualizzerà una
mappa del percorso che si sta percorrendo cam-
minando o correndo o visualizzerà una pista e il
numero di giri realizzati.
Durante un allenamento competizione, la scheda
Compete (gara) visualizzerà i progressi fatti
durante la gara. Mentre si gareggia, la linea supe-
riore della matrice visualizzerà a che punto della
gara l'utente è arrivato. Le altre righe mostreranno
gli altri concorrenti. La fine della matrice rappre-
senta la fine della gara.
7. Se lo si desidera, misurare la frequenza
cardiaca.
Vedere la fase 5 a pagina 16.
8. Una volta terminato l'allenamento, la consolle
si spegnerà automaticamente.
Vedere la fase 6 a pagina 16.
Per ulteriori informazioni sulla modalità di allena-
mento iFit, visitare il sito web www.iFit.com.
MODIFICA DELLE IMPOSTAZIONI DELLA
CONSOLLE
La consolle è dotata di una modalità utente che
consente di visualizzare le informazioni d’uso, di
selezionare un’unità di misura e di regolare il contrasto
dello schermo.
Quando un modulo iFit è collegato alla consolle, è
possibile utilizzare la modalità informazioni anche per
scegliere un'impostazione audio per la voce del perso-
nal trainer, impostare un menu di default, controllare
lo stato del modulo iFit e verificare se sono presenti
download.
1. Selezione della modalità informazioni.
Per selezionare la modalità informazioni, premere
e mantenere premuto per alcuni secondi il pulsante
Display fino a quando viene visualizzata la scher-
mata modalità informazioni.
2. Visualizzazione delle informazioni d’uso.
Il display visualizzerà inoltre il numero comples-
sivo di ore d'uso della cyclette. Il display mostrerà
anche la distanza totale (in miglia o chilometri)
percorsa dalla cyclette.
3. Se lo si desidera, selezionare un'unità di
misura.
Per indicare qual è l'unità di misura selezionata in
un dato momento, il display visualizzerà la parola
ENGLISH per le miglia inglesi o METRIC per i
chilometri.
Per modificare l’unità di misura premere ripetu-
tamente il pulsante Enter (invio) per selezionare
l’unità di misura desiderata.
4. Se lo si desidera regolare il contrasto del
display.
Premere il pulsante diminuzione per visualizzare il
contrasto. Sul display verrà visualizzato il contra-
sto attualmente selezionato. Premere i pulsanti di
aumento/diminuzione Quick Resistance (resistenza
rapido) per regolare il contrasto.

21
5. Determinare se un modulo iFit è collegato alla
consolle.
Se un modulo iFit è collegato alla consolle, il
display visualizzerà il messaggio WIFI MODULE
(modulo wifi) o USB MODULE (modulo usb).
Qualora non sia collegato alcun modulo, il display
visualizzerà il messaggio NO IFIT MODULE (nes-
sun modulo iFit rilevato). Qualora non sia collegato
alcun modulo, passare alla fase 10.
6. Selezionare un'impostazione audio per la voce
del personal trainer se lo si desidera.
Premere il pulsante diminuzione per visualizzare le
impostazioni audio per la voce del personal trai-
ner. L'impostazione audio della voce del personal
trainer selezionata attualmente apparirà sul display.
Per modificare le impostazioni audio, premere
ripetutamente il pulsante Enter (invio) per ON
(accendere) o OFF (spegnere) la voce del personal
trainer.
7. Se lo si desidera impostare il menu di default.
Premere il pulsante diminuzione per visualizzare le
impostazioni del menu di default. Il menu di default
è il menu che compare quando si accende la
consolle. Premere ripetutamente il pulsante Enter
per selezionare il menu principale della modalità
manuale o il menu iFit come menu di default.
8. Controllare lo stato del modulo iFit, se si
desidera.
Premere il pulsante diminuzione per visualizzare
il display dello stato iFit. I messaggi CHECK WIFI
STATUS (controlla stato wifi) o CHECK USB
STATUS (controlla stato usb) compariranno sul
display.
Quindi premere il pulsante Enter. Dopo alcuni
secondi, lo stato del modulo iFit apparirà sul
display. Per uscire dal display, premere e man-
tenere premuto il pulsante del Display per alcuni
secondi.
9. Verificare se sono presenti download, se si
desidera.
Premere il pulsante diminuzione per visualizzare
il display dei download. Il messaggio SEND/
RECEIVE DATA (invio/ricezione dati) comparirà sul
display.
Quindi premere il pulsante Enter. La consolle
verificherà se sono presenti download per gli alle-
namenti iFit e per i firmware.
10. Uscita dalla modalità informazioni.
Premere il pulsante Display per uscire dalla moda-
lità informazioni.

22
Controllare e serrare regolarmente tutti i pezzi della
cyclette. Sostituire immediatamente eventuali pezzi
usurati.
Per pulire la cyclette, utilizzare un panno umido e una
piccola quantità di detersivo delicato. IMPORTANTE:
per evitare di danneggiare la consolle, proteggerla
da liquidi e dalla luce solare diretta.
RISOLUZIONE GUASTI CONSOLLE
Qualora sul display della consolle vengano visualizzate
delle linee, vedere la fase 4 a pagina 20 e regolare il
livello di contrasto del display.
Qualora la consolle non visualizzi la frequenza car-
diaca quando si utilizza il cardiofrequenzimetro a
impugnatura, vedere la fase 5 a pagina 16.
Qualora fosse necessario sostituire l'alimentatore
vi preghiamo di chiamare il numero di telefono
riportato sulla copertina del presente manuale.
IMPORTANTE: Per evitare di danneggiare la con-
solle, utilizzare esclusivamente uno stabilizzatore
di tensione fornito dal fabbricante.
REGOLAZIONE DEL COMMUTATORE
Se la consolle non visualizza i dati corretti, è necessa-
rio regolare il commutatore.
Per regolare il commutatore disinserire prima di tutto
l'alimentatore. Quindi rimuovere il pedale sinistro e il
disco pedale sinistro (vedere istruzioni qui di seguito).
Utilizzare una chiave inglese, ruotare il pedale sinistro
in senso orario e rimuoverlo.
Ruotare il Disco
Pedale (17)
sinistro in senso
orario per rimuo-
verlo dal Pannello
Sinistro (11).
Quindi rimuovere
con cura il Disco
Pedale Sinistro
dalla Pedivella
Sinistra (20).
Individuare il Commutatore (57). Allentare, le due Viti
Flangiate M4 x 13mm (63), senza rimuoverle.
Quindi, ruotare la Pedivella Sinistra (20) fino a quando
il Magnete (55) è allineato con il Commutatore (57).
Far scorrere il Commutatore leggermente più vicino
o lontano dal Magnete. Serrare nuovamente le Viti
Flangiate M4 x 13mm (63).
Collegare l'alimentatore e ruotare per un attimo la
Pedivella Sinistra (20). Ripetere la procedura fino a
quando la consolle visualizza le informazioni corrette.
Quando il commutatore è regolato correttamente, riat-
taccare il disco pedale sinistro e il pedale sinistro.
MANUTENZIONE E LOCALIZZAZIONE GUASTI
20
17
11
57
63
55 20

23
REGOLAZIONE DELLA CINGHIA DI TRASMISSIONE
Nel caso i pedali slittassero mentre si sta pedalando,
anche se la resistenza è al massimo, significa che è
necessario regolare la cinghia di trasmissione.
Per regolare la cinghia di trasmissione disinserire
prima di tutto l'alimentatore. Quindi rimuovere il pedale
destro, la manopola supporto sedile, il supporto sedile,
il copri pannello superiore, il copri pannello posteriore,
il copri pannello anteriore, il copri disco destro, e il pan-
nello destro (vedere istruzioni qui di seguito).
Utilizzando una chiave inglese, ruotare il Pedale
Destro (21) in senso antiorario e rimuoverlo.
Quindi, rimuovere la Manopola Supporto Sedile (27) e
il Supporto Sedile (6).
Servendosi di un cacciavite piatto, rimuovere il Copri
Pannello Superiore (8) e il Copri Pannello Posteriore
(9). Sempre servendosi di un cacciavite piatto, rila-
sciare il Copri Pannello Anteriore (7).
Ruotare il Disco Pedale (17) destro in senso orario per
rimuoverlo dal Pannello Destro (10). Quindi rimuovere
con cura il Disco Pedale sinistro dalla Pedivella Destra
(19).
Vedere il DISEGNO ESPLOSO alla fine del presente
manuale e rimuovere le Viti M4 x 19mm (44) e le Viti
M4 x 25mm (62) dai Pannelli Destro e Sinistro (10, 11).
Quindi, rimuovere il Pannello Destro.
Allentare la Vite Esagonale M6 x 20mm (49). Quindi,
serrare la Vite Esagonale M10 x 50mm (48) fino a
tendere la Cinghia di Trasmissione (54).
Quando la Cinghia di Trasmissione (54) è tesa, serrare
la Vite Esagonale M6 x 20mm (49).
Montare nuovamente il pannello destro, il disco pedale
destro, il copri pannello anteriore, il copri pannello
posteriore, il copri pannello superiore, il supporto
sedile, la manopola sedile e il pedale destro. Collegare
l'alimentatore.
10
17
27
21
19
7
9
8
6
48
49
54

24
I consigli che seguono sono un supporto per pianificare
il programma di esercizi. Per informazioni più detta-
gliate relative agli esercizi, si consiglia di acquistare
un libro specializzato o di consultare il proprio medico.
Si ricorda che una corretta alimentazione e un riposo
adeguato sono essenziali per ottenere dei risultati
positivi.
INTENSITÀ ESERCIZIO
Qualunque sia l’obiettivo, bruciare grassi o potenziare
il sistema cardiovascolare, la chiave per raggiungere
i risultati desiderati è allenarsi a un livello di intensità
corretto. Per trovare il corretto livello di intensità è pos-
sibile prendere come riferimento la propria frequenza
cardiaca. La tabella sottostante mostra le frequenze
cardiache consigliate per bruciare i grassi o per un
allenamento aerobico.
Per determinare la frequenza cardiaca più adatta al
proprio fisico, individuare la propria età in fondo alla
tabella (le età sono arrotondate alla decina più pros-
sima). I tre numeri riportati sopra alla propria età
determinano la vostra “zona di allenamento.” Il numero
inferiore rappresenta la frequenza cardiaca raccoman-
data per bruciare i grassi; il numero medio rappresenta
la frequenza cardiaca raccomandata per bruciare i
grassi al massimo livello; il numero superiore rap-
presenta la frequenza cardiaca raccomandata per un
esercizio aerobico.
Bruciare i Grassi—Per bruciare i grassi in modo
efficace, è necessario eseguire un allenamento a un
livello di intensità relativamente basso per parecchi
minuti. Durante i primi minuti di allenamento, il corpo
brucia i carboidrati semplici. Solo dopo i primi minuti il
corpo brucia grassi accumulati. Se l’obiettivo è bruciare
grassi, regolare l’intensità dell’esercizio fino a quando
la frequenza cardiaca è prossima al numero più basso
della propria zona di allenamento. Per bruciare il
massimo dei grassi, allenarsi con la frequenza car-
diaca prossima al numero medio della propria zona di
allenamento.
Esercizio Aerobico—Se l’obiettivo è il potenziamento
del sistema cardiovascolare si deve eseguire un alle-
namento aerobico la cui attività richiede un apporto di
ossigeno elevato per periodi prolungati. Per l’esercizio
aerobico, regolare l’intensità dell’esercizio fino a
quando la propria frequenza cardiaca è prossima la
numero più alto della propria zona di allenamento.
CONSIGLI PER L’ALLENAMENTO
Riscaldamento—Iniziare con 5/10 minuti di stretching
ed esercizi leggeri. Un riscaldamento corretto aumenta
la temperatura del corpo, la frequenza cardiaca e la
circolazione in preparazione all’esercizio.
Esercizi nella Zona di Allenamento—Allenarsi per
20/30 minuti mantenendo la propria frequenza car-
diaca entro i limiti della propria zona di allenamento.
(Durante le prime settimane del programma di eser-
cizi, mantenere la propria frequenza cardiaca nella
zona di allenamento per massimo 20 minuti.) Durante
l’esercizio respirare regolarmente e profondamente
senza mai trattenere il respiro.
Defaticamento—Terminare con 5/10 minuti di stretch-
ing. Lo stretching aumenta la flessibilità dei muscoli e
aiuta a prevenire i problemi dopo gli esercizi.
FREQUENZA ESERCIZI
Per mantenere o migliorare la propria condizione,
eseguire tre allenamenti alla settimana, rispettando
almeno un giorno di riposo tra ogni sessione. Dopo
alcuni mesi di esercizio costante, sarà possibile anche
eseguire cinque allenamenti alla settimana. Ricordatevi
che la chiave del successo è rendere l’esercizio una
parte costante e divertente della vita di tutti i giorni.
GUIDA AGLI ESERCIZI
AVVERTENZA: prima di
iniziare questo programma di esercizi o altri,
consultare il medico. In particolare coloro
che hanno un’età superiore ai 35 anni o con
problemi di salute preesistenti.
Il cardiofrequenzimetro non è uno strumento
medico. Esistono vari fattori che possono
inficiare la precisione della rilevazione
della frequenza cardiaca. Il cardiofrequenzi-
metro è solo uno strumento di supporto per
l’allenamento che serve a determinare la ten-
denza della frequenza cardiaca in generale.

25
ESERCIZI DI STRETCHING CONSIGLIATI
La corretta esecuzione dei vari esercizi di stretching di base è mostrata qui a destra. Durante lo stretching muo-
versi lentamente senza mai dondolare.
1. Toccare la Punta dei Piedi con le Mani
In piedi, ma con le ginocchia leggermente piegate, piegare il busto in
avanti. Rilassare schiena e spalle mentre si cerca di toccare la punta
dei piedi con le mani. Mantenere questa posizione per 15 secondi
poi rilassarsi. Ripetere l’esercizio tre volte. Stretching: bicipiti femo-
rali, retro delle ginocchia e schiena.
2. Stretching del Bicipite Femorale
Sedersi con una gamba stesa. Portare la pianta del piede opposto
verso di voi e appoggiarla contro la coscia interna della gamba
stesa. Cercare di raggiungere la punta del piede della gamba stesa.
Mantenere questa posizione per 15 secondi poi rilassarsi. Ripetere
l’esercizio 3 volte con entrambe le gambe. Stretching: bicipiti femo-
rali, zona lombare e inguine.
3. Stretching Polpaccio/Tendine di Achille
Mettere una gamba di fronte all’altra, sporgersi in avanti e posizion-
are le mani sulla parete. Tenere la gamba dietro dritta con il piede
completamente appoggiato a terra. Piegare la gamba davanti, sporg-
ersi in avanti e spostare i fianchi verso la parete. Mantenere questa
posizione per 15 secondi poi rilassarsi. Ripetere l’esercizio 3 volte
con entrambe le gambe. Per allungare maggiormente i tendini di
Achille, piegare anche la gamba dietro. Stretching: polpacci, tendini
di Achille e caviglie.
4. Stretching Quadricipiti
Appoggiando una mano alla parete per non perdere l’equilibrio,
afferrare il piede esterno (rispetto alla parete) e piegando la gamba
portare il tallone contro il gluteo. Portare il tallone il più vicino pos-
sibile ai glutei. Mantenere questa posizione per 15 secondi poi
rilassarsi. Ripetere l’esercizio 3 volte con entrambe le gambe.
Stretching: quadricipiti e muscoli dell’anca.
5. Stretching dell’Interno Coscia
Sedersi, piegare le ginocchia verso l’esterno e unire le piante dei
piedi. Tirare i piedi verso l’inguine il più vicino possibile. Mantenere
questa posizione per 15 secondi poi rilassarsi. Ripetere l’esercizio tre
volte. Stretching: quadricipiti e muscoli dell’anca.
1
2
3
4
5

26
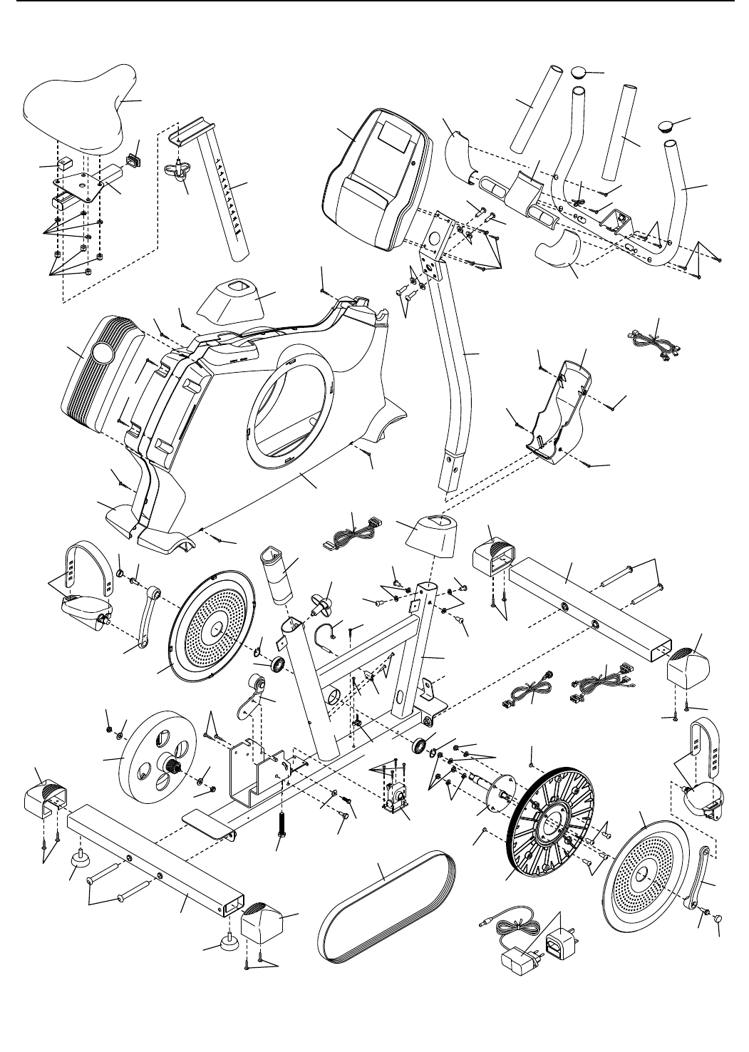
1 1 Telaio
2 1 Stabilizzatore Anteriore
3 1 Stabilizzatore Posteriore
4 1 Montante
5 1 Manubrio
6 1 Supporto Sedile
7 1 Copri Pannello Anteriore
8 1 Copri Pannello Superiore
9 1 Copri Pannello Posteriore
10 1 Pannello Destro
11 1 Pannello Sinistro
12 1 Copri Perno
13 1 Consolle
14 1 Imbottitura Destra
15 1 Imbottitura Sinistra
16 1 Cardiofrequenzimetro
17 2 Disco Pedale
18 4 Vite M6 x 20mm
19 1 Pedivella Destra
20 1 Pedivella Sinistra
21 1 Pedale Destro/Cinghia
22 1 Pedale Sinistro/Cinghia
23 1 Sedile
24 1 Carrello Sedile
25 1 Cappuccio Supporto Sedile
26 1 Manopola Sedile
27 1 Manopola Supporto Sedile
28 1 Manicotto Supporto Sedile
29 1 Presa/Cavo
30 1 Staffa Sedile
31 4 Vite M4 x 22mm
32 2 Cappuccio Stabilizzatore Posteriore
33 1 Cappuccio Stabilizzatore Destro
34 1 Cappuccio Stabilizzatore Sinistro
35 6 Vite a Testa Piana M4 x 19mm
36 2 Piedino
37 2 Impugnatura in Gommapiuma
38 1 Puleggia
39 1 Pedivella
40 2 Cuscinetto Pedivella
41 2 Anello di Sicurezza
42 1 Meccanismo a Vortice
43 15 Vite M4 x 16mm
44 6 Vite M4 x 19mm
45 1 Tenditore
46 1 Vite Colorata M4 x 13mm
47 1 Motore Resistenza
48 1 Vite Esagonale M10 x 50mm
49 1 Vite Esagonale M6 x 20mm
50 1 Rondella M6
51 1 Vite Tenditore
52 4 Vite Flangiata M4 x 12mm
53 4 Vite M10 x 95mm
54 1 Cinghia di Trasmissione
55 2 Magnete
56 1 Morsetto
57 1 Commutatore/Cavo
58 1 Cavo Principale
59 1 Cavo di Prolunga
60 2 Fascetta Fermacavi
61 1 Cavo Cardiofrequenzimetro
62 2 Vite M4 x 25mm
63 2 Vite Flangiata M4 x 13mm
64 12 Rondella Grower M8
65 4 Vite M8 x 16mm
66 2 Cappuccio Manubrio
67 1 Alimentatore
68 2 Cappuccio Pedivella
69 2 Controdado M8
70 2 Vite Flangiata 5/16"
71 4 Bullone M8 x 20mm
72 8 Dado Autobloccante M8
73 1 Vite M4 x 12mm
74 4 Rondella Grower M6
75 2 Distanziatore
* – Attrezzo di Montaggio
* – Manuale d'Istruzioni
N° Qtà. Descrizione N° Qtà. Descrizione
ELENCO PEZZI Nº del Modello PFEVEX73913.0 R0713A
Nota: le specifiche sono soggette a modifiche senza previo avviso. Si veda la retrocopertina del presente manu-
ale d’istruzioni per informazioni relative all’ordine di pezzi di ricambio. *Questi pezzi non sono raffigurati.

27
4
6
9
13
14
15
8
18
74
74
18
18
12
23
24
25
26
37
61
72
31
31 31
64
30
5
43
66
37
1
2
3
10
11
17
17
27
19
20
21
22
28
32
32
33
34
38
39
40
40
41
42
45
47
54
55
55
56
57 46
58
59
68
68
70
70
71
71
72
72
69
75
65
65
65
64
64
53
36
36
53
52
51
50 49
48
43
43
43
63
43
43 43
44
44
44
44
44 62
62
64
64
43
65
41
60
7
35
73
35
35
16
66
31
29
60
67
69 75
DISEGNO ESPLOSO Nº del Modello PFEVEX73913.0 R0713A

Nº Pezzo 348263 R0713A Stampato in Cina © 2013 ICON IP, Inc.
Questo prodotto elettronico non deve essere smaltito unitamente ai rifiuti
urbani. Per non nuocere dell’ambiente, questo prodotto deve essere riciclato
al termine del suo utilizzo secondo le modalità previste dalla legge.
Rivolgersi alle opportune strutture locali di riciclaggio autorizzate al ritiro di questo
tipo di rifiuti. In questo modo, si contribuisce alla preservazione delle risorse
naturali e al miglioramento degli standard europei di tutela ambientale. Qualora
si necessiti di ulteriori informazioni sui metodi sicuri e corretti per lo smaltimento,
rivolgersi all’ufficio locale preposto o all’azienda da cui è stato acquistato questo
prodotto.
INFORMAZIONI PER IL RICICLO
Per ordinare i pezzi di ricambio, si veda la copertina del presente manuale. Per poter soddisfare rapidamente la
vostra richiesta, prima di contattarci vi preghiamo di munirvi:
•delnumerodelmodelloedelnumerodiseriedelprodotto(consultarelacopertinadelpresentemanuale)
•delnomedelprodotto(consultarelacopertinadelpresentemanuale)
•delnumeropezzoedelladescrizionedel/deipezzo/idiricambio(consultareilcapitoloELENCOPEZZIe
DISEGNO ESPLOSO alla fine del presente manuale)
ORDINAZIONE DEI PEZZI DI RICAMBIO