Proform Pftl395131 Performance 300 Treadmill Users Manual
2015-04-14
: Proform Proform-Pftl395131-Performance-300-Treadmill-Users-Manual-701666 proform-pftl395131-performance-300-treadmill-users-manual-701666 proform pdf
Open the PDF directly: View PDF
.
Page Count: 28

MANUAL DEL USUARIO
PRECAUCIÓN
Antes de usar el equipo, lea
cuidadosamente todas las adver-
tencias e instrucciones de este
manual. Guarde el manual para
futuras referencias.
Nº de Modelo PFTL39513
Nº de Version 1
Nº de Serie
Escriba el número de serie en el
espacio de arriba para referencia.
Calcomanía
con el Número
de Serie
www.proform.com
¿PREGUNTAS?
Para Servicio Técnico:
Tel. 01-800-681-9542
servicio@iconfitness.com
Tecnoservicio
Tenayuca 55 “A” Mez. 1
Col. Letran Valle
Del. Benito Juarez
México DF C.P. 03650
Importador:
Pro Italy Mark S.A. de C.V.
Insurgentes sur No. 552
Col. Roma sur
México D.F. México C.P. 06760
RFC: PIM8212089C7
Especificaciones eléctricas
120V ~ 60Hz 12A

2
PROFORM es una marca registrada de ICON IP, Inc.
CONTENIDO
PRECAUCIONES IMPORTANTES ..............................................................3
COLOCACIÓN DE LAS CALCOMANÍAS DE ADVERTENCIA. . . . . . . . . . . . . . . . . . . . . . . . . . . . . . . . . . . . . . . . .5
ANTES DE COMENZAR ......................................................................6
TABLA DE IDENTIFICACIÓN DE PIEZAS ........................................................7
MONTAJE .................................................................................8
FUNCIONAMIENTO Y AJUSTES ..............................................................14
CÓMO PLEGAR Y MOVER LA MÁQUINA PARA CORRER. . . . . . . . . . . . . . . . . . . . . . . . . . . . . . . . . . . . . . . . . .20
SOLUCIÓN DE PROBLEMAS ................................................................21
GUÍA DE EJERCICIOS . . . . . . . . . . . . . . . . . . . . . . . . . . . . . . . . . . . . . . . . . . . . . . . . . . . . . . . . . . . . . . . . . . . . . .23
LISTA DE LAS PIEZAS. . . . . . . . . . . . . . . . . . . . . . . . . . . . . . . . . . . . . . . . . . . . . . . . . . . . . . . . . . . . . . . . . . . . . .24
DIBUJO DE LAS PIEZAS ....................................................................25
CÓMO ORDENAR PIEZAS DE REPUESTO ...........................................Contraportada
GARANTÍA LIMITADA . . . . . . . . . . . . . . . . . . . . . . . . . . . . . . . . . . . . . . . . . . . . . . . . . . . . . . . . . . . . . Contraportada

3
1. Es responsabilidad del propietario ase-
gurarse de que todos los usuarios de la
máquina para correr estén adecuada-
mente informados sobre todos los avisos y
precauciones.
2. Antes de comenzar éste o cualquier pro-
grama de ejercicios, consulte a su médico.
Esto es particularmente importante para
individuos mayores de 35 años o individuos
con problemas de salud preexistentes.
3. Use la máquina para correr solamente como
se describe en este manual.
4. La máquina para correr está diseñada única-
mente para uso dentro del hogar. No use esta
máquina para correr en ningún lugar comer-
cial, de alquiler o institucional.
5. Guarde la máquina para correr en un lugar
cerrado, lejos del polvo y la humedad. No
guarde la máquina para correr en el garaje o
en un patio cubierto o cerca de agua.
6. Coloque la máquina para correr en una
superficie plana, con al menos 8 pies (2.4
m) de espacio libre en la parte trasera y 2
pies (0.6 m) de espacio libre en cada lado.
No coloque la máquina para correr sobre
una superficie que pueda bloquear cualquier
entrada de aire. Para proteger el suelo o la
alfombra de algún daño, coloque un tapete
debajo de la máquina para correr.
7. No utilice la máquina para correr en lugares
donde se usen aerosoles o donde se admi-
nistre oxígeno.
8. Mantenga a los niños menores de 12 años y
animales domésticos alejados de la máquina
para correr a todo momento.
9. La máquina para correr sólo deben utili-
zarla personas que pesen 300 lbs (136 kg) o
menos.
10. Nunca permita que más de una persona use
la máquina para correr al mismo tiempo.
11. Vista ropa deportiva apropiada cuando use
la máquina para correr. No use ropa suelta
que pueda engancharse en la máquina
para correr. Se recomienda ropa deportiva
ajustada para hombres y mujeres. Utilice
siempre calzado deportivo. Nunca use la
máquina para correr descalzo, en calcetines
o sandalias.
12. Enchufe el cable eléctrico en un protector
contra sobretensiones, y enchufe dicho
protector contra sobretensiones en un toma-
corriente adecuado (vea la página 14). Para
evitar la sobrecarga del circuito no enchufe
otros dispositivos eléctricos, excepto los
dispositivos de baja potencia, tales como
cargadores de teléfonos móviles, en el
supresor contra sobretensiones ni en un
tomacorriente del mismo circuito.
13. Solo utilice protectores de alteraciones que
cumplan con las especificaciones descritas
en la página 14. Para comprar un protector
contra sobretensiones vea a su distribui-
dor local de PROFORM, llame al número de
teléfono que aparece en la portada de este
manual o visite su tienda electrónica local.
14. Si no usa un protector contra sobretensiones
que funcione correctamente podría provocar
daños en el sistema de control de la máquina
para correr. Si el sistema de control se daña,
la banda para caminar puede reducir su
velocidad, acelerarse o detenerse de manera
inesperada, lo que puede ocasionar caídas y
heridas graves.
15. Mantenga el cable eléctrico y el supresor
contra sobretensiones alejado de las superfi-
cies calientes.
ADVERTENCIA: Para reducir el riesgo de lesiones, quemaduras, incendio o des-
carga eléctrica lea todas las precauciones e instrucciones importantes de este manual y todas las
advertencias que se observan en su máquina para correr, antes de utilizarla. ICON no asume ninguna
responsabilidad por lesiones personales o daños a la propiedad que ocurran por el uso de este pro-
ducto o a través del mismo.
PRECAUCIONES IMPORTANTES

4
16. Nunca mueva la banda para caminar mien-
tras el aparato esté apagado. No ponga a
funcionar su máquina para correr si el cable
eléctrico o el enchufe están dañados o si la
máquina para correr no está funcionando
correctamente. (Vea la sección SOLUCIÓN
DE PROBLEMAS en la página 21 si la
máquina para correr no está funcionando
correctamente.)
17. Lea, entienda, y pruebe el procedimiento
de parada de emergencia antes de usar la
máquina para correr (vea CÓMO ENCENDER
LA CORRIENTE en la página 16).
18. Nunca ponga en funcionamiento la máquina
para correr mientras esté parado en la banda
para caminar. Sujete siempre las barandas
cuando haga ejercicios en la máquina para
correr.
19. La máquina para correr es capaz de alcanzar
altas velocidades. Ajuste la velocidad gra-
dualmente para evitar cambios repentinos de
velocidad.
20. El monitor de ritmo cardíaco no es un dis-
positivo médico. Existen varios factores,
incluido el propio movimiento de la persona
al hacer ejercicios, que pueden afectar la
precisión de las lecturas del ritmo cardíaco.
El monitor de ritmo cardíaco está diseñado
únicamente como ayuda para el ejercicio,
determinando las tendencias del ritmo car-
díaco en general.
21. Nunca deje la máquina para correr des-
atendida mientras esté en funcionamiento.
Siempre retire la llave, coloque el interruptor
en la posición Off (apagado) (vea el dibujo de
la página 6 para la ubicación del interruptor)
y desenchufe el cable eléctrico cuando la
máquina para correr no esté en uso.
22. No intente mover la máquina para correr
hasta que no esté ensamblada correcta-
mente. (Vea MONTAJE en la página 8, y
CÓMO PLEGAR Y MOVER LA MÁQUINA
PARA CORRER en la página 20.) Usted debe
poder levantar cómodamente 45 lbs (20 kg)
para mover la máquina para correr.
23. Cuando pliegue o mueva la máquina para
correr, asegúrese de que el pasador de
almacenamiento esté sosteniendo la arma-
dura con seguridad en la posición de
almacenamiento.
24. No cambie la inclinación de la máquina para
correr colocando objetos debajo de ésta.
25. Nunca deje caer objetos dentro de ninguna
abertura en la máquina para correr.
26. Inspeccione y apriete bien todas las piezas
de la máquina para correr regularmente.
27. PELIGRO: Desconecte siempre el
cable eléctrico después de usar, antes de
limpiar la máquina para correr, y antes de
realizar las operaciones de mantenimiento y
de ajuste descritos en este manual. Nunca
retire la cubierta del motor a menos que
sea bajo la dirección de un representante
de servicio autorizado. Otros servicios,
que no estén incluidos en los procedimien-
tos de este manual, se deben llevar a cabo
solamente por un representante de servicio
autorizado.
28. El ejercitar de más puede causar lesiones
serias o incluso la muerte. Si experimenta
mareos o siente dolor mientras hace ejerci-
cios, deténgase inmediatamente y descanse.
GUARDE ESTAS INSTRUCCIONES

5
COLOCACIÓN DE LAS CALCOMANÍAS DE ADVERTENCIA
Este dibujo muestra las ubicaciones de
las calcomanías de advertencia. Si falta
una calcomanía o ésta es ilegible, vea
la portada de este manual y solicite
una nueva calcomanía de reemplazo
gratuita. Péguela en el lugar indicado.
Nota: Las calcomanías pueden no
mostrarse en su tamaño real.
305284

6
Gracias por seleccionar la máquina para correr
PROFORM® PERFORMANCE 300. La máquina para
correr PERFORMANCE 300 ofrece una variedad
impresionante de funciones diseñadas para hacer sus
entrenamientos en casa más agradables y eficaces.
Para su beneficio, lea el manual cuidadosamente
antes de usar la máquina para correr. Si tiene pre-
guntas después de leer este manual, por favor vea la
portada de este manual. Para ayudarnos a asistirlos,
anote el número de modelo y el número de serie del
producto antes de contactarnos. El número del modelo
y la ubicación del número de serie se muestran en la
portada de éste manual.
Antes de seguir leyendo, por favor estudie el dibujo de
abajo y familiarícese con las piezas y sus nombres.
Largura: 5' 5" (165 cm)
Anchura: 2' 9" (84 cm)
Baranda
Pasador de
Almacenamiento
Consola
Llave/Sujetador
Interruptor Eléctrico
Cable Eléctrico
Cubierta del Motor
Rueda
Rodillo Estable
Tornillos de Ajuste
Charola de Accesorios
Amortiguador de la
Plataforma
Monitor del
Ritmo Cardíaco
Banda para Caminar
Riel para los Pies
ANTES DE COMENZAR

7
Tornillo #10 x 3/4"
(8)–6
Tornillo #8 x 3/4"
(4)–10
Tornillo 3/8" x 3 1/4" (2)–6
Tornillo 5/16" x 3" (7)–2
Arandela Estrella 3/8"
(3)–6
Tornillo 5/16" x 3/4"
(5)–2
Arandela
Estrella #10
(23)–4
Arandela
Estrella 5/16"
(6)–4
#8 x 1/2" Ground
Screw (1)—1
Tornillo de Tierra
#8 x 1/2" (1)–1
TABLA DE IDENTIFICACIÓN DE PIEZAS
Consulte los dibujos que aparecen abajo para identificar las piezas pequeñas en el montaje. El número entre
paréntesis que hay cerca de cada dibujo es el número de la pieza en la LISTA DE LAS PIEZAS hacia el final de
este manual. El número que aparece después del paréntesis es la cantidad necesaria para el montaje. Nota: Si
no encuentra alguna de las piezas en la bolsa de piezas, compruebe si ha sido previamente conectada.
Pueden incluirse piezas adicionales.

8
2. Asegúrese de que el cable eléctrico esté
desenchufado.
Retire y deseche los dos tornillos (A) y el soporte
para transporte (B) del lado derecho de la Base
(74). Luego retire y deseche los tornillos y el
soporte para transporte (no se muestra) del
lado izquierdo de la Base.
A continuación, retire la atadura asegurando el
Cable del Montante Vertical (63).
Presione una Tapa de la Base (70) en frente de
cada lado de la Base (74).
1
2
B
A
74
Para contratar un técnico autorizado para ensam-
blar la máquina para correr llame al teléfono
gratuito 01-800-681-9542.
• El montaje requiere dos personas.
• Coloque todas las piezas en un área despejada y
retire el material de empaque. No se deshaga de
los materiales de empaque hasta que el montaje
esté terminado.
• Tras el envío, podría haber una sustancia acei-
tosa en el exterior de la máquina para correr. Se
trata de algo normal. Si observa una sustancia
aceitosa en la máquina para correr, límpiela con
un paño suave y un limpiador leve no abrasivo.
• Las partes del lado izquierdo están marcadas
con “L” o “Left” y las partes del lado derecho
están marcadas con “R” o “Right.”
• Para identicar las piezas pequeñas, vea la
página 7.
• El montaje requerirá las siguientes herramientas:
llaves hexagonales incluidas
un destornillador estrella
Para evitar dañar las piezas, no utilice herramien-
tas eléctricas.
Atadura
63
70
MONTAJE
1. Visite la web www.workoutwarehouse.com/
registration en su computadora y registre su
producto.
• activa su garantía
• le ahorra tiempo si alguna vez necesita contac-
tar al Tecnoservicio
• nos permite avisarle si hay nuevas actualiza-
ciones y ofertas
Nota: Si no dispone de acceso a Internet, llame
al Tecnoservicio (vea la portada de este manual)
para registrar su producto.

9
3. Identique el Montante Vertical Derecho (76).
Pídale a otra persona que sostenga el Montante
Vertical Derecho cerca de la Base (74).
Vea el diagrama incluido. Amarre con seguri-
dad la atadura de cables en el Montante Vertical
Derecho (76) alrededor del extremo del Cable
del Montante Vertical (63). Luego inserte el
Cable del Montante Vertical en el extremo infe-
rior del Montante Vertical Derecho mientras tira
del otro extremo de la atadura de cables, sacán-
dolo por el tope del Montante Vertical Derecho.
4. Oriente el Montante Vertical Derecho (76) cerca
de la Base (74) como se muestra. Conecte el
cable de tierra a la Base con un Tornillo de Tierra
#8 x 1/2" (1).
Presione el Ojal Reforzado del Montant Vertical
(73) en el orificio cuadrado del Montante Vertical
Derecho (76).
74
74
76
76
63
1
76
Cable
Atadura
Atadura
de
Cables
3
4
63
73
Orificio
Cuadrado
Cable
de
Tierra

10
6. Identifique la Baranda Derecha (64). Pídale a
otra persona que sostenga la Baranda Derecha
cerca del Montante Vertical Derecho (76).
Pase el Cable del Montante Vertical (63) por
la parte inferior de la Baranda Derecha (64) y
sáquelo por el orificio de la Baranda Derecha.
Tenga cuidado de no pellizcar el Cable del
Montante Vertical (63). Inserte y apriete par-
cialmente un Tornillo 5/16" x 3/4" (5) con una
Arandela Estrella 5/16" (6) dentro del Montante
Vertical Derecho (76) y la Baranda Derecha (64).
Luego, apriete parcialmente un Tornillo 5/16" x
3" (7) con una Arandela Estrella 5/16" (6) dentro
de la Baranda Derecha y el Montante Vertical
Derecho. Todavía no ajuste completamente
los Tornillos.
Conecte la Baranda Izquierda (que no se
muestra) de la misma manera. Nota: No hay
cables en el lado izquierdo.
76
63
5
64
6
6
7
6
5. Sostenga el Montante Vertical Derecho (76) apo-
yado contra la Base (74). Tenga cuidado de no
pellizcar el Cable del Montante Vertical (63).
Inserte un Tornillo 3/8" x 3 1/4" (2) con una
Arandela Estrella 3/8" (3) dentro del oricio
superior del Montante Vertical Derecho (76).
Luego, apriete parcialmente el Tornillo en la
Base (74).
Apriete parcialmente otros dos Tornillos 3/8” x
3 1/4" (2) con dos Arandelas Estrella 3/8" (3)
dentro del Montante Vertical Derecho (76) y la
Base (74); todavía no apriete completamente
los Tornillos.
Conecte el Montante Vertical Izquierdo (que
no se muestra) de la misma manera. Nota: No
hay cables en el lado izquierdo.
3
76
32
74
63
5

11
8. Retire los cuatro tornillos (C) de las Barandas
Izquierda y Derecha (59, 64). Deshágase de los
tornillos.
8
C
C
64
59
7
7. Coloque el montaje de la consola mirando hacia
abajo sobre una superficie suave para evitar que
se raye.
Retire los dos tornillos (B) de la Barra Cruzada
de la Consola (61). Luego, retire la Barra
Cruzada de la Consola. Deseche los tornillos.
Montaje de
la Consola
B
61
B

12
10. Con la ayuda de otra persona, sostenga el mon-
taje de la consola cerca de la Baranda Derecha
(64).
Conecte el Cable del Montante Vertical (63) al
cable de la consola. Vea el diagrama incluido.
Los conectores deben deslizarse juntos
fácilmente y encajar en su lugar. Si no lo
hacen, gire un conector y vuelva a intentarlo. SI
NO ENCHUFA LOS CONECTORES ADECUA-
DAMENTE, LA CONSOLA PUEDE DAÑARSE
CUANDO ENCIENDA LA CORRIENTE.
Luego, retire la atadura de cables del Cable del
Montante Vertical.
Conecte el cable de tierra de la consola al cable
de tierra de la Barra Cruzada de la Consola (61). 64
10
63
61
Cables de
Tierra
Montaje de
la Consola
Cable
de la
Consola
63
Atadura
de
Cables
9
61
7
5
5
8
8
23
76
66
9. Conecte la Barra Cruzada de la Consola (61) a
los Montantes Verticales Izquierdo y Derecho
(66, 76) con cuatro Tornillos #10 x 3/4" (8) y
cuatro Arandelas Estrella #10 (23). Apriete par-
cialmente los cuatro Tornillos y luego apriete
completamente cada uno de ellos.
Apriete rmemente los dos Tornillos 5/16" x 3/4"
(5) y los dos Tornillos 5/16" x 3" (7).
23
7
Cable
de la
Consola

13
13. Asegúrese que todas las piezas estén apropiadamente apretadas antes de utilizar la máquina para
correr. Si quedan láminas de plástico sobre las calcomanías de la máquina para correr, retire el plástico.
Para proteger el piso o alfombra, coloque un tapete debajo de la máquina para correr. Nota: Puede que se
incluyan piezas pequeñas adicionales. Mantenga las llaves hexagonales incluidas en un lugar seguro. Una de
las llaves hexagonales grande se usa para ajustar la banda para caminar (vea la página 22).
12
12. Conecte el Alojamiento del Pasador (67) al
Montante Vertical Izquierdo (66) con dos
Tornillos #10 x 3/4" (8); apriete parcialmente
ambos Tornillos y luego apriételos completa-
mente. Oriente el Alojamiento del Pasador de
manera que el orificio grande está en el lado
indicado.
Localice el Montaje del Pasador (68). Retire la
perilla del pasador. Asegúrese de que el collar
y el resorte estén sobre el pasador. (Nota: Si
hay dos collares, coloque uno en cada lado
del resorte.) Luego, inserte el pasador en el
Alojamiento del Pasador (67). Luego, ajuste la
perilla al pasador.
67
8
66
Perilla Resorte
Orificio Grande Pasador
Collar
11
11. Inserte los cables dentro de la Baranda Derecha
(64) por el orificio indicado, mientras coloca
el montaje de la consola en los Montantes
Verticales (66, 76). Asegúrese de que no que-
den cables pellizcados.
Conecte el montaje de la consola con diez
Tornillos #8 x 3/4" (4). Apriete parcialmente los
diez Tornillos y luego apriételos completa-
mente. No apriete demasiado los Tornillos.
Vea el paso 5. Ajuste con rmeza los seis
Tornillos 3/8" x 3 1/4" (2).
4
4
4
4
4
64
Cables Cables
76
Orificio
66
Montaje de la Consola
68

14
FUNCIONAMIENTO Y AJUSTES
CÓMO CONECTAR EL CABLE ELÉCTRICO
Utilice un Protector Contra Sobretensiones
La máquina para correr, como cualquier otro equipo
electrónico, puede dañarse por cambios repentinos de
tensión en el hogar. Pueden ocurrir sobretensiones,
picos de tensión e interferencias de ruido al encender
o apagar otros equipos eléctricos. Para reducir el
riesgo de daños a la máquina para correr, utilícela
siempre con un protector contra sobretensiones.
Para comprar un protector contra sobretensiones,
vea el paso 13 en la página 3.
Use solamente un protector contra sobretensiones tipo
UL 1449 como protector de sobretensiones transito-
rio (TVSS). El protector contra sobretensiones debe
presentar supresión UL de tensión de 400 voltios o
menos y una disipación de sobretensión mínima de
450 joules. El protector contra sobretensiones debe
ser para 120 voltios CA y 15 amperes. El protector
contra sobretensiones debe tener una luz de control
que indique si está funcionando adecuadamente. Si
no usa un protector contra sobretensiones que
funcione correctamente podría provocar daños en
el sistema de control de la máquina para correr y
lesiones graves a los usuarios.
Enchufe el Cable Eléctrico
La máquina para correr debe estar conectada a
tierra. En caso de funcionamiento defectuoso o avería,
la conexión a tierra proporciona una ruta con el menor
grado de resistencia para la corriente eléctrica, redu-
ciendo así el riesgo de electrocución. El enchufe del
cable eléctrico de la máquina para correr tiene una
clavija de conexión a tierra (ver el dibujo 1 de esta
página).
Conecte el cable eléctrico a un protector contra sobre-
tensiones y conecte dicho protector a un tomacorriente
que esté adecuadamente instalado y conectado a tie-
rra de acuerdo con los códigos y ordenanzas locales.
El tomacorriente debe estar en un circuito nominal
de 120 voltios capaz de conducir 15 amperes o
más. Para evitar la sobrecarga del circuito no
enchufe otros dispositivos eléctricos, excepto los
dispositivos de baja potencia, tales como carga-
dores de teléfonos móviles, en el protector contra
sobretensiones ni en un tomacorriente del mismo
circuito. IMPORTANTE: La máquina para correr no
es compatible con las tomas equipadas con GFCI y
podría no ser compatible con las tomas equipadas
con AFCI.
Si no hay un
tomacorriente
adecuadamente
conectado a
tierra dis-
ponible, se
puede utilizar
un adapta-
dor temporal
para conectar
el protector
contra sobre-
tensiones a un receptáculo bipolar.
El enchufe o el cable que se extiende desde el adap-
tador debe conectarse con un tornillo de metal a una
tierra permanente, como por ejemplo una cubierta de
caja de tomacorriente adecuadamente conectada a
tierra. Algunas cubiertas de receptáculos eléctricos
bipolares no vienen conectadas a tierra. Antes de
usar un adaptador, contacte con un electricista
calificado para determinar si la cubierta de la caja
eléctrica se encuentra conectada a tierra. El adap-
tador temporal se deberá usar solamente hasta
que un tomacorriente adecuadamente conectado
a tierra haya sido instalado por un electricista
calificado.
PELIGRO: La conexión inadec-
uada del cable eléctrico aumenta el riesgo
de electrocución. No modifique el enchufe
(si es que no encaja en el tomacorriente,
haga instalar un nuevo tomacorriente por
un electricista calificado). Si no está seguro
de si la máquina para correr está adecuada-
mente conectada a tierra, contacte con un
electricista calificado.
1
Protector Contra
Sobretensiones
Clavija de
Conexión a Tierra
Tomacorriente
Conectado a Tierra
2
Adaptador
Receptáculo Bipolar
Orejeta
Clavija de Conexión a Tierra
Tornillo de
Metal

15
CARACTERÍSTICAS DE LA CONSOLA
La consola de la máquina para correr cuenta con un
grupo de funciones impresionantes, diseñadas para
un entrenamiento más efectivo y agradable. Cuando
seleccione la función manual de la consola, podrá
cambiar la velocidad y la inclinación de la máquina
para correr al sólo tocar un botón. A medida que
ejercita, la consola mostrará información continua del
ejercicio. Usted también puede medir su ritmo cardíaco
usando el monitor del ritmo cardíaco del mango.
También la consola ofrece un grupo de entrenamientos
preajustados, los cuales son diseñados para ayudarle
a quemar calorías y mejorar su sistema cardiovascular.
Cada entrenamiento controla la velocidad y la inclina-
ción de la máquina para correr a medida que le guía a
través de una efectiva sesión de ejercicios.
Usted puede incluso escuchar su música favorita de
entrenamiento o audiolibros con el sistema de sonido
de la consola, mientras realiza los ejercicios.
Para encender la corriente, vea la página 16. Para
usar la función manual, vea la página 16. Para utili-
zar un entrenamiento preajustado, vea la página 18.
Para usar la función de información, vea la página
19. Para usar el sistema de sonido, vea la página
19.
IMPORTANTE: Si hay una lámina de plástico en
la parte delantera de la consola, retire el plástico.
Para evitar que se produzcan daños en la plata-
forma para caminar, póngase calzado deportivo
limpio al usar la máquina para correr. La primera
vez que use la máquina para correr, observe la
alineación de la banda para caminar y céntrela si
es necesario (vea la página 22).
Nota: La consola puede mostrar la velocidad y la
distancia en millas o kilómetros. Para ver cuál unidad
de medida está seleccionada, vea LA FUNCIÓN DE
INFORMACIÓN en la página 19. Para simplicar,
todas las instrucciones en esta sección se reeren a
kilómetros.
ETPF39513
(PFTL39513)
DIAGRAMA DE LA CONSOLA

16
CÓMO ENCENDER LA CORRIENTE
IMPORTANTE: Si la máquina para correr ha sido
expuesta a bajas temperaturas, deje que alcance la
temperatura ambiente antes de encenderla. De lo
contrario las pantallas de la consola u otros com-
ponentes eléctricos pueden resultar dañados.
Enchufe el cable eléc-
trico (vea la página 14). A
continuación, localice el
interruptor en la máquina
para correr, cerca del cable
eléctrico. Asegúrese de que
el interruptor esté en la posi-
ción Reset (reiniciar).
IMPORTANTE: La consola presenta una fun-
ción de demostración en pantalla diseñada para
ser usada si la máquina para correr está siendo
exhibida en algún establecimiento comercial. Si
los monitores se iluminan cuando usted enchufa
el cable eléctrico y coloque el interruptor en la
posición reiniciar, se activa la función de demos-
tración. Para apagar la función de demostración,
mantenga pulsado el botón Stop (parar) durante
algunos segundos. Si los monitores permanecen
encendidos, vea LA FUNCIÓN DE INFORMACIÓN
en la página 19 para desactivar la función de
demostración.
Luego párese en los
rieles para los pies
de la máquina para
correr. Encuentre el
gancho conectado a
la llave (vea el dia-
grama a la derecha)
y deslícela sobre la
cintura de su ropa.
Luego, inserte la
llave en la consola.
Tras unos instantes, las pantallas se encenderán.
IMPORTANTE: En caso de emergencia, es posible
sacar la llave de la consola, lo que provoca que la
banda para caminar disminuya la velocidad hasta
detenerse. Pruebe el gancho cuidadosamente
dando unos pasos hacia atrás; si la llave no sale
de la consola, ajuste la posición del gancho.
CÓMO USAR LA FUNCIÓN MANUAL
1. Inserte la llave en la consola.
Vea CÓMO ENCENDER LA CORRIENTE, a la
izquierda.
2. Seleccione la función manual.
Cada vez que inserte la
llave, se selecciona la
función manual. Si ha
seleccionado un entre-
namiento, retire la llave
de la consola y vuelva
a insertarla. Solo deben aparecer ceros en las
pantallas.
3. Inicie la banda para caminar.
Para que la banda para caminar comience a
moverse, pulse el botón de Start (comenzar), el
botón de aumento de Speed (velocidad), o uno de
los botones numerados de Quick Speed (velocidad
rápida).
Si pulsa el botón Start o el botón para aumen-
tar Speed, la banda para caminar comenzará a
moverse a 1 mph. A medida que realiza el ejerci-
cio, cambie la velocidad de la banda para caminar,
según lo desee, pulsando los botones para aumen-
tar o disminuir la velocidad. Cada vez que pulse
uno de los botones, el nivel de velocidad cambiará
en 0,1 mph; si mantiene pulsado el botón, el nivel
de velocidad cambiará en incrementos de 0,5 mph.
Si pulsa uno de los botones numerados Quick
Speed, la banda para caminar cambiará gradual-
mente su velocidad hasta alcanzar la conguración
de velocidad seleccionada.
Para detener la banda para caminar, pulse el
botón Stop (parar). La hora comenzará a destellar
intermitentemente en la pantalla. Para volver a
poner en movimiento la banda para caminar, pulse
el botón de Start, el botón de aumento de Speed, o
uno de los botones numerados de Quick Speed.
Reiniciar
ETPF39513
(PFTL39513)
Soporte
Llave

17
4. Cambie la inclinación de la máquina para correr
como lo desee.
Para cambiar la inclinación de la máquina para
correr, presione los botones de aumento o dis-
minución de Incline (inclinación) o uno de los
botones numerados de Quick Incline (inclinación
rápida). Cada vez que pulse uno de los botones
de aumento o disminución de la inclinación, ésta
cambiará en un 0,5%. Si pulsa uno de los botones
enumerados de Quick Incline, la inclinación gra-
dualmente cambiará hasta que alcance el ajuste
de la inclinación seleccionada.
5. Siga su progreso en las pantallas.
Cuando seleccione
la función manual, se
mostrará una pista que
representa 1/4 de milla
(400 m) en la matriz.
Al caminar o correr,
unos indicadores aparecerán sucesivamente
alrededor de la pista hasta que aparezca la pista
entera. A continuación, la pista desaparecerá y los
indicadores comenzarán nuevamente a aparecer
sucesivamente.
La pantalla inferior
izquierda puede
mostrar el tiempo trans-
currido y la distancia
que ha caminado o
corrido durante su
entrenamiento. Cada vez que cambie la inclina-
ción, la pantalla mostrará la inclinación durante
unos segundos. Nota: Cuando se selecciona un
entrenamiento, la pantalla mostrará el tiempo
restante del entrenamiento en lugar del tiempo
transcurrido.
La pantalla inferior
derecha puede mos-
trar la velocidad de la
banda para caminar y
el número aproximado
de calorías quemadas
durante su entrenamiento. La pantalla también
mostrará su ritmo cardíaco cuando usted use el
sensor de pulso del mango (vea el paso 6).
La pantalla superior
puede mostrar el
tiempo transcurrido,
la distancia caminada
o corrida, el número
aproximado de calo-
rías quemadas o la velocidad de la banda para
caminar. Pulse el botón Priority Display (pantalla
prioritaria) repetidamente hasta que la pantalla
superior muestre la información que usted tiene
más interés en ver. Nota: La información aparecerá
solamente en la parte superior de la pantalla, pero
no en la parte inferior izquierda o derecha de la
misma.
Para reajustar las pantallas, pulse el botón Stop
(parar), saque la llave y vuelva a insertarla.
6. Si lo desea, mida su ritmo cardíaco.
Antes de usar el
monitor de ritmo
cardíaco del
mango, saque
las láminas de
plástico transpa-
rente de los con-
tactos metálicos,
si es necesario.
Además, asegúrese
de que sus manos estén limpias.
Para medir su ritmo cardíaco, párese sobre los
rieles para los pies y coloque sus manos en los
contactos metálicos. Evite mover las manos.
Cuando se detecta su pulso, se mostrará su ritmo
cardíaco. Para lograr una lectura de su ritmo
cardíaco lo más precisa posible, continúe suje-
tando los contactos durante unos 15 segundos.
7. Si lo desea, puede encender el ventilador.
El ventilador tiene dos veloci-
dades. Pulse repetidamente el
botón del ventilador para se-
leccionar la velocidad alta o la
velocidad baja o para apagar el
ventilador.
8. Cuando usted termine de hacer ejercicios,
retire la llave de la consola.
Párese en los rieles para los pies, pulse el botón
Stop y ajuste la inclinación de la máquina para
correr a cero. La inclinación debe estar en la
posición más baja cuando la máquina para
correr se pliega en su posición para guardarla,
de lo contrario se puede dañar la corriente.
A continuación, extraiga la llave de la consola y
guarde la llave en un lugar seguro.
Cuando termine de utilizar la máquina para correr,
coloque el interruptor en posición Off (apagado) y
desenchufe el cable eléctrico. IMPORTANTE: Si
no lo hace, los componentes eléctricos de la
máquina pueden desgastarse antes de tiempo.
Contactos
ETPF39513
(PFTL39513)

18
CÓMO UTILIZAR UN ENTRENAMIENTO
PREAJUSTADO
1. Inserte la llave en la consola.
Vea CÓMO ENCENDER LA CORRIENTE en la
página 16.
2. Seleccione un entrenamiento preajustado.
Para seleccionar un entrenamiento preajustado,
pulse repetidamente el botón 16 Workouts (16
entrenamientos) hasta que se muestre el entrena-
miento deseado en la pantalla.
Cuando selecciona
un entrenamiento, la
velocidad e inclinación
máxima destellarán en
las pantalla durante al-
gunos segundos, luego
la pantalla mostrará cuánto durará el entrena-
miento. Un perl de la velocidad del entrenamiento
se desplazará por la matriz.
3. Inicie la banda para caminar.
Para comenzar el entrenamiento, pulse el botón
Start (comenzar) o el botón para aumentar Speed
(velocidad). Un momento después de pulsar el
botón, la máquina para correr automáticamente
se ajustará a los primeros valores de velocidad e
inclinación del entrenamiento. Sosténgase de las
barandas y comience a caminar.
Cada entrenamiento está dividido en 30 segmen-
tos de un minuto. Cada segmento viene progra-
mado con una velocidad y una inclinación. Nota:
Para segmentos consecutivos se podrá programar
la misma velocidad e inclinación.
Durante el entrena-
miento, el perl mos-
trará su progreso. El
segmento del perl que
se ilumina intermiten-
temente corresponde
al segmento actual del
entrenamiento. La al-
tura del segmento intermitente indica la velocidad
para dicho segmento. Al nal de cada segmento
se escuchará una serie de tonos y el próximo
segmento del perl comenzará a iluminarse inter-
mitentemente. Si se ha programado una velocidad
o inclinación diferente para el próximo segmento,
la velocidad o la inclinación se iluminarán intermi-
tentemente en la pantalla para alertarle. A conti-
nuación, la máquina para correr se ajustará auto-
máticamente con la velocidad e/o inclinación del
siguiente segmento.
El entrenamiento continuará de esta manera hasta
que el último segmento del perl se ilumine inter-
mitentemente en la pantalla y el último segmento
nalice. La banda para caminar comenzará a dete-
nerse poco a poco.
Si el ajuste de velocidad o inclinación para el seg-
mento actual es demasiado alto o demasiado bajo,
usted podrá modicar manualmente el ajuste por
medio de los botones Speed e Incline (inclinación);
sin embargo, cuando el segmento actual del
entrenamiento nalice, la máquina para correr
volverá automáticamente a los ajustes de velo-
cidad e inclinación para el próximo segmento.
Para parar el entrenamiento en cualquier mo-
mento, oprima el botón Stop (parar). Para comen-
zar nuevamente el entrenamiento pulse el botón
Start o el botón para aumentar Speed. La banda
para caminar comenzará a moverse a 1 mph.
Cuando comience el próximo segmento de entre-
namiento, la máquina para correr se ajustará auto-
máticamente al ajuste de velocidad e inclinación de
dicho segmento.
4. Siga su progreso con las pantallas.
Vea el paso 5 en la página 17.
5. Si lo desea, mida su ritmo cardíaco.
Vea el paso 6 en la página 17.
6. Si lo desea, puede encender el ventilador.
Vea el paso 7 en la página 17.
7. Cuando usted termine de hacer ejercicios,
retire la llave de la consola.
Vea el paso 8 en la página 17.
Segmento Actual

19
LA FUNCIÓN DE INFORMACIÓN
La consola presenta una función de información que
le permite hacer un seguimiento de la información de
uso de la máquina para correr y seleccionar la unidad
de medida para la consola. También puede activar y
desactivar la función de demostración en pantalla.
Para seleccionar la función de información, mantenga
pulsado el botón Stop (parar) mientras introduce
la llave en la consola. Luego suelte el botón Stop.
Cuando se selecciona la función de información, se
mostrará la siguiente información:
La pantalla superior mos-
trará el número total de
horas que la máquina para
correr ha estado en uso.
La pantalla inferior izquierda muestra el número total
de kilómetros (o millas) que la banda para caminar ha
recorrido.
Una “E” para millas inglesas o una “M” para kilómetros
métricos, aparecerá en la pantalla inferior derecha.
Pulse el botón aumentar Speed (velocidad) para cam-
biar el sistema de medidas si lo desea.
La consola presenta una función de demostración en
pantalla diseñada para ser usada si la máquina para
correr está siendo exhibida en algún establecimiento
comercial. Mientras la función de demostración esté
activada, la consola funcionará normalmente cuando
se enchufe el cable eléctrico, coloque el interruptor en
la posición de reiniciar e inserte la llave en la consola.
Sin embargo, al extraer la llave, las pantallas perma-
necerán encendidas aunque los botones no funcionen.
Si la modalidad de demostración está activada, una
“d” aparecerá en la pantalla inferior derecha mientras
la modalidad de información esté seleccionada. Para
activar o desactivar la función de demostración, pulse
el botón para disminuir la velocidad.
Para salir de la función de información, extraiga la
llave de la consola.
CÓMO USAR EL SISTEMA DE SONIDO
Para reproducir música o audiolibros a través del
sistema de sonido de la consola, mientras realiza
los ejercicios, conecte un cable de audio con ambos
extremos machos de 3,5 mm (no incluido) en la toma
de la consola y en una toma de su reproductor MP3,
reproductor de CD u otro reproductor personal de
audio; asegúrese de que el cable de audio esté bien
conectado. Nota: Para comprar un cable de audio
visite la tienda de electrónica de su localidad.
A continuación, pulse el botón de reproducir en su
reproductor personal de audio. Para ajustar el nivel de
volumen, use el control de volumen en su reproductor
personal de audio.
Si está usando un lector personal de CD y el CD se
salta, ponga el lector de CD en el piso u otra supercie
plana en lugar de en la consola.

20
CÓMO PLEGAR LA MÁQUINA PARA CORRER
Antes de plegar la máquina para correr, ajuste la
inclinación a cero. Si no se lleva a cabo este paso,
la maquina para correr puede experimentar daños
al ser plegada. Extraiga la llave y desenchufe el
cable eléctrico. PRECAUCIÓN: Usted debe poder
levantar cómodamente 45 lbs (20 kg) para elevar,
bajar, o mover la máquina para correr.
1. Sostenga la armadura de metal rmemente en
el sitio que se muestra con la echa hacia abajo.
PRECAUCIÓN: No sujete la armadura por los
rieles plásticos para los pies. Doble las rodillas
y mantenga la espalda derecha.
2. Sujete la armadura rmemente con su mano dere-
cha. Tire de la perilla del seguro hacia la izquierda
y sosténgala. Levante la armadura hasta que la
plataforma para caminar sobrepase el pasador.
Luego, libere lentamente la perilla del pasador;
asegúrese de que el perno del pasador quede
seguramente contrapelo de la plataforma para
caminar.
Para proteger el piso o alfombra, coloque un
tapete debajo de la máquina para correr. Guarde
su máquina para correr lejos de la luz directa del
sol. No deje su máquina para correr en la posición
de almacenamiento a temperaturas de más de
85° F (30° C).
CÓMO MOVER LA MÁQUINA PARA CORRER
Antes de mover la máquina para correr, pliéguela
como se describe a la izquierda. PRECAUCIÓN:
Asegúrese de que el perno del pasador quede
seguramente reposando contra la plataforma para
caminar. Para mover la máquina para correr puede
que se necesiten dos personas.
1. Sujete la armadura y una de las barandas y colo-
que un pie contra una de las ruedas.
2. Tire de la baranda hacia atrás hasta que la
máquina para correr se deslice sobre las ruedas
y muévala con cuidado a la ubicación deseada.
PRECAUCIÓN: No mueva la máquina para
correr sin inclinarla hacia atrás, no tire de la
armadura y no mueva la máquina para correr
sobre una supercie irregular.
3. Coloque un pie contra una de las ruedas y baje la
máquina para correr con cuidado.
CÓMO BAJAR LA MÁQUINA PARA CORRER PARA
EL USO
1. Vea el dibujo 2. Sostenga el extremo superior de
la máquina para correr con su mano derecha como
se muestra. Tire de la perilla del seguro hacia la
izquierda y sosténgala. Luego, baje la armadura
hasta sobrepasar el perno el pasador. Asegúrese
de que el perno no golpee contra la plataforma para
caminar. A continuación, suelte la perilla del pasador.
2. Vea el dibujo 1 a la izquierda. Sostenga la arma-
dura de metal rmemente con las dos manos y
bájela hacia el piso. PRECAUCIÓN: No sujete la
armadura por los rieles plásticos para los pies
y no la deje caer. Doble las rodillas y mantenga
derecha la espalda.
Armadura
1
1
Baranda
Armadura
Rueda
2
Perilla del
Pasador Insertado
Pasador
Plataforma para
Caminar
CÓMO PLEGAR Y MOVER LA MÁQUINA PARA CORRER

21
La mayoría de los problemas con su máquina para
correr se pueden solucionar siguiendo estos pasos
de abajo. Busque el síntoma correspondiente y
siga los pasos que se listan. Si necesita asistencia
adicional, véase la portada de este manual.
PROBLEMA: La máquina no se enciende
a. Asegúrese de que el cable eléctrico esté enchufado
en el protector contra sobretensiones, y que a su
vez el protector contra sobretensiones esté enchu-
fado en un tomacorriente con conexión adecuada a
tierra (ver página 14). Utilice solamente un protector
contra sobretensiones de salida única que cum-
pla con todas las especicaciones descritas en la
página 14. IMPORTANTE: La máquina para correr
no es compatible con tomacorrientes eléctricos
equipados con RCD.
b. Después de enchufar el cable eléctrico, asegúrese
de que la llave está introducida en la consola.
c. Verique el interruptor en la máquina para correr,
cerca del cable eléctrico. Si el interruptor está hacia
fuera como se indica, el interruptor ha saltado. Para
reactivar el interruptor, espere unos cinco minutos y
luego pulse el interruptor hacia adentro.
SÍNTOMA: La máquina se apaga mientras está en
uso
a. Verique el interruptor (vea el diagrama de arriba).
Si el interruptor saltó, espere cinco minutos y a
continuación pulse el interruptor nuevamente.
b. Asegúrese de que el cable eléctrico esté conec-
tado. Si el cable eléctrico está enchufado,
desconéctelo, espere cinco minutos y vuelva a
conectarlo.
c. Extraiga la llave de la consola y luego vuelva a
insertarla.
d. Si la máquina para correr todavía no funciona, vea
la portada de este manual.
SÍNTOMA: Las pantallas de la consola permanecen
encendidas cuando retira la llave de la consola
a. La consola presenta una función de demostración
de pantalla diseñada para ser usada si la máquina
para correr está siendo exhibida en algún estable-
cimiento comercial. Si las pantallas permanecen
encendidas cuando usted retira la llave, la función
de demostración está activada. Para apagar la
función de demostración, mantenga pulsado el
botón Stop (parar) durante algunos segundos. Si
las pantallas todavía permanecen encendidas, vea
LA FUNCIÓN DE INFORMACIÓN en la página 19
para apagar la función de demostración.
SÍNTOMA: La inclinación de la máquina para correr
no cambia correctamente
a. Pulse el botón Stop y el botón para aumentar
Speed (velocidad), inserte la llave en la consola, y
luego suelte ambos botones. Seguidamente pulse
el botón Stop y luego el botón para aumentar o
disminuir Incline (la inclinación). La máquina para
correr automáticamente subirá al nivel de inclina-
ción máximo y luego regresará al nivel mínimo.
Esto calibrará el sistema de inclinación. Si la incli-
nación no se calibra, pulse el botón Stop y luego
vuelva a pulsar el botón para aumentar o disminuir
Incline. Cuando se calibre el sistema de inclina-
ción, retire la llave de la consola.
Reajustado
Saltado
c
SOLUCIÓN DE PROBLEMAS

22
SÍNTOMA: La banda para caminar disminuye de
velocidad cuando se camina sobre ella
a. Use solamente un protector contra sobretensiones
que cumpla con todas las especicaciones descri-
tas en la página 14.
b. Si la banda para caminar se aprieta demasiado, el
buen funcionamiento de su máquina para correr
puede disminuir y la banda para caminar puede
quedar dañada. Extraiga la llave y DESCONECTE
EL CABLE ELÉCTRICO. Usando la llave hexa-
gonal, gire los dos tornillos de ajuste del rodillo
estable en sentido contrario a las agujas del reloj,
dando 1/4 de vuelta. Cuando la banda para cami-
nar esté tensionada correctamente, deberá poder
levantar cada lado de ésta entre 2 y 3 pulgadas (5
y 7 cm) de la plataforma para caminar. Mantenga
siempre la banda para caminar centrada. Luego,
enchufe el cable eléctrico, inserte la llave y ponga
en funcionamiento la máquina para correr durante
algunos minutos. Repita esta operación hasta
que la banda para caminar esté debidamente
tensionada.
c. Su máquina para correr presenta una banda para
caminar cubierta con lubricante de alto rendi-
miento. IMPORTANTE: Nunca aplique aerosol
de silicona ni otras sustancias a la banda
para caminar ni a la plataforma para caminar
a menos que un representante de servicio
autorizado se lo indique. Esto puede deterio-
rar la banda para caminar y causar desgaste
excesivo. Si sospecha que la banda para caminar
necesita más lubricante, consulte la portada de
este manual.
d. Si la banda para caminar continúa perdiendo velo-
cidad cuando se camina sobre ella, por favor vea
la portada de este manual.
SÍNTOMA: La banda está descentrada o resbala
cuando se camina sobre ella
a. Si la banda para caminar no está centrada, pri-
mero retire la llave, y DESENCHUFE EL CABLE
ELÉCTRICO. Si la banda para caminar se ha
movido a la izquierda, use la llave hexagonal
para girar el tornillo izquierdo del rodillo estable 1/2
vuelta en sentido horario. Si la banda para cami-
nar se ha movido a la derecha, gire el tornillo del
rodillo estable izquierdo en sentido antihorario 1/2
vuelta. Tenga cuidado de no ajustar demasiado la
banda para caminar. Luego enchufe el cable eléc-
trico, inserte la llave y ponga en funcionamiento
la máquina para correr durante algunos minutos.
Repita esta operación hasta que la banda para
caminar esté centrada.
b. Si la banda para caminar resbala cuando se
esté caminando en ella, primero retire la llave y
DESENCHUFE EL CABLE ELÉCTRICO. Usando
la llave hexagonal, gire 1/4 de vuelta ambos torni-
llos del rodillo estable en sentido horario. Cuando
la banda para caminar esté apretada correcta-
mente, usted debe poder levantar cada lado de la
banda para caminar de 2 a 3 pulgadas (5 a 7 cm)
de la plataforma para caminar. Mantenga siempre
la banda para caminar centrada. A continuación,
enchufe el cable eléctrico, inserte la llave y camine
con cuidado sobre la máquina para correr durante
algunos minutos. Repita esta operación hasta
que la banda para caminar esté debidamente
tensionada.
2"–3"
(5 y 7 cm)
b
Tornillos del Rodillo Estable
a
b

23
Estas indicaciones le ayudarán a planificar su pro-
grama de ejercicios. Para información detallada sobre
los ejercicios consiga un libro acreditado o consulte
con su médico. Recuerde que una nutrición y un
descanso adecuados son esenciales para obtener
resultados satisfactorios.
INTENSIDAD DE LOS EJERCICIOS
Lo mismo si su objetivo es quemar grasa que si lo
es fortalecer su sistema cardiovascular, la clave para
alcanzar los resultados es hacer ejercicios con la
intensidad adecuada. Usted puede basarse en su ritmo
cardíaco para encontrar el nivel de intensidad adec-
uado. El esquema que se presenta más abajo muestra
los ritmos cardíacos recomendados para quemar grasa
y hacer ejercicios aeróbicos.
Para encontrar el nivel de intensidad adecuado,
busque su edad en la parte inferior del esquema (las
edades se redondean al múltiplo de 10 más cercano).
Los tres números que se listan encima de su edad
definen su “zona de entrenamiento.” El número más
pequeño es el ritmo cardíaco cuando se queme grasa,
el número intermedio es el ritmo cardíaco cuando se
quema la máxima cantidad de grasa y el número más
grande es el ritmo cardíaco cuando se realizan ejerci-
cios aeróbicos.
Quemar Grasa—Para quemar grasa eficientemente,
debe hacer ejercicios a un nivel de intensidad bajo
durante un periodo de tiempo mantenido. Durante
los primeros minutos de ejercicio su cuerpo utiliza las
calorías de los carbohidratos para obtener energía.
Sólo tras los primeros minutos de ejercicio su cuerpo
comienza a utilizar las calorías de grasa almacenada
para obtener energía. Si su objetivo es quemar grasa,
ajuste la intensidad de sus ejercicios hasta que el ritmo
cardíaco esté próximo al número más bajo de su zona
de entrenamiento. Para quemar la máxima cantidad
de grasa, realice los ejercicios con su ritmo cardíaco
cerca del número intermedio de su zona de
entrenamiento.
Ejercicios Aeróbicos—Si su objetivo es fortalecer su
sistema cardiovascular, debe realizar ejercicios aeróbi-
cos, una actividad que requiere grandes cantidades de
oxígeno durante periodos de tiempo prolongados. Para
realizar ejercicios aeróbicos ajuste la intensidad de sus
ejercicios hasta que su ritmo cardíaco esté próximo al
número más alto de su zona de entrenamiento.
GUÍAS DE ENTRENAMIENTO
Calentamiento—Comience estirando y ejercitando
ligeramente los músculos entre 5 y 10 minutos. El
calentamiento aumenta su temperatura corporal, su
frecuencia cardiaca y su circulación, preparándole para
los ejercicios.
Ejercicio en la Zona de Entrenamiento—Realice
ejercicios durante 20 a 30 minutos con su ritmo
cardíaco en su zona de entrenamiento. (Durante
las primeras semanas de su programa de ejerci-
cios no mantenga su ritmo cardíaco en su zona de
entrenamiento durante más de 20 minutos.) Respire
regularmente y profundamente mientras hace ejerci-
cios; nunca contenga la respiración.
Relajación—Termine con estiramientos entre 5 y 10
minutos. El estiramiento aumenta la flexibilidad de sus
músculos y le ayuda a evitar problemas posteriores al
ejercicio.
FRECUENCIA DE EJERCICIOS
Para mantener o mejorar su forma física, complete
tres sesiones de entrenamiento cada semana, con al
menos un día de descanso entre sesiones. Tras algu-
nos meses de ejercicio regular, puede completar hasta
cinco sesiones de entrenamiento cada semana si lo
desea. Recuerde, la clave para el éxito es hacer de los
ejercicios una parte regular y agradable de su vida
diaria.
GUÍA DE EJERCICIOS
PRECAUCIÓN: Antes de ini-
ciar éste o cualquier programa de ejercicios
consulte con su médico. Esto es especial-
mente importante para personas de edades
superiores a 35 años, o para aquellos que
hayan presentado problemas de salud.
El sensor de pulso no es un dispositivo
médico. Varios factores pueden afectar la
precisión de las lecturas del ritmo cardíaco.
El sensor de pulso está previsto sólo como
ayuda para los ejercicios, determinando las
tendencias generales de su ritmo cardíaco.

24
1 9 Tornillo de Tierra #8 x 1/2"
2 6 Tornillo 3/8" x 3 1/4"
3 6 Arandela Estrella 3/8"
4 31 Tornillo #8 x 3/4"
5 2 Tornillo 5/16" x 3/4"
6 4 Arandela Estrella 5/16"
7 2 Tornillo 5/16" x 3"
8 6 Tornillo #10 x 3/4"
9 2 Perno 3/8" x 2 1/2"
10 4 Tuerca 3/8"
11 2 Tornillo M6 x 55mm
12 2 Perno 3/8" x 1"
13 3 Gancho de la Cubierta
14 16 Tornillo de Cabeza Segmentada
#8" x 3/4"
15 1 Perno 3/8" x 1 3/4"
16 2 Tuerca de Bloqueo 3/8"
17 2 Tornillo 1/4" x 3/8"
18 4 Tornillo #8 x 1/2"
19 4 Perno 5/16" x 1 1/2"
20 4 Tuerca 5/16"
21 2 Tornillo de Cabeza Troncocónica
#8 x 1/2"
22 2 Arandela Estrella #8
23 4 Arandela Estrella #10
24 2 Arandela del Rodillo de Manejo
25 2 Tornillo 1/4" x 1 1/4"
26 2 Arandela de la Armadura de
Inclinación
27 1 Riel de la Pata Izquierda
28 2 Amortiguador de la Plataforma
29 1 Calcomanía de Precaución
30 2 Guía de la Banda
31 1 Polea/Rodillo de Manejo
32 1 Perno 3/8" x 1 1/2"
33 2 Tapa Redonda de la Baranda
34 8 Tornillo Punta Broca #8 x 3/4"
35 1 Motor de Manejo
36 1 Controlador
37 1 Placa del Controlador
38 1 Armadura
39 1 Plataforma para Caminar
40 1 Banda para Caminar
41 1 Riel de la Pata Derecha
42 1 Rodillo del Brazo Estable
43 1 Pata Trasera Izquierda
44 4 Atadura de Cables
45 1 Correa del Motor de Manejo
46 1 Pata Trasera Derecha
47 8 Arandela Plana #10
48 1 Cubierta del Motor
49 1 Motor de Inclinación
50 2 Buje de la Armadura de Levante
51 1 Armadura de Levante
52 1 Charola Ventral
53 1 Ojal Reforzado del Cable Eléctrico
54 1 Cable Eléctrico
55 1 Interruptor
56 2 Espaciador de la Consola
57 1 Consola
58 1 Base de la Consola
59 1 Baranda Izquierda
60 2 Tapa de la Baranda
61 1 Barra Cruzada de la Consola
62 1 Llave/Gancho
63 1 Cable del Montante Vertical
64 1 Baranda Derecha
65 2 Pasador de la Armadura de Levante
66 1 Montante Vertical Izquierdo
67 1 Alojamiento del Pasador
68 1 Montaje del Pasador
69 2 Calcomanía de Advertencia
70 4 Tapa de la Base
71 2 Almohadilla Gruesa de la Base
72 2 Almohadilla Fina de la Base
73 2 Ojal Reforzado del Montante
Vertical
74 1 Base
75 2 Rueda
76 1 Montante Vertical Derecho
77 2 Parte Inferior de la Amortiguación
78 2 Amortiguación Pequeña
* – Manual del Usuario
N° Ctd. Descripción N° Ctd. Descripción
LISTA DE LAS PIEZAS Nº de Modelo PFTL39513.1 R0913A
Nota: Las especificaciones están sujetas a cambios sin previo aviso. Para información de cómo solicitar piezas
de repuesto, vea la contraportada de este manual. *Estas piezas no están ilustradas.

25
39
40
30
18
30
29
31
41
19
19
20
27
37
1
20
36
14
14
14
11
14
14
14
43
46
11
42
17
35
65
65
25
25
19
19
4
38
24
24
22
20
20
1
1
1
45
14
14
14
14
14
14
14
47
47
47
47
47
47
47
47
77
28
77
28
78
78
14 18
14
14
DIBUJO DE LAS PIEZAS A Nº de Modelo PFTL39513.1 R0913A

26
52
4
4
54
53
48
13
51
32
15
16
16
1
49
4
55
4
4
4
26
10
26
50
50
13
13
4
4
10
4
4
DIBUJO DE LAS PIEZAS B Nº de Modelo PFTL39513.1 R0913A

27
66
68
74
69
10
9
9
75
72 34
72
34
34
71
34
71
69
10 75
70
70
8
67
70
2
3
2
3
3
2
62
4
8
8
61
59
5
6
4
4
4
7
6
63
63
73
64
60
60
1
7
6
4
4
4
4
23
23
5
6
70
12
12
421
44
76
1
33
33
4
56
58
57
4
4
4
4
73
4
4
DIBUJO DE LAS PIEZAS C Nº de Modelo PFTL39513.1 R0913A

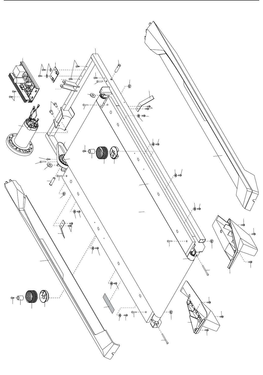
Nº de Pieza 354166 R0913A Impreso en China © 2013 ICON IP, Inc.
Para ordenar piezas de repuesto, por favor vea la portada de este manual. Para ayudarnos a proporcionarle asis-
tencia, por favor esté listo para proporcionar la siguiente información cuando nos contacte:
• el número de modelo y el número de serie del producto (vea la portada de este manual)
• el nombre del producto (vea la portada de este manual)
• el número de la pieza y descripción de la (de las) pieza(s) de reemplazo (vea la LISTA DE LAS PIEZAS y el
DIBUJO DE LAS PIEZAS hacia el final de este manual)
CÓMO ORDENAR PIEZAS DE REPUESTO
ICON Health & Fitness, Inc. (ICON) garantiza que este producto esté libre de defectos en fabricación y
material, bajo el uso normal y condiciones normales de servicio. Se garantizan las piezas y la mano de
obra por un (1) año de la fecha de compra.
Esta garantía se extiende solo al comprador original. La obligación de ICON bajo esta garantía se limita
a la reparación y el reemplazo, que será la opción de ICON, del producto por medio de uno de los
centros de servicio autorizados. Todas las reparaciones por las cuales se hacen reclamos de garantía,
deben ser pre-autorizadas por ICON. Si el producto se envía a un centro de servicio, los cargos de envío
desde y hacia el centro de servicio serán la responsabilidad del cliente. El cliente será responsable de
pagar un cargo mínimo de envío por piezas de reemplazo enviadas mientras este producto está bajo la
garantía. El cliente será responsable por un cargo mínimo de viaje por servicios dados dentro del domi-
cilio. Esta garantía no se extiende a cualquier daño al producto causado durante el envió. Esta garantía
será automáticamente anulada si el producto se usa como modelo de demostración en una tienda, si no
se siguen todas las instrucciones en este manual, si se abusa el producto o si se usa inapropiadamente
o abnormalmente, o si se usa el producto con el propósito de comercio o renta. ICON no autoriza alguna
otra garantía, más allá de la que se presenta especícamente aquí.
ICON no es responsable o está obligado por daños indirectos, especiales, o como consecuencia que sur-
jan por o en conexión con el uso o el desempeño del producto; daños con respecto a pérdida económica,
pérdida de propiedad, pérdida de réditos o benecios, pérdida de poder disfrutar o usar, o costos de retiro
o instalación; u otros daños consecuentes de cualquier naturaleza.
La garantía que se extiende aquí reemplaza cualquier o todas las otras garantías, y cualquier garantía
insinuada por la promoción del producto para la venta o el bienestar físico para un propósito particular son
limitados en su alcance y duración de los términos que se exponen en ésta. Esta garantía le da derechos
legales especícos.
GARANTÍA LIMITADA
IMPORTANTE: Debe registrar este producto dentro de 30 días de la fecha de compra para evitar
cargos adicionales por servicio rendido bajo la garantía. Comuníquese al 01-800-681-9542 o ser-
vicio@iconfitness.com, o vaya a la página de internet www.workoutwarehouse.com/registration.