18290 2 Franklin Electric Submersible Motor User Guide M1311_60_Hz_AIM_Catalog Manual
18184 2 Franklin Electric Submersible Motor Control User Guide 18184_2_Franklin Electric Submersible Motor Control User Guide 18184_2_Franklin Electric Submersible Motor Control User Guide pdf pumpproducts
User Manual: Pump 18290 2 Franklin Electric Submersible Motor User Guide
Open the PDF directly: View PDF
.
Page Count: 80

2011 AIM MANUAL
FRANKLIN ELECTRIC
SUBMERSIBLE MOTORS
!PPLICATION s )NSTALLATION s -AINTENANCE
(Z 3INGLE0HASE AND 4HREE0HASE -OTORS
ATTENTION!
IMPORTANT INFORMATION FOR INSTALLERS OF THIS EQUIPMENT!
THIS EQUIPMENT IS INTENDED FOR INSTALLATION BY TECHNICALLY QUALIFIED PERSONNEL.
FAILURE TO INSTALL IT IN COMPLIANCE WITH NATIONAL AND LOCAL ELECTRICAL CODES, AND
WITHIN FRANKLIN ELECTRIC RECOMMENDATIONS, MAY RESULT IN ELECTRICAL SHOCK OR FIRE
HAZARD, UNSATISFACTORY PERFORMANCE, AND EQUIPMENT FAILURE. FRANKLIN INSTALLATION
INFORMATION IS AVAILABLE FROM PUMP MANUFACTURERS AND DISTRIBUTORS, AND DIRECTLY
FROM FRANKLIN ELECTRIC. CALL FRANKLIN TOLL FREE 800-348-2420 FOR INFORMATION.
WARNING
SERIOUS OR FATAL ELECTRICAL SHOCK MAY RESULT FROM FAILURE TO CONNECT THE MOTOR,
CONTROL ENCLOSURES, METAL PLUMBING, AND ALL OTHER METAL NEAR THE MOTOR OR CABLE,
TO THE POWER SUPPLY GROUND TERMINAL USING WIRE NO SMALLER THAN MOTOR CABLE
WIRES. TO REDUCE RISK OF ELECTRICAL SHOCK, DISCONNECT POWER BEFORE WORKING ON OR
AROUND THE WATER SYSTEM. DO NOT USE MOTOR IN SWIMMING AREAS.
ATTENTION!
INFORMATIONS IMPORTANTES POUR L’INSTALLATEUR DE CET EQUIPEMENT.
CET EQUIPEMENT DOIT ETRE INTALLE PAR UN TECHNICIEN QUALIFIE. SI L’INSTALLATION N’EST
PAS CONFORME AUX LOIS NATIONALES OU LOCALES AINSI QU’AUX RECOMMANDATIONS DE
FRANKLIN ELECTRIC, UN CHOC ELECTRIQUE, LE FEU, UNE PERFORMANCE NON ACCEPTABLE,
VOIRE MEME LE NON-FONCTIONNEMENT PEUVENT SURVENIR. UN GUIDE D’INSTALLATION
DE FRANKLIN ELECTRIC EST DISPONIBLE CHEZ LES MANUFACTURIERS DE POMPES, LES
DISTRIBUTEURS, OU DIRECTEMENT CHEZ FRANKLIN. POUR DE PLUS AMPLES RENSEIGNEMENTS,
APPELEZ SANS FRAIS LE 800-348-2420.
AVERTISSEMENT
UN CHOC ELECTRIQUE SERIEUX OU MEME MORTEL EST POSSIBLE, SI L’ON NEGLIGE DE
CONNECTER LE MOTEUR, LA PLOMBERIE METALLIQUE, BOITES DE CONTROLE ET TOUT METAL
PROCHE DU MOTEUR A UN CABLE ALLANT VERS UNE ALIMENTATION D’ENERGIE AVEC BORNE
DE MISE A LA TERRE UTILISANT AU MOINS LE MEME CALIBRE QUE LES FILS DU MOTEUR. POUR
REDUIRE LE RISQUE DE CHOC ELECTRIQUE. COUPER LE COURANT AVANT DE TRAVAILLER PRES
OU SUR LE SYSTEM D’EAU. NE PAS UTILISER CE MOTEUR DANS UNE ZONE DE BAIGNADE.
ATENCION!
INFORMACION PARA EL INSTALADOR DE ESTE EQUIPO.
PARA LA INSTALACION DE ESTE EQUIPO, SE REQUIERE DE PERSONAL TECNICO CALIFICADO.
EL NO CUMPLIR CON LAS NORMAS ELECTRICAS NACIONALES Y LOCALES, ASI COMO CON LAS
RECOMENDACIONES DE FRANKLIN ELECTRIC DURANTE SU INSTALACION, PUEDE OCASIONAR,
UN CHOQUE ELECTRICO, PELIGRO DE UN INCENDIO, OPERACION DEFECTUOSA E INCLUSO LA
DESCOMPOSTURA DEL EQUIPO. LOS MANUALES DE INSTALACION Y PUESTA EN MARCHA DE
LOS EQUIPOS, ESTAN DISPONIBLES CON LOS DISTRIBUIDORES, FABRICANTES DE BOMBAS
O DIRECTAMENTE CON FRANKLIN ELECTRIC. PUEDE LLAMAR GRATUITAMENTE PARA MAYOR
INFORMACION AL TELEFONO 800-348-2420.
ADVERTENCIA
PUEDE OCURRIR UN CHOQUE ELECTRICO, SERIO O FATAL DEBIDO A UNA ERRONEA CONECCION
DEL MOTOR, DE LOS TABLEROS ELECTRICOS, DE LA TUBERIA, DE CUALQUIER OTRA PARTE
METALICA QUE ESTA CERCA DEL MOTOR O POR NO UTILIZAR UN CABLE PARA TIERRA DE CALIBRE
IGUAL O MAYOR AL DE LA ALIMENTACION. PARA REDUCIR EL RIESGO DE CHOQUE ELECTRIC,
DESCONECTAR LA ALIMENTACION ELECTRICA ANTES DE INICIAR A TRABAJAR EN EL SISTEMA
HIDRAULICO. NO UTILIZAR ESTE MOTOR EN ALBERCAS O AREAS EN DONDE SE PRACTIQUE
NATACION.

Franklin Electric is committed to provide customers with
defect free products through our program of continuous
improvement. Quality shall, in every case, take
precedence over quantity.
Commitment to Quality

Contents
The submersible motor is a reliable, efficient and trouble-
free means of powering a pump. Its needs for a long
operational life are simple. They are:
1. A suitable operating environment
2. An adequate supply of electricity
3. An adequate flow of cooling water over the motor
4. An appropriate pump load
All considerations of application, installation, and
maintenance of submersible motors relating to these four
areas are presented in this manual. Franklin Electric’s
web page, www.franklin-electric.com, should be checked
for the latest updates.
!PPLICATION s )NSTALLATION s -AINTENANCE -ANUAL
35"-%23)",% -/4/23
(Z 3INGLE0HASE AND 4HREE0HASE
Application
)NSTALLATION
-AINTENANCE
!LL -OTORS
Storage ................................................................................ 3
Frequency of Starts ............................................................. 3
Mounting Position ................................................................ 3
Transformer Capacity ........................................................... 4
Effects of Torque .................................................................. 4
Use of Engine Driven Generators ........................................ 5
Use of Check Valves ............................................................ 5
Well Diameters, Casing, Top Feeding, Screens ................... 6
Water Temperature and Flow ............................................... 6
Flow Inducer Sleeve ............................................................ 6
Head Loss Past Motor ......................................................... 7
Hot Water Applications ..................................................... 7-8
Drawdown Seals .................................................................. 9
Grounding Control Boxes and Panels .................................. 9
Grounding Surge Arrestors .................................................. 9
Control Box and Panel Environment .................................... 9
Equipment Grounding .......................................................... 9
3INGLE0HASE -OTORS
3-Wire Control Boxes ......................................................... 10
2-Wire Motor Solid State Controls ..................................... 10
QD Relays (Solid State) ..................................................... 10
Cable Selection 2-Wire or 3-Wire ...................................... 11
Two Different Cable Sizes .................................................. 12
Single-Phase Motor Specifications .................................... 13
!LL -OTORS
Submersible Motors - Dimensions ..................................... 42
Tightening Lead Connector Jam Nut ................................. 43
Pump to Motor Coupling .................................................... 43
!LL -OTORS
System Troubleshooting ................................................ 44-45
Preliminary Tests................................................................ 46
Insulation Resistance ......................................................... 47
Resistance of Drop Cable .................................................. 47
3INGLE0HASE -OTORS AND #ONTROLS
Identification of Cables ...................................................... 48
Single-Phase Control Boxes .............................................. 48
Ohmmeter Tests ................................................................. 49
QD Control Box Parts ........................................................ 50
Integral hp Control Box Parts ........................................ 51-52
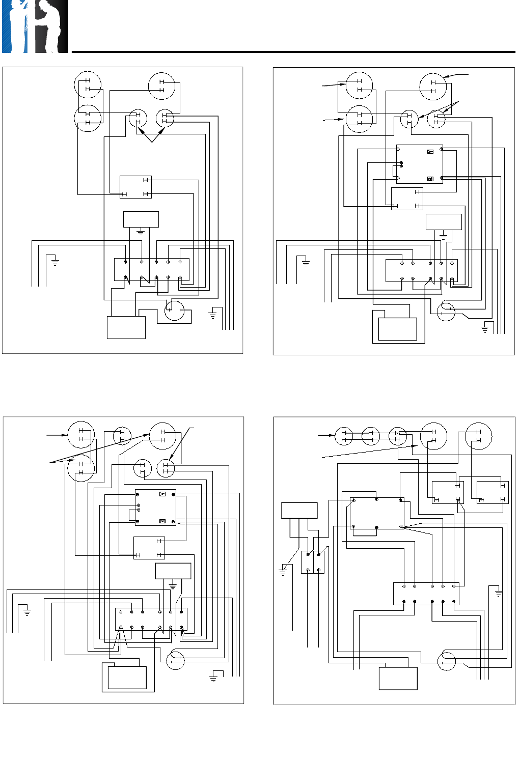
Control Box Wiring Diagrams ........................................ 53-57
%LECTRONIC 0RODUCTS
Pumptec-Plus Troubleshooting During Installation ............ 58
Pumptec-Plus Troubleshooting After Installation ............... 59
QD Pumptec and Pumptec Troubleshooting ...................... 60
SubDrive/MonoDrive Troubleshooting ........................... 61-62
SubMonitor Troubleshooting .............................................. 63
Subtrol-Plus Troubleshooting ........................................ 64-65
Pump to Motor Assembly ................................................... 43
Shaft Height and Free End Play ........................................ 43
Submersible Leads and Cables ......................................... 43
Single-Phase Motor Fuse Sizing ....................................... 14
Auxiliary Running Capacitors ............................................. 15
Buck-Boost Transformers ................................................... 15
4HREE0HASE -OTORS
Cable Selection - 60 °C Three-Wire .............................. 16-17
Cable Selection - 60 °C Six-Wire ....................................... 18
Cable Selection - 75 °C Three-Wire .............................. 19-20
Cable Selection - 75 °C Six-Wire ....................................... 21
Three-Phase Motor Specifications ................................ 22-28
Overload Protection ...................................................... 29-31
Submersible Pump Installation Checklist (No. 3656)
Submersible Motor Installation Record (No. 2207)
Submersible Booster Installation Record (No. 3655)
SubMonitor ........................................................................ 32
Power Factor Correction .................................................... 32
Three-Phase Starter Diagrams .......................................... 33
Three-Phase Power Unbalance ......................................... 34
Rotation and Current Unbalance ....................................... 34
Three-Phase Motor Lead Identification .............................. 35
Phase Converters .............................................................. 35
Reduced Voltage Starters .................................................. 36
Inline Booster Pump Systems ....................................... 36-39
Variable Speed Operation ............................................. 40-41

!00,)#!4)/.
!LL -OTORS
Franklin submersible motors are designed primarily for
operation in the vertical, shaft-up position.
During acceleration, the pump thrust increases as its
output head increases. In cases where the pump head
stays below its normal operating range during startup and
full speed condition, the pump may create upward thrust.
This creates upward thrust on the motor upthrust bearing.
This is an acceptable operation for short periods at each
start, but running continuously with upthrust will cause
excessive wear on the upthrust bearing.
With certain additional restrictions as listed in this section
and the Inline Booster Pump Systems sections of this
manual, motors are also suitable for operation in positions
Franklin Electric submersible motors are a water-
lubricated design. The fill solution consists of a mixture
of deionized water and Propylene Glycol (a non-toxic
antifreeze). The solution will prevent damage from
freezing in temperatures to -40 °F (-40 °C); motors should
be stored in areas that do not go below this temperature.
The solution will partially freeze below 27 °F (-3 °C),
but no damage occurs. Repeated freezing and thawing
should be avoided to prevent possible loss of fill solution.
There may be an interchange of fill solution with well
water during operation. Care must be taken with motors
removed from wells during freezing conditions to
prevent damage.
When the storage temperature does not exceed
100 °F (37 °C), storage time should be limited to two
years. Where temperatures reach 100° to 130 °F, storage
time should be limited to one year.
Loss of a few drops of liquid will not damage the motor
as an excess amount is provided, and the filter check
valve will allow lost liquid to be replaced by filtered well
water upon installation. If there is reason to believe there
has been a considerable amount of leakage, consult the
factory for checking procedures.
The average number of starts per day over a period
of months or years influences the life of a submersible
pumping system. Excessive cycling affects the life of
control components such as pressure switches, starters,
relays and capacitors. Rapid cycling can also cause
motor spline damage, bearing damage, and motor
overheating. All these conditions can lead to reduced
motor life.
The pump size, tank size and other controls should be
selected to keep the starts per day as low as practical for
longest life. The maximum number of starts per 24-hour
period is shown in table 3.
Motors should run a minimum of one minute to dissipate
heat build up from starting current. Six inch and larger
motors should have a minimum of 15 minutes between
starts or starting attempts.
from shaft-up to shaft-horizontal. As the mounting position
becomes further from vertical and closer to horizontal, the
probability of shortened thrust bearing life increases. For
normal motor life expectancy with motor positions other
than shaft-up, follow these recommendations:
1. Minimize the frequency of starts, preferably to
fewer than 10 per 24-hour period. Six and eight
inch motors should have a minimum of 20 minutes
between starts or starting attempts
2. Do not use in systems which can run even for short
periods at full speed without thrust toward the motor.
3TORAGE
&REQUENCY OF 3TARTS
-OUNTING 0OSITION
MOTOR RATING MAXIMUM STARTS PER 24 HR PERIOD
HP KW SINGLE-PHASE THREE-PHASE
Up to 0.75 Up to 0.55 300 300
1 thru 5.5 0.75 thru 4 100 300
7.5 thru 30 5.5 thru 22 50 100*
40 and over 30 and over - 100
Table 3 Number of Starts
* Keeping starts per day within the recommended numbers
provides the best system life. However, when used with
a properly configured Reduced Voltage Starter (RVS) or
Variable Frequency Drive (VFD), 7.5 thru 30 hp three-phase
motors can be started up to 200 times per 24 hour period.
3

!00,)#!4)/.
!LL -OTORS
Distribution transformers must be adequately sized to
satisfy the kVA requirements of the submersible motor.
When transformers are too small to supply the load, there
is a reduction in voltage to the motor.
Table 4 references the motor horsepower rating, single-
phase and three-phase, total effective kVA required, and
4RANSFORMER #APACITY 3INGLE0HASE OR 4HREE0HASE
NOTE: Standard kVA
ratings are shown. If power
company experience and
practice allows transformer
loading higher than
standard, higher loading
values may be used to
meet total effective kVA
required, provided correct
voltage and balance is
maintained.
the smallest transformer required for open or closed
three-phase systems. Open systems require larger
transformers since only two transformers are used.
Other loads would add directly to the kVA sizing
requirements of the transformer bank.
During starting of a submersible pump, the torque
developed by the motor must be supported through the
pump, delivery pipe or other supports. Most pumps rotate
in the direction which causes unscrewing torque on
right-handed threaded pipe or pump stages. All threaded
joints, pumps and other parts of the pump support system
must be capable of withstanding the maximum torque
repeatedly without loosening or breaking. Unscrewing
joints will break electrical cable and may cause loss of the
pump-motor unit.
To safely withstand maximum unscrewing torques with
a minimum safety factor of 1.5, tightening all threaded
joints to at least 10 lb-ft per motor horsepower is
recommended (table 4A). It may be necessary to tack
or strap weld pipe joints on high horsepower pumps,
especially at shallower settings.
%FFECTS OF 4ORQUE
Table 4A Torque Required (Examples)
MOTOR RATING TOTAL
EFFECTIVE
KVA
REQUIRED
SMALLEST KVA RATING-EACH TRANSFORMER
OPEN WYE
OR DELTA
2- TRANSFORMERS
CLOSED
WYE OR DELTA
3- TRANSFORMERS
HP KW
1.5 1.1 3 2 1
2 1.5 4 2 1.5
3 2.2 5 3 2
5 3.7 7.5 5 3
7.5 5.5 10 7.5 5
10 7.5 15 10 5
15 11 20 15 7.5
20 15 25 15 10
25 18.5 30 20 10
30 22 40 25 15
40 30 50 30 20
50 37 60 35 20
60 45 75 40 25
75 55 90 50 30
100 75 120 65 40
125 93 150 85 50
150 110 175 100 60
175 130 200 115 70
200 150 230 130 75
Table 4 Transformer Capacity
MOTOR RATING MINIMUM SAFE
TORQUE-LOAD
HP KW
1 hp & Less 0.75 kW & Less 10 lb-ft
20 hp 15 kW 200 lb-ft
75 hp 55 kW 750 lb-ft
200 hp 150 kW 2000 lb-ft
4

!00,)#!4)/.
!LL -OTORS
WARNING: To prevent accidental electrocution,
automatic or manual transfer switches must be used
any time a generator is used as standby or back
up on power lines. Contact power company for use
and approval.
Table 5 lists minimum generator sizes based on typical
80 °C rise continuous duty generators, with 35%
maximum voltage dip during starting, for Franklin’s three-
wire motors, single- or three-phase.
This is a general chart. The generator manufacturer
should be consulted whenever possible, especially on
larger sizes.
There are two types of generators available: externally
and internally regulated. Most are externally regulated.
They use an external voltage regulator that senses the
output voltage. As the voltage dips at motor start-up, the
regulator increases the output voltage of the generator.
Internally regulated (self-excited) generators have an
extra winding in the generator stator. The extra winding
senses the output current to automatically adjust the
output voltage.
Generators must be sized to deliver at least 65% of the
rated voltage during starting to ensure adequate starting
torque. Besides sizing, generator frequency is important
as the motor speed varies with the frequency (Hz). Due
to pump affinity laws, a pump running at 1 to 2 Hz below
motor nameplate frequency design will not meet its
performance curve. Conversely, a pump running at 1 to 2
Hz above may trip overloads.
Generator Operation
Always start the generator before the motor is started
and always stop the motor before the generator is shut
down. The motor thrust bearing may be damaged if
the generator is allowed to coast down with the motor
running. This same condition occurs when the generator
is allowed to run out of fuel.
Follow generator manufacturer’s recommendations for
de-rating at higher elevations or using natural gas.
It is recommended that one or more check valves always
be used in submersible pump installations. If the pump
does not have a built-in check valve, a line check valve
should be installed in the discharge line within 25 feet
of the pump and below the draw down level of the water
supply. For deeper settings, check valves should be
installed per the manufacturer’s recommendations. More
than one check valve may be required, but more than the
recommended number of check valves should not
be used.
Swing type check valves are not acceptable and should
never be used with submersible motors/pumps. Swing
type check valves have a slower reaction time which can
cause water hammer (see next page). Internal pump
check valves or spring loaded check valves close quickly
and help eliminate water hammer.
Check valves are used to hold pressure in the system
when the pump stops. They also prevent backspin, water
hammer and upthrust. Any of these can lead to early
pump or motor failure.
NOTE: Only positive sealing check valves should be
used in submersible installations. Although drilling the
check valves or using drain-back check valves may
prevent back spinning, they create upthrust and water
hammer problems.
A. Backspin - With no check valve or a failed check
valve, the water in the drop pipe and the water in the
system can flow down the discharge pipe when the
motor stops. This can cause the pump to rotate in
a reverse direction. If the motor is started while it is
backspinning, an excessive force is placed across
the pump-motor assembly that can cause impeller
damage, motor or pump shaft breakage, excessive
bearing wear, etc.
B. Upthrust - With no check valve, a leaking check
valve, or drilled check valve, the unit starts under
5SE OF %NGINE $RIVEN 'ENERATORS 3INGLE0HASE OR 4HREE0HASE
Table 5 Engine Driven Generators
MOTOR RATING MINIMUM RATING OF GENERATOR
HP KW EXTERNALLY REGULATED INTERNALLY REGULATED
KW KVA KW KVA
1/3 0.25 1.5 1.9 1.2 1.5
1/2 0.37 2 2.5 1.5 1.9
3/4 0.55 3 3.8 2 2.5
1 0.75 4 5.0 2.5 3.13
1.5 1.1 5 6.25 3 3.8
2 1.5 7.5 9.4 4 5
3 2.2 10 12.5 5 6.25
5 3.7 15 18.75 7.5 9.4
7.5 5.5 20 25.0 10 12.5
10 7.5 30 37.5 15 18.75
15 11 40 50 20 25
20 15 60 75 25 31
25 18.5 75 94 30 37.50
30 22 100 125 40 50
40 30 100 125 50 62.5
50 37 150 188 60 75
60 45 175 220 75 94
75 55 250 313 100 125
100 75 300 375 150 188
125 93 375 469 175 219
150 110 450 563 200 250
175 130 525 656 250 313
200 150 600 750 275 344
5SE OF #HECK 6ALVES
NOTE: This chart applies to 3-wire or 3-phase
motors. For best starting of 2-wire motors, the
minimum generator rating is 50% higher than shown.
5

!00,)#!4)/.
!LL -OTORS
Franklin Electric submersible motors are designed to
operate with a cooling flow of water over and around the
full length of the motor.
If the pump installation does not provide the minimum flow
shown in table 6, a flow inducer sleeve (flow sleeve) must
be used. The conditions requiring a flow sleeve are:
7ELLS n ,ARGE $IAMETER 5NCASED 4OP &EEDING AND 3CREENED 3ECTIONS
s 7ELL DIAMETER IS TOO LARGE TO MEET TABLE
flow requirements.
s 0UMP IS IN AN OPEN BODY OF WATER
s 0UMP IS IN A ROCK WELL OR BELOW THE WELL CASING
s 4HE WELL IS hTOPFEEDINGv AKA CASCADING
s 0UMP IS SET IN OR BELOW SCREENS OR PERFORATIONS
Franklin Electric’s standard submersible motors, except
Hi-Temp designs (see note below), are designed to
operate up to maximum service factor horsepower in
water up to 86 °F (30 °C). A flow of 0.25 ft/s for 4" motors
rated 3 hp and higher, and 0.5 ft/s for 6" and 8" motors is
required for proper cooling. Table 6 shows minimum flow
rates, in gpm, for various well diameters and motor sizes.
If a standard motor is operated in water over 86 °F
(30 °C), water flow past the motor must be increased to
maintain safe motor operating temperatures. See
HOT WATER APPLICATIONS on page 7.
NOTE: Franklin Electric offers a line of Hi-Temp motors
designed to operate in water at higher temperatures or
lower flow conditions. Consult factory for details.
7ATER 4EMPERATURE AND &LOW
0.25 ft/s = 7.62 cm/sec 0.50 ft/s = 15.24 cm/sec
1 inch = 2.54 cm
If the flow rate is less than specified, then a
flow inducer sleeve must be used. A flow
sleeve is always required in an open body
of water. FIG. 1 shows a typical flow inducer
sleeve construction.
EXAMPLE: A 6" motor and pump that delivers
60 gpm will be installed in a 10" well.
From table 6, 90 gpm would be required to
maintain proper cooling. In this case adding
an 8" or smaller flow sleeve provides the
required cooling.
FIG. 1
WORM GEAR
CLAMPS
INTAKE
FLOW INDUCER
SLEEVE
SUBMERSIBLE
MOTOR
CENTERING BOLT
LOCK NUTS
INSIDE SLEEVE
CENTERING
BOLT HOLE
(3 REQUIRED)
BOTTOM END VIEW
NOTCH OUT
FOR CABLE
GUARD
SAW CUTS
CENTERING BOLTS
MUST BE LOCATED
ON MOTOR CASTING.
DO NOT LOCATE ON
STATOR SHELL.
Table 6 Required Cooling Flow
a zero head condition. This causes an uplifting or
upthrust on the impeller-shaft assembly in the pump.
This upward movement carries across the pump-
motor coupling and creates an upthrust condition in
the motor. Repeated upthrust can cause premature
failure of both the pump and the motor.
C. Water Hammer - If the lowest check valve is more
than 30 feet above the standing (lowest static)
water level, or a lower check valve leaks and the
check valve above holds, a vacuum is created in
the discharge piping. On the next pump start, water
moving at very high velocity fills the void and strikes
the closed check valve and the stationary water in the
pipe above it, causing a hydraulic shock. This shock
can split pipes, break joints and damage the pump
and/or motor. Water hammer can often be heard or
felt. When discovered, the system should be shut
down and the pump installer contacted to correct
the problem.
MINIMUM GPM REQUIRED FOR MOTOR COOLING IN WATER UP TO 86 °F (30 °C).
CASING OR
SLEEVE ID
INCHES (MM)
4" MOTOR (3-10 HP)
0.25 FT/S
GPM (L/M)
6" MOTOR
0.50 FT/S
GPM (L/M)
8" MOTOR
0.50 FT/S
GPM (L/M)
4 (102) 1.2 (4.5) - -
5 (127) 7 (26.5) - -
6 (152) 13 (49) 9 (34) -
7 (178) 20 (76) 25 (95) -
8 (203) 30 (114) 45 (170) 10 (40)
10 (254) 50 (189) 90 (340) 55 (210)
12 (305) 80 (303) 140 (530) 110 (420)
14 (356) 110 (416) 200 (760) 170 (645)
16 (406) 150 (568) 280 (1060) 245 (930)
&LOW )NDUCER 3LEEVE
6

!00,)#!4)/.
!LL -OTORS
Table 7 lists the approximate head loss due to flow
between an average length motor and smooth casing or
flow inducer sleeve.
(EAD ,OSS &ROM &LOW 0AST -OTOR
(OT 7ATER !PPLICATIONS 3TANDARD -OTORS
Franklin Electric offers a line of Hi-Temp motors
which are designed to operate in water with
various temperatures up to 194 °F (90 °C) without
increased flow. When a standard pump-motor
operates in water hotter than 86 °F (30 °C), a flow
rate of at least 3 ft/s is required. When selecting
the motor to drive a pump in over 86 °F (30 °C)
water, the motor horsepower must be de-rated per
the following procedure.
1. Using table 7A, determine pump gpm required
for different well or sleeve diameters. If
necessary, add a flow sleeve to obtain at least
3 ft/s flow rate.
MOTOR DIAMETER 4" 4" 4" 6" 6" 6" 8" 8"
CASING ID IN INCHES (MM) 4 (102) 5 (127) 6 (152) 6 (152) 7 (178) 8 (203) 8.1 (206) 10 (254)
Flow Rate in gpm (l/m)
25 (95) 0.3 (.09)
50 (189) 1.2 (.37)
100 (378) 4.7 (1.4) 0.3 (.09) 1.7 (.52)
150 (568) 10.2 (3.1) 0.6 (.18) 0.2 (.06) 3.7 (1.1)
200 (757) 1.1 (.34) 0.4 (.12) 6.3 (1.9) 0.5 (.15) 6.8 (2.1)
250 (946) 1.8 (.55) 0.7 (.21) 9.6 (2.9) 0.8 (.24) 10.4 (3.2)
300 (1136) 2.5 (.75) 1.0 (.30) 13.6 (4.1) 1.2 (.37) 0.2 (.06) 14.6 (4.5)
400 (1514) 23.7 (7.2) 2.0 (.61) 0.4 (.12) 24.6 (7.5)
500 (1893) 3.1 (.94) 0.7 (.21) 37.3 (11.4) 0.6 (0.2)
600 (2271) 4.4 (1.3) 1.0 (.30) 52.2 (15.9) 0.8 (0.3)
800 (3028) 1.5 (0.5)
1000 (3785) 2.4 (0.7)
Table 7 Head Loss in Feet (Meters) at Various Flow Rates
CASING OR
SLEEVE ID
4" HIGH
THRUST MOTOR 6" MOTOR 8" MOTOR
INCHES (MM) GPM (L/M) GPM (L/M) GPM (L/M)
4 (102) 15 (57)
5 (127) 80 (303)
6 (152) 160 (606) 52 (197)
7 (178) 150 (568)
8 (203) 260 (984) 60 (227)
10 (254) 520 (1970) 330 (1250)
12 (305) 650 (2460)
14 (356) 1020 (3860)
16 (406) 1460 (5530)
Table 7A Minimum gpm (l/m) Required for
3 ft/s (.91 m/sec) Flow Rate
7Continued on next page

!00,)#!4)/.
!LL -OTORS
EXAMPLE: A 6" pump end requiring 39 hp input will
pump 124 °F water in an 8" well at a delivery rate of 140
gpm. From table 7A, a 6" flow sleeve will be required to
increase the flow rate to at least 3 ft/s.
Using table 8, the 1.62 heat factor multiplier is selected
because the hp required is over 30 hp and water
3. Multiply the pump horsepower required by
the heat factor multiplier from table 8.
4. Select a rated hp motor on table 8A whose
Service Factor Horsepower is at least the
value calculated in Item 3.
(OT 7ATER !PPLICATIONS %XAMPLE
temperature is above 122 °F. Multiply 39 hp x 1.62
(multiplier), which equals 63.2 hp. This is the minimum
rated service factor horsepower usable at 39 hp in 124 °F.
Using table 8A, select a motor with a rated service factor
horsepower above 63.2 hp. A 60 hp motor has a service
factor horsepower of 69, so a 60 hp motor may be used.
Table 8 Heat Factor Multiplier at 3 ft/s (.91 m/sec) Flow Rate
Table 8A Service Factor Horsepower
2. Determine pump horsepower required
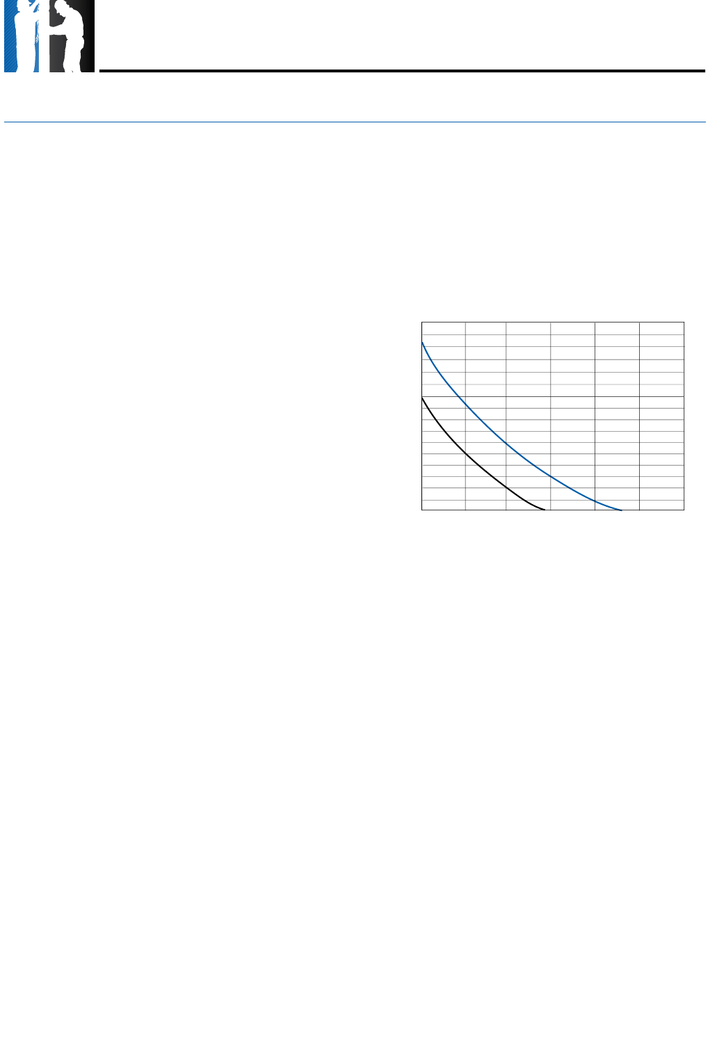
from the pump manufacturer’s curve.
FIG. 2 MANUFACTURER’S PUMP CURVE
0
0510 15 20 25 30 35 40 45 50
Gallons Per Minute
Brake Horsepower
1
2
3
4
5
6
A
B
C
EXAMPLE
MAXIMUM
WATER TEMPERATURE
1/3 - 5 HP
.25 - 3.7 KW
7 1/2 - 30 HP
5.5 - 22 KW
OVER 30 HP
OVER 22 KW
140 °F (60 °C) 1.25 1.62 2.00
131 °F (55 °C) 1.11 1.32 1.62
122 °F (50 °C) 1.00 1.14 1.32
113 °F (45 °C) 1.00 1.00 1.14
104 °F (40 °C) 1.00 1.00 1.00
95 °F (35 °C) 1.00 1.00 1.00
HP KW SFHP HP KW SFHP HP KW SFHP HP KW SFHP
1/3 0.25 0.58 3 2.2 3.45 25 18.5 28.75 100 75 115.00
1/2 0.37 0.80 5 3.7 5.75 30 22.0 34.50 125 93 143.75
3/4 0.55 1.12 7.5 5.5 8.62 40 30.0 46.00 150 110 172.50
1 0.75 1.40 10 7.5 11.50 50 37.0 57.50 175 130 201.25
1.5 1.10 1.95 15 11.0 17.25 60 45.0 69.00 200 150 230.00
2 1.50 2.50 20 15.0 23.00 75 55.0 86.25
8

!00,)#!4)/.
!LL -OTORS
The primary purpose of grounding the metal drop pipe
and/or metal well casing in an installation is safety. It is
done to limit the voltage between nonelectrical (exposed
metal) parts of the system and ground, thus minimizing
dangerous shock hazards. Using wire at least the size of
the motor cable wires provides adequate current-carrying
capability for any ground fault that might occur. It also
provides a low resistance path to ground, ensuring that
the current to ground will be large enough to trip any
overcurrent device designed to detect faults (such as a
ground fault circuit interrupter, or GFCI).
Normally, the ground wire to the motor would provide the
Franklin Electric control boxes, Pumptec products and
three-phase panels meet UL requirements for NEMA
Type 3R enclosures. They are suitable for indoor and
outdoor applications within temperatures of +14 °F
(-10 °C) to 122 °F (50 °C). Operating control boxes below
+14 °F can cause reduced starting torque and loss of
overload protection when overloads are located in
control boxes.
Control boxes, Pumptec products and three-phase
panels should never be mounted in direct sunlight or
#ONTROL "OX 0UMPTEC 0RODUCTS AND 0ANEL %NVIRONMENT
high temperature locations. This will cause shortened
capacitor life (where applicable) and unnecessary
tripping of overload protectors. A ventilated enclosure
painted white to reflect heat is recommended for an
outdoor, high temperature location.
A damp well pit, or other humid location, accelerates
component failure from corrosion.
Control boxes with voltage relays are designed for
vertical upright mounting only. Mounting in other
positions will affect the operation of the relay.
Allowable motor temperature is based on atmospheric
PRESSURE OR HIGHER SURROUNDING THE MOTOR h$RAWDOWN
SEALSv WHICH SEAL THE WELL TO THE PUMP ABOVE ITS INTAKE
'ROUNDING 3URGE !RRESTORS
An above ground surge arrestor must be grounded,
metal to metal, all the way to the lowest draw down water
strata for the surge arrestor to be effective. GROUNDING
THE ARRESTOR TO THE SUPPLY GROUND OR TO
A DRIVEN GROUND ROD PROVIDES LITTLE OR NO
SURGE PROTECTION FOR THE MOTOR.
to maximize delivery, are not recommended, since the
suction created can be lower than atmospheric pressure.
%QUIPMENT 'ROUNDING
primary path back to the power supply ground for any
ground fault. There are conditions, however, where the
ground wire connection could become compromised.
One such example would be the case where the water
in the well is abnormally corrosive or aggressive. In this
example, a grounded metal drop pipe or casing would
then become the primary path to ground. However,
the many installations that now use plastic drop pipes
and/or casings require further steps to be taken for
safety purposes, so that the water column itself does not
become the conductive path to ground.
When an installation has abnormally corrosive water
AND the drop pipe or casing is plastic, Franklin Electric
recommends the use of a GFCI with a 10 mA set-point.
In this case, the motor ground wire should be routed
through the current-sensing device along with the motor
power leads. Wired this way, the GFCI will trip only when
a ground fault has occurred AND the motor ground wire
is no longer functional.
WARNING: Serious or fatal electrical shock may
result from failure to connect the motor, control
enclosures, metal plumbing and all other metal
near the motor or cable to the power supply ground
terminal using wire no smaller than motor cable wires.
WARNING: Failure to ground the control frame can
result in a serious or fatal electrical shock hazard.
The National Electrical Code requires that the control box
or panel-grounding terminal always be connected to supply
ground. If the circuit has no grounding conductor and no
metal conduit from the box to supply panel, use a wire at
least as large as line conductors and connect as required
by the National Electrical Code, from the grounding terminal
to the electrical supply ground.
$RAWDOWN 3EALS
'ROUNDING #ONTROL "OXES AND 0ANELS
9

!00,)#!4)/.
3INGLE0HASE -OTORS
BIAC Switch Operation
When power is applied the bi-metal switch contacts are
closed, so the triac is conducting and energizes the start
winding. As rpm increases, the voltage in the sensor coil
generates heat in the bi-metal strip, causing the bi-metal
strip to bend and open the switch circuit. This removes
the starting winding and the motor continues to run on
the main winding alone.
Approximately 5 seconds after power is removed from
the motor, the bi-metal strip cools sufficiently to return
to its closed position and the motor is ready for the next
start cycle.
Rapid Cycling
The BIAC starting switch will reset within approximately 5
seconds after the motor is stopped. If an attempt is made
7IRE -OTOR 3OLID 3TATE #ONTROLS
to restart the motor before the starting switch has reset,
the motor may not start; however, there will be current in
the main winding until the overload protector interrupts
the circuit. The time for the protector to reset is longer
than the reset of the starting switch. Therefore, the start
switch will have closed and the motor will operate.
A waterlogged tank will cause fast cycling. When a
waterlogged condition does occur, the user will be
alerted to the problem during the off time (overload reset
time) since the pressure will drop drastically. When the
waterlogged tank condition is detected, the condition
should be corrected to prevent nuisance tripping of the
overload protector.
Bound Pump (Sandlocked)
When the motor is not free to turn, as with a sandlocked
PUMP THE ")!# SWITCH CREATES A hREVERSE IMPACT
TORQUEv IN THE MOTOR IN EITHER DIRECTION 7HEN THE SAND IS
dislodged, the motor will start and operate in the
correct direction.
There are two elements in the relay: a reed switch and
a triac. The reed switch consists of two tiny rectangular
blade-type contacts, which bend under magnetic flux. It
is hermetically sealed in glass and is located within a coil,
which conducts line current. When power is supplied to
the control box, the main winding current passing through
the coil immediately closes the reed switch contacts.
This turns on the triac, which supplies voltage to the start
winding, thus starting the motor.
Once the motor is started, the operation of the QD relay
is an interaction between the triac, the reed switch and
the motor windings. The solid state switch senses motor
speed through the changing phase relationship between
start winding current and line current. As the motor
approaches running speed, the phase angle between
the start current and the line current becomes nearly
in phase. At this point, the reed switch contacts open,
turning off the triac. This removes voltage from the start
winding and the motor continues to run on the main
winding only. With the reed switch contacts open and
the triac turned off, the QD relay is ready for the next
starting cycle.
Single-phase three-wire submersible motors require the
use of control boxes. Operation of motors without control
boxes or with incorrect boxes can result in motor failure
and voids warranty.
Control boxes contain starting capacitors, a starting
relay, and, in some sizes, overload protectors, running
capacitors and contactors.
Ratings through 1 hp may use either a Franklin Electric
solid state QD or a potential (voltage) type starting relay,
while larger ratings use potential relays.
Potential (Voltage) Relays
Potential relays have normally closed contacts. When
power is applied, both start and main motor windings
are energized, and the motor starts. At this instant, the
voltage across the start winding is relatively low and not
7IRE #ONTROL "OXES
enough to open the contacts of the relay.
As the motor accelerates, the increasing voltage across
the start winding (and the relay coil) opens the relay
contacts. This opens the starting circuit and the motor
continues to run on the main winding alone, or the main
plus run capacitor circuit. After the motor is started the
relay contacts remain open.
CAUTION: The control box and motor are two pieces
of one assembly. Be certain that the control box and
motor hp and voltage match. Since a motor is designed
to operate with a control box from the same
manufacturer, we can promise warranty coverage
only when a Franklin control box is used with a
Franklin motor.
CAUTION: Restarting the motor within 5 seconds
after power is removed may cause the motor overload
to trip.
1$ 2ELAYS 3OLID 3TATE
10

!00,)#!4)/.
3INGLE0HASE -OTORS
75 °C
OR 7IRE #ABLE (Z (Service Entrance to Motor - Maximum Length In Feet)
Lengths in BOLD only meet the US National Electrical
Code ampacity requirements for individual conductors
60 °C or 75 °C in free air or water, not in magnetic
enclosures, conduit or direct buried.
Lengths NOT in bold meet the NEC ampacity
requirements for either individual conductors or jacketed
60 °C or 75 °C cable and can be in conduit or direct
buried. Flat molded and web/ribbon cable are considered
jacketed cable.
If any other cable is used, the NEC and local codes
should be observed.
Cable lengths in tables 11 & 11A allow for a 5% voltage
drop running at maximum nameplate amperes. If 3%
voltage drop is desired, multiply table 11 and 11A lengths
by 0.6 to get maximum cable length.
The portion of the total cable length, which is between
the supply and single-phase control box with a line
contactor, should not exceed 25% of total maximum
allowable to ensure reliable contactor operation. Single-
phase control boxes without line contactors may be
connected at any point in the total cable length.
Tables 11 & 11A are based on copper wire. If aluminum
wire is used, it must be two sizes larger than copper wire
and oxidation inhibitors must be used on connections.
EXAMPLE: If tables 11 & 11A call for #12 copper wire,
#10 aluminum wire would be required.
Contact Franklin Electric for 90 °C cable lengths. See
pages 15, 49, and 50 for applications using 230 V motors
on 208 V power systems.
MOTOR RATING 60 °C INSULATION - AWG COPPER WIRE SIZE
VOLTS HP KW 14 12 10 8 6 4 3 2 1 0 00 000 0000
115 1/2 .37 100 160 250 390 620 960 1190 1460 1780 2160 2630 3140 3770
230
1/2 .37 400 650 1020 1610 2510 3880 4810 5880 7170 8720
3/4 .55 300 480 760 1200 1870 2890 3580 4370 5330 6470 7870
1 .75 250 400 630 990 1540 2380 2960 3610 4410 5360 6520
1.5 1.1 190 310 480 770 1200 1870 2320 2850 3500 4280 5240
2 1.5 150 250 390 620 970 1530 1910 2360 2930 3620 4480
3 2.2 120 190 300 470 750 1190 1490 1850 2320 2890 3610
5 3.7 0 0 180 280 450 710 890 1110 1390 1740 2170 2680
7.5 5.5 000200 310 490 610 750 930 1140 1410 1720
10 7.5 0000250 390 490 600 750 930 1160 1430 1760
15 11 0000170 270 340 430 530 660 820 1020 1260
Table 11
MOTOR RATING 75 °C INSULATION - AWG COPPER WIRE SIZE
VOLTS HP KW 14 12 10 8 6 4 3 2 1 0 00 000 0000
115 1/2 .37 100 160 250 390 620 960 1190 1460 1780 2160 2630 3140 3770
230
1/2 .37 400 650 1020 1610 2510 3880 4810 5880 7170 8720
3/4 .55 300 480 760 1200 1870 2890 3580 4370 5330 6470 7870 9380
1 .75 250 400 630 990 1540 2380 2960 3610 4410 5360 6520 7780 9350
1.5 1.1 190 310 480 770 1200 1870 2320 2850 3500 4280 5240 6300 7620
2 1.5 150 250 390 620 970 1530 1910 2360 2930 3620 4480 5470 6700
3 2.2 120 190 300 470 750 1190 1490 1850 2320 2890 3610 4470 5550
5 3.7 0110 180 280 450 710 890 1110 1390 1740 2170 2680 3330
7.5 5.5 0 0 120 200 310 490 610 750 930 1140 1410 1720 2100
10 7.5 000160 250 390 490 600 750 930 1160 1430 1760
15 11 0000170 270 340 430 530 660 820 1020 1260
Table 11A
1 Foot = .3048 Meter
60 °C
11

!00,)#!4)/.
3INGLE0HASE -OTORS
3 hp, 230 V
Single-Phase Motor
310 ft #6 AWG
(41.3% of allowable cable)
160 ft #10 AWG
(53.3% of allowable cable)
Depending on the installation, any number of
combinations of cable may be used.
For example, in a replacement/upgrade installation, the
well already has 160 feet of buried #10 cable between
the service entrance and the wellhead. A new 3 hp,
230-volt, single-phase motor is being installed to replace
a smaller motor. The question is: Since there is already
160 feet of #10 AWG installed, what size cable is
required in the well with a 3 hp, 230-volt, single-phase
motor setting at 310 feet?
From tables 11 & 11A, a 3 hp motor can use up to 300
feet of #10 AWG cable.
The application has 160 feet of #10 AWG copper
wire installed.
Using the formula below, 160 feet (actual) ÷ 300 feet
(max allowable) is equal to 0.533. This means 53.3%
(0.533 x 100) of the allowable voltage drop or loss, which
is allowed between the service entrance and the motor,
occurs in this wire. This leaves us 46.7% (1.00 - 0.533
= 0.467) of some other wire size to use in the remaining
FEET hDOWN HOLEv WIRE RUN
The table shows #8 AWG copper wire is good for 470
feet. Using the formula again, 310 feet (used) ÷ 470 feet
(allowed) = 0.660; adding this to the 0.533 determined
earlier; 0.533 + 0.660 = 1.193. This combination is
greater than 1.00, so the voltage drop will not meet US
National Electrical Code recommendations.
Tables 11 & 11A show #6 AWG copper wire is good for
750 feet. Using the formula, 310 ÷ 750 = 0.413, and
using these numbers, 0.533 + 0.413 = 0.946, we find this
is less than 1.00 and will meet the NEC recommended
voltage drop.
This works for two, three or more combinations of wire
and it does not matter which size wire comes first in
the installation.
EXAMPLE: 3 hp, 230-Volt, Single-Phase Motor
4WO OR -ORE $IFFERENT #ABLE 3IZES #AN "E 5SED
FIG. 3
Formula: + = 1.00
Actual Length
Max Allowed
Actual Length
Max Allowed
12

!00,)#!4)/.
3INGLE0HASE -OTORS
(1) Main winding - yellow to black
Start winding - yellow to red
(2) Y = Yellow lead - line amps
B = Black lead - main winding amps
R = Red lead - start or auxiliary winding amps
(3) Control Boxes date coded 02C and older have
35 MFD run capacitors. Current values should
be Y14.0 @ FL and Y17.0 @ Max Load.
B12.2 B14.5
R4.7 R4.5
(4) Control Boxes date coded 01M and older have
60 MFD run capacitors and the current values on
a 4" motor will be Y23.0 @ FL - Y27.5 @ Max Load.
B19.1 B23.2
R8.0 R7.8
(5) Control Boxes date coded 01M and older have
60 MFD run capacitors and the current values on
a 6" motor will be Y23.0 @ FL -Y27.5 @ Max Load.
B18.2 B23.2
R8.0 R7.8
Performance is typical, not guaranteed, at specified voltages and specified capacitor values. Performance at voltage
ratings not shown is similar, except amps vary inversely with voltage.
TYPE
MOTOR
MODEL
PREFIX
RATING FULL
LOAD
MAXIMUM
LOAD
WINDING (1)
RES. IN OHMS EFFICIENCY % POWER
FACTOR % LOCKED
ROTOR
AMPS
KVA
CODE
HP KW VOLTS HZ S.F. (2)
AMPS WATTS (2)
AMPS WATTS M=MAIN RES.
S=START RES. S.F. F.L. S.F. F.L.
4" 2-WIRE
244504 1/2 0.37 115 60 1.6 10.0 670 12.0 960 1.0-1.3 62 56 73 58 64.4 R
244505 1/2 0.37 230 60 1.6 5.0 670 6.0 960 4.2-5.2 62 56 73 58 32.2 R
244507 3/4 0.55 230 60 1.5 6.8 940 8.0 1310 3.0-3.6 64 59 74 62 40.7 N
244508 1 0.75 230 60 1.4 8.2 1210 10.4 1600 2.2-2.7 65 62 74 63 48.7 N
244309 1.5 1.1 230 60 1.3 10.6 1770 13.1 2280 1.5-2.1 64 63 83 76 66.2 M
4" 3-WIRE
214504 1/2 0.37 115 60 1.6
Y10.0
B10.0
R0
670
Y12.0
B12.0
R0
960 M1.0-1.3
S4.1-5.1 62 56 73 58 50.5 M
214505 1/2 0.37 230 60 1.6
Y5.0
B5.0
R0
670
Y6.0
B6.0
R0
960 M4.2-5.2
S16.7-20.5 62 56 73 58 23 M
214507 3/4 0.55 230 60 1.5
Y6.8
B6.8
R0
940
Y8.0
B8.0
R0
1310 M3.0-3.6
S10.7-13.1 64 59 74 62 34.2 M
214508 1 0.75 230 60 1.4
Y8.2
B8.2
R0
1210
10.4
10.4
R0
1600 M2.2-2.7
S9.9-12.1 65 62 74 63 41.8 L
4" 3-WIRE W/CRC CB
214505 1/2 0.37 230 60 1.6
Y3.6
B3.7
R2.0
655
Y4.3
B4.0
R2.0
890 M4.2-5.2
S16.7-20.5 67 57 90 81 23 M
214507 3/4 0.55 230 60 1.5
Y4.9
B5.0
R3.2
925
Y5.7
B5.2
R3.1
1220 M3.0-3.6
S10.7-13.1 69 60 92 84 34.2 M
214508 1 0.75 230 60 1.4
Y6.0
B5.7
R3.4
1160
Y7.1
B6.2
R3.3
1490 M2.2-2.7
S9.9-12.1 70 64 92 86 41.8 L
4" 3-WIRE
214508
W/1-
1.5 CB
1 0.75 230 60 1.4
Y6.6
B6.6
R1.3
1130
Y8.0
B7.9
R1.3
1500 M2.2-2.7
S9.9-12.1 70 66 82 72 43 L
224300 1.5 1.1 230 60 1.3
Y10.0
B9.9
R1.3
1620
Y11.5
B11.0
R1.3
2080 M1.7-2.1
S7.5-9.2 70 69 85 79 51.4 J
224301 2 1.5 230 60 1.25
Y10.0
B9.3
R2.6
2025
Y13.2
B11.9
R2.6
2555 M1.8-2.3
S5.5-7.2 73 74 95 94 53.1 G
224302
(3) 3 2.2 230 60 1.15
Y14.0
B11.2
R6.1
3000
Y17.0
B12.6
R6.0
3400 M1.1-1.4
S4.0-4.8 75 75 99 99 83.4 H
224303
(4) 5 3.7 230 60 1.15
Y23.0
B15.9
R11.0
4830
Y27.5
B19.1
R10.8
5500 M.71-.82
S1.8-2.2 78 77 100 100 129 G
6"
226110
(5) 5 3.7 230 60 1.15
Y23.0
B14.3
R10.8
4910
Y27.5
B17.4
R10.5
5570 M.55-.68
S1.3-1.7 77 76 100 99 99 E
226111 7.5 5.5 230 60 1.15
Y36.5
B34.4
R5.5
7300
Y42.1
B40.5
R5.4
8800 M.36-.50
S.88-1.1 73 74 91 90 165 F
226112 10 7.5 230 60 1.15
Y44.0
B39.5
R9.3
9800
Y51.0
B47.5
R8.9
11300 M.27-.33
S.80-.99 76 77 96 96 204 E
226113 15 11 230 60 1.15
Y62.0
B52.0
R17.5
13900
Y75.0
B62.5
R16.9
16200 M.17-.22
S.68-.93 79 80 97 98 303 E
Table 13 Single-Phase Motor Specifications (60 Hz) 3450 rpm
13

!00,)#!4)/.
3INGLE0HASE -OTORS
Table 14 Single-Phase Motor Fuse Sizing
TYPE
MOTOR
MODEL
PREFIX
RATING
CIRCUIT BREAKERS OR FUSE AMPS CIRCUIT BREAKERS OR FUSE AMPS
(MAXIMUM PER NEC) (TYPICAL SUBMERSIBLE)
STANDARD
FUSE
DUAL ELEMENT
TIME DELAY
FUSE
CIRCUIT
BREAKER
STANDARD
FUSE
DUAL ELEMENT
TIME DELAY
FUSE
CIRCUIT
BREAKER
HP KW VOLTS
4" 2-WIRE
244504 1/2 0.37 115 35 20 30 30 15 30
244505 1/2 0.37 230 20 10 15 15 8 15
244507 3/4 0.55 230 25 15 20 20 10 20
244508 1 0.75 230 30 20 25 25 11 25
244309 1.5 1.1 230 35 20 30 35 15 30
4" 3-WIRE
214504 1/2 0.37 115 35 20 30 30 15 30
214505 1/2 0.37 230 20 10 15 15 8 15
214507 3/4 0.55 230 25 15 20 20 10 20
214508 1 0.75 230 30 20 25 25 11 25
4" 3-WIRE W/CRC CB
214505 1/2 0.37 230 20 10 15 15 8 15
214507 3/4 0.55 230 25 15 20 20 10 20
214508 1 0.75 230 30 20 25 25 11 25
4" 3-WIRE
214508
1 0.75 230 30 20 25 25 11 25
W/ 1-1.5 CB
224300 1.5 1.1 230 35 20 30 30 15 30
224301 2 1.5 230 30 20 25 30 15 25
224302 3 2.2 230 45 30 40 45 20 40
224303 5 3.7 230 80 45 60 70 30 60
6"
226110 5 3.7 230 80 45 60 70 30 60
226111 7.5 5.5 230 125 70 100 110 50 100
226112 10 7.5 230 150 80 125 150 60 125
226113 15 11 230 200 125 175 200 90 175
14

!00,)#!4)/.
3INGLE0HASE -OTORS
Buck-Boost transformers are power transformers, not control transformers. They may also be used to lower voltage
when the available power supply voltage is too high.
When the available power supply voltage is not within
the proper range, a buck-boost transformer is often
used to adjust voltage to match the motor. The most
common usage on submersible motors is boosting a
208 volt supply to use a standard 230 volt single-phase
submersible motor and control. While tables to give a
wide range of voltage boost or buck are published by
transformer manufacturers, the following table shows
Franklin’s recommendations. The table, based on
boosting the voltage 10%, shows the minimum rated
transformer kVA needed and the common
standard transformer kVA.
(1) Do not add running capacitors to 1/3 through 1 hp control boxes, which use solid state switches or QD relays.
Adding capacitors will cause switch failure. If the control box is converted to use a voltage relay, the specified
running capacitance can be added.
Table 15A Buck-Boost Transformer Sizing
Table 15 Auxiliary Capacitor Sizing
MOTOR RATING NORMAL RUNNING
CAPACITOR(S)
AUXILIARY RUNNING CAPACITORS FOR
NOISE REDUCTION MAXIMUM AMPS WITH RUN CAP
HP VOLTS MFD MFD MIN. VOLTS FRANKLIN PART YELLOW BLACK RED
1/2 115 0 60(1) 370 TWO 155327101 8.4 7.0 4.0
1/2
230
0 15(1) 370 ONE 155328101 4.2 3.5 2.0
3/4 0 20(1) 370 ONE 155328103 5.8 5.0 2.5
10 25(1) 370 ONE EA. 155328101
155328102 7.1 5.6 3.4
1.5 10 20 370 ONE 155328103 9.3 7.5 4.4
220 10 370 ONE 155328102 11.2 9.2 3.8
345 NONE 370 17.0 12.6 6.0
580 NONE 370 27.5 19.1 10.8
7.5 45 45 370 ONE EA. 155327101
155328101 37.0 32.0 11.3
10 70 30 370 ONE 155327101 49.0 42.0 13.0
15 135 NONE 75.0 62.5 16.9
MOTOR HP 1/3 1/2 3/4 1 1.5 2 3 5 7.5 10 15
LOAD KVA 1.02 1.36 1.84 2.21 2.65 3.04 3.91 6.33 9.66 11.70 16.60
MINIMUM XFMR KVA 0.11 0.14 0.19 0.22 0.27 0.31 0.40 0.64 0.97 1.20 1.70
STANDARD XFMR KVA 0.25 0.25 0.25 0.25 0.50 0.50 0.50 0.75 1.00 1.50 2.00
!UXILIARY 2UNNING #APACITORS
"UCK"OOST 4RANSFORMERS
!DDED CAPACITORS MUST BE CONNECTED ACROSS h2EDv AND
h"LACKv CONTROL BOX TERMINALS IN PARALLEL WITH ANY EXISTING
running capacitors. The additional capacitor(s) should
be mounted in an auxiliary box. The values of additional
running capacitors most likely to reduce noise are given
below. The tabulation gives the max. S.F. amps normally
in each lead with the added capacitor.
Although motor amps decrease when auxiliary
run capacitance is added, the load on the motor
does not. If a motor is overloaded with normal
capacitance, it still will be overloaded with auxiliary
run capacitance, even though motor amps may be
within nameplate values.
15

!00,)#!4)/.
4HREE0HASE -OTORS
Continued on next page
60 °C
MOTOR RATING 60 °C INSULATION - AWG COPPER WIRE SIZE MCM COPPER WIRE SIZE
VOLTS HP KW 14 12 10 8 6 4 3 2 1 0 00 000 0000 250 300 350 400 500
200 V
60 Hz
Three-
Phase
3 - Lead
1/2 0.37 710 1140 1800 2840 4420
3/4 0.55 510 810 1280 2030 3160
1 0.75 430 690 1080 1710 2670 4140 5140
1.5 1.1 310 500 790 1260 1960 3050 3780
2 1.5 240 390 610 970 1520 2360 2940 3610 4430 5420
3 2.2 180 290 470 740 1160 1810 2250 2760 3390 4130
5 3.7 110 170 280 440 690 1080 1350 1660 2040 2490 3050 3670 4440 5030
7.5 5.5 0 0 200 310 490 770 960 1180 1450 1770 2170 2600 3150 3560
10 7.5 000230 370 570 720 880 1090 1330 1640 1970 2390 2720 3100 3480 3800 4420
15 11 000160 250 390 490 600 740 910 1110 1340 1630 1850 2100 2350 2570 2980
20 15 0000190 300 380 460 570 700 860 1050 1270 1440 1650 1850 2020 2360
25 18.5 00000240 300 370 460 570 700 840 1030 1170 1330 1500 1640 1900
30 22 000000250 310 380 470 580 700 850 970 1110 1250 1360 1590
230 V
60 Hz
Three-
Phase
3 - Lead
1/2 0.37 930 1490 2350 3700 5760 8910
3/4 0.55 670 1080 1700 2580 4190 6490 8060 9860
1 0.75 560 910 1430 2260 3520 5460 6780 8290
1.5 1.1 420 670 1060 1670 2610 4050 5030 6160 7530 9170
2 1.5 320 510 810 1280 2010 3130 3890 4770 5860 7170 8780
3 2.2 240 390 620 990 1540 2400 2980 3660 4480 5470 6690 8020 9680
5 3.7 140 230 370 590 920 1430 1790 2190 2690 3290 4030 4850 5870 6650 7560 8460 9220
7.5 5.5 0160 260 420 650 1020 1270 1560 1920 2340 2870 3440 4160 4710 5340 5970 6500 7510
10 7.5 0 0 190 310 490 760 950 1170 1440 1760 2160 2610 3160 3590 4100 4600 5020 5840
15 11 000210 330 520 650 800 980 1200 1470 1780 2150 2440 2780 3110 3400 3940
20 15 0000250 400 500 610 760 930 1140 1380 1680 1910 2180 2450 2680 3120
25 18.5 00000320 400 500 610 750 920 1120 1360 1540 1760 1980 2160 2520
30 22 00000260 330 410 510 620 760 930 1130 1280 1470 1650 1800 2110
380 V
60 Hz
Three-
Phase
3 - Lead
1/2 0.37 2690 4290 6730
3/4 0.55 2000 3190 5010 7860
1 0.75 1620 2580 4060 6390 9980
1.5 1.1 1230 1970 3100 4890 7630
2 1.5 870 1390 2180 3450 5400 8380
3 2.2 680 1090 1710 2690 4200 6500 8020 9830
5 3.7 400 640 1010 1590 2490 3870 4780 5870 7230 8830
7.5 5.5 270 440 690 1090 1710 2640 3260 4000 4930 6010 7290 8780
10 7.5 200 320 510 800 1250 1930 2380 2910 3570 4330 5230 6260 7390 8280 9340
15 11 0 0 370 590 920 1430 1770 2170 2690 3290 4000 4840 5770 6520 7430 8250 8990
20 15 000440 700 1090 1350 1670 2060 2530 3090 3760 4500 5110 5840 6510 7120 8190
25 18.5 000360 570 880 1100 1350 1670 2050 2510 3040 3640 4130 4720 5250 5740 6590
30 22 0000470 730 910 1120 1380 1700 2080 2520 3020 3430 3920 4360 4770 5490
40 30 00000530 660 820 1010 1240 1520 1840 2200 2500 2850 3170 3470 3990
50 37 000000540 660 820 1000 1220 1480 1770 2010 2290 2550 2780 3190
60 45 0000000560 690 850 1030 1250 1500 1700 1940 2150 2350 2700
75 55 00000000570 700 860 1050 1270 1440 1660 1850 2030 2350
100 75 000000000510 630 760 910 1030 1180 1310 1430 1650
125 93 00000000000620 740 840 950 1060 1160 1330
150 110 000000000000620 700 790 880 960 1090
175 130 0000000000000650 750 840 920 1070
200 150 0000000000000 0630 700 760 880
Lengths in BOLD only meet the US National Electrical Code ampacity requirements for individual conductors in free air
or water. Lengths NOT in bold meet NEC ampacity requirements for either individual conductors or jacketed cable. See
page 11 for additional details.
Table 16 Three-Phase 60 °C Cable, 60 Hz (Service Entrance to Motor) Maximum Length in Feet
16

!00,)#!4)/.
4HREE0HASE -OTORS
60 °C
MOTOR RATING 60 °C INSULATION - AWG COPPER WIRE SIZE MCM COPPER WIRE SIZE
VOLTS HP KW 14 12 10 8 6 4 3 2 1 0 00 000 0000 250 300 350 400 500
460 V
60 Hz
Three-
Phase
3 - Lead
1/2 0.37 3770 6020 9460
3/4 0.55 2730 4350 6850
1 0.75 2300 3670 5770 9070
1.5 1.1 1700 2710 4270 6730
2 1.5 1300 2070 3270 5150 8050
3 2.2 1000 1600 2520 3970 6200
5 3.7 590 950 1500 2360 3700 5750
7.5 5.5 420 680 1070 1690 2640 4100 5100 6260 7680
10 7.5 310 500 790 1250 1960 3050 3800 4680 5750 7050
15 11 0340 540 850 1340 2090 2600 3200 3930 4810 5900 7110
20 15 0 0 410 650 1030 1610 2000 2470 3040 3730 4580 5530
25 18.5 000530 830 1300 1620 1990 2450 3010 3700 4470 5430
30 22 000430 680 1070 1330 1640 2030 2490 3060 3700 4500 5130 5860
40 30 0000500 790 980 1210 1490 1830 2250 2710 3290 3730 4250
50 37 00000640 800 980 1210 1480 1810 2190 2650 3010 3420 3830 4180 4850
60 45 00000540 670 830 1020 1250 1540 1850 2240 2540 2890 3240 3540 4100
75 55 0000000680 840 1030 1260 1520 1850 2100 2400 2700 2950 3440
100 75 00000000620 760 940 1130 1380 1560 1790 2010 2190 2550
125 93 0000000000740 890 1000 1220 1390 1560 1700 1960
150 110 00000000000760 920 1050 1190 1340 1460 1690
175 130 000000000000810 930 1060 1190 1300 1510
200 150 0000000000000810 920 1030 1130 1310
575 V
60 Hz
Three-
Phase
3 - Lead
1/2 0.37 5900 9410
3/4 0.55 4270 6810
1 0.75 3630 5800 9120
1.5 1.1 2620 4180 6580
2 1.5 2030 3250 5110 8060
3 2.2 1580 2530 3980 6270
5 3.7 920 1480 2330 3680 5750
7.5 5.5 660 1060 1680 2650 4150
10 7.5 490 780 1240 1950 3060 4770 5940
15 11 330 530 850 1340 2090 3260 4060
20 15 0410 650 1030 1610 2520 3140 3860 4760 5830
25 18.5 0 0 520 830 1300 2030 2530 3110 3840 4710
30 22 0 0 430 680 1070 1670 2080 2560 3160 3880 4770 5780 7030 8000
40 30 000500 790 1240 1540 1900 2330 2860 3510 4230 5140 5830
50 37 0000640 1000 1250 1540 1890 2310 2840 3420 4140 4700 5340 5990 6530 7580
60 45 00000850 1060 1300 1600 1960 2400 2890 3500 3970 4520 5070 5530 6410
75 55 00000690 860 1060 1310 1600 1970 2380 2890 3290 3750 5220 4610 5370
100 75 0000000790 970 1190 1460 1770 2150 2440 2790 3140 3430 3990
125 93 00000000770 950 1160 1400 1690 1920 2180 2440 2650 3070
150 110 000000000800 990 1190 1440 1630 1860 2080 2270 2640
175 130 0000000000870 1050 1270 1450 1650 1860 2030 2360
200 150 00000000000920 1110 1260 1440 1620 1760 2050
Lengths in BOLD only meet the US National Electrical Code ampacity requirements for individual conductors in free air
or water. Lengths NOT in bold meet NEC ampacity requirements for either individual conductors or jacketed cable. See
11 for additional details.
Table 17 Three-Phase 60 °C Cable (Continued)
Continued on next page
17

!00,)#!4)/.
4HREE0HASE -OTORS
60 °C
MOTOR RATING 60 °C INSULATION - AWG COPPER WIRE SIZE MCM COPPER WIRE SIZE
VOLTS HP KW 14 12 10 8 6 4 3 2 1 0 00 000 0000 250 300 350 400 500
200 V
60 Hz
Three-
Phase
6 - Lead
Y-D
5 3.7 160 250 420 660 1030 1620 2020 2490 3060 3730 4570 5500 6660 7540
7.5 5.5 110 180 300 460 730 1150 1440 1770 2170 2650 3250 3900 4720 5340
10 7.5 80 130 210 340 550 850 1080 1320 1630 1990 2460 2950 3580 4080 4650 5220 5700 6630
15 11 0 0 140 240 370 580 730 900 1110 1360 1660 2010 2440 2770 3150 3520 3850 4470
20 15 000170 280 450 570 690 850 1050 1290 1570 1900 2160 2470 2770 3030 3540
25 18.5 000140 220 360 450 550 690 850 1050 1260 1540 1750 1990 2250 2460 2850
30 22 0000180 294 370 460 570 700 870 1050 1270 1450 1660 1870 2040 2380
230 V
60 Hz
Three-
Phase
6 - Lead
Y-D
5 3.7 210 340 550 880 1380 2140 2680 3280 4030 4930 6040 7270 8800 9970
7.5 5.5 150 240 390 630 970 1530 1900 2340 2880 3510 4300 5160 6240 7060 8010 8950 9750
10 7.5 110 180 280 460 730 1140 1420 1750 2160 2640 3240 3910 4740 5380 6150 6900 7530 8760
15 11 0 0 190 310 490 780 970 1200 1470 1800 2200 2670 3220 3660 4170 4660 5100 5910
20 15 0 0 140 230 370 600 750 910 1140 1390 1710 2070 2520 2860 3270 3670 4020 4680
25 18.5 000190 300 480 600 750 910 1120 1380 1680 2040 2310 2640 2970 3240 3780
30 22 000150 240 390 490 610 760 930 1140 1390 1690 1920 2200 2470 2700 3160
380 V
60 Hz
Three-
Phase
6 - Lead
Y-D
5 3.7 600 960 1510 2380 3730 5800 7170 8800
7.5 5.5 400 660 1030 1630 2560 3960 4890 6000 7390 9010
10 7.5 300 480 760 1200 1870 2890 3570 4360 5350 6490 7840 9390
15 11 210 340 550 880 1380 2140 2650 3250 4030 4930 6000 7260 8650 9780
20 15 160 260 410 660 1050 1630 2020 2500 3090 3790 4630 5640 6750 7660 4260 9760
25 18.5 0210 330 540 850 1320 1650 2020 2500 3070 3760 4560 5460 6190 7080 7870 8610 9880
30 22 0 0 270 430 700 1090 1360 1680 2070 2550 3120 3780 4530 5140 5880 6540 7150 8230
40 30 000320 510 790 990 1230 1510 1860 2280 2760 3300 3750 4270 4750 5200 5980
50 37 000250 400 630 810 990 1230 1500 1830 2220 2650 3010 3430 3820 4170 4780
60 45 0000340 540 660 840 1030 1270 1540 1870 2250 2550 2910 3220 3520 4050
75 55 00000450 550 690 855 1050 1290 1570 1900 2160 2490 2770 3040 3520
100 75 000000420 520 640 760 940 1140 1360 1540 1770 1960 2140 2470
125 93 0000000400 490 600 730 930 1110 1260 1420 1590 1740 1990
150 110 00000000420 510 620 750 930 1050 1180 1320 1440 1630
175 130 00000000360 440 540 660 780 970 1120 1260 1380 1600
200 150 0000000000480 580 690 790 940 1050 1140 1320
460 V
60 Hz
Three-
Phase
6 - Lead
Y-D
5 3.7 880 1420 2250 3540 5550 8620
7.5 5.5 630 1020 1600 2530 3960 6150 7650 9390
10 7.5 460 750 1180 1870 2940 4570 5700 7020 8620
15 11 310 510 810 1270 2010 3130 3900 4800 5890 7210 8850
20 15 230 380 610 970 1540 2410 3000 3700 4560 5590 6870 8290
25 18.5 190 310 490 790 1240 1950 2430 2980 3670 4510 5550 6700 8140
30 22 0250 410 640 1020 1600 1990 2460 3040 3730 4590 5550 6750 7690 8790
40 30 0 0 300 480 750 1180 1470 1810 2230 2740 3370 4060 4930 5590 6370
50 37 000370 590 960 1200 1470 1810 2220 2710 3280 3970 4510 5130 5740 6270 7270
60 45 000320 500 810 1000 1240 1530 1870 2310 2770 3360 3810 4330 4860 5310 6150
75 55 0000420 660 810 1020 1260 1540 1890 2280 2770 3150 3600 4050 4420 5160
100 75 00000500 610 760 930 1140 1410 1690 2070 2340 2680 3010 3280 3820
125 93 000000470 590 730 880 1110 1330 1500 1830 2080 2340 2550 2940
150 110 0000000510 630 770 950 1140 1380 1570 1790 2000 2180 2530
175 130 00000000550 680 830 1000 1220 1390 1580 1780 1950 2270
200 150 000000000590 730 880 1070 1210 1380 1550 1690 1970
575 V
60 Hz
Three-
Phase
6 - Lead
Y-D
5 3.7 1380 2220 3490 5520 8620
7.5 5.5 990 1590 2520 3970 6220
10 7.5 730 1170 1860 2920 4590 7150 8910
15 11 490 790 1270 2010 3130 4890 6090
20 15 370 610 970 1540 2410 3780 4710 5790 7140 8740
25 18.5 300 490 780 1240 1950 3040 3790 4660 5760 7060
30 22 240 400 645 1020 1600 2500 3120 3840 4740 5820 7150 8670
40 30 0300 480 750 1180 1860 2310 2850 3490 4290 5260 6340 7710 8740
50 37 0 0 380 590 960 1500 1870 2310 2830 3460 4260 5130 6210 7050 8010 8980 9790
60 45 000500 790 1270 1590 1950 2400 2940 3600 4330 5250 5950 6780 7600 8290 9610
75 55 000420 660 1030 1290 1590 1960 2400 2950 3570 4330 4930 5620 6330 6910 8050
100 75 0000400 780 960 1180 1450 1780 2190 2650 3220 3660 4180 4710 5140 5980
125 93 00000600 740 920 1150 1420 1740 2100 2530 2880 3270 3660 3970 4600
150 110 000000650 800 990 1210 1480 1780 2160 2450 2790 3120 3410 3950
175 130 0000000700 860 1060 1300 1570 1910 2170 2480 2780 3040 3540
200 150 00000000760 930 1140 1370 1670 1890 2160 2420 2640 3070
Lengths in BOLD only meet the US National Electrical Code ampacity requirements for individual conductors in free air
or water. Lengths NOT in bold meet NEC ampacity requirements for either individual conductors or jacketed cable. See
page 11 for additional details.
Table 18 Three-Phase 60 °C Cable (Continued)
18

!00,)#!4)/.
4HREE0HASE -OTORS
Continued on next page
75 °C
MOTOR RATING 75 °C INSULATION - AWG COPPER WIRE SIZE MCM COPPER WIRE SIZE
VOLTS HP KW 14 12 10 8 6 4 3 2 1 0 00 000 0000 250 300 350 400 500
200 V
60 Hz
Three-
Phase
3 - Lead
1/2 0.37 710 1140 1800 2840 4420
3/4 0.55 510 810 1280 2030 3160
1 0.75 430 690 1080 1710 2670 4140 5140
1.5 1.1 310 500 790 1260 1960 3050 3780
2 1.5 240 390 610 970 1520 2360 2940 3610 4430 5420
3 2.2 180 290 470 740 1160 1810 2250 2760 3390 4130
5 3.7 110 170 280 440 690 1080 1350 1660 2040 2490 3050 3670 4440 5030
7.5 5.5 0 0 200 310 490 770 960 1180 1450 1770 2170 2600 3150 3560
10 7.5 0 0 150 230 370 570 720 880 1090 1330 1640 1970 2390 2720 3100 3480 3800 4420
15 11 000160 250 390 490 600 740 910 1110 1340 1630 1850 2100 2350 2570 2980
20 15 0000190 300 380 460 570 700 860 1050 1270 1440 1650 1850 2020 2360
25 18.5 00000240 300 370 460 570 700 840 1030 1170 1330 1500 1640 1900
30 22 00000200 250 310 380 470 580 700 850 970 1110 1250 1360 1590
230 V
60 Hz
Three-
Phase
3 - Lead
1/2 0.37 930 1490 2350 3700 5760 8910
3/4 0.55 670 1080 1700 2580 4190 6490 8060 9860
1 0.75 560 910 1430 2260 3520 5460 6780 8290
1.5 1.1 420 670 1060 1670 2610 4050 5030 6160 7530 9170
2 1.5 320 510 810 1280 2010 3130 3890 4770 5860 7170 8780
3 2.2 240 390 620 990 1540 2400 2980 3660 4480 5470 6690 8020 9680
5 3.7 140 230 370 590 920 1430 1790 2190 2690 3290 4030 4850 5870 6650 7560 8460 9220
7.5 5.5 0160 260 420 650 1020 1270 1560 1920 2340 2870 3440 4160 4710 5340 5970 6500 7510
10 7.5 0 0 190 310 490 760 950 1170 1440 1760 2160 2610 3160 3590 4100 4600 5020 5840
15 11 000210 330 520 650 800 980 1200 1470 1780 2150 2440 2780 3110 3400 3940
20 15 000160 250 400 500 610 760 930 1140 1380 1680 1910 2180 2450 2680 3120
25 18.5 0000200 320 400 500 610 750 920 1120 1360 1540 1760 1980 2160 2520
30 22 00000260 330 410 510 620 760 930 1130 1280 1470 1650 1800 2110
380 V
60 Hz
Three-
Phase
3 - Lead
1/2 0.37 2690 4290 6730
3/4 0.55 2000 3190 5010 7860
1 0.75 1620 2580 4060 6390 9980
1.5 1.1 1230 1970 3100 4890 7630
2 1.5 870 1390 2180 3450 5400 8380
3 2.2 680 1090 1710 2690 4200 6500 8020 9830
5 3.7 400 640 1010 1590 2490 3870 4780 5870 7230 8830
7.5 5.5 270 440 690 1090 1710 2640 3260 4000 4930 6010 7290 8780
10 7.5 200 320 510 800 1250 1930 2380 2910 3570 4330 5230 6260 7390 8280 9340
15 11 0 0 370 590 920 1430 1770 2170 2690 3290 4000 4840 5770 6520 7430 8250 8990
20 15 0 0 280 440 700 1090 1350 1670 2060 2530 3090 3760 4500 5110 2840 6510 7120 8190
25 18.5 000360 570 880 1100 1350 1670 2050 2510 3040 3640 4130 4720 5250 5740 6590
30 22 000290 470 730 910 1120 1380 1700 2080 2520 3020 3430 3920 4360 4770 5490
40 30 00000530 660 820 1010 1240 1520 1840 2200 2500 2850 3170 3470 3990
50 37 00000440 540 660 820 1000 1220 1480 1770 2010 2290 2550 2780 3190
60 45 00000370 460 560 690 850 1030 1250 1500 1700 1940 2150 2350 2700
75 55 0000000460 570 700 860 1050 1270 1440 1660 1850 2030 2350
100 75 00000000420 510 630 760 910 1030 1180 1310 1430 1650
125 93 0000000000510 620 740 840 950 1060 1160 1330
150 110 00000000000520 620 700 790 880 960 1090
175 130 000000000000560 650 750 840 920 1070
200 150 0000000000000550 630 700 760 880
Lengths in BOLD only meet the US National Electrical Code ampacity requirements for individual conductors in free air
or water. Lengths NOT in bold meet NEC ampacity requirements for either individual conductors or jacketed cable. See
page 11 for additional details.
Table 19 Three-Phase 75 °C Cable, 60 Hz (Service Entrance to Motor) Maximum Length in Feet
19

!00,)#!4)/.
4HREE0HASE -OTORS
75 °C
MOTOR RATING 75 °C INSULATION - AWG COPPER WIRE SIZE MCM COPPER WIRE SIZE
VOLTS HP KW 14 12 10 8 6 4 3 2 1 0 00 000 0000 250 300 350 400 500
460 V
60 Hz
Three-
Phase
3 - Lead
1/2 0.37 3770 6020 9460
3/4 0.55 2730 4350 6850
1 0.75 2300 3670 5770 9070
1.5 1.1 1700 2710 4270 6730
2 1.5 1300 2070 3270 5150 8050
3 2.2 1000 1600 2520 3970 6200
5 3.7 590 950 1500 2360 3700 5750
7.5 5.5 420 680 1070 1690 2640 4100 5100 6260 7680
10 7.5 310 500 790 1250 1960 3050 3800 4680 5750 7050
15 11 0340 540 850 1340 2090 2600 3200 3930 4810 5900 7110
20 15 0 0 410 650 1030 1610 2000 2470 3040 3730 4580 5530
25 18.5 0 0 330 530 830 1300 1620 1990 2450 3010 3700 4470 5430
30 22 0 0 270 430 680 1070 1330 1640 2030 2490 3060 3700 4500 5130 5860
40 30 000320 500 790 980 1210 1490 1830 2250 2710 3290 3730 4250
50 37 0000410 640 800 980 1210 1480 1810 2190 2650 3010 3420 3830 4180 4850
60 45 00000540 670 830 1020 1250 1540 1850 2240 2540 2890 3240 3540 4100
75 55 00000440 550 680 840 1030 1260 1520 1850 2100 2400 2700 2950 3440
100 75 0000000500 620 760 940 1130 1380 1560 1790 2010 2190 2550
125 93 000000000600 740 890 1000 1220 1390 1560 1700 1960
150 110 0000000000630 760 920 1050 1190 1340 1460 1690
175 130 00000000000670 810 930 1060 1190 1300 1510
200 150 00000000000590 710 810 920 1030 1130 1310
575 V
60 Hz
Three-
Phase
3 - Lead
1/2 0.37 5900 9410
3/4 0.55 4270 6810
1 0.75 3630 5800 9120
1.5 1.1 2620 4180 6580
2 1.5 2030 3250 5110 8060
3 2.2 1580 2530 3980 6270
5 3.7 920 1480 2330 3680 5750
7.5 5.5 660 1060 1680 2650 4150
10 7.5 490 780 1240 1950 3060 4770 5940
15 11 330 530 850 1340 2090 3260 4060
20 15 0410 650 1030 1610 2520 3140 3860 4760 5830
25 18.5 0 0 520 830 1300 2030 2530 3110 3840 4710
30 22 0 0 430 680 1070 1670 2080 2560 3160 3880 4770 5780 7030 8000
40 30 000500 790 1240 1540 1900 2330 2860 3510 4230 5140 5830
50 37 000410 640 1000 1250 1540 1890 2310 2840 3420 4140 4700 5340 5990 6530 7580
60 45 0000540 850 1060 1300 1600 1960 2400 2890 3500 3970 4520 5070 5530 6410
75 55 00000690 860 1060 1310 1600 1970 2380 2890 3290 3750 5220 4610 5370
100 75 000000640 790 970 1190 1460 1770 2150 2440 2790 3140 3430 3990
125 93 0000000630 770 950 1160 1400 1690 1920 2180 2440 2650 3070
150 110 00000000660 800 990 1190 1440 1630 1860 2080 2270 2640
175 130 000000000700 870 1050 1270 1450 1650 1860 2030 2360
200 150 0000000000760 920 1110 1260 1440 1620 1760 2050
Lengths in BOLD only meet the US National Electrical Code ampacity requirements for individual conductors in free air
or water. Lengths NOT in bold meet NEC ampacity requirements for either individual conductors or jacketed cable. See
page 11 for additional details.
Table 20 Three-Phase 75 °C Cable (Continued)
Continued on next page 20

!00,)#!4)/.
4HREE0HASE -OTORS
75 °C
MOTOR RATING 75 °C INSULATION - AWG COPPER WIRE SIZE MCM COPPER WIRE SIZE
VOLTS HP KW 14 12 10 8 6 4 3 2 1 0 00 000 0000 250 300 350 400 500
200 V
60 Hz
Three-
Phase
6 - Lead
Y-D
5 3.7 160 250 420 660 1030 1620 2020 2490 3060 3730 4570 5500 6660 7540
7.5 5.5 110 180 300 460 730 1150 1440 1770 2170 2650 3250 3900 4720 5340
10 7.5 80 130 210 340 550 850 1080 1320 1630 1990 2460 2950 3580 4080 4650 5220 5700 6630
15 11 0 0 140 240 370 580 730 900 1110 1360 1660 2010 2440 2770 3150 3520 3850 4470
20 15 0 0 120 170 280 450 570 690 850 1050 1290 1570 1900 2160 2470 2770 3030 3540
25 18.5 000140 220 360 450 550 690 850 1050 1260 1540 1750 1990 2250 2460 2850
30 22 000120 180 294 370 460 570 700 870 1050 1270 1450 1660 1870 2040 2380
230 V
60 Hz
Three-
Phase
6 - Lead
Y-D
5 3.7 210 340 550 880 1380 2140 2680 3280 4030 4930 6040 7270 8800 9970
7.5 5.5 150 240 390 630 970 1530 1900 2340 2880 3510 4300 5160 6240 7060 8010 8950 9750
10 7.5 110 180 280 460 730 1140 1420 1750 2160 2640 3240 3910 4740 5380 6150 6900 7530 8760
15 11 0130 190 310 490 780 970 1200 1470 1800 2200 2670 3220 3660 4170 4660 5100 5910
20 15 0 0 140 230 370 600 750 910 1140 1390 1710 2070 2520 2860 3270 3670 4020 4680
25 18.5 0 0 120 190 300 480 600 750 910 1120 1380 1680 2040 2310 2640 2970 3240 3780
30 22 000150 240 390 490 610 760 930 1140 1390 1690 1920 2200 2470 2700 3160
380 V
60 Hz
Three-
Phase
6 - Lead
Y-D
5 3.7 600 960 1510 2380 3730 5800 7170 8800
7.5 5.5 400 660 1030 1630 2560 3960 4890 6000 7390 9010
10 7.5 300 480 760 1200 1870 2890 3570 4360 5350 6490 7840 9390
15 11 210 340 550 880 1380 2140 2650 3250 4030 4930 6000 7260 8650 9780
20 15 160 260 410 660 1050 1630 2020 2500 3090 3790 4630 5640 6750 7660 4260 9760
25 18.5 0210 330 540 850 1320 1650 2020 2500 3070 3760 4560 5460 6190 7080 7870 8610 9880
30 22 0 0 270 430 700 1090 1360 1680 2070 2550 3120 3780 4530 5140 5880 6540 7150 8230
40 30 0 0 210 320 510 790 990 1230 1510 1860 2280 2760 3300 3750 4270 4750 5200 5980
50 37 000250 400 630 810 990 1230 1500 1830 2220 2650 3010 3430 3820 4170 4780
60 45 0000340 540 660 840 1030 1270 1540 1870 2250 2550 2910 3220 3520 4050
75 55 0000290 450 550 690 855 1050 1290 1570 1900 2160 2490 2770 3040 3520
100 75 00000340 420 520 640 760 940 1140 1360 1540 1770 1960 2140 2470
125 93 000000340 400 490 600 730 930 1110 1260 1420 1590 1740 1990
150 110 0000000350 420 510 620 750 930 1050 1180 1320 1440 1630
175 130 00000000360 440 540 660 780 970 1120 1260 1380 1600
200 150 000000000410 480 580 690 790 940 1050 1140 1320
460 V
60 Hz
Three-
Phase
6 - Lead
Y-D
5 3.7 880 1420 2250 3540 5550 8620
7.5 5.5 630 1020 1600 2530 3960 6150 7650 9390
10 7.5 460 750 1180 1870 2940 4570 5700 7020 8620
15 11 310 510 810 1270 2010 3130 3900 4800 5890 7210 8850
20 15 230 380 610 970 1540 2410 3000 3700 4560 5590 6870 8290
25 18.5 190 310 490 790 1240 1950 2430 2980 3670 4510 5550 6700 8140
30 22 0250 410 640 1020 1600 1990 2460 3040 3730 4590 5550 6750 7690 8790
40 30 0 0 300 480 750 1180 1470 1810 2230 2740 3370 4060 4930 5590 6370
50 37 0 0 250 370 590 960 1200 1470 1810 2220 2710 3280 3970 4510 5130 5740 6270 7270
60 45 000320 500 810 1000 1240 1530 1870 2310 2770 3360 3810 4330 4860 5310 6150
75 55 0000420 660 810 1020 1260 1540 1890 2280 2770 3150 3600 4050 4420 5160
100 75 0000310 500 610 760 930 1140 1410 1690 2070 2340 2680 3010 3280 3820
125 93 00000390 470 590 730 880 1110 1330 1500 1830 2080 2340 2550 2940
150 110 000000420 510 630 770 950 1140 1380 1570 1790 2000 2180 2530
175 130 0000000450 550 680 830 1000 1220 1390 1580 1780 1950 2270
200 150 00000000480 590 730 880 1070 1210 1380 1550 1690 1970
575 V
60 Hz
Three-
Phase
6 - Lead
Y-D
5 3.7 1380 2220 3490 5520 8620
7.5 5.5 990 1590 2520 3970 6220
10 7.5 730 1170 1860 2920 4590 7150 8910
15 11 490 790 1270 2010 3130 4890 6090
20 15 370 610 970 1540 2410 3780 4710 5790 7140 8740
25 18.5 300 490 780 1240 1950 3040 3790 4660 5760 7060
30 22 240 400 645 1020 1600 2500 3120 3840 4740 5820 7150 8670
40 30 0300 480 750 1180 1860 2310 2850 3490 4290 5260 6340 7710 8740
50 37 0 0 380 590 960 1500 1870 2310 2830 3460 4260 5130 6210 7050 8010 8980 9790
60 45 0 0 330 500 790 1270 1590 1950 2400 2940 3600 4330 5250 5950 6780 7600 8290 9610
75 55 000420 660 1030 1290 1590 1960 2400 2950 3570 4330 4930 5620 6330 6910 8050
100 75 0000400 780 960 1180 1450 1780 2190 2650 3220 3660 4180 4710 5140 5980
125 93 00000600 740 920 1150 1420 1740 2100 2530 2880 3270 3660 3970 4600
150 110 00000520 650 800 990 1210 1480 1780 2160 2450 2790 3120 3410 3950
175 130 000000570 700 860 1060 1300 1570 1910 2170 2480 2780 3040 3540
200 150 000000500 610 760 930 1140 1370 1670 1890 2160 2420 2640 3070
Lengths in BOLD only meet the US National Electrical Code ampacity requirements for individual conductors in free air
or water. Lengths NOT in bold meet NEC ampacity requirements for either individual conductors or jacketed cable. See
page 11 for additional details.
Table 21 Three-Phase 75 °C Cable (Continued)
21

!00,)#!4)/.
4HREE0HASE -OTORS
Table 22 Three-Phase Motor Specifications (60 Hz) 3450 rpm
22
TYPE
MOTOR
MODEL
PREFIX
RATING FULL LOAD MAXIMUM
LOAD LINE TO LINE
RESISTANCE
OHMS
EFFICIENCY % LOCKED
ROTOR
AMPS
KVA
CODE
HP KW VOLTS HZ S.F. AMPS WATTS AMPS WATTS S.F. F.L.
4"
234501
1/2 0.37
200 60 1.6 2.8 585 3.4 860 6.6-8.4 70 64 17.5 N
234511 230 60 1.6 2.4 585 2.9 860 9.5-10.9 70 64 15.2 N
234541 380 60 1.6 1.4 585 2.1 860 23.2-28.6 70 64 9.2 N
234521 460 60 1.6 1.2 585 1.5 860 38.4-44.1 70 64 7.6 N
234531 575 60 1.6 1.0 585 1.2 860 58.0-71.0 70 64 6.1 N
234502
3/4 0.55
200 60 1.5 3.6 810 4.4 1150 4.6-5.9 73 69 24.6 N
234512 230 60 1.5 3.1 810 3.8 1150 6.8-7.8 73 69 21.4 N
234542 380 60 1.5 1.9 810 2.5 1150 16.6-20.3 73 69 13 N
234522 460 60 1.5 1.6 810 1.9 1150 27.2-30.9 73 69 10.7 N
234532 575 60 1.5 1.3 810 1.6 1150 41.5-50.7 73 69 8.6 N
234503
1 0.75
200 60 1.4 4.5 1070 5.4 1440 3.8-4.5 72 70 30.9 M
234513 230 60 1.4 3.9 1070 4.7 1440 4.9-5.6 72 70 26.9 M
234543 380 60 1.4 2.3 1070 2.8 1440 12.2-14.9 72 70 16.3 M
234523 460 60 1.4 2 1070 2.4 1440 19.9-23.0 72 70 13.5 M
234533 575 60 1.4 1.6 1070 1.9 1440 30.1-36.7 72 70 10.8 M
234504
1.5 1.1
200 60 1.3 5.8 1460 6.8 1890 2.5-3.0 76 76 38.2 K
234514 230 60 1.3 5 1460 5.9 1890 3.2-4.0 76 76 33.2 K
234544 380 60 1.3 3 1460 3.6 1890 8.5-10.4 76 76 20.1 K
234524 460 60 1.3 2.5 1460 3.1 1890 13.0-16.0 76 76 16.6 K
234534 575 60 1.3 2 1460 2.4 1890 20.3-25.0 76 76 13.3 K
234305
2 1.5
200 60 1.25 7.7 1960 9.3 2430 1.8-2.4 76 76 50.3 K
234315 230 60 1.25 6.7 1960 8.1 2430 2.3-3.0 76 76 45.0 K
234345 380 60 1.25 4.1 1960 4.9 2430 6.6-8.2 76 76 26.6 K
234325 460 60 1.25 3.4 1960 4.1 2430 9.2-12.0 76 76 22.5 K
234335 575 60 1.25 2.7 1960 3.2 2430 14.6-18.7 76 76 17.8 K
234306
3 2.2
200 60 1.15 10.9 2920 12.5 3360 1.3-1.7 77 77 69.5 K
234316 230 60 1.15 9.5 2920 10.9 3360 1.8-2.2 77 77 60.3 K
234346 380 60 1.15 5.8 2920 6.6 3360 4.7-6.0 77 77 37.5 K
234326 460 60 1.15 4.8 2920 5.5 3360 7.2-8.8 77 77 31.0 K
234336 575 60 1.15 3.8 2920 4.4 3360 11.4-13.9 77 77 25.1 K
234307
5 3.7
200 60 1.15 18.3 4800 20.5 5500 .68-.83 78 78 116 K
234317 230 60 1.15 15.9 4800 17.8 5500 .91-1.1 78 78 102 K
234347 380 60 1.15 9.6 4800 10.8 5500 2.6-3.2 78 78 60.2 K
234327 460 60 1.15 8.0 4800 8.9 5500 3.6-4.4 78 78 53.7 K
234337 575 60 1.15 6.4 4800 7.1 5500 5.6-6.9 78 78 41.8 K
234308
7.5 5.5
200 60 1.15 26.5 7150 30.5 8200 .43-.53 78 78 177 K
234318 230 60 1.15 23.0 7150 26.4 8200 .60-.73 78 78 152 K
234348 380 60 1.15 13.9 7150 16.0 8200 1.6-2.0 78 78 92.7 K
234328 460 60 1.15 11.5 7150 13.2 8200 2.3-2.8 78 78 83.8 K
234338 575 60 1.15 9.2 7150 10.6 8200 3.6-4.5 78 78 64.6 K
234549
10 7.5
380 60 1.15 19.3 10000 21.0 11400 1.2-1.6 75 75 140 L
234595 460 60 1.15 15.9 10000 17.3 11400 1.8-2.3 75 75 116.0 L
234598 575 60 1.15 12.5 10000 13.6 11400 2.8-3.5 75 75 92.8 L

!00,)#!4)/.
4HREE0HASE -OTORS
Table 23 Three-Phase Motor Fuse Sizing
TYPE
MOTOR
MODEL
PREFIX
RATING
CIRCUIT BREAKERS OR FUSE AMPS CIRCUIT BREAKERS OR FUSE AMPS
(MAXIMUM PER NEC) (TYPICAL SUBMERSIBLE)
STANDARD
FUSE
DUAL ELEMENT TIME
DELAY FUSE
CIRCUIT
BREAKER
STANDARD
FUSE
DUAL ELEMENT TIME
DELAY FUSE
CIRCUIT
BREAKER
HP KW VOLTS
4"
234501
1/2 0.37
200 10 5 8 10 4 15
234511 230 8 4.5 6 8 4 15
234541 380 5 2.5 4 5 2 15
234521 460 4 2.25 3 4 2 15
234531 575 3 1.8 3 3 1.4 15
234502
3/4 0.55
200 15 7 10 12 5 15
234512 230 10 5.6 8 10 5 15
234542 380 6 3.5 5 6 3 15
234522 460 5 2.8 4 5 3 15
234532 575 4 2.5 4 4 1.8 15
234503
1 0.75
200 15 8 15 15 6 15
234513 230 15 7 10 12 6 15
234543 380 8 4.5 8 8 4 15
234523 460 6 3.5 5 6 3 15
234533 575 5 2.8 4 5 2.5 15
234504
1.5 1.1
200 20 12 15 20 8 15
234514 230 15 9 15 15 8 15
234544 380 10 5.6 8 10 4 15
234524 460 8 4.5 8 8 4 15
234534 575 6 3.5 5 6 3 15
234305
2 1.5
200 25 15 20 25 11 20
234315 230 25 12 20 25 10 20
234345 380 15 8 15 15 6 15
234325 460 15 6 10 11 5 15
234335 575 10 5 8 10 4 15
234306
3 2.2
200 35 20 30 35 15 30
234316 230 30 17.5 25 30 12 25
234346 380 20 12 15 20 8 15
234326 460 15 9 15 15 6 15
234336 575 15 7 10 11 5 15
234307
5 3.7
200 60 35 50 60 25 50
234317 230 50 30 40 45 20 40
234347 380 30 17.5 25 30 12 25
234327 460 25 15 20 25 10 20
234337 575 20 12 20 20 8 20
234308
7.5 5.5
200 90 50 70 80 35 70
234318 230 80 45 60 70 30 60
234348 380 45 25 40 40 20 40
234328 460 40 25 30 35 15 30
234338 575 30 17.5 25 30 12 25
234349
10 7.5
380 70 40 60 60 25 60
234329 460 60 30 45 50 25 45
234339 575 45 25 35 40 20 35
234549 380 70 35 60 60 25 60
234595 460 60 30 45 50 25 45
234598 575 45 25 35 40 20 35
23

!00,)#!4)/.
4HREE0HASE -OTORS
Model numbers above are for three-lead motors. Six-lead motors with different model numbers have the same running
performance, but when Wye connected for starting have locked rotor amps 33% of the values shown. Six-lead individual
phase resistance = table X 1.5.
Table 24 Three-Phase Motor Specifications (60 Hz) 3450 rpm
TYPE
MOTOR
MODEL
PREFIX
RATING FULL LOAD MAXIMUM
LOAD LINE TO LINE
RESISTANCE
OHMS
EFFICIENCY % LOCKED
ROTOR
AMPS
KVA
CODE
HP KW VOLTS HZ S.F. AMPS WATTS AMPS WATTS S.F. F.L.
6"
STD.
236650
5 3.7
200 60 1.15 17.5 4700 20.0 5400 .77-.93 79 79 99 H
236600 230 60 1.15 15 4700 17.6 5400 1.0-1.2 79 79 86 H
236660 380 60 1.15 9.1 4700 10.7 5400 2.6-3.2 79 79 52 H
236610 460 60 1.15 7.5 4700 8.8 5400 3.9-4.8 79 79 43 H
236620 575 60 1.15 6 4700 7.1 5400 6.3-7.7 79 79 34 H
236651
7.5 5.5
200 60 1.15 25.1 7000 28.3 8000 .43-.53 80 80 150 H
236601 230 60 1.15 21.8 7000 24.6 8000 .64-.78 80 80 130 H
236661 380 60 1.15 13.4 7000 15 8000 1.6-2.1 80 80 79 H
236611 460 60 1.15 10.9 7000 12.3 8000 2.4-2.9 80 80 65 H
236621 575 60 1.15 8.7 7000 9.8 8000 3.7-4.6 80 80 52 H
236652
10 7.5
200 60 1.15 32.7 9400 37 10800 .37-.45 79 79 198 H
236602 230 60 1.15 28.4 9400 32.2 10800 .47-.57 79 79 172 H
236662 380 60 1.15 17.6 9400 19.6 10800 1.2-1.5 79 79 104 H
236612 460 60 1.15 14.2 9400 16.1 10800 1.9-2.4 79 79 86 H
236622 575 60 1.15 11.4 9400 12.9 10800 3.0-3.7 79 79 69 H
236653
15 11
200 60 1.15 47.8 13700 54.4 15800 .24-.29 81 81 306 H
236603 230 60 1.15 41.6 13700 47.4 15800 .28-.35 81 81 266 H
236663 380 60 1.15 25.8 13700 28.9 15800 .77-.95 81 81 161 H
236613 460 60 1.15 20.8 13700 23.7 15800 1.1-1.4 81 81 133 H
236623 575 60 1.15 16.6 13700 19 15800 1.8-2.3 81 81 106 H
236654
20 15
200 60 1.15 61.9 18100 69.7 20900 .16-.20 82 82 416 J
236604 230 60 1.15 53.8 18100 60.6 20900 .22-.26 82 82 362 J
236664 380 60 1.15 33 18100 37.3 20900 .55-.68 82 82 219 J
236614 460 60 1.15 26.9 18100 30.3 20900 .8-1.0 82 82 181 J
236624 575 60 1.15 21.5 18100 24.2 20900 1.3-1.6 82 82 145 J
236655
25 18.5
200 60 1.15 77.1 22500 86.3 25700 .12-.15 83 83 552 J
236605 230 60 1.15 67 22500 75 25700 .15-.19 83 83 480 J
236665 380 60 1.15 41 22500 46 25700 .46-.56 83 83 291 J
236615 460 60 1.15 33.5 22500 37.5 25700 .63-.77 83 83 240 J
236625 575 60 1.15 26.8 22500 30 25700 1.0-1.3 83 83 192 J
236656
30 22
200 60 1.15 90.9 26900 104 31100 .09-.11 83 83 653 J
236606 230 60 1.15 79 26900 90.4 31100 .14-.17 83 83 568 J
236666 380 60 1.15 48.8 26900 55.4 31100 .35-.43 83 83 317 J
236616 460 60 1.15 39.5 26900 45.2 31100 .52-.64 83 83 284 J
236626 575 60 1.15 31.6 26900 36.2 31100 .78-.95 83 83 227 J
236667
40 30
380 60 1.15 66.5 35600 74.6 42400 .26-.33 83 83 481 J
236617 460 60 1.15 54.9 35600 61.6 42400 .34-.42 83 83 397 J
236627 575 60 1.15 42.8 35600 49.6 42400 .52-.64 83 83 318 H
236668
50 37
380 60 1.15 83.5 45100 95 52200 .21-.25 82 83 501 H
236618 460 60 1.15 67.7 45100 77 52200 .25-.32 82 83 414 H
236628 575 60 1.15 54.2 45100 61.6 52200 .40-.49 82 83 331 H
276668 380 60 1.15 82.4 45100 94.5 52200 .21 - .25 82 83 501 H
276618 460 60 1.15 68.1 45100 78.1 52200 .25 - .32 82 83 414 H
276628 575 60 1.15 54.5 45100 62.5 52200 .40 - .49 82 83 331 H
236669
60 45
380 60 1.15 98.7 53500 111 61700 .15-.18 84 84 627 H
236619 460 60 1.15 80.5 53500 91 61700 .22-.27 84 84 518 H
236629 575 60 1.15 64.4 53500 72.8 61700 .35-.39 84 84 414 H
276669 380 60 1.15 98.1 53500 111.8 61700 .15 - .18 84 84 627 H
276619 460 60 1.15 81.0 53500 92.3 61700 .22 - .27 84 84 518 H
276629 575 60 1.15 64.8 53500 73.9 61700 .35 - .39 84 84 414 H
24

!00,)#!4)/.
4HREE0HASE -OTORS
TYPE
MOTOR
MODEL
PREFIX
RATING FULL LOAD MAXIMUM
LOAD LINE TO LINE
RESISTANCE
OHMS
EFFICIENCY % LOCKED
ROTOR
AMPS
KVA
CODE
HP KW VOLTS HZ S.F. AMPS WATTS AMPS WATTS S.F. F.L.
6"
HI-
TEMP
90 °C
276650
5 3.7
200 60 1.15 17.2 5200 19.8 5800 .53 - .65 73 72 124 K
276600 230 60 1.15 15.0 5200 17.2 5800 .68 - .84 73 72 108 K
276660 380 60 1.15 9.1 5200 10.4 5800 2.0 - 2.4 73 72 66.0 K
276610 460 60 1.15 7.5 5200 8.6 5800 2.8 - 3.4 73 72 54.0 K
276620 575 60 1.15 6.0 5200 6.9 5800 4.7 - 5.7 73 72 43.0 K
276651
7.5 5.5
200 60 1.15 24.8 7400 28.3 8400 .30 - .37 77 76 193 K
276601 230 60 1.15 21.6 7400 24.6 8400 .41 - .50 77 76 168 K
276661 380 60 1.15 13.1 7400 14.9 8400 1.1 - 1.4 77 76 102 K
276611 460 60 1.15 10.8 7400 12.3 8400 1.7 - 2.0 77 76 84.0 K
276621 575 60 1.15 8.6 7400 9.9 8400 2.6 - 3.2 77 76 67.0 K
276652
10 7.5
200 60 1.15 32.0 9400 36.3 10700 .21 - .26 80 79 274 L
276602 230 60 1.15 27.8 9400 31.6 10700 .28 - .35 80 79 238 L
276662 380 60 1.15 16.8 9400 19.2 10700 .80 - .98 80 79 144 L
276612 460 60 1.15 13.9 9400 15.8 10700 1.2 - 1.4 80 79 119 L
276622 575 60 1.15 11.1 9400 12.7 10700 1.8 - 2.2 80 79 95.0 L
276653
15 11
200 60 1.15 48.5 14000 54.5 15900 .15 - .19 81 80 407 L
276603 230 60 1.15 42.2 14000 47.4 15900 .19 - .24 81 80 354 L
276663 380 60 1.15 25.5 14000 28.7 15900 .52 - .65 81 80 214 L
276613 460 60 1.15 21.1 14000 23.7 15900 .78 - .96 81 80 177 L
276623 575 60 1.15 16.9 14000 19.0 15900 1.2 - 1.4 81 80 142 L
276654
20 15
200 60 1.15 64.9 18600 73.6 21300 .10 - .12 80 80 481 K
276604 230 60 1.15 56.4 18600 64.0 21300 .14 - .18 80 80 418 K
276664 380 60 1.15 34.1 18600 38.8 21300 .41 - .51 80 80 253 K
276614 460 60 1.15 28.2 18600 32.0 21300 .58 - .72 80 80 209 K
276624 575 60 1.15 22.6 18600 25.6 21300 .93 - 1.15 80 80 167 K
276655
25 18.5
200 60 1.15 80.0 22600 90.6 25800 .09 - .11 83 82 665 L
276605 230 60 1.15 69.6 22600 78.8 25800 .11 - .14 83 82 578 L
276665 380 60 1.15 42.1 22600 47.7 25800 .27 - .34 83 82 350 L
276615 460 60 1.15 34.8 22600 39.4 25800 .41 - .51 83 82 289 L
276625 575 60 1.15 27.8 22600 31.6 25800 .70 - .86 83 82 231 L
276656
30 22
200 60 1.15 95.0 28000 108.6 31900 .07 - .09 81 80 736 K
276606 230 60 1.15 82.6 28000 94.4 31900 .09 - .12 81 80 640 K
276666 380 60 1.15 50.0 28000 57.2 31900 .23 - .29 81 80 387 K
276616 460 60 1.15 41.3 28000 47.2 31900 .34 - .42 81 80 320 K
276626 575 60 1.15 33.0 28000 37.8 31900 .52 - .65 81 80 256 K
276667
40 30
380 60 1.15 67.2 35900 76.0 42400 .18 - .23 84 83 545 L
276617 460 60 1.15 55.4 35900 62.8 42400 .23 - .29 84 83 450 L
276627 575 60 1.15 45.2 35900 50.2 42400 .34 - .43 84 83 360 L
Table 25 6” Three-Phase Motor Specifications (60 Hz) 3450 rpm
Model numbers above are for three-lead motors. Six-lead motors with different model numbers have the same running
performance, but when Wye connected for starting have locked rotor amps 33% of the values shown. Six-lead individual
phase resistance = table X 1.5.
25

!00,)#!4)/.
4HREE0HASE -OTORS
TYPE
MOTOR
MODEL
PREFIX
RATING
CIRCUIT BREAKERS OR FUSE AMPS CIRCUIT BREAKERS OR FUSE AMPS
(MAXIMUM PER NEC) (TYPICAL SUBMERSIBLE)
STANDARD
FUSE
DUAL ELEMENT TIME
DELAY FUSE
CIRCUIT
BREAKER
STANDARD
FUSE
DUAL ELEMENT TIME
DELAY FUSE
CIRCUIT
BREAKER
HP KW VOLTS
6"
STD.
& HI-
TEMP
236650 276650
5 3.7
200 60 35 45 50 25 45
236600 276600 230 45 30 40 45 20 40
236660 276660 380 30 17.5 25 30 12 25
236610 276610 460 25 15 20 25 10 20
236620 276620 575 20 12 15 20 8 15
236651 276651
7.5 5.5
200 80 45 70 80 35 70
236601 276601 230 70 40 60 70 30 60
236661 276661 380 45 25 35 40 20 35
236611 276611 460 35 20 30 35 15 30
236621 276621 575 30 17.5 25 25 11 25
236652 276652
10 7.5
200 100 60 90 100 45 90
236602 276602 230 90 50 80 90 40 80
236662 276662 380 60 35 45 50 25 45
236612 276612 460 45 25 40 45 20 40
236622 276622 575 35 20 30 35 15 30
236653 276653
15 11
200 150 90 125 150 60 125
236603 276603 230 150 80 110 125 60 110
236663 276663 380 80 50 70 80 35 70
236613 276613 460 70 40 60 60 30 60
236623 276623 575 60 30 45 50 25 45
236654 276654
20 15
200 200 110 175 175 80 175
236604 276604 230 175 100 150 175 70 150
236664 276664 380 100 60 90 100 45 90
236614 276614 460 90 50 70 80 35 70
236624 276624 575 70 40 60 70 30 60
236655 276655
25 18.5
200 250 150 200 225 100 200
236605 276605 230 225 125 175 200 90 175
236665 276665 380 125 80 110 125 50 110
236615 276615 460 110 60 90 100 45 90
236625 276625 575 90 50 70 80 35 70
236656 276656
30 22
200 300 175 250 300 125 250
236606 276606 230 250 150 225 250 100 200
236666 276666 380 150 90 125 150 60 125
236616 276616 460 125 70 110 125 50 100
236626 276626 575 100 60 90 100 40 80
236667 276667
40 30
380 200 125 175 200 90 175
236617 276617 460 175 100 150 175 70 150
236627 276627 575 150 80 110 125 60 110
236668 276668
50 37
380 250 150 225 250 110 225
236618 276618 460 225 125 175 200 90 175
236628 276628 575 175 100 150 175 70 150
236669 276669
60 45
380 300 175 250 300 125 250
236619 276619 460 250 150 225 250 100 225
236629 276629 575 200 125 175 200 80 175
Table 26 Three-Phase Motor Fuse Sizing
26

!00,)#!4)/.
4HREE0HASE -OTORS
Model numbers above are for three-lead motors. Six-lead motors with different model numbers have the same running
performance, but when Wye connected for starting have locked rotor amps 33% of the values shown. Six-lead individual
phase resistance = table X 1.5.
Table 27 Three-Phase Motor Specifications (60 Hz) 3525 rpm
TYPE
MOTOR
MODEL
PREFIX
RATING FULL LOAD MAXIMUM
LOAD LINE TO LINE
RESISTANCE
OHMS
EFFICIENCY
%LOCKED
ROTOR
AMPS
KVA
CODE
HP KW VOLTS HZ S.F. AMPS KILOWATTS AMPS KILOWATTS S.F. F.L.
8"
STD.
239660
40 30
380 60 1.15 64 35 72 40 .16-.20 86 86 479 J
239600 460 60 1.15 53 35 60 40 .24-.30 86 86 396 J
239610 575 60 1.15 42 35 48 40 .39-.49 86 86 317 J
239661
50 37
380 60 1.15 79 43 88 49 .12-.16 87 87 656 K
239601 460 60 1.15 64 43 73 49 .18-.22 87 87 542 K
239611 575 60 1.15 51 43 59 49 .28-.34 87 87 434 K
239662
60 45
380 60 1.15 92 52 104 60 .09-.11 88 87 797 K
239602 460 60 1.15 76 52 86 60 .14-.17 88 87 658 K
239612 575 60 1.15 61 52 69 60 .22-.28 88 87 526 K
239663
75 55
380 60 1.15 114 64 130 73.5 .06-.09 88 88 1046 L
239603 460 60 1.15 94 64 107 73.5 .10-.13 88 88 864 L
239613 575 60 1.15 76 64 86 73.5 .16-.21 88 88 691 L
239664
100 75
380 60 1.15 153 85 172 97.5 .05-.06 89 89 1466 L
239604 460 60 1.15 126 85 142 97.5 .07-.09 89 89 1211 L
239614 575 60 1.15 101 85 114 97.5 .11-.13 89 89 969 L
239165
125 93
380 60 1.15 202 109 228 125 .03-.04 87 86 1596 K
239105 460 60 1.15 167 109 188 125 .05-.07 87 86 1318 K
239115 575 60 1.15 134 109 151 125 .08-.11 87 86 1054 K
239166
150 110
380 60 1.15 235 128 266 146 .02-.03 88 87 1961 K
239106 460 60 1.15 194 128 219 146 .04-.05 88 87 1620 K
239116 575 60 1.15 155 128 176 146 .06-.08 88 87 1296 K
239167
175 130
380 60 1.15 265 150 302 173 .02-.04 88 88 1991 J
239107 460 60 1.15 219 150 249 173 .04-.05 88 88 1645 J
239117 575 60 1.15 175 150 200 173 .06-.08 88 88 1316 J
239168
200 150
380 60 1.15 298 169 342 194 .02-.03 88 88 2270 J
239108 460 60 1.15 246 169 282 194 .03-.05 88 88 1875 J
239118 575 60 1.15 197 169 226 194 .05-.07 88 88 1500 J
TYPE
MOTOR
MODEL
PREFIX
RATING FULL LOAD MAXIMUM
LOAD LINE TO LINE
RESISTANCE
OHMS
EFFICIENCY
%LOCKED
ROTOR
AMPS
KVA
CODE
HP KW VOLTS HZ S.F. AMPS KILOWATTS AMPS KILOWATTS S.F. F.L.
8"
HI-
TEMP
279160
40 30
380 60 1.15 69.6 38 78.7 43 .11 - .14 79 78 616 M
279100 460 60 1.15 57.5 38 65.0 43 .16 - .19 79 78 509 M
279110 575 60 1.15 46.0 38 52.0 43 .25 - .31 79 78 407 M
279161
50 37
380 60 1.15 84.3 47 95.4 53 .07 - .09 81 80 832 M
279101 460 60 1.15 69.6 47 78.8 53 .11 - .14 81 80 687 M
279111 575 60 1.15 55.7 47 63.0 53 .18 - .22 81 80 550 M
279162
60 45
380 60 1.15 98.4 55 112 62 .06 - .07 83 82 1081 N
279102 460 60 1.15 81.3 55 92.1 62 .09 - .11 83 82 893 N
279112 575 60 1.15 65.0 55 73.7 62 .13 - .16 83 82 715 N
279163
75 56
380 60 1.15 125 68 141 77 .05 - .06 83 82 1175 L
279103 460 60 1.15 100 68 114 77 .07 - .09 83 82 922 L
279113 575 60 1.15 80 68 92 77 .11 - .14 83 82 738 L
279164
100 75
380 60 1.15 159 88 181 100 .04 - .05 86 85 1508 M
279104 460 60 1.15 131 88 149 100 .05 - .07 86 85 1246 M
279114 575 60 1.15 105 88 119 100 .08 - .10 86 85 997 M
279165
125 93
380 60 1.15 195 109 223 125 .03 - .04 86 85 1793 L
279105 460 60 1.15 161 109 184 125 .04 - .06 86 85 1481 L
279115 575 60 1.15 129 109 148 125 .07 - .09 86 85 1185 L
279166
150 110
380 60 1.15 235 133 269 151 .02 - .03 85 84 2012 K
279106 460 60 1.15 194 133 222 151 .03 - .05 85 84 1662 K
279116 575 60 1.15 155 133 178 151 .05 - .07 85 84 1330 K
Table 27A 8” Three-Phase Motor Specifications (60 Hz) 3525 rpm
27

!00,)#!4)/.
4HREE0HASE -OTORS
Table 28 Three-Phase Motor Fuse Sizing
TYPE
MOTOR
MODEL
PREFIX
RATING CIRCUIT BREAKERS OR FUSE AMPS CIRCUIT BREAKERS OR FUSE AMPS
(MAXIMUM PER NEC) (TYPICAL SUBMERSIBLE)
STANDARD
FUSE
DUAL ELEMENT
TIME DELAY FUSE
CIRCUIT
BREAKER
STANDARD
FUSE
DUAL ELEMENT TIME
DELAY FUSE
CIRCUIT
BREAKER
HP KW VOLTS
8"
STD.
239660
40 30
380 200 125 175 200 80 175
239600 460 175 100 150 175 70 150
239610 575 150 80 110 125 60 110
239661
50 37
380 250 150 200 225 100 200
239601 460 200 125 175 200 80 175
239611 575 175 90 150 150 70 150
239662
60 45
380 300 175 250 300 125 250
239602 460 250 150 200 225 100 200
239612 575 200 110 175 175 80 175
239663
75 55
380 350 200 300 350 150 300
239603 460 300 175 250 300 125 250
239613 575 250 150 200 225 100 200
239664
100 75
380 500 275 400 450 200 400
239604 460 400 225 350 400 175 350
239614 575 350 200 300 300 125 300
239165
125 93
380 700 400 600 600 250 600
239105 460 500 300 450 500 225 450
239115 575 450 250 350 400 175 350
239166
150 110
380 800 450 600 700 300 600
239106 460 600 350 500 600 250 500
239116 575 500 300 400 450 200 400
239167
175 130
380 800 500 700 800 350 700
239107 460 700 400 600 700 300 600
239117 575 600 350 450 600 225 450
239168
200 150
380 1000 600 800 1000 400 800
239108 460 800 450 700 800 350 700
239118 575 600 350 500 600 250 500
TYPE
MOTOR
MODEL
PREFIX
RATING CIRCUIT BREAKERS OR FUSE AMPS CIRCUIT BREAKERS OR FUSE AMPS
(MAXIMUM PER NEC) (TYPICAL SUBMERSIBLE)
STANDARD
FUSE
DUAL ELEMENT
TIME DELAY FUSE
CIRCUIT
BREAKER
STANDARD
FUSE
DUAL ELEMENT TIME
DELAY FUSE
CIRCUIT
BREAKER
HP KW VOLTS
8"
HI-
TEMP
279160
40 30
380 225 125 175 200 90 175
279100 460 175 110 150 175 70 150
279110 575 150 90 125 125 60 125
279161
50 37
380 250 150 225 225 110 225
279101 460 200 125 175 200 90 175
279111 575 175 100 150 150 70 150
279162
60 45
380 300 175 250 300 125 250
279102 460 275 150 225 250 100 225
279112 575 200 125 175 175 80 175
279163
75 56
380 400 200 350 350 150 350
279103 460 300 175 275 300 125 275
279113 575 275 150 225 225 100 225
279164
100 75
380 500 300 450 450 200 450
279104 460 400 250 350 400 175 350
279114 575 350 200 300 300 125 300
279165
125 93
380 700 400 600 600 250 600
279105 460 500 300 450 500 225 450
279115 575 450 250 350 400 175 350
279166
150 110
380 800 450 600 700 300 600
279106 460 600 350 500 600 250 500
279116 575 500 300 400 450 200 400
Table 28A 8” Three-Phase Motor Fuse Sizing
28

!00,)#!4)/.
4HREE0HASE -OTORS
/VERLOAD 0ROTECTION OF 4HREE0HASE 3UBMERSIBLE -OTORS
The characteristics of submersible motors are different
than standard motors and special overload protection
is required.
If the motor is locked, the overload protection must trip
within 10 seconds to protect the motor windings. Subtrol/
SubMonitor, a Franklin-approved adjustable overload
relay, or a Franklin-approved fixed heater must be used.
Fixed heater overloads must be the ambient-compensated
quick-trip type to maintain protection at high and low
air temperatures.
All heaters and amp settings shown are based on total
line amps. When determining amperage settings or
making heater selections for a six-lead motor with a
Wye-Delta starter, divide motor amps by 1.732.
Pages 29, 30 and 31 list the correct selection and
settings for some manufacturers. Approval for other
manufacturers’ types not listed may be requested by
calling Franklin’s Submersible Service Hotline at
800-348-2420.
Refer to notes on page 30.
HP KW VOLTS
NEMA
STARTER
SIZE
HEATERS FOR
OVERLOAD RELAYS
ADJUSTABLE
RELAYS
(NOTE 3)
FURNAS
(NOTE 1)
G.E.
(NOTE 2) SET MAX.
1/2 0.37
200 00 K31 L380A 3.2 3.4
230 00 K28 L343A 2.7 2.9
380 00 K22 L211A 1.7 1.8
460 00 - L174A 1.4 1.5
575 00 - - 1.2 1.3
3/4 0.55
200 00 K34 L510A 4.1 4.4
230 00 K32 L420A 3.5 3.8
380 00 K27 L282A 2.3 2.5
460 00 K23 L211A 1.8 1.9
575 00 K21 L193A 1.5 1.6
1 0.75
200 00 K37 L618A 5.0 5.4
230 00 K36 L561A 4.4 4.7
380 00 K28 L310A 2.6 2.8
460 00 K26 L282A 2.2 2.4
575 00 K23 L211A 1.8 1.9
1.5 1.1
200 00 K42 L750A 6.3 6.8
230 00 K39 L680A 5.5 5.9
380 00 K32 L420A 3.3 3.6
460 00 K29 L343A 2.8 3.0
575 00 K26 L282A 2.2 2.4
2 1.5
200 0 K50 L111B 8.6 9.3
230 0 K49 L910A 7.5 8.1
380 0 K36 L561A 4.6 4.9
460 00 K33 L463A 3.8 4.1
575 00 K29 L380A 3.0 3.2
3 2.2
200 0 K55 L147B 11.6 12.5
230 0 K52 L122B 10.1 10.9
380 0 K41 L750A 6.1 6.6
460 0 K37 L618A 5.1 5.5
575 0 K34 L510A 4.1 4.4
5 3.7
200 1 K62 L241B 19.1 20.5
230 1 K61 L199B 16.6 17.8
380 0 K52 L122B 10.0 10.8
460 0 K49 L100B 8.3 8.9
575 0 K42 L825A 6.6 7.1
7.5 5.5
200 1 K68 L332B 28.4 30.5
230 1 K67 L293B 24.6 26.4
380 1 K58 L181B 14.9 16.0
460 1 K55 L147B 12.3 13.2
575 1 K52 L122B 9.9 10.6
10 7.5
380 1 K62 L241B 19.5 21.0
460 1 K60 L199B 16.1 17.3
575 1 K56 L165B 12.9 13.6
#LASS 0ROTECTION 2EQUIRED
Table 29 - 60 Hz 4" Motors
29

!00,)#!4)/.
4HREE0HASE -OTORS
Footnotes for Tables 29, 30, and 31
NOTE 1: Furnas intermediate sizes between
NEMA starter sizes apply where (1) is shown in
tables, size 1.75 replacing 2, 2.5 replacing 3, 3.5
replacing 4, and 4.5 replacing 5. Heaters were
selected from Catalog 294, table 332 and table
632 (starter size 00, size B). Size 4 starters are
heater type 4 (JG). Starters using these heater
tables include classes 14, 17 and 18 (inNOVA),
classes 36 and 37 (reduced voltage), and classes
87, 88 and 89 (pump and motor control centers).
Overload relay adjustments should be set no
higher than 100% unless necessary to stop
nuisance tripping with measured amps in all lines
below nameplate maximum. Heater selections for
class 16 starters (Magnetic Definite Purpose) will
be furnished upon request.
NOTE 2: General Electric heaters are type CR123
usable only on type CR124 overload relays and
were selected from Catalog GEP-126OJ,
page 184. Adjustment should be set no higher
than 100%, unless necessary to stop nuisance
tripping with measured amps in all lines below
nameplate maximum.
NOTE 3: Adjustable overload relay amp settings
apply to approved types listed. Relay adjustment
should be set at the specified SET amps. Only if
tripping occurs with amps in all lines measured to
be within nameplate maximum amps should the
setting be increased, not to exceed the MAX
value shown.
NOTE 4: Heaters shown for ratings requiring
NEMA size 5 or 6 starters are all used with
current transformers per manufacturer standards.
Adjustable relays may or may not use current
transformers depending on design.
HP KW VOLTS
NEMA
STARTER
SIZE
HEATERS FOR
OVERLOAD RELAYS
ADJUSTABLE
RELAYS
(NOTE 3)
FURNAS
(NOTE 1)
G.E.
(NOTE 2) SET MAX.
5 3.7
200 1 K61 L220B 17.6 19.1
230 1 K61 L199B 15.4 16.6
380 0 K52 L122B 9.4 10.1
460 0 K49 L100B 7.7 8.3
575 0 K42 L825A 6.1 6.6
7.5 5.5
200 1 K67 L322B 26.3 28.3
230 1 K64 L293B 22.9 24.6
380 1 K57 L165B 13.9 14.9
460 1 K54 L147B 11.4 12.3
575 1 K52 L111B 9.1 9.8
10 7.5
200 2(1) K72 L426B 34.4 37.0
230 2(1) K70 L390B 29.9 32.2
380 1 K61 L220B 18.1 19.5
460 1 K58 L181B 15.0 16.1
575 1 K55 L147B 12.0 12.9
15 11
200 3(1) K76 L650B 50.7 54.5
230 2 K75 L520B 44.1 47.4
380 2(1) K68 L322B 26.7 28.7
460 2(1) K64 L265B 22.0 23.7
575 2(1) K61 L220B 17.7 19.0
20 15
200 3 K78 L787B 64.8 69.7
230 3(1) K77 L710B 56.4 60.6
380 2 K72 L426B 34.1 36.7
460 2 K69 L352B 28.2 30.3
575 2 K64 L393B 22.7 24.4
25 18.5
200 3 K86 L107C 80.3 86.3
230 3 K83 L866B 69.8 75.0
380 2 K74 L520B 42.2 45.4
460 2 K72 L426B 34.9 37.5
575 2 K69 L352B 27.9 30.0
30 22
200 4(1) K88 L126C 96.7 104.0
230 3 K87 L107C 84.1 90.4
380 3(1) K76 L650B 50.9 54.7
460 3(1) K74 L520B 42.0 45.2
575 3(1) K72 L390B 33.7 36.2
40 30
380 3 K83 L866B 69.8 75.0
460 3 K77 L710B 57.7 62.0
575 3 K74 L593B 46.1 49.6
50 37
380 3 K87 L107C 86.7 93.2
460 3 K83 L950B 71.6 77.0
575 3 K77 L710B 57.3 61.6
60 45
380 4(1) K89 L126C 102.5 110.2
460 4(1) K87 L107C 84.6 91.0
575 4(1) K78 L866B 67.7 72.8
Table 30 - 60 Hz 6" Standard & Hi-Temp Motors
30

!00,)#!4)/.
4HREE0HASE -OTORS
Advance Controls: MDR3 Overload
AEG Series: B17S, B27S, B27-2
ABB Type: RVH 40, RVH65, RVP160, T25DU, T25CT, TA25DU
AGUT: MT03, R1K1, R1L0, R1L3, TE set Class 5
Allen Bradley: Bulletin 193, SMP-Class 10 only
Automatic Switch Types: DQ, LR1-D, LR1-F, LR2 Class 10
Benshaw: RSD6 (Class 10) Soft Start
Bharita C-H: MC 305 ANA 3
Clipsal: 6CTR, 6MTR
Cutler-Hammer: C316F, C316P, C316S, C310-set at 6 sec
max, Advantage Class10
Fanal Types: K7 or K7D through K400
Franklin Electric: Subtrol-Plus, SubMonitor
Fuji Types: TR-OQ, TR-OQH, TR-2NQ, TR- 3NQ, TR-4NQ,
TR-6NQ, RCa 3737-ICQ & ICQH
Furnas Types: US15 48AG & 48BG, 958L, ESP100-Class 10
only, 3RB10-Class 10
General Electric: CR4G, CR7G, RT*1, RT*2, RTF3, RT*4,
CR324X-Class 10 only
Kasuga: RU Set Operating Time Code = 10 & time setting
6 sec max
Klockner-Moeller Types: ZOO, Z1, Z4, PKZM1, PKZM3
& PKZ2
Recommended Adjustable Overload Relays
Note: Other relay types from these and other manufacturers may or
may not provide acceptable protection, and they should not be used
without approval of Franklin Electric.
Some approved types may only be available for part of the listed motor
ratings. When relays are used with current transformers, relay setting
is the specified amps divided by the transformer ratio.
MOTOR
MODEL
PREFIX
HP KW VOLTS
NEMA
STARTER
SIZE
HEATERS FOR
OVERLOAD RELAYS
ADJUSTABLE
RELAYS
(NOTE 3)
FURNAS
(NOTE 1)
G.E.
(NOTE 2) SET MAX.
239660
40 30
380 3 K78 L866B 68 73
239600 460 3 K77 L710B 56 60
239610 575 3 K73 L520B 45 48
239661
50 37
380 3 K86 L107C 81 87
239601 460 3 K78 L866B 68 73
239611 575 3 K77 L710B 56 60
239662
60 45
380 4(1) K89 L126C 101 108
239602 460 4(1) K86 L107C 83 89
239612 575 4(1) K78 L787B 64 69
239663
75 55
380 4 K92 L142C 121 130
239603 460 4(1) K89 L126C 100 107
239613 575 4(1) K85 L950C 79 85
239664
100 75
380 5(1) K28 L100B 168 181
239604 460 4 K92 L155C 134 144
239614 575 4 K90 L142C 108 116
239165
125 93
380 5 K32 L135B 207 223
239105 460 5(1) K29 L111B 176 189
239115 575 5(1) K26 L825A 140 150
239166
150 110
380 5 - L147B 248 267
239106 460 5(1) K32 L122B 206 221
239116 575 5(1) K28 L100B 165 177
239167
175 130
380 6 K26 - 270 290
239107 460 5 K33 L147B 233 250
239117 575 5 K31 L111B 186 200
239168
200 150
380 6 K27 - 316 340
239108 460 5 K33 L165B 266 286
239118 575 5 K32 L135B 213 229
Table 31 - 60 Hz 8" Motors
MOTOR
MODEL
PREFIX
HP KW VOLTS
NEMA
STARTER
SIZE
HEATERS FOR
OVERLOAD RELAYS
ADJUSTABLE
RELAYS
(NOTE 3)
FURNAS
(NOTE 1)
G.E.
(NOTE 2) SET MAX.
279160
40 30
380 3 K83 L866B 73 79
279100 460 3 K77 L710B 60 65
279110 575 3 K74 L593B 48 52
279161
50 37
380 3 K87 L107C 89 95
279101 460 3 K83 L866B 73 79
279111 575 3 K77 L710B 59 63
279162
60 45
380 4(1) K89 L126C 104 112
279102 460 4(1) K87 L107C 86 92
279112 575 4(1) K78 L866B 69 74
279163
75 56
380 4 K92 L155C 131 141
279103 460 4(1) K89 L126C 106 114
279113 575 4(1) K87 L950C 86 92
279164
100 75
380 5(1) K28 L100B 168 181
279104 460 5(1) K26 L825A 139 149
279114 575 4 K90 L142C 111 119
279165
125 93
380 5 K32 L135B 207 223
279105 460 5(1) K29 L111B 171 184
279115 575 5(1) K26 L825A 138 148
279166
150 110
380 5 - L147B 250 269
279106 460 5(1) K32 L122B 206 222
279116 575 5(1) K28 L100B 166 178
Table 31A - 60 Hz 8" Hi-Temp 75°C Motors
Lovato: RC9, RC22, RC80, RF9, RF25 & RF95
Matsushita: FKT-15N, 15GN, 15E, 15GE, FT-15N, FHT-15N
Mitsubishi: ET, TH-K12ABKP, TH-K20KF, TH-K20KP,
TH-K20TAKF, TH-K60KF, TH-K60TAKF
Omron: K2CM Set Operating Timing Code = 10 & time setting
6 sec max, SE-KP24E time setting 6 sec max
Riken: PM1, PM3
Samwha: EOCRS Set for Class 5, EOCR-ST, EOCR-SE,
EOCR-AT time setting 6 sec max
Siemens Types: 3UA50, -52, -54, -55, -58, -59, -60, -61, -62,
-66, -68, -70, 3VUI3, 3VE, 3UB (Class 5)
Sprecher and Schuh Types: CT, CT1, CTA 1, CT3K, CT3-12
thru CT3-42, KTA3, CEF1 & CET3 set at 6 sec max, CEP 7
Class 10, CT4, 6, & 7, CT3, KT7
Square D/Telemecanique: Class 9065 Types: TD, TE, TF, TG,
TJ, TK, TR, TJE &TJF (Class 10), LR1-D, LR1-F, LR2 Class
10, Types 18A, 32A, SS-Class 10, SR-Class 10 and 63-A-LB
Series. Integral 18,32,63, GV2-L, GV2-M, GV2-P, GV3-M
(1.6-10 amp only) LR9D, SF Class 10, ST Class 10, LT6
(Class 5 or 10), LRD (Class 10), Motor Logic (Class10)
Toshiba Type: 2E RC820, set at 8 sec max.
WEG: RW2
Westinghouse Types: FT13, FT23, FT33, FT43, K7D, K27D,
K67D, Advantage (Class 10), MOR, IQ500 (Class 5)
Westmaster: OLWROO and OLWTOO suffix D thru P
31

1. Motor Inspection
A. Verify that the model, hp or kW, voltage, phase and hertz on the motor nameplate match the
installation requirements.
B. Check that the motor lead assembly is not damaged.
C. Measure insulation resistance using a 500 or 1000 volt DC megohmmeter from each lead wire to the
motor frame. Resistance should be at least 200 megohms without drop cable.
D. Keep a record of motor model number, hp or kW, voltage, and serial number (S/N).
(S/N is stamped in shell above the nameplate. A typical example, S/N 07A18 01-0123)
2. Pump Inspection
A. Check that the pump rating matches the motor.
B. Check for pump damage and verify that the pump shaft turns freely.
3. Pump/Motor Assembly
A. If not yet assembled, check that pump and motor mounting faces are free from dirt, debris and uneven
paint thickness.
B. Pumps and motors over 5 hp should be assembled in the vertical position to prevent stress on pump
brackets and shafts. Assemble the pump and motor together so their mounting faces are in contact and
then tighten assembly bolts or nuts evenly to manufacturer specifications.
C. If accessible, check that the pump shaft turns freely.
D. Assemble the pump lead guard over the motor leads. Do not cut or pinch lead wires during assembly
or installation.
4. Power Supply and Controls
A. Verify that the power supply voltage, Hertz, and kVA capacity match motor requirements.
B. Verify control box hp and voltage matches motor (3-wire only).
C. Check that the electrical installation and controls meet all safety regulations and match the motor
requirements, including fuse or circuit breaker size and motor overload protection. Connect all metal
plumbing and electrical enclosures to the power supply ground to prevent shock hazard. Comply with
national and local codes.
5. Lightning and Surge Protection
A. Use properly rated surge (lightning) arrestors on all submersible pump installations. Motors 5 hp and
SMALLER WHICH ARE MARKED h%QUIPPED WITH ,IGHTNING !RRESTORSv CONTAIN INTERNAL ARRESTORS
B. Ground all above ground arrestors with copper wire directly to the motor frame, or to metal drop pipe or
casing which reaches below the well pumping level. Connecting to a ground rod does not provide good
surge protection.
6. Electrical Drop Cable
A. Use submersible cable sized in accordance with local regulations and the cable charts. See pages 11 and
16-21. Ground motor per national and local codes.
B. Include a ground wire to the motor and surge protection, connected to the power supply ground if
required by codes. Always ground any pump operated outside a drilled well.
7. Motor Cooling
A. Ensure at all times that the installation provides adequate motor cooling; see page 6 for details.
Form No. 3656 11/09 © 2009 Franklin Electric Co., Inc.
35"-%23)",% 05-0
)NSTALLATION #HECK ,IST

8. Pump/Motor Installation
A. Splice motor leads to supply cable using electrical grade solder or compression connectors, and carefully
insulate each splice with watertight tape or adhesive-lined shrink tubing, as shown in motor or pump
installation data.
B. Support the cable to the delivery pipe every 10 feet (3 meters) with straps or tape strong enough to
prevent sagging. Use padding between cable and any metal straps.
C. A check valve in the delivery pipe is recommended. More than one check valve may be required,
depending on valve rating and pump setting; see page 5 for details.
D. Assemble all pipe joints as tightly as practical, to prevent unscrewing from motor torque. Torque should
be at least 10 pound feet per hp (2 meter-KG per kW).
E. Set the pump far enough below the lowest pumping level to assure the pump inlet will always have at
least the Net Positive Suction Head (NPSH) specified by the pump manufacturer. Pump should be at
least 10 feet (3 meters) from the bottom of the well to allow for sediment build up.
F. Check insulation resistance as pump/motor assembly is lowered into the well. Resistance may drop
gradually as more cable enters the water, but any sudden drop indicates possible cable, splice or motor
lead damage; see page 45.
9. After Installation
A. Check all electrical and water line connections and parts before starting the pump.
B. Start the pump and check motor amps and pump delivery. If normal, continue to run the pump until delivery
is clear. If three-phase pump delivery is low, it may be running backward. Rotation may be reversed (with
power off) by interchanging any two motor lead connections to the power supply.
C. Check three-phase motors for current balance within 5% of average, using motor manufacturer instructions
Imbalance over 5% will cause higher motor temperatures and may cause overload trip, vibration, and
reduced life.
D. Verify that starting, running and stopping cause no significant vibration or hydraulic shocks.
E. After at least 15 minutes running time, verify that pump output, electrical input, pumping level, and other
characteristics are stable and as specified.
Date _____________________ Filled In By _________________________________________________________________
Notes _______________________________________________________________________________________________
____________________________________________________________________________________________________
____________________________________________________________________________________________________
____________________________________________________________________________________________________
____________________________________________________________________________________________________
____________________________________________________________________________________________________
35"-%23)",% 05-0
)NSTALLATION #HECK ,IST
Form No. 3656 11/09 © 2009 Franklin Electric Co., Inc.

35"-%23)",% -/4/2 ).34!,,!4)/. 2%#/2$
&ORM 0AGE
2-! .UMBER
$)342)"54/2 ).34!,,%2 %.$ 53%2
Name: _________________________
City: ___________________________
State: ___________ Zip: __________
Name: _________________________
City: ___________________________
State: ___________ Zip: __________
Name: _________________________
City: ___________________________
State: ___________ Zip: __________
Well ID or GPS: __________ ___________ ______________________ Water Temperature: _____________ °F °C
Application/Water Use (e.g. potable water, irrigation, municipal, fountain, etc.): ___________________________________
Date Installed (mm/yy): _____________ Date Failed (mm/yy):_____________ Motor Position Shaft-Up: Yes
No
Operating Cycle: ON Time Per Start _____ Hrs. Mins. Time OFF Between Stop & Restart _____ Hrs. Mins.
-/4/2
Model: ______________________ Serial Number: __________________________ Date Code (if updated): __________
-/4/2 /6%2,/!$
System Typical Operating Current: _______________ Amps @ _______________ Volts
Overload: FE SubMonitor Input Amps _______ D3 Attached Yes
No Fault Settings Attached Yes
No
Other Manufacturer Model: _______________________ Dial Set at: __________ or Heater# __________
NEMA Class: 10
20 30 Ambient Compensated: Yes
No
Power to Motor by: Full Volt Starter
VFD
Soft Starter VFD or Soft Starter Mfr. & Model: ___________________
05-0
Manufacturer: _________________________
Model: ______________________________
Stages:______________________________
Design Rating: _______ gpm @ _______ ft TDH
Horsepower Required by Pump End: ___________
Actual Pump Delivery: _______ gpm @ _______ psi
What Controls When System Runs & Stops:
_________________________________________
(e.g. pressure, level, flow, manual on/off, timer,
time clock etc.)
7%,, $!4! (All measurements from well head down.)
Casing Diameter ______________________ in
Drop Pipe Diameter ____________________ in
Number of Sticks of Drop Pipe _____________
Static Water Level _____________________ ft
Drawdown (pumping) Water Level _________ ft
Spring Assist Check Valves:
(Measured from Well Head Down)
#1 ______ #2______ #3 ______ #4______ ft
Solid Drilled Poppet Break-Off Plug
Pump Inlet Setting ____________________ ft
Flow Sleeve No Yes, Dia. _________ in
Case Ends ___________________________ ft
Well Screen Perforated Casing
#1 from ____to____ft & #2 from ____to____ft
Well Depth ___________________________ ft
Form No. 2207 v6 05/11 © 2009 Franklin Electric Co., Inc.
9/52 .!-% $!4%
____________________________ / ___________
+%9 $%!,%2

Form No. 2207 v6 05/11 © 2009 Franklin Electric Co., Inc.
42!.3&/2-%23
Number of Transformers: Two
Three Transformers Supply Motor Only: Yes
No
Unsure
Transformer #1: __________ kVA Transformer #2: __________ kVA Transformer #3: __________ kVA
0/7%2 #!",%3 '2/5.$ 7)2%
Service Entrance to Pump Control Panel:
Length: __________ ft. & Gauge: __________ AWG/MCM
Material: Copper
Aluminum Construction: Jacketed
Individual Conductors Web
Twisted
Temperature Rating of Cable: 60C
75C 90C
125C or Insulation Type: ________________ (e.g. THHN)
Pump Control Panel to Motor:
Length: __________ ft. & Gauge: __________ AWG/MCM
Material: Copper
Aluminum Construction: Jacketed
Individual Conductors Web
Twisted
Temperature Rating of Cable: 60C
75C 90C
125C or Insulation Type: ________________ (e.g. THHN)
Ground Wire Size: From Control Panel to Motor: __________ AWG/MCM
Control Grounded to (mark all that apply):
Well Head
Metal Casing Motor
Driven Rod Power Supply
).#/-).' 6/,4!'%
No Load L1-L2 ______ L2-L3 ______ L1-L3 ______
Full Load L1-L2 ______ L2-L3 ______ L1-L3 ______
25..).' !-03 #522%.4 "!,!.#%
Full Load L1 ________ L2 ________ L3 ________
% Unbalance: ______
#/.42/, 0!.%,
Pump Panel Manufacturer/Fabricator: _______________________________________________________________
Short Circuit Protection - Fuses or Circuit Breaker
Option #1 - Fuse
Manufacturer: __________________ Model: __________________ Rating: ____________ Amps
Type: Time-Delay
Standard
Option #2 - Circuit Breaker
Manufacturer: __________________ Model: __________________ Rating: ___________ Amps Setting: _________
Starter - Full Voltage, Reduced Voltage, Soft-Starter or VFD (Variable Frequency Drive)
Option #1 - Full Voltage
Manufacturer: __________________ Model: ________________ Size: ____________ Contacts: NEMA
IEC
Option #2 - Reduced Voltage
Manufacturer: __________________ Model: __________________ Ramp Time to Full Voltage: _____________ sec.
Option #3 - Soft-Starter or VFD
Manufacturer: __________________ Model: __________________ Max. Continuous Amp Output Rating: _________
Min. Setting: ____________ Hz & GPM: ____________ Max. Setting: ____________ Hz & GPM: ____________
Start Ramp Time to 30 Hz: ________ sec. Stop Mode: Power Off Coast
30-0 Hz Ramp ________ sec.
Special Output Filter Purchased: Yes
No
Output Filter Manufacturer: ______________________ Model: ______________________ % Reactance: _________
Surge Arrestor: No
Yes, Manufacturer: ____________________ Model: ____________________
1
2
3
1
2
3
4
2-! .UMBER
35"-%23)",% -/4/2 ).34!,,!4)/. 2%#/2$
&ORM 0AGE

Form No. 3655 11/09 © 2009 Franklin Electric Co., Inc.
).34!,,!4)/.
Owner/User ________________________________________________ Telephone (______) ____________________
Address ____________________________________________City _______________ State ______ Zip ___________
Installation Site, If Different _________________________________________________________________________
Contact ___________________________________________________ Telephone (______) ____________________
System Application________________________________________________________________________________
_______________________________________________________________________________________________
_______________________________________________________________________________________________
System Manufactured By_____________________________Model ________________ Serial No. ________________
System Supplied By_________________________________ City _________________ State ______ Zip __________
)S THIS A h(%2/v SYSTEM 0( Yes No
Date ______ /______/_______ Filled In By ______________________________________
-/4/2
Model No. _______________ Serial No. _______________ Date Code ______
Horsepower ______ Voltage ______ Single-Phase Three-Phase Diameter ______ in.
Slinger Removed? Yes No Check Valve Plug Removed? Yes No
Motor Fill Solution Standard DI Water Model No. _____________ Serial No. _____________ Date Code ______
05-0
Manufacturer _______________ Model _______________ Serial No. _______________
Stages ______ Diameter ________ Flow Rate Of ________ gpm At ______TDH
Booster Case Internal Diameter ________ Material _______________
#/.42/,3 !.$ 02/4%#4)6% $%6)#%3
SubMonitor? Yes No If Yes, Warranty Registration No._______________________________________
If Yes, Overload Set? Yes No ______ Set At _________________________
Underload Sets? Yes No ______ Set At _________________________
VFD or Reduced Voltage Starter? Yes No If Yes, Type __________________________________________
Mfr. ______________Setting ________% Full Voltage In ________sec
Pump Panel? Yes No If Yes, Mfr. ______________________________Size _______________________
Magnetic Starter/Contactor Mfr. ___________________________ Model __________________Size_______________
Heaters Mfr. _____________________ No. ____________ If Adjustable Set At ________________________________
Fuses Mfr. ____________________ Size ___________ Type ______________________________________________
Lightning/Surge Arrestor Mfr. ________________________ Model __________________________________________
Controls Are Grounded to __________________ with No. ________Wire
Inlet Pressure Control
Yes No If Yes, Mfr.________ Model _______ Setting _____ psi Delay ____ sec
Inlet Flow Control
Yes No If Yes, Mfr.________ Model _______ Setting _____ gpm Delay ____ sec
Outlet Pressure Control Yes No If Yes, Mfr.________ Model _______ Setting _____ psi Delay ____ sec
Outlet Flow Control
Yes No If Yes, Mfr.________ Model _______ Setting _____ gpm Delay ____ sec
Water Temperature Control Yes No If Yes, Mfr.________ Model ________________________ Delay ____ sec
Set At ________ °F or ______ °C Located _____________________________________
35"-%23)",% -/4/2
"OOSTER )NSTALLATION 2ECORD
2-! .UMBER

).35,!4)/. #(%#+
Initial Megs: Motor & Lead Only Black (T1/U1)_________ Yellow (T2/V1)________ Red (T3/W1)_________
Installed Megs: Motor, Lead, & Cable Black (T1/U1)_________ Yellow (T2/V1)________ Red (T3/W1)_________
6/,4!'% 4/ -/4/2
Non-Operating: B-Y (T1/U1 - T2/V1)_____ Y-R (T2/V1 - T3/W1)_____ R-B (T3/W1 - T1/U1)_____
At Rated Flow of __________gpm B-Y (T1/U1 - T2/V1)_____ Y-R (T2/V1 - T3/W1)_____ R-B (T3/W1 - T1/U1)_____
At Open Flow ____________gpm B-Y (T1/U1 - T2/V1)_____ Y-R (T2/V1 - T3/W1)_____ R-B (T3/W1 - T1/U1)_____
!-03 4/ -/4/2
At Rated Flow of __________gpm Black (T1/U1)_________ Yellow (T2/V1)________ Red (T3/W1)_________
At Open Flow ____________gpm Black (T1/U1)_________ Yellow (T2/V1)________ Red (T3/W1)_________
At Shut Off* Black (T1/U1)_________ Yellow (T2/V1)________ Red (T3/W1)_________
*Do NOT run at Shut Off more than two (2) minutes.
Inlet Pressure __________psi Outlet Pressure __________psi Water Temperature _______ °F or _______ °C
If you have any questions or problems, call the Franklin Electric Toll-Free Hot Line: 1-800-348-2420
Comments: _____________________________________________________________________________________
_______________________________________________________________________________________________
_______________________________________________________________________________________________
_______________________________________________________________________________________________
0,%!3% 3+%4#( 4(% 3934%-
Form No. 3655 11/09 © 2009 Franklin Electric Co., Inc.
35"-%23)",% -/4/2
"OOSTER )NSTALLATION 2ECORD

!00,)#!4)/.
4HREE0HASE -OTORS
Applications
SubMonitor is designed to protect 3-phase pumps/
motors with service factor amp ratings (SFA) from 5
to 350 A (approx. 3 to 200 hp). Current, voltage, and
motor temperature are monitored using all three legs
and allows the user to set up the SubMonitor quickly
and easily.
Protects Against
s 5NDER/VERLOAD
s 5NDER/VERVOLTAGE
s #URRENT 5NBALANCE
s /VERHEATED -OTOR
(if equipped with Subtrol Heat Sensor)
s &ALSE 3TART #HATTERING
s 0HASE 2EVERSAL
In some installations, power supply limitations make it
necessary or desirable to increase the power factor of a
submersible motor. The table lists the capacitive kVAR
required to increase the power factor of large Franklin
three-phase submersible motors to the approximate
values shown at maximum input loading.
Capacitors must be connected on the line side of the
overload relay, or overload protection will be lost.
Values listed are total required (not per phase).
Table 32 kVAR Required 60 Hz
MOTOR KVAR REQUIRED FOR PF OF:
HP KW 0.90 0.95 1.00
5 3.7 1.2 2.1 4.0
7.5 5.5 1.7 3.1 6.0
10 7.5 1.5 3.3 7.0
15 11 2.2 4.7 10.0
20 15 1.7 5.0 12.0
25 18.5 2.1 6.2 15.0
30 22 2.5 7.4 18.0
40 30 4.5 11.0 24.0
50 37 7.1 15.0 32.0
60 45 8.4 18.0 38.0
75 55 6.3 18.0 43.0
100 75 11.0 27.0 60.0
125 93 17.0 36.0 77.0
150 110 20.0 42.0 90.0
175 130 9.6 36.0 93.0
200 150 16.0 46.0 110.0
3UB-ONITOR 4HREE0HASE 0ROTECTION
0OWER &ACTOR #ORRECTION
32

!00,)#!4)/.
4HREE0HASE -OTORS
O.L. CONTACTS
PRESSURE SWITCH OR
OTHER CONTROL DEVICE
COIL
L1 L2 L3
FUSES
CONTACTS
OVERLOAD
HEATERS AND/OR
MOTOR
SUBTROL PLUS
O.L. CONTACTS
PRESSURE SWITCH OR
OTHER CONTROL DEVICE
L1 L2 L3
FUSES
CONTACTS
OVERLOAD
HEATERS AND/OR
MOTOR
TRANSFORMER
COIL
FUSE
SUBTROL PLUS
O.L. CONTACTS
PRESSURE SWITCH OR
OTHER CONTROL DEVICE
L1 L2 L3
FUSES
CONTACTS
OVERLOAD
HEATER AND/OR
MOTOR
COIL TO SEPARATE
CONTROL VOLTAGE
SOURCE
SUBTROL DEVICE
Three-phase combination magnetic starters have two
distinct circuits: a power circuit and a control circuit.
The power circuit consists of a circuit breaker or
fused line switch, contacts, and overload heaters
connecting incoming power lines L1, L2, L3 and the
three-phase motor.
External Voltage Controls
Control of a power circuit by a lower circuit voltage can
also be obtained by connecting to a separate control
voltage source. The coil rating must match the control
voltage source, such as 115 or 24 volts.
The control circuit consists of the magnetic coil, overload
contacts and a control device such as a pressure switch.
When the control device contacts are closed, current
flows through the magnetic contactor coil, the contacts
close, and power is applied to the motor. Hand-Off-Auto
switches, start timers, level controls and other control
devices may also be in series in the control circuit.
Line Voltage Control
This is the most common type of control encountered.
Since the coil is connected directly across the power
lines L1 and L2, the coil must match the line voltage.
Low Voltage Transformer Control
This control is used when it is desirable to operate push
buttons or other control devices at some voltage lower
than the motor voltage. The transformer primary must
match the line voltage and the coil voltage must match
the secondary voltage of the transformer.
FIG. 7
FIG. 8
FIG. 9
4HREE0HASE 3TARTER $IAGRAMS
33

!00,)#!4)/.
4HREE0HASE -OTORS
A full three-phase supply is recommended for all three-
phase motors, consisting of three individual transformers
OR ONE THREEPHASE TRANSFORMER 3OCALLED hOPENv DELTA
or Wye connections using only two transformers can be
used, but are more likely to cause problems, such as
poor performance, overload tripping or early motor failure
due to current unbalance.
Transformer rating should be no smaller than listed in
table 4 for supply power to the motor alone.
1. Establish correct motor rotation by running the
motor in both directions. Normal rotation is CCW
viewing the shaft end. Rotation can be changed by
interchanging any two of the three motor leads. The
rotation that gives the most water flow is typically the
correct rotation.
2. After correct rotation has been established, check the
current in each of the three motor leads and calculate
the current unbalance as explained in 3 below.
If the current unbalance is 2% or less, leave the leads
as connected.
If the current unbalance is more than 2%, current
readings should be checked on each leg using each
of three possible hook-ups. Roll the motor leads
across the starter in the same direction to prevent
motor reversal.
3. To calculate percent of current unbalance:
A. Add the three line amps values together.
B. Divide the sum by three, yielding
average current.
C. Pick the amp value which is furthest from the
average current (either high or low).
#HECKING AND #ORRECTING 2OTATION AND #URRENT 5NBALANCE
T2
T1 T3
L1 L2 L3
T1
T3 T2
L1 L2 L3
T3
T2 T1
L1 L2 L3
1st Hook Up 2nd Hook Up 3rd Hook Up
supply
starter
motor
FIG. 10
FULL THREE-PHASE
FIG. 11
OPEN DELTA
1
50 = 0.02 or 2%
EXAMPLE:
T1 = 51 amps T3 = 50 amps T2 = 50 amps
T2 = 46 amps T1 = 49 amps T3 = 48 amps
T3 = 53 amps T2 = 51 amps T1 = 52 amps
Total = 150 amps Total = 150 amps Total = 150 amps
+++
50 - 46 = 4 amps 50 - 49 = 1 amp 50 - 48 = 2 amps
2
50 = 0.04 or 4%
150
3 = 50 amps 150
3 = 50 amps
4
50 = 0.08 or 8%
150
3 = 50 amps
4HREE0HASE 0OWER 5NBALANCE
34
D. Determine the difference between this amp
value (furthest from average) and the average.
E. Divide the difference by the average. Multiply the
result by 100 to determine percent of unbalance.
4. Current unbalance should not exceed 5% at max
amp load or 10% at rated input load. If the unbalance
cannot be corrected by rolling leads, the source of
the unbalance must be located and corrected. If, on
the three possible hookups, the leg farthest from the
average stays on the same power lead, most of the
UNBALANCE IS COMING FROM THE hPOWER SIDEv OF THE
system. If the reading farthest from average moves
with the same motor lead, the primary source of
UNBALANCE IS ON THE hMOTOR SIDEv OF THE STARTER )N THIS
instance, consider a damaged cable, leaking splice,
poor connection, or faulty motor winding.
Phase designation of leads for CCW rotation viewing
shaft end.
To reverse rotation, interchange any two leads.
0HASE OR h!v "LACK 4 OR 5
0HASE OR h"v 9ELLOW 4 OR 6
0HASE OR h#v 2ED 4 OR 7
NOTICE: Phase 1, 2 and 3 may not be L1, L2 and L3.

!00,)#!4)/.
4HREE0HASE -OTORS
4HREE0HASE -OTOR ,EAD )DENTIlCATION
Each motor lead is numbered with two markers, one near each end. To reverse rotation, interchange any two line connections.
L1
T1
U1
T1
U1
T6
W2
T6
W2
L2
T2
V1
T2
V1
T4
U2
T4
U2
L3
T3
W1
T3
W1
T5
V2
T5
V2
L1 L2 L3
Connections for across-the-line starting,
running, and any reduced voltage starting
except WYE-DELTA type starters.
WYE-DELTA starters connect the motor as
shown below during starting, then change to
the running connection shown at the left.
There are a number of different types of phase converters
available. Each generates three-phase power from a
single-phase power line.
In all phase converters, the voltage balance is critical to
current balance. Although some phase converters may
be well balanced at one point on the system-operating
curve, submersible pumping systems often operate
at differing points on the curve as water levels and
operating pressures fluctuate. Other converters may be
well balanced at varying loads, but their output may vary
widely with fluctuations in the input voltage.
The following guidelines have been established for
submersible installations to be warrantable when used
with a phase converter.
1. Limit pump loading to rated horsepower. Do not load
into motor service factor.
2. Maintain at least 3 ft/s flow past the motor. Use a flow
sleeve when necessary.
3. Use time delay fuses or circuit breakers in pump
panel. Standard fuses or circuit breakers do not
provide secondary motor protection.
4. SubMonitor may be used with electro mechanical
type phase converters, however special connections
are required. Consult SubMonitor Manual for
connections of receiver and lightning arrestor.
5. SubMonitor will not work with electronic solid state
phase converters.
6. Current unbalance must not exceed 10%.
T5-V2
(YELLOW)
T2-V1
(YELLOW)
T4-U2
(BLACK)
T1-U1
(BLACK)
T6-W2
(RED)
T3-W1
(RED)
LEADS LOCATED HERE ONLY
FOR 3 LEAD (DOL) MOTORS
CHECK VALVE OR
PIPE PLUG ON RIGHT
SIDE FACING MOTOR
SHAFT
WARNING: When installing
6-lead motors extra care
must be used to ensure lead
identification at the surface.
Leads must be marked and
connected per diagram. Motor
leads are not connected red to
red, yellow to yellow, etc.
Line Connections — Six-Lead Motors
90° Lead Spacing
0HASE #ONVERTERS
35

!00,)#!4)/.
4HREE0HASE -OTORS
All Franklin three-phase submersible motors are suitable
for full-voltage starting. Under this condition the motor
speed goes from zero to full speed within a half second
or less. The motor current goes from zero to locked rotor
amps, then drops to running amps at full speed. This
may dim lights, cause momentary voltage dips
to other electrical equipment, and shock power
distribution transformers.
In some cases the power companies may require
reduced-voltage starters to limit this voltage dip. There
are also times when reduced-voltage starters may be
desirable to reduce motor starting torque thus reducing
the stress on shafts, couplings, and discharge piping.
Reduced-voltage starters also slow the rapid acceleration
of the water on start-up to help control upthrust and
water hammer.
Reduced-voltage starters may not be required if the
maximum recommended cable length is used. With
maximum recommended cable length there is a 5%
voltage drop in the cable at running amps, resulting in
about 20% reduction in starting current and about 36%
reduction in starting torque compared to having rated
voltage at the motor. This may be enough reduction in
starting current so that reduced-voltage starters are
not required.
Three-Lead Motors: Autotransformer or solid-state
reduced-voltage starters may be used for soft-starting
standard three-phase motors.
When autotransformer starters are used, the motor
should be supplied with at least 55% of rated voltage to
ensure adequate starting torque. Most autotransformer
starters have 65% and 80% taps. Setting the taps on
these starters depends on the percentage of the
maximum allowable cable length used in the system.
If the cable length is less than 50% of the maximum
allowable, either the 65% or the 80% taps may be used.
When the cable length is more than 50% of allowable,
the 80% tap should be used.
Six-Lead Motors: Wye-Delta starters are used with
six-lead Wye-Delta motors. All Franklin 6" and 8"
three-phase motors are available in six-lead Wye-Delta
construction. Consult the factory for details and availability.
Part winding starters are not compatible with Franklin
Electric submersible motors and should not be used.
Wye-Delta starters of the open-transition type, which
momentarily interrupt power during the starting cycle, are
not recommended. Closed-transition starters have no
interruption of power during the start cycle and can be
used with satisfactory results.
Reduced-voltage starters have adjustable settings
for acceleration ramp time, typically preset at 30
seconds. They must be adjusted so the motor is at
full voltage within THREE SECONDS MAXIMUM to
prevent excessive radial and thrust bearing wear.
If Subtrol-Plus or SubMonitor is used the
acceleration time must be set to TWO SECONDS
MAXIMUM due to the 3 second reaction time of the
Subtrol-Plus or SubMonitor.
Solid-state starters AKA soft starts may not be
compatible with Subtrol-Plus/SubMonitor. However,
in some cases a bypass contactor has been used.
Consult the factory for details.
During shutdown, Franklin Electric’s
recommendation is for the power to be removed,
allowing the pump/motor to coast down. Stopping
the motor by ramping down the voltage is possible,
but should be limited to three (3) seconds maximum.
Franklin Electric offers three different types of motors for
non-vertical applications.
1. The Booster motors are specifically designed for
booster applications. They are the “Best Choice”
for sealed Reverse Osmosis applications.
These motors are the result of two years of focused
development and bring additional value and durability
to booster module systems. These motors are
only available to OEMs or Distributors who have
demonstrated capability in Booster Module systems
design and operation and adhere to Franklin’s
Application Manual requirements.
2. The Hi-Temp motors have many of the internal
design features of the Booster motor. It’s additional
length allows for higher temperature handling and
the Sand Fighter sealing system provides greater
abrasion resistance. One or both of these conditions
are often experienced in open atmosphere
applications such as lakes, ponds, etc.
3. The Standard Vertical Water Well (40-125 hp)
motors can be adapted to non-vertical applications
when applied per the below guidelines. However,
they will be more sensitive to application variances
than the other two designs.
All of the above motors must be applied per the
guidelines listed below. In addition, for all applications
where the motor is applied in a sealed system, a
Submersible Motor Booster Installation Record (Form
3655) or its equivalent must be completed at startup and
received by Franklin Electric within 60 days. A sealed
system is one where the motor and pump intake are
mounted in a sleeve and the water feeding the pump
intake is not open to the atmosphere.
2EDUCED 6OLTAGE 3TARTERS
)NLINE "OOSTER 0UMP 3YSTEMS
36
Continued on next page

!00,)#!4)/.
4HREE0HASE -OTORS
Design And Operational Requirements
1. Non-Vertical Operation: Vertical Shaft-up (0°) to
Horizontal (90°) operation is acceptable as long as
THE PUMP TRANSMITS hDOWNTHRUSTv TO THE MOTOR WITHIN
3 seconds after start-up and continuously during
operation. However, it is best practice to provide a
positive slope whenever it is possible, even if it is only
a few degrees.
2. Motor, Sleeve, and Pump Support System: The
booster sleeve ID must be sized according to the
motor cooling and pump NPSHR requirements. The
support system must support the motor’s weight,
prevent motor rotation and keep the motor and pump
aligned. The support system must also allow for
thermal axial expansion of the motor without creating
binding forces.
3. Motor Support Points: A minimum of two support
points are required on the motor. One in the motor/
pump flange connection area and one in the bottom
end of the motor area. The motor castings, not the
shell area, are recommended as support points. If the
support is a full length support and/or has bands in
the shell area, they must not restrict heat transfer or
deform the shell.
4. Motor Support Material and Design: The support
system shall not create any areas of cavitation or
other areas of reduced flow less than the minimum
rate required by this manual. They should also be
designed to minimize turbulence and vibration and
provide stable alignment. The support materials and
locations must not inhibit the heat transfer away from
the motor.
5. Motor and Pump Alignment: The maximum
allowable misalignment between the motor, pump,
and pump discharge is 0.025 inch per 12 inches of
length (2 mm per 1000 mm of length). This must be
measured in both directions along the assembly using
the motor/pump flange connection as the starting
point. The booster sleeve and support system must
be rigid enough to maintain this alignment during
assembly, shipping, operation and maintenance.
6. The best motor lubrication and heat resistance is
obtained with the factory based propylene glycol
fill solution. Only when an application MUST HAVE
deionized (DI) water should the factory fill solution
be replaced. When a deionized water fill is required,
the motor must be derated as indicated on the below
chart. The exchange of the motor fill solution to DI
)NLINE "OOSTER 0UMP 3YSTEMS CONTINUED
water must be done by an approved Franklin service
shop or representative using a vacuum fill system
per Franklin’s Motor Service Manual instruction. The
motor shell then must be permanently stamped with a
D closely behind the Serial Number.
The maximum pressure that can be applied to the
motor internal components during the removal of the
factory fill solution is 7 psi (0.5 bar.)
First: Determine maximum Feed Water Temperature
that will be experienced in this application. If the
feed water exceeds the maximum ambient of the
motor, both the DI water derating and a hot water
application derating must be applied.
Second: Determine the Pump Load Multiplier from the
appropriate Service Factor curve. (Typical 1.15
Service Factor is for 60 Hz ratings &1.00 Service
Factor for 50 Hz ratings).
Third: Multiply the Pump Load Requirement times the pump
load multiplier number indicated on the vertical axis
to determine the Minimum Motor Nameplate Rating.
Fourth: Select a motor with a nameplate equal or higher than
the above calculated value.
7. Motor Alterations - Sand Slinger & Check Valve
Plug: /N v AND v MOTORS THE RUBBER SAND SLINGER
located on the shaft must be removed. If a pipe plug
is covering the check valve, it must be removed.
The special Booster motor already has these
modifications.
8. Frequency of Starts: Fewer than 10 starts per
24-hour period are recommended. Allow at least 20
minutes between shutdown and start-up of the motor.
FIG. 12
1.8
1.7
1.6
1.5
1.4
1.3
1.2
1.1
1
30 25 20 15 10
35
40
1.75
1.65
1.55
1.45
1.35
1.25
1.15
1.05
1.00 Service Factor (50Hz)
1.15 Service Factor (60Hz)
Derating Factor for Motors That Must Have Their Factory Fill
Replaced With Deionized Water 8" Encapsulated Motor
Feed Water Temperature (°C)
Pump Load Multiplier
37 Continued on next page

!00,)#!4)/.
4HREE0HASE -OTORS
9. Controls-Soft Starters and VFDs: Reduced voltage
starters and variable speed drives (inverter drives)
may be used with Franklin three-phase submersible
motors to reduce starting current, upthrust, and
mechanical stress during start-up. The guidelines
for their use with submersible motors are different
than with normal air cooled motor applications.
Refer to the Franklin Electric Application, Installation
and Maintenance (AIM) Manual Reduced Voltage
Starters section or Variable Speed Submersible
Pump Operation, Inverter Drives sections for specific
details including required filtering.
10. Motor Overload Protection: Submersible motors
require properly sized ambient compensated
Class 10 quick-trip overloads per Franklin’s AIM
Manual guidelines to protect the motor. Class 20
or higher overloads are NOT acceptable. Franklin’s
SubMonitor is strongly recommended for all large
submersibles since it is capable of sensing motor
heat without any additional wiring to the motor.
Applications using Soft Starters with a SubMonitor
require a start-up bypass - consult the factory for
details. SubMonitor can not be used in applications
using a VFD control.
11. Motor Surge Protection: Properly sized, grounded
and dedicated motor surge arrestors must be
installed in the supply line of the booster module as
close to the motor as possible. This is required on
all systems including those using soft-starters and
variable speed drives (inverter drives).
12. Wiring: Franklin’s lead assemblies are only sized
for submerged operation in water to the motor
nameplate maximum ambient temperature and
may overheat and cause failure or serious injury
if operated in air. Any wiring not submerged must
meet applicable national and local wiring codes and
)NLINE "OOSTER 0UMP 3YSTEMS CONTINUED
Franklin Cable Chart tables 16-21. (Notice: wire size,
wire rating and insulation temperature rating must be
known when determining its suitability to operate in
air or conduit. Typically, for a given size and rating,
as the insulation temperature rating increases its
ability to operate in air or conduit also increases.)
13. Check Valves: Spring-loaded check valves must
be used on start-up to minimize motor upthrusting,
water hammer, or in multiple booster (parallel)
applications to prevent reverse flow.
14. Pressure Relief Valves: A pressure relief valve is
required and must be selected to ensure that, as the
pump approaches shut-off, it never reaches the point
that the motor will not have adequate cooling flow
past it.
15. System Purge (Can Flooding): An air bleeder
valve must be installed on the booster sleeve so that
flooding may be accomplished prior to booster start-
up. Once flooding is complete, the booster should
be started and brought up to operating pressure as
quickly as possible to minimize the duration of an
upthrust condition. At no time should air be allowed
to gather in the booster sleeve because this will
prevent proper cooling of the motor and permanently
damage it.
16. System Flush – Must Not Spin Pump: Applications
may utilize a low flow flushing operation. Flow
through the booster sleeve must not spin the pump
impellers and the motor shaft. If spinning takes
place, the bearing system will be permanently
damaged and the motor life shortened. Consult the
booster pump manufacturer for maximum flow rate
through the pump when the motor is not energized.
Based on 30 °C maximum ambient with cable length of 100 feet or less.
Table 38 Franklin Cable chart (See 12. Wiring)
CABLE
TEMP.
RATING
(°C)
MOTOR
NAMEPLATE
RATED AMPS
FULL LOAD
#10 AWG #8 AWG #6 AWG #4 AWG #2 AWG
IN AIR IN
CONDUIT IN AIR IN
CONDUIT IN AIR IN
CONDUIT IN AIR IN
CONDUIT IN AIR IN
CONDUIT
75 3-LEAD (DOL) 40A 28A 56A 40A 76A 52A 100A 68A 136A 92A
3,(+@¬ 69A 48A 97A 69A 132A 90A 173A 118A 236A 159A
90 3-LEAD (DOL) 44A 32A 64A 44A 84A 60A 112A 76A 152A 104A
3,(+@¬ 76A 55A 111A 76A 145A 104A 194A 132A 263A 180A
125 3-LEAD (DOL) 66A 46A 77A 53A 109A 75A 153A 105A 195A 134A
3,(+@¬ 114A 80A 133A 91A 188A 130A 265A 181A 337A 232A
38
Continued on next page

!00,)#!4)/.
4HREE0HASE -OTORS
17. Open Atmosphere Booster Pump Systems: When
an open booster is placed in a lake, tank, etc. that is
open to atmospheric pressure, the water level must
provide sufficient head pressure to allow the pump
to operate above its NPSHR requirement at all times
and all seasons. Adequate inlet pressure must be
provided prior to booster start-up.
Four Continuous Monitoring System Requirements
for Sealed Booster Systems.
1. Water Temperature: Feed water on each
booster must be continuously monitored and
not allowed to exceed the motor nameplate
maximum ambient temperature at any time. IF
THE INLET TEMPERATURE EXCEEDS THE
MOTOR NAMEPLATE MAXIMUM AMBIENT
TEMPERATURE, THE SYSTEM MUST
SHUTDOWN IMMEDIATELY TO PREVENT
PERMANENT MOTOR DAMAGE. If feed water
temperatures are expected to be above the
allowable temperature, the motor must be derated.
See Franklin’s AIM Manual Hot Water Applications
section for derating guidelines. (The high
temperature feed water derating is in addition to the
exchange to DI water derating if the motor factory fill
solution was exchanged to DI water.)
2. Inlet Pressure: The inlet pressure on each booster
module must be continuously monitored. It must
always be positive and higher than the NPSHR (Net
Positive Suction Head Requirement) of the pump.
A minimum of 20 PSIG (1.38 Bar) is required at all
times, except for 10 seconds or less when the motor
is starting and the system is coming up to pressure.
)NLINE "OOSTER 0UMP 3YSTEMS CONTINUED
Even during these 10 seconds the pressure must
remain positive and be higher than the NPSHR (Net
Positive Suction Head Requirement) of the pump.
PSIG is the actual value displayed on a pressure
gauge in the system piping. PSIG is the pressure
above the atmospheric conditions. If at any time
these pressure requirements are not being met, the
motor must be de-energized immediately to prevent
permanent damage to the motor. Once the motor is
damaged, it is usually not immediately noticeable,
but progresses and results in a premature motor
failure weeks or months after the damage occurred.
Motors that will be exposed to pressure in excess
of 500 psi (34.47 Bar) must undergo special high
pressure testing. Consult factory for details
and availability.
3. Discharge Flow: The flow rate for each pump must
not be allowed to drop below the motor minimum
cooling flow requirement. IF THE MOTOR MINIMUM
COOLING FLOW REQUIREMENT IS NOT BEING
MET FOR MORE THAN 10 SECONDS, THE
SYSTEM MUST BE SHUT DOWN IMMEDIATELY
TO PREVENT PERMANENT MOTOR DAMAGE.
4. Discharge Pressure: The discharge pressure
must be monitored to ensure that a downthrust load
toward the motor is present within 3 seconds after
start-up and continuously during operation.
IF THE MOTOR DISCHARGE PRESSURE IS NOT
ADEQUATE TO MEET THIS REQUIREMENT, THE
SYSTEM MUST BE SHUT DOWN IMMEDIATELY
TO PREVENT PERMANENT MOTOR DAMAGE.
39

!00,)#!4)/.
4HREE0HASE -OTORS
40
6ARIABLE &REQUENCY $RIVE 3UBMERSIBLE -OTOR 2EQUIREMENTS
Franklin Electric’s three-phase, encapsulated
submersible motors can be used with variable frequency
drives (VFD) when applied within the guidelines below.
All three-phase, encapsulated submersible motors must
have the VFD sized based on the motor’s nameplate
maximum amps, not horsepower. The continuous rated
amps of the VFD must be equal to or greater than the
motor’s nameplate maximum amps or warranty will be
void.
Franklin Electric’s single-phase, 2- and 3-wire,
encapsulated submersible motors can only be used with
the appropriate Franklin constant pressure controller.
Franklin Electric’s submersible motor Application
Installation Maintenance (AIM) manual should be
checked for the latest guidelines and can be found online
at www.franklin-electric.com.
WARNING: There is a potential shock hazard from
contact with and/or touching the insulated cables
connected to the variable frequency drive output
anytime the motor has energy applied.
/UTPUT &ILTER 2EQUIREMENT 4EST
./4)#%: An incoming power supply or line-side filter for
the drive does not replace the need for additional output
filters.
!N OUTPUT lLTER IS REQUIRED IF THE ANSWER IS YES
TO ONE OR BOTH OF THE ITEMS BELOW
#1 - Is the VFD’s pulse width modulation (PWM) voltage
rise-time (dV/dt) more than 500 Volts per micro-second
(500 V/µ-second)?
#2 - Is the motor nameplate voltage more than 379
Volts and is the cable from drive-to-motor more than
50 ft (15.2 m)?
./4)#%
More than 99% of the drives applied on water well
submersible motors will require the purchase of
additional output filtering based on question #1.
Output filters can be expensive. However, when needed,
it is required for the motor to be considered for warranty.
Make sure this item is not overlooked when quoting
a job.
PWM dV/dt value can be defined as: the rate at which
voltage is changing with time or how fast the voltage
is accelerating. This information can be supplied by
the drive manufacturer or the manufacturer’s drive
specification sheet. The dV/dt value cannot be measured
with typical field equipment, even when using a true-RMS
voltage/amperage multi-meter.
Franklin Electric has a line of VFDs that are specifically
designed for Franklin application systems. These VFDs
are used in the MonoDrive and SubDrive constant
pressure systems. Franklin drive systems have the
required additional output filtering installed; however,
the SubDrive HPX does not.
4YPES OF /UTPUT &ILTERS
A resistor-inductor-capacitor (RLC) filter has both a high
pass filter & a low pass filter section and are considered
the best practice, but a high pass reactor filter is also
acceptable.
Filters should be recommended by the drive manufacturer;
for the correct recommendations provide them with
answers to all five of the items below.
2%15)2%$ )4%-3 &/2 02/0%2 6&$ &),4%2 3):).'
(1) VFD model (2) Carrier frequency setting (3) Motor
nameplate voltage (4) Motor nameplate max amps
(5) Cable length from the drive output terminals
to the motor
)NPUT #URRENT -OTOR
/VERLOAD 0ROTECTION
s -OTOR INPUT CURRENT SHOULD BE SET AT THE SYSTEMS
typical operating current when running at
nameplate rated voltage and frequency (Hz).
s -OTOR OVERLOAD PROTECTION SHOULD BE SET TO TRIP AT
115% of the system’s typical operating current.
s -OTOR OVERLOAD PROTECTION MUST TRIP EQUAL TO
or faster than NEMA Class 10 motor overload
curve requirements.
-OTOR -AXIMUM ,OAD ,IMITS
s 4HE SYSTEM MUST NEVER OPERATE IN EXCESS OF THE MOTOR
nameplate maximum amps.
s /N (Z MOTORS NAMEPLATE AMPS ARE MAXIMUM
amps as these motors have a 1.0 service factor.

!00,)#!4)/.
4HREE0HASE -OTORS
-OTOR /PERATING (ERTZ #OOLING
2EQUIREMENTS 5NDERLOAD
3ETTINGS
s 3TANDARD PRACTICE FOR LARGE 6&$ INSTALLATIONS IS TO LIMIT
the operation to 60 Hz max. Operating at greater than
60 Hz requires special system design considerations.
s 4HE MOTOR MUST NEVER OPERATE BELOW (Z 4HIS IS
the minimum speed required to provide correct bearing
lubrication.
s 4HE MOTORS OPERATING SPEED MUST ALWAYS OPERATE
so the minimum water flow requirements of 0.5 ft/sec
for 6-inch & 8-inch motors and 0.25 ft/sec for 4-inch
motors is supplied.
s 4HE MOTOR UNDERLOAD PROTECTION IS NORMALLY SET TO
trip at 80% of the system’s typical operating current.
However, the underload trip point must be selected
so that minimum flow requirements are always met.
3TARTING 3TOPPING 2AMP 3ETTINGS
s 4HE MOTOR MUST REACH OR PASS THE (Z OPERATING
speed within 1 second of the motor being energized.
If this does not occur, the motor bearings will be
damaged and the motor life reduced.
s 4HE BEST STOPPING METHOD IS TO TURN POWER
off followed by a natural coast to stop.
s ! CONTROLLED STOP FROM (Z TO (Z IS ALLOWED IF THE
time does not exceed 1 second.
$RIVE #ARRIER &REQUENCY
s 4HE CARRIER FREQUENCY IS SET IN THE lELD 4HE DRIVE
typically has a selectable range between 2k and
12k Hz. The higher the carrier wave frequency setting,
the greater the voltage spikes; the lower the carrier
wave frequency setting, the rougher/poorer the shape
of the power curve.
s 4HE CARRIER FREQUENCY SHOULD BE SET WITHIN THE RANGE
of 4k to 5k Hz for encapsulated submersible motors.
!PPLICATION &UNCTION 3ETTING
s )F THE 6&$ HAS A SETTING OF CENTRIFUGAL PUMP OR
propeller fan it should be used.
s #ENTRIFUGAL PUMPS AND FANS HAVE SIMILAR
load characteristics.
6ARIABLE &REQUENCY $RIVE 3UBMERSIBLE -OTOR 2EQUIREMENTS
6&$ &REQUENCY OF 3TARTS
s +EEPING THE STARTS PER DAY WITHIN THE RECOMMENDED
numbers shown in the frequency of starts section of
the AIM manual provides the best system life.
However, since in-rush current is typically reduced
when used with a properly configured VFD, large
3-phase submersible motors can be started more
frequently. In all cases a minimum of 7 minutes
must be allowed between a power off and the next
restart attempt or consecutive restart attempts.
.%-! -' !BOVE 'ROUND -OTOR
3TANDARD #OMMENTS
s &RANKLIN %LECTRIC ENCAPSULATED SUBMERSIBLE MOTORS
are not declared inverter duty motors by NEMA MG1
standards. The reason is NEMA MG1 standard part
31 does not include a section covering encapsulated
winding designs.
s &RANKLIN SUBMERSIBLE MOTORS CAN BE USED WITH 6&$S
without problems or warranty concerns providing
Franklin's Application Installation Maintenance (AIM)
manual guidelines are followed. See Franklin's on-line
AIM manual for the latest guidelines.
41

).34!,,!4)/.
!LL -OTORS
v 3UPER 3TAINLESS $IMENSIONS
3TANDARD 7ATER 7ELL
1.508"
1.498"
1.48"
MAX
0.030" R
MAX
0.97"
0.79"
L*
0.161" MAX LEAD
BOSS HEIGHT
3.75" DIA.
0.50" MIN.
FULL SPLINE
5/16" - 24 UNF-2A
MOUNTING STUDS
14 TOOTH 24/48"
DIAMETRAL PITCH
v (IGH 4HRUST $IMENSIONS
3TANDARD 7ATER 7ELL
L*
5.44" DIA.
0.250"
0.240"
3.000"
2.997"
1.0000"
0.9995" DIA.
.94" MIN.
FULL SPLINE 2.875"
2.869"
6.25"
CHECK
VALV E
15 TOOTH 16/32"
DIAMETRAL PITCH
1/2
"
- 20 UNF-2B
MOUNTING HOLES
0.75"
v $IMENSIONS
3TANDARD 7ATER 7ELL
v $IMENSIONS
3TANDARD 7ATER 7ELL
* Motor lengths and shipping weights are available on Franklin Electric’s web site (www.franklin-electric.com) or by
calling Franklin’s submersible hotline (800-348-2420).
1.508"
1.498"
1.48"
MAX
0.030" R
MAX
L*
0.161" MAX LEAD
BOSS HEIGHT
3.75" DIA.
0.50" MIN.
FULL SPLINE
1.09"
0.91"
5/16" - 24 UNF-2A
MOUNTING STUDS
14 TOOTH 24/48"
DIAMETRAL PITCH
40 to 100 hp
5.000"
4.997"
5.130"
5.120"
1.69"
MIN FULL
SPLINE
0.240"
23 TOOTH 16/32"
DIAMETRAL PITCH
SHAFT DIA
1.5000"
1.4990"
CHECK
VALVE
WATER
WELL
MODELS
PIPE PLUG
STAINLESS
STEEL
MODELS
M8 x 1.25 6G
GROUND
SCREW
7.70" DIA
MAX
7.00"
FINNED
4.000"
3.990"
L*
23 TOOTH 16/32"
DIAMETRAL PITCH
SHAFT DIA
1.5000"
1.4990"
5.130"
5.120"
M8 x 1.25 6G
GROUND
SCREW
2.75"
FINNED
4.000"
3.990"
L*
125 to 200 hp
5.000"
4.997"
1.69"
MIN FULL
SPLINE
0.240"
CHECK
VALVE
7.70" DIA
MAX
MOUNTING HOLES
CLEARANCE FOR
5/8" BOLTS
1.06"
0.94"
1.06"
0.94"
42

).34!,,!4)/.
!LL -OTORS
4" Motors with Jam Nut:
15 to 20 ft-lb (20 to 27 Nm)
4" Motors with 2 Screw Clamp Plate:
35 to 45 in-lb (4.0 to 5.1 Nm)
6" Motors:
40 to 50 ft-lb (54 to 68 Nm)
8" Motors with 1-3/16" to 1-5/8" Jam Nut:
50 to 60 ft-lb (68 to 81 Nm)
8" Motors with 4 Screw Clamp Plate:
Apply increasing torque to the screws equally in a
criss-cross pattern until 80 to 90 in-lb (9.0 to 10.2
Nm) is reached.
Jam nut tightening torques recommended for field
assembly are shown. Rubber compression set within the
first few hours after assembly may reduce the jam nut
torque. This is a normal condition which does not indicate
reduced seal effectiveness. Retightening is not required,
but is permissible and recommended if original torque
was questionable.
A motor lead assembly should not be reused. A new lead
assembly should be used whenever one is removed from
the motor, because rubber set and possible damage from
removal may prevent proper resealing of the old lead.
All motors returned for warranty consideration must
have the lead returned with the motor.
Assemble coupling with non-toxic FDA approved
waterproof grease such as Mobile FM102, Texaco
CYGNUS2661, or approved equivalent. This prevents
abrasives from entering the spline area and prolongs
spline life.
A common question is why motor leads are smaller than
specified in Franklin’s cable charts.
The leads are considered a part of the motor and actually
are a connection between the large supply wire and the
motor winding. The motor leads are short and there is
virtually no voltage drop across the lead.
In addition, the lead assemblies operate under water,
while at least part of the supply cable must operate in
air. Lead assemblies running under water operate cooler.
CAUTION: Lead assemblies on submersible motors
are suitable only for use in water and may overheat
and cause failure if operated in air.
3HAFT (EIGHT AND &REE %ND 0LAY
If the height, measured from the
pump-mounting surface of the
motor, is low and/or end play
exceeds the limit, the motor thrust
bearing is possibly damaged, and
should be replaced.
4IGHTENING -OTOR ,EAD #ONNECTOR *AM .UT
Table 42
0UMP TO -OTOR #OUPLING
3UBMERSIBLE ,EADS AND #ABLES
MOTOR NORMAL
SHAFT HEIGHT
DIMENSION
SHAFT HEIGHT
FREE END PLAY
MIN. MAX.
4" 1 1/2" 38.1 mm 1.508"
1.498"
38.30
38.05
0.010"
0.25 mm
0.045"
1.14 mm
6" 2 7/8" 73.0 mm 2.875"
2.869"
73.02
72.88
0.030"
0.76 mm
0.050"
1.27 mm
8" TYPE 1 4" 101.6 mm 4.000"
3.990"
101.60
101.35
0.008"
0.20 mm
0.032"
0.81 mm
8" TYPE 2.1 4" 101.6 mm 4.000"
3.990"
101.60
101.35
0.030"
0.76 mm
0.080"
2.03 mm
mm
mm
mm
mm
After assembling the motor to the pump, torque mounting
fasteners to the following:
4" Pump and Motor: 10 lb-ft (14 Nm)
6" Pump and Motor: 50 lb-ft (68 Nm)
8" Pump and Motor: 120 lb-ft (163 Nm)
0UMP TO -OTOR !SSEMBLY
43

-!).4%.!.#%
!LL -OTORS
3YSTEM 4ROUBLESHOOTING
POSSIBLE CAUSE CHECKING PROCEDURES CORRECTIVE ACTION
A. No power or incorrect voltage. Check voltage at line terminals.
The voltage must be ± 10% of rated voltage. Contact power company if voltage is incorrect.
B. Fuses blown or circuit breakers tripped.
Check fuses for recommended size and
check for loose, dirty or corroded
connections in fuse receptacle. Check
for tripped circuit breakers.
Replace with proper fuse or reset
circuit breakers.
C. Defective pressure switch.
Check voltage at contact points. Improper
contact of switch points can cause voltage
less than line voltage.
Replace pressure switch or clean points.
D. Control box malfunction. For detailed procedure, see pages 48-56. Repair or replace.
E. Defective wiring. Check for loose or corroded connections
or defective wiring Correct faulty wiring or connections.
F. Bound pump.
Check for misalignment between pump
and motor or a sand bound pump.
Amp readings will be 3 to 6 times higher
than normal until the overload trips
Pull pump and correct problem. Run new
installation until the water clears
G. Defective cable or motor. For detailed procedure, see pages 46 & 47. Repair or replace.
A. Pressure switch. Check setting on pressure switch and
examine for defects. Reset limit or replace switch.
B. Check valve - stuck open. Damaged or defective check valve will
not hold pressure. Replace if defective.
C. Waterlogged tank. Check air charge Clean or replace.
D. Leak in system. Check system for leaks. Replace damaged pipes or repair leaks.
Motor Does Not Start
Motor Starts Too Often
44

-!).4%.!.#%
!LL -OTORS
3YSTEM 4ROUBLESHOOTING
POSSIBLE CAUSE CHECKING PROCEDURES CORRECTIVE ACTION
A. Pressure switch. Check switch for welded contacts.
Check switch adjustments. Clean contacts, replace switch, or adjust setting.
B. Low water level in well.
Pump may exceed well capacity. Shut off
pump, wait for well to recover. Check
static and drawdown level from well head.
Throttle pump output or reset pump to lower level.
Do not lower if sand may clog pump.
C. Leak in system. Check system for leaks. Replace damaged pipes or repair leaks.
D. Worn pump.
Symptoms of worn pump are similar to
those of drop pipe leak or low water level
in well. Reduce pressure switch setting, if
pump shuts off worn parts may be the fault.
Pull pump and replace worn parts.
E. Loose coupling or broken motor shaft. Check for loose coupling or damaged shaft. Replace worn or damaged parts.
F. Pump screen blocked. Check for clogged intake screen. Clean screen and reset pump depth.
G. Check valve stuck closed. Check operation of check valve. Replace if defective.
H. Control box malfunction. See pages 47-55 for single-phase. Repair or replace.
A. Incorrect voltage. Using voltmeter, check the line terminals.
Voltage must be within ± 10% of rated voltage. Contact power company if voltage is incorrect.
B. Overheated protectors.
Direct sunlight or other heat source can raise control
box temperature causing protectors to trip. The box
must not be hot to touch.
Shade box, provide ventilation or move
box away from source.
C. Defective control box. For detailed procedures, see pages 47-55. Repair or replace.
D. Defective motor or cable. For detailed procedures, see pages 45 & 46. Repair or replace.
E. Worn pump or motor. Check running current, see tables 13, 22, 24 & 27. Replace pump and/or motor.
Motor Runs Continuously
Motor Runs But Overload Protector Trips
45

-!).4%.!.#%
!LL -OTORS
GROUND
L2
{
TO
POWER
SUPPLY BLACK
{
YELLOW
RED
GROUND
POWER MUST
BE SHUT OFF
BLACK
YELLOW
RED
L1 L2 RYB
L1
TO
PUMP
OHMMETER
SET AT R X 1
GROUND
L2
{
TO
POWER
SUPPLY BLACK
{
YELLOW
RED
GROUND
POWER MUST
BE SHUT OFF
BLACK
YELLOW
RED
L1 L2 RYB
L1
TO
PUMP
MEGGER
OR OHMMETER
SET AT R X 100K
CONNECT
THIS LEAD
TO GROUND
ATTACH THIS LEAD
TO WELL CASING OR
DISCHARGE PIPE
FIG. 13 FIG. 14
Table 45 Preliminary Tests - All Sizes Single- and Three-Phase
TEST PROCEDURE WHAT IT MEANS
Insulation
Resistance
1. Open master breaker and disconnect all leads from control
box or pressure switch (QD type control, remove lid) to
avoid electric shock hazard and damage to the meter.
2. Use a megohmmeter or set the scale lever to R X 100K
on an ohmmeter. Zero the meter.
3. Connect one meter lead to any one of the motor leads
and the other lead to the metal drop pipe. If the drop pipe is
plastic, connect the meter lead to ground.
1. If the ohms value is normal (table 46), the motor is
not grounded and the cable insulation is not damaged.
2. If the ohms value is below normal, either the windings
are grounded or the cable insulation is damaged.
Check the cable at the well seal as the insulation is
sometimes damaged by being pinched.
Winding
Resistance
1. Open master breaker and disconnect all leads from control
box or pressure switch (QD type control, remove lid) to
avoid electric shock hazard and damage to the meter.
2. Set the scale lever to R X 1 for values under 10 ohms.
For values over 10 ohms, set the scale lever to R X 10.
hZEROv THE OHMMETER
3. On 3-wire motors measure the resistance of yellow to black
(main winding) and yellow to red (start winding).
On 2-wire motors: measure the resistance from line-to-line.
Three-phase motors: measure the resistance line-to-line
for all three combinations.
1. If all ohms values are normal (tables 13, 22, 24 & 27), the
motor windings are neither shorted nor open, and the
cable colors are correct
2. If any one value is less than normal, the motor
is shorted.
3. If any one ohm value is greater than normal, the
winding or the cable is open, or there is a poor cable
joint or connection.
4. If some ohms values are greater than normal and some
less on single-phase motors, the leads are mixed. See
page 46 to verify cable colors.
46

-!).4%.!.#%
!LL -OTORS
)NSULATION 2ESISTANCE 2EADINGS
The values below are for copper conductors. If aluminum
conductor drop cable is used, the resistance will be
higher. To determine the actual resistance of the
aluminum drop cable, divide the ohm readings from this
chart by 0.61. This chart shows total resistance of cable
from control to motor and back.
Winding Resistance Measuring
The winding resistance measured at the motor should
fall within the values in tables 13, 22, 24 & 27. When
measured through the drop cable, the resistance of
the drop cable must be subtracted from the ohmmeter
readings to get the winding resistance of the motor. See
table below.
Insulation resistance varies very little with rating. Motors of all hp, voltage, and phase rating have similar values of
insulation resistance.
The table above is based on readings taken with a megohm meter with a 500 VDC output. Readings may vary using a lower
voltage ohmmeter, consult Franklin Electric if readings are in question.
Table 46 Normal ohm and Megohm Values Between All Leads and Ground
Table 46A DC Resistance in ohms per 100 ft of Wire (Two conductors) @ 50 °F
CONDITION OF MOTOR AND LEADS OHMS VALUE MEGOHM VALUE
A new motor (without drop cable).
A used motor which can be reinstalled in well.
200,000,000 (or more)
10,000,000 (or more)
200.0 (or more)
10.0 (or more)
MOTOR IN WELL. READINGS ARE FOR DROP CABLE PLUS MOTOR.
2,000,000 (or more)
500,000 - 2,000,000
Less than 500,000
2.0 (or more)
0.50 - 2.0
Less than .50
New motor.
Motor in good condition.
Insulation damage, locate and repair.
AWG OR MCM WIRE SIZE (COPPER) 14 12 10 8 6 4 3 2
OHMS 0.544 0.338 0.214 0.135 0.082 0.052 0.041 0.032
1 1/0 2/0 3/0 4/0 250 300 350 400 500 600 700
0.026 0.021 0.017 0.013 0.010 0.0088 0.0073 0.0063 0.0056 0.0044 0.0037 0.0032
2ESISTANCE OF $ROP #ABLE OHMS
47

-!).4%.!.#%
3INGLE0HASE -OTORS #ONTROLS
WARNING: Power must be on for these tests. Do not
touch any live parts.
A. VOLTAGE MEASUREMENTS
Step 1. Motor Off
1. Measure voltage at L1 and L2 of pressure switch
or line contactor.
2. Voltage Reading: Should be ± 10% of
motor rating.
Step 2. Motor Running
1. Measure voltage at load side of pressure switch
or line contactor with pump running.
2. Voltage Reading: Should remain the same except
for slight dip on starting. Excessive voltage
drop can be caused by loose connections, bad
contacts, ground faults, or inadequate
power supply.
3. Relay chatter is caused by low voltage or
ground faults.
If the colors on the individual drop cables cannot be
found with an ohmmeter, measure:
Cable 1 to Cable 2
Cable 2 to Cable 3
Cable 3 to Cable 1
Find the highest resistance reading.
The lead not used in the highest reading is the
yellow lead.
Use the yellow lead and each of the other two leads to
get two readings:
Highest is the red lead.
Lowest is the black lead.
)DENTIlCATION /F #ABLES 7HEN #OLOR #ODE )S 5NKNOWN (Single-Phase 3-Wire Units)
EXAMPLE:
The ohmmeter readings were:
Cable 1 to Cable 2 - 6 ohms
Cable 2 to Cable 3 - 2 ohms
Cable 3 to Cable 1 - 4 ohms
The lead not used in the highest reading (6 ohms) was
Cable 3—Yellow
From the yellow lead, the highest reading (4 ohms) was
To Cable 1—Red
From the yellow lead, the lowest reading (2 ohms) was
To Cable 2—Black
3INGLE0HASE #ONTROL "OXES
B. CURRENT (AMP) MEASUREMENTS
1. Measure current on all motor leads.
2. Amp Reading: Current in red lead should
momentarily be high, then drop within one second
to values in table 13. This verifies relay or solid
state relay operation. Current in black and yellow
leads should not exceed values in table 13.
3. Relay or switch failures will cause red lead
current to remain high and overload tripping.
4. Open run capacitor(s) will cause amps to be
higher than normal in the black and yellow motor
leads and lower than normal in the red
motor lead.
5. A bound pump will cause locked rotor amps and
overloading tripping.
6. Low amps may be caused by pump running at
shutoff, worn pump, or stripped splines.
7. Failed start capacitor or open switch/relay are
indicated if the red lead current is not
momentarily high at starting.
CAUTION: The tests in this manual for components such as capacitors, relays, and QD switches should be
regarded as indicative and not as conclusive. For example, a capacitor may test good (not open, not shorted) but
may have lost some of its capacitance and may no longer be able to perform its function.
Checking and Repairing Procedures (Power On)
48

-!).4%.!.#%
3INGLE0HASE -OTORS #ONTROLS
Integral Horsepower Control Box (Power Off)
A. OVERLOADS (Push Reset Buttons to make sure
contacts are closed.)
1. Meter Setting: R x 1.
2. Connections: Overload terminals.
3. Correct meter reading: Less than 0.5 ohms.
B. CAPACITOR (Disconnect leads from one side of
each capacitor before checking.)
1. Meter Setting: R x 1,000.
2. Connections: Capacitor terminals.
3. Correct meter reading: Pointer should swing toward
zero, then drift back to infinity, except for capacitors
with resistors which will drift back to 15,000 ohms.
C. POTENTIAL (VOLTAGE) RELAY
Step 1. Coil Test
1. Meter setting: R x 1,000.
2. Connections: #2 & #5.
3. Correct meter readings: 4.5-7.0 (4,500 to 7,000
ohms) for all models.
QD, Solid State Control Box (Power Off)
A. START CAPACITOR AND RUN CAPACITOR IF
APPLICABLE (CRC)
1. Meter Setting: R x 1,000.
2. Connections: Capacitor terminals.
3. Correct meter reading: Pointer should swing
toward zero, then back to infinity.
B. Q.D. (BLUE) RELAY
Step 1. Triac Test
1. Meter setting: R x 1,000.
2. Connections: Cap and B terminal.
3. Correct meter reading: Infinity for all models.
Step 2. Coil Test
1. Meter Setting: R x 1.
2. Connections: L1 and B.
3. Correct meter reading: Zero ohms for all models.
CAUTION: The tests in this manual for components such as capacitors, relays, and QD switches should be regarded as
indicative and not as conclusive. For example, a capacitor may test good (not open, not shorted) but may have lost some
of its capacitance and may no longer be able to perform its function.
C. POTENTIAL (VOLTAGE) RELAY
Step 1. Coil Test
1. Meter setting: R x 1,000.
2. Connections: #2 & #5.
3. Correct meter readings:
For 115 Volt Boxes:
0.7-1.8 (700 to 1,800 ohms).
For 230 Volt Boxes:
4.5-7.0 (4,500 to 7,000 ohms).
Step 2. Contact Test
1. Meter setting: R x 1.
2. Connections: #1 & #2.
3. Correct meter reading: Zero for all models.
Step 2. Contact Test
1. Meter Setting: R x 1.
2. Connections: #1 & #2.
3. Correct meter reading: Zero ohms for all models.
D. CONTACTOR
Step 1. Coil
1. Meter setting: R x 100
2. Connections: Coil terminals
3. Correct meter reading:
1.8-14.0 (180 to 1,400 ohms)
Step 2. Contacts
1. Meter Setting: R X 1
2. Connections: L1 & T1 or L2 & T2
3. Manually close contacts
4. Correct meter reading: Zero ohms
/HMMETER 4ESTS
/HMMETER 4ESTS
49

-!).4%.!.#%
3INGLE0HASE -OTORS #ONTROLS
FOOTNOTES:
(1) Control boxes supplied with QD Relays are designed to operate on 230-volt systems. For 208-volt systems
or where line voltage is between 200 volts and 210 volts use the next larger cable size, or use a boost transformer
to raise the voltage.
(2) Voltage relays kits for 115-volts (305 102 901) and 230-volts (305 102 902) will replace current, voltage or QD
Relays, and solid state switches.
(1) For Control Boxes with model numbers that end with 4915.
Table 49 QD Control Box Parts 60 Hz
Table 49A QD Capacitor Replacement Kits
Table 49C QD Relay Replacement Kits
Table 49B Overload Kits 60 Hz
HP VOLTS CONTROL BOX
MODEL NUMBER QD (BLUE) RELAY START
CAPACITOR MFD VOLTS RUN
CAPACITOR MFD VOLTS
1/3
115 280 102 4915 223 415 905 275 464 125 159-191 110
230 280 103 4915 223 415 901 275 464 126 43-53 220
1/2
115 280 104 4915 223 415 906 275 464 201 250-300 125
230 280 105 4915 223 415 902 275 464 105 59-71 220
230 282 405 5015 (CRC) 223 415 912 275 464 126 43-53 220 156 362 101 15 370
3/4
230 280 107 4915 223 415 903 275 464 118 86-103 220
230 282 407 5015 (CRC) 223 415 913 275 464 105 59-71 220 156 362 102 23 370
1
230 280 108 4915 223 415 904 275 464 113 105-126 220
230 282 408 5015 (CRC) 223 415 914 275 464 118 86-103 220 156 362 102 23 370
CAPACITOR NUMBER KIT
275 464 105 305 207 905
275 464 113 305 207 913
275 464 118 305 207 918
275 464 125 305 207 925
275 464 126 305 207 926
275 464 201 305 207 951
156 362 101 305 203 907
156 362 102 305 203 908
QD RELAY NUMBER KIT
223 415 901 305 101 901
223 415 902 305 101 902
223 415 903 305 101 903
223 415 904 305 101 904
223 415 905 305 101 905
223 415 906 305 101 906
223 415 912 (CRC) 305 105 901
223 415 913 (CRC) 305 105 902
223 415 914 (CRC) 305 105 903
HP VOLTS KIT (1)
1/3 115 305 100 901
1/3 230 305 100 902
1/2 115 305 100 903
1/2 230 305 100 904
3/4 230 305 100 905
1 230 305 100 906
50

-!).4%.!.#%
3INGLE0HASE -OTORS #ONTROLS
FOOTNOTES:
(1) Lightning arrestors 150 814 902 are suitable for all control boxes.
(2) S = Start, M = Main, L = Line, R = Run
Deluxe = Control box with line contactor.
(3) For 208-volt systems or where line voltage is between 200 volts and 210 volts, a low voltage relay is required. On 3
hp and smaller control boxes use relay part 155 031 103 in place of 155 031 102 and use the next larger cable size
than specified in the 230-volt table. On 5 hp and larger use relay 155 031 602 in place of 155 031 601 and next
larger wire. Boost transformers per page 15 are an alternative to special relays and cable.
(4) Control box model 282 300 8610 is designed for use with motors having internal overload protectors. If used with a
1.5 hp motor manufactured prior to date code 06H18, Overload/Capacitor Kit 305 388 901 is required.
(5) Control box model 282 300 8110 with date code 11C19 (March 2011) and newer contain 15 MFD run capacitor
and both start and run overloads. This box is designed for use with any Franklin 1.5 hp motor.
Table 50 Integral Horsepower Control Box Parts 60 Hz
MOTOR
SIZE
MOTOR
RATING HP
CONTROL BOX (1)
MODEL NO.
CAPACITORS OVERLOAD (2)
PART NO.
RELAY (3)
PART NO.
CONTACTOR (2)
PART NO.
PART NO. (2) MFD. VOLTS QTY.
4" 1 - 1.5
STANDARD
282 300 8110
(See Note 5)
275 464 113 S
155 328 102 R
105-126
10
220
370
1
1275 411 107 155 031 102
282 300 8110
(See Note 5)
275 464 113 S
155 328 101 R
105-126
15
220
370
1
1
275 411 114 S
275 411 113 M 155 031 102
282 300 8610 275 464 113 S
155 328 101 R
105-126
15
220
370
1
1
None
(See Note 4) 155 031 102
4" 2
STANDARD 282 301 8110 275 464 113 S
155 328 103 R
105-126
20
220
370
1
1
275 411 117 S
275 411 113 M 155 031 102
4" 2
DELUXE 282 301 8310 275 464 113 S
155 328 103 R
105-126
20
220
370
1
1
275 411 117 S
275 411 113 M 155 031 102 155 325 102 L
4" 3
STANDARD 282 302 8110 275 463 123 S
155 327 109 R
208-250
45
220
370
1
1
275 411 118 S
275 411 115 M 155 031 102
4" 3
DELUXE 282 302 8310 275 463 123 S
155 327 109 R
208-250
45
220
370
1
1
275 411 118 S
275 411 115 M 155 031 102 155 325 102 L
4" & 6" 5
STANDARD 282 113 8110 275 468 119 S
155 327 114 R
270-324
40
330
370
1
2
275 411 119 S
275 406 102 M 155 031 601
4" & 6" 5
DELUXE 282 113 9310 275 468 119 S
155 327 114 R
270-324
40
330
370
1
2
275 411 119 S
275 406 102 M 155 031 601 155 326 101 L
6" 7.5
STANDARD 282 201 9210
275 468 119 S
275 468 118 S
155 327 109 R
270-324
216-259
45
330
330
370
1
1
1
275 411 102 S
275 406 122 M 155 031 601
6" 7.5
DELUXE 282 201 9310
275 468 119 S
275 468 118 S
155 327 109 R
270-324
216-259
45
330
330
370
1
1
1
275 411 102 S
275 406 121 M 155 031 601 155 326 102 L
6" 10
STANDARD 282 202 9210
275 468 119 S
275468 120 S
155 327 102 R
270-324
350-420
35
330
330
370
1
1
2
275 406 103 S
155 409 101 M 155 031 601
6" 10
STANDARD 282 202 9230
275 463 120 S
275 468 118 S
275 468 119 S
155 327 102 R
130-154
216-259
270-324
35
330
330
330
370
1
1
1
2
275 406 103 S
155 409 101 M
155 031 601
6" 10
DELUXE 282 202 9310
275 468 119 S
275468 120 S
155 327 102 R
270-324
350-420
35
330
330
370
1
1
2
275 406 103 S
155 409 101 M 155 031 601 155 326 102 L
6" 10
DELUXE 282 202 9330
275 463 120 S
275 468 118 S
275 468 119 S
155 327 102 R
130-154
216-259
270-324
35
330
330
330
370
1
1
1
2
275 406 103 S
155 409 101 M
155 031 601 155 326 102 L
6" 15
DELUXE 282 203 9310 275 468 120 S
155 327 109 R
350-420
45
330
370
2
3
275 406 103 S
155 409 102 M 155 031 601 155 429 101 L
6" 15
DELUXE 282 203 9330
275 463 122 S
275 468 119 S
155 327 109 R
161-193
270-324
45
330
330
370
1
2
3
275 406 103 S
155 409 102 M
155 031 601 155 429 101 L
6" 15
X-LARGE 282 203 9621 275 468 120 S
155 327 109 R
350-420
45
330
370
2
3
275 406 103 S
155 409 102 M
155 031 601
2 required 155 429 101 L
51

-!).4%.!.#%
3INGLE0HASE -OTORS #ONTROLS
CAPACITOR NUMBER KIT
275 463 120 305 206 920
275 463 122 305 206 922
275 463 123 305 206 923
275 464 113 305 207 913
275 468 118 305 208 918
275 468 119 305 208 919
275 468 120 305 208 920
155 327 101 305 203 901
155 327 102 305 203 902
155 327 109 305 203 909
155 327 114 305 203 914
155 328 101 305 204 901
155 328 102 305 204 902
155 328 103 305 204 903
OVERLOAD NUMBER KIT
275 406 102 305 214 902
275 406 103 305 214 903
275 406 121 305 214 921
275 406 122 305 214 922
275 411 102 305 215 902
275 411 107 305 215 907
275 411 108 305 215 908
275 411 113 305 215 913
275 411 114 305 215 914
275 411 115 305 215 915
275 411 117 305 215 917
275 411 118 305 215 918
275 411 119 305 215 919
RELAY NUMBER KIT
155 031 102 305 213 902
155 031 103 305 213 903
155 031 601 305 213 961
155 031 602 305 213 962
CONTACTOR KIT
155 325 102 305 226 902
155 326 101 305 347 903
155 326 102 305 347 902
155 429 101 305 347 901
Table 51 Integral hp Capacitor Replacement Kits
Table 51A Integral hp Overload Replacement Kits
Table 51B Integral hp Voltage Relay Replacement Kits
Table 51C Integral hp Contactor Replacement Kits
FOOTNOTES:
(1) The following kit number changes were made for number consistency purposes only.
Parts in the kit did not change.
305 206 922 was 305 206 912
305 206 923 was 305 206 911
305 213 962 was 305 213 904
305 226 902 was 305 226 901
52

-!).4%.!.#%
3INGLE0HASE -OTORS #ONTROLS
1/2 - 1 hp CRC QD RELAY
282 40_ 5015
Sixth digit depends on hp
#ONTROL "OX 7IRING $IAGRAMS
GND
GREEN
CAPACITOR
CAP
B L1
B (MAIN) Y R (START) L2 L1
(MOTOR LEADS) (LINE LEADS)
ORANGE
QD RELAY
BLACK
YELLOW
RED
BLUE
GND
GREEN
GND
GREEN
GND
GREEN
START
CAPACITOR
RUN
CAPACITOR
CAP
B L1
QD RELAY
B (MAIN) Y R (START) L2 L1
(MOTOR LEADS) (LINE LEADS)
RED
YELLOW
BLUE
BLUE
BLACK
RED
ORANGE
1/3 - 1 hp QD RELAY
280 10_ 4915
Sixth digit depends on hp
53

-!).4%.!.#%
3INGLE0HASE -OTORS #ONTROLS
1 - 1.5 hp
282 300 8110
(Date Codes 11C19 & Newer)
1 - 1.5 hp
282 300 8610
RELAY
L1 L2 YEL BLK RED
LINE POWER
FROM TWO POLE
FUSED SWITCH OR
CIRCUIT BREAKER,
AND OTHER CONTROL
IF USED.
TO
MOTOR
RED
BLK
YEL
BLK
BLK
YEL
1 2
5
RED
YEL
RUN CAPACITOR START CAPACITOR
BLK
ORG
BLK
RED
GROUND
LEAD
GROUND
LEAD
LINE POWER
FROM TWO POLE
FUSED SWITCH OR
CIRCUIT BREAKER,
AND OTHER CONTROL
IF USED.
OVERLOAD TO
MOTOR
RED
BLK
YEL
12
3
BLU
BLK
YEL
12
5
RED
YEL
START CAPACITOR
RUN CAPACITOR
BLK
ORG
BLK
RED
GROUND
LEAD
GROUND
LEAD
RELAY
L1 L2 YEL BLK RED
1 - 1.5 hp
282 300 8110
(Date Codes 11C19 & Older)
START
OVERLOAD
LINE POWER
FROM TWO POLE
FUSED SWITCH OR
CIRCUIT BREAKER,
AND OTHER CONTROL
IF USED.
RELAY
12
5
TO
MOTOR
BLK
RED
RED
YEL
3
1
MAIN
OVERLOAD
13
RED
BLK
YEL
BLU
BLK
YEL
START CAPACITOR
RUN CAPACITOR
BLK
BLK
ORG
GROUND
LEAD
GROUND
LEAD
L1 L2 YEL BLK RED
54

-!).4%.!.#%
3INGLE0HASE -OTORS #ONTROLS
START
OVERLOAD
LINE POWER
FROM TWO POLE
FUSED SWITCH OR
CIRCUIT BREAKER,
AND OTHER CONTROL
IF USED.
RELAY
12
5
TO
MOTOR
BLK
RED
RED
YEL
3
1
MAIN
OVERLOAD
13
RED
BLK
YEL
BLU
BLK
YEL
START CAPACITOR
RUN CAPACITOR
BLK
BLK
ORG
GROUND
LEAD
GROUND
LEAD
L1 L2 YEL BLK RED
START
OVERLOAD
LINE
POWER
FROM
TWO POLE
FUSED
SWITCH
OR
CIRCUIT
BREAKER
TO
PRESSURE
OR OTHER
CONTROL
SWITCH
RELAY
START CAPACITOR
RUN CAPACITOR
LINE
CONTACTOR
12
5
T2
T1
L1 L2
COIL
TO
MOTOR
RED
BLK
YEL
3
1
ORG
MAIN OVERLOAD
31
RED
BLK
YEL
BLU
RED
YEL
BLK
BLK
BLK
BLK
BLK
YEL
YEL
GROUND
LEAD
GROUND
LEAD
L1 L2 YEL BLK RED
SW
START
OVERLOAD
LINE POWER
FROM TWO POLE
FUSED SWITCH OR
CIRCUIT BREAKER,
AND OTHER CONTROL
IF USED.
RELAY
12
5
TO
MOTOR
BLK
RED
RED
YEL
2
1
MAIN
OVERLOAD
12
RED
BLK
YEL
BLU
BLK
YEL
START CAPACITOR
RUN CAPACITOR
BLK
BLK
ORG
GROUND
LEAD
GROUND
LEAD
L1 L2 YEL BLK RED
START
OVERLOAD
LINE
POWER
FROM
TWO POLE
FUSED
SWITCH
OR
CIRCUIT
BREAKER
TO
PRESSURE
OR OTHER
CONTROL
SWITCH
RELAY
START CAPACITOR
RUN CAPACITOR
LINE
CONTACTOR
12
5
T2
T1
L1 L2
COIL
TO
MOTOR
RED
BLK
YEL
2
1
ORG
MAIN OVERLOAD
21
RED
BLK
YEL
BLU
RED
YEL
BLK
BLK
BLK
BLK
BLK
YEL
YEL
GROUND
LEAD
GROUND
LEAD
L1 L2 YEL BLK RED
SW
2 hp STANDARD
282 301 8110
3 hp STANDARD
282 302 8110
3 hp DELUXE
282 302 8310
2 hp DELUXE
282 301 8310
55

-!).4%.!.#%
3INGLE0HASE -OTORS #ONTROLS
START
OVERLOAD
LINE POWER
FROM TWO POLE
FUSED SWITCH OR
CIRCUIT BREAKER,
AND OTHER CONTROL
IF USED.
RELAY
START CAPACITOR
12
5
TO
MOTOR
BLK
RED
RED
ORG
YEL
1
3
SURGE
ARRESTOR
MAIN OVERLOAD
12
BLK
RED
BLK
YEL
BLU
BLK
YEL
BLK
ORG
BLK
RUN CAPACITOR
START CAPACITOR
GROUND
LEAD
GROUND
LEAD
L1 L2 YEL BLK RED
START
OVERLOAD
LINE
POWER
FROM
TWO POLE
FUSED
SWITCH
OR
CIRCUIT
BREAKER
TO
PRESSURE
OR OTHER
CONTROL
SWITCH
MAIN
OVERLOAD
RELAY
START CAPACITOR
RUN CAPACITOR
12
5
TO
MOTOR
BLK
BLK
BLK
BLU
YEL
RED
RED
ORG
YEL
RED
BLK
YEL
1
2
1
3
START CAPACITOR
BLK
ORG
BLK
YEL
SURGE
ARRESTOR
BLK
GROUND
LEAD
GROUND
LEAD
SW L1 L2 YEL BLK RED
CONTACTOR
L2
COIL
L1
COIL
T2
T1
LINE
YEL
5 hp STANDARD
282 113 8110
5 hp DELUXE
282 113 8310 or 282 113 9310
7.5 hp STANDARD
282 201 9210
7.5 hp DELUXE
282 201 9310
START
OVERLOAD
LINE
POWER
FROM
TWO POLE
FUSED
SWITCH
OR
CIRCUIT
BREAKER
TO
PRESSURE
OR OTHER
CONTROL
SWITCH
RELAY
START CAPACITOR
RUN CAPACITOR
12
5
T2
T1
L1
L2
TO
MOTOR
BLK
RED
BLK
YEL
YEL
RED
RED
ORG
YEL
1
2
BLK
YEL
BLK
MAIN OVERLOAD
21
BLK
RED
BLK
YEL
BLU
BLK
GROUND
LEAD
GROUND
LEAD L1 L2 YEL BLK RED
SW
COIL
COIL
BLK
LINE
CONTACTOR
START
OVERLOAD
LINE POWER
FROM TWO POLE
FUSED SWITCH OR
CIRCUIT BREAKER,
AND OTHER CONTROL
IF USED.
RELAY
START CAPACITOR
RUN CAPACITOR
12
5
TO
MOTOR
BLK
RED
BLK
RED
RED
ORG
YEL
1
2
BLK
MAIN OVERLOAD
12
BLK
RED
BLK
YEL
BLU
BLK
YEL
GROUND
LEAD
GROUND
LEAD
L1 L2 YEL BLK RED
56

-!).4%.!.#%
3INGLE0HASE -OTORS #ONTROLS
BREAKER
CIRCUIT
SWITCH
FUSED
TWO POLE
FROM
POWER
LINE
OR CONTROL
SWITCH
OR OTHER
PRESSURE
TO
LEAD
GROUND
ORG
BLK
START CAPACITOR
START CAPACITOR
MOTOR
TO
YEL
OVERLOAD
MAIN
BLK
BLK
OVERLOAD
START
2
1
LEAD
GROUND
BLK
RED
RELAY
12
5
YEL
BLK
YEL
ARRESTOR
SURGE
YEL
RED
BLK
YEL
ORG
RED
RUN CAPACITOR
BLK
BLK
START CAPACITOR
SW SW L1 L2 RED
CONTACTOR
L2
COIL
L1
COIL
T2
T1
LINE
BLK
RED
ORG
BLK
BLK
10 hp STANDARD
282 202 9210 or 282 202 9230
10 hp DELUXE
282 202 9230 or 282 202 9330
15 hp DELUXE
282 203 9310 or 282 203 9330
LINE POWER
FROM TWO POLE
FUSED SWITCH OR
CIRCUIT BREAKER,
AND OTHER CONTROL
IF USED.
GROUND
LEAD
START CAPACITOR
START CAPACITOR
MOTOR
MAIN
OVERLOAD
L1 L2
OVERLOAD
START
1
2
LEAD
GROUND
RED
YEL
YEL BLK
ORG 12
RELAY
5
RED
ARRESTOR
SURGE
YEL
TO
RUN CAPACITOR
BLK
RED
BLK
START CAPACITOR
ORG
BLK
BLK
BLK
YEL
BLK
RED
BLK
RED
BLK ORG
BLK
START
OVERLOAD
LINE
POWER
FROM
TWO POLE
FUSED
SWITCH
OR
CIRCUIT
BREAKER
TO
PRESSURE
OR OTHER
CONTROL
SWITCH
MAIN
OVERLOAD
RELAY
START CAPACITOR
START CAPACITOR
12
5
TO
MOTOR
BLK
YEL
RED
RED
ORG
YEL
1
2
BLK
ORG
BLK
YEL
SURGE
ARRESTOR
BLK
RED
BLK
BLK
BLK
YEL
BLK
GROUND
LEAD
GROUND
LEAD
RUN CAPACITOR
SW SW L1 L2 RED
BLK
RED
RED
T2
T1
L1 L2
BLK
COIL
COIL
YEL
BLK
BLK
15 hp X-LARGE
282 203 9621
START
OVERLOAD
LINE
POWER
FROM
TWO POLE
FUSED
SWITCH
OR
CIRCUIT
BREAKER
TO
PRESSURE
OR OTHER
CONTROL
SWITCH
MAIN
OVERLOAD
RELAY
START CAPACITOR
RUN CAPACITOR
LINE CONTACTOR
12
5
T2
T1
L1
L2 COIL
TO
MOTOR
1
2
COIL
SURGE
ARRESTOR
GROUND
LEAD
5
RELAY
2
1
L2 L1
GROUND
LEAD
SW SW BYR
57

-!).4%.!.#%
%LECTRONIC 0RODUCTS
Pumptec-Plus
Pumptec-Plus is a pump/motor protection device designed to work on any 230 V single-phase induction motor (PSC,
CSCR, CSIR, and split phase) ranging in size from 1/2 to 5 horsepower. Pumptec-Plus uses a micro-computer to
continuously monitor motor power and line voltage to provide protection against dry well, water logged tank, high and
low voltage and mud or sand clogging.
Pumptec-Plus – Troubleshooting During Installation
SYMPTOM POSSIBLE CAUSE SOLUTION
Unit Appears Dead
(No Lights) No Power to Unit
Check wiring. Power supply voltage should be applied to L1 and L2 terminals of the
Pumptec-Plus. In some installations the pressure switch or other control devices is wired
to the input of the Pumptec-Plus. Make sure this switch is closed.
Flashing Yellow Light
Unit Needs to Be Calibrated
Pumptec-Plus is calibrated at the factory so that it will overload on most pump systems
when the unit is first installed. This overload condition is a reminder that the Pumptec-
Plus unit requires calibration before use. See step 7 of the installation instructions.
Miscalibrated Pumptec-Plus should be calibrated on a full recovery well with the maximum water flow.
Flow restrictors are not recommended.
Flashing Yellow Light
During Calibration 2-Wire Motor
Step C of the calibration instructions indicate that a flashing green light condition will
occur 2 to 3 seconds after taking the SNAPSHOT of the motor load. On some two-wire
motors the yellow light will flash instead of the green light. Press and release the reset
button. The green should start flashing.
Flashing Red and
Yellow Lights
Power Interruption
During the installation of Pumptec-Plus power may be switched on and off several times.
If power is cycled more than four times within a minute Pumptec-Plus will trip on rapid
cycle. Press and release the reset button to restart the unit.
Float Switch
A bobbing float switch may cause the unit to detect a rapid cycle condition on any motor
or an overload condition on two-wire motors. Try to reduce water splashing or use a
different switch.
Flashing Red Light
High Line Voltage The line voltage is over 253 volts. Check line voltage. Report high line voltage to the
power company.
Unloaded Generator
If you are using a generator the line voltage may become too high when the generator
unloads. Pumptec-Plus will not allow the motor to turn on again until the line voltage
returns to normal. Overvoltage trips will also occur if line frequency drops too far
below 60 Hz.
Solid Red Light
Low Line Voltage The line voltage is below 207 volts. Check line voltage.
Loose Connections Check for loose connections which may cause voltage drops.
Loaded Generator
If you are using a generator the line voltage may become too low when the generator
loads. Pumptec-Plus will trip on undervoltage if the generator voltage drops below 207
volts for more than 2.5 seconds. Undervoltage trips will also occur if the line frequency
rises too far above 60 Hz.
58

-!).4%.!.#%
%LECTRONIC 0RODUCTS
Pumptec-Plus
Pumptec-Plus - Troubleshooting After Installation
SYMPTOM POSSIBLE CAUSE SOLUTION
Solid Yellow Light
Dry Well
Wait for the automatic restart timer to time out. During the time out period the well should
recover and fill with water. If the automatic reset timer is set to the manual position, then the
reset button must be pressed to reactivate the unit.
Blocked Intake Clear or replace pump intake screen.
Blocked Discharge Remove blockage in plumbing.
Check Valve Stuck Replace check valve.
Broken Shaft Replace broken parts.
Severe Rapid Cycling Machine gun rapid cycling can cause an underload condition. See flashing red and yellow
lights section below.
Worn Pump Replace worn pump parts and recalibrate.
Yellow Flashing Light
Stalled Motor Repair or replace motor. Pump may be sand or mud locked.
Float Switch A bobbing float switch can cause two-wire motors to stall. Arrange plumbing to avoid
splashing water. Replace float switch.
Ground Fault Check insulation resistance on motor and control box cable.
Solid Red Light
Low Line Voltage The line voltage is below 207 volts. Pumptec-Plus will try to restart the motor every two
minutes until line voltage is normal.
Loose Connections
Check for excessive voltage drops in the system electrical connections (i.e. circuit breakers,
fuse clips, pressure switch, and Pumptec-Plus L1 and L2 terminals).
Repair connections.
Flashing Red Light High Line Voltage The line voltage is over 253 volts. Check line voltage. Report high line voltage to the
power company.
Flashing Red and
Yellow Lights
Rapid Cycle
The most common cause for the rapid cycle condition is a waterlogged tank. Check for a
ruptured bladder in the water tank. Check the air volume control or snifter valve for proper
operation. Check setting on the pressure switch and examine for defects.
Leaky Well System Replace damaged pipes or repair leaks.
Stuck Check Valve Failed valve will not hold pressure. Replace valve.
Float Switch
Press and release the reset button to restart the unit. A bobbing float switch may cause the
unit to detect a rapid cycle condition on any motor or an overload condition on 2-wire
motors. Try to reduce water splashing or use a different switch.
59

-!).4%.!.#%
%LECTRONIC 0RODUCTS
1$ 0UMPTEC AND 0UMPTEC
QD Pumptec & Pumptec – Troubleshooting
SYMPTOM CHECKS OR SOLUTION
If the QD Pumptec or Pumptec trips in about
4 seconds with some water delivery.
A. Is the voltage less than 90% of nameplate rating?
B. Are the pump and motor correctly matched?
C. Is the QD Pumptec or Pumptec wired correctly? For the Pumptec check the wiring
diagram and pay special attention to the positioning of the power lead
(230 V or 115 V).
D. For QD Pumptec is your system 230 V 60 Hz or 220 V 50 Hz?
If the QD Pumptec or Pumptec trips in about
4 seconds with no water delivery.
A. The pump may be airlocked. If there ia a check valve on top of the pump, put another
section of pipe between the pump and the check valve.
B. The pump may be out of water.
C. Check the valve settings. The pump may be dead-heading.
D. Pump or motor shaft may be broken.
E. Motor overload may be tripped. Check the motor current (amperage).
If the QD Pumptec or Pumptec will not timeout
and reset.
A. Check switch position on side of circuit board on Pumptec. QD Pumptec check timer
position on top/front of unit. Make sure the switch is not between settings.
B. If the reset time switch is set to manual reset (position 0), QD Pumptec and Pumptec
will not reset (turn power off for 5 sec. then back on to reset).
If your pump/motor will not run at all.
A. Check voltage.
B. Check wiring.
C. Remove the QD Pumptec from the control box. Reconnect wires in box to original
state. If motor does not run the problem is not QD Pumptec. Bypass Pumptec by
connecting L2 and motor lead with jumper. Motor should run. If not, the problem is
not Pumptec.
D. On Pumptec only check that Pumptec is installed between the control switch and
the motor.
If your QD Pumptec or Pumptec will not trip
when the pump breaks suction.
A. Be sure you have a Franklin motor.
B. Check wiring connections. On Pumptec is lead power (230 V or 115 V) connected to
correct terminal? Is motor lead connected to correct terminal?
C. Check for ground fault in the motor and excessive friction in the pump.
$ 4HE WELL MAY BE hGULPINGv ENOUGH WATER TO KEEP QD Pumptec or Pumptec from
tripping. It may be necessary to adjust the QD Pumptec or the Pumptec for these
extreme applications. Call the Franklin Electric Service Hotline at 800-348-2420
for information.
E. On Pumptec applications does the control box have a run capacitor? If so, Pumptec
will not trip. (Except for Franklin 1.5 hp motors).
If your QD Pumptec or Pumptec chatters
when running.
A. Check for low voltage.
B. Check for waterlogged tank. Rapid cycling for any reason can cause the QD Pumptec
or the Pumptec relay to chatter.
C. On Pumptec make sure the L2 and motor wires are installed correctly. If they are
reversed, the unit can chatter.
QD Pumptec and Pumptec are load sensing devices that monitor the load on submersible pumps/motors. If the load
drops below a preset level for a minimum of 4 seconds the QD Pumptec or the Pumptec will shut off the motor.
The QD Pumptec is designed and calibrated expressly for use on Franklin Electric 230 V 3-wire motors (1/3 to 1 hp.)
The QD Pumptec must be installed in QD relay boxes.
The Pumptec is designed for use on Franklin Electric 2- and 3-wire motors (1/3 to 1.5 hp) 115 and 230 V. The Pumptec
is not designed for jet pumps.
60

-!).4%.!.#%
%LECTRONIC 0RODUCTS
The Franklin Electric SubDrive/MonoDrive Constant Pressure controller is a variable-speed drive that delivers water
at a constant pressure.
WARNING: Serious or fatal electrical shock may result from failure to connect the motor, SubDrive/MonoDrive
Controller, metal plumbing and all other metal near the motor or cable to the power supply ground terminal using
wire no smaller than motor cable wires. To reduce the risk of electrical shock, disconnect power before working on
or around the water system. Capacitors inside the SubDrive/MonoDrive Controller can still hold a lethal voltage even
after power has been removed. Allow 10 minutes for dangerous internal voltage to discharge. Do not use motor in
swimming areas.
3UB$RIVE7 -ONO$RIVE -ONO$RIVE 84
61

-!).4%.!.#%
%LECTRONIC 0RODUCTS
NUMBER OF
FLASHES OR
DIGITAL DISPLAY
FAULT POSSIBLE CAUSE CORRECTIVE ACTION
1MOTOR
UNDERLOAD
- Overpumped well
- Broken shaft or coupling
- Blocked screen, worn pump
- Air/gas locked pump
- SubDrive not set properly for
pump end
- Frequency near maximum with less than 65% of expected load, 42% if
$)0 IS hONv
- System is drawing down to pump inlet (out of water)
(IGH STATIC LIGHT LOADING PUMP RESET $)0 SWITCH TO hONv FOR LESS
sensitivity if not out of water
- Check pump rotation (SubDrive only) reconnect if necessary for proper
rotation
- Air/gas locked pump - if possible, set deeper in well to reduce
- Verify DIP switches are set properly
2UNDERVOLTAGE
- Low line voltage
- Misconnected input leads
- Line voltage low, less than approximately 150 VAC (normal operating
range = 190 to 260 VAC)
- Check incoming power connections and correct or tighten if necessary
- Correct incoming voltage - check circuit breaker or fuses, contact
power company
3LOCKED
PUMP
- Motor and/or pump misalignment
- Dragging motor and/or pump
- Abrasives in pump
- Amperage above SFL at 10 Hz
- Remove and repair or replace as required
4
(MonoDrive &
MonoDriveXT only)
INCORRECTLY
WIRED
- MonoDrive only
- Wrong resistance values on main
and start
- Wrong resistance on DC test at start
- Check wiring, check motor size and DIP switch setting, adjust or repair
as needed
5OPEN
CIRCUIT
- Loose connection
- Defective motor or drop cable
- Wrong motor
- Open reading on DC test at start.
- Check drop cable and motor resistance, tighten output connections, repair
OR REPLACE AS NECESSARY USE hDRYv MOTOR TO CHECK DRIVE FUNCTIONS IF DRIVE
will not run and exhibits underload fault replace drive
6
SHORT
CIRCUIT
- When fault is indicated immediately
after power-up, short circuit due to
loose connection, defective cable,
splice or motor
- Amperage exceeded 50 amps on DC test at start or max amps during
running
- Incorrect output wiring, phase to phase short, phase to ground short in
wiring or motor
- If fault is present after resetting and removing motor leads, replace drive
OVER CURRENT
- When fault is indicated while motor
is running, over current due to
loose debris trapped in pump
- Check pump
7OVERHEATED
DRIVE
- High ambient temperature
- Direct sunlight
- Obstruction of airflow
- Drive heat sink has exceeded max rated temperature, needs to drop
below 85 °C to restart
- Fan blocked or inoperable, ambient above 125 °F, direct sunlight, air flow
blocked
- Replace fan or relocate drive as necessary
8
(SubDrive300 only)
OVER
PRESSURE
- Improper pre-charge
- Valve closing too fast
- Pressure setting too close to relief
valve rating
- Reset the pre-charge pressure to 70% of sensor setting. Reduce pressure
setting well below relief valve rating. Use next size larger pressure tank.
- Verify valve operation is within manufacturer’s specifications.
- Reduce system pressure setting to a value less than pressure relief rating.
RAPID INTERNAL FAULT
- A fault was found internal to drive - Unit may require replacement. Contact your supplier.
9
(SubDrive2W only)
OVER RANGE
(Values outside normal
operating range)
- Wrong hp/voltage
- Internal fault
- Verify motor hp and voltage
- Unit may require replacement. Contact your supplier.
SubDrive/MonoDrive Troubleshooting
3HOULD AN APPLICATION OR SYSTEM PROBLEM OCCUR BUILTIN DIAGNOSTICS WILL PROTECT THE SYSTEM 4HE h&!5,4v LIGHT OR DIGITAL
display on the front of the SubDrive/MonoDrive Controller will flash a given number of times or display a number
indicating the nature of the fault. In some cases, the system will shut itself off until corrective action is taken. Fault
codes and their corrective actions are listed below. See SubDrive/MonoDrive Installation Manual for installation data.
3UB$RIVE7 -ONO$RIVE -ONO$RIVE 84
62

-!).4%.!.#%
%LECTRONIC 0RODUCTS
Continued on next page
3UB-ONITOR
SubMonitor Troubleshooting
FAULT MESSAGE PROBLEM/CONDITION POSSIBLE CAUSE
SF Amps Set Too High SF Amps setting above 359 Amps. Motor SF Amps not entered.
Phase Reversal Reversed incoming voltage phase sequence. Incoming power problem.
Underload
Normal line current. Wrong SF Max Amps setting.
Low line current.
Over pumping well.
Clogged pump intake.
Closed valve.
Loose pump impeller.
Broken shaft or coupling.
Phase loss.
Overload
Normal line current. Wrong SF Max Amps setting.
High line current.
High or low line voltage.
Ground fault.
Pump or motor dragging.
Motor stalled or bound pump.
Overheat Motor temperature sensor has detected excess
motor temperature.
High or low line voltage.
Motor is overloaded.
Excessive current unbalance.
Poor motor cooling.
High water temperature.
Excessive electrical noise
(VFD in close proximity).
Unbalance Current difference between any two legs
exceeds programmed setting.
Phase loss.
Unbalanced power supply.
Open Delta transformer.
Overvoltage Line voltage exceeds programmed setting. Unstable power supply.
Undervoltage Line voltage below programmed setting. Poor connection in motor power circuit.
Unstable or weak power supply.
False Starts Power has been interrupted too many times in a
10 second period.
Chattering contacts.
Loose connections in motor power circuit.
Arcing contacts.
63

-!).4%.!.#%
%LECTRONIC 0RODUCTS
3UBTROL0LUS /BSOLETE 3EE 3UB-ONITOR
Subtrol-Plus - Troubleshooting After Installation
SYMPTOM POSSIBLE CAUSE OR SOLUTION
Subtrol-Plus Dead
When the Subtrol-Plus reset button is depressed and released, all indicator lights should flash. If line voltage is
correct at the Subtrol-Plus L1, L2, L3 terminals and the reset button does not cause lights to flash, Subtrol-Plus
receiver is malfunctioning.
Green Off Time
Light Flashes
The green light will flash and not allow operation unless both sensor coils are plugged into the receiver. If both are
properly connected and it still flashes, the sensor coil or the receiver is faulty. An ohmmeter check between the two
center terminals of each sensor coil connected should read less than 1 ohm, or coil is faulty. If both coils check good,
receiver is faulty.
Green Off Time
Light On
The green light is on and the Subtrol-Plus requires the specified off time before the pump can be restarted after
having been turned off. If the green light is on except as described, the receiver is faulty. Note that a power
interruption when the motor is running will initiate the delay function.
Overheat Light On
This is a normal protective function which turns off the pump when the motor reaches maximum safe temperatures.
Check that amps are within the nameplate maximum on all three lines, and that the motor has proper water flow past
it. If overheat trip occurs without apparent motor overheating, it may be the result of an arcing connection somewhere
in the circuit or extreme noise interference on the power lines. Check with the power company or Franklin Electric.
A true motor overheat trip will require at least five minutes for a motor started cold. If trips do not conform to this
characteristic, suspect arcing connections, power line noise, ground fault, or SCR variable speed control equipment.
Overload Light On
This is a normal protective function, protecting against an overload or locked pump. Check the amps in all lines
through a complete pumping cycle, and monitor whether low or unbalanced voltage may be causing high amps at
particular times. If overload trip occurs without high amps, it may be caused by a faulty rating insert, receiver, or
sensor coil. Recheck that the insert rating matches the motor. If it is correct, carefully remove it from the receiver by
alternately lifting sides with a knife blade or thin screwdriver, and make sure it has no pins bent over. If the insert is
correct and its pins are okay, replace receiver and/or sensor coils.
Underload Light On
This is a normal protective function.
A. Make sure the rating insert is correct for the motor.
B. Adjusting the underload setting as described to allow the desired range of operating conditions. Note that a
DECREASE in underload setting is required to allow loading without trip.
C. Check for drop in amps and delivery just before trip, indicating pump breaking suction, and for unbalanced
line current.
D. With the power turned off, recheck motor lead resistance to ground. A grounded lead can cause underload trip.
64

-!).4%.!.#%
%LECTRONIC 0RODUCTS
3UBTROL0LUS /BSOLETE 3EE 3UB-ONITOR
Subtrol-Plus - Troubleshooting After Installation (Continued)
SYMPTOM POSSIBLE CAUSE OR SOLUTION
Tripped Light On
Whenever the pump is off as a result of Subtrol-Plus protective function, the red tripped light is on.
A steady light indicates the Subtrol-Plus will automatically allow the pump to restart as described,
and a flashing light indicates repeated trips, requiring manual reset before the pump can be restarted.
Any other red light operation indicates a faulty receiver. One-half voltage on 460 V will cause tripped
light on.
Control Circuit
Fuse Blows
With power turned off, check for a shorted contactor coil or a grounded control circuit lead. The
coil resistance should be at least 10 ohms and the circuit resistance to panel frame over 1 megohm.
A standard or delay-type 2 amp fuse should be used.
Contactor Will
Not Close
If proper voltage is at the control coil terminals when controls are operated to turn the pump on, but
the contactor does not close, turn off power and replace the coil. If there is no voltage at the coil,
trace the control circuit to determine if the fault is in the Subtrol-Plus receiver, fuse, wiring, or panel
operating switches. This tracing can be done by first connecting a voltmeter at the coil terminals,
and then moving the meter connections step by step along each circuit to the power source, to
determine at which component the voltage is lost.
With the Subtrol-Plus receiver powered up, with all leads disconnected from the control terminals
and with an ohmmeter set at RX10, measure the resistance between the control terminals. It should
measure 100 to 400 ohms. Depress and hold in the reset button. The resistance between the
control terminals should measure close to infinity.
Contactor Hums or Chatters
Check that coil voltage is within 10% of rated voltage. If voltage is correct and matches line voltage,
turn off power and remove the contactor magnetic assembly and check for wear, corrosion, and dirt.
If voltage is erratic or lower than line voltage, trace the control circuit for faults similar to the previous
item, but looking for a major drop in voltage rather than its complete loss.
Contactor Opens When Start
Switch is Released
Check that the small interlocks switch on the side of the contactor closes when the contactor
closes. If the switch or circuit is open, the contactor will not stay closed when the selector switch
is in HAND position.
Contactor Closes But
Motor Doesn’t Run
Turn off power. Check the contactor contacts for dirt, corrosion, and proper closing when the
contactor is closed by hand.
Signal Circuit Terminals
Do Not Energize
With the Subtrol-Plus receiver powered up and all leads disconnected from the signal
terminals, with an 0hmmeter set at RX10, measure the resistance between the signal
terminals. Resistance should measure close to infinite. Depress and hold in the reset button.
The resistance between the signal terminals should measure 100 to 400 ohms.
65

A Amp or amperage
AWG American Wire Gauge
BJT Bipolar Junction Transistor
°C Degree Celsius
CB Control Box
CRC Capacitor Run Control
DI Deionized
Dv/dt Rise Time of the Voltage
EFF Efficiency
°F Degree Fahrenheit
FDA Federal Drug Administration
FL Full Load
ft Foot
ft-lb Foot Pound
ft/s Feet per Second
GFCI Ground Fault Circuit Interrupter
gpm Gallon per Minute
HERO High Efficiency Reverse Osmosis
hp Horsepower
Hz Hertz
ID Inside Diameter
IGBT Insulated Gate Bipolar Transistor
in Inch
kVA Kilovolt Amp
kVAR Kilovolt Amp Rating
kW Kilowatt (1000 watts)
L1, L2, L3 Line One, Line Two, Line Three
lb-ft Pound Feet
L/min Liter per Minute
mA Milliamp
max Maximum
MCM Thousand Circular Mils
mm Millimeter
MOV Metal Oxide Varister
NEC National Electrical Code
NEMA National Electrical Manufacturer
Association
Nm Newton Meter
NPSH Net Positive Suction Head
OD Outside Diameter
OL Overload
PF Power Factor
psi Pounds per Square Inch
PWM Pulse Width Modulation
QD Quick Disconnect
R Resistance
RMA Return Material Authorization
RMS Root Mean Squared
rpm Revolutions per Minute
SF Service Factor
SFhp Service Factor Horsepower
S/N Serial Number
TDH Total Dynamic Head
UNF Fine Thread
V Voltage
VAC Voltage Alternating Current
VDC Voltage Direct Current
VFD Variable Frequency Drive
W Watts
XFMR Transformer
Y-D Wye-Delta
1 ohms
!)- -!.5!,
!BBREVIATIONS
66

!)- -!.5!,
.OTES

!)- -!.5!,
.OTES

!)- -!.5!,
.OTES

!)- -!.5!,
.OTES

M1311 07.11
Phone Franklin’s toll free SERVICE HOTLINE for answers to your pump and
motor installation questions. When you call, a Franklin expert will offer assistance
in troubleshooting and provide immediate answers to your system application
questions. Technical support is also available online. Visit our website at:
TOLL FREE HELP FROM A FRIEND
nääÎ{nÓ{ÓäÊUÊÓÈänÓÇx£äÓÊv>Ý®
ÜÜܰvÀ>iiVÌÀV°V
The Company You Trust Deep Down