540223 2 Centripro SES D10020 D32232 Duplex Control Panel Technical Brochure
540214 1 Centripro Duplex Control Panel Brochure 540214_1_Centripro Duplex Control Panel Brochure
540215 2 Centripro Ses D10020-D32232 Duplex Control Panel Technical Brochure 540215_2_Centripro SES D10020-D32232 Duplex Control Panel Technical Brochure
540218 2 Centripro Ses D10020-D32232 Duplex Control Panel Technical Brochure 540218_2_Centripro SES D10020-D32232 Duplex Control Panel Technical Brochure
540219 2 Centripro Ses D10020-D32232 Duplex Control Panel Technical Brochure 540219_2_Centripro SES D10020-D32232 Duplex Control Panel Technical Brochure
540220 2 Centripro Ses D10020-D32232 Duplex Control Panel Technical Brochure 540220_2_Centripro SES D10020-D32232 Duplex Control Panel Technical Brochure
: Pump 540223 2 Centripro Ses D10020-D32232 Duplex Control Panel Technical Brochure 540223_2_Centripro SES D10020-D32232 Duplex Control Panel Technical Brochure pdf
Open the PDF directly: View PDF
.
Page Count: 8

FEATURES
NEMA 4X, 30 watt, ashing red light and alarm horn – 95db.
NEMA 4X, berglass enclosure with gasketed, hinged door
and stainless steel hardware.
Entire unit is UL and CUL listed.
Single Phase
Field adjustable for 115, 208 or 230V, 60 Hz.
2 pump circuit breakers.
Three Phase
Field adjustable for 208/230 /460/575V, 60 Hz.
115V control circuit transformer.
2 adjustable motor overload protectors.
Heaters not required.
Provides fully automatic operation for two pumps.
Solid state pump alternator circuit displays oat status for
ease of installation and trouble shooting.
DUPLEX NEMA 4X
WEATHERPROOF PANELS
SINGLE AND THREE PHASE CONTROL PANELS
TECHNICAL BROCHURE
BCP4 R13

PAGE 2
Wastewater
CentriPro
SINGLE PHASE PANELS THREE PHASE PANELS
ORDER NUMBER AMP / HP RANGE ORDER NUMBER AMP RANGE
D10020 0-20 AMPS D31625 1.6 - 2.5
D12127 3 HP D32540 2.5 - 4.0
D12836 5 HP D34063 4.0 - 6.3
D36310 6.3 - 10
D31016 10 - 16
D31620 16 - 20
D32025 20 - 25
D32232 22 - 32
PANEL MODEL INFORMATION
APPLICATIONS
Superior quality duplex liquid-level controller, auto-
matically controls alternation for two pump operation.
High-level alarm warning designed for a variety of
sump, efuent, sewage and water transfer applica-
tions.
SPECIFICATIONS
• Accepts single or dual power feed.
• 2 hand-off-automatic (H-O-A) pump switches.
• On-off control circuit switch.
• 2 oversized magnetic contactors.
• Numbered terminal strip-screw type.
• Float Switches – Note: Please order oat switches
separately. We offer several types and models. See
the Float Switch bulletin for available options. The
type selected determines the quantity needed.
The basin depth and panel location determine the
required cord length. Contact your distributor or
Customer Service for additional information.
• Electronic pump alternator.
• Alternator selector switch.
• Lag pump start delay.
FEATURES
• Rugged, NEMA 4X construction withstands even the
most severe weather conditions and prevents corro-
sion.
• Provides fully automatic operation for two pumps.
Alternates pump starting to distribute operating
time. Provides extra pumping capacity in times of
high inow by energizing both pumps.
• Alternator selector toggle for maintenance on one
or both pumps.
• Hinged door with lockable stainless steel latch for
safe operation indoors or out.
• High-level alarm circuit includes through-door
mounted silence switch for manual silence of alarm
horn.
• Through-door mounted alarm test switch insures
proper operation of the alarm circuit without the
need to open the panel.
• Two through-door mounted pump run lights.
• Top-mounted high intensity ashing red light pro-
vides 360° visibility.
• Pulsating, corrosion proof alarm horn.
• These duplex controls are factory wired for opera-
tion with three oat bulbs. An easy eld modication
for four oat bulb operation using separate “lag-on”
and “alarm bulbs” is provided.
• Alternator selector switch allows a choice of auto-
matic alternation or operation of only pump 1 or
pump 2. Typically used if one pump is down for
maintenance.
• Lag pump-start delay built-in. Delays starting lag
pump for 5 seconds if both pumps attempt to start
simultaneously as after a power outage.
• Panel can be wired for a single power feed for
pumps and control circuit or the control circuit can
be wired to a separate power supply to insure alarm
integrity in case of a tripped main breaker.
• Auxiliary alarm contacts provided for remote alarm
connection.
• Color coded wiring, screw type terminals and plug
in sockets, ensure ease of eld servicing.
• Field wiring diagram, panel schematic and installa-
tion instructions included.
• Requires three oat switches or with optional fourth
lag oat, order separately.

PAGE 3
Wastewater
CentriPro
Code (add as required)
A = Guaranteed pump submergence circuit
C = 115V condensation heater
D = Single phase lightning arrestor
E = Three phase lightning arrestor
G = Elapsed time meter (2) – Duplex
J = Seal fail circuit (2) – Duplex
L = Cycle counter (2) – Duplex
N = High temp. indicator with pump shutdown –
Duplex
ENCLOSURE DIMENSIONS (in inches)
Single Phase
A B C D E F G
10.1 15.5 18.3 14.8 6.8 7.2 13.3
Three Phase
A B C D E F G
12.1 17.5 20.3 16.8 6.8 7.2 15.3
NOTE: Mounting holes are 3⁄8".
ADDITIONAL OPTIONS
P = Special duplex Mini CAS seal fail and high
temperature circuit for use on only three phase
15/20GD, 15/20GX, 1GA/2GA, GV Plus and
Impact pumps. For single phase, see CentriPro
single phase grinder control panels bulletin
BCP1PGP for standard, BCP1PC1P for explosion
proof.
T = 4 intrinsically safe relays in duplex panel
YY = Duplex dry contact for seal failure interface to
building management system.
ZZ = Duplex dry contact for pump running interface to
building management system.
When ordering options, add the appropriate code
number as a sufx to the panel order number.
Example...D31625CG adds a condensation heater
and (2) elapsed time meters.
A
B
C
D
E
F
G

PAGE 4
Wastewater
CentriPro
SINGLE PHASE COMPONENTS
1. NEMA 4X enclosure
2. Flashing alarm light
3. Alarm horn
4. Pump run light
5. Alarm silence button
6. Alarm test button
7. Control power on/off switch
8. H-O-A switch
9. Alarm reset button
10. Contactor
11. Terminal strip
12. Alternator circuit
13. Motor circuit breakers
THREE PHASE COMPONENTS
1. NEMA 4X enclosure
2. Flashing alarm light
3. Alarm horn
4. Pump run light
5. Alarm silence button
6. Alarm test button
7. Control power on/off switch
8. H-O-A switch
9. Alarm reset button
10. Contactor
11. Terminal strip
12. Alternator circuit
13. Control transformer
14. Motor circuit protectors
10 10 12
11
13
7, 8
44
56 9
3
2
1
10 10 12
13
14 7, 8
11
44
65
9
13
2

PAGE 5
Wastewater
CentriPro
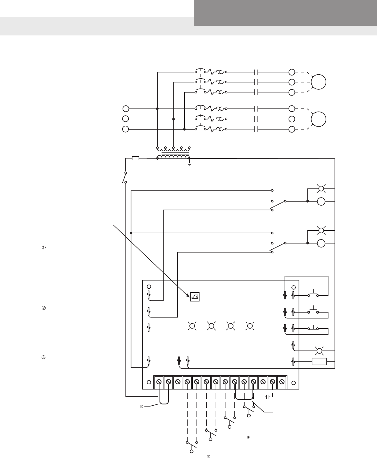
L1
L2
N
GND
25 A
25 A
S1
S2
1T
1
2
2T
1
2
PUMP NO. 2
PUMP NO. 1
WHITE
CONTROL
ON-OFF
BLACK
BLACK
YELLOW
ORANGE
HAND
OFF
AUTO
BLUE S2
RUN
HAND
OFF
AUTO
PURPLE S1
RUN
RED
TEST
RED
YEL
YELLOW
BRW
BROWN
TEST
MUTE
RESET
SILENCE
RESET
HORN
FLASH
PINK
WHITE
RED
FLASHING
SONALERT
OFFLEADLAG ALARM
R1
R2
C
L1 N
BLACK
HL1 N1234567891011
J1
OFF FLOAT
LEAD FLOAT
LAG FLOAT
(OPTIONAL)
ALARM FLOAT
J2
DRY CONTACTS
FACTORY WIRED FOR (3) FLOAT
OPERATION. FOR (4) FLOAT
OPERATION, REMOVE JUMPER (J2)
FROM TERMINALS (6) AND (8). INSTALL
LAG FLOAT ON TERMINALS (5) AND (6).
FOR SEPARATE 120 VAC
CONTROL POWER SUPPLY,
REMOVE JUMPER (J1) FROM
TERMINALS (H) AND (L1).
CONNECT 15 AMP MAX.
PROTECTED 120 VAC SUPPLY
TO TERMINALS (L1) AND (N).
WITH THE NEUTRAL OF THE
SUPPLY TO (N).
FOR USE WITH WIDE
ANGLE FLOAT SWITCH (ONE
FLOAT FOR BOTH ON AND
OFF OPERATION). JUMP
TERMINALS (3) AND (4),
INSTALL WIDE ANGLE FLOAT
TO TERMINALS (1) AND (2).
FOR 120 VOLT OPERATION
USE TERMINALS (L1) AND (N)
JUMP TERMINALS (N) AND (L2)
230 VAC
SINGLE PHASE
60 Hz
A 230 VOLT SYSTEM
REQUIRES A 4-WIRE
POWER SUPPLY LINE
L1, L2, N AND GND.
WITHOUT A NEUTRAL
THE CONTROL CIRCUIT
WILL NOT WORK.
ALTERNATOR SWITCH
PUMP 1
ALT
PUMP 2
ALTERNATOR SWITCH –
STANDARD ON ALL DUPLEX
PANELS, THIS SWITCH
PROVIDES OPTIONS FOR:
ALTERNATE PUMPS, USE
ONLY PUMP 1 OR USE ONLY
PUMP 2. IT IS USED WHEN A
PUMP IS REMOVED FOR
SERVICE.
NOTE: The standard panels shown in this book are not designed to be used with pumps requiring external
capacitors. See the catalog for panels with built-in capacitor packs.
DUPLEX SINGLE PHASE WIRING DIAGRAM – D10020

PAGE 6
Wastewater
CentriPro
L1
L3
S1
1
2
1
2
WHITE
CONTROL
ON-OFF
BLACK
BLACK
BLACK
YELLOW
ORANGE
HAND
OFF
AUTO
BLUE S2
RUN
HAND
OFF
AUTO
PURPLE S1
RUN
R1
R2
C
L1 N
HL1 N1234567891011
J1
J2
208/230/460/575 VAC
THREE PHASE
60 Hz
2 A
3
T
S2
L2
1
2PUMP
NO. 1
PUMP
NO. 2
3
T
FACTORY WIRED FOR 460 VAC. FOR 208, 230 OR
FOR 575 VAC OPERATION CHANGE CONTROL
TRANSFORMER PRIMARY AT TERMINCAL BLOCK.
75 VA
120 VAC
575 VAC
460 VAC
230 VAC
208 VAC
FACTORY WIRED FOR (3)
FLOATOPERATION. FOR (4)
FLOATOPERATION, REMOVE
JUMPER (J2) FROM TERMINALS
(6) AND (8). INSTALLLAG
FLOAT ON TERMINALS (5)
AND (6).
FOR SEPARATE 120 VAC
CONTROL POWER SUPPLY,
REMOVE JUMPER (J1) FROM
TERMINALS (H) AND (L1).
CONNECT 15 AMP MAX.
PROTECTED 120 VAC SUPPLY
TO TERMINALS (L1) AND (N).
WITH THE NEUTRAL OF THE
SUPPLY TO (N).
FOR USE WITH WIDE
ANGLE FLOAT SWITCH (ONE
FLOAT FOR BOTH ON AND
OFF OPERATION). JUMP
TERMINALS (3) AND (4),
INSTALL WIDE ANGLE FLOAT
TO TERMINALS (1) AND (2).
ALTERNATOR SWITCH –
STANDARD ON ALL DUPLEX
PANELS, THIS SWITCH
PROVIDES OPTIONS FOR:
ALTERNATE PUMPS, USE
ONLY PUMP 1 OR USE ONLY
PUMP 2. IT IS USED WHEN
A PUMP IS REMOVED FOR
SERVICE.
RED
TEST
RED
YEL
YELLOW
BRW
BROWN
TEST
MUTE
RESET
SILENCE
RESET
HORN
FLASH
PINK
WHITE
RED
FLASHING
SONALERT
OFF LEAD LAGALARM
ALTERNATOR SWITCH
PUMP 1
ALT
PUMP 2
OFF FLOAT
LEAD FLOAT
LAG FLOAT
(OPTIONAL)
ALARM FLOAT
DRY CONTACTS
DUPLEX THREE PHASE WIRING DIAGRAM – D3 — — — —

PAGE 7
Wastewater
CentriPro
NOTES

Xylem Inc.
2881 East Bayard Street Ext., Suite A
Seneca Falls, NY 13148
Phone: (866) 325-4210
Fax: (888) 322-5877
www.centripro.com
CentriPro is a trademark of Xylem Inc. or one of its subsidiaries.
© 2015 Xylem Inc. BCP4 R13 September 2015
1) The tissue in plants that brings water upward from the roots;
2) a leading global water technology company.
We’re a global team unied in a common purpose: creating innovative solutions to
meet our world’s water needs. Developing new technologies that will improve the
way water is used, conserved, and re-used in the future is central to our work. We
move, treat, analyze, and return water to the environment, and we help people use
water efciently, in their homes, buildings, factories and farms. In more than 150
countries, we have strong, long-standing relationships with customers who know us
for our powerful combination of leading product brands and applications expertise,
backed by a legacy of innovation.
For more information on how Xylem can help you, go to www.xyleminc.com
Xylem