Quectel Wireless Solutions 201202M95 GSM/GPRS Module User Manual M10 Hardware Design
Quectel Wireless Solutions Company Limited GSM/GPRS Module M10 Hardware Design
Users Manual

M95 Hardware Design
M95_HD_V1.0 - 1 -
M95
Quectel Cellular Engine
Hardware Design
M95_HD_V1.0

M95 Hardware Design
M95_HD_V1.0 - 2 -
Document Title
M95 Hardware Design
Revision
1.0
Date
2012-02-06
Status
Released
Document Control ID
M95_HD_V1.0
General Notes
Quectel offers this information as a service to its customers, to support application and
engineering efforts that use the products designed by Quectel. The information provided is based
upon requirements specifically provided for customers of Quectel. Quectel has not undertaken any
independent search for additional information, relevant to any information that may be in the
customer’s possession. Furthermore, system validation of this product designed by Quectel within
a larger electronic system remains the responsibility of the customer or the customer’s system
integrator. All specifications supplied herein are subject to change.
Copyright
This document contains proprietary technical information of Quectel Co., Ltd. Copying this
document, distribution to others, and communication of the contents thereof, are forbidden
without permission. Offenders are liable to the payment of damages. All rights are reserved in the
event of a patent grant or registration of a utility model or design. All specifications supplied
herein are subject to change without notice at any time.
Copyright © Shanghai Quectel Wireless Solutions Ltd. 2012

M95 Hardware Design
M95_HD_V1.0 - 3 -
Contents
Contents ............................................................................................................................................ 3
Table Index ....................................................................................................................................... 5
Figure Index ...................................................................................................................................... 6
0. Revision history ............................................................................................................................ 8
1. Introduction ................................................................................................................................... 9
1.1. Related documents ............................................................................................................. 9
1.2. Terms and abbreviations .................................................................................................. 10
1.3. Directives and standards .................................................................................................. 12
1.3.1. FCC Statement ...................................................................................................... 12
1.3.2. FCC Radiation exposure statement ....................................................................... 12
1.3.3. Industry Canada licence ........................................................................................ 12
1.4. Safety cautions ................................................................................................................. 13
2. Product concept ........................................................................................................................... 15
2.1. Key features ..................................................................................................................... 15
2.2. Functional diagram .......................................................................................................... 17
2.3. Evaluation board .............................................................................................................. 18
3. Application interface ................................................................................................................... 19
3.1. Pin .................................................................................................................................... 20
3.1.1. Pin assignment ...................................................................................................... 20
3.1.2. Pin description ....................................................................................................... 21
3.2. Operating modes .............................................................................................................. 26
3.3. Power supply .................................................................................................................... 27
3.3.1. Feature of GSM power .......................................................................................... 27
3.3.2. Minimize supply voltage drop............................................................................... 27
3.3.3. Reference power design for the module ................................................................ 28
3.3.4. Monitor power supply ........................................................................................... 29
3.4. Power on and down scenarios .......................................................................................... 29
3.4.1. Power on ............................................................................................................... 29
3.4.2. Power down ........................................................................................................... 31
3.4.3. Restart ................................................................................................................... 35
3.5. Power saving .................................................................................................................... 36
3.5.1. Minimum functionality mode................................................................................ 36
3.5.2. Sleep mode ............................................................................................................ 36
3.5.3. Wake up the module from SLEEP mode .............................................................. 37
3.6. Summary of state transitions ............................................................................................ 37
3.7. RTC backup ..................................................................................................................... 37
3.8. Serial interfaces ................................................................................................................ 39
3.8.1. UART Port ............................................................................................................ 40
3.8.2. Debug Port ............................................................................................................ 44
3.8.3. UART Application ................................................................................................ 44
3.9. Audio interfaces ............................................................................................................... 48

M95 Hardware Design
M95_HD_V1.0 - 4 -
3.9.1. Decrease TDD noise and other noise .................................................................... 49
3.9.2. Microphone interfaces design ............................................................................... 50
3.9.3. Receiver interface design ...................................................................................... 50
3.9.4. Earphone interface design ..................................................................................... 51
3.9.5. Loud speaker interface design ............................................................................... 51
3.9.6. Audio characteristics ............................................................................................. 52
3.10. SIM card interface .......................................................................................................... 52
3.10.1. SIM card application ........................................................................................... 52
3.10.2. 6 Pin SIM cassette ............................................................................................... 54
3.12. Behaviors of the RI ........................................................................................................ 55
3.13. Network status indication ............................................................................................... 57
3.14. Operating status indication ............................................................................................. 57
4. Antenna interface ........................................................................................................................ 59
4.1. RF reference design ......................................................................................................... 59
4.2. RF output power ............................................................................................................... 60
4.3. RF receiving sensitivity.................................................................................................... 60
4.4. Operating frequencies ...................................................................................................... 60
4.5. RF cable soldering ........................................................................................................... 60
5. Electrical, reliability and radio characteristics ............................................................................ 62
5.1. Absolute maximum ratings .............................................................................................. 62
5.2. Operating temperature ...................................................................................................... 62
5.3. Power supply ratings ........................................................................................................ 62
5.4. Current consumption ........................................................................................................ 63
5.5. Electro-static discharge .................................................................................................... 64
6. Mechanical dimensions ............................................................................................................... 65
6.1. Mechanical dimensions of module ................................................................................... 65
6.2. Footprint of recommendation ........................................................................................... 67
6.3. Top view of the module ................................................................................................... 68
6.4. Bottom view of the module .............................................................................................. 69
7. Storage and Manufacturing ......................................................................................................... 70
7.1. Storage ............................................................................................................................. 70
7.3. Packaging ......................................................................................................................... 72
Appendix A: GPRS coding schemes ............................................................................................... 73
Appendix B: GPRS multi-slot classes............................................................................................. 74

M95 Hardware Design
M95_HD_V1.0 - 5 -
Table Index
TABLE 1: RELATED DOCUMENTS .................................................................................................... 9
TABLE 2: TERMS AND ABBREVIATIONS ...................................................................................... 10
TABLE 3: MODULE KEY FEATURES ............................................................................................... 15
TABLE 4: CODING SCHEMES AND MAXIMUM NET DATA RATES OVER AIR INTERFACE 17
TABLE 5: M95 PIN ASSIGNMENT..................................................................................................... 20
TABLE 6: PIN DESCRIPTION ............................................................................................................. 21
TABLE 7: OVERVIEW OF OPERATING MODES ............................................................................ 26
TABLE 8: SUMMARY OF STATE TRANSITION ............................................................................. 37
TABLE 9: LOGIC LEVELS OF THE UART INTERFACE ................................................................. 40
TABLE 10: PIN DEFINITION OF THE UART INTERFACES .......................................................... 40
TABLE 11: PIN DEFINITION OF AUDIO INTERFACE ................................................................... 48
TABLE 12: AOUT2 OUTPUT CHARACTERISTICS ......................................................................... 49
TABLE 13: TYPICAL ELECTRET MICROPHONE CHARACTERISTICS ...................................... 52
TABLE 14: TYPICAL SPEAKER CHARACTERISTICS ................................................................... 52
TABLE 15: PIN DEFINITION OF THE SIM INTERFACE ................................................................ 53
TABLE 16: PIN DESCRIPTION OF AMPHENOL SIM CARD HOLDER......................................... 54
TABLE 17: BEHAVIORS OF THE RI.................................................................................................. 55
TABLE 18: WORKING STATE OF THE NETLIGHT ........................................................................ 57
TABLE 19: PIN DEFINITION OF THE STATUS ............................................................................... 57
TABLE 20: PIN DEFINITION OF THE ANTENNA INTERFACE .................................................... 59
TABLE 21: THE MODULE CONDUCTED RF OUTPUT POWER ................................................... 60
TABLE 22: THE MODULE CONDUCTED RF RECEIVING SENSITIVITY ................................... 60
TABLE 23: THE MODULE OPERATING FREQUENCIES ............................................................... 60
TABLE 24: ABSOLUTE MAXIMUM RATINGS ................................................................................ 62
TABLE 25: OPERATING TEMPERATURE ........................................................................................ 62
TABLE 26: THE MODULE POWER SUPPLY RATINGS ................................................................. 62
TABLE 27: THE MODULE CURRENT CONSUMPTION ................................................................. 63
TABLE 28: THE ESD ENDURANCE (TEMPERATURE:25℃,HUMIDITY:45 %) .......................... 64
TABLE 29: DESCRIPTION OF DIFFERENT CODING SCHEMES .................................................. 73
TABLE 30: GPRS MULTI-SLOT CLASSES ....................................................................................... 74

M95 Hardware Design
M95_HD_V1.0 - 6 -
Figure Index
FIGURE 1: MODULE FUNCTIONAL DIAGRAM ............................................................................. 18
FIGURE 2: PIN ASSIGNMENT ........................................................................................................... 20
FIGURE 3: RIPPLE IN SUPPLY VOLTAGE DURING TRANSMITTING BURST.......................... 27
FIGURE 4: REFERENCE CIRCUIT OF THE VBAT INPUT .............................................................. 28
FIGURE 5: REFERENCE CIRCUIT OF THE SOURCE POWER SUPPLY INPUT .......................... 28
FIGURE 6: TURN ON THE MODULE USING DRIVING CIRCUIT ................................................ 30
FIGURE 7: TURN ON THE MODULE USING KEYSTROKE........................................................... 30
FIGURE 8: TIMING OF TURNING ON SYSTEM .............................................................................. 31
FIGURE 9: TIMING OF TURNING OFF THE MODULE .................................................................. 32
FIGURE 10: REFERENCE CIRCUIT FOR EMERG_OFF BY USING DRIVING CIRCUIT ............ 34
FIGURE 11: REFERENCE CIRCUIT FOR EMERG_OFF BY USING BUTTON ............................. 34
FIGURE 12: TIMING OF RESTARTING SYSTEM ............................................................................ 35
FIGURE 13: TIMING OF RESTARTING SYSTEM AFTER EMERGENCY SHUTDOWN ............. 35
FIGURE 14: RTC SUPPLY FROM NON-CHARGEABLE BATTERY .............................................. 38
FIGURE 15: RTC SUPPLY FROM RECHARGEABLE BATTERY ................................................... 38
FIGURE 16: RTC SUPPLY FROM CAPACITOR ............................................................................... 38
FIGURE 17: SEIKO XH414H-IV01E CHARGE CHARACTERISTICS ............................................. 39
FIGURE 18: CONNECTION OF ALL FUNCTIONAL UART PORT ................................................. 42
FIGURE 19: CONNECTION OF THREE LINES UART PORT .......................................................... 42
FIGURE 20: CONNECTION OF UART PORT ASSOCIATED HARDWARE FLOW CONTROL .. 43
FIGURE 21: CONNECTION OF SOFTWARE UPGRADE ................................................................ 43
FIGURE 22: CONNECTION OF SOFTWARE DEBUG...................................................................... 44
FIGURE 23: 3.3V LEVEL MATCH CIRCUIT ..................................................................................... 45
FIGURE 24: 5V LEVEL MATCH CIRCUIT ........................................................................................ 46
FIGURE 25: RS232 LEVEL MATCH CIRCUIT .................................................................................. 47
FIGURE 26: MICROPHONE INTERFACE DESIGN OF AIN1&AIN2 .............................................. 50
FIGURE 27: RECEIVER INTERFACE DESIGN OF AOUT1 ............................................................. 50
FIGURE 28: EARPHONE INTERFACE DESIGN ............................................................................... 51
FIGURE 29: LOUD SPEAKER INTERFACE DESIGN ...................................................................... 51
FIGURE 30: REFERENCE CIRCUIT OF THE 6 PINS SIM CARD ................................................... 53
FIGURE 31: AMPHENOL C707 10M006 512 2 SIM CARD HOLDER ............................................. 54
FIGURE 32: RI BEHAVIOR OF VOICE CALLING AS A RECEIVER ............................................. 55
FIGURE 33: RI BEHAVIOR OF DATA CALLING AS A RECEIVER .............................................. 56
FIGURE 34: RI BEHAVIOR AS A CALLER ....................................................................................... 56
FIGURE 35: RI BEHAVIOR OF URC OR SMS RECEIVED .............................................................. 56
FIGURE 36: REFERENCE CIRCUIT OF THE NETLIGHT ............................................................... 57
FIGURE 37: REFERENCE CIRCUIT OF THE STATUS .................................................................... 58
FIGURE 38: REFERENCE CIRCUIT OF RF ....................................................................................... 59
FIGURE 39: RF SOLDERING SAMPLE ............................................................................................. 61
FIGURE 40: M95 TOP AND SIDE DIMENSIONS(UNIT: MM) ................................................... 65
FIGURE 41: M95 BOTTOM DIMENSIONS(UNIT: MM) ............................................................. 66

M95 Hardware Design
M95_HD_V1.0 - 7 -
FIGURE 42: FOOTPRINT ONE OF RECOMMENDATION(UNIT: MM) .................................... 67
FIGURE 43: TOP VIEW OF THE MODULE ....................................................................................... 68
FIGURE 44: BOTTOM VIEW OF THE MODULE .............................................................................. 69
FIGURE 45: PASTE APPLICATION ................................................................................................... 71
FIGURE 46: RAMP-SOAK-SPIKE REFLOW PROFILE .................................................................... 72
FIGURE 47: MODULE TRAY .............................................................................................................. 72
FIGURE 48: RADIO BLOCK STRUCTURE OF CS-1, CS-2 AND CS-3 ........................................... 73
FIGURE 49: RADIO BLOCK STRUCTURE OF CS-4 ........................................................................ 73

M95 Hardware Design
M95_HD_V1.0 - 8 -
0. Revision history
Revision
Date
Author
Description of change
1.0
2011-12-29
Luka WU
Initial

M95 Hardware Design
M95_HD_V1.0 - 9 -
1. Introduction
This document defines Module M95 and describes its hardware interface which are connected
with the customer application and the air interface.
This document can help customers quickly understand the interface specifications, electrical and
mechanical details of M95. Associated with application notes and user guide, customers can use
M95 to design and set up mobile applications easily.
1.1. Related documents
Table 1: Related documents
SN
Document name
Remark
[1]
M95_ATC
AT commands set
[2]
ITU-T Draft new
recommendation V.25ter
Serial asynchronous automatic dialing and control
[3]
GSM 07.07
Digital cellular telecommunications (Phase 2+); AT
command set for GSM Mobile Equipment (ME)
[4]
GSM 07.10
Support GSM 07.10 multiplexing protocol
[5]
GSM 07.05
Digital cellular telecommunications (Phase 2+); Use of
Data Terminal Equipment – Data Circuit terminating
Equipment (DTE – DCE) interface for Short Message
Service (SMS) and Cell Broadcast Service (CBS)
[6]
GSM 11.14
Digital cellular telecommunications (Phase 2+);
Specification of the SIM Application Toolkit for the
Subscriber Identity module – Mobile Equipment (SIM –
ME) interface
[7]
GSM 11.11
Digital cellular telecommunications (Phase 2+);
Specification of the Subscriber Identity module – Mobile
Equipment (SIM – ME) interface
[8]
GSM 03.38
Digital cellular telecommunications (Phase 2+);
Alphabets and language-specific information
[9]
GSM 11.10
Digital cellular telecommunications (Phase 2); Mobile
Station (MS) conformance specification; Part 1:
Conformance specification
[10]
GSM_UART_AN
UART port application notes
[11]
GSM_FW_Upgrade_Tool_
Lite_GS2_UDG
GSM Firmware upgrade tool lite GS2 user guide
[12]
M95_EVB_UGD
M95 EVB user guide

M95 Hardware Design
M95_HD_V1.0 - 10 -
1.2. Terms and abbreviations
Table 2: Terms and abbreviations
Abbreviation
Description
ADC
Analog-to-Digital Converter
AMR
Adaptive Multi-Rate
ARP
Antenna Reference Point
ASIC
Application Specific Integrated Circuit
BER
Bit Error Rate
BOM
Bill Of Material
BTS
Base Transceiver Station
CHAP
Challenge Handshake Authentication Protocol
CS
Coding Scheme
CSD
Circuit Switched Data
CTS
Clear To Send
DAC
Digital-to-Analog Converter
DRX
Discontinuous Reception
DSP
Digital Signal Processor
DCE
Data Communications Equipment (typically module)
DTE
Data Terminal Equipment (typically computer, external controller)
DTR
Data Terminal Ready
DTX
Discontinuous Transmission
EFR
Enhanced Full Rate
EGSM
Enhanced GSM
EMC
Electromagnetic Compatibility
ESD
Electrostatic Discharge
ETS
European Telecommunication Standard
FCC
Federal Communications Commission (U.S.)
FDMA
Frequency Division Multiple Access
FR
Full Rate
GMSK
Gaussian Minimum Shift Keying
GPRS
General Packet Radio Service
GSM
Global System for Mobile Communications
HR
Half Rate
I/O
Input/Output
IC
Integrated Circuit
IMEI
International Mobile Equipment Identity
Imax
Maximum Load Current
Inorm
Normal Current
kbps
Kilo Bits Per Second
LED
Light Emitting Diode

M95 Hardware Design
M95_HD_V1.0 - 11 -
Li-Ion
Lithium-Ion
Abbreviation
Description
MO
Mobile Originated
MS
Mobile Station (GSM engine)
MT
Mobile Terminated
PAP
Password Authentication Protocol
PBCCH
Packet Switched Broadcast Control Channel
PCB
Printed Circuit Board
PDU
Protocol Data Unit
PPP
Point-to-Point Protocol
RF
Radio Frequency
RMS
Root Mean Square (value)
RTC
Real Time Clock
RX
Receive Direction
SIM
Subscriber Identification Module
SMS
Short Message Service
TDMA
Time Division Multiple Access
TE
Terminal Equipment
TX
Transmitting Direction
UART
Universal Asynchronous Receiver & Transmitter
URC
Unsolicited Result Code
USSD
Unstructured Supplementary Service Data
VSWR
Voltage Standing Wave Ratio
Vmax
Maximum Voltage Value
Vnorm
Normal Voltage Value
Vmin
Minimum Voltage Value
VIHmax
Maximum Input High Level Voltage Value
VIHmin
Minimum Input High Level Voltage Value
VILmax
Maximum Input Low Level Voltage Value
VILmin
Minimum Input Low Level Voltage Value
VImax
Absolute Maximum Input Voltage Value
VImin
Absolute Minimum Input Voltage Value
VOHmax
Maximum Output High Level Voltage Value
VOHmin
Minimum Output High Level Voltage Value
VOLmax
Maximum Output Low Level Voltage Value
VOLmin
Minimum Output Low Level Voltage Value
Phonebook abbreviations
FD
SIM Fix Dialing phonebook
LD
SIM Last Dialing phonebook (list of numbers most recently dialed)
MC
Mobile Equipment list of unanswered MT Calls (missed calls)
ON
SIM (or ME) Own Numbers (MSISDNs) list
RC
Mobile Equipment list of Received Calls

M95 Hardware Design
M95_HD_V1.0 - 12 -
SM
SIM phonebook
1.3. Directives and standards
The M95 module is designed to comply with the FCC statements. FCC ID is XMR201202M95.
The Host system using M95, should have label indicated FCC ID: XMR201202M95.
1.3.1. FCC Statement
1. This device complies with Part 15 of the FCC rules. Operation is subject to the following
conditions:
a) This device may not cause harmful interference.
b) This device must accept any interference received, including interference that may cause
undesired operation.
2. Changes or modifications not expressly approved by the party responsible for compliance could
void the user’s authority to operate the equipment.
1.3.2. FCC Radiation exposure statement
This equipment complies with FCC radiation exposure limits set forth for an uncontrolled
environment. This equipment should be installed and operated with minimum distance 20cm
between the radiator and your body as well as kept minimum 20cm from radio antenna depending
on the portable or Mobile status of this module usage.
The manual of the host system, which uses M95, must include RF exposure warning statement to
advice user should keep minimum 20cm from the radio antenna of M95 module depending on
portable or Mobile status.
Note: If a portable device (such as PDA) uses M95 module, the device needs to do permissive
change and SAR testing.
1.3.3. Industry Canada licence
English version
This device complies with Industry Canada licence-exempt RSS standard(s). Operation is subject
to the following two conditions:
a) This device may not cause harmful interference.
b) This device must accept any interference, including interference that may cause
undesired operation of the device.

M95 Hardware Design
M95_HD_V1.0 - 13 -
The Host system using M95, should have label indicating “transmitter module
IC:10064-201202M95.
French version
Le présent appareil est conforme aux CNR d'Industrie Canada applicables aux appareils radio
exempts de licence. L'exploitation est autorisée aux deux conditions suivantes :
a) l'appareil ne doit pas produire de brouillage, et
b) L’utilisateur de l'appareil doit accepter tout brouillage radioélectrique subi,
même si le brouillage est susceptible d'en compromettre le fonctionnement.
1.4. Safety cautions
The following safety precautions must be observed during all phases of the operation, such as
usage, service or repair of any cellular terminal or mobile incorporating M95 module.
Manufacturers of the cellular terminal should send the following safety information to users and
operating personnel and to incorporate these guidelines into all manuals supplied with the product.
If not so, Quectel does not take on any liability for customer failure to comply with these
precautions.
When in a hospital or other health care facility, observe the restrictions about the
use of mobile. Switch the cellular terminal or mobile off. Medical equipment may
be sensitive to not operate normally for RF energy interference.
Switch off the cellular terminal or mobile before boarding an aircraft. Make sure
it switched off. The operation of wireless appliances in an aircraft is forbidden to
prevent interference with communication systems. Forget to think much of these
instructions may lead to the flight safety or offend against local legal action, or
both.
Do not operate the cellular terminal or mobile in the presence of flammable gas
or fume. Switch off the cellular terminal when you are near petrol station, fuel
depot, chemical plant or where blasting operations are in progress. Operation of
any electrical equipment in potentially explosive atmosphere can constitute a
safety hazard.
Your cellular terminal or mobile receives and transmits radio frequency energy
while switched on. RF interference can occur if it is used close to TV set, radio,
computer or other electric equipment.

M95 Hardware Design
M95_HD_V1.0 - 14 -
Road safety comes first! Do not use a hand-held cellular terminal or mobile
while driving a vehicle, unless it is securely mounted in a holder for hands-free
operation. Before making a call with a hand-held terminal or mobile, park the
vehicle.
GSM cellular terminals or mobiles operate over radio frequency signal and
cellular network and cannot be guaranteed to connect in all conditions, for
example no mobile fee or an invalid SIM card. While you are in this condition
and need emergent help, Please Remember using emergency call. In order to
make or receive call, the cellular terminal or mobile must be switched on and in
a service area with adequate cellular signal strength.
Some networks do not allow for emergency call if certain network services or
phone features are in use (e.g. lock functions, fixed dialing etc.). You may have
to deactivate those features before you can make an emergency call.
Also, some networks require that a valid SIM card be properly inserted in
cellular terminal or mobile.

M95 Hardware Design
M95_HD_V1.0 - 15 -
2. Product concept
M95 is a Quad-band GSM/GPRS engine that works at frequencies of GSM850MHz,
GSM900MHz, DCS1800MHz and PCS1900MHz. The M95 features GPRS multi-slot class 12
and supports the GPRS coding schemes CS-1, CS-2, CS-3 and CS-4. For more details about
GPRS multi-slot classes and coding schemes, please refer to Appendix A and Appendix B.
With a tiny profile of 19.9mm × 23.6mm × 2.65mm, the module can meet the requirements of
almost all M2M applications, including Tracking and Tracing, Industrial PDA, Wireless POS,
Intelligent Measurement, Remote Controlling, etc.
M95 is an SMD type module with LCC package, which can be embedded in customer applications.
It provides abundant hardware interfaces between the module and customer’s host board.
Designed with power saving technique, the current consumption of M95 module is as low as 0.9
mA in SLEEP mode when DRX is 5.
M95 is integrated with Internet service protocols, which are TCP/IP, UDP, FTP and PPP.
Extended AT commands have been developed for customer to use these Internet service protocols
easily.
The module fully complies to FCC statements and RoHS directive of the European Union.
2.1. Key features
Table 3: Module key features
Feature
Implementation
Power supply
Single supply voltage 3.3V ~ 4.6V
Typical supply voltage 4V
Power saving
Typical power consumption in SLEEP mode: 0.9 mA@ DRX=5
0.7 mA@ DRX=9
Frequency bands
Quad-band: GSM850, GSM900, DCS1800, PCS1900.
The module can search these frequency bands automatically
The frequency bands can be set by AT command.
Compliant with GSM Phase 2/2+
GSM class
Small MS
Transmitting power
Class 4 (2W) at GSM850 and GSM900
Class 1 (1W) at DCS1800 and PCS1900
GPRS connectivity
GPRS multi-slot class 12 (default)
GPRS multi-slot class 1~12 (configurable)
GPRS mobile station class B

M95 Hardware Design
M95_HD_V1.0 - 16 -
Temperature range
Normal operation: -35°C ~ +80°C
Restricted operation: -40°C ~ -35°C and +80°C ~ +85°C 1)
Storage temperature: -45°C ~ +90°C
DATA GPRS:
CSD:
GPRS data downlink transfer: max. 85.6 kbps
GPRS data uplink transfer: max. 85.6 kbps
Coding schemes: CS-1, CS-2, CS-3 and CS-4
Support the protocols PAP (Password Authentication Protocol)
usually used for PPP connections
Internet service protocols TCP/UDP/FTP/HTTP
Support Packet Switched Broadcast Control Channel (PBCCH)
CSD transmission rates: 2.4, 4.8, 9.6, 14.4 kbps non-transparent
Support Unstructured Supplementary Services Data (USSD)
SMS
Text and PDU mode
SMS storage: SIM card
FAX
Group 3 Class 1 and Class 2
SIM interface
Support SIM card: 1.8V, 3V
Audio features
Speech codec modes:
Half Rate (ETS 06.20)
Full Rate (ETS 06.10)
Enhanced Full Rate (ETS 06.50 / 06.60 / 06.80)
Adaptive Multi-Rate (AMR)
Echo Cancellation
Echo Suppression
Noise Reduction
Embedded one amplifier of class AB with maximum driving
power up to 800mW
UART interface
UART Port:
Seven lines on UART port interface
Use for AT command, GPRS data and CSD data
Multiplexing function
Support autobauding from 4800 bps to 115200 bps
Debug Port:
Two lines on debug UART port interface DBG_TXD and
DBG_RXD
Debug Port only used for software debugging
Phonebook management
Support phonebook types: SM, ME, FD, ON, MT
SIM Application Toolkit
Support SAT class 3, GSM 11.14 Release 99
Real time clock
Implemented
Physical characteristics
Size:
19.9±0.15 × 23.6±0.15 × 2.65±0.2mm
Weight: 3g
Firmware upgrade
Firmware upgrade via UART Port
Antenna interface
Connected via 50 Ohm antenna pad

M95 Hardware Design
M95_HD_V1.0 - 17 -
Table 4: Coding schemes and maximum net data rates over air interface
Coding scheme
1 Timeslot
2 Timeslot
4 Timeslot
CS-1:
9.05kbps
18.1kbps
36.2kbps
CS-2:
13.4kbps
26.8kbps
53.6kbps
CS-3:
15.6kbps
31.2kbps
62.4kbps
CS-4:
21.4kbps
42.8kbps
85.6kbps
2.2. Functional diagram
The following figure shows a block diagram of the M95 module and illustrates the major
functional parts:
Power management
Baseband
The GSM radio frequency part
The Peripheral interface
—SIM interface
—Audio interface
—UART interface
—Power supply
—RF interface
—Turn on/off interface
—RTC interface

M95 Hardware Design
M95_HD_V1.0 - 18 -
MT6252D
32.768K
Contro
l
26M
Power
supply
UART
SIM
VDD_EXT
AUDIO
PWRKEY
EMERG_OFF
VRTC
RF_ANTENNA
PA
TQM6M4068
Application Interface (42-SMD Pads)
Figure 1: Module functional diagram
2.3. Evaluation board
In order to help customer to develop applications with M95, Quectel supplies an evaluation board
(EVB), RS-232 to USB cable, power adapter, earphone, antenna and other peripherals to control
or test the module. For details, please refer to the document [12].

M95 Hardware Design
M95_HD_V1.0 - 19 -
3. Application interface
The module is equipped with 42 pin SMT pad and it adopts LCC package. Detailed descriptions
on Sub-interfaces included in these pads are given in the following chapters:
Power supply
Turn on/off
Power saving
RTC
UART interfaces
Audio interfaces
SIM interface

M95 Hardware Design
M95_HD_V1.0 - 20 -
3.1. Pin
3.1.1. Pin assignment
Figure 2: Pin assignment
Table 5: M95 pin assignment
PIN NO.
PIN NAME
I/O
PIN NO.
PIN NAME
I/O
1
AGND
2
MIC2P
I
3
MIC2N
I
4
MIC1P
I
5
MIC1N
I
6
SPK1N
O
7
SPK1P
O
8
LOUDSPKN
O
9
LOUDSPKP
O
10
PWRKEY
I
11
EMERG_OFF
I
12
STATUS
O

M95 Hardware Design
M95_HD_V1.0 - 21 -
13
NETLIGHT
O
14
DBG_RXD
I
15
DBG_TXD
O
16
RESERVED
17
RESERVED
18
RESERVED
19
VDD_EXT
O
20
DTR
I
21
RXD
I
22
TXD
O
23
CTS
O
24
RTS
I
25
DCD
O
26
RI
O
27
SIM_VDD
O
28
SIM_RST
O
29
SIM_DATA
I/O
30
SIM_CLK
O
31
SIM_GND
32
VRTC
I/O
33
VBAT
I
34
VBAT
I
35
GND
36
GND
37
GND
38
GND
39
RF_ANT
I/O
40
GND
41
RESERVED
42
RESERVED
3.1.2. Pin description
Table 6: Pin description
Power supply
PIN NAME
PIN
NO.
I/
O
DESCRIPTION
DC
CHARACTERISTICS
COMMENT
VBAT
33,
34
I
Main power supply of
module:
VBAT=3.3V~4.6V
Vmax= 4.6V
Vmin=3.3V
Vnorm=4.0V
Make sure that supply
sufficient current in a
transmitting burst
which typically rises
to 1.6A.
VRTC
32
I/
O
Power supply for RTC
when VBAT is not
supplied for the
system.
Charging for backup
battery or golden
capacitor when the
VBAT is supplied.
VImax=VBAT
VImin=2.6V
VInorm=2.8V
VOmax=2.85V
VOmin=2.6V
VOnorm=2.8V
Iout(max)= 730uA
Iin=2.6~5 uA
If unused, keep this
pin open.
VDD_EXT
19
O
Supply 2.8V voltage
for external circuit.
Vmax=2.9V
Vmin=2.7V
Vnorm=2.8V
Imax=20mA
1. If unused, keep this
pin open.
2. Recommended to
add a 2.2~4.7uF

M95 Hardware Design
M95_HD_V1.0 - 22 -
bypass capacitor,
when using this pin
for power supply.
GND
35,
36,
37,
38,
40
Ground
Turn on/off
PIN NAME
PIN
NO.
I/
O
DESCRIPTION
DC
CHARACTERISTICS
COMMENT
PWRKEY
10
I
Power on/off key.
PWRKEY should be
pulled down for a
moment to turn on or
turn off the system.
VILmax=
0.1*VBAT
VIHmin=
0.6*VBAT
VImax=VBAT
Pulled up to VBAT
internally.
Emergency shutdown
PIN NAME
PIN
NO.
I/
O
DESCRIPTION
DC
CHARACTERISTICS
COMMENT
EMERG_
OFF
11
I
Emergency off. Pulled
down for at least
20ms, which will turn
off the module in case
of emergency. Use it
only when normal
shutdown through
PWRKEY or AT
command cannot
perform well.
VILmax=0.4V
VIHmin=2.2V
Vopenmax=2.8V
Open drain/collector
driver required in
cellular device
application.
If unused, keep this
pin open.
Module indicator
PIN NAME
PIN
NO.
I/
O
DESCRIPTION
DC
CHARACTERISTICS
COMMENT
STATUS
12
O
Indicate module
operating status. High
level indicates module
is power-on and low
level indicates
power-down.
VOHmin=
0.85*VDD_EXT
VOLmax=
0.15*VDD_EXT
If unused, keep this
pin open.
Audio interface
PIN NAME
PIN
NO.
I/
O
DESCRIPTION
DC
CHARACTERISTICS
COMMENT
MIC1P
MIC1N
4,
5
I
Channel one of
positive and negative
If unused, keep these
pins open.

M95 Hardware Design
M95_HD_V1.0 - 23 -
voice-band input
MIC2P
MIC2N
2,
3
I
Channel two of
positive and negative
voice-band input
SPK1N
SPK1P
6,
7
O
Channel one of
positive and negative
voice-band output
If unused, keep these
pins open.
AGND
1
Cooperate with
LOUDSPKP
If unused, keep this
pin open.
LOUDSPKN
LOUDSPKP
8,9
O
Channel two of
positive and negative
voice-band output
1. If unused, keep
these pins open.
2. Embedded
amplifier of class AB
internally.
3. Support both Voice
and ring.
Net status indicator
PIN NAME
PIN
NO.
I/
O
DESCRIPTION
DC
CHARACTERISTICS
COMMENT
NETLIGHT
13
O
Network status
indication
VOHmin=
0.85*VDD_EXT
VOLmax=
0.15*VDD_EXT
If unused, keep this
pin open.
Main UART port
PIN NAME
PIN
NO.
I/
O
DESCRIPTION
DC
CHARACTERISTICS
COMMENT
DTR
20
I
Data terminal ready
VILmin=-0.3V
VILmax=
0.25*VDD_EXT
VIHmin=
0.75*VDD_EXT
VIHmax=
VDD_EXT+0.3V
VOHmin=
0.85*VDD_EXT
VOLmax=
0.15*VDD_EXT
If only use TXD,
RXD and GND to
communicate,
recommended keeping
other pins open,
except RTS. Pull
down RTS.
RXD
21
I
Receiving data
TXD
22
O
Transmitting data
CTS
23
O
Clear to send
RTS
24
I
Request to send
DCD
25
O
Data carrier detection
RI
26
O
Ring indicator
Debug UART port
PIN NAME
PIN
NO.
I/
O
DESCRIPTION
DC
CHARACTERISTICS
COMMENT

M95 Hardware Design
M95_HD_V1.0 - 24 -
DBG_RXD
14
I
UART interface for
debugging only.
VILmin=-0.3V
VILmax=
0.25*VDD_EXT
VIHmin=
0.75*VDD_EXT
VIHmax=
VDD_EXT+0.3V
VOHmin=
0.85*VDD_EXT
VOLmax=
0.15*VDD_EXT
If unused, keep these
pins open.
DBG_TXD
15
O
SIM interface
PIN NAME
PIN
NO.
I/
O
DESCRIPTION
DC
CHARACTERISTICS
COMMENT
SIM_ VDD
27
O
Power supply for SIM
card
The voltage can be
selected by software
automatically. Either
1.8V or 3V.
1. All signals of SIM
interface should be
protected against ESD
with a TVS diode
array.
2. Maximum trace
length is 200mm from
the module pad to
SIM card holder.
SIM_RST
28
O
SIM reset
3V:
VOLmax=0.36V
VOHmin=
0.9*SIM_VDD
1.8V:
VOLmax=
0.2*SIM_VDD
VOHmin=
0.9*SIM_VDD
SIM_
DATA
29
I/
O
SIM data
3V:
VOLmax=0.4V
VOHmin=
SIM_VDD-0.4V
1.8V:
VOLmax=
0.15*SIM_VDD
VOHmin=
SIM1_VDD-0.4V
SIM_CLK
30
O
SIM clock
3V:
VOLmax=0.4V
VOHmin=
0.9*SIM_VDD
1.8V:
VOLmax=
0.12*SIM_VDD

M95 Hardware Design
M95_HD_V1.0 - 25 -
VOHmin=
0.9*SIM_VDD
SIM_GND
31
SIM ground
RF interface
PIN NAME
PIN
NO.
I/
O
DESCRIPTION
DC
CHARACTERISTICS
COMMENT
RF_ANT
39
I/
O
RF antenna pad
Impedance of 50Ω

M95 Hardware Design
M95_HD_V1.0 - 26 -
3.2. Operating modes
The table below briefly summarizes the various operating modes in the following chapters.
Table 7: Overview of operating modes
Mode
Function
Normal operation
GSM/GPRS
SLEEP
The module will automatically go into SLEEP mode if
DTR is set to high level and there is no interrupt (such as
GPIO interrupt or data on UART port).
In this case, the current consumption of module will reduce
to the minimal level.
During SLEEP mode, the module can still receive paging
message and SMS from the system normally.
GSM IDLE
Software is active. The module has registered to the GSM
network, and the module is ready to send and receive GSM
data.
GSM TALK
GSM connection is ongoing. In this mode, the power
consumption is decided by the configuration of Power
Control Level (PCL), dynamic DTX control and the
working RF band.
GPRS IDLE
The module is not registered to GPRS network. The
module is not reachable through GPRS channel.
GPRS
STANDBY
The module is registered to GPRS network, but no GPRS
PDP context is active. The SGSN knows the Routing Area
where the module is located at.
GPRS
READY
The PDP context is active, but no data transfer is going on.
The module is ready to receive or send GPRS data. The
SGSN knows the cell where the module is located at.
GPRS DATA
There is GPRS data in transfer. In this mode, power
consumption is decided by the PCL, working RF band and
GPRS multi-slot configuration.
POWER DOWN
Normal shutdown by sending the “AT+QPOWD=1” command, using the
PWRKEY or the EMERG_OFF1) pin. The power management ASIC
disconnects the power supply from the base band part of the module, and
only the power supply for the RTC is remained. Software is not active. The
UART interfaces are not accessible. Operating voltage (connected to
VBAT) remains applied.
Minimum
functionality
mode (without
removing power
supply)
“AT+CFUN” command can set the module to a minimum functionality
mode without removing the power supply. In this case, the RF part of the
module will not work or the SIM card will not be accessible, or both RF part
and SIM card will be disabled, but the UART port is still accessible. The
power consumption in this case is very low.

M95 Hardware Design
M95_HD_V1.0 - 27 -
1) Use the EMERG_OFF pin only while failing to turn off the module by the command
“AT+QPOWD=1” and the PWRKEY pin. Please refer to Section 3.4.2.2.
3.3. Power supply
3.3.1. Feature of GSM power
The unit of GSM transmit in the wireless path is pulse string which is constructed by GSMK bit
string and we call it burst. The period of burst is 4.16ms and the last time of burst is 577us. The
burst current will reach 1.6A while idle current is as low as tens of milliampere. This sudden
change of current will produce large ripple of VBAT or pull the VBAT down to 3.3V, while the
module will shut down when VBAT drops to 3.3V. Due to these features, the power design for the
module is crucial.
The following figure is the VBAT voltage and current ripple at the maximum power transmitting
phase, the test condition is VBAT=4.0V, VBAT maximum output current =2A, C1=100µF
tantalum capacitor (ESR=0.7Ω) and C2=1µF.
Max:400mV
Burst:1.6A
4.615ms
577us
IBAT
VBAT
Figure 3: Ripple in supply voltage during transmitting burst
3.3.2. Minimize supply voltage drop
The power supply of the module is from a single voltage source of VBAT= 3.3V~4.6V. The GSM
transmitting burst can cause obvious voltage drop at the supply voltage thus the power supply
must be carefully designed and is capable of providing sufficient current up to 2A. For the VBAT
input, a bypass capacitor of about 100µF with low ESR is recommended. Multi-layer ceramic chip
(MLCC) capacitor can provide the best combination of low ESR but small size may not be
economical. A lower cost choice could be a 100µF tantalum capacitor with low ESR. A small

M95 Hardware Design
M95_HD_V1.0 - 28 -
(0.1µF to 1µF) ceramic capacitor should be in parallel with the 100µF capacitor, which is
illustrated in Figure 4. The capacitors should be placed close to the M95 VBAT pins.
The PCB traces from the VBAT pads to the power source must be wide enough to ensure that
there is not too much voltage drop occurring in the transmitting burst mode. The width of trace
should be no less than 2mm and the principle of the VBAT trace is the longer, the wider. The
VBAT voltage drop can be measured by oscilloscope.
C2C1
VBAT
+
C1=100uF, C2=0.1uF~1uF
Figure 4: Reference circuit of the VBAT input
3.3.3. Reference power design for the module
The power design for the module is very important and the circuit design of the power supply for
the module largely depends on the power source. Figure 5 shows a reference design of +5V input
power source. The part number of this LDO IC is MIC29302WU. The designed output for the
power supply is 4.16V and the maximum load current is 3A, in order to prevent outputting
abnormal voltage, a zener voltage regulator is employed at the point of the output nearby the pin
of VBAT. Some elements have to be taken into account in the component select, such as reserve
zener voltage is recommend 5.1V and the total dissipation is more than 1Watt.
C1
100uF
C2
MIC29032 U1
IN OUT
EN
GND
ADJ
2 4
1
3
5
DC_IN VBAT
100nF
C3
100uF
C4
100nF
C5 C6
33pF
R1
10pF
D1
120K
51K
R2 5.1V
Figure 5: Reference circuit of the source power supply input

M95 Hardware Design
M95_HD_V1.0 - 29 -
3.3.4. Monitor power supply
To monitor the supply voltage, the “AT+CBC” command can be used which includes three
parameters: charging status, remaining battery capacity and voltage value (in mV). It returns the
0-100 percent of battery capacity and actual value measured between VBAT and GND. The
voltage is automatically measured in period of 5s. The displayed voltage (in mV) is averaged over
the last measuring period before the “AT+CBC” command is executed.
For details, please refer to document [1].
3.4. Power on and down scenarios
3.4.1. Power on
The module can be turned on by PWRKEY pin.
The module is set to autobauding mode (AT+IPR=0) in default configuration. In the autobauding
mode, the URC “RDY” after powering on is not sent to host controller. When the module receives
AT command, it will be powered on after a delay of 2 or 3 seconds. Host controller should firstly
send an “AT” or “at” string in order that the module can detect baud rate of host controller, and it
should send the second or the third “AT” or “at” string until receiving “OK” string from module.
Then an “AT+IPR=x;&W” should be sent to set a fixed baud rate for module and save the
configuration to flash memory of module. After these configurations, the URC “RDY” would be
received from the UART Port of module every time when the module is powered on. Refer to
section “AT+IPR” in document [1].
The hardware flow control is disabled in default configuration. In the simple UART port which
means that only TXD, RXD, GND of the module is connected to host. CTS is pulled down
internally. In this condition, the module can transmit and receive data freely. On the other side, if
RTS, CTS are connected to the host together with TXD, RXD, GND, whether or not to transmit
and receive data depends on the level of RTS and CTS. Then whenever hardware flow is present
or not, the URC “RDY” is sent to host controller in the fixed band rate.
3.4.1.1. Power on the module using the PWRKEY pin
Customer’s application can turn on the module by driving the pin PWRKEY to a low level voltage
and after STATUS pin outputs a high level, PWRKEY pin can be released. Customer may
monitor the level of the STATUS pin to judge whether the module is power-on or not. An open
collector driver circuit is suggested to control the PWRKEY. A simple reference circuit is
illustrated in Figure 6.

M95 Hardware Design
M95_HD_V1.0 - 30 -
Turn on pulse
PWRKEY
4.7K
47K
Figure 6: Turn on the module using driving circuit
The other way to control the PWRKEY is using a button directly. A TVS component is
indispensable to be placed nearby the button for ESD protection. When pressing the key,
electrostatic strike may generate from finger. A reference circuit is showed in Figure 7.
S1
PWRKEY
TVS1
Close to S1
Figure 7: Turn on the module using keystroke
The power-on scenarios is illustrated as the following figure.

M95 Hardware Design
M95_HD_V1.0 - 31 -
VDD_EXT
(OUTPUT)
VIL<0.1*VBAT
VBAT
PWRKEY
(INPUT)
EMERG_OFF
(INPUT)
54ms
250ms
STATUS
(OUTPUT)
800ms
1
>1s
VIH > 0.1*VBAT
Figure 8: Timing of turning on system
① Make sure that VBAT is stable before pulling down PWRKEY pin. The time between them
is recommended 30ms.
Note: Customer can monitor the voltage level of the STATUS pin to judge whether the module is
power-on. After the STATUS pin goes to high level, PWRKEY can be released. If the STATUS
pin is ignored, pull the PWRKEY pin to low level for more than 1 second to turn on the module.
3.4.2. Power down
The following procedures can be used to turn off the module:
Normal power down procedure: Turn off module using the PWRKEY pin
Normal power down procedure: Turn off module using command “AT+QPOWD”
Over-voltage or under-voltage automatic shutdown: Take effect when over-voltage or
under-voltage is detected
Emergent power down procedure: Turn off module using the EMERG_OFF pin
Emergent power down procedure: Turn off module using command “AT+QPOWD”
3.4.2.1. Power down module using the PWRKEY pin
Customer’s application can turn off the module by driving the PWRKEY to a low level voltage for
certain time. The power-down scenarios is illustrated in Figure 9.

M95 Hardware Design
M95_HD_V1.0 - 32 -
The power-down procedure causes the module to log off from the network and allows the
software to save important data before completely disconnecting the power supply, thus it is a safe
way.
Before the completion of the power-down procedure, the module sends out the result code shown
as below:
NORMAL POWER DOWN
Note: This result code does not appear when autobauding is active and DTE and DCE are not
correctly synchronized after start-up. The module is recommended to set a fixed baud rate.
After that moment, no further AT commands can be executed. Then the module enters the
POWER DOWN mode, only the RTC is still active. The POWER DOWN mode can also be
indicated by the STATUS pin, which is a low level voltage in this mode.
PWRKEY
(INPUT)
STATUS
(OUTPUT)
1s > Pulldown > 0.6s
Logout net about 2s to 12s
VDD_EXT
(OUTPUT)
EMERG_OFF
(OUTPUT)
VBAT
(OUTPUT)
160us
Figure 9: Timing of turning off the module

M95 Hardware Design
M95_HD_V1.0 - 33 -
3.4.2.2. Power down the module using AT command
Customer’s application can turn off the module via AT command “AT+QPOWD=1”. This
command will let the module to log off from the network and allow the software to save important
data before completely disconnecting the power supply, thus it is a safe way.
Before the completion of the power-down procedure the module sends out the result code shown
as below:
NORMAL POWER DOWN
After that moment, no further AT commands can be executed. And then the module enters the
POWER DOWN mode, only the RTC is still active. The POWER DOWN mode can also be
indicated by STATUS pin, which is a low level voltage in this mode.
Please refer to document [1] for details about the AT command “AT+QPOWD”.
3.4.2.3. Over-voltage or under-voltage automatic shutdown
The module will constantly monitor the voltage applied on the VBAT, if the voltage is ≤ 3.5V, the
following URC will be presented:
UNDER_VOLTAGE WARNING
If the voltage is ≥ 4.5V, the following URC will be presented:
OVER_VOLTAGE WARNING
The uncritical voltage range is 3.3V to 4.6V. If the voltage is > 4.6V or <3.3V, the module would
automatically shutdown itself.
If the voltage is <3.3V, the following URC will be presented:
UNDER_VOLTAGE POWER DOWN
If the voltage is >4.6V, the following URC will be presented:
OVER_VOLTAGE POWER DOWN
Note: These result codes don’t appear when autobauding is active and DTE and DCE are not
correctly synchronized after start-up. The module is recommended to set to a fixed baud rate.
After that moment, no further AT commands can be executed. The module logs off from network
and enters POWER DOWN mode, and only RTC is still active. The POWER DOWN mode can
also be indicated by the pin STATUS, which is a low level voltage in this mode.

M95 Hardware Design
M95_HD_V1.0 - 34 -
3.4.2.4. Emergency shutdown using EMERG_OFF pin
The module can be shut down by driving the pin EMERG_OFF to a low level voltage over 20ms
and then releasing it. The EMERG_OFF line can be driven by an Open Drain / Collector driver or a
button. The circuit is illustrated as the following figures.
Emergency
shutdown pulse
EMERG_OFF
4.7K
47K
Figure 10: Reference circuit for EMERG_OFF by using driving circuit
S1
EMERG_OFF
TVS1
Close to S1
Figure 11: Reference circuit for EMERG_OFF by using button
3.4.2.5. Emergency shutdown using AT command
Using an AT command “AT+QPOWD=0” can achieve emergency shutdown of the module. In
this situation, No URC returns back to the host no matter in the fixed band rate or auto band rate.
Be cautious to use the pin EMERG_OFF. It should only be used under emergent situation. For
instance, if the module is unresponsive or abnormal, the pin EMERG_OFF could be used to shut
down the system. Although turning off the module by EMERG_OFF is fully tested and nothing
wrong detected, this operation is still a big risk as it could cause destroying of the code or data area
of the NOR flash memory in the module. Therefore, it is recommended that PWRKEY or AT
command should always be the preferential way to turn off the system.

M95 Hardware Design
M95_HD_V1.0 - 35 -
3.4.3. Restart
3.4.3.1. Restart the module using the PWRKEY pin
Customer’s application can restart the module by driving the PWRKEY to a low level voltage for
certain time, which is similar to the way of turning on module. Before restarting the module, at
least 500ms should be delayed after detecting the low level of STATUS. The restart timing is
illustrated as the following figure.
STATUS
(OUTPUT)
H
PWRKEY
(INPUT)
Delay > 0.5s
Turn off
Pull down the PWRKEY
to turn on the module
Restart
Figure 12: Timing of restarting system
The module can also be restarted by the PWRKEY after emergency shutdown.
PWRKEY
(INPUT)
Pulldown >20ms Delay>2s
EMERG_OFF
(INPUT)
STATUS
(OUTPUT)
6us
Figure 13: Timing of restarting system after emergency shutdown
3.4.3.2. Restart the module using AT command
Using an AT command “AT+QPOWD=2” can achieve restart of the module. Please refer to
document [1] for the details.

M95 Hardware Design
M95_HD_V1.0 - 36 -
3.5. Power saving
Upon system requirement, there are several actions to drive the module to enter low current
consumption status. For example, “AT+CFUN” can be used to set module into minimum
functionality mode and DTR hardware interface signal can be used to lead system to SLEEP
mode.
3.5.1. Minimum functionality mode
Minimum functionality mode reduces the functionality of the module to minimum level, thus
minimize the current consumption when the slow clocking mode is activated at the same time.
This mode is set with the “AT+CFUN” command which provides the choice of the functionality
levels <fun>=0,1,4.
0: minimum functionality
1: full functionality (default)
4: disable both transmitting and receiving of RF part
If the module is set to minimum functionality by “AT+CFUN=0”, the RF function and SIM card
function would be disabled. In this case, the UART port is still accessible, but all AT commands
correlative with RF function or SIM card function will not be accessible.
If the module has been set by “AT+CFUN=4”, the RF function will be disabled, but the UART
port is still active. In this case, all AT commands correlative with RF function will not be
accessible.
After the module is set by “AT+CFUN=0” or “AT+CFUN=4”, it can return to full functionality
by “AT+CFUN=1”.
For detailed information about “AT+CFUN”, please refer to document [1].
3.5.2. Sleep mode
The SLEEP mode is disabled in default software configuration. Customer’s application can enable
this mode by “AT+QSCLK=1”. On the other hand, the default setting is “AT+QSCLK=0” and in
this mode, the module cannot enter SLEEP mode.
When “AT+QSCLK=1” is sent to the module, customer’s application can control the module to
enter or exit from the SLEEP mode through pin DTR. When DTR is set to high level, and there is
no on-air or hardware interrupt such as GPIO interrupt or data on UART port, the module will
enter SLEEP mode automatically. In this mode, the module can still receive voice, SMS or GPRS
paging from network but the UART port is not accessible.

M95 Hardware Design
M95_HD_V1.0 - 37 -
3.5.3. Wake up the module from SLEEP mode
When the module is in the SLEEP mode, the following methods can wake up the module.
If the DTR Pin is set low, it would wake up the module from the SLEEP mode. The UART
port will be active within 20ms after DTR is changed to low level.
Receiving a voice or data call from network wakes up module.
Receiving an SMS from network wakes up module.
Note: DTR pin should be held low level during communication between the module and DTE.
3.6. Summary of state transitions
Table 8: Summary of state transition
Current mode
Next mode
Power down
Normal mode
Sleep mode
Power down
Use PWRKEY
Normal mode
AT+QPOWD, use
PWRKEY pin, or use
EMERG_OFF pin
Use AT command
“AT+QSCLK=1” and pull
DTR up
Sleep mode
Use PWRKEY pin, or
use EMERG_OFF pin
Pull DTR down or
incoming call or
SMS or GPRS
3.7. RTC backup
The RTC (Real Time Clock) can be supplied by an external capacitor or battery (rechargeable or
non-chargeable) through the pin VRTC. A 1.5 K resistor has been integrated in the module for
current limiting. A coin-cell battery or a super-cap can be used to backup power supply for RTC.
The following figures show various sample circuits for RTC backup.

M95 Hardware Design
M95_HD_V1.0 - 38 -
RTC
Core
1.5K
MODULE
VRTC
Non-chargeable
Backup Battery
Figure 14: RTC supply from non-chargeable battery
RTC
Core
1.5K
MODULE
VRTC
Rechargeable
Backup Battery
Figure 15: RTC supply from rechargeable battery
RTC
Core
1.5K
MODULE
VRTC
Large-capacitance
Capacitor
Figure 16: RTC supply from capacitor
Coin-type rechargeable capacitor such as XH414H-IV01E from Seiko can be used.

M95 Hardware Design
M95_HD_V1.0 - 39 -
Figure 17: Seiko XH414H-IV01E Charge Characteristics
3.8. Serial interfaces
The module provides two serial ports: UART and Debug Port. The module is designed as a DCE
(Data Communication Equipment), following the traditional DCE-DTE (Data Terminal
Equipment) connection. Autobauding function supports baud rate from 4800bps to 115200bps.
The UART Port:
TXD: Send data to RXD of DTE
RXD: Receive data from TXD of DTE
RTS: Requests to send
CTS: Clear to send
DTR: DTE is ready and inform DCE (this pin can wake the module up)
RI: Ring indicator (when the call, SMS, data of the module are coming, the module will
output signal to inform DTE)
DCD: Data carrier detection (the valid of this pin demonstrates the communication link is set
up)
The module disables hardware flow control in default. When hardware flow control is required,
RTS and CTS should be connected to the host. AT command “AT+IFC=2,2” is used to enable
hardware flow control. AT command “AT+IFC=0,0” is used to disable the hardware flow
control. For more details, please refer to document [1].
The Debug Port
DBG_TXD: Send data to the COM port of a debugging computer
DBG_RXD: Receive data from the COM port of a debugging computer

M95 Hardware Design
M95_HD_V1.0 - 40 -
The logic levels are described in the following table.
Table 9: Logic levels of the UART interface
Parameter
Min
Max
Unit
VIL
0
0.25*VDD_EXT
V
VIH
0.75*VDD_EXT
VDD_EXT +0.3
V
VOL
0
0.15*VDD_EXT
V
VOH
0.85*VDD_EXT
VDD_EXT
V
Table 10: Pin definition of the UART interfaces
Interface
Name
Pin
Function
Debug Port
DBG_RXD
14
Receive data of the debug port
DBG_TXD
15
Transmit data of the debug port
UART Port
DTR
20
Data terminal ready
RXD
21
Receive data of the UART port
TXD
22
Transmit data of the UART port
CTS
23
Clear to send
RTS
24
Request to send
DCD
25
Data carrier detection
RI
26
Ring indicator
3.8.1. UART Port
3.8.1.1 The features of UART Port.
Seven lines on UART interface
Contain data lines TXD and RXD, hardware flow control lines RTS and CTS, other control
lines DTR, DCD and RI
Used for AT command, GPRS data, CSD FAX, etc. Multiplexing function is supported on
the UART Port. So far only the basic mode of multiplexing is available.
Support the communication baud rates as the following:
300,600,1200,2400,4800,9600,14400,19200,28800,38400,57600,115200.
The default setting is autobauding mode. Support the following baud rates for autobauding
function:
4800, 9600, 19200, 38400, 57600, 115200.
The module disables hardware flow control in default, AT command “AT+IFC=2,2” is used to
enable hardware flow control
After setting a fixed baud rate or autobauding, please send “AT” string at that rate. The UART
port is ready when it responds “OK”.

M95 Hardware Design
M95_HD_V1.0 - 41 -
Autobauding allows the module to detect the baud rate by receiving the string “AT” or “at” from
the host or PC automatically, which gives module flexibility without considering which baud rate
is used by the host controller. Autobauding is enabled in default. To take advantage of the
autobauding mode, special attention should be paid according to the following requirements:
Synchronization between DTE and DCE:
When DCE (the module) powers on and the autobauding is enabled, it is recommended to wait 2
to 3 seconds before sending the first AT character. After receiving the “OK” response, DTE and
DCE are correctly synchronized.
If the host controller needs URC in the mode of autobauding, it must be synchronized firstly.
Otherwise the URC will be discarded.
Restrictions on autobauding operation
The UART port has to be operated at 8 data bits, no parity and 1 stop bit (factory setting).
The A/ and a/ commands can’t be used.
Only the strings “AT” or “at” can be detected (neither “At” nor “aT”).
The Unsolicited Result Codes like "RDY", "+CFUN: 1" and "+CPIN: READY” will not be
indicated when the module is turned on with autobauding enabled and not be synchronized.
Any other Unsolicited Result Codes will be sent at the previous baud rate before the module
detects the new baud rate by receiving the first “AT” or “at” string. The DTE may receive
unknown characters after switching to new baud rate.
It is not recommended to switch to autobauding from a fixed baud rate.
If autobauding is active it is not recommended to switch to multiplex mode
Note: To assure reliable communication and avoid any problems caused by undetermined baud
rate between DCE and DTE, it is strongly recommended to configure a fixed baud rate and save
it instead of using autobauding after start-up. For more details, please refer to Section
“AT+IPR” in document [1].
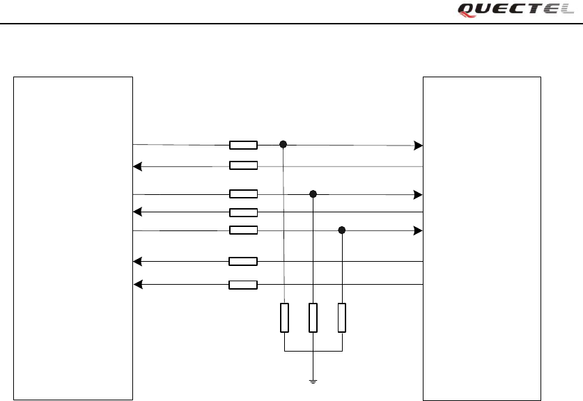
3.8.1.2. The connection of UART
The connection between module and host via UART port is very flexible. Three connection styles
are illustrated as below.
UART Port connection is shown as below when it is applied in modulation-demodulation.

M95 Hardware Design
M95_HD_V1.0 - 42 -
TXD
RXD
RTS
CTS
DTR
DCD
RI
TXD
RXD
RTS
CTS
DTR
DCD
RI
Module (DCE)PC (DTE)
UART port
UART Port
GND GND
Figure 18: Connection of all functional UART port
Three lines connection is shown as below.
Host(DTE)
Controller
TXD
RXD
GND
Module(DCE)
TXD
RXD
GND
UART Port
RTS
0R
Figure 19: Connection of three lines UART port
UART Port with hardware flow control is shown as below. This connection will enhance the
reliability of the mass data communication.

M95 Hardware Design
M95_HD_V1.0 - 43 -
Host(DTE)
Controller
Module(DCE)
RTS
CTS
RTS
GND
GND
RXD
TXD
UART Port
CTS
RXD
TXD
Figure 20: Connection of UART port associated hardware flow control
3.8.1.3. Software upgrade
The TXD, RXD can be used to upgrade software. The PWRKEY pin must be pulled down before
the software upgrades. Please refer to the following figures for software upgrade.
IO Connector
TXD
RXD
GND
PWRKEY
Module (DCE
)
UART Port
TXD
RXD
GND
PWRKEY
Figure 21: Connection of software upgrade

M95 Hardware Design
M95_HD_V1.0 - 44 -
3.8.2. Debug Port
Debug Port
Two lines: DBG_TXD and DBG_RXD
It outputs log information automatically.
Debug Port is only used for software debugging and its baud rate must be configured as
460800bps.
Debug Computer
TXD
RXD
GND
Module(DCE)
Debug port
DBG_TXD
DBG_RXD
GND
Figure 22: Connection of software debug
3.8.3. UART Application
The reference design of 3.3V level match is shown as below. 1K and 5.6K resistors among the
following diagram are used to decrease the output voltage of MCU/ARM.

M95 Hardware Design
M95_HD_V1.0 - 45 -
MCU/ARM MODULE
/TXD
/RXD TXD
RXD
RTS
CTS
DTR
RI
/RTS
/CTS
GPIO
EINT
voltage level: 3.3V
GPIO DCD
1K
1K
1K
1K
1K
5K6 5K6 5K6
1K
1K
Figure 23: 3.3V level match circuit
Note: 5.6K resistors among the above diagram need to be changed to 15K resistors for 3V
system.

M95 Hardware Design
M95_HD_V1.0 - 46 -
The reference design of 5V level match is shown as below. The construction of dotted line can
refer to the construction of solid line. Please pay attention to direction of connection. Input dotted
line of module should refer to input solid line of the module. Output dotted line of module should
refer to output solid line of the module.
MCU/ARM
/TXD
/RXD
1K
VDD_EXT
4.7k
VCC_MCU
4.7k
4.7k
4.7k
VDD_EXT
TXD
RXD
RTS
CTS
DTR
RI
/RTS
/CTS
voltage level: 5V
GND
VBAT
GPIO STATUS
MODULE
GPIO
EINT
VCC_MCU
Figure 24: 5V level match circuit

M95 Hardware Design
M95_HD_V1.0 - 47 -
The following picture is an example of connection between module and PC. A RS_232 level
shifter IC or circuit must be inserted between module and PC, since these three UART ports don’t
support the RS_232 level, while support the CMOS level only.
9
8
7
6
5
4
3
2
1
15
14
8
9
11
12
5
7
6
10
4
26
2
27
13
18
20
21
16
17
19
22
23
24
3
1
25
28
GND
TO PC serial port
SP3238
3V
GND
GND
T5OUT
/SHUTDOWN
V+
GND
V-
VCC
T4OUT
T2OUT
T3OUT
T1OUT
R3IN
R2IN
R1IN
/STATUS
3V ONLINE
R1OUT
R2OUT
R3OUT
/R1OUT
GND T5IN
T4IN
T3IN
T2IN
T1IN
C2+
C2-
C1-
C1+
MODULE
RXD
DTR
RTS
RI
CTS
TXD
DCD
Figure 25: RS232 level match circuit

M95 Hardware Design
M95_HD_V1.0 - 48 -
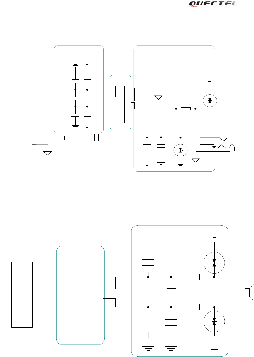
3.9. Audio interfaces
The module provides two analogy input channels and three analogy output channels.
Table 11: Pin definition of Audio interface
AIN1 and AIN2 can be used for input of microphone and line. An electret microphone is usually
used. AIN1 and AIN2 are both differential input channels.
AOUT1 is used for output of the receiver and speaker. This channel is typically used for a receiver
built into a handset. AOUT1 channel is a differential channel. It only supports voice path. If it is
used as a speaker, an amplifier should be employed.
AOUT2 is used for loud speaker output as it is embedded an amplifier of class AB whose
maximum drive power is 800mW. AOUT2 is a differential channel. Immediately playing Melody
or Midi ring tone for incoming call is available in AOUT2.
AOUT2 also can be used for output of earphone, which can be used as a single-ended channel.
LOUDSPKP and AGND can establish a pseudo differential mode.
These two audio channels can be swapped by “AT+QAUDCH” command. For more details,
please refer to document [1].
Use AT command “AT+QAUDCH” to select audio channel:
0--AIN1/AOUT1, the default value is 0.
2--AIN2/AOUT2
For each channel, customer can use AT+QMIC to adjust the input gain level of microphone.
Customer can also use “AT+CLVL” to adjust the output gain level of receiver and speaker.
“AT+QECHO” is used to set the parameters for echo cancellation control. “AT+QSIDET” is used
to set the side-tone gain level. For more details, please refer to document [1].
Interface
Name
Pin
Function
AIN1/AOUT1
MIC1P
4
Channel one of Microphone positive input
MIC1N
5
Channel one of Microphone negative input
SPK1N
6
Channel one of Audio negative output
SPK1P
7
Channel one of Audio positive output
AIN2/AOUT2
MIC2P
2
Channel two of Microphone positive input
MIC2N
3
Channel two of Microphone negative input
AGND
1
Cooperate with LOUDSPKP
LOUDSPKP
9
Channel two of Audio positive output
LOUDSPKN
8
Channel two of Audio negative output

M95 Hardware Design
M95_HD_V1.0 - 49 -
Table 12: AOUT2 output characteristics
Item
Condition
min
type
max
unit
RMS power
8ohm load
VBAT=4.3V
THD+N=1%
800
mW
8ohm load
VBAT=3.7V
THD+N=1%
700
mW
8ohm load
VBAT=3.3V
THD+N=1%
500
mW
Gain adjustment range
0
18
dB
Gain adjustment steps
3
dB
3.9.1. Decrease TDD noise and other noise
The 33pF capacitor is applied for filtering out 900MHz RF interference when the module is
transmitting at GSM900MHz. Without placing this capacitor, TDD noise could be heard.
Moreover, the 10pF capacitor here is for filtering out 1800MHz RF interference. However, the
resonant frequency point of a capacitor largely depends on the material and production technique.
Therefore, customer would have to discuss with its capacitor vendor to choose the most suitable
capacitor for filtering out GSM850MHz, GSM900MHz, DCS1800MHz and PCS1900MHz
separately.
The severity degree of the RF interference in the voice channel during GSM transmitting period
largely depends on the application design. In some cases, GSM900 TDD noise is more severe;
while in other cases, DCS1800 TDD noise is more obvious. Therefore, customer can have a
choice based on test results. Sometimes, even no RF filtering capacitor is required.
The capacitor which is used for filtering out RF noise should be close to RJ11 or other audio
interfaces. Audio alignment should be as short as possible.
In order to decrease radio or other signal interference, the position of RF antenna should be kept
away from audio interface and audio alignment. Power alignment and audio alignment should not
be parallel, and power alignment should be far away from audio alignment.
The differential audio traces have to be placed according to the differential signal layout rule.

M95 Hardware Design
M95_HD_V1.0 - 50 -
3.9.2. Microphone interfaces design
AIN1/IN2 channels come with internal bias supply for external electret microphone. A reference
circuit is shown in Figure 26.
MICxP
Differential
layout
Module 10pF 33pF
33pF
33pF
GND
GND
Electret
Microphone
GND
GND
10pF
10pF
GND
GND
ESD
ANTI
ESD
ANTI
33pF
10pF
Close to Module
MICxN
GND
GND
GND
GND
10pF 33pF
33pF
10pF
Close to MIC
Figure 26: Microphone interface design of AIN1&AIN2
3.9.3. Receiver interface design
SPK1P
SPK1N
Differential layout
10pF
10pF
33pF
33pF
33pF
GND
GND
10pF
ESD
ANTI
ESD
ANTI
Module
Close to Receiver
GND
GND
GND GND
Figure 27: Receiver interface design of AOUT1

M95 Hardware Design
M95_HD_V1.0 - 51 -
3.9.4. Earphone interface design
1
2
4
3
MIC2P
22uF
68R
33pF
GND GND
AGND
Close to Socket
33pF
AGND
33pF 10pF
GND GND
GND
GND
AGND
Module
4.7uF
LOUDSPKP
Close to Module
GND
GND
GND
GND
10pF 33pF
33pF
10pF
Differential
layout
33pF
10pF
MIC2N
0R
Amphenol
9001-8905-050
Figure 28: Earphone interface design
3.9.5. Loud speaker interface design
LOUDSPKN
Differential layout
10pF
10pF 33pF
33pF
GND
GND
ESD ANTI
ESD ANTI
0R
0R
LOUDSPKP
GND
GND
GND GND
10pF 33pF
8 ohm
Close to Speaker
Module
Figure 29: Loud speaker interface design

M95 Hardware Design
M95_HD_V1.0 - 52 -
3.9.6. Audio characteristics
Table 13: Typical electret microphone characteristics
Parameter
Min
Typ
Max
Unit
Working
Voltage
1.2
1.5
2.0
V
Working
Current
200
500
uA
External
Microphone
Load Resistance
2.2
k Ohm
Table 14: Typical speaker characteristics
Parameter
Min
Typ
Max
Unit
Normal
Output
(AOUT1)
Single
Ended
Load
Resistance
28
32
Ohm
Ref level
0
2.4
Vpp
Differential
Load
Resistance
28
32
Ohm
Ref level
0
4.8
Vpp
Auxiliary
Output
(AOUT2)
Single
Ended
Load
Resistance
8
Load
Resistance
Ref level
0
VBAT
Vpp
Differential
Load
Resistance
8
Load
Resistance
Ref level
0
2*VBAT
Vpp
3.10. SIM card interface
3.10.1. SIM card application
The SIM interface supports the functionality of the GSM Phase 1 specification and also supports
the functionality of the new GSM Phase 2+ specification for FAST 64 kbps SIM card, which is
intended for use with a SIM application Tool-kit.

M95 Hardware Design
M95_HD_V1.0 - 53 -
The SIM interface is powered from an internal regulator in the module. Both 1.8V and 3.0V SIM
Cards are supported.
Table 15: Pin definition of the SIM interface
The reference circuit using a 6-pin SIM card holder is illustrated as the following figure.
Module
22R
22R
22R
C707 10M006 512 2
SIM CARD
GND
SIM_VDD
SIM_RST
SIM_CLK
SIM_DATA
SIM_GND
100nF
VCC
RST
CLK
GND
VPP
IO
Figure 30: Reference circuit of the 6 pins SIM card
The following design rules can optimize the SIM interface performance and protect the SIM card
effectively. The rules should be taken into account in designing the circuit.
Place the SIM card holder close to module as close as possible. Ensure the trace length of
SIM signals keeps less than 200mm.
Keep the SIM signals far away from VBAT power and RF trace.
The width of SIM_VDD and SIM_GND trace is not less than 0.5mm. Place a bypass
capacitor close to SIM card power pin. The value of capacitor is less than 1uF.
Name
Pin
Function
SIM_VDD
27
Supply power for SIM Card. Automatic detection
of SIM card voltage. 3.0V±10% and 1.8V±10%.
Maximum supply current is around 10mA.
SIM_RST
28
SIM Card reset
SIM_DATA
29
SIM Card data I/O
SIM_CLK
30
SIM Card clock
SIM_GND
31
SIM Card ground

M95 Hardware Design
M95_HD_V1.0 - 54 -
To avoid possible cross-talk from the SIM_CLK signal to the SIM_DATA signal be careful
that both traces are not placed closely next to each other. The traces of SIM_CLK,
SIM_DATA and SIM_RST are recommended to be around with GND independently.
All signals of SIM interface should be protected against ESD with a TVS diode array. It is
recommended to add TVS diode such as WILL (http://www.willsemi.com) ESDA6V8AV6.
The parasitic capacitance of TVS diode is less than 50pF.
The 22Ω resistors should be added in series between the module and the SIM card so as to
suppress the EMI spurious transmission and enhance the ESD protection.
All the peripheral components are recommended to place near the SIM card holder.
3.10.2. 6 Pin SIM cassette
For 6-pin SIM card holder, it is recommended to use Amphenol C707 10M006 512 2. Please visit
http://www.amphenol.com for more information.
Figure 31: Amphenol C707 10M006 512 2 SIM card holder
Table 16: Pin description of Amphenol SIM card holder
Name
Pin
Function
SIM_VDD
C1
SIM Card Power Supply
SIM_RST
C2
SIM Card Reset
SIM_CLK
C3
SIM Card Clock
GND
C5
Ground

M95 Hardware Design
M95_HD_V1.0 - 55 -
VPP
C6
Not Connect
SIM_DATA
C7
SIM Card data I/O
3.12. Behaviors of the RI
Table 17: Behaviors of the RI
State
RI respond
Standby
HIGH
Voice calling
Change to LOW, then:
(1) Change to HIGH when call is established.
(2) Use ATH to hang up the call, change to HIGH.
(3) Calling part hangs up, change to HIGH first, and change to LOW for
120ms indicating “NO CARRIER” as an URC, then change to HIGH
again.
(4) Change to HIGH when SMS is received.
Data calling
Change to LOW, then:
(1) Change to HIGH when data connection is established.
(2) Use ATH to hang up the data calling, change to HIGH.
(3) Calling part hangs up, change to HIGH first, and change to LOW for
120ms indicating “NO CARRIER” as an URC, then change to HIGH
again.
(4) Change to HIGH when SMS is received.
SMS
When a new SMS comes, the RI changes to LOW and holds low level for
about 120 ms, then changes to HIGH.
URC
Certain URCs can trigger 120ms low level on RI. For more details, please
refer to the document [10].
If the module is used as a caller, the RI would maintain high except the URC or SMS is received.
On the other hand, when it is used as a receiver, the timing of the RI is shown below.
RI
Idle Ring
Off-hook by
“ATA”. On-hook
by “ATH”. SMS
received.
HIGH
LOW
Figure 32: RI behavior of voice calling as a receiver

M95 Hardware Design
M95_HD_V1.0 - 56 -
RI
Idle Ring
Data calling establish.
On-hook by
“ATH”. SMS
received
HIGH
LOW
Figure 33: RI behavior of data calling as a receiver
RI
Idle Calling On-hook
Talking
HIGH
LOW
Idle
Figure 34: RI behavior as a caller
RI
Idle or
talking
URC or
SMS
Received
HIGH
LOW
120ms
Figure 35: RI behavior of URC or SMS received

M95 Hardware Design
M95_HD_V1.0 - 57 -
3.13. Network status indication
The NETLIGHT signal can be used to drive a network status indication LED. The working state
of this pin is listed in Table 18.
Table 18: Working state of the NETLIGHT
State
Module function
Off
The module is not running.
64ms On/ 800ms Off
The module is not synchronized with network.
64ms On/ 2000ms Off
The module is synchronized with network.
64ms On/ 600ms Off
GPRS data transfer is ongoing.
A reference circuit is shown in Figure 36.
Module 300R
4.7K
47K
VBAT
NETLIGHT
Figure 36: Reference circuit of the NETLIGHT
3.14. Operating status indication
The STATUS pin is set as an output pin and can be used to judge whether module is power-on. In
customer’s design, this pin can be connected to a GPIO of DTE or be used to drive an LED in
order to judge the module’s operation status. A reference circuit is shown in Figure 37.
Table 19: Pin definition of the STATUS
Name
Pin
Function
STATUS
12
Indication of module operating status

M95 Hardware Design
M95_HD_V1.0 - 58 -
Module 300R
4.7K
47K
VBAT
STATUS
Figure 37: Reference circuit of the STATUS

M95 Hardware Design
M95_HD_V1.0 - 59 -
4. Antenna interface
The Pin 39 is the RF antenna pad. The RF interface has an impedance of 50Ω.
Table 20: Pin definition of the Antenna interface
4.1. RF reference design
The RF external circuit is recommended as below:
RF_ANT
0R
MODULE NMNM
Figure 38: Reference circuit of RF
M95 provides an RF antenna PAD for customer’s antenna connection. The RF trace in host PCB
connected to the module RF antenna pad should be micro-strip line or other types of RF trace,
whose characteristic impendence should be close to 50Ω. M95 comes with grounding pads which
are next to the antenna pad in order to give a better grounding.
To minimize the loss on the RF trace and RF cable, take design into account carefully. It is
recommended that the insertion loss should meet the following requirements:
GSM850/EGSM900 is <1dB.
DCS1800/PCS1900 is <1.5dB.
Name
Pin
Function
GND
37
ground
GND
38
ground
RF_ANT
39
RF antenna pad
GND
40
ground

M95 Hardware Design
M95_HD_V1.0 - 60 -
4.2. RF output power
Table 21: The module conducted RF output power
Frequency
Max
Min
GSM850
33dBm ±2dB
5dBm±5dB
EGSM900
33dBm ±2dB
5dBm±5dB
DCS1800
30dBm ±2dB
0dBm±5dB
PCS1900
30dBm ±2dB
0dBm±5dB
Note: In GPRS 4 slots TX mode, the max output power is reduced by 2.5dB. This design
conforms to the GSM specification as described in section 13.16 of 3GPP TS 51.010-1.
4.3. RF receiving sensitivity
Table 22: The module conducted RF receiving sensitivity
Frequency
Receive sensitivity
GSM850
< -108.5dBm
EGSM900
< -108.5dBm
DCS1800
< -108.5dBm
PCS1900
< -108.5dBm
4.4. Operating frequencies
Table 23: The module operating frequencies
Frequency
Receive
Transmit
ARFCH
GSM850
869~894MHz
824~849MHz
128~251
EGSM900
925~960MHz
880~915MHz
0~124, 975~1023
DCS1800
1805~1880MHz
1710~1785MHz
512~885
PCS1900
1930~1990MHz
1850~1910MHz
512~810
4.5. RF cable soldering
Soldering the RF cable to RF pad of module correctly will reduce the loss on the path of RF, refer
to the following example of RF soldering.

M95 Hardware Design
M95_HD_V1.0 - 61 -
Figure 39: RF soldering sample

M95 Hardware Design
M95_HD_V1.0 - 62 -
5. Electrical, reliability and radio characteristics
5.1. Absolute maximum ratings
Absolute maximum ratings for power supply and voltage on digital and analog pins of module are
listed in the following table:
Table 24: Absolute maximum ratings
Parameter
Min
Max
Unit
VBAT
-0.3
+4.73
V
Peak current of power supply
0
2
A
RMS current of power supply (during one TDMA- frame)
0
0.7
A
Voltage at digital pins
-0.3
3.3
V
Voltage at analog pins
-0.3
3.0
V
Voltage at digital/analog pins in POWER DOWN mode
-0.25
0.25
V
5.2. Operating temperature
The operating temperature is listed in the following table:
Table 25: Operating temperature
Parameter
Min
Typ
Max
Unit
Normal Temperature
-35
25
80
℃
Restricted Operation1)
-40 ~ -35
80 ~ 85
℃
Storage Temperature
-45
+90
℃
1) When the module works above temperature range, the deviations from the GSM specification
may occur. For example, the frequency error or the phase error will be increased.
5.3. Power supply ratings
Table 26: The module power supply ratings
Parameter
Description
Conditions
Min
Typ
Max
Unit
VBAT
Supply
voltage
Voltage must stay within the
min/max values, including
voltage drop, ripple, and spikes.
3.3
4.0
4.6
V

M95 Hardware Design
M95_HD_V1.0 - 63 -
Voltage drop
during
transmitting
burst
Maximum power control level
on GSM850 and GSM900.
400
mV
Voltage
ripple
Maximum power control level
on GSM850 and GSM900
@ f<200kHz
@ f>200kHz
50
2
mV
mV
IVBAT
Average
supply
current
POWER DOWN mode
SLEEP mode @ DRX=5
30
0.9
uA
mA
IDLE mode
GSM850/EGSM 900
DCS1800/PCS1900
13
13
mA
mA
TALK mode
GSM850/EGSM 9001)
DCS1800/PCS19002)
206/214
153/152
mA
mA
Peak supply
current
(during
transmission
slot)
Maximum power control level
on GSM850 and GSM900.
1.5
2
A
1) Power control level PCL 5
2) Power control level PCL 0
5.4. Current consumption
The values of current consumption are shown in Table 27.
Table 27: The module current consumption
Condition
Current Consumption
Voice Call
GSM850
@power level #5 <300mA,Typical 206mA
@power level #12,Typical 95mA
@power level #19,Typical 73mA
GSM900
@power level #5 <300mA,Typical 214mA
@power level #12,Typical 74mA
@power level #19,Typical 73mA
DCS1800
@power level #0 <250mA,Typical 153mA
@power level #7,Typical 82mA

M95 Hardware Design
M95_HD_V1.0 - 64 -
@power level #15,Typical 69mA
PCS1900
@power level #0 <250mA,Typical 153mA
@power level #7,Typical 82mA
@power level #15,Typical 70mA
5.5. Electro-static discharge
Although the GSM engine is generally protected against Electrostatic Discharge (ESD), ESD
protection precautions should still be emphasized. Proper ESD handling and packaging procedures
must be applied throughout the processing, handling and operation of any applications using the
module.
The measured ESD values of module are shown as the following table:
Table 28: The ESD endurance (Temperature:25℃,Humidity:45 %)
Tested point
Contact discharge
Air discharge
VBAT,GND
±5KV
±10KV
RF_ANT
±5KV
±10KV
TXD, RXD
±4KV
±8KV
Others
±0.5KV
±1KV

M95 Hardware Design
M95_HD_V1.0 - 65 -
6. Mechanical dimensions
This chapter describes the mechanical dimensions of the module.
6.1. Mechanical dimensions of module
Figure 40: M95 top and side dimensions(Unit: mm)

M95 Hardware Design
M95_HD_V1.0 - 66 -
1
Figure 41: M95 bottom dimensions(Unit: mm)

M95 Hardware Design
M95_HD_V1.0 - 67 -
6.2. Footprint of recommendation
B
B
A
A
Silksreen Silksreen
frame line frame line
Figure 42: Footprint one of recommendation(Unit: mm)
Note
:
1. The blue pads are used for reserved pins customs can design the PCB decal without them.
2. To maintain the module, keep about 3mm away between the module and other components in
host PCB.

M95 Hardware Design
M95_HD_V1.0 - 68 -
6.3. Top view of the module
Figure 43: Top view of the module

M95 Hardware Design
M95_HD_V1.0 - 69 -
6.4. Bottom view of the module
Figure 44: Bottom view of the module

M95 Hardware Design
M95_HD_V1.0 - 70 -
7. Storage and Manufacturing
7.1. Storage
M95 is distributed in vacuum-sealed bag. The restriction of storage condition is shown as below.
Shelf life in sealed bag: 12 months at <40 ºC / 90%RH
After this bag is opened, devices that will be subjected to reflow solder or other high temperature
process must be:
Mounted within 72 hours at factory conditions of ≤30 ºC /60% RH
Stored at <10% RH
Devices require bake, before mounting, if:
Humidity indicator card is >10% when read 23 ºC ±5 ºC
Mounted for more than 72 hours at factory conditions of ≤30 ºC /60% RH
If baking is required, devices may be baked for 48 hours at 125 ºC ±5 ºC
Note: As plastic container cannot be subjected to high temperature, devices must be removed
prior to high temperature (125 ºC ) bake. If shorter bake times are desired, please refer to
IPC/JEDECJ-STD-033 for bake procedure.

M95 Hardware Design
M95_HD_V1.0 - 71 -
7.2. Soldering
The squeegee should push the paste on the surface of the stencil that makes the paste fill the
stencil openings and penetrate to the PCB. The force on the squeegee should be adjusted so as to
produce a clean stencil surface on a single pass. To ensure the module soldering quality, the
thickness of stencil at the hole of the module pads should be 0.2mm for M95.
Figure 45: Paste application
Suggest peak reflow temperature is from 235 ºC to 245 ºC (for SnAg3.0Cu0.5 alloy). Absolute
max reflow temperature is 260 ºC. To avoid damage to the module when it was repeatedly heated,
it is suggested that the module should be mounted after the first panel has been reflowed. The
following picture is the actual diagram which we have operated.

M95 Hardware Design
M95_HD_V1.0 - 72 -
Time(s)
50 100 150 200 250 300
50
100
150
200
250
160℃
200℃
217
0
70s~120s
40s~60s
Between 1~3℃/S
Preheat Heating Cooling
℃
s
Liquids Temperature
Figure 46: Ramp-Soak-Spike reflow profile
7.3. Packaging
M95 modules are distributed in trays of 25 pieces each. This is especially suitable for the M95
according to SMT processes requirements.
The trays are stored inside a vacuum-sealed bag which is ESD protected. It should not be opened
until the devices are ready to be soldered onto the application.
Figure 47: Module tray

M95 Hardware Design
M95_HD_V1.0 - 73 -
Appendix A: GPRS coding schemes
Four coding schemes are used in GPRS protocol. The differences between them are shown in
Table 29.
Table 29: Description of different coding schemes
Scheme
Code
rate
USF
Pre-coded
USF
Radio
Block
excl.USF
and BCS
BCS
Tail
Coded
bits
Punctured
bits
Data
rate
Kb/s
CS-1
1/2
3
3
181
40
4
456
0
9.05
CS-2
2/3
3
6
268
16
4
588
132
13.4
CS-3
3/4
3
6
312
16
4
676
220
15.6
CS-4
1
3
12
428
16
-
456
-
21.4
Radio block structure of CS-1, CS-2 and CS-3 is shown as Figure 48:
Figure 48: Radio block structure of CS-1, CS-2 and CS-3
Radio block structure of CS-4 is shown as Figure 49:
Figure 49: Radio block structure of CS-4
Rate 1/2 convolutional coding
Puncturing
456 bits
USF
BCS
Radio Block
block
code
No coding
USF
BCS
Radio Block
456 bits

M95 Hardware Design
M95_HD_V1.0 - 74 -
Appendix B: GPRS multi-slot classes
Twenty-nine classes of GPRS multi-slot modes are defined for MS in GPRS specification.
Multi-slot classes are product dependant, and determine the maximum achievable data rates in
both the uplink and downlink directions. Written as 3+1 or 2+2, the first number indicates the
amount of downlink timeslots, while the second number indicates the amount of uplink timeslots.
The active slots determine the total number of slots the GPRS device can use simultaneously for
both uplink and downlink communications. The description of different multi-slot classes is
shown in Table 30.
Table 30: GPRS multi-slot classes
Multislot class
Downlink slots
Uplink slots
Active slots
1
1
1
2
2
2
1
3
3
2
2
3
4
3
1
4
5
2
2
4
6
3
2
4
7
3
3
4
8
4
1
5
9
3
2
5
10
4
2
5
11
4
3
5
12
4
4
5
13
3
3
NA
14
4
4
NA
15
5
5
NA
16
6
6
NA
17
7
7
NA
18
8
8
NA
19
6
2
NA
20
6
3
NA
21
6
4
NA
22
6
4
NA
23
6
6
NA
24
8
2
NA
25
8
3
NA
26
8
4
NA
27
8
4
NA
28
8
6
NA
29
8
8
NA
