Quectel Wireless Solutions 201208M80 GSM/GPRS Module User Manual M10 Hardware Design
Quectel Wireless Solutions Company Limited GSM/GPRS Module M10 Hardware Design
User Manual

M80 Hardware Design
M80_HD_V1.2 - 1 -
M80
Quectel Cellular Engine
Hardware Design
M80_HD_V1.2

M80 Hardware Design
M80_HD_V1.2 - 2 -
Document Title
M80 Hardware Design
Revision
1.2
Date
2012-07-23
Status
Released
Document Control ID
M80_HD_V1.2
General Notes
Quectel offers this information as a service to its customers, to support application and
engineering efforts that use the products designed by Quectel. The information provided is
based upon requirements specifically provided for customers of Quectel. Quectel has not
undertaken any independent search for additional information, relevant to any information
that may be in the customer’s possession. Furthermore, system validation of this product
designed by Quectel within a larger electronic system remains the responsibility of the
customer or the customer’s system integrator. All specifications supplied herein are subject to
change.
Copyright
This document contains proprietary technical information of Quectel Co., Ltd. Copying this
document, distribution to others, and communication of the contents thereof, are forbidden
without permission. Offenders are liable to the payment of damages. All rights are reserved in
the event of a patent grant or registration of a utility model or design. All specifications
supplied herein are subject to change without notice at any time.
Copyright © Shanghai Quectel Wireless Solutions Ltd. 2012.

M80 Hardware Design
M80_HD_V1.2 - 3 -
Contents
Contents ............................................................................................................................................ 3
Table Index ........................................................................................................................................ 6
Figure Index ...................................................................................................................................... 7
0. Revision history ............................................................................................................................ 9
1. Introduction ................................................................................................................................. 10
1.1. Related documents ............................................................................................................ 10
1.2. Terms and abbreviations .................................................................................................... 11
1.3. Directives and standards .................................................................................................... 13
1.3.1. FCC Statement ........................................................................................................ 13
1.3.2. FCC/IC Radiation exposure statement .................................................................... 13
1.3.3. Industry Canada license ........................................................................................... 13
1.4. Safety cautions .................................................................................................................. 14
2. Product concept ........................................................................................................................... 16
2.1. Key features ...................................................................................................................... 16
2.2. Functional diagram ............................................................................................................ 18
2.3. Evaluation board ............................................................................................................... 19
3. Application interface ................................................................................................................... 20
3.1. Pin ..................................................................................................................................... 21
3.1.1. Pin assignment ......................................................................................................... 21
3.1.2. Pin description ......................................................................................................... 23
3.2. Operating modes ............................................................................................................... 30
3.3. Power supply ..................................................................................................................... 31
3.3.1. Feature of GSM power ............................................................................................ 31
3.3.2. Minimize supply voltage drop ................................................................................. 31
3.3.3. Reference power design for module ........................................................................ 32
3.3.4. Monitor power supply ............................................................................................. 33
3.4. Power on and down scenarios ........................................................................................... 33
3.4.1. Power on .................................................................................................................. 33
3.4.2. Power down ............................................................................................................. 35
3.4.3. Restart ...................................................................................................................... 38
3.5. Charging interface ............................................................................................................. 40
3.6. Power saving ..................................................................................................................... 40
3.6.1. Minimum functionality mode .................................................................................. 40
3.6.2. SLEEP mode ........................................................................................................... 41
3.6.3. Wake up module from SLEEP mode ...................................................................... 41
3.7. Summary of state transitions ............................................................................................. 41
3.8. RTC backup ....................................................................................................................... 42
3.9. Serial interfaces ................................................................................................................. 43
3.9.1. UART Port .............................................................................................................. 44
3.9.2. Debug Port ............................................................................................................... 48
3.9.3. Auxiliary UART Port .............................................................................................. 48

M80 Hardware Design
M80_HD_V1.2 - 4 -
3.9.4. Level match ............................................................................................................. 49
3.10. Audio interfaces .............................................................................................................. 52
3.10.1. Decrease TDD noise and other noise .................................................................... 53
3.10.2. Microphone interfaces design ................................................................................ 54
3.10.3. Receiver and speaker interface design ................................................................... 54
3.10.4. Earphone interface design ..................................................................................... 56
3.10.5. Loud speaker interface design ............................................................................... 56
3.10.6. Audio characteristics ............................................................................................. 57
3.11. SIM card interface ........................................................................................................... 57
3.11.1. SIM card application ............................................................................................. 57
3.11.2. 6 Pin SIM cassette ................................................................................................. 59
3.11.3. 8 Pin SIM cassette ................................................................................................. 60
3.12. SD card interface ............................................................................................................. 62
3.13. PCM interface ................................................................................................................. 64
3.13.1. Configuration ......................................................................................................... 64
3.13.2. Timing ................................................................................................................... 65
3.13.3. Reference design ................................................................................................... 66
3.13.4. AT command ......................................................................................................... 66
3.14. ADC ................................................................................................................................ 67
3.15. Behaviors of the RI ......................................................................................................... 67
3.16. Network status indication ................................................................................................ 70
3.17. Operating status indication .............................................................................................. 70
4. Antenna interface ........................................................................................................................ 72
4.1. RF reference design ........................................................................................................... 72
4.2. RF output power ................................................................................................................ 73
4.3. RF receiving sensitivity ..................................................................................................... 73
4.4. Operating frequencies ....................................................................................................... 73
4.5. RF cable soldering ............................................................................................................. 73
5. Electrical, reliability and radio characteristics ............................................................................ 75
5.1. Absolute maximum ratings ................................................................................................ 75
5.2. Operating temperature ....................................................................................................... 75
5.3. Power supply ratings ......................................................................................................... 76
5.4. Current consumption ......................................................................................................... 77
5.5. Electro-static discharge ..................................................................................................... 79
6. Mechanical dimensions ............................................................................................................... 80
6.1. Mechanical dimensions of module .................................................................................... 80
6.2. Footprint one of recommendation ..................................................................................... 82
6.3. Footprint two of recommendation ..................................................................................... 83
6.4. Top view of the module .................................................................................................... 84
6.5. Bottom view of the module ............................................................................................... 85
7. Storage and manufacturing ......................................................................................................... 86
7.1. Storage............................................................................................................................... 86
7.2. Soldering ........................................................................................................................... 87
7.3. Packaging .......................................................................................................................... 88

M80 Hardware Design
M80_HD_V1.2 - 5 -
Appendix A: GPRS coding schemes ............................................................................................... 89
Appendix B: GPRS multi-slot classes............................................................................................. 90

M80 Hardware Design
M80_HD_V1.2 - 6 -
Table Index
TABLE 1: RELATED DOCUMENTS ................................................................................................... 10
TABLE 2: TERMS AND ABBREVIATIONS ....................................................................................... 11
TABLE 3: MODULE KEY FEATURES ................................................................................................ 16
TABLE 4: CODING SCHEMES AND MAXIMUM NET DATA RATES OVER AIR INTERFACE .. 18
TABLE 5: M80 PIN ASSIGNMENT ..................................................................................................... 22
TABLE 6: PIN DESCRIPTION ............................................................................................................. 23
TABLE 7: OVERVIEW OF OPERATING MODES.............................................................................. 30
TABLE 8: PIN DEFINITION OF THE CHARGING ............................................................................ 40
TABLE 9: SUMMARY OF STATE TRANSITION ............................................................................... 41
TABLE 10: LOGIC LEVELS OF THE UART INTERFACE ................................................................ 44
TABLE 11: PIN DEFINITION OF THE UART INTERFACES ............................................................ 44
TABLE 12: PIN DEFINITION OF AUDIO INTERFACE .................................................................... 52
TABLE 13: AOUT3 OUTPUT CHARACTERISTICS .......................................................................... 53
TABLE 14: TYPICAL ELECTRET MICROPHONE CHARACTERISTICS ....................................... 57
TABLE 15: TYPICAL SPEAKER CHARACTERISTICS .................................................................... 57
TABLE 16: PIN DEFINITION OF THE SIM INTERFACE ................................................................. 58
TABLE 17: PIN DESCRIPTION OF AMPHENOL SIM CARD HOLDER ......................................... 60
TABLE 18: PIN DESCRIPTION OF MOLEX SIM CARD HOLDER ................................................. 61
TABLE 19: PIN DEFINITION OF THE SD CARD INTERFACE ....................................................... 62
TABLE 20: PIN NAME OF THE SD CARD AND MICRO SD CARD ............................................... 63
TABLE 21: PIN DEFINITION OF PCM INTERFACE ........................................................................ 64
TABLE 22: CONFIGURATION ............................................................................................................ 64
TABLE 23:AT COMMAND DESCRIPTION ..................................................................................... 66
TABLE 24: PIN DEFINITION OF THE ADC ....................................................................................... 67
TABLE 25: CHARACTERISTICS OF THE ADC ................................................................................ 67
TABLE 26: BEHAVIORS OF THE RI .................................................................................................. 67
TABLE 27: WORKING STATE OF THE NETLIGHT ......................................................................... 70
TABLE 28: PIN DEFINITION OF THE STATUS ................................................................................ 70
TABLE 29: PIN DEFINITION OF THE RF_ANT ................................................................................ 72
TABLE 30: THE MODULE CONDUCTED RF OUTPUT POWER .................................................... 73
TABLE 31: THE MODULE CONDUCTED RF RECEIVING SENSITIVITY .................................... 73
TABLE 32: THE MODULE OPERATING FREQUENCIES ................................................................ 73
TABLE 33: ABSOLUTE MAXIMUM RATINGS................................................................................. 75
TABLE 34: OPERATING TEMPERATURE ......................................................................................... 75
TABLE 35: THE MODULE POWER SUPPLY RATINGS ................................................................... 76
TABLE 36: THE MODULE CURRENT CONSUMPTION .................................................................. 77
TABLE 37: THE ESD ENDURANCE (TEMPERATURE:25℃,HUMIDITY:45 %) ........................... 79
TABLE 38: DESCRIPTION OF DIFFERENT CODING SCHEMES .................................................. 89
TABLE 39: GPRS MULTI-SLOT CLASSES ........................................................................................ 90

M80 Hardware Design
M80_HD_V1.2 - 7 -
Figure Index
FIGURE 1: MODULE FUNCTIONAL DIAGRAM ............................................................................. 19
FIGURE 2: PIN ASSIGNMENT ............................................................................................................ 21
FIGURE 3: RIPPLE IN SUPPLY VOLTAGE DURING TRANSMITTING BURST ........................... 31
FIGURE 4: REFERENCE CIRCUIT OF THE VBAT INPUT .............................................................. 32
FIGURE 5: REFERENCE CIRCUIT OF THE SOURCE POWER SUPPLY INPUT ........................... 32
FIGURE 6: TURN ON THE MODULE USING DRIVING CIRCUIT................................................. 34
FIGURE 7: TURN ON THE MODULE USING KEYSTROKE ........................................................... 34
FIGURE 8: TIMING OF TURNING ON SYSTEM .............................................................................. 35
FIGURE 9: TIMING OF TURNING OFF THE MODULE .................................................................. 36
FIGURE 10: REFERENCE CIRCUIT FOR EMERG_OFF BY USING DRIVING CIRCUIT ............ 38
FIGURE 11: REFERENCE CIRCUIT FOR EMERG_OFF BY USING BUTTON .............................. 38
FIGURE 12: TIMING OF RESTARTING SYSTEM ............................................................................ 39
FIGURE 13: TIMING OF RESTARTING SYSTEM AFTER EMERGENCY SHUTDOWN .............. 39
FIGURE 14: RTC SUPPLY FROM NON-CHARGEABLE BATTERY ............................................... 42
FIGURE 15: RTC SUPPLY FROM RECHARGEABLE BATTERY .................................................... 42
FIGURE 16: RTC SUPPLY FROM CAPACITOR ................................................................................ 42
FIGURE 17: SEIKO XH414H-IV01E CHARGE CHARACTERISTICS ............................................. 43
FIGURE 18: REFERENCE DESIGN FOR FULL-FUNCTION UART ................................................ 46
FIGURE 19: REFERENCE DESIGN FOR UART PORT ..................................................................... 46
FIGURE 20: REFERENCE DESIGN FOR UART PORT WITH HARDWARE FLOW CONTROL .. 47
FIGURE 21: REFERENCE DESIGN SOFTWARE UPGRADE........................................................... 47
FIGURE 22: REFERENCE DESIGN FOR DEBUG PORT .................................................................. 48
FIGURE 23: REFERENCE DESIGN FOR AUXILIARY UART PORT ............................................... 49
FIGURE 24: LEVEL MATCH DESIGN FOR 3.3V SYSTEM ............................................................. 49
FIGURE 25: LEVEL MATCH DESIGN FOR 5V SYSTEM ................................................................ 50
FIGURE 26: LEVEL MATCH DESIGN FOR RS-232 .......................................................................... 51
FIGURE 27: REFERENCE DESIGN FOR AIN1&AIN2...................................................................... 54
FIGURE 28: REFERENCE DESIGN FOR AOUT1 .............................................................................. 54
FIGURE 29: HANDSET INTERFACE DESIGN FOR AOUT2 ........................................................... 55
FIGURE 30: SPEAKER INTERFACE DESIGN WITH AN AMPLIFIER FOR AOUT2 ..................... 55
FIGURE 31: EARPHONE INTERFACE DESIGN ............................................................................... 56
FIGURE 32: LOUD SPEAKER INTERFACE DESIGN ....................................................................... 56
FIGURE 33: REFERENCE CIRCUIT OF THE 8 PINS SIM CARD .................................................... 58
FIGURE 34: REFERENCE CIRCUIT OF THE 6 PINS SIM CARD .................................................... 59
FIGURE 35: AMPHENOL C707 10M006 512 2 SIM CARD HOLDER .............................................. 60
FIGURE 36: MOLEX 91228 SIM CARD HOLDER ............................................................................ 61
FIGURE 37: REFERENCE CIRCUIT OF SD CARD ........................................................................... 62
FIGURE 38: LONG SYNCHRONIZATION DIAGRAM ..................................................................... 65
FIGURE 39: SHORT SYNCHRONIZATION DIAGRAM ................................................................... 65
FIGURE 40: REFERENCE DESIGN FOR PCM .................................................................................. 66
FIGURE 41: RI BEHAVIOR OF VOICE CALLING AS A RECEIVER .............................................. 68

M80 Hardware Design
M80_HD_V1.2 - 8 -
FIGURE 42: RI BEHAVIOR OF DATA CALLING AS A RECEIVER ................................................ 68
FIGURE 43: RI BEHAVIOR AS A CALLER ........................................................................................ 68
FIGURE 44: RI BEHAVIOR OF URC OR SMS RECEIVED .............................................................. 69
FIGURE 45: REFERENCE DESIGN FOR NETLIGHT ....................................................................... 70
FIGURE 46: REFERENCE DESIGN FOR STATUS ............................................................................ 71
FIGURE 47: REFERENCE DESIGN FOR RF ...................................................................................... 72
FIGURE 48: RF SOLDERING SAMPLE ............................................................................................. 74
FIGURE 49: M80 TOP AND SIDE DIMENSIONS(UNIT: MM) .................................................... 80
FIGURE 50: M80 BOTTOM DIMENSIONS(UNIT: MM) ............................................................. 81
FIGURE 51: FOOTPRINT ONE OF RECOMMENDATION(UNIT: MM) .................................... 82
FIGURE 52: FOOTPRINT TWO OF RECOMMENDATION(UNIT: MM) .................................... 83
FIGURE 53: TOP VIEW OF THE MODULE ....................................................................................... 84
FIGURE 54: BOTTOM VIEW OF THE MODULE .............................................................................. 85
FIGURE 55: PASTE APPLICATION .................................................................................................... 87
FIGURE 56: RAMP-SOAK-SPIKE REFLOW PROFILE .................................................................... 88
FIGURE 57: MODULE TRAY .............................................................................................................. 88
FIGURE 58: RADIO BLOCK STRUCTURE OF CS-1, CS-2 AND CS-3 ........................................... 89
FIGURE 59: RADIO BLOCK STRUCTURE OF CS-4 ........................................................................ 89

M80 Hardware Design
M80_HD_V1.2 - 9 -
0. Revision history
Revision
Date
Author
Description of change
1.0
2011-12-20
Ray XU
Initial.
1.1
2012-02-03
Ray XU
1. Updated PCM interface.
2. Updated SD interface.
3. Updated charging interface.
4. Updated timing of turning on the module.
1.2
2012-07-20
Baly BAO
1. Deleted the USB interface.
2. Deleted the camera interface.

M80 Hardware Design
M80_HD_V1.2 - 10 -
1. Introduction
This document defines the M80 module and describes the hardware interface of M80 which are
connected with the customer application and the air interface.
This document can help customers quickly understand module interface specifications, electrical
and mechanical details. Associated with application notes and user guide, customers can use M80
module to design and set up mobile applications easily.
1.1. Related documents
Table 1: Related documents
SN
Document name
Remark
[1]
M80_ATC
AT commands set
[2]
ITU-T Draft new
recommendation V.25ter
Serial asynchronous automatic dialing and control
[3]
GSM 07.07
Digital cellular telecommunications (Phase 2+); AT
command set for GSM Mobile Equipment (ME)
[4]
GSM 07.10
Support GSM 07.10 multiplexing protocol
[5]
GSM 07.05
Digital cellular telecommunications (Phase 2+); Use
of Data Terminal Equipment – Data Circuit
terminating Equipment (DTE – DCE) interface for
Short Message Service (SMS) and Cell Broadcast
Service (CBS)
[6]
GSM 11.14
Digital cellular telecommunications (Phase 2+);
Specification of the SIM Application Toolkit for the
Subscriber Identity module – Mobile Equipment (SIM
– ME) interface
[7]
GSM 11.11
Digital cellular telecommunications (Phase 2+);
Specification of the Subscriber Identity module –
Mobile Equipment (SIM – ME) interface
[8]
GSM 03.38
Digital cellular telecommunications (Phase 2+);
Alphabets and language-specific information
[9]
GSM 11.10
Digital cellular telecommunications (Phase 2); Mobile
Station (MS) conformance specification; Part 1:
Conformance specification
[10]
GSM_UART_AN
UART port application notes
[11]
GSM_FW_Upgrade_AN01
GSM Firmware upgrade application note
[12]
M80_EVB_UGD
M80 EVB user guide
[13]
M80_Charging_AN
M80 charging application notes

M80 Hardware Design
M80_HD_V1.2 - 11 -
1.2. Terms and abbreviations
Table 2: Terms and abbreviations
Abbreviation
Description
ADC
Analog-to-Digital Converter
AMR
Adaptive Multi-Rate
ARP
Antenna Reference Point
ASIC
Application Specific Integrated Circuit
BER
Bit Error Rate
BOM
Bill Of Material
BTS
Base Transceiver Station
CHAP
Challenge Handshake Authentication Protocol
CS
Coding Scheme
CSD
Circuit Switched Data
CTS
Clear To Send
DAC
Digital-to-Analog Converter
DRX
Discontinuous Reception
DSP
Digital Signal Processor
DCE
Data Communications Equipment (typically module)
DTE
Data Terminal Equipment (typically computer, external controller)
DTR
Data Terminal Ready
DTX
Discontinuous Transmission
EFR
Enhanced Full Rate
EGSM
Enhanced GSM
EMC
Electromagnetic Compatibility
ESD
Electrostatic Discharge
ETS
European Telecommunication Standard
FCC
Federal Communications Commission (U.S.)
FDMA
Frequency Division Multiple Access
FR
Full Rate
GMSK
Gaussian Minimum Shift Keying
GPRS
General Packet Radio Service
GSM
Global System for Mobile Communications
HR
Half Rate
I/O
Input/Output
IC
Integrated Circuit
IMEI
International Mobile Equipment Identity
Imax
Maximum Load Current
Inorm
Normal Current
kbps
Kilo Bits Per Second
LED
Light Emitting Diode

M80 Hardware Design
M80_HD_V1.2 - 12 -
Li-Ion
Lithium-Ion
MO
Mobile Originated
MS
Mobile Station (GSM engine)
MT
Mobile Terminated
PAP
Password Authentication Protocol
PBCCH
Packet Switched Broadcast Control Channel
PCB
Printed Circuit Board
PDU
Protocol Data Unit
PPP
Point-to-Point Protocol
RF
Radio Frequency
RMS
Root Mean Square (value)
RTC
Real Time Clock
RX
Receive Direction
SIM
Subscriber Identification Module
SMS
Short Message Service
TDMA
Time Division Multiple Access
TE
Terminal Equipment
TX
Transmitting Direction
UART
Universal Asynchronous Receiver & Transmitter
URC
Unsolicited Result Code
USSD
Unstructured Supplementary Service Data
VSWR
Voltage Standing Wave Ratio
Vmax
Maximum Voltage Value
Vnorm
Normal Voltage Value
Vmin
Minimum Voltage Value
VIHmax
Maximum Input High Level Voltage Value
VIHmin
Minimum Input High Level Voltage Value
VILmax
Maximum Input Low Level Voltage Value
VILmin
Minimum Input Low Level Voltage Value
VImax
Absolute Maximum Input Voltage Value
VImin
Absolute Minimum Input Voltage Value
VOHmax
Maximum Output High Level Voltage Value
VOHmin
Minimum Output High Level Voltage Value
VOLmax
Maximum Output Low Level Voltage Value
VOLmin
Minimum Output Low Level Voltage Value
Phonebook abbreviations
FD
SIM Fix Dialing phonebook
LD
SIM Last Dialing phonebook (list of numbers most recently dialed)
MC
Mobile Equipment list of unanswered MT Calls (missed calls)
ON
SIM (or ME) Own Numbers (MSISDNs) list
RC
Mobile Equipment list of Received Calls
SM
SIM phonebook

M80 Hardware Design
M80_HD_V1.2 - 13 -
1.3. Directives and standards
The M80 module is designed to comply with the FCC statements. FCC ID: XMR201208M80.
The Host system using M80, should have label indicated FCC ID: XMR201208M80.
1.3.1. FCC Statement
1. This device complies with Part 15 of the FCC rules. Operation is subject to the following
conditions:
a) This device may not cause harmful interference.
b) This device must accept any interference received, including interference that may cause
undesired operation.
2. Changes or modifications not expressly approved by the party responsible for compliance
could void the user’s authority to operate the equipment.
1.3.2. FCC/IC Radiation exposure statement
This equipment complies with FCC/IC radiation exposure limits set forth for an uncontrolled
environment. This equipment should be installed and operated with minimum distance 20cm
between the radiator and your body as well as kept minimum 20cm from radio antenna depending
on the Mobile status of this module usage.
The manual of the host system, which uses M80, must include RF exposure warning statement to
advice user should keep minimum 20cm from the radio antenna of M80 module depending on the
Mobile status.
1.3.3. Industry Canada license
Under Industry Canada regulations, this radio transmitter may only operate using an antenna of a
type and maximum (or lesser) gain approved for the transmitter by Industry Canada. To reduce
potential radio interference to other users, the antenna type and its gain should be so chosen that
the equivalent isotropically radiated power (e.i.r.p.) is not more than that necessary for successful.
The host system using M80 should have label indicating “transmitter module IC ID:
10224A-201208M80
.
This radio transmitter (IC ID: 10224A-201208M80) has been approved by Industry Canada to
operate with the antenna type listed below with the maximum permissible gain and required
antenna impedance for each antenna type indicated. Antenna types not included in this list, having
a gain greater than the maximum gain indicated for that type, are strictly prohibited for use with
this device.

M80 Hardware Design
M80_HD_V1.2 - 14 -
The following list of antenna is indicating the maximum permissible antenna gain.
Type
Maximum Gain
(850Hz/900Hz)
Maximum Gain
(1800Hz/1900Hz)
Impedance
External
Antenna
Monopole
0.5dBi
2dBi
50Ω
Vehicular antenna
0.5dBi
2dBi
50Ω
Internal
Antenna
Monopole
0.5dBi
2dBi
50Ω
PIFA
0.5dBi
2dBi
50Ω
FPC
0.5dBi
2dBi
50Ω
PCB
0.5dBi
2dBi
50Ω
1.4. Safety cautions
The following safety precautions must be observed during all phases of the operation, such as
usage, service or repair of any cellular terminal or mobile incorporating M80 module.
Manufacturers of the cellular terminal should send the following safety information to users and
operating personnel and to incorporate these guidelines into all manuals supplied with the product.
If not so, Quectel does not take on any liability for customer failure to comply with these
precautions.
When in a hospital or other health care facility, observe the restrictions about the
use of mobile. Switch the cellular terminal or mobile off. Medical equipment may
be sensitive to not operate normally for RF energy interference.
Switch off the cellular terminal or mobile before boarding an aircraft. Make sure
it switched off. The operation of wireless appliances in an aircraft is forbidden to
prevent interference with communication systems. Forget to think much of these
instructions may lead to the flight safety or offend against local legal action, or
both.
Do not operate the cellular terminal or mobile in the presence of flammable gas
or fume. Switch off the cellular terminal when you are near petrol station, fuel
depot, chemical plant or where blasting operations are in progress. Operation of
any electrical equipment in potentially explosive atmosphere can constitute a
safety hazard.

M80 Hardware Design
M80_HD_V1.2 - 15 -
Your cellular terminal or mobile receives and transmits radio frequency energy
while switched on. RF interference can occur if it is used close to TV set, radio,
computer or other electric equipment.
Road safety comes first! Do not use a hand-held cellular terminal or mobile while
driving a vehicle, unless it is securely mounted in a holder for hands-free
operation. Before making a call with a hand-held terminal or mobile, park the
vehicle.
GSM cellular terminals or mobiles operate over radio frequency signal and
cellular network and cannot be guaranteed to connect in all conditions, for
example no mobile fee or an invalid SIM card. While you are in this condition
and need emergent help, Please Remember using emergency call. In order to
make or receive call, the cellular terminal or mobile must be switched on and in
a service area with adequate cellular signal strength.
Some networks do not allow for emergency call if certain network services or
phone features are in use (e.g. lock functions, fixed dialing etc.). You may have
to deactivate those features before you can make an emergency call.
Also, some networks require that a valid SIM card be properly inserted in
cellular terminal or mobile.

M80 Hardware Design
M80_HD_V1.2 - 16 -
2. Product concept
M80 is a Quad-band GSM/GPRS engine that works at frequencies of GSM850MHz,
GSM900MHz, DCS1800MHz and PCS1900MHz. The M80 features GPRS multi-slot class 12
and supports the GPRS coding schemes CS-1, CS-2, CS-3 and CS-4. For more details about
GPRS multi-slot classes and coding schemes, please refer to Appendix A and Appendix B.
With a tiny profile of 23mm×25mm ×2.6 mm, the module can meet almost all the requirements for
M2M applications, including Tracking and Tracing, Monitor and Security System, Wireless POS,
Intelligent Measurement, Industrial PDA, Remote Controlling, etc.
M80 is an SMD type module with LGA package, which can be embedded in customer’s
applications. It provides abundant hardware interfaces between the module and customer’s host
board.
Designed with power saving technique, the current consumption of M80 is as low as 1.1 mA in
SLEEP mode when DRX is 5.
M80 is integrated with Internet service protocols, which are TCP, UDP, FTP and PPP. Extended
AT commands have been developed for customer to use these Internet service protocols easily.
The module fully complies to the RoHS directive of the European Union.
2.1. Key features
Table 3: Module key features
Feature
Implementation
Power supply
Single supply voltage 3.3V ~ 4.6V
Typical supply voltage 4V
Power saving
Typical power consumption in SLEEP mode: 1.1 mA@ DRX=5
0.95 mA@ DRX=9
Frequency bands
Quad-band: GSM850, GSM900, DCS1800, PCS1900.
The module can search these frequency bands automatically
The frequency bands can be set by AT command.
Compliant with GSM Phase 2/2+
GSM class
Small MS
Transmitting power
Class 4 (2W) at GSM850 and GSM900
Class 1 (1W) at DCS1800 and PCS1900
GPRS connectivity
GPRS multi-slot class 12 (default)
GPRS multi-slot class 1~12 (configurable)
GPRS mobile station class B

M80 Hardware Design
M80_HD_V1.2 - 17 -
Temperature range
Normal operation: -35°C ~ +80°C
Restricted operation: -45°C ~ -35°C and +80°C ~ +85°C 1)
Storage temperature: -45°C ~ +90°C
DATA GPRS:
CSD:
GPRS data downlink transfer: max. 85.6 kbps
GPRS data uplink transfer: max. 85.6 kbps
Coding scheme: CS-1, CS-2, CS-3 and CS-4
Support the protocols PAP (Password Authentication Protocol)
usually used for PPP connections
Internet service protocols TCP/UDP/FTP/HTTP/MMS
Support Packet Switched Broadcast Control Channel (PBCCH)
CSD transmission rates: 2.4, 4.8, 9.6, 14.4 kbps non-transparent
Support Unstructured Supplementary Services Data (USSD)
SMS
Text and PDU mode
SMS storage: SIM card
FAX
Group 3 Class 1 and Class 2
SIM interface
Support SIM card: 1.8V, 3V
Audio features
Speech codec modes:
Half Rate (ETS 06.20)
Full Rate (ETS 06.10)
Enhanced Full Rate (ETS 06.50 / 06.60 / 06.80)
Adaptive Multi-Rate (AMR)
Echo Cancellation
Echo Suppression
Noise Reduction
Embedded one amplifier of class AB with maximum driving
power up to 800mW
UART interface
UART Port:
Seven lines on UART port interface
Use for AT command, GPRS data and CSD data
Multiplexing function
Support autobauding from 4800 bps to 115200 bps
Debug Port:
Two lines on debug UART port interface DBG_TXD and
DBG_RXD
Debug Port only used for software debugging
Auxiliary Port:
Use for AT command
Phonebook management
Support phonebook types: SM, ME, FD, ON, MT
SIM Application Toolkit
Support SAT class 3, GSM 11.14 Release 99
Real time clock
Implemented
Physical characteristics
Size:
23±0.15 × 25±0.15 × 2.6±0.2mm
Weight: 3.3g

M80 Hardware Design
M80_HD_V1.2 - 18 -
Firmware upgrade
Firmware upgrade via UART Port
Antenna interface
Connected to antenna pad with 50 Ohm impendence control
1
)
When the module exceeds the temperature range, the deviations from the GSM specification
may occur. For example, the frequency error or the phase error will be increased.
Table 4: Coding schemes and maximum net data rates over air interface
Coding scheme
1 Timeslot
2 Timeslot
4 Timeslot
CS-1:
9.05kbps
18.1kbps
36.2kbps
CS-2:
13.4kbps
26.8kbps
53.6kbps
CS-3:
15.6kbps
31.2kbps
62.4kbps
CS-4:
21.4kbps
42.8kbps
85.6kbps
2.2. Functional diagram
The following figure shows a block diagram of the M80 module and illustrates the major
functional parts:
Power management
Baseband
Serial Flash
The GSM radio frequency part
The Peripheral interface
—Charging interface
—PCM interface
—SD card interface
—SIM interface
—Audio interface
—UART interface
—Power supply
—RF interface
—ADC
—Turn on/off interface

M80 Hardware Design
M80_HD_V1.2 - 19 -
Serial Flash
Baseband Engine
PAM
PMU
Power
supply
RTC
Charge
UART
SIM
SD
EINT
Turn on/off
Indicator
ADC
PCM
Transceiver
Saw
26MHz 32kHz
Audio
codec
RF
Figure 1: Module functional diagram
2.3. Evaluation board
In order to help customer to develop applications with M80, Quectel supplies an evaluation board
(EVB), RS-232 to USB cable, power adapter, earphone, antenna and other peripherals to control
or test the module. For details, please refer to the document [12].

M80 Hardware Design
M80_HD_V1.2 - 20 -
3. Application interface
The module is equipped with 110 pin SMT pad and it adopts LGA package. Detailed descriptions
on Sub-interfaces included in these pads are given in the following chapters:
Power supply
Turn on/off
Charging interface
RTC
UART interfaces
Audio interfaces
SIM interface
PCM interface
ADC

M80 Hardware Design
M80_HD_V1.2 - 21 -
3.1. Pin
3.1.1. Pin assignment
GND
Power SIM RESERVED LCM Audio PCM
ADC
Other
SD
1
2
3
4
5
6
7
8
9
10
11
12
13
14
15
16
17
18
19
20 21 22 23 24 25 26 27 28 29 30 31 32 33 34 35 36 37
38
39
40
41
42
43
44
45
46
47
48
49
50
51
52
53
54
55
56
57
58
59
60
616263646566676869
70
71727374
75
76
77
78
79
80 81 82 83 84
85
86
87
88
89
9091929394
95
96
97
98
99 100 101 102
103
104
105
106
107108109110
Top view
RFCharge
VBAT UART
ADC1
ADC0
DOWNLOAD
NETLIGHT
SPK2P
AGND
MIC2P
MIC2N
MIC1P
MIC1N
SPK1N
SPK1P
LOUDSPKN
LOUDSPKP
PWRKEY
STATUS
EMERG_OFF
PCM_IN
PCM_CLK
PCM_OUT
PCM_SYNC
RESERVED
RESERVED
RESERVED
RESERVED
RESERVED
RESERVED
RESERVED
RESERVED
RESERVED
RESERVED
RESERVED
RESERVED
SD_CMD
SD_CLK
SD_DATA0
GND
RESERVED
RESERVED
TXD_AUX
RXD_AUX
DBG_TXD
DBG_RXD
RESERVED
DCD
RI
DTR
CTS
TXD
RXD
RTS
SIM1_GND
SIM1_RST
SIM1_DATA
SIM1_CLK
SIM1_VDD
SIM_PRESENCE
RESERVED
VRTC
VDD_EXT
GND
GND
RF_ANT
GND
GND
GND
VBAT
VBAT
VBAT
BATSNS
ISENSE
CHGDET
CHGLDO
GATDRV
GND
GND
Figure 2: Pin assignment

M80 Hardware Design
M80_HD_V1.2 - 22 -
Table 5: M80 pin assignment
PIN NO.
PIN NAME
I/O
PIN NO.
PIN NAME
I/O
1
ADC1
I
2
ADC0
I
3
DOWNLOAD
I
4
NETLIGHT
O
5
SPK2P
O
6
AGND
7
MIC2P
I
8
MIC2N
I
9
MIC1P
I
10
MIC1N
I
11
SPK1N
O
12
SPK1P
O
13
LOUDSPKN
O
14
LOUDSPKP
O
15
PWRKEY
I
16
STATUS
O
17
EMERG_OFF
I
18
PCM_IN
I
19
PCM_CLK
O
20
PCM_OUT
O
21
PCM_SYNC
O
22
RESERVED
23
RESERVED
24
RESERVED
25
RESERVED
26
RESERVED
27
RESERVED
28
RESERVED
29
RESERVED
30
RESERVED
31
RESERVED
32
RESERVED
33
RESERVED
34
SD_CMD
O
35
SD_CLK
O
36
SD_DATA0
I/O
37
GND
38
RESERVED
39
RESERVED
40
TXD_AUX
O
41
RXD_AUX
I
42
DBG_TXD
O
43
DBG_RXD
I
44
RESERVED
45
DCD
O
46
RI
O
47
DTR
I
48
CTS
O
49
TXD
O
50
RXD
I
51
RTS
I
52
SIM1_GND
53
SIM1_RST
O
54
SIM1_DATA
I/O
55
SIM1_CLK
O
56
SIM1_VDD
O
57
SIM_PRESENCE
I
58
RESERVED
O
59
VRTC
I/O
60
VDD_EXT
O
61
GND
62
GND
63
RF_ANT
I/O
64
GND
65
GND
66
GND
67
VBAT
I
68
VBAT
I
69
VBAT
I
70
BATSNS
I
71
ISENSE
I
72
CHGDET
I

M80 Hardware Design
M80_HD_V1.2 - 23 -
73
CHGLDO
I
74
GATDRV
O
75
RESERVED
76
RESERVED
77
RESERVED
78
RESERVED
79
RESERVED
80
RESERVED
81
RESERVED
82
RESERVED
83
RESERVED
84
RESERVED
85
RESERVED
86
RESERVED
87
RESERVED
88
RESERVED
89
RESERVED
90
RESERVED
91
RESERVED
92
RESERVED
93
GND
94
GND
95
RESERVED
96
RESERVED
97
RESERVED
98
RESERVED
99
RESERVED
100
RESERVED
101
RESERVED
102
RESERVED
103
RESERVED
104
RESERVED
105
RESERVED
106
RESERVED
107
RESERVED
108
RESERVED
109
RESERVED
110
RESERVED
Note: Keep all reserved pins open.
3.1.2. Pin description
Table 6: Pin description
Power supply
PIN NAME
PIN
NO.
I/O
DESCRIPTION
DC
CHARACTERISTICS
COMMENT
VBAT
67,
68,
69
I
Main power supply
of module:
VBAT=3.3V~4.6V
Vmax= 4.6V
Vmin=3.3V
Vnorm=4.0V
Make sure that
supply sufficient
current in a
transmitting
burst which
typically rises to
1.6A.
VRTC
59
I/O
Power supply for
RTC when VBAT
is not supplied for
the system.
Charging for
VImax=VBAT
VImin=2.6V
VInorm=2.8V
VOmax=2.85V
VOmin=2.6V
If unused, keep
this pin open.

M80 Hardware Design
M80_HD_V1.2 - 24 -
backup battery or
golden capacitor
when the VBAT is
supplied.
VOnorm=2.8V
Iout(max)= 730uA
Iin=2.6~5 uA
VDD_EXT
60
O
Supply 2.8V
voltage for external
circuit.
Vmax=2.9V
Vmin=2.7V
Vnorm=2.8V
Imax=20mA
1. If unused,
keep this pin
open.
2. Recommended
to add a
2.2~4.7uF
bypass capacitor,
when using this
pin for power
supply.
GND
37,
61,
62,
64,
65,
66,
93,
94
Ground
Charge interface
PIN NAME
PIN
NO.
I/O
DESCRIPTION
DC
CHARACTERISTICS
COMMENT
GATDRV
74
O
Charge driving
CHGLDO
73
I
Charger power
supply source
CHGDET
72
I
Charger detection
ISENSE
71
I
Current sense pin
BATSNS
70
I
VBAT voltage
sense pin
Turn on/off
PIN NAME
PIN
NO.
I/O
DESCRIPTION
DC
CHARACTERISTICS
COMMENT
PWRKEY
15
I
Power on/off key.
PWRKEY should
be pulled down for
a moment to turn
on or off the
system.
VILmax=
0.1×VBAT
VIHmin=
0.6×VBAT
VImax=VBAT
Pulled up to
VBAT internally.
Emergency shutdown
PIN NAME
PIN
I/O
DESCRIPTION
DC
COMMENT

M80 Hardware Design
M80_HD_V1.2 - 25 -
NO.
CHARACTERISTICS
EMERG_
OFF
17
I
Emergency off.
Pulled down for at
least 20ms, which
will turn off the
module in case of
emergency. Use it
only when normal
shutdown through
PWRKEY or AT
command can’t
perform well.
VILmax=0.4V
VIHmin=2.2V
Vopenmax=2.8V
Open
drain/collector
driver required in
cellular device
application.
If unused, keep
this pin open.
Module indicator
PIN NAME
PIN
NO.
I/O
DESCRIPTION
DC
CHARACTERISTICS
COMMENT
STATUS
16
O
Indicate module
operating status.
High level
indicates module is
power-on and low
level indicates
power-down.
VOHmin=
0.85×VDD_EXT
VOLmax=
0.15×VDD_EXT
If unused, keep
this pin open.
Audio interface
PIN NAME
PIN
NO.
I/O
DESCRIPTION
DC
CHARACTERISTICS
COMMENT
MIC1P
MIC1N
9,10
I
Channel one for
positive and
negative
voice-band input
If unused, keep
these pins open.
MIC2P
MIC2N
7,8
I
Channel two for
positive and
negative
voice-band input
SPK1P
SPK1N
12,11
O
Channel one for
positive and
negative
voice-band output
If unused, keep
these pins open.
SPK2P
AGND
5,6
O
Channel two for
voice-band output
1. If unused,
keep these pins
open.
2. Support both
voice and ring.
LOUDSPKN
13,
O
Channel three of
1. If unused,

M80 Hardware Design
M80_HD_V1.2 - 26 -
LOUDSPKP
14
positive and
negative
voice-band output
keep these pins
open.
2. Embedded
amplifier of class
AB internally.
3. Support both
voice and ring.
Net status indicator
PIN NAME
PIN
NO.
I/O
DESCRIPTION
DC
CHARACTERISTICS
COMMENT
NETLIGHT
4
O
Network status
indication
VOHmin=
0.85×VDD_EXT
VOLmax=
0.15×VDD_EXT
If unused, keep
these pins open.
UART Port
PIN NAME
PIN
NO.
I/O
DESCRIPTION
DC
CHARACTERISTICS
COMMENT
DTR
47
I
Data terminal
ready
VILmin=0V
VILmax=
0.25×VDD_EXT
VIHmin=
0.75×VDD_EXT
VIHmax=
VDD_EXT+0.3
VOHmin=
0.85×VDD_EXT
VOLmax=
0.15×VDD_EXT
If only use TXD,
RXD and GND
to communicate,
recommend
keeping other
pins open except
RTS. Pull down
RTS.
RXD
50
I
Receive data
TXD
49
O
Transmit data
RTS
51
I
Request to send
CTS
48
O
Clear to send
RI
46
O
Ring indicator
DCD
45
O
Data carrier
detection
Debug Port
PIN NAME
PIN
NO.
I/O
DESCRIPTION
DC
CHARACTERISTICS
COMMENT
DBG_TXD
42
O
UART interface for
debugging only.
VILmin=0V
VILmax=
0.25×VDD_EXT
VIHmin=
0.75×VDD_EXT
VIHmax=
VDD_EXT+0.3
VOHmin=
0.85×VDD_EXT
VOLmax=
0.15×VDD_EXT
If unused, keep
these pins open.
DBG_RXD
43
I
Auxiliary UART Port

M80 Hardware Design
M80_HD_V1.2 - 27 -
PIN NAME
PIN
NO.
I/O
DESCRIPTION
DC
CHARACTERISTICS
COMMENT
TXD_AUX
40
O
Transmit data
VILmin=0V
VILmax=
0.25×VDD_EXT
VIHmin=
0.75×VDD_EXT
VIHmax=
VDD_EXT+0.3
VOHmin=
0.85×VDD_EXT
VOLmax=
0.15×VDD_EXT
If unused, keep
these pins open.
RXD_AUX
41
I
Receive data
SIM1 interface
PIN NAME
PIN
NO.
I/O
DESCRIPTION
DC
CHARACTERISTICS
COMMENT
SIM1_ VDD
56
O
Power supply for
SIM card
The voltage can be
selected by software
automatically. Either
1.8V or 3V.
All signals of
SIM interface
should be
protected against
ESD with a TVS
diode array.
Maximum cable
length is 200mm
from the module
pad to SIM card
holder.
SIM1_ DATA
54
I/O
SIM data
3V:
VOLmax=0.4
VOHmin=
SIM1_VDD-0.4
1.8V:
VOLmax=
0.15×SIM1_VDD
VOHmin=
SIM1_VDD-0.4
SIM1_CLK
55
O
SIM clock
3V:
VOLmax=0.4
VOHmin=
0.9×SIM1_VDD
1.8V:
VOLmax=
0.12×SIM1_VDD
VOHmin=
0.9×SIM1_VDD
SIM1_RST
53
O
SIM reset
3V:
VOLmax=0.36
VOHmin=
0.9×SIM1_VDD
1.8V:
VOLmax=

M80 Hardware Design
M80_HD_V1.2 - 28 -
0.2×SIM1_VDD
VOHmin=
0.9×SIM1_VDD
SIM1_GND
52
SIM ground
SIM_
PRESENCE
57
I
SIM card detection
VILmin=0V
VILmax=
0.25×VDD_EXT
VIHmin=
0.75×VDD_EXT
VIHmax=
VDD_EXT+0.3
If unused, keep
these pins open.
ADC
PIN NAME
PIN
NO.
I/O
DESCRIPTION
DC
CHARACTERISTICS
COMMENT
ADC0
2
I
General purpose
analog to digital
converter.
Voltage range: 0V to
2.8V
If unused, keep
these pins open.
ADC1
1
I
General purpose
analog to digital
converter.
Voltage range: 0V to
2.8V
If unused, keep
these pins open.
PCM
PIN NAME
PIN
NO.
I/O
DESCRIPTION
DC
CHARACTERISTICS
COMMENT
PCM_CLK
19
O
PCM clock
VILmin=0V
VILmax=
0.25×VDD_EXT
VIHmin=
0.75×VDD_EXT
VIHmax=
VDD_EXT+0.3
VOHmin=
0.85×VDD_EXT
VOLmax=
0.15×VDD_EXT
PCM_IN
18
I
PCM data input
PCM_OUT
20
O
PCM data output
PCM_SYNC
21
O
PCM frame
synchronization
SD card
PIN NAME
PIN
NO.
I/O
DESCRIPTION
DC
CHARACTERISTICS
COMMENT
SD_CMD
34
O
SD command
VILmin=0V
VILmax=
0.25×VDD_EXT
VIHmin=
0.75×VDD_EXT
VIHmax=
SD_CLK
35
O
SD clock
SD_DATA0
36
I/O
SD data

M80 Hardware Design
M80_HD_V1.2 - 29 -
VDD_EXT+0.3
VOHmin=
0.85×VDD_EXT
VOLmax=
0.15×VDD_EXT
RF interface
PIN NAME
PIN
NO.
I/O
DESCRIPTION
DC
CHARACTERISTICS
COMMENT
RF_ANT
63
I/O
RF antenna pad
Impedance of 50Ω
Other interface
PIN NAME
PIN
NO.
I/O
DESCRIPTION
DC
CHARACTERISTICS
COMMENT
DOWNLOAD
3
I
VILmin=0V
VILmax=
0.25×VDD_EXT
VIHmin=
0.75×VDD_EXT
VIHmax=
VDD_EXT+0.3
Keep this pin
open.
RESERVED
22~
33,
38,
39,
44,
58,
75~
92
95~
110
Keep these pins
open.

M80 Hardware Design
M80_HD_V1.2 - 30 -
3.2. Operating modes
The table below briefly summarizes the various operating modes in the following chapters.
Table 7: Overview of operating modes
Mode
Function
Normal operation
GSM/GPRS
SLEEP
The module will automatically go into SLEEP mode if DTR
is set to high level and there is no interrupt (such as GPIO
interrupt or data on UART port).
In this case, the current consumption of module will reduce
to the minimal level.
During SLEEP mode, the module can still receive paging
message and SMS from the system normally.
GSM IDLE
Software is active. The module has registered to the GSM
network, and the module is ready to send and receive GSM
data.
GSM TALK
GSM connection is ongoing. In this mode, the power
consumption is decided by the configuration of Power
Control Level (PCL), dynamic DTX control and the working
RF band.
GPRS IDLE
The module is not registered to GPRS network. The module
is not reachable through GPRS channel.
GPRS
STANDBY
The module is registered to GPRS network, but no GPRS
PDP context is active. The SGSN knows the Routing Area
where the module is located at.
GPRS
READY
The PDP context is active, but no data transfer is ongoing.
The module is ready to receive or send GPRS data. The
SGSN knows the cell where the module is located at.
GPRS DATA
There is GPRS data in transfer. In this mode, power
consumption is decided by the PCL, working RF band and
GPRS multi-slot configuration.
POWER DOWN
Normal shutdown by sending the “AT+QPOWD=1” command, using the
PWRKEY or the EMERG_OFF1) pin. The power management ASIC
disconnects the power supply from the base band part of the module, and only
the power supply for the RTC is remained. Software is not active. The UART
interfaces are not accessible. Operating voltage (connected to VBAT) remains
applied.
Minimum
functionality
mode (without
removing power
supply)
“AT+CFUN” command can set the module to a minimum functionality mode
without removing the power supply. In this case, the RF part of the module
will not work or the SIM card will not be accessible, or both RF part and SIM
card will be disabled, but the UART port is still accessible. The power
consumption in this case is very low.

M80 Hardware Design
M80_HD_V1.2 - 31 -
1) Use the EMERG_OFF pin only while failing to turn off the module by the command
“AT+QPOWD=1” and the PWRKEY pin. Please refer to Section 3.4.2.4.
3.3. Power supply
3.3.1. Feature of GSM power
The unit of GSM transmit in the wireless path is pulse string which is constructed by GSMK bit
string and we call it burst. The period of burst is 4.16ms and the last time of burst is 577us. The
burst current will reach 1.6A while idle current is as low as tens of milliampere. This sudden
change of current will produce large ripple of VBAT or pull the VBAT down to 3.3V, while the
module will shut down when VBAT drops to 3.3V. Due to these features, the power design for the
module is crucial.
The following figure is the VBAT voltage and current ripple at the maximum power transmitting
phase, the test condition is VBAT=4.0V, VBAT maximum output current =2A, C1=100µF
tantalum capacitor (ESR=0.7Ω) and C2=1µF.
Max:400mV
4.615ms
577us
IBAT
VBAT
Burst:1.6A
Figure 3: Ripple in supply voltage during transmitting burst
3.3.2. Minimize supply voltage drop
The power supply of the module is from a single voltage source of VBAT= 3.3V~4.6V. The GSM
transmitting burst can cause obvious voltage drop at the supply voltage thus the power supply
must be carefully designed and is capable of providing sufficient current up to 2A. For the VBAT
input, a bypass capacitor of about 100 µF with low ESR is recommended. Multi-layer ceramic
chip (MLCC) capacitor can provide the best combination of low ESR but small size may not be
economical. A lower cost choice could be a 100 µF tantalum capacitor with low ESR. A small
(0.1µF to 1µF) ceramic capacitor should be in parallel with the 100µF capacitor, which is

M80 Hardware Design
M80_HD_V1.2 - 32 -
illustrated in Figure 4. The capacitors should be placed close to the M80 VBAT pins.
The PCB traces from the VBAT pads to the power source must be wide enough to ensure that
there isn’t too much voltage drop occurring in the transmitting burst mode. The width of trace
should be no less than 2mm and the principle of the VBAT trace is the longer, the wider. The
VBAT voltage can be measured by oscilloscope.
C2C1
VBAT
+
C1=100uF, C2=0.1uF~1uF
Figure 4: Reference circuit of the VBAT input
3.3.3. Reference power design for module
The power design for the module is very important and the circuit design of the power supply for
the module largely depends on the power source. Figure 5 shows a reference design of +5V input
power source. The part number of this LDO IC is MIC29302WU. The designed output for the
power supply is 4.16V and the maximum load current is 3A, in order to prevent from outputting
abnormal voltage, a zener voltage regulator is employed at the point of the output nearby the pin
of VBAT. Some elements have to be taken into account during the component selection, such as
reverse zener voltage is recommend 5.1V and the total dissipation is more than 1Watt.
C1
100uF
C2
MIC29032 U1
IN OUT
EN
GND
ADJ
2 4
1
3
5
DC_IN VBAT
100nF
C3
100uF
C4
100nF
C5 C6
33pF
R1
10pF
D1
120K
51K
R2
Figure 5: Reference circuit of the source power supply input

M80 Hardware Design
M80_HD_V1.2 - 33 -
3.3.4. Monitor power supply
To monitor the supply voltage, you can use the “AT+CBC” command which includes three
parameters: charging status, remaining battery capacity and voltage value (in mV). It returns the
0-100 percent of battery capacity and actual value measured between VBAT and GND. The
voltage is automatically measured in period of 5s. The displayed voltage (in mV) is averaged over
the last measuring period before the “AT+CBC” command is executed.
For details, please refer to document [1].
3.4. Power on and down scenarios
3.4.1. Power on
The module can be turned on by PWRKEY pin.
The module is set to autobauding mode (AT+IPR=0) in default configuration. In the autobauding
mode, the URC “RDY” after powering on is not sent to host controller. When the module receives
AT command, it will be powered on after a delay of 2 or 3 seconds. Host controller should firstly
send an “AT” or “at” string in order that the module can detect baud rate of host controller, and it
should send the second or the third “AT” or “at” string until receiving “OK” string from the
module. Then an “AT+IPR=x;&W” should be sent to set a fixed baud rate for the module and save
the configuration to flash memory of the module. After these configurations, the URC “RDY”
would be received from the UART Port of the module every time when the module is powered on.
Refer to section “AT+IPR” in document [1].
The hardware flow control is disabled in default configuration. In the simple UART port which
means that only TXD, RXD, GND of the module is connected to host. CTS and RTS are pulled
down internally by software. In this condition, the module can transmit and receive data freely. On
the other side, if RTS, CTS connect to the host together with TXD, RXD, GND, whether or not to
transmit and receive data depends on the level of RTS and CTS. Then whenever hardware flow is
present or not, the URC “RDY” is sent to host controller in the fixed band rate.
3.4.1.1. Power on module using the PWRKEY pin
Customer’s application can turn on the module by driving the pin PWRKEY to a low level voltage
and after STATUS pin outputs a high level, PWRKEY pin can be released. Customer may monitor
the level of the STATUS pin to judge whether the module is power-on or not. An open collector
driver circuit is suggested to control the PWRKEY. A simple reference circuit is illustrated as
below.

M80 Hardware Design
M80_HD_V1.2 - 34 -
Turn on pulse
PWRKEY
4.7K
47K
Figure 6: Turn on the module using driving circuit
The other way to control the PWRKEY is using a button directly. A TVS component is
indispensable to be placed nearby the button for ESD protection. When pressing the key,
electrostatic strike may generate from finger. A reference circuit is shown in the following figure.
S1
PWRKEY
TVS1
Close to S1
Figure 7: Turn on the module using keystroke
The power-on scenarios is illustrated as the following figure.

M80 Hardware Design
M80_HD_V1.2 - 35 -
EMERG_OFF
(INPUT)
VDD_EXT
(OUTPUT)
VIL<0.1*VBAT
VIH > 0.6*VBAT
VBAT
PWRKEY
(INPUT)
54ms
STATUS
(OUTPUT)
800ms
>1s
OFF BOOTING
MODULE
STATUS RUNNING
2
1
Figure 8: Timing of turning on system
① Make sure that VBAT is stable before pulling down PWRKEY pin. The time between them
is recommended 30ms.
② EMERG_OFF should be floated when it is unused
Note: Customer can monitor the voltage level of the STATUS pin to judge whether the module
is power-on. After the STATUS pin goes to high level, PWRKEY may be released. If the
STATUS pin is ignored, pull the PWRKEY pin to low level for more than 1 second to turn on
the module.
3.4.2. Power down
The following procedures can be used to turn off the module:
Normal power down procedure: Turn off module using the PWRKEY pin
Normal power down procedure: Turn off module using command “AT+QPOWD”
Over-voltage or under-voltage automatic shutdown: Take effect when over-voltage or
under-voltage is detected
Emergent power down procedure: Turn off module using the EMERG_OFF pin

M80 Hardware Design
M80_HD_V1.2 - 36 -
3.4.2.1. Power down module using the PWRKEY pin
Customer’s application can turn off the module by driving the PWRKEY to a low level voltage for
certain time. The power-down scenario is illustrated in Figure 9.
The power-down procedure causes the module to log off from the network and allows the software
to save important data before completely disconnecting the power supply, thus it is a safe way.
Before the completion of the power-down procedure, the module sends out the result code shown
below:
NORMAL POWER DOWN
Note: This result code does not appear when autobauding is active and DTE and DCE are not
correctly synchronized after start-up. The module is recommended to set a fixed baud rate.
After that moment, no further AT commands can be executed. Then the module enters the
POWER DOWN mode, only the RTC is still active. The POWER DOWN mode can also be
indicated by the STATUS pin, which is a low level voltage in this mode.
VBAT
PWRKEY
(INPUT)
STATUS
(OUTPUT)
EMERG_OFF
(INPUT)
Logout net about 2s to 12s
0.6s<Pulldown<1s
>160us
Figure 9: Timing of turning off the module
3.4.2.2. Power down module using AT command
Customer’s application can turn off the module via AT command “AT+QPOWD=1”. This
command will let the module to log off from the network and allow the software to save important
data before completely disconnecting the power supply, thus it is a safe way.
Before the completion of the power-down procedure the module sends out the result code shown

M80 Hardware Design
M80_HD_V1.2 - 37 -
below:
NORMAL POWER DOWN
After that moment, no further AT commands can be executed. And then the module enters the
POWER DOWN mode, only the RTC is still active. The POWER DOWN mode can also be
indicated by STATUS pin, which is a low level voltage in this mode.
Please refer to document [1] for details about the AT command “AT+QPOWD”.
3.4.2.3. Over-voltage or under-voltage automatic shutdown
The module will constantly monitor the voltage applied on the VBAT, if the voltage is ≤ 3.5V,
the following URC will be presented:
UNDER_VOLTAGE WARNING
If the voltage is ≥ 4.5V, the following URC will be presented:
OVER_VOLTAGE WARNING
The uncritical voltage range is 3.3V to 4.6V. If the voltage is > 4.6V or <3.3V, the module would
automatically shutdown itself.
If the voltage is <3.3V, the following URC will be presented:
UNDER_VOLTAGE POWER DOWN
If the voltage is >4.6V, the following URC will be presented:
OVER_VOLTAGE POWER DOWN
Note: These result codes don’t appear when autobauding is active and DTE and DCE are not
correctly synchronized after start-up. The module is recommended to set to a fixed baud rate.
After that moment, no further AT commands can be executed. The module logs off from network
and enters POWER DOWN mode, and only RTC is still active. The POWER DOWN mode can
also be indicated by the pin STATUS, which is a low level voltage in this mode.
3.4.2.4. Emergency shutdown using EMERG_OFF pin
The module can be shut down by driving the pin EMERG_OFF to a low level voltage over 20ms
and then releasing it. The EMERG_OFF line can be driven by an open-drain /collector driver or a
button. The circuit is illustrated as the following figures.

M80 Hardware Design
M80_HD_V1.2 - 38 -
Emergency
shutdown pulse
EMERG_OFF
4.7K
47K
Figure 10: Reference circuit for EMERG_OFF by using driving circuit
S1
EMERG_OFF
TVS1
Close to S1
Figure 11: Reference circuit for EMERG_OFF by using button
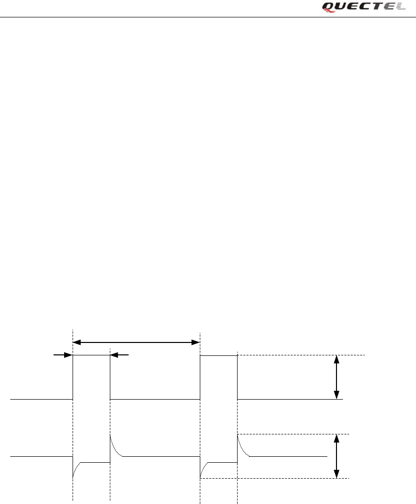
3.4.3. Restart
3.4.3.1. Restart module using the PWRKEY pin
Customer’s application can restart the module by driving the PWRKEY to a low level voltage for
a certain time, which is similar to the way of turning on module. Before restarting the module, at
least 500ms should be delayed after detecting the low level of STATUS. The restart timing is
illustrated as the following figure.

M80 Hardware Design
M80_HD_V1.2 - 39 -
STATUS
(OUTPUT)
H
PWRKEY
(INPUT)
Delay > 0.5s
Turn off
Pull down the PWRKEY
to turn on the module
Restart
Figure 12: Timing of restarting system
The module can also be restarted by the PWRKEY after emergency shutdown.
PWRKEY
(INPUT)
Pulldown > 20ms Delay>2s
EMERG_OFF
(INPUT)
STATUS
(OUTPUT)
6us
Figure 13: Timing of restarting system after emergency shutdown

M80 Hardware Design
M80_HD_V1.2 - 40 -
3.5. Charging interface
M80 provides charging function for rechargeable Li-Ion or Lithium Polymer battery. It is
introduced simply in this document. If you want to get more information about charging, please
refer to document [13].
Table 8: Pin definition of the charging
Item
No.
I/O
Description.
GATDRV
74
O
Charge driving
CHGLDO
73
I
Charge power
CHGDET
72
I
Charging detect
ISENSE
71
I
Current sense
BATSNS
70
I
VBAT voltage sense
3.6. Power saving
Upon system requirement, there are several actions to drive the module to enter low current
consumption status. For example, “AT+CFUN” can be used to set module into minimum
functionality mode and DTR hardware interface signal can be used to lead system to SLEEP
mode.
3.6.1. Minimum functionality mode
Minimum functionality mode reduces the functionality of the module to a minimum level, thus
minimize the current consumption when the slow clocking mode is activated at the same time. This
mode is set with the “AT+CFUN” command which provides the choice of the functionality levels
<fun>=0,1,4.
0: minimum functionality
1: full functionality (default)
4: disable both transmitting and receiving of RF part
If the module is set to minimum functionality by “AT+CFUN=0”, the RF function and SIM card
function would be disabled. In this case, the UART port is still accessible, but all AT commands
correlative with RF function or SIM card function will not be accessible.
If the module has been set by “AT+CFUN=4”, the RF function will be disabled, the UART port is
still active. In this case, all AT commands correlative with RF function will be not accessible.
After the module is set by “AT+CFUN=0” or “AT+CFUN=4”, it can return to full functionality by

M80 Hardware Design
M80_HD_V1.2 - 41 -
“AT+CFUN=1”.
For detailed information about “AT+CFUN”, please refer to document [1].
3.6.2. SLEEP mode
The SLEEP mode is disabled in default software configuration. Customer’s application can enable
this mode by “AT+QSCLK=1”. On the other hand, the default setting is “AT+QSCLK=0” and in
this mode, the module can’t enter SLEEP mode.
When “AT+QSCLK=1” is sent to the module, customer’s application can control the module to
enter or exit from the SLEEP mode through pin DTR. When DTR is set to high level, and there is
no on-air or hardware interrupt such as GPIO interrupt or data on UART port, the module will
enter SLEEP mode automatically. In this mode, the module can still receive voice, SMS or GPRS
paging from network but the UART port is not accessible.
3.6.3. Wake up module from SLEEP mode
When the module is in the SLEEP mode, the following methods can wake up the module.
If the DTR Pin is set low, it would wake up the module from the SLEEP mode. The UART
port will be active within 20ms after DTR is changed to low level.
Receive a voice or data call from network wakes up module.
Receiving an SMS from network wakes up module.
Note: DTR pin should be held low level during communication between the module and DTE.
3.7. Summary of state transitions
Table 9: Summary of state transition
Current mode
Next mode
Power down
Normal mode
Sleep mode
Power down
Use PWRKEY
Normal mode
AT+QPOWD, use
PWRKEY pin, or use
EMERG_OFF pin
Use AT command
“AT+QSCLK=1” and pull
DTR up
Sleep mode
Use PWRKEY pin, or
use EMERG_OFF pin
Pull DTR down or
incoming call or
SMS or GPRS

M80 Hardware Design
M80_HD_V1.2 - 42 -
3.8. RTC backup
The RTC (Real Time Clock) can be supplied by an external capacitor or battery (rechargeable or
non-chargeable) through the pin VRTC. A 1.5 K resistor has been integrated in the module for
current limiting. A coin-cell battery or a super-cap can be used to backup power supply for RTC.
The following figures show various sample circuits for RTC backup.
RTC
Core
1.5K
MODULE
VRTC
Non-chargeable
Backup Battery
Figure 14: RTC supply from non-chargeable battery
RTC
Core
1.5K
MODULE
VRTC
Rechargeable
Backup Battery
Figure 15: RTC supply from rechargeable battery
RTC
Core
1.5K
MODULE
VRTC
Large-capacitance
Capacitor
Figure 16: RTC supply from capacitor
Coin-type rechargeable capacitor such as XH414H-IV01E from Seiko can be used.

M80 Hardware Design
M80_HD_V1.2 - 43 -
Figure 17: Seiko XH414H-IV01E Charge Characteristics
3.9. Serial interfaces
The module provides three serial ports: UART Port, Debug Port and Auxiliary UART Port. The
module is designed as a DCE (Data Communication Equipment), following the traditional
DCE-DTE (Data Terminal Equipment) connection. Autobauding function supports baud rate from
4800bps to 115200bps.
The UART Port:
TXD: Send data to RXD of DTE.
RXD: Receive data from TXD of DTE.
RTS: Requests to send.
CTS: Clear to send.
DTR: DTE is ready and inform DCE (this pin can wake the module up).
RI: Ring indicator (when the call, SMS, data of the module are coming, the module will
output signal to inform DTE).
DCD: Data carrier detection (the validity of this pin demonstrates the communication link is
set up).
Note: The module disables hardware flow control by default. When hardware flow control is
required, RTS and CTS should be connected to the host. AT command “AT+IFC=2,2” is used to
enable hardware flow control. AT command “AT+IFC=0,0” is used to disable the hardware
flow control. For more details, please refer to document [1].

M80 Hardware Design
M80_HD_V1.2 - 44 -
The Debug Port
DBG_TXD: Send data to the COM port of a debugging computer.
DBG_RXD: Receive data from the COM port of a debugging computer.
The Auxiliary UART Port
TXD_AUX: Send data to the RXD of DTE.
RXD_AUX: Receive data from the TXD of DTE.
The logic levels are described in the following table.
Table 10: Logic levels of the UART interface
Parameter
Min
Max
Unit
VIL
0
0.25×VDD_EXT
V
VIH
0.75×VDD_EXT
VDD_EXT +0.3
V
VOL
0.15×VDD_EXT
V
VOH
0.85×VDD_EXT
V
Table 11: Pin definition of the UART interfaces
Interface
Name
Pin
Description
Debug Port
DBG_RXD
43
Receive data of the debug port
DBG_TXD
42
Transmit data of the debug port
UART Port
RI
46
Ring indicator
RTS
51
Request to send
CTS
48
Clear to send
RXD
50
Receive data of the UART port
TXD
49
Transmit data of the UART port
DTR
47
Data terminal ready
DCD
45
Data carrier detection
Auxiliary UART Port
RXD_AUX
41
Receive data of the Auxiliary UART
TXD_AUX
40
Transmit data of the Auxiliary UART
3.9.1. UART Port
3.9.1.1 The features of UART Port.
Seven lines on UART interface
Contain data lines TXD and RXD, hardware flow control lines RTS and CTS, other control
lines DTR, DCD and RI.
Used for AT command, GPRS data, CSD FAX, etc. Multiplexing function is supported on the

M80 Hardware Design
M80_HD_V1.2 - 45 -
UART Port. So far only the basic mode of multiplexing is available.
Support the communication baud rates as the following:
300,600,1200,2400,4800,9600,14400,19200,28800,38400,57600,115200.
The default setting is autobauding mode. Support the following baud rates for Autobauding
function:
4800, 9600, 19200, 38400, 57600, 115200.
The module disables hardware flow control by default. AT command “AT+IFC=2,2” is used
to enable hardware flow control.
After setting a fixed baud rate or Autobauding, please send “AT” string at that rate. The UART
port is ready when it responds “OK”.
Autobauding allows the module to detect the baud rate by receiving the string “AT” or “at” from
the host or PC automatically, which gives module flexibility without considering which baud rate
is used by the host controller. Autobauding is enabled by default. To take advantage of the
autobauding mode, special attention should be paid according to the following requirements:
Synchronization between DTE and DCE:
When DCE (the module) powers on with the autobauding enabled, it is recommended to wait 2 to
3 seconds before sending the first AT character. After receiving the “OK” response, DTE and
DCE are correctly synchronized.
If the host controller needs URC in the mode of autobauding, it must be synchronized firstly.
Otherwise the URC will be discarded.
Restrictions on autobauding operation:
The UART port has to be operated at 8 data bits, no parity and 1 stop bit (factory setting).
The “At” and “aT” commands can’t be used.
Only the strings “AT” or “at” can be detected (neither “At” nor “aT”).
The Unsolicited Result Codes like "RDY", "+CFUN: 1" and "+CPIN: READY” will not be
indicated when the module is turned on with autobauding enabled and not be synchronized.
Any other Unsolicited Result Codes will be sent at the previous baud rate before the module
detects the new baud rate by receiving the first “AT” or “at” string. The DTE may receive
unknown characters after switching to new baud rate.
It is not recommended to switch to autobauding from a fixed baud rate.
If autobauding is active it is not recommended to switch to multiplex mode.
Note: To assure reliable communication and avoid any problems caused by undetermined baud
rate between DCE and DTE, it is strongly recommended to configure a fixed baud rate and save
it instead of using autobauding after start-up. For more details, please refer to Section
“AT+IPR” in document [1].

M80 Hardware Design
M80_HD_V1.2 - 46 -
3.9.1.2. The connection of UART
The connection between module and host using UART Port is very flexible. Three connection
styles are illustrated as below.
Reference design for Full-Function UART connection is shown as below when it is applied in
modulation-demodulation.
TXD
RXD
RTS
CTS
DTR
DCD
RI
TXD
RXD
RTS
CTS
DTR
DCD
RING
Module (DCE) PC (DTE)
UART port
UART Port
GND GND
Figure 18: Reference design for Full-Function UART
Three-line connection is shown as below.
Host (DTE)
Controller
Module(DCE)
TXD
RXD
GND
UART PORT
RTS
0R
TXD
RXD
GND
Figure 19: Reference design for UART Port
UART Port with hardware flow control is shown as below. This connection will enhance the

M80 Hardware Design
M80_HD_V1.2 - 47 -
reliability of the mass data communication.
Host (DTE)
Controller
Module(DCE)
RTS
CTS
RTS
CTS
GND
RXD
TXD TXD
RXD
GND
Figure 20: Reference design for UART Port with hardware flow control
3.9.1.3. Software upgrade
The TXD, RXD can be used to upgrade software. The PWRKEY pin must be pulled down before
the software upgrade. Please refer to the following figures for software upgrade.
IO Connector
TXD
RXD
GND
PWRKEY
Module (DCE)
Serial port
TXD
RXD
GND
PWRKEY
Figure 21: Reference design software upgrade
Note: The firmware of module might need to be upgraded due to certain reasons, it is
recommended to reserve these pins in the host board for firmware upgrade. For detailed design,
please refer to document [11].

M80 Hardware Design
M80_HD_V1.2 - 48 -
3.9.2. Debug Port
Debug Port
Two lines: DBG_TXD and DBG_RXD
It outputs log information automatically.
Debug Port is only used for software debugging and its baud rate must be configured as
460800bps.
Debug Computer
TXD
RXD
GND
Module (DCE)
Debug port
DBG_TXD
DBG_RXD
GND
Figure 22: Reference design for Debug Port
3.9.3. Auxiliary UART Port
Auxiliary UART Port
Two data lines: TXD_AUX and RXD_AUX
Auxiliary UART port is used for AT command only and doesn’t support GPRS data, CSD
FAX, Multiplexing function etc.
Auxiliary UART port supports the communication baud rates as the following:
4800, 9600, 14400, 19200,28800,38400,57600,115200.
The default baud rate setting is 115200bps, and doesn’t support autobauding. The baud rate
can be modified by AT+QSEDCB command. For more details, please refer to document [1].

M80 Hardware Design
M80_HD_V1.2 - 49 -
Module (DCE) Host (DTE)
Controller
TXD
RXD
GND
TXD_AUX
RXD_AUX
GND
Figure 23: Reference design for Auxiliary UART port
3.9.4. Level match
The reference design of 3.3V level match is shown as below. If the host is a 3V system, please
change the 5.6K resistor to 15K.
MCU/ARM
TXD
RXD
1K
TXD
RXD
RTS
CTS
DTR
RI
RTS
CTS
GPIO
EINT
Voltage Level: 3.3V
GND
VBAT
GPIO DCD
MODULE
1K
1K
1K
1K
5K6 5K6 5K6
1K
1K
Figure 24: Level match design for 3.3V system

M80 Hardware Design
M80_HD_V1.2 - 50 -
The reference design for 5V level match is shown as below. The connection of dotted line can be
referred to the connection of solid line. Please pay attention to the direction of signal. Input dotted
line of module should be referred to input solid line of the module. Output dotted line of module
should be referred to output solid line of the module.
As to the circuit below, VDD_EXT supplies power for the I/O of module, while VCC_MCU
supplies power for the I/O of the MCU/ARM.
MCU/ARM
TXD
RXD
1K
VDD_EXT
4.7k
VCC_MCU
4.7k
4.7k
4.7k
VDD_EXT
TXD
RXD
RTS
CTS
DTR
RI
RTS
CTS
GND
VBAT
GPIO STATUS
MODULE
GPIO
EINT
VCC_MCU
Voltage Level:
5V
Figure 25: Level match design for 5V system

M80 Hardware Design
M80_HD_V1.2 - 51 -
The following circuit shows a reference design for the communication between module and PC.
Since the electrical level of module is 2.8V, so a RS-232 level shifter must be used.
9
8
7
6
5
4
3
2
1
15
14
8
9
11
12
5
7
6
10
4
26
2
27
13
18
20
21
16
17
19
22
23
24
3
1
25
28
GND
TO PC serial port
SP3238
3V
GND
GND
T5OUT
/SHUTDOWN
V+
GND
V-
VCC
T4OUT
T2OUT
T3OUT
T1OUT
R3IN
R2IN
R1IN
/STATUS
3V ONLINE
R1OUT
R2OUT
R3OUT
/R1OUT
GND T5IN
T4IN
T3IN
T2IN
T1IN
C2+
C2-
C1-
C1+
MODULE
RXD
DTR
RTS
RI
CTS
TXD
DCD
Figure 26: Level match design for RS-232

M80 Hardware Design
M80_HD_V1.2 - 52 -
3.10. Audio interfaces
The module provides two analogy input channels and three analogy output channels.
Table 12: Pin definition of Audio interface
AIN1 and AIN2 can be used for input of microphone and line. An electret microphone is usually
used. AIN1 and AIN2 are both differential input channels.
AOUT1 is used for output of the receiver. This channel is typically used for a receiver built into a
handset. AOUT1 channel is a differential channel.
AOUT2 is typically used with earphone or speaker. It is a single-ended and mono channel. SPK2P
and AGND can establish a pseudo differential mode. If customer needs to play Melody or Midi
ring tone for incoming call, AOUT2 Channel should always be used. If it is used as a speaker, an
amplifier should be employed also.
AOUT3 is used for loud speaker output as it embedded an amplifier of class AB whose maximum
drive power is 800mW. AOUT3 is a differential channel. Immediately playing Melody or Midi
ring tone for incoming call is available in AOUT3.
These three audio channels can be swapped by “AT+QAUDCH” command. For more details,
please refer to document [1].
Use AT command “AT+QAUDCH” to select audio channel:
0--AIN1/AOUT1, the default value is 0.
1--AIN2/AOUT2
2--AIN2/AOUT3
For each channel, customer can use AT+QMIC to adjust the input gain level of microphone.
Interface
Name
Pin
Description
AIN1/AOUT1
MIC1P
9
Channel one for Microphone positive input
MIC1N
10
Channel one for Microphone negative input
SPK1P
12
Channel one for Audio positive output
SPK1N
11
Channel one for Audio negative output
AIN2/AOUT2
MIC2P
7
Channel two for Microphone positive input
MIC2N
8
Channel two for Microphone negative input
SPK2P
5
Channel two for Audio positive output
AGND
6
Cooperate with SPK2P
AIN2/AOUT3
LOUDSPKP
14
Channel three for Audio positive output
LOUDSPKN
13
Channel three for Audio negative output

M80 Hardware Design
M80_HD_V1.2 - 53 -
Customer can also use “AT+CLVL” to adjust the output gain level of receiver and speaker.
“AT+QECHO” is used to set the parameters for echo cancellation control. “AT+QSIDET” is used
to set the side-tone gain level. For more details, please refer to document [1].
Table 13: AOUT3 output characteristics
Item
Condition
min
type
max
unit
RMS power
8ohm load
VBAT=4.3v
THD+N=1%
800
mW
8ohm load
VBAT=3.7v
THD+N=1%
700
mW
8ohm load
VBAT=3.2v
THD+N=1%
500
mW
Gain adjustment range
0
18
dB
Gain adjustment steps
3
dB
3.10.1. Decrease TDD noise and other noise
The 33pF capacitor is applied for filtering out 900MHz RF interference when the module is
transmitting at GSM900MHz. Without placing this capacitor, TDD noise could be heard.
Moreover, the 10pF capacitor here is for filtering out 1800MHz RF interference. However, the
resonant frequency point of a capacitor largely depends on the material and production technique.
Therefore, customer would have to discuss with its capacitor vendor to choose the most suitable
capacitor for filtering out GSM850MHz, GSM900MHz, DCS1800MHz and PCS1900MHz
separately.
The severity degree of the RF interference in the voice channel during GSM transmitting period
largely depends on the application design. In some cases, GSM900 TDD noise is more severe;
while in other cases, DCS1800 TDD noise is more obvious. Therefore, customer can have a
choice based on test results. Sometimes, even no RF filtering capacitor is required.
The capacitor which is used for filtering out RF noise should be close to RJ11 or other audio
interfaces. Audio alignment should be as short as possible.
In order to decrease radio or other signal interference, the position of RF antenna should be kept
away from audio interface and audio alignment. Power alignment and audio alignment should not
be parallel, and power alignment should be far away from audio alignment.
The differential audio traces have to be placed according to the differential signal layout rule.

M80 Hardware Design
M80_HD_V1.2 - 54 -
3.10.2. Microphone interfaces design
AIN1 and AIN2 channels come with internal bias supply for external electret microphone. A
reference circuit is shown in the following figure.
10pF 33pF
33pF
33pF
Close to Microphone
MICxP
MICxN
GND
GND
Differential layout
Module
Electret
Microphone
GND
GND
10pF
10pF
GND
GND
ESD
ANTI
ESD
ANTI
Figure 27: Reference design for AIN1&AIN2
3.10.3. Receiver and speaker interface design
SPK1P
SPK1N
Differential layout
10pF
10pF
33pF
33pF
33pF
Close to receiver
GND
GND
10pF
ESD
ANTI
ESD
ANTI
Module
Figure 28: Reference design for AOUT1

M80 Hardware Design
M80_HD_V1.2 - 55 -
SPK2P
AGND
Differential layout
10pF 33pF
Close to receiver
GND
ESD
ANTI
Module
22uF
Figure 29: Handset interface design for AOUT2
SPK2P
AGND
Differential layout Amplifier
circuit 10pF
10pF 33pF
33pF
Close to speaker
GND
GND
ESD
ANTI
ESD
ANTI
Module
C2
C1
Figure 30: Speaker interface design with an amplifier for AOUT2
Texas Instrument’s TPA6205A1is recommended for a suitable differential audio amplifier. There
are plenty of excellent audio amplifiers in the market.
Note: The value of C1 and C2 depends on the input impedance of audio amplifier.

M80 Hardware Design
M80_HD_V1.2 - 56 -
3.10.4. Earphone interface design
1
2
4
3
Amphenol
9001-8905-050
SPK2P
MIC2N
MIC2P
22uF
68R
33pF
GND GND
AGND
Close to Socket
Differential layout
33pF
AGND
33pF 10pF
GND GND
GND
GND
AGND
Module
4.7uF
Figure 31: Earphone interface design
3.10.5. Loud speaker interface design
LOUDSPKP
LOUDSPKN
Differential layout
10pF
10pF 33pF
33pF
Close to speaker
GND
GND
100pF
ESD
ANTI
ESD
ANTI
Module
0R
0R
Figure 32: Loud speaker interface design

M80 Hardware Design
M80_HD_V1.2 - 57 -
3.10.6. Audio characteristics
Table 14: Typical electret microphone characteristics
Parameter
Min
Typ
Max
Unit
Working Voltage
1.2
1.5
2.0
V
Working Current
200
500
uA
External Microphone Load Resistance
2.2
k Ohm
Table 15: Typical speaker characteristics
Parameter
Min
Typ
Max
Unit
Normal
Output
(AOUT1)
Single
Ended
Load
Resistance
28
32
Ohm
Ref level
0
2.4
Vpp
Differential
Load
Resistance
28
32
Ohm
Ref level
0
4.8
Vpp
Auxiliary
Output
(AOUT2)
Single
Ended
Load
Resistance
16
32
Load
Resistance
Ref level
0
2.4
Vpp
Output
(AOUT3)
Differential
Load
Resistance
8
Load
Resistance
Ref level
0
2*VBAT
Vpp
3.11. SIM card interface
3.11.1. SIM card application
The SIM interface supports the functionality of the GSM Phase 1 specification and also supports
the functionality of the new GSM Phase 2+ specification for FAST 64 kbps SIM card, which is
intended for use with a SIM application Tool-kit.
The SIM interface is powered from an internal regulator in the module. Both 1.8V and 3.0V SIM
Cards are supported.

M80 Hardware Design
M80_HD_V1.2 - 58 -
Table 16: Pin definition of the SIM interface
In Figure 33, the pin SIM_PRESENCE is used to detect whether the tray of the Molex SIM socket,
which is used for holding SIM card, is present in the card socket. When the tray is inserted in the
socket, SIM_PRESENCE is at low level. Regardless of whether the SIM card is in the tray or not,
the change of SIM_PRESENCE level from high to low level inspires the module to reinitialize
SIM card. In default configuration, SIM card detection function is disabled. Customer’s
application can use “AT+QSIMDET=1,0 ” to switch on and “AT+QSIMDET=0,0 ” to switch off
the SIM card detection function. For detail of this AT command, please refer to document [1].
When “AT+QSIMDET=1,0” is set and the tray with SIM card is removed from SIM socket, the
following URC will be presented.
+CPIN: NOT READY
When the tray with SIM card is inserted into SIM socket again and the module finishes
re-initialization SIM card, the following URC will be presented.
Call Ready
Module
SIM_VDD
SIM_RST
SIM_CLK
SIM_DATA
SIM_PRESENCE
22R
22R
22R
VCC
RST
CLK IO
VPP
GND
VDD_EXT
10K 100nF SIM_CARD
GND
GND
ESDA6V8V6
GNDPRESENCE
Figure 33: Reference circuit of the 8 pins SIM card
Name
Pin
Description
SIM1_VDD
56
Supply power for SIM Card. Automatic detection of
SIM card voltage. 3.0V±10% and 1.8V±10%.
Maximum supply current is around 10mA.
SIM1_DATA
54
SIM Card data I/O
SIM1_CLK
55
SIM Card clock
SIM1_RST
53
SIM Card reset
SIM_PRESENCE
57
SIM Card detect
SIM1_GND
52
SIM Card ground

M80 Hardware Design
M80_HD_V1.2 - 59 -
Note: Please do not use “AT+QSIMDET=1,1” which causes to initialize SIM card when Figure
33 circuit is adopted.
If customer doesn’t need the SIM card detection function, keep SIM_PRESENCE open. The
reference circuit using a 6-pin SIM card socket is illustrated as the following figure.
Module
SIM_VDD
SIM_RST
SIM_CLK
SIM_DATA 22R
22R
22R
VCC
RST
CLK IO
VPP
GND
100nF SIM_CARD
GND
GND
ESDA6V8V6
GND
Figure 34: Reference circuit of the 6 pins SIM card
In order to enhance the reliability and availability of the SIM card in the customer’s
application. Please follow the below criterion in the SIM circuit design
Keep layout of SIM card as close as possible to the module. Assure the possibility of the
length of the trace is less than 20cm.
Keep SIM card signal away from RF and VBAT alignment.
Assure the ground between module and SIM cassette short and wide. Keep the width of
ground no less than 0.5mm to maintain the same electric potential. The decouple capacitor of
SIM_VDD is less than 1uF and must be near to SIM cassette.
To avoid cross talk between SIM1_DATA and SIM1_CLK. Keep them away with each other
and shield them with surrounded ground
In order to offer good ESD protection, it is recommended to add TVS such as WILL
(http://www.willsemi.com) ESDA6V8AV6. The 22Ω resistors should be added in series
between the module and the SIM card so as to suppress the EMI spurious transmission and
enhance the ESD protection. Please to be noted that the SIM peripheral circuit should be
close to the SIM card socket.
3.11.2. 6 Pin SIM cassette
For 6-pin SIM card holder, it is recommended to use Amphenol C707 10M006 512 2. Please visit
http://www.amphenol.com for more information.

M80 Hardware Design
M80_HD_V1.2 - 60 -
Figure 35: Amphenol C707 10M006 512 2 SIM card holder
Table 17: Pin description of Amphenol SIM card holder
Name
Pin
Description
SIM_VDD
C1
SIM Card Power Supply
SIM_RST
C2
SIM Card Reset
SIM_CLK
C3
SIM Card Clock
GND
C5
Ground
VPP
C6
Not Connect
SIM_DATA
C7
SIM Card data I/O
3.11.3. 8 Pin SIM cassette
For 8-pin SIM card holder, it is recommended to use Molex 91228. Please visit
http://www.molex.com for more information.

M80 Hardware Design
M80_HD_V1.2 - 61 -
Figure 36: Molex 91228 SIM card holder
Table 18: Pin description of Molex SIM card holder
Name
Pin
Description
SIM_VDD
C1
SIM Card Power supply
SIM_RST
C2
SIM Card Reset
SIM_CLK
C3
SIM Card Clock
SIM_PRESENCE
C4
SIM Card Presence Detection
GND
C5
Ground
VPP
C6
Not Connect
SIM_DATA
C7
SIM Card Data I/O
SIM_DETECT
C8
Pulled down GND with external circuit. When the tray is
present, C4 is connected to C8.

M80 Hardware Design
M80_HD_V1.2 - 62 -
3.12. SD card interface
The module provides SD card interface that support many types of memory, such as Memory
Stick, SD/MCC card and T-Flash or Micro SD card. The following are the main features of SD
card interface.
Only supports 1bit serial mode.
Does not support the SPI mode SD/MMC memory card.
Does not support multiple SD memory cards.
Does not support hot plug.
Up to 26MHz data rate in serial mode.
Up to 32GB maximum memory card capacity.
With interface features and reference circuit of SD card shown in Figure 37, the users can easily
design the SD card application circuit to enhance the memory capacity of the module. The module
can record and store the audio file to the SD card, and play the audio files in SD card as well.
Table 19: Pin definition of the SD card interface
Module
SD_DATA0
SD_CLK
SD_CMD
DATA2
DATA1
DATA0
CD/DATA3
CMD
VDD
CLK
VSS
47K
47K 47K
4.7uF 0.1nF
VDD_EXT
33R
33R
33R
Micro SD Socket
1
2
3
4
5
6
7
8
Figure 37: Reference circuit of SD card
Name
Pin
Description
SD_DATA
36
Data output and input signal of SD card
SD_CLK
35
Clock signal of SD card output
SD_CMD
34
Command signal of SD card output

M80 Hardware Design
M80_HD_V1.2 - 63 -
Table 20: Pin name of the SD card and Micro SD card
In SD card interface designing, in order to ensure good communication performance with SD card,
the following design principles should be complied with.
Route SD card trace as short as possible.
In order to offer good ESD protection, it is recommended to add TVS on signals with the
capacitance is less than 15pF.
Reserve external pull-up resistor for other data lines except the DATA0.
The SD_CLK and SD_DATA line must be shielded by GND in order to avoid interference.
Pin NO.
Pin name of SD card
Pin name of T-Flash(Micro SD) card
1
CD/DATA3
DATA2
2
CMD
CD/DATA3
3
VSS1
CMD
4
VDD
VDD
5
CLK
CLK
6
VSS2
VSS
7
DATA0
DATA0
8
DATA1
DATA1
9
DATA2

M80 Hardware Design
M80_HD_V1.2 - 64 -
3.13. PCM interface
M80 supports PCM interface. It is used for digital audio transmission between the module and the
customer’s device. This interface is composed of PCM_CLK, PCM_SYNC, PCM_IN and
PCM_OUT signal lines.
Pulse-code modulation (PCM) is a converter that changes the consecutive analog audio signal to
discrete digital signal. The whole procedure of Pulse-code modulation contains sampling,
quantizing and encoding.
Table 21: Pin definition of PCM interface
Name
Pin NO.
I/O
Description
Note
PCM_CLK
19
O
PCM clock
PCM_IN
18
I
PCM data input
PCM_OUT
20
O
PCM data output
PCM_SYNC
21
O
PCM frame synchronization
3.13.1. Configuration
M80 supports 13bit line code PCM format. The sample rate is 8 KHz, the clock source is 256 KHz,
and the module can only act as master mode. The PCM interfaces support long and short
synchronization simultaneously. It only supports MSB first. For more detailed information, please
see the table below.
Table 22: Configuration
PCM
Line interface format
Line
Data length
Line:13bit
Sample rate
8KHz
PCM clock/synchronization
source
PCM master mode: clock and synchronization is generated
by module
PCM synchronization rate
8KHz
PCM clock rate
PCM master mode:256 KHz(line)
PCM synchronization format
Long/short synchronization
PCM data ordering
MSB first

M80 Hardware Design
M80_HD_V1.2 - 65 -
3.13.2. Timing
The sample rate of the PCM interface is 8 KHz and the clock source is 256 KHz, so every frame
contains 32 bits data, since M80 supports 13bit line code PCM format, the left 19 bits is invalid.
M80 support short and long synchronization format. The following diagram shows the timing of
short and long synchronization format. The synchronization length in long synchronization format
can be programmed by software from one bit to eight bits.
13 12 11 10 9 8 7 6 5 4 3 2 1
13 12 11 10 9 8 7 6 5 4 3 2 1
PCM_CLK
PCM_SYNC
PCM_OUT
PCM_IN
MSB
MSB
Figure 38: Long synchronization diagram
PCM_CLK
PCM_SYNC
PCM_OUT
PCM_IN
13 12 11 10 9 8 7 6 5 4 3 2 1
13 12 11 10 9 8 7 6 5 4 3 2 1
MSB
MSB
Figure 39: Short synchronization diagram

M80 Hardware Design
M80_HD_V1.2 - 66 -
3.13.3. Reference design
As M80 only acts as a master, the module provides synchronization and clock source. The
reference design is shown as below.
PCM_SYNC
PCM_CLK
PCM_OUT
PCM_IN
PCM_SYNC
PCM_CLK
PCM_IN
PCM_OUT
Module
(Master)
Customer device
(Slave)
Figure 40: Reference design for PCM
3.13.4. AT command
“AT+QPCMON” can configure PCM parameter. AT command format is shown as below:
AT+QPCMON= mode, Sync_Type, Sync_Length, SignExtension, MSBFirst.
Table 23:AT command description
Parameter
scope
Description
Mode
0~2
0:Close PCM
1:Open PCM
2:Open PCM when audio talk is set
up
Sync_Type
0~1
0:Short synchronization
1:Long synchronization
Sync_Length
1~8
Programmed from one bit to eight
bit
SignExtension
0~1
Not supported
MSBFirst
0~1
0:MSB first
1:Not supported

M80 Hardware Design
M80_HD_V1.2 - 67 -
3.14. ADC
The module provides two ADC to measure the value of voltage. The command “AT+QADC” can
read the voltage value applied on ADC0 pin, while AT command “AT+QEADC” can read the
voltage value applied on ADC1 pin. For details of this AT command, please refer to document [1].
In order to improve the accuracy of ADC, the layout of ADC should be surrounded by ground.
Table 24: Pin definition of the ADC
Name
Pin
Description
ADC0
2
Analog to digital converter.
ADC1
1
Analog to digital converter.
Table 25: Characteristics of the ADC
Item
Min
Typ
Max
Units
Voltage Range
0
2.8
V
ADC Resolution
10
bits
ADC Accuracy
2.7
mV
3.15. Behaviors of the RI
Table 26: Behaviors of the RI
State
RI response
Standby
HIGH
Voice calling
Change to LOW, then:
1. Change to HIGH when call is established.
2. Use ATH to hang up the call, RI changes to HIGH.
3. Calling part hangs up, RI changes to HIGH first, and changes to LOW for
120ms indicating “NO CARRIER” as an URC, then changes to HIGH
again.
4. Change to HIGH when SMS is received.
Data calling
Change to LOW, then:
1. Change to HIGH when data connection is established.
2. Use ATH to hang up the data calling, RI changes to HIGH.
3. Calling part hangs up, RI changes to HIGH first, and changes to LOW for
120ms indicating “NO CARRIER” as an URC, then changes to HIGH
again.
4. Change to HIGH when SMS is received.

M80 Hardware Design
M80_HD_V1.2 - 68 -
SMS
When a new SMS comes, the RI changes to LOW and holds low level for
about 120 ms, then changes to HIGH.
URC
Certain URCs can trigger 120ms low level on RI. For more details, please
refer to the document [1]
If the module is used as a caller, the RI would maintain high except the URC or SMS is received.
On the other hand, when it is used as a receiver, the timing of the RI is shown below.
RI
Idle Ring
Off-hook by
“ATA”. On-hook
by “ATH”. SMS
received.
HIGH
LOW
Figure 41: RI behavior of voice calling as a receiver
RI
Idle Ring
Data calling establish.
On-hook by
“ATH”. SMS
received
HIGH
LOW
Figure 42: RI behavior of data calling as a receiver
RI
Idle Calling On-hook
Talking
HIGH
LOW
Idle
Figure 43: RI behavior as a caller

M80 Hardware Design
M80_HD_V1.2 - 69 -
RI
Idle or
talking URC or
SMS Received
HIGH
LOW
120ms
Figure 44: RI behavior of URC or SMS received

M80 Hardware Design
M80_HD_V1.2 - 70 -
3.16. Network status indication
The NETLIGHT signal can be used to drive a network status indicator LED. The working state of
this pin is listed in the following table.
Table 27: Working state of the NETLIGHT
State
Module function
Off
The module is not running.
64ms On/ 800ms Off
The module is not synchronized with network.
64ms On/ 2000ms Off
The module is synchronized with network.
64ms On/ 600ms Off
GPRS data transfer is ongoing.
A reference circuit is shown as below.
Module
300R
4.7K
47K
VBAT
NETLIGHT
Figure 45: Reference design for NETLIGHT
3.17. Operating status indication
The STATUS pin is set as an output pin and can be used to judge whether module is power-on. In
customer’s design, this pin can be connected to a GPIO of DTE or be used to drive an LED in
order to judge the module’s operation status. A reference circuit is shown in Figure 46.
Table 28: Pin definition of the STATUS
Name
Pin
Description
STATUS
16
Indicate the module’s operating status

M80 Hardware Design
M80_HD_V1.2 - 71 -
Figure 46: Reference design for STATUS
Module 300R
4.7K
47K
VBAT
STATUS

M80 Hardware Design
M80_HD_V1.2 - 72 -
4. Antenna interface
The Pin 63 is the RF antenna pad. The RF interface has an impedance of 50Ω.
Table 29: Pin definition of the RF_ANT
4.1. RF reference design
The reference design for RF is shown as below.
RF_ANT
0R
MODULE NMNM
Figure 47: Reference design for RF
M80 provides an RF antenna PAD for customer’s antenna connection. The RF trace in host PCB
connected to the module RF antenna pad should be micro-strip line or other types of RF trace,
whose characteristic impendence should be close to 50Ω. M80 comes with grounding pads which
are next to the antenna pad in order to give a better grounding. Besides, a ∏ type match circuit is
suggested to be used to adjust the RF performance.
To minimize the loss on the RF trace and RF cable, take design into account carefully. It is
recommended that the insertion loss should meet the following requirements:
GSM850/EGSM900 is <1dB.
Name
Pin
Description
GND
62
Ground
GND
61
Ground
RF_ANT
63
RF antenna pad
GND
66
Ground
GND
65
Ground
GND
64
Ground

M80 Hardware Design
M80_HD_V1.2 - 73 -
DCS1800/PCS1900 is <1.5dB.
4.2. RF output power
Table 30: The module conducted RF output power
Frequency
Max
Min
GSM850
33dBm ±2dB
5dBm±5dB
EGSM900
33dBm ±2dB
5dBm±5dB
DCS1800
30dBm ±2dB
0dBm±5dB
PCS1900
30dBm ±2dB
0dBm±5dB
Note: In GPRS 4 slots TX mode, the max output power is reduced by 2.5dB. This design
conforms to the GSM specification as described in section 13.16 of 3GPP TS 51.010-1.
4.3. RF receiving sensitivity
Table 31: The module conducted RF receiving sensitivity
Frequency
Receive sensitivity
GSM850
< -108.5dBm
EGSM900
< -108.5dBm
DCS1800
< -108.5dBm
PCS1900
< -108.5dBm
4.4. Operating frequencies
Table 32: The module operating frequencies
Frequency
Receive
Transmit
ARFCH
GSM850
869~894MHz
824~849MHz
128~251
EGSM900
925~960MHz
880~915MHz
0~124, 975~1023
DCS1800
1805~1880MHz
1710~1785MHz
512~885
PCS1900
1930~1990MHz
1850~1910MHz
512~810
4.5. RF cable soldering
Soldering the RF cable to RF pad of module correctly will reduce the loss on the path of RF,
please refer to the following example of RF soldering.

M80 Hardware Design
M80_HD_V1.2 - 74 -
Figure 48: RF soldering sample

M80 Hardware Design
M80_HD_V1.2 - 75 -
5. Electrical, reliability and radio characteristics
5.1. Absolute maximum ratings
Absolute maximum ratings for power supply and voltage on digital and analog pins of module are
listed in the following table:
Table 33: Absolute maximum ratings
Parameter
Min
Max
Unit
VBAT
-0.3
+4.73
V
Peak current of power supply
0
2
A
RMS current of power supply (during one TDMA- frame)
0
0.7
A
Voltage at digital pins
-0.3
3.3
V
Voltage at analog pins
-0.3
3.0
V
Voltage at digital/analog pins in POWER DOWN mode
-0.25
0.25
V
5.2. Operating temperature
The operating temperature is listed in the following table:
Table 34: Operating temperature
Parameter
Min
Typ
Max
Unit
Normal Temperature
-35
+25
+80
℃
Restricted Operation1)
-45 ~ -35
+80 ~ +851)
℃
Storage Temperature
-45
+90
℃
1) When the module exceeds the temperature range, the deviation from the GSM specification
may occur. For example, the frequency error or the phase error will be increased.

M80 Hardware Design
M80_HD_V1.2 - 76 -
5.3. Power supply ratings
Table 35: The module power supply ratings
Parameter
Description
Conditions
Min
Typ
Max
Unit
VBAT
Supply
voltage
Voltage must stay within the
min/max values, including
voltage drop, ripple, and spikes.
3.3
4.0
4.6
V
Voltage drop
during
transmitting
burst
Maximum power control level
on GSM850 and GSM900.
400
mV
Voltage
ripple
Maximum power control level
on GSM850 and GSM900
@ f<200kHz
@ f>200kHz
50
2
mV
mV
IVBAT
Average
supply
current
POWER DOWN mode
SLEEP mode @ DRX=5
30
1.1
uA
mA
Minimum functionality mode
AT+CFUN=0
IDLE mode
SLEEP mode
AT+CFUN=4
IDLE mode
SLEEP mode
13
0.83
13
0.83
mA
mA
mA
mA
IDLE mode
GSM850/EGSM 900
DCS1800/PCS1900
13
13
mA
mA
TALK mode
GSM850/EGSM 9001)
DCS1800/PCS19002)
209/208
191/202
mA
mA
DATA mode, GPRS (3 Rx,2Tx)
GSM850/EGSM 9001)
DCS1800/PCS19002)
435/400
313/337
mA
mA
DATA mode, GPRS(2 Rx,3Tx)
GSM850/EGSM 9001)
DCS1800/PCS19002)
605/558
399/460
mA
mA
DATA mode, GPRS (4 Rx,1Tx)
GSM850/EGSM 9001)
DCS1800/PCS19002)
265/240
200/212
mA
mA
DATA mode, GPRS
(1Rx,4Tx)

M80 Hardware Design
M80_HD_V1.2 - 77 -
GSM850/EGSM 9001)
DCS1800/PCS19002)
615/560
420/470
mA
mA
Peak supply
current
(during
transmission
slot)
Maximum power control level
on GSM850 and GSM900.
1.6
1.8
A
1) Power control level PCL 5
2) Power control level PCL 0
5.4. Current consumption
The values of current consumption are shown as below.
Table 36: The module current consumption
Condition
Current Consumption
Voice Call
GSM850
@power level #5 <300mA,Typical 209mA
@power level #12,Typical 96mA
@power level #19,Typical 73mA
GSM900
@power level #5 <300mA,Typical 208mA
@power level #12,Typical 96mA
@power level #19,Typical 73mA
DCS1800
@power level #0 <250mA,Typical 191mA
@power level #7,Typical 93mA
@power level #15,Typical 70mA
PCS1900
@power level #0 <250mA,Typical 202mA
@power level #7,Typical 95mA
@power level #15,Typical 71mA
GPRS Data
DATA mode, GPRS ( 1 Rx,1 Tx ) CLASS 12
GSM850
@power level #5 <350mA,Typical 199mA
@power level #12,Typical 87mA
@power level #19,Typical 63mA
EGSM 900
@power level #5 <350mA,Typical 200mA
@power level #12,Typical 96mA
@power level #19,Typical 70mA
DCS 1800
@power level #0 <300mA,Typical 184mA
@power level #7,Typical 82mA
@power level #15,Typical 66mA
PCS 1900
@power level #0 <300mA,Typical 192mA
@power level #7,Typical 82mA

M80 Hardware Design
M80_HD_V1.2 - 78 -
@power level #15,Typical 66mA
DATA mode, GPRS ( 3 Rx, 2 Tx ) CLASS 12
GSM850
@power level #5 <550mA,Typical 435mA
@power level #12,Typical 158mA
@power level #19,Typical 99mA
EGSM 900
@power level #5 <550mA,Typical 400mA
@power level #12,Typical 150mA
@power level #19,Typical 97mA
DCS 1800
@power level #0 <450mA,Typical 313mA
@power level #7,Typical 130mA
@power level #15,Typical 92mA
PCS 1900
@power level #0 <450mA,Typical 337mA
@power level #7,Typical 140mA
@power level #15,Typical 94mA
DATA mode, GPRS ( 2 Rx, 3 Tx ) CLASS 12
GSM850
@power level #5 <640mA,Typical 605mA
@power level #12,Typical 195mA
@power level #19,Typical 107mA
EGSM 900
@power level #5 <600mA,Typical 558mA
@power level #12,Typical 185mA
@power level #19,Typical 106mA
DCS 1800
@power level #0 <490mA,Typical 399mA
@power level #7,Typical 150mA
@power level #15,Typical 94mA
PCS 1900
@power level #0 <480mA,Typical 460mA
@power level #7,Typical 166mA
@power level #15,Typical 98mA
DATA mode, GPRS ( 4 Rx,1 Tx ) CLASS 12
GSM850
@power level #5 <350mA,Typical 265mA
@power level #12,Typical 122mA
@power level #19,Typical 93mA
EGSM 900
@power level #5 <350mA,Typical 240mA
@power level #12,Typical 115mA
@power level #19,Typical 90mA
DCS 1800
@power level #0 <300mA,Typical 200mA
@power level #7,Typical 107mA
@power level #15,Typical 89mA
PCS 1900
@power level #0 <300mA,Typical 212mA
@power level #7,Typical 118mA
@power level #15,Typical 90mA
DATA mode, GPRS ( 1 Rx, 4 Tx ) CLASS 12
GSM850
@power level #5 <660mA,Typical 615mA
@power level #12,Typical 232mA

M80 Hardware Design
M80_HD_V1.2 - 79 -
@power level #19,Typical 118mA
EGSM 900
@power level #5 <660mA,Typical 560mA
@power level #12,Typical 215mA
@power level #19,Typical 114mA
DCS 1800
@power level #0 <530mA,Typical 420mA
@power level #7,Typical 173mA
@power level #15,Typical 97mA
PCS 1900
@power level #0 <530mA,Typical 470mA
@power level #7,Typical 192mA
@power level #15,Typical 101mA
Note: GPRS Class 12 is the default setting. The module can be configured from GPRS Class 1
to Class 12 by “AT+QGPCLASS”. Setting to lower GPRS class would make it easier to design
the power supply for the module.
5.5. Electro-static discharge
Although the GSM engine is generally protected against Electrostatic Discharge (ESD), ESD
protection precautions should still be emphasized. Proper ESD handling and packaging procedures
must be applied throughout the processing, handling and operation of any applications using the
module.
The measured ESD values of module are shown in the following table.
Table 37: The ESD endurance (Temperature:25℃,Humidity:45 %)
Tested point
Contact
discharge
Air discharge
VBAT,GND
±5KV
±10KV
RF_ANT
±5KV
±10KV
PWRKEY
STATUS
±4KV
±8KV
SIM1_VDD, SIM1_DATA
SIM1_CLK, SIM1_RST
±4KV
±8KV
TXD, RXD
RTS, CTS, DTR
±4KV
±8KV
Others
±0.5KV
±1KV

M80 Hardware Design
M80_HD_V1.2 - 80 -
6. Mechanical dimensions
This chapter describes the mechanical dimensions of the module.
6.1. Mechanical dimensions of module
Figure 49: M80 top and side dimensions(Unit: mm)

M80 Hardware Design
M80_HD_V1.2 - 81 -
Figure 50: M80 bottom dimensions(Unit: mm)

M80 Hardware Design
M80_HD_V1.2 - 82 -
6.2. Footprint one of recommendation
frame line
silkscreen
Figure 51: Footprint one of recommendation(Unit: mm)

M80 Hardware Design
M80_HD_V1.2 - 83 -
6.3. Footprint two of recommendation
silkscreen
frame line
Figure 52: Footprint two of recommendation(Unit: mm)
Note
:
In order to maintain the module, keep about 3mm away between the module and other
components in the host PCB.

M80 Hardware Design
M80_HD_V1.2 - 84 -
6.4. Top view of the module
Figure 53: Top view of the module

M80 Hardware Design
M80_HD_V1.2 - 85 -
6.5. Bottom view of the module
Figure 54: Bottom view of the module

M80 Hardware Design
M80_HD_V1.2 - 86 -
7. Storage and manufacturing
7.1. Storage
M80 is distributed in vacuum-sealed bag. The restriction of storage condition is shown as below.
Shelf life in sealed bag: 12 months at <40℃/ 90%RH
After this bag is opened, devices that will be subjected to reflow solder or other high temperature
process must be:
Mounted within 72 hours at factory conditions of ≤30℃/60% RH
Stored at <10% RH
Devices require bake before mounting, if:
Humidity indicator card is >10% when read at 23℃±5 ℃
Mounted exceed 72 hours at factory conditions of ≤30℃/60% RH
If baking is required, devices may be baked for 48 hours at 125℃±5 ℃
Note: As plastic container cannot be subjected to high temperature, devices must be removed
prior to high temperature (125
℃
) bake. If shorter bake times are desired, refer to
IPC/JEDECJ-STD-033 for bake procedure.

M80 Hardware Design
M80_HD_V1.2 - 87 -
7.2. Soldering
The squeegee should push the paste on the surface of the stencil that makes the paste fill the
stencil openings and penetrate to the PCB. The force on the squeegee should be adjusted so as to
produce a clean stencil surface on a single pass. To ensure the module soldering quality, the
thickness of stencil at the hole of the module pads should be 0.13mm for M80.
Figure 55: Paste application
Suggest peak reflow temperature is from 235 ºC to 245ºC (for SnAg3.0Cu0.5 alloy). Absolute
max reflow temperature is 260ºC. To avoid damage to the module when it was repeatedly heated,
it is suggested that the module should be mounted after the first panel has been reflowed. The
following picture is the actual diagram which we have operated.

M80 Hardware Design
M80_HD_V1.2 - 88 -
Time(s)
50 100 150 200 250 300
50
100
150
200
250
160℃
200℃
217
0
70s~120s
40s~60s
Between 1~3℃/S
Preheat Heating Cooling
℃
s
Liquids Temperature
Figure 56: Ramp-Soak-Spike reflow profile
7.3. Packaging
M80 modules are distributed in trays of 20 pieces each. This is especially suitable for the M80
according to SMT processes requirements.
The trays are stored inside a vacuum-sealed bag which is ESD protected. It should not be opened
until the devices are ready to be soldered onto the application.
Figure 57: Module tray

M80 Hardware Design
M80_HD_V1.2 - 89 -
Appendix A: GPRS coding schemes
Four coding schemes are used in GPRS protocol. The differences between them are shown in
Table 38.
Table 38: Description of different coding schemes
Scheme
Code
rate
USF
Pre-coded
USF
Radio
Block
excl.USF
and BCS
BCS
Tail
Coded
bits
Punctured
bits
Data
rate
Kb/s
CS-1
1/2
3
3
181
40
4
456
0
9.05
CS-2
2/3
3
6
268
16
4
588
132
13.4
CS-3
3/4
3
6
312
16
4
676
220
15.6
CS-4
1
3
12
428
16
-
456
-
21.4
Radio block structure of CS-1, CS-2 and CS-3 is shown as Figure 59:
Figure 58: Radio block structure of CS-1, CS-2 and CS-3
Radio block structure of CS-4 is shown as Figure 60:
Figure 59: Radio block structure of CS-4
Block
code
No coding
456 bits
USF
BCS
Radio Block
Rate 1/2 convolutional coding
Puncturing
456 bits
USF
BCS
Radio Block

M80 Hardware Design
M80_HD_V1.2 - 90 -
Appendix B: GPRS multi-slot classes
Twenty-nine classes of GPRS multi-slot modes are defined for MS in GPRS specification.
Multi-slot classes are product dependant, and determine the maximum achievable data rates in
both the uplink and downlink directions. Written as 3+1 or 2+2, the first number indicates the
amount of downlink timeslots, while the second number indicates the amount of uplink timeslots.
The active slots determine the total number of slots the GPRS device can use simultaneously for
both uplink and downlink communications. The description of different multi-slot classes is
shown in Table 39.
Table 39: GPRS multi-slot classes
Multislot class
Downlink slots
Uplink slots
Active slots
1
1
1
2
2
2
1
3
3
2
2
3
4
3
1
4
5
2
2
4
6
3
2
4
7
3
3
4
8
4
1
5
9
3
2
5
10
4
2
5
11
4
3
5
12
4
4
5
