Quectel Wireless Solutions 201211M50 GSM/GPRS Module User Manual M10 Hardware Design
Quectel Wireless Solutions Company Limited GSM/GPRS Module M10 Hardware Design
User Manual

M50Hardware Design
M50_HD_V2.0 - 1 -
M50
Quectel Cellular Engine
Hardware Design
M50_HD_V2.0

M50Hardware Design
M50_HD_V2.0 - 2 -
Document Title M50 Hardware Design
Revision 2.0
Date 2012-06-26
Status Released
Document Control ID M50_HD_V2.0
General Notes
Quectel offers this information as a service to its customers, to support application and
engineering efforts that use the products designed by Quectel. The information provided is
based upon requirements specifically provided for customers of Quectel. Quectel has not
undertaken any independent search for additional information, relevant to any information
that may be in the customer’s possession. Furthermore, system validation of this product
designed by Quectel within a larger electronic system remains the responsibility of the
customer or the customer’s system integrator. All specifications supplied herein are subject to
change.
Copyright
This document contains proprietary technical information of Quectel Co., Ltd. Copying this
document, distribution to others, and communication of the contents thereof, are forbidden
without permission. Offenders are liable to the payment of damages. All rights are reserved in
the event of a patent grant or registration of a utility model or design. All specifications
supplied herein are subject to change without notice at any time.
Copyright © Shanghai Quectel Wireless Solutions Ltd. 2012.
Quecctel
Confidential

M50Hardware Design
M50_HD_V2.0 - 3 -
Contents
Contents ................................................................................................................................................... 3
Table Index .............................................................................................................................................. 5
Figure Index ............................................................................................................................................ 6
0. Revision history .................................................................................................................................. 8
1. Introduction ....................................................................................................................................... 9
1.1. Related documents.................................................................................................................... 9
1.2. Terms and abbreviations......................................................................................................... 10
1.3. Safety cautions ........................................................................................................................ 12
2. Product concept ............................................................................................................................. 15
2.1. Key features ............................................................................................................................ 15
2.2. Functional diagram ................................................................................................................. 17
2.3. Evaluation board ..................................................................................................................... 18
3. Application interface ...................................................................................................................... 19
3.1. Pin of module .......................................................................................................................... 20
3.1.1. Pin assignment .............................................................................................................. 20
3.1.2. Pin description .............................................................................................................. 22
3.2. Operating modes ..................................................................................................................... 29
3.3. Power supply........................................................................................................................... 30
3.3.1. Power features of module ............................................................................................ 30
3.3.2. Decrease supply voltage drop ...................................................................................... 30
3.3.3. Reference design for power supply ............................................................................. 31
3.3.4. Monitor power supply .................................................................................................. 32
3.4. Power on and down scenarios ................................................................................................ 32
3.4.1. Power on ....................................................................................................................... 32
3.4.2. Power down .................................................................................................................. 34
3.4.3. Restart ........................................................................................................................... 36
3.5. Charge interface ...................................................................................................................... 38
3.6. Power saving ........................................................................................................................... 38
3.6.1. Minimum functionality mode ...................................................................................... 38
3.6.2. SLEEP mode................................................................................................................. 39
3.6.3. Wake up module from SLEEP mode .......................................................................... 39
3.7. Summary of state transition ................................................................................................... 39
3.8. RTC backup............................................................................................................................. 40
3.9. Serial interfaces ...................................................................................................................... 41
3.9.1. UART Port .................................................................................................................... 42
3.9.2. Debug Port .................................................................................................................... 46
3.9.3. Auxiliary UART Port ................................................................................................... 46
3.9.4. UART application ........................................................................................................ 47
3.10. Audio interfaces .................................................................................................................... 50
3.10.1. Decrease TDD noise and other noise ........................................................................ 51
3.10.2. Microphone interfaces design.................................................................................... 51
Quecctel
Confidential

M50Hardware Design
M50_HD_V2.0 - 4 -
3.10.3. Receiver and speaker interface design ...................................................................... 52
3.10.4. Earphone interface design.......................................................................................... 54
3.10.5. Loud speaker interface design ................................................................................... 54
3.10.6. Audio characteristics .................................................................................................. 55
3.11. SIM card interface ................................................................................................................ 55
3.11.1. SIM card application .................................................................................................. 55
3.11.2. 6 Pin SIM cassette ...................................................................................................... 57
3.11.3. 8 Pin SIM cassette ...................................................................................................... 58
3.12. SD card interface .................................................................................................................. 60
3.13. PCM interface ....................................................................................................................... 62
3.13.1. Configuration .............................................................................................................. 62
3.13.2. Timing ......................................................................................................................... 63
3.13.3. Reference design ........................................................................................................ 64
3.13.4. AT command .............................................................................................................. 64
3.14. ADC ....................................................................................................................................... 66
3.15. Behaviors of the RI............................................................................................................... 66
3.16. Network status indication..................................................................................................... 69
3.17. Operating status indication .................................................................................................. 69
4. Antenna interface........................................................................................................................... 71
4.1. RF reference design ................................................................................................................ 71
4.2. RF output power ..................................................................................................................... 72
4.3. RF receiving sensitivity.......................................................................................................... 72
4.4. Operating frequencies............................................................................................................. 72
4.5. RF cable soldering .................................................................................................................. 73
5. Electrical, reliability and radio characteristics ......................................................................... 74
5.1. Absolute maximum ratings .................................................................................................... 74
5.2. Operating temperature ............................................................................................................ 74
5.3. Power supply ratings .............................................................................................................. 75
5.4. Current consumption .............................................................................................................. 76
5.5. Electro-static discharge .......................................................................................................... 78
6. Mechanical dimensions ................................................................................................................ 79
6.1. Mechanical dimensions of module ........................................................................................ 79
6.2. Recommended footprint without bottom centre pads .......................................................... 81
6.4. Top view of the module ......................................................................................................... 82
6.5. Bottom view of the module.................................................................................................... 83
7. Storage and manufacturing ......................................................................................................... 84
7.1. Storage ..................................................................................................................................... 84
7.2. Soldering ................................................................................................................................. 85
7.3. Packaging ................................................................................................................................ 86
Appendix A: GPRS coding schemes ............................................................................................. 87
Appendix B: GPRS multi-slot classes............................................................................................ 88
Quecctel
Confidential

M50Hardware Design
M50_HD_V2.0 - 5 -
Table Index
TABLE 1: RELATED DOCUMENTS ..................................................................................................... 9
TABLE 2: TERMS AND ABBREVIATIONS........................................................................................ 10
TABLE 3: MODULE KEY FEATURES ................................................................................................ 15
TABLE 4: CODING SCHEMES AND MAXIMUM NET D ATA R ATE S OV E R A IR INTERFACE .. 17
TABLE 5: M50 PIN ASSIGNMENT ..................................................................................................... 21
TABLE 6: PIN DESCRIPTION ............................................................................................................. 22
TABLE 7: OVERVIEW OF OPERATING MODES.............................................................................. 29
TABLE 8: PIN DEF INITION OF THE CHARGING ............................................................................ 38
TABLE 9: SUMMARY OF STATE TRANSITION ............................................................................... 39
TABLE 10: LOGIC LEVELS OF THE UART INTERFACES.............................................................. 42
TABLE 11: PIN DEFINITION OF THE UART INTERFACES ............................................................ 42
TABLE 12: PIN DEFINITION OF AUDIO INTERFACES .................................................................. 50
TABLE 13: AOUT3 OUTPUT CHARACTERISTICS .......................................................................... 51
TABLE 14: TYP ICAL ELECTRET MICROPHONE CHARACTERISTICS ....................................... 55
TABLE 15: TYP ICAL SP EAKER CHARACTERISTICS .................................................................... 55
TABLE 16: PIN DEFINITION OF THE SIM INTERFACE ................................................................. 56
TABLE 17: PIN DESCRIPTION OF AMPHENOL SIM CARD HOLDER ......................................... 58
TABLE 18: PIN DESCRIPTION OF MOLEX SIM CARD HOLDER ................................................. 59
TABLE 19: PIN DEFINITION OF THE SD CARD INTERFACE ....................................................... 60
TABLE 20: PIN NAME OF THE SD CARD AND MICRO SD CARD ............................................... 61
TABLE 21: PIN DEFINITION OF PCM INTERFACE......................................................................... 62
TABLE 22: CONFIGURATION ............................................................................................................ 62
TABLE 23: QPCMON COMMAND DESCRIPTION .......................................................................... 65
TABLE 24: QPCMVOL COMMAND DESCRIPTION ........................................................................ 65
TABLE 25: PIN DEFINITION OF THE ADC....................................................................................... 66
TABLE 26: CHAR ACTERISTICS OF THE ADC ................................................................................ 66
TABLE 27: BEHAVIORS OF THE RI .................................................................................................. 66
TABLE 28: WOR KING STATE OF THE NETLIGHT ......................................................................... 69
TABLE 29: PIN DEFINITION OF THE STATUS................................................................................. 69
TABLE 30: PIN DEFINITION OF THE RF_ANT ................................................................................ 71
TABLE 31: THE MODULE CONDUCTED RF OUTPUT POWER .................................................... 72
TABLE 32: THE MODULE CONDUCTED RF RECEIVING SENSITIVITY .................................... 72
TABLE 33: THE MODULE OPERATING FREQUENCIES ................................................................ 72
TABLE 34: ABSOLUTE MAXIMUM RATINGS................................................................................. 74
TABLE 35: OPERATING TEMPERATURE ......................................................................................... 74
TABLE 36: THE MODULE POWER SUPPLY RATINGS ................................................................... 75
TABLE 37: THE MODULE CURRENT CONSUMPTION .................................................................. 76
TABLE 38: THE ESD ENDURANCE (TEMPERATURE:25℃,HUMIDITY:45 %)............................ 78
TABLE 39: DESCRIPTION OF DIFFERENT CODING SCHEMES .................................................. 87
TABLE 40: GPRS MULTI-SLOT CLASSES ........................................................................................ 88
Quecctel
Confidential

M50Hardware Design
M50_HD_V2.0 - 6 -
Figure Index
FIGURE 1: MODULE FUNCTIONAL DIAGRAM ............................................................................. 18
FIGURE 2: PIN ASSIGNMENT ............................................................................................................ 20
FIGURE 3: VOLTAGE RIPPLE DURING TRANSMITTING ............................................................. 30
FIGURE 4: REFERENCE CIRCUIT FOR THE VBAT INPUT ............................................................ 31
FIGURE 5: REFERENCE CIRCUIT FOR POWER SUPPLY .............................................................. 31
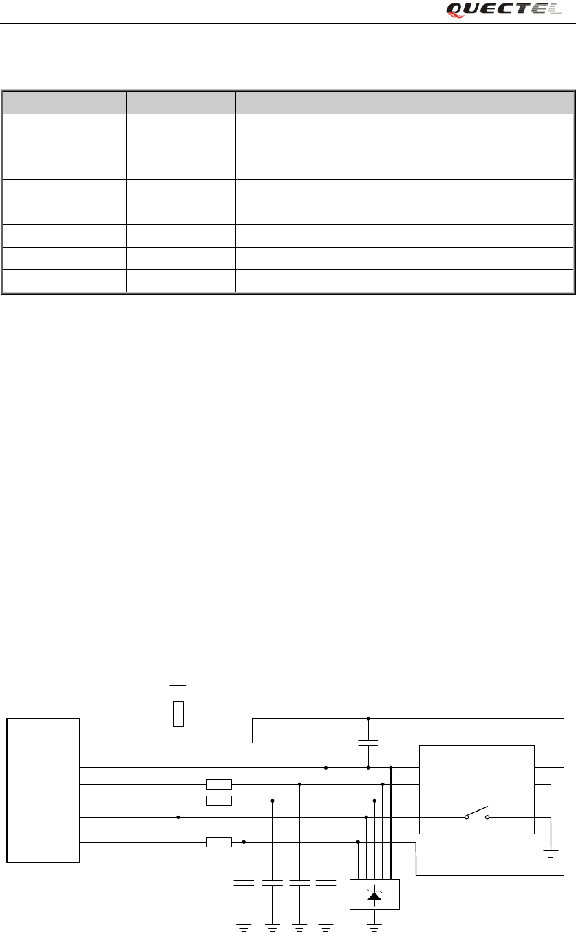
FIGURE 6: TURN ON THE MODULE USING DRIVING CIRCUIT................................................. 32
FIGURE 7: TURN ON THE MODULE USING KEYSTROKE ........................................................... 33
FIGURE 8: TIMING OF TURNING ON SYSTEM .............................................................................. 33
FIGURE 9: TIMING OF TURNING OFF THE MODULE................................................................... 34
FIGURE 10: REFERENCE CIRCUIT FOR EMERG_OFF BY USING DRIVING CIRCUIT ............ 36
FIGURE 11: REFERENCE CIRCUIT FOR EMERG_OFF BY USING BUTTON .............................. 36
FIGURE 12: TIMING OF RESTARTING SYSTEM ............................................................................ 37
FIGURE 13: TIMING OF RESTARTING S YSTEM AFTER EMERGENCY SHUTDOWN .............. 37
FIGURE 14: RTC SUPPLY FROM NON-CHARGEABLE BATTERY ............................................... 40
FIGURE 15: RTC SUPPLY FROM RECHARGEABLE BATTERY .................................................... 40
FIGURE 16: RTC SUPPLY FROM CAPACITOR ................................................................................ 40
FIGURE 17: SEIKO XH414H-IV01E CHARGE CHARACTER ISTICS ............................................. 41
FIGURE 18: REFERENCE DESIGN FOR FULL-FUNCTION UART ................................................ 44
FIGURE 19: REFERENCE DESIGN FOR UART PORT ..................................................................... 44
FIGURE 20: REFERENCE DESIGN FOR UART PORT WITH HARDWARE FLOW CONTROL... 45
FIGURE 21: REFERENCE DESIGN FOR FIRMWARE UPGRADE .................................................. 45
FIGURE 22: REFERENCE DESIGN FOR DEBUG PORT .................................................................. 46
FIGURE 23: REFERENCE DESIGN FOR AUXILIARY UART PORT ............................................... 47
FIGURE 24: LEVEL MATCH DESIGN FOR 3.3V SYSTEM.............................................................. 47
FIGURE 25: LEVEL MATCH DESIGN FOR 5V SYSTEM................................................................. 48
FIGURE 26: LEVEL MATCH DESIGN FOR RS-232 .......................................................................... 49
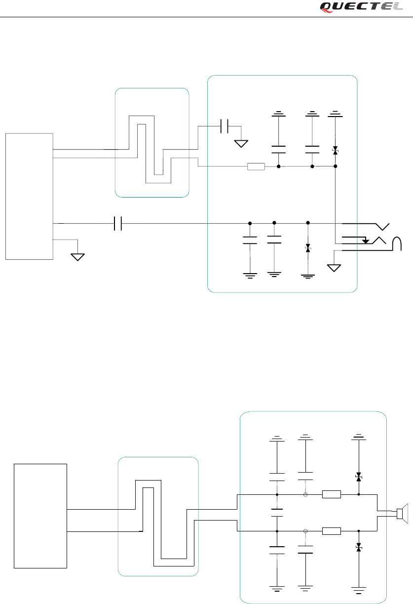
FIGURE 27: REFERENCE DESIGN FOR AIN1&AIN2...................................................................... 52
FIGURE 28: REFERENCE DESIGN FOR AOUT1 .............................................................................. 52
FIGURE 29: HANDSET INTERFACE DESIGN FOR AOUT2 ........................................................... 53
FIGURE 30: SPEAKER INTERFACE DESIGN WITH AN AMPLIF IER F OR AOUT2 ..................... 53
FIGURE 31: EARPHONE INTERFACE DESIGN ............................................................................... 54
FIGURE 32: LOUD SPEAKER INTERFACE DESIGN ....................................................................... 54
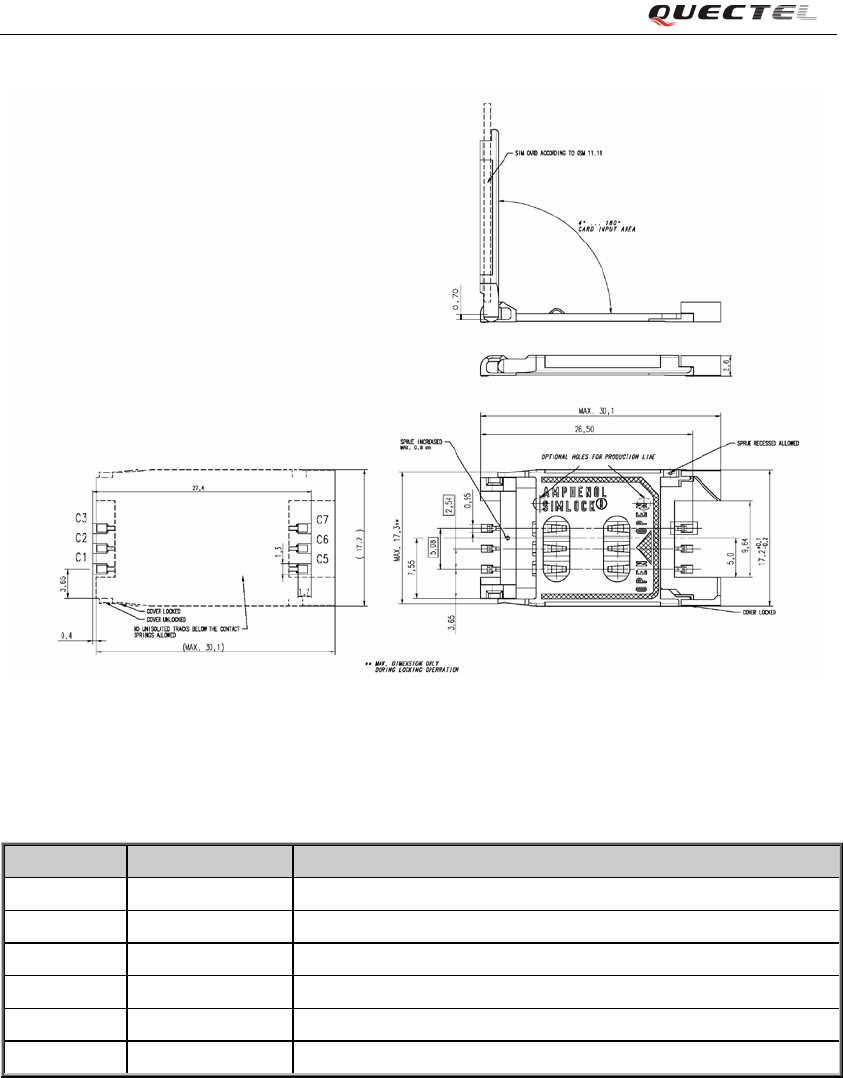
FIGURE 33: REFERENCE CIRCUIT OF THE 8 PINS SIM CARD .................................................... 56
FIGURE 34: REFERENCE CIRCUIT OF THE 6 PINS SIM CARD .................................................... 57
FIGURE 35: AMPHENOL C707 10M006 512 2 SIM CARD HOLDER .............................................. 58
FIGURE 36: MOLEX 91228 S IM CARD HOLDER ............................................................................ 59
FIGURE 37: REFERENCE CIRCUIT OF SD CARD ........................................................................... 60
FIGURE 38: LONG SYNCHRONIZATION & SIGN EXTENSION DIAGRAM ............................... 63
FIGURE 39: LONG SYNCHRONIZATION & ZERO PADDING DIAGRAM ................................... 63
FIGURE 40: SHORT SYNCHRONIZATION & SIGN EXTENSION DIAGRAM .............................. 63
FIGURE 41: SHORT SYNCHRONIZATION & ZERO PADDING DIAGRAM ................................. 64
Quecctel
Confidential

M50Hardware Design
M50_HD_V2.0 - 7 -
FIGURE 42: REFERENCE DESIGN FOR PCM .................................................................................. 64
FIGURE 43: RI BEHAVIOR OF VOICE CALLING AS A RECEIVER .............................................. 67
FIGURE 44: RI BEHAVIOR OF DATA CALLING AS A RECEIVER ................................................ 67
FIGURE 45: RI BEHAVIOR AS A CALLER ........................................................................................ 67
FIGURE 46: RI BEHAVIOR OF URC OR SMS RECEIVED .............................................................. 68
FIGURE 47: REFERENCE DESIGN FOR NETLIGHT ....................................................................... 69
FIGURE 48: REFERENCE DESIGN FOR STATUS ............................................................................ 70
FIGURE 49: REFERENCE DESIGN FOR RF ...................................................................................... 71
FIGURE 50: RF SOLDERING SAMP LE.............................................................................................. 73
FIGURE 51: M50 TOP AND SIDE DIMENSIONS .............................................................................. 79
FIGURE 52: M50 BOTTOM DIMENSIONS ........................................................................................ 80
FIGURE 53: RECOMMENDED FOOTPRINT WITHOUT BOTTOM CENTRE PADS .................... 81
FIGURE 55: TOP VIEW OF THE MODULE ....................................................................................... 82
FIGURE 56: BOTTOM VIEW OF THE MODULE .............................................................................. 83
FIGURE 57: PASTE APPLICATION .................................................................................................... 85
FIGURE 58: RAMP-SOAK-SPIKE REFLOW PROFILE .................................................................... 86
FIGURE 59: MODULE TRAY .............................................................................................................. 86
FIGURE 60: RADIO BLOCK STRUCTURE OF CS-1, CS-2 AND CS-3 ........................................... 87
FIGURE 61: RADIO BLOCK STRUCTURE OF CS-4 ........................................................................ 87
Quecctel
Confidential

M50Hardware Design
M50_HD_V2.0 - 8 -
0. Revision history
Revision Date Author Description of change
1.0 2011-12-20 Ray XU Initial
1.1 2012-02-03 Ray XU 1. Updated PCM interface
2. Updated SD interface
3. Updated charging interface
4. Updated timing of turning on the module
1.2 2012-07-20 Baly BAO 1. Deleted the USB interface
2. Deleted the camera interface
1.3 2012-10-22 Mountain ZHOU 1. Updated functional diagram
2. Updated reference design circuit
3. Updated audio characteristics
4. Updated VRTC DC characteristics
5. Updated SLEEP current consumption
6. Updated internet service protocols
7. Updated SIM pins’ name
8. Modified PCM function
9. Deleted FAX function
2.0 2012-06-16 Ray XU 1. Update the module size
2. Update the pin layout
Quecctel
Confidential

M50 Hardware Design
M50_HD_V2.0 - 9 -
1. Introduction
This document defines the M50 module and describes the hardware interface of M50 which are
connected with the customer application and the air interface.
This document can help customers quickly understand module interface specifications, electrical
and mechanical details. Associated with application notes and user guide, customers can use
M50module to design and set up mobile applications e a sil y.
1.1. Related documents
Table 1: Related documents
SN Document name Remark
[1] M50_ AT C AT commands set
[2] ITU-T
Draft new
recommendation V.25ter
Serial asynchronous automatic dialing and control
[3] GSM 07.07
Digital cellular telecommunications (Phase 2+); AT
command set for GSM Mobile Equipment (ME)
[4] GSM 07.10 Support GSM 07.10 multiplexing protocol
[5] GSM 07.05 Digital cellular telecommunications (Phase 2+); Use
of Data Terminal Equipment –
Data Circuit
terminating Equipment (DTE –
DCE) interface for
Short Message Service (SMS) and Cell Broadcast
Service (CBS)
[6] GSM 11.14 Digital cellular telecommunications (P
hase 2+);
Specification of the SIM Application Toolkit for the
Subscriber Identity module – Mobile Equipment (SIM
– ME) interface
[7] GSM 11.11
Digital cellular telecommunications (Phase 2+);
Specification of the Subscriber Identity module –
Mobile Equipment (SIM – ME) interface
[8] GSM 03.38
Digital cellular telecommunications (Phase 2+);
Alphabets and language-specific information
[9] GSM 11.10 Digital cellular telecommunications (Phase 2); Mobile
Station (MS) conformance specification; Part 1:
Conformance specification
[10] GSM_UART_AN UART port application note
[11] GSM_FW_Upgrade_AN01 GSM Firmware upgrade application note
[12] M10_EVB_UGD M10 EVB user guide
Quecctel
Confidential

M50 Hardware Design
M50_HD_V2.0 - 10 -
1.2. Terms and abbreviations
Table 2: Terms and abbreviations
Abbreviation Description
ADC Analog-to-Digital Converter
AMR Adaptive Multi-Rate
ARP Antenna Reference Point
ASIC Application Specific Integrated Circuit
BER Bit Error Rate
BOM Bill Of Material
BTS Base Transceiver Station
CHAP Challenge Handshake Authentication Protocol
CS Coding Scheme
CSD Circuit Switched Data
CTS Clear To Send
DAC Digital-to-Analog Converter
DRX Discontinuous Reception
DSP Digital Signal Processor
DCE Data Communications Equipment (typically module)
DTE Data Terminal Equipment (typically computer, external controller)
DTR Data Terminal Ready
DTX Discontinuous Transmission
EFR Enhanced Full Rate
EGSM Enhanced GSM
EMC Electromagnetic Compatibility
ESD Electrostatic Discharge
ETS European Telecommunication Standard
FCC Federal Communications Commission (U.S.)
FDMA Frequency Division Multiple Access
FR Full Rate
GMSK Gaussian Minimum Shift Keying
GPRS General Packet Radio Service
GSM Global System for Mobile Communications
HR Half Rate
I/O Input/Output
IC Integrated Circuit
IMEI International Mobile Equipment Identity
Imax Maximum Load Current
Inorm Normal Current
kbps Kilo Bits Per Second
LED Light Emitting Diode
Quecctel
Confidential

M50 Hardware Design
M50_HD_V2.0 - 11 -
Li-Ion Lithium-Ion
MO Mobile Originated
MS Mobile Station (GSM engine)
MT Mobile Terminated
PAP Password Authentication Protocol
PBCCH Packet Switched Broadcast Control Channel
PCB Printed Circuit Board
PDU Protocol Data Unit
PPP Point-to-Point Protocol
RF Radio Frequency
RMS Root Mean Square (value)
RTC Real Time Clock
RX Receive Direction
SIM Subscriber Identification Module
SMS Short Message Service
TDMA Time Division Multiple Access
TE Terminal Equipment
TX Transmitting Direction
UART Universal Asynchronous Receiver & Transmitter
URC Unsolicited Result Code
USSD Unstructured Supplementary Service Data
VSWR Voltage Standing Wave Ratio
Vmax Maximum Voltage Value
Vnorm Normal Voltage Value
Vmin Minimum Voltage Value
VIHmax Maximum Input High Level Voltage Value
VIHmin Minimum Input High Level Voltage Value
VILmax Maximum Input Low Level Voltage Value
VILmin Minimum Input Low Level Voltage Value
VImax Absolute Maximum Input Voltage Value
VImin Absolute Minimum Input Voltage Value
VOHmax Maximum Output High Level Voltage Value
VOHmin Minimum Output High Level Voltage Value
VOLmax Maximum Output Low Level Voltage Value
VOLmin Minimum Output Low Level Voltage Value
Phonebook abbreviations
LD SIM Last Dialing phonebook (list of numbers most recently dialed)
MC Mobile Equipment list of unanswered MT Calls (missed calls)
ON SIM (or ME) Own Numbers (MSISDNs) list
RC Mobile Equipment list of Received Calls
SM SIM phonebook
Quecctel
Confidential

M50 Hardware Design
M50_HD_V2.0 - 12 -
1.3. Safety cautions
The following safety precautions must be observed during all phases of the operation, such as
usage, service or repair of any cellular terminal or mobile incorporating M50module.
Manufacturers of the cellular terminal should send the following safety information to users and
operating personnel and to incorporate these guidelines into all manuals supplied with the product.
If not so, Quectel does not take on any liability for customer failure to comply with these
precautions.
When in a hospital or other health care facility, observe the restrictions about the
use of mobile. Switch the cellular terminal or mobile off. Medical equipment may
be sensitive to not operate normally for RF energy interference.
Switch off the cellular terminal or mobile before boarding an aircraft. Make sure
it switched off. The operation of wireless appliances in an aircraft is forbidden to
prevent interference with communication systems. Forget to think much of these
instructions may lead to the flight safety or offend against local legal action, or
both.
Do not operate the cellular terminal or mobile in the presence of flammable gas
or fume. Switch off the cellular terminal when you are near petrol
station, fuel
depot, chemical plant or where blasting operations are in progress. Operation of
any electrical equipment in potentially explosive atmosphere can constitute a
safety hazard.
Your cellular terminal or mobile receives and transmits radio frequency energy
while switched on. RF interference can occur if it is used close to TV set, radio,
computer or other electric equipment.
Road safety comes first! Do not use a hand-held cellular terminal or mobile while
driving a vehicle, unless it is securely mounted in a holder for hands-free
operation. Before making a call with a hand-held terminal or mobile, park the
vehicle.
Quecctel
Confidential

M50 Hardware Design
M50_HD_V2.0 - 13 -
According to the R&TTE Directive 1999/95/CE, all wireless equipment and
telecommunications terminals sold in EU must meet all the stipulated health,
safety RF, EMC requirements that provide for CE mark. Quectel Module M50
is fully in accordance with all the directives of EU.
1.4. Directives and standards
The M50 module is designed to comply with the FCC statements. FCC ID: XMR201211M50.
The Host system using M50, should have label indicated contains FCC ID: XMR201211M50.
1.4.1. FCC Statement
1. This device complies with Part 15 of the FCC rules. Operation is subject to the following
conditions:
a) This device may not cause harmful interference.
b) This device must accept any interference received, including interference that may cause
undesired operation.
2. Changes or modifications not expressly approved by the party responsible for compliance
could void the user’s authority to operate the equipment.
1.4.2. FCC Radiation exposure statement
This equipment complies with FCC radiation exposure limits set forth for an uncontrolled
environment. This equipment should be installed and operated with minimum distance 20cm
between the radiator and your body as well as kept minimum 20cm from radio antenna depending
on the Mobile status of this module usage.
GSM cellular terminals or mobiles operate over radio frequency signal and
cellular network and cannot be guaranteed to connect in all conditions, for
example no mobile fee or an invalid SIM card. While you are in this condition
and need emergent help, Please Remember using emergency call. In order to
make or receive call, the cellular terminal or mobile must be switched on and in
a service area with adequate cellular signal strength.
Some networks do not allow for emergency call if certain network services or
phone features are in use (e.g. lock functions, fixed dialing etc.). You may have
to deactivate those features before you can make an emergency call.
Also, some networks require that a valid SIM card be properly inserted in
cellular terminal or mobile.
Quecctel
Confidential

M50 Hardware Design
M50_HD_V2.0 - 14 -
The manual of the host system, which uses M50, must include RF exposure warning statement to
advice user should keep minimum 20cm from the radio antenna of M50 module depending on the
Mobile status.
The following list of antenna is indicating the maximum permissible antenna gain.
Type Maximum Gain
(850Hz/900Hz)
Maximum Gain
(1800Hz/1900Hz)
Impedance
External
Antenna
Monopole 0.5dBi 2dBi 50Ω
Vehicular antenna 0.5dBi 2dBi 50Ω
Internal
Antenna
Monopole 0.5dBi 2dBi 50Ω
PIFA 0.5dBi 2dBi 50Ω
FPC 0.5dBi 2dBi 50Ω
PCB 0.5dBi 2dBi 50Ω
This radio module must not be installed to co-locate and operate simu
ltaneously with other radios in host system;
additional testing and equipment authorization may be required to op
erating simultaneously with other radios.
Quecctel
Confidential

M50 Hardware Design
M50_HD_V2.0 - 15 -
2. Product concept
M50 is a Quad-band GSM/GPRS engine that works at frequencies of GSM850MHz,
GSM900MHz, DCS1800MHz and PCS1900MHz. The M50 features GPRS multi-slot class 12
and supports the GPRS coding schemes CS-1, CS-2, CS-3 and CS-4. For more details about
GPRS multi-slot classes and coding schemes, please refer to the Appendix A and Appendix B.
With a tiny profile of 24.5mm×25.3mm ×2.6mm, the module can meet almost all the requirements
for M2M applications, including Vehicles and Personal Tracking, Security System, Wireless POS,
Industrial PDA, Smart Metering, and Remote Maintenance & Control etc.
M50 is an SMD type module with LCC package, which can be embedded in customer’s
applications. It provides abundant hardware interfaces between the module and customer’s host
board.
Designed with power saving technique, the current consumption of M50 is as low as 1.3 mA in
SLEEP mode when DRX is 5.
M50 is integrated with Internet service protocols, such as TCP, UDP, FTP and PPP. Extended AT
commands have been developed for customer to use these Internet service protocols easily.
The module fully complies with the RoHS directive of the European Union.
2.1. Key features
Table 3: Module key features
Feature Description
Power supply Single supply voltage 3.3V~ 4.6V
Typical supply voltage 4.0V
Power saving Typical power consumption in SLEEP mode: 1.3 mA@ DRX=5
1.2 mA@ DRX=9
Frequency bands Quad-band: GSM850, GSM900, DCS1800, PCS1900.
The module can search these frequency bands automatically
The frequency bands can be set by AT command.
Compliant with GSM Phase 2/2+
GSM class Small MS
Transmitting power Class 4 (2W) at GSM850 and GSM900
Class 1 (1W) at DCS1800 and PCS1900
GPRS connectivity GPRS multi-slot class 12 (default)
GPRS multi-slot class 1~12 (configurable)
GPRS mobile station class B
Quecctel
Confidential

M50 Hardware Design
M50_HD_V2.0 - 16 -
Temperature range Normal operation: -35°C ~ +80°C
Restricted operation: -40°C ~ -35°C and +80°C ~ +85°C 1)
Storage temperature: -45°C ~ +90°C
DATA GPRS:
CSD:
GPRS data downlink transfer: max. 85.6 kbps
GPRS data uplink transfer: max. 85.6 kbps
Coding scheme: CS-1, CS-2, CS-3 and CS-4
Support the protocols PAP (Password Authentication Protocol)
usually used for PPP connections
Internet service protocols
TCP/UDP/FTP/PPP/HTTP/NTP/PING
Support Packet Broadcast Control Channel (PBCCH)
CSD transmission rates: 2.4, 4.8, 9.6, 14.4 kbps non-transparent
Support Unstructured Supplementary Service Data (USSD)
SMS Text and PDU mode
SMS storage: SIM card
SIM interface Support SIM card: 1.8V, 3V
Audio features Speech codec modes:
Half Rate (ETS 06.20)
Full Rate (ETS 06.10)
Enhanced Full Rate (ETS 06.50 / 06.60 / 06.80)
Adaptive Multi-Rate (AMR)
Echo Suppression
Echo Cancellation
Noise Reduction
Embedded one amplifier of class AB with maximum driving
power up to 800mW
UART interfaces UART Port:
Seven lines on UART port interface
Used for AT command, GPRS data and CSD data
Multiplexing function
Support autobauding from 4800 bps to 115200 bps
Debug Port:
Two lines on debug port interface DBG_TXD and DBG_RXD
Debug Port only used for firmware debugging
Auxiliary Port:
Used for AT command
Phonebook management Support phonebook types: SM, ME, ON, MC, RC, DC, LD, LA
SIM Application Toolkit Support SAT class 3, GSM 11.14 Release 99
Real time clock Supported
Physical characteristics Size:
24.5 (±0.15) × 25.3 (±0.15) × 2.6 (±0.2) mm
Weight: 3.3g
Firmware upgrade Firmware upgrade via UART Port
Quecctel
Confidential

M50 Hardware Design
M50_HD_V2.0 - 17 -
Antenna interface Connected to antenna pad with 50 Ohm impedance control
1
)
When the module works in this temperature range, the deviations from the GSM specification
may occur. For example, the frequency error or the phase error will be increased.
Table 4: Coding schemes and maximum net data rates over air interface
Coding scheme 1 Timeslot 2 Timeslot 4 Timeslot
CS-1 9.05kbps 18.1kbps 36.2kbps
CS-2 13.4kbps 26.8kbps 53.6kbps
CS-3 15.6kbps 31.2kbps 62.4kbps
CS-4 21.4kbps 42.8kbps 85.6kbps
2.2. Functional diagram
The following figure shows a block diagram of the M50 module and illustrates the major
functional parts:
Power management
Baseband
Serial Flash
The radio frequency part
The peripheral interface
—Charge interface
—PCM interface
—SD interface
—SIM interface
—Audio interface
—Serial interface
—Power supply
—RF interface
—ADC
—Turn on/off interface (PWRKEY & EMERG_OFF)
Quecctel
Confidential

M50 Hardware Design
M50_HD_V2.0 - 18 -
BB&RF
RF PAM
SAW
Filter
Serial
Flash
32KHz
26MHzRF Transceiver
Audio
RTC
GPIO
Serial
Interface Memory
Interface
PCM
Interface
SIM
Interface
SD
Interface
ADC
RF_ANT
VBAT
PWRKEY
EMERG_OFF
VRTC
ADC
STATUS&
NETLIGHT
UART
SIM
Interface
Audio
SD
Interface
PCM
Inteface
Reset
ESD
PMU
Charge
Interface Charge
Figure 1: Module functional diagram
2.3. Evaluation board
In order to help customer to develop applications with M50 , Quectel supplies an evaluation board
(EVB), RS-232 to USB cable, power adapter, earphone, antenna and other peripherals to control
or test the module. For details, please refer to the document [12].
Quecctel
Confidential

M50 Hardware Design
M50_HD_V2.0 - 19 -
3. Application interface
The module is equipped with 83-pin SMT pads and it adopts LCC package. Detailed descriptions
on Sub-interfaces included in these pads are given in the following chapters:
Power supply
Power on/down
Charge interface
RTC
Serial interfaces
Audio interfaces
SIM interface
SD interface
PCM interface
ADC
Quecctel
Confidential

M50 Hardware Design
M50_HD_V2.0 - 20 -
3.1. Pin of module
3.1.1. Pin assignment
1
2
3
4
5
6
7
8
9
10
11
12
13
14
15
16
17
18
19
20 21 22 23 24 25 26 27 28 29 30 31 32 33 34 35 36 37
38
39
40
41
42
43
44
45
46
47
48
49
50
51
52
53
54
55
56
575859606162636465666768697071727374
Top view
75
76
77
78
79
80
81
82
83
SIM_PRESENCE
RESERVED
VRTC
VDD_EXT
GND
GND
RF_ANT
GND
GND
GND
VBAT
VBAT
VBAT
VBAT
RESERVED
RESERVED
RESERVED
RESERVED
ADC1
ADC0
RESERVED
NETLIGHT
SPK2P
AGND
MIC2P
MIC2N
MIC1P
MIC1N
SPK1N
SPK1P
LOUDSPKN
LOUDSPKP
STATUS
PWRKEY
EMERG_OFF
PCM_IN
PCM_CLK RESERVED
RESERVED
TXD_AUX
RXD_AUX
DBG_TXD
DBG_RXD
RESERVED
DCD
RI
DTR
CTS
RTS
RXD
TXD
SIM1_GND
SIM1_RST
SIM1_CLK
SIM1_DATA
SIM1_VDD
VBAT GND PCM
RF UART
Power SIM Reserved Audio
ADC
Other
SD
PCM_OUT
PCM_SYNC
RESERVED
RESERVED
RESERVED
RESERVED
RESERVED
RESERVED
RESERVED
RESERVED
RESERVED
RESERVED
RESERVED
RESERVED
SD_CMD
SD_CLK
SD_DATA0
GND
RESERVED
RESERVED
RESERVED
RESERVED
GND
GND
GND
GND
Figure 2: Pin assignment
Quecctel
Confidential

M50 Hardware Design
M50_HD_V2.0 - 21 -
Table 5: M50 pin assignment
管脚号
管脚名
输入
/
输出
管脚号
管脚名
输入
/
输出
1 ADC1 I 2 ADC0 I
3 RESERVED 4 NETLIGHT O
5 SPK2P O 6 AGND
7 MIC2P I 8 MIC2N I
9 MIC1P I 10 MIC1N I
11 SPK1N O 12 SPK1P O
13 LOUDSPKN O 14 LOUDSPKP O
15 S TAT U S O 16 PWRKEY I
17 EMERG_OFF I 18 PCM_IN I
19 PCM_CLK O 20 PCM_OUT O
21 PCM_SYNC O 22 RESERVED
23 RESERVED 24 RESERVED
25 RESERVED 26 RESERVED
27 RESERVED 28 RESERVED
29 RESERVED 30 RESERVED
31 RESERVED 32 RESERVED
33 RESERVED 34 SD_CMD O
35 SD_CLK O 36 SD_DATA0 I/O
37 GND 38 RESERVED
39 RESERVED 40 TXD_AUX O
41 RXD_AUX I 42 DBG_TXD O
43 DBG_RXD I 44 RESERVED
45 DCD O 46 RI O
47 DTR I 48 CTS O
49 RTS I 50 RXD I
51 TXD O 52 SIM_GND
53 SIM_RST O 54 SIM_CLK O
55 S I M _ D ATA I/O 56 SIM_VDD O
57 SIM_PRESENCE I 58 RESERVED
59 VRTC I/O 60 VDD_EXT O
61 GND 62 GND
63 RF_ANT I/O 64 GND
65 GND 66 GND
67 V B AT I 68 V B AT I
69 V B AT I 70 V B AT I
71 RESERVED 72 RESERVED
Quecctel
Confidential

M50 Hardware Design
M50_HD_V2.0 - 22 -
73 RESERVED 74 RESERVED
75 RESERVED 76 RESERVED
77 RESERVED 78 RESERVED
79 GND 80 GND
81 GND 82 GND
83 GND
Note: Keep all reserved pins open.
3.1.2. Pin description
Table 6: Pin description
Power supply
PIN NAME PIN
NO.
I/O DESCRIPTION DC
CHARACTERISTICS
COMMENT
V B AT 67,
68,
69,
70
I Main power supply
of module:
VBAT=3.3V~4.6V
Vmax= 4.6V
Vmin=3.3V
Vnorm=4.0V
Make sure that
supply sufficient
current in a
transmitting
burst which
typically rises to
1.6A.
VRTC 59 I/O Power supply for
RTC when V B AT is
not supplied for the
system.
Charging for backup
battery or golden
capacitor when the
VBAT is supplied.
VImax=3.3V
VImin=1.5V
VInorm=2.8V
VOmax=2.85V
VOmin=2.6V
VOnorm=2.8V
Iout(max)= 1mA
Iin=2.6~5 uA
If unused, keep
this pin open.
VDD_EXT 60 O Supply 2.8V voltage
for external circuit.
Vmax=2.9V
Vmin=2.7V
Vnorm=2.8V
Imax=20mA
1. If unused,
keep this pin
open.
2. Recommended
to add a
2.2~4.7uF
bypass capacitor
when supplying
power for
external circuit.
GND 37,
61,
Ground
Quecctel
Confidential

M50 Hardware Design
M50_HD_V2.0 - 23 -
62,
64,
65,
66,
Turn on/off
PIN NAME PIN
NO.
I/O DESCRIPTION DC
CHARACTERISTICS
COMMENT
PWRKEY 15 I Turn on/off control.
PWRKEY should be
pulled down for a
moment to turn on
or off the system.
VILmax=
0.1×V B AT
VIHmin=
0.6×V B AT
V I m a x = V B AT
Pulled up to
VBAT internally.
Emergency shutdown
PIN NAME PIN
NO.
I/O DESCRIPTION DC
CHARACTERISTICS
COMMENT
EMERG_OFF 17 I Emergency off.
Pulled down for at
least 20ms, which
will turn off the
module in case of
emergency. Use it
only when normal
shutdown through
PWRKEY or AT
command cannot
perform well.
VILmax=0.4V
VIHmin=2.2V
Vopenmax=2.8V
Open
drain/collector
driver required in
cellular device
application.
If unused, keep
this pin open.
Module indicator
PIN NAME PIN
NO.
I/O DESCRIPTION DC
CHARACTERISTICS
COMMENT
S TAT U S 16 O Indicate module
operating status.
High level indicates
module is power-on
and low level
indicates
power-down.
VOHmin=
0.85×VDD_EXT
VOLmax=
0.15×VDD_EXT
If unused, keep
this pin open.
Audio interface
PIN NAME PIN
NO.
I/O DESCRIPTION DC
CHARACTERISTICS
COMMENT
MIC1P
MIC1N
9, 10 I Channel one for
positive and
negative voice-band
input
If unused, keep
these pins open.
Quecctel
Confidential

M50 Hardware Design
M50_HD_V2.0 - 24 -
MIC2P
MIC2N
7, 8 I Channel two for
positive and
negative voice-band
input
SPK1P
SPK1N
12, 11
O Channel one for
positive and
negative voice-band
output
1. If unused,
keep these pins
open.
2. Support both
voice and
ringtone output.
SPK2P 5 O Channel two for
voice-band output
AGND 6 Analog ground.
Constitute a pseudo
differential channel
with SPK2P.
LOUDSPKN
LOUDSPKP
13,
14
O Channel three of
positive and
negative voice-band
output
1. If unused,
keep these pins
open.
2. Embedded
amplifier of class
AB internally.
3. Support both
voice and
ringtone output.
Net status indicator
PIN NAME PIN
NO.
I/O DESCRIPTION DC
CHARACTERISTICS
COMMENT
NETLIGHT 4 O Network status
indication
VOHmin=
0.85×VDD_EXT
VOLmax=
0.15×VDD_EXT
If unused, keep
this pin open.
UART Port
PIN NAME PIN
NO.
I/O DESCRIPTION DC
CHARACTERISTICS
COMMENT
DTR 47 I Data terminal ready VILmin=0V
VILmax=
0.25×VDD_EXT
VIHmin=
0.75×VDD_EXT
VIHmax=
VDD_EXT+0.3
VOHmin=
0.85×VDD_EXT
VOLmax=
If only use TXD,
RXD and GND
to communicate,
recommend
pulling down
RTS and keeping
other pins open.
RXD 50 I Receive data
TXD 49 O Transmit data
RTS 51 I Request to send
CTS 48 O Clear to send
RI 46 O Ring indicator
DCD 45 O Data carrier
detection
Quecctel
Confidential

M50 Hardware Design
M50_HD_V2.0 - 25 -
0.15×VDD_EXT
Debug Port
PIN NAME PIN
NO.
I/O DESCRIPTION DC
CHARACTERISTICS
COMMENT
DBG_TXD 42 O UART interface for
debugging only.
VILmin=0V
VILmax=
0.25×VDD_EXT
VIHmin=
0.75×VDD_EXT
VIHmax=
VDD_EXT+0.3
VOHmin=
0.85×VDD_EXT
VOLmax=
0.15×VDD_EXT
If unused, keep
these pins open.
DBG_RXD 43 I
Auxiliary UART Port
PIN NAME PIN
NO.
I/O DESCRIPTION DC
CHARACTERISTICS
COMMENT
TXD_AUX 40 O Transmit data VILmin=0V
VILmax=
0.25×VDD_EXT
VIHmin=
0.75×VDD_EXT
VIHmax=
VDD_EXT+0.3
VOHmin=
0.85×VDD_EXT
VOLmax=
0.15×VDD_EXT
If unused, keep
these pins open.
RXD_AUX 41 I Receive data
SIM interface
PIN NAME PIN
NO.
I/O DESCRIPTION DC
CHARACTERISTICS
COMMENT
SIM_VDD 56 O Power supply for
SIM card
The voltage can be
selected by firmware
automatically. Either
1.8V or 3V.
All signals of
SIM interface
should be
protected against
ESD with a TVS
diode array.
Maximum cable
length is 200mm
from the module
pad to SIM card
S I M _ D ATA 54 I/O SIM data 3V:
VOLmax=0.4
VOHmin=
SIM_VDD-0.4
1.8V:
VOLmax=
Quecctel
Confidential

M50 Hardware Design
M50_HD_V2.0 - 26 -
0.15×SIM_VDD
VOHmin=
SIM_VDD-0.4
holder.
SIM_CLK 55 O SIM clock 3V:
VOLmax=0.4
VOHmin=
0.9×SIM_VDD
1.8V:
VOLmax=
0.12×SIM_VDD
VOHmin=
0.9×SIM_VDD
SIM_RST 53 O SIM reset 3V:
VOLmax=0.36
VOHmin=
0.9×SIM_VDD
1.8V:
VOLmax=
0.2×SIM_VDD
VOHmin=
0.9×SIM_VDD
SIM_GND 52 SIM ground
SIM_PRESEN
CE
57 I SIM card detection VILmin=0V
VILmax=
0.25×VDD_EXT
VIHmin=
0.75×VDD_EXT
VIHmax=
VDD_EXT+0.3
If unused, keep
this pin open.
ADC
PIN NAME PIN
NO.
I/O DESCRIPTION DC
CHARACTERISTICS
COMMENT
ADC0 2 I General purpose
analog to digital
converter.
Voltage range: 0V to
2.8V
Please give
priority to the
use of ADC0.
If unused, keep
these pins open.
ADC1 1 I General purpose
analog to digital
converter.
Voltage range: 0V to
2.8V
PCM
PIN NAME PIN
NO.
I/O DESCRIPTION DC
CHARACTERISTICS
COMMENT
PCM_CLK 19 O PCM clock VILmin=0V
VILmax=
PCM_IN 18 I PCM data input
Quecctel
Confidential

M50 Hardware Design
M50_HD_V2.0 - 27 -
PCM_OUT 20 O PCM data output 0.25×VDD_EXT
VIHmin=
0.75×VDD_EXT
VIHmax=
VDD_EXT+0.3
VOHmin=
0.85×VDD_EXT
VOLmax=
0.15×VDD_EXT
PCM_SYNC 21 O PCM frame
synchronization
SD card
PIN NAME PIN
NO.
I/O DESCRIPTION DC
CHARACTERISTICS
COMMENT
SD_CMD 34 O SD command VILmin=0V
VILmax=
0.25×VDD_EXT
VIHmin=
0.75×VDD_EXT
VIHmax=
VDD_EXT+0.3
VOHmin=
0.85×VDD_EXT
VOLmax=
0.15×VDD_EXT
SD_CLK 35 O SD clock
SD_DATA0 36 I/O SD data
RF interface
PIN NAME PIN
NO.
I/O DESCRIPTION DC
CHARACTERISTICS
COMMENT
RF_ANT 63 I/O RF antenna pad Impedance of 50Ω
Other interface
PIN NAME PIN
NO.
I/O DESCRIPTION DC
CHARACTERISTICS
COMMENT
DOWNLOAD 3 I VILmin=0V
VILmax=
0.25×VDD_EXT
VIHmin=
0.75×VDD_EXT
VIHmax=
VDD_EXT+0.3
Keep this pin
open.
RESERVED 22~
33,
38~
39,
44,
58,
Keep these pins
open.
Quecctel
Confidential

M50 Hardware Design
M50_HD_V2.0 - 28 -
71~
75
Quecctel
Confidential

M50 Hardware Design
M50_HD_V2.0 - 29 -
3.2. Operating modes
The table below briefly summarizes the various operating modes in the following chapters.
Table 7: Overview of operating modes
Mode Function
Normal operation GSM/GPRS
SLEEP
The module will automatically go into SLEEP mode if DTR
is set to high level and there is no interrupt (such as GPIO
interrupt or data on UART port).
In this case, the current consumption of module will reduce
to the minimal level.
During SLEEP mode, the module can still receive paging
message and SMS from the system normally.
GSM IDLE Firmware is active. The module has registered to the GSM
network, and the module is ready to send and receive GSM
data.
GSM TALK
GSM connection is ongoing. In this mode
, the power
consumption is decided by the configuration of Power
Control Level (PCL), dynamic DTX control and the working
RF band.
GPRS IDLE The module is not registered to GPRS network. The module
is not reachable through GPRS channel.
GPRS
STANDBY
The module is registered to GPRS network, but
no GPRS
PDP context is active. The SGSN knows the Routing Area
where the module is located at.
GPRS
READY
The PDP context is active, but no data transfer is ongoing.
The module is ready to receive or send GPRS data. The
SGSN knows the cell where the module is located at.
GPRS DATA There is GPRS data in transfer. In this mode
, power
consumption is
decided by the PCL, working RF band and
GPRS multi-slot configuration.
Power down Normal shutdown by sending the “AT+QPOWD=1” command, using the
PWRKEY or the EMERG_OFF1) pin. The power management ASIC
disconnects the power supply from the base band part of the module, and only
the power supply for the RTC is remained. Software is not active. The UART
interfaces are not accessible. Operating voltage (connected to VBAT) remains
applied.
Minimum
functionality
mode (without
removing power
supply)
“AT+CFUN” command can set the module to a minimum functionality mode
without removing the power supply. In this case, the RF part of the module
will not work or the SIM card will not be accessible, or both RF part and SIM
card will be disabled, but the UART port is still accessible. The power
consumption in this case is very low.
Quecctel
Confidential

M50 Hardware Design
M50_HD_V2.0 - 30 -
1) Use the EMERG_OFF pin only while failing to turn off the module by the command
“AT+QPOWD=1” and the PWRKEY pin. Please refer to the Section 3.4.2.4.
3.3. Power supply
3.3.1. Power features of module
The power supply is one of the key issues in the designing GSM terminals. Due to the 577us radio
burst emission in GSM every 4.615ms, power supply must be able to deliver high current peaks in
a burst period. During these peaks, drops on the supply voltage must not exceed minimum
working voltage of module.
For the M50 module, the max current consumption could reach to 1.6A during a transmit burst. It
will cause a large voltage drops on the VBAT. In order to ensure stable operation of the module, it
is recommended that the max voltage drop during the transmit burst does not exceed 400mV.
Vdrop
4.615ms
577us
I
VBAT
VBAT
Burst:1.6A
Figure 3: Voltage ripple during transmitting
3.3.2. Decrease supply voltage drop
The power supply rang of the module is 3.3V to 4.6V. Make sure that the input voltage will never
drop below 3.3V even in a transmitting burst. If the power voltage drops below 3.3V, the module
could turn off automatically. For better power performance, it is recommended to place a 100uF
tantalum capacitor with low ESR (ESR=0.7Ω) and ceramic capacitor 100nF, 33pF and 10pF near
the VBAT pin. The reference circuit is illustrated in Figure 4.
The V B AT r o u t e should be wide enough to ensure that there is not too much voltage drop
occurring during transmit burst. The width of trace should be no less than 2mm and the principle
of the VBAT route is the longer route, the wider trace.
Quecctel
Confidential

M50 Hardware Design
M50_HD_V2.0 - 31 -
VBAT
C2C1
+C3 C4
GND
100uF 100nF 10pF
0603
33pF
0603
Figure 4: Reference circuit for the VBAT input
3.3.3. Reference design for power supply
The power design for the module is very important, since the performance of power supply for the
module largely depends on the power source. The power supply is capable of providing the
sufficient current up to 2A at least. If the voltage drop between the input and output is not too high,
it is suggested to use a LDO as module’s power supply. If there is a big voltage difference
between the input source and the desired output (VBAT), a switcher power converter is prefer to
use as a power supply.
Figure 5 shows a reference design for +5V input power source. The designed output for the power
supply is 4.16V and the maximum load current is 3A. In addition, in order to get a stable output
voltage, a zener diode is placed close to the pins of VBAT. As to the zener diode, it is suggested to
use a zener diode which reverse zener voltage is 5.1V and dissipation power is more than 1 Watt.
DC_IN
C1 C2
MIC29302 U1
IN OUT
EN
GND
ADJ
2 4
1
3
5
VBAT
100nF
C3
470uF
C4
100nF
R1
D1
120K
51K
R2
470uF
Figure 5: Reference circuit for power supply
Quecctel
Confidential

M50 Hardware Design
M50_HD_V2.0 - 32 -
3.3.4. Monitor power supply
To monitor the supply voltage, customer can use the “AT+CBC” command which includes three
parameters: charging status, remaining battery capacity and voltage value (in mV). It returns the
0~100 percent of battery capacity and actual value measured between VBAT and GND. The
voltage is automatically measured in period of 5s. The displayed voltage (in mV) is averaged over
the last measuring period before the “AT+CBC” command is executed.
For details, please refer to the document [1].
3.4. Power on and down scenarios
3.4.1. Power on
Customer’s application can turn on the module by driving the pin PWRKEY to a low level voltage,
and after STATUS pin outputs a high level, PWRKEY pin can be released. Customer may monitor
the level of the STATUS pin to judge whether the module is power-on or not. An open collector
driver circuit is suggested to control the PWRKEY. A simple reference circuit is illustrated as
below.
Turn on pulse
PWRKEY
4.7K
47K
Figure 6: Turn on the module using driving circuit
Note: The module is set to autobauding mode (AT+IPR=0) in default configuration. In the
autobauding mode, the URC “RDY” after powering on is not sent to host controller. When the
module receives AT command, it will be powered on after a delay of 2 or 3 seconds. Host
controller should firstly send an “AT” or “at” string in order that the module can detect baud
rate of host controller, and it should send the second or the third “ AT” or “at” string until
receiving “OK” string from the module. Then an “AT+IPR=x;&W” should be sent to set a fixed
baud rate for the module and save the configuration to flash memory of the module. After these
configurations, the URC “RDY” would be received from the UART Port of the module every
time when the module is powered on. Refer to the section “AT+IPR” in document [1].
Quecctel
Confidential

M50 Hardware Design
M50_HD_V2.0 - 33 -
The other way to control the PWRKEY is using a button directly. A TVS component is
indispensable to be placed nearby the button for ESD protection. When pressing the key,
electrostatic strike may generate from finger. A reference circuit is shown in the following figure.
S1
PWRKEY
TVS1
Close to S1
Figure 7: Turn on the module using keystroke
The power-on scenarios is illustrated as the following figure.
EMERG_OFF
(INPUT)
VDD_EXT
(OUTPUT)
VIL<0.1*VBAT
VIH > 0.6*VBAT
VBAT
PWRKEY
(INPUT)
54ms
STATUS
(OUTPUT)
800ms
>1s
OFF BOOTING
MODULE
STATUS
RUNNING
2
1
Figure 8: Timing of turning on system
① Make sure that VBAT is stable before pulling down PWRKEY pin. The time between them
is recommended 30ms.
② EMERG_OFF should be floated when it is unused
Quecctel
Confidential

M50 Hardware Design
M50_HD_V2.0 - 34 -
3.4.2. Power down
The following procedures can be used to turn off the module:
Normal power down procedure: Turn off module using the PWRKEY pin
Normal power down procedure: Turn off module using command “AT+QPOWD”
Over-voltage or under-voltage automatic shutdown: Take effect when over-voltage o r
under-voltage is detected
Emergent power down procedure: Turn off module using the EMERG_OFF pin
3.4.2.1. Power down module using the PWRKEY pin
Customer’s application can turn off the module by driving the PWRKEY to a low level voltage for
a certain time. The power down scenario is illustrated in Figure 9.
VBAT
PWRKEY
(INPUT)
STATUS
(OUTPUT)
EMERG_OFF
(INPUT)
Logout net about 2s to 12s
0.6s<Pulldown<1s
>160us
Figure 9: Timing of turning off the module
The power down procedure causes the module to log off from the network and allows the
firmware to save important data before completely disconnecting the power supply, thus it is a
safe way.
Before the completion of the power down procedure, the module sends out the result code shown
below:
NORMAL POWER DOWN
Note: This result code does not appear when autobauding is active and DTE and DCE are not
correctly synchronized after start-up. The module is recommended to set a fixed baud rate.
After that moment, no further AT commands can be executed. Then the module enters the power
down mode, only the RTC is still active. The power down mode can also be indicated by the
Quecctel
Confidential

M50 Hardware Design
M50_HD_V2.0 - 35 -
STATUS pin, which is a low level voltage in this mode.
3.4.2.2. Power down module using AT command
Customer’s application can turn off the module via AT command “AT+QPOWD=1”. This
command will let the module to log off from the network and allow the firmware to save
important data before completely disconnecting the power supply, thus it is a safe way.
Before the completion of the power down procedure the module sends out the result code shown
below:
NORMAL POWER DOWN
After that moment, no further AT commands can be executed. And then the module enters the
power down mode, only the RTC is still active. The power down mode can also be indicated by
STATUS pin, which is a low level voltage in this mode.
Please refer to the document [1] for details about the AT command “AT+QPOWD”.
3.4.2.3. Over-voltage or under-voltage automatic shutdown
The module will constantly monitor the voltage applied on the VBAT, if the voltage is ≤ 3.5V,
the following URC will be presented:
UNDER_VOLTAGE WARNING
If the voltage is ≥ 4.5V, the following URC will be presented:
OVER_VOLTAGE WARNING
The normal input voltage range is from 3.3V to 4.6V. If the voltage is > 4.6V or < 3.3V, the
module would automatically shutdown itself.
If the voltage is < 3.3V, the following URC will be presented:
UNDER_VOLTAGE POWER DOWN
If the voltage is > 4.6V, the following URC will be presented:
OVER_VOLTAGE POWER DOWN
Note: These result codes do not appear when autobauding is active and DTE and DCE are not
Quecctel
Confidential

M50 Hardware Design
M50_HD_V2.0 - 36 -
correctly synchronized after start-up. The module is recommended to set to a fixed baud rate.
After that moment, no further AT commands can be executed. The module logs off from network
and enters power down mode, and only RTC is still active. The power down mode can also be
indicated by the pin STATUS, which is a low level voltage in this mode.
3.4.2.4. Emergency shutdown using EMERG_OFF pin
The module can be shut down by driving the pin EMERG_OFF to a low level voltage over 20ms
and then releasing it. The EMERG_OFF line can be driven by an open-drain/collector driver or a
button. The circuit is illustrated as the following figures.
Emergency
shutdown pulse
EMERG_OFF
4.7K
47K
Figure 10: Reference circuit for EMERG_OFF by using driving circuit
S2
EMERG_OFF
TVS2
Close to S2
Figure 11: Reference circuit for EMERG_OFF by using button
3.4.3. Restart
Customer’s application can restart the module by driving the PWRKEY to a low level voltage for
a certain time, which is similar to the way of turning on module. Before restarting the module, at
Quecctel
Confidential

M50 Hardware Design
M50_HD_V2.0 - 37 -
least 500ms should be delayed after detecting the low level of STATUS. The restart timing is
illustrated as the following figure.
PWRKEY
(INPUT)
STATUS
(OUTPUT)
Delay >0.5s
Turn off Restart
Pull down the PWRKEY
to turn on the module
Figure 12: Timing of restarting system
The module can also be restarted by the PWRKEY after emergency shutdown.
EMERG_OFF
(INPUT)
STATUS
(OUTPUT)
Delay >2s
6us
Pulldown >20ms
PWRKEY
(INPUT)
Figure 13: Timing of restarting system after emergency shutdown
Quecctel
Confidential

M50 Hardware Design
M50_HD_V2.0 - 38 -
3.5. Charge interface
M50 provides charging function for rechargeable Li-Ion or Lithium Polymer battery. It is
introduced simply in this document. If customer wants to get more information about charging,
please refer to the document [13].
Table 8: Pin definition of the charging
Name Pin I/O Description.
GATDRV 74 O Charge driving
CHGLDO 73 I Charger power supply source
CHGDET 72 I Charger detection
ISENSE 71 I Current sense
B AT S N S 70 I VBAT voltage sense
3.6. Power saving
Upon system requirement, there are several actions to drive the module to enter low current
consumption status. For example, “AT+CFUN” can be used to set module into minimum
functionality mode and DTR hardware interface signal can be used to lead system to SLEEP
mode.
3.6.1. Minimum functionality mode
Minimum functionality mode reduces the functionality of the module to a minimum level, thus
minimize the current consumption when the slow clocking mode is activated at the same time.
This mode is set with the “AT+CFUN” command which provides the choice of the functionality
levels <fun>=0, 1, 4.
0: minimum functionality
1: full functionality (default)
4: disable both transmitting and receiving of RF part
If the module is set to minimum functionality by “AT+CFUN=0”, the RF function and SIM card
function would be disabled. In this case, the UART port is still accessible, but all AT commands
correlative with RF function or SIM card function will be not accessible.
If the module has been set by “AT+CFUN=4”, the RF function will be disabled, the UART port is
still active. In this case, all AT commands correlative with RF function will be not accessible.
After the module is set by “AT+CFUN=0” or “AT+CFUN=4”, it can return to full functionality by
Quecctel
Confidential

M50 Hardware Design
M50_HD_V2.0 - 39 -
“AT+CFUN=1”.
For detailed information about “AT+CFUN”, please refer to the document [1].
3.6.2. SLEEP mode
The SLEEP mode is disabled in default firmware configuration. Customer’s application can
enable this mode by “AT+QSCLK=1”. On the other hand, the default setting is “AT+QSCLK=0”
and in this mode, the module cannot enter SLEEP mode.
When “AT+QSCLK=1” is sent to the module, customer’s application can control the module to
enter or exit from the SLEEP mode through pin DTR. When DTR is set to high level, and there is
no on-air or hardware interrupt such as GPIO interrupt or data on UART port, the module will
enter SLEEP mode automatically. In this mode, the module can still receive voice, SMS or GPRS
paging from network but the UART port is not accessible.
3.6.3. Wake up module from SLEEP mode
When the module is in the SLEEP mode, the following methods can wake up the module.
If the DTR Pin is set low, it would wake up the module from the SLEEP mode. The UART
port will be active within 20ms after DTR is changed to low level.
Receive a voice or data call from network wakes up module.
Receive an SMS from network wakes up module.
Note: DTR pin should be held at low level during communication between the module and
DTE.
3.7. Summary of state transition
Table 9: Summary of state transition
Current mode Next mode
Power down Normal mode SLEEP mode
Power down Use PWRKEY
Normal mode AT+QPOWD, use
PWRKEY pin, or use
EMERG_OFF pin
Use AT command
“AT+QSCLK=1” and pull
DTR up
SLEEP mode Use PWRKEY pin, or
use EMERG_OFF pin
Pull DTR down or
incoming call or
SMS or GPRS
Quecctel
Confidential

M50 Hardware Design
M50_HD_V2.0 - 40 -
3.8. RTC backup
The RTC (Real Time Clock) can be supplied by an external capacitor or battery (rechargeable or
non-chargeable) through the pin VRTC. A 1.5K resistor has been integrated in the module for
current limiting. A coin-cell battery or a super-cap can be used to backup power supply for RTC.
The following figures show various sample circuits for RTC backup.
Module
RTC Core
1.5K
VRTC
Non-chargeable
Backup Battery
Figure 14: RTC supply from non-chargeable battery
VRTC
Rechargeable
Backup Battery
Module
RTC Core
1.5K
Figure 15: RTC supply from rechargeable battery
VRTC
Large Capacitance
Capacitor
Module
RTC Core
1.5K
Figure 16: RTC supply from capacitor
Quecctel
Confidential

M50 Hardware Design
M50_HD_V2.0 - 41 -
Coin-type rechargeable capacitor such as XH414H-IV01E from Seiko can be used.
Figure 17: Seiko XH414H-IV01E Charge Characteristics
3.9. Serial interfaces
The module provides three serial ports: UART Port, Debug Port and Auxiliary UART Port. The
module is designed as a DCE (Data Communication Equipment), following the traditional
DCE-DTE (Data Terminal Equipment) connection. Autobauding function supports baud rate from
4800bps to 115200bps.
The UART Port:
TXD: Send data to RXD of DTE.
RXD: Receive data from TXD of DTE.
RTS: Request to send.
CTS: Clear to send.
DTR: DTE is ready and inform DCE (this pin can wake the module up).
RI: Ring indicator (when the call, SMS, data of the module are coming, the module will
output signal to inform DTE).
DCD: Data carrier detection (the validity of this pin demonstrates the communication link is
set up).
Note: The module disables hardware flow control by default. When hardware flow control is
required, RTS and CTS should be connected to the host. AT command “AT +IFC=2,2” is used to
enable hardware flow control. AT command “AT+IFC=0,0” is used to disable the hardware
flow control. For more details, please refer to the document [1].
Quecctel
Confidential

M50 Hardware Design
M50_HD_V2.0 - 42 -
The Debug Port
DBG_TXD: Send data to the COM port of computer.
DBG_RXD: Receive data from the COM port of computer.
The Auxiliary U ART Port
TXD_AUX: Send data to the RXD of DTE.
RXD_AUX: Receive data from the TXD of DTE.
The logic levels are described in the following table.
Table 10: Logic levels of the UART interfaces
Parameter Min Max Unit
VIL 0 0.25×VDD_EXT V
VIH 0.75×VDD_EXT VDD_EXT +0.3 V
VOL 0.15×VDD_EXT V
VOH 0.85×VDD_EXT V
Table 11: Pin definition of the UART interfaces
Interface Name Pin Description
Debug Port DBG_RXD 43 Receive data of the debug port
DBG_TXD 42 Transmit data of the debug port
UART Port
RI 46 Ring indicator
RTS 51 Request to send
CTS 48 Clear to send
RXD 50 Receive data of the UART port
TXD 49 Transmit data of the UART port
DTR 47 Data terminal ready
DCD 45 Data carrier detection
Auxiliary UART Port RXD_AUX 41 Receive data of the Auxiliary UART
TXD_AUX 40 Transmit data of the Auxiliary UART
3.9.1. UART Port
3.9.1.1. The features of UART Port.
Seven lines on U A RT interface
Contain data lines TXD and RXD, hardware flow control lines RTS and CTS, other control
lines DTR, DCD and RI.
Quecctel
Confidential

M50 Hardware Design
M50_HD_V2.0 - 43 -
Used for AT command, GPRS data, etc. Multiplexing function is supported on the UART
Port. So far only the basic mode of multiplexing is available.
Support the communication baud rates as the following:
300, 600, 1200, 2400, 4800, 9600, 14400, 19200, 28800, 38400, 57600, 115200.
The default setting is autobauding mode. Support the following baud rates for Autobauding
function:
4800, 9600, 19200, 38400, 57600, 115200.
The module disables hardware flow control by default. AT command “AT+IFC=2,2” is used
to enable hardware flow control.
After setting a fixed baud rate or autobauding, please send “AT ” string at that rate. The UART port
is ready when it responds “OK”.
Autobauding allows the module to detect the baud rate by receiving the string “AT ” or “at” from
the host or PC automatically, which gives module flexibility without considering which baud rate
is used by the host controller. Autobauding is enabled by default. To take advantage of the
autobauding mode, special attention should be paid according to the following requirements:
Synchronization between DTE and DCE:
When DCE (the module) powers on with the autobauding enabled, it is recommended to wait 2 to
3 seconds before sending the first AT character. After receiving the “OK” response, DTE and
DCE are correctly synchronized.
If the host controller needs URC in the mode of autobauding, it must be synchronized firstly.
Otherwise the URC will be discarded.
Restrictions on autobauding operation:
The UART port has to be operated at 8 data bits, no parity and 1 stop bit (factory setting).
The “At” and “aT” commands cannot be used.
Only the strings “AT ” or “at” can be detected (neither “At” nor “aT”).
The Unsolicited Result Codes like “RDY”, “+CFUN: 1” and “+CPIN: READY” will not be
indicated when the module is turned on with autobauding enabled and not be synchronized.
Any other Unsolicited Result Codes will be sent at the previous baud rate before the module
detects the new baud rate by receiving the first “AT ” or “at” string. The DTE may receive
unknown characters after switching to new baud rate.
It is not recommended to switch to autobauding from a fixed baud rate.
If autobauding is active it is not recommended to switch to multiplex mode.
Note: To assure reliable communication and avoid any problems caused by undetermined baud
rate between DCE and DTE, it is strongly recommended to configure a fixed baud rate and save
it instead of using autobauding after start-up. For more details, please refer to the Section
“AT+IPR” in document [1].
Quecctel
Confidential

M50 Hardware Design
M50_HD_V2.0 - 44 -
3.9.1.2. The connection of UART
The connection between module and host using UART Port is very flexible. Three connection
styles are illustrated as below.
Reference design for Full-Function U A RT connection is shown as below when it is applied in
modulation-demodulation.
TXD
RXD
RTS
CTS
DTR
DCD
RI
TXD
RXD
RTS
CTS
DTR
DCD
RING
Module (DCE)
Serial portUART port
GND GND
PC (DTE)
Figure 18: Reference design for Full-Function UART
Three-line connection is shown as below.
TXD
RXD
GND
UART port
RTS
0R
TXD
RXD
GND
Module (DCE) Host (DTE)
Controller
Figure 19: Reference design for UART Port
Quecctel
Confidential

M50 Hardware Design
M50_HD_V2.0 - 45 -
UART Port with hardware flow control is shown as below. This connection will enhance the
reliability of the mass data communication.
RTS
CTS
RTS
CTS
GND
RXD
TXD TXD
RXD
GND
Module (DCE) Host (DTE)
Controller
Figure 20: Reference design for UART Port with hardware flow control
3.9.1.3. Firmware upgrade
The TXD, RXD can be used to upgrade firmware. The PWRKEY pin must be pulled down before
the firmware upgrade. Please refer to the following figure for Firmware upgrade.
IO Connector
TXD
RXD
GND
PWRKEY
Module (DCE)
UART port
TXD
RXD
GND
PWRKEY
Figure 21: Reference design for Firmware upgrade
Note: The firmware of module might need to be upgraded due to certain reasons, it is
recommended to reserve these pins in the host board for firmware upgrade. For detailed design,
please refer to the document [11].
Quecctel
Confidential

M50 Hardware Design
M50_HD_V2.0 - 46 -
3.9.2. Debug Port
Debug Port
Two lines: DBG_TXD and DBG_RXD
It outputs log information automatically.
Debug Port is only used for firmware debugging and its baud rate must be configured as
460800bps.
Computer
TXD
RXD
GND
Module (DCE)
Debug port
DBG_TXD
DBG_RXD
GND
Figure 22: Reference design for Debug Port
3.9.3. Auxiliary UART Port
Auxiliary UART Port
Two data lines: TXD_AUX and RXD_AUX
Auxiliary UART port is used for AT command only and does not support GPRS data, CSD
FAX, Multiplexing function etc.
Auxiliary U ART port supports the communication baud rates as the following:
4800, 9600, 14400, 19200, 28800, 38400, 57600, 115200.
The default baud rate setting is 115200bps, and does not support autobauding. The baud rate
can be modified by AT+QSEDCB command. For more details, please refer to the document
[1].
Quecctel
Confidential

M50 Hardware Design
M50_HD_V2.0 - 47 -
Module (DCE) Host (DTE)
Controller
TXD
RXD
GND
TXD_AUX
RXD_AUX
GND
Figure 23: Reference design for Auxiliary UART port
3.9.4. UART application
The reference design of 3.3V level match is shown as below. If the host is a 3V system, please
change the 5.6K resistor to 15K.
MCU/ARM
/TXD
/RXD
1K
TXD
RXD
RTS
CTS
DTR
RI
/RTS
/CTS
GPIO
EINT
GPIO DCD
Module
1K
1K
Voltage level:3.3V
5.6K
5.6K
5.6K
1K
1K
1K
1K
GND GND
Figure 24: Level match design for 3.3V system
Quecctel
Confidential

M50 Hardware Design
M50_HD_V2.0 - 48 -
The reference design for 5V level match is shown as below. The connection of dotted line can be
referred to the connection of solid line. Please pay attention to the direction of signal. Input dotted
line of module should be referred to input solid line of the module. Output dotted line of module
should be referred to output solid line of the module.
As to the circuit below, VDD_EXT supplies power for the I/O of module, while VCC_MCU
supplies power for the I/O of the MCU/ARM.
MCU/ARM
/TXD
/RXD
VDD_EXT
4.7K
VCC_MCU
4.7K
5.6K
4.7K
VDD_EXT
TXD
RXD
RTS
CTS
DTR
RI
/RTS
/CTS
GND
GPIO DCD
Module
GPIO
EINT
VCC_MCU
Voltage level: 5V
4.7K
GND
Figure 25: Level match design for 5V system
Quecctel
Confidential

M50 Hardware Design
M50_HD_V2.0 - 49 -
The following circuit shows a reference design for the communication between module and PC.
Since the electrical level of module is 2.8V, so a RS-232 level shifter must be used.
9
8
7
6
5
4
3
2
1
15
14
8
9
11
12
5
7
6
10
4
26
2
27
13
18
20
21
16
17
19
22
23
24
3
1
25
28
GND
SP3238
3V
GND
GND
T5OUT
/ SHUTDOWN
V+
GND
V-
VCC
T4OUT
T2OUT
T3OUT
T1OUT
R3I N
R2I N
R1I N
/ STATUS
3V ONLINE
R1OUT
R2OUT
R3OUT
/ R1OUT
GND T5IN
T4I N
T3I N
T2I N
T1I N
C2+
C2-
C1-
C1+
MODULE
RXD
DTR
RTS
RI
CTS
TXD
DCD
To PC serial port
Figure 26: Level match design for RS-232
Quecctel
Confidential

M50 Hardware Design
M50_HD_V2.0 - 50 -
3.10. Audio interfaces
The module provides two analogy input channels and three analogy output channels.
Table 12: Pin definition of Audio interfaces
AIN1 and AIN2 can be used for input of microphone and line. An electret microphone is usually
used. AIN1 and AIN2 are both differential input channels.
AOUT1 is used for output of the receiver. This channel is typically used for a receiver built into a
handset. AOUT1 channel is a differential channel.
AOUT2 is typically used with earphone. It is a single-ended and mono channel. SPK2P and
AGND can establish a pseudo differential mode.
AOUT3 is used for loud speaker output as it embedded an amplifier of class AB whose maximum
drive power is 800mW.
All of these three audio channels support voice and ringtone output, and so on, and can be
swapped by “AT+QAUDCH” command. For more details, please refer to the document [1].
Use AT command “AT+QAUDCH” to select audio channel:
0--AIN1/AOUT1, the default value is 0.
1--AIN2/AOUT2
2--AIN2/AOUT3
For each channel, customer can use AT+QMIC to adjust the input gain level of microphone.
Customer can also use “AT+CLVL” to adjust the output gain level of receiver and speaker.
“AT+QSIDET” is used to set the side-tone gain level. For more details, please refer to the
document [1].
Interface Name Pin Description
AIN1/AOUT1
MIC1P 9 Channel one for Microphone positive input
MIC1N 10 Channel one for Microphone negative input
SPK1P 12 Channel one for Audio positive output
SPK1N 11 Channel one for Audio negative output
AIN2/AOUT2
MIC2P 7 Channel two for Microphone positive input
MIC2N 8 Channel two for Microphone negative input
SPK2P 5 Channel two for Audio positive output
AGND 6 Analog ground.
AOUT3
LOUDSPKP 14 Channel three for Audio positive output
LOUDSPKN 13 Channel three for Audio negative output
Quecctel
Confidential

M50 Hardware Design
M50_HD_V2.0 - 51 -
Table 13: AOUT3 output characteristics
Parameter Condition Min Typ Max Unit
RMS power 8ohm load
VBAT=4.3V
THD+N=1%
800 mW
8ohm load
VBAT=3.7V
THD+N=1%
700 mW
Gain adjustment range 0 18 dB
Gain adjustment steps 3 dB
3.10.1. Decrease TDD noise and other noise
The 33pF capacitor is applied for filtering out 900MHz RF interference when the module is
transmitting at GSM900MHz. Without placing this capacitor, TDD noise could be heard.
Moreover, the 10pF capacitor here is for filtering out 1800MHz RF interference. However, the
resonant frequency point of a capacitor largely depends on the material and production technique.
Therefore, customer would have to discuss with its capacitor vendor to choose the most suitable
capacitor for filtering out GSM850MHz, GSM900MHz, DCS1800MHz and PCS1900MHz
separately.
The severity degree of the RF interference in the voice channel during GSM transmitting period
largely depends on the application design. In some cases, GSM900 TDD noise is more severe;
while in other cases, DCS1800 TDD noise is more obvious. Therefore, customer can have a
choice based on test results. Sometimes, even no RF filtering capacitor is required.
The capacitor which is used for filtering out RF noise should be close to RJ11 or other audio
interfaces. Audio alignment should be as short as possible.
In order to decrease radio or other signal interference, the position of RF antenna should be kept
away from audio interface and audio alignment. Power alignment and audio alignment should not
be parallel, and power alignment should be far away from audio alignment.
The differential audio traces have to be placed according to the differential signal layout rule.
3.10.2. Microphone interfaces design
AIN1 and AIN2 channels come with internal bias supply for external electret microphone. A
reference circuit is shown in the following figure.
Quecctel
Confidential

M50 Hardware Design
M50_HD_V2.0 - 52 -
Close to Microphone
MICxP
MICxN
GND
GND
Differential layout
Module
Electret
Microphone
GND
GND GND
GND
ESD
ESD
10pF
0603
10pF
0603
10pF
0603
33pF
0603
33pF
0603
33pF
0603
Figure 27: Reference design for AIN1&AIN2
3.10.3. Receiver and speaker interface design
SPK1P
SPK1N
Differential layout 10pF
0603
10pF
0603
33pF
0603
33pF
0603
33pF
0603
Close to Speaker
GND
GND
10pF
0603
ESD
ESD
Module
Figure 28: Reference design for AOUT1
Quecctel
Confidential

M50 Hardware Design
M50_HD_V2.0 - 53 -
SPK2P
AGND
Differential layout
10pF
0603
33pF
0603
Close to Speaker
GND
ESD
Module
22uF
Figure 29: Handset interface design for AOUT2
Module
SPK2P
AGND
Differential layout
Amplifier
circuit
10pF
0603
10pF
0603
33pF
0603
33pF
0603
Close to Speaker
GND
GND
ESD
ESD
C2
C1
Figure 30: Speaker interface design with an amplifier for AOUT2
Texas Instrument’s TPA6205A1is recommended for a suitable differential audio amplifier. There
are plenty of excellent audio amplifiers in the market.
Note: The value of C1 and C2 here depends on the input impedance of audio amplifier.
Quecctel
Confidential

M50 Hardware Design
M50_HD_V2.0 - 54 -
3.10.4. Earphone interface design
Amphenol
9001-8905-050
1
2
4
3
SPK2P
MIC2N
MIC2P
22uF
68R
GND GND
AGND
Close to Socket
Differential layout
AGND
GND GND
GND
GND
AGND
Module
4.7uF
33pF
0603
10pF
0603
33pF
0603
10pF
0603 ESD
ESD
Figure 31: Earphone interface design
3.10.5. Loud speaker interface design
LOUDSPKP
LOUDSPKN
Differential layout 10pF
10pF 33pF
33pF
Close to Speaker
GND
GND
100pF
ESD
ESD
Module
0R
0R
0603
0603 0603
0603
Figure 32: Loud speaker interface design
Quecctel
Confidential

M50 Hardware Design
M50_HD_V2.0 - 55 -
3.10.6. Audio characteristics
Table 14: Typical electret microphone characteristics
Parameter Min Typ Max Unit
Working Voltage 1.2 1.5 2.0 V
Working Current 200 500 uA
External Microphone Load Resistance 2.2 kOhm
Table 15: Typical speaker characteristics
Parameter Min Typ Max Unit
Normal
Output
(AOUT1)
Single
Ended
Load
Resistance
28 32 Ohm
Ref level 0 2.4 Vpp
Differential Load
Resistance
28 32 Ohm
Ref level 0 4.8 Vpp
Auxiliary
Output
(AOUT2)
Single
Ended
Load
Resistance
16
32 Load
Resistance
Ref level 0 2.4 Vpp
Output
(AOUT3) Differential
Load
Resistance
8 Load
Resistance
Ref level 0 2×V B AT Vpp
3.11. SIM card interface
3.11.1. SIM card application
The SIM interface supports the functionality of the GSM Phase 1 specification and also supports
the functionality of the new GSM Phase 2+ specification for FAST 64 kbps SIM card, which is
intended for use with a SIM application Tool-kit.
The SIM interface is powered from an internal regulator in the module. Both 1.8V and 3.0V SIM
Cards are supported.
Quecctel
Confidential

M50 Hardware Design
M50_HD_V2.0 - 56 -
Table 16: Pin definition of the SIM interface
In Figure 33, the pin SIM_PRESENCE is used to detect whether the tray of the Molex SIM socket,
which is used for holding SIM card, is present in the card socket. When the tray is inserted in the
socket, SIM_PRESENCE is at low level. Regardless of whether the SIM card is in the tray or not,
the change of SIM_PRESENCE level from high to low level inspires the module to reinitialize
SIM card. In default configuration, SIM card detection function is disabled. Customer’s
application can use “AT+QSIMDET=1,0 ” to switch on and “AT+QSIMDET=0,0 ” to switch off
the SIM card detection function. For detail of this AT command, please refer to the document [1].
When “AT+QSIMDET=1,0” is set and the tray with SIM card is removed from SIM socket, the
following URC will be presented.
+CPIN: NOT READY
When the tray with SIM card is inserted into SIM socket again and the module finishes
re-initialization SIM card, the following URC will be presented.
Call Ready
Module
SIM_VDD
SIM_GND
SIM_RST
SIM_CLK
SIM_DATA
SIM_PRESENCE
22R
22R
22R
VDD_EXT
10K
100nF SIM_Holder
GND
GND
ESDA6V8V6
33pF33pF 33pF 33pF
VCC
RST
CLK IO
VPP
GND
GND
Figure 33: Reference circuit of the 8 pins SIM card
Name Pin Description
SIM_VDD 56 Supply power for SIM Card. Automatic detection of
SIM card voltage. 3.0V±10% and 1.8V±10%.
Maximum supply current is around 10mA.
S I M _ D ATA 54 SIM data
SIM_CLK 55 SIM clock
SIM_RST 53 SIM reset
SIM_PRESENCE 57 SIM card detection
SIM_GND 52 SIM ground
Quecctel
Confidential

M50 Hardware Design
M50_HD_V2.0 - 57 -
Note: Please do not use “AT+QSIMDET=1,1” which causes to initialize SIM card when Figure
33 circuit is adopted.
If customer does not need the SIM card detection function, keep SIM_PRESENCE open. The
reference circuit using a 6-pin SIM card socket is illustrated as the following figure.
Module
SIM_VDD
SIM_GND
SIM_RST
SIM_CLK
SIM_DATA
SIM_PRESENCE
22R
22R
22R
100nF SIM_Holder
GND
ESDA6V8V6
33pF
33pF 33pF 33pF
VCC
RST
CLK IO
VPP
GND
GND
Figure 34: Reference circuit of the 6 pins SIM card
In order to enhance the reliability and availability of the SIM card in the customer’s application.
Please follow the below criterion in the SIM circuit design.
Keep layout of SIM card as close as possible to the module. Assure the possibility of the
length of the trace is less than 20cm.
Keep SIM card signal away from RF and VBAT alignment.
Assure the ground between module and SIM cassette short and wide. Keep the width of
ground no less than 0.5mm to maintain the same electric potential. The decouple capacitor of
SIM_VDD is less than 1uF and must be near to SIM cassette.
To avoid cross talk between SIM_DATA and SIM_CLK. Keep them away with each other
and shield them with surrounded ground
In order to offer good ESD protection, it is recommended to add TVS such as WILL
(http://www.willsemi.com) ESDA6V8AV6. The 22Ω resistors should be added in series
between the module and the SIM card so as to suppress the EMI spurious transmission and
enhance the ESD protection. Please to be noted that the SIM peripheral circuit should be
close to the SIM card socket.
3.11.2. 6 Pin SIM cassette
For 6-pin SIM card holder, it is recommended to use Amphenol C707 10M006 512 2. Please visit
http://www.amphenol.com for more information.
Quecctel
Confidential

M50 Hardware Design
M50_HD_V2.0 - 58 -
Figure 35: Amphenol C707 10M006 512 2 SIM card holder
Table 17: Pin description of Amphenol SIM card holder
Name Pin Description
SIM_VDD C1 SIM Card Power Supply
SIM_RST C2 SIM Card Reset
SIM_CLK C3 SIM Card Clock
GND C5 Ground
VPP C6 Not Connect
S I M _ D ATA C7 SIM Card data I/O
3.11.3. 8 Pin SIM cassette
For 8-pin SIM card holder, it is recommended to use Molex 91228. Please visit
http://www.molex.com for more information.
Quecctel
Confidential

M50 Hardware Design
M50_HD_V2.0 - 59 -
Figure 36: Molex 91228 SIM card holder
Table 18: Pin description of Molex SIM card holder
Name Pin Description
SIM_VDD C1 SIM Card Power supply
SIM_RST C2 SIM Card Reset
SIM_CLK C3 SIM Card Clock
SIM_PRESENCE C4 SIM Card Presence Detection
GND C5 Ground
VPP C6 Not Connect
S I M _ D ATA C7 SIM Card Data I/O
SIM_DETECT C8 Pulled down GND with external circuit. When the tray is
present, C4 is connected to C8.
Quecctel
Confidential

M50 Hardware Design
M50_HD_V2.0 - 60 -
3.12. SD card interface
The module provides SD card interface that support many types of memory, such as Memory
Stick, SD/MCC card and T-Flash or Micro SD card. The following are the main features of SD
card interface.
Only supports 1bit serial mode.
Does not support the SPI mode SD/MMC memory card.
Does not support hot plug.
Up to 26MHz data rate in serial mode.
Up to 32GB maximum memory card capacity.
With interface features and reference circuit of SD card shown in Figure 37, the users can easily
design the SD card application circuit to enhance the memory capacity of the module. The module
can record and store the audio files to the SD card, and play the audio files from SD card as well.
Table 19: Pin definition of the SD card interface
Module
SD_DATA0
SD_CLK
SD_CMD
DATA2
DATA1
DATA0
CD/DATA3
CMD
VDD
CLK
VSS
47K
47K 47K
4.7uF 0.1nF
VDD_EXT
33R
33R
33R
Micro SD Socket
1
2
3
4
5
6
7
8
Figure 37: Reference circuit of SD card
Name Pin Description
SD_DATA0 36 SD data
SD_CLK 35 SD clock
SD_CMD 34 SD command
Quecctel
Confidential

M50 Hardware Design
M50_HD_V2.0 - 61 -
Table 20: Pin name of the SD card and Micro SD card
In SD card interface designing, in order to ensure good communication performance with SD card,
the following design principles should be complied with.
Route SD card trace as short as possible. Keep total trace length < 100mm, and trace
difference of DATA0, CMD, and CLK to be < 10mm. The SD_CLK and SD_DATA0 line
must be shielded by GND in order to avoid interference.
In order to offer good ESD protection, it is recommended to add TVS on signals with the
capacitance is less than 15pF.
Reserve external pull-up resistor for other data lines except the DATA0.
Pin NO. Pin name of SD card Pin name of T-Flash(Micro SD) card
1 CD/DATA3 DATA2
2 CMD CD/DATA3
3 VSS1 CMD
4 VDD VDD
5 CLK CLK
6 VSS2 VSS
7 DATA0 DATA0
8 DATA1 DATA1
9 DATA2
Quecctel
Confidential

M50 Hardware Design
M50_HD_V2.0 - 62 -
3.13. PCM interface
M50 supports PCM interface. It is used for digital audio transmission between the module and the
customer’s device. This interface is composed of PCM_CLK, PCM_SYNC, PCM_IN and
PCM_OUT signal lines.
Pulse-code modulation (PCM) is a converter that changes the consecutive analog audio signal to
discrete digital signal. The whole procedure of Pulse-code modulation contains sampling,
quantizing and encoding.
Table 21: Pin definition of PCM interface
Name Pin I/O Description
PCM_CLK 19 O PCM clock
PCM_IN 18 I PCM data input
PCM_OUT 20 O PCM data output
PCM_SYNC 21 O PCM frame synchronization
3.13.1. Configuration
M50 supports 16 bits line code PCM format. The sample rate is 8 KHz, the clock source is 256
KHz, and the module can only act as master mode. The PCM interfaces support long and short
synchronization simultaneously. It only supports MSB first. For more detailed information, please
see the table below.
Table 22: Configuration
PCM
Line interface format Linear
Data length Linear: 16 bits
Sampling rate 8KHz
PCM clock/synchronization
source
PCM master mode: clock and synchronization is generated
by module
PCM synchronization rate 8KHz
PCM clock rate PCM master mode:256 KHz
PCM synchronization format Long/short synchronization
PCM data ordering MSB first
Zero padding Yes
Sign extension Yes
Quecctel
Confidential

M50 Hardware Design
M50_HD_V2.0 - 63 -
3.13.2. Timing
The sample rate of the PCM interface is 8 KHz and the clock source is 256 KHz, so every frame
contains 32 bits data, since M50 supports 16 bits line code PCM format, the left 16 bits are invalid.
The following diagram shows the timing of different combinations. The synchronization length in
long synchronization format can be programmed by firmware from one bit to eight bits. In the
Sign extension mode, the high three bits of 16 bits are sign extension, and in the Zero padding
mode, the low three bits of 16 bits are zero padding.
12 11 10 9 8 7 6 5 4 3 2 1 0
12 11 10 9 8 7 6 5 4 3 2 1 0
PCM_CLK
PCM_SYNC
PCM_OUT
PCM_IN
MSB
MSB
Sign extension
Sign extension
Figure 38: Long synchronization & Sign extension diagram
12 11 10 9 8 7 6 5 4 3 2 1 0
12 11 10 9 8 7 6 5 4 3 2 1 0
PCM_CLK
PCM_SYNC
PCM_OUT
PCM_IN
MSB
MSB
Zero padding
Zero padding
Figure 39: Long synchronization & Zero padding diagram
PCM_CLK
PCM_SYNC
PCM_OUT
PCM_IN
12 11 10 9 8 7 6 5 4 3 2 1 0
12 11 10 9 8 7 6 5 4 3 2 1 0
MSB
MSB
Sign extension
Sign extension
Figure 40: Short synchronization & Sign extension diagram
Quecctel
Confidential

M50 Hardware Design
M50_HD_V2.0 - 64 -
PCM_CLK
PCM_SYNC
PCM_OUT
PCM_IN
12 11 10 9 8 7 6 5 4 3 2 1 0
12 11 10 9 8 7 6 5 4 3 2 1 0
MSB
MSB
Zero padding
Zero padding
Figure 41: Short synchronization & Zero padding diagram
3.13.3. Reference design
As M50 only acts as a master, the module provides synchronization and clock source. The
reference design is shown as below.
PCM_SYNC
PCM_CLK
PCM_OUT
PCM_IN
PCM_SYNC
PCM_CLK
PCM_IN
PCM_OUT
Module
(master)
Codec
(slave)
GND GND
Figure 42: Reference design for PCM
3.13.4. AT command
There are two AT commands about the configuration of PCM are listed as below.
“AT+QPCMON” can configure operating mode of PCM.
AT+QPCMON= mode,Sync_Type,Sync_Length,SignExtension,MSBFirst
Quecctel
Confidential

M50 Hardware Design
M50_HD_V2.0 - 65 -
Table 23: QPCMON command description
Parameter scope Description
Mode 0~2 0: Close PCM
1: Open PCM
2: Open PCM when audio talk is set up
Sync_Type 0~1 0: Short synchronization
1: Long synchronization
Sync_Length 1~8 Programmed from one bit to eight bit
SignExtension 0~1 0: Zero padding
1: Sign extension
MSBFirst 0~1 0: MSB first
1: Not supported
“AT+QPCMVOL” can configure volume of input and output.
AT+QPCMVOL=vol_pcm_in,vol_pcm_out
Table 24: QPCMVOL command description
Parameter scope Description
vol_pcm_in 0~32767 Set the input volume
vol_pcm_out 0~32767 Set the output volume
The voice may be distorted when this
value exceeds 16384.
Quecctel
Confidential

M50 Hardware Design
M50_HD_V2.0 - 66 -
3.14. ADC
The module provides two ADC channel to measure the value of voltage. Please give priority to the
use of ADC0 channel. The command “AT+QADC” can read the voltage value applied on ADC0
pin, while AT command “AT+QEADC” can read the voltage value applied on ADC1 pin. For
details of this AT command, please refer to the document [1]. In order to improve the accuracy of
ADC, the layout of ADC should be surrounded by ground.
Table 25: Pin definition of the ADC
Name Pin Description
ADC0 2 General purpose analog to digital converter
ADC1 1 General purpose analog to digital converter
Table 26: Characteristics of the ADC
Parameter Min Typ Max Unit
Voltage Range 0 2.8 V
ADC Resolution 10 bit
ADC Accuracy 2.7 mV
3.15. Behaviors of the RI
Table 27: Behaviors of the RI
State RI response
Standby HIGH
Voice calling Change to LOW, then:
1. Change to HIGH when call is established.
2. Use ATH to hang up the call, RI changes to HIGH.
3. Calling part hangs up, RI changes to HIGH first, and changes to LOW for
120ms indicating “NO CARRIER” as an URC, then changes to HIGH
again.
4. Change to HIGH when SMS is received.
Data calling Change to LOW, then:
1. Change to HIGH when data connection is established.
2. U s e AT H t o hang up the data calling, RI changes to HIGH.
3. Calling part hangs up, RI changes to HIGH first, and changes to LOW for
120ms indicating “NO CARRIER” as an URC, then changes to HIGH
again.
Quecctel
Confidential

M50 Hardware Design
M50_HD_V2.0 - 67 -
4. Change to HIGH when SMS is received.
SMS When a new SMS comes, the RI changes to LOW and holds low level for
about 120 ms, then changes to HIGH.
URC Certain URCs can trigger 120ms low level on RI. For more details, please
refer to the document [1]
If the module is used as a caller, the RI would maintain high except the URC or SMS is received.
On the other hand, when it is used as a receiver, the timing of the RI is shown below.
RI
Idle Ring
Off-hook by“ATA”
On-hook by “ATH”
SMS received
HIGH
LOW
Figure 43: RI behavior of voice calling as a receiver
RI
Idle Ring
Data calling establish
SMS received
HIGH
LOW On-hook by “ATH”
Figure 44: RI behavior of data calling as a receiver
RI
Idle Calling On-hook
Talking
HIGH
LOW
Idle
Figure 45: RI behavior as a caller
Quecctel
Confidential

M50 Hardware Design
M50_HD_V2.0 - 68 -
RI
Idle or
Talking
URC or
SMS received
HIGH
LOW
120ms
Figure 46: RI behavior of URC or SMS received
Quecctel
Confidential

M50 Hardware Design
M50_HD_V2.0 - 69 -
3.16. Network status indication
The NETLIGHT signal can be used to drive a network status indicator LED. The working state of
this pin is listed in the following table.
Table 28: Working state of the NETLIGHT
State Module function
Off The module is not running.
64ms On/ 800ms Off The module is not synchronized with network.
64ms On/ 2000ms Off The module is synchronized with network.
64ms On/ 600ms Off GPRS data transfer is ongoing.
A reference circuit is shown as below.
Module
300R
4.7K
47K
VBAT
NETLIGHT
Figure 47: Reference design for NETLIGHT
3.17. Operating status indication
The STATUS pin is set as an output pin and can be used to judge whether module is power-on. In
customer’s design, this pin can be connected to a GPIO of DTE or be used to drive an LED in
order to judge the module’s operation status. A reference circuit is shown in Figure 48.
Table 29: Pin definition of the STATUS
Name Pin Description
S TAT U S 16 Indicate module operating status
Quecctel
Confidential

M50 Hardware Design
M50_HD_V2.0 - 70 -
Module
300R
4.7K
47K
VBAT
STATUS
Figure 48: Reference design for STATUS
Quecctel
Confidential

M50 Hardware Design
M50_HD_V2.0 - 71 -
4. Antenna interface
The Pin 63 is the RF antenna pad. The RF interface has an impedance of 50Ω.
Table 30: Pin definition of the RF_ANT
4.1. RF reference design
The reference design for RF is shown as below.
Module
RF_ANT
0R
NM NM
Figure 49: Reference design for RF
M50 provides an RF antenna pad for customer’s antenna connection. The RF trace in host PCB
connected to the module RF antenna pad should be micro-strip line or other types of RF trace,
whose characteristic impedance should be close to 50Ω. M50 comes with grounding pads which
are next to the antenna pad in order to give a better grounding. Besides, a ∏ type match circuit is
suggested to be used to adjust the RF performance.
To minimize the loss on the RF trace and RF cable, take design into account carefully. It is
recommended that the insertion loss should meet the following requirements:
Name Pin Description
GND 61 Ground
GND 62 Ground
RF_ANT 63 RF antenna pad
GND 64 Ground
GND 65 Ground
GND 66 Ground
Quecctel
Confidential

M50 Hardware Design
M50_HD_V2.0 - 72 -
GSM850/EGSM900 is <1dB.
DCS1800/PCS1900 is <1.5dB.
4.2. RF output power
Table 31: The module conducted RF output power
Frequency Max Min
GSM850 32.5dBm ±1dB 5dBm±5dB
EGSM900 32.5dBm ±1dB 5dBm±5dB
DCS1800 29.5dBm ±1dB 0dBm±5dB
PCS1900 29.5dBm ±1dB 0dBm±5dB
Note: In GSM850&EGSM900 GPRS 4 slots TX mode, the max output power is reduced by
2.5dB. This design conforms to the GSM specification as described in section 13.16 of 3GPP TS
51.010-1.
4.3. RF receiving sensitivity
Table 32: The module conducted RF receiving sensitivity
Frequency Receive sensitivity
GSM850 < -108.5dBm
EGSM900 < -108.5dBm
DCS1800 < -108.5dBm
PCS1900 < -108.5dBm
4.4. Operating frequencies
Table 33: The module operating frequencies
Frequency Receive Transmit ARFCH
GSM850 869~894MHz 824~849MHz 128~251
EGSM900 925~960MHz 880~915MHz 0~124, 975~1023
DCS1800 1805~1880MHz 1710~1785MHz 512~885
PCS1900 1930~1990MHz 1850~1910MHz 512~810
Quecctel
Confidential

M50 Hardware Design
M50_HD_V2.0 - 73 -
4.5. RF cable soldering
Soldering the RF cable to RF pad of module correctly will reduce the loss on the path of RF,
please refer to the following example of RF soldering.
Figure 50: RF soldering sample
Quecctel
Confidential

M50 Hardware Design
M50_HD_V2.0 - 74 -
5. Electrical, reliability and radio characteristics
5.1. Absolute maximum ratings
Absolute maximum ratings for power supply and voltage on digital and analog pins of module are
listed in the following table:
Table 34: Absolute maximum ratings
Parameter Min Max Unit
V B AT -0.3 +4.73 V
Peak current of power supply 0 2 A
RMS current of power supply (during one TDMA- frame) 0 0.7 A
Voltage at digital pins -0.3 3.3 V
Voltage at analog pins -0.3 3.0 V
Voltage at digital/analog pins in power down mode -0.25 0.25 V
5.2. Operating temperature
The operating temperature is listed in the following table:
Table 35: Operating temperature
Parameter Min Typ Max Unit
Normal Temperature -35 +25 +80 ℃
Restricted Operation1) -40 ~ -35 +80 ~ +85 ℃
Storage Temperature -45 +90 ℃
1
)
When the module works in this temperature range, the deviation from the GSM specification
may occur. For example, the frequency error or the phase error will be increased.
Quecctel
Confidential

M50 Hardware Design
M50_HD_V2.0 - 75 -
5.3. Power supply ratings
Table 36: The module power supply ratings
Parameter Description Conditions Min Typ Max Unit
VBAT Supply
voltage
Voltage must stay within the
min/max values, including
voltage drop, ripple, and spikes.
3.3 4.0 4.6 V
Vdrop during
transmitting
burst
Maximum power control level
on GSM850 and GSM900.
400 mV
Voltage
ripple
Maximum power control level
on GSM850 and GSM900
@ f<200kHz
@ f>200kHz
50
2
mV
mV
IVBAT
Average
supply
current
Power down mode
SLEEP mode @ DRX=5
30
1.3
uA
mA
Minimum functionality mode
AT+CFUN=0
IDLE mode
SLEEP mode
AT+CFUN=4
IDLE mode
SLEEP mode
13
0.98
13
1.0
mA
mA
mA
mA
IDLE mode
GSM850/EGSM 900
DCS1800/PCS1900
13
13
mA
mA
TALK mode
GSM850/EGSM 9001)
DCS1800/PCS19002)
209/208
191/202
mA
mA
DATA mode, GPRS (3 Rx,2Tx)
GSM850/EGSM 9001)
DCS1800/PCS19002)
435/400
313/337
mA
mA
DATA mode, GPRS(2 Rx,3Tx)
GSM850/EGSM 9001)
DCS1800/PCS19002)
605/558
399/460
mA
mA
DATA mode, GPRS (4 Rx,1Tx)
GSM850/EGSM 9001)
DCS1800/PCS19002)
265/240
200/212
mA
mA
DATA mode, GPRS
(1Rx,4Tx)
GSM850/EGSM 9001)
615/560
mA
Quecctel
Confidential

M50 Hardware Design
M50_HD_V2.0 - 76 -
DCS1800/PCS1900
2)
420/470 mA
Peak supply
current
(during
transmission
slot)
Maximum power control level
on GSM850 and GSM900.
1.6 1.8 A
1) Power control level PCL 5
2) Power control level PCL 0
5.4. Current consumption
The values of current consumption are shown as below.
Table 37: The module current consumption
Condition Current Consumption
Voice Call
GSM850 @power level #5 <300mA,Typical 209mA
@power level #12,Typical 96mA
@power level #19,Typical 73mA
GSM900 @power level #5 <300mA,Typical 208mA
@power level #12,Typical 96mA
@power level #19,Typical 73mA
DCS1800 @power level #0 <250mA,Typical 191mA
@power level #7,Typical 93mA
@power level #15,Typical 70mA
PCS1900 @power level #0 <250mA,Typical 202mA
@power level #7,Typical 95mA
@power level #15,Typical 71mA
GPRS Data
DATA mode, GPRS ( 1 Rx,1 Tx ) CLASS 12
GSM850 @power level #5 <350mA,Typical 199mA
@power level #12,Typical 87mA
@power level #19,Typical 63mA
EGSM 900 @power level #5 <350mA,Typical 200mA
@power level #12,Typical 96mA
@power level #19,Typical 70mA
DCS 1800 @power level #0 <300mA,Typical 184mA
@power level #7,Typical 82mA
@power level #15,Typical 66mA
PCS 1900 @power level #0 <300mA,Typical 192mA
@power level #7,Typical 82mA
@power level #15,Typical 66mA
Quecctel
Confidential

M50 Hardware Design
M50_HD_V2.0 - 77 -
DATA mode, GPRS ( 3 Rx, 2 Tx ) CLASS 12
GSM850 @power level #5 <550mA,Typical 435mA
@power level #12,Typical 158mA
@power level #19,Typical 99mA
EGSM 900 @power level #5 <550mA,Typical 400mA
@power level #12,Typical 150mA
@power level #19,Typical 97mA
DCS 1800 @power level #0 <450mA,Typical 313mA
@power level #7,Typical 130mA
@power level #15,Typical 92mA
PCS 1900 @power level #0 <450mA,Typical 337mA
@power level #7,Typical 140mA
@power level #15,Typical 94mA
DATA mode, GPRS ( 2 Rx, 3 Tx ) CLASS 12
GSM850 @power level #5 <640mA,Typical 605mA
@power level #12,Typical 195mA
@power level #19,Typical 107mA
EGSM 900 @power level #5 <600mA,Typical 558mA
@power level #12,Typical 185mA
@power level #19,Typical 106mA
DCS 1800 @power level #0 <490mA,Typical 399mA
@power level #7,Typical 150mA
@power level #15,Typical 94mA
PCS 1900 @power level #0 <480mA,Typical 460mA
@power level #7,Typical 166mA
@power level #15,Typical 98mA
DATA mode, GPRS ( 4 Rx,1 Tx ) CLASS 12
GSM850 @power level #5 <350mA,Typical 265mA
@power level #12,Typical 122mA
@power level #19,Typical 93mA
EGSM 900 @power level #5 <350mA,Typical 240mA
@power level #12,Typical 115mA
@power level #19,Typical 90mA
DCS 1800 @power level #0 <300mA,Typical 200mA
@power level #7,Typical 107mA
@power level #15,Typical 89mA
PCS 1900 @power level #0 <300mA,Typical 212mA
@power level #7,Typical 118mA
@power level #15,Typical 90mA
DATA mode, GPRS ( 1 Rx, 4 Tx ) CLASS 12
GSM850 @power level #5 <660mA,Typical 615mA
@power level #12,Typical 232mA
@power level #19,Typical 118mA
Quecctel
Confidential

M50 Hardware Design
M50_HD_V2.0 - 78 -
EGSM 900 @power level #5 <660mA,Typical 560mA
@power level #12,Typical 215mA
@power level #19,Typical 114mA
DCS 1800 @power level #0 <530mA,Typical 420mA
@power level #7,Typical 173mA
@power level #15,Typical 97mA
PCS 1900 @power level #0 <530mA,Typical 470mA
@power level #7,Typical 192mA
@power level #15,Typical 101mA
Note: GPRS Class 12 is the default setting. The module can be configured from GPRS Class 1
to Class 12 by “AT+QGPCLASS”. Setting to lower GPRS class would make it easier to design
the power supply for the module.
5.5. Electro-static discharge
Although the GSM engine is generally protected against Electrostatic Discharge (ESD), ESD
protection precautions should still be emphasized. Proper ESD handling and packaging procedures
must be applied throughout the processing, handling and operation of any applications using the
module.
The measured ESD values of module are shown in the following table.
Table 38: The ESD endurance (Temperature:25℃,Humidity:45 %)
Tested point Contact
discharge
Air discharge
V B AT,GND ±5KV ±10KV
RF_ANT ±5KV ±10KV
PWRKEY
S TAT U S ±2KV ±4KV
SIM_VDD, SIM_DATA
SIM_CLK, SIM_RST ±2KV ±4KV
TXD, RXD
RTS, CTS, DTR ±2KV ±4KV
Others ±0.5KV ±1KV
Quecctel
Confidential

M50 Hardware Design
M50_HD_V2.0 - 79 -
6. Mechanical dimensions
This chapter describes the mechanical dimensions of the module.
6.1. Mechanical dimensions of module
Figure 51: M50 top and side dimensions
Quecctel
Confidential

M50 Hardware Design
M50_HD_V2.0 - 80 -
Figure 52: M50 bottom dimensions
Quecctel
Confidential

M50 Hardware Design
M50_HD_V2.0 - 81 -
6.2. Recommended footprint without bottom centre pads
silkscreen
frame line
Figure 53: Recommended footprint without bottom centre pads
Quecctel
Confidential

M50 Hardware Design
M50_HD_V2.0 - 82 -
6.4. Top view of the module
Figure 54: Top view of the module
Quecctel
Confidential

M50 Hardware Design
M50_HD_V2.0 - 83 -
6.5. Bottom view of the module
Figure 55: Bottom view of the module
Quecctel
Confidential

M50 Hardware Design
M50_HD_V2.0 - 84 -
7. Storage and manufacturing
7.1. Storage
M50 is distributed in vacuum-sealed bag. The restriction of storage condition is shown as below.
Shelf life in sealed bag: 12 months at <40℃/90% RH
After this bag is opened, devices that will be subjected to reflow solder or other high temperature
process must be:
Mounted within 72 hours at factory conditions of ≤30℃/60% RH
Stored at <10% RH
Devices require bake before mounting, if:
Humidity indicator card is >10% when read at 23℃±5℃
Mounted exceed 72 hours at factory conditions of ≤30 ℃/60% RH
If baking is required, devices may be baked for 48 hours at 125℃±5℃
Note: As plastic container cannot be subjected to high temperature, devices must be removed
prior to high temperature (125
℃
) bake. If shorter bake times are desired, refer to the
IPC/JEDECJ-STD-033 for bake procedure.
Quecctel
Confidential

M50 Hardware Design
M50_HD_V2.0 - 85 -
7.2. Soldering
The squeegee should push the paste on the surface of the stencil that makes the paste fill the
stencil openings and penetrate to the PCB. The force on the squeegee should be adjusted so as to
produce a clean stencil surface on a single pass. To ensure the module soldering quality, the
thickness of stencil at the hole of the module pads should be 0.2mm for M50 .
Figure 56: Paste application
Suggest peak reflow temperature is from 235℃ to 245℃ (for SnAg3.0Cu0.5 alloy). Absolute
max reflow temperature is 260℃. To avoid damage to the module when it was repeatedly heated,
it is suggested that the module should be mounted after the first panel has been reflowed. The
following picture is the actual diagram which we have operated.
Quecctel
Confidential

M50 Hardware Design
M50_HD_V2.0 - 86 -
Time(s)
50 100 150 200 250 300
50
100
150
200
250
160℃
200℃
217
0
70s~120s
40s~60s
Between 1~3℃/S
Preheat Heating Cooling
℃
s
Liquids Temperature
Figure 57: Ramp-Soak-Spike reflow profile
7.3. Packaging
M50 modules are distributed in trays of 20 pieces each. This is especially suitable for the M50
according to SMT processes requirements.
The trays are stored inside a vacuum-sealed bag which is ESD protected. It should not be opened
until the devices are ready to be soldered onto the application.
Figure 58: Module tray
Quecctel
Confidential

M50 Hardware Design
M50_HD_V2.0 - 87 -
Appendix A: GPRS coding schemes
Four coding schemes are used in GPRS protocol. The differences between them are shown in
Table 39.
Table 39: Description of different coding schemes
Scheme Code
rate
USF Pre-coded
USF
Radio
Block
excl.USF
and BCS
BCS Tail Coded
bits
Punctured
bits
Data
rate
Kb/s
CS-1 1/2 3 3 181 40 4 456 0 9.05
CS-2 2/3 3 6 268 16 4 588 132 13.4
CS-3 3/4 3 6 312 16 4 676 220 15.6
CS-4 1 3 12 428 16 - 456 - 21.4
Radio block structure of CS-1, CS-2 and CS-3 is shown as Figure 60:
Figure 59: Radio block structure of CS-1, CS-2 and CS-3
Radio block structure of CS-4 is shown as Figure 61:
Figure 60: Radio block structure of CS-4
Block
code
No coding
456 bits
USF
BCS
Radio Block
Rate 1/2 convolutional coding
Puncturing
456 bits
USF
BCS
Radio Block
Quecctel
Confidential

M50 Hardware Design
M50_HD_V2.0 - 88 -
Appendix B: GPRS multi-slot classes
Twenty-nine classes of GPRS multi-slot modes are defined for MS in GPRS specification.
Multi-slot classes are product dependant, and determine the maximum achievable data rates in
both the uplink and downlink directions. Written as 3+1 or 2+2, the first number indicates the
amount of downlink timeslots, while the second number indicates the amount of uplink timeslots.
The active slots determine the total number of slots the GPRS device can use simultaneously for
both uplink and downlink communications. The description of different multi-slot classes is
shown in Table 40.
Table 40: GPRS multi-slot classes
Multislot class Downlink slots Uplink slots Active slots
1 1 1 2
2 2 1 3
3 2 2 3
4 3 1 4
5 2 2 4
6 3 2 4
7 3 3 4
8 4 1 5
9 3 2 5
10 4 2 5
11 4 3 5
12 4 4 5
Quecctel
Confidential
