Quectel Wireless Solutions 201404UC15 UMTS/HSDPA Module User Manual Quectel UC15 User Manual
Quectel Wireless Solutions Company Limited UMTS/HSDPA Module Quectel UC15 User Manual
Contents
- 1. User Manual
- 2. Quectel_UC15_User_Manual
Quectel_UC15_User_Manual

UC15 Hardware Design
UMTS/HSDPA Module Series
Rev. UC15_Hardware_Design_V1.3
Date: 2014-04-21
www.quectel.com

UMTS/HSDPA Module Series
UC15 Hardware Design
UC15_Hardware_Design Confidential / Released 1 / 79
Our aim is to provide customers with timely and comprehensive service. For any
assistance, please contact our company headquarters:
Quectel Wireless Solutions Co., Ltd.
Office 501, Building 13, No.99, Tianzhou Road, Shanghai, China, 200233
Tel: +86 21 5108 6236
Mail: info@quectel.com
Or our local office, for more information, please visit:
http://www.quectel.com/support/salesupport.aspx
For technical support, to report documentation errors, please visit:
http://www.quectel.com/support/techsupport.aspx
GENERAL NOTES
QUECTEL OFFERS THIS INFORMATION AS A SERVICE TO ITS CUSTOMERS. THE INFORMATION
PROVIDED IS BASED UPON CUSTOMERS’ REQUIREMENTS. QUECTEL MAKES EVERY EFFORT
TO ENSURE THE QUALITY OF THE INFORMATION IT MAKES AVAILABLE. QUECTEL DOES NOT
MAKE ANY WARRANTY AS TO THE INFORMATION CONTAINED HEREIN, AND DOES NOT ACCEPT
ANY LIABILITY FOR ANY INJURY, LOSS OR DAMAGE OF ANY KIND INCURRED BY USE OF OR
RELIANCE UPON THE INFORMATION. THE INFORMATION SUPPLIED HEREIN IS SUBJECT TO
CHANGE WITHOUT PRIOR NOTICE.
COPYRIGHT
THIS INFORMATION CONTAINED HERE IS PROPRIETARY TECHNICAL INFORMATION OF
QUECTEL CO., LTD. TRANSMITTABLE, REPRODUCTION, DISSEMINATION AND EDITING OF THIS
DOCUMENT AS WELL AS UTILIZATION OF THIS CONTENTS ARE FORBIDDEN WITHOUT
PERMISSION. OFFENDERS WILL BE HELD LIABLE FOR PAYMENT OF DAMAGES. ALL RIGHTS
ARE RESERVED IN THE EVENT OF A PATENT GRANT OR REGISTRATION OF A UTILITY MODEL
OR DESIGN.
Copyright © Quectel Wireless Solutions Co., Ltd. 2014. All rights reserved.

UMTS/HSDPA Module Series
UC15 Hardware Design
UC15_Hardware_Design Confidential / Released 2 / 79
About the Document
History
Revision Date Author Description
1.0 2013-11-26 Mountain ZHOU Initial
1.1 2014-01-15 Huik LI
1. Modified packaging information of UC15 in the
Chapter 7.3.
2. Modified Figure 4 and Figure 11.
3. Modified the description of command AT+CFUN
in the Chapter 3.5.2.
1.2 2014-02-14 Huik LI Modified the frequency bands of UC15-A.
1.3 2014-04-21 Huik LI 1. Modified current consumption in Chapter 5.4.
2. Added PCM feature in Chapter 3.12.

UMTS/HSDPA Module Series
UC15 Hardware Design
UC15_Hardware_Design Confidential / Released 3 / 79
Contents
About the Document ................................................................................................................................ 2
Contents .................................................................................................................................................... 3
Table Index ............................................................................................................................................... 6
Figure Index .............................................................................................................................................. 7
1Introduction ....................................................................................................................................... 9
1.1.Safety Information ................................................................................................................... 9
2Product Concept ............................................................................................................................. 11
2.1.General Description ...............................................................................................................11
2.2.Directives and Standards ...................................................................................................... 12
2.2.1.FCC Statement ............................................................................................................ 12
2.2.2.FCC Radiation Exposure Statement ............................................................................ 12
2.3.Key Features ......................................................................................................................... 13
2.4.Functional Diagram ............................................................................................................... 15
2.5.Evaluation Board ................................................................................................................... 16
3Application Interface ....................................................................................................................... 17
3.1.General Description .............................................................................................................. 17
3.2.Pin Assignment ..................................................................................................................... 18
3.3.Pin Description ...................................................................................................................... 19
3.4.Operating Modes .................................................................................................................. 24
3.5.Power Saving ........................................................................................................................ 25
3.5.1.Sleep Mode.................................................................................................................. 25
3.5.1.1.UART Application ............................................................................................... 25
3.5.1.2.USB Application with Suspend Function ............................................................ 26
3.5.1.3.USB Application without Suspend Function ....................................................... 27
3.5.2.Minimum Functionality Mode ....................................................................................... 27
3.6.Power Supply ........................................................................................................................ 28
3.6.1.Power Supply Pins ....................................................................................................... 28
3.6.2.Decrease Voltage Drop ................................................................................................ 28
3.6.3.Reference Design for Power Supply ............................................................................ 29
3.6.4.Monitor the Power Supply ............................................................................................ 30
3.6.5.VDD_EXT .................................................................................................................... 30
3.7.Turn on and off Scenarios ..................................................................................................... 30
3.7.1.Turn on Module by PWRKEY Pin ................................................................................ 30
3.7.2.Turn off Module ............................................................................................................ 32
3.7.2.1.Turn off Module by PWRKEY Pin ...................................................................... 32
3.7.2.2.Turn off Module by AT Command ...................................................................... 33
3.7.2.3.Automatic Shutdown .......................................................................................... 33
3.8.Reset the Module .................................................................................................................. 34
3.9.UART Interface ..................................................................................................................... 35
3.9.1.The Connection of UART ............................................................................................. 36
3.9.2.UART Application ......................................................................................................... 38

UMTS/HSDPA Module Series
UC15 Hardware Design
UC15_Hardware_Design Confidential / Released 4 / 79
3.10.Behavior of the RI ................................................................................................................. 39
3.11.Analog Audio Interface .......................................................................................................... 40
3.11.1.Decrease TDD Noise and Other Noise ........................................................................ 41
3.11.2.Microphone Interfaces Application ............................................................................... 42
3.11.3.Receiver and Speaker Interface Application ................................................................ 43
3.11.4.Earphone Interface Application .................................................................................... 45
3.12.PCM and I2C Interface .......................................................................................................... 46
3.13.USIM Card Interface ............................................................................................................. 48
3.13.1.USIM Card Application ................................................................................................. 48
3.13.2.Design Considerations for USIM Card Holder ............................................................. 50
3.14.USB Interface ........................................................................................................................ 53
3.15.ADC Function ........................................................................................................................ 54
3.16.Network Status Indication ...................................................................................................... 55
3.17.Operating Status Indication ................................................................................................... 56
4Antenna Interface ............................................................................................................................ 58
4.1.Antenna Interface .................................................................................................................. 58
4.1.1.Pin Definition ................................................................................................................ 58
4.1.2.Operating Frequency ................................................................................................... 58
4.1.3.Reference Design ........................................................................................................ 58
4.2.Antenna Installation ............................................................................................................... 59
4.2.1.Antenna Requirement .................................................................................................. 59
4.2.2.Install the Antenna with RF Connector ......................................................................... 59
5Electrical, Reliability and Radio Characteristics .......................................................................... 62
5.1.Absolute Maximum Ratings .................................................................................................. 62
5.2.Power Supply Ratings ........................................................................................................... 63
5.3.Operating Temperature ......................................................................................................... 63
5.4.Current Consumption ............................................................................................................ 64
5.5.RF Output Power .................................................................................................................. 65
5.6.RF Receiving Sensitivity ....................................................................................................... 65
5.7.Electrostatic Discharge ......................................................................................................... 66
6Mechanical Dimensions.................................................................................................................. 67
6.1.Mechanical Dimensions of the Module.................................................................................. 67
6.2.Footprint of Recommendation ............................................................................................... 69
6.3.Top View of the Module ......................................................................................................... 70
6.4.Bottom View of the Module ................................................................................................... 70
7Storage and Manufacturing ............................................................................................................ 71
7.1.Storage.................................................................................................................................. 71
7.2.Manufacturing and Welding .................................................................................................. 71
7.3.Packaging ............................................................................................................................. 72
8Appendix A Reference .................................................................................................................... 74
9Appendix B GPRS Coding Scheme ............................................................................................... 77

UMTS/HSDPA Module Series
UC15 Hardware Design
UC15_Hardware_Design Confidential / Released 5 / 79
10Appendix C GPRS Multi-slot Class ................................................................................................ 78
11Appendix D EDGE Modulation and Coding Scheme .................................................................... 79

UMTS/HSDPA Module Series
UC15 Hardware Design
UC15_Hardware_Design Confidential / Released 6 / 79
Table Index
TABLE 1: FREQUENCY BANDS OF UC15 SERIES ......................................................................................... 11
TABLE 2: UC15 KEY FEATURES ..................................................................................................................... 13
TABLE 3: IO PARAMETERS DEFINITION ........................................................................................................ 19
TABLE 4: PIN DESCRIPTION ........................................................................................................................... 19
TABLE 5: OVERVIEW OF OPERATING MODES ............................................................................................. 24
TABLE 6: VBAT AND GND PIN ......................................................................................................................... 28
TABLE 7: ELECTRICAL CHARACTERISTICS OF VDD_EXT ......................................................................... 30
TABLE 8: PWRKEY PIN DESCRIPTION .......................................................................................................... 30
TABLE 9: RESET_N PIN DESCRIPTION ......................................................................................................... 34
TABLE 10: PIN DEFINITION OF THE UART INTERFACE ............................................................................... 35
TABLE 11: LOGIC LEVELS OF DIGITAL I/O .................................................................................................... 36
TABLE 12: BEHAVIOR OF THE RI ................................................................................................................... 40
TABLE 13: PIN DEFINITION OF THE AUDIO INTERFACE ............................................................................. 40
TABLE 14: MICROPHONE CHARACTERISTICS............................................................................................. 45
TABLE 15: SPEAKER CHARACTERISTICS .................................................................................................... 45
TABLE 16: PIN DEFINITION OF PCM AND I2C INTERFACE .......................................................................... 47
TABLE 17: PIN DEFINITION OF THE USIM INTERFACES ............................................................................. 48
TABLE 18: PIN DESCRIPTION OF MOLEX USIM CARD HOLDER ................................................................ 51
TABLE 19: PIN DESCRIPTION OF AMPHENOL USIM CARD HOLDER ........................................................ 52
TABLE 20: USB PIN DESCRIPTION ................................................................................................................ 53
TABLE 21: PIN DEFINITION OF THE ADC ...................................................................................................... 55
TABLE 22: CHARACTERISTICS OF THE ADC ................................................................................................ 55
TABLE 23: PIN DEFINITION OF NETWORK INDICATOR ............................................................................... 55
TABLE 24: WORKING STATE OF THE NETWORK INDICATOR .................................................................... 55
TABLE 25: PIN DEFINITION OF STATUS ........................................................................................................ 56
TABLE 26: PIN DEFINITION OF THE RF ANTENNA ....................................................................................... 58
TABLE 27: MODULE OPERATING FREQUENCIES ........................................................................................ 58
TABLE 28: ANTENNA REQUIREMENTS .......................................................................................................... 59
TABLE 29: ABSOLUTE MAXIMUM RATINGS .................................................................................................. 62
TABLE 30: THE MODULE POWER SUPPLY RATINGS .................................................................................. 63
TABLE 31: OPERATING TEMPERATURE ........................................................................................................ 63
TABLE 32: MODULE CURRENT CONSUMPTION .......................................................................................... 64
TABLE 33: MODULE CONDUCTED RF OUTPUT POWER ............................................................................. 65
TABLE 34: MODULE CONDUCTED RECEIVING SENSITIVITY ..................................................................... 65
TABLE 35: ELECTROSTATICS DISCHARGE CHARACTERISTICS ............................................................... 66
TABLE 36: RELATED DOCUMENTS ................................................................................................................ 74
TABLE 37: TERMS AND ABBREVIATIONS ...................................................................................................... 74
TABLE 38: DESCRIPTION OF DIFFERENT CODING SCHEMES .................................................................. 77
TABLE 39: DESCRIPTION OF DIFFERENT CODING SCHEMES .................................................................. 78
TABLE 40: EDGE MODULATION AND CODING SCHEME ............................................................................. 79

UMTS/HSDPA Module Series
UC15 Hardware Design
UC15_Hardware_Design Confidential / Released 7 / 79
Figure Index
FIGURE 1: FUNCTIONAL DIAGRAM ............................................................................................................... 16
FIGURE 2: PIN ASSIGNMENT (TOP VIEW) .................................................................................................... 18
FIGURE 3: UART SLEEP APPLICATION ......................................................................................................... 26
FIGURE 4: USB APPLICATION WITH SUSPEND FUNCTION ........................................................................ 26
FIGURE 5: USB SLEEP APPLICATION WITHOUT SUSPEND FUNCTION .................................................... 27
FIGURE 6: STAR STRUCTURE OF THE POWER SUPPLY ............................................................................ 29
FIGURE 7: REFERENCE CIRCUIT OF POWER SUPPLY .............................................................................. 29
FIGURE 8: TURN ON THE MODULE BY DRIVING CIRCUIT.......................................................................... 31
FIGURE 9: TURN ON THE MODULE BY KEYSTROKE .................................................................................. 31
FIGURE 10: TIMING OF TURNING ON MODULE ........................................................................................... 32
FIGURE 11: TIMING OF TURNING OFF MODULE .......................................................................................... 33
FIGURE 12: REFERENCE CIRCUIT OF RESET_N ........................................................................................ 34
FIGURE 13: TIMING OF RESETTING MODULE ............................................................................................. 35
FIGURE 14: CONNECTION OF FULL FUNCTIONAL UART PORT ................................................................ 36
FIGURE 15: CONNECTION OF THREE LINES UART PORT ......................................................................... 37
FIGURE 16: CONNECTION OF UART PORT WITH HARDWARE FLOW CONTROL .................................... 37
FIGURE 17: 3.3V LEVEL MATCH CIRCUIT ..................................................................................................... 38
FIGURE 18: 5V LEVEL MATCH CIRCUIT ........................................................................................................ 38
FIGURE 19: RS232 LEVEL SHIFT CIRCUIT .................................................................................................... 39
FIGURE 20: RI BEHAVIOR ............................................................................................................................... 40
FIGURE 21: MICROPHONE REFERENCE DESIGN FOR AIN1&AIN2 ........................................................... 42
FIGURE 22: REFERENCE DESIGN FOR AOUT1 ........................................................................................... 43
FIGURE 23: REFERENCE DESIGN WITH AN AMPLIFIER FOR AOUT1 ....................................................... 43
FIGURE 24: REFERENCE DESIGN FOR AOUT2 ........................................................................................... 44
FIGURE 25: REFERENCE DESIGN WITH AN AMPLIFIER FOR AOUT2 ....................................................... 44
FIGURE 26: REFERENCE DESIGN FOR AN EARPHONE ............................................................................. 45
FIGURE 27: PRIMARY MODE TIMING ............................................................................................................ 46
FIGURE 28: AUXILIARY MODE TIMING .......................................................................................................... 47
FIGURE 29: REFERENCE CIRCUIT OF PCM APPLICATION WITH AUDIO CODEC .................................... 48
FIGURE 30: REFERENCE CIRCUIT OF THE 8-PIN USIM CARD .................................................................. 49
FIGURE 31: REFERENCE CIRCUIT OF THE 6-PIN USIM CARD .................................................................. 50
FIGURE 32: MOLEX 91228 USIM CARD HOLDER ......................................................................................... 51
FIGURE 33: AMPHENOL C707 10M006 512 2 USIM CARD HOLDER ........................................................... 52
FIGURE 34: REFERENCE CIRCUIT OF USB APPLICATION ......................................................................... 53
FIGURE 35: TEST POINTS OF FIRMWARE UPGRADE ................................................................................. 54
FIGURE 36: REFERENCE CIRCUIT OF THE NETWORK INDICATOR .......................................................... 56
FIGURE 37: REFERENCE CIRCUIT OF THE STATUS ................................................................................... 57
FIGURE 38: REFERENCE CIRCUIT OF ANTENNA INTERFACE ................................................................... 59
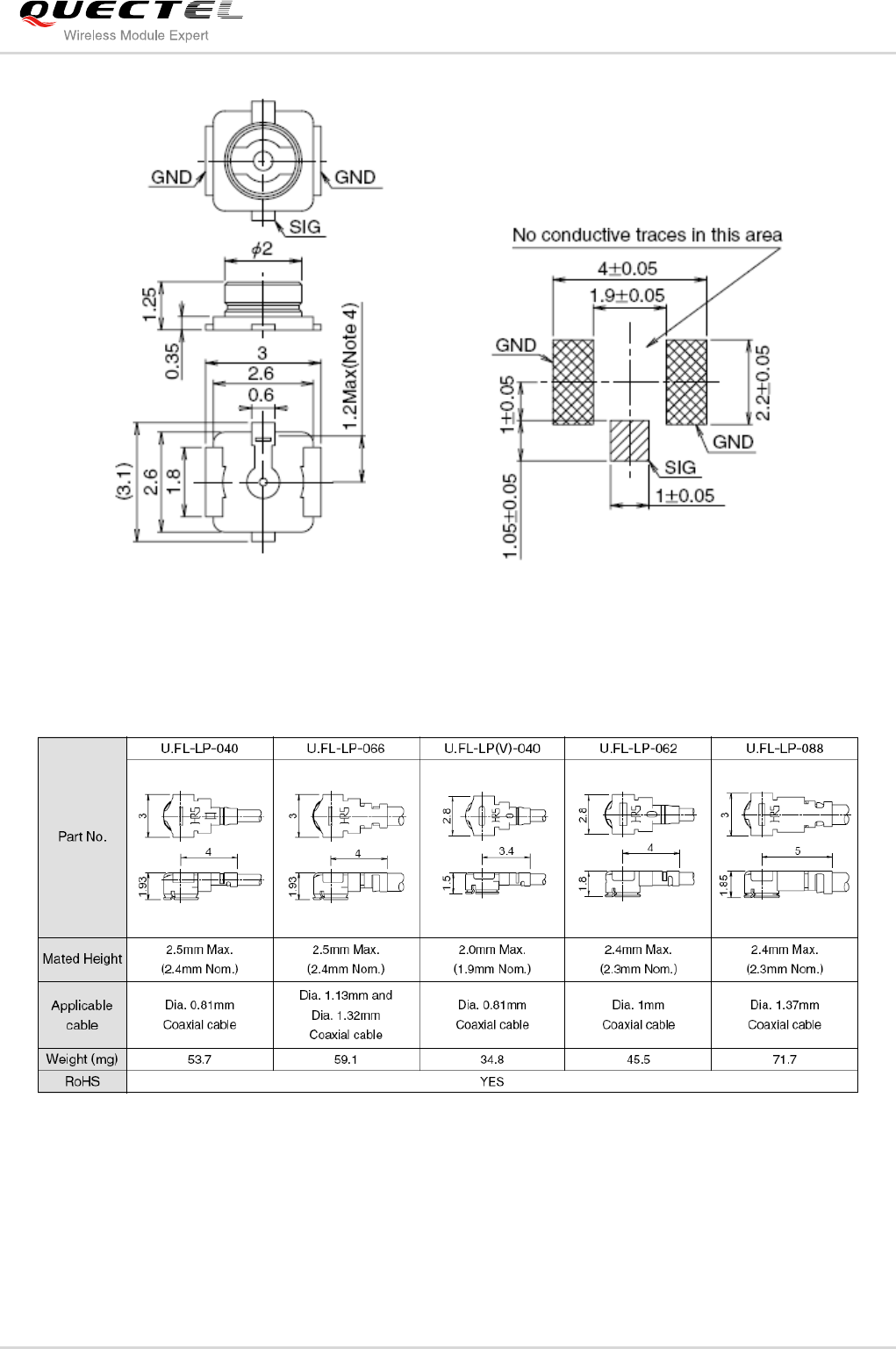
FIGURE 39: DIMENSIONS OF THE UF.L-R-SMT CONNECTOR (UNIT: MM) ................................................ 60
FIGURE 40: MECHANICALS OF UF.L-LP CONNECTORS (UNIT: MM) .......................................................... 60
FIGURE 41: SPACE FACTOR OF MATED CONNECTOR (UNIT: MM) ........................................................... 61

UMTS/HSDPA Module Series
UC15 Hardware Design
UC15_Hardware_Design Confidential / Released 8 / 79
FIGURE 42: UC15 TOP AND SIDE DIMENSIONS ........................................................................................... 67
FIGURE 43: UC15 BOTTOM DIMENSIONS (BOTTOM VIEW) ....................................................................... 68
FIGURE 44: BOTTOM PADS DIMENSIONS (BOTTOM VIEW) ....................................................................... 68
FIGURE 45: RECOMMENDED FOOTPRINT (TOP VIEW) .............................................................................. 69
FIGURE 46: TOP VIEW OF THE MODULE ...................................................................................................... 70
FIGURE 47: BOTTOM VIEW OF THE MODULE .............................................................................................. 70
FIGURE 48: REFLOW SOLDERING PROFILE ................................................................................................ 72
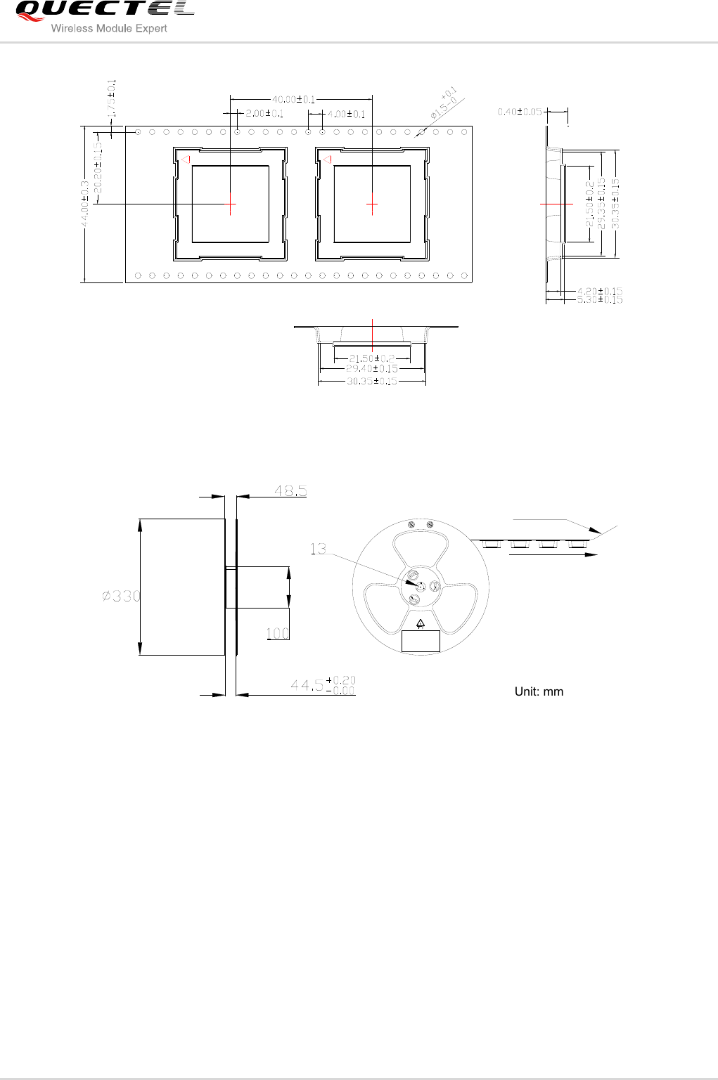
FIGURE 49: CARRIER TAPE ............................................................................................................................ 73

UMTS/HSDPA Module Series
UC15 Hardware Design
UC15_Hardware_Design Confidential / Released 9 / 79
1 Introduction
This document defines the UC15 module and describes its hardware interface which are connected with
your application and the air interface.
This document can help you quickly understand module interface specifications, electrical and
mechanical details. Associated with application notes and user guide, you can use UC15 module to
design and set up mobile applications easily.
1.1. Safety Information
The following safety precautions must be observed during all phases of the operation, such as usage,
service or repair of any cellular terminal or mobile incorporating UC15 module. Manufacturers of the cellular
terminal should send the following safety information to users and operating personnel and to incorporate
these guidelines into all manuals supplied with the product. If not so, Quectel does not take on any liability
for customer failure to comply with these precautions.
Full attention must be given to driving at all times in order to reduce the risk of an
accident. Using a mobile while driving (even with a handsfree kit) cause distraction
and can lead to an accident. You must comply with laws and regulations restricting
the use of wireless devices while driving.
Switch off the cellular terminal or mobile before boarding an aircraft. Make sure it
switched off. The operation of wireless appliances in an aircraft is forbidden to
prevent interference with communication systems. Consult the airline staff about
the use of wireless devices on boarding the aircraft, if your device offers a Airplane
Mode which must be enabled prior to boarding an aircraft.
Switch off your wireless device when in hospitals or clinics or other health care
facilities. These requests are desinged to prevent possible interference with
sentitive medical equipment.

UMTS/HSDPA Module Series
UC15 Hardware Design
UC15_Hardware_Design Confidential / Released 10 / 79
GSM cellular terminals or mobiles operate over radio frequency signal and cellular
network and cannot be guaranteed to connect in all conditions, for example no
mobile fee or an invalid USIM card. While you are in this condition and need
emergent help, please remember using emergency call. In order to make or
receive call, the cellular terminal or mobile must be switched on and in a service
area with adequate cellular signal strength.
Your cellular terminal or mobile contains a transmitter and receiver. When it is ON ,
it receives and transmits radio frequency energy. RF interference can occur if it is
used close to TV set, radio, computer or other electric equipment.
In locations with potencially explosive atmospheres, obey all posted signs to turn
off wireless devices such as your phone or other cellular terminals. Areas with
potencially exposive atmospheres including fuelling areas, below decks on boats,
fuel or chemical transfer or storage facilities, areas where the air contains
chemicals or particles such as grain, dust or metal powders.

UMTS/HSDPA Module Series
UC15 Hardware Design
UC15_Hardware_Design Confidential / Released 11 / 79
2 Product Concept
2.1. General Description
UC15 is an embedded UMTS/HSDPA module. Its UMTS-based modem provides data connectivity on
HSDPA, WCDMA, EDGE and GPRS networks. UC15 offers a maximum data rate of 3.6Mbps on
downlink and also supports GPRS/EDGE multi-slot class 12 as well. GPRS supports the coding schemes
CS-1, CS-2, CS-3 and CS-4. EDGE supports CS-1 to CS-4 and MCS-1 to MCS-9 coding schemes. UC15
includes two variants, UC15-A and UC15-E. And both of them are divided into Telematics version and
Data Only version. Telematics version supports voice and data, while Data Only version only supports
data. This is convenient for you to choose the dedicated type based on the wireless network configuration.
The following table shows the entire radio band configuration of UC15 series.
Table 1: Frequency Bands of UC15 Series
More details about GPRS/EDGE multi-slot configuration and coding schemes, please refer to Appendix B,
C and D.
With a tiny profile of 29.0mm × 29.0mm × 2.5mm, UC15 can meet almost all requirements for M2M
application such as automotive, metering, tracking system, security solutions, routers, wireless POS,
mobile computing devices, PDA phone and tablet PC, etc.
UC15 is an SMD type module, which can be embedded in your application through its 108-pin pads
including 68 LCC signal pads and 40 other pads.
UC15 is integrated with internet service protocols such as TCP/UDP and PPP. Extended AT commands
have been developed for you to use these internet service protocols easily.
Module GSM
850
EGSM
900
DCS
1800
PCS
1900
UMTS
850
UMTS
900
UMTS
1900
UMTS
2100
UC15

UMTS/HSDPA Module Series
UC15 Hardware Design
UC15_Hardware_Design Confidential / Released 12 / 79
2.2. Directives and Standards
The UC15 module is designed to comply with the FCC statements. FCC ID: XMR201404UC15
If the FCC ID of the module cannot be seen by the user in the final installation, the host device must show
the statement: “Contains FCC ID: XMR201404UC15” in a visible and permanent location”
2.2.1. FCC Statement
1. This device complies with Part 15 of the FCC rules. Operation is subject to the following conditions:
a) This device may not cause harmful interference.
b) This device must accept any interference received, including interference that may cause undesired
operation.
2. Changes or modifications not expressly approved by the party responsible for compliance could avoid
the user’s authority to operate the equipment.
2.2.2. FCC Radiation Exposure Statement
This equipment complies with FCC radiation exposure limits set forth for an uncontrolled environment.
This equipment should be installed and operated with minimum distance 20cm between the radiator and
your body as well as kept minimum 20cm from radio antenna depending on the Mobile status of this
module usage.
This module should NOT be installed and operating simultaneously with other radio.
The manual of the host system, which uses UC15, must include RF exposure warning statement to
advice user should keep minimum 20cm from the radio antenna of UC15 module depending on the
Mobile status.
Note: If a portable device (such as PDA) uses UC15 module, the device needs to do permissive change
and SAR testing.

UMTS/HSDPA Module Series
UC15 Hardware Design
UC15_Hardware_Design Confidential / Released 13 / 79
2.3. Key Features
The following table describes the detailed features of UC15 module.
Table 2: UC15 Key Features
Feature Details
Power Supply Supply voltage: 3.3V~4.3V
Typical supply voltage: 3.8V
Frequency Bands UC15-A: GSM850/900/1800/1900, UMTS850/1900
Transmission Data
HSDPA R5: Max 3.6Mbps (DL)
WCDMA R99: Max 384kbps (DL)/Max 384kbps (UL)
EDGE: Max 236.8kbps (DL only)
GPRS: Max 85.6kbps (DL)/Max 85.6kbps (UL)
CSD: 64kbps
Transmitting Power
Class 4 (33dBm±2dB) for GSM850
Class 1 (30dBm±2dB) for PCS1900
Class E2 (27dBm±3dB) for GSM850 and EGSM900 8-PSK
Class E2 (26dBm+3/-4dB) for DCS1800 and PCS1900 8-PSK
Class 3 (24dBm+1/-3dB) for UMTS850/1900
HSDPA and WCDMA
Features
HSDPA data rate is corresponded with 3GPP R5. 3.6Mbps on
downlink.
WCDMA data rate is corresponded with 3GPP R99/R4. 384kbps on
downlink and 384kbps on uplink.
Support both 16-QAM and QPSK modulation.
GSM/GPRS/EDGE
Data Features
GPRS:
Support GPRS multi-slot class 12 (10 by default)
Coding scheme: CS-1, CS-2, CS-3 and CS-4
Maximum of four Rx time slots per frame
EDGE:
Support EDGE multi-slot class 12 (12 by default).
Support GMSK and 8-PSK for different MCS (Modulation and Coding
scheme).
Downlink coding schemes: CS 1-4 and MCS 1-9.
CSD:
CSD transmission rates: 64kbps non-transparent.
Support Unstructured Supplementary Services Data (USSD).

UMTS/HSDPA Module Series
UC15 Hardware Design
UC15_Hardware_Design Confidential / Released 14 / 79
Internet Protocol Features
Support TCP/PPP/UDP protocols.
Support the protocols PAP (Password Authentication Protocol) and
CHAP (Challenge Handshake Authentication Protocol) usually used
for PPP connections.
SMS
Text and PDU mode
Point to point MO and MT
SMS cell broadcast
SMS storage: ME by default
USIM Interface Support USIM/SIM card: 1.8V, 3.0V
Audio Features
Support two analog input channels and two analog output channels.
GSM: HR/FR/EFR/AMR/AMR-WB
WCDMA: AMR/AMR-WB
Echo cancellation and noise suppression.
PCM Interface*
Used for audio function with external codec.
Support 16-bit linear data formats.
Support long frame sync and short frame sync.
Support master and slave mode, but must be the master in long frame
sync.
UART Interface
Seven lines on UART interface.
Support RTS and CTS hardware flow control.
Baud rate can reach up to 921600bps, 115200bps by default.
Used for AT command, data transmission and firmware upgrade.
USB Interface
Compliant with USB 2.0 specification (slave only), the data transfer
rate can reach up to 480 Mbps at high speed mode.
Used for AT command communication, data transmission, software
debug and firmware upgrade.
USB driver: support Windows XP, Windows Vista, Windows 7,
Windows 8, Windows CE5.0/6.0, Windows Mobile 6.1/6.5, Linux 2.6 or
later, Android 2.3 or later.
AT Commands Compliant with 3GPP TS 27.007, 27.005 and Quectel enhanced AT
commands.
Network Indication Indicate network activity status.
Antenna Interface Connected via 50ohm antenna pad.
Physical Characteristics Size: 29.0±0.15 × 29.0±0.15 × 2.5±0.2 mm
Weight: Approx. 4.3g
Temperature Range
Normal operation: -35°C ~ +75°C
Restricted operation: -40°C ~ -35°C and +75°C ~ +85°C 1)
Storage temperature: -45°C ~ +90°C
Firmware Upgrade USB interface (by default) and UART interface.
RoHS All hardware components are fully compliant with EU RoHS directive.

UMTS/HSDPA Module Series
UC15 Hardware Design
UC15_Hardware_Design Confidential / Released 15 / 79
1. “1)” means when the module works within this temperature range, RF performance might degrade.
For example, the frequency error or the phase error would increase.
2. “*” means this feature is under development.
2.4. Functional Diagram
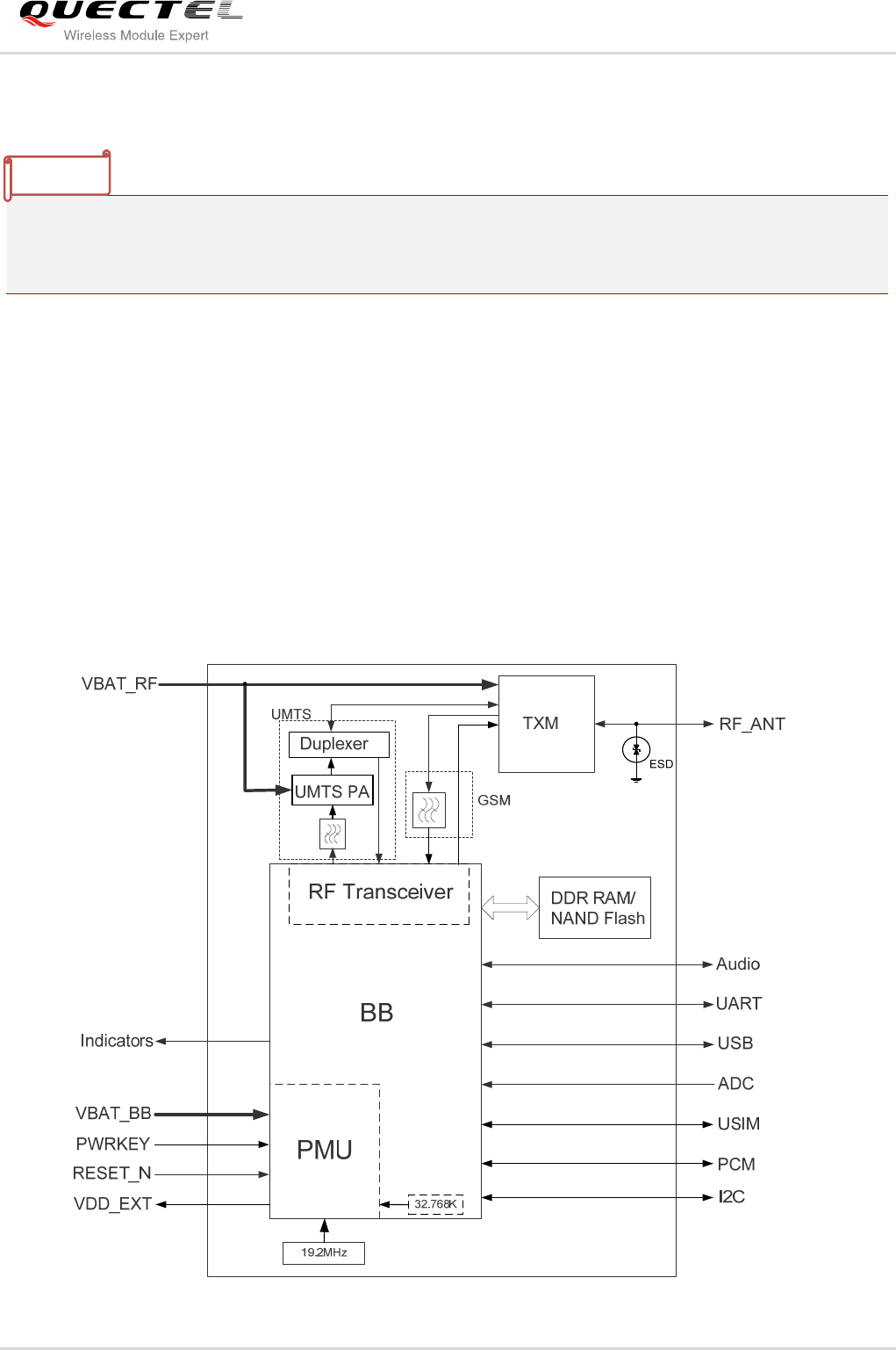
The following figure shows a block diagram of UC15 and illustrates the major functional parts.
Power management unit
Baseband
DDR+NAND flash
Radio frequency
Peripheral interface
NOTES

UMTS/HSDPA Module Series
UC15 Hardware Design
UC15_Hardware_Design Confidential / Released 16 / 79
Figure 1: Functional Diagram
2.5. Evaluation Board
In order to help you to develop applications with UC15, Quectel supplies an evaluation board (EVB),
RS-232 to USB cable, USB data cable, power adapter, earphone, antenna and other peripherals to
control or test the module. For details, please refer to document [2].

UMTS/HSDPA Module Series
UC15 Hardware Design
UC15_Hardware_Design Confidential / Released 17 / 79
3 Application Interface
3.1. General Description
UC15 is equipped with a 68-pin 1.3mm pitch SMT pads plus 40-pin ground pads and reserved pads that
connect to cellular application platform. Sub-interfaces included in these pads are described in details in
the following chapters:
Power supply
UART interface
Audio interface
PCM interface
USIM interface
USB interface
ADC interface
Indicator interface

UMTS/HSDPA Module Series
UC15 Hardware Design
UC15_Hardware_Design Confidential / Released 18 / 79
3.2. Pin Assignment
The following figure shows the pin assignment of the UC15 module.
32
17
18
19
20
21
22
23
24
25
26
27
28
29
30
31
64
63
62
61
60
59
58
57
56
55
54
53
52
51
50
49
RESET_N
PWRKEY
AGND*
SPK2P*
SPK1N*
SPK1P*
MIC1P*
MIC1N*
MIC2P*
MIC2N*
RESERVED
RESERVED
RESERVED
RESERVED
RESERVED
RESERVED
USB_VBUS
USB_DM
USB_DP
RXD
TXD
DTR
RTS
CTS
DCD
RI
STATUS
VBAT_BB
VBAT_BB
VBAT_RF
VBAT_RF
GND
Figure 2: Pin Assignment (Top View)
1. Keep all RESERVED pins and unused pins unconnected.
2. GND pads 81~108 should be connected to ground in the design, and RESERVED pads 69~80
should be unconnected.
3. “*” means these functions are only supported in Telematics version. Meanwhile, PCM function is still
under development.
NOTES

UMTS/HSDPA Module Series
UC15 Hardware Design
UC15_Hardware_Design Confidential / Released 19 / 79
3.3. Pin Description
The pin definition of UC15 is shown in table 4.
Table 3: IO Parameters Definition
Table 4: Pin Description
Type Description
IO Bidirectional input/output
DI Digital input
DO Digital output
PI Power input
PO Power output
AI Analog input
AO Analog output
Power Supply
Pin Name Pin No. I/O Description DC Characteristics Comment
VBAT_BB 52,53 PI
Power supply for
module baseband
part.
Vmax=4.3V
Vmin=3.3V
Vnorm=3.8V
It must be able to
provide sufficient
current up to 0.8A.
VBAT_RF 50,51 PI Power supply for
module RF part.
Vmax=4.3V
Vmin=3.3V
Vnorm=3.8V
It must be able to
provide sufficient
current in a
transmitting burst
which typically
rises to 2.0A.
VDD_EXT 7 PO
Provide 2.6V for
external circuit.
Vnorm=2.6V
IOmax=100mA
It is recommend to
add a 2.2~4.7uF
bypass capacitor
when using this
pin for power
supply.

UMTS/HSDPA Module Series
UC15 Hardware Design
UC15_Hardware_Design Confidential / Released 20 / 79
GND
42,44~49
65,67~68
,81~108
Ground.
Turn On/Off
Pin Name Pin No. I/O Description DC Characteristics Comment
PWRKEY 18 DI
Turn on/off the
module.
RPU≈200kΩ
VIHmax=2.1V
VIHmin=1.3V
VILmax=0.5V
Pull-up to 1.8V
internally.
RESET_N 17 DI Reset the module.
VIHmax=2.1V
VIHmin=1.3V
VILmax=0.5V
Pull-up to 1.8V
internally.
Indication
Pin Name Pin No. I/O Description DC Characteristics Comment
STATUS 54 DO
Indicate the module
operating status.
VOHmax=2.6V
VOHmin=2.15V
VOLmax=0.45V
2.6V power
domain.
NETLIGHT 6 DO
Indicate the module
network activity
status.
VOHmax=2.6V
VOHmin=2.15V
VOLmax=0.45V
2.6V power
domain.
USB Interface
Pin Name Pin No. I/O Description DC Characteristics Comment
USB_VBUS 64 PI USB detection.
Vmax=5.25V
Vmin=3.0V
Vnorm=5.0V
USB_DP 62 IO
USB differential data
bus.
Compliant with USB 2.0
standard specification.
Require differential
impedance of 90Ω.
USB_DM 63 IO
USB differential data
bus.
Compliant with USB 2.0
standard specification.
Require differential
impedance of 90Ω.
USIM Interface
Pin Name Pin No. I/O Description DC Characteristics Comment

UMTS/HSDPA Module Series
UC15 Hardware Design
UC15_Hardware_Design Confidential / Released 21 / 79
USIM_GND 8 Specified ground for
USIM card.
USIM_VDD 12 PO
Power supply for
USIM card.
For 1.8V USIM:
Vmax=1.95V
Vmin=1.65V
For 3.0V USIM:
Vmax=3.0V
Vmin=2.7V
Either 1.8V or 3.0V is
supported by the
module automatically.
USIM_DATA 13 IO Data signal of
USIM card.
For 1.8V USIM:
VILmax = 0.6V
VIHmin =1.2V
VOLmax=0.45V
VOHmin=1.35V
For 3.0V USIM:
VILmax=1.0V
VIHmin=1.95V
VOLmax=0.45V
VOHmin=2.55V
Pull-up to USIM_VDD
with 10k resistor
internally.
USIM_CLK 14 DO
Clock signal of
USIM card.
For 1.8V USIM:
VOLmax=0.45V
VOHmin=1.35V
For 3.0V USIM:
VOLmax=0.45V
VOHmin=2.55V
USIM_RST 15 DO
Reset signal of
USIM card.
For 1.8V USIM:
VOLmax=0.45V
VOHmin=1.35V
For 3.0V USIM:
VOLmax=0.45V
VOHmin=2.55V
USIM_
PRESENCE 11 DI
USIM card input
detection.
VILmin=-0.3V
VILmax=0.91V
VIHmin=1.69V
VIHmax=2.9V
2.6V power domain.
ADC Interface
Pin Name Pin No. I/O Description DC Characteristics Comment

UMTS/HSDPA Module Series
UC15 Hardware Design
UC15_Hardware_Design Confidential / Released 22 / 79
ADC0 41 AI
General purpose
analog to digital
converter.
Voltage range:
0V to 2.1V
ADC1 40 AI
General purpose
analog to digital
converter.
Voltage range:
0V to 2.1V
UART Interface
Pin Name Pin No. I/O Description DC Characteristics Comment
RI 55 DO Ring indicator.
VOLmax=0.45V
VOHmin=2.15V 2.6V power domain.
DCD 56 DO
Data carrier
detection.
VOLmax=0.45V
VOHmin=2.15V 2.6V power domain.
CTS 57 DO Clear to send. VOLmax=0.45V
VOHmin=2.15V 2.6V power domain.
RTS 58 DI Request to send.
VILmin=-0.3V
VILmax=0.91V
VIHmin=1.69V
VIHmax=2.9V
2.6V power domain.
DTR 59 DI Data terminal ready.
VILmin=-0.3V
VILmax=0.91V
VIHmin=1.69V
VIHmax=2.9V
2.6V power domain.
Pull-up by default.
TXD 60 DO Transmit data.
VOLmax=0.45V
VOHmin=2.15V 2.6V power domain.
RXD 61 DI Receive data.
VILmin=-0.3V
VILmax=0.91V
VIHmin=1.69V
VIHmax=2.9V
2.6V power domain.
RF Interface
Pin Name Pin No. I/O Description DC Characteristics Comment
RF_ANT 43 IO RF antenna pad. 50Ω impedance.
Analog Audio Interface
Pin Name Pin No. I/O Description DC Characteristics Comment
MIC1P 23 AI Audio positive input.
MIC1N 24 AI
Audio negative
input.

UMTS/HSDPA Module Series
UC15 Hardware Design
UC15_Hardware_Design Confidential / Released 23 / 79
MIC2P 25 AI
Auxiliary audio
positive input.
MIC2N 26 AI
Auxiliary audio
negative input.
SPK1P 22 AO
Audio positive
output.
SPK1N 21 AO
Audio negative
output.
SPK2P 20 AO
Auxiliary audio
positive output.
AGND 19 Analog ground. Ground.
Separate ground for
external audio
circuits.
PCM Interface
Pin Name Pin No. I/O Description DC Characteristics Comment
PCM_DOUT 34 DO PCM data output. VOLmax=0.45V
VOHmin=2.15V 2.6V power domain.
PCM_DIN 35 DI PCM data input.
VILmin=-0.3V
VILmax=0.91V
VIHmin=1.69V
VIHmax=2.9V
2.6V power domain.
PCM_CLK 36 IO PCM data bit clock.
VILmin=-0.3V
VILmax=0.91V
VIHmin=1.69V
VIHmax=2.9V
VOLmax=0.45V
VOHmin=2.15V
2.6V power domain.
PCM_SYNC 37 IO PCM data frame
sync signal
VOLmax=0.45V
VOHmin=2.15V 2.6V power domain.
I2C Interface
Pin Name Pin No. I/O Description DC Characteristics Comment
I2C_SDA 38 IO I2C serial data.
VILmin=-0.3V
VILmax=0.91V
VIHmin=1.69V
VIHmax=2.9V
VOLmax=0.45V
VOHmin=2.15V
External pull-up
resistor is required.
2.6V only.
I2C_SCL 39 DO I2C serial clock. VOLmax=0.45V
VOHmin=2.15V
External pull-up
resistor is required.

UMTS/HSDPA Module Series
UC15 Hardware Design
UC15_Hardware_Design Confidential / Released 24 / 79
3.4. Operating Modes
The table below briefly summarizes the various operating modes.
Table 5: Overview of Operating Modes
2.6V only.
Other Pins
Pin Name Pin No. I/O Description DC Characteristics Comment
AP_READY 2 DI
Application process
or sleep state
detection.
VILmin=-0.3V
VILmax=0.91V
VIHmin=1.69V
VIHmax=2.9V
2.6V power domain.
RESERVED
1,3~5,9~
10,16,27
~33,66,
69~80
Reserved. Keep these pins
unconnected.
Mode Details
Normal Operation
GSM Idle Software is active. The module has registered to the GSM network
and is ready to send and receive data.
GSM Talk/Data
GSM connection is ongoing. In this mode, the power consumption
is decided by the configuration of power control level (PCL),
dynamic DTX control and the working RF band.
GPRS Idle
The module is ready for GPRS data transfer, but no data transfer
is going on. In this case, power consumption depends on network
setting and GPRS configuration.
GPRS Data
There is GPRS data in transfer (PPP, TCP or UDP). In this mode,
power consumption is decided by the PCL, working RF band and
GPRS multi-slot configuration.
EDGE Idle
The module is ready for data transfer in EDGE mode, but no data
is currently sent or received. In this case, power consumption
depends on network settings and EDGE configuration.
EDGE Data
There is EDGE data in transfer (PPP, TCP or UDP). In this mode,
power consumption is decided by the PCL, working RF band and
EDGE multi-slot configuration.

UMTS/HSDPA Module Series
UC15 Hardware Design
UC15_Hardware_Design Confidential / Released 25 / 79
3.5. Power Saving
3.5.1. Sleep Mode
UC15 is able to reduce its current consumption to a minimum value during the sleep mode. The following
section describes power saving procedure of UC15.
3.5.1.1. UART Application
If application processor communicates with module via UART interface, the following preconditions can
let the module enter into the sleep mode.
Execute AT command AT+QSCLK=1 to enable the sleep mode.
Drive DTR to high level.
The following figure shows the connection between the module and application processor.
UMTS Idle Software is active. The module has registered to the UMTS
network and the module is ready to send and receive data.
UMTS
Tal k/D at a
UMTS connection is ongoing. In this mode, the power
consumption is decided by network setting (e.g. TPC pattern) and
data transfer rate.
HSDPA Idle Software is active. The module has registered to the HSDPA
network and the module is ready to send and receive data.
HSDPA Data
HSDPA data transfer is ongoing. In this mode, the power
consumption is decided by network setting (e.g. TPC pattern) and
data transfer rate.
Minimum
Functionality
Mode
AT+CFUN=0 command can set the module entering into a minimum functionality
mode without removing the power supply. In this case, both RF function and USIM
card will be invalid.
Sleep Mode
In this mode, the current consumption of the module will be reduced to the minimal
level. During this mode, the module can still receive paging message, SMS, voice
call and TCP/UDP data from the network normally. Any URC can be output even the
module in Sleep Mode.
Power Down
Mode
In this mode, the power management unit shuts down the power supply for the
baseband part and RF part. Software is not active. The serial interface is not
accessible. Operating voltage (connected to VBAT_RF and VBAT_BB) remains
applied.

UMTS/HSDPA Module Series
UC15 Hardware Design
UC15_Hardware_Design Confidential / Released 26 / 79
Figure 3: UART Sleep Application
The RI of module is used to wake up the processor, and AP_READY will detect the sleep state of
processor (can be configured to high level or low level detection). You should pay attention to the level
match shown in dotted line between module and processor.
Drive DTR to low level will wake up the module.
3.5.1.2. USB Application with Suspend Function
If application processor communicates with module via USB interface, and processor supports USB
suspend function, following preconditions can let the module enter into the sleep mode.
Execute AT command AT+QSCLK=1 to enable the sleep mode.
The processor’s USB bus which is connected with the module USB interface enters into suspended
state.
The following figure shows the connection between the module and processor.
Figure 4: USB Application with Suspend Function

UMTS/HSDPA Module Series
UC15 Hardware Design
UC15_Hardware_Design Confidential / Released 27 / 79
When the processor’s USB bus returns to resume state, the module will be woken up.
3.5.1.3. USB Application without Suspend Function
If application processor communicates with module via USB interface, and processor does not support
USB suspend function, you should disconnect USB_VBUS with additional control circuit to let the module
enter into sleep mode.
Execute AT command AT+QSCLK=1 to enable the sleep mode.
Disconnect USB_VBUS.
The following figure shows the connection between the module and application processor.
Figure 5: USB Sleep Application without Suspend Function
Supply power to USB_VBUS will wake up the module.
In sleep mode, the module can still receive paging message, SMS, voice call and TCP/UDP data from the
network normally, but the UART port is not accessible.
3.5.2. Minimum Functionality Mode
Minimum functionality mode reduces the functionality of the module to minimum level, thus minimizes the
current consumption at the same time. This mode can be set as below:
Command AT+CFUN provides the choice of the functionality levels: <fun>=0, 1, 4.
AT+CFUN=0: Minimum functionality, RF part and USIM card will be closed.
AT+CFUN=1: Full functionality (by default).

UMTS/HSDPA Module Series
UC15 Hardware Design
UC15_Hardware_Design Confidential / Released 28 / 79
AT+CFUN=4: Disable RF function (airplane mode). All AT commands related to RF function are not
accessible.
For detailed information about command AT+CFUN, please refer to document [1].
3.6. Power Supply
3.6.1. Power Supply Pins
UC15 provides four VBAT pins to connect with the external power supply. There are two separate voltage
domains for VBAT.
VBAT_RF with two pads for module RF.
VBAT_BB with two pads for module baseband.
The following table shows the VBAT pins and ground pins.
Table 6: VBAT and GND Pin
3.6.2. Decrease Voltage Drop
The power supply range of the module is 3.3~4.3V. Because of the voltage drop during the transmitting
time, a bypass capacitor of about 100µF with low ESR should be used. Multi-layer ceramic chip (MLCC)
capacitor can provide the best combination of low ESR. Three ceramic capacitors (100nF, 33pF, 10pF)
are recommended to be applied to the VBAT pins. The capacitors should be placed close to the VBAT
pins of UC15. The following figure shows star structure of the power supply.
The main power supply from an external application should be a single voltage source and has to be
expanded to two sub paths with star structure. In addition, in order to get a stable power source, it is
suggested to use a zener diode of which reverse zener voltage is 5.1V and dissipation power is more than
0.5W.
Pin Name Pin No. Description Min. Typ. Max. Unit
VBAT_RF 50,51 Power supply for module RF. 3.3 3.8 4.3 V
VBAT_BB 52,53 Power supply for module
baseband. 3.3 3.8 4.3 V
GND 42,44~49,65,
67~68,81~108 Ground. - - - -

UMTS/HSDPA Module Series
UC15 Hardware Design
UC15_Hardware_Design Confidential / Released 29 / 79
Figure 6: Star Structure of the Power Supply
Please pay special attention to the power supply design for applications. Make sure the input voltage will
never drop below 3.3V. If the voltage drops below 3.3V, the module will turn off automatically. The PCB
traces from the VBAT pins to the power source must be wide enough to ensure that there is not too much
voltage drop occurs in the transmitting procedure. The width of VBAT_BB trace should be no less than
1mm, and the width of VBAT_RF trace should be no less than 2mm, and the principle of the VBAT trace is
the longer, the wider.
3.6.3. Reference Design for Power Supply
The power design for the module is very important, since the performance of power supply for the module
largely depends on the power source. The power supply is capable of providing the sufficient current up to
2A at least. If the voltage drop between the input and output is not too high, it is suggested to use a LDO
to supply power for module. If there is a big voltage difference between the input source and the desired
output (VBAT), a buck converter is preferred to be used as a power supply.
The following figure shows a reference design for +5V input power source. The designed output for the
power supply is 3.88V and the maximum load current is 3A.
Figure 7: Reference Circuit of Power Supply

UMTS/HSDPA Module Series
UC15 Hardware Design
UC15_Hardware_Design Confidential / Released 30 / 79
3.6.4. Monitor the Power Supply
You can use the AT+CBC command to monitor the VBAT_BB voltage value. For more details, please
refer to document [1].
3.6.5. VDD_EXT
UC15 has a LDO power output, named VDD_EXT. The VDD_EXT is available and output voltage is 2.6V
by default, rated at 100mA.
The following table shows electrical characteristics of VDD_EXT.
Table 7: Electrical Characteristics of VDD_EXT
3.7. Turn on and off Scenarios
3.7.1. Turn on Module by PWRKEY Pin
The following table shows the pin definition of PWRKEY.
Table 8: PWRKEY Pin Description
Symbol Description Min. Typ. Max. Unit
VDD_EXT Output voltage 2.5 2.6 2.7 V
IOUT Output current - - 100 mA
Pin Name Pin No. Description DC Characteristics Comment
PWRKEY 18 Turn on/off the module.
VIHmax=2.1V
VIHmin=1.3V
VILmax=0.5V
Pull-up to 1.8V internally
with 200kΩ resistor.

UMTS/HSDPA Module Series
UC15 Hardware Design
UC15_Hardware_Design Confidential / Released 31 / 79
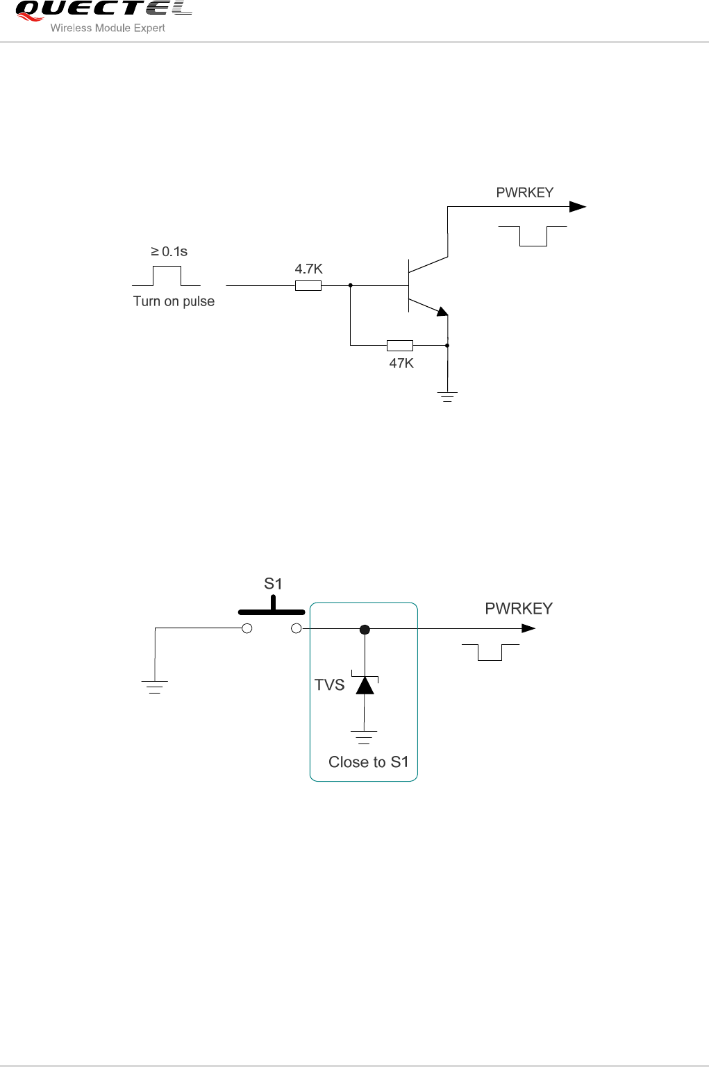
When UC15 is in power down mode, it can be turned on to normal mode by driving the PWRKEY pin to
low level at least 0.1s. It is recommended to use an open collector driver to control the PWRKEY. You can
monitor the level of the STATUS pin to judge whether the module is turned on or not. After STATUS pin
outputting a high level, module is turned on. A simple reference circuit is illustrated in the following figure.
Figure 8: Turn on the Module by Driving Circuit
The other way to control the PWRKEY is to use a button directly. A TVS component is indispensable to be
placed nearby the button for ESD protection. When pressing the key, electrostatic strike may generate
from finger. A reference circuit is shown in the following figure.
Figure 9: Turn on the Module by Keystroke

UMTS/HSDPA Module Series
UC15 Hardware Design
UC15_Hardware_Design Confidential / Released 32 / 79
The turn on scenarios is illustrated as the following figure.
Figure 10: Timing of Turning on Module
① Make sure that VBAT is stable before pulling down PWRKEY pin. The time between them is
recommended to be more than 0.03s.
3.7.2. Turn off Module
The following procedures can be used to turn off the module:
Normal power down procedure: Turn off the module by PWRKEY pin.
Normal power down procedure: Turn off the module by command AT+QPOWD.
Automatic shutdown: Turn off the module automatically if under-voltage or over-voltage is detected.
3.7.2.1. Turn off Module by PWRKEY Pin
Drive the PWRKEY to low level at least 0.6s, the module will execute power-down procedure after
PWRKEY is released. The power-down scenario is illustrated as the following figure.
NOTE

UMTS/HSDPA Module Series
UC15 Hardware Design
UC15_Hardware_Design Confidential / Released 33 / 79
Figure 11: Timing of Turning off Module
During power-down procedure, module will send out URC “NORMAL POWER DOWN” via URC port first,
then log off network and save important data. After logging off, module sends out “POWERED DOWN”
and shuts down the internal power supply. The power on VBAT pins are not allowed to be switched off
before the URC “POWERED DOWN” is output to avoid data loss. If module is not logged off within 60s,
module will force to shut down internal power supply.
After that moment, the module enters into power down mode, no other AT commands can be executed.
The power down mode can also be indicated by the STATUS pin.
3.7.2.2. Turn off Module by AT Command
It is also a safe way to use AT command AT+QPOWD to turn off the module, which is similar to the way of
turning off the module via PWRKEY Pin. Please refer to document [1] for details about the AT command
of AT+QPOWD.
3.7.2.3. Automatic Shutdown
The module will constantly monitor the voltage applied on the VBAT_BB, if the voltage ≤ 3.5V, the
following URC will be presented:
+QIND: “vbatt”,-1
If the voltage ≥ 4.21V, the following URC will be presented:
+QIND: “vbatt”,1
The uncritical voltage is 3.3V to 4.3V, If the voltage > 4.35V or < 3.2V, the module would automatically
shut down itself.

UMTS/HSDPA Module Series
UC15 Hardware Design
UC15_Hardware_Design Confidential / Released 34 / 79
If the voltage < 3.2V, the following URC will be presented:
+QIND: “vbatt”,-2
If the voltage > 4.35V, the following URC will be presented:
+QIND: “vbatt”,2
The value of voltage threshold can be revised by AT command AT+QCFG=“vbatt”, refer to document
[1] for details.
3.8. Reset the Module
The RESET_N can be used to reset the module.
Table 9: RESET_N Pin Description
You can reset the module by driving the RESET_N to low level voltage for 0.05~0.2s and then releasing.
A reference circuit is shown in the following figure.
Figure 12: Reference Circuit of RESET_N
Pin Name Pin No. Description DC Characteristics Comment
RESET_N 17 Reset the module.
VIHmax=2.1V
VIHmin=1.3V
VILmax=0.5V
Pull-up to 1.8V internally.
NOTE

UMTS/HSDPA Module Series
UC15 Hardware Design
UC15_Hardware_Design Confidential / Released 35 / 79
The reset scenario is illustrated as the following figure.
Figure 13: Timing of Resetting Module
The low-level pulse through the RESET_N pin cannot last for more than 0.2s, otherwise the module will
be powered off.
3.9. UART Interface
The module provides one 7-wire UART interface, and is designed as the DCE (Data Communication
Equipment), following the traditional DCE-DTE (Data Terminal Equipment) connection. UART interface
supports 300, 600, 1200, 2400, 4800, 9600, 19200, 38400, 57600, 115200, 230400, 460800 and
921600bps baud rate. The default is 115200bps, while autobauding is not supported. This interface can
be used for data transmission, AT communication and firmware upgrade.
Table 10: Pin Definition of the UART Interface
Pin Name Pin No. I/O Description Comment
RI 55 DO Ring indicator. 2.6V power domain.
DCD 56 DO Data carrier detection. 2.6V power domain.
NOTE

UMTS/HSDPA Module Series
UC15 Hardware Design
UC15_Hardware_Design Confidential / Released 36 / 79
The logic levels are described in the following table.
Table 11: Logic Levels of Digital I/O
3.9.1. The Connection of UART
The connection between module and host via UART port is very flexible. Three connection ways are
illustrated as below.
UART port connection is shown as below when it is applied in modulation-demodulation.
Figure 14: Connection of Full Functional UART Port
CTS 57 DO Clear to send. 2.6V power domain.
RTS 58 DI Request to send. 2.6V power domain.
DTR 59 DI Data terminal ready. 2.6V power domain.
TXD 60 DO Transmit data. 2.6V power domain.
RXD 61 DI Receive data. 2.6V power domain.
Parameter Min. Max. Unit
VIL -0.3 0.91 V
VIH 1.69 2.9 V
VOL 0 0.45 V
VOH 2.15 2.6 V

UMTS/HSDPA Module Series
UC15 Hardware Design
UC15_Hardware_Design Confidential / Released 37 / 79
Three lines connection is shown as below.
Figure 15: Connection of Three Lines UART Port
UART port with hardware flow control is shown as below. This connection will enhance the reliability of the
mass data communication.
Figure 16: Connection of UART Port with Hardware Flow Control
The module disables the hardware flow control by default. AT command AT+IFC=2,2 is used to enable
hardware flow control. AT command AT+IFC=0,0 is used to disable the hardware flow control. For more
details, please refer to document [1].
NOTE

UMTS/HSDPA Module Series
UC15 Hardware Design
UC15_Hardware_Design Confidential / Released 38 / 79
3.9.2. UART Application
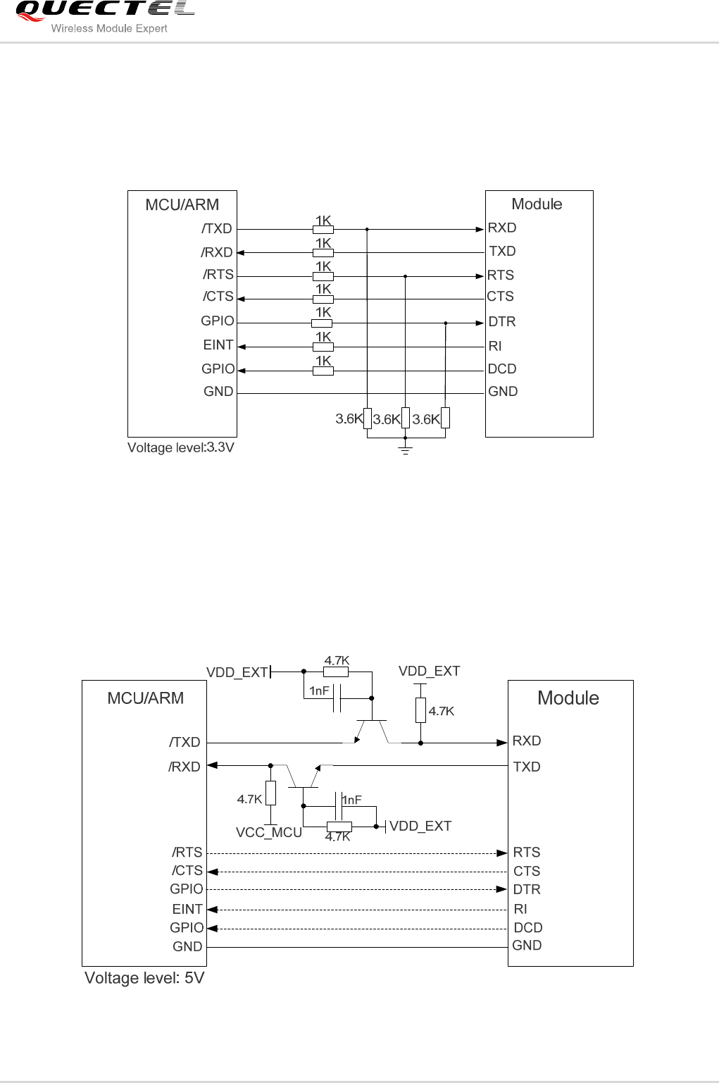
The reference design of 3.3V level match is shown as below. When the peripheral MCU/ARM system is
3V, the divider resistor should be changed from 3.6K to 6.8K.
Figure 17: 3.3V Level Match Circuit
The reference design of 5V level match is shown as below. The construction of dotted line can refer to the
construction of solid line. Please pay attention to direction of connection. Input dotted line of module
should refer to input solid line of the module. Output dotted line of module should refer to output solid line
of the module.
Figure 18: 5V Level Match Circuit

UMTS/HSDPA Module Series
UC15 Hardware Design
UC15_Hardware_Design Confidential / Released 39 / 79
The following figure is an example of connection between module and PC. A RS232 level shifter IC or
circuit must be inserted between module and PC, since UART interface do not support the RS232 level,
while support the CMOS level only.
Figure 19: RS232 Level Shift Circuit
1. Rising edge on DTR will let the module exit from the data mode by default. It can be disabled by
command. Refer to document [1] about AT&D and AT&V for details.
2. DCD is used as data mode indication. Please refer to document [1] about command AT&C and
AT&V for details.
3.10. Behavior of the RI
You can use command AT+QCFG=“risignaltype”, “physical” to configure RI behavior:
No matter which port URC is presented on, URC will trigger the behavior on RI pin.
NOTES

UMTS/HSDPA Module Series
UC15 Hardware Design
UC15_Hardware_Design Confidential / Released 40 / 79
URC can be output from UART port, USB AT port and USB modem port by command AT+QURCCFG.
The default port is USB AT port.
In additional, RI behavior can be configured flexible. The default behavior of the RI is shown as below.
Table 12: Behavior of the RI
Figure 20: RI Behavior
The RI behavior can be changed by command AT+QCFG=“urc/ri/ring”, refer to document [1] for
details.
3.11. Analog Audio Interface
The module provides two analog input channels and two analog output channels.
Table 13: Pin Definition of the Audio Interface
State Response
Idle RI keeps in high level.
URC RI outputs 120ms low pulse when new URC is reported.
Interface Pin Name Pin No. I/O Description Comment
AIN1/ MIC1P 23 AI Audio positive input. If it is unused, keep open.
NOTE

UMTS/HSDPA Module Series
UC15 Hardware Design
UC15_Hardware_Design Confidential / Released 41 / 79
AIN1 and AIN2 may be used for both microphone and line inputs. An electret microphone is usually
recommended. AIN1 and AIN2 are both differential input channels.
AOUT1 and AOUT2 may be used for both receiver and speaker outputs. AOUT1 channel is typically
used for a receiver, while AOUT2 channel is typically used for headset or speaker. AOUT1 channel is
a differential channel and AOUT2 is a single-ended channel. SPK2P and AGND can establish a
pseudo differential mode. Both AOUT1 and AOUT2 support voice and ringtone output, and so on.
These two audio channels can be swapped by AT+QAUDPATH command. For more details, please
refer to document [1].
Use command AT+QAUDPATH to select audio channel:
0: AIN1/AOUT1 (normal audio channel), the default value is 0.
1: AIN2/AOUT2 (auxiliary audio channel).
2: PCM channel.
For each channel, you can use AT+QMIC to adjust the input gain level of microphone. You can also use
AT+CLVL to adjust the output gain level of receiver and speaker. AT+QSIDET is to set the side-tone gain
level. For more details, please refer to document [1].
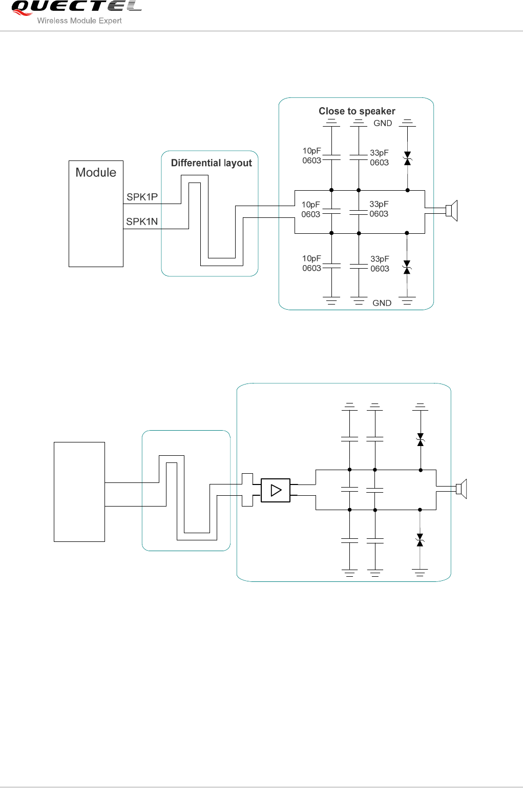
3.11.1. Decrease TDD Noise and Other Noise
The 33pF capacitor is applied for filtering out 900MHz RF interference when the module is transmitting at
GSM900/EGSM900MHz. TDD noise could be heard without this capacitor. Moreover, the 10pF capacitor
here is for filtering out 1800/1900MHz RF interference. However, the self-resonant frequency point of a
capacitor largely depends on the material and production technique. Therefore, customer should depend
on its capacitor vendor to choose the most suitable capacitor for filtering out GSM850MHz and
PCS1900MHz separately.
AOUT1 MIC1N 24 AI Audio negative input. If it is unused, keep open.
SPK1P 22 AO Audio positive output. If it is unused, keep open.
SPK1N 21 AO Audio negative output. If it is unused, keep open.
AIN2/
AOUT2
MIC2P 25 AI
Auxiliary audio positive
input. If it is unused, keep open.
MIC2N 26 AI
Auxiliary audio negative
input. If it is unused, keep open.
SPK2P 20 AO
Auxiliary audio positive
output. If it is unused, keep open.
AGND 19 Analog ground. Suggested to be used for
audio circuit.

UMTS/HSDPA Module Series
UC15 Hardware Design
UC15_Hardware_Design Confidential / Released 42 / 79
The severity degree of the RF interference in the voice channel during GSM transmitting period largely
depends on the application design. In some cases, GSM850 TDD noise is more severe; while in other
cases, PCS1900 TDD noise is more obvious. Therefore, customer can have a choice based on test
results. Sometimes, even no RF filtering capacitor is required.
The capacitor which is used for filtering out RF noise should be close to audio interface. Audio alignment
should be as short as possible.
In order to decrease radio or other signal interference, the position of RF antenna should be kept away
from audio interface and audio alignment. Power alignment and audio alignment should not be parallel,
and power alignment should be far away from audio alignment.
The differential audio traces should be placed according to the differential signal layout rules.
3.11.2. Microphone Interfaces Application
AIN1/AIN2 channels come with internal bias supply for external electret microphone. A reference circuit is
shown in the following figure.
Figure 21: Microphone Reference Design for AIN1&AIN2

UMTS/HSDPA Module Series
UC15 Hardware Design
UC15_Hardware_Design Confidential / Released 43 / 79
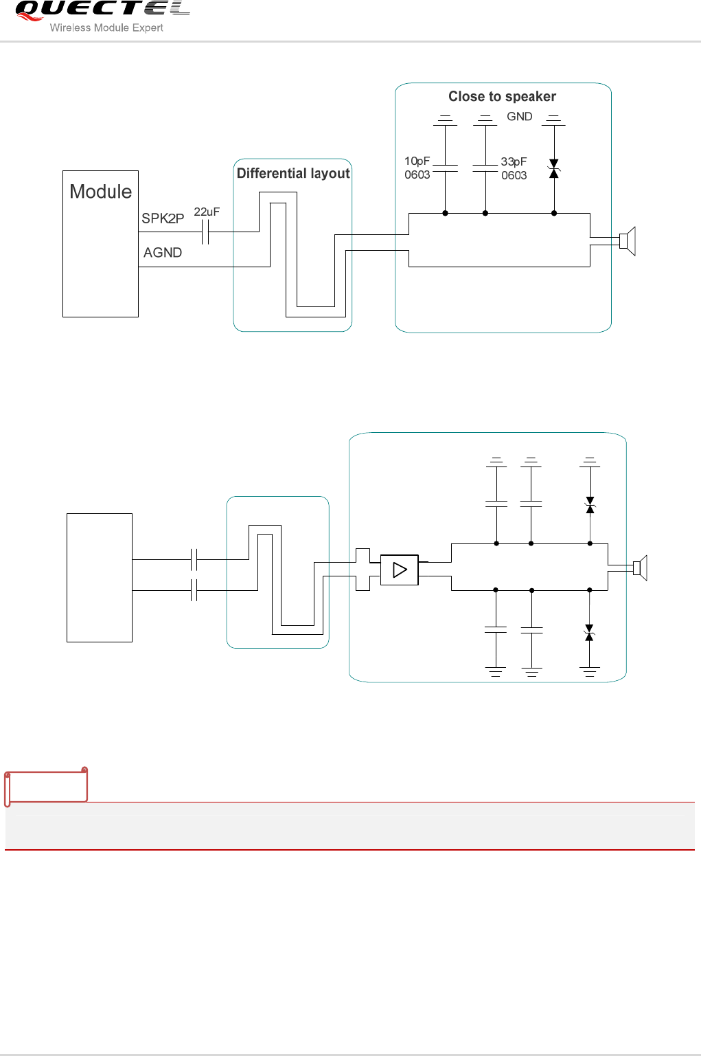
3.11.3. Receiver and Speaker Interface Application
Figure 22: Reference Design for AOUT1
SPK1P
SPK1N
Differential layout
Amplifier circuit
Module
10pF
0603
Close to speaker
GND
33pF
0603
33pF
0603
GND
10pF
0603
10pF
0603
33pF
0603
Figure 23: Reference Design with an Amplifier for AOUT1
Texas Instruments TPA6205A1 is recommended for a suitable differential audio amplifier. There are
plenty of excellent audio amplifiers in the market.

UMTS/HSDPA Module Series
UC15 Hardware Design
UC15_Hardware_Design Confidential / Released 44 / 79
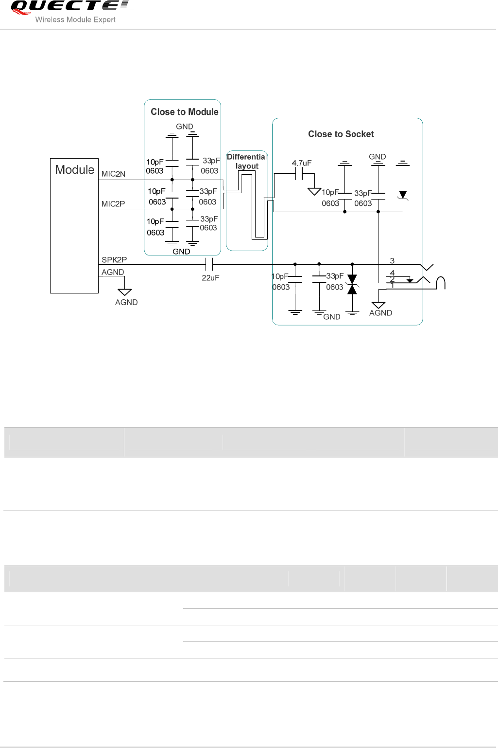
Figure 24: Reference Design for AOUT2
Module
SPK2P
AGND
Differential layout
Amplifier circuit
10pF
0603
Close to speaker
GND
C2
C1
33pF
0603
33pF
0603
GND
10pF
0603
Figure 25: Reference Design with an Amplifier for AOUT2
The value of C1 and C2 depends on the input impedance of audio amplifier.
NOTE

UMTS/HSDPA Module Series
UC15 Hardware Design
UC15_Hardware_Design Confidential / Released 45 / 79
3.11.4. Earphone Interface Application
Figure 26: Reference Design for an Earphone
Table 14: Microphone Characteristics
Table 15: Speaker Characteristics
Parameter Min. Typ. Max. Unit
Working Voltage 1.65 1.8 1.95 V
Working Current 20 1000 uA
Parameter Min. Typ. Max. Unit
Normal Output
(AOUT1) Differential Supply voltage 2.0 2.1 2.2 V
Load resistance 25.6 32 ohm
Auxiliary Output
(AOUT2) Single ended Supply voltage 2.0 2.1 2.2 V
Load resistance 12 16 ohm
Output Power of AOUT1 and AOUT2 50 mW

UMTS/HSDPA Module Series
UC15 Hardware Design
UC15_Hardware_Design Confidential / Released 46 / 79
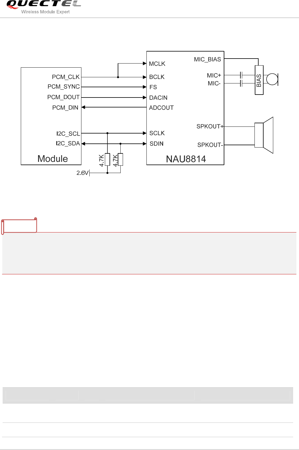
3.12. PCM and I2C Interface
UC15 provides one Pulse Code Modulation (PCM) digital interface for audio design with 16-bit linear data
formats, which supports the following modes:
Primary mode (short sync, works as both master and slave)
Auxiliary mode (long sync, works as master only)
UC15 supports an 8 kHz short sync mode at 2048 kHz, the data is sampled on the falling edge of the
PCM_CLK and transmitted on the rising edge, and the PCM_SYNC falling edge represents the MSB.
UC15 also supports an 8 kHz long sync mode at 128 kHz, the data is sampled on the falling edge of the
PCM_CLK and transmitted on the rising edge, and the PCM_SYNC rising edge represents the MSB.
The following figures show the different timing relationships of these modes.
Figure 27: Primary Mode Timing

UMTS/HSDPA Module Series
UC15 Hardware Design
UC15_Hardware_Design Confidential / Released 47 / 79
Figure 28: Auxiliary Mode Timing
The following table shows the pin definition of PCM and I2C interface which can be applied on audio
codec design.
Table 16: Pin Definition of PCM and I2C Interface
UC15’s firmware has integrated the configuration on NAU8814 application with I2C interface. The default
configuration is master mode which uses short sync data format with 2048 kHz clock. Please refer to
document [1] for details about the command AT+QDAI.
Pin Name Pin No. I/O Description Comment
PCM_DOUT 34 DO PCM data output. 2.6V power domain
PCM_DIN 35 DI PCM data input. 2.6V power domain
PCM_CLK 36 IO PCM data bit clock. 2.6V power domain
PCM_SYNC 37 IO PCM data frame
sync signal 2.6V power domain
I2C_SDA 38 IO I2C serial data. External pull-up resistor is
required. 2.6V only.
I2C_SCL 39 DO I2C serial clock. External pull-up resistor is
required. 2.6V only.

UMTS/HSDPA Module Series
UC15 Hardware Design
UC15_Hardware_Design Confidential / Released 48 / 79
The following figure shows the reference design of PCM interface with external codec IC.
Figure 29: Reference Circuit of PCM Application with Audio Codec
1. It is recommended to reserve RC (R=22Ω, C=22pF) circuit on the PCM lines, especially for
PCM_CLK.
2. I2C bus is the standard interface, which is used with NAU8814 application by default.
3. The PCM feature is under development.
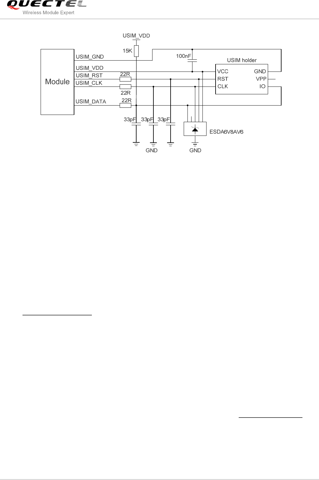
3.13. USIM Card Interface
3.13.1. USIM Card Application
The USIM card interface circuitry meets ETSI and IMT-2000 USIM interface requirements. Both 1.8V and
3.0V USIM cards are supported.
Table 17: Pin Definition of the USIM Interfaces
Pin Name Pin No. I/O Description Comment
USIM_VDD 12 PO Power supply for USIM card. Either 1.8V or 3.0V is supported
by the module automatically.
USIM_DATA 13 IO Data signal of USIM card.
NOTES

UMTS/HSDPA Module Series
UC15 Hardware Design
UC15_Hardware_Design Confidential / Released 49 / 79
The following figure shows the reference design of the 8-pin USIM card.
Module
USIM_VDD
USIM_GND
USIM_RST
USIM_CLK
USIM_DATA
USIM_PRESENCE
22R
22R
22R
VDD_EXT
51K
100nF USIM holder
GND
GND
ESDA6V8AV6
33pF 33pF 33pF
VCC
RST
CLK IO
VPP
GND
GND
USIM_VDD
15K
Figure 30: Reference Circuit of the 8-Pin USIM Card
Some AT commands are invalid when USIM card is not applied.
UC15 supports USIM card hot-plugging via the USIM_PRESENCE pin. For details, refer to document [1]
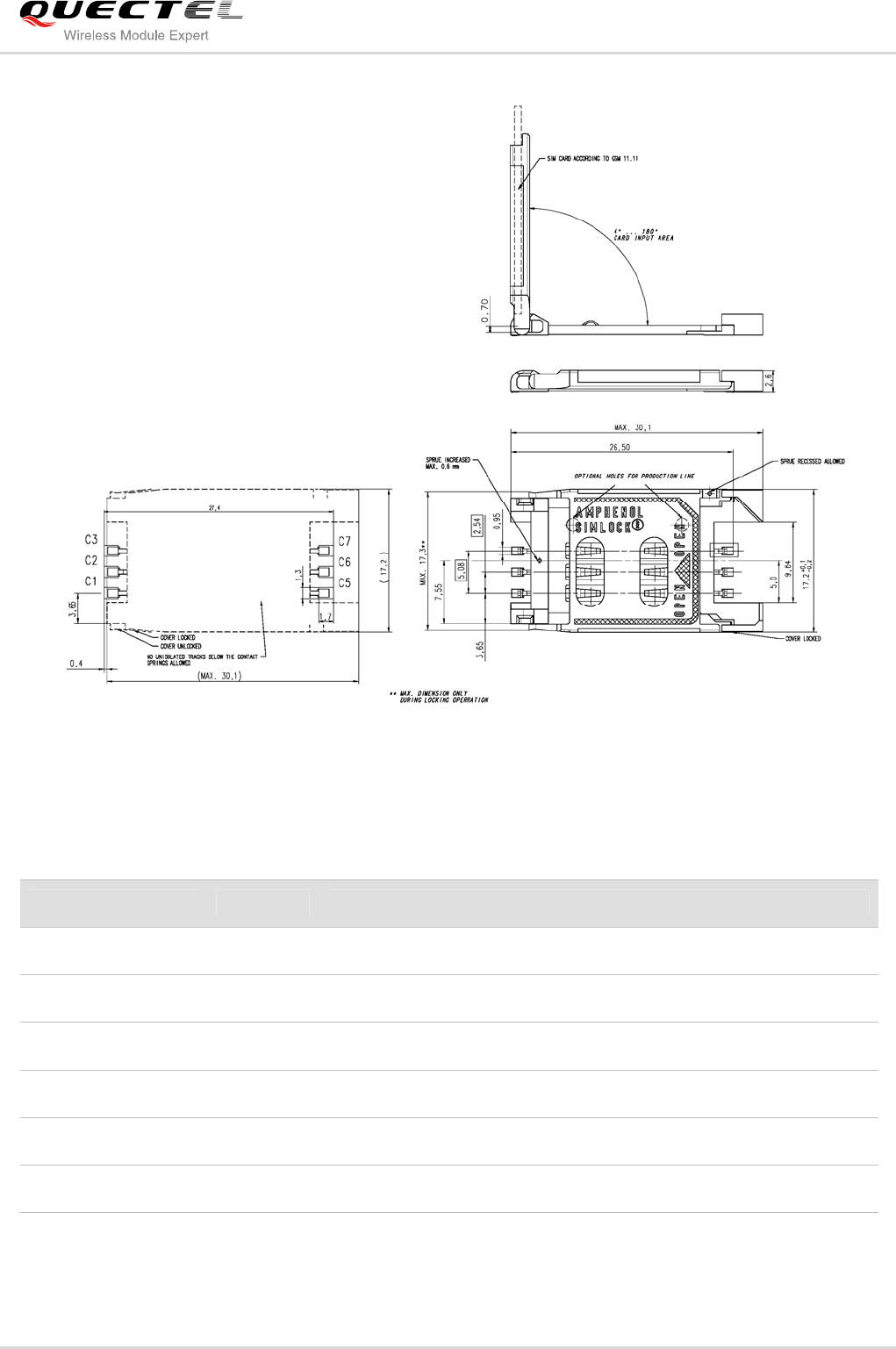
about the command AT+QSIMDET. If you do not need the USIM card detection function, keep
USIM_PRESENCE unconnected. The reference circuit for using a 6-pin USIM card holder is illustrated as
the following figure.
USIM_CLK 14 DO Clock signal of USIM card.
USIM_RST 15 DO Reset signal of USIM card.
USIM_
PRESENCE 11 DI USIM card detection input. 2.6V power domain
USIM_GND 8 Specified ground for USIM card.
NOTE

UMTS/HSDPA Module Series
UC15 Hardware Design
UC15_Hardware_Design Confidential / Released 50 / 79
Figure 31: Reference Circuit of the 6-Pin USIM Card
In order to enhance the reliability and availability of the USIM card in customer’s application, please follow
the following criterion in the USIM circuit design:
Keep layout of USIM card as close as possible to the module. Assure the possibility of the length of
the trace is less than 200mm.
Keep USIM card signal away from RF and VBAT alignment.
Assure the ground between module and USIM cassette short and wide. Keep the width of ground
and USIM_VDD no less than 0.5mm to maintain the same electric potential. The decouple capacitor
of USIM_VDD should be less than 1uF and must be near to USIM cassette.
To avoid cross-talk between USIM_DATA and USIM_CLK, keep them away with each other and
shield them with surrounded ground.
In order to offer good ESD protection, it is recommended to add TVS such as WILL
(http://www.willsemi.com) ESDA6V8AV6. The capacitance of ESD component is less than 50pF.
The 22Ω resistors should be added in series between the module and the USIM card so as to
suppress the EMI spurious transmission and enhance the ESD protection. The 33pF capacitors are
used for filtering interference of EGSM900. Please note that the USIM peripheral circuit should be
close to the USIM card holder.
The pull-up resistor on USIM_DATA line can improve anti-jamming capability when long layout trace
and sensitive occasion is applied.
3.13.2. Design Considerations for USIM Card Holder
For 8-pin USIM card holder, it is recommended to use Molex 91228. Please visit http://www.molex.com for
more information.

UMTS/HSDPA Module Series
UC15 Hardware Design
UC15_Hardware_Design Confidential / Released 51 / 79
Figure 32: Molex 91228 USIM Card Holder
Table 18: Pin Description of Molex USIM Card Holder
For 6-pin USIM card holder, it is recommended to use Amphenol C707 10M006 512 2. Please visit
http://www.amphenol.com for more information.
Name Pin Function
VDD C1 USIM card power supply
RST C2 USIM card reset
CLK C3 USIM card clock
/ C4 Not defined
GND C5 Ground
VPP C6 Not connected
DATA I/O C7 USIM card data
/ C8
Pull-down GND with external circuit. When the tray is present, C4
is connected to C8.

UMTS/HSDPA Module Series
UC15 Hardware Design
UC15_Hardware_Design Confidential / Released 52 / 79
Figure 33: Amphenol C707 10M006 512 2 USIM Card Holder
Table 19: Pin Description of Amphenol USIM Card Holder
Name Pin Function
VDD C1 USIM card power supply
RST C2 USIM card reset
CLK C3 USIM card clock
GND C5 Ground
VPP C6 Not connected
DATA I/O C7 USIM card data

UMTS/HSDPA Module Series
UC15 Hardware Design
UC15_Hardware_Design Confidential / Released 53 / 79
3.14. USB Interface
UC15 contains one integrated Universal Serial Bus (USB) transceiver which complies with the USB 2.0
specification and supports high speed (480Mbps), full speed (12Mbps) and low speed (1.5Mbps) mode.
The USB interface is primarily used for AT command, data transmission, software debug and firmware
upgrade. The following table shows the pin definition of USB interface.
Table 20: USB Pin Description
More details about the USB 2.0 specifications, please visit http://www.usb.org/home.
The following figure shows the reference circuit of USB interface.
Figure 34: Reference Circuit of USB Application
In order to ensure the USB interface design corresponding with the USB 2.0 specification, please comply
with the following principles.
It is important to route the USB signal traces as differential pairs with total grounding. The impedance
of USB differential trace is 90ohm.
Pin Name Pin No. I/O Description Comment
USB_DP 62 IO USB differential data bus (positive). Require differential
impedance of 90Ω.
USB_DM 63 IO USB differential data bus (negative). Require differential
impedance of 90Ω.
USB_VBUS 64 PI USB detection. 3.0~5.25V.
Typical 5.0V.

UMTS/HSDPA Module Series
UC15 Hardware Design
UC15_Hardware_Design Confidential / Released 54 / 79
Keep the ESD components as closer to the USB connector as possible.
Pay attention to the influence of junction capacitance of ESD component on USB data lines. Typically,
the capacitance value should be less than 2pF such as ESD9L5.0ST5G.
Do not route signal traces under crystals, oscillators, magnetic devices and RF signal traces. It is
important to route the USB differential traces in inner-layer with ground shielding not only upper and
lower layer but also right and left side.
UC15 module can only be used as a slave device.
The USB interface is recommended to be reserved for firmware upgrade in your design. The following
figure shows the recommended test points.
Figure 35: Test Points of Firmware Upgrade
3.15. ADC Function
The module provides two analog-to-digital converters (ADC) to digitize the analog signal to 12-bit digital
data. Using AT command AT+QADC=0 can read the voltage value on ADC0 pin. Using AT command
AT+QADC=1 can read the voltage value on ADC1 pin. For more details of these AT commands, please
refer to document [1].
In order to improve the accuracy of ADC, the trace of ADC should be surrounded by ground.
NOTE

UMTS/HSDPA Module Series
UC15 Hardware Design
UC15_Hardware_Design Confidential / Released 55 / 79
Table 21: Pin Definition of the ADC
The following table describes the characteristics of the ADC function.
Table 22: Characteristics of the ADC
3.16. Network Status Indication
The module provides a pin named NETLIGHT to indicate the module network status which can be used to
drive a LED. The following tables describe pin definition and logic level changes in different network
status.
Table 23: Pin Definition of Network Indicator
Table 24: Working State of the Network Indicator
Pin Name Pin NO. Description
ADC0 41 General purpose analog to digital converter.
ADC1 40 General purpose analog to digital converter.
Parameter Min. Typ. Max. Unit
ADC0 Voltage Range 0 2.1 V
ADC1 Voltage Range 0 2.1 V
Sample Rate 2.4 MHz
ADC Resolution 12 bits
Pin Name Pin No. I/O Description Comment
NETLIGHT 6 DO Indicate the module network activity
status. 2.6V power domain.
Pin Name Status Description
NETLIGHT
200ms High/1800ms Low. Network searching.
1800ms High/200ms Low. Idle.

UMTS/HSDPA Module Series
UC15 Hardware Design
UC15_Hardware_Design Confidential / Released 56 / 79
A reference circuit is shown in the following figure.
Figure 36: Reference Circuit of the Network Indicator
3.17. Operating Status Indication
The STATUS is used to indicate the module operation status. When the module is turned on normally, the
STATUS will output high level.
Table 25: Pin Definition of STATUS
125ms High/125ms Low. Data transfer is ongoing.
Always High. Voice calling.
Always Low. Sleep.
Pin Name Pin No. I/O Description Comment
STATUS 54 DO Indicate the module operation status. 2.6V power domain.

UMTS/HSDPA Module Series
UC15 Hardware Design
UC15_Hardware_Design Confidential / Released 57 / 79
A reference circuit is shown in the following figure.
Figure 37: Reference Circuit of the STATUS

UMTS/HSDPA Module Series
UC15 Hardware Design
UC15_Hardware_Design Confidential / Released 58 / 79
4 Antenna Interface
4.1. Antenna Interface
4.1.1. Pin Definition
Pin definition of RF antenna is shown as below.
Table 26: Pin Definition of the RF Antenna
4.1.2. Operating Frequency
Table 27: Module Operating Frequencies
4.1.3. Reference Design
The RF interface has an impedance of 50Ω.The reference design of RF antenna is shown as below. It
should reserve a π-type matching circuit for better RF performance. The capacitors are not mounted by
default.
Pin Name Pin No. I/O Description Comment
RF_ANT 43 IO RF antenna pad 50Ω impedance
Band Receive Transmit Unit
GSM850 869 ~ 894 824 ~ 849 MHz
PCS1900 1930 ~ 1990 1850 ~ 1910 MHz
UMTS1900 1930 ~ 1990 1850 ~ 1910 MHz
UMTS850 869 ~ 894 824 ~ 849 MHz

UMTS/HSDPA Module Series
UC15 Hardware Design
UC15_Hardware_Design Confidential / Released 59 / 79
Figure 38: Reference Circuit of Antenna Interface
4.2. Antenna Installation
4.2.1. Antenna Requirement
The following table shows the requirements on GSM/UMTS antenna.
Table 28: Antenna Requirements
4.2.2. Install the Antenna with RF Connector
The following is the antenna installation with RF connector provided by HIROSE. The recommended RF
connector is UF.L-R-SMT.
Type Requirements
GSM850
UMTS850 Cable insertion loss < 0.5dB.
PCS1900
UMTS1900 Cable insertion loss < 0.9dB.

UMTS/HSDPA Module Series
UC15 Hardware Design
UC15_Hardware_Design Confidential / Released 60 / 79
Figure 39: Dimensions of the UF.L-R-SMT Connector (Unit: mm)
You can use U.FL-LP serial connector listed in the following figure to match the UF.L-R-SMT.
Figure 40: Mechanicals of UF.L-LP Connectors (Unit: mm)

UMTS/HSDPA Module Series
UC15 Hardware Design
UC15_Hardware_Design Confidential / Released 61 / 79
The following figure describes the space factor of mated connector:
Figure 41: Space Factor of Mated Connector (Unit: mm)
For more details, please visit http://www.hirose.com.

UMTS/HSDPA Module Series
UC15 Hardware Design
UC15_Hardware_Design Confidential / Released 62 / 79
5 Electrical, Reliability and Radio
Characteristics
5.1. Absolute Maximum Ratings
Absolute maximum ratings for power supply and voltage on digital and analog pins of module are listed in
the following table:
Table 29: Absolute Maximum Ratings
Parameter Min. Max. Unit
VBAT_RF/VBAT_BB -0.5 4.7 V
USB_VBUS -0.5 6.0 V
Peak Current of VBAT_BB 0 0.8 A
Peak Current of VBAT_RF 0 1.8 A
Voltage at Digital Pins (1.8V digital I/O) -0.3 2.1 V
Voltage at Digital Pins (2.6V digital I/O) -0.3 2.9 V
Voltage at ADC0 0 2.2 V
Voltage at ADC1 0 2.2 V

UMTS/HSDPA Module Series
UC15 Hardware Design
UC15_Hardware_Design Confidential / Released 63 / 79
5.2. Power Supply Ratings
Table 30: The Module Power Supply Ratings
5.3. Operating Temperature
The operating temperature is listed in the following table.
Table 31: Operating Temperature
“1)” When the module works within the temperature range, the deviations from the RF specification may
occur. For example, the frequency error or the phase error would increase.
Parameter Description Conditions Min. Typ. Max. Unit
VBAT
VBAT_BB and
VBAT_RF
Voltage must stay within the
min/max values, including voltage
drop, ripple, and spikes.
3.3 3.8 4.3 V
Voltage drop
during
transmitting
burst
Maximum power control level on
GSM850 400 mV
IVBAT
Peak supply
current (during
transmission
slot)
Maximum power control level on
GSM850 1.8 2.0 A
USB_VBUS USB detection 3.0 5.0 5.25 V
Parameter Min. Typ. Max. Unit
Normal Temperature -35 +25 +75 ºC
Restricted Operation1) -40 ~ -35 +75 ~ +85 ºC
Storage Temperature -45 +90 ºC
NOTE

UMTS/HSDPA Module Series
UC15 Hardware Design
UC15_Hardware_Design Confidential / Released 64 / 79
5.4. Current Consumption
The values of current consumption are shown below.
Table 32: Module Current Consumption
Parameter Description Conditions Typ. Unit
IVBAT
GSM/GPRS
supply current
Sleep (USB disconnected)
3.6 @DRX=2
2.5 @DRX=5
2.2 @DRX=9
mA
Sleep (USB suspended)
3.8 @DRX=2
2.7 @DRX=5
2.4 @DRX=9
mA
Idle (USB disconnected) @DRX=5 30 mA
Idle (USB connected) @DRX=5 60 mA
WCDMA
supply current
Sleep (USB disconnected)
4.0 @DRX=6
3.0 @DRX=7
2.2 @DRX=8
2.1 @DRX=9
mA
Sleep (USB suspended)
4.0 @DRX=6
3.0 @DRX=7
2.5 @DRX=8
2.2 @DRX=9
mA
Idle (USB disconnected) @DRX=6 30 mA
Idle (USB connected) @DRX=6 60 mA
GPRS data
transfer
GSM850 1DL/1UL @PCL=5 222 mA
GSM850 4DL/1UL @PCL=5 222 mA
GSM850 3DL/2UL @PCL=5 320 mA
GSM850 2DL/3UL @PCL=5 403 mA
GSM850 1DL/4UL @PCL=5 459 mA
PCS1900 1DL/1UL @PCL=0 170 mA
PCS1900 4DL/1UL @PCL=0 170 mA
PCS1900 3DL/2UL @PCL=0 238 mA

UMTS/HSDPA Module Series
UC15 Hardware Design
UC15_Hardware_Design Confidential / Released 65 / 79
5.5. RF Output Power
Table 33: Module Conducted RF Output Power
In GPRS 4 slots TX mode, the max output power is reduced by 2.5dB. This design conforms to the GSM
specification as described in Chapter 13.16 of 3GPP TS 51.010-1.
5.6. RF Receiving Sensitivity
Table 34: Module Conducted Receiving Sensitivity
PCS1900 2DL/3UL @PCL=0 295 mA
PCS1900 1DL/4UL @PCL=0 331 mA
WCDMA data
transfer
UMTS1900 HSDPA @max power 441 mA
UMTS850 HSDPA @max power 372 mA
GSM voice call
GSM850 @PCL=5 239 mA
PCS1900 @PCL=0 183 mA
WCDMA voice
call
UMTS1900 @max power 520 mA
UMTS850 @max power 450 mA
Frequency Max. Min.
GSM850 33dBm±2dB 5dBm±5dB
PCS1900 30dBm±2dB 0dBm±5dB
GSM850 (8-PSK) 27dBm±3dB 5dBm±5dB
PCS1900 (8-PSK) 26dBm+3/-4dB 0dBm±5dB
UMTS850 24dBm+1/-3dB -56dBm±5dB
UMTS1900 24dBm+1/-3dB -56dBm±5dB
NOTE

UMTS/HSDPA Module Series
UC15 Hardware Design
UC15_Hardware_Design Confidential / Released 66 / 79
5.7. Electrostatic Discharge
The module is not protected against electrostatics discharge (ESD) in general. Consequently, it is subject
to ESD handling precautions that typically apply to ESD sensitive components. Proper ESD handling and
packaging procedures must be applied throughout the processing, handling and operation of any
application that incorporates the module.
The following table shows the module electrostatics discharge characteristics.
Table 35: Electrostatics Discharge Characteristics
Frequency Receive Sensitivity (Typ.) Unit
GSM850 -108.5 dBm
PCS1900 -108.5 dBm
UMTS850 -110 dBm
UMTS1900 -110 dBm
Tested Points Contact Discharge Air Discharge Unit
VBAT, GND ±5 ±10 kV
Antenna Interface ±4 ±8 kV
Other Interfaces ±0.5 ±1 kV

UMTS/HSDPA Module Series
UC15 Hardware Design
UC15_Hardware_Design Confidential / Released 67 / 79
6 Mechanical Dimensions
This chapter describes the mechanical dimensions of the module. All dimensions are measured in mm.
6.1. Mechanical Dimensions of the Module
(2.5+/-0.2)
(1.0+/-0.1)
27.15
27.15
29+/-0.15
29+/-0.15
Figure 42: UC15 Top and Side Dimensions

UMTS/HSDPA Module Series
UC15 Hardware Design
UC15_Hardware_Design Confidential / Released 68 / 79
29
29
4.8
3.23.43.23.4
3.2
3.4
Figure 43: UC15 Bottom Dimensions (Bottom View)
Figure 44: Bottom Pads Dimensions (Bottom View)

UMTS/HSDPA Module Series
UC15 Hardware Design
UC15_Hardware_Design Confidential / Released 69 / 79
6.2. Footprint of Recommendation
A
A
Figure 45: Recommended Footprint (Top View)
1. Refer to figure 2 about the pin distribution (especially for pin 65, 66, 67, 68).
2. The pins on area A are reserved, please keep them unconnected.
3. In order to maintain the module, keep about 3mm between the module and other components in the
host PCB.
NOTES

UMTS/HSDPA Module Series
UC15 Hardware Design
UC15_Hardware_Design Confidential / Released 70 / 79
6.3. Top View of the Module
Figure 46: Top View of the Module
6.4. Bottom View of the Module
Figure 47: Bottom View of the Module

UMTS/HSDPA Module Series
UC15 Hardware Design
UC15_Hardware_Design Confidential / Released 71 / 79
7 Storage and Manufacturing
7.1. Storage
UC15 is stored in the vacuum-sealed bag. The restriction of storage condition is shown as below.
Shelf life in sealed bag is 12 months at < 40ºC/90%RH.
After this bag is opened, devices that will be subjected to reflow solder or other high temperature process
must be:
Mounted within 72 hours at factory conditions of ≤ 30ºC/60%RH.
Stored at < 10% RH.
Devices require bake, before mounting, if:
Humidity indicator card is > 10% when read 23ºC±5ºC.
Mounted for more than 72 hours at factory conditions of ≤ 30ºC/60% RH.
If baking is required, devices may be baked for 48 hours at 125ºC±5ºC.
As plastic container cannot be subjected to high temperature, module needs to be taken out from
container to high temperature (125ºC) bake. If shorter bake times are desired, please refer to
IPC/JEDECJ-STD-033 for bake procedure.
7.2. Manufacturing and Welding
The squeegee should push the paste on the surface of the stencil that makes the paste fill the stencil
openings and penetrate to the PCB. The force on the squeegee should be adjusted so as to produce a
clean stencil surface on a single pass. To ensure the module soldering quality, the thickness of stencil at
the hole of the module pads should be 0.18mm. For details, please refer to document [4].
NOTE

UMTS/HSDPA Module Series
UC15 Hardware Design
UC15_Hardware_Design Confidential / Released 72 / 79
It is suggested that peak reflow temperature is 235~245ºC (for SnAg3.0Cu0.5 alloy). Absolute max reflow
temperature is 260ºC. To avoid damage to the module when it was repeatedly heated, it is suggested that
the module should be mounted after the first panel has been reflowed. The following picture is the actual
diagram which we have operated.
Figure 48: Reflow Soldering Profile
7.3. Packaging
UC15 is packaged in the tap and reel carriers. One reel is 12.4m length and contains 250pcs modules.
The following figure shows the package details.

UMTS/HSDPA Module Series
UC15 Hardware Design
UC15_Hardware_Design Confidential / Released 73 / 79
Direction of feed
Cover tape
Figure 49: Carrier Tape

UMTS/HSDPA Module Series
UC15 Hardware Design
UC15_Hardware_Design Confidential / Released 74 / 79
8 Appendix A Reference
Table 36: Related Documents
Table 37: Terms and Abbreviations
SN Document Name Remark
[1] Quectel_UC15_AT_Commands_Manual UC15 AT commands manual
[2] Quectel_M10_EVB_User_Guide M10 EVB user guide
[3] Quectel_UC15_Reference_Design UC15 reference design
[4] Quectel_Module_Secondary_SMT_User_Guide Module secondary SMT user guide
Abbreviation Description
AMR Adaptive Multi-rate
bps Bits Per Second
CHAP Challenge Handshake Authentication Protocol
CS Coding Scheme
CSD Circuit Switched Data
CTS Clear to Send
DRX Discontinuous Reception
DCE Data Communications Equipment (typical module)
DTE Data Terminal Equipment (typical computer, external controller)
DTR Data Terminal Ready
DTX Discontinuous Transmission

UMTS/HSDPA Module Series
UC15 Hardware Design
UC15_Hardware_Design Confidential / Released 75 / 79
EFR Enhanced Full Rate
EGSM Extended GSM900 Band (including standard GSM900 band)
ESD Electrostatic Discharge
FR Full Rate
GMSK Gaussian Minimum Shift Keying
GSM Global System for Mobile Communications
HR Half Rate
HSDPA High Speed Down Link Packet Access
IMEI International Mobile Equipment Identity
Imax Maximum Load Current
LED Light Emitting Diode
LSB Least Significant Bit
ME Mobile Equipment
MO Mobile Originated
MS Mobile Station (GSM Engine)
MT Mobile Terminated
PAP Password Authentication Protocol
PBCCH Packet Broadcast Control Channel
PCB Printed Circuit Board
PDU Protocol Data Unit
PPP Point-to-Point Protocol
PSK Phase Shift Keying
QAM Quadrature Amplitude Modulation
QPSK Quadrature Phase Shift Keying
RF Radio Frequency

UMTS/HSDPA Module Series
UC15 Hardware Design
UC15_Hardware_Design Confidential / Released 76 / 79
RMS Root Mean Square (value)
Rx Receive
SIM Subscriber Identification Module
SMS Short Message Service
TX Transmitting Direction
UART Universal Asynchronous Receiver & Transmitter
UMTS Universal Mobile Telecommunications System
URC Unsolicited Result Code
USIM Universal Subscriber Identity Module
USSD Unstructured Supplementary Service Data
Vmax Maximum Voltage Value
Vnorm Normal Voltage Value
Vmin Minimum Voltage Value
VIHmax Maximum Input High Level Voltage Value
VIHmin Minimum Input High Level Voltage Value
VILmax Maximum Input Low Level Voltage Value
VILmin Minimum Input Low Level Voltage Value
VImax Absolute Maximum Input Voltage Value
VImin Absolute Minimum Input Voltage Value
VOHmax Maximum Output High Level Voltage Value
VOHmin Minimum Output High Level Voltage Value
VOLmax Maximum Output Low Level Voltage Value
VOLmin Minimum Output Low Level Voltage Value
WCDMA Wideband Code Division Multiple Access

UMTS/HSDPA Module Series
UC15 Hardware Design
UC15_Hardware_Design Confidential / Released 77 / 79
9 Appendix B GPRS Coding Scheme
Table 38: Description of Different Coding Schemes
Scheme CS-1 CS-2 CS-3 CS-4
Code Rate 1/2 2/3 3/4 1
USF 3 3 3 3
Pre-coded USF 3 6 6 12
Radio Block excl.USF and BCS 181 268 312 428
BCS 40 16 16 16
Tail 4 4 4 -
Coded Bits 456 588 676 456
Punctured Bits 0 132 220 -
Data Rate Kb/s 9.05 13.4 15.6 21.4

UMTS/HSDPA Module Series
UC15 Hardware Design
UC15_Hardware_Design Confidential / Released 78 / 79
10 Appendix C GPRS Multi-slot Class
Twenty-nine classes of GPRS multi-slot modes are defined for MS in GPRS specification. Multi-slot
classes are product dependant, and determine the maximum achievable data rates in both the uplink and
downlink directions. Written as 3+1 or 2+2, the first number indicates the amount of downlink timeslots,
while the second number indicates the amount of uplink timeslots. The active slots determine the total
number of slots the GPRS device can use simultaneously for both uplink and downlink communications.
The description of different multi-slot classes is shown in the following table.
Table 39: Description of Different Coding Schemes
Multislot Class Downlink Slots Uplink Slots Active Slots
1 1 1 2
2 2 1 3
3 2 2 3
4 3 1 4
5 2 2 4
6 3 2 4
7 3 3 4
8 4 1 5
9 3 2 5
10 4 2 5
11 4 3 5
12 4 4 5

UMTS/HSPA Module
UC15 Hardware Design
UC15_Hardware_Design Confidential / Released 79 / 79
11 Appendix D EDGE Modulation and
Coding Scheme
Table 40: EDGE Modulation and Coding Scheme
Coding Scheme Modulation Coding Family 1 Timeslot 2 Timeslot 4 Timeslot
CS-1: GMSK / 9.05kbps 18.1kbps 36.2kbps
CS-2: GMSK / 13.4kbps 26.8kbps 53.6kbps
CS-3: GMSK / 15.6kbps 31.2kbps 62.4kbps
CS-4: GMSK / 21.4kbps 42.8kbps 85.6kbps
MCS-1 GMSK C 8.80kbps 17.60kbps 35.20kbps
MCS-2 GMSK B 11.2kbps 22.4kbps 44.8kbps
MCS-3 GMSK A 14.8kbps 29.6kbps 59.2kbps
MCS-4 GMSK C 17.6kbps 35.2kbps 70.4kbps
MCS-5 8-PSK B 22.4kbps 44.8kbps 89.6kbps
MCS-6 8-PSK A 29.6kbps 59.2kbps 118.4kbps
MCS-7 8-PSK B 44.8kbps 89.6kbps 179.2kbps
MCS-8 8-PSK A 54.4kbps 108.8kbps 217.6kbps
MCS-9 8-PSK A 59.2kbps 118.4kbps 236.8kbps