Quectel Wireless Solutions 201606EC21A LTE Module User Manual
Quectel Wireless Solutions Company Limited LTE Module Users Manual
Users Manual

LTE Module Series
EC21 Hardware Design
EC21_Hardware_Design 1/ 105
Our aim is to provide customers with timely and comprehensive service. For any
assistance, please contact our company headquarters:
Quectel Wireless Solutions Co., Ltd.
7th Floor, Hongye Building, No.1801 Hongmei Road, Xuhui District, Shanghai 200233, China
Tel: +86 21 5108 6236
Email: info@quectel.com
Or our local office. For more information, please visit:
http://quectel.com/support/sales.htm
For technical support, or to report documentation errors, please visit:
http://quectel.com/support/technical.htm
Or Email to: support@quectel.com
GENERAL NOTES
QUECTEL OFFERS THE INFORMATION AS A SERVICE TO ITS CUSTOMERS. THE INFORMATION
PROVIDED IS BASED UPON CUSTOMERS’ REQUIREMENTS. QUECTEL MAKES EVERY EFFORT
TO ENSURE THE QUALITY OF THE INFORMATION IT MAKES AVAILABLE. QUECTEL DOES NOT
MAKE ANY WARRANTY AS TO THE INFORMATION CONTAINED HEREIN, AND DOES NOT ACCEPT
ANY LIABILITY FOR ANY INJURY, LOSS OR DAMAGE OF ANY KIND INCURRED BY USE OF OR
RELIANCE UPON THE INFORMATION. ALL INFORMATION SUPPLIED HEREIN IS SUBJECT TO
CHANGE WITHOUT PRIOR NOTICE.
COPYRIGHT
THE INFORMATION CONTAINED HERE IS PROPRIETARY TECHNICAL INFORMATION OF QUECTEL
WIRELESS SOLUTIONS CO., LTD. TRANSMITTING, REPRODUCTION, DISSEMINATION AND
EDITING OF THIS DOCUMENT AS WELL AS UTILIZATION OF THE CONTENT ARE FORBIDDEN
WITHOUT PERMISSION. OFFENDERS WILL BE HELD LIABLE FOR PAYMENT OF DAMAGES. ALL
RIGHTS ARE RESERVED IN THE EVENT OF A PATENT GRANT OR REGISTRATION OF A UTILITY
MODEL OR DESIGN.
Copyright © Quectel Wireless Solutions Co., Ltd. 2018. All rights reserved.

LTE Module Series
EC21 Hardware Design
EC21_Hardware_Design 2/ 105
About the Document
History
Revision
Date
Author
Description
1.0
2016-04-15
Yeoman CHEN
Initial
1.1
2016-09-22
Yeoman CHEN/
Frank WANG/
Lyndon LIU
1. Updated frequency bands in Table 1.
2. Updated transmitting power, supported maximum
baud rate of main UART, supported internet
protocols, supported USB drivers of USB interface,
and temperature range in Table 2.
3. Updated timing of turning on module in Figure 12.
4. Updated timing of turning off module in Figure 13.
5. Updated timing of resetting module in Figure 16.
6. Updated main UART supports baud rate in Chapter
3.11.
7. Added notes for ADC interface in Chapter 3.13.
8. Updated GNSS Performance in Table 21.
9. Updated operating frequencies of module in Table
23.
10. Added current consumption in Chapter 6.4.
11. Updated RF output power in Chapter 6.5.
12. Added RF receiving sensitivity in Chapter 6.6.
1.3
2017-01-24
Lyndon LIU/
Rex WANG
1. Updated frequency bands in Table 1.
2. Updated function diagram in Figure 1.
3. Updated pin assignment (top view) in Figure 2.
4. Added BT interface in Chapter 3.18.2.
5. Updated reference circuit of wireless connectivity
interfaces with FC20 module in Figure 29.
6. Updated GNSS performance in Table 24.
7. Updated module operating frequencies in Table 26.
8. Added EC21-AUV current consumption in Table 38.
9. Updated EC21-A conducted RF receiving sensitivity
of in Table 42.
10. Added EC21-J conducted RF receiving sensitivity in

LTE Module Series
EC21 Hardware Design
EC21_Hardware_Design 3/ 105
Table 48.
1.4
2017-03-01
Geely YANG
Deleted the LTE band TDD B41 of EC21-CT
1.5
2018-03-05
Annice ZHANG/
Lyndon LIU/
Frank WANG
1. Updated functional diagram in Figure 1.
2. Updated frequency bands in Table 1.
3. Updated UMTS and GSM features in Table 2.
4. Updated description of pin 40/136/137/138.
5. Updated PWRKEY pulled down time to 500ms in
chapter 3.7.1 and reference circuit in Figure 10.
6. Updated reference circuit of (U)SIM interface in
Figure 17&18.
7. Updated reference circuit of USB interface in Figure
19.
8. Updated PCM mode in Chapter 3.12.
9. Updated USB_BOOT reference circuit in Chapter
3.20.
10. Added SD card interface in Chapter 3.13.
11. Updated module operating frequencies in Table 26.
12. Updated EC21 series modules current consumption
in Chapter 6.5.
13. Updated EC21 series modules conducted RF
receiving sensitivity in Chapter 6.6.
14. Added thermal consideration description in Chapter
6.8.
15. Updated dimension tolerance information in
Chapter 7.
16. Added storage temperature range in Table 2 and
Chapter 6.3.
17. Updated RF output power in Table 42.
18. Updated antenna requirements in Table 29.
19. Updated GPRS multi-slot classes in Table 55.
20. Updated storage information in Chapter 8.1

LTE Module Series
EC21 Hardware Design
EC21_Hardware_Design 4/ 105
Contents
About the Document.................................................................................................................................................2
Contents....................................................................................................................................................................... 4
Table Index.................................................................................................................................................................. 7
Figure Index.................................................................................................................................................................9
1Introduction...........................................................................................................................................................11
1.1. Safety Information......................................................................................................................................12
2Product Concept..................................................................................................................................................13
2.1. General Description...................................................................................................................................13
2.2. Key Features.............................................................................................................................................. 14
2.3. Functional Diagram....................................................................................................................................17
2.4. Evaluation Board........................................................................................................................................17
3Application Interfaces........................................................................................................................................ 18
3.1. General Description...................................................................................................................................18
.............................................................................................................................................. 错误!未定义书签。
3.2. Pin Description........................................................................................................................................... 19
3.3. Operating Modes........................................................................................................................................28
3.4. Power Saving..............................................................................................................................................29
3.4.1. Sleep Mode......................................................................................................................................29
3.4.1.1. UART Application................................................................................................................ 29
3.4.1.2. USB Application with USB Remote Wakeup Function................................................. 30
3.4.1.3. USB Application with USB Suspend/Resume and RI Function.................................. 31
3.4.1.4. USB Application without USB Suspend Function..........................................................31
3.4.2. Airplane Mode................................................................................................................................. 32
3.5. Power Supply..............................................................................................................................................33
3.5.1. Power Supply Pins......................................................................................................................... 33
3.5.2. Decrease Voltage Drop................................................................................................................. 33
3.5.3. Reference Design for Power Supply...........................................................................................34
3.5.4. Monitor the Power Supply.............................................................................................................35
3.6. Turn on and off Scenarios........................................................................................................................ 35
3.6.1. Turn on Module Using the PWRKEY.......................................................................................... 35
3.6.2. Turn off Module...............................................................................................................................37
3.6.2.1. Turn off Module Using the PWRKEY Pin........................................................................37
3.6.2.2. Turn off Module Using AT Command...............................................................................38
3.7. Reset the Module.......................................................................................................................................38
3.8. (U)SIM Interface.........................................................................................................................................40
3.9. USB Interface............................................................................................................................................. 42
3.10. UART Interfaces.......................................................................................................................................44
3.11. PCM and I2C Interfaces......................................................................................................................... 46

LTE Module Series
EC21 Hardware Design
EC21_Hardware_Design 5/ 105
3.12. SD Card Interface....................................................................................................................................48
3.13. ADC Interfaces.........................................................................................................................................51
3.14. Network Status Indication...................................................................................................................... 51
3.15. STATUS.....................................................................................................................................................53
3.16. Behaviors of RI.........................................................................................................................................53
3.17. SGMII Interface........................................................................................................................................54
4GNSS Receiver.....................................................................................................................................................58
4.1. General Description...................................................................................................................................58
4.2. GNSS Performance...................................................................................................................................58
4.3. Layout Guidelines...................................................................................................................................... 59
5Antenna Interfaces.............................................................................................................................................. 60
5.1. Main/Rx-diversity Antenna Interfaces.....................................................................................................60
5.1.1. Pin Definition................................................................................................................................... 60
5.1.2. Operating Frequency..................................................................................................................... 60
5.1.3. Reference Design of RF Antenna Interface...............................................................................61
5.1.4. Reference Design of RF Layout...................................................................................................62
5.2. GNSS Antenna Interface.......................................................................................................................... 64
5.3. Antenna Installation...................................................................................................................................65
5.3.1. Antenna Requirement....................................................................................................................65
5.3.2. Recommended RF Connector for Antenna Installation........................................................... 66
6Electrical, Reliability and Radio Characteristics........................................................................................ 68
6.1. Absolute Maximum Ratings..................................................................................................................... 68
6.2. Power Supply Ratings...............................................................................................................................69
6.3. Operation and Storage Temperatures....................................................................................................69
6.4. Current Consumption................................................................................................................................ 70
6.5. RF Output Power....................................................................................................................................... 76
6.6. RF Receiving Sensitivity...........................................................................................................................77
6.7. Electrostatic Discharge............................................................................................................................. 81
6.8. Thermal Consideration..............................................................................................................................81
7Mechanical Dimensions.....................................................................................................................................84
7.1. Mechanical Dimensions of the Module.................................................................................................. 84
7.2. Recommended Footprint..........................................................................................................................86
7.3. Design Effect Drawings of the Module................................................................................................... 87
8Storage, Manufacturing and Packaging........................................................................................................88
8.1. Storage........................................................................................................................................................ 88
8.2. Manufacturing and Soldering...................................................................................................................89
8.3. Packaging....................................................................................................................................................90
9Appendix A References.....................................................................................................................................91
10 Appendix B GPRS Coding Schemes...........................................................................................................95
11 Appendix C GPRS Multi-slot Classes......................................................................................................... 96

LTE Module Series
EC21 Hardware Design
EC21_Hardware_Design 7/ 105
Table Index
TABLE 1: FREQUENCY BANDS OF EC21 SERIES MODULE................................................................................ 13
TABLE 2: KEY FEATURES OF EC21 MODULE..........................................................................................................14
TABLE 3: I/O PARAMETERS DEFINITION...................................................................................................................19
TABLE 4: PIN DESCRIPTION......................................................................................................................................... 19
TABLE 5: OVERVIEW OF OPERATING MODES........................................................................................................28
TABLE 6: VBAT AND GND PINS.................................................................................................................................... 33
TABLE 7: PIN DEFINITION OF PWRKEY.....................................................................................................................35
TABLE 8: PIN DEFINITION OF RESET_N................................................................................................................... 38
TABLE 9: PIN DEFINITION OF THE (U)SIM INTERFACE.........................................................................................40
TABLE 10: PIN DESCRIPTION OF USB INTERFACE............................................................................................... 42
TABLE 11: PIN DEFINITION OF MAIN UART INTERFACE.......................................................................................44
TABLE 12: PIN DEFINITION OF DEBUG UART INTERFACE.................................................................................. 44
TABLE 13: LOGIC LEVELS OF DIGITAL I/O................................................................................................................ 45
TABLE 14: PIN DEFINITION OF PCM AND I2C INTERFACES................................................................................ 47
TABLE 15: PIN DEFINITION OF SD CARD INTERFACE.......................................................................................... 49
TABLE 16: PIN DEFINITION OF ADC INTERFACES................................................................................................. 51
TABLE 17: CHARACTERISTIC OF ADC....................................................................................................................... 51
TABLE 18: PIN DEFINITION OF NETWORK CONNECTION STATUS/ACTIVITY INDICATOR.......................... 52
TABLE 19: WORKING STATE OF NETWORK CONNECTION STATUS/ACTIVITY INDICATOR........................52
TABLE 20: PIN DEFINITION OF STATUS.....................................................................................................................53
TABLE 21: BEHAVIOR OF RI......................................................................................................................................... 54
TABLE 22: PIN DEFINITION OF THE SGMII INTERFACE........................................................................................ 54
TABLE 23: PIN DEFINITION OF WIRELESS CONNECTIVITY INTERFACES....................... 错误!未定义书签。
TABLE 24: PIN DEFINITION OF USB_BOOT INTERFACE.......................................................................................56
TABLE 25: GNSS PERFORMANCE.............................................................................................................................. 58
TABLE 26: PIN DEFINITION OF RF ANTENNAS........................................................................................................ 60
TABLE 27: MODULE OPERATING FREQUENCIES.................................................................................................. 60
TABLE 28: PIN DEFINITION OF GNSS ANTENNA INTERFACE..............................................................................64
TABLE 29: GNSS FREQUENCY.................................................................................................................................... 64
TABLE 30: ANTENNA REQUIREMENTS.......................................................................................................................65
TABLE 31: ABSOLUTE MAXIMUM RATINGS.............................................................................................................. 68
TABLE 32: POWER SUPPLY RATINGS....................................................................................................................... 69
TABLE 33: OPERATION AND STORAGE TEMPERATURES................................................................................... 69
TABLE 34: EC21-E CURRENT CONSUMPTION........................................................................................................ 70
TABLE 35: EC21-A CURRENT CONSUMPTION........................................................................................................ 72
TABLE 36: EC21-V CURRENT CONSUMPTION........................................................................................................ 73
TABLE 37: EC21-AUT CURRENT CONSUMPTION................................................................................................... 73
TABLE 38: EC21-AUV CURRENT CONSUMPTION...................................................................................................74
TABLE 39: EC21-J CURRENT CONSUMPTION......................................................................................................... 75
TABLE 40: EC21-KL CURRENT CONSUMPTION...................................................................................................... 76
TABLE 41: GNSS CURRENT CONSUMPTION OF EC21 SERIES MODULE....................................................... 76

LTE Module Series
EC21 Hardware Design
EC21_Hardware_Design 8/ 105
TABLE 42: RF OUTPUT POWER................................................................................................................................... 77
TABLE 43: EC21-E CONDUCTED RF RECEIVING SENSITIVITY........................................................................... 77
TABLE 44: EC21-A CONDUCTED RF RECEIVING SENSITIVITY........................................................................... 78
TABLE 45: EC21-V CONDUCTED RF RECEIVING SENSITIVITY........................................................................... 78
TABLE 46: EC21-AUT CONDUCTED RF RECEIVING SENSITIVITY......................................................................78
TABLE 47: EC21-KL CONDUCTED RF RECEIVING SENSITIVITY.........................................................................79
TABLE 48: EC21-J CONDUCTED RF RECEIVING SENSITIVITY............................................................................79
TABLE 49: EC21-AUV CONDUCTED RF RECEIVING SENSITIVITY..................................................................... 79
TABLE 50: EC21-AU CONDUCTED RF RECEIVING SENSITIVITY........................................................................ 80
TABLE 51: ELECTROSTATIC DISCHARGE CHARACTERISTICS.......................................................................... 81
TABLE 52: RELATED DOCUMENTS............................................................................................................................. 91
TABLE 53: TERMS AND ABBREVIATIONS..................................................................................................................91
TABLE 54: DESCRIPTION OF DIFFERENT CODING SCHEMES.......................................................................... 95
TABLE 55: GPRS MULTI-SLOT CLASSES.................................................................................................................. 96
TABLE 56: EDGE MODULATION AND CODING SCHEMES................................................................................... 98

LTE Module Series
EC21 Hardware Design
EC21_Hardware_Design 9/ 105
Figure Index
FIGURE 1: FUNCTIONAL DIAGRAM............................................................................................................................ 17
FIGURE 2: PIN ASSIGNMENT (TOP VIEW).................................................................................错误!未定义书签。
FIGURE 3: SLEEP MODE APPLICATION VIA UART.................................................................................................29
FIGURE 4: SLEEP MODE APPLICATION WITH USB REMOTE WAKEUP........................................................... 30
FIGURE 5: SLEEP MODE APPLICATION WITH RI....................................................................................................31
FIGURE 6: SLEEP MODE APPLICATION WITHOUT SUSPEND FUNCTION...................................................... 32
FIGURE 7: POWER SUPPLY LIMITS DURING BURST TRANSMISSION............................................................. 33
FIGURE 8: STAR STRUCTURE OF THE POWER SUPPLY.....................................................................................34
FIGURE 9: REFERENCE CIRCUIT OF POWER SUPPLY........................................................................................35
FIGURE 10: TURN ON THE MODULE BY USING DRIVING CIRCUIT.................................................................. 36
FIGURE 11: TURN ON THE MODULE BY USING BUTTON.....................................................................................36
FIGURE 12: TIMING OF TURNING ON MODULE...................................................................................................... 37
FIGURE 13: TIMING OF TURNING OFF MODULE.................................................................................................... 38
FIGURE 14: REFERENCE CIRCUIT OF RESET_N BY USING DRIVING CIRCUIT............................................39
FIGURE 15: REFERENCE CIRCUIT OF RESET_N BY USING BUTTON............................................................. 39
FIGURE 16: TIMING OF RESETTING MODULE........................................................................................................ 40
FIGURE 17: REFERENCE CIRCUIT OF (U)SIM INTERFACE WITH AN 8-PIN (U)SIM CARD CONNECTOR
..................................................................................................................................................................................... 41
FIGURE 18: REFERENCE CIRCUIT OF (U)SIM INTERFACE WITH A 6-PIN (U)SIM CARD CONNECTOR.. 41
FIGURE 19: REFERENCE CIRCUIT OF USB APPLICATION..................................................................................43
FIGURE 20: REFERENCE CIRCUIT WITH TRANSLATOR CHIP............................................................................45
FIGURE 21: REFERENCE CIRCUIT WITH TRANSISTOR CIRCUIT...................................................................... 46
FIGURE 22: PRIMARY MODE TIMING.........................................................................................................................47
FIGURE 23: AUXILIARY MODE TIMING...................................................................................................................... 47
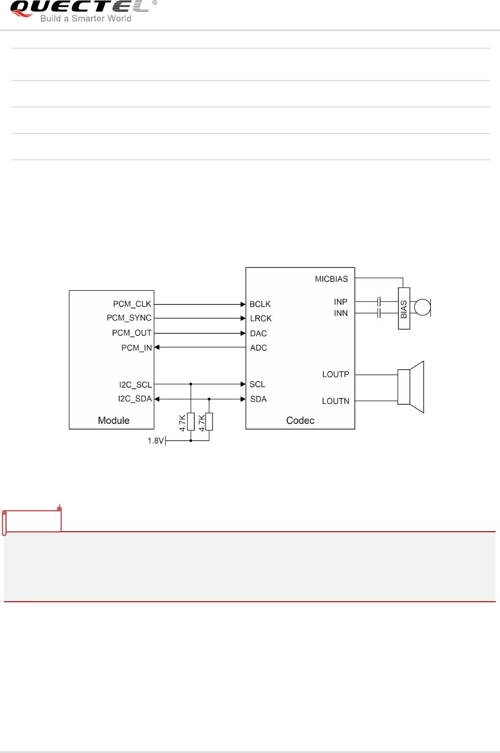
FIGURE 24: REFERENCE CIRCUIT OF PCM APPLICATION WITH AUDIO CODEC.........................................48
FIGURE 25: REFERENCE CIRCUIT OF SD CARD................................................................................................... 50
FIGURE 26: REFERENCE CIRCUIT OF THE NETWORK INDICATOR................................................................. 52
FIGURE 27: REFERENCE CIRCUITS OF STATUS....................................................................................................53
FIGURE 28: SIMPLIFIED BLOCK DIAGRAM FOR ETHERNET APPLICATION...................................................55
FIGURE 29: REFERENCE CIRCUIT OF SGMII INTERFACE WITH PHY AR8033 APPLICATION................... 56
FIGURE 30: REFERENCE CIRCUIT OF WIRELESS CONNECTIVITY INTERFACES WITH FC20 MODULE 错
误!未定义书签。
FIGURE 31: REFERENCE CIRCUIT OF USB_BOOT INTERFACE........................................................................ 57
FIGURE 32: REFERENCE CIRCUIT OF RF ANTENNA INTERFACE..................................................................... 62
FIGURE 33: MICROSTRIP LINE DESIGN ON A 2-LAYER PCB.............................................................................. 62
FIGURE 34: COPLANAR WAVEGUIDE LINE DESIGN ON A 2-LAYER PCB........................................................ 63
FIGURE 35: COPLANAR WAVEGUIDE LINE DESIGN ON A 4-LAYER PCB (LAYER 3 AS REFERENCE
GROUND).................................................................................................................................................................. 63
FIGURE 36: COPLANAR WAVEGUIDE LINE DESIGN ON A 4-LAYER PCB (LAYER 4 AS REFERENCE
GROUND).................................................................................................................................................................. 63
FIGURE 37: REFERENCE CIRCUIT OF GNSS ANTENNA...................................................................................... 65

LTE Module Series
EC21 Hardware Design
EC21_Hardware_Design 10 / 105
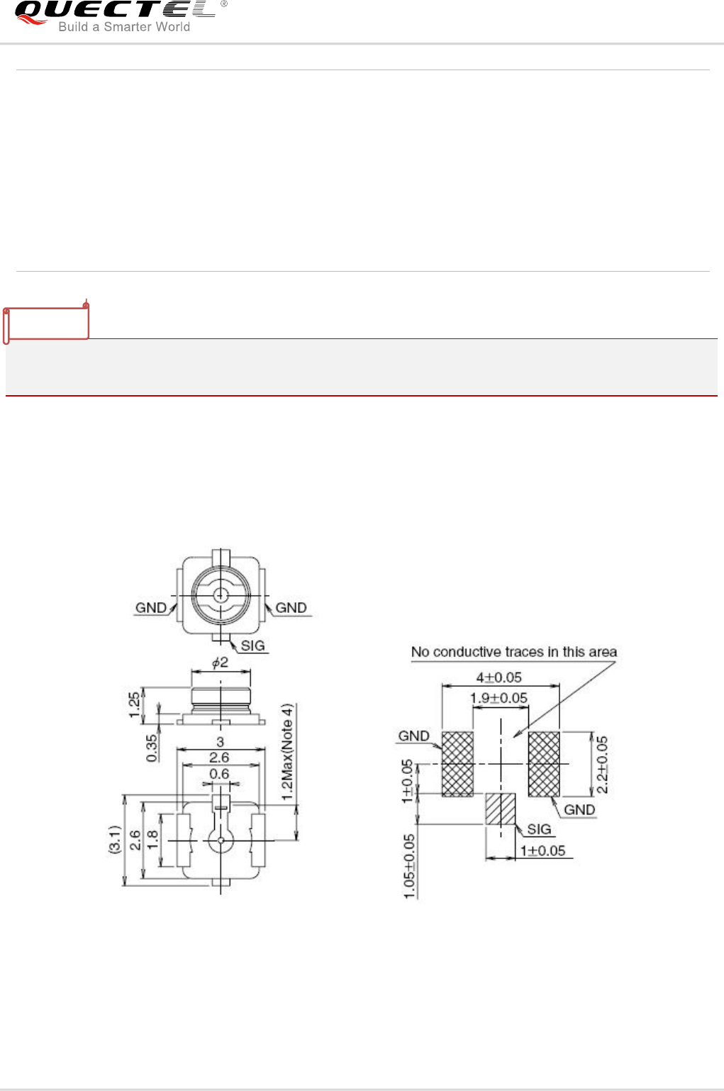
FIGURE 38: DIMENSIONS OF THE U.FL-R-SMT CONNECTOR (UNIT: MM)...................................................... 66
FIGURE 39: MECHANICALS OF U.FL-LP CONNECTORS...................................................................................... 67
FIGURE 40: SPACE FACTOR OF MATED CONNECTOR (UNIT: MM)................................................................... 67
FIGURE 41: REFERENCED HEATSINK DESIGN (HEATSINK AT THE TOP OF THE MODULE).....................82
FIGURE 42: REFERENCED HEATSINK DESIGN (HEATSINK AT THE BOTTOM OF CUSTOMERS’ PCB)...82
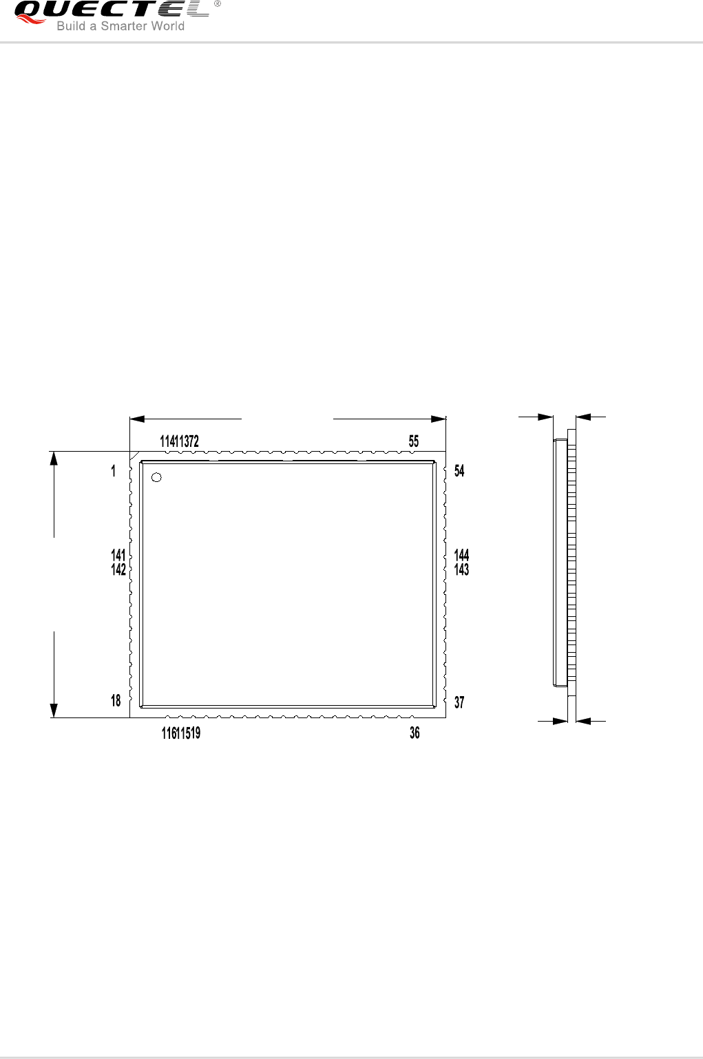
FIGURE 43: MODULE TOP AND SIDE DIMENSIONS...............................................................................................84
FIGURE 44: MODULE BOTTOM DIMENSIONS (BOTTOM VIEW)..........................................................................85
FIGURE 45: RECOMMENDED FOOTPRINT (TOP VIEW)........................................................................................86
FIGURE 46: TOP VIEW OF THE MODULE.................................................................................................................. 87
FIGURE 47: BOTTOM VIEW OF THE MODULE......................................................................................................... 87
FIGURE 48: REFLOW SOLDERING THERMAL PROFILE....................................................................................... 89
FIGURE 49: TAPE AND REEL SPECIFICATIONS......................................................................................................90

LTE Module Series
EC21 Hardware Design
EC21_Hardware_Design 1-11 / 105
1Introduction
This document defines the EC21 module and describes its air interface and hardware interface which are
connected with customers’ applications.
This document can help customers quickly understand module interface specifications, electrical and
mechanical details, as well as other related information of EC21 module. Associated with application note
and user guide, customers can use EC21 module to design and set up mobile applications easily.

LTE Module Series
EC21 Hardware Design
EC21_Hardware_Design 1-12 / 105
1.1. Safety Information
The following safety precautions must be observed during all phases of the operation, such as usage,
service or repair of any cellular terminal or mobile incorporating EC21 module. Manufacturers of the cellular
terminal should send the following safety information to users and operating personnel, and incorporate
these guidelines into all manuals supplied with the product. If not so, Quectel assumes no liability for the
customers’ failure to comply with these precautions.
Full attention must be given to driving at all times in order to reduce the risk of an
accident. Using a mobile while driving (even with a handsfree kit) causes
distraction and can lead to an accident. You must comply with laws and regulations
restricting the use of wireless devices while driving.
Switch off the cellular terminal or mobile before boarding an aircraft. Make sure it is
switched off. The operation of wireless appliances in an aircraft is forbidden, so as
to prevent interference with communication systems. Consult the airline staff about
the use of wireless devices on boarding the aircraft, if your device offers an
Airplane Mode which must be enabled prior to boarding an aircraft.
Switch off your wireless device when in hospitals,clinics or other health care
facilities. These requests are desinged to prevent possible interference with
sensitive medical equipment.
Cellular terminals or mobiles operating over radio frequency signal and cellular
network cannot be guaranteed to connect in all conditions, for example no mobile
fee or with an invalid (U)SIM card. While you are in this condition and need
emergent help, please remember using emergency call. In order to make or
receive a call, the cellular terminal or mobile must be switched on and in a service
area with adequate cellular signal strength.
Your cellular terminal or mobile contains a transmitter and receiver. When it is ON,
it receives and transmits radio frequency energy. RF interference can occur if it is
used close to TV set, radio, computer or other electric equipment.
In locations with potentially explosive atmospheres, obey all posted signs to turn
off wireless devices such as your phone or other cellular terminals. Areas with
potentially explosive atmospheres include fuelling areas, below decks on boats,
fuel or chemical transfer or storage facilities, areas where the air contains
chemicals or particles such as grain, dust or metal powders, etc.

LTE Module Series
EC21 Hardware Design
EC21_Hardware_Design 2-13 / 105
2Product Concept
2.1. General Description
EC21 is a series of LTE-FDD/LTE-TDD/WCDMA/GSM wireless communication module with receive
diversity. It provides data connectivity on LTE-FDD, LTE-TDD, DC-HSDPA, HSPA+, HSDPA, HSUPA,
WCDMA, EDGE and GPRS networks. It also provides GNSS1) and voice functionality2) for customers’
specific applications. EC21 contains nine variants: EC21-E, EC21-A, EC21-V, EC21-AU, EC21-AUT,
EC21-AUV, EC21-J, EC21-KL and EC20-CEL. Customers can choose a dedicated type based on the
region or operator. The following table shows the frequency bands of EC21 series module.
Table 1: Frequency Bands of EC21 Series Module
Modules2)
LTE Bands
UMTS Bands
GSM
Rx-
diversity
GNSS1)
EC21-E
FDD: B1/B3/B5/B7/B8/B20
WCDMA:
B1/B5/B8
900/1800
Y
GPS,
GLONASS,
BeiDou/
Compass,
Galileo,
QZSS
EC21-A
FDD: B2/B4/B12
WCDMA:
B2/B4/B5
N
Y
EC21-V
FDD: B4/B13
N
N
Y
EC21-AU3)
FDD: B1/B2/B3/B4/B5/B7/B8/
B28
TDD: B40
WCDMA:
B1/B2/B5/B8
850/900/
1800/1900
Y
EC21-AUT
FDD: B1/B3/B5/B7/B28
WCDMA:
B1/B5
N
Y
EC21-AUV
FDD: B1/B3/B5/B8/B28
B1/B5/B8
N
Y
N
EC21-J
FDD: B1/B3/B8/B18/B19/B26
N
N
Y
N
EC21-KL
FDD: B1/B3/B5/B7/B8
N
N
Y
N
EC20-CEL
FDD: B1/B3/B5
N
N
N
N

LTE Module Series
EC21 Hardware Design
EC21_Hardware_Design 2-14 / 105
1. 1) GNSS function is optional.
2. 2) EC21 series module (EC21-E, EC21-A, EC21-V, EC21-AU, EC21-AUT, EC21-AUV, EC21-J,
EC21-KL and EC20-CEL) contains Telematics version and Data-only version. Telematics version
supports voice and data functions, while Data-only version only supports data function.
3. 3) B2 band on EC21-AU module does not support Rx-diversity.
4. Y = Supported. N = Not supported.
With a compact profile of 29.0mm × 32.0mm × 2.4mm, EC21 can meet almost all requirements for M2M
applications such as automotive, metering, tracking system, security, router, wireless POS, mobile
computing device, PDA phone, tablet PC, etc.
EC21 is an SMD type module which can be embedded into applications through its 144-pin pads,
including 80 LCC signal pads and 64 other pads.
2.2. Key Features
The following table describes the detailed features of EC21 module.
Table 2: Key Features of EC21 Module
Features
Details
Power Supply
Supply voltage: 3.3V~4.3V
Typical supply voltage: 3.8V
Transmitting Power
Class 4 (33dBm±2dB) for GSM850
Class 4 (33dBm±2dB) for GSM900
Class 1 (30dBm±2dB) for DCS1800
Class 1 (30dBm±2dB) for PCS1900
Class E2 (27dBm±3dB) for GSM850 8-PSK
Class E2 (27dBm±3dB) for GSM900 8-PSK
Class E2 (26dBm±3dB) for DCS1800 8-PSK
Class E2 (26dBm±3dB) for PCS1900 8-PSK
Class 3 (24dBm+1/-3dB) for WCDMA bands
Class 3 (23dBm±2dB) for LTE-FDD bands
Class 3 (23dBm±2dB) for LTE-TDD bands
LTE Features
Support up to non-CA Cat 1 FDD and TDD
Support 1.4MHz~20MHz RF bandwidth
Support MIMO in DL direction
LTE-FDD: Max 10Mbps (DL)/5Mbps (UL)
NOTES

LTE Module Series
EC21 Hardware Design
EC21_Hardware_Design 2-15 / 105
LTE-TDD: Max 8.96Mbps (DL)/3.1Mbps (UL)
UMTS Features
Support 3GPP R8 DC-HSDPA, HSPA+, HSDPA, HSUPA and WCDMA
Support QPSK, 16-QAM and 64-QAM modulation
DC-HSDPA: Max 42Mbps (DL)
HSUPA: Max 5.76Mbps (UL)
WCDMA: Max 384Kbps (DL)/384Kbps (UL)
GSM Features
GPRS:
Support GPRS multi-slot class 33 (33 by default)
Coding scheme: CS-1, CS-2, CS-3 and CS-4
Max 107Kbps (DL)/85.6Kbps (UL)
EDGE:
Support EDGE multi-slot class 33 (33 by default)
Support GMSK and 8-PSK for different MCS (Modulation and Coding
Scheme)
Downlink coding schemes: CS 1-4 and MCS 1-9
Uplink coding schemes: CS 1-4 and MCS 1-9
Max 296Kbps (DL)/ 236.8Kbps (UL)
Internet Protocol Features
Support TCP/UDP/PPP/FTP/HTTP/NTP/PING/QMI/ CMUX*/HTTPS*/
SMTP*/ MMS*/FTPS*/SMTPS*/SSL*/FILE* protocols
Support PAP (Password Authentication Protocol) and CHAP (Challenge
Handshake Authentication Protocol) protocols which are usually used for
PPP connections
SMS
Text and PDU mode
Point to point MO and MT
SMS cell broadcast
SMS storage: ME by default
(U)SIM Interface
Support USIM/SIM card: 1.8V, 3.0V
Audio Features
Support one digital audio interface: PCM interface
GSM: HR/FR/EFR/AMR/AMR-WB
WCDMA: AMR/AMR-WB
LTE: AMR/AMR-WB
Support echo cancellation and noise suppression
PCM Interface
Used for audio function with external codec
Support 8-bit A-law*, μ-law* and 16-bit linear data formats
Support long frame synchronization and short frame synchronization
Support master and slave modes, but must be the master in long frame
synchronization
USB Interface
Compliant with USB 2.0 specification (slave only); the data transfer rate
can reach up to 480Mbps
Used for AT command communication, data transmission, GNSS NMEA
output, software debugging, firmware upgrade and voice over USB*
Support USB serial drivers for: Windows XP, Windows Vista, Windows

LTE Module Series
EC21 Hardware Design
EC21_Hardware_Design 2-16 / 105
7/8/8.1/10, Windows CE 5.0/6.0/7.0*, Linux 2.6/3.x/4.1,
Android 4.x/5.x/6.x/7.x
UART Interface
Main UART:
Used for AT command communication and data transmission
Baud rates reach up to 921600bps, 115200bps by default
Support RTS and CTS hardware flow control
Debug UART:
Used for Linux console and log output
115200bps baud rate
SD Card Interface
Support SD 3.0 protocol
SGMII Interface
Support 10/100/1000Mbps Ethernet connectivity
Rx-diversity
Support LTE/WCDMA Rx-diversity
GNSS Features
Gen8C Lite of Qualcomm
Protocol: NMEA 0183
AT Commands
Compliant with 3GPP TS 27.007, 27.005 and Quectel enhanced AT
commands
Network Indication
Two pins including NET_MODE and NET_STATUS to indicate network
connectivity status
Antenna Interface
Including main antenna interface (ANT_MAIN), Rx-diversity antenna
interface (ANT_DIV) and GNSS antenna interface (ANT_GNSS)
Physical Characteristics
Size: (29.0±0.15)mm × (32.0±0.15)mm × (2.4±0.2)mm
Weight: approx. 4.9g
Temperature Range
Operation temperature range: -35°C ~ +75°C1)
Extended temperature range: -40°C ~ +85°C2)
Storage temperature range: -40°C ~ +90°C
Firmware Upgrade
USB interface and DFOTA*
RoHS
All hardware components are fully compliant with EU RoHS directive
1. 1) Within operating temperature range, the module is 3GPP compliant.
2. 2) Within extended temperature range, the module remains the ability to establish and maintain a
voice, SMS, data transmission, emergency call, etc. There is no unrecoverable malfunction. There
are also no effects on radio spectrum and no harm to radio network. Only one or more parameters
like Pout might reduce in their value and exceed the specified tolerances. When the temperature
returns to normal operating temperature levels, the module will meet 3GPP specifications again.
3. “*” means under development.
NOTES

LTE Module Series
EC21 Hardware Design
EC21_Hardware_Design 2-17 / 105
2.3. Functional Diagram
The following figure shows a block diagram of EC21 and illustrates the major functional parts.
Power management
Baseband
DDR+NAND flash
Radio frequency
Peripheral interfaces
Figure 1: Functional Diagram
2.4. Evaluation Board
In order to help customers develop applications with EC21, Quectel supplies an evaluation board (EVB),
USB to RS-232 converter cable, earphone, antenna and other peripherals to control or test the module.

LTE Module Series
EC21 Hardware Design
EC21_Hardware_Design 3-18 / 105
3Application Interfaces
3.1. General Description
EC21 is equipped with 80 LCC pads plus 64 LGA pads that can be connected to cellular application
platform. Sub-interfaces included in these pads are described in detail in the following chapters:
Power supply
(U)SIM interface
USB interface
UART interfaces
PCM and I2C interfaces
SD card interface
ADC interfaces
Status indication
SGMII interface
Wireless connectivity interfaces
USB_BOOT interface

LTE Module Series
EC21 Hardware Design
EC21_Hardware_Design 3-19 / 105
3.2. Pin Description
The following tables show the pin definition of EC21 module.
Table 3: I/O Parameters Definition
Type
Description
IO
Bidirectional
DI
Digital input
DO
Digital output
PI
Power input
PO
Power output
AI
Analog input
AO
Analog output
OD
Open drain
Table 4: Pin Description
Power Supply
Pin Name
Pin No.
I/O
Description
DC Characteristics
Comment
VBAT_BB
59, 60
PI
Power supply for
module’s baseband
part
Vmax=4.3V
Vmin=3.3V
Vnorm=3.8V
It must be able to
provide sufficient current
up to 0.8A.
VBAT_RF
57, 58
PI
Power supply for
module’s RF part
Vmax=4.3V
Vmin=3.3V
Vnorm=3.8V
It must be able to
provide sufficient current
up to 1.8A in a burst
transmission.
VDD_EXT
7
PO
Provide 1.8V for
external circuit
Vnorm=1.8V
IOmax=50mA
Power supply for
external GPIO’s pull-up
circuits.
If unused, keep it open.
GND
8, 9, 19,
22, 36, 46,
Ground

LTE Module Series
EC21 Hardware Design
EC21_Hardware_Design 3-20 / 105
48, 50~54,
56, 72,
85~112
Turn on/off
Pin Name
Pin No.
I/O
Description
DC Characteristics
Comment
PWRKEY
21
DI
Turn on/off the
module
VIHmax=2.1V
VIHmin=1.3V
VILmax=0.5V
The output voltage is
0.8V because of the
diode drop in the
Qualcomm chipset.
RESET_N
20
DI
Reset signal of the
module
VIHmax=2.1V
VIHmin=1.3V
VILmax=0.5V
If unused, keep it
open.
Status Indication
Pin Name
Pin No.
I/O
Description
DC Characteristics
Comment
STATUS
61
OD
Indicate the module
operating status
The drive current
should be less than
0.9mA.
Require external
pull-up. If unused,
keep it open.
NET_MODE
5
DO
Indicate the module
network registration
mode
VOHmin=1.35V
VOLmax=0.45V
1.8V power domain.
It cannot be pulled up
before startup.
If unused, keep it
open.
NET_
STATUS
6
DO
Indicate the module
network activity
status
VOHmin=1.35V
VOLmax=0.45V
1.8V power domain.
If unused, keep it
open.
USB Interface
Pin Name
Pin No.
I/O
Description
DC Characteristics
Comment
USB_VBUS
71
PI
USB detection
Vmax=5.25V
Vmin=3.0V
Vnorm=5.0V
Typical: 5.0V
If unused, keep it
open.
USB_DP
69
IO
USB differential data
bus (+)
Compliant with USB
2.0 standard
specification.
Require differential
impedance of 90Ω.
If unused, keep it
open.
USB_DM
70
IO
USB differential data
bus (-)
Compliant with USB
2.0 standard
specification.
Require differential
impedance of 90Ω.
If unused, keep it
open.

LTE Module Series
EC21 Hardware Design
EC21_Hardware_Design 3-21 / 105
(U)SIM Interface
Pin Name
Pin No.
I/O
Description
DC Characteristics
Comment
USIM_GND
10
Specified ground for
(U)SIM card
USIM_VDD
14
PO
Power supply for
(U)SIM card
For 1.8V (U)SIM:
Vmax=1.9V
Vmin=1.7V
For 3.0V (U)SIM:
Vmax=3.05V
Vmin=2.7V
IOmax=50mA
Either 1.8V or 3.0V is
supported by the
module automatically.
USIM_DATA
15
IO
Data signal of
(U)SIM card
For 1.8V (U)SIM:
VILmax=0.6V
VIHmin=1.2V
VOLmax=0.45V
VOHmin=1.35V
For 3.0V (U)SIM:
VILmax=1.0V
VIHmin=1.95V
VOLmax=0.45V
VOHmin=2.55V
USIM_CLK
16
DO
Clock signal of
(U)SIM card
For 1.8V (U)SIM:
VOLmax=0.45V
VOHmin=1.35V
For 3.0V (U)SIM:
VOLmax=0.45V
VOHmin=2.55V
USIM_RST
17
DO
Reset signal of
(U)SIM card
For 1.8V (U)SIM:
VOLmax=0.45V
VOHmin=1.35V
For 3.0V (U)SIM:
VOLmax=0.45V
VOHmin=2.55V
USIM_
PRESENCE
13
DI
(U)SIM card
insertion detection
VILmin=-0.3V
VILmax=0.6V
VIHmin=1.2V
VIHmax=2.0V
1.8V power domain.
If unused, keep it
open.

LTE Module Series
EC21 Hardware Design
EC21_Hardware_Design 3-22 / 105
Main UART Interface
Pin Name
Pin No.
I/O
Description
DC Characteristics
Comment
RI
62
DO
Ring indicator
VOLmax=0.45V
VOHmin=1.35V
1.8V power domain.
If unused, keep it
open.
DCD
63
DO
Data carrier
detection
VOLmax=0.45V
VOHmin=1.35V
1.8V power domain.
If unused, keep it
open.
CTS
64
DO
Clear to send
VOLmax=0.45V
VOHmin=1.35V
1.8V power domain.
If unused, keep it
open.
RTS
65
DI
Request to send
VILmin=-0.3V
VILmax=0.6V
VIHmin=1.2V
VIHmax=2.0V
1.8V power domain.
If unused, keep it
open.
DTR
66
DI
Data terminal ready,
sleep mode control
VILmin=-0.3V
VILmax=0.6V
VIHmin=1.2V
VIHmax=2.0V
1.8V power domain.
Pulled up by default.
Low level wakes up
the module.
If unused, keep it
open.
TXD
67
DO
Transmit data
VOLmax=0.45V
VOHmin=1.35V
1.8V power domain.
If unused, keep it
open.
RXD
68
DI
Receive data
VILmin=-0.3V
VILmax=0.6V
VIHmin=1.2V
VIHmax=2.0V
1.8V power domain.
If unused, keep it
open.
Debug UART Interface
Pin Name
Pin No.
I/O
Description
DC Characteristics
Comment
DBG_TXD
12
DO
Transmit data
VOLmax=0.45V
VOHmin=1.35V
1.8V power domain.
If unused, keep it
open.
DBG_RXD
11
DI
Receive data
VILmin=-0.3V
VILmax=0.6V
VIHmin=1.2V
VIHmax=2.0V
1.8V power domain.
If unused, keep it
open.
ADC Interface
Pin Name
Pin No.
I/O
Description
DC Characteristics
Comment

LTE Module Series
EC21 Hardware Design
EC21_Hardware_Design 3-23 / 105
ADC0
45
AI
General purpose
analog to digital
converter
Voltage range:
0.3V to VBAT_BB
If unused, keep it
open.
ADC1
44
AI
General purpose
analog to digital
converter
Voltage range:
0.3V to VBAT_BB
If unused, keep it
open.
PCM Interface
Pin Name
Pin No.
I/O
Description
DC Characteristics
Comment
PCM_IN
24
DI
PCM data input
VILmin=-0.3V
VILmax=0.6V
VIHmin=1.2V
VIHmax=2.0V
1.8V power domain.
If unused, keep it
open.
PCM_OUT
25
DO
PCM data output
VOLmax=0.45V
VOHmin=1.35V
1.8V power domain.
If unused, keep it
open.
PCM_SYNC
26
IO
PCM data frame
synchronization
signal
VOLmax=0.45V
VOHmin=1.35V
VILmin=-0.3V
VILmax=0.6V
VIHmin=1.2V
VIHmax=2.0V
1.8V power domain.
In master mode, it is
an output signal.
In slave mode, it is an
input signal.
If unused, keep it
open.
PCM_CLK
27
IO
PCM clock
VOLmax=0.45V
VOHmin=1.35V
VILmin=-0.3V
VILmax=0.6V
VIHmin=1.2V
VIHmax=2.0V
1.8V power domain.
In master mode, it is
an output signal.
In slave mode, it is an
input signal.
If unused, keep it
open.
I2C Interface
Pin Name
Pin No.
I/O
Description
DC Characteristics
Comment
I2C_SCL
41
OD
I2C serial clock.
Used for external
codec
External pull-up
resistor is required.
1.8V only.
If unused, keep it
open.
I2C_SDA
42
OD
I2C serial data.
Used for external
codec
External pull-up
resistor is required.
1.8V only.
If unused, keep it

LTE Module Series
EC21 Hardware Design
EC21_Hardware_Design 3-24 / 105
open.
SD Card Interface
Pin Name
Pin No.
I/O
Description
DC Characteristics
Comment
SDC2_
DATA3
28
IO
SD card SDIO bus
DATA3
1.8V signaling:
VOLmax=0.45V
VOHmin=1.4V
VILmin=-0.3V
VILmax=0.58V
VIHmin=1.27V
VIHmax=2.0V
3.0V signaling:
VOLmax=0.38V
VOHmin=2.01V
VILmin=-0.3V
VILmax=0.76V
VIHmin=1.72V
VIHmax=3.34V
SDIO signal level can
be selected according
to SD card supported
level, more details
please refer to SD 3.0
protocol.
If unused, keep it
open.
SDC2_
DATA2
29
IO
SD card SDIO bus
DATA2
1.8V signaling:
VOLmax=0.45V
VOHmin=1.4V
VILmin=-0.3V
VILmax=0.58V
VIHmin=1.27V
VIHmax=2.0V
3.0V signaling:
VOLmax=0.38V
VOHmin=2.01V
VILmin=-0.3V
VILmax=0.76V
VIHmin=1.72V
VIHmax=3.34V
SDIO signal level can
be selected according
to SD card supported
level, more details
please refer to SD 3.0
protocol.
If unused, keep it
open.
SDC2_
DATA1
30
IO
SD card SDIO bus
DATA1
1.8V signaling:
VOLmax=0.45V
VOHmin=1.4V
VILmin=-0.3V
VILmax=0.58V
VIHmin=1.27V
VIHmax=2.0V
3.0V signaling:
SDIO signal level can
be selected according
to SD card supported
level, more details
please refer to SD 3.0
protocol.
If unused, keep it
open.

LTE Module Series
EC21 Hardware Design
EC21_Hardware_Design 3-25 / 105
VOLmax=0.38V
VOHmin=2.01V
VILmin=-0.3V
VILmax=0.76V
VIHmin=1.72V
VIHmax=3.34V
SDC2_
DATA0
31
IO
SD card SDIO bus
DATA0
1.8V signaling:
VOLmax=0.45V
VOHmin=1.4V
VILmin=-0.3V
VILmax=0.58V
VIHmin=1.27V
VIHmax=2.0V
3.0V signaling:
VOLmax=0.38V
VOHmin=2.01V
VILmin=-0.3V
VILmax=0.76V
VIHmin=1.72V
VIHmax=3.34V
SDIO signal level can
be selected according
to SD card supported
level, more details
please refer to SD 3.0
protocol.
If unused, keep it
open.
SDC2_CLK
32
DO
SD card SDIO bus
clock
1.8V signaling:
VOLmax=0.45V
VOHmin=1.4V
3.0V signaling:
VOLmax=0.38V
VOHmin=2.01V
SDIO signal level can
be selected according
to SD card supported
level, more details
please refer to SD 3.0
protocol.
If unused, keep it
open.
SDC2_CMD
33
IO
SD card SDIO bus
command
1.8V signaling:
VOLmax=0.45V
VOHmin=1.4V
VILmin=-0.3V
VILmax=0.58V
VIHmin=1.27V
VIHmax=2.0V
3.0V signaling:
VOLmax=0.38V
VOHmin=2.01V
VILmin=-0.3V
VILmax=0.76V
VIHmin=1.72V
VIHmax=3.34V
SDIO signal level can
be selected according
to SD card supported
level, more details
please refer to SD 3.0
protocol.
If unused, keep it
open.

LTE Module Series
EC21 Hardware Design
EC21_Hardware_Design 3-26 / 105
SD_INS_
DET
23
DI
SD card insertion
detect
VILmin=-0.3V
VILmax=0.6V
VIHmin=1.2V
VIHmax=2.0V
1.8V power domain.
If unused, keep it
open.
VDD_SDIO
34
PO
SD card SDIO bus
pull-up power
IOmax=50mA
1.8V/2.85V
configurable. Cannot
be used for SD card
power.
If unused, keep it
open.
SGMII Interface
Pin Name
Pin No.
I/O
Description
DC Characteristics
Comment
EPHY_RST_N
119
DO
Ethernet PHY reset
For 1.8V:
VOLmax=0.45V
VOHmin=1.4V
For 2.85V:
VOLmax=0.35V
VOHmin=2.14V
1.8V/2.85V power
domain.
If unused, keep it
open.
EPHY_INT_N
120
DI
Ethernet PHY
interrupt
VILmin=-0.3V
VILmax=0.6V
VIHmin=1.2V
VIHmax=2.0V
1.8V power domain.
If unused, keep it
open.
SGMII_
MDATA
121
IO
SGMII MDIO
(Management Data
Input/Output) data
For 1.8V:
VOLmax=0.45V
VOHmin=1.4V
VILmax=0.58V
VIHmin=1.27V
For 2.85V:
VOLmax=0.35V
VOHmin=2.14V
VILmax=0.71V
VIHmin=1.78V
1.8V/2.85V power
domain.
If unused, keep it
open.
SGMII_
MCLK
122
DO
SGMII MDIO
(Management Data
Input/Output) clock
For 1.8V:
VOLmax=0.45V
VOHmin=1.4V
For 2.85V:
VOLmax=0.35V
VOHmin=2.14V
1.8V/2.85V power
domain.
If unused, keep it
open.

LTE Module Series
EC21 Hardware Design
EC21_Hardware_Design 3-27 / 105
USIM2_VDD
128
PO
SGMII MDIO pull-up
power source
Configurable power
source.
1.8V/2.85V power
domain.
External pull-up for
SGMII MDIO pins.
If unused, keep it
open.
SGMII_TX_M
123
AO
SGMII transmission
- minus
If unused, keep it
open.
SGMII_TX_P
124
AO
SGMII transmission
- plus
If unused, keep it
open.
SGMII_RX_P
125
AI
SGMII receiving
- plus
If unused, keep it
open.
SGMII_RX_M
126
AI
SGMII receiving
- minus
If unused, keep it
open.
RF Interface
Pin Name
Pin No.
I/O
Description
DC Characteristics
Comment
ANT_DIV
35
AI
Diversity antenna
pad
50Ω impedance
If unused, keep it
open.
ANT_MAIN
49
IO
Main antenna pad
50Ω impedance
ANT_GNSS
47
AI
GNSS antenna pad
50Ω impedance
If unused, keep it
open.
GPIO Pins
Pin Name
Pin No.
I/O
Description
DC Characteristics
Comment
WAKEUP_IN
1
DI
Sleep mode control
VILmin=-0.3V
VILmax=0.6V
VIHmin=1.2V
VIHmax=2.0V
1.8V power domain.
Cannot be pulled up
before startup.
Low level wakes up
the module.
If unused, keep it
open.
W_DISABLE#
4
DI
Airplane mode
control
VILmin=-0.3V
VILmax=0.6V
VIHmin=1.2V
VIHmax=2.0V
1.8V power domain.
Pull-up by default.
At low voltage level,
module can enter into
airplane mode.
If unused, keep it

LTE Module Series
EC21 Hardware Design
EC21_Hardware_Design 3-28 / 105
1. “*” means under development.
2. Pads 24~27 are multiplexing pins used for audio design on EC21 module and BT function on FC20
module.
3.3. Operating Modes
The table below briefly summarizes the various operating modes referred in the following chapters.
Table 5: Overview of Operating Modes
Mode
Details
Normal
Operation
Idle
Software is active. The module has registered on the network, and it is
ready to send and receive data.
Talk/Data
Network connection is ongoing. In this mode, the power consumption is
decided by network setting and data transfer rate.
open.
AP_READY
2
DI
Application
processor sleep
state detection
VILmin=-0.3V
VILmax=0.6V
VIHmin=1.2V
VIHmax=2.0V
1.8V power domain.
If unused, keep it
open.
USB_BOOT Interface
Pin Name
Pin No.
I/O
Description
DC Characteristics
Comment
USB_BOOT
115
DI
Force the module to
enter into
emergency
download mode.
VILmin=-0.3V
VILmax=0.6V
VIHmin=1.2V
VIHmax=2.0V
1.8V power domain.
Active high.
If unused, keep it
open.
RESERVED Pins
Pin Name
Pin No.
I/O
Description
DC Characteristics
Comment
RESERVED
3, 18, 23,
43, 55,
73~84,
113, 114,
116, 117,
140-144.
Reserved
Keep these pins
unconnected.
NOTES

LTE Module Series
EC21 Hardware Design
EC21_Hardware_Design 3-29 / 105
Minimum
Functionality
Mode
AT+CFUN command can set the module to a minimum functionality mode without
removing the power supply. In this case, both RF function and (U)SIM card will be invalid.
Airplane
Mode
AT+CFUN command or W_DISABLE# pin can set the module to airplane mode. In this
case, RF function will be invalid.
Sleep Mode
In this mode, the current consumption of the module will be reduced to the minimal level.
During this mode, the module can still receive paging message, SMS, voice call and
TCP/UDP data from the network normally.
Power down
Mode
In this mode, the power management unit shuts down the power supply. Software is not
active. The serial interface is not accessible. Operating voltage (connected to VBAT_RF
and VBAT_BB) remains applied.
3.4. Power Saving
3.4.1. Sleep Mode
EC21 is able to reduce its current consumption to a minimum value during the sleep mode. The following
section describes power saving procedures of EC21 module.
3.4.1.1. UART Application
If the host communicates with module via UART interface, the following preconditions can let the module
enter into sleep mode.
Execute AT+QSCLK=1 command to enable sleep mode.
Drive DTR to high level.
The following figure shows the connection between the module and the host.
Figure 3: Sleep Mode Application via UART

LTE Module Series
EC21 Hardware Design
EC21_Hardware_Design 3-30 / 105
Driving the host DTR to low level will wake up the module.
When EC21 has a URC to report, RI signal will wake up the host. Refer to Chapter 3.17 for details
about RI behaviors.
AP_READY will detect the sleep state of the host (can be configured to high level or low level
detection). Please refer to AT+QCFG="apready"* command for details.
“*” means under development.
3.4.1.2. USB Application with USB Remote Wakeup Function
If the host supports USB suspend/resume and remote wakeup functions, the following three preconditions
must be met to let the module enter into sleep mode.
Execute AT+QSCLK=1 command to enable sleep mode.
Ensure the DTR is held at high level or keep it open.
The host’s USB bus, which is connected with the module’s USB interface, enters into suspended
state.
The following figure shows the connection between the module and the host.
Figure 4: Sleep Mode Application with USB Remote Wakeup
Sending data to EC21 through USB will wake up the module.
When EC21 has a URC to report, the module will send remote wake-up signals via USB bus so as to
wake up the host.
NOTE

LTE Module Series
EC21 Hardware Design
EC21_Hardware_Design 3-31 / 105
3.4.1.3. USB Application with USB Suspend/Resume and RI Function
If the host supports USB suspend/resume, but does not support remote wake-up function, the RI signal is
needed to wake up the host.
There are three preconditions to let the module enter into the sleep mode.
Execute AT+QSCLK=1 command to enable sleep mode.
Ensure the DTR is held at high level or keep it open.
The host’s USB bus, which is connected with the module’s USB interface, enters into suspended
state.
The following figure shows the connection between the module and the host.
Figure 5: Sleep Mode Application with RI
Sending data to EC21 through USB will wake up the module.
When EC21 has a URC to report, RI signal will wake up the host.
3.4.1.4. USB Application without USB Suspend Function
If the host does not support USB suspend function, USB_VBUS should be disconnected via an additional
control circuit to let the module enter into sleep mode.
Execute AT+QSCLK=1 command to enable sleep mode.
Ensure the DTR is held at high level or keep it open.
Disconnect USB_VBUS.
The following figure shows the connection between the module and the host.

LTE Module Series
EC21 Hardware Design
EC21_Hardware_Design 3-32 / 105
Figure 6: Sleep Mode Application without Suspend Function
Switching on the power switch to supply power to USB_VBUS will wake up the module.
Please pay attention to the level match shown in dotted line between the module and the host. Refer to
document [1] for more details about EC21 power management application.
3.4.2. Airplane Mode
When the module enters into airplane mode, the RF function does not work, and all AT commands
correlative with RF function will be inaccessible. This mode can be set via the following ways.
Hardware:
The W_DISABLE# pin is pulled up by default. Driving it to low level will let the module enter into airplane
mode.
Software:
AT+CFUN command provides the choice of the functionality level through setting <fun> into 0, 1 or 4.
AT+CFUN=0: Minimum functionality mode. Both (U)SIM and RF functions are disabled.
AT+CFUN=1: Full functionality mode (by default).
AT+CFUN=4: Airplane mode. RF function is disabled.
1. W_DISABLE# control function is disabled in firmware by default. It can be enabled by
AT+QCFG="airplanecontrol" command. This command is under development.
2. The execution of AT+CFUN command will not affect GNSS function.
NOTES
NOTE

LTE Module Series
EC21 Hardware Design
EC21_Hardware_Design 3-33 / 105
3.5. Power Supply
3.5.1. Power Supply Pins
EC21 provides four VBAT pins for connection with the external power supply. There are two separate
voltage domains for VBAT.
Two VBAT_RF pins for module’s RF part.
Two VBAT_BB pins for module’s baseband part.
The following table shows the details of VBAT pins and ground pins.
Table 6: VBAT and GND Pins
Pin Name
Pin No.
Description
Min.
Typ.
Max.
Unit
VBAT_RF
57, 58
Power supply for module’s
RF part.
3.3
3.8
4.3
V
VBAT_BB
59, 60
Power supply for module’s
baseband part.
3.3
3.8
4.3
V
GND
8, 9, 19, 22, 36,
46, 48, 50~54,
56, 72, 85~112
Ground
-
0
-
V
3.5.2. Decrease Voltage Drop
The power supply range of the module is from 3.3V to 4.3V. Please make sure that the input voltage will
never drop below 3.3V. The following figure shows the voltage drop during burst transmission in 2G
network. The voltage drop will be less in 3G and 4G networks.
Figure 7: Power Supply Limits during Burst Transmission

LTE Module Series
EC21 Hardware Design
EC21_Hardware_Design 3-34 / 105
To decrease voltage drop, a bypass capacitor of about 100µF with low ESR (ESR=0.7Ω) should be used,
and a multi-layer ceramic chip (MLCC) capacitor array should also be reserved due to its ultra-low ESR. It
is recommended to use three ceramic capacitors (100nF, 33pF, 10pF) for composing the MLCC array,
and place these capacitors close to VBAT_BB/VBAT_RF pins. The main power supply from an external
application has to be a single voltage source and can be expanded to two sub paths with star structure.
The width of VBAT_BB trace should be no less than 1mm; and the width of VBAT_RF trace should be no
less than 2mm. In principle, the longer the VBAT trace is, the wider it will be.
In addition, in order to get a stable power source, it is suggested that a zener diode whose reverse zener
voltage is 5.1V and dissipation power is more than 0.5W should be used. The following figure shows the
star structure of the power supply.
Figure 8: Star Structure of the Power Supply
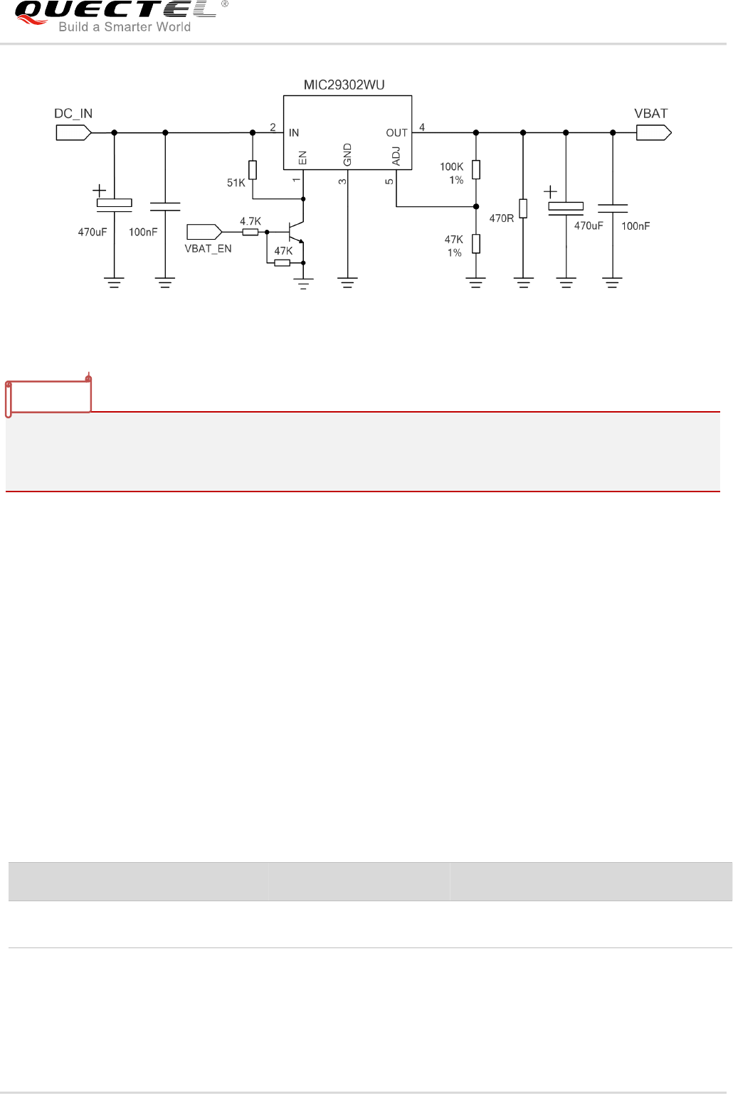
3.5.3. Reference Design for Power Supply
Power design for the module is very important, as the performance of the module largely depends on the
power source. The power supply should be able to provide sufficient current up to 2A at least. If the
voltage drop between the input and output is not too high, it is suggested that an LDO should be used to
supply power for the module. If there is a big voltage difference between the input source and the desired
output (VBAT), a buck converter is preferred to be used as the power supply.
The following figure shows a reference design for +5V input power source. The typical output of the power
supply is about 3.8V and the maximum load current is 3A.

LTE Module Series
EC21 Hardware Design
EC21_Hardware_Design 3-35 / 105
Figure 9: Reference Circuit of Power Supply
In order to avoid damaging internal flash, please do not switch off the power supply when the module
works normally. Only after the module is shut down by PWRKEY or AT command, the power supply can
be cut off.
3.5.4. Monitor the Power Supply
AT+CBC command can be used to monitor the VBAT_BB voltage value. For more details, please refer to
document [2].
3.6. Turn on and off Scenarios
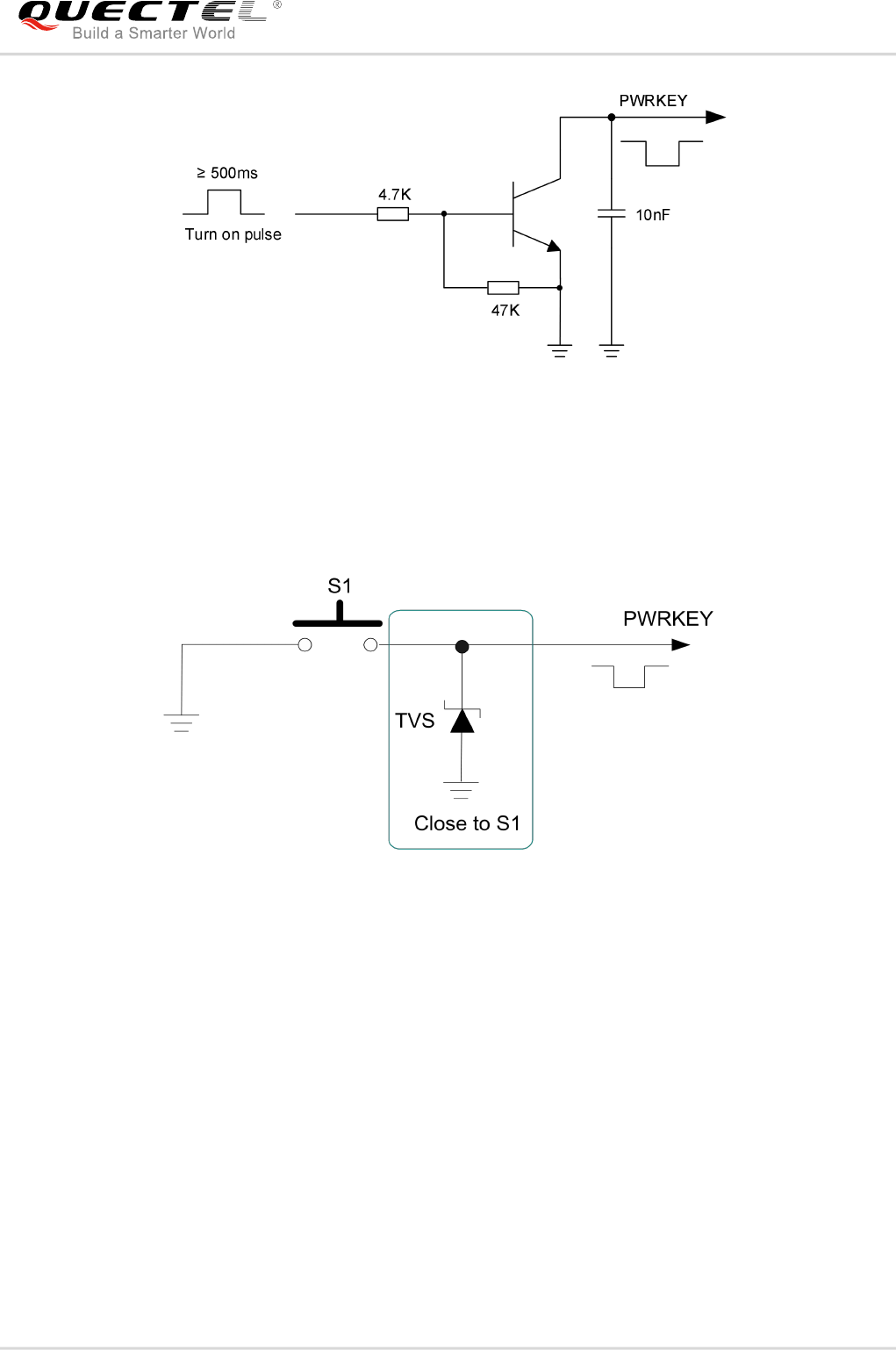
3.6.1. Turn on Module Using the PWRKEY
The following table shows the pin definition of PWRKEY.
Table 7: Pin Definition of PWRKEY
Pin Name
Pin No.
I/O
Description
Comment
PWRKEY
21
DI
Turn on/off the module
The output voltage is 0.8V because of
the diode drop in the Qualcomm chipset.
When EC21 is in power down mode, it can be turned on to normal mode by driving the PWRKEY pin to a
low level for at least 500ms. It is recommended to use an open drain/collector driver to control the
PWRKEY. After STATUS pin (require external pull-up) outputting a low level, PWRKEY pin can be
released. A simple reference circuit is illustrated in the following figure.
NOTE

LTE Module Series
EC21 Hardware Design
EC21_Hardware_Design 3-36 / 105
Figure 10: Turn on the Module by Using Driving Circuit
The other way to control the PWRKEY is using a button directly. When pressing the key, electrostatic
strike may generate from finger. Therefore, a TVS component is indispensable to be placed nearby the
button for ESD protection. A reference circuit is shown in the following figure.
Figure 11: Turn on the Module by Using Button
The turn on scenario is illustrated in the following figure.

LTE Module Series
EC21 Hardware Design
EC21_Hardware_Design 3-37 / 105
Figure 12: Timing of Turning on Module
Please make sure that VBAT is stable before pulling down PWRKEY pin. The time between them is no
less than 30ms.
3.6.2. Turn off Module
The following procedures can be used to turn off the module:
Normal power down procedure: Turn off the module using the PWRKEY pin.
Normal power down procedure: Turn off the module using AT+QPOWD command.
3.6.2.1. Turn off Module Using the PWRKEY Pin
Driving the PWRKEY pin to a low level voltage for at least 650ms, the module will execute power-down
procedure after the PWRKEY is released. The power-down scenario is illustrated in the following figure.
NOTE

LTE Module Series
EC21 Hardware Design
EC21_Hardware_Design 3-38 / 105
Figure 13: Timing of Turning off Module
3.6.2.2. Turn off Module Using AT Command
It is also a safe way to use AT+QPOWD command to turn off the module, which is similar to turning off the
module via PWRKEY pin.
Please refer to document [2] for details about AT+QPOWD command.
1. In order to avoid damaging internal flash, please do not switch off the power supply when the module
works normally. Only after the module is shut down by PWRKEY or AT command, the power supply
can be cut off.
2. When turn off module with AT command, please keep PWRKEY at high level after the execution of
power-off command. Otherwise the module will be turned on again after successfully turn-off.
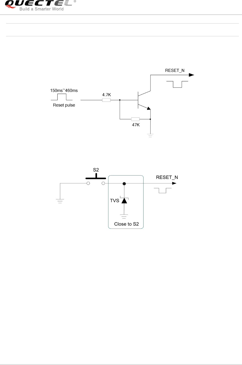
3.7. Reset the Module
The RESET_N pin can be used to reset the module. The module can be reset by driving RESET_N to a
low level voltage for time between 150ms and 460ms.
Table 8: Pin Definition of RESET_N
Pin Name
Pin No.
I/O
Description
Comment
NOTE

LTE Module Series
EC21 Hardware Design
EC21_Hardware_Design 3-39 / 105
The recommended circuit is similar to the PWRKEY control circuit. An open drain/collector driver or button
can be used to control the RESET_N.
Figure 14: Reference Circuit of RESET_N by Using Driving Circuit
Figure 15: Reference Circuit of RESET_N by Using Button
The reset scenario is illustrated in the following figure.
RESET_N
20
DI
Reset the module
1.8V power domain

LTE Module Series
EC21 Hardware Design
EC21_Hardware_Design 3-40 / 105
Figure 16: Timing of Resetting Module
1. Use RESET_N only when turning off the module by AT+QPOWD command and PWRKEY pin failed.
2. Ensure that there is no large capacitance on PWRKEY and RESET_N pins.
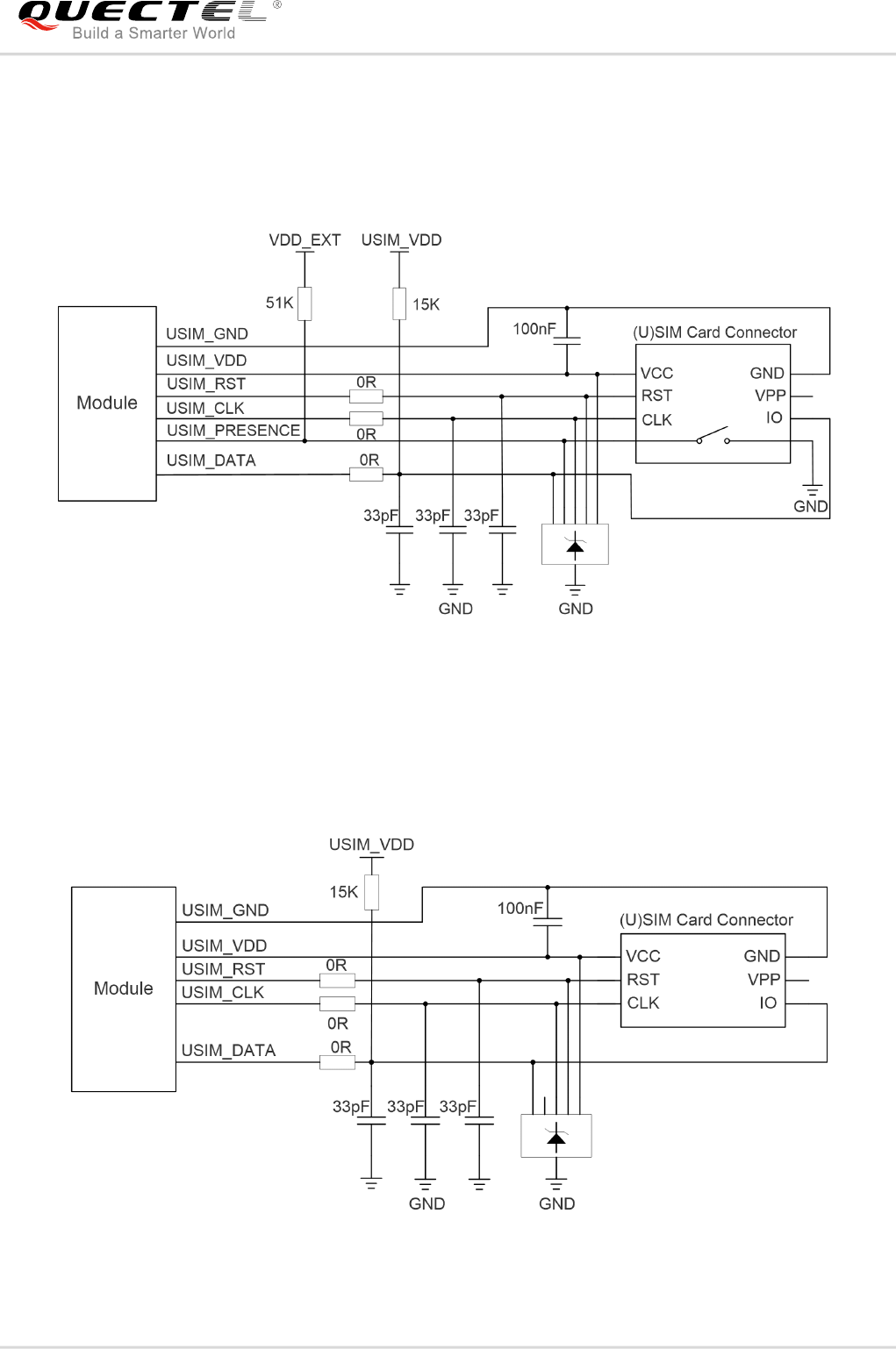
3.8. (U)SIM Interface
The (U)SIM interface circuitry meets ETSI and IMT-2000 requirements. Both 1.8V and 3.0V (U)SIM cards
are supported.
Table 9: Pin Definition of the (U)SIM Interface
Pin Name
Pin No.
I/O
Description
Comment
USIM_VDD
14
PO
Power supply for (U)SIM card
Either 1.8V or 3.0V is supported
by the module automatically.
USIM_DATA
15
IO
Data signal of (U)SIM card
USIM_CLK
16
DO
Clock signal of (U)SIM card
USIM_RST
17
DO
Reset signal of (U)SIM card
USIM_
PRESENCE
13
DI
(U)SIM card insertion detection
1.8V power domain.
If unused, keep it open.
USIM_GND
10
Specified ground for (U)SIM
card
EC21 supports (U)SIM card hot-plug via the USIM_PRESENCE pin. The function supports low level and
NOTES

LTE Module Series
EC21 Hardware Design
EC21_Hardware_Design 3-41 / 105
high level detections, and is disabled by default. Please refer to document [2] about AT+QSIMDET
command for details.
The following figure shows a reference design for (U)SIM interface with an 8-pin (U)SIM card connector.
Figure 17: Reference Circuit of (U)SIM Interface with an 8-Pin (U)SIM Card Connector
If (U)SIM card detection function is not needed, please keep USIM_PRESENCE unconnected. A
reference circuit for (U)SIM interface with a 6-pin (U)SIM card connector is illustrated in the following
figure.
Figure 18: Reference Circuit of (U)SIM Interface with a 6-Pin (U)SIM Card Connector
In order to enhance the reliability and availability of the (U)SIM card in customers’ applications, please

LTE Module Series
EC21 Hardware Design
EC21_Hardware_Design 3-42 / 105
follow the criteria below in (U)SIM circuit design:
Keep placement of (U)SIM card connector to the module as close as possible. Keep the trace length
as less than 200mm as possible.
Keep (U)SIM card signals away from RF and VBAT traces.
Assure the ground between the module and the (U)SIM card connector short and wide. Keep the
trace width of ground and USIM_VDD no less than 0.5mm to maintain the same electric potential.
Make sure the bypass capacitor between USIM_VDD and USIM_GND less than 1uF, and place it as
close to (U)SIM card connector as possible. If the ground is complete on customers’ PCB,
USIM_GND can be connected to PCB ground directly.
To avoid cross-talk between USIM_DATA and USIM_CLK, keep them away from each other and
shield them with surrounded ground.
In order to offer good ESD protection, it is recommended to add a TVS diode array whose parasitic
capacitance should not be more than 15pF. The 0Ω resistors should be added in series between the
module and the (U)SIM card to facilitate debugging. The 33pF capacitors are used for filtering
interference of GSM900MHz. Please note that the (U)SIM peripheral circuit should be close to the
(U)SIM card connector.
The pull-up resistor on USIM_DATA line can improve anti-jamming capability when long layout trace
and sensitive occasion are applied, and should be placed close to the (U)SIM card connector.
3.9. USB Interface
EC21 contains one integrated Universal Serial Bus (USB) interface which complies with the USB 2.0
specification and supports high-speed (480Mbps) and full-speed (12Mbps) modes. The USB interface is
used for AT command communication, data transmission, GNSS NMEA sentences output, software
debugging, firmware upgrade and voice over USB*. The following table shows the pin definition of USB
interface.
Table 10: Pin Description of USB Interface
Pin Name
Pin No.
I/O
Description
Comment
USB_DP
69
IO
USB differential data bus (+)
Require differential
impedance of 90Ω
USB_DM
70
IO
USB differential data bus (-)
Require differential
impedance of 90Ω
USB_VBUS
71
PI
Used for detecting the USB connection
Typically 5.0V
GND
72
Ground
For more details about the USB 2.0 specification, please visit http://www.usb.org/home.

LTE Module Series
EC21 Hardware Design
EC21_Hardware_Design 3-43 / 105
The USB interface is recommended to be reserved for firmware upgrade in customers’ designs. The
following figure shows a reference circuit of USB interface.
Figure 19: Reference Circuit of USB Application
A common mode choke L1 is recommended to be added in series between the module and customer’s
MCU in order to suppress EMI spurious transmission. Meanwhile, the 0Ω resistors (R3 and R4) should be
added in series between the module and the test points so as to facilitate debugging, and the resistors are
not mounted by default. In order to ensure the integrity of USB data line signal, L1/R3/R4 components
must be placed close to the module, and also these resistors should be placed close to each other. The
extra stubs of trace must be as short as possible.
The following principles should be complied with when design the USB interface, so as to meet USB 2.0
specification.
It is important to route the USB signal traces as differential pairs with total grounding. The impedance
of USB differential trace is 90Ω.
Do not route signal traces under crystals, oscillators, magnetic devices and RF signal traces. It is
important to route the USB differential traces in inner-layer with ground shielding on not only upper
and lower layers but also right and left sides.
Pay attention to the influence of junction capacitance of ESD protection components on USB data
lines. Typically, the capacitance value should be less than 2pF.
Keep the ESD protection components to the USB connector as close as possible.
1. EC21 module can only be used as a slave device.
2. “*” means under development.
NOTES

LTE Module Series
EC21 Hardware Design
EC21_Hardware_Design 3-44 / 105
3.10. UART Interfaces
The module provides two UART interfaces: the main UART interface and the debug UART interface. The
following shows their features.
The main UART interface supports 4800bps, 9600bps, 19200bps, 38400bps, 57600bps, 115200bps,
230400bps, 460800bps and 921600bps baud rates, and the default is 115200bps. The interface is
used for data transmission and AT command communication.
The debug UART interface supports 115200bps baud rate. It is used for Linux console and log
output.
The following tables show the pin definition of the UART interfaces.
Table 11: Pin Definition of Main UART Interface
Pin Name
Pin No.
I/O
Description
Comment
RI
62
DO
Ring indicator
1.8V power domain
DCD
63
DO
Data carrier detection
CTS
64
DO
Clear to send
RTS
65
DI
Request to send
DTR
66
DI
Data terminal ready
TXD
67
DO
Transmit data
RXD
68
DI
Receive data
Table 12: Pin Definition of Debug UART Interface
Pin Name
Pin No.
I/O
Description
Comment
DBG_TXD
12
DO
Transmit data
1.8V power domain
DBG_RXD
11
DI
Receive data
1.8V power domain

LTE Module Series
EC21 Hardware Design
EC21_Hardware_Design 3-45 / 105
The logic levels are described in the following table.
Table 13: Logic Levels of Digital I/O
Parameter
Min.
Max.
Unit
VIL
-0.3
0.6
V
VIH
1.2
2.0
V
VOL
0
0.45
V
VOH
1.35
1.8
V
The module provides 1.8V UART interface. A level translator should be used if customers’ application is
equipped with a 3.3V UART interface. A level translator TXS0108EPWR provided by Texas Instruments is
recommended. The following figure shows a reference design.
Figure 20: Reference Circuit with Translator Chip
Please visit http://www.ti.com for more information.
Another example with transistor translation circuit is shown as below. The circuit design of dotted line
section can refer to the design of solid line section, in terms of both module input and output circuit
designs, but please pay attention to the direction of connection.

LTE Module Series
EC21 Hardware Design
EC21_Hardware_Design 3-46 / 105
Figure 21: Reference Circuit with Transistor Circuit
Transistor circuit solution is not suitable for applications with high baud rates exceeding 460Kbps.
3.11. PCM and I2C Interfaces
EC21 provides one Pulse Code Modulation (PCM) digital interface for audio design, which supports the
following modes and one I2C interface:
Primary mode (short frame synchronization, works as both master and slave)
Auxiliary mode (long frame synchronization, works as master only)
In primary mode, the data is sampled on the falling edge of the PCM_CLK and transmitted on the rising
edge. The PCM_SYNC falling edge represents the MSB. In this mode, the PCM interface supports
256kHz, 512kHz, 1024kHz or 2048kHz PCM_CLK at 8kHz PCM_SYNC, and also supports 4096kHz
PCM_CLK at 16kHz PCM_SYNC.
In auxiliary mode, the data is sampled on the falling edge of the PCM_CLK and transmitted on the rising
edge. The PCM_SYNC rising edge represents the MSB. In this mode, the PCM interface operates with a
256kHz, 512kHz, 1024kHz or 2048kHz PCM_CLK and an 8kHz, 50% duty cycle PCM_SYNC.
EC21 supports 8-bit A-law* and μ-law*, and also 16-bit linear data formats. The following figures show the
primary mode’s timing relationship with 8kHz PCM_SYNC and 2048kHz PCM_CLK, as well as the
auxiliary mode’s timing relationship with 8kHz PCM_SYNC and 256kHz PCM_CLK.
NOTE

LTE Module Series
EC21 Hardware Design
EC21_Hardware_Design 3-47 / 105
Figure 22: Primary Mode Timing
Figure 23: Auxiliary Mode Timing
The following table shows the pin definition of PCM and I2C interfaces which can be applied on audio
codec design.
Table 14: Pin Definition of PCM and I2C Interfaces
Pin Name
Pin No.
I/O
Description
Comment
PCM_IN
24
DI
PCM data input
1.8V power domain
PCM_OUT
25
DO
PCM data output
1.8V power domain

LTE Module Series
EC21 Hardware Design
EC21_Hardware_Design 3-48 / 105
PCM_SYNC
26
IO
PCM data frame
synchronization signal
1.8V power domain
PCM_CLK
27
IO
PCM data bit clock
1.8V power domain
I2C_SCL
41
OD
I2C serial clock
Require external pull-up to 1.8V
I2C_SDA
42
OD
I2C serial data
Require external pull-up to 1.8V
Clock and mode can be configured by AT command, and the default configuration is master mode using
short frame synchronization format with 2048KHz PCM_CLK and 8KHz PCM_SYNC. Please refer to
document [2] about AT+QDAI command for details.
The following figure shows a reference design of PCM interface with external codec IC.
Figure 24: Reference Circuit of PCM Application with Audio Codec
1. “*” means under development.
2. It is recommended to reserve RC (R=22Ω, C=22pF) circuits on the PCM lines, especially for
PCM_CLK.
3. EC21 works as a master device pertaining to I2C interface.
3.12. SD Card Interface
EC21 supports SDIO3.0 interface for SD card.
The following table shows the pin definition of SD card interface.
NOTES

LTE Module Series
EC21 Hardware Design
EC21_Hardware_Design 3-49 / 105
Table 15: Pin Definition of SD Card Interface
Pin Name
Pin No.
I/O
Description
Comment
SDC2_DATA3
28
IO
SD card SDIO bus DATA3
SDIO signal level can be
selected according to SD
card supported level, more
details please refer to SD
3.0 protocol.
If unused, keep it open.
SDC2_DATA2
29
IO
SD card SDIO bus DATA2
SDIO signal level can be
selected according to SD
card supported level, more
details please refer to SD
3.0 protocol.
If unused, keep it open.
SDC2_DATA1
30
IO
SD card SDIO bus DATA1
SDIO signal level can be
selected according to SD
card supported level, more
details please refer to SD
3.0 protocol.
If unused, keep it open.
SDC2_DATA0
31
IO
SD card SDIO bus DATA0
SDIO signal level can be
selected according to SD
card supported level, more
details please refer to SD
3.0 protocol.
If unused, keep it open.
SDC2_CLK
32
DO
SD card SDIO bus clock
SDIO signal level can be
selected according to SD
card supported level, more
details please refer to SD
3.0 protocol.
If unused, keep it open.
SDC2_CMD
33
IO
SD card SDIO bus command
SDIO signal level can be
selected according to SD
card supported level, more
details please refer to SD
3.0 protocol.
If unused, keep it open.
VDD_SDIO
34
PO
SD card SDIO bus pull up power
1.8V/2.85V configurable.
Cannot be used for SD
card power. If unused,
keep it open.

LTE Module Series
EC21 Hardware Design
EC21_Hardware_Design 3-50 / 105
SD_INS_DET
23
DI
SD card insertion detection
1.8V power domain.
If unused, keep it open.
The following figure shows a reference design of SD card.
Figure 25: Reference Circuit of SD card
In SD card interface design, in order to ensure good communication performance with SD card, the
following design principles should be complied with:
The voltage range of SD card power supply VDD_3V is 2.7V~3.6V and a sufficient current up to 0.8A
should be provided. As the maximum output current of VDD_SDIO is 50mA which can only be used
for SDIO pull-up resistors, an externally power supply is needed for SD card.
To avoid jitter of bus, resistors R7~R11 are needed to pull up the SDIO to VDD_SDIO. Value of these
resistors is among 10KΩ~100KΩ and the recommended value is 100KΩ. VDD_SDIO should be used
as the pull-up power.
In order to adjust signal quality, it is recommended to add 0Ω resistors R1~R6 in series between the
module and the SD card. The bypass capacitors C1~C6 are reserved and not mounted by default. All
resistors and bypass capacitors should be placed close to the module.
In order to offer good ESD protection, it is recommended to add a TVS diode on SD card pins near
the SD card connector with junction capacitance less than 15pF.
Keep SDIO signals far away from other sensitive circuits/signals such as RF circuits, analog signals,
etc., as well as noisy signals such as clock signals, DCDC signals, etc.
It is important to route the SDIO signal traces with total grounding. The impedance of SDIO data
trace is 50Ω (±10%).
Make sure the adjacent trace spacing is two times of the trace width and the load capacitance of
SDIO bus should be less than 15pF.
It is recommended to keep the trace length difference between CLK and DATA/CMD less than 1mm
and the total routing length less than 50mm. The total trace length inside the module is 27mm, so the
exterior total trace length should be less than 23mm.

LTE Module Series
EC21 Hardware Design
EC21_Hardware_Design 3-51 / 105
3.13. ADC Interfaces
The module provides two analog-to-digital converter (ADC) interfaces. AT+QADC=0 command can be
used to read the voltage value on ADC0 pin. AT+QADC=1 command can be used to read the voltage
value on ADC1 pin. For more details about these AT commands, please refer to document [2].
In order to improve the accuracy of ADC, the trace of ADC should be surrounded by ground.
Table 16: Pin Definition of ADC Interfaces
Pin Name
Pin No.
Description
ADC0
45
General purpose analog to digital converter
ADC1
44
General purpose analog to digital converter
The following table describes the characteristic of ADC function.
Table 17: Characteristic of ADC
Parameter
Min.
Typ.
Max.
Unit
ADC0 Voltage Range
0.3
VBAT_BB
V
ADC1 Voltage Range
0.3
VBAT_BB
V
ADC Resolution
15
bits
1. ADC input voltage must not exceed VBAT_BB.
2. It is prohibited to supply any voltage to ADC pins when VBAT is removed.
3. It is recommended to use a resistor divider circuit for ADC application.
3.14. Network Status Indication
The network indication pins can be used to drive network status indication LEDs. The module provides
two pins which are NET_MODE and NET_STATUS. The following tables describe the pin definition and
logic level changes in different network status.
NOTES

LTE Module Series
EC21 Hardware Design
EC21_Hardware_Design 3-52 / 105
Table 18: Pin Definition of Network Connection Status/Activity Indicator
Pin Name
Pin No.
I/O
Description
Comment
NET_MODE1)
5
DO
Indicate the module’s network registration
status
1.8V power domain
Cannot be pulled up
before startup
NET_STATUS
6
DO
Indicate the module’s network activity
status
1.8V power domain
Table 19: Working State of Network Connection Status/Activity Indicator
Pin Name
Logic Level Changes
Network Status
NET_MODE
Always High
Registered on LTE network
Always Low
Others
NET_STATUS
Flicker slowly (200ms High/1800ms Low)
Network searching
Flicker slowly (1800ms High/200ms Low)
Idle
Flicker quickly (125ms High/125ms Low)
Data transfer is ongoing
Always High
Voice calling
A reference circuit is shown in the following figure.
Figure 26: Reference Circuit of the Network Indicator

LTE Module Series
EC21 Hardware Design
EC21_Hardware_Design 3-53 / 105
3.15. STATUS
The STATUS pin is an open drain output for indicating the module’s operation status. Customers can
connect it to a GPIO of DTE with a pull up resistor, or as the LED indication circuit shown below. When the
module is turned on normally, the STATUS will present the low state. Otherwise, the STATUS will present
high-impedance state.
Table 20: Pin Definition of STATUS
Pin Name
Pin No.
I/O
Description
Comment
STATUS
61
OD
Indicate the module’s operation status
An external pull-up resistor
is required.
If unused, keep it open.
The following figure shows different circuit designs of STATUS, and customers can choose either one
according to their application demands.
Figure 27: Reference Circuits of STATUS
3.16. Behaviors of RI
AT+QCFG="risignaltype","physical" command can be used to configure RI behavior.
No matter on which port URC is presented, URC will trigger the behavior of RI pin.

LTE Module Series
EC21 Hardware Design
EC21_Hardware_Design 3-54 / 105
URC can be outputted from UART port, USB AT port and USB modem port through configuration via
AT+QURCCFG command. The default port is USB AT port.
In addition, RI behavior can be configured flexibly. The default behavior of the RI is shown as below.
Table 21: Behavior of RI
State
Response
Idle
RI keeps at high level
URC
RI outputs 120ms low pulse when a new URC returns
The RI behavior can be changed by AT+QCFG="urc/ri/ring" command. Please refer to document [2] for
details.
3.17. SGMII Interface
EC21 includes an integrated Ethernet MAC with an SGMII interface and two management interfaces, key
features of the SGMII interface are shown below:
IEEE802.3 compliance
Support 10M/100M/1000M Ethernet work mode
Support VLAN tagging
Support IEEE1588 and Precision Time Protocol (PTP)
Can be used to connect to external Ethernet PHY like AR8033, or to an external switch
Management interfaces support dual voltage 1.8V/2.85V
The following table shows the pin definition of SGMII interface.
Table 22: Pin Definition of the SGMII Interface
Pin Name
Pin No.
I/O
Description
Comment
Control Signal Part
EPHY_RST_N
119
DO
Ethernet PHY reset
1.8V/2.85V power domain
EPHY_INT_N
120
DI
Ethernet PHY interrupt
1.8V power domain
NOTE

LTE Module Series
EC21 Hardware Design
EC21_Hardware_Design 3-55 / 105
SGMII_MDATA
121
IO
SGMII MDIO (Management Data
Input/Output) data
1.8V/2.85V power domain
SGMII_MCLK
122
DO
SGMII MDIO (Management Data
Input/Output) clock
1.8V/2.85V power domain
USIM2_VDD
128
PO
SGMII MDIO pull-up power
source
Configurable power source.
1.8V/2.85V power domain.
External pull-up power source for
SGMII MDIO pins.
SGMII Signal Part
SGMII_TX_M
123
AO
SGMII transmission-minus
Connect with a 0.1uF capacitor,
close to the PHY side.
SGMII_TX_P
124
AO
SGMII transmission-plus
Connect with a 0.1uF capacitor,
close to the PHY side.
SGMII_RX_P
125
AI
SGMII receiving-plus
Connect with a 0.1uF capacitor,
close to EC21 module.
SGMII_RX_M
126
AI
SGMII receiving-minus
Connect with a 0.1uF capacitor,
close to EC21 module.
The following figure shows the simplified block diagram for Ethernet application.
Figure 28: Simplified Block Diagram for Ethernet Application

LTE Module Series
EC21 Hardware Design
EC21_Hardware_Design 3-56 / 105
The following figure shows a reference design of SGMII interface with PHY AR8033 application.
Figure 29: Reference Circuit of SGMII Interface with PHY AR8033 Application
In order to enhance the reliability and availability in customers’ applications, please follow the criteria
below in the Ethernet PHY circuit design:
Keep SGMII data and control signals away from other sensitive circuits/signals such as RF circuits,
analog signals, etc., as well as noisy signals such as clock signals, DCDC signals, etc.
Keep the maximum trace length less than 10-inch and keep skew on the differential pairs less than
20mil.
The differential impedance of SGMII data trace is 100Ω±10%, and the reference ground of the area
should be complete.
Make sure the trace spacing between SGMII RX and TX is at least 3 times of the trace width, and the
same to the adjacent signal traces.
Table 24: Pin Definition of USB_BOOT Interface
Pin Name
Pin No.
I/O
Description
Comment
USB_BOOT
115
DI
Force the module enter into
emergency download mode
1.8V power domain.
Active high.
It is recommended to
reserve test point.
The following figure shows a reference circuit of USB_BOOT interface.

LTE Module Series
EC21 Hardware Design
EC21_Hardware_Design 3-57 / 105
Figure 31: Reference Circuit of USB_BOOT Interface

LTE Module Series
EC21 Hardware Design
EC21_Hardware_Design 4-58 / 105
4GNSS Receiver
4.1. General Description
EC21 includes a fully integrated global navigation satellite system solution that supports Gen8C-Lite of
Qualcomm (GPS, GLONASS, BeiDou, Galileo and QZSS).
EC21 supports standard NMEA-0183 protocol, and outputs NMEA sentences at 1Hz data update rate via
USB interface by default.
By default, EC21 GNSS engine is switched off. It has to be switched on via AT command. For more details
about GNSS engine technology and configurations, please refer to document [3].
4.2. GNSS Performance
The following table shows the GNSS performance of EC21.
Table 25: GNSS Performance
Parameter
Description
Conditions
Typ.
Unit
Sensitivity
(GNSS)
Cold start
Autonomous
-146
dBm
Reacquisition
Autonomous
-157
dBm
Tracking
Autonomous
-157
dBm
TTFF
(GNSS)
Cold start
@open sky
Autonomous
35
s
XTRA enabled
18
s
Warm start
@open sky
Autonomous
26
s
XTRA enabled
2.2
s

LTE Module Series
EC21 Hardware Design
EC21_Hardware_Design 4-59 / 105
Hot start
@open sky
Autonomous
2.5
s
XTRA enabled
1.8
s
Accuracy
(GNSS)
CEP-50
Autonomous
@open sky
<1.5
m
1. Tracking sensitivity: the lowest GNSS signal value at the antenna port on which the module can keep
on positioning for 3 minutes.
2. Reacquisition sensitivity: the lowest GNSS signal value at the antenna port on which the module can
fix position again within 3 minutes after loss of lock.
3. Cold start sensitivity: the lowest GNSS signal value at the antenna port on which the module fixes
position within 3 minutes after executing cold start command.
4.3. Layout Guidelines
The following layout guidelines should be taken into account in customers’ designs.
Maximize the distance among GNSS antenna, main antenna and the Rx-diversity antenna.
Digital circuits such as (U)SIM card, USB interface, camera module and display connector should be
kept away from the antennas.
Use ground vias around the GNSS trace and sensitive analog signal traces to provide coplanar
isolation and protection.
Keep 50Ω characteristic impedance for the ANT_GNSS trace.
Please refer to Chapter 5 for GNSS antenna reference design and antenna installation consideration.
NOTES

LTE Module Series
EC21 Hardware Design
EC21_Hardware_Design 5-60 / 105
5Antenna Interfaces
EC21 antenna interfaces include a main antenna interface, an Rx-diversity antenna interface which is
used to resist the fall of signals caused by high speed movement and multipath effect, and a GNSS
antenna interface. The impedance of the antenna port is 50Ω.
5.1. Main/Rx-diversity Antenna Interfaces
5.1.1. Pin Definition
The pin definition of main antenna and Rx-diversity antenna interfaces is shown below.
Table 26: Pin Definition of RF Antennas
Pin Name
Pin No.
I/O
Description
Comment
ANT_MAIN
49
IO
Main antenna pad
50Ω impedance
ANT_DIV
35
AI
Receive diversity antenna pad
50Ω impedance
5.1.2. Operating Frequency
Table 27: Module Operating Frequencies
3GPP Band
Transmit
Receive
Unit
GSM850
824~849
869~894
MHz
EGSM900
880~915
925~960
MHz
DCS1800
1710~1785
1805~1880
MHz
PCS1900
1850~1910
1930~1990
MHz
WCDMA B1
1920~1980
2110~2170
MHz
WCDMA B2
1850~1910
1930~1990
MHz

LTE Module Series
EC21 Hardware Design
EC21_Hardware_Design 5-61 / 105
WCDMA B4
1710~1755
2110~2155
MHz
WCDMA B5
824~849
869~894
MHz
WCDMA B8
880~915
925~960
MHz
LTE FDD B1
1920~1980
2110~2170
MHz
LTE FDD B2
1850~1910
1930~1990
MHz
LTE FDD B3
1710~1785
1805~1880
MHz
LTE FDD B4
1710~1755
2110~2155
MHz
LTE FDD B5
824~849
869~894
MHz
LTE FDD B7
2500~2570
2620~2690
MHz
LTE FDD B8
880~915
925~960
MHz
LTE FDD B12
699~716
729~746
MHz
LTE FDD B13
777~787
746~756
MHz
LTE FDD B18
815~830
860~875
MHz
LTE FDD B19
830~845
875~890
MHz
LTE FDD B20
832~862
791~821
MHz
LTE FDD B26
814~849
859~894
MHz
LTE FDD B28
703~748
758~803
MHz
LTE TDD B40
2300~2400
2300~2400
MHz
5.1.3. Reference Design of RF Antenna Interface
A reference design of ANT_MAIN and ANT_DIV antenna pads is shown as below. A π-type matching
circuit should be reserved for better RF performance. The capacitors are not mounted by default.

LTE Module Series
EC21 Hardware Design
EC21_Hardware_Design 5-62 / 105
Figure 32: Reference Circuit of RF Antenna Interface
1. Keep a proper distance between the main antenna and the Rx-diversity antenna to improve the
receiving sensitivity.
2. ANT_DIV function is enabled by default.
3. Place the π-type matching components (R1, C1, C2, R2, C3, C4) as close to the antenna as
possible.
5.1.4. Reference Design of RF Layout
For user’s PCB, the characteristic impedance of all RF traces should be controlled as 50Ω. The
impedance of the RF traces is usually determined by the trace width (W), the materials’ dielectric constant,
the distance between signal layer and reference ground (H), and the clearance between RF trace and
ground (S). Microstrip line or coplanar waveguide line is typically used in RF layout for characteristic
impedance control. The following are reference designs of microstrip line or coplanar waveguide line with
different PCB structures
.
Figure 33: Microstrip Line Design on a 2-layer PCB
NOTES

LTE Module Series
EC21 Hardware Design
EC21_Hardware_Design 5-63 / 105
Figure 34: Coplanar Waveguide Line Design on a 2-layer PCB
Figure 35: Coplanar Waveguide Line Design on a 4-layer PCB (Layer 3 as Reference Ground)
Figure 36: Coplanar Waveguide Line Design on a 4-layer PCB (Layer 4 as Reference Ground)
In order to ensure RF performance and reliability, the following principles should be complied with in RF
layout design:

LTE Module Series
EC21 Hardware Design
EC21_Hardware_Design 5-64 / 105
Use impedance simulation tool to control the characteristic impedance of RF traces as 50Ω.
The GND pins adjacent to RF pins should not be designed as thermal relief pads, and should be fully
connected to ground.
The distance between the RF pins and the RF connector should be as short as possible, and all the
right angle traces should be changed to curved ones.
There should be clearance area under the signal pin of the antenna connector or solder joint.
The reference ground of RF traces should be complete. Meanwhile, adding some ground vias around
RF traces and the reference ground could help to improve RF performance. The distance between
the ground vias and RF traces should be no less than two times the width of RF signal traces (2*W).
For more details about RF layout, please refer to document [6].
5.2. GNSS Antenna Interface
The following tables show the pin definition and frequency specification of GNSS antenna interface.
Table 28: Pin Definition of GNSS Antenna Interface
Pin Name
Pin No.
I/O
Description
Comment
ANT_GNSS
47
AI
GNSS antenna
50Ω impedance
Table 29: GNSS Frequency
Type
Frequency
Unit
GPS/Galileo/QZSS
1575.42±1.023
MHz
GLONASS
1597.5~1605.8
MHz
BeiDou
1561.098±2.046
MHz

LTE Module Series
EC21 Hardware Design
EC21_Hardware_Design 5-65 / 105
A reference design of GNSS antenna is shown as below.
Figure 37: Reference Circuit of GNSS Antenna
1. An external LDO can be selected to supply power according to the active antenna requirement.
2. If the module is designed with a passive antenna, then the VDD circuit is not needed.
5.3. Antenna Installation
5.3.1. Antenna Requirement
The following table shows the requirements on main antenna, Rx-diversity antenna and GNSS antenna.
Table 30: Antenna Requirements
Type
Requirements
GNSS1)
Frequency range: 1561MHz~1615MHz
Polarization: RHCP or linear
VSWR: <2 (Typ.)
Passive antenna gain: > 0dBi
Active antenna noise figure: <1.5dB
Active antenna gain: > 0dBi
Active antenna embedded LNA gain: <17 dB
GSM/WCDMA/LTE
VSWR: ≤2
Efficiency: > 30%
NOTES

LTE Module Series
EC21 Hardware Design
EC21_Hardware_Design 5-66 / 105
Max Input Power: 50 W
Input Impedance: 50Ω
Cable insertion loss: <1dB
(GSM850, GSM900, WCDMA B5/B8,
LTE-FDD B5/B8/B12/B13/B18/B19/B20/B26/B28)
Cable insertion loss: <1.5dB
(DCS1800, PCS1900, WCDMA B1/B2/B4, LTE B1/B2/B3/B4)
Cable insertion loss <2dB
(LTE-FDD B7, LTE-TDD B40)
1) It is recommended to use a passive antenna when the module supports B13 or B14, because
harmonics will be generated when using an active antenna, which will affect the GNSS performance
5.3.2. Recommended RF Connector for Antenna Installation
If RF connector is used for antenna connection, it is recommended to use U.FL-R-SMT connector
provided by Hirose.
Figure 38: Dimensions of the U.FL-R-SMT Connector (Unit: mm)
NOTE

LTE Module Series
EC21 Hardware Design
EC21_Hardware_Design 5-67 / 105
U.FL-LP serial connectors listed in the following figure can be used to match the U.FL-R-SMT.
Figure 39: Mechanicals of U.FL-LP Connectors
The following figure describes the space factor of mated connector.
Figure 40: Space Factor of Mated Connector (Unit: mm)
For more details, please visit http://www.hirose.com.

LTE Module Series
EC21 Hardware Design
EC21_Hardware_Design 6-68 / 105
6Electrical, Reliability and Radio
Characteristics
6.1. Absolute Maximum Ratings
Absolute maximum ratings for power supply and voltage on digital and analog pins of the module are
listed in the following table.
Table 31: Absolute Maximum Ratings
Parameter
Min.
Max.
Unit
VBAT_RF/VBAT_BB
-0.3
4.7
V
USB_VBUS
-0.3
5.5
V
Peak Current of VBAT_BB
0
0.8
A
Peak Current of VBAT_RF
0
1.8
A
Voltage at Digital Pins
-0.3
2.3
V
Voltage at ADC0
0
VBAT_BB
V
Voltage at ADC1
0
VBAT_BB
V

LTE Module Series
EC21 Hardware Design
EC21_Hardware_Design 6-69 / 105
6.2. Power Supply Ratings
Table 32: Power Supply Ratings
Parameter
Description
Conditions
Min.
Typ.
Max.
Unit
VBAT
VBAT_BB and
VBAT_RF
The actual input voltages
must stay between the
minimum and maximum
values.
3.3
3.8
4.3
V
Voltage drop during
burst transmission
Maximum power control
level on GSM900
400
mV
IVBAT
Peak supply current
(during transmission
slot)
Maximum power control
level on GSM900
1.8
2.0
A
USB_VBUS
USB detection
3.0
5.0
5.25
V
6.3. Operation and Storage Temperatures
The operation and storage temperatures are listed in the following table.
Table 33: Operation and Storage Temperatures
Parameter
Min.
Typ.
Max.
Unit
Operation Temperature Range1)
-35
+25
+75
ºC
Extended Temperature Range2)
-40
+85
ºC
Storage Temperature Range
-40
+90
ºC
1. 1) Within operation temperature range, the module is 3GPP compliant.
2. 2) Within extended temperature range, the module remains the ability to establish and maintain a
voice, SMS, data transmission, emergency call, etc. There is no unrecoverable malfunction. There
are also no effects on radio spectrum and no harm to radio network. Only one or more parameters
like Pout might reduce in their value and exceed the specified tolerances. When the temperature
returns to the normal operating temperature levels, the module will meet 3GPP specifications again.
NOTES

LTE Module Series
EC21 Hardware Design
EC21_Hardware_Design 6-70 / 105
6.4. Current Consumption
The values of current consumption are shown below.
Table 34: EC21-E Current Consumption
Parameter
Description
Conditions
Typ.
Unit
IVBAT
OFF state
Power down
13
uA
Sleep state
AT+CFUN=0 (USB disconnected)
1.4
mA
GSM900 @DRX=9 (USB disconnected)
1.8
mA
DCS1800 @DRX=9 (USB disconnected)
1.8
mA
WCDMA PF=64 (USB disconnected)
2.4
mA
WCDMA PF=128 (USB disconnected)
1.9
mA
FDD-LTE PF=64 (USB disconnected)
3.2
mA
FDD-LTE PF=128 (USB disconnected)
2.1
mA
Idle state
(GNSS OFF)
GSM900 @DRX=5 (USB disconnected)
22.0
mA
GSM900 @DRX=5 (USB connected)
32.0
mA
WCDMA PF=64 (USB disconnected)
22.5
mA
WCDMA PF=64 (USB connected)
32.7
mA
LTE-FDD PF=64 (USB disconnected)
22.5
mA
LTE-FDD PF=64 (USB connected)
32.5
mA
GPRS data transfer
(GNSS OFF)
GSM900 4DL/1UL @32.3dBm
220
mA
GSM900 3DL/2UL @32.18dBm
387
mA
GSM900 2DL/3UL @30.3dBm
467
mA
GSM900 1DL/4UL @29.4dBm
555
mA
DCS1800 4DL/1UL @29.6dBm
185
mA
DCS1800 3DL/2UL @29.1dBm
305
mA

LTE Module Series
EC21 Hardware Design
EC21_Hardware_Design 6-71 / 105
DCS1800 2DL/3UL @28.8dBm
431
mA
DCS1800 1DL/4UL @29.1dBm
540
mA
EDGE data transfer
(GNSS OFF)
GSM900 4DL/1UL @26dBm
148
mA
GSM900 3DL/2UL @26dBm
245
mA
GSM900 2DL/3UL @25dBm
338
mA
GSM900 1DL/4UL @25dBm
432
mA
DCS1800 4DL/1UL @26dBm
150
mA
DCS1800 3DL/2UL @25dBm
243
mA
DCS1800 2DL/3UL @25dBm
337
mA
DCS1800 1DL/4UL @25dBm
430
mA
WCDMA data transfer
(GNSS OFF)
WCDMA B1 HSDPA @22.5dBm
659
mA
WCDMA B1 HSUPA @21.11dBm
545
mA
WCDMA B5 HSDPA @23.5dBm
767
mA
WCDMA B5 HSUPA @21.4dBm
537
mA
WCDMA B8 HSDPA @22.41dBm
543
mA
WCDMA B8 HSUPA @21.2dBm
445
mA
LTE data transfer
(GNSS OFF)
LTE-FDD B1 @23.45dBm
807
mA
LTE-FDD B3 @23.4dBm
825
mA
LTE-FDD B5 @23.4dBm
786
mA
LTE-FDD B7 @23.86dBm
887
mA
LTE-FDD B8 @23.5dBm
675
mA
LTE-FDD B20 @23.57dBm
770
mA
GSM voice call
GSM900 PCL=5 @32.8dBm
336
mA
PCS1800 PCL=0 @29.3dBm
291
mA
WCDMA voice call
WCDMA B1 @23.69dBm
683
mA

LTE Module Series
EC21 Hardware Design
EC21_Hardware_Design 6-72 / 105
WCDMA B5 @23.61dBm
741
mA
WCDMA B8 @23.35dBm
564
mA
Table 35: EC21-A Current Consumption
Parameter
Description
Conditions
Typ.
Unit
IVBAT
OFF state
Power down
10
uA
Sleep state
AT+CFUN=0 (USB disconnected)
1.25
mA
WCDMA PF=64 (USB disconnected)
2.03
mA
WCDMA PF=128 (USB disconnected)
1.65
mA
LTE-FDD PF=64 (USB disconnected)
2.31
mA
LTE-FDD PF=128 (USB disconnected)
1.85
mA
Idle state
(GNSS OFF)
WCDMA PF=64 (USB disconnected)
23.1
mA
WCDMA PF=64 (USB connected)
32.8
mA
LTE-FDD PF=64 (USB disconnected)
22.8
mA
LTE-FDD PF=64 (USB connected)
32.8
mA
WCDMA data transfer
(GNSS OFF)
WCDMA B2 HSDPA @21.54dBm
479.0
mA
WCDMA B2 HSUPA @22.19dBm
530.0
mA
WCDMA B4 HSDPA @22.15dBm
539.0
mA
WCDMA B4 HSUPA @21.82dBm
531.0
mA
WCDMA B5 HSDPA @22.22dBm
454.0
mA
WCDMA B5 HSUPA @21.45dBm
433.0
mA
LTE data transfer
(GNSS OFF)
LTE-FDD B2 @23.11dBm
721.0
mA
LTE-FDD B4 @23.16dBm
748.0
mA
LTE-FDD B12 @23.25dBm
668.0
mA
WCDMA voice call
WCDMA B2 @22.97dBm
565.0
mA

LTE Module Series
EC21 Hardware Design
EC21_Hardware_Design 6-73 / 105
Table 36: EC21-V Current Consumption
Table 37: EC21-AUT Current Consumption
WCDMA B4 @22.91dBm
590.0
mA
WCDMA B5 @23.06dBm
493.0
mA
Parameter
Description
Conditions
Typ.
Unit
IVBAT
OFF state
Power down
10
uA
Sleep state
AT+CFUN=0 (USB disconnected)
1.07
mA
LTE-FDD PF=64 (USB disconnected)
2.85
mA
LTE-FDD PF=128 (USB disconnected)
2.26
mA
Idle state
(GNSS OFF)
LTE-FDD PF=64 (USB disconnected)
22.0
mA
LTE-FDD PF=64 (USB connected)
32.0
mA
LTE data transfer
(GNSS OFF)
LTE-FDD B4 @22.77dBm
762.0
mA
LTE-FDD B13 @23.05dBm
533.0
mA
Parameter
Description
Conditions
Typ.
Unit
IVBAT
OFF state
Power down
10
uA
Sleep state
AT+CFUN=0 (USB disconnected)
0.99
mA
WCDMA PF=64 (USB disconnected)
2.1
mA
WCDMA PF=128 (USB disconnected)
1.7
mA
LTE-FDD PF=64 (USB disconnected)
2.9
mA
LTE-FDD PF=128 (USB disconnected)
2.4
mA
Idle state
WCDMA PF=64 (USB disconnected)
22.0
mA
WCDMA PF=64 (USB connected)
32.0
mA
LTE-FDD PF=64 (USB disconnected)
23.6
mA
LTE-FDD PF=64 (USB connected)
33.6
mA

LTE Module Series
EC21 Hardware Design
EC21_Hardware_Design 6-74 / 105
Table 38: EC21-AUV Current Consumption
WCDMA data
(GNSS OFF)
WCDMA B1 HSDPA @22.59dBm
589.0
mA
WCDMA B1 HSUPA @22.29dBm
623.0
mA
WCDMA B5 HSDPA @22.22dBm
511.0
mA
WCDMA B5 HSUPA @21.64dBm
503.0
mA
LTE data
transfer
(GNSS OFF)
LTE-FDD B1 @23.38dBm
813.0
mA
LTE-FDD B3 @22.87dBm
840.0
mA
LTE-FDD B5 @23.12dBm
613.0
mA
LTE-FDD B7 @22.96dBm
761.0
mA
LTE-FDD B28 @23.31dBm
650.0
mA
WCDMA voice
call
WCDMA B1 @24.21dBm
687.0
mA
WCDMA B5 @23.18dBm
535.0
mA
Parameter
Description
Conditions
Typ.
Unit
IVBAT
OFF state
Power down
10
uA
Sleep state
AT+CFUN=0 (USB disconnected)
1.15
mA
WCDMA PF=64 (USB disconnected)
2.06
mA
WCDMA PF=128 (USB disconnected)
1.65
mA
LTE-FDD PF=64 (USB disconnected)
2.46
mA
LTE-FDD PF=128 (USB disconnected)
1.86
mA
Idle state
(GNSS OFF)
WCDMA PF=64 (USB disconnected)
22.0
mA
WCDMA PF=64 (USB connected)
32.0
mA
LTE-FDD PF=64 (USB disconnected)
23.5
mA
LTE-FDD PF=64 (USB connected)
33.5
mA
WCDMA data
transfer (GNSS
OFF)
WCDMA B1 HSDPA @22.59dBm
623.0
mA
WCDMA B1 HSUPA @22.47dBm
628.0
mA
WCDMA B5 HSDPA @22.95dBm
605.0
mA

LTE Module Series
EC21 Hardware Design
EC21_Hardware_Design 6-75 / 105
Table 39: EC21-J Current Consumption
WCDMA B5 HSUPA @22.87dBm
610.0
mA
WCDMA B8 HSDPA @22.37dBm
549.0
mA
WCDMA B8 HSUPA @22.09dBm
564.0
mA
LTE data transfer
(GNSS OFF)
LTE-FDD B1 @23.28dBm
789.0
mA
LTE-FDD B3 @23.2dBm
768.0
mA
LTE-FDD B5 @23.05dBm
669.0
mA
LTE-FDD B8 @23.21dBm
693.0
mA
LTE-FDD B28 @22.9dBm
795.0
mA
WCDMA voice call
WCDMA B1 @23.43dBm
672.0
mA
WCDMA B5 @23.32dBm
616.0
mA
WCDMA B8 @23.31dBm
592.0
mA
Parameter
Description
Conditions
Typ.
Unit
IVBAT
OFF state
Power down
10
uA
Sleep state
AT+CFUN=0 (USB disconnected)
0.85
mA
LTE-FDD PF=64 (USB disconnected)
2.20
mA
LTE-FDD PF=128 (USB disconnected)
1.46
mA
Idle state
(GNSS OFF)
LTE-FDD PF=64 (USB disconnected)
23.5
mA
LTE-FDD PF=64 (USB connected)
33.8
mA
LTE data transfer
(GNSS OFF)
LTE-FDD B1 @23.35dBm
734.0
mA
LTE-FDD B3 @22.95dBm
778.0
mA
LTE-FDD B8 @22.81dBm
722.0
mA
LTE-FDD B18 @23.15dBm
677.0
mA
LTE-FDD B19 @23.17dBm
688.0
mA
LTE-FDD B26 @23.37dBm
723.0
mA

LTE Module Series
EC21 Hardware Design
EC21_Hardware_Design 6-76 / 105
Table 40: EC21-KL Current Consumption
Table 41: GNSS Current Consumption of EC21 Series Module
6.5. RF Output Power
The following table shows the RF output power of EC21 module.
Parameter
Description
Conditions
Typ.
Unit
IVBAT
OFF state
Power down
10
uA
Sleep state
AT+CFUN=0 (USB disconnected)
1.08
mA
LTE-FDD PF=64 (USB disconnected)
2.1
mA
LTE-FDD PF=128 (USB disconnected)
1.4
mA
Idle state
(GNSS OFF)
LTE-FDD PF=64 (USB disconnected)
24.8
mA
LTE-FDD PF=64 (USB connected)
33.5
mA
LTE data transfer
(GNSS OFF)
LTE-FDD B1 @23.0dBm
771.0
mA
LTE-FDD B3 @23.36dBm
780.0
mA
LTE-FDD B5 @23.56dBm
628.0
mA
LTE-FDD B7 @23.32dBm
754.0
mA
LTE-FDD B8 @23.33dBm
680.0
mA
Parameter
Description
Conditions
Typ.
Unit
IVBAT
(GNSS)
Searching
(AT+CFUN=0)
Cold start @Passive Antenna
58
mA
Lost state @Passive Antenna
58
mA
Tracking
(AT+CFUN=0)
Instrument Environment
33
mA
Open Sky @Passive Antenna
35
mA
Open Sky @Active Antenna
43
mA

LTE Module Series
EC21 Hardware Design
EC21_Hardware_Design 6-77 / 105
Table 42: RF Output Power
Frequency
Max.
Min.
GSM850/GSM900
33dBm±2dB
5dBm±5dB
DCS1800/PCS1900
30dBm±2dB
0dBm±5dB
GSM850/GSM900 (8-PSK)
27dBm±3dB
5dBm±5dB
DCS1800/PCS1900 (8-PSK)
26dBm±3dB
0dBm±5dB
WCDMA bands
24dBm+1/-3dB
<-49dBm
LTE-FDD bands
23dBm±2dB
<-39dBm
LTE-TDD bands
23dBm±2dB
<-39dBm
In GPRS 4 slots TX mode, the maximum output power is reduced by 3.0dB. The design conforms to the
GSM specification as described in Chapter 13.16 of 3GPP TS 51.010-1.
6.6. RF Receiving Sensitivity
The following tables show the conducted RF receiving sensitivity of EC21 series module.
Table 43: EC21-E Conducted RF Receiving Sensitivity
Frequency
Primary
Diversity
SIMO1)
3GPP (SIMO)
GSM900
-109.0dBm
/
/
-102.0dBm
DCS1800
-109.0dBm
/
/
-102.0dbm
WCDMA Band 1
-110.5dBm
/
/
-106.7dBm
WCDMA Band 5
-110.5dBm
/
/
-104.7dBm
WCDMA Band 8
-110.5dBm
/
/
-103.7dBm
LTE-FDD B1 (10M)
-98.0dBm
-98.0dBm
-101.5dBm
-96.3dBm
LTE-FDD B3 (10M)
-96.5dBm
-98.5dBm
-101.5dBm
-93.3dBm
NOTE

LTE Module Series
EC21 Hardware Design
EC21_Hardware_Design 6-78 / 105
LTE-FDD B5 (10M)
-98.0dBm
-98.5dBm
-101.0dBm
-94.3dBm
LTE-FDD B7 (10M)
-97.0dBm
-94.5dBm
-99.5dBm
-94.3dBm
LTE-FDD B8 (10M)
-97.0dBm
-97.0dBm
-101.0dBm
-93.3dBm
LTE-FDD B20 (10M)
-97.5dBm
-99.0dBm
-102.5dBm
-93.3dBm
Table 44: EC21-A Conducted RF Receiving Sensitivity
Frequency
Primary
Diversity
SIMO1)
3GPP (SIMO)
WCDMA B2
-110.0dBm
/
/
-104.7dBm
WCDMA B4
-110.0dBm
/
/
-106.7dBm
WCDMA B5
-110.5dBm
/
/
-104.7dBm
LTE-FDD B2 (10M)
-98.0dBm
-98.0dBm
-101.0dBm
-94.3dBm
LTE-FDD B4 (10M)
-97.5dBm
-99.0dBm
-101.0dBm
-96.3dBm
LTE-FDD B12 (10M)
-96.5dBm
-98.0dBm
-101.0dBm
-93.3dBm
Table 45: EC21-V Conducted RF Receiving Sensitivity
Frequency
Primary
Diversity
SIMO1)
3GPP (SIMO)
LTE-FDD B4 (10M)
-97.5dBm
-99.0dBm
-101.0dBm
-96.3dBm
LTE-FDD B13 (10M)
-95.0dBm
-97.0dBm
-100.0dBm
-93.3dBm
Table 46: EC21-AUT Conducted RF Receiving Sensitivity
Frequency
Primary
Diversity
SIMO1)
3GPP (SIMO)
WCDMA B1
-110.0dBm
/
/
-106.7dBm
WCDMA B5
-110.5dBm
/
/
-104.7dBm
LTE-FDD B1 (10M)
-98.5dBm
-98.0dBm
-101.0dBm
-96.3dBm
LTE-FDD B3 (10M)
-98.0dBm
-96.0dBm
-100.0dBm
-93.3dBm

LTE Module Series
EC21 Hardware Design
EC21_Hardware_Design 6-79 / 105
LTE-FDD B5 (10M)
-98.0dBm
-99.0dBm
-102.5dBm
-94.3dBm
LTE-FDD B7 (10M)
-97.0dBm
-95.0dBm
-98.5dBm
-94.3dBm
LTE-FDD B28 (10M)
-97.0dBm
-99.0dBm
-102.0dBm
-94.8dBm
Table 47: EC21-KL Conducted RF Receiving Sensitivity
Frequency
Primary
Diversity
SIMO1)
3GPP (SIMO)
LTE-FDD B1 (10M)
-98.0dBm
-99.5dBm
-100.5dBm
-96.3dBm
LTE-FDD B3 (10M)
-97.0dBm
-97.5dBm
-99.5dBm
-93.3dBm
LTE-FDD B5 (10M)
-98.0dBm
-99.5dBm
-100.5dBm
-94.3dBm
LTE-FDD B7 (10M)
-96.0dBm
-96.0dBm
-98.5dBm
-94.3dBm
LTE-FDD B8 (10M)
-97.0dBm
-99.0dBm
-101.0dBm
-93.3dBm
Table 48: EC21-J Conducted RF Receiving Sensitivity
Table 49: EC21-AUV Conducted RF Receiving Sensitivity
Frequency
Primary
Diversity
SIMO1)
3GPP (SIMO)
LTE-FDD B1 (10M)
-97.5dBm
-98.7dBm
-100.2dBm
-96.3dBm
LTE-FDD B3 (10M)
-96.5dBm
-97.1dBm
-100.5dBm
-93.3dBm
LTE-FDD B8 (10M)
-98.4dBm
-99.0dBm
-101.2dBm
-93.3dBm
LTE-FDD B18 (10M)
-99.5dBm
-99.0dBm
-101.7dBm
-96.3dBm
LTE-FDD B19 (10M)
-99.2dBm
-99.0dBm
-101.4dBm
-96.3dBm
LTE-FDD B26 (10M)
-99.5dBm
-99.0dBm
-101.5dBm
-93.8dBm
Frequency
Primary
Diversity
SIMO1)
3GPP (SIMO)
WCDMA B1
-109.5dBm
/
/
-106.7dBm
WCDMA B5
-111.0dBm
/
/
-104.7dBm

LTE Module Series
EC21 Hardware Design
EC21_Hardware_Design 6-80 / 105
Table 50: EC21-AU Conducted RF Receiving Sensitivity
WCDMA B8
-111.0dBm
/
/
-103.7dBm
LTE-FDD B1 (10M)
-97.7dBm
-97.5dBm
-101.3dBm
-96.3dBm
LTE-FDD B3 (10M)
-98.2dBm
-98.6dBm
-102.7dBm
-93.3dBm
LTE-FDD B5 (10M)
-98.7dBm
-98.2dBm
-102.5dBm
-94.3dBm
LTE-FDD B8 (10M)
-98.2dBm
-98.2dBm
-102.3dBm
-93.3dBm
LTE-FDD B28 (10M)
-98.0dBm
-98.7dBm
-102.1dBm
-94.8dBm
Frequency
Primary
Diversity
SIMO1)
3GPP (SIMO)
GSM850
-109.0dBm
/
/
-102.0dBm
GSM900
-109.0dBm
/
/
-102.0dBm
DCS1800
-109.0dBm
/
/
-102.0dBm
PCS1900
-109.0dBm
/
/
-102.0dBm
WCDMA B1
-110.0dBm
/
/
-106.7dBm
WCDMA B2
-110.0dBm
/
/
-104.7dBm
WCDMA B5
-111.0dBm
/
/
-104.7dBm
WCDMA B8
-111.0dBm
/
/
-103.7dBm
LTE-FDD B1 (10M)
-97.2dBm
-97.5dBm
-100.2dBm
-96.3dBm
LTE-FDD B2 (10M)
-98.2dBm
/
/
-94.3dBm
LTE-FDD B3 (10M)
-98.7dBm
-98.6dBm
-102.2dBm
-93.3dBm
LTE-FDD B4 (10M)
-97.7dBm
-97.4dBm
-100.2dBm
-96.3dBm
LTE-FDD B5 (10M)
-98.0dBm
-98.2dBm
-101.0dBm
-94.3dBm
LTE-FDD B7 (10M)
-97.7dBm
-97.7dBm
-101.2dBm
-94.3dBm
LTE-FDD B8 (10M)
-99.2dBm
-98.2dBm
-102.2dBm
-93.3dBm
LTE-FDD B28 (10M)
-98.6dBm
-98.7dBm
-102.0dBm
-94.8dBm

LTE Module Series
EC21 Hardware Design
EC21_Hardware_Design 6-81 / 105
1) SIMO is a smart antenna technology that uses a single antenna at the transmitter side and two
antennas at the receiver side, which can improve RX performance.
6.7. Electrostatic Discharge
The module is not protected against electrostatic discharge (ESD) in general. Consequently, it is subject
to ESD handling precautions that typically apply to ESD sensitive components. Proper ESD handling and
packaging procedures must be applied throughout the processing, handling and operation of any
application that incorporates the module.
The following table shows the module’s electrostatic discharge characteristics.
Table 51: Electrostatic Discharge Characteristics
Tested Points
Contact Discharge
Air Discharge
Unit
VBAT, GND
±5
±10
kV
All Antenna Interfaces
±4
±8
kV
Other Interfaces
±0.5
±1
kV
6.8. Thermal Consideration
In order to achieve better performance of the module, it is recommended to comply with the following
principles for thermal consideration:
On customers’ PCB design, please keep placement of the module away from heating sources,
especially high power components such as ARM processor, audio power amplifier, power supply, etc.
Do not place components on the opposite side of the PCB area where the module is mounted, in
order to facilitate adding of heatsink when necessary.
Do not apply solder mask on the opposite side of the PCB area where the module is mounted, so as
to ensure better heat dissipation performance.
The reference ground of the area where the module is mounted should be complete, and add ground
vias as many as possible for better heat dissipation.
LTE-TDD B40 (10M)
-97.2dBm
-98.4dBm
-101.2dBm
-96.3dBm
NOTE

LTE Module Series
EC21 Hardware Design
EC21_Hardware_Design 6-82 / 105
Make sure the ground pads of the module and PCB are fully connected.
According to customers’ application demands, the heatsink can be mounted on the top of the module,
or the opposite side of the PCB area where the module is mounted, or both of them.
The heatsink should be designed with as many fins as possible to increase heat dissipation area.
Meanwhile, a thermal pad with high thermal conductivity should be used between the heatsink and
module/PCB.
The following shows two kinds of heatsink designs for reference and customers can choose one or both
of them according to their application structure.
Figure 41: Referenced Heatsink Design (Heatsink at the Top of the Module)
Figure 42: Referenced Heatsink Design (Heatsink at the Bottom of Customers’ PCB)

LTE Module Series
EC21 Hardware Design
EC21_Hardware_Design 6-83 / 105
The module offers the best performance when the internal BB chip stays below 105°C. When the
maximum temperature of the BB chip reaches or exceeds 105°C, the module works normal but provides
reduced performance (such as RF output power, data rate, etc.). When the maximum BB chip
temperature reaches or exceeds 115°C, the module will disconnect from the network, and it will recover to
network connected state after the maximum temperature falls below 115°C. Therefore, the thermal design
should be maximally optimized to make sure the maximum BB chip temperature always maintains below
105°C. Customers can execute AT+QTEMP command and get the maximum BB chip temperature from
the first returned value.
NOTE

LTE Module Series
EC21 Hardware Design
EC21_Hardware_Design 7-84 / 105
7Mechanical Dimensions
This chapter describes the mechanical dimensions of the module. All dimensions are measured in mm.
The tolerances for dimensions without tolerance values are ±0.05mm.
7.1. Mechanical Dimensions of the Module
32.0±0.15
29.0±0.15
0.8
2.4±0.2
Figure 43: Module Top and Side Dimensions

LTE Module Series
EC21 Hardware Design
EC21_Hardware_Design 7-85 / 105
Figure 44: Module Bottom Dimensions (Bottom View)

LTE Module Series
EC21 Hardware Design
EC21_Hardware_Design 7-86 / 105
7.2. Recommended Footprint
Figure 45: Recommended Footprint (Top View)
1. The keep out area should not be designed.
2. For easy maintenance of the module, please keep about 3mm between the module and other
components in the host PCB.
NOTES

LTE Module Series
EC21 Hardware Design
EC21_Hardware_Design 7-87 / 105
7.3. Design Effect Drawings of the Module
Figure 46: Top View of the Module
Figure 47: Bottom View of the Module
These are design effect drawings of EC21 module. For more accurate pictures, please refer to the
module that you get from Quectel.
NOTE

LTE Module Series
EC21 Hardware Design
EC21_Hardware_Design 8-88 / 105
8Storage, Manufacturing and
Packaging
8.1. Storage
EC21 is stored in a vacuum-sealed bag. The storage restrictions are shown as below.
1. Shelf life in the vacuum-sealed bag: 12 months at <40ºC/90%RH.
2. After the vacuum-sealed bag is opened, devices that will be subjected to reflow soldering or other
high temperature processes must be:
Mounted within 168 hours at the factory environment of ≤30ºC/60%RH
Stored at <10%RH
3. Devices require baking before mounting, if any circumstances below occurs:
When the ambient temperature is 23ºC±5ºC and the humidity indicator card shows the humidity
is >10% before opening the vacuum-sealed bag.
Device mounting cannot be finished within 168 hours at factory conditions of ≤30ºC/60%RH.
4. If baking is required, devices may be baked for 8 hours at 120ºC±5ºC.
As the plastic package cannot be subjected to high temperature, it should be removed from devices
before high temperature (120ºC) baking. If shorter baking time is desired, please refer to
IPC/JEDECJ-STD-033 for baking procedure.
NOTE

LTE Module Series
EC21 Hardware Design
EC21_Hardware_Design 8-89 / 105
8.2. Manufacturing and Soldering
Push the squeegee to apply the solder paste on the surface of stencil, thus making the paste fill the
stencil openings and then penetrate to the PCB. The force on the squeegee should be adjusted properly
so as to produce a clean stencil surface on a single pass. To ensure the module soldering quality, the
thickness of stencil for the module is recommended to be 0.20mm. For more details, please refer to
document [4].
It is suggested that the peak reflow temperature is 235ºC~245ºC (for SnAg3.0Cu0.5 alloy). The absolute
maximum reflow temperature is 260ºC. To avoid damage to the module caused by repeated heating, it is
suggested that the module should be mounted after reflow soldering for the other side of PCB has been
completed. Recommended reflow soldering thermal profile is shown below:
Figure 48: Reflow Soldering Thermal Profile
During manufacturing and soldering, or any other processes that may contact the module directly, NEVER
wipe the module label with organic solvents, such as acetone, ethyl alcohol, isopropyl alcohol,
trichloroethylene, etc.
NOTE

LTE Module Series
EC21 Hardware Design
EC21_Hardware_Design 8-90 / 105
8.3. Packaging
EC21 is packaged in tape and reel carriers. One reel is 11.88m long and contains 250pcs modules. The
figure below shows the packaging details, measured in mm.
30.3± 0.15
29.3± 0.15
30.3± 0.15
32.5± 0.15
33.5± 0.15
0.35± 0.05
4.2± 0.15
3.1± 0.15
32.5± 0.15
33.5± 0.15
4.00± 0.1
2.00± 0.1
1.75± 0.1
20.20± 0.15
44.00± 0.3
44.00± 0.1
1.50±0.1
Direction of feed
Cover tape
13
100
44.5+0.20
-0.00
48.5
Figure 49: Tape and Reel Specifications

LTE Module Series
EC21 Hardware Design
EC21_Hardware_Design 9-91 / 105
9Appendix A References
Table 52: Related Documents
SN
Document Name
Remark
[1]
Quectel_EC2x&EG9x&EM05_Power_Management_
Application_Note
Power management application notefor
EC25, EC21, EC20 R2.0, EC20 R2.1,
EG95, EG91 and EM05 modules
[2]
Quectel_EC25&EC21_AT_Commands_Manual
EC25 and EC21 AT commands manual
[3]
Quectel_EC25&EC21_GNSS_AT_Commands_Manual
EC25 and EC21 GNSS AT commands
manual
[4]
Quectel_Module_Secondary_SMT_User_Guide
Module secondary SMT user guide
[5]
Quectel_EC21_Reference_Design
EC21 reference design
[6]
Quectel_RF_Layout_Application_Note
RF layout application note
Table 53: Terms and Abbreviations
Abbreviation
Description
AMR
Adaptive Multi-rate
bps
Bits Per Second
CHAP
Challenge Handshake Authentication Protocol
CS
Coding Scheme
CSD
Circuit Switched Data
CTS
Clear To Send
DC-HSPA+
Dual-carrier High Speed Packet Access
DFOTA
Delta Firmware Upgrade Over The Air
DL
Downlink

LTE Module Series
EC21 Hardware Design
EC21_Hardware_Design 9-92 / 105
DTR
Data Terminal Ready
DTX
Discontinuous Transmission
EFR
Enhanced Full Rate
ESD
Electrostatic Discharge
FDD
Frequency Division Duplex
FR
Full Rate
GLONASS
GLObalnaya NAvigatsionnaya Sputnikovaya Sistema, the Russian Global
Navigation Satellite System
GMSK
Gaussian Minimum Shift Keying
GNSS
Global Navigation Satellite System
GPS
Global Positioning System
GSM
Global System for Mobile Communications
HR
Half Rate
HSPA
High Speed Packet Access
HSDPA
High Speed Downlink Packet Access
HSUPA
High Speed Uplink Packet Access
I/O
Input/Output
Inorm
Normal Current
LED
Light Emitting Diode
LNA
Low Noise Amplifier
LTE
Long Term Evolution
MIMO
Multiple Input Multiple Output
MO
Mobile Originated
MS
Mobile Station (GSM engine)
MT
Mobile Terminated
PAP
Password Authentication Protocol

LTE Module Series
EC21 Hardware Design
EC21_Hardware_Design 9-93 / 105
PCB
Printed Circuit Board
PDU
Protocol Data Unit
PPP
Point-to-Point Protocol
QAM
Quadrature Amplitude Modulation
QPSK
Quadrature Phase Shift Keying
RF
Radio Frequency
RHCP
Right Hand Circularly Polarized
Rx
Receive
SGMII
Serial Gigabit Media Independent Interface
SIM
Subscriber Identification Module
SIMO
Single Input Multiple Output
SMS
Short Message Service
TDD
Time Division Duplexing
TDMA
Time Division Multiple Access
TD-SCDMA
Time Division-Synchronous Code Division Multiple Access
TX
Transmitting Direction
UL
Uplink
UMTS
Universal Mobile Telecommunications System
URC
Unsolicited Result Code
USIM
Universal Subscriber Identity Module
Vmax
Maximum Voltage Value
Vnorm
Normal Voltage Value
Vmin
Minimum Voltage Value
VIHmax
Maximum Input High Level Voltage Value
VIHmin
Minimum Input High Level Voltage Value

LTE Module Series
EC21 Hardware Design
EC21_Hardware_Design 9-94 / 105
VILmax
Maximum Input Low Level Voltage Value
VILmin
Minimum Input Low Level Voltage Value
VImax
Absolute Maximum Input Voltage Value
VImin
Absolute Minimum Input Voltage Value
VOHmax
Maximum Output High Level Voltage Value
VOHmin
Minimum Output High Level Voltage Value
VOLmax
Maximum Output Low Level Voltage Value
VOLmin
Minimum Output Low Level Voltage Value
VSWR
Voltage Standing Wave Ratio
WCDMA
Wideband Code Division Multiple Access

LTE Module Series
EC21 Hardware Design
EC21_Hardware_Design 10-95 / 105
10 Appendix B GPRS Coding Schemes
Table 54: Description of Different Coding Schemes
Scheme
CS-1
CS-2
CS-3
CS-4
Code Rate
1/2
2/3
3/4
1
USF
3
3
3
3
Pre-coded USF
3
6
6
12
Radio Block excl. USF and BCS
181
268
312
428
BCS
40
16
16
16
Tail
4
4
4
-
Coded Bits
456
588
676
456
Punctured Bits
0
132
220
-
Data Rate Kb/s
9.05
13.4
15.6
21.4

LTE Module Series
EC21 Hardware Design
EC21_Hardware_Design 11-96 / 105
11 Appendix C GPRS Multi-slot Classes
Twenty-nine classes of GPRS multi-slot modes are defined for MS in GPRS specification. Multi-slot
classes are product dependent, and determine the maximum achievable data rates in both the uplink and
downlink directions. Written as 3+1 or 2+2, the first number indicates the amount of downlink timeslots,
while the second number indicates the amount of uplink timeslots. The active slots determine the total
number of slots the GPRS device can use simultaneously for both uplink and downlink communications.
The description of different multi-slot classes is shown in the following table.
Table 55: GPRS Multi-slot Classes
Multislot Class
Downlink Slots
Uplink Slots
Active Slots
1
1
1
2
2
2
1
3
3
2
2
3
4
3
1
4
5
2
2
4
6
3
2
4
7
3
3
4
8
4
1
5
9
3
2
5
10
4
2
5
11
4
3
5
12
4
4
5
13
3
3
NA
14
4
4
NA

LTE Module Series
EC21 Hardware Design
EC21_Hardware_Design 11-97 / 105
15
5
5
NA
16
6
6
NA
17
7
7
NA
18
8
8
NA
19
6
2
NA
20
6
3
NA
21
6
4
NA
22
6
4
NA
23
6
6
NA
24
8
2
NA
25
8
3
NA
26
8
4
NA
27
8
4
NA
28
8
6
NA
29
8
8
NA
30
5
1
6
31
5
2
6
32
5
3
6
33
5
4
6

LTE Module Sires
EC21 Hardware Design
EC21_Hardware_Design 12-98 / 105
12 Appendix D EDGE Modulation and
Coding Schemes
Table 56: EDGE Modulation and Coding Schemes
Coding Scheme
Modulation
Coding Family
1 Timeslot
2 Timeslot
4 Timeslot
CS-1:
GMSK
/
9.05kbps
18.1kbps
36.2kbps
CS-2:
GMSK
/
13.4kbps
26.8kbps
53.6kbps
CS-3:
GMSK
/
15.6kbps
31.2kbps
62.4kbps
CS-4:
GMSK
/
21.4kbps
42.8kbps
85.6kbps
MCS-1
GMSK
C
8.80kbps
17.60kbps
35.20kbps
MCS-2
GMSK
B
11.2kbps
22.4kbps
44.8kbps
MCS-3
GMSK
A
14.8kbps
29.6kbps
59.2kbps
MCS-4
GMSK
C
17.6kbps
35.2kbps
70.4kbps
MCS-5
8-PSK
B
22.4kbps
44.8kbps
89.6kbps
MCS-6
8-PSK
A
29.6kbps
59.2kbps
118.4kbps
MCS-7
8-PSK
B
44.8kbps
89.6kbps
179.2kbps
MCS-8
8-PSK
A
54.4kbps
108.8kbps
217.6kbps
MCS-9
8-PSK
A
59.2kbps
118.4kbps
236.8kbps
FCC Certification Requirements.
According to the definition of mobile and fixed device is described in Part 2.1091(b), this
device is a mobile device.
And the following conditions must be met:
1. This Modular Approval is limited to OEM installation for mobile and fixed applications
only. The antenna installation and operating configurations of this transmitter, including
any applicable source-based time- averaging duty factor, antenna gain and cable loss
must satisfy MPE categorical Exclusion Requirements of 2.1091.
2. The EUT is a mobile device; maintain at least a 20 cm separation between the EUT and
the user’s body and must not transmit simultaneously with any other antenna or
transmitter.
3.A label with the following statements must be attached to the host end product: This
device contains FCC ID: XMR201606EC21A.
4.To comply with FCC regulations limiting both maximum RF output power and human
exposure to RF radiation, maximum antenna gain (including cable loss) must not
exceed:
❒GSM/850/GSM1900/ WCDMA B2/B5/LTE B2/B4/B5/B7: <4dBi
5. This module must not transmit simultaneously with any other antenna or
transmitter
6. The host end product must include a user manual that clearly defines operating
requirements and conditions that must be observed to ensure compliance with current
FCC RF exposure guidelines.
For portable devices, in addition to the conditions 3 through 6 described above, a
separate approval is required to satisfy the SAR requirements of FCC Part 2.1093
If the device is used for other equipment that separate approval is required for all other
operating configurations, including portable configurations with respect to 2.1093 and
different antenna configurations.
For this device, OEM integrators must be provided with labeling instructions of finished
products. Please refer to KDB784748 D01 v07, section 8. Page 6/7 last two
paragraphs:
A certified modular has the option to use a permanently affixed label, or an electronic
label. For a permanently affixed label, the module must be labelled withan FCC ID -
Section 2.926 (see 2.2 Certification (labelling requirements) above). The OEM manual
must provide clear instructions explaining to the OEM the labelling
requirements,options and OEM user manual instructions that are required (see next
paragraph).
For a host using a certified modular with a standard fixed label, if (1) the module’s FCC
ID is notvisible when installed in the host, or (2) if the host is marketed so that end users
do not havestraightforward commonly used methods for access to remove the module
so that the FCC ID ofthe module is visible; then an additional permanent label referring
to the enclosed module:“Contains Transmitter Module FCC ID:XMR201606EC21A” or
“Contains FCC ID: XMR201606EC21A” mustbe used. The host OEM user manual must
also contain clear instructions on how end users can find and/or access the module and
the FCC ID.
The final host / module combination may also need to be evaluated against the FCC
Part 15B criteria for unintentional radiators in order to be properly authorized for
operation as a Part 15 digital device.
The user’s manual or instruction manual for an intentional or unintentional radiator shall
caution the user that changes or modifications not expressly approved by the party
responsible for compliance could void the user's authority to operate the equipment. In
cases where the manual is provided only in a form other than paper, such as on a
computer disk or over the Internet, the information required by this section may be
included in the manual in that alternative form, provided the user can reasonably be
expected to have the capability to access information in that form.
This device complies with part 15 of the FCC Rules. Operation is subject to the
following two conditions: (1) This device may not cause harmful interference, and (2)
this device must accept any interference received, including interference that may
cause undesired operation.
Changes or modifications not expressly approved by the manufacturer could void the
user’s authority to operate the equipment.
To ensure compliance with all non-transmitter functions the host manufacturer is
responsible for ensuring compliance with the module(s) installed and fully operational. For
example, if a host was previously authorized as an unintentional radiator under the
Declaration of Conformity procedure without a transmitter certified module and a module
is added, the host manufacturer is responsible for ensuring that the after the module is
installed and operational the host continues to be compliant with the Part 15B
unintentional radiator requirements.

