User Manual

1
WiMAX-23
RSN-WiMAX-23 L/H
User’s Manual
Please read this manual before operating this product.
After you finish reading this manual, store it in a safe place for future reference.

User’s Manual
Proprietary & Confidential Page 2
Issue: 1.0
Warning !
Any changes or modifications to the equipment not expressly approved by the party
responsible for compliance could void user’s authority to operate the equipment.
Note !
This unit was tested with shielded cables on the peripheral devices.
Shielded cables must be used with the unit to insure compliance.
Important !
To comply with RF exposure requirement, the antenna must be installed to provide a
separation distance of at least 20 cm from all persons and must not be co-located or
operating in conjunction with any other antenna or transmitter.
CAUTION
This equipment is indoor use and all the communication
2
Notice
Trademark
R-tron is a registered trademark of R-tron Inc.
Other products and company names mentioned here in this manual might be trademarks or trade
names of their respective owners.
Copyright
Copyright R-tron Inc. 2000-2009
All Rights Reserved
Any reproduction, distribution, or revisions of any or all portions of this manual is prohibited
without written permission from R-tron Inc.
Notice
This document describes the specifications, installation, and operation of the WiMAX repeater.
Hardware and software mentioned in this document are subject to continuous development and
improvement. Consequently, there may be minor discrepancies between the information in the
document, performance, and design of the product.
Specifications, dimensions, and other statements mentioned in this document are subject to
change without notice.
Questions or Comments
Address: R-tron Inc. 6402 College Boulevard, Overland Park, KS 66211
Phone: +1-913-344-9977, 1-888-31R-TRON
Fax: +1-913-344-9988
e-mail: info@r-tronamerica.com
Website: www.rtronamerica.com

3
Safety Precautions
Opening the WiMAX equipment could result in electric shock and may cause severe injury.
Connect the equipment frame ground to the building ground.
Operating the WiMAX with antennas in very close proximity facing each other can lead to severe
damage to the repeater.
RF EXPOSURE INFORMATION
A minimum separation distance of 7.9 inches (20cm) must be maintained between the user and
the external antenna of the repeater to satisfy FCC RF exposure requirements. For more
information about RF exposure, please visit the FCC website at www.fcc.gov
This equipment is for indoor use only and enables the communication wiring to communicate
inside the building.
4
Contents
Glossary .......................................................................................................................................... 5
1. Introduction .............................................................................................................................. 6
2. Description. ............................................................................................................................... 7
2.1. Main Unit Overview...…………………………………………………………….………………………………….………………..7
2.2. Internal Configuration………………………………………………………….…………………………………………………….8
2.2.1. Block diagram……………………………………………………………….….…………………………………………………..9
2.2.2. AC-DC Adaptor…………………………………………………………………………………………………………………..10
2.2.3. MCU (Main Control Unit')……………………………………………………………….…………………………………11
3. Hardware Installation............................................................................................................12
3.1. Check List of Items…………………………………………………………………………………………………………………..12
3.2. Mounting………………………………………………………………………………………………………………………………….13
3.3. Grounding…..…………………………………………………………………………………………………………………………….15
3.4. Cable Connection……………………………………………………………………………………………………………………..16
3.5. Power On…………………………………………………………………………………………………………………………………..16
4. Operation.................................................................................................................................18
4.1. System Requirements………………………………………………………………………………………………………………18
4.2. Network Setup…………………………………………………………………………………………………………………………18
4.2.1. Windows XP……………………………………………………………………………………………………………………….18
4.2.2. Windows 2000…………………………………………………………………………………………………………………..20
4.2.3. Windows Vista…………………………………………………………………………………………………………………..22
4.3. System Log in………………………………………………………………………………………………………………………….26
4.4. System Setup..…………………………………………………………………………………………………………………………26
5. Troubleshooting…………………………………………………………………………………………..35
6. Specifications……………………………………………………………………………………………….40
7. Appendix…….……………………………………………………………………………………………….41

5
Glossary
The following is a list of abbreviations and terms used in this manual.
Abbreviation Definition
AC Alternating Current
ANT Antenna
ATT Attenuator / Attenuation
WiMAX Worldwide Interoperability for Microwave Access
DC Direct Current
DL Downlink
GND Grounding
GUI Graphic User Interface
LED Light Emitting Diode
PLL Phase-locked loop
PSU Power Supply Unit
RF Radio Frequency
RSSI Received Signal Strength Indication
TEMP Temperature
TTG/RTG Transmit/Receive and Receive/Transmit Transition Gaps
UL Uplink
VSWR Voltage Standing Wave Ratio
ALC (Automatic Level Control)
ALC feature prevents the repeater from exceeding its maximum output power by reducing the gain
automatically. ALC is used to adjust the gain to an appropriate level for a range of input signal levels.
ASD (Automatic Shutdown)
Automatic shut down protects the repeater from the oscillation or excessive input signal and
eliminates any degradation to the network.
There are three parameters: ASD Level, ASD Time, and ASD Iteration.
If the output power gets higher than “ASD LEVEL”, the repeater will shut down for “ASD TIME”
seconds and then it will turn the amp back on to measure the output power again. If this repeats at
“Iteration” times, the repeater will shut down completely.

6
1. Introduction
WiMAX repeaters are used to fill out areas in the WiMAX mobile systems, such as base station fringe areas,
business and industrial buildings, etc.
WiMAX repeaters receive signals from a base station, amplify and retransmit the signals to the mobile
stations. It also receives, amplifies and retransmits signals in the opposite direction. Both directions are
served simultaneously with the following features
A. RSN-WiMAX-23
◆ Band Select
>> designated low and high segment Bandwidth [Low: AB, BC, CD / High: EF, FH, HG]
◆ Easy and Quick Installation
>> Web-based GUI
>> Plug and Play – DHCP Server @ Local Port an DHCP Client
>> Easy Setup(Automatic)
>> Real Time Isolation Detection
◆ Auto Level Control & Auto Shut Down
- This repeater allows the Web Server and Web GUI to communicate with a PC, except for the function of
reporting through the radio network. There is only one physical RJ-45 port:
• The local port provides an on-site access to the repeater.
- DHCP server at the local port enables Plug and Play by automatically assigning the IP address to the user’s
computer
- Parameter setup is only a Power ON away
• Main features of Easy Setup is to set up the output power level along the each time segment of DL/UL
path gain after receiving a sync signal from an input signal. Until it is synchronized, it does not progress to
the next step where it will measure the isolation and limit the maximum gain accordingly. This will also
enable Auto Level Control as well as Auto Shut Down. These two features are strongly recommended to
prevent uncontrolled power output, which could have an adverse impact on the RF network and the repeater.
For example, ALC will automatically apply attenuation when the input signal strength is increased due to the
new base station deployment near the repeater site

7
2. Description
2.1 Main Unit Overview
1. Ground Contact: Connects the repeater frame ground to the building ground.
2. DC In: DC power Jack.
3. Server Antenna Port: Connects the server antenna
4. Donor Antenna Port: Connects the donor antenna.
5. Alarm LED: When the On-site Alarm occurs, the LED turns on. When it operates normally, the
green LED turns on.
6. UL Gain Ctrl: To control only the UL Path gain through a simple switch combination.
7. Power On/Off S/W: Inputting Power On/Off.
8. Local Access Port: To monitor & control through the UTP LAN Cable and PC, and connect to
the WEB GUI.
9. DC Input Jack: External AC-DC Adaptor Input Port.

8
2.2 Internal Configuration
MCU
Sync Detec
1. MCU (Main Control Unit)
2. Sync Detec

9
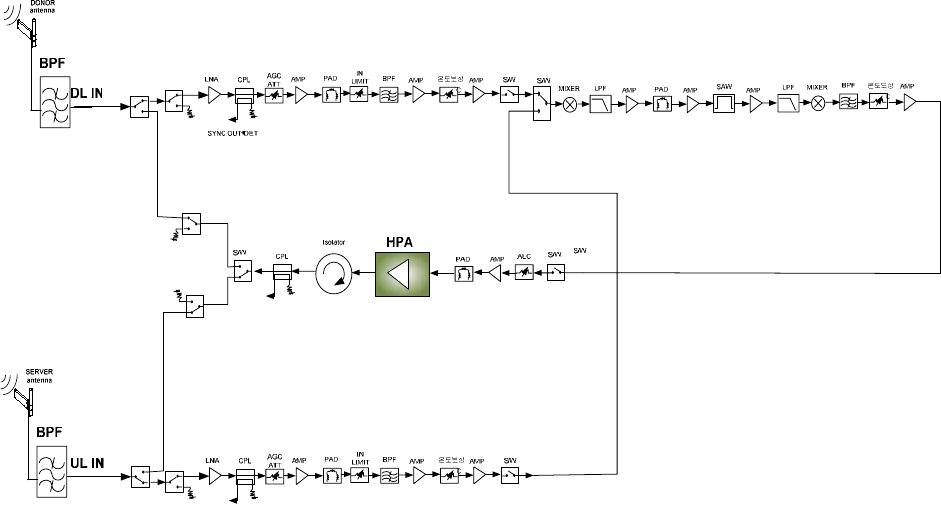
2.2.1 Block Diagram
The following diagram explains how the WiMAX repeater amplifies the signal.

10
2.2.2 AC-DC Adaptor
The AC-DC adaptor supplies a steady DC power to the WiMAX equipment by drawing power from the
general in-wall AC outlets.
Specification
Item Specification
Operating Temp -0˚C~40˚C (32˚F~104˚F)
Humidity 20%~90%RH
Environmental
Cooling method Convection.
Voltage AC110~240V
Current +12V/6.67A
Frequency 40~63Hz typical
Input Current 0.25mA max.@ 254Vzc/50Hz

11
2.2.3 MCU (Main Control Unit)
The MCU (Main Control Unit) is the control unit of the WiMAX repeater. It controls and monitors
operational parameters. It is also responsible for generating alarms, keeping event logs and
performing many other functions.
CON 5
CON 11
Pin Map
Port Connected to
CON 11 RFU Control 1
CON 12 RFU Control 2
CON 5 Ethernet

12
3. Hardware Installation
The installation procedure is as follows:
• Check List of Items
• Mounting
• Grounding
• RF Cable Connection
• Power On
3.1 Check List of Items
Index Items Quantity
1 Repeater 1
2 AC-DC Adaptor 1
3 UTP Cross LAN Cable 1
4 AC Cord 1
5 Anchor Bolts 4
6 CD of the User’s Manual 1
7 Quick Guide 1
Item Figure
AC Cord
Repeater AC- DC Adaptor UTP Cross LAN Cable
Anchor Bolts CD of the
User s Manual Quick Guide

13
3.2 Mounting
WiMAX repeaters are easy to mount using the assembled mounting bracket, which has 4 holes
for the provided 5/16” fixing screws.
Step 1: Drill holes directly through the template.
Step 2: Install the set anchor bolts or the plastic anchor bolts on the holes.
Step 3: Attach the mounting bracket to the wall using provided bolts or extra screws.

14
Step 4: Lean the WiMAX to hang the topside of the Guide Ring on the mounting bracket,
and push toward the wall to mount.
Step 5: Fix the WiMAX using the 6 screws provided.

15
3.3 Grounding
A rod on the left side is intended for a building ground. Connect the ground cable to the rod.

16
3.4 RF Cable Connection
Step 1: Connect a cable from a donor antenna to the Donor Antenna Port.
Step 2: Connect a cable from a repeater’s service antenna to the Server Antenna Port.
3.5 Power On
Step 1: Connect the power cord.
Step 2: Plug the power cord into a wall outlet.
Step 3: Turn on the power switch.
This repeater follows the below set-up algorithm automatically right after the power is ON

17
WiMAX has a function where the gain can be set to a MAX value of -15dB by using an external
switch combination. Refer to the following diagram in regards to the switch combination.
Switch Combination
1 2 3 4
0dB
-1dB
-2dB
-3dB
-4dB
-5dB
-6dB
-7dB
-8dB
-9dB
-10dB
-11dB
-12dB
-13dB
-14dB
Attenuation Value
-15dB

18
4. Operation
4.1 System Requirements
WiMAX operates on a customer provided PC based platform with the following system
requirements:
• Windows® 2000, Windows® XP or Windows® Vista
• Internet Explorer 6.0(Recommended) or higher
• 128 MB RAM or higher
• Pentium Ⅲ processor or higher
• RJ-45 jack required
4.2 Network Setup
4.2.1 Windows XP
Step 1: Click the Start button and My Network Places.
Step 2: Click View network connections.

19
Step 3: Right-click on the Local Area Connection and select Properties to view the shortcut
menu.
Step 4: Select Internet Protocol (TCP/IP) and click Properties.
Step 5: Check Obtain an IP address automatically and click OK.
Step 6: Close all widows.

20
4.2.2 Windows 2000
Step 1: Click the Start button, point to Settings, and then click Network and Dial-up
Connections.
Step 2: Right-click Local Area Connection to see a shortcut menu and click Properties.

21
Step 3: Select Internet Protocol (TCP/IP) and click Properties.
Step 4: Check Obtain an IP address automatically and click OK.
Step 5: Close all windows.
4.2.3 Windows Vista

22
Step 1: Click the Start button and Control Panel.
Step 2: Click Network and Internet.
Step 3: Click Network and Sharing Center.

23
Step 4: Click View status of Local Area Connection.
Step 5: Click Properties and a caution pop-up window will appear. Click OK.

24
Step 6: Select Internet Protocol Version 4 (TCP/IPv4) and click Properties.
Step 7: Check Obtain an IP address automatically and click OK.

25
Step 8: Close all windows.

26
4.3 System Login
Open your Web browser and type “192.168.0.1” into the URL address box.
Then press the Enter key.
4.4 System Setup
4.4.1 Clock
The clock automatically sets up to the PC’s time setting when you click APPLY.
4.4.2 Auto Refresh
This sentence makes no sense. You should change it to: “When you click on the Auto Refresh
button, the Web GUI screen automatically updates itself every 5 seconds.”
4.4.3 Control
WiMAX-23 does not need to Log-In. The user can control the repeater directly through the WEB
GUI connection.

27
Solution 1. Easy setup [Recommended]
Step 1 Select the operating Band and click APPLY.
Step 2 Easy Setup
Easy Setup proceeds to:
∙ Data initial execution
∙ Sync signal acquisition
∙ HPA ON
∙ ALC gain set
∙ ASD ON
∙ ALC ON to obtain Maximum DL Output Power 23dBm[Default] or Maximum Gain 80dB.
∙ Real time isolation check
Click Automatic Easy Setup.
Easy Setup feature detects Sync signals from the input RF signal.
If the Easy Setup processor does not receive a sync signal, it does not progress any further and
performs the sync signal acquisition step.

28
Step3 Click OK
Step 4 Setup will automatically begin. This process takes approximately 1 minute.
Result 1 Constant Maximum DL Output Power 23dBm
If the DL Input Power >= -57dBm

29
Result 2 Maximum Gain 95dB if the DL Input Power < -57dBm
∙ Automatic Level Control: Type under 23 and then click APPLY and ON.
This is an example case for a repeater with 23dBm maximum output power, 80dB
maximum gain/35dB gain control range,
Æ If the signal -47dBm and the ALC is set as 23dBm, the gain will be 70dB to adjust to the
output power.
If the input signal is -60dBm, the output power will be 20dBm by the limitation of the
maximum gain even though the ALC is set as 23dBm

30
∙ Automatic Shutdown: Type the desired value for dBm, seconds, and times
and then Click APPLY and ON.
[Example]
A repeater with 23dBm Maximum Output Power, 80dB Maximum Gain/35dB gain control
range, assuming ASD Level: 25dBm, ASD Time, ASD Count are already fixed at
3seconds, 10times.
If the composite output power is 25dBm(ASD Level) and higher, the repeater will
shutdown for 3seconds(ASD Time). If the shutdown occurs 10times(ASD Count),
the 11th shutdown will be permanent.
The repeater automatically runs Easy Setup. After that, it is activated with the
re-calculated antenna isolation value.

31
Solution 2. DL Output Power < Max. 23dBm
Step 1A Repeat Step 1 through Step 4
Step 2A Change the level at Automatic Level Control and then APPLY
Result Constant output power set as the ALC Level

32
Solution 3. Manual Gain Setting Gain [Not Recommended]
Step 1B Repeat Setps1 through 4
Step 2B Read the DL Input Power and the gain controlled by the Easy Setup.
Step 3B Turn off HPA
Step 4B ALC must be turned off

33
Step 5B Change the DL gain and the UL gain
Step 6B Turn on HPA
Result DL and UL gain are fixed and the output power depends on the input power.

34
Alarms
<Alarm Status> <Alarm Range>
∙ Alarm : If an alarm occurs, the alarm LED on the repeater will turn on. Please refer to
the troubleshooting section of this manual.
∙ No Change in values on the alarm range is recommended.

35
5. Troubleshooting
Before contacting your service dealer, please make sure you refer to the following guide. If the
WiMAX repeater does not work normally after completing the following troubleshooting, please
contact your local dealer or R-tron America’s Tech support line (888-31R-TRON).
The alarm information is displayed by the LED lights on the repeater.
Problem Cause Solution
No LED on Check the power cord for secure connection.
Alarm LED On In/output power alarm
occur and lost a sync
signal
Over input, Over Output, out of sync;
In case of these 3, the alarm LED is on,
If the alarm is by over input or over output, the
ASD algorithm is applied. If the RF environment
is normal, the LED is automatically turned OFF.
For Out of sync, it searches the sync for up to 1
hour when the synch is lost. After that, HPF is
turned OFF. If it still searching for the sync. At
this moment, the status of TDD S/W maintains
DL. If the sync is obtained again, HPA is back
ON and the ALARM LED is turned OFF.
Alarm LED
flickering
Occurs at the lowest
limit of output
When the alarm occurs by low input and not by
the isolation ATT, it is flashing. When the output
power comes back to normal, the LED is turned
OFF. When the WiMAX’s selected band is
different from the actual service band, service is
impossible.

36
Problem Cause Solution
Cannot
communicate with
the repeater.
1. Click My Network places Æ View network
connections. Right-click on the Wireless
Network Connection and then click Disable.

37
Problem Cause Solution
2. Right-click on the Local Area Connection and
then click Disable. After clicking Disable, click
Enable again.
3. Double click the Local Area Connection and
then click Support tap Æ Repair.

38
Problem Cause solution
4. Open the Internet Browser and then select
Tools Æ Internet Options.
Click Delete Files button in the Temporary
Internet files section.

39
Problem Cause Solution
5. Click Start and select Run.
Type “ping 192.168.0.1-t” and click OK.

40
6. Specifications
RF Characteristics
Electrical Specifications
Specifications
Parameter RX(Up-Link) TX(Down-Link) Remark
Frequency Range 2502 ~ 2690MHz 188M B.W
Output Power / total +23 dBm
Gain 80 dB
Gain Control Range(Input ALC) 35 dB / 1dB step
Gain Control Range 30 dB / 1dB step
Input Limit ALC(H/W ALC) 10 dB / 1dB step
Max/Middle. Gain ≤ 5.0 dB ≤ 5.0 dB
Noise Figure Min. Gain ≤ 12.0 dB ≤ 12.0 dB
Gain Ripple ≤ 3 dB Peak-to-Peak
Fc ±16.5MHz ≤ -13 dBm RBW :100kHz
Fc ±18.5MHz ≤ -13 dBm RBW: 1MHz
Fc ±20MHz ≤ -37 dBm RBW: 1MHz
ACP
Fc ±23MHz ≤ -37 dBm RBW: 1MHz
1850 ~ 1995 MHz Below the noise floor
806-826MHz and 851-869MHz Below the noise floor
Spurious emission
896-901MHz and 935-940MHz Below the noise floor
Contiguous Capability Fixed 30MHz only
EVM 5%
Frequency error 0.05ppm
Propagation Delay < 5 us
Return Loss / VSWR > 14dB / < 1.5
RF Connector Type-N Female
Impedance 50Ω
Electrical & Environmental Specification
Environment Specifications
Parameter Specifications Remark
Cooling Convection
Operating Temperature -10 ~ +50 ℃
Relative Humidity 5 ~ 95%

41
Mechanical Specification
Mechanical Specifications
Parameter Specifications Remark
Dimensions (WxHxD) 210 x 290 x 74 mm
8.27 x 11.4 x 2.9 inch
Weight 5Kg(11lbs)
7. Appendix
WiMAX Band Frequency chart
* AB/BC/CD/EF/FH/HG Band
BRS Band Frequency Range
Band A 2502 ~ 2518.5 MHz
Band B 2518.5 ~ 2535 MHz
Band C 2535 ~ 2551.5 MHz
Band D 2551.5 ~ 2568 MHz
Band E 2624 ~ 2640.5 MHz
Band F 2640.5 ~ 2657 MHz
Band G 2657 ~ 2673.5 MHz
Band H 2673.5 ~ 2690 MHz
42
Warranty
LIMITED WARRANTY
This product, as supplied and distributed by R-tron, in the original carton, is warranted by R-tron
against manufacturing defects in materials and workmanship for a limited warranty period of:
Five (5) Year Parts and Labor
This limited warranty begins on the original date of purchase, and is valid only on products
purchased and used in the United States. R-tron will repair or replace this product, at our option
and at no charge as stipulated herein, with new or reconditioned parts or products if found to be
defective during the limited warranty period specified above. All replaced parts and products
become the property of R-tron and must be returned to R-tron. Replacement parts and products
assume the remaining original warranty.
This limited warranty covers manufacturing defects in materials and workmanship encountered in
normal, and except to the extent otherwise expressly provided for in this statement, use of this
product, and shall not apply to the following, including, but not limited to: damage which occurs
in installation; applications and uses for which this product was not intended; altered product or
serial numbers; cosmetic damage or exterior finish; accidents, abuse, neglect, fire, water, lightning
or other acts of nature; use of products, equipment, systems, utilities, services, parts, supplies,
accessories, applications, installations, repairs, external wiring or connectors not supplied or
authorized by R-tron which damage this product or result in service problems; or incorrect
electrical line voltage, fluctuations and surges; customer adjustments and failure to follow
operating instruction. R-tron does not warrant uninterrupted or error-free operation of the
product.
THERE ARE NO EXPRESS WARRANTIES OTHER THAN THOSE
LISTED AND DESCRIBED ABOVE, AND NO WARRANTIES
WHETHER EXPRESS OR IMPLIED, INCLUDING, BUT NOT LIMITED
TO, ANY IMPLIED WARRANTIES OF MERCHANTABILITY OR
FITNESS FOR A PARTICULAR PURPOSE, SHALL APPLY AFTER
THE EXPRESS WARRANTY PERIODS STATED ABOVE, AND NO
OTHER EXPRESS WARRANTY OR GUARANTY GIVEN BY ANY
PERSON, FIRM OR CORPORATION WITH RESPECT TO THIS
PRODUCT SHALL BE BINDING ON R-tron.

43
Return Material Authorization(RMA) Procedure
The return and exchange of products are not allowed without prior approval from R-tron America,
Inc.
Please follow the exchange procedure below.
1. Call Tech Support for troubleshooting.
2. If the device has a hardware problem, R-tron will replace it if it is within warranty.
A RMA number will be issued for the return.
3. R-tron will ship the replacement and a return label will be provided.
4. The customer must return the product using the original packaging, including all
accessories and/or parts.