User Manual

System Manual RSN-CDMA-37-C
Proprietary & Confidential Page 1
Issue: 1.0
RSN-CDMA-37-C
Manual
R-tron Inc.

System Manual RSN-CDMA-37-C
Proprietary & Confidential Page 2
Issue: 1.0
CAUTION
This equipment is indoor use and all the communication
System Manual RSN-CDMA-37-C
Proprietary & Confidential Page 3
Issue: 1.0
Abbreviations
Abbreviations used in this manual, in RSN-CDMA-37-C.
AC Alternating Current
ANT Antenna
CDMA Code Division Multiple Access
DC Direct Current
GND Grounding
GUI Graphic User Interface
LED Light Emitting Diode
PSU Power Supply Unit
MCU Main Control Unit
UDC Up Down Converter
RF Radio Frequency
TEMP Temperature
VSWR Voltage Standing Wave Ratio

System Manual RSN-CDMA-37-C
Proprietary & Confidential Page 4
Issue: 1.0
1. Introduction
RSN-CDMA-37-C is used to fill out areas in CDMA mobile systems, such as base station fringe
areas, business and industrial buildings, etc.
RSN-CDMA-37-C receives signals from a base station, amplifies and retransmits the signals to
mobile stations. Also it receives, amplifies and retransmits signals in the opposite direction. Both
directions are served simultaneously with the following features:
65MHz bandwidth service
Band Selection (5MHz , 10MHz , 15MHz , 20MHz , 5MHz+5MHz , 10MHz+5MHz,
15MHz+5MHz, 20MHz+5MHz, 5MHz+5MHz+5MHz) service
Roll Offs: 50dBc at 1 MHz outside pass-band
The RSN-CDMA-37-C is controlled by powerful microprocessors. Operational status LEDs are
visible on the bottom of the repeater.
The repeater works with convection cooling without fan because it has a radiator behind the
body of RSN-CDMA-37-C.
Alarm LEDs
Local port
Remote port
Server antenna port
UL and DL output monitoring port
AC in and Switch
Donor antenna port
Ground contact
DC Outlet for external device
System Manual RSN-CDMA-37-C
Proprietary & Confidential Page 5
Issue: 1.0
Operational parameters, such as gain, power levels, alarm condition, Automatic Gain Control
condition, etc. are set using a desktop or notebook and the remote access is capable of control
the RSN-CDMA-37-C.

System Manual RSN-CDMA-37-C
Proprietary & Confidential Page 6
Issue: 1.0
2. Description
2.1 System Specifications
2.1.1 Electrical Specifications
Parameter Down Link Up Link
Operating Frequency 1930MHz~1995MHz 1850MHz~1915MHz
Gain 45dB to 95dB
Roll off ≤50dBc @Fedge+/-1MHz
Gain ripple ±1.5dB
Delay 5.0uS Max
VSWR 1.5Max
Input Range -45dBm ~ -58dBm
Power supply 85V~264V, 50/60Hz typ.
Operating temperature -10℃~-50℃
Storage temperature -20℃~ 60℃
Consumption power ≤100W
Band Selection
5MHz , 10MHz , 15MHz , 20MHz
5+5MHz , 10+5MHz , 15+5MHz , 20+5MHz
5+5+5MHz

System Manual RSN-CDMA-37-C
Proprietary & Confidential Page 7
Issue: 1.0
2.1.2 Mechanical Specifications
Parameter Specification
RF connectors N-female x 2, SMA-female x 2
Size 14.49 X17.52 X 9.33(Inch), 368 X 445 X
237(mm)
Weight 27kg (59.5lbs)
AC IN DANGER
RISK OF ELECTRIC SHOCK
110 -125Vac Note
external devices only
Power outlet for compatible MAX 2A
DC OUT
+12Vdc or -12Vdc
UL Output
-30dB CPL. DL Output
-30dB CPL.
DONOR
ANTENNA
LOCAL
http://192.168.0. 1:83
REMOTE
SERVER
ANTENNA
ALARM
R-tron lnc.MAKER :
MADE IN KOREA
: STESNCDMA37C
110 -125Vac , 60Hz , 4A
RSN-CDMA-37-C
SERIAL NO. / DATE :
FCC REG. NO.
:POWER
PRODUCT PART NUMBER :
COMPLIES WITH PART 24, FCC RULES.
I.T.E
31CY
E258109

System Manual RSN-CDMA-37-C
Proprietary & Confidential Page 8
Issue: 1.0
2.2 Sub Unit Overview
RSN-CDMA-37-C is composed of the following sub units:
UDC(Up Down Converter)
HPAs(High Power Amplifiers)
Duplexers
Main Control Unit (MCU)
Power Supply Unit (PSU)
EMI Filter
PSU
MCU
UDC
UL HPA DL HPA
EMI Filter
Duplexer
Duplexer

System Manual RSN-CDMA-37-C
Proprietary & Confidential Page 9
Issue: 1.0
2.2.1 Block diagram
The following, Figure explains how the RSN-CDMA-37-C serves signals.
3-Way
S/W
AMP S/W
3-Way
AMP
Donor
antenna
Duplexer
Duplexer
Service
antenna
3-Way
S/W
S/W
3-Way

System Manual RSN-CDMA-37-C
Proprietary & Confidential Page 10
Issue: 1.0
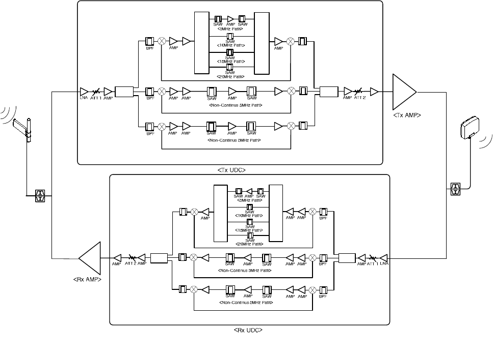
2.2.2 UDCs
The UDC Module is basically a bi-directional amplifier that sharply filters out
unwanted noise.
<DL UDC>
<UL UDC>

System Manual RSN-CDMA-37-C
Proprietary & Confidential Page 11
Issue: 1.0
2.2.3 Duplexers
A multiplexer is a device that combines two or more signals onto a common
channel or medium to increase its transmission efficiency.

System Manual RSN-CDMA-37-C
Proprietary & Confidential Page 12
Issue: 1.0
2.2.4 Main Control Unit (MCU)
MCU is the control unit of RSN-CDMA-37-C. It controls and monitors operational
parameters. It also generates alarms, an event log and many other functions of the
RSN-CDMA-37-C.
*Pin Map*
Port Connected to
J6 MCU Vcc(+12V)
J7 CDMA DL,UL Control Pin
J8 PSU Alarms / Status LEDs
P1 Local
P2 Remote

System Manual RSN-CDMA-37-C
Proprietary & Confidential Page 13
Issue: 1.0
2.2.5 Power Supply
The Power Supply Unit (PSU) supplies a steady DC power to RSN-CDMA-37-C by
drawing power from the general in-wall AC outlets
*Specification*
Item Specifications
Environmental
Operating Temp -10℃~50℃
Humidity 20%~90%RH
Cooling method Natural air
Voltage AC115V
Rated Output(DC) 6V, 5A / 12V, 5A / -12V, 5A / 27V,
10A DC
Frequency 60Hz typ
Leakage Current 0.5mA max.@110V AC

System Manual RSN-CDMA-37-C
Proprietary & Confidential Page 14
Issue: 1.0
2.2.6 High Power Amplifier (HPA)
The High Power Amplifiers the transmitted signal from a base station at the final
stage of the repeater and vice versa.
<DL HPA>
<UL HPA>

System Manual RSN-CDMA-37-C
Proprietary & Confidential Page 15
Issue: 1.0
2.2.7 Noise(EMI) Filter
2.2.8 Communication & LED Board