RAKwireless Technology RAK833 LoRa Concentrator Gateway Module User Manual 1 User Manual 12 28x

Shenzhen Rakwireless Technology Co., Ltd. LoRa Concentrator Gateway Module 1 User Manual 12 28x

User Manual

w MD     ShenzhenRakwww.rakwiresleMiniPDataskwirelessTechnoess.comETDX17CIemosheet ologyCo.,LtdCo70224  RAK odulesV1.3 opyright©K833Loswith    ©M nA1oRa GSPI a© 2018 RakwMentioned innames, tradeAfter updatin Gatewand USwireless all rin this documeemarks are thng new versioway  SBinteights reserveent, the actuheir respection, this docuRAKerfaceed. al company ve owners. ument withou833DataSheee  and product ut prior noticeete.
wC C 123 ShenzhenRakwww.rakwiresleContenContents ..1.Funct1.1.Ov1.2.Produ1.3.Or2.Interfa2.1.Ov2.2.In2.3.Pi2.3.1.2.3.2.2.3.3.2.3.4.2.3.5.2.3.6.3.Electr3.1.Ab3.2.Ma3.3.Op3.3.1.Op3.3.2.Su3.3.3.Cu3.3.4.LokwirelessTechnoess.comETDX17nts ................tional descverview ...uct Paramrder NO. ..aces .........verview ...terface ....n definitioModule AntennaSPI inteUSB inteRESET .SPDT_Srical specifbsolute maximum Eperating Cperating tempupply/power purrent consumoRa RF charaologyCo.,LtdCo70224................cription ....................eters .......................................................................on with msupply ina RF interfrface .......erface .....................SEL ..........fications ..maximum rESD ..........Conditionsperature rangpins .............mption .........acteristics ....opyright©................................................................................................................................ini-PCIE ..put ..........faces .......................................................................................rating .......................s ..............ge ............................................................................2................................................................................................................................................................................................................................................................................................................................................................................................................................................................................................................................................................................................................................................................................................................................................................................................................................................................................................................................................................................................................................................................................................................................................................................................RAK............................................................................................................................................................................................................................................................................................................................................................................................833DataShee............... 2............... 4............... 4............... 4............... ............... ............... ............... ............... ............... ............... ............... ............... ............... ............... ............... 9............... 9............... 9............. 1.................. 1.................. 1.................. 1.................. 1et24445556678888899900000
w  45678 ShenzhenRakwww.rakwiresle4.Mecha5.RAK86.Refere7.Conta8.ChangkwirelessTechnoess.comETDX17anical spe33 Moduleence Appliact ............ge Note ....ologyCo.,LtdCo70224cificationse schematiication .....................................opyright©s ...............ic .............................................................3................................................................................ ................................................................................................................................................................RAK................................................................................833DataShee.............. 1............. 12............. 1............. 1............. 1et12567
Sww11SXwSPRAdeapensy1.      ShenzhenRakwww.rakwiresless. Func.1. OvervThe RAX1301, whith Lora GaThe carPI connectiAK833areaemodulatiopplicationsnvironmenyintegration2. Produ   wirelessTechnolos.comETDX1702ctionalview AK833 is a ich enablesateway capd can be uivity. acompleteaon paths. s with t.Themodunintoanappluct ParaMProtocol Lora ChipDual-BanFrequencPower InpHardwareSoftwareMultichanLEDs USB Node NuRange Power CRX SensMax RF Mean RFOperatioogyCo.,LtdCop224 descrfamily of s an easy iabilities. used in anyandcostefficIt targetedup to uleshavetheicationboarmeters Module pset nd cy Range put e Interface e Interface nnel umbers onsumption sitivity Output F Output n Temperatupyright©riptionLoRa concntegration y embeddedcientLoRa gd at smar500 neindustrystardandisalsoLoRaWSX1301868MHEU863US923DC 3.3Mini-PCUSB/S8uplink2*LEDsUSB2.0500 noUrban2TX (maRX(all Ldle:71Up to -Up to +Up to +ure  ‐48to+Table14 centrator cinto an exid platform gateway solrt meteringnodes peandardPCIEoidealformaWAN 1.0.2 1 Hz,915MHz3‐870MHz3.3‐927.5MH3 ± 5% CIE PI ks、1downlins for PA_EN 0, USB-to-SPodes/km2 2~4km/Subuax): 135 mAchannels):261mA 136.5dBm@+9 dBm +9 dBm +85°C 1: Module Pacards with sting routeoffering a flutionoffering fixed neer km2ExpressMinanufacturingFrequencyHznk and LNA_EPI bridge FT2r5~10km/Op60mA @SF12 arameters mini PCIe rs and othefree mini-Pngupto10 petworks anin moniCardformfgofsmallsery N 2232H pen Area>15kRAKform factoers networkPCIe slot wiprogrammand Internetoderately factor,whichries. km 833DataSheeor based ok equipmenth USB anable parallet of Thinginterferehenableseaetn nt d el s d a
SwwanmPCin   1  22ShenzhenRakwww.rakwiresless As descnd other chodem and CI Expresstegration. .3. Order2. Inter.1. OvervwirelessTechnolos.comETDX1702cribed in Fihip for RF sprocessings Mini Cardr NO. PaRAK83RAK83RAKRAKrfaces view ogyCo.,LtdCop224igure 1, thesignal, whicg functiona compliancart Number3-SPI/USB3-SPI/USB833-SPI-9833-SPI-8pyright©e RAK833ch represeallilies. Addce, and oner -915 -868 15 68 Tabl5card integnts the corditional signe U. FL conUSB andUSB aSPISle2: Module grates one re of the denal conditionnectors arDescrid SPI, 923and SPI, 8, 923.3MHPI, 863MHNumber SX1301 chevice, provoning circuire availableption .3MHz-92763MHz-870Hz-927.5 MHz-870 MHzRAKhip and twoiding the reitry is implee for extern7.5 MHz 0 MHz MHz z 833DataSheeo SX1255/elated LoRemented fonal antennaet/7 Ra or as
Sww22ShenzhenRakwww.rakwiresless.2. Interf.3. Pin dNo Mini PCRe1 WAKE# 2 3.3Vaux 3 COEX1 4 GND 5 COEX2 6 1.5V 7 CLKREQ8 UIM_PW9 GND 10 UIM_DA11 REFCLK- 12 UIM_CLK13 REFCLK+14 UIM_RES15 GND 16 UIM_SPU17 UIM_IC_18 GND 19 N/A 20 W_DISA21 GND 22 PERST# 23 PERn0 24 3.3Vaux 25 PERp0 wirelessTechnolos.comETDX1702face efinitionCIEx PIN ev.2.0 Q# WR ATA K + SET U _DM BLE1# ogyCo.,LtdCop224 with miRAK833 PIN NC 3.3Vaux NC GND NC NC NC NC GND NC NC NC NC NC GND NC SPDT_SEL GND N/A NC GND RESET NC 3.3Vaux NC pyright©FiguFigureni-PCIEPower  3.3Vaux  GND     GND      GND   GND   GND   3.3Vaux  6ure2:Module e3:Module InI/O DescrN/A  N/A  RAKN/A  N/A GroN/A  N/A  N/A  N/A  N/A GroN/A  N/A  N/A N/A  N/A N/A GroN/A  N/A  N/A GroN/A N/A N/A GroIRAKN/A  IRAKN/A  View terface ription K833supply inpuound ound ound ound ound K833resetinputK833supply inpuRemarks Internallynt ConnecttoInternallynConnecttInternallynInternallynInternallynInternallynConnecttInternallynInternallynInternallynInternallynInternallynConnecttInternallynInternal 1ConnecttN/A InternallynConnecttActive higInternallynt ConnecttoInternallynRAKnotconnected o3.3V notconnected toGround notconnected notconnected notconnected notconnected toground notconnected notconnected notconnected notconnected notconnected toground notconnected 10K ohm pull-uptoground notconnected toground gh(≥100ns) for Snotconnected o3.3V notconnected 833DataSheep SX1301 et
Sww 2mbaShenzhenRakwww.rakwiresless26 GND 27 GND 28 1.5V 29 GND 30 SMB_CL31 PETn0 32 SMB_DA33 PETp0 34 GND 35 GND 36 USB_D- 37 GND 38 USB_D+39 3.3Vaux 40 GND 41 3.3Vaux 42 LED_WW43 GND 44 LED_WL45 Reserved46 LED_WP47 Reserved48 1.5V 49 Reserved50 GND 51 W_DISA52 3.3Vaux .3.1. ModRAK833ust be stabased on thewirelessTechnolos.comETDX1702LK ATA + WAN# LAN# d PAN# d d BLE2# dule supp3 card musble, because power conogyCo.,LtdCop224GND GND NC GND NC NC NC NC GND GND USB_D- GND USB_D+ 3.3Vaux GND 3.3Vaux NC GND NC PCIe_SCK NC PCIe_MISO NC PCIe_MOSI GND PCIe_CSN 3.3Vaux ply inputt be supplise during thnsumption pyright©GND GND  GND     GND GND USB GND USB 3.3Vaux GND 3.3Vaux  GND       GND  3.3Vaux Tabt ed throughhis operatioprofile of th7N/A GroN/A  N/A  N/A GroN/A  N/A  N/A  N/A  N/A GroN/A GroI/O USBN/A GroI/O USBIRAKN/A GroIRAKN/A N/A GroN/A  I/O HosN/A  I/O HosN/A  I/O HosN/A GroI/O HosIRAKble3: Pin Defh the 3.3Van the currehe SX1301 ound ound ound ound BDataLineD- ound BDataLineD+ K833supply inpuound K833supply inpuound st SPI CLKst SPI MISOst SPI MOSIound st SPI CSK833supply inpufinition ux pins by nt drawn frchip (see SConnecttConnecttInternallynConnecttInternallynInternallyInternallyInternallyConnectConnect90-ohm impedanPull-up,pdownandSB2.0sptheUSBpConnect90-ohm impedanPull-up,pdownandSB2.0sptheUSBpneednotbt ConnecttConnectt ConnecttInternallyConnectInternallyMax 10MInternally Internally Connect t Connectta DC powrom 3.3VauSX1301 DSRAKtoground toground notconnected toground notconnected ynotconnected ynotconnected ynotconnected ttoground ttoground nominal differennce. pull-dseriesresistorsaecificationsare ppin driverand ttoground nominal differennce. pull-dseriesresistorsaecificationsare ppin driverand beprovidedexternto3.3V ttoground to3.3V ynotconnected ttoground ynotconnected MHz clock ynotconnected ynotconnected ttoground to3.3V wer supply. ux can vary S). 833DataSheential  asrequiredbyUpartof ntial asrequiredbyUpartof nally. The voltagsignificantete ly,
Sww 2wan2thsy2NoUcoanpl2sp2SPUShenzhenRakwww.rakwiresless.3.2. AnteThe modith a charantenna inte .3.3. SPI A SPI ine system cynchronous      .3.4. USBote:RAK833RAK833SB 2.0 comommunicatind can be ease refer  .3.5. RESRAK833pecified by  .3.6. SPDRAK833PDT_SEL=SB Port.      wirelessTechnolos.comETDX1702enna RF dules havecteristic imrface. interfacenterface is connector. Ts full-duplexB interfac3‐SPIdon’th3 card can mpliant inteion with an connected to the dataSET 3 card incluthe SX130DT_SEL 3 card in="H", USB ogyCo.,LtdCop224interfacee one RF inpedance oe provided oThe SPI intx protocol. ce avethisfeatsupport therface with external hoto any USa sheet of Fudes the R1 Specificancludes thPort Enabpyright©es terfaces ovf 50. The Ron the PCIeterface giveOnly the slturee high spemaximum ost applicaSB host eqFT2232H. RESET actation. e SPDT_ble, SPDT_8ver a standRF port (ANe_SCK, PCes access tave side is eed USB to480 Mb/s dtion procesuipped withive-high inSEL input_SEL="L", ard U. FL cNT1) suppoCIe_MISO, to the confiimplemento SPI by FTdata rate, rssor. The mh compatibput signal t for seleSPI Port Econnectors orts both TxPCIe_MOguration reted.  T2232H, it representinmodule itselfble drivers. to reset thecting SPEnable. InteRAK(Hirose U.x and Rx, pSI, PCIe_Cegister of SXincludes ang the interff acts as a For more he radio opI or USBernal Pull 833DataShee FL-R-SMTproviding thCSN pins oX1301 via  high-speeface for anUSB devicinformationperations aB interfaceUP, DefauetT) e of a d ny ce n, as e.  ult
Sww 3Th 3    voth   3      ShenzhenRakwww.rakwiresless3. ElectStreaycditionsfec       he OperatingWhereap.1. AbsoLimitingvSymbol 3.3Vaux USB SPDT SERESET SPI  Rho ANT Tstg oltagespikesinthespecif.2. MaximParameter ESDsensitivitxceptANT1 ESDsensitivitESDimmunity RAionwirelessTechnolos.comETDX1702trical sessingthedecausepermaonsotherthashouldbeavotdevicereliagconditionrapplicationinfolute maxvaluesgivenbDescriptModulesuUSBD+/DL Port seleRAK833rSPI interf AntennarStorageTTheproducsexceedingtiedboundarmum EStyforallpinsetyforANT1 yforANT1 AK833cardare7.2forESDhaogyCo.,LtdCop224specifieviceaboveoanentdamaganthosespeoided.Exposability. angedefinethformationisgximum rabelowareinaction upplyvoltagD-pins ect resetinput faceruggednesTemperatur ctisnotprotethepowersuriesbyusingaD M    eElectrostatandlinginstrupyright©cationoneormoreoe.ThesearescifiedintheOsuretoAbsohoselimitwitgiven,itisadvating cordancewithConditionInputDCvoInputDCvoInputDCvoInputDCvoInputDCvo OutputRFlTable4:AbectedagainspplyvoltageappropriatepMin Typic    Table5icSensitiveDuctions. 9ns oftheratingsstressratingOperatingCooluteMaximuthinwhichthevisoryonlyanhtheAbsoluten oltageat3.3VaoltageatUSBioltageatSPDToltageat RESoltageat SPI ioadmismatcbsolutemaxstovervoltagespecificatioprotectiondcalMax 1000 1000 4000 8000 :MaximumEDevicesandrelistedintheAgsonly.OperaonditionssecumRatingcoefunctionalinddoesnotfoeMaximumRauxpinsnterfacepinsTSELinputpET inputpininterfacepinhruggednessximumratinggeorreversedon,givenintaevices. Unit ReV HuV HuV CoV AirESDratingsequirespeciaAbsoluteMaxatingthemodctions(chapnditionsforetyofthedevicormpartofthatingSystemMi–0spins–0–0–0satANT–4gs dvoltages.If ableabove,memarks umanBodyModelumanBodyModelontactDischargear DischargeaccoralprecautionsRAKximumRatinduleatthesepter4.1)oftheextendedperceisguarantespecificatiom(IEC134). in. Ma.3 3.3..3 3..3 3..3 3. 10:0 85 mustbelimiteaccordingtoJESaccordingtoJESaccordingtoIEC6rdingtoIEC61000swhenhandl833DataSheengsectionmeoratanyconespecificatiriodsmayafeed. on. x.UnitVVVVV1 VSWR°CnecessaryedtovalueswD22-A114 D22-A114 61000-4-2 0-4-2 ing.SeesectetRy, wi
Sww 3    3.  3.    3.    3.    ShenzhenRakwww.rakwiresless.3. OperaUnlessothOperationbey.3.1. OperParameteNormalopeExtendedo .3.2. SuppSymbo3.3VauxInput.3.3. Curre .3.4. LoRaThe followMode Idle-MoActive-(TX) Active-(RX ) wirelessTechnolos.comETDX1702ating Coherwiseindican beyondthyondthemmrating temer eratingtemperaoperatingtempeply/power ol Parax Modtvoltageat3ent consua RF charawing table gSignBandwidt500500ode Mode Mode ogyCo.,LtdCop224onditionsated,alloperathe operatingayaffectdevperature rMature –erature –pins ameter dulesupplyoTable7:In3.3Vauxmuumption Tablacteristicsgives typicallnal h/[KHz] 0 0 pyright©s tingconditionsg conditionsvicereliabilityrange Min. Typic–20 +25–40  Table6:Eoperatinginnputcharaustbeaboveole8:Module3.3s ly sensitivitySpreadin127Table9:LoRCondition  All of the chipmode or shutThe power o3.3V supply.TX disabled 10specificationss is not recoy. calMax.+65 +85 Environmentanputvolacteristicsethenormaonthemodu3Vauxsupplycy level of theg Factor2 7 Ra RF Charap on the boardtdown. of TX channel and shutdownsareatanambieommended aUnit Rem°C Norm(fully°C Exte(RFpnormalconditionsMin.3.00sofSupply/aloperatingule. urrentconsume RAK833 caSensitiv--acteristics  enter idle is 23dBm andn PA. enttemperatuand extendemarks maloperatingteyfunctionalandendedoperatingperformancemmaloperatingraTypica3.30 /Powerpingrangeminimption ard vity/[dBm] 134 120 Min60 d   RAKureof25°C. ed exposureemperaturerangmeet3GPPspegtemperatureraaybeaffectedonge,thoughmoal Max. 3.60 ns imumlimittoType Max 100    TBD  TBD  833DataShee ge ecifications)ange utside oduleisfullyfunUnitVoswitch-UnituA mA mA et
Sww         4wwSpThShenzhenRakwww.rakwiresless4. MechRAK833ith top-sideidth and alpecificationhe weight oF  romechawirelessTechnolos.comETDX1702hanica3 card are fe and bottoll the othern [9] exceptof the RAK8Figure4:RAForfurtheanicalSpeciogyCo.,LtdCop224al specfully compliom-side ker dimensiont for the ca833 card is AK833carderdetailsregification[9]. pyright©cificatioant to the 5eep-out arens as definrd thicknesabout 9.7 mechanicagardingmec11ons 52-pin PCI eas, with 5ned by the ss (nominalg. aldimensiochanicalspeExpress Fu50.95 mm PCI Expre value is 3ons(topvieecificationssull-Mini Carnominal leess Mini C.7 mm), asew,sideviewseethePCIERAKrd Type F2ength, 30 mard Electro described  w,bottomvExpressMin833DataShee form factomm nominaomechanicain Figure 2view) niCardElectetr, al al 2. t
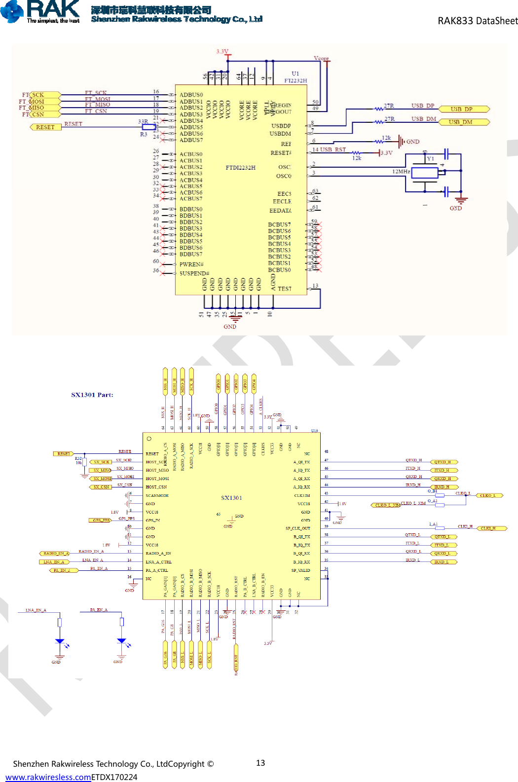
Sww        5SP ShenzhenRakwww.rakwiresless5. RAKRAK833PI of SX130wirelessTechnolos.comETDX1702833 Mo3 card refer01 to PCI eogyCo.,LtdCop224odule r Semtech’sedge connepyright©schems referenceector or FT212matic e design of S2232H whicSX1301, adch convert dd a 4 chanSPI to USBRAKncel SPDT B2.0 interfa833DataSheeto switch ce.    et
SwwShenzhenRakwww.rakwireslesswirelessTechnolos.comETDX1702ogyCo.,LtdCop224pyright© 13  RAK833DataSheeet
Sww                      ShenzhenRakwww.rakwireslessForfurthSewirelessTechnolos.comETDX1702herdetailsremtech. ogyCo.,LtdCop224Figegardingschpyright©gure5:RAKhematic ple14K833cardinease refer “SnerschemSX1301DVmatic. VK_e286v02RAK2a_sch_lay833DataSheeyout” from et
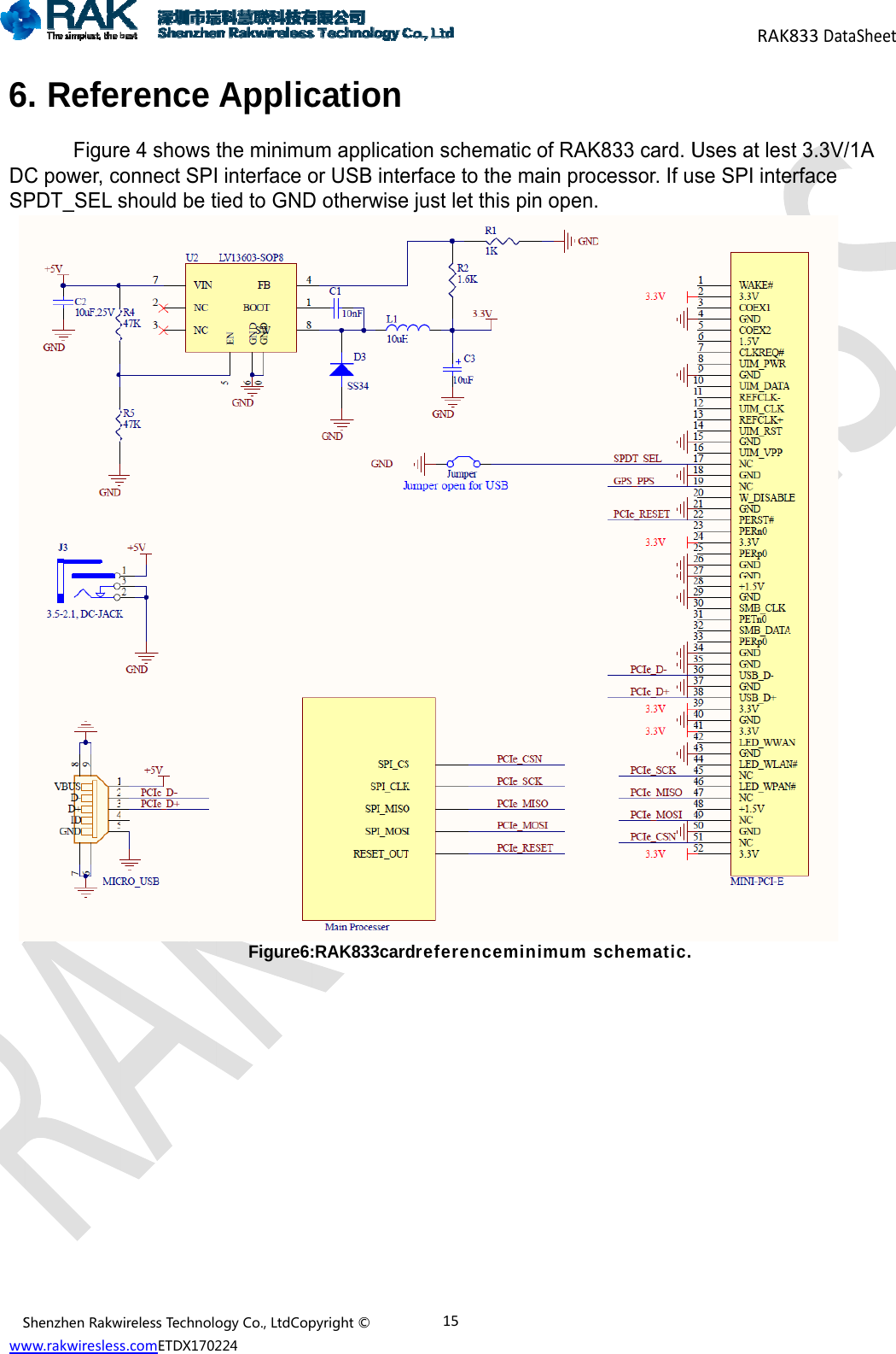
Sww6DSP            ShenzhenRakwww.rakwiresless6. RefeFigureC power, coPDT_SEL swirelessTechnolos.comETDX1702rence e 4 shows onnect SPIshould be togyCo.,LtdCop224Applicthe minimuI interface otied to GNDFigure6:pyright©cationum applicator USB inteD otherwise:RAK833card15tion schemaerface to thee just let thisdreferenceatic of RAKe main procs pin open.minimum sK833 card. Ucessor. If u     schematic. RAKUses at lesse SPI inte833DataSheest 3.3V/1A erface  et
Sww  FCThco(1inAncoWwreIf foMThenbe    7ShE-AdXi ShE‐TeAdXi      ShenzhenRakwww.rakwireslessCC Warninhis device conditions: ) This deviterference ny Changeould void thWhen the moindow on themoved. not, a secoollowing texaximum anhis module nvironmentetween the 7. ConthenzhenBu-Mail: ken.yddress: Rmli Block, NahenzhenTechMail:farce.cel : 0755-86ddress: Rmli Block, NawirelessTechnolos.comETDX1702ng complies wce may notreceived, ins or modifiche user's auodule is inshe final devond label mxt: ―Containntenna gaincomplies wt .This equipradiator& ytact usiness yu@rakwire. 506, Bldg. nshan Distrihnicalchen@rakwir6108311 . 506, Bldg. nshan DistriogyCo.,LtdCop224with part 15 t cause harncluding intcations notuthority to ostalled in thvice or it mumust be placns FCC ID: n allowed fowith FCC rapment shouyour body. less.com 3,Minqi Tecict, Shenzhereless.com3,Minqi Tecict, Shenzhepyright©of the FCCrmful interfeterference t expressly operate thee host deviust be visibced on the 2AF6B-RAor use with adiation expuld be instachnology Paen,Guangdochnology Paen,Guangdo16C Rules. Operence, andthat may caapproved b equipmentice, the FCble when anoutside of tAK833. this deviceposure limitalled and opark,No. 65 Liong Provinceark,No. 65 Liong Provinceperation is sd (2) this deause undesby the partyt. C ID label n access pathe final dee is 2 dBi. ts set forth perated witShan Roade,China Shan Roade,China subject to thevice must sired operay responsibmust be visanel, door ovice that cofor an uncoth minimum  RAKhe followingaccept anyation. ble for compsible througor cover is eontains the ontrolled m distance 2833DataSheeg two y pliance gh a easily 20 cm et
Sww   8    MSRShenzhenRakwww.rakwiresless8. ChanVersioV1.0 V1.1 V1.2 V1.3 ManufacturShenzhenRaRoom506,BwirelessTechnolos.comETDX1702nge Noon 201201201201re name ankwirelessTeldgB,NewCogyCo.,LtdCop224ote Date 18-01-11 18-03-11 18-05-11 18-06-19 d addresschnologyCoCompark,Pinpyright©Draft AddmoduFix some Adjust the: o.,Ltd.ngshanFirstR17lepicture andescriptione RF paramRoad,TaoyuaChannd fix somen mistake foeters and tanStreet,Nange  mistakes  or Part NO ahe content anshanDistrRAKand paramefor reading.ict,Shenzhe833DataSheeeters  net

Navigation menu