RF LINK CPR9851S bluetooth module User Manual CPR9851S V2 1specificationx

RF-LINK INTERNATIONAL LIMITED bluetooth module CPR9851S V2 1specificationx

Users Manual

1Catalogue版本说明 verisondescription.......................................................................................................................21.概述 overview................................................................................................................................................ 32.应用领域 application...................................................................................................................................33.功能架构 functionstructure.....................................................................................................................43.1 功能架构图 diagram............................................................................................................................43.2 功能描述 functiiondescription....................................................................................................44.性能参数 perfromanceparameter...............................................................................................................55.引脚功能说明(管脚分配图如附录 C)Pinsfunctiondescription(AppendixC)............................ 56.工作模式 workmode....................................................................................................................................... 67.注意事项 attention....................................................................................................................................... 7附录 A:模块尺寸 modulesize........................................................................................................................9附录 B:模块图像 modulepic........................................................................................................................10附录 C:管脚分配 pinsdistribution..........................................................................................................11附录 D:应用参考电路 referencedesign....................................................................................................12User GuidFCC ID: A5LCPR9851S
2versiondescriptionVersion Updatecontent Updatetime UpdatepersonVer1.0 Released / /Ver2.0Unifiedspecificationformat(includingtheheader/foot,fonts,spacing,etc.)2014.4.11 杨兰珍Ver2.1 UpdatedICpackage 2014.07.21 温锦铎
31.OverviewCPR9851SisdesignedbasedonRDA5851SXchipset,ahighintegrated,lowcostandlowpowerconsumptionwithstereofunctionBTmodule.Whichsupportcommunicationbytelephone,TFcard,FM,andLineinfunctions.MeetBlutooth2.1+EDRspecification.Toprovidelowcosthighefficientstereotransmissionsolutionforcustomer.2.ApplicationThismoduleusedtotransmitmusicinshortdistance,whichdirectlylinkwithPC,phone,PDA,anddigitalproductsthoughBT.Moreover,itintegratedwithFMandsupportautoplaymusicfromMMCcard.1Singlechipsolution,integratedwithLinein,FM,IRcontrol,TF/SDcardandUSBaudiocard.2StereoBTheadset3Wirelessmusictransmission4.BTcardreader,BTdialer,BTcompanion,BTspeaker,ect.
43.Functionstructure3.1 Diagram3.2Functiondescription1)supportMP3,WMA,WAV,SBCformat2)wirelessstereoaudiotransmission,bluetoothphone3)FM4)BTcardreader,asitsupportUSBhostfunction,soitcanreadCARDEARPHONE
5datafromSDorMMC.5)stereoaudioline-ininput6)remotecontrol7)leftforADCbuttonandpoweronbuttonpins8)UARTportforserialcommunication,andcancustomizeATcommunicationprotocol9)integratedpowermanagementcircuit10)highrateUARTinterfacefordebugorupdatesoftware11)abundantIOportforapplicationextend12)supportUSBaudio13)supportSPPdatatrasmission4.performanceparameterBTversion BluetoothV2.1+EDRModulationsystem                       GFSK,π/4-DQPSK 和8DPSKsupport HFP/HSP,OPP,A2DP/AVRCP,PBAPprofilessensitivity(0.1%BER) -82dBmTXpower Meetclass2andclass3sendrequirementPowersupply 3.2V~4.2VCurrentconsumptiion Regularwork45mA ,pause32mASNR 70dBWorktemperature -20~+50 ℃Modulesize 20.7mmx15mmx2.0mm
65.Pinsfunctiondescription(AppendixC)pins name Functiondescription1 BT_ANT BTantenna2GND Groundconnection3USB_DP D-4 USB_DM D+5 GPIO_3 GPIOport/IRreceiveport,pausebutton6 GPIO_1 GPIOport,defaultTFcarddetective7 UART2_RXD/GPIO_8 UART2serialportalsousedforGPIO,nopausefunction8 UART2_TXD/GPIO_13 UART2nointerruptfunction9 V_MMC TFcardpower10 V_PAD 2.98Voutput11 SDAT1 TFdataline12 SDAT0 TFdataline13 SSD_CLK TFclock14 SSD_CMD TFwriteorreadcontrol15 SDAT3 TFdataline16 SDAT2 TFdataline17 RESETB_EXT Resetport18 PWRKEY_INT softwareswitch,highefficiency19 GND Groundconnect20 GND Groundconnect21 VBAT Powerformodule3.4-4.2V22 KEY_P ADCpressbutton23 KEYIN_SENSE ADCpressbutton24 CHG_IN internalpowercharging(askforextendexternalcircuit)25 GPIO_7 GPIO,faultLINEDECT ,supportexternalsuspendfunction26 GPIO_17 GPIO,noexternalsuspendfunction27 AU_RCV_P Audiopositiveoutputpole28 AU_RCV_N audiodifferentialoutputpole29 LINE_IN_L AUXleftlinein30 LINE_IN_R AUXrightlinein31 AU_HPL leftsingle-endedsoundchanneloutput32 AU_HPR rightsingle-endedsoundchanneloutput33 AU_MIC_N MICdifferentialnegativeoutputpole34 AU_MIC_P MICdifferentialpositiveoutputpole35 AGND Analogground
736 FM_ANT FMantenna6.Workmode1)poweronwith3.7to4.2VDCdirectlyorUSBchargerfor5Vsource.2)ShortpressPWRbutton,whentheLED1andLED2flickalternately,itmeansmatchcorrectly.3)matchsuccessfullylasttime,itwillautomaticallymatchwhenBTmodulepoweron.4)ClosetheBTconnectionlasttime,BTmodulecanconnectwithotherdeviceswhenBTmodulework.5)AfteritconnectwithBTdevice,itcantransmitmusicthroughBTdevice,andcontrolnextorlastmusic,increaseordecreasevolume,pauseorcontinueplay,pressmodebuttontoenterTFFMline.Tosumup,allbuttonfunctionscanconfigurethroughsoftware.6)ItmatchswithphoneviaBT,shortpressPWRbuttontoconnectorhangupthecallwhenyougetthephonecall.7.Attentions1)PCBlayout:LaygroundorrountingisnotallowedundertheBT
8module’santenna.2)Module’santennaneedputthesideofmotherboard,notallowedtoputnearoroverlapwithmetalmaterial.Suchasbattery,otherchip.3)BTwirelessapplicationiseasilyaffectedbyexecrableenvironment,becauseobstacleaswoodormetalwillobsorbwirelesssignal,thedatatransmitdistancewillbeaffectedduringapplication.4)Donotembedinthemetalshield,becausewirelessRFsignalwillbeshieldedbymetalcover.5)SIGmembershipandBQBcertification:AuthorizeSIGandBQBifuseBluetoothtrademark.
9AppendixA:modulesizeDimension&footprint
10AppendixB:modulepic
11
12AppendixC:pinsarrangement
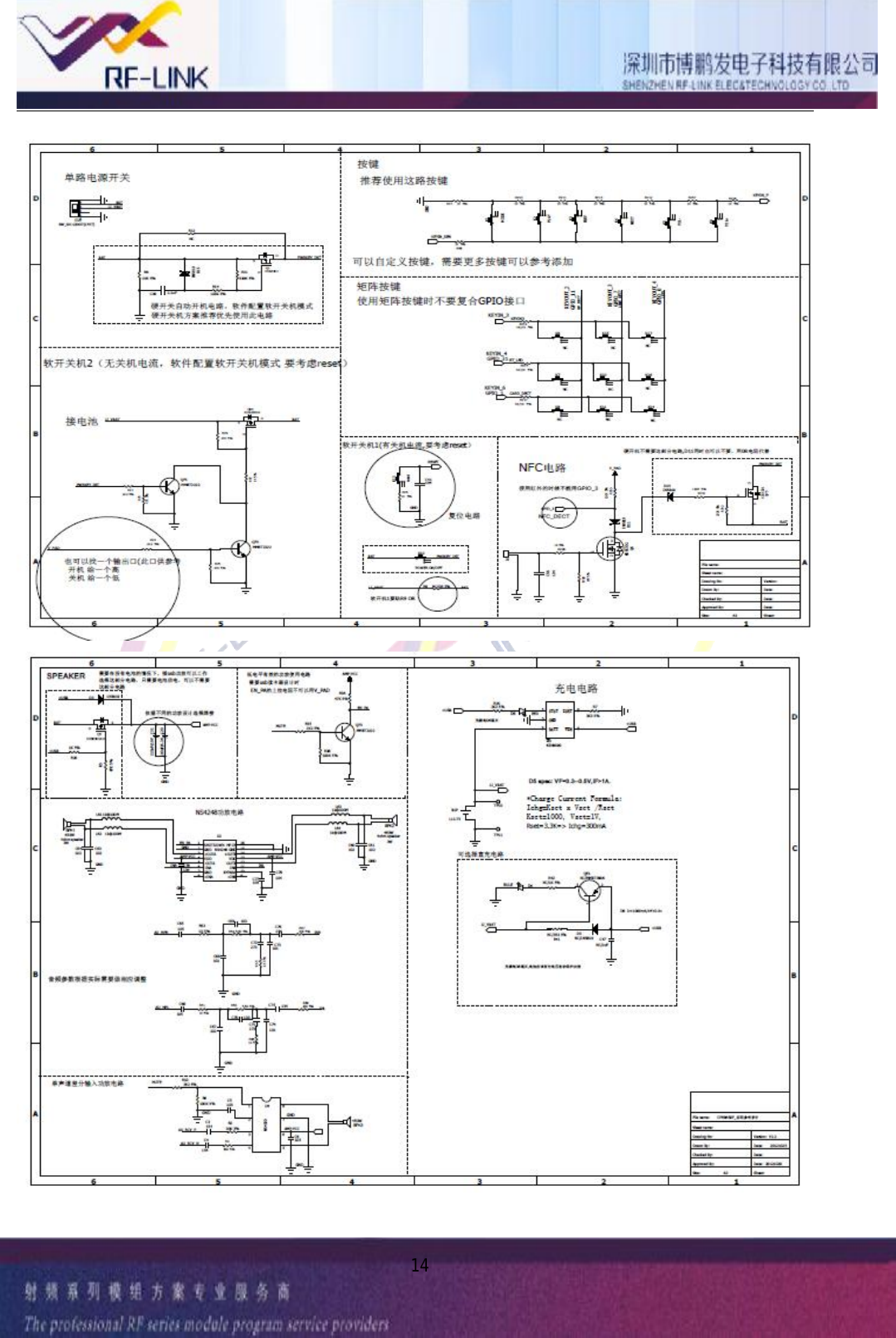
13AppendixD:referencedesign
14
This device complies with part 15 of the FCC Rules. Operation is subject to the following two conditions: (1) This device may not cause harmful interference, and (2) this device must accept any interference received, including interference that may cause undesired operation. Changes or modifications not expressly approved by the party responsible for compliance could void the user's authority to operate the equipment. NOTE: This equipment has been tested and found to comply with the limits for a Class B digital device, pursuant to Part 15 of the FCC Rules. These limits are designed to provide reasonable protection against harmful interference in a residential installation. This equipment generates, uses and can radiate radio frequency energy and, if not installed and used in accordance with the instructions, may cause harmful interference to radio communications. However, there is no guarantee that interference will not occur in a particular installation. If this equipment does cause harmful interference to radio or television reception, which can be determined by turning the equipment off and on, the user is encouraged to try to correct the interference by one or more of the following measures: -- Reorient or relocate the receiving antenna. -- Increase the separation between the equipment and receiver. -- Connect the equipment into an outlet on a circuit different from that to which the receiver is connected. -- Consult the dealer or an experienced radio/TV technician for help.  This modular complies with FCC RF radiation exposure limits set forth for an uncontrolled environment. This transmitter must not be co-located or operating in conjunction with any other antenna or transmitter.   If the FCC identification number is not visible when the module is installed inside another device, then the outside of the device into which the module is installed must also display a label referring to the enclosed module. This exterior label can use wording such as the following: “Contains Transmitter Module FCC ID:A5LCPR9851S Or Contains FCC ID:A5LCPR9851S”  when the module is installed inside another device, the user manual of this device must contain below warning statements; 1. This device complies with Part 15 of the FCC Rules. Operation is subject to the following two conditions: (1) This device may not cause harmful interference. (2) This device must accept any interference received, including interference that may cause undesired operation. 2. Changes or modifications not expressly approved by the party responsible for compliance could void the user's authority to operate the equipment. The devices must be installed and used in strict accordance with the manufacturer's instructions as described in the user documentation that comes with the product

Navigation menu