Radio Active Design UV-1GBP UV-1G Belt Pack User Manual TITLE GOES HERE

Radio Active Design, LLC UV-1G Belt Pack TITLE GOES HERE

User Manual

    UV-1G WIRELESS INTERCOM SYSTEM   User Manual
      2
      3  • Per FCC 15.19(a)(3) and (a)(4): This device complies with part 15 of the FCC Rules. Operation is subject to the following two conditions: (1) This device may not cause harmful interference, and (2) this device must accept any interference received, including interference that may cause undesired operation. • Per FCC 15.21: Changes or modifications not expressly approved by Radio Active Designs could void the user's authority to operate the equipment.
      4  Table of Contents  Table of Contents..................................................................................................................4 General Information ..........................................................................................................6 Features ............................................................................................................................6 Terminology ......................................................................................................................6 UV-1G Specifications ............................................................................................................7 Transmitter .......................................................................................................................7 Receiver ............................................................................................................................8 System Diagram.................................................................................................................9 Base Station ........................................................................................................................10 Front Panel Button Descriptions ......................................................................................10 Front Panel LED Description ............................................................................................12 Rear Panel Description ....................................................................................................13 Belt Pack ..........................................................................................................................14 Quick Start Guide ................................................................................................................16 Base Station Operation ....................................................................................................16 Belt Pack ..........................................................................................................................16 Base Station Operation .......................................................................................................17 Power ..............................................................................................................................17 Powering Up ................................................................................................................17 Powering Down ...........................................................................................................17 Home Screen ...................................................................................................................18 Transmitter Power Level ..................................................................................................18 Receiver Status ................................................................................................................18 Base Station Link Mode ...................................................................................................18 Local Headset Status........................................................................................................19 RSSI Screen ......................................................................................................................19 Menu Structure...................................................................................................................20 Passcode Protection ........................................................................................................20 Receiver Settings .............................................................................................................20 Transmitter Settings ........................................................................................................21 Local Headset Options .....................................................................................................22 Display Settings ..................................................................................................................23 Blackout Mode ................................................................................................................23 Backlight Time .................................................................................................................24 LCD Brightness.................................................................................................................25 LCD Contrast ....................................................................................................................25 LED Brightness .................................................................................................................26 Base Station Link Modes .....................................................................................................26 Info Screen ......................................................................................................................27 Enabling/Disabling the Passcode .....................................................................................27 Changing the Passcode Combine Passcode Sections? ......................................................28
      5  Gain Adjustments ...............................................................................................................29 Intercom 1 & 2 ................................................................................................................29 Auxiliary ..........................................................................................................................29 Stage Announce ..............................................................................................................30 Local Headset ..................................................................................................................30 Microphone Gain .............................................................................................................30 Volume ............................................................................................................................30 Intercom CH1 and CH2 Buttons and LEDs ........................................................................31 Talk Button ......................................................................................................................31 Belt Pack Operation ............................................................................................................31 Battery ............................................................................................................................32 Powering Up ....................................................................................................................32 Powering Down ...............................................................................................................32 Home Screen ...................................................................................................................33 Talk Buttons and LEDs..................................................................................................33 Intercom and Programmable Button Labels .................................................................33 Signal and Battery Meters ...........................................................................................33 Local Headset Volume..................................................................................................33 Power / Menu Button ......................................................................................................34 Menu Structure...................................................................................................................34 Display Settings ...............................................................................................................34 Blackout Mode ................................................................................................................34 Backlight Time .................................................................................................................35 LCD Brightness.................................................................................................................35 LCD Contrast ....................................................................................................................36 LED Brightness .................................................................................................................36 Advanced Settings ..............................................................................................................36 Passcode Protection ........................................................................................................37 Transmitter Settings ........................................................................................................37 Receiver Settings .............................................................................................................39 Channel Labels ................................................................................................................40 Soft Button Labels ...........................................................................................................42 Rx Volume Options ..........................................................................................................43 Headset Options ..............................................................................................................44 Info Screen ......................................................................................................................45 Enabling/Disabling the Passcode .....................................................................................45 Changing the Passcode ....................................................................................................45 Microphone Gain .............................................................................................................46
      6    General Information The Radio Active Designs® UV-1G is a two-channel full-duplex UHF/VHF wireless intercom system that incorporates up to six wireless belt pack units per base station. Each belt pack is capable of simultaneous Talk and Listen on two separate audio channels. Additionally, belt packs have Stage Announce and two-channel Wireless Talk-Around functionality.   The wired interface supports 2W Audiocom® (Telex), RTS® TW, and Clear-Com® varieties. Support for 4W systems is present through RJ-11 compatible jacks.     Features • Excellent RF noise immunity through revolutionary design • Full duplex operation incorporates UHF transmitters and VHF receivers • Support for up to six Belt Pack units in one Base Station • Multiple Base Station support when more than six belt packs are linked • Two wireless intercom channels • Programmability via PC interface or User Interface in the field • Internal antenna in the Belt Pack • Very low occupied bandwidth • Frequency Response: 100Hz to 8kHz • Audio Dynamic Range ≥ 50dB • AES-48 Compliant  Terminology • LCD – Liquid Crystal Display • LED – Light Emitting Diode • WTA – Wireless Talk-Around • SA – Stage Announce • 4W – 4-Wire • 2W – 2-Wire • VHF – Very High Frequency • UHF – Ultra High Frequency • IEC – International Electrotechnical Commission • FCC – Federal Communications Commission • RSSI – Received Signal Strength Indicator • FSTN – Film compensated / Formulated / Filtered Super-twisted Nematic
      7  UV-1G Specifications RF Frequency Range    470-608 and 614-98MHz Base Tx, 174-216MHz Belt Tx Power Requirements    100-240 VAC, 50-60 Hz, 2.5A max IEC receptacle Temperature Range                   -4º F to 131º F (-20º C to 55º C) Dimensions    Base Station   14.68” x 17” x 1.75”  Belt Pack   5.55” x 3.78” x 1.83”     Weight  Base Station   7 lbs.  Belt Pack   14 Oz                               TX Antenna  Belt Pack   Internal  Base Station                  5/8 wave (Supplied)              RX Antenna  Belt Pack   Internal Base Station   1/4 wave (Supplied)                             FCC ID    2AA6F-UV-1GBP, 2AA6F-UV-1GBS IC ID    11482A-UV1GBP, 11482A-UV1GBS Frequency Response    100Hz-8 kHz Four Wire Input   Level Adjustable (2Vrms typical) Four Wire Output   Level Adjustable (2Vrms typical) Auxiliary Input   Adjustable (2Vrms typical) Auxiliary Output   Adjustable (2Vrms typical into 600Ω) Stage Announce Output Internally Adjustable (2Vrms typical at rated deviation into 600Ω) Stage Announce Relay    Dry Contact, rated at 1 Amp, 24V Max Mic input sensitivity    9mV Local Headset Output               40mW output into 600Ω (1% Distortion)  Transmitter Type     Two Transmitters, Synthesized Transmit Power (each transmitter) 100mW, 250mW PEP Max (High Part 74 use only), 10mW, 20mW, 50mW (Part 15 use) Modulation Type    ENB RF Frequency Stability   ±1.5ppm Occupied Bandwidth      25kHz Radiated Harmonics and Spurious Exceeds FCC Specifications
      8  Receiver Type    Direct Conversion RF Sensitivity      -117dBm for 12dB SINAD  Squelch Threshold   Automatic IF Selectivity   25kHz RF Frequency Stability    ±1.5 ppm Distortion    <1% at full modulation
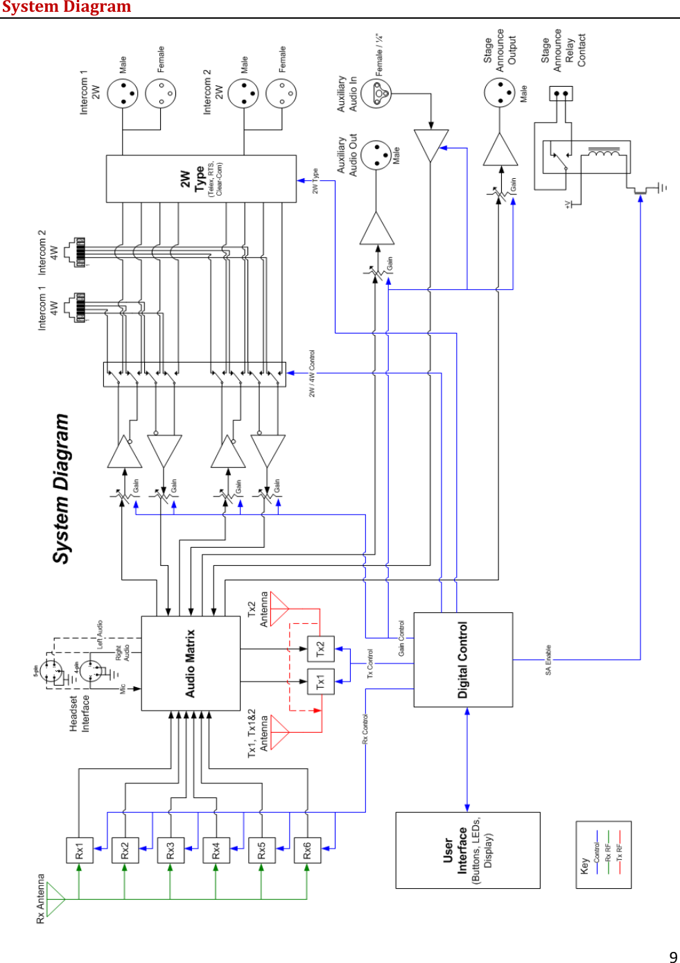
      9  System Diagram
      10  Base Station   Front Panel Button Descriptions   Figure 1 UV-1G Front Panel Buttons  1. Power Button: Momentary press to power up unit; press and hold to power off. 2. Soft Key 1: Menu Navigation; variable button function. 3. Soft Key 2: Menu Navigation; variable button function. 4. Rotary Encoder and Select: Rotate for Menu Navigation; press to make selection of a given menu option. 5. Channel 1 Mute/Unmute: Momentary press to Mute or Unmute Belt Pack #1. 6. Channel 2 Mute/Unmute: Momentary press to Mute or Unmute Belt Pack #2. 7. Channel 3 Mute/Unmute: Momentary press to Mute or Unmute Belt Pack #3. 8. Channel 4 Mute/Unmute: Momentary press to Mute or Unmute Belt Pack #4. 9. Channel 5 Mute/Unmute: Momentary press to Mute or Unmute Belt Pack #5. 10. Channel 6 Mute/Unmute: Momentary press to Mute or Unmute Belt Pack #6. 11. Intercom 1 Output Gain: Momentary press to show Intercom 1 Output Gain screen on LCD; press and hold to force this screen to persist. See Gain Adjustments section. 12. Intercom 1 Input Gain: Momentary press to show Intercom 1 Input Gain screen on LCD; press and hold to force this screen to persist. See Gain Adjustments section. 13. Intercom 1 Select: Momentary press toggles Intercom 1 between one of three options: 2-wire, 4-wire, Off. 14. Intercom 2 Output Gain: Momentary press to show Intercom 2 Output Gain screen on LCD; press and hold to force this screen to persist. See Gain Adjustments section. 15. Intercom 2 Input Gain: Momentary press to show Intercom 2 Input Gain screen on LCD; press and hold to force this screen to persist. See Gain Adjustments section. 16. Intercom 2 Select: Momentary press toggles Intercom 2 state between one of three options: 2-wire, 4-wire, off. 17. Auxiliary Output Gain: Momentary press to show Auxiliary Output Gain screen on LCD; press and hold to force this screen to persist. See Gain Adjustments section. 18. Auxiliary Input Gain: Momentary press to show Auxiliary Input Gain screen on LCD; press and hold to force this screen to persist. See Gain Adjustments section. 19. Auxiliary Enable/Disable: Momentary press enables or disables Auxiliary Input and Output. 20. Stage Announce Gain: Momentary press to show Stage Announce Gain screen on LCD; press and hold to force this screen to persist. See Gain Adjustments section.
      11  21. Channel 1 Enable/Disable: Momentary press toggles state of transmitter for local headset respecting Channel 1. 22. Channel 2 Enable/Disable: momentary press toggles state of transmitter for local headset respecting Channel 2. 23. Headset Microphone Gain: Momentary press to show Headset Microphone Gain screen on LCD; press and hold to force this screen to persist. See Gain Adjustments section. 24. Talk Button: Momentary press latches local headset talk on channels determined by the status of 21 and 22. Press and hold for non-latching operation. 25. Headset Volume: Headset volume audio potentiometer.
      12  Front Panel LED Description    Figure 2 Front Panel LED Descriptions  1-6. Channel n Status LED: Green = receiver signal present, flashing Red = belt pack battery low, alternating Green/Red = receiver signal present and belt pack battery low. 7-12. Channel n Mute LED: Green = channel enabled, Yellow = channel muted, Off = channel disabled. 13. Intercom 1 2-Wire Enable LED: green = enabled, red = over modulation, off = disabled. 14. Intercom 1 4-Wire Enable LED: green = enabled, red = over modulation, off = disabled.  15. Intercom 2 2-Wire Enable LED: green = enabled, red = over modulation, off = disabled. 16. Intercom 2 4-Wire Enable LED: green = enabled, red = over modulation, off = disabled. 17. Auxiliary Enable LED: green = enabled, red = over modulation, off = disabled. 18. Local Headset Channel 1 Enable LED: green = enabled, off = disabled. 19. Local Headset Channel 1 Status LED: green = local headset traffic on channel 1 (i.e. Talk button being pressed and local headset channel 1 enabled), red = over modulation,  off = no traffic. 20. Local Headset Channel 2 Enable LED: green = enabled, off = disabled. 21. Local Headset Channel 2 Status LED: green = local headset traffic on channel 2 (i.e. Talk button being pressed and local headset channel 2 enabled), red = over modulation,  off = no traffic. 22. Power / Fan Fail LED: green = system powered up, red = fan failure condition.
      13  Rear Panel Description    Figure 3 Base Station Rear Panel 1. Receive antenna (TNC) 2. Ethernet RJ-45 Port 3. Base Link RJ-45 Port 4. Intercom 1 3-pin XLR Male 5. Intercom 1 3-pin XLR Female 6. Intercom 1 4-wire port 7. Intercom 2 3-pin XLR Male 8. Intercom 2 3-pin XLR Female 9. Intercom 2 4-wire port 10. Transmit Antenna 1 (TNC) 11. Transmit Antenna Selection Switch 12. Auxiliary XLR 3-pin with ¼” audio input 13. Auxiliary XLR 3-pin audio output 14. Stage Announce Relay Contact 15. Stage Announce XLR 3-pin audio output 16. DC Power Input 17. Transmit Antenna 2 (TNC)
      14  Belt Pack    13425 Figure 4 Belt Pack Top View 1. Channel 1 Button: at the home screen, push this button to transmit on Channel 1. In the menu, this button is used to select the item that is boxed. a. Talk / Over modulation LED for Channel 1: this LED turns on when the Channel 1 talk button is pressed. It is normally green while the transmitter is active for that button, and it will turn red if over modulation occurs. 2. Channel 2 Button: at the home screen, push this button to transmit on Channel 2. In the menu, this button is used to select the item that is boxed. a. Talk / Over modulation LED for Channel 2: this LED turns on when the Channel 2 talk button is pressed. It is normally green while the transmitter is active for that button, and it will turn red if over modulation occurs. 3. Soft Key 1 Button: at the home screen, push this button to transmit on the user-configured channel (Channels 1+2, WTA 1, WTA 2, WTA 1+2, SA). In the menu, this is a “soft key” and will perform the function that is described on the LCD. a. Talk / Over modulation LED for the Programmable 1 talk button: this LED turns on when the button is pressed. It is normally green while the transmitter is active for that button, and it will turn red if over modulation occurs. 4. Soft Key 2 Button: at the home screen, push this button to transmit on the user-configured channel (Channels 1+2, WTA 1, WTA 2, WTA 1+2, SA). In the menu, this is a “soft key” and will perform the function that is described on the LCD. a. Talk / Over modulation LED for the Programmable 2 talk button: this LED turns on when the button is pressed. It is normally green while the transmitter is active for that button, and it will turn red if over modulation occurs. 5. LCD with Backlight: The backlight turns on when a button is pressed as long as the belt pack isn’t set up to blackout the backlight.
      15  9786 Figure 5 Belt Pack Side Views  6. Auxiliary Ports: USB port and auxiliary audio input. 7. Left Encoder: at the home screen, this adjusts the headset volume for Channel 1. In the menu, it is used for navigation and changing values. 8. Right Encoder: at the home screen, this adjusts the headset volume for Channel 2. In the menu, it is used for navigation and changing values. 9. Power / Menu Button: located on the side of the belt pack, a momentary press turns the belt pack on; press and hold to turn the unit off. When the belt pack is on, a momentary press will toggle the menu.  101112 Figure 6 Belt Pack Bottom View  10. Headset connector: four pin (shown) or five pin XLR male. 11. Battery Latch. 12. Removable Belt Clip
      16  Quick Start Guide  Base Station Operation 1. Power: Insert a standard 120VAC IEC power cable into the power connector located on the back of the base station. 2. Antennas: Connect antennas to ports on back of Base Station. 3. Connect Headset: Insert the headset connector into the base station until it snaps into place. 4. Powering Up: Press the power button. The display will turn on as well as various LEDs. 5. Tx & Rx Frequencies: Program the transmitter and receiver frequencies as desired. See Section 6: Base Station Operation or Section 8: PC Application for information on how to program frequencies from the Base Station itself or from the PC Application. Note: the defaults for Rx 1 – Rx 6 are 175MHz, 176MHz, 177MHz, 178MHz, 179MHz, and 180MHz. The default for Tx1 is 519MHz and Tx2 is 520MHz. 6. Intercom 2W / 4W:   Belt Pack 1. Batteries: Place five (5) new “AA” lithium or alkaline batteries into the provided battery sled, in the correct polarity. 2. Connect Headset: Insert the headset connectors into the belt packs until they snap into place. 3. Powering Up: Press the Power / Menu button that is located on the side of the belt pack. The display will turn on and the belt pack will power on. 4. Tx & Rx Frequencies: Program the transmitter and receiver frequencies as desired. See Section 7: Belt Pack Operation or Section 8: PC Application for information on how to program frequencies from the Belt Pack itself or from the PC Application. Note: the default for Rx1 is 519MHz, Rx2 is 520MHz, and Tx is 175MHz. These values will work with the Base Station defaults for one belt pack (belt pack #1). The other belt packs will need their frequencies changed from the defaults. See notes above.   Congratulations, your new base station is ready for use!
      17  Base Station Operation    Figure 7 Base Station Power The Base Station is powered by 120VAC, 2.5A (max) using a standard IEC power cable to a low voltage power supply.   Powering Up To turn the Base Station on, press the POWER button as shown in Figure 7 above. While the Base Station powers up, a splash screen will appear.   RADIOACTIVEDESIGNS . . .  Once the Base Station is ready for use, the Home Screen will be displayed.  Powering Down To turn the Base Station off, press and hold the POWER button until the LCD screen goes blank.
      18    Home Screen The Home Screen is the root of the UV-1G Base Station UI. It displays information regarding transmitter power level, receiver status, base station link mode, and local headset status. The left portion of the screen provides links to the main menu and RSSI screens. MENUMENU........MM..................RR1 1 CC11......RR4 4 OFFOFFMENUMENU........TT1 501 50mWmW......RR2 2 CC22......RR5 5 NTxNTxMENUMENU........TT2 502 50mWmW......RR3 3 OFFOFF....RR6 6 WW11RSSIRSSI........HSHS: : OFFOFF  Transmitter Power Level The indicators T1 and T2 represent Transmitter 1 and Transmitter 2. The options for these are: OFF, 10mW, 20mW, 50mW (Part 15), and 100mW, 250mW (Part 74 only).  See TRANSMITTER SETTINGS for details on changing these parameters.  Receiver Status The indicators R1 through R6 represent the status of a given receiver (transmit status for each belt pack).  The table below shows the different receiver status codes along with their meaning.  Code Meaning OFF Receiver is off (disabled). NTx Receiver is enabled and the belt pack is not transmitting. C1 (Intercom) Channel 1 C2 (Intercom) Channel 2 C12 (Intercom) Channels 1 & 2 W1 Wireless-Talk-Around 1 W2 Wireless-Talk-Around 2 W12 Wireless-Talk-Around 1 & 2 SA Stage Announce  Base Station Link Mode The Base Station Link Mode status appears on the Home Screen above the power level indication for transmitter 1 (T1).  The letter M stands for master and S for slave.  Two base stations can be linked to expand the number of belt packs that a system can handle.
      19  Local Headset Status The Local Headset Status information is labeled as HS. The table below shows the different Local Headset Status codes along with their meaning.  Code Meaning OFF Local headset is disabled. T/L Local headset is enabled. Talk and listen capability is enabled. LO Local headset is enabled. Transmit functionality is disabled (listen only).   RSSI Screen To get to the RSSI (Received Signal Strength Indication) screen, press the bottom soft key labeled RSSI. R1        R4            R2        R5 OFFBACK R3        R6 OFFMENU....M.........R1 C1...R4 OFFMENU....T1 50mW...R2 C2...R5 NTxMENU....T2 50mW...R3 OFF..R6 W1RSSI....HS: OFFBACKBACKRSSIRSSI  The RSSI screen, shown above, displays the signal strength of each receiver. Presence of the word OFF means that particular receiver is disabled.
      20  Menu Structure   Passcode Protection The base station menu can be protected by a passcode. When the MENU button is pressed from the home screen the screen will change as follows: BACKMENUMENU....M.........R1 C1...R4 OFFMENU....T1 50mW...R2 C2...R5 NTxMENU....T2 50mW...R3 OFF..R6 W1RSSI....HS: OFFINFO......Enter the Passcode:MENU....MENU........0....*....*....*BACK....**  The passcode is four digits long and each digit can be any 0 – 9 number.  • Press SELECT to change the selected (boxed) digit.  • Once the last digit is entered, press SELECT.  If the entered passcode is correct, the menu screen will be displayed. If it is incorrect, “Invalid Passcode” will be displayed for three seconds before returning to the home screen.  See ENABLING/DISABLING THE PASSCODE and CHANGING THE PASSCODE for instructions on how to enable/disable and change the passcode.  Receiver Settings  The receiver settings allow the user to change the receiver frequencies, as well as enable or disable them.  To get to the receiver settings, from the home screen, press MENU then press SELECT on RX SETTINGS. The screen will appear as follows:  ........................179179..450450................RR22: : 202202..020020BACKBACK........RR33: : 215215..300300R1:
      21  This screen displays the frequency (in MHz) of all six receivers.  If a given receiver is disabled, the word DISABLED will appear in place of a numerical frequency value.  • Use the rotary encoder to navigate to the desired receiver and press SELECT to change the receiver frequency or status (enabled / disabled).   The following is an example of selecting R1:  ................RR1 1 Freq  Freq  :: 179179..450450........ ........   StatusStatus: : EnabledEnabled................BACKBACK........Freq  :  • To change the frequency, press SELECT and the first frequency digit will be boxed (see below).  • Use the encoder to change the value of the boxed digit (up / down).  • Press SELECT to move on to the next digit.  • Once the frequency has been changed as desired, press SAVE to save the change or BACK to cancel. SAVESAVE........RR1 1 Freq  Freq  : : 117979..450450........ ........   StatusStatus: : EnabledEnabled................BACKBACK........1UpDown  • To change the status, scroll down to STATUS and press SELECT.  • Use the encoder to change the selection and press SAVE to save the change.  ................RR1 1 Freq  Freq  : : 179179..450450........ ........   StatusStatus:: EnabledEnabled................BACKBACK........Status:SAVESAVE........RR1 1 Freq  Freq  : : 179179..450450........ ........   StatusStatus: : EnabledEnabled................BACKBACK........EnabledSelectUpDown  Transmitter Settings  The transmitter settings allow the user to change the transmitter frequencies and power levels as well as enabling/disabling them.  • To get to the transmitter settings from the home screen, press MENU, scroll down to “Tx Settings,” and press SELECT.   The screen will appear as follows:
      22  ........................5050mWmW........470470..000000................TT22: : 5050mWmW........471471..040040................BACKBACK........T1:  This screen lists the frequency (in MHz) of both transmitters, the power level, and the status (enabled/disabled). For example if transmitter one is disabled, T1: DISABLED will be displayed.  If it is enabled, then it will be displayed as it is shown above.  • To change any of these settings, scroll to the transmitter you desire to change, press SELECT and the screen will appear as follows:  ................TT11....................5050mWmW..........................Freq Freq : : 470470..000000................BACKBACK........Power:  • To change the transmitter power, press SELECT.  • Use the encoder to change the value. • Press SAVE to save or BACK to cancel the change.    SAVESAVE........TT11......PowerPower::..........................Freq Freq : : 470470..000000................BACKBACK........50mWUpDown  • To change the frequency, select FREQ and the first frequency digit will be boxed (see below).  • Use the encoder to change the boxed digit and press SELECT to change which digit is boxed.  • Press SAVE to save the change or BACK to cancel.  ................TT11......PowerPower:: 5050mWmW........................................470470..000000................BACKBACK........Freq :SAVESAVE..........TT11......PowerPower: : 5050mWmW............................Freq Freq ::  7070..000000................BACKBACK........4SelectUpDown Note: For operation under Part 15 of FCC Rules, the maximum transmitter power is 50mW. Higher power requires a license under Part 74 of the FCC Rules. Local Headset Options  There are two local headset options: Status or Earphones.
      23  The Status setting allows the local headset to be disabled, set up as listen only, or as a fully functioning headset (talk and listen).  The Earphone’s setting controls where the receiver audio gets routed, to the left and/or right earphones.  If Separate is selected, audio from Receiver 1 will be routed to the right earphone and audio from Receiver 2 will be routed to the left earphone.  If Combined is chosen, audio from both receivers will be routed to both earphones.  Note: If only one receiver is enabled, then the audio from that receiver will be routed to both earphones no matter what option is chosen. These options are located in the menu under “Local Headset.” ........................................TalkTalk//ListenListenBACKBACK........Earphones Earphones : : CombinedCombinedBACKBACK........Status    :SAVESAVE........Status    Status    ::..TalkTalk//ListenListenBACKBACK........Earphones Earphones : : CombinedCombinedBACKBACK........Talk/Listen................Status    Status    : : TalkTalk//ListenListenBACKBACK........Earphones Earphones : : CombinedCombinedBACKBACK........Earphones :SAVESAVE........Status    Status    ::..TalkTalk//ListenListenBACKBACK........Earphones Earphones : : CombinedCombinedBACKBACK........CombinedSelectUpDownUpDownSelectUpDownUpDown           Display Settings  Blackout Mode  SelectUpDown..................................................OFFOFF................Backlight Time Backlight Time : : 1010SSBACKBACK........LCDLCD..BrightnessBrightness..: : 33Blackout Mode  :SAVESAVE........Blackout Mode  Blackout Mode  ::................Backlight Time Backlight Time : : 1010SSBACKBACK........LCD Brightness LCD Brightness : : 33OFF
      24  Blackout Mode allows the user to disable all the LEDs on the base station.  • To get to blackout mode screen, from the home screen, press MENU, scroll down to Display Settings and press SELECT.   Blackout mode is the first display setting. There are four options: OFF, LEDs, BKLGHT (backlight), and ON. ON means that both the backlight and LEDs will be disabled. OFF means that both the backlight and LEDs operate normally.  LEDs means that just the LEDs will be disabled or blacked out. BKLGHT means that just the backlight will be disabled or blacked out.  • To change the blackout mode, press SELECT and then turn the encoder as shown above.  • Press the SAVE button to save the change or press BACK to ignore it.  Backlight Time  SelectUpDown................Blackout Mode  Blackout Mode  : : OFFOFF..................................................1010SSBACKBACK........LCD Brightness LCD Brightness : : 33Backlight Time :SAVESAVE........Blackout Mode  Blackout Mode  : : OFFOFF................Backlight Time Backlight Time ::BACKBACK........LCD Brightness LCD Brightness : : 3310S  The Backlight Time setting changes the amount of time the backlight stays on for.   • To get to the backlight time screen, from the home screen, press MENU, scroll down to DISPLAY SETTINGS and press SELECT.    Backlight time is the second display setting.  Each time any button is pressed or the encoder is turned the backlight timer gets reset.   The choices are:  5S for 5 seconds 10S for 10 seconds 20S for 20 seconds 30S for 30 seconds 60S for 60 seconds ON meaning it will never turn off.  • To change the backlight time, press SELECT. • Turn the encoder as shown above. • Press SAVE to save the change or BACK to ignore it.
      25  LCD Brightness  SelectUpDownSAVESAVE........Blackout Mode  Blackout Mode  : : OFFOFF................Backlight Time Backlight Time : : 1010SSBACKBACK........LCD Brightness LCD Brightness ::3................Blackout Mode  Blackout Mode  : : OFFOFF................Backlight Time Backlight Time : : 1010SSBACKBACK..........................................33LCD Brightness :  The LCD brightness setting changes the brightness of the LCD’s backlight.  • To get to the LCD brightness screen, from the home screen, press MENU, scroll down to Display Settings and press SELECT.    LCD Brightness is the third display setting. The choices are 1 – 5, with 1 being dim and 5 being the brightest.  • To change the brightness, press SELECT. • Turn the encoder as shown above.   • Press SAVE to save the change or press BACK to ignore it.    Note: the brightness updates in real time as it is modified. LCD Contrast  SAVESAVE........Backlight Time Backlight Time : : 1010SS................LCD Brightness LCD Brightness : : 33BACKBACK........LCD Contrast   LCD Contrast   ::7................Backlight Time Backlight Time : : 1010SS................LCD Brightness LCD Brightness : : 33BACKBACK..........................................77LCD Contrast   :SelectUpDown  The LCD contrast setting changes the display’s contrast.   • To get to the LCD contrast screen, from the home screen, press MENU, scroll down to DISPLAY SETTINGS and press SELECT.   LCD contrast is the fourth display setting. The choices are 1 – 11, with 1 being the dimmest and 11 being the brightest.  • To change the contrast, press SELECT. • Turn the encoder as shown above.  • Press SAVE to save the change or press BACK to ignore it.    Note: the contrast updates in real time as it is modified.
      26  LED Brightness  ................LCD Brightness LCD Brightness : : 33................LCD Contrast   LCD Contrast   : : 77BACKBACK..........................................33LED Brightness :SAVESAVE........LCD Brightness LCD Brightness : : 33................LCD Contrast   LCD Contrast   : : 77BACKBACK........LED Brightness LED Brightness ::3SelectUpDown  The LED brightness setting changes the talk buttons LED’s brightness.   • To get to the LED brightness screen, from the home screen, press MENU, scroll down to Display Settings and press SELECT.   LED brightness is the last display setting.  The choices are 1 – 5, with 1 being the dimmest and 5 being the brightest.   • To change the brightness, press SELECT. • Turn the encoder as shown above.  • Press SAVE to save the change or press BACK to ignore it.    Note: the brightness updates in real time as it is modified.    Base Station Link Modes  Two base stations can be “linked” together to expand the number of belt packs that the system can handle.   The two options are Master and Slave. When two base stations are “linked” together, one must be set up as a master and the other as a slave.   The master base station works just like a normal base station except it will receive audio from the slave base station that it will route.   The slave base station receives up to six belt packs’ audio and gives it to the master to route. The slave’s transmitters and all the ports on the back of the base station will be disabled.   • To change the base station link mode, go to LINK SETTINGS in the menu, and press SELECT. • Turn the encoder to the desired setting and  • press SAVE.  EXITEXIT........Local HeadsetLocal Headset................Display SettingsDisplay Settings................                MasterMasterLink Settings:SAVESAVE........Local HeadsetLocal Headset................Display SettingsDisplay SettingsBACKBACK........Link SettingsLink Settings :: MasterMasterMasterSelectUpDown
      27      Info Screen  The Info screen displays a version number and serial number of the base station.  The version number is a composite firmware version number of all the firmware running in the base station.  ................VERVER::..XXXX..XXXXXX................SNSN..::..XXXXXXXXXXXXXXXXBACKBACKSelectEXITEXIT........Display SettingsDisplay Settings................Link SettingsLink Settings : : MasterMasterInfo  The Info screen is located in the menu right below LINK SETTINGS.  To view the screen, press SELECT as shown above.  Enabling/Disabling the Passcode  The Menu can be passcode protected.  The passcode is a four digit 0 – 9 number.  EXITEXIT........Link SettingsLink Settings : : MasterMaster................InfoInfo................Passcode Passcode : : DisabledDisabledPasscode:SAVESAVE........Link SettingsLink Settings : : MasterMaster................InfoInfoBACKBACK........PasscodePasscode : : DisabledDisabledDisabledSelectUpDown  The passcode can be enabled or disabled from the PASSCODE screen.  It is located below the Info screen in the Menu as shown above.   • To change the setting, press SELECT. • Turn the encoder until the desired option appears • Press SAVE.
      28      Changing the Passcode Combine Passcode Sections?  The Passcode can be changed by selecting Change Passcode in the Menu.  • Select Change Passcode  • Enter the desired new passcode (pressing SELECT to advance to the next digit) • Press SAVE • Re-enter the desired new passcode • Pressing SAVE once finished.    If the two passcodes that were just entered match, then the passcode will be changed to that value.  If they don’t match, then the passcode will remain unchanged.  EXITEXIT........InfoInfo................PasscodePasscode : : DisabledDisabled................Change PasscodeSAVESAVE............Enter New PasscodeEnter New Passcode ::MENUMENU........MENUMENU................00........**........**........**BACKBACK........*SAVESAVE..........ReRe--enter New Passcodeenter New Passcode ::MENUMENU........MENUMENU................00........**........**........**BACKBACK........*BACKBACK........MENUMENU........ErrorError: : Passcodes don’tPasscodes don’tMENUMENU....       ....       matchmatch..BACKBACK........EXITEXIT........MENUMENU..............PasscodePasscode..ChangedChanged ..MENUMENU.... .... BACKBACK........SelectSaveSaveSave
      29  Gain Adjustments Gain adjustments can be made to the following:  Intercom 1 inputs and outputs (2W and 4W) Auxiliary inputs and outputs, and  Stage Announce (and the local headset microphone which is described in the Local Headset section) All gains have eleven (11) settings.   • To change one of the gain settings, press the appropriate gain button and then use the encoder to adjust it.    The gain screen will go away after 30 seconds if no button press or encoder knob turn is made.   When changing one of the gains a bar graphic along with a number will be displayed on the screen to show the current setting.   A label telling what gain it is and a status (when applicable) is also shown.  • Turn the encoder knob clockwise to increase the gain and counter clockwise to decrease the gain.  The change will take place immediately.   • When finished, press SAVE to save the change, otherwise press BACK, or wait for the timeout to cancel any changes (the value will revert back).   Note: Stage Announces’ gain can be changed at anytime, however Intercom 1 and 2 and Auxiliary need to be enabled to be able to change their gains.  Intercom 1 & 2  SAVESAVE......COM COM 1 41 4W Input GainW Input GainBACKBACK......StatusStatus: : EnabledEnabled7  The figure above shows an example of what an Intercom gain screen looks like.  Note: the Intercom must be enabled to change the gain.  Auxiliary  SAVESAVE......Aux Input GainAux Input GainBACKBACK......StatusStatus: : EnabledEnabled7
      30  The figure above shows an example of what an Auxiliary gain screen looks like.  Note: Auxiliary must be enabled to change the gain.        Stage Announce  SAVESAVE......SA GainSA GainBACKBACK......7  The figure above shows what the Stage Announce gain screen looks like.  Local Headset  Microphone Gain  • Change the local headset microphone gain by pressing the Mic Level button (below the Talk button).  The display will change as shown below.   • Use the encoder to change the gain, and press SAVE to save the change or BACK to ignore it.   Note: the microphone gain updates in real time as it is modified. SAVESAVE......Mic GainMic GainBACKBACK......7 Volume  The local headset volume is control by a knob, located to the right of the TALK and MIC level buttons.
      31  Intercom CH1 and CH2 Buttons and LEDs  These two buttons allows the base station user to transmit on Intercom Channel 1, Intercom Channel 2 or both.   When enabled the audio will be routed through that intercom channel (and not routed when it is disabled).   There are two LEDs above each of these buttons: • The one on the left is a green LED that is on when that channel is enabled and off when disabled.  • The LED on the right is a red and green LED combo.  It is green when that intercom channel’s audio is being routed and the talk button is pressed and red when this is true plus the user’s microphone is over modulating.  Talk Button The Talk button allows the base station user to transmit.  The button can be pressed and held or “tapped” on and off.   Belt Pack Operation            Figure 8 Belt Pack Power Button
      32  Battery Before the belt pack is turned on, be sure to attach a fresh battery pack.  During operation, the battery meter will display the battery’s status.  Powering Up To turn the belt pack on, press the power button as shown in Figure 8 above.  While the belt pack is powering on, a splash screen will be displayed.  RADIOACTIVEDESIGNS . . .  Once the belt pack is ready to go, the home screen will be displayed.  Powering Down To turn the belt pack off, press and hold (approximately 3 seconds) the power button until the LCD screen goes blank.
      33    Home Screen Talk Buttons and LEDs The belt pack has four talk buttons with a corresponding set of green and red LEDs.   The top two talk buttons, Intercom Channel 1 and Intercom Channel 2, are fixed in functionality although the label names are programmable.   The bottom two talk buttons are programmable with the following choices:  • Intercom Channels (CH) 1 & 2 • Wireless-Talk-Around (WTA) 1 • Wireless-Talk-Around (WTA) 2  • Wireless-Talk-Around (WTA) 1 & 2  • Stage Announce (SA).   The home screen displays this information in the four boxes in the corners of the screen.  Each talk button has a green and red LED set.   The green LED turns on to show that the transmitter is active for that channel.   The red LED turns on when microphone over modulation occurs while transmitting.  Intercom and Programmable Button Labels The home screen displays a boxed “T” next to each talk button label box to show the transmitter’s status for each button.   The “T” means that the transmitter is on, and a box around the “T” means that the mic is unmuted.   Note: it is possible to turn on the transmitter with the microphone muted (no audio is transmitted).  Signal and Battery Meters The signal and battery meters are there to assist the user.   The signal meter is an average of both receiver’s signal strength if both are enabled, or if just one receiver is enabled it is that receiver’s signal strength.   The battery meter displays the battery’s status.  Local Headset Volume The headset volume is changeable via the two knobs: • Left changes Channel One • Right changes Channel Two   If the local headset volume option is set to COMBINED, both knobs change volume of both receivers proportionally.
      34  Power / Menu Button This button is used to turn on and off the belt pack, as well as to get into and out of the menu.   • When the belt pack is off, press the button to turn it on.   • When on, press and hold (approximately 3 seconds) to turn it off.   • To get into or out of the menu, when the belt pack is on, press (without holding) the button. Menu Structure  Display Settings  • To get to the display settings from the home screen, press the MENU button.    The screen will appear as follows: Advanced SettingsAdvanced SettingsExit   Exit   <<BPBP IDID>   >   MicMic GGDisplay Settings • Press SELECT.  Blackout Mode DownUpDownUpSelectBlackoutBlackout..ModeMode..::BacklightBacklight..TimeTime: : 1010SSSAVE              BACKSAVE              BACKOFF................................OFFOFFBacklightBacklight..TimeTime: : 1010SS                  BACK                  BACKBlackout Mode :  Blackout mode is the first display setting. It allows the LCD backlight and/or the talk LEDs to be disabled or “blacked out”.   There are four options: OFF, LEDs, BKLGHT (backlight), and ON.   ON means that both the backlight and LEDs will be disabled, and  OFF means that both the backlight and LEDs operate normally.   LEDs means the LEDs will be disabled or blacked out, and likewise  BKLGHT means the backlight will be disabled or blacked out.   • To change the blackout mode, press SELECT • turn either encoder as shown above.   • Press SAVE to save the change or BACK to ignore it.
      35  Backlight Time DownUpDownUpSelectBlackoutBlackout..Mode Mode : : OFFOFFBacklightBacklight..TimeTime::SAVE              BACKSAVE              BACK10SBlackoutBlackout..ModeMode..::..OFFOFF................................1010SS                  BACK                  BACKBacklight Time:  The backlight time setting changes the amount of time the backlight stays on for.   Each time any button is pressed or encoder is turned the backlight timer gets reset.    The choices are:  5S for 5 seconds 10S for 10 seconds 20S for 20 seconds 30S for 30 seconds 60S for 60 seconds ON meaning it will never turn off.    • To change the backlight time, press SELECT • turn either encoder as shown above.   • Press SAVE to save the change or BACK to ignore it.  LCD Brightness DownUpDownUpSelectBacklightBacklight..TimeTime::..1010SSLCDLCD..BrightnessBrightness::SAVE              BACKSAVE              BACK3BacklightBacklight..TimeTime: : 1010SS................................33                  BACK                  BACKLCD.Brightness:  The LCD brightness setting changes the brightness of the LCD’s backlight.   The choices are 1 – 5, with 1 being the dimmest and 5 being the brightest.   • To change the brightness, press SELECT • Turn either encoder as shown above.   • Press SAVE to save the change or BACK to ignore it.    Note: the brightness updates in real time as it is modified.
      36  LCD Contrast DownUpDownUpSelectLCDLCD..BrightnessBrightness: : 33LCDLCD..ContrastContrast....::SAVE              BACKSAVE              BACK7LCDLCD..BrightnessBrightness::..33................................77                  BACK                  BACKLCD Contrast  :  The LCD contrast setting changes the display’s contrast.   The choices are 1 – 11, with 1 being the dimmest and 11 being the brightest.    • To change the contrast, press SELECT • Turn either encoder as shown above.   • Press SAVE to save the change or BACK to ignore it.    Note: the contrast updates in real time as it is modified.  LED Brightness DownUpDownUpSelectLCDLCD..Contrast  Contrast  : : 77LEDLED..BrightnessBrightness::SAVE              BACKSAVE              BACK3LCDLCD..Contrast  Contrast  : : 77................................33                  BACK                  BACKLED Brightness:  The LED brightness setting changes the talk buttons LED’s brightness.   The choices are 1 – 5, with 1 being the dimmest and 5 being the brightest.    • To change the brightness, press SELECT • Turn either encoder as shown above.   • Press SAVE to save the change or BACK to ignore it.    Note: the brightness updates in real time as it is modified.    Advanced Settings  • To get to the advanced settings, from the home screen, press the MENU button.
      37  The screen will look like this:  Advanced SettingsAdvanced SettingsExit   Exit   <<BPBP IDID>   >   MicMic GGDisplay Settings • Use either encoder to scroll down to Advanced Settings.   • Once it is boxed, press SELECT.  Passcode Protection  The advanced menu can be passcode protected if desired.   When the passcode is enabled, once the user presses select on ADVANCED SETTINGS, the screen will appear as follows:  ........EnterEnter..PasscodePasscode::..**....**....**....**INFOINFO............................BACKBACK*  The passcode is four digits where each digit can be any 0 – 9 number.   • Use either encoder to change the selected digit.   • Press SELECT to change the selected (boxed) digit.   • Once the last digit is entered press SELECT.   If the entered passcode is correct the belt pack will go to the advanced settings.   If it is incorrect Invalid Passcode will be display for three seconds before returning to the main menu.  See ENABLING/DISABLING THE PASSCODE and/or CHANGING THE PASSCODE at the end of this section for more information.   Transmitter Settings  The transmitter settings allow the user to change the transmitter power level, frequency, status, and Intercom transmit settings.   The transmitter settings are located in the ADVANCED SETTINGS sub-menu.   Once selected, the screen will appear as follows:  TT11..........................5050mWmW........FreqFreq..........::..214214..000000....................................BACKBACKPower    :
      38  • To change the transmitter power level, press SELECT.   • Use either encoder to change the value and press SAVE to save or BACK to ignore the change.   The choices are 10mW and 50mW.  DownUpDownUpTT11....PowerPower........::........FreqFreq..........::..214214..000000SAVESAVE............................BACKBACK50mW  • To change the frequency, scroll down to box FREQ:  press SELECT and the first frequency digit will be boxed (see below).  • Use either encoder to change the boxed digit • Press SELECT to change which digit is boxed.   • Press SAVE to save the change or BACK to ignore it.    The belt pack transmitter frequency range is 174 MHz – 216 MHz (VHF), and the step size if 5 kHz. DownUpDownUpSelectTT11....PowerPower........::..5050mWmW..............................214214..000000....................................BACKBACKFreq     :TT11....PowerPower........::..5050mWmW........FreqFreq..........::....1414..000000SAVESAVE............................BACKBACK2  The status is the “master” control for the transmitter.   If it is set to disabled then the transmitter will be powered down, and all transmit functionality of the belt pack will be disabled.   If it is set to enabled then the belt pack will function normally, transmitting when a transmit button is pressed.   • To change the status, scroll down until STATUS: is boxed and press SELECT.   • Use either encoder to change the status and press SAVE to save and BACK to ignore the change. DownUpDownUpSelectSave / BackTT11....FreqFreq........::..214214..000000............................EnabledEnabled....................................BACKBACKStatus  :TT11....FreqFreq........::..214214..000000........StatusStatus....::..EnabledEnabled....................................BACKBACKEnabled  The last two items in the transmitter settings are called ICOM1 Tx and ICOM2 Tx.
      39  These control whether the belt pack user is allowed to transmit on Intercom CH 1 and Intercom CH 2.   ENABLED = allowed DISABLED = not allowed    Please note that these don’t affect Wireless-Talk-Around 1 or 2 (they are controlled separately). They only affect Intercom Channels 1 and 2.   • To change either of these values scroll down until it is boxed and press SELECT.   • Use either encoder to change the status and press SAVE to save and BACK to ignore the change.  DownUpDownUpDownUpDownUpUp/DownSelectSave / BackSelectSave / BackTT11....StatusStatus....::..EnabledEnabled............................EnabledEnabled....................................BACKBACKICOM1 Tx:TT11....ICOMICOM11..TxTx::..EnabledEnabled............................DisabledDisabled....................................BACKBACKICOM2 Tx:TT11....StatusStatus....::..EnabledEnabled........ICOMICOM11..TxTx::..EnabledEnabled....................................BACKBACKEnabledTT11....ICOMICOM11..TxTx::..EnabledEnabled........ICOMICOM22..TxTx::..DisabledDisabled....................................BACKBACKDisabled   Receiver Settings  The receiver settings allow the user to change the receiver frequencies as well as enable/disable them.   The receiver settings are located in the ADVANCED SETTINGS sub-menu.   Once selected, the screen will appear as follows:  ........470470..000000RR22: : 498498..000000                  BACK                  BACKR1:  This screen lists the frequency (in MHz) of both receivers as well as the status.  For example if receiver one is disabled, R1: Disabled will be displayed.   If a frequency is listed instead of Disabled, then it is enabled and receiving at the specified frequency.   • To change a receivers’ frequency or status, scroll to the receiver you desire to change
      40  • Press SELECT and the screen will change to the following:  RR11..FreqFreq..:...:.470470..000000......StatusStatus::..EnabledEnabled                  BACK                  BACKFreq:  • To change the frequency, press SELECT and the first frequency digit will be boxed (see below).   • Use the encoder to change the boxed digit and press SELECT to change which digit is boxed.   • Once the frequency has been changed as desired, press SAVE to save the change or BACK to ignore it.    The belt pack receiver frequency range is 470-608MHz and– 614-698MHz (UHF), and the step size is 5kHz.  DownUpDownUpRR11..FreqFreq....::..447070..000000......StatusStatus::..EnabledEnabledSAVE              BACKSAVE              BACK4  The status enables (turns on) / disabled (turns off) the receiver.   Turn off an un-needed receiver to save battery power.   • To change the status, scroll down to box Status and press SELECT.   • Turn the encoder to change the selection  • Press SAVE to save the change. DownUpDownUpSelectRR11..FreqFreq....::..470470..000000......StatusStatus:.:.EnabledEnabled                  BACK                  BACKStatus:RR11..FreqFreq....::..470470..000000......StatusStatus::..EnabledEnabledSAVE              BACKSAVE              BACKEnabled  Channel Labels  The Channel Labels menu option in the Advanced Settings sub-menu provides a way to change the (Intercom) Channel talk button labels.
      41   SIG SIG:        :        BATTBATT::CAMERA 1 DIRECTORWTA 1&2 SAChannel 1Button Label Channel 2Button Label  This sub-menu allows the user to change, edit, remove, and add new labels.  Once the Channel Labels menu is entered, the screen will appear as follows:  EditEdit//Remove LabelsRemove Labels                  BACK                  BACKChange Labels  • Press SELECT to change what label is assigned to each Intercom.  Intercom CH 1 is on the left. Intercom CH 2 is on the right.   • Press SELECT to change which one gets changed.   • Use either encoder to scroll through the list of labels.   • Press SAVE to save your changes or BACK to ignore them.  Select              Director              DirectorSAVE              BACKSAVE              BACKCamera 1Camera Camera 11SAVE              BACKSAVE              BACKDirector  • To view the label list, or edit or remove a label, select the Edit/Remove Labels option in the Channel Labels sub-menu.   The screen will appear as follows:  CAMERA CAMERA 11REMOVEREMOVE........................BACKBACKDIRECTOR Select..IRECTORIRECTORSAVESAVE..........[[AA--ZZ]]........BACKBACKD  • Use either encoder to scroll through the list.   • Press SELECT to edit the currently selected label.   The left (CH 1) encoder changes the currently selected character.  The right (CH 2) encoder changes the group.    There are three groups: capital letters (A-Z), numbers (0-9), and symbols (SYM).
      42  • Press SELECT to change the selected character. • Press the left soft key labeled REMOVE to remove the currently selected label as shown below.  Are you sure you wantAre you sure you wantto remove DIRECTORto remove DIRECTOR ??NO                 YESNO                 YESDIRECTOR removedDIRECTOR removed !!........................................OKOKCAMERA CAMERA 11REMOVEREMOVE........................BACKBACKDIRECTOR RemoveYes  • To add a label to the list, select the Add New Label option in the Channel Labels sub-menu.   Labels are allowed to be a maximum of eight characters, and the controls are the same as editing.   The left (CH 1) encoder changes the currently selected character.  The right (CH 2) encoder changes the group.    There are three groups: capital letters (A-Z), numbers (0-9), and symbols (SYM).   • Press SELECT to change the selected character.  SelectEditEdit//Remove LabelsRemove Labels                  BACK                  BACKAdd New LabelJoe’s CH addedJoe’s CH added !!........................................OKOKJoe’s CJoe’s CADDADD............[[AA--ZZ]]........BACKBACKHAdd  Soft Button Labels  The Soft Button Labels menu option in the Advanced Settings sub-menu provides a way to change the soft (programmable) talk buttons.
      43   SIG SIG:        :        BATTBATT::CAMERA 1 DIRECTORWTA 1&2 SASoft (Programmable)Button 1 Label Soft (Programmable)Button 2 Label  There are five options:  Intercom Channels (CH) 1 & 2 Wireless-Talk-Around (WTA) 1 Wireless-Talk-Around (WTA) 2 Wireless-Talk-Around (WTA) 1 & 2 Stage Announce (SA)  • To change one of the buttons, press SELECT on the Soft Button Labels menu option.    The screen will appear as follows:                              SA              SASAVE              BACKSAVE              BACKWTA 1&2  • Use either encoder to scroll and find the desired option.   • To change the right soft button, press SELECT and the right button label will be boxed.   • Use either encoder to change the label.   • When done, press SAVE to save the changes or BACK to ignore them.    Rx Volume Options  There are two options for the way the receiver volumes are controlled: Independent and Master.   If Independent is selected, then the two receiver’s volumes are controlled independently.  At the home screen, the left encoder would control receiver 1 and the right would control receiver 2.   If Master is selected, then both encoders control the receiver’s volumes.  With Master selected, one receiver will be a ratio of the other (“x” amount of dB higher or lower than the
      44  other), and turning either encoder will change the volumes appropriately to keep the ratio the same.   See the PC Application section for more information on the different ratios available. DownUpDownUpSelectSoft Button LabelsSoft Button LabelsRxRx..VolumeVolume::SAVE              BACKSAVE              BACKIndependentSoft Button LabelsSoft Button Labels           Independent           Independent                  BACK                  BACKRx Volume:  Rx Volume is located under the Advanced Settings sub-menu below Soft Button Labels as shown above.   • To change the setting, press SELECT • Turn the encoder until the desired option appears • Press SAVE.  Headset Options  There are two local headset options: Combined or Separate.   This setting controls where the receiver audio gets routed, to the left and/or right earphone.   If Separate is selected, audio for receiver 1 will be routed to the right earphone and audio for receiver 2 will be routed to the left earphone.   If Combined is chosen, audio for both receivers will be routed to both earphones.   Note: if only one receiver is enabled then audio to that receiver will be routed to both earphones no matter what headset option is chosen. DownUpDownUpRxRx..VolumeVolume::....IndependentIndependent........................CombinedCombined                  BACK                  BACKHeadset  :SelectRxRx..VolumeVolume::....IndependentIndependentHeadsetHeadset....::SAVE              BACKSAVE              BACKCombined  The headset setting is located under the Advanced Settings sub-menu right below Rx Volume as shown above.   • To change the setting, press SELECT • Turn the encoder until the desired option appears • Press SAVE.
      45  Info Screen  The Info screen displays a version number and serial number of the belt pack.   The version number is a composite firmware version number of all the firmware running in the belt pack.  SelectVERVER: : XXXX..XXXXXXSNSN:  :  XXXXXXXXXXXXXXXX                  BACK                  BACKHeadsetHeadset....::....CombinedCombined                  BACK                  BACKInfo  The Info screen is located under the Advanced Settings sub-menu right below Headset.   • To view the screen, press SELECT as shown above.  Enabling/Disabling the Passcode  The Advanced Settings sub-menu can be passcode protected.   The passcode is a four digit decimal number (0 – 9). DownUpDownUpSelectInfoInfoPasscodePasscode..::SAVE              BACKSAVE              BACKDisabledInfoInfo........................DisabledDisabled                  BACK                  BACKPasscode :  The passcode can be enabled or disabled from the Passcode screen.   It is located right below the Info screen in the Advanced Settings sub-menu as shown above.   • To change the setting, press SELECT,  • Turn the encoder until the desired option appears • Press SAVE.  Changing the Passcode  The passcode can be changed by selecting Change Passcode in the Advanced Settings sub-menu.   • Select Change Passcode • enter the desired new passcode (pressing SELECT to advance to the next digit),  • press SAVE • re-enter the desired new passcode  • press SAVE once finished.
      46  If the two passcodes that were just entered match, then the passcode will be changed to that value.   If they don’t match, then the passcode will remain unchanged.  ....EnterEnter..NewNew..PasscodePasscode::..**....**....**....**SAVESAVE............................BACKBACK*ReRe--enterenter..NewNew..PasscodePasscode::..**....**....**....**SAVESAVE............................BACKBACK*ERRORERROR::..PasscodesPasscodes..don’tdon’t..............matchmatch..                  BACK                  BACKPasscodePasscode..changedchanged..                  BACK                  BACKSelectSave SaveSavePasscodePasscode..::....DisabledDisabled......................                  BACK                  BACKChange Passcode  Microphone Gain  The local headset microphone gain can be changed in the menu.   • From the home screen press the menu button to get to the menu.   The right soft key will show “Mic G.”   • Press it to change the microphone gain.  Mic GTimeoutMic GainMic GainSAVE             BACKSAVE             BACK7Advanced SettingsAdvanced SettingsExit   Exit   <<BPBP IDID>   >   MicMic GGDisplay Settings  • Use either encoder to change the value.   The bar graphic as well as a number (1 – 11) will show the current value of the microphone gain.  The gain will change as the user changes it (it is ‘live’).   • Press SAVE to save the change, and BACK to ignore any changes and return to the menu.

Navigation menu