Raypak Raytherm 0180B Users Manual 6000.59 New RP2100
0042B to the manual 13de2bcb-7177-4e20-8003-08c58addd641
2015-02-02
: Raypak Raypak-Raytherm-0180B-Users-Manual-443482 raypak-raytherm-0180b-users-manual-443482 raypak pdf
Open the PDF directly: View PDF
.
Page Count: 40

INSTALLATION & OPERATING
INSTRUCTIONS
CATALOG NO. 2100.50AB Effective: 09-02-09 Replaces: 12-26-07 P/N 240488 Rev. 29
WARNING: If these instructions are not followed exactly, a fire or explosion may
result causing property damage, personal injury or death.
FOR YOUR SAFETY: Do not store or use gasoline or other flammable vapors and
liquids or other combustible materials in the vicinity of this or any other appliance. To
do so may result in an explosion or fire.
WHAT TO DO IF YOU SMELL GAS:
• Do not try to light any appliance.
• Do not touch any electrical switch; do not use any phone in your building.
• Immediately call your gas supplier from a neighbor's phone. Follow the gas
supplier's instructions.
• If you cannot reach your gas supplier, call the fire department.
Installation and service must be performed by a qualified installer, service agency or
the gas supplier.
This manual should be maintained in legible condition and kept adjacent to the heater or in another safe place for
future reference.
Models 0042B, 0066B, 0090B
0135B & 0180B – Type H
Raytherm™
Residential
Boilers

2
Rev. 29 reflects the following:
Changes to: Note on Page 8, text on Page 10, Item 7 on Page 11, mounting instructions on Page 12

WARNINGS 4
Pay Attention to These Terms 4
RECEIVING EQUIPMENT 5
GENERAL SPECIFICATIONS 5
INSTALLATION 7
Code Requirements 7
Mounting Base 7
Clearance Requirements 7
Combustion/Ventilation Air 8
Venting Connections 9
Vent Damper Installation Location 11
VENT DAMPER WIRING
DIAGRAM 14
Gas Supply Connections 15
Gas Pressure 15
Water Connections & System Piping 15
Electrical Wiring 18
WIRING DIAGRAMS 19
SERVICING PROCEDURES 26
General Location of Controls 26
SEQUENCE OF OPERATION 26
Intermittent Ignition Device (IID) 26
START-UP PROCEDURES 27
Lighting the Boiler 27
For Standing Pilot Models 27
Filling the System 27
Checking the Circulator 27
For Standing Pilot Models with
Robertshaw Gas Valve, 2-stage
Operation (Models 90, 13 & 180) 28
To Turn Off Gas to the Boiler
(Models 90, 135 & 180) 28
For Automatic Ignition Models 28
For Intermittent Ignition (IID)
with Honeywell or Robertshaw
Gas Valve (All Models) 29
To Turn Off Gas to the Boiler 29
Shut-down Procedure 29
Testing the Ignition afety Shut-off 30
Safe Shut-down Tests 30
Inspection Procedures 31
REPAIR PROCEDURES 32
Tube Cleaning Procedure 32
Heat Exchanger Removal 32
Heat Exchanger Re-assembly 33
Combustion Chamber Removal 33
TROUBLESHOOTING 34
Adjustment & Replacement of
Components 36
Replacement Parts 37
WARRANTY 38
CONTENTS
3

DANGER: Indicates the presence of immediate hazards which will cause severe
personal injury, death or substantial property damage if ignored.
WARNING: Indicates the presence of hazards or unsafe practices which could cause
severe personal injury, death or substantial property damage if ignored.
CAUTION: Indicates the presence of hazards or unsafe practices which could cause
minor personal injury or product or property damage if ignored.
NOTE: Indicates special instructions on installation, operation, or maintenance which
are important but not related to personal injury hazards.
WARNING—CALIFORNIA PROPOSITION
65: This product contains chemicals known to the
State of California to cause cancer, birth defects or
other reproductive harm.
WARNINGS
Pay Attention to These Terms
4
NOTE: These instructions are provided to ensure
the proper installation and operation of Raypak
boilers. Should questions arise regarding the
specifications, installation, operation or servicing of
these boilers, we suggest that the local Sales
representative or the factory be consulted.
WARNING: This unit contains refractory ceramic
fiber (RCF) insulation in the combustion chamber.
RCF, as manufactured, does not contain respirable
crystalline silica. However, following sustained
exposure to very high temperatures (>2192F), the
RCF can transform into crystalline silica
(cristabolite). The International Agency for Research
on Cancer (IARC) has classified the inhalation of
crystalline silica (cristabolite) as carcinogenic to
humans.
When removing the burners or heat exchangers,
take precautions to avoid creating airborne dust and
avoid inhaling airborne fibers. When cleaning spills,
use wet sweeping or High Efficiency Particulate Air
(HEPA) filtered vacuum to minimize airborne dust.
Use feasible engineering controls such as local
exhaust ventilation or dust collecting systems to
minimize airborne dust. Wear appropriate personal
protective equipment including gloves, safety
glasses with side shields, and appropriate NIOSH
certified respiratory protection, to avoid inhalation of
airborne dust and airborne fiber particles.
WARNING: To minimize the possibility of improper
operation, serious personal injury, fire, or damage to
the heater:
• Always keep the area around the heater free of
combustible materials, gasoline, and other flam-
mable liquids and vapors.
• Heater should never be covered or have any
blockage to the flow of fresh air to the heater.
WARNING: Do not use this heater if any part has
been under water. Immediately call a qualified
service technician to inspect the heater and to
replace any part of the control system and any gas
control which has been under water.
WARNING: Should overheating occur or the gas
supply valve fail to shut, do not turn off or disconnect
the electrical supply to the heater. Instead, shut off
the gas supply at a location external to the heater.
DANGER: Make sure the gas on which the heater
will operate is the same type as that specified on the
heater rating plate.

RECEIVING EQUIPMENT
On receipt of your equipment, visually check for exter-
nal damage to the carton. If the carton is damaged, it
is suggested that a note be made on the Bill of Lading
when signing for the equipment.
Remove the boiler from the carton, and if it is dam-
aged, report the damage to the carrier immediately. Be
sure that you receive the number of packages indicat-
ed on the Bill of Lading. Claims for shortages and
damages must be filed with carrier by consignee.
Purchased parts are subject to replacement only
under the manufacturer's warranty. Debits for defec-
tive replacement parts will not be accepted and
defective parts will be replaced in kind only per our
standard warranties.
When ordering parts, you must specify Model and
Serial Number of the boiler. When ordering under war-
ranty conditions, you must also specify date of
installation.
Raypak recommends that this manual be reviewed
thoroughly before installing the boiler. If there are
any questions which this manual does not answer,
please contact your local Raypak representative.
GENERAL
SPECIFICATIONS
Raytherm hydronic boilers are design certified and
tested under the requirements of the latest edition of
the American National Standard, ANSI Z21.13/CSA
4.9. Each boiler has been constructed and pressure
tested in accordance with the requirements of Section
IV of the American Society of Mechanical Engineers
Code, and factory fire tested.
These boilers are designed for indoor installation with
a built-in drafthood, and a built-in sub-base for com-
bustible flooring. Models are available with standing
pilot, or with an intermittent ignition device (IID).
These boilers are equipped with the following compo-
nents: water circulation pump, pressure relief valve,
temperature/pressure gauge, adjustable high limit
switch, drain valve, fast response temperature sensor,
40 VA transformer, pump relay, vent thermal switch,
flame roll-out switch, and redundant combination gas
valve. Two-stage gas valve (50% firing on first stage)
is standard on models H-0090, H-0135 and H-0180.
The automatic ignition models and some standing pilot
models are provided with a plug-in connector that is
compatible with the Honeywell D80D vent damper.
Similar type vent dampers made by other manufactur-
ers, and design certified by a nationally-recognized
testing agency, under the ANSI Z21.66 standard, may
also be used.
Follow the installation instructions furnished with the
vent damper package. The plug-in connector can also
be used with power venters. Refer to the specific
installation instructions supplied by the power vent
manufacturer.
5

6
16
331/4
221/8
12
1
/2
5
18
31
/4
2
THERMOSTAT CONN
(ELECTRICAL CONN
ON OTHER SIDE) GAS
CONN
3/4 NPT PIPE
TO DRAIN
261/
41
/2
C
117
/8
6
INLET
OUTLET
31
/8
MIN
19
K
AUTOMATIC
VENT DAMPER
(FIELD INSTALLED)
B
A
Fig. 1: Dimensions
Model
No.
Input
MBH
Heating
Capacity
MBH
Net
I=B=R
Rating
Piping Connections
A B C
K
Vent
Dia.
Water
NPT Gas NPT
H-0042 4235301in. 1/2 in. 11 in. 53/4 in. 51/2 in. 4in.
H-0066 66 54 47 1 in. 1/2 in. 11 in. 5 3/4 in. 5 3/4 in. 5 in.
H-0090 90 74 64 1 in. 1/2 in. 11 in. 5 3/4 in. 5 3/4 in. 5 in.
H-0135 135 109 95 1 1/4 in. 1/2 in. 18 in. 6 1/4 in. 6 1/4 in. 6 in.
H-0180 180 148 129 1 1/4 in. 1/2 in. 18 in. 6 1/4 in. 8 in. 7 in.
Table A: Specifications

7
INSTALLATION
Code Requirements
Installation must be in accordance with local codes, or
in the absence of local codes, with the latest editions
of the National Fuel Gas Code, ANSI Z223.1, and the
National Electrical Code, ANSI/NFPA 70. In Canada,
installations must conform with the current CSA B149
and the Canadian Electrical Code Part 1 CSA C22.2
No.1. Where required by the authority having jurisdic-
tion, the installation must conform to American Society
of Mechanical Engineers Safety Code for Controls and
Safety Devices for Automatically Fired Boilers, CSD-1.
Mounting Base
Boiler should be mounted on a level surface. Each
boiler is designed with a built-in sub-base approved for
mounting the boiler on combustible flooring. Boiler
must NOT be installed on carpet.
In addition, the boiler shall be installed such that the
gas ignition system components are protected from
water (dripping, spraying, rain, etc.) during appliance
operation and service (circulator replacement, control
replacement, etc.) Clearance Requirements
1. Minimum clearances from combustible materials
are listed in Table B below.
2. A front clearance of at least 24" is recommended
for adequate service of burner-tray and controls.
NOTE: This boiler should be located in an area
where water leakage will not result in damage to the
area adjacent to the appliance or to the structure.
When such locations cannot be avoided, it is
recommended that a suitable drain pan, adequately
drained, be installed under the appliance. The pan
must not restrict air flow.
Model
No. Floor Front Back Right Left Top Flue
Vent
0042
0066 Comb. 4 in. 6 in. 6 in. 6 in. 16 in. 6 in.
0090
0135
0180
Comb. Alcove 6 in. 6 in. 6 in. 16 in. 6 in.
Fig. 2: Mounting Base
Table B: Minimum Clearances From Combustible Materials

8
3. Except for carpeted flooring, boilers are certified
for installation on combustible floors.
4. For un-insulated hot water pipes, maintain a 2"
clearance, or consult local authority having juris-
diction.
Combustion/Ventilation Air
1. The boiler must be provided with adequate supply
of air for proper combustion and ventilation in
accordance with the latest edition of the National
Fuel Gas Code, ANSI Z223.1, or applicable provi-
sions of the local building codes.
2. Models 0042 and 0066 only: When the boiler is
installed in a confined space such as a utility room
or closet where all air is supplied from inside the
building, the boiler room must be provided with
two openings, each one having a minimum net
free area, in square inches as shown in Table C.
WARNING: Air supply to the boiler room must not
be affected by mechanical exhaust vents located in
other parts of the house, such as kitchen or
bathroom fans, or attic blowers. Mechanical exhaust
vents may create a negative pressure condition in
the boiler room that can become a hazard of
asphyxiation, explosion or fire.
CAUTION: Combustion air must not be
contaminated by corrosive chemical fumes which
can damage the boiler. Measures must be taken to
prevent the entry of corrosive chemical fumes to the
combustion and ventilation air supply. Such
chemicals include, but are not limited to, chlorinated
and/or fluorinated hydrocarbons such as found in
refrigerants, aerosol propellants, drycleaning fluids,
degreasers, and paint removers. Other harmful
elements may come from bleaches, air fresheners,
or mastics. Vapors from these types of products can
form corrosive acid compounds when burned in a
gas flame. The resulting acid condensate can
damage or substantially reduce the life of the heater.
It may be necessary to provide outside air directly to
the heater in order to avoid this problem.
One opening shall be within 12" of the top, and the
other opening within 12" of the floor. If additional gas
appliances are installed in the same space, the total
input of all gas appliances installed in the same space,
must be considered in the calculation. Refer to the lat-
est edition of the National Fuel Gas Code for additional
requirements.
3. If the boiler room is located against an outside wall
and air openings can communicate directly with the
outdoors, the two openings on the outside wall must
each have a net free area as shown in Table D.
Model No. Sq. in. of Free Area
0042
0066 70
Table C: Minimum Net Free Area
NOTE: If louvers, grills or screens are used on the
openings, obtain the net free area requirements from
their supplier or manufacturer. If the design free area
of a louver is not known nor available, it shall be
assumed that wood louvers will have 20-25 percent
free area and metal louvers will have 60-75 percent
free area as specified in the National Fuel Gas Code.
Model No. Sq. in. of Free Area
0042 12
0066 18
0090 24
0135 35
0180 45
Table D: Minimum Net Free Area
Fig. 3: Location of Openings for
Combustion/Ventilation Air

9
Location of the openings is the same as in the previ-
ous case - that is, within 12" of the top, and within 12"
of the bottom of the enclosure. If horizontal ducts are
used, the area must be doubled and the duct area
shall not be less than the area of the openings they
connect, and in no case shall the smallest dimension
be less than 3".
Venting Connections
These boilers have built-in drafthoods. Vent piping the
same size or larger than the drafthood outlet is recom-
mended; however, when the total vent height
(drafthood outlet to vent terminal) is at least ten (10)
feet, the vent pipe size may be reduced by one size
only as specified in the latest edition of the National
Fuel Gas Code, ANSI Z223.1.
As much as possible, avoid long horizontal runs of
vent pipe and too many elbows. If installation requires
horizontal runs, the vent pipe must have a minimum of
1/4 inch per foot rise and should be supported at not
less than five foot intervals. Maximum vent connector
horizontal length shall be 1-1/2 feet (18 inches) for
each inch of connector diameter as shown in Table E.
Gas vents supported only by the flashing and extend-
ing above the roof more than five feet should be
securely guyed or braced to withstand snow and wind
loads. We recommend use of insulated vent pipe
spacer through the roofs and walls.
For protection against rain or blockage by snow, the
vent pipe must terminate with a listed vent cap which
complies with the local codes or, in the absence of
such codes, to the latest edition of the National Fuel
Gas Code, ANSI Z223.1.
The discharge opening must be a minimum of two (2)
feet vertically from the roof surface and at least two (2)
feet higher than any part of the building within ten (10)
feet. Vent stack shall be at least five (5) feet in vertical
height above the drafthood outlet.
The vent cap location shall have a minimum clearance
of four (4) feet horizontally from, and in no case above
or below, unless a 4-foot horizontal distance is main-
tained, from electric meters, gas meters, regulators
and relief equipment.
The weight of the vent stack or chimney must not rest
on the boiler's drafthood. Support must be provided in
compliance with applicable codes. The boiler top and
drafthood must be readily removable for maintenance
and inspection. Vent pipe should be adequately sup-
ported to maintain proper clearances from combustible
construction.
Type "B" double-wall (or equivalent) vent pipe is rec-
ommended. However, single-wall metal vent pipe may
be used as specified in the latest edition of the
National Flue Gas Code ANSI Z223.1.
Model No.
Vent
Connector
Diameter (in.)
Max.
Horizontal
Length (ft)
0042 4 6
0066, 0090 5 7.5
0135 6 9
0180 7 10.5
Table E: Maximum Horizontal Length of Vent Pipe
Lowest Discharge
Opening
Listed Cap
Listed Gas Vent
X
12
Roof Pitch is X/12
H - Minimum Height from
Roof to Lowest
Discharge Opening
Fig. 4: Minimum Height from Roof to Lowest Discharge
Opening
Refer to Table F for detailed information

10
Roof Pitch (X/12) H (Min. ft)
Flat to 6/12 1
6/12 to 7/12 1.25
Over 7/12 to 8/12 1.5
Over 8/12 to 9/12 2
Over 9/12 to 10/12 2.5
Over 10/12 to 11/12 3.25
Over 11/12 to 12/12 4
Over 12/12 to 14/12 5
Over 14/12 to 16/12 6
Over 16/12 to 18/12 7
Over 18/12 to 20/12 7.5
Over 20/12 to 21/12 8
Table F: Minimum Height from Roof to Lowest
Discharge Opening
Refer to Fig. 4 for graphical reference
For connections to gas vents or chimneys, vent instal-
lations shall be in accordance with the Venting of
Equipment section of the National Fuel Gas Code,
ANSI Z223.1, or applicable provisions of the local
building codes.
Common Vents
Manifolds that connect more than one boiler to a com-
mon chimney must be sized to handle the combined
load. Consult available guides for proper sizing of the
manifold and the chimney. At no time should the area
be less than the area of the largest outlet.
Fig. 5: Minimum Venting Measurements
WARNING: These boilers must not be connected
into any portion of mechanical draft systems
operating under positive pressure. To do so may
cause the flue products to be discharged into the
living space causing serious health injury.
Fig. 6: Common Venting

11
At the time of removal of an existing boiler, the follow-
ing steps shall be followed with each appliance
remaining connected to the common venting system
placed in operation, while the other appliances remain-
ing connected to the common venting system are not
in operation.
1. Seal any unused openings in the common venting
system.
2. Visually inspect the venting system for proper size
and horizontal pitch and make sure there is no
blockage or restriction, leakage, corrosion and
other deficiencies which could cause an unsafe
condition.
3. Insofar as is practical, close all building doors and
windows and all doors between the space in which
the appliances remaining connected to the com-
mon venting system are located and other spaces
of the building. Turn on clothes dryers and any
appliance not connected to the common venting
system. Turn on any exhaust fans, such as range
hoods and bathroom exhausts, so they will oper-
ate at maximum speed. Do not operate a summer
exhaust fan. Close fireplace dampers.
4. Place in operation the appliance being inspected.
Follow the lighting instructions. Adjust thermostat
so appliance will operate continuously.
5. Test for spillage at the drafthood relief opening
after 5 minutes of main burner operation. Use the
flame of a match or candle, or smoke from a ciga-
rette, cigar or pipe to visually check spillage.
6. After it has been determined that each appliance
remaining connected to the common venting sys-
tem properly vents when tested as outlined above,
return doors, windows, exhaust fans, fireplace
dampers and any other gas burning appliance to
their previous conditions of use.
7. Any improper operation of the common venting
system should be corrected so that the installation
conforms with the latest edition of the National
Fuel Gas Code, ANSI Z223.1. When resizing any
portion of the common venting system, the com-
mon venting system should be resized to
approach the minimum size as determined using
the appropriate tables in the National Fuel Gas
Code, ANSI Z 223.1 and CSA - B149.
Vent Damper Installation
Location
The vent damper supplied with each boiler must be
located in the vent so that it serves only the appliance
for which it is intended.
If improperly installed, a hazardous condition, such as
an explosion or carbon monoxide poisoning, could
result. Make certain that it is mounted in an accessible
location at least 6 in. (152.4 mm) from any combustible
material or the heat exchanger and that the position
indicator is in a visible location.
The vent damper must be installed at the appliance
drafthood, and without modification of the drafthood.
To connect the vent damper wiring to the boiler wiring,
connect the damper circuit plug to the boiler circuit
plug.
Fig. 7: Vent Damper Location
WARNING: Carefully read and follow the
installation instructions furnished with the vent
damper package. Failure to follow these instructions
can cause asphyxiation, explosion or fire.

12
Mounting
On vertical vents, the vent damper may be mounted
with the actuator in any position. On horizontal vents,
do not mount the actuator either directly above or
directly below the vent pipe; mount the vent damper
actuator to the side of the vent.
The vent damper is set up for a continuous pilot sys-
tem. If the vent damper is installed on a system with an
Intermittent Pilot, the energy savings of the vent
damper can be improved by plugging the hole in the
vent damper blade using the knockout plug provided in
the parts envelope.
Closed Position
Hole in Vent Damper Blade
Fig. 8: Vent Damper
DO NOT plug the hole if installing the vent damper on
a continuous pilot system as this will create a haz-
ardous condition.
Fig. 9: Installing The Vent Damper in Horizontal
& Vertical Vents
Fig. 10: D80D General Wiring Diagram
Install the vent damper to service only the single
appliance for which it is intended. If improperly
installed, a hazardous condition, such as an explo-
sion or carbon monoxide poisoning, could result.
Vent Damper Operation
For safe, efficient operation, the vent damper and all
flue-product-carrying areas of the appliance must be
checked annually, with particular attention given to
deterioration from corrosion or other sources.
Check vent damper operation as follows:
1. When the boiler is off, check that the vent damper
position indicator points to the closed position (see
Fig. 11).
Damper Position Indicator
Damper Open Damper Closed
Fig. 11: Vent Damper Position Indicator

13
2. Turn the thermostat or controller up to call for heat
and check that the vent damper indicator points to
the open position, as shown in Fig. 11.
3. Turn the thermostat or controller down again and
check that the vent damper position indicator
returns to the closed position.
The vent damper must be inspected at least once
a year by a trained, experienced service techni-
cian. The name of the person who originally
installed your vent damper is shown on the instal-
lation label. Damper must be in open position
when boiler main burners are operating.
Flair Damper
NOTE: To place vent damper in the open position to
allow burner operation: Turn the power off. Turn the
damper blade to fully open position (arrow facing
same direction as vent pipe). Turn power on.
SS
R2SS2ES
R
SC
R1
M
2341
JUMPER
GV
24 VAC
TR
HL
L
L12
120 VAC
60Hz
TH
1
Fig. 12: System Schematic
Abbreviation Description
M Damper Motor
R Relay
ES End Switch
SS1 N/C Safety Switch
SS2 N/O Safety Switch
TR Transformer, 120/24V
HL High Limit
GV 24V Gas Valve
TH Thermostat, Heating, Low Voltage
J Jumper
R
24
3JSS HL
GV
1
ES
R
2
SC
M
24 V AC
R
1
SS
2
TH
Fig. 13: Ladder Diagram
Table G: Legend for Figures 12 & 13
Note: Circuit shown with damper in closed position, no call for
heat.

14
VENT DAMPER

15
Gas Supply Connections
The inlet gas connection of the boiler gas valve is 1/2".
Provide an adequate gas piping supply line no smaller
than 1/2", according to Table H above.
Gas piping must have a sediment trap ahead of the
boiler gas controls, and a manual shut-off valve locat-
ed outside the jacket. All gas piping should be tested
after installation in accordance with local codes.
Model
No.
1/2 in. Pipe 3/4 in. Pipe 1in. Pipe 11/4 in. Pipe
Nat. Pro. Nat. Pro. Nat. Pro. Nat. Pro.
0042 125 350 500
0066 60160 175 460
0090 3080125 300 400
0135 15 40 60 150 200 450
0180 20 35 90 115 300 425
Table H: Maximum Equivalent Pipe Length (Feet)
Sediment Trap Gas Valve
Manual Union
Valve
Fig. 14: Sediment Trap
CAUTION: The boiler and its manual shut-off valve
must be disconnected from the gas supply during
any pressure testing of that system at test pressures
in excess of 1/2 psi (3.45 kPa). Dissipate test
pressure in the gas supply line before reconnecting
the boiler and its manual shut-off valve to gas supply
line. FAILURE TO FOLLOW THIS PROCEDURE
MAY DAMAGE THE GAS VALVE. OVER
PRESSURED GAS VALVES ARE NOT COVERED
BY WARRANTY. The boiler and its gas connections
shall be leak tested before placing the appliance in
operation. Use soapy water for leak test. DO NOT
use open flame.
NOTE: Do not use teflon tape on gas line pipe
thread. A flexible sealant suitable for use with Natural
and Propane gases is recommended.
These boilers are also certified to operate on propane
gas, when equipped with the combination gas valve
and orifices (pilot and main burners) sized for propane
gas.
Gas Pressure
The gas valve is provided with pressure taps to meas-
ure gas pressure upstream of the gas valve and
downstream which is the same as the manifold pres-
sure.
Water Connections & System
Piping
The pipe size for water connections is shown on page
6. Typical piping systems are shown on pages 17 to
19.
This boiler is supplied with a circulator and built-in
bypass as standard to ensure the required minimum
water flow in the boiler. The bypass on models H-0135
and H-0180 is provided with an adjustable valve that is
factory-set in the full open position. The handle is
Gas Type Inches
WC Min.
Inches
WC Max.
Regulator
Setting
Natural 7.0 10.5 3.5
Propane 12.0 13.0 11.0
Table I: Minimum and Maximum Gas Pressure
Must be Supplied by Installer

16
shipped loose. The full open position is appropriate for
most systems, and ensures adequate flow through the
boiler.
If system flow is inadequate, (indicated by excessive
temperature drop through the system) the bypass
valve can be throttled slightly. Care must be taken
against over-throttling which may lead to inadequate
flow through the boiler and boiler harmonics (a hum-
ming sound from the heat exchanger).
If adequate system flow cannot be obtained without
causing harmonics, an additional pump is required.
The factory-mounted circulator will provide adequate
water flow for systems designed at a 20°F temperature
drop, and system pressure drop or head not exceed-
ing that which is shown in Table J.
When the total system head exceeds the available
head pressures, a primary/secondary pumping system
is recommended.
The minimum boiler operating temperature should be
105°F. When operating at low temperature applica-
tions, ∆T (temperature rise) must be 20°F or less.
Propylene glycol solution is commonly used in the
heating system when freeze protection is required.
This will affect the system design and pump perform-
ance. As a rule of thumb, 50% solution of propylene
glycol will require the system flow (gpm) to increase by
14%, and the system head (ft/WC) by 23% in order to
maintain the same heat transfer load.
Model No. System Flow
(gpm)
Max. System
Head (ft/WC)
H-0042 3.5 8.0
H-0066 5.3 8.5
H-0090 7.3 6.5
H-0135 11.0 10.0
H-0180 14.6 7.0
Table J: System Pressure Drop
Systems with multiple zones may require an addition-
al circulator. Consult manufacturer's data for valve
pressure drops. When an indirect water heating sys-
tem is used, it is recommended that a separate
circulator be installed to meet the required flow and
pressure drop conditions of the indirect water heater.
We recommend that the make-up water from the cold
water line have a check valve, gate valve, and feedwa-
ter regulator set at 12 psi. Install unions and gate or
ball valves at inlet and outlet connections at the boiler
to facilitate servicing.
The pressure relief valve is mounted on the boiler and
must be piped to a drain. We recommend that all high
points be vented and that purge valves be installed. A
boiler installed above radiation level must be provided
with a low water cut-off device. See page 27 for wiring
hook-up.
The boiler, when used in connection with a refrigera-
tion system, must be installed so that the chilled
medium is piped in parallel with the boiler with appro-
priate valves to prevent the chilled medium from
entering the boiler.
The boiler piping system of a hot water heating boiler,
that is connected to heating coils located in air han-
dling units where they may be exposed to refrigerated
air circulation, must be equipped with flow control
valves or other automatic means to prevent gravity cir-
culation of the boiler water during the cooling cycle.
A diaphragm expansion tank should be installed in the
return line. A typical 8"-diameter expansion tank can
be used on models H-0042, and H-0066, and an 11"-
diameter expansion tank can be used on models
H-0090, H-0135 and H-0180. Consult tank manufac-
turer for correct sizing.

17
Air
Scoop
Air Vent
Diaphragm
Expansion Tank
Feed
Valve Pipe Pressure
ReliefValve
to Drain
Cold Water
Inlet
Heating Units
Fig. 15: Single-Zone Piping
Air
Scoop
Air Vent
Diaphragm
Expansion Tank
Feed
Valve Pipe Pressure
ReliefValve
to Drain
Cold Water
Inlet
Heating Units
Circulators
12” Max.
Fig. 16: Multiple Zones with Circulators
Piping Diagrams

18
Electrical Wiring
The electrical power supply requirement for these boil-
ers is 120 VAC, 60 Hz. Field wiring connections and
electrical grounding must comply with the local codes,
or in the absence of local codes, with the latest edition
of the National Electrical Code, ANSI/NFPA 70.
Provide a separate fused circuit from the main electri-
cal panel to the boiler, and a disconnecting means
within sight of the boiler.
Remove the control box cover and make the power
supply connections in the field wiring compartment.
(See general location of controls drawing on page 28).
The pump is supplied and factory-wired to operate
with the boiler. The "TH" wire leads are for the room
thermostat or zone valve connections.
The room thermostat should be installed in accor-
dance with the manufacturer's instructions. The
thermostat heat anticipator should be set at 1.0
ampere (automatic ignition) and 0.60 ampere (stand-
ing pilot) for single- zone installations. For multi-zone
applications, the heat anticipator setting should be
based on the ampere load in the thermostat circuit.
NOTE: If it is necessary to replace any of the
original wiring, it must be replaced with 105°C wire or
its equivalent, except 150°C black wire must be
replaced with 150°C wire or its equivalent. See Fig.
19 for 150°C wire indication.

19
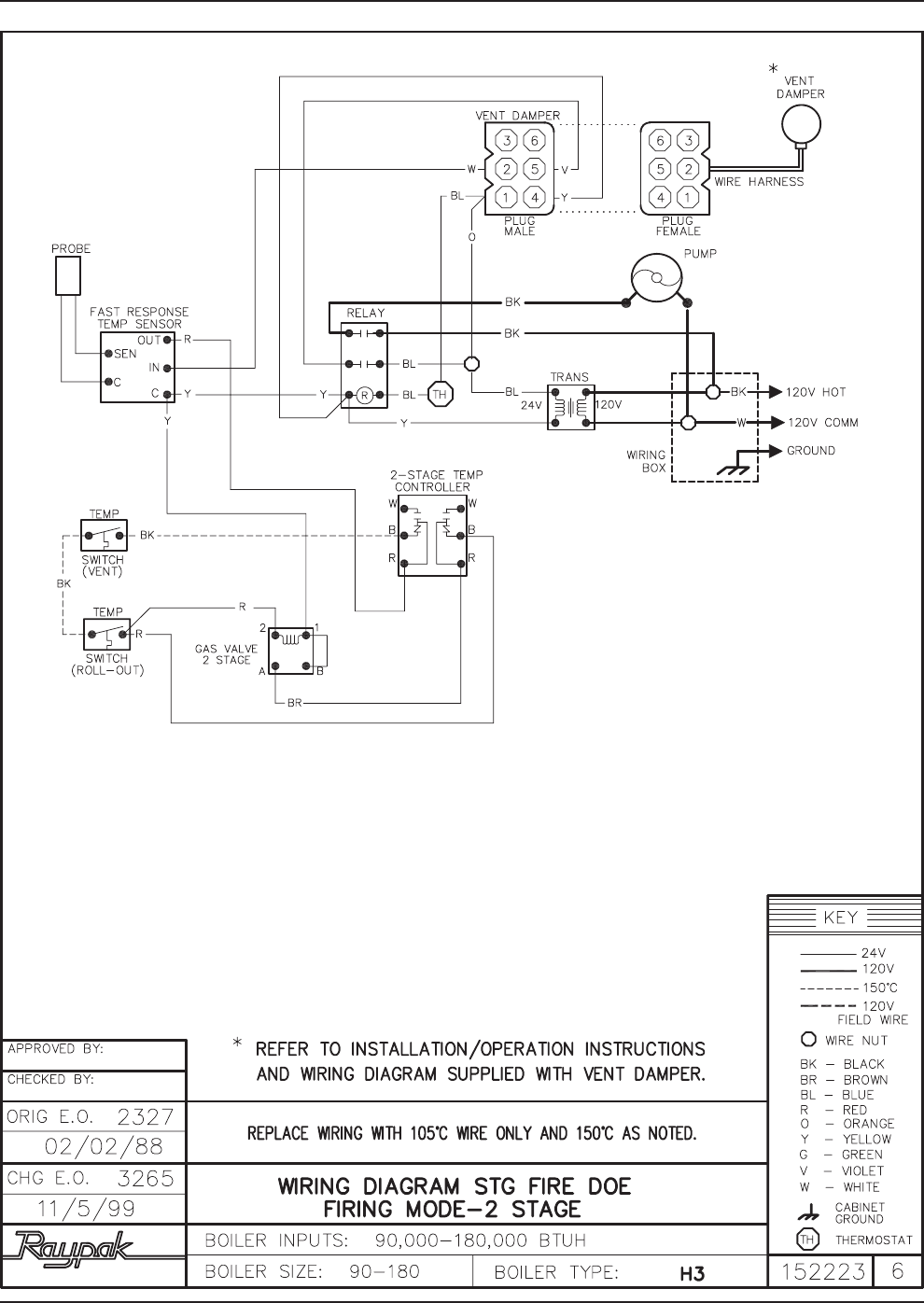
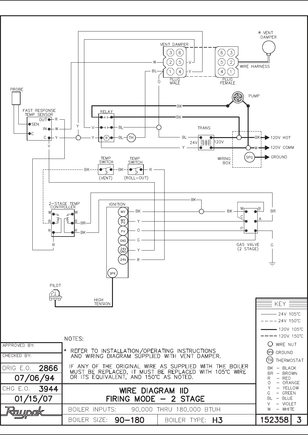
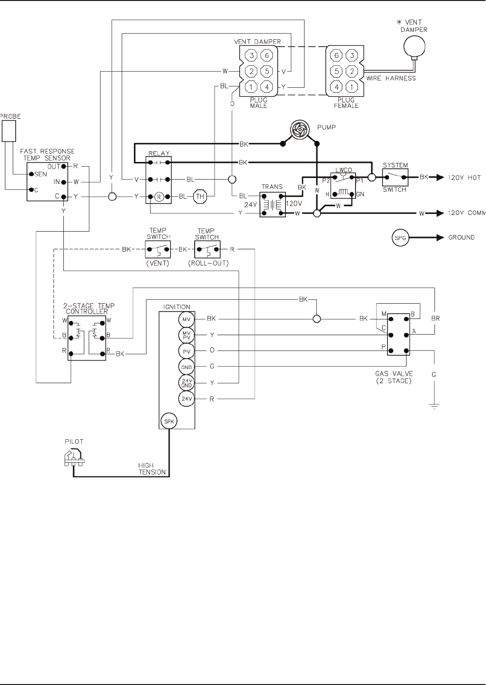
Wiring Diagrams

20

21

22
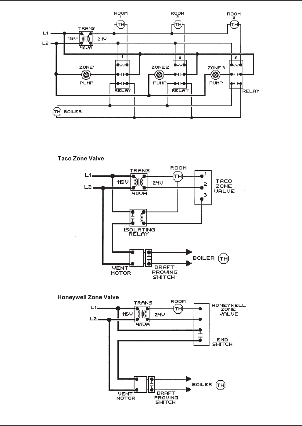
Fig. 17: Single-Zone Taco Valve
Fig. 18: Dual-Zone Taco Valve
Fig. 19: Dual-Zone Honeywell Valve
NOTE: Maximum three (3) zone valves per one (1) 40 VA transformer.
NOTE: Maximum five (5) zone valves per one (1) 40 VA Transformer.

23
Fig. 20: System with Three (3) Zone Pumps
NOTE: Check VA rating of each relay coil. Total load must not exceed VA rating of transformer.
Fig. 21: Power Vent System with Zone Valve

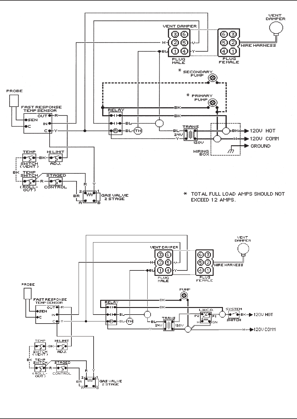
24
Fig. 22: Primary/Secondary Pumping System Honeywell Zone Valve
Fig. 23: Standing Pilot with Low Water Cut-off Device
Note: Low water cut-off (LWCO) and system switch supplied by others.

25
Fig. 24: IID Units with Low Water Cut-off Device
Note: Low water cut-off (LWCO) and system switch supplied by others.

26
SERVICING
PROCEDURES
General Location of Controls
Fast-
Response
Temperature
Sensor
2-Stage Controller
Relay
Ignition Module
(Auto Ignition Only)
Fig. 25: Control Box Component Locations
Models 135 & 180
C
IRCULATOR
V
ENT SENSOR
B
YPASS VALVE
(
MODELS135 &180 ONLY)
B
YPASS LINE
T
EMPERATURE
A
ND PRESSURE GAUGE
2-STAGED CONTROLLER
(MODEL 90 ONLY)
P
RESSURE
R
ELIEF VALVE
R
ELAY
A
DJUSTABLE
H
IGH LIMIT
F
IELD WIRING
C
OMPARTMENT
F
AST RESPONSE
T
EMPERATURE SENSOR
I
GNITION MODULE
(
AUTO IGNITION ONLY)
TRANSFORMER
R
OLL-OUT SENSOR
G
AS VALVE
Fig. 26: Component Locations
SEQUENCE OF
OPERATION
Intermittent Ignition Device
(IID)
Boilers equipped with the IID system will automatical-
ly light the pilot burner first and then the main burner,
each time there is a call for heat from the room ther-
mostat. Whenever the room thermostat is calling for
heat, the circulator supplied with the boiler will be
energized and should be running.
The ignition control module will also be energized to
initiate the pilot ignition by opening the first main valve
(pilot). At the same time, the electronic spark genera-
tor in the module produces a high-voltage spark output
that lights the pilot burner. If the pilot burner does not
light, the module will not energize the second main
valve and the burners will not light.
Ignition spark continues only until the timed trial for
ignition period ends. Then, the module goes into safe-
ty shutdown or lockout. Lockout de-energizes the first
main valve operator and closes the first main (pilot)
valve in the gas control, stopping pilot gas flow. The
ignition control system must be reset by setting the
thermostat below room temperature for one minute or
by turning off power to the module for one minute.
When the pilot flame is established, flame rectification
circuit is completed between the sensor and burner
ground. The flame sensing circuit in the module
detects the flame current, shuts off the spark genera-
tor and energizes the second main valve operator
which opens the second main valve. This allows gas to
flow to the burners where it is ignited by the pilot burn-
er flame.
When the thermostat is satisfied, the valve operators
are de-energized shutting off the pilot and main burn-
ers, and also the circulator.

27
START-UP
PROCEDURES
Lighting the Boiler
Safe-lighting and other performance criteria were met
with the gas manifold and control assembly provided
on the boiler when the boiler underwent tests specified
in the latest edition of the ANSI-Z21.13/CSA 4.9
Standard.
For Standing Pilot Models
A. This boiler has a pilot which must be lighted by
hand. When lighting the pilot, follow these instruc-
tions exactly.
B. BEFORE LIGHTING Smell all around the boiler
area for gas. Be sure to smell next to the floor
because some gas is heavier than air and will set-
tle on the floor.
WHAT TO DO IF YOU SMELL GAS
• Do not try to light any appliance.
• Do not touch any electric switch;
• Do not use any phone in your building.
• Immediately call your gas supplier from a neigh-
bor's phone. Follow the gas supplier's instructions.
• If you cannot reach your gas supplier, call the fire
department.
C. Use only your hand to push in, move or turn the
gas control knob or lever. Never use tools. If the
knob or lever will not push in, move or turn by
hand, don't try to repair it. Call a qualified service
technician. Force or attempted repair may result in
a fire or explosion.
D. Do not use this boiler if any part has been under
water. Immediately call a qualified service techni-
cian to inspect the boiler and to replace any part of
the control system and any gas control which has
been under water.
Filling the System
Flush system before putting into operation to ensure
that foreign material does not damage pump seals. Fill
system with water. Purge all air from the system using
purge valve sequence. After system is purged of air,
lower system pressure. Open valves for normal sys-
tem operation, fill system through feed pressure
regulator to minimum 12 psi. Manually open air vent
on the compression tank until water appears, then
close vent.
On multiple-zone systems, purge each zone separate-
ly. Isolate the other zones while one zone is being
purged of air.
Checking the Circulator
Before lighting the boiler and after system is filled,
make sure that circulator is operating properly. Manual
gas valve should be off. By adjusting the wall thermo-
stat to the maximum setting, circulator should run
immediately and allow water to flow through the boiler
and the entire system.
CAUTION: Propane gas is heavier than air and
sinks to the ground. Exercise extreme care in lighting
boiler in confined areas.
WARNING: If you do not follow these instructions
exactly, a fire or explosion may result causing
property damage, personal injury or loss of life.
CAUTION: In case of a prolonged power failure
during freezing weather conditions, boiler and piping
system must be drained completely to avoid possible
damage to the heating system.
NOTE: Circulator motor supplied with the boiler
does not require lubrication.

28
For Standing Pilot Models with
Robertshaw Gas Valve,
2-stage Operation
(Models 90, 135 & 180)
10. Turn on all electrical power to the boiler.
11. Set the thermostat to the desired setting.
To Turn Off Gas to the Boiler
(Models 90, 135 & 180)
For Automatic Ignition Models
Please read carefully and understand the following
safety information before operating the boiler.
A. This boiler is equipped with an ignition device
which automatically lights the pilot. Do not try to
light the pilot by hand; or this boiler may not have
a pilot and is equipped with a hot surface ignition
device which automatically lights the burners. Do
not try to light the burners by hand.
B. BEFORE OPERATING smell all around the boiler
area for gas. Be sure to smell next to the floor
because some gases are heavier than air and will
settle on the floor.
WHAT TO DO IF YOU SMELL GAS
• Do not try to light any appliance.
• Do not touch any electrical switch.
• Do not use any phone in your building.
• Immediately call your gas supplier from a neigh-
bor's phone. Follow the gas supplier's instructions.
• If you cannot reach your gas supplier, call the fire
department.
C. Use only your hand to push in, move or turn the
gas control knob or lever. Never use tools. If the
knob or lever will not push in, move or turn by
hand don't try to repair it, call a qualified service
1. STOP! Read the safety information.
2. Set the thermostat to the lowest setting.
3. Turn off all electrical power to the boiler.
4. Push in and move gas control lever counter-
clockwise to "OFF" position.
GAS CONTROL
LEVER SHOWN
IN "OFF" POSITION
GAS INLET
5. Wait five (5) minutes to clear out any gas. Then
smell for gas, including near the floor. If you smell
gas, STOP! Follow "B" in the safety information on
the label affixed to the unit. If you don't smell gas, go
to the next step.
6. Locate pilot mounted on the right side of the
burner tray, and right of first burner.
HONEYWELL PILOT ROBERTSHAW PILOT
Fig. 27: Gas Valve
Fig. 28: Pilots
7. Move control lever clockwise to "SET"
position and immediately light pilot with a match.
8. Hold lever in "SET" position for 1/2 minute after
pilot is lit. Release lever, and it will spring back
to "PILOT" position. Pilot should remain lit. If it
goes out, repeat steps 4 through 8.
*If lever does not spring back to "PILOT" position
when released, stop and immediately call your
service technician or gas supplier.
*If the pilot does not stay lit after several tries,
move the gas control lever to "OFF" and call your
service technician or gas supplier.
9. Stand to the side of the boiler and move the gas
control lever counter-clockwise to "ON".
1. Set the thermostat to the lowest setting.
2. Turn off all electrical power to the boiler
3. Push in and move gas control lever counter-
clockwise to "OFF" position. Do not force.
WARNING: If you do not follow these instructions
exactly, a fire or explosion may result causing
property damage, personal injury or loss of life.
NOTE: Lever cannot be moved from "ON" to "OFF"
unless lever is pushed in slightly. Do not force.

29
technician. Force or attempted repair may result in
a fire or explosion.
D. Do not use this boiler if any part has been under
water. Immediately call a qualified service techni-
cian to inspect the boiler and to replace any part of
the control system and any gas control which has
been under water.
For Intermittent Ignition (IID)
with Honeywell or Robertshaw
Gas Valve (All Models)
1. STOP! Read the previous safety information.
2. Set the thermostat to the lowest setting.
3. Turn off all electrical power to the appliance.
4. This boiler is equipped with an ignition device which
automatically lights the pilot. Do not try to light the
pilot by hand.
GAS CONTROL
KNOB SHOWN
IN "OFF"
POSITION
GAS INLET
HONEYWELL
(Models 30 - 90)
5. For Honeywell valve: Turn gas control knob
clockwise to "Off".
For Robertshaw valve: Push in and move gas
control lever to "Off" position.
6. Wait 5 minutes to clear out any gas. Then smell for
gas, including near the floor. If you smell gas,
STOP! Follow "B" in the safety information on the
label affixed to the front of the unit. If you don't smell
gas, go to the next step.
7. For Honeywell valve: turn gas control counter-
clockwise to "On".
For Robertshaw valve: Move gas control lever
to "On" position.
GAS CONTROL
KNOB SHOWN
IN "OFF"
POSITION
GAS INLET
ROBERTSHAW
(All Models)
Fig. 29: Honeywell Gas Valve
Fig. 30: Robertshaw Gas Valve
8. Turn on all electrical power to the boiler.
9. Set thermostat to desired setting.
10. If the boiler will not operate, follow the instructions
"To Turn Off Gas To Boiler" and call your service
technician or gas supplier.
To Turn Off Gas to the Boiler
1. Set the thermostat at the lowest setting.
2. Turn off all electrical power to the boiler if service
is to be performed.
3. For Honeywell valve:
Turn gas control knob clockwise to
"Off". Make sure knob rest against stop.
For Robertshaw valve:
Push in and move gas control lever to "Off"
position.
HONEYWELL PILOT
Fig. 31: Honeywell Pilot
Shut-down Procedure
To prevent freeze damage to the heating system, it is
recommended that the following system shut-down
procedure be performed.
1. Set the room thermostat to "OFF" or the lowest
setting.
2. Turn off all electrical switches to the boiler.

30
3. Turn off all gas valves supplying gas to the boiler.
Refer to operating instruction label on the boiler.
4. Shut-off the water supply to the boiler piping sys-
tem loop.
5. Open drain valve on the boiler to remove water
from the boiler and the piping circuits.
Testing the Ignition Safety
Shut-off
The ignition system safety shut-off must be tested by
conducting the following tests:
For Standing Pilot Systems
1. With the main burners on, remove the pilot adjust-
ment cover screw. NOTE: There is no pilot
adjustment cover on Robertshaw 7200 gas valve.
NOTE: It may be necessary to open the purge
valves and/ or manual air vents to facilitate complete
drainage of water from the heating system.
CAUTION: Should overheating occur or the gas
supply fails to shut-off, DO NOT turn off or
disconnect the electrical supply to the pump.
Instead, shut-off the gas supply at a location external
to the boiler. Failure to observe this precaution may
aggravate the overheated condition resulting in
possible damage to the boiler and injury to the user.
3
2
1
S
E
T
P
I
L
O
T
O
N
O
F
F
PILOT
ADJ
PILOT KEY
2. Insert a small slot screw driver and turn the
adjustment screw clockwise until pilot
flame goes out. Note and count number of turns
made.
3. Gas valve will shut-off main burners after about
three (3) minutes. If the gas valve will not shut-off,
follow the instructions "To Turn Off Gas To Boiler"
and call service technician or your gas supplier.
4. Return pilot adjustment screw counter-clock-
wise , using the same number of turns as
in step (b).
Pilot Adjustment
Fig. 32: Robertshaw 7200 Gas Valve (Models 90, 135, 180)
e. Replace pilot adjustment cover screw, then follow
the lighting instructions to get boiler ready for
operation.
For Automatic Ignition Systems
Intermittent Ignition (IID)
1. Turn on power to the ignition systems and turn gas
supply off at the gas valve.
2. Check ignition module as follows:
a. Set the thermostat or controller above room
temperature to call for heat.
b. Watch for continuous spark at the pilot burner.
c. Time the spark operation. Time must be with-
in the lockout timing period (15 or 90
seconds).
d. Turn thermostat down to end call for heat and
wait 60 seconds on lockout models before
beginning step 3.
3. Turn on gas supply.
4. Set thermostat or controller above room tempera-
ture to call for heat.
5. Systems should start as follows:
a. Spark will turn on and pilot gas valve will open
at once. Pilot burner should ignite after gas
reaches the pilot burner.
b. Spark ignition should cut-off when pilot flame
is established.
c. Main gas valve should open and main burner
should ignite after gas reaches the burner
port.
Safe Shut-down Tests
Limit Action
With the burner operating, lower the high limit setting
to simulate an overheated boiler. Normal shutdown
should occur. Restore the normal limit setting, and the
burner should restart.
Flame Failure
With burner operating, close the manual fuel valves to
simulate a flame failure. System should lock out after
safety switch timing (15 seconds). After the safety
switch has cooled, open the manual valves (relight
standing pilots) and reset the safety switch; the burn-
er should restart.

31
Inspection Procedures
Burners
Clean main burners and air louvers of dust, lint and
debris. Keep boiler area clear and free from com-
bustibles and flammable liquids. Do not obstruct the
flow of combustion and ventilation air. Make visual
check of burner and pilot flame. Yellow flame indicates
clogging of air openings. Lifting or blowing flame indi-
cates high gas pressure. Low flame indicates low gas
pressure.
Inspection Schedule
To be performed the first and third month after initial
start up and then on an annual basis. If problems are
found, refer to Troubleshooting Guide for additional
directions.
1. Remove top of boiler and inspect heat exchanger
for soot and examine venting system.
2. Remove rear header and inspect for scale
deposits.
Fig. 33: Main Burner Flame
NOTE: Modulating burner flame varies in height from approximately
1/4" at low fire to approximately 4" in high fire.
Fig. 34: Pilot Burner Flame (Standing Pilot Units)
*3. Inspect pilot and main burner flame and firing rate.
*4. Inspect and operate all controls and gas valve.
*5. Visually inspect system for water leaks.
*6. Inspect oil pump motor and bearing assembly, if oil
cups are provided.
7. Check flow switch paddle.
8. Clean room air intake openings to ensure ade-
quate flow of combustion and ventilation air.
9. Keep boiler area clear and free from combustible
materials, gasoline, and other flammable vapors
and liquids.
*Should be checked monthly. (Takes approximately 15
minutes).
Low Water Cut-Off (When Installed)
The low water cut-off automatically shuts down burner
whenever water level drops below probe. 90 second
time delay prevents premature lockout due to tempo-
rary conditions such as power failure or air pockets.
Flush float type devices at beginning of each heating
season.
Procedure for Cleaning Flue Gas
Passageways
Soot will clog areas behind fins and eventually cause
tube failure. Any sign of soot at base of burners or
around outer jacket indicates a need for cleaning.
1. Lift off drafthood and flue collector by removing
bolts and screws.
2. Remove "V" baffles from heat exchanger.
3. Remove burner tray, see Burner Tray Removal.
4. Take garden hose and wash heat exchanger, mak-
ing sure soot is removed from between fins. (Avoid
excessive water against refractory).
5. Reassemble; when boiler is fired, some steam will
form from wet refractory. This is normal.
NOTE: In extreme cases it may be necessary to
remove the heat exchanger completely for cleaning.
The simplest method is steam cleaning at a local car
wash. DO NOT WIRE BRUSH!
CAUTION: Soot is combustible, so exercise
extreme care.

32
Burner Tray Removal
1. Shut-off power and gas supply to the boiler.
Disconnect union(s) and pilot tubing when pres-
ent; then loosen and remove burner hold-down
screws.
2. Disconnect wires at gas valve and slide burner
tray out.
Main Burner and Orifice Removal
1. Remove screws and burner hold-down bracket.
2. Lift burners from slotted spacer and slide from ori-
fices. Clean with a wire brush.
3. Orifices usually do not need to be replaced. To
clean, run either copper wire or wood through ori-
fice. Do not enlarge hole. To remove orifice, use a
socket wrench and remove the manifold. DO NOT
over-tighten when reinstalling.
NOTE: If the heat exchanger is sooted badly, the
burner hold-down bracket and spacer can become
distorted from direct flame impingement and this
usually necessitates replacement of these parts.
REPAIR PROCEDURES
Tube Cleaning Procedure
(Typical)
Establish a regular inspection schedule, the frequency
of which depends on the local water condition and
severity of service. Do not let the tubes clog up solid-
ly. Clean out deposits over 1/16" in thickness.
To clean the tubes, remove the heat exchanger, ream
tubes and immerse heat exchanger in non-inhibited
de-scale solvent.
Heat Exchanger Removal
1. Shut water, gas and electricity off, close valves,
relieve pressure and remove relief valve. Remove
front inspection panel.
2. Remove top holding screws.
3. Remove draft diverter, lift and remove top and flue
collector on stack type models.
4. Loosen bolts and disconnect flange nuts on
inlet/outlet header, loosen union(s) at gas pipe,
and slide boiler away from piping until studs clear
the heater.
5. Lift heat exchanger straight up using caution not to
damage refractory.
Extension Pieces (5) Auger with Carbide Tip Wire Brush
RAYPAK TUBE CLEANING KIT
F078250NP-"8/7F178250NP-"8/5
Fig. 35: Raypak Tube Cleaning Kit

9. Install flue collector, jacket top and inspection pan-
els. Install top holding screws. Install draft diverter
and vent piping if so equipped.
10. If gas piping was disconnected, reconnect gas pip-
ing system and check for leakage using a soap
solution.
11. Check for correct water pressure and water level
in the system. Make sure that system pump oper-
ates immediately on the call for heat. The system
is ready for operation.
12. Within two (2) days of start-up, recheck all air
vents and expansion tank levels.
Combustion Chamber Removal
To remove combustion chamber panels, you must first
remove the heat exchanger. Remove combustion
chamber panels individually.
33
Heat Exchanger Re-assembly
1. Heat exchanger water header O-rings should be
replaced with new ones.
2. Install in/out and return water headers and install
header retainer nuts and torque nuts evenly.
3. Replace "V" baffles.
4. Install thermostat sensing bulbs in header wells
and replace bulb retaining clips.
5. Install inlet and return pipes in water headers
using pipe thread sealant.
6. Install water pressure relief valve, flow switch, and
low water cut-off devices if so equipped.
7. Open water supply and return shut-off valves. Fill
boiler and water piping system with water. Check
boiler and piping system for leaks at full line pres-
sure. Run system circulating pump for a minimum
of 1/2 hour with boiler shut off.
8. Shut down entire system and vent all radiation
units and high points in system piping. Check all
strainers for debris. Expansion tank water level
should be at the 1/4 mark and the balance of the
tank filled with air (when using Air-X-Tank).
Fig. 36: Combustion Chamber Panels—Top View

34
TROUBLESHOOTING
These instructions are primarily intended for the use of qualified personnel specifically trained and experienced
in the installation of this type of heating equipment and related system components. Installation and service per-
sonnel may be required by some states to be licensed. Persons not qualified shall not attempt to install this
equipment nor attempt repairs according to these instructions.
PROBLEM
1)When room thermostat is turned on,
boiler does not operate.
2)When room thermostat is calling for
heat, pump is on, but burners will not
turn on.
CAUSES
1)No power to the boiler.
2)Defective room thermostat or discon-
nected wire in thermostat circuit.
3)Defective transformer.
4)Defective pump relay.
5)Defective pump.
1)For standing pilot models, pilot
burner not lighted.
2)If pilot burner will not stay lighted,
thermocouple or gas valve may be
defective.
3)Gas knob in "Pilot" position.
4)For automatic ignition models,
gas valve knob is in "OFF" position.
5)Vent switch is open.
6)Roll-out switch is open.
7)High limit is open.
8) Fast Response Temperature
Sensor probe is defective.
9) Fast Response Temperature
sensor board is defective.
SOLUTIONS
1)Check circuit breakers, disconnect
switch. Make sure poweris on.
2)Check continuity on thermostat and
wiring circuit. Replace thermostat, or
repair wiring connections.
3) Check secondary voltage. If no 24V,
replace transformer.
4) Check relay coil or contacts. Replace
as required.
5) Replace pump.
1)Light pilot burner. (Follow lighting
instructions on rating plate.)
2)Check thermocouple MV generation.
If less than 25MV (open circuit), re-
place thermocouple. If between 25-
35 MV, replace gas valve.
3)Turn knob to "ON" position.
4)Turn gas knobto "ON". If ignition
module locks out, reset by interrupt-
ing power to boiler.
5) Check for blockage of venting system
or disconnected vent piping. After
problem is corrected push button to
reset, or replace single-use type vent
switch.
6)Check for blockage of flue or sooted
heat exchanger. After problem is
corrected push buttonto reset or re-
place singleusetype roll-outswitch.
7)Setting may be too low. Check water
flow and adjust setting to obtain 20-
30°F temperature rise.
8)Red LED on circuitboard will be ON
to indicate a loose sensor connection
or a shorted sensor. Check terminal
connectors or replace sensor as re-
quired.
NOTE: Red LED will also be ON if
sensor temperature exceeds 300°F or
drops below - 20°F. It will turn OFF
when sensor temperature returns to
the proper range. Yellow LED will be
ON if temperature exceeds 240°F. It will
turn off when sensor temperature falls
below 180°F. When either Red or Yel-
low LED is ON, boiler will be shut down.
9)Check voltage across output and
common terminals. If no 24V is pres-
ent, replace board.

35
10) Before module goes into alock-out,
check voltage across MV and MV/
PV. If no24V is present,replace
module. If 24V is present, replace
gas valve.
1) Adjust inlet gas pressure as shown
on rating plate.
2) Clean pilot orifice.
3) Replace thermocouple.
1) Adjust manifold pressure as shown
on rating plate.
2) Clean burners free of debris or in-
sects.
3) Clean gas line or increase gas line
piping.
1) Refer to installation instructions re-
garding combustion air require-
ments.
2) Refer to installations instructions.
3) See yellow flame section above.
10) Defective ignition module or
defective gas valve.
1) Too low or too high gas pressures.
2) Restricted pilot.
3) Weak thermocouple.
1) Too low gas pressure.
2) Restricted burner intake ports.
3) Restricted gas line.
1) Insufficient combustion air.
2) Improper venting.
3) Severe yellow burner flames.
3)Pilot Outage.
(Standing pilot models)
4)Yellow lazy flame.
5)Sooting

36
Adjustment & Replacement of
Components
Gas Valve Replacement
1. Shut-off electrical power and gas supply to the
boiler.
2. Remove gas piping to gas valve inlet.
3. Disconnect wiring connections, pilot tubing (when
present).
4. Remove screws (2) holding the burner tray.
5. Slide burner tray out.
6. Remove gas valve bracket screws and bracket.
7. Unscrew gas valve from gas pipe.
8. Reverse above procedure to re-install.
Pilot Burner Cleaning or
Replacement (Standing Pilot)
1. Shut-off electrical power and gas supply to the
boiler.
2. Disconnect gas piping to gas valve.
3. Disconnect wiring connections to gas valve.
4. Remove screws (2) holding the burner tray.
5. Slide burner tray out.
6. Remove screw holding pilot lighter tube.
7. Remove screws (2) holding pilot bracket on the
burner tray.
8. Disconnect thermocouple and pilot tubing from the
gas valve.
9. Remove pilot burner from pilot bracket.
10. Remove pilot orifice and blow away lint or dirt.
Clean with wire or small brush. NOTE: Make sure
pilot orifice is clear, but do not enlarge the hole.
11. Reverse above procedure to re-install.
DANGER—SHOCK HAZARD: Make sure
electrical power to the boiler is disconnected to avoid
potential serious injury or damage to components.
Pilot Pilot
Orifice Orifice
Air
Opening
Fig. 37: Pilots, Honeywell (Left) and Robertshaw (Right)
Flame Roll-out Switch Replacement
1. Shut-off electrical power to the boiler.
2. Remove wiring connections to switch.
3. Remove screws (2) holding the switch.
4. Reverse above procedure to re-install.
Vent Thermal Switch Replacement
1. Shut-off electrical power to the boiler.
2. Remove wiring connections to switch.
3. Remove the screws (2).
4. Reverse above procedure to re-install.
Ignition Module Replacement
1. Shut-off electrical power to the boiler.
2. Remove control cover screws and open control
compartment.
3. Disconnect wiring connections to module.
4. Remove screws (2) holding module.
5. Reverse above procedure to re-install.
Transformer Replacement
1. Shut-off electrical power to the boiler.
2. Remove control cover screws and open control
compartment.
3. Disconnect wiring connections from transformer
leads.
4. Remove screws (2) holding transformer.
5. Reverse above procedure to re-install.
Pump Relay Replacement
1. Shut-off electrical power to the boiler.
2. Remove control cover screws and open control
compartment.
3. Disconnect wiring to the relay.
4. Remove screws (2) holding relay.
5. Reverse above procedure to re-install.
High Limit Control
1. Shut-off electrical power to the boiler.
2. Remove control cover screws and open control
compartment.
3. The control is factory set at 180°F. To adjust set-
ting, use a small screw driver and turn dial
clockwise to lower the temperature or counter-
clockwise to raise the setting.
4. To replace the limit control, disconnect the wiring
connections.
5. Remove screws (2) holding the limit control.
6. Remove upper access panel.

37
7. Remove the wedge or retaining clip holding the
sensing bulb in the control well in the in/out head-
er.
8. Pull out the sensing bulb carefully from the control
well.
9. Remove the limit control with capillary from unit.
10. Reverse above procedure to re-install.
Fast-Response Temperature Sensor
Module Replacement
1. Shut-off electrical power to the boiler.
2. Remove control cover screws and open control
compartment.
3. Disconnect wiring to the board.
4. Carefully pull out the control board from the nylon
pin supports.
Reverse above procedure to re-install.
Fast-Response Temperature Sensor
Probe Replacement
1. Shut-off electrical power to the boiler.
2. Shut-off water supply to the boiler and open drain
valve to remove water to the sensor probe level.
3. Remove control cover screws and open control
compartment.
4. Disconnect wire leads from control board.
5. Remove upper access panel.
6. Remove sensor probe from in/out header.
7. Reverse above procedure to re-install.
Circulator Replacement
1. Shut-off electrical power to the boiler.
2. Shut-off water supply and open drain valve to
remove water in the piping at the pump level.
3. Disconnect wiring and conduit connections to the
pump.
4. Disconnect the bypass tube connections to the
inlet flange.
5. Remove the nuts and bolts at the inlet and outlet
flanges. Remove old gaskets.
6. Remove the pump.
7. Reverse the above procedure to re-install. Use
new gaskets and make sure they are seated prop-
erly when tightening the nuts and bolts.
CAUTION: To avoid damage to electrical
components, keep water from getting into the control
compartments and gas valve.
2-Stage Controller
(Models 90, 135 & 180)
1. Shut-off electrical power to the boiler.
2. Remove control cover screws and open control
compartment.
3. The control is factory set at 160°F. To adjust to
another setting, use a small screw driver and turn
dial clockwise to lower the temperature or counter-
clockwise to raise the setting.
4. To replace the stage controller, disconnect the
wiring connections.
5. Remove screws (2) holding the staged controller.
6. Remove upper access panel.
7. Remove the wedge or retaining clip holding the
sensing bulb in the control well in the in/ out head-
er.
8. Pull out the sensing bulb carefully from the control
well.
9. Remove the stage control with capillary from unit.
10. Reverse above procedure to re-install.
Replacement Parts List
Any part returned for replacement under standard
company warranties must be properly tagged with
Raypak return parts tag, completely filled in with the
heater serial number, model number etc., and shipped
to Raypak freight prepaid.
If determined defective by Raypak and within warran-
ty, the part will be returned in kind or equal
substitution, freight collect. Credit will not be issued.
RAYPAK, INC.
2151 Eastman Avenue
Oxnard, CA 93030
NOTE: To supply the correct part it is important that
you supply the model number, serial number and
type of gas when applicable.

38
LIMITED PARTS WARRANTY
RESIDENTIAL HEATING BOILERS
MODELS 42 TO 180
SCOPE:
Raypak, Inc. (“Raypak”) warrants to the original owner that all parts of this boiler which are actually manufactured by Raypak will be free
from failure under normal use and service for the specified warranty periods and subject to the conditions set forth in this Warranty. Labor
charges and other costs for parts removal or reinstallation, shipping and transportation are not covered by this Warranty but are the
owner’s responsibility.
ANY PART MANUFACTURED BY RAYPAK:
One (1) year warranty from date of boiler installation, or eighteen (18) months from date of factory shipment based on Raypak’s records,
whichever comes first.
SATISFACTORY PROOF OF INSTALLATION DATE, SUCH AS INSTALLER INVOICE, IS REQUIRED. THIS WARRANTY WILL BE VOID IF THE
BOILER RATING PLATE IS ALTERED OR REMOVED.
HEAT EXCHANGER WARRANTY:
Second through tenth years from date of installation, Raypak warrants that the copper and cast iron waterway are free from defects in
material and workmanship. If any of these parts are found defective Raypak will replace or repair free of charge subject to conditions
listed under “Scope” above.
Eleventh through twentieth years from date of installation, Raypak warrants that the copper and cast iron waterways are free from
defects in material and workmanship. If any of these parts are found defective Raypak will replace the original parts and payment of a
proportionate charge equal to 1/120thof the list price of such parts, at the time the warranty claim is made, for each month, or portion there
of, beyond the tenth year.
ADDITIONAL WARRANTY EXCLUSIONS:
This warranty does not cover failures or malfunctions resulting from:
1. Failure to properly install, operate or maintain the boiler in accordance with our printed instructions provided;
2. Abuse, alteration, accident, fire, flood and the like;
3. Sediment or lime buildup, freezing, or other conditions causing inadequate water circulation;
4. High velocity flow exceeding boiler design rates;
5. Failure of connected systems devices, such as pump or controller;
6. Use of non-factory authorized accessories or other components in conjunction with the boiler system;
7. Failure to eliminate air from, or replenish water in, the connected water system;
8. Chemical contamination of combustion air or use of chemical additives to water;
9. Boilers installed in buildings other that one- or two-family dwellings.
PARTS REPLACEMENT:
Under this Warranty, Raypak will furnish a replacement for any failed part. The failed part must first be returned to Raypak if requested,
with transportation charges prepaid, and all applicable warranty conditions satisfied. The replacement part will be warranted for only the
unexpired portion of the original warranty. Raypak makes no warranty whatsoever on parts manufactured by others, but Raypak will
apply any such warranty as may be provided by the parts manufacturers.
TO MAKE WARRANTY CLAIM:
Promptly notify the original installer, supplying the model and serial numbers of the unit, date of installation and description of the problem.
The installer must then notify a Raypak distributor for instructions regarding the claim. If neither the installer nor the distributor is available,
contact Service Manager, Raypak, Inc., 2151 Eastman Avenue, Oxnard, CA 93030 or call (805) 278-5300. In all cases proper authoriza-
tion must first be received from Raypak before replacement of any part.
EXCLUSIVE WARRANTY - LIMITATION OF LIABILITY:
This is the only warranty given by Raypak. No one is authorized to make any other warranties on Raypak’s behalf. THIS WARRANTY IS
IN LIEU OF ALL OTHER WARRANTIES, EXPRESS OR IMPLIED, INCLUDING BUT NOT LIMITED TO IMPLIED WARRANTIES OF MERCHANTABIL-
ITY AND FITNESS FOR APARTICULAR PURPOSE. RAYPAK’S SOLE LIABILITY AND THE SOLE REMEDY AGAINST RAYPAK WITH RESPECT
TO DEFECTIVE PARTS SHALL BE AS PROVIDED IN THIS WARRANTY. IT IS AGREED THAT RAYPAK SHALL HAVE NO LIABILITY, WHETHER
UNDER THIS WARRANTY, OR IN CONTRACT, TORT, NEGLIGENCE OR OTHERWISE, FOR ANY SPECIAL, CONSEQUENTIAL, OR INCIDENTAL,
DAMAGE, INCLUDING DAMAGE FROM WATER LEAKAGE. Some states do not allow limitations on how long an implied warranty lasts, or
for the exclusion of incidental or consequential damages. So the above limitation or exclusion may not apply to you.
This Limited Warranty gives you specific legal rights. You may also have other rights which may vary from state to state. We suggest that
you complete the information below and retain this certificate in the event warranty service is needed. Reasonable proof of the effective
date of the warranty (date of installation) must be presented, otherwise, the effective date will be based on the date of manufacture plus
thirty (30) days.
_____________________________________________________ ______________________________________________
rellatsnIfoemaNrenwOfoemaN
_____________________________________________________ ______________________________________________
sserddAsserddA
_____________________________________________________ ______________________________________________
_____________________________________________________ ______________________________________________
.oNlaireS.oNledoM
Date of Installation_____________________________________ Date of Initial Operation___________________________
RAYPAK, INC. • 2151 Eastman Avenue • Oxnard, CA 93030 •(805) 278-5300 • Fax (800) 872-9725 •www.raypak.com
P/N: 240419
Catalog No.: 1910.10H
Effective: 01-01-04
Replaces: 05-15-03
39

www.raypak.com
Raypak, Inc., 2151 Eastman Avenue, Oxnard, CA 93030 (805) 278-5300 Fax (805) 278-5468
Litho in U.S.A.