Reebok Rbel607081 Owners Manual 285430
2014-07-19
: Reebok Reebok-Rbel607081-Owners-Manual reebok-rbel607081-owners-manual reebok pdf
Open the PDF directly: View PDF
.
Page Count: 28

Serial
Number
Decal
USERʼS MANUAL
CAUTION
Read all precautions and instruc-
tions in this manual before using
this equipment. Keep this manu-
al for future reference.
Model No. RBEL60708.1
Serial No.
Write the serial number in the
space above for reference.
www.reebokfitness.com
QUESTIONS?
If you have questions, or if parts are
damaged or missing, DO NOT
CONTACT THE STORE; please
contact Customer Care.
IMPORTANT: Please register this
product (see the limited warranty
on the back cover of this manual)
before contacting Customer Care.
CALL TOLL-FREE:
1-877-994-4999
Mon.–Fri. 6 a.m.–6 p.m. MT
Sat. 8 a.m.–4 p.m. MT
ON THE WEB:
www.reebokservice.com

TABLE OF CONTENTS
WARNINGDECALPLACEMENT ..............................................................2
IMPORTANTPRECAUTIONS ................................................................3
BEFOREYOUBEGIN ......................................................................4
ASSEMBLY ...............................................................................5
HOWTOUSETHEELLIPTICALEXERCISER ..................................................11
MAINTENANCEANDTROUBLESHOOTING ...................................................22
EXERCISEGUIDELINES ...................................................................23
PARTLIST ..............................................................................24
EXPLODEDDRAWING ....................................................................26
ORDERINGREPLACEMENTPARTS ..................................................BackCover
LIMITEDWARRANTY ..............................................................BackCover
2
REEBOK and the Vector Logo are registered trademarks and service marks of Reebok. This product is
manufactured and distributed under license from Reebok International.
WARNING DECAL PLACEMENT
The drawing shows the location(s) of the warning
decal(s). If a decal is missing or illegible, see
the front cover of this manual and request a
free replacement decal. Apply the decal in the
location shown. Note: The decal(s) may not be
shown at actual size.

3
WARNING: To reduce the risk of serious injury, read all important precautions and
instructions in this manual and all warnings on your elliptical exerciser before using your elliptical
exerciser. ICON assumes no responsibility for personal injury or property damage sustained by or
through the use of this product.
1. Before beginning any exercise program,
consult your physician. This is especially
important for persons over age 35 or per-
sons with pre-existing health problems.
2. Use the elliptical exerciser only as described
in this manual.
3. It is the responsibility of the owner to ensure
that all users of the elliptical exerciser are
adequately informed of all precautions.
4. The elliptical exerciser is intended for
home use only. Do not use the elliptical exer-
ciser in a commercial, rental, or institutional
setting.
5. Keep the elliptical exerciser indoors, away
from moisture and dust. Place the elliptical
exerciser on a level surface, with a mat
beneath it to protect the floor or carpet.
Make sure that there is at least 3 ft. (0.9 m) of
clearance in the front and rear of your ellipti-
cal exerciser and 2 ft. (0.6 m) on each side.
6. Inspect and properly tighten all parts regu-
larly. Replace any worn parts immediately.
7. Keep children under age 12 and pets away
from the elliptical exerciser at all times.
8. The elliptical exerciser should not be used
by persons weighing more than 325 lbs.
(147 kg).
9. Wear appropriate clothes while exercising;
do not wear loose clothes that could become
caught on the elliptical exerciser. Always
wear athletic shoes for foot protection while
exercising.
10. Hold the handlebars or the upper body arms
when mounting, dismounting, or using the
elliptical exerciser.
11. The pulse sensor is not a medical device.
Various factors may affect the accuracy of
heart rate readings. The pulse sensor is
intended only as an exercise aid in determin-
ing heart rate trends in general.
12. Keep your back straight while using the
elliptical exerciser; do not arch your back.
13. Over exercising may result in serious injury
or death. If you feel faint or if you experience
pain while exercising, stop immediately and
cool down.
14. When you stop exercising, allow the pedals
to slowly come to a stop.
IMPORTANT PRECAUTIONS

4
BEFORE YOU BEGIN
Thank you for selecting the revolutionary REEBOK®
SPACESAVER RL elliptical exerciser. The SPACE-
SAVER RL elliptical exerciser provides an impressive
selection of features designed to make your workouts
at home more effective and enjoyable.
For your benefit, read this manual carefully before
you use the elliptical exerciser. If you have ques-
tions after reading this manual, please see the front
cover of this manual. To help us assist you, note the
product model number and serial number before con-
tacting us. The model number and the location of the
serial number decal are shown on the front cover of
this manual.
Before reading further, please familiarize yourself with
the parts that are labeled in the drawing below.
Pulse Sensor
Audio Cable
Upper Body Arm
Pedal Disc
Wheel
Pedal
Speakers
Water Bottle Holder
(No water bottle is
included)
Console
Leveling Foot
Handle
Power Receptacle
Latch Button
Ramp
Storage Magnet
Fan
Pedal Arm Latch
Leveling Foot

5
M10 x 93mm Patch Screw (82)–4
M10 x 25mm
Washer (87)–2
M8 Split
Washer (101)–4
M4 x 16mm
Screw (116)–16
M6 Split Washer
(102)–8
M6 x 35mm Patch
Screw (109)–4
M6 x 62mm Patch
Screw (108)–4
M8 x 16mm
Washer (103)–6
Link Arm
Spacer (74)–4
M8 x 20mm Patch
Screw (107)–4
M8 x 25mm Patch
Screw (110)–2
M10 x 20mm Patch
Screw (111)–2
M8 x 15mm Patch
Screw (106)–10
M10 Curved
Washer (99)–4
Wave Washer
(100)–2
ASSEMBLY
To hire an authorized service technician to assemble the elliptical exerciser, call 1-800-445-2480.
Assembly requires two persons. Place all parts of the elliptical exerciser in a cleared area and remove the
packing materials. Do not dispose of the packing materials until assembly is completed.
In addition to the included tool(s), assembly requires a Phillips screwdriver , an adjustable
wrench , and a rubber mallet .
As you assemble the elliptical exerciser, use the drawings below to identify small parts. The number in parentheses
below each drawing is the key number of the part, from the PART LIST near the end of this manual. The number
following the parentheses is the quantity needed for assembly. Note: If a part is not in the hardware kit, check
to see if it has been preassembled.

6
1.
If there is a shipping bracket attached to the
rear of the Folding Frame (not shown), remove
the screw and the shipping bracket from the
Folding Frame. Discard the screw and the ship-
ping bracket.
See HOW TO FOLD AND UNFOLD THE
ELLIPTICAL EXERCISER on page 11 and
unfold the elliptical exerciser.
While another person lifts the front of the
Frame (1), attach the Front Stabilizer (4) to the
Frame with two M10 x 93mm Patch Screws (82)
and two M10 Curved Washers (99).
4
99
99
82
1
1
2. While another person lifts the Folding Frame
(2), attach the Rear Stabilizer (3) to the Folding
Frame with two M10 x 93mm Patch Screws (82)
and two M10 Curved Washers (99).
Next, tighten the Center Foot (95) into the
Frame (1).
3
82
2
95
1
99
99
2
To make assembly easier, read the
information on page 5 before you begin.

7
3. Attach the Front Ramp Cover (6) to the
Ramp (5) with four M4 x 16mm Screws (116).
Slide an M10 x 25mm Washer (87) onto an M10
x 20mm Patch Screw (111). Tighten the Patch
Screw into one end of the Ramp Axle (72).
Apply a small amount of the included grease to
the Ramp Axle.
Orient the Ramp (5) as shown. Align the lower
end of the Ramp with the welded tube on the
Frame (1). Insert the Ramp Axle (72) into the
Ramp and the welded tube.
Slide an M10 x 25mm Washer (87) onto an M10
x 20mm Patch Screw (111). Tighten the Patch
Screw into the open end of the Ramp Axle (72).
3
5
1
72
Grease
111
116
111
87
87
6
4. Identify the Left Pedal (34) and the Left Pedal
Arm (32), which are marked with “Left” stickers.
Attach the Left Pedal (34) to the Left Pedal
Arm (32) with two M6 x 62mm Patch Screws
(108), two M6 x 35mm Patch Screws (109), and
four M6 Split Washers (102).
Attach the Right Pedal (not shown) to the
Right Pedal Arm (not shown) in the same
way.
34
108
102
102
109
109
32
4
102

5. Insert the Roller (38) on the Left Pedal Arm (32)
and the Roller on the Right Pedal Arm (33) into
the sides of the Ramp (5).
Attach the Rear Ramp Cover (7) to the
Ramp (5) with two M4 x 16mm Screws (116).
See the inset drawing. Lift the Pedal Arm
Latch (41) on the Left Pedal Arm (32) and set
the end of the Left Pedal Arm on the left Crank
Bushing Sleeve (54). Release the Pedal Arm
Latch; make sure that the Left Pedal Arm is
securely connected to the Crank Bushing
Sleeve.
Connect the Right Pedal Arm (33) to the
right Crank Bushing Sleeve (not shown) in
the same way.
8
116 7
5
5
41
54
32
38
32
33
6
65
64
107
101 101
1
10
Avoid pinching the
Wire Harnesses
(64, 65)
107
6. While another person holds the Upright (10)
near the Frame (1), connect the Upper Wire
Harness (65) to the Lower Wire Harness (64).
Tip: Avoid pinching the Wire Harnesses (64,
65). Carefully insert the Upright (10) into the
Frame (1). Attach the Upright with four M8 x
20mm Patch Screws (107) and four M8 Split
Washers (101).

9
7. Attach the Left Upper Body Arm (22) to the left
Upper Body Leg (24) with three M8 x 15mm
Patch Screws (106).
Attach the Right Upper Body Arm (23) in the
same way.
22
23
24
106
7
9. Apply a small amount of grease to the axle on
the Left Link Arm (30), to the axle on the Left
Pedal Arm (32), and to a Wave Washer (100).
Slide the Wave Washer (100) onto the axle on
the Left Pedal Arm (32). Next, slide a Link Arm
Spacer (74) onto the axle on the Left Link Arm
(30).
Then, gradually work the axle on the Left Link
Arm (30) into the left Upper Body Leg (24)
while at the same time working the Left Link
Arm onto the axle on the Left Pedal Arm (32).
Tip: These parts are designed to fit tightly. It
may be helpful to move the Left Pedal Arm
(32) while working these parts into place.
Repeat this step with the Right Link Arm (31).
9
32
100
30
Grease
Grease
31
24
74
8. Hold the Left Rear Upper Body Cover (26) and
the Left Front Upper Body Cover (27) around
the left Upper Body Leg (24). Attach the Upper
Body Covers with five M4 x 16mm Screws
(116).
Attach the Right Rear Upper Body Cover
(28) and the Right Front Upper Body Cover
(29) in the same way.
24
116
26
28
27
116
8
29

10
10. Attach the Left Link Arm (30) to the Left Pedal
Arm (32) with an M8 x 15mm Patch Screw
(106), an M8 x 16mm Washer (103), and an
Axle Cover (66).
Attach the Left Link Arm (30) to the left Upper
Body Leg (24) with an M8 x 25mm Patch Screw
(110), two M8 x 16mm Washers (103), two Axle
Covers (66), a Link Arm Spacer (74), and an
M8 x 15mm Patch Screw (106) as shown.
Attach the Right Link Arm (31) in the same
way.
10
66 74
103
110
66
32
30
31
103
106
24
66
103
106
11. Plug the power cord into the power receptacle at the rear of the elliptical exerciser (see HOW TO PLUG IN
THE POWER CORD on page 11). IMPORTANT: If the elliptical exerciser has been exposed to cold tem-
peratures, allow it to warm to room temperature before plugging in the power cord. If you do not do
this, you may damage the console displays or other electronic components.
Make sure that all parts of the elliptical exerciser are properly tightened. Note: Some hardware may be
left over after assembly is completed. To protect the floor or carpet from damage, place a mat under the
elliptical exerciser.

11
HOW TO USE THE ELLIPTICAL EXERCISER
HOW TO PLUG IN THE POWER CORD
This product must be grounded. If it should mal-
function or break down, grounding provides a path of
least resistance for electric current to reduce the risk
of electric shock. This product is equipped with a cord
having an equipment-grounding conductor and a
grounding plug.
Plug the power cord into an appropriate outlet that
is properly installed and grounded in accordance
with all local codes and ordinances. This product
is for use on a nominal 120-volt circuit. IMPOR-
TANT: The elliptical exerciser is not compatible
with GFCI-equipped outlets.
A temporary
adapter may
be used to
connect the
power cord
to a 2-pole
receptacle as
shown at the
right if a
properly
grounded
outlet is not
available. The temporary adapter should be used only
until a properly grounded outlet can be installed by a
qualified electrician.
The green-colored rigid ear, lug, or the like extending
from the adapter must be connected to a permanent
ground such as a properly grounded outlet box cover.
Whenever the adapter is used, it must be held in
place by a metal screw. Some 2-pole receptacle out-
let box covers are not grounded. Contact a quali-
fied electrician to determine if the outlet box cover
is grounded before using an adapter.
HOW TO FOLD AND UNFOLD THE ELLIPTICAL
EXERCISER
When the elliptical exerciser is not in use, the frame
can be folded out of the way. First, lift the latch under
each pedal arm, and lift the pedal arms off the sleeves
on the crank arms.
Next, raise the pedal arms until they touch the mag-
nets on the upper body legs; the magnets will hold the
pedal arms in place. Then, hold the handle and lift the
frame until it locks in a vertical position.
To use the elliptical exerciser, first hold the handle,
press the latch button, and lower the frame.
Next, pull the pedal arms off the magnets on the upper
body legs. Then, lift the latches under the pedal
arms, and set the pedal arms on the sleeves on the
crank arms. Release the latches, and make sure that
the pedal arms are securely connected to the crank
arms.
Latch
Sleeve Pedal
Arm
Handle
Magnet
Latch
Button
Pedal Arm
DANGER: Improper connection
of the equipment-grounding conductor can
result in an increased risk of electric shock.
Check with a qualified electrician or service-
man if you are in doubt as to whether the
product is properly grounded. Do not modify
the plug provided with the product—if it will
not fit the outlet, have a proper outlet installed
by a qualified electrician.
Grounded Outlet Box
Adapter
Lug
Metal Screw
Power Cord

12
HOW TO MOVE THE ELLIPTICAL EXERCISER
To move the elliptical exerciser, first fold it as
described on page 11. Next, stand in front of the ellip-
tical exerciser, hold the handgrip pulse sensors, and
place one foot against the center of the front stabilizer.
Pull the pulse sensors until the elliptical exerciser will
roll on the front wheels. Carefully move the elliptical
exerciser to the desired position, and then lower it.
HOW TO EXERCISE ON THE ELLIPTICAL
EXERCISER
To mount the elliptical exerciser, hold the upper body
arms and step onto the pedal that is in the lowest
position. Next, step onto the other pedal. Push the
pedals until they begin to move with a continuous
motion.
Note: The crank arms can turn in either direction.
It is recommended that you turn the crank arms in
the direction shown by the arrow below; however,
for variety you can turn the crank arms in the
opposite direction.
To dismount the elliptical exerciser, wait until the ped-
als come to a complete stop. Note: The elliptical
exerciser does not have a free wheel; the pedals
will continue to move until the flywheel stops.
When the pedals are stationary, step off the higher
pedal first. Then, step off the lower pedal.
Pedals
Crank Arm
Upper Body Arms
Place
your foot
here
Handgrip
Pulse
Sensors

13
FEATURES OF THE CONSOLE
This advanced console offers an array of features
designed to make your workouts more effective and
enjoyable. When you select the manual mode of the
console, you can change the resistance of the pedals
and the incline of the ramp with the touch of a button.
As you exercise, the console will provide continuous
exercise feedback. You can even measure your heart
rate using the handgrip pulse sensor.
The console also offers twenty preset workouts. Each
workout automatically changes the resistance of the
pedals and prompts you to increase or decrease your
pedaling pace as it guides you through an effective
workout.
The console also offers two custom workouts that
allow you to create your own workouts and store them
in memory for future use.
In addition, the console features two heart rate work-
outs that change the resistance of the pedals to keep
your heart rate near target heart rates while you exer-
cise.
The console features the iFit Interactive Workout
System, which enables the console to accept iFit
cards containing workouts designed to help you
achieve specific fitness goals. For example, lose
unwanted pounds with the 8-week Weight Loss work-
out. iFit workouts control the resistance of the pedals
while the voice of a personal trainer coaches you
through your workouts. iFit cards are available sepa-
rately. To purchase iFit cards, go to www.iFit.com
or see the front cover of this manual. iFit cards are
also available at select stores.
You can even connect your MP3 player or CD player
to the consoleʼs sound system and listen to your
favorite music or audio books while you exercise.
To use the manual mode, see page 14. To use a
preset workout, see page 16. To create a custom
workout, see page 17. To use a custom workout,
see page 18. To use a heart rate workout, see page
19. To use an iFIT workout, see page 21. To use the
sound system, see page 21. To adjust the contrast
level of the display, see page 21.
CONSOLE DIAGRAM

14
HOW TO USE THE MANUAL MODE
Note: If there is a sheet of clear plastic on the face of
the console, remove the plastic.
1. Press any button on the console or begin
pedaling to turn on the console.
When you turn on the console, the display will
light. A tone will then sound and the console will
be ready for use.
2. Select the manual mode.
When you turn on the console, the manual mode
will be selected. If you have selected a workout,
reselect the manual mode by pressing any of the
Workouts buttons repeatedly until zeroes appear
in the display.
3. Begin pedaling and change the resistance of
the pedals and the incline of the ramp as
desired.
As you pedal, change the resistance of the pedals
by pressing the Quick Resistance buttons. Note:
After you press the buttons, it will take a moment
for the pedals to reach the selected resistance
level.
To vary the motion of the pedals, you can change
the incline of the ramp. To change the incline,
press the Quick Ramp buttons. Note: After you
press the buttons, it will take a moment for the
ramp to reach the selected incline level.
4. Follow your progress with the display.
The upper left corner of the display will show the
elapsed time. Note: During a workout, except for
heart rate workout 1, the display will show the time
remaining in the workout.
The upper right corner of the display will show
the distance you have pedaled, in total revolutions.
The display will also show your heart rate when
you use the handgrip pulse sensor (see step 5 on
page 15).
The lower left corner of the display will show the
ramp incline level.
The lower center of the display will show the
approximate number of grams of carbs you have
burned.
The lower right corner of the display will show
your pedaling pace, in revolutions per minute.
The center of the display will show the resistance
level of the pedals for a few seconds each time
the resistance level changes.
You can also view selected information at a larger
size. Press the Display button repeatedly to view
the elapsed time and the distance you have ped-
aled, the elapsed time and the approximate num-
ber of calories you have burned, the elapsed time,
or the approximate number of calories you have
burned. Press the Display button again to view a
workout history of resistance levels and pedaling
pace.
To again view the time, distance, ramp incline,
number of grams of carbs burned, and pedaling
pace, press the Display button.
To view the total distance pedaled since the ellipti-
cal exerciser was purchased and the trip distance,
press the Odometer button. The information will
appear in the display for a few seconds. To reset
the trip distance, hold down the Odometer button
for a few seconds.

15
5. Measure your heart rate if desired.
If there are
sheets of clear
plastic on the
metal contacts
on the handgrip
pulse sensor,
remove the plas-
tic. In addition,
make sure that
your hands are
clean. To measure
your heart rate,
hold the handgrip pulse sensor with your palms
resting against the metal contacts. Avoid moving
your hands or gripping the contacts tightly.
When your pulse is detected, your heart rate will
be shown in the display. For the most accurate
heart rate reading, hold the contacts for at least 15
seconds.
If your heart rate is not shown, make sure that
your hands are positioned as described. Be care-
ful not to move your hands excessively or to
squeeze the metal contacts tightly. For optimal
performance, clean the metal contacts using a soft
cloth; never use alcohol, abrasives, or chemi-
cals to clean the contacts.
6. Turn on the fan if desired.
The fan has high, low, and auto speed settings.
While the auto mode is selected, the speed of the
fan will automatically increase or decrease as you
increase or decrease your pedaling speed. Press
the Fan button repeatedly to select a fan speed or
to turn off the fan. Note: If the pedals do not move
for about thirty seconds, the fan will turn off auto-
matically.
Pivot the fan louvers above the display upward or
downward to direct the airflow from the fan.
7. When you are finished exercising, the console
will turn off automatically.
If the pedals are not moved for several seconds, a
series of tones will sound and the console will
pause.
If the pedals are not moved for about five minutes,
the console will turn off and the display will be
reset.
Contacts

16
HOW TO USE A PRESET WORKOUT
1. Press any button on the console or begin
pedaling to turn on the console.
When you turn on the console, the display will
light. A tone will then sound and the console will
be ready for use.
2. Select a preset workout.
To select a weight loss workout, press the Wt.
Loss Workouts button repeatedly; to select an aer-
obic workout, press the Aerobic Workouts button;
to select a competition workout, press the
Competition Workouts button.
When you select a preset workout, the name of
the workout, the workout time, and the maximum
pace and resistance level for the workout will
appear in the display for a few seconds. A profile
of the resistance levels of the workout will then
appear in the display.
3. Begin pedaling to start the workout.
Each workout is divided into 20, 30, or 45 one-
minute segments. One resistance level and one
target pace are programmed for each segment.
Note: The same resistance level and/or target
pace may be programmed for two or more consec-
utive segments.
During the workout, the workout profile will show
your progress. The flashing segment of the profile
represents the current segment of the workout.
The height of the flashing segment indicates the
resistance level for the current segment. At the
end of each segment of the workout, a series of
tones will sound and the next segment of the pro-
file will begin to flash. If a different resistance level
is programmed for the next segment, the resis-
tance level will appear in the display for a few sec-
onds to alert you. The resistance of the pedals will
then change.
As you exercise, you
will be prompted to
keep your pedaling
pace near the target
pace for the current
segment. When an
upward-pointing arrow or the prompt SPEED UP
appears next to the pace information in the dis-
play, increase your pace. When a downward-point-
ing arrow or the prompt SLOW DOWN appears,
decrease your pace. When no arrow or prompt
appears, maintain your current pace. IMPOR-
TANT: The target pace is intended only to pro-
vide motivation. Make sure to pedal at a pace
that is comfortable for you.
If the resistance level for the current segment is
too high or too low, you can manually override the
setting by pressing the Quick Resistance buttons.
However, when the current segment ends, the
pedals will automatically adjust to the resistance
level for the next segment.
If you stop pedaling for several seconds, a series
of tones will sound and the workout will pause. To
restart the workout, simply resume pedaling. The
workout will continue until the last segment of the
profile flashes and the last segment of the workout
ends.
Profile

17
4. Follow your progress with the display.
During the workout, the display will show the work-
out profile, the time remaining in the workout, and
the distance you have pedaled.
To view the profile, your pedaling pace, and the
distance you have pedaled, press the Display but-
ton. Note: The words SPEED UP or SLOW DOWN
may appear in the display to prompt you to keep
your pedaling pace near the target pace for the
current segment.
To view the time remaining in the workout and the
distance pedaled, press the Display button. Press
the Display button again to view the time remain-
ing and the approximate number of calories
burned.
To view the time remaining, distance pedaled,
ramp incline, number of grams of carbs burned,
and pedaling pace, press the Display button again.
Note: An upward- or downward-pointing arrow may
appear in the display to prompt you to keep your
pedaling pace near the target pace for the current
segment.
To view the first display again, press the Display
button.
5. Measure your heart rate if desired.
See step 5 on page 15.
6. Turn on the fan if desired.
See step 6 on page 15.
7. When you are finished exercising, the console
will turn off automatically.
See step 7 on page 15.
HOW TO CREATE A CUSTOM WORKOUT
1. Press any button on the console or begin ped-
aling to turn on the console.
When you turn on the console, the display will
light. A tone will then sound and the console will
be ready for use.
2. Select a custom workout.
To select a custom workout, press the Custom
Workouts button once or twice. When you select a
custom workout, the name of the workout and the
settings for the workout will appear in the display
for a few seconds.
3. Begin pedaling to start the workout, and
program the desired settings.
Each custom workout is divided into 30 one-
minute segments. You can program one resistance
level and one target pace for each segment.
To program a resistance level for the first segment,
simply adjust the resistance of the pedals by
pressing the Quick Resistance buttons. To pro-
gram a target pace for the first segment, simply
pedal at the desired pace.
At the end of the first segment, the workout will
store the current resistance level and your current
pace in memory. Program a resistance level and a
target pace for the second segment as described
above.
Continue exercising for up to thirty minutes. Stop
pedaling when you are finished with your workout.
The workout you created will then be stored in
memory. Note: If your workout is less than thirty
minutes long, any remaining segments in the
workout will be stored with the last resistance level
and target pace you programmed.
4. When the workout is finished, the console will
turn off automatically.
See step 7 on page 15.

18
HOW TO USE A CUSTOM WORKOUT
1. Press any button on the console or begin ped-
aling to turn on the console.
When you turn on the console, the display will
light. A tone will then sound and the console will
be ready for use.
2. Select a custom workout.
To select a custom workout, press the Custom
Workouts button repeatedly until the words CUS-
TOM 1 or CUSTOM 2 appear in the display.
When you select a custom workout, the name of
the workout, the workout time, and the maximum
pace and resistance level will appear in the display
for a few seconds. A profile of the resistance levels
of the workout will then appear in the display.
3. Begin pedaling to start the workout.
Each custom workout is divided into 30 one-
minute segments. One resistance level and one
target pace are programmed for each segment.
Note: The same resistance level and/or target
pace may be programmed for two or more consec-
utive segments.
During the workout, the
workout profile will
show your progress.
The flashing segment of
the profile represents
the current segment of
the workout. The height of the flashing segment
indicates the resistance level for the current seg-
ment. At the end of each segment of the workout,
a series of tones will sound and the next segment
of the profile will begin to flash. If a different resis-
tance level is programmed for the next segment,
the resistance level will appear in the display for a
few seconds to alert you. The resistance of the
pedals will then change.
As you exercise, you will be prompted to keep
your pedaling pace near the target pace for the
current segment. When an upward-pointing arrow
or the prompt SPEED UP appears next to the
pace information in the display, increase your
pace. When a downward-pointing arrow or the
prompt SLOW DOWN appears, decrease your
pace. When no arrow or prompt appears, maintain
your current pace. IMPORTANT: The target pace
is intended only to provide motivation. Make
sure to pedal at a pace that is comfortable for
you.
If the resistance level for the current segment is
too high or too low, you can manually override the
setting by pressing the Quick Resistance buttons.
However, when the current segment ends, the
pedals will automatically adjust to the resistance
level for the next segment.
If you stop pedaling for several seconds, a series
of tones will sound and the workout will pause. To
restart the workout, simply resume pedaling. The
workout will continue until the last segment of the
profile flashes and the last segment of the workout
ends.
Profile

19
4. Change the workout if desired.
If desired, you can change the workout while using
it. To change the resistance level for the cur-
rent segment, simply press the Quick Resistance
buttons. At the end of the current segment, the
new resistance level will be stored in memory. To
change the target pace for the current seg-
ment, simply change your pedaling pace. At the
end of the current segment, your pace will be
stored in memory. You can continue exercising
and changing the workout for up to thirty minutes.
5. Follow your progress with the display.
See step 4 on page 14.
6. Measure your heart rate if desired.
See step 5 on page 15.
7. Turn on the fan if desired.
See step 6 on page 15.
8. When you are finished exercising, the console
will turn off automatically.
See step 7 on page 15.
HOW TO USE A HEART RATE WORKOUT
1. Press any button on the console or begin
pedaling to turn on the console.
When you turn on the console, the display will
light. A tone will then sound and the console will
be ready for use.
2. Select a heart rate workout.
To select one of the heart rate workouts, press the
Heart Rate Workouts button once or twice. When
you select a custom workout, the name of the
workout will appear in the display for a few sec-
onds.
3. Enter a target heart rate.
A few seconds after you select a heart rate work-
out, the words ENTER MAX TARGET HEART
RATE FOR THIS WORKOUT will appear in the
display and the number 110 will begin to flash.
During heart rate workout 1, the same target
heart rate will be programmed for all segments of
the workout. If you have selected heart rate work-
out 1, press the increase and decrease buttons
below the Heart Rate Workouts button to enter the
desired target heart rate (see EXERCISE INTEN-
SITY on page 23).
During heart rate workout 2, different target
heart rates will be programmed for different seg-
ments of the workout. If you have selected heart
rate workout 2, press the increase and decrease
buttons below the Heart Rate Workouts button to
enter the desired maximum target heart rate for
the workout (see EXERCISE INTENSITY on page
23).
4. Hold the handgrip pulse sensor.
It is not necessary to hold the handgrip pulse sen-
sor continuously during heart rate workouts; how-
ever, you should hold the handgrip pulse sensor
frequently for the workouts to operate properly.
Each time you hold the handgrip pulse sensor,
keep your hands on the metal contacts for at
least 30 seconds.

20
5. Begin pedaling to start the workout.
Heart rate workout 1 is divided into 40 one-
minute segments. Note: For a shorter workout,
stop exercising or select a different workout before
the workout ends.
Heart rate workout 2 is divided into 30 one-
minute segments. One target heart rate is pro-
grammed for each segment. Note: The same tar-
get heart rate may be programmed for consecutive
segments.
During the workout, the workout profile in the dis-
play will show your progress. The flashing seg-
ment of the profile represents the current segment
of the workout. The height of the flashing segment
indicates the target heart rate for the current seg-
ment. At the end of each segment of the workout,
a series of tones will sound and the next segment
of the profile will begin to flash.
During both workouts, the console will regularly
compare your heart rate to the target heart rate for
the current segment of the workout. If your heart
rate is too far below or above the target heart rate,
the resistance of the pedals will automatically
increase or decrease to bring your heart rate clos-
er to the target heart rate. Each time the resis-
tance changes, the resistance level will appear in
the display for a few seconds to alert you.
While you exercise, you
will be prompted to
maintain a constant
pedaling pace. When
an upward-pointing
arrow or the prompt
SPEED UP appears next to the pace information
in the display, increase your pace. When a down-
ward-pointing arrow or the prompt SLOW DOWN
appears, decrease your pace. When no arrow or
prompt appears, maintain your current pace.
If the resistance level for the current segment is
too high or too low, you can manually override the
setting by pressing the Quick Resistance buttons.
However, when the console compares your heart
rate to the target heart rate, the resistance of the
pedals may automatically increase or decrease to
bring your heart rate closer to the target heart rate.
If you stop pedaling for several seconds, a series
of tones will sound and the workout will pause. To
restart the workout, simply resume pedaling. The
workout will continue until the last segment of the
workout ends.
6. Follow your progress with the display.
During heart rate workout 1, the display will
show a graphic that represents a detected heart-
beat, the elapsed time, and the distance that you
have pedaled. During heart rate workout 2, the
display will show the workout profile, the time
remaining in the workout, and the distance that
you have pedaled.
To view the profile, your pedaling pace, and the
distance you have pedaled, press the Display but-
ton. Note: The words SPEED UP or SLOW DOWN
may appear in the display to prompt you to keep
your pedaling pace near the target pace for the
current segment.
To view the time remaining in the workout and the
distance pedaled, press the Display button. Press
the Display button again to view the time remain-
ing and the approximate number of calories
burned.
To view the time remaining, distance pedaled,
ramp incline, number of grams of carbs burned,
and pedaling pace, press the Display button again.
Note: An upward- or downward-pointing arrow may
appear in the display to prompt you to keep your
pedaling pace near the target pace for the current
segment.
To view the first display again, press the Display
button again.
7. Turn on the fan if desired.
See step 6 on page 15.
8. When you are finished exercising, the console
will turn off automatically.
See step 7 on page 15.
Profile

21
HOW TO USE AN IFIT WORKOUT
iFit cards are available separately. To purchase iFit
cards, go to www.iFit.com or see the front cover of this
manual. iFit cards are also available at select stores.
1. Press any button on the console or begin
pedaling to turn on the console.
When you turn on the console, the display will
light. A tone will then sound and the console will
be ready for use.
2. Insert an iFIT card and select a workout.
To use an iFIT workout, insert an iFIT card into the
iFIT slot; make sure that the iFIT card is oriented
so the metal contacts are face-down and are fac-
ing the slot. When the iFIT card is properly insert-
ed, the indicator next to the slot will light and text
will appear in the display.
Next, select the desired workout on the iFIT card
by pressing the up and down buttons next to the
iFIT slot.
A moment after you select a workout, the voice of
a personal trainer will begin guiding you through
your workout. iFIT workouts work in the same way
as preset workouts. To use the workout, see steps
3 to 7 on page 16.
3. When you are finished exercising, remove the
iFIT card.
Remove the iFIT card when you are finished exer-
cising. Store the iFIT card in a secure place.
HOW TO USE THE SOUND SYSTEM
To play music or audio
books through the con-
soleʼs sound system while
you exercise, first locate
the audio cable in the cen-
ter of the console above
the speakers. Plug the
cable into a jack on your MP3 player or CD player;
make sure that the audio cable is fully plugged in.
Next, press the play button on your MP3 player or CD
player. Adjust the volume of the speakers using the
volume control on your MP3 player or CD player.
When not in use, insert the audio cable into the stor-
age recess on the console.
HOW TO ADJUST THE CONTRAST LEVEL OF THE
DISPLAY
The console features a user mode that allows you to
adjust the contrast level of the display.
To enter the user mode, press and hold the Display
button for several seconds until the user mode
appears in the display.
To adjust the contrast level of the display, press the
increase and decrease buttons below the Heart Rate
Workouts button.
To exit the user mode, press the Display button.
iFIT Slot
iFIT Card
Cable

22
Inspect and tighten all parts of the elliptical exerciser
regularly. Replace any worn parts immediately.
To clean the elliptical exerciser, use a damp cloth and
a small amount of mild soap. IMPORTANT: To avoid
damage to the console, keep liquids away from
the console and keep the console out of direct
sunlight.
HOW TO LEVEL THE ELLIPTICAL EXERCISER OR
ELIMINATE FLEXING IN THE FRAME
If the elliptical exerciser rocks on your floor during use,
turn one or both of the Leveling Feet (98) until the
rocking motion is eliminated.
If the elliptical exerciser flexes in the center during
use, turn the Center Foot (95) until the flexing is elimi-
nated.
HOW TO ELIMINATE RUBBING OF THE DISCS
See the drawing above. If the Discs (12) rub against
the Side Shields (14, 15) during use, make sure that
the Center Foot (95) is installed in the Frame (1). If
the Center Foot is installed, loosen the two indicated
Bolt Sets (88) and the two M4 x 16mm Screws (116)
in each side of the elliptical exerciser.
Adjust the position of the Side Shields (14, 15) until
the Discs (12) no longer rub against them, and then
tighten the Bolt Sets (88) and the M4 x 16mm Screws
(116).
HANDGRIP PULSE SENSOR TROUBLESHOOTING
If the handgrip pulse sensor does not function proper-
ly, see step 5 on page 15.
HOW TO ADJUST THE BELT
If the pedals slip
while you are
pedaling, even
while the resis-
tance is adjusted
to the highest set-
ting, the belt may
need to be adjust-
ed. To adjust the
belt, first carefully
pry off the left
Disc Cover (13)
using a flat screwdriver. Next, remove the four screws
(not shown) from the center of the left Disc (12).
Gently rotate the Disc Cover and the Disc away from
the elliptical exerciser.
Loosen, but do
not remove, the
three 1/4" x
19mm Button
Screws (114).
Insert the shaft of
a screwdriver
downward
between the pul-
ley (A) and the
Idler Pulley (48).
Pull the top of the
screwdriver
toward the rear of the elliptical exerciser until the Belt
(96) is tight, and then tighten the three Button Screws.
Reattach the left disc with the four screws and then
reattach the left disc cover.
MAINTENANCE AND TROUBLESHOOTING
48
13
12
A
114 96
98
95
116
14, 15
12
88
1

23
These guidelines will help you to plan your exercise
program. For detailed exercise information, obtain a
reputable book or consult your physician. Remember,
proper nutrition and adequate rest are essential for
successful results.
EXERCISE INTENSITY
Whether your goal is to burn fat or to strengthen your
cardiovascular system, exercising at the proper inten-
sity is the key to achieving results. You can use your
heart rate as a guide to find the proper intensity level.
The chart below shows recommended heart rates for
fat burning and aerobic exercise.
To find the proper intensity level, find your age at the
bottom of the chart (ages are rounded off to the near-
est ten years). The three numbers listed above your
age define your “training zone.” The lowest number is
the heart rate for fat burning, the middle number is the
heart rate for maximum fat burning, and the highest
number is the heart rate for aerobic exercise.
Burning Fat—To burn fat effectively, you must exer-
cise at a low intensity level for a sustained period of
time. During the first few minutes of exercise, your
body uses carbohydrate calories for energy. Only after
the first few minutes of exercise does your body begin
to use stored fat calories for energy. If your goal is to
burn fat, adjust the intensity of your exercise until your
heart rate is near the lowest number in your training
zone. For maximum fat burning, exercise with your
heart rate near the middle number in your training
zone.
Aerobic Exercise—If your goal is to strengthen your
cardiovascular system, you must perform aerobic
exercise, which is activity that requires large amounts
of oxygen for prolonged periods of time. For aerobic
exercise, adjust the intensity of your exercise until
your heart rate is near the highest number in your
training zone.
WORKOUT GUIDELINES
Warming Up—Start with 5 to 10 minutes of stretching
and light exercise. A warm-up increases your body
temperature, heart rate, and circulation in preparation
for exercise.
Training Zone Exercise—Exercise for 20 to 30 min-
utes with your heart rate in your training zone. (During
the first few weeks of your exercise program, do not
keep your heart rate in your training zone for longer
than 20 minutes.) Breathe regularly and deeply as you
exercise–never hold your breath.
Cooling Down—Finish with 5 to 10 minutes of
stretching. Stretching increases the flexibility of your
muscles and helps to prevent post-exercise problems.
EXERCISE FREQUENCY
To maintain or improve your condition, complete three
workouts each week, with at least one day of rest
between workouts. After a few months of regular exer-
cise, you may complete up to five workouts each
week, if desired. Remember, the key to success is to
make exercise a regular and enjoyable part of your
everyday life.
EXERCISE GUIDELINES
WARNING: Before beginning this
or any exercise program, consult your physi-
cian. This is especially important for persons
over the age of 35 or persons with pre-exist-
ing health problems.
The pulse sensor is not a medical device.
Various factors may affect the accuracy of
heart rate readings. The pulse sensor is
intended only as an exercise aid in determin-
ing heart rate trends in general.

24
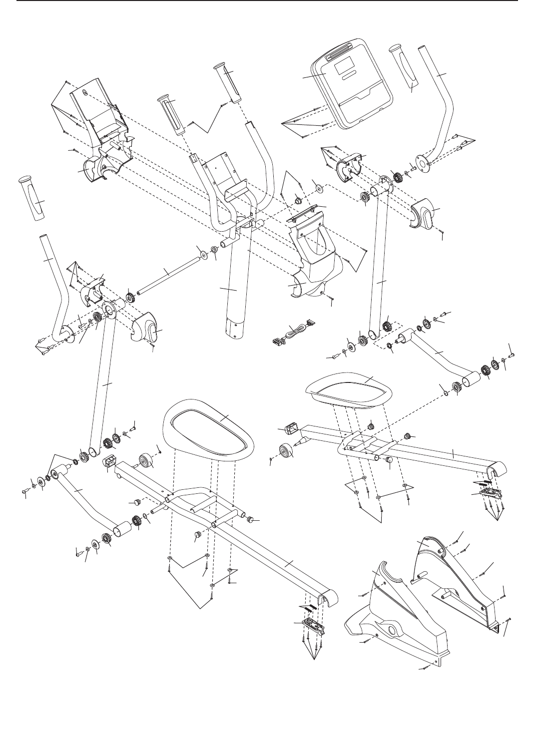
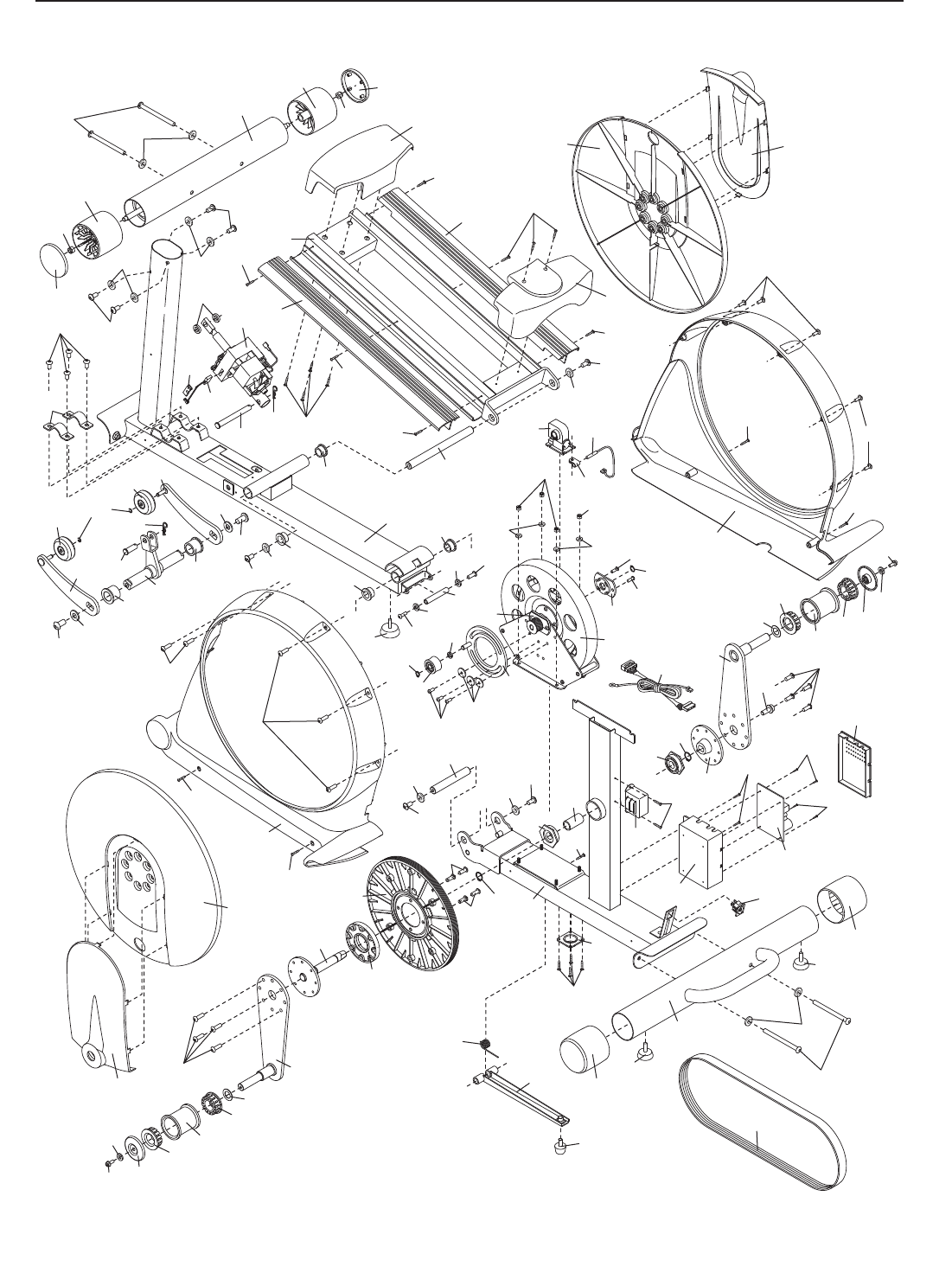
Key No. Qty. Description Key No. Qty. Description
PART LIST—Model No. RBEL60708.1 R0110A
11Frame
21Folding Frame
31 Rear Stabilizer
41Front Stabilizer
51Ramp
61Front Ramp Cover
71Rear Ramp Cover
82Side Ramp Cover
91Lift Motor
10 1 Upright
11 1 Console
12 2 Disc
13 2 Disc Cover
14 1 Left Side Shield
15 1 Right Side Shield
16 2 Rear Cap
17 2 Wheel
18 2 Wheel Cover
19 1 Rear Upright Cover
20 1 Front Upright Cover
21 2 Handgrip
22 1 Left Upper Body Arm
23 1 Right Upper Body Arm
24 2 Upper Body Leg
25 2 Pulse Sensor/Wire
26 1 Left Rear Upper Body Cover
27 1 Left Front Upper Body Cover
28 1 Right Rear Upper Body Cover
29 1 Right Front Upper Body Cover
30 1 Left Link Arm
31 1 Right Link Arm
32 1 Left Pedal Arm
33 1 Right Pedal Arm
34 1 Left Pedal
35 1 Right Pedal
36 1 Left Frame Cover
37 1 Right Frame Cover
38 4 Roller
39 2 Pedal Arm Cap
40 1 Tray
41 2 Pedal Arm Latch
42 4 Pedal Arm Latch Spring
43 6 Pedal Arm Cap
44 1 Eddy Mechanism
45 1 Eddy Crank Assembly
46 1 Pillow Block
47 1 Idler
48 1 Idler Pulley
49 1 Eddy Motor
50 1 Reed Switch/Wire
51 1 Clamp
52 2 Large Axle Cover
53 2 Crank Bushing
54 2 Crank Bushing Sleeve
55 2 Crank Arm
56 1 Crank Arm Spacer
57 1 Large Pulley
58 1 Crank Flange
59 1 Right Crank Bearing Assembly
60 1 Crank Spacer
61 1 Crank
62 2 Lift Bracket
63 1 Lift Axle
64 1 Lower Wire Harness
65 1 Upper Wire Harness
66 6 Axle Cover
67 8 Bushing Assembly
68 4 Brass Bushing
69 1 Latch Bracket
70 1 Latch Button
71 1 Upper Body Axle
72 1 Ramp Axle
73 1 Pivot Axle
74 4 Link Arm Spacer
75 1 Latch Axle
76 1 Latch Spring
77 2 Lift Axle Screw
78 1 Button Frame
79 2 Hairpin Cotter
80 2 Lift Axle Washer
81 1 Control Board
82 4 M10 x 93mm Patch Screw
83 2 Crank Snap Ring
84 2 Crank Arm Washer
85 2 Outside Crank Bushing
86 1 Flange Screw
87 4 M10 x 25mm Washer
88 5 Bolt Set
89 4 Small Snap Ring
90 1 Idler Snap Ring
91 1 Eddy Snap Ring
92 1 Idler Spacer
93 2 M10 Locknut
94 3 Idler Washer
95 1 Center Foot
96 1 Belt
97 1 Control Box
98 2 Leveling Foot
99 4 M10 Curved Washer
100 4 Wave Washer

25
Note: Specifications are subject to change without notice. For information about ordering replacement parts, see
the back cover of this manual. *These parts are not illustrated.
101 4 M8 Split Washer
102 12 M6 Split Washer
103 8 M8 x 16mm Washer
104 4 M8 x 20mm x 2mm Washer
105 4 M8 x 16mm Button Screw
106 10 M8 x 15mm Patch Screw
107 8 M8 x 20mm Patch Screw
108 4 M6 x 62mm Patch Screw
109 4 M6 x 35mm Patch Screw
110 6 M8 x 25mm Patch Screw
111 4 M10 x 20mm Patch Screw
112 8 M8 x 25mm Shoulder Screw
113 2 M8 x 30mm Button Screw
114 5 1/4" x 19mm Button Screw
115 3 M4 x 12mm Screw
116 56 M4 x 16mm Screw
117 8 M4 x 16mm Cupped Screw
118 4 M6 Locknut
119 4 Bearing Assembly
120 2 Upright Brass Bushing
121 1 Left Lift Arm
122 1 Right Lift Arm
123 2 Lift Bushing
124 1 Transformer
125 1 Control Box Cover
126 1 Motor Clevis Pin
127 1 Bracket Pin
128 1 Lift Reed Switch
129 1 Switch Cover
130 1 Power Receptacle
131 2 Motor Spacer
132 4 M4 x 10mm Screw
133 1 Left Crank Bearing Assembly
*–Hex Key
*–Grease Packet
*–Power Cord
*–Lift Motor Power Wire
*–Lift Motor Sensor Wire
*–Userʼs Manual
Key No. Qty. Description Key No. Qty. Description

26
EXPLODED DRAWING A—Model No. RBEL60708.1 R0110A
10
11
19
20
21
21
22
23
24
24
25
25
26
27
28
29
31
30
32
33
34
35
36
37
38
38
39
39
40
41
42
41
42
43
43
43
43
43
43
65
66
66
66
66
66
67 67
66
67
67
67
67
67
67
119
119
119
119
120
120
71
74
74
74
89
89
116
116
110
103
103
105
104
106
116
116
117
116
116
116
117
116
104
105
106
116
116
115
100
100
106 103
110
103
106
103
100
106
106
103
100
108
102 102
109 109
102 102
109
108 108
117
117
117
117
117
117
116
116

27
1
2
3
4
5
6
7
8
8
9
62
63
12 13
12
13
14
15
16
16
17
17
18
18
44
45 46
47
48
49 50
51
95
52
54
53
55
56
57
133
60
61
59
58
55
52
54
53
64
68
68
68
68
69
70
72
88
76
78
82
82
83
83
84
85
84 85
86
88
88
88
90
91
92
94
73
93
93
118
118
96
99
99
107
101
107
101 116
116
116 116
111
87
116
116
116
111
87
102
114
102
114
114
116
116
113
103
113
103
112
110
110
87
87
111
111
116
116
116
115
112
98
98
121
122
123
123
38
38
79
79
126
127
128
129
89
131
107
80
77
80
77
124
116
97 130
116
81
132
132
125
105
75
104 105
104
EXPLODED DRAWING B—Model No. RBEL60708.1 R0110A

Part No. 266241 R0110A Printed in China © 2010 ICON IP, Inc.
ORDERING REPLACEMENT PARTS
To order replacement parts, please see the front cover of this manual. To help us assist you, be prepared to
provide the following information when contacting us:
• the model number and serial number of the product (see the front cover of this manual)
• the name of the product (see the front cover of this manual)
• the key number and description of the replacement part(s) (see the PART LIST and the EXPLODED
DRAWING near the end of this manual)
ICON Health & Fitness, Inc. (ICON) warrants this product to be free from defects in workmanship and
material, under normal use and service conditions. The frame is warranted for a lifetime. Parts and labor
are warranted for one (1) year from the date of purchase.
This warranty extends only to the original purchaser. ICONʼs obligation under this warranty is limited to
repairing or replacing, at ICONʼs option, the product through one of its authorized service centers. All
repairs for which warranty claims are made must be preauthorized by ICON. If the product is shipped to
a service center, freight charges to and from the service center will be the customerʼs responsibility. For
replacement parts shipped while the product is under warranty, the customer will be responsible for a min-
imal handling charge. For in-home service, the customer will be responsible for a minimal trip charge. This
warranty does not extend to any damage to a product caused by or attributable to freight damage, abuse,
misuse, improper or abnormal usage, or repairs not provided by an ICON authorized service center; to
products used for commercial or rental purposes or as store display models; or to products transported
or purchased outside the US. No other warranty beyond that specifically set forth above is authorized by
ICON.
ICON is not responsible or liable for indirect, special, or consequential damages arising out of or in con-
nection with the use or performance of the product; damages with respect to any economic loss, loss of
property, loss of revenues or profits, loss of enjoyment or use, or costs of removal or installation; or other
consequential damages of whatsoever nature. Some states do not allow the exclusion or limitation of inci-
dental or consequential damages. Accordingly, the above limitation may not apply to you.
The warranty extended hereunder is in lieu of any and all other warranties, and any implied warranties of
merchantability or fitness for a particular purpose are limited in their scope and duration to the terms set
forth herein. Some states do not allow limitations on how long an implied warranty lasts. Accordingly, the
above limitation may not apply to you.
This warranty gives you specific legal rights. You may also have other rights that vary from state to state.
ICON Health & Fitness, Inc., 1500 S. 1000 W., Logan, UT 84321-9813
LIMITED WARRANTY
IMPORTANT: You must register this product within 30 days of the purchase date to avoid added
fees for service needed under warranty. Go to www.reebokservice.com/registration.