Richardson Electronics MT250 Low Power FM Transmitter User Manual Pages 1 to 13
Richardson Electronics Ltd Low Power FM Transmitter Pages 1 to 13
Exhibit D Users Manual per 2 1033 c3

1
USER OPERATIONAL MANUAL
250 WATT FM TRANSMITTER
Model MT250

2
GENERAL NOTICE
THE MT250 TRANSMITTER IS SET FOR 110 VAC. FOR 220 VAC. SETTING, SEE THE
MODIFICATIONS SHOWN IN THE SCHEMATIC DIAGRAM ENCLOSED IN THE MANUAL
THE MT250 TRANSMITTER OPERATING FREQUENCY MAY NOT BE SET FOR YOUR AUTHORIZED
FREQUENCY. IN ORDER TO SET THE FREQUENCY OF OPERATION OF THE MT250, PLEASE LOCATE, THE
OME-1T SECTION OF THIS MANUAL AND ON PAGE 4 OF 4 LOCATE THE FREQUENCY SETTING EXAMPLES.
THE COVER OF THE TRANSMITTER WILL NEED TO BE REMOVED IN ORDER TO GAIN ACCESS TO THE TOP
PANEL OF THE FM STEREO EXCITER TO MAKE THE FREQUENCY CHANGE.
THE MT250 WAS DESIGNED AND REALIZED IN THE RICHARDSON ELECTRONICS, R&D LABORATORY OF
INGENIUM SRL FACTORY.
THIS PRODUCT DOES NOT INCLUDE A DETAILED TECHNICAL MANUAL, RATHER AN ENHANCED
OPERATORS MANUAL.
WHAT THIS DOCUMENTATION IS INTENDED TO DO IS TO GIVE THE USER THE CORRECT INSTRUCTIONS
AND INDICATIONS ABOUT HOW TO TURN ON, OPERATE, HOW TO DO PERIODICAL CHECKS AND, HOW TO
MAINTAIN THE MT250 FM STEREO TRANSMITTER.
WE ARE AWARE THAT THE TRANSMITTER DOCUMENTATION MAY PRESENT SOME SMALL AMBIGUITIES
AND IMPERFECTIONS, MANY OF WHICH HAVE ALREADY BEEN NOTED AND RESOLVED IN THE NEXT
RELEASE AND PRODUCTION. FOR THIS REASON, EVERY OBSERVATIONS/SUGGESTIONS OR PARTICULAR
REQUESTS ARE WELCOME.
ELECTRONIC FILES OF THE SCHEMATIC DIAGRAMS IN THIS MANUAL ARE AVAILABLE AND SHOULD A
LARGER MORE VIEWABLE VERSION OF ANY DIAGRAM BE REQUIRED PLEASE DO NOT HESITATE TO
NOTIFY RICHARDSON ELECTRONICS, LTD.
DO NOT HESITATE TO CALL OUR TECHNICAL SUPPORT CENTER AT RICHARDSON ELECTRONICS IN LA
FOX, ILLINOIS OR OUR R&D CENTER AT ANY TIME.
Richardson Electronics, Ltd.
Ingenium R&D
Via della Libertà, n.1
05010 Allerona Scalo (TR)
Italy
Phone: +39 (0)763 628979 Fax +39 (0)763 628978
3
Returns and Exchanges
Equipment (Damaged or undamaged) should not be returned unless written approval and a
Merchandise Return Authorization (MRA Number) is received from Broadcast Richardson.
Special shipping instruction will be provided which will assure proper handling. The circumstances
and reasons for the return must be included in the request for return. Equipment that is special
or “custom” ordered may be not returnable. In situations where return or exchange is at the
request of the customer a restocking fee may be charged. All returns must be sent freight prepaid
and properly insured by customer. When communicating with Broadcast Richardson please
refer to your Order or Invoice Number.
Unpacking
Use care when unpacking the equipment. First perform a visual inspection of the item(s) to
determine if any damage occurred during shipment. Be sure to retain all the shipping materials
(crates and boxes or cartons) until such time that it has been determined that the received
equipment arrived undamaged. Find all PACKING LISTS and keep them to assist in locating and
identifying any components or assemblies that may have been removed for shipping and might
need to be reinstalled in the equipment. Make sure that all shipping straps, supports and packing
materials are completely removed from the equipment prior to initialization and use.
Technical Support
Should you need technical assistance or trouble shooting guidance contact Broadcast
Richardson in your local area or you can reach assistance from Broadcast Richardson in La
Fox, Illinois at telephone +1 (630) 208-2200, Fax +1 (630) 208-2551. Throughout the world
there are many Richardson Electronics, Ltd. offices that are also able to assist in contacting our
technical support team.
4
WARNING!
THE VOLTAGES AND CURRENTS IN THIS EQUIPMENT ARE DANGEROUS. PERSONEL MUST, AT
ALL TIMES, OBSERVE SAFETY WARNINGS, INSTRUCTIONS, AND ANY REGULATIONS.
This owner’s manual is intended as a general guide for trained and qualified personnel who are
aware of the dangers that are inherent in the handling and operation of potentially hazardous
electrical and electronic circuits. It is not the intent of this manual to provide a complete set of
safety instructions or precautions that should already be understood by trained or experienced
personnel in using this or other types of electronic equipment.
The installation, operation, and maintenance of this equipment involves risks to personnel and
also to the equipment. Broadcast Richardson or Richardson Electronics, Ltd. shall not be
responsible for injury or damage that is the result of improper procedures or use by persons
improperly trained or lacking the knowledge to perform associated tasks.
All local codes for building, safety, fire, or related standards must be observed. Consult local
authorities for the standards for the area or region where the equipment will be installed and put
in use.
WARNING!
AT ALL TIMES DISCONECT AC/MAINS POWER BEFORE OPENING COVERS, DOORS,
ENCLOSURES, PANELS, OR PROTECTIVE SHIELDS THAT EXPOSE LIVE CIRCUITS. USE
ANY GROUNDING STICKS OR OTHER SHORTING PROBES TO DRAIN ENERGY FROM
CIRCUITS BEFORE SERVICING. NEVER PERFORM MAINTENANCE, MAKE
ADJUSTMENTS, OR SERVICE THE EQUIPMENT WHEN ALONE OR FATIGUED.
WARNING!
IF ELECTROLYTIC OR OIL FILLED CAPACITORS ARE UTILIZED IN THE EQUIPMENT
AND THE COMPONENT APPEARS LEAKY, OR IS BULGING, OR IF THE CASE OR
COVERING OF THE COMPONENT APPEARS DAMAGED OR DISTRESSED ALLOW
SUFFICIENT TIME FOR THE UNIT TO COOL OR FULLY DISCHARGE BEFORE SERVICING.
SERVICING HOT OR LEAKY CAPACITORS CAN CAUSE A RUPTURE OF THE CASE AND
POSSIBLE INJURY.
Should accident or injury occur personnel engaged in the installation, operation, or service of the
equipment should seek proper medical attention. It is advisable that such personnel have
familiarity with first-aid practices.
5
Table of Contents
1.0 Overview pag. 1
2.0 MT250 Basic Block Diagram pag. 1
3.0 Subassemblies Description
3.1 MT250 AC/DC Power Supply pag. 1
3.2 MT250 DC/DC Power Supply pag. 2
3.3 FM Stereo Exciter pag. 2
3.4 MT250 RF Control Circuit pag. 2
3.5 MT250 RF Amplifier pag. 3
3.6 Low Pass Filter and Directional Coupler pag. 4
4.0 MT250 Technical Specifications pag. 5
5.0 Set up Procedure pag. 8

6
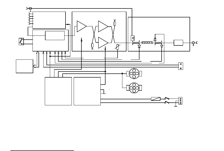
MT250 FM LOW POWER TRANSMITTER
250 WATT
1.0 OVERVIEW
MT250 is a 250 Watt FM Low Power Transmitter. It is very simple and easy to use. It is composed by a
mechanical frame (19 inches std., 3 HU high and 500mm depth), an exciter (OME-1T), a RF section, which
comprises a RF control board and an amplifier section, a directional coupler and a low pass filter, a display, a
power supply with a AC/DC converter and a DC/DC converter.
2.0 BASIC BLOCK DIAGRAM OF MT250
FANS
FUSE
48 Vdc
-V
+V
LED
(DISPLAY)
ENABLE
110/220V
L.P.F.
Delay line
RF out
LOW PASS FILTER and
DIRECTIONAL COUPLER
RF AMPLIFIER SECTION
REFL1 REFL2 FWD
RF
PROTECTION
DRIVER
(MDL30)
TEMPERATURE
RF CONTROL
CIRCUIT
RF
Monitor
AC/DC CONVERTER
DC/DC CONVERTER
48 Vin
28 Vdc
15 Vdc
FANs
EXTERNAL
ENABLE
OME-1T
FM Exciter
RFout 1Wmax
Left
Rigth
Ext/MPX
SCA/RDS
AUX 15Vdc
FINAL
STAGE
3.0 SUBASSEMBLIES DESCRIPTION
3.1 MT250 AC/DC Power Supply
This power supply is a purchasing product. It has a wide range with an input voltage of 85/265V and an
output voltage of 48V. Below, the technical specifications:
Nominal Output Voltage 48V
Max Output Current 13A
Max Output Power 624 Watt
Efficiency 83% typ.
Input Voltage Range 85-265VAC (47-63Hz)
PFHC Built to meet EN61000-3-2
Power Factor(100/200VAC) (typ) 0.99/0.95
Output Voltage Range 43.2-52.8V

7
Over Voltage Protection 55.2-64.8
3.2 MT250 DC/DC Power Supply
The MT250 uses a DC/DC converter. It provides a voltage of 28V to the fans and a voltage of 15V to the
exciter. In addition, it supplies a voltage of 28V to the driver (MDL30). Below, the technical specifications:
Vdc Input 20 up to 53 Vdc
Output 1 15 Vdc/1.5 A
Output 2 28 Vdc/3 A
3.3 FM Stereo Exciter
The exciter is a OME-1T model. The declared nominal RF output power is 1 Watt; this signal arrives to the
RF final stage through the RF protection circuit. All the input connections are arranged on the front panel.
(See the annex datasheet).
3.4 MT 250 RF Control Circuit
The RF input circuit has 3 main functions:
1) RF power control
2) RF protection
3) Measurement/status indication
RF Power Control. A pin diode attenuator manages the RF input power coming from the exciter (OME-1T).
This attenuator can be manually controlled by RT3 trimmer, in order to adjust the right output power. The
AGC control regulates the power, manually set, versus frequency and/or temperature changes.
Moreover, the input attenuator includes a soft start, activated at the switching on or after any RF protection
intervention.
When the MT250 works at a very high temperature and/or high reflected output power, a derating circuit
provides to decrease the output power in order to maintain the equipment on duty, even at low power.
RF Protection. A fast comparator switches when the output detected reflected power exceeds a pre-set
threshold. The regulation of this threshold is made by RT2 trimmer, adjusted in factory at a value of 40 Watt
reflected power. When the protection is switched on, the protection circuitry cuts the RF signal applied to
the final stage amplifier very quickly, in about 1 micro second.
Measurement/status indication. The two main measurements, FWD and REF power, are displayed by
two BAR LEDS. The MT300 status is indicated with 3 leds: RF nominal, RF fault, RF derating. The RF fault is
on when the output power is lower than 3 dB related to the nominal output power. If the power decreases
in derating conditions, the fault is off in all cases. The enable SW1 switch is on the front panel. It is possible
to operate on the enable using the contacts on the rear panel, too. The enable of the amplifier is realized
when the SW1 is on and the rear panel enable is closed.

8
WARNING: with enable off, there is no RF out but all the internal circuits are supplied (stand by condition).
So, switch off the mains before operating inside.
3.5 MT250 RF Amplifier
The RF amplifier section provides to amplify the RF signal coming from the RF control circuit.
It is composed by:
• MDL30 (Driver)
• 90 deg. 2 way hybrid splitter
• a pair of final stage amplifiers mounting SD2931-10 devices
• 90 deg. 2 way hybrid combiner
The MDL30 provides the first step of amplification of minimum 17dB gain in order to correctly drive the final
stages. It is composed by a stage operating in class AB. Below, the technical specifications:
VCC 28V
Idq 200 mA typ.
Frequency range FM ( 87.5-108 MHz )
Power Gain > 17 dB typ.
Output Power > 25 W
The 2way splitter is made by a 90 deg. Hybrid structure and provides to split in quadrature the input
signal. Below, the technical specifications:
Frequency 87.5 – 108 MHz
Input power 50W Max
Return Loss (S11) <-17 dB
Return Loss (S22 ed S33) <-15 dB
Isolation (S32) >15 dB
Insertion Loss (S21=S31) <0.6 dB
The final stage is an amplifier for FM signal operating in band II (87.5 – 108 MHz), with nominal output
power of 250 Watt CW.
Normally it works up to 280 Watt, in order to win the Insertion loss of the circuitry that follows the
amplifiers, as the Directional couplers and Low Pass Filter.
It is a balanced amplifier, including a pair of single end sections, each one using a high power MOSFET with
the input / output matching network printed on the pcb. The RF MOSFET‘s bias are integrated on this
printed circuit board. The polarization is in class B, with a 10 mA quiescent current per section. The two
sections are split and combined by 90 deg. hybrid.
VCC nominal 48V
IDC (@ Full Power) 10 A typ.
Idq 20 mA typ.
Frequency range FM ( 87.5-108 MHz )
Power Gain Typ. 16 dB
Output Power 280 W min

9
The 2 way Combiner is a 2 way in quadrature structure, and it provides to sum each two final stage
sections to have 250 W power at the common port. One unbalancing 50 Ohm resistor warranties the
isolation between the input ports, in order to maintain the Transmitter on duty, in case one of the final
stages will be on fault (- 6dB derating).
Below, the technical specifications:
Frequency 87.5 – 108 MHz
Power handling 400 W Max
Return Loss (S11) <18 dB
Return Loss (S22 ed S33) <18 dB
Isolation (S32) >18 dB
Insertion Loss (S21=S31) < 0.4 dB
3.6 Low Pass Filter and Directional Coupler Unit
The filter has a particular elliptic configuration; this configuration has been specifically chosen to guarantee
the values of the harmonic components levels.
In-band Insertion Loss <0.5 dB
Insertion Loss @ 175MHz >55 dB
In-band Return Loss <-20 dB
The directional coupler is a block composed by 2 directional couplers and a quarter wave delay line. Both
ports of each directional coupler are used. Two of them detect the reflected power, one detects the FWD
power and one is used as RF monitor. The function of the delay line is to have two reflected power signals
detected at 90° of electrical angle. In this way, it is possible to have a quite constant reflected power level
vs the phase angle of that signal. The RF monitor is connected to the front panel (RF monitor port) to have
0 dBm nominal signal.

10
4.0 MT250 Technical Specifications
Environmental
Storage Temperature: -20/+65 °C
Operating Temperature: -5/+45 °C
Guarantee Performance Temperature: 0/+45 °C
Relative Humidity (Non Condensing): < 90%
Guarantee Performance Altitude: 2000 m, (6560 ft)
Cooling: > 150 cubic meters/hour
RF Characteristics
Frequency Range: 87.5 – 108 MHz, 50Khz step, synthesized.
Output Power: 250 Watt nominal, (VSWR < 1.8:1).
RF Power Devices Technology: MOSFET
Off lock Attenuation: > 60 dBc
RF Output connector: N Female
RF Output Impedance: 50 Ω
RF Output monitor level: 0 dBm nominal (BNC connector on thefront
panel)
RF Spurious: < -95dBc @ +/-1MHz (Exceed .EBU/CCIR/FCC)
Harmonic: < -90dBc
Frequency stability: < 500 Hz / 6 months @ Center Frequency
Inputs: Mono, Stereo, MPX, AUX, SCA/RDS
Input Impedance: 600Ω or 5KΩ unbalanced
Modulation Type: F3E/F8E Direct FM at the carrier frequency
Frequency deviation: +/-75KHz=100%
Variation of sensitivity for 75 KHz Deviation: +/-1dB from 87.5 to 108 MHz
AF Limiter: +1dB
Center Frequency Shift: < +/-500Hz, (Due to +/-75KHz Mod)
Stereo Operation: CCIR 450/S2 “Pilot Tone System”
Asynchronous AM SNR:
(REF=100% AM Mod, @400Hz, BW=30Hz to
20KHz, FM Mod OFF)
- 56dB
Synchronous AM SNR:
(REF=100% AM Mod, @400Hz, BW=30Hz to
20KHz, FM Mod +/-75KHz @400Hz)
-50dB

11
Electrical
Power Supply: 96/130 or 200/268 V, Single Phase AC, 48 to
62Hz.
Power Consumption: < 580 VA
Power Factor: > 0.9
R & Mono Input
Input connectors: BNC female (front panel)
Input Impedance: 1 Mohm resistive, unbalanced, source impedance
<10kOhm
Input level (For +/-75KHz deviation): 3 to 9 dBm/600Ω
Frequency response (30Hz to 15KHz): +/- 0.15dB
Pre-emphasis: Flat/50µSec/75µSec +/-3%
THD (30Hz to 15KHZ): 0.1%
FM S/N Ratio (REF=+/-75KHz):
Weighted CCIR 468-2; BW= 30Hz to 20KHz
flat -68dBc
with de-emphasis 50µsec -73dBc
with de-emphasis 75µsec -76dBc
No-weighted; BW= 30Hz to 20KHz
flat -73dBc
with de-emphasis 50µsec -76dBc
with de-emphasis 75µsec - 78dBc
Audio Filter rejection: (19KHz to 100KHz) >30 dB
19KHz suppression: > 46dB
External MPX Input
Input connectors: BNC female (front panel)
Input Impedance: 10KΩ
Input level (For +/-75KHz deviation): 3 to 9 dBm/600Ω
Composite amplitude response (30Hz to
100KHz):
+/- 0.5dB
Composite phase response ( 30Hz to 53KHz): +/- 0.5°
SNR: (30Hz to 200KHz; with de-emphasis
50µsec)
> 75dB

12
Stereo Operation (L & R Channels)
Input connectors: BNC female (front panel)
Input Impedance: 1 Mohm resistive, unbalanced, source impedance
<10kOhm
Input level: 3 to 9 dBm/600Ω
Audio Filter Attenuation: > 68 dB @ 19 KHz
Crosstalk Attenuation (From 30 Hz to 15 KHz): > 50 dB
Pre-emphasis: Flat/50µSec/75µSec +/-3%
38 KHz Suppression: > 50 dB
Sub-Carrier Frequency: 38 KHz +/- 2Hz
Pilot Frequency: 19 KHz +/- 1Hz
Phase Difference 19/38 KHz: 0° +/- 2°
THD on Encoded Channels (30Hz to 15KHz): < 0.1%
Audio Response (30Hz to 15KHz): +/- 0.25dB
Nominal Pilot Deviation: +/- 7KHz
Pilot Output level: 1 Vpp, square wave
SCA/RDS & AUX input
Input connectors: BNC type female (front panel)
Input Impedance: 5KΩ
Input level (for +/-7.5KHz deviation
@97.5MHz):
2.2Vpp/5KΩ
Amplitude Response (10KHz to 100KHz): +/- 0.15dB
13
6.0 Set up procedure
The MT250 is shipped in a wooden box. It can be removed by lifting them with the banding straps that are
provided. This equipment can operate independently, and, thanks to its standard mechanical frame (19
inches), it can be located in a rack.
The MT250 is supplied for 220Vac, +/- 15%, single phase at 50Hz or 60Hz operation but it can work for
110VAC single phase, because its AC/DC power supply is a full range model. The normal current draw is
approximately 2.6 amps for 220Vac operation, but, if supplied at 110Vac, the normal current is around 5.3
amps. It is installer’s care to correctly connect the three wires (line, N, GND) to the mains line. Before
switching the transmitter on, it is necessary to connect the output power connector to either a dummy load
or an antenna.
After this procedure, it is possible to turn the transmitter on. On the front panel, the mains led indicates the
status of the MT250. If it is on, the equipment has been correctly supplied. Through the enable switch,
always on the front panel, the transmitter reaches the maximum power. Other leds provide further
information on the MT250
- RF nominal (green): on if some RF output power appears
- Derating (yellow): on in two situations
- when the reflected power is higher than 10dB (the transmitter power output is warranted until
VSWR 2:1. If the VSWR is higher, the derating protection intervenes. It stabilise the output power at
a non-dangerous value for the amplifier)
- when the working temperature is too high (the temperature protection intervenes when the room
temperature is =45°. In this case, the output power is reduced of about 6dB)
- Fault (red): on if the transmitter has other faults (for example, input power without output power, with
the following fault on the RF amplifier or RF control circuit).
Balanced Amplifier Advantages
The choice of using two RF devices has been decided in order to improve the raggedness of the amplifier in
case of mismatched dummy load. Thanks to the 90 deg. hybrid isolation the amplifier stages are not
influenced by the operating condition changes of the load (antenna, filter, and so on…).
Moreover, the amplifier is more immune to the oscillations than one realised with only one RF device.
The two hybrid RF devices allow the amplifier to produce output power (-6 dB) even if one of them breaks
or damages. In case of a single device, its fault provokes the amplifier switching off and the complete
disappearance of output power.
14

OME-1T 1W - FM Stereo Transmitter
DS99012-00 Page 1 of 4
1W FM Broadcast Exciter
for Mono / Stereo Operations
(87.5 to 108 MHz Version)
GENERAL
Power Output 1.0W min., 1.5W typ.
RF Output Impedance 50 ΩΩ Unbalanced, VSWR less than 2:1 for full output.
RF Output Connector BNC type ( Rear panel ).
Frequency Range 87.5 to 108 MHz in 50 kHz steps.
Frequency Control Manually settable synthesizer (3 internal rotary switches).
Reference and Freq. Stability TCXO; ±±300 Hz, 0° to 50°C temperature increment.
Modulation Type F3E/F8E Direct FM at the carrier frequency.
Modulation Sensitivity Variation
( REF= ±75kHz ) ±± 5% from 87.5 to 108 MHz.
Modulation Capability ±± 150 kHz.
Modulation Indication Peak reading LEDBAR with overmodulation led indicator ( Red led ).
AF Limiter Deviation increment (REF=± 75 kHz) less than 1dB for 6dB of input audio level
increasing. Internally jumper settable ( On / Off ).
Off Lock Attenuation > 60 dBc.
RF Spurious Exceeds EBU/CCIR/FCC requirements: -95 dBc @ ±1 MHz min. out of carrier.
AM Asynchronous S/N Ratio -58dB min. , -60dB typ,
Conditions: REF.=100% AM Mod. @400Hz, BW=30Hz to
20 kHz, no FM modulation present.
AM Synchronous S/N Ratio -55dB min., -58dB typ,
Conditions: REF.=100% AM Mod. @400Hz, BW=30Hz to
20 kHz, FM Mod. ± 75 kHz @ 400Hz, 97.5 MHz.
Status Indication LED Status Indicators: MONO/MPX, STEREO, LIMIT and LOCK
( Front panel ).
DC Input Power 15 VDC ±± 5%, 650 mA max.
Ambient Temperature Range 0°C to 50°C (operational to –20°C).
VIA E. BERLINGUER - C.DA PALAZZO - 88040 PIANOPOLI (CZ) - ITALY
PHONE +39 968 35217 FAX +39 968 35336

OME-1T 1W - FM Stereo Transmitter
DS99012-00 Page 2 of 4
PHYSICAL
Cabinet size 6.65’’ (169 mm) wide x 0.4’’ (39.6 mm) high x 7.36’’ (187 mm) deep – Front
panel: 7.56’’ (192 mm) x 1.72’’ (43.6 mm) .
Net Weight 2.98 lbs, (1350 gr).
Finish Front panel: Background RAL 1013 with blue serigraphy on treated aluminum;
Internal parts and rear panel: Treated aluminum;
Covers: Painted RAL 8017 galvanized iron.
MONOAURAL OPERATION
“R+MONO” INPUT
Audio Input Impedance 1 MΩΩ resistive, unbalanced, source impedance < 10kΩ
Audio Input Connector BNC Type ( Front panel).
Audio Input Level Internally programmable by jumpers:
+0 to +3 dBm ( Fine adjustment on front panel )
+3 to +6 dBm ( Fine adjustment on front panel )
+6 to +9 dBm ( Fine adjustment on front panel ).
Audio Frequency Response ±± 0.15dB, 20Hz to 15 kHz.
Pre-emphasis Flat, 50 or 75 µµsec ±± 3% selectable by internal jumper.
Harmonic Distortion 0.03% or less, 30 Hz to 20 kHz.
THD < 0.1% (typ. 0.05%), 30 Hz to 20 kHz.
Weighted
CCIR 468-2 Unweighted
BW=30 Hz to 20 kHz
FLAT:
-70 dBc min., -75 dBc typ. FLAT:
-75 dBc min., -80 dBc typ
FM S/N Ratio
(REF=±75 kHz)
50 µsec:
-75 dBc min., -80 dBc typ. 50 µsec:
-78 dBc min., -83 dBc typ.
WIDEBAND STEREO OPERATION
EXTERNAL MPX INPUT
Audio Input Impedance >10 kΩΩ resistive, unbalanced.
Audio Input Connector BNC Type ( Front panel).
Audio Input Level 3.1Vpp to 6.2 Vpp ( Continously adjustable from front panel ) for ±75 kHz
deviation @ 97.5 MHz.
Composite Amplitude Response ±± 0.1dB, 20Hz to 100 kHz.
Composite Phase Response ±± 0.5° from linear phase, 20 Hz to 53 kHz.
Harmonic Distortion 0.05% or less (0.03% typ.) , 20 Hz to 100 kHz.
Composite FM S/N Ratio
(REF=±75 kHz) -78 dBc min., (-83 dBc typ), 30 Hz to 200 kHz, with 50 µsec de-emphasis.

OME-1T 1W - FM Stereo Transmitter
DS99012-00 Page 3 of 4
BUILT IN STEREO ENCODER OPERATION
“L” & “R” Input Impedance 1 MΩΩ resistive, unbalanced, source impedance < 10kΩ
Audio Input Connectors BNC Type ( Front panel).
“L” & “R” Input Level Internally programmable by jumpers:
+0 to +3 dBm ( Fine adjustment on front panel )
+3 to +6 dBm ( Fine adjustment on front panel )
+6 to +9 dBm ( Fine adjustment on front panel ).
Audio Filter Response ±± 0.15dB, 20Hz to 15 kHz.
Audio Filters Attenuation >70 dB @ 19 kHz.
Pre-emphasis (each Channel) Flat, 50 or 75 µµsec selectable by internal jumpers.
Stereo Separation
(demodulated encoded channels) 50 dB min. (55 dB typ) , 20 Hz to 15 kHz.
Subcarrier Frequency 38 kHz ±± 2Hz.
Subcarrier Generation Internal Crystal.
Pilot Frequency 19 kHz ±± 1 Hz.
Pilot Output Level 1 Vpp, Square Wave.
Pilot Output Connector BNC Type ( Rear panel).
Phase Difference 19/38 kHz 0° ±± 2°.
38 kHz Suppression > 50 dB.
Harmonic Distortion on Encoded
Channels <0.1% (0.05% typ.) , 20 Hz to 15 kHz.
SCA/RDS & AUX INPUTS
Audio Input Impedances >5 kΩΩ resistive, unbalanced.
Audio Input Connectors BNC Type ( Front panel).
Audio Input Level 2.2Vpp for ±7.5 kHz deviation @ 97.5 MHz.
Amplitude Response ±± 0.15dB, 10 kHz to 100 kHz.

OME-1T 1W - FM Stereo Transmitter
DS99012-00 Page 4 of 4

A
A
B
B
C
C
D
D
E
E
4 4
3 3
2 2
1 1
x1MHz
16
1
F/64
Prescaler
14 x 47k
Ingenium - Pianopoli - Italy
2
-
Synthetizer
Stereo
Coder
PMBT
2222A
PMBT
2222A
3
"100MHz"
15Vcc
VCO & Buffer
1-2=Stereo
2-3=Mono
x10MHz
3
PMBT
2222A
"Lock"
x100kHz
RF
OUT
Peak
Detector
Loop Filter
Led Bar #B Indicator
Phase
Comparator
L&R Input and
Preemphasis
+
1
Reference
Oscillator
Virtual
Ground
Limiter
12.8MHz
2
Led Bar #A Indicator
RF Power Amplifier
PMBT
2222A
Audio Filter
4x
BAT46
L Input
Sensitivity
1-2 = 6..9 dBm
2-3 = 3..6 dBm
3-4 = 0..3 dBm
1234
21 3 4
21 3 4
2 13
1
2
3
Preemphasis
1-2 = 75 uSec
2-3 = Linear
3-4 = 50 uSec
Sensitivity
See Left Ch. Preemphasis
See Left Ch.
R Input
0..3dB
Fine
Adj.
0..3dB
Fine Adj.
RDS
0dBm
AUX
0dBm
Mpx Ext
+3..+9
dBm
Limiter
1-2 =On
2-3 =Off
Input selector
1-2 = Ext Mpx/Mono
2-3 = Int. Mpx
1-2 = +50kHz
2-3 = 0
Sync
12
17T/
0C315/
3D0
"Limit"
1-2 = RF Inhibit
2-3 = Lock Detector Inh.
No Jumper= Normal Operation
Mono Stereo
4
MPX
Adj
Input |JP6|JP5
Mono |1-2|2-3
Mpx Int |1-2|1-2
Mpx Ext |2-3|2-3
1 2 3
12 3
1
2
3
MPN10
MPN10
A3 1 1
Wednesday, September 29, 1999
00
SE99012.DSN
Size Document Number Rev
Date: Sheet of
App.DateApp.Sig.Dwg.Sig. Dwg. Date
P7V5
P15V
P7V5
P15V
P15V
P15V
P15V
P15V
P7V5
P7V5
P7V5
P15V
P15V
P15V
P15V
P15V
P15V
P15V
P15V
P15V
P15V
P15V
P15V
P15V
P15V
P15V
P7V5
P7V5
P7V5
LD13
Red
R21
2k2
C76
100n
R64
470k
R125
2M2R126
R109
2M2
C77
470p
R119
Q4
BFR96S
Q10
BC807
R143
1M0
R52
220
JP9
+
-
IC13A
LM339
5
4
2
312
R43
470
L3
150n
C32
220p 2%
C17
4p7
R29
2k2
R3
150
TP5
LD6
Green
R138
C43
470p
L8
150n
R75 33k
R57
10R
L1
R30
47R
R81 4k7
DV6
BB153
R135
1k0
R114
47R
T2
13
4
25
R27
1k8
T1
1 3
4
2 5
R32 4k7
C10
220n
D10 LL4148
C79
100u
35V
C58
47p
C57 100p
R1 1R0
C28
10n
2%
R15
470k
D16
LL4148
C4
2n2
C91
47p
R176
470
C2
100n
R104 18k
C74 100n
R155
2k2
CV1
5-20p
D3
LL4148
R50
1k0
R161
6k8
H3
TCXO
12
3
Vdd Out
Gnd
R35
1k8
JP10
D4
LL4148
C5
10n
2%
Vss
IC10B
40107B
6
57
4
C20 100p
R89
TBD
+
-
IC14D
LM339
11
10
13
Q6
BC817
R56 33k
JP1
L14
1T/0C5/3D0
Q7
BC807
IC8
SAB6456A
2 6
4
53
8
79
R68
150
D1
LL4148
R103
820
R65 33k
R145
10k
LD4
Green
JP7
D7 LL4148
CN4
+
-
IC13C
LM339
9
8
14
R170 TBD
D9
SW3
321
5
4
BCD
Com
A
JP2
R174 6k8
IC5A
4027B
6 1
3
5 2
7
48
16
JQ
CLK
KQ
S
RVss
Vdd
JP6
C84
100n
R19
1k8
R106 33k
C86
10u
35V
R13
150
+
-
IC13D
LM339
11
10
13
RT4
1k0
C49
2n2
C102
100n
C94 100n
C15
6p8
R159
6k8
C39
47p
R151
10k
RT1
5k0
R42 8k2
R2
10k
C44
47p
LD7
Green
R110
220
CN2
R121
2k2
CN1
C7
100n
DZ1
9V1
C27
2n2
C53
470n
R100
2k2
R8 82k
C29 10u 25V
Q19
BC807
R84
4k7
D12
C72
10u
35V
R96
560
C100
10u
35V
R189 3k3
R20 27k
C65
100n
C75
10u
35V
C78
22n
R123
2M2
L9
150n
LD9
Red
H2 CTC30_01
14
13
12
11
10
9
8
7
6
5
4
3
2
1 27
26
25
24
23
22
21
20
19
18
17
16
15
m/s
CT
Gnd
Sync
1216k
Gnd
Gnd
L
Left in
Gnd
Vss
Gnd
Right in
RMPU
19k in
CR
CL
Comp R
Comp C
Gnd
Gnd
C int
MPX
Vdd
19k out
C trim
R94
560
C70
100n
R169
680
L20
Bead Neosid
XT1
6400k
Q17
BC817
C1
100u
35V
R45
1M0
C87
47p
R79
560
CN5
C83 100n
C48
470p
IC5B
4027B
10 15
13
11 14
9
12
JQ
CLK
KQ
S
R
L11
220n
R63 6k8
R51 22k
CN8
C85
470n
R191 TBD
R162
6k8
R80
1k0
C33
100n
J3
BNC
R55 6k8
L10
3u3
C50
100u
35V
R177
10k
R157 6k8
C13
2n2
R168
3k3
C21
10u
35V
R17
1M0
C59 10u
35V
L12
180n
C31
100n
R12
10R
C41
TBD
C37
100u
63V
C63
100n
SW2
321
5
4
BCD
Com
A
TP4
Q14
BC807
IC2A
TL072
2
3
8
4
1
CN7
LD11
Green
C12
100u
35V
R173
470
C25
10u
35V
R28
6k8
R40
150
R93
10R
R147
470k
DZ4
5V1
R172
10k
DZ8
5V1
R77
2k2
Q12
BC817
C16
6p8
C24
10u
35V
IC3A
TL072
2
3
8
4
1
Q20
IC7B
LM833
6
5
7
R67 10k
R113
1k8
R134
L15
150n
IC4A
OP275
2
31
IC9A
4027B
6 1
3
5 2
7
48
16
JQ
CLK
KQ
S
RVss
Vdd
R16
820
Q16
CN11
R54 33k
J5
R182
1k0
R166 220
C30
10u 35V
H1
FTC30_01
10
9
8
7
6
5
4
3
2
1
16
15
14
13
12
11
17
18
19
20
Input A
Gnd
Gnd
-Vs
Gnd
Gnd
Output A
Gnd
Gnd
+Vs
Gnd
Gnd
Output B
Gnd
Gnd
+Vs
-Vs
Gnd
Gnd
input B
IC4B
OP275
6
57
R76 10k
SW1
321
5
4
BCD
Com
A
L16
1u0 D6
LL4148
R41
22k
R92 1M0
CN3
IC9B
4027B
10 15
13
11 14
9
12
JQ
CLK
KQ
S
R
R6 10R
R137
470k
R23 22k
DV4
BB153
C101
2n2
J1
BNC
C3
100n
R108
2M2
TP3
R66
100
1W0
R59
6k8
DZ6
3V9
R122
2M2
C98
10u
35V
D11
R105
33k
C6
100n
R91 1M0
IC7A
LM833
2
3
1
R85
82k
D13
JP5
R117
2k2
C67
2n2
R129
C80
100p
L2
150n
Q1
2
31
R190
1k0
LD3
Green
R183
22R
R181
33k
LD10
Green
R118
2k2
R180
33k
R131
R5
4k7
R128
47k
DZ2
3V9
LD2
Red
R132
Q2
2
31
C60
1p0
R73
150
LD8
Yellow
R98
82k
R9
270
R4
47R
R87
470k
DZ3
3V9
C9
220p 2%
R187 150
R10
820 L5
DV1
BB153
C38
100u
35V
C18
2n2
R163
6k8
R160
6k8
R78 470
C69 470n
IC11A
LM358
2
3
84
1
Vss
IC10A
40107B
2
31
J4 R186
39R
R33
47R
DV2
BB153
C55
100n
CN12
C34
100n
R46 27k
CN10
R167
150
R185
150
+
-
IC14B
LM339
7
6
1
DV3
BB153
C19
470p
CN14
C54
10u 35V
C81
100n
JP8
R38
820
R60
47k
L4
150n
RT2
5k0
C97
10u
35V
C71
10u
35V
R31
10k
R36 47k
R144
10k
D15
R112
2k2
L7
2T/0C5/3D0
R39
220
R25
82k
C62
15p
C35
100n
Q11
BC817
R101 10k
R175
10k
C45
22n
R37
270
R111
22k
C96
470n
R34
1M0
R49
1k0
C64
22n
R47
2k2
R53
1k8
IC11B
LM358
6
5
7
IC1
LM723
5
4
2
3
137
12
10
9 11
6
Pos In
Neg In
ILim
ISen
CompGnd
Pwr Vout
VZ VC
Vref
IC6
4059B
3
4
5
6
22
21
20
19
18
17
16
15
10
9
8
7
1
2
14
13
11
23
12
24
J1
J2
J3
J4
J5
J6
J7
J8
J9
J10
J11
J12
J13
J14
J15
J16
CLK
LEN
KA
KB
KC
NOUT
VSS
VCC
R70
2k2
R188 3k3
J7
BNC
R44
68R
R133
R88 22k
L19 470n
R90 1M0
C73
100n
C90
47p
+
-
IC14C
LM339
9
8
14
R71
82k
C40
6p8
C42
1p0
R61
47k
R82
22R
R136
R102
10k
C36
2n2
R24 1M0
CN13
JP4
LD1
Green
JP3
D14
C92
100n
IC2B
TL072
6
57
+
-
IC14A
LM339
5
4
2
312
C89
470n
R146
2k2
LD12
Yellow
R171
560
R116
22R
R139
470k
J6
IC3B
TL072
6
57
R62 470
TP2
R127
47R
R154
220k
C68
470n
DZ5
3V9
C51
2n2
C99
22n
R178
1k0
CN9
L13 1u0
TP1
C14
470p
CN15
R156
220k
L18
220n
C52
22n
Q13
BC807
C82
100u
35V
R164
6k8
R18
330
C11
47p
R142
R95
560
C47
470p
R165
6k8
Q21
BC807
C56
560p
Q18
BC807
R22
1k8
C93
10u
35V
L6
22u
R149
18k
L17 150n
R83 33k
C23
1u0
63V
C88
470n
Led Circuit Board
R140
C8
100n
+
-
IC13B
LM339
7
6
1
D8
J2
BNC
RT5
5k0
C46
22n
R69
TBD
R150
2k2
Q9
C61
8p2
R141
R179
10k
R115
1k0
C22
1u0
63V
CN6
DZ7
3V9
R48
2k2
IC12
4060B
11
12
7
5
4
6
14
13
15
1
2
3
9
10
8
PI
RST
Q4
Q5
Q6
Q7
Q8
Q9
Q10
Q12
Q13
Q14
PO
PO
VSS
R26
6k8
R130
22k
LD5
Red
R99
82k
C66
2n2
DV5
BB153
R184
82k
R148
18k
C95
2n2
R74
39R
RT3
10k
Q22
BC817
R158
5M6
R97
470
R120
R58
470
Q8
D17
LL4148
R107
22k
R86
82k
Q5
BFG135
R14 8k2
Q3
BFR96S
R11
220
R153
1M0
R7 47k
R152
10k
Circuit Board
R124
Q15
BC817
C26
100n

5
5
4
4
3
3
2
2
1
1
D D
C C
B B
A A
40 mm
2 mm 2 mm
L7
R36-R41 56R
R30-R35 56R
GR00176BSE
RF 250 W
1 1Friday, January 25, 2002
INGENIUM
Title
Size Document Number Rev
Date: Sheetof
DWG.Sig. Dwg. Date App.Sig. App.Date
48V
48V
48V
48V
RF Input
A
A
TEMPERATURE SENSOR
RF Output
C7
390p
ATC
C11
68p
ATC
C33
100p
AVX
C6
56p
ATC
C15
390p
AVX
R7
2k7
C40
1n0
C2
100n
C14
100p
AVX
C1
100u
63V
12
L5
3T0/0C5/3D5
C16
10n
C41
1p2
ATC
C42
15p
ATC
C24
470p
ATC
C5
470p
ATC
C23
470p
ATC
C4
470p
ATC
C22
470p
ATC
C3
470p
ATC
H1
C21
100n
C34
390p
AVX
L3
3T0/0C5/3D0
C20
100u
63V
12
C39
6p8
ATC
Q1
SD2931
2
31
C30
68p
ATC
RT1
10k C17
1n0
R11
50R
30W
C25
56p
ATC
DZ1
3V9
L6
3T0/0C5/3D0
C18
100n
DZ3
3V9
Q3
SD2931
2
31
C31
27p
ATC
R19
10k
NTC
RT2
10k
L1
0T5/1C0/ FERRITE VERDE
C13
4p7
ATC
C27
390p
ATC
C36
1n0
C26
390p
ATC
C19
10n
C37
100n
DZ2
15V
C32
4p7
ATC
R15
5k6
L2
3T0/0C5/3D5
C28
47p
DZ4
3V9
Q2
BC807
DZ6
3V9
C12
10p
ATC
R13
1k8
1W0
C38
10n
H2
ANAREN 1H0280-3
C8
390p
ATC
R14
1k8
1W0
R3
1k8
1W0
C35
10n
R2
10R
1W0
R6
50R
150W
R12
10R
1W0
R8
6k8
L4
0T5/1C0/ FERRITE VERDE
R4
1k8
1W0
R5
5k6
C9
47p
R9
10k
L7
Filo Argentato 0C5


UM
Q.ty
Cod
Reference
GR00176
250W RF Module
Product Code
Description
Document Code
Drawing Date
Revisione
Dwg Signature
Accessories Data
Description
Item
File
Emission Date
Emission Signature
CS00045
PZ
1,00
Circuit board RF MT250 FR4 1.6mm1
CS00046
PZ
1,00
Circuit board RF MT250 Arlon320 1.6mm2
CS00025
PZ
1,00
Circuit board FM Coupler3
H 1
CS00026
PZ
1,00
Circuit board FM Coupler parte superiore4
H 1
RN00001
PZ
1,00
SMD Resistor 2512 10R 1W 5%5
R 2
RN00014
PZ
1,00
SMD Resistor 2512 1K8R 1W 5%6
R 3
RN00014
PZ
1,00
SMD Resistor 2512 1K8R 1W 5%7
R 4
RS00047
PZ
1,00
1206 SMD Resistor 5k6R 1/8W 1%8
R 5
RS00043
PZ
1,00
1206 SMD Resistor 2k7R 1/8W 1%9
R 7
RS00048
PZ
1,00
1206 SMD Resistor 6k8R 1/8W 1%10
R 8
RS00050
PZ
1,00
1206 SMD Resistor 10KR 1/8W 1%11
R 9
RN00001
PZ
1,00
SMD Resistor 2512 10R 1W 5%12
R 12
RN00014
PZ
1,00
SMD Resistor 2512 1K8R 1W 5%13
R 13
RN00014
PZ
1,00
SMD Resistor 2512 1K8R 1W 5%14
R 14
RS00047
PZ
1,00
1206 SMD Resistor 5k6R 1/8W 1%15
R 15
RI00002
PZ
1,00
NTC Thermistor, screw type, 10kR 0,5W16
R 19
RS00023
PZ
1,00
1206 SMD Resistor 56R 1/8W 1%17
R 30
RS00023
PZ
1,00
1206 SMD Resistor 56R 1/8W 1%18
R 31
RS00023
PZ
1,00
1206 SMD Resistor 56R 1/8W 1%19
R 32
RS00023
PZ
1,00
1206 SMD Resistor 56R 1/8W 1%20
R 33
RS00023
PZ
1,00
1206 SMD Resistor 56R 1/8W 1%21
R 34
RS00023
PZ
1,00
1206 SMD Resistor 56R 1/8W 1%22
R 35
RS00023
PZ
1,00
1206 SMD Resistor 56R 1/8W 1%23
R 36
RS00023
PZ
1,00
1206 SMD Resistor 56R 1/8W 1%24
R 37
RS00023
PZ
1,00
1206 SMD Resistor 56R 1/8W 1%25
R 38
RS00023
PZ
1,00
1206 SMD Resistor 56R 1/8W 1%26
R 39
RS00023
PZ
1,00
1206 SMD Resistor 56R 1/8W 1%27
R 40
RS00023
PZ
1,00
1206 SMD Resistor 56R 1/8W 1%28
R 41
CA00013
PZ
1,00
HI-V electrolytic aluminum capacitor 100uF 63V 105" 10x13mm.29
C 1
101/03/2001 14.18.50
Print date/time Page
(Complete) Part List

UM
Q.ty
Cod
Reference
GR00176
250W RF Module
Product Code
Description
Document Code
Drawing Date
Revisione
Dwg Signature
Accessories Data
Description
Item
File
Emission Date
Emission Signature
CC00062
PZ
1,00
SMD Ceramic multilayer capacitors 1206 100nF 50V 10% X7R30
C 2
CH00039
PZ
1,00
HI-Q RF porcelain capacitor ATC100 B 470pF 10% 200V31
C 3
CH00039
PZ
1,00
HI-Q RF porcelain capacitor ATC100 B 470pF 10% 200V32
C 4
CH00039
PZ
1,00
HI-Q RF porcelain capacitor ATC100 B 470pF 10% 200V33
C 5
CH00027
PZ
1,00
HI-Q RF porcelain capacitor ATC100 B 56pF 5% 500V34
C 6
CH00038
PZ
1,00
HI-Q RF porcelain capacitor ATC100 B 390pF 5% 200V35
C 7
CH00038
PZ
1,00
HI-Q RF porcelain capacitor ATC100 B 390pF 5% 200V36
C 8
CC00022
PZ
1,00
SMD Ceramic multilayer capacitors 1206 47pF 100V 5% NP037
C 9
CH00028
PZ
1,00
HI-Q RF porcelain capacitor ATC100 B 68pF 5% 500V38
C 11
CH00015
PZ
1,00
HI-Q RF porcelain capacitor ATC100 B 10pF 5% 500V39
C 12
CH00010
PZ
1,00
HI-Q RF porcelain capacitor ATC100 B 4p7F +/-0.5p 500V40
C 13
CH00031
PZ
1,00
HI-Q RF porcelain capacitor ATC100 B 100pF 5% 500V41
C 14
CC00034
PZ
1,00
SMD Ceramic multilayer capacitors 1206 470pF 100V 5% NP042
C 15
CC00050
PZ
1,00
SMD Ceramic multilayer capacitors 1206 10nF 100V 10% X7R43
C 16
CC00038
PZ
1,00
SMD Ceramic multilayer capacitors 1206 1nF 100V 10% X7R44
C 17
CC00062
PZ
1,00
SMD Ceramic multilayer capacitors 1206 100nF 50V 10% X7R45
C 18
CC00050
PZ
1,00
SMD Ceramic multilayer capacitors 1206 10nF 100V 10% X7R46
C 19
CA00013
PZ
1,00
HI-V electrolytic aluminum capacitor 100uF 63V 105" 10x13mm.47
C 20
CC00062
PZ
1,00
SMD Ceramic multilayer capacitors 1206 100nF 50V 10% X7R48
C 21
CH00039
PZ
1,00
HI-Q RF porcelain capacitor ATC100 B 470pF 10% 200V49
C 22
CH00039
PZ
1,00
HI-Q RF porcelain capacitor ATC100 B 470pF 10% 200V50
C 23
CH00039
PZ
1,00
HI-Q RF porcelain capacitor ATC100 B 470pF 10% 200V51
C 24
CH00027
PZ
1,00
HI-Q RF porcelain capacitor ATC100 B 56pF 5% 500V52
C 25
CH00038
PZ
1,00
HI-Q RF porcelain capacitor ATC100 B 390pF 5% 200V53
C 26
CH00038
PZ
1,00
HI-Q RF porcelain capacitor ATC100 B 390pF 5% 200V54
C 27
CC00022
PZ
1,00
SMD Ceramic multilayer capacitors 1206 47pF 100V 5% NP055
C 28
CH00028
PZ
1,00
HI-Q RF porcelain capacitor ATC100 B 68pF 5% 500V56
C 30
CH00020
PZ
1,00
HI-Q RF porcelain capacitor ATC100 B 27pF 5% 500V57
C 31
CH00010
PZ
1,00
HI-Q RF porcelain capacitor ATC100 B 4p7F +/-0.5p 500V58
C 32
201/03/2001 14.18.50
Print date/time Page
(Complete) Part List

UM
Q.ty
Cod
Reference
GR00176
250W RF Module
Product Code
Description
Document Code
Drawing Date
Revisione
Dwg Signature
Accessories Data
Description
Item
File
Emission Date
Emission Signature
CH00031
PZ
1,00
HI-Q RF porcelain capacitor ATC100 B 100pF 5% 500V59
C 33
CC00034
PZ
1,00
SMD Ceramic multilayer capacitors 1206 470pF 100V 5% NP060
C 34
CC00050
PZ
1,00
SMD Ceramic multilayer capacitors 1206 10nF 100V 10% X7R61
C 35
CC00038
PZ
1,00
SMD Ceramic multilayer capacitors 1206 1nF 100V 10% X7R62
C 36
CC00062
PZ
1,00
SMD Ceramic multilayer capacitors 1206 100nF 50V 10% X7R63
C 37
CC00050
PZ
1,00
SMD Ceramic multilayer capacitors 1206 10nF 100V 10% X7R64
C 38
CH00013
PZ
1,00
HI-Q RF porcelain capacitor ATC100 B 6p8F 5% 500V65
C 39
CC00038
PZ
1,00
SMD Ceramic multilayer capacitors 1206 1nF 100V 10% X7R66
C 40
CH00002
PZ
1,00
HI-Q RF porcelain capacitor ATC100 B 1p2F +/-0.25p 500V67
C 41
CH00017
PZ
1,00
HI-Q RF porcelain capacitor ATC100 B 15pF 5% 500V68
C 42
RK00007
PZ
1,00
SMD Cermet Trimmer TS53YL 10KOhm 20%69
RT 1
RK00007
PZ
1,00
SMD Cermet Trimmer TS53YL 10KOhm 20%70
RT 2
RL00024
PZ
1,00
RF Power Resistor Floridalab 50R 150W71
R 6
RL00006
PZ
1,00
RF Hi-Power Resistor MXP 50R 20W 2% TO-22072
R 11
EZ00003
PZ
1,00
SMD Zener diode 3V9 0,5W SOD8073
DZ 1
EZ00009
PZ
1,00
SMD Zener diode 15 0,5W SOD8074
DZ 2
EZ00003
PZ
1,00
SMD Zener diode 3V9 0,5W SOD8075
DZ 3
EZ00003
PZ
1,00
SMD Zener diode 3V9 0,5W SOD8076
DZ 4
EZ00003
PZ
1,00
SMD Zener diode 3V9 0,5W SOD8077
DZ 6
QQ00057
PZ
1,00
Rf Power Mosfet SD2931-1078
Q 1
QB00031
PZ
1,00
Low-freq. Bipolar transistor (SIGNAL) BC807 PNP 80MHz 45V 250mW SOT2379
Q 2
QQ00057
PZ
1,00
Rf Power Mosfet SD2931-1080
Q 3
AN00012
CM
1,00
90 degree hybrid couplers 1H0280-3 90-180MHz 400W81
H 2
CU00004
CM
2,00
Enamelled copper wire SOUDREX 0,50mm Grade182
L 1
3T0/0C5/2D5
CU00004
CM
2,00
Enamelled copper wire SOUDREX 0,50mm Grade183
L 2
3T0/0C5/4D5
CU00004
CM
2,00
Enamelled copper wire SOUDREX 0,50mm Grade184
L 3
3T0/0C5/3D0
CU00004
CM
2,00
Enamelled copper wire SOUDREX 0,50mm Grade185
L 4
3T0/0C5/2D5
CU00004
CM
2,00
Enamelled copper wire SOUDREX 0,50mm Grade186
L 5
3T0/0C5/4D5
CU00004
CM
2,00
Enamelled copper wire SOUDREX 0,50mm Grade187
L 6
3T0/0C5/3D0
301/03/2001 14.18.50
Print date/time Page
(Complete) Part List

UM
Q.ty
Cod
Reference
GR00176
250W RF Module
Product Code
Description
Document Code
Drawing Date
Revisione
Dwg Signature
Accessories Data
Description
Item
File
Emission Date
Emission Signature
CU00004
CM
4,40
Enamelled copper wire SOUDREX 0,50mm Grade188
L 7
CAVALLOTTO 2x40x2mm
FH00018
PZ
2,00
Balun core NEOSID FT8 / F100b 14x8mm Green89
FB 0
GR00070
PZ
1,00
MDL30 87,5-108MHz 30W 28V 17dB90
PM01001
PZ
1,00
Dissipatore MT25091
PM01032
PZ
1,00
Power Combiner Heatsink RF MT100-MT25092
401/03/2001 14.18.50
Print date/time Page
(Complete) Part List

5
5
4
4
3
3
2
2
1
1
D D
C C
B B
A A
Refl
Threshold
DERATINGRF NOMINAL FAULT
Refl. Level
Setting
ENABLE
MAIN
7- Refl2
1- V_ADJ
CN1 pins
description
function
3- REfl1
2- GND
10- +15V
6- Main_Led
4-T_Sensor
5- FWD
9- +15V
8- GND
lefty
lefty
right
right
Forward
Power
Reflected
Power
5k
5k
Power Control
GR00194CSE C
LOGIC CONTROL BOARD MT250
INGENIUM
A3
1 1Thursday, January 31, 2002
Title
Size Document Number Rev
Date: Sheet of
DWG.Sig. Dwg. Date App.Sig. App.Date
+15V
+15V
+15V
RF INPUT
+10V
+15V
+10V
+10V
+15V
+15V
+15V
+15V
+15V
+10V+10V
+10V +15V
+10V
+10V
+10V
+15V
+15V +15V
+15V
10k
R72
270
R31
BAT46
D10
100n
C19
390
R82
470p
C24
6k8
R86
D16
BAT46
BAT46
D13
RT1
5k0
1 3
2
2k2
R71
100n
C9
BC817
Q1
1
2 3
C36
100u
25V
12
BAT46
D6
LD19
LED
10k
R20
220p
C4
12k
R87
1k0
R41
22p
C13
220p
C11
10k R39
IC5A
LM358
2
3
8
4
1
IC6A
LM358
2
3
8
4
1
100k
R75
2V7
DZ5 100n
C29
IC1 LM3916
1
2
3
4
5
6
7
8
9 10
11
12
13
14
15
16
17
18
1
2
3
4
5
6
7
8
9 10
11
12
13
14
15
16
17
18
220p
C53
1k0
R35
33k
R89
220p
C6
220k
R45
IC8B
LM358
6
57
2V7
DZ3
IC4 LM3916
1
2
3
4
5
6
7
8
9 10
11
12
13
14
15
16
17
18
1
2
3
4
5
6
7
8
9 10
11
12
13
14
15
16
17
18
+
-LM311
U1
2
3
4
1
7
8
56
LD2
LEDHSMP3810
D1 x 2
C35
10u
25V
12
270
R23
220p
C5
470
R59
100n
C25
LD3
LED
330
R34
CONFLAT_10
CN1
1
2
3
4
5
6
7
8
9
10
HSMP3810
D2
D18
BAT46
CN2
BARST M2
5k6
R26
22p
C22
RT3
1 3
2
BAT46
D5
HSMP3810
D3
47k
R84
xx
R47
LD4
LED
10u
L2
680
R58
2k2
R76
100u
C32
12
1k0
R96
390
R50
4k7
R93
470p
C44
LD15
LED
LD5
LED
100n
C48
470
R64
BC817
Q2
1
23
4k7
R88
12k
R77
3k9
R70
22p
C49
390
R48
33k
R30
LD6
LED
2k2
R14
470
R67
9V1
DZ1
2 1
100n
C50
9V1
DZ2 5k0
RT2
1 3
2
330
R28
12k
R100
220p
C14
10u
C28
12
470p
C47
BAT46
D7
LD17
LED
LD7
LED
10u
L1
2V7
DZ4
LD8
LED
470p
C1
220p
C15
8k2
R95
100n
C37
470p
C42
680
R49
470p
C46
LD11
LED
LD9
LED
51R 1W0
R3
3k9
R68
22p
C43
BAT46
D17
220p
C16
22p
C41
10u
C17
12
0R0
DZ7
1n
C20
IC3B
LM358
6
57
2k2
R60
IC7B
LM3586
5
7
22p
C45
BAS16
D24
LD10
LED
51R 1W
R7
470p
C2
1k0
R42
9V1
DZ6
12k
R81
2k7
R17
470p
C40
9V1
DZ10
D20
RA-LED
330k
R92
1k0
R22
2k2
R24
LD13
LED
LD1
LED
220k
R32
12kR46
D22
RA-LED
4k7
R13
100n
C27
10k
R61
IC3A
LM358
2
3
8
4
1
LD14
LED
IC7A
LM358
2
3
8
4
1
SW1
SW KEY-Y1011
1
2
3
IC6B
LM358
6
57
470p
C8
D21
RA-LED
IC5B
LM358
6
57
470
R66
BAT46
D8
LD18
LED
6k8
R97
1k0
R63
100n
C3
6k8
R54
51 1WR44
6k8
R37
D19
RA-LED
4k7
R27
220p
C10
xx
R53
4k7
R25
680
R55
D15
BAT46
4k7
R91
xx
R83
100n
C34
4k7
R101
51 1WR43
470p
C7
100n
C51 220p
C21
100n
C26
100
R10
3k3
R36
4k7
R65
xx
R11
D14
BAT46
100n
C38
SW277
IC2
3
5
7
6
8
2
1
4
3
5
7
6
8
2
1
4
CN3
8k2
R62
3k9R38
22p
C18
C54
470u
35V
12
12k
R73
470
R8
10u
L3
BAT46
D11
J1
1
2
220
R18
LD20
LED
5k6
R51
220p
C52
51 1WR1
100
R9
470p
C39
1k0
R90
220
R15
LD12
LED
10k
R16
150k
R74
51 1WR2
22
R4
10k
R40
33k
R85
100n
C33
12k
R69
xx
R6
Q13
BC807
12k
R80
2k2
R57
RT1
13
2
10k
R94
10k
R12
390
R19
100
R78
100u
C23
12
BAT46
D9
220
R33
BC817
Q3
1
2 3
IC8A
LM358
2
3
8
4
1
470p
C31
22k
R79
4k7
R5
BAT46
D4
56k
R98
BC817
Q12
1
2 3
220
R99
100n
C12
LD16
LED10k
R52
33
R29
10u
C30
1 2
6k8
R56



5
5
4
4
3
3
2
2
1
1
D D
C C
B B
A A
GR00175ASE A
GR00175 - 250W Low Pass Filter
A4
2 2Monday, November 26, 2001
INGENIUM
Title
Size Document Number Rev
Date: Sheet of
DWG.Sig. Dwg. Date App.Sig. App.Date
C19
1p2
C17
12p
L4
2T0/2C0/18D0
C2
1p2
C16
15p
CN1
C18
1p2
SOLDER_POINT1
C1
1p2
CC1
300 mm RG316/25ohm su Balun core FB....
12
C6
15p
C7
15p
C4
12p
C8
15p
L1
2T0/2C0/18D0
L2
2T0/2C0/16D5
C5
15p
C10
6p8
L3
2T0/2C0/16D5
C11
15p
C12
15p
C14
15p
C3
12p
C13
15p
C15
15p

5
5
4
4
3
3
2
2
1
1
D D
C C
B B
A A
2x
GR00202CSE C
100/250W Directional Coupler
A4
1 1Monday, February 18, 2002
INGENIUM
Title
Size Document Number Rev
Date: Sheet of
DWG.Sig. Dwg. Date App.Sig. App.Date
+15V
+15V
RF OUT (to Filter)
R10
2k2
R12
2k2
RF IN
CN1
R9
82R
RT1
10k
C7
12p
H1
120
D2
MA4CS103A
CC2
..
R2
560
D4
MA4CS103A C16
100p
L3
47n
L2
47n
C10
100p D6
MA4CS103A
C9
12p
C22
100p
R17
3k3
C19
100p
C20
100p
H2
R5
56
D1
MA4CS103A
C3
2p2
ATC
R4
100
L4
47n
C21
100p
C6
68p
R1
120
C11
100p
R8
47R
RF Monitor
CN3
CN2
1
2
3
4
5
6
7
8
9
10
C17
100p
R3
82R
LM358
IC1
2
3
8
4
1
CC1
..
C13
100p
C12
100p
R18
180
R13
1k
R11
2k2
D5
MA4CS103A
L1
47n
C8
6p8
R6
100
C14
100p
C23
100p C24
100n
D3
MA4CS103A
R7
47R C4
68p
R14
10k
R16
10k
C18
100n
C5
82p L5
47n
C15
100p R15
10k


5
5
4
4
3
3
2
2
1
1
D D
C C
B B
A A
Supply Input
37 to 52V
+
V_ADJ
-
NC
8- GND
2- GND
7- Refl2
6- Main_Led
CN5 pins
description
function
1- V_ADJ
10- +15V
9- +15V
4- T_Sensor
From
AC/DC
5- FWD
3- REfl1
Output 15.7V Nom.
1
+15V
To FANS
To Temp. Sensor
1
+28V
3- -28V
CN4 pins
description
function
1- +28V
10- T_Sensor
9- GND
2- +28V
4- -28V
5- +28V
6- +28V
7- -28V
8- -28V
GR00193BSE.DSN B
DC/DC 90W Converter
A4
1 1Tuesday, November 27, 2001
INGENIUM
Title
Size Document Number Rev
Date: Sheet of
DWG.Sig. Dwg. Date App.Sig. App.Date
A
A
R24
82K
R4
1k5
C1
220u
55V
12
C18
100n
R26
47k
C12
100n
R9 1k8
C41
100n
CN5
1
2
3
4
5
6
7
8
9
10
C37
100n
R20
47K
L3
13T/Yellow Balun Core
R18 4k7
CN6
C22
470n
R19
1k
C17
220u
35V
12
D4
ES2A
2 1
R5 1k8
C25
100n
R7 10k
CN1
L5
13T/Yellow Balun Core
IC2B
6
5
7
CN2
R11 22k R12
22k
L4
150u
Q1
MTH35N15
2
3 1
R16
3M9
C38
100n
C20
1000u
50V
12
R22
18k
Q2
BC817
1
2 3
C26
100n
C43
100n
CN3
R15 10k
C19
1000u
50V
12
C44
100n
C13
100n
C28
470n
C16
220u
35V
12
C34
100u
35V
12
D2
ES2A
2 1
D5
LS4148
21
C6
220u
55V
12
C42
22p
R6 10k
C5
220u
55V
12
C24
100n
R17
3k3
R8 1k8
D1
ES2A
2 1
C4
220u
55V
12
IC2A
2
3
8
4
1
C3
220u
55V
12
C9
470u
63V
12
C2
220u
55V
12
L2
47u
F1
3.15A-M-R
12
C8
100n
DZ1
12V
2 1
C30
470n
C15
220u
35V
12
C39
22p
R10
47k
R25 1k2
R1
4k7
C31
470n
C10
470u
63V
12
C36
100n
R21
1k5
C23
35V
220u
12
L1
13T/Yellow Balun Core
R14 10
R2
2k2
C33
100n
IC3 LM2576HV
1 5
2
43
IN ON-OFF
OUT
FEEDBACKGND
C14
1u0
C35
100u
35V
12
R3
33k
R13
680k
C27
220u 35V
12
C11
470u
63V
12
CN4 1
2
3
4
5
6
7
8
9
10
C7
100n
C21
100n
C32
220u 35V
12
IC1 LM2576HV
1 5
2
43
IN ON-OFF
OUT
FEEDBACKGND
D3
LS4148
21
C29
470n
C40
22p
R23 33k
