SIMCom Wireless Solutions 8BVA101 GSM/GPRS Wireless Data Module User Manual 6 SIM800F User Manual
Shanghai SIMCom Wireless Solutions Limited GSM/GPRS Wireless Data Module 6 SIM800F User Manual
User Manual

SIM800F_User Manual_
V1.00

Smart Machine Smart Decision
- 2 -
Notes
This equipment is in compliance with the essential requirements and other relevant provisions
of Directive 2014/53/EU.
The device complies with RF specifications when the device used at 20cm form your body.
General Notes
SIMCom offers this information as a service to its customers, to support application and engineering efforts that
use the products designed by SIMCom. The information provided is based upon requirements specifically
provided to SIMCom by the customers. SIMCom has not undertaken any independent search for additional
relevant information, including any information that may be in the customer’s possession. Furthermore, system
validation of this product designed by SIMCom within a larger electronic system remains the responsibility of
the customer or the customer’s system integrator. All specifications supplied herein are subject to change.
WAR NING :
This device complies with part 15 of the FCC Rules. Operation is subject to the following two conditions:
(1) This device may not cause harmful interference, and
(2) This device must accept any interference received, including interference that may cause undesired
operation.Changes or modifications not expressly approved by the party responsible for compliance could
void the user’s authority to operate the equipment.
NOTE:
This equipment has been tested and found to comply with the limits for a Class B digital device, pursuant to
part 15 of the FCC Rules. These limits are designed to provide reasonable protection against harmful
interference in a residential installation.
This equipment generates, uses and can radiate radio frequency energy and, if not installed and used in
accordance with the instructions, may cause harmful interference to radio communications. However, there
is no guarantee that interference will not occur in a particular installation. If this equipment does cause
harmful interference to radio or television reception, which can be determined by turning the equipment off
and on, the user is encouraged to try to correct the interference by one or more of the following measures:
- Reorient or relocate the receiving antenna.
- Increase the separation between the equipment and receiver.
-Connect the equipment into an outlet on a circuit different from that to which the receiver is connected.
-Consult the dealer or an experienced radio/TV technician for help.
RF Exposure Statement:
FCC Caution
(1) Exposure to Radio Frequency Radiation. This equipment must be installed and operated in accordance with

Smart Machine Smart Decision
- 3 -
provided instructions and the antenna(s) used for this transmitter must be installed to provide a separation
distance of at least 20 cm from all persons and must not be collocated or operating in conjunction with any
other antenna or transmitter. End-users and installers must be provided with antenna installation instructions
and transmitter operating conditions for satisfying RF exposure compliance.
(2) Any changes or modifications not expressly approved by the grantee of this device could void the user's
authority to operate the equipment.
(3) This Transmitter must not be co-located or operating in conjunction with any other antenna or transmitter.
(4) Changes or modifications to this unit not expressly approved by the party responsible for compliance could
void the user authority to operate the equipment.
(5) The modules FCC ID is not visible when installed in the host, or
(6) If the host is marketed so that end users do not have straight forward commonly used methods for access to
remove the module so that the FCC ID of the module is visible; then an additional permanent label referring to
the enclosed module: Contains Transmitter Module FCC ID: 2AJYU-8BVA101 or Contains FCC ID:
2AJYU-8BVA101 must be used.
Copyright
This document contains proprietary technical information which is the property of Shanghai SIMCom Wireless
Solutions Ltd, copying of this document and giving it to others and the using or communication of the contents
thereof, are forbidden without express authority. Offenders are liable to the payment of damages. All rights
reserved in the event of grant of a patent or the registration of a utility model or design. All specification
supplied herein are subject to change without notice at any time.
Copyright © Shanghai SIMCom Wireless Solutions Ltd. 2015.

Smart Machine Smart Decision
- 4 -
1. SIM800F Description
1.1. Summarize
SIM800F designed by SIMCom is a quad band module which supports GSM/GPRS. The baseband circuit is
based on MTK and RF circuit is based on RFMD. It works at quad bands------GSM850, EGSM900, DCS1800,
and PCS1900. CPU clock is based on 26MHz crystal. The main IC includes MT6261 and RF7198.
1.2. Feature
● Quad-Band 850/900/1800/1900MHz
● GPRS multi-slot class 12/10
● GPRS mobile station class B
● Compliant to GSM phase 2/2+
– Class 4 (2 W @ 850/900 MHz)
– Class 1 (1 W @ 1800/1900MHz)
● Dimensions: 24*24*3 mm
● Weight: 3.1 g
● Control via AT commands (3GPP TS 27.007, 27.005 and SIMCom enhanced AT Commands)
● Supply voltage range 3.6~4.2 V
● Low power consumption
● Operation temperature:-30~80℃
● 68 SMT pads include
– Interface to external SIM 3V/1.8V
– Analog audio interface
– RTC backup
– Serial interface
– USB interface
– Keypad interface
– LCD interface
– Antenna pad
– PCM
– GPIO
– ADC

Smart Machine Smart Decision
- 5 -
1.3. Pin
Figure 1: SIM800F pin out diagram (Top view)

Smart Machine Smart Decision
- 6 -
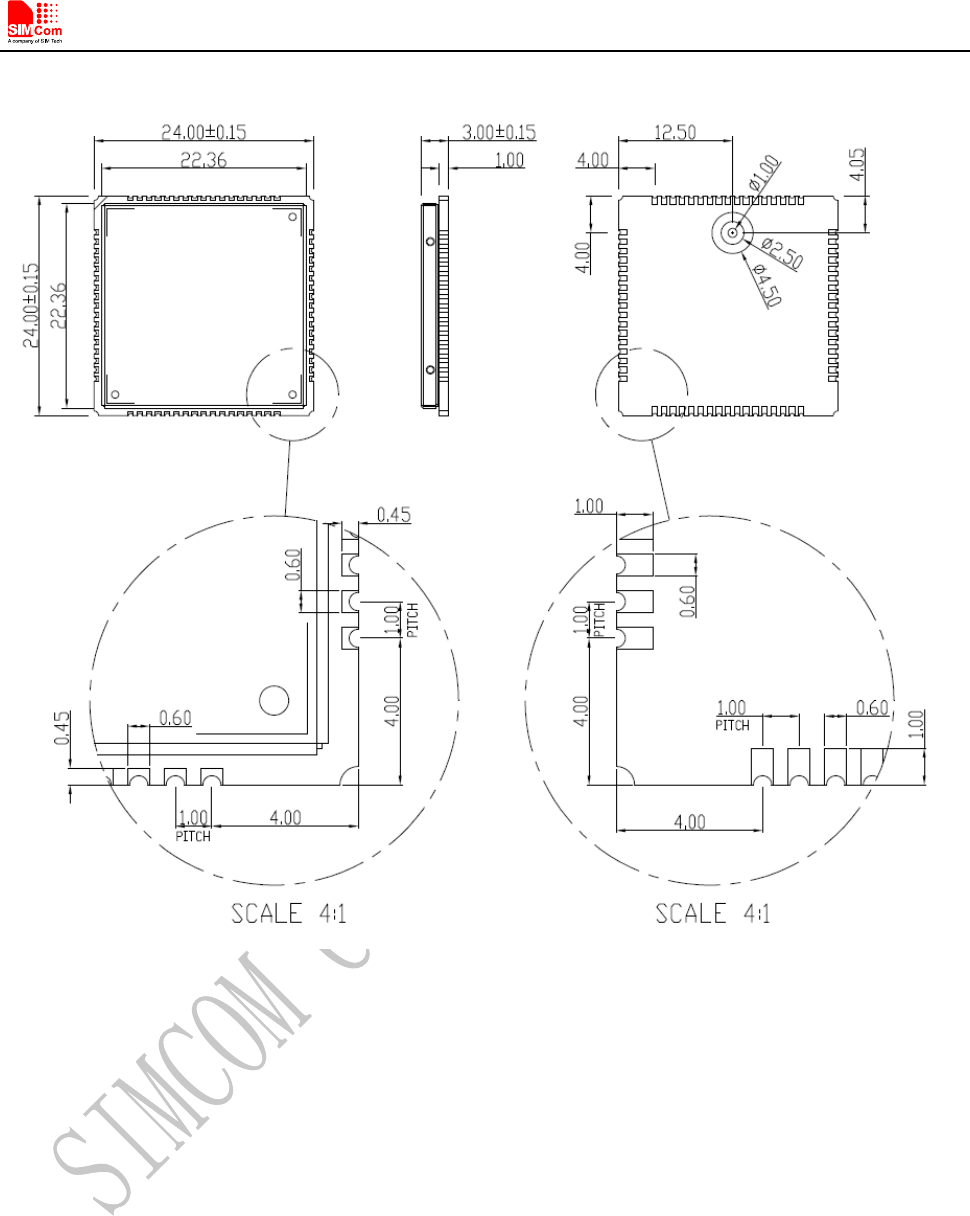
1.4. Dimension
Figure 2: Dimention

Smart Machine Smart Decision
- 7 -
2. Detail Block Diagram
Analog
baseband
Digital
baseband
Power management unit
Radio
Frequency
Power
Supply
Analog Interface Digital Interface
RTC
Audio
ADC
GSM
Keypad
/GPIO
UART
SIM
USB
LCD/SPI
I2C
PWM
Figure 3: Block diagram of SIM800F
3. Electrical and Reliability Characteristics
3.1. Absolute Maximum Ratings
The absolute maximum ratings stated in following table are stress ratings under non-operating conditions. Stresses
beyond any of these limits will cause permanent damage to SIM800F.
Table 1: Absolute maximum ratings
Symbol Parameter Min Typ Max Unit
VBAT Powersupplyvoltage ‐ ‐ 4.5 V
VBUS ‐ ‐ 30 V VBUS
II*Inputcurrent ‐ ‐ 8 mA
IO*Outputcurrent ‐ ‐ 8 mA
*These parameters are for digital interface pins, such as keypad, GPIO, I2C, UART, LCD and DEBUG.
3.2. Digital Interface Characteristics
Table 2: Digital interface characteristics
Symbol Parameter Min Typ Max Unit
IIHHigh‐levelinputcurrent 2.1 ‐ 3.1 V
IILLow‐levelinputcurrent ‐0.3 ‐ 0.7 V

Smart Machine Smart Decision
- 8 -
VOHHigh‐levelinputvoltage 2.4 ‐ ‐ V
VOLLow‐levelinputvoltage ‐ ‐ 0.4 V
* These parameters are for digital interface pins, such as keypad, GPIO, I2C, UART, LCD, PWMs and DEBUG.
3.3. SIM Card Interface Characteristics
Table 3: SIM card interface characteristics
Symbol Parameter Min Typ Max Unit
IIHHigh‐levelinputcurrent ‐1 ‐ 1 uA
IILLow‐levelinputcurrent ‐1 ‐ 1 uA
VIHHigh‐levelinputvoltage 1.4 ‐ ‐ V
2.4 ‐ ‐ V
VILLow‐levelinputvoltage ‐ ‐ 0.27 V
0.4 V
VOHHigh‐leveloutputvoltage 1.62 ‐ ‐ V
2.7 ‐ ‐ V
VOLLow‐leveloutputvoltage ‐ ‐ 0.36 V
‐ ‐ 0.4 V
3.4. SIM_VDD Characteristics
Table 4: SIM_VDD characteristics
Symbol Parameter Min Typ Max Unit
VOOutputvoltage 2.70 2.80 2.90 V
IOOutputcurrent ‐ ‐ 50 mA
3.5. VRTC Characteristics
Table 5: VRTC characteristics
Symbol Parameter Min Typ Max Unit
VRTC‐INVRTCinputvoltage 2.8 V
IRTC‐INVRTCinputcurrent ‐ 3 ‐ uA
VRTC‐OUTVRTCoutputvoltage ‐ 2.8 ‐ V
IRTC‐OUTVRTCoutputcurrent ‐ 2 mA

Smart Machine Smart Decision
- 9 -
3.6. Current Consumption (VBAT = 3.8V)
Table 6: Current consumption
Symbol Parameter Conditions Value Unit
IVRTCVRTCcurrent VBATdisconnects.Backupbatteryis3V 2 uA
IVBATVBATcurrent
Powerdownmode 50 uA
Sleepmode
BS‐PA‐MFRMS=9 1.0
mABS‐PA‐MFRMS=5 1.2
BS‐PA‐MFRMS=2 1.8
Idlemode
GSM850
19 mA
EGSM900
DCS1800
PCS1900
Voicecall
GSM850
EGSM900
PCL=5 250
mA
PCL=12 110
PCL=19 76
DCS1800
PCS1900
PCL=0 168
PCL=7 89
PCL=15 76
Datamode
GPRS(1Rx,1Tx)
GSM850
EGSM900
PCL=5 240
mAPCL=12 110
PCL=19 83
DCS1800
PCS1900
PCL=0 170
mAPCL=7 95
PCL=15 80
Datamode
GPRS(4Rx,1Tx)
GSM850
EGSM900
PCL=5 270
mAPCL=12 150
PCL=19 120
DCS1800
PCS1900
PCL=0 205
mAPCL=7 130
PCL=15 115
Datamode
GPRS(3Rx,2Tx)
GSM850
EGSM900
PCL=5 440
mAPCL=12 185
PCL=19 130
DCS1800
PCS1900
PCL=0 300
mAPCL=7 155
PCL=15 122
IVBAT‐peak Peakcurrent DuringTxburst 2 A

Smart Machine Smart Decision
- 10 -
3.7. Electro-Static Discharge
SIM800F is an ESD sensitive component, so more attention should be paid to the procedure of handling and
packaging. The ESD test results are shown in the following table.
Table 7: The ESD characteristics (Temperature: 25℃, Humidity: 45 %)
Pin Contactdischarge Airdischarge
VBAT ±6KV ±12KV
GND ±6KV ±12KV
RXD,TXD ±2KV ±8KV
Antennaport ±5KV ±10KV
SPK_P/SPK_N/MIC_P/MIC_N ±2KV ±5KV
PWRKEY ±2KV ±8KV
4. Radio Characteristics
4.1. Module RF Output Power
The following table shows the module conducted output power, it is followed by the 3GPP TS 05.05 technical
specification requirement.
Table 8: SIM800F GSM 900 and GSM 850 conducted RF output power
GSM850、EGSM900
PCL Nominaloutputpower(dBm) Tolerance(dB)forconditions
Normal Extreme
5 33 ±2 ±2.5
6 31 ±3 ±4
7 29 ±3 ±4
8 27 ±3 ±4
9 25 ±3 ±4
10 23 ±3 ±4
11 21 ±3 ±4
12 19 ±3 ±4
13 17 ±3 ±4
14 15 ±3 ±4
15 13 ±3 ±4
16 11 ±5 ±6

Smart Machine Smart Decision
- 11 -
17 9 ±5 ±6
18 7 ±5 ±6
19‐31 5 ±5 ±6
Table 9: SIM800F DCS 1800 and PCS 1900 conducted RF output power
DCS1800、PCS1900
PCL Nominaloutputpower(dBm) Tolerance(dB)forconditions
Normal Extreme
0 30 ±2 ±2.5
1 28 ±3 ±4
2 26 ±3 ±4
3 24 ±3 ±4
4 22 ±3 ±4
5 20 ±3 ±4
6 18 ±3 ±4
7 16 ±3 ±4
8 14 ±3 ±4
9 12 ±4 ±5
10 10 ±4 ±5
11 8 ±4 ±5
12 6 ±4 ±5
13 4 ±4 ±5
14 2 ±5 ±6
15 0 ±5 ±6
For the module’s output power, the following is should be noted:
At GSM900 and GSM850 band, the module is a class 4 device, so the module’s output power should not exceed
33dBm, and at the maximum power level, the output power tolerance should not exceed +/-2dB under normal
condition and +/-2.5dB under extreme condition.
At DCS1800 and PCS1900 band, the module is a class 1 device, so the module’s output power should not exceed
30dBm, and at the maximum power level, the output power tolerance should not exceed +/-2dB under normal
condition and +/-2.5dB under extreme condition.
4.2. Module RF Receive Sensitivity
The following table shows the module’s conducted receive sensitivity, it is tested under static condition.

Smart Machine Smart Decision
- 12 -
Table 10: SIM800F conducted RF receive sensitivity
Frequency Receivesensitivity(Typical)Receivesensitivity(Max)
GSM850 ‐108dBm ‐106dBm
EGSM900 ‐108dBm ‐106dBm
DCS1800 ‐108dBm ‐106dBm
PCS1900 ‐108dBm ‐106dBm
4.3. Module Operating Frequencies
The following table shows the module’s operating frequency range; it is followed by the 3GPP TS 05.05 technical
specification requirement.
Table 11: SIM800F operating frequencies
Frequency Receive Transmit
GSM850 869~894MHz 824~849MHz
EGSM900 925~960MHz 880~915MHz
DCS1800 1805~1880MHz 1710~1785MHz
PCS1900 1930~1990MHz 1850~1910MHz

Smart Machine Smart Decision
- 13 -
Contact us:
Shanghai SIMCom Wireless Solutions Limited.
Address: Building B, No.633 Jinzhong Road, Changning District, Shanghai P.R.China 200335
Tel: +86 21 3157 5100\3157 5200
Email: simcom@simcom.com, simcom@sim.com
Website: www.simcomm2m.com
FCC Statement
This device complies with part 15 of the FCC Rules. Operation is subject to the following two
conditions:
(1) This device may not cause harmful interference, and
(2) this device must accept
any interference received, including interference that may cause undesired operation.
Any Changes or modifications not expressly approved by the party responsible for compliance
could void the user's authority to operate the equipment.
The modular can be installed or integrated in mobile or fix devices only. This modular cannot be
installed in any portable device.
FCC Radiation Exposure Statement
This modular complies with FCC RF radiation exposure limits set forth for an uncontrolled
environment. This transmitter must not be co-located or operating in conjunction with any other
antenna or transmitter. This modular must be installed and operated with a minimum distance
of20 cm between the radiator and user body.
If the FCC identification number is not visible when the module is installed inside another device,
then the outside of the device into which the module is installed must also display a label
referring to the enclosed module. This exterior label can use wording such as the following:
“Contains Transmitter Module FCC ID: 2AJYU-8BVA101 Or Contains FCC ID: 2AJYU-8BVA101”
When the module is installed inside another device, the user manual of the host must contain
below warning statements;
1. This device complies with Part 15 of the FCC Rules. Operation is subject to the following two
conditions:
(1) This device may not cause harmful interference.
(2) This device must accept any interference received, including interference that may cause
undesired operation.
2. Changes or modifications not expressly approved by the party responsible for compliance
could void the user's authority to operate the equipment.
The devices must be installed and used in strict accordance with the manufacturer's instructions
as described in the user documentation that comes with the product.
Any company of the host device which install this modular with Single modular approval should
perform the test of radiated emissionand spurious emission according to FCC part 15C : 15.247
and 15.209 requirement,Only if the test result comply with FCC part 15C : 15.247 and 15.209
requirement,then the host can be sold legally.