SIMCom Wireless Solutions SIM7000A LTE CAT-M1(eMTC) and NB-IoT Module User Manual SIM7000A V1 00
Shanghai SIMCom Wireless Solutions Limited LTE CAT-M1(eMTC) and NB-IoT Module SIM7000A V1 00
Contents
- 1. TempConfidential_SIM7000A__User Manual_V1 00_20170728
- 2. SIM7000A__User Manual_V1 00
SIM7000A__User Manual_V1 00

SIM7000A_User Manual_V1.01

Smart Machine Smart Decision
SIM7000 _Hardware Design _V1.00 2017-05-23
Document Title
SIM7000A_User Manual
Version
1.00
Date
2017-5-23
Status
Released
Document Control ID
SIM7000A_User Manual_V1.01
Compliance Information
FCC Compliance Statement: This device complies the FCC Rules . Operation is subject to the
following two conditions: 1. This device may not cause harmful interference, and 2. This device
must accept any interference received, including interference that may cause undesired operation.
This device must accept any interference received, including interference that may cause undesired
operation. Product that is a radio transmitter is labeled with FCC ID.
FCC Caution:
(1)Exposure to Radio Frequency Radiation. This equipment must be installed and operated in
accordance with provided instructions and the antenna(s) used for this transmitter must be installed
to provide a separation distance of at least 20 cm from all persons and must not be collocated or
operating in conjunction with any other antenna or transmitter. End-users and installers must be
provided with antenna installation instructions and transmitter operating conditions for satisfying
RF exposure compliance.
(2) Any changes or modifications not expressly approved by the grantee of this device could void
the user's authority to operate the equipment.
(3) This Transmitter must not be co-located or operating in conjunction with any other antenna or
transmitter.
(4) Changes or modifications to this unit not expressly approved by the party responsible for
compliance could void the user authority to operate the equipment.
(5) the modules FCC ID is not visible when installed in the host, or
(6) if the host is marketed so that end users do not have straight forward commonly used methods
for access to remove the module so that the FCC ID of the module is visible; then an additional
permanent label referring to the enclosed module: Contains Transmitter Module FCC ID:
2AJYU-SIM7000A or Contains FCC ID: 2AJYU-SIM7000A must be used.

Smart Machine Smart Decision
SIM7000 _Hardware Design _V1.00 2017-05-23
General Notes
SIMCom offers this information as a service to its customers to support the application and
engineering efforts that use the products designed by SIMCom. The information provided is based
on the requirements specifically from the customers. SIMCom has not undertaken any independent
search for additional relevant information, including any information that may be in the customer’s
possession. Furthermore, the system validation of the product designed by SIMCom within a larger
electronic system remains the responsibility of the customer or the customer’s system integrator.
All specifications supplied herein are subject to change without notice.
Copyright
This document contains the proprietary technical information which is the property of SIMCom
Limited, copying of this document, giving it to others, the using or communication of the contents
thereof are forbidden without the official authority by SIMCom. Offenders are liable to the
payment of the damages. All rights are reserved in the event of grant of a patent or the registration
of a utility model or design. All specifications supplied herein are subject to change without notice
Copyright © SIMCom Wireless Solutions Co., Ltd. 2017

Smart Machine Smart Decision
SIM7000 _Hardware Design _V1.00 2017-05-23
Contents
Contents............................................................................................................................................... 4
Table Index.......................................................................................................................................... 6
Figure Index........................................................................................................................................ 7
Revision History..................................................................................................................................8
1 Introduction..................................................................................................................................9
1.1 Product Outline....................................................................................................................... 9
1.2 Hardware Interface Overview...............................................................................................10
1.3 Hardware Block Diagram..................................................................................................... 11
1.4 Functional Overview.............................................................................................................12
2 Package Information................................................................................................................. 14
2.1 Pin Assignment Overview.................................................................................................... 14
2.2 Pin Description......................................................................................................................16
2.3 Mechanical Information........................................................................................................19
2.4 Footprint Recommendation.................................................................................................. 20
3 Interface Application.................................................................................................................21
3.1 Power Supply........................................................................................................................ 21
3.1.1 Power Supply Design Guide..........................................................................................22
3.1.2 Recommended Power Supply Circuit............................................................................22
3.1.3 Voltage Monitor............................................................................................................. 23
3.2 Power on/Power off/Reset Function.....................................................................................24
3.2.1 Power on........................................................................................................................ 24
3.2.2 Power off........................................................................................................................25
3.2.3 Reset Function................................................................................................................26
3.3 UART Interface.....................................................................................................................27
3.3.1 UART Design Guide......................................................................................................27
3.3.2 RI and DTR Behavior.................................................................................................... 28
3.4 USB Interface........................................................................................................................29
3.5 SIM Interface........................................................................................................................ 30
3.5.1 SIM Application Guide..................................................................................................30
3.5.2 Recommended SIM Card Holder.................................................................................. 31
3.6 PCM Interface.......................................................................................................................32
3.6.1 PCM timing....................................................................................................................32
3.6.2 PCM Application Guide.................................................................................................34
3.7 I2C Interface......................................................................................................................... 34
3.8 Network status...................................................................................................................... 34
3.9 Other interface...................................................................................................................... 35
3.9.1 ADC............................................................................................................................... 35
3.9.2 LDO................................................................................................................................36
4 RF Specifications........................................................................................................................37
4.1 LTE CAT-M1RF Specifications............................................................................................37

Smart Machine Smart Decision
SIM7000 _Hardware Design _V1.00 2017-05-23
4.2 LTE CAT-M1Antenna Design Guide....................................................................................40
4.3 GNSS.................................................................................................................................... 41
4.3.1 GNSS Technical specification....................................................................................... 41
4.3.2 GNSS Application Guide...............................................................................................42
5 Electrical Specifications............................................................................................................ 44
5.1 Absolute maximum ratings...................................................................................................44
5.2 Operating conditions.............................................................................................................44
5.3 Operating Mode.................................................................................................................... 45
5.3.1 Operating Mode Definition............................................................................................45
5.3.2 Sleep mode.....................................................................................................................46
5.3.3 Minimum functionality mode and Flight mode.............................................................46
5.4 Current Consumption............................................................................................................47
5.5 ESD Notes.............................................................................................................................48
6 SMT Production Guide............................................................................................................. 49
6.1 Top and Bottom View of SIM7000.......................................................................................49
6.2 Label Information................................................................................................................. 50
6.3 Typical SMT Reflow Profile.................................................................................................51
6.4 Moisture Sensitivity Level (MSL)........................................................................................51
6.5 Stencil Foil Design Recommendation.................................................................................. 52
7 Packaging....................................................................................................................................53
7.1 tray packaging.......................................................................................................................53
Appendix............................................................................................................................................56
A. Reference Design....................................................................................................................... 56
B. Coding Schemes and Maximum Net Data Rates over Air Interface.........错误!未定义书签。
C. Related Documents.....................................................................................................................57
D. Terms and Abbreviations........................................................................................................... 59
E. Safety Caution.............................................................................................................................61

Smart Machine Smart Decision
SIM7000 _Hardware Design _V1.00 2017-05-23
Table Index
Table 1: SIM7000 frequency bands and air interface............................................................................................ 9
Table 2: General features..................................................................................................................................... 12
Table 3: Pin definition..........................................................................................................................................15
Table 4: IO parameters definition........................................................................................................................ 16
Table 5: Pin description........................................................................................................................................16
Table 6: VBAT pins electronic characteristic.......................................................................................................21
Table 7: Recommended Zener diode list..............................................................................................................22
Table 8: Power on timing and electronic characteristic....................................................................................... 25
Table 9: Power off timing and electronic characteristic.......................................................................................26
Table 10: RESET pin electronic characteristic.................................................................................................... 27
Table 11: SIM electronic characteristic in 1.8V mode (SIM_VDD=1.8V)......................................................... 30
Table 12: SIM electronic characteristic 3.0V mode (SIM_VDD=2.95V)........................................................... 30
Table 13: Amphenol SIM socket pin description.................................................................................................31
Table 14: PCM format..........................................................................................................................................32
Table 15: PCM timing parameters....................................................................................................................... 33
Table 16: NETLIGHT pin status..........................................................................................................................35
Table 17: ADC electronic characteristics............................................................................................................. 35
Table 18: Electronic characteristic....................................................................................................................... 36
Table 19: Conducted transmission power............................................................................................................ 37
Table 20: Operating frequencies.......................................................................................................................... 37
Table 21: E-UTRA operating bands..................................................................................................................... 38
Table 22: Conducted receive sensitivity.............................................................................................................. 38
Table 23: CAT-M1 Reference sensitivity (QPSK)............................................................................................... 39
Table 24: .............................................................................................................................错误!未定义书签。
Table 25: Trace loss..............................................................................................................................................40
Table 26: Recommended TVS............................................................................................. 错误!未定义书签。
Table 27: Absolute maximum ratings.................................................................................................................. 44
Table 28: Recommended operating ratings..........................................................................................................44
Table 29: 1.8V Digital I/O characteristics*..........................................................................................................44
Table 30: Operating temperature..........................................................................................................................45
Table 31: Operating mode Definition.................................................................................................................. 45
Table 32: Current consumption on VBAT Pins (VBAT=3.8V)........................................................................... 47
Table 34: The ESD performance measurement table (Temperature: 25℃, Humidity: 45%).............................. 48
Table 35: The description of label information....................................................................................................50
Table 36: Moisture Sensitivity Level and Floor Life........................................................................................... 51
Table 37: Tray size............................................................................................................................................... 54
Table 38: Small Carton size................................................................................................................................. 54
Table 39: Big Carton size.....................................................................................................................................55
Table 39: Coding Schemes and Maximum Net Data Rates over Air Interface....................错误!未定义书签。
Table 40: Related Documents.............................................................................................................................. 57
Table 41: Terms and Abbreviations......................................................................................................................59
Table 42: Safety Caution......................................................................................................................................61

Smart Machine Smart Decision
SIM7000 _Hardware Design _V1.00 2017-05-23
Figure Index
Figure 1: SIM7000 block diagram....................................................................................................................... 11
Figure 2: Pin assignment overview...................................................................................................................... 14
Figure 3: Dimensions (Unit: mm)........................................................................................................................ 19
Figure 4: Footprint recommendation (Unit: mm)................................................................................................ 20
Figure 5: VBAT voltage drop during burst emission (GSM/GPRS)....................................................................21
Figure 6: Power supply application circuit.......................................................................................................... 22
Figure 7: Linear regulator reference circuit......................................................................................................... 23
Figure 8: Switching mode power supply reference circuit.................................................................................. 23
Figure 9: Reference power on/off circuit............................................................................................................. 24
Figure 10: Power on timing sequence..................................................................................................................24
Figure 11: Power off timing sequence................................................................................................................. 25
Figure 12: Reference reset circuit........................................................................................................................ 26
Figure 13: UART full modem.............................................................................................................................. 27
Figure 14: UART null modem............................................................................................................................. 27
Figure 15: Reference circuit of level shift............................................................................................................28
Figure 16: RI behaviour(SMS and URC report).............................................................................................28
Figure 17: RI behaviour(voice call)................................................................................................................29
Figure 18: USB reference circuit......................................................................................................................... 29
Figure 19: SIM interface reference circuit........................................................................................................... 30
Figure 20: Amphenol SIM card socket................................................................................................................ 31
Figure 21: PCM_SYNC timing............................................................................................................................32
Figure 22: External codec to module timing........................................................................................................32
Figure 23: Module to external codec timing........................................................................................................ 33
Figure 24: Audio codec reference circuit............................................................................................................. 34
Figure 25: I2C reference circuit........................................................................................................................... 34
Figure 26: NETLIGHT reference circuit............................................................................................................. 35
Figure 27:Power on sequence of the VDD_EXT..............................................................................................36
Figure 28: Antenna matching circuit (MAIN_ANT)........................................................................................... 41
Figure 29: Active antenna circuit......................................................................................................................... 42
Figure 30: Passive antenna circuit (Default)........................................................................................................ 42
Figure 31: Top and bottom view of SIM7000......................................................................................................49
Figure 32: Label information............................................................................................................................... 50
Figure 33: The ramp-soak-spike reflow profile of SIM7000...............................................................................51
Figure 34: packaging diagram..............................................................................................................................53
Figure 35: Tray drawing.......................................................................................................................................54
Figure 36: Small carton drawing..........................................................................................................................54
Figure 37: Big carton drawing............................................................................................................................. 54
Figure 38: Reference design.................................................................................................................................56

Smart Machine Smart Decision
SIM7000 _Hardware Design _V1.00 2017-05-23
Revision History
Data
Version
Description of change
Author
2017-05-23
1.00
Original
Tu Hongjun
Li Ya

1Introduction
This document describes the electronic specifications, RF specifications, interfaces, mechanical
characteristics and testing results of the SIMCom SIM7000A module. With the help of this
document and SIM7000A software application notes/user guides, users can understand and use
SIM7000A module to design and develop applications quickly.
1.1 Product Outline
The SIM7000 series modules support LTE CAT-M1
The physical dimension of SIM7000A is 24 ×24 ×2.6mm mm. And the physical dimension is
compatible with the packaging of SIM900, SIM800 and SIM800F.
Table 1: SIM7000A frequency bands and air interface
Standard
Frequency
SIM7000A
GSM
EGSM900MHz
DCS1800MHz
LTE-FDD*
HD-FDD
LTE-FDD B1
LTE-FDD B2
LTE-FDD B3
LTE-FDD B4
LTE-FDD B5
LTE-FDD B6
LTE-FDD B8
LTE-FDD B12
LTE-FDD B13
LTE-FDD B18
LTE-FDD B19
LTE-FDD B20
LTE-FDD B26
LTE-TDD*
LTE CAT-M1TDD
B39
Category
LTE-M1
GNSS

Smart Machine Smart Decision
SIM7000 _Hardware Design _V1.00 2017-05-23
1.2 Hardware Interface Overview
The interfaces are described in detail in the next chapters include:
●Power Supply
●USB Interface
●UART Interface
●SIM Interface
●ADC
●LDO Power Output
●PCM Interface
●I2C Interface
●GPIOs
●Antenna Interface

Smart Machine Smart Decision
SIM7000 _Hardware Design _V1.00 2017-05-23
1.3 Hardware Block Diagram
The block diagram of the SIM7000A module is shown in the figure below.
Figure 1: SIM7000 block diagram

Smart Machine Smart Decision
SIM7000 _Hardware Design _V1.00 2017-05-23
1.4 Functional Overview
Table 2: General features
Feature
Implementation
Power supply
Power supply voltage 3.0~4.3V
Power saving
Current in sleep mode: 1mA
Current in PSM mode: 9uA
Radio frequency bands
Please refer to the table 1
Transmitting power
LTE CAT-M1power class: 3 (0.25W)
Data Transmission
Throughput
LTE CAT-M1CAT M1: 300Kbps (DL)
LTE CAT-M1CAT M1: 375Kbps (UL)
Antenna
LTE CAT-M1main antenna.
GNSS antenna
GNSS
GNSS engine (GPS,GLONASS and BD)
Protocol: NMEA
SMS
MT, MO, CB, Text and PDU mode
SMS storage: SIM card or ME(default)
SIM interface
Support identity card: 1.8V/ 3V
SIM application toolkit
Support SAT class 3, GSM 11.14 Release 98
Support USAT
Audio feature
Support PCM interface
Only support PCM master mode and short frame sync, 16-bit linear data
formats
UART interface
A full modem serial port by default
Baud rate: 300bps to 4Mbps(default:115200bps)
Can be used as the AT commands or data stream channel
Support RTS/CTS hardware handshake
Multiplex ability according to GSM 07.10 Multiplexer Protocol
USB
USB 2.0 high speed interface
Firmware upgrade
Firmware upgrade over USB interface
Physical characteristics
Size:24 ×24 ×2.6mm
Weight:3g
Temperature range
Normal operation temperature: -30°C to + 80°C
Extended operation temperature: -40°C to + 85°C*
Storage temperature -45°C to + 90°C
*Note: Module is able to make and receive voice calls, data calls, SMS and make GPRS/LTE
CAT-M1traffic in -40℃~ +85℃. The performance will be reduced slightly from the 3GPP

Smart Machine Smart Decision
SIM7000 _Hardware Design _V1.00 2017-05-23
specifications if the temperature is outside the normal operating temperature range and still
within the extreme operating temperature range.

Smart Machine Smart Decision
SIM7000 _Hardware Design _V1.00 2017-05-23
2Package Information
2.1 Pin Assignment Overview
All functions of the SIM7000A will be provided through 68 pads that will be connected to the
customers’ platform. The following Figure is a high-level view of the pin assignment of the
SIM7000.
Figure 2: Pin assignment overview

Smart Machine Smart Decision
SIM7000 _Hardware Design _V1.00 2017-05-23
Table 3: Pin definition
Pin No.
Pin Name
Pin No.
Pin Name
1
PWRKEY
2
GND
3
DTR
4
RI
5
DCD
6
BOOT_CFG
7
CTS
8
RTS
9
TXD
10
RXD
11
PCM_CLK
12
PCM_SYNC
13
PCM_DIN
14
PCM_DOUT
15
VDD_EXT
16
NRESET
17
GND
18
GND
19
NC
20
NC
21
NC
22
NC
23
MDM_LOG_TX
24
USB_VBUS
25
ADC
26
NC
27
USB_DP
28
USB_DM
29
GND
30
SIM_VDD
31
SIM_DATA
32
SIM_CLK
33
SIM_RST
34
SIM_DET
35
NC
36
NC
37
I2C_SDA
38
I2C_SCL
39
GND
40
NC
41
NC
42
NC
43
NC
44
NC
45
GND
46
GND
47
NC
48
GPIO4
49
GPIO1/UART3_RXD
50
GPIO0/UART3_TXD
51
NC
52
NETLIGHT
53
GNSS_ANT
54
GND
55
VBAT
56
VBAT
57
VBAT
58
GND
59
GND
60
RF_ANT
61
GND
62
GND
63
GND
64
GND
65
GND
66
STATUS
67
GPIO2
68
GPIO3
NOTE: Before the normal power up, BOOT_CFG cannot be pulled up.

Smart Machine Smart Decision
SIM7000 _Hardware Design _V1.00 2017-05-23
2.2 Pin Description
Table 4: IO parameters definition
Pin type
Description
PI
Power input
PO
Power output
AI
Analog input
AIO
Analog input/output
I/O
Bidirectional input /output
DI
Digital input
DO
Digital output
DOH
Digital output with high level
DOL
Digital output with low level
PU
Pull up
PD
Pull down
Table 5: Pin description
Pin name
Pin No.
Default
status
Description
Comment
Power supply
VBAT
55、56、
57
PI
Power supply, voltage range:
3.0~4.3V.
VDD_EXT
15
PO
LDO power output 1.8V for
other external circuits with Max
50mA current output, such as
level shift circuit.
If unused, keep it
open.
GND
2、17、
18、29、
39、45、
46、54、
58、59、
61、62、
63、64、
65
Ground
System Control
PWRKEY
1
DI,PU
System power on/off control
input, active low. The efficient
input level must be below 0.5V.
The level is 0.8V when
this PIN is floating;
NRESET
16
DI, PU
System reset control input,
active low.
NRESET has been
pulled up to 1.8V via
40Kohm resistor
internally.

Smart Machine Smart Decision
SIM7000 _Hardware Design _V1.00 2017-05-23
SIM interface
SIM_DATA
31
I/O,PU
SIM Card data I/O, which has
been pulled up via a 10KR
resistor to SIM_VDD
internally. Do not pull it up or
down externally.
All lines of SIM
interface should be
protected against ESD.
SIM_RST
33
DO
SIM Reset
SIM_CLK
32
DO
SIM clock
SIM_VDD
30
PO
Power output for SIM card, its
output Voltage depends on SIM
card type automatically. Its
output current is up to 50mA.
SIM_DET
34
DI
SIM card detecting input
If used, keep a 10k Ω
resistor pulling up to
the VDD_EXT
USB
USB_VBUS
24
DI,PD
Valid USB detection input with
3.5~5.25V detection voltage
USB_DP
27
I/O
Positive line of the differential,
bi-directional USB signal.
USB_DM
28
I/O
Negative line of the differential,
bi-directional USB signal.
UART interface
DTR
3
DI,PU
DTE get ready
If unused, keep them
open.
RI
4
DOH
Ring Indicator
DCD
5
DOH
Carrier detects
CTS
7
DOH
Clear to Send
RTS
8
DI,PU
Request to send
TXD
9
DOH
Transmit Data
RXD
10
DI,PU
Receive Data
I2C interface
I2C_SDA
37
I/O
I2C clock output
If unused, keep open,
or else pull them up
via 2.2KΩ resistors to
the VDD_EXT.
I2C_SCL
38
DO
I2C data input/output
PCM interface
PCM_CLK
11
DO
PCM data bit clock.
If unused, please keep
them open.
PCM_SYNC
12
DO
PCM data frame sync signal.
PCM_DIN
13
DI
PCM data input.
PCM_DOUT
14
DO
PCM data output.

Smart Machine Smart Decision
SIM7000 _Hardware Design _V1.00 2017-05-23
GPIO
NETLIGHT
52
DO
LED control output as network
status indication.
If unused, keep them
open.
STATUS
66
DO
Operating status output.
High level: Power on and
firmware ready
Low level: Power off
GPIO0
50
IO
Default: GPIO
Optional: UART3_TXD
GPIO1
49
IO
Default: GPIO
Optional: UART3_RXD
GPIO2
67
IO
GPIO
GPIO3
68
IO
GPIO
GPIO4
48
IO
GPIO
RF interface
GNSS_ANT
53
AI
GNSS antenna soldering pad
RF_ANT
60
AIO
MAIN antenna soldering pad
Other interface
BOOT_CFG
6
DI,PD
Boot configuration input.
Module will be forced into
USB download mode by
connect this pin to VDD_EXT
during power up.
Reserve two test points
for BOOT_CFG and
VDD_EXT.
DO NOT PULL UP
BOOT_CFG
DURING NORMAL
POWER UP!
MDM_LOG_T
X
23
DO
Module log output for SW
debug. (only used for platform)
Reserve a test point for
this pin.
ADC
25
AI
Analog-digital converter input.
voltage range: 0.1~1.7V.
If unused, keep them
open.
NC
19、20、
21、22、
26、35、
36、40、
41、42、
43、44、
47、51、
No connection.
Keep it open

2.3 Mechanical Information
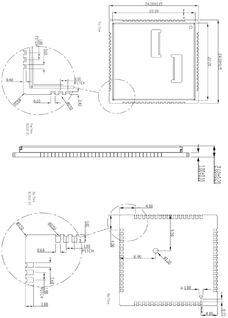
The following figure shows the package outline drawing of SIM7000.
Figure 3: Dimensions (Unit: mm)

Smart Machine Smart Decision
SIM7000 _Hardware Design _V1.00 2017-05-23
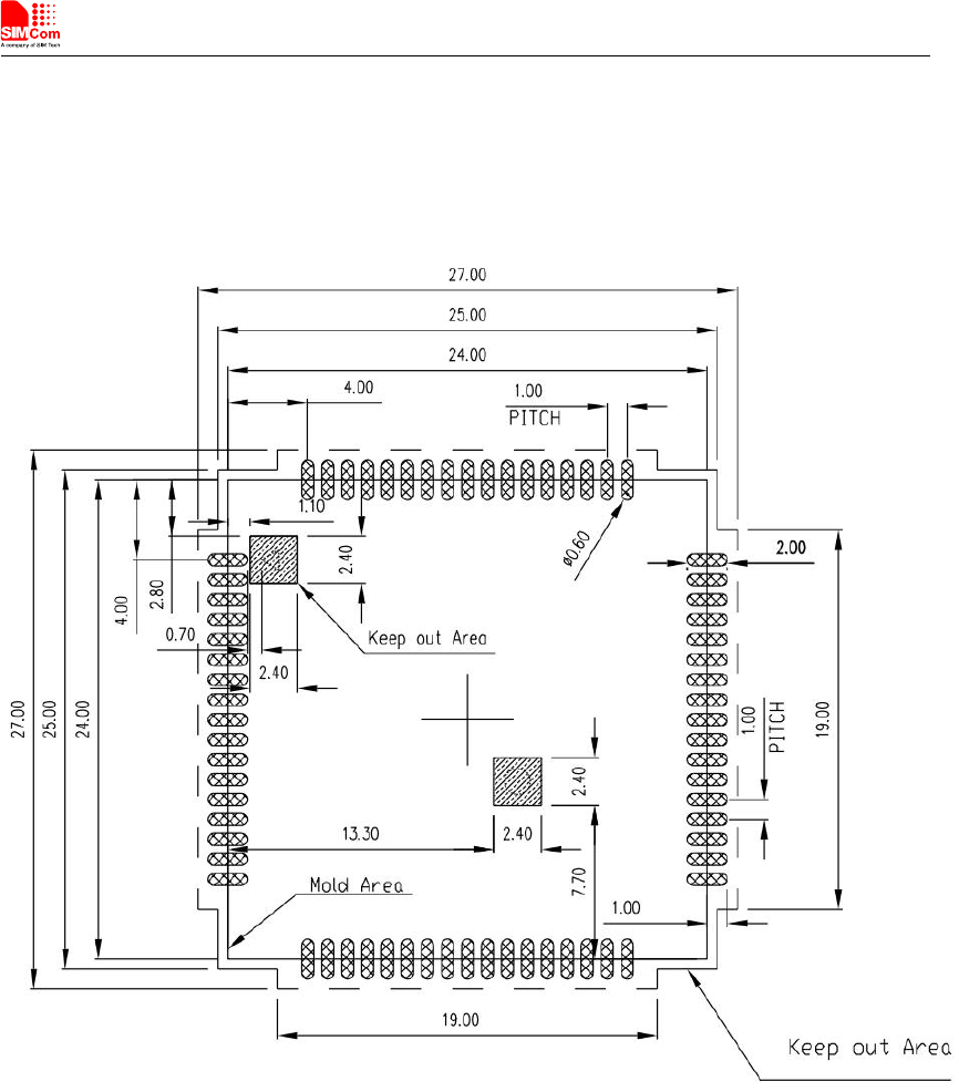
2.4 Footprint Recommendation
Figure 4: Footprint recommendation (Unit: mm)

Smart Machine Smart Decision
SIM7000 _Hardware Design _V1.00 2017-05-23
3Interface Application
3.1 Power Supply
Pin 55, pin 56 and pin 57 are VBAT power input.
On VBAT pads, the ripple current up to 0.6A typically due to LTE CAT-M1emission burst and up
to 2A typically due to GSM/GPRS emission burst (every 4.615ms). It may cause voltage drop. So
the power supply for these pads must be able to provide sufficient current up to more than 2A in
order to avoid the voltage drop is more than 300mV.
The following figure shows the VBAT voltage ripple wave at the maximum power transmit phase
in GSM emission mode.
Figure 5: VBAT voltage drop during burst emission (GSM/GPRS)
Note: The test condition: The voltage of power supply for VBAT is 3.8V, Cd=100 µF tantalum
capacitor (ESR=0.7Ω) and Cf =100nF (Please refer to Figure 6—Application circuit).
Table 6: VBAT pins electronic characteristic
Symbol
Description
Min.
Typ.
Max.
Unit
VBAT
Module power voltage
3.0
3.8
4.3
V
IVBAT(peak)
Module power peak current in GSM emission mode.
-
2
-
A
Module power peak current in LTE CAT-M1emission
mode.
-
0.6
-
A
IVBAT(average)
Module power average current in normal mode
Please refer to the table 32
IVBAT(sleep)
Power supply current in sleep mode
IVBAT(power-off)
Module power current in power off mode.
-
-
7
uA

Smart Machine Smart Decision
SIM7000 _Hardware Design _V1.00 2017-05-23
3.1.1 Power Supply Design Guide
Make sure that the voltage on the VBAT pins will never drop below 3.0V, even during a transmit
burst, when current consumption may rise up to 2A. If the voltage drops below 3.0V, module will
be work abnormally.
Note: If the power supply for VBAT pins can support up to 2A, using a total of more than 300uF
capacitors is recommended, or else users must using a total of 1000uF capacitors typically, in
order to avoid the voltage drop is more than 300mV.
Some multi-layer ceramic chip (MLCC) capacitors (0.1uF, 1uF) with low ESR in high frequency
band can be used for EMC.
These capacitors should be put as close as possible to VBAT pads. Also, users should keep VBAT
trace on circuit board wider than 2 mm to minimize PCB trace impedance. The following figure
shows the recommended circuit.
Figure 6: Power supply application circuit
In addition, for over voltage protection, it is suggested to use a zener diode with 5.1V reverse
voltage and more than 500mW power dissipation.
Table 7: Recommended Zener diode list
No.
Manufacturer
Part Number
Power dissipation
Package
1
On semi
MMSZ5231BT1G
500mW
SOD123
2
Prisemi
PZ3D4V2H
500mW
SOD323
3
Vishay
MMSZ4689-V
500mW
SOD123
4
Crownpo
CDZ55C5V1SM
500mW
0805
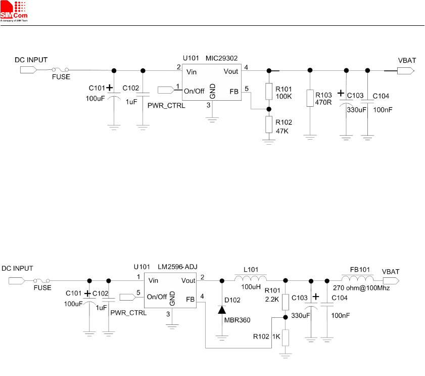
3.1.2 Recommended Power Supply Circuit
It is recommended that a switching mode power supply or a linear regulator power supply is used.
It is important to make sure that all the components used in the power supply circuit can resist a
peak current up to 2A.

Smart Machine Smart Decision
SIM7000 _Hardware Design _V1.00 2017-05-23
The following figure shows the linear regulator reference circuit with 5V input and 3.8V output.
Figure 7: Linear regulator reference circuit
If there is a big voltage difference between input and output for VBAT power supply, or the
efficiency is extremely important, then a switching mode power supply will be preferable. The
following figure shows the switching mode power supply reference circuit.
Figure 8: Switching mode power supply reference circuit
Note: The Switching Mode power supply solution for VBAT must be chosen carefully against
Electro Magnetic Interference and ripple current from depraving RF performance.
3.1.3 Voltage Monitor
To monitor the VBAT voltage, the AT command “AT+CBC” can be used.
To monitor whether the VBAT voltage is inside a special range, the AT command
“AT+CBATCHK” can be used to enable the overvoltage warning function and the under-voltage
warning function. The default value of the overvoltage warning function in the software is 4.3V,
and the default value of the under-voltage warning function is 3.1V.
When the VBAT voltage is out of the range, the module will be power off. If users need to power
off SIM7000 when the VBAT voltage is out of the range, the AT command “AT+CBATCHK” can
be used to enable the overvoltage power-off function and the under-voltage power-off function. The
default value of the overvoltage power-off function in the software is 4.4V, and the default value of
the under-voltage power-off function is 2.9V.
Note: Under-voltage warning function and under-voltage power-off function are disabled by
default. For more information about these AT commands, please refer to Document [1].

Smart Machine Smart Decision
SIM7000 _Hardware Design _V1.00 2017-05-23
3.2 Power on/Power off/Reset Function
3.2.1 Power on
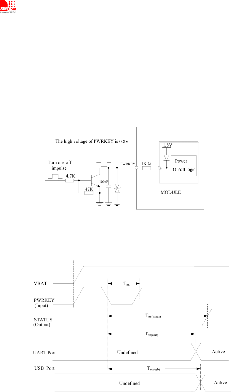
SIM7000 can be powered on by pulling the PWRKEY pin to ground.
The PWRKEY pin has been pulled up with a diode to 1.8V internally, so it does not need to be
pulled up externally. It is strongly recommended to put a 100nF capacitor and an ESD protection
diode close to the PWRKEY pin, as it would strongly enhance the ESD performance of PWRKEY
pin. Please refer to the following figure for the recommended reference circuit.
Figure 9: Reference power on/off circuit
The power-on scenarios are illustrated in the following figure.
Figure 10: Power on timing sequence

Smart Machine Smart Decision
SIM7000 _Hardware Design _V1.00 2017-05-23
Table 8: Power on timing and electronic characteristic
Symbol
Parameter
Min.
Typ.
Max.
Unit
Ton
The time of active low level impulse of PWRKEY
pin to power on module
72
-
-
ms
Ton(status)
The time from power-on issue to STATUS pin
output high level(indicating power up ready )
4.2
-
-
s
Ton(uart)
The time from power-on issue to UART port ready
3.5
-
-
s
Ton(usb)
The time from power-on issue to USB port ready
3.5
-
-
s
VIH
Input high level voltage on PWRKEY pin
0.6
0.8
1.8
V
VIL
Input low level voltage on PWRKEY pin
-0.3
0
0.5
V
3.2.2 Power off
The following methods can be used to power off SIM7000.
●Method 1: Power off SIM7000 by pulling the PWRKEY pin to ground.
●Method 2: Power off SIM7000 by AT command “AT+CPOWD”.
●Method 3: over-voltage or under-voltage automatic power off. The voltage range can be set by
AT command “AT+CBATCHK”.
●Method 4: over-temperature or under-temperature automatic power off.
Note: If the temperature is outside the range of -30~+80
℃
, some warning will be reported via
AT port. If the temperature is outside the range of -40~+85
℃
, SIM7000 will be powered off
automatically.
For details about “AT+CPOWD” and “AT+CBATCHK”, please refer to Document [1].
These procedures will make modules disconnect from the network and allow the software to enter a
safe state, and save data before module be powered off completely.
The power off scenario by pulling down the PWRKEY pin is illustrated in the following figure.
Figure 11: Power off timing sequence

Smart Machine Smart Decision
SIM7000 _Hardware Design _V1.00 2017-05-23
Table 9: Power off timing and electronic characteristic
Symbol
Parameter
Time value
Unit
Min.
Typ.
Max.
Toff
The active low level time pulse on PWRKEY pin to
power off module
1.2
-
-
s
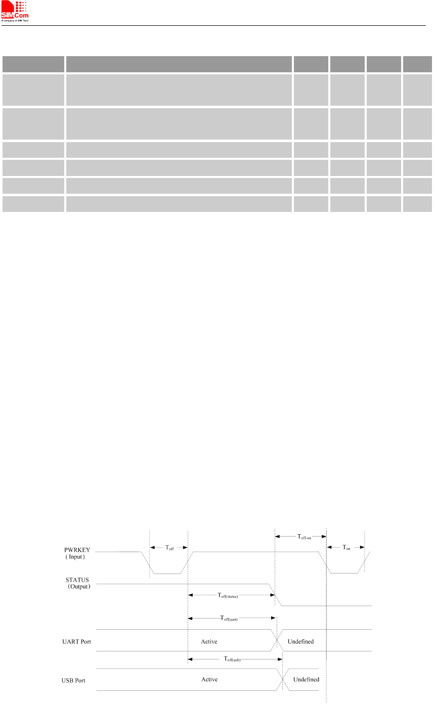
Toff(status)
The time from power-off issue to STATUS pin output low
level(indicating power off )*
1.3
-
-
s
Toff(uart)
The time from power-off issue to UART port off
1.3
-
-
s
Toff(usb)
The time from power-off issue to USB port off
1.3
-
-
s
Toff-on
The buffer time from power-off issue to power-on issue
1
-
-
s
*Note: The STATUS pin can be used to detect whether module is powered on or not. When
module has been powered on and firmware goes ready, STATUS will be high level, or else
STATUS will still low level.
3.2.3 Reset Function
SIM7000 can be reset by pulling the RESET pin to ground.
Note: This function is only used as an emergency reset. The RESET pin will be ineffectiveness
in the power off mode.
The RESET pin has been pulled up to 1.8V with a 40KΩ resistor internally. So it does not need to
be pulled up externally. It is strongly recommended to put a100nF capacitor and an ESD protection
diode close to the RESET pin. Please refer to the following figure for the recommended reference
circuit.
Figure 12: Reference reset circuit

Smart Machine Smart Decision
SIM7000 _Hardware Design _V1.00 2017-05-23
Table 10: RESET pin electronic characteristic
Symbol
Description
Min.
Typ.
Max.
Unit
Treset
The active low level time impulse on RESET pin
to reset module
50
100
500
ms
VIH
Input high level voltage
1.2
1.8
2.1
V
VIL
Input low level voltage
-0.3
0
0.8
V
3.3 UART Interface
SIM7000 provides a 7-wire UART (universal asynchronous serial transmission) interface as DCE
(Data Communication Equipment). AT commands and data transmission can be performed through
UART interface.
Moreover, if users need to use two UART simultaneously, SIM7000 also provides a 2-wire UART
interface multiplex from GPIO. The GPIO0 multiplex as TXD of the 2-wire UART, and the GPIO1
multiplex as RXD of the 2-wire UART. Standard version cannot support this function
3.3.1 UART Design Guide
The following figures show the reference design.
Figure 13: UART full modem
Figure 14: UART null modem

Smart Machine Smart Decision
SIM7000 _Hardware Design _V1.00 2017-05-23
The SIM7000 UART is 1.8V voltage interface. If user’s UART application circuit is 3.3V voltage
interface, the level shifter circuits should be used for voltage matching. The TXB0108RGYR
provided by Texas Instruments is recommended. The following figure shows the voltage matching
reference design.
Figure 15: Reference circuit of level shift
To comply with RS-232-C protocol, the RS-232-C level shifter chip should be used to connect
SIM7000 to the RS-232-C interface, for example SP3238ECA, etc.
Note: SIM7000 supports the following baud rates: 300, 600, 1200, 2400, 4800, 9600, 19200,
38400, 57600, 115200, 230400, 460800, 921600, 3200000, 3686400, 4000000bps. The default
band rate is 115200bps.
3.3.2 RI and DTR Behavior
The RI pin description:
The RI pin can be used to interrupt output signal to inform the host controller such as application
CPU.
Normally RI will keep high level until certain conditions such as receiving SMS, or a URC report
coming, and then it will change to low level. It will stay low until the host controller clears the
interrupted event with “AT+CRIRS” AT command.
Figure 16: RI behaviour(SMS and URC report)

Smart Machine Smart Decision
SIM7000 _Hardware Design _V1.00 2017-05-23
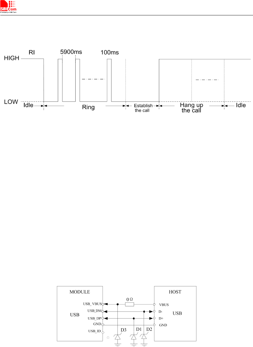
Normally RI will be kept at a high level until a voice call, then it will output periodic rectangular
wave with 5900ms low level and 100ms high level. It will output this kind of periodic rectangular
wave until the call is answered or hung up.
Figure 17: RI behaviour(voice call)
Note: For more details of AT commands about UART, please refer to document [1] and [22].
The DTR pin description:
After setting the AT command “AT+CSCLK=1”, SIM7000 will enter sleep mode by pulling up the
DTR pin when module is in the idle mode. In sleep mode, the UART is unavailable. When
SIM7000 enters sleep mode, pulling down DTR can wake up module.
3.4 USB Interface
The SIM7000 contains a USB interface compliant with the USB2.0 specification as a peripheral,
but the USB charging function is not supported.
SIM7000 supports the USB suspend and resume mechanism which can reduce power consumption.
If there is no data transmission on the USB bus, SIM7000 will enter suspend mode automatically,
and will be resumed by some events such as voice call, receiving SMS, etc.
Figure 18: USB reference circuit
Because of the high speed on USB bus, more attention should be paid to the influence of the
junction capacitance of the ESD component on USB data lines. Typically, the capacitance of the D1
and D2 should be less than 1pF.
D3 is suggested to select the diode with anti-ESD and voltage surge function, or customer could
add a ZENER diode for surge clamping.
Note
:
The USB_DM and USB_DP nets must be traced by 90Ohm+/-10% differential impedance.

Smart Machine Smart Decision
SIM7000 _Hardware Design _V1.00 2017-05-23
3.5 SIM Interface
SIM7000 supports both 1.8V and 3.0V SIM Cards.
Table 11: SIM electronic characteristic in 1.8V mode (SIM_VDD=1.8V)
Symbol
Parameter
Min.
Typ.
Max.
Unit
SIM_V
DD
LDO power output voltage
1.75
1.8
1.95
V
VIH
High-level input voltage
0.65*SIM_VDD
-
SIM_VDD +0.3
V
VIL
Low-level input voltage
-0.3
0
0.35*SIM_VDD
V
VOH
High-level output voltage
SIM_VDD -0.45
-
SIM_VDD
V
VOL
Low-level output voltage
0
0
0.45
V
Table 12: SIM electronic characteristic 3.0V mode (SIM_VDD=2.95V)
Symbol
Parameter
Min.
Typ.
Max.
Unit
SIM_V
DD
LDO power output voltage
2.75
2.95
3.05
V
VIH
High-level input voltage
0.65*SIM_VDD
-
SIM_VDD +0.3
V
VIL
Low-level input voltage
-0.3
0
0.25*SIM_VDD
V
VOH
High-level output voltage
SIM_VDD -0.45
-
SIM_VDD
V
VOL
Low-level output voltage
0
0
0.45
V
3.5.1 SIM Application Guide
It is recommended to use an ESD protection component such as ESDA6V1W5 produced by ST
(www.st.com ) or SMF15C produced by ON SEMI (www.onsemi.com ). Note that the SIM
peripheral circuit should be close to the SIM card socket. The following figure shows the 6-pin
SIM card holder reference circuit.
Figure 19: SIM interface reference circuit

Smart Machine Smart Decision
SIM7000 _Hardware Design _V1.00 2017-05-23
Note: SIM_DATA has been pulled up with a 10KΩ resistor to SIM_VDD in module. A 100nF
capacitor on SIM_VDD is used to reduce interference. For more details of AT commands about
SIM, please refer to document [1].SIM_CLK is very important signal, the rise time and fall time
of SIM_CLK should be less than 40ns, otherwise the SIM card might not be initialized correctly.
If SIM_DET is used, a 10KΩ resistor is necessary to pulling up to the power VDD_EXT.
3.5.2 Recommended SIM Card Holder
It is recommended to use the 6-pin SIM socket such as C707 10M006 512 produced by Amphenol.
User can visit http://www.amphenol.com for more information about the holder.
Figure 20: Amphenol SIM card socket
Table 13: Amphenol SIM socket pin description
Pin
Signal
Description
C1
SIM_VDD
SIM Card Power supply.
C2
SIM_RST
SIM Card Reset.
C3
SIM_CLK
SIM Card Clock.
C5
GND
Connect to GND.
C6
VPP
C7
SIM_DATA
SIM Card data I/O.

3.6 PCM Interface
SIM7000 provides a PCM interface for external codec, which can be used in master mode with
short sync and 16 bits linear format.
Table 14: PCM format
Note: For more details about PCM AT commands, please refer to document [1].
3.6.1 PCM timing
SIM7000 supports 2.048 MHz PCM data and sync timing for 16 bits linear format codec.
Figure 21: PCM_SYNC timing
Figure 22: External codec to module timing
Characteristics
Specification
Line Interface Format
Linear(Fixed)
Data length
16bits(Fixed)
PCM Clock/Sync Source
Master Mode(Fixed)
PCM Clock Rate
2048 KHz (Fixed)
PCM Sync Format
Short sync(Fixed)
Data Ordering
MSB

Smart Machine Smart Decision
SIM7000 _Hardware Design _V1.00 2017-05-23
Figure 23: Module to external codec timing
Table 15: PCM timing parameters
Parameter
Description
Min.
Typ.
Max.
Unit
T(sync)
PCM_SYNC cycle time
–
125
–
μs
T(synch)
PCM_SYNC high level time
–
488
–
ns
T(syncl)
PCM_SYNC low level time
–
124.5
–
μs
T(clk)
PCM_CLK cycle time
–
488
–
ns
T(clkh)
PCM_CLK high level time
–
244
–
ns
T(clkl)
PCM_CLK low level time
–
244
–
ns
T(susync)
PCM_SYNC setup time high before falling edge
of PCM_CLK
–
122
–
ns
T(hsync)
PCM_SYNC hold time after falling edge of
PCM_CLK
–
366
–
ns
T(sudin)
PCM_IN setup time before falling edge of
PCM_CLK
60
–
–
ns
T(hdin)
PCM_IN hold time after falling edge of
PCM_CLK
60
–
–
ns
T(pdout)
Delay from PCM_CLK rising to PCM_OUT valid
–
–
60
ns
T(zdout)
Delay from PCM_CLK falling to PCM_OUT
HIGH-Z
–
–
60
ns

Smart Machine Smart Decision
SIM7000 _Hardware Design _V1.00 2017-05-23
3.6.2 PCM Application Guide
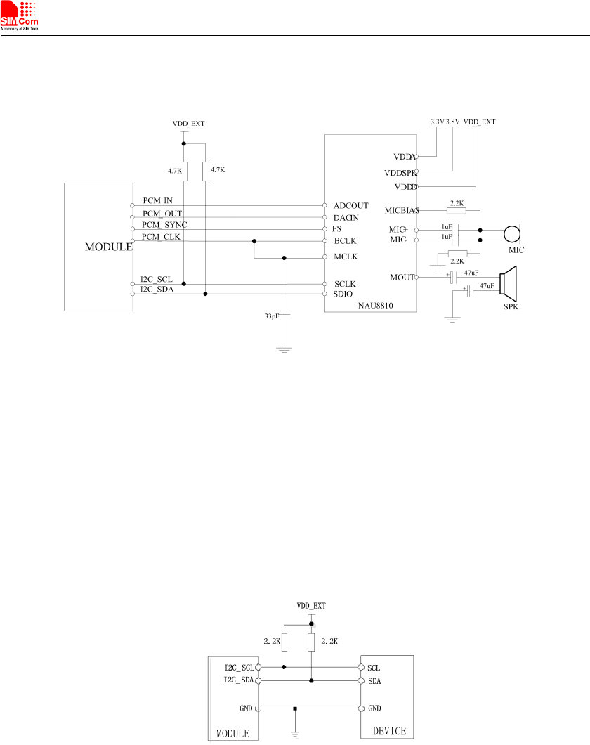
The following figure shows the external codec reference design.
Figure 24: Audio codec reference circuit
3.7 I2C Interface
SIM7000 provides a I2C interface compatible with I2C specification, version 5.0, with clock rate
up to 400 kbps. Its operation voltage is 1.8V.
The following figure shows the I2C bus reference design.
Figure 25: I2C reference circuit
Note
:
I2C_SDA and I2C_SCL do not have pull-up resistors in module. So the two external
pulling up resistors are needed in application circuit.
“AT+CRIIC and AT+CWIIC” AT commands could be used to read/write register values of the
I2C peripheral devices. For more details about AT commands please refer to document [1].
3.8 Network status
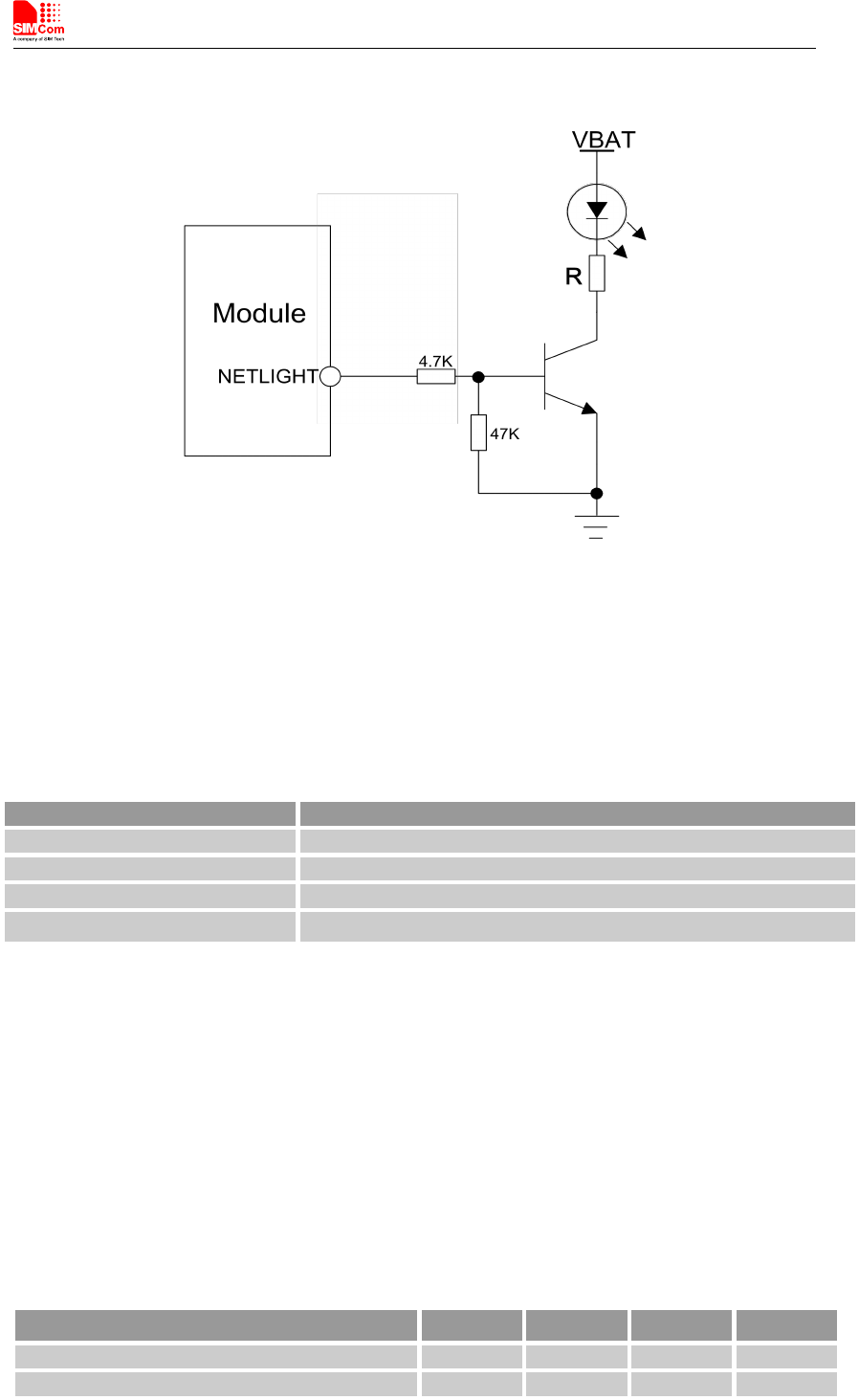
The NETLIGHT pin is used to control Network Status LED, its reference circuit is shown in the

Smart Machine Smart Decision
SIM7000 _Hardware Design _V1.00 2017-05-23
following figure.
Figure 26: NETLIGHT reference circuit
Note: The value of the resistor named “R” depends on the LED characteristic.
Table 16: NETLIGHT pin status
NETLIGHT pin status
Module status
64ms ON, 800ms OFF
No registered network
64ms ON, 3000ms OFF
Registered network
64ms ON, 300ms OFF
Data transmit
OFF
Power off or PSM mode
Note: NETLIGHT output low level as “OFF”, and high level as “ON”.
3.9 Other interface
3.9.1 ADC
SIM7000 has a dedicated ADC pin. It is available for digitizing analog signals such as battery
voltage and so on. The electronic specifications are shown in the following table.
Table 17: ADC electronic characteristics
Characteristics
Min.
Typ.
Max.
Unit
Resolution
–
15
–
Bits
Conversion time
–
442
–
ms

Smart Machine Smart Decision
SIM7000 _Hardware Design _V1.00 2017-05-23
Input Range
0.1
1.7
V
Input serial resistance
1
–
–
MΩ
Note: “AT+CADC” can be used to read the voltage of the ADC pin, for more details, please refer
to document [1].
3.9.2 LDO
SIM7000 has a LDO power output named VDD_EXT. The output voltage is 1.8V.
Figure 27:Power on sequence of the VDD_EXT
Table 18: Electronic characteristic
Symbol
Description
Min.
Typ.
Max.
Unit
VVDD_EXT
Output voltage
1.7
1.8
1.9
V
IO
Output current
-
-
50
mA
Note
:
The VDD_EXT is used to the IO power in the module. The Output voltage is not supported
to set.

Smart Machine Smart Decision
SIM7000 _Hardware Design _V1.00 2017-05-23
4RF Specifications
4.1 LTE CAT-M1 RF Specifications
Table 19: Conducted transmission power
Frequency
Power
Min.
LTE-FDD B2
23dBm +/-2.7dB
<-40dBm
LTE-FDD B4
23dBm +/-2.7dB
<-40dBm
LTE-FDD B12
23dBm +/-2.7dB
<-40dBm
LTE-FDD B13
23dBm +/-2.7dB
<-40dBm
Table 20: Operating frequencies
Frequency
Receiving
Transmission
GPS L1 BAND
1574.4 ~1576.44 MHz
-
GLONASS
1598 ~1606 MHz
-
BD
1559 ~1563 MHz
LTE CAT-M1BAND
Refers to Table 21

Smart Machine Smart Decision
SIM7000 _Hardware Design _V1.00 2017-05-23
Table 21: E-UTRA operating bands
E-UTRA
UL Freq.
DL Freq.
Duplex Mode
1
1920 ~1980 MHz
2110 ~2170 MHz
HD-FDD
3
1710 ~1785 MHz
1805 ~1880 MHz
HD-FDD
5
824 ~849 MHz
869 ~894 MHz
HD-FDD
6
830 ~840 MHz
875 ~885 MHz
HD-FDD
8
880 ~915 MHz
925 ~960 MHz
HD-FDD
12
699 ~716 MHz
729 ~746 MHz
HD-FDD
13
777 ~787 MHz
746 ~756 MHz
HD-FDD
18
815 ~830 MHz
860 ~875 MHz
HD-FDD
19
830 ~845 MHz
875 ~890 MHz
HD-FDD
26
814 ~849 MHz
859 ~894 MHz
HD-FDD
39
1880 ~1920 MHz
1880 ~1920 MHz
TDD
Table 22: Conducted receive sensitivity
Frequency
Receive sensitivity(Typical)
Receive sensitivity(MAX)
LTE CAT-M1FDD/TDD
Refers to Table 23

Smart Machine Smart Decision
SIM7000 _Hardware Design _V1.00 2017-05-23
Table 23: CAT-M1 Reference sensitivity (QPSK)
E-UTRA Band
REFSENS (dBm)
Duplex Mode
1
-103
HD-FDD
2
-101
HD-FDD
3
-100
HD-FDD
4
-103
HD-FDD
5
-101.5
HD-FDD
7
-101
HD-FDD
8
-100.5
HD-FDD
11
-103
HD-FDD
12
-100
HD-FDD
13
-100
HD-FDD
18
-103
HD-FDD
19
-103
HD-FDD
20
-100.5
HD-FDD
21
-103
HD-FDD
26
-101
HD-FDD
27
-101.5
HD-FDD
28
-101.5
HD-FDD
31
-97.3
HD-FDD
39
-103.7
TDD
41
-101.7
TDD
Maximum Power Reduction (MPR)
Modulation
Channel bandwidth / Transmission bandwidth (NRB)
MPR
(dB)
1.4
MHz
3.0
MHz
5
MHz
10
MHz
15
MHz
20
MHz
QPSK
>2
>2
>1
>4
-
-
≤ 1
QPSK
>5
>5
-
-
-
-
≤ 2
16 QAM
≤ 2
≤ 2
>1
>3
-
-
≤ 1
16QAM
>2
>2
>3
>5
-
-
≤ 2

Smart Machine Smart Decision
SIM7000 _Hardware Design _V1.00 2017-05-23
4.2 LTE CAT-M1 Antenna Design Guide
Users should connect antennas to SIM7000’s antenna pads through micro-strip line or other types
of RF trace and the trace impedance must be controlled in 50Ω. SIMCom recommends that the
total insertion loss between the antenna pads and antennas should meet the following requirements:
Table 24: Trace loss
Frequency
Loss
700MHz-960MHz
<0.5dB
1710MHz-2170MHz
<0.9dB
2300MHz-2650MHz
<1.2dB
To facilitate the antenna tuning and certification test, a RF connector and an antenna matching
circuit should be added. The following figure is the recommended circuit.

Smart Machine Smart Decision
SIM7000 _Hardware Design _V1.00 2017-05-23
Figure 28: Antenna matching circuit (MAIN_ANT)
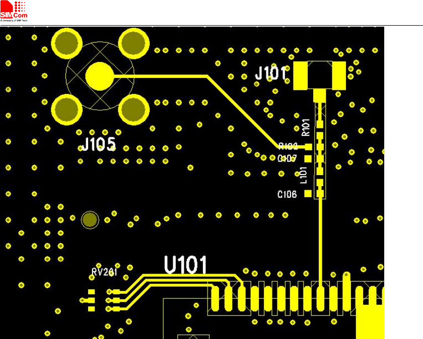
In figure 28, the components L101,C106,C107 and R101 or R102 are used for antenna matching,
the values of components can only be achieved after the antenna tuning and usually provided by
antenna vendor. By default, the L101,R101or R102 are 0 Ωresistors, and the C106, C107 are
reserved for tuning. The RF test connector is used for the conducted RF performance test, and
should be placed as close as to the module’s MAIN_ANT pin. The traces impedance between
SIM7000 and antenna must be controlled in 50Ω.
4.3 GNSS
SIM7000 merges GNSS (GPS/GLONASS/BD) satellite and network information to provide a
high-availability solution that offers industry-leading accuracy and performance. This solution
performs well, even in very challenging environmental conditions where conventional GNSS
receivers fail, and provides a platform to enable wireless operators to address both location-based
services and emergency mandates.
4.3.1 GNSS Technical specification
Tracking sensitivity: -162 dBm(GPS)/-158 dBm(GLONASS)/TBD (BD)
Cold-start sensitivity: -148 dBm

Smart Machine Smart Decision
SIM7000 _Hardware Design _V1.00 2017-05-23
Accuracy (Open Sky): 2.5m (CEP50)
TTFF (Open Sky) : Hot start <1s, Cold start<35s
Receiver Type: 16-channel, C/A Code
GPS L1 Frequency: 1575.42±1.023MHz
GLONASS: 1597.5~1605.8 MHz
BD: 1559.05~1563.14 MHz
Update rate: Default 1 Hz
GNSS data format: NMEA-0183
GNSS Current consumption : 100mA (GSM/LTE CAT-M1Sleep ,in total on VBAT pins)
GNSS antenna: Passive/Active antenna
Note: If the antenna is active type, the power should be given by main board because there is no
power supply on the GPS antenna pad. If the antenna is passive, it is suggested that the external
LNA should be used.
4.3.2 GNSS Application Guide
Users can adopt an active antenna or a passive antenna to SIM7000. If using a passive antenna, an
external LNA is a must to get better performance. The following figures are the reference circuits.
Figure 29: Active antenna circuit
Figure 30: Passive antenna circuit (Default)

Smart Machine Smart Decision
SIM7000 _Hardware Design _V1.00 2017-05-23
In above figures, the components C1, L1 and L2 are used for antenna matching. Usually, the values
of the components can only be achieved after antenna tuning and usually provided by antenna
vendor. C2 is used for DC blocking. L3 is the matching component of the external LNA, and the
value of L3 is determined by the LNA characteristic and PCB layout. Both VDD of active antenna
and V_LNA need external power supplies which should be considered according to active antenna
and LNA characteristic. LDO/DCDC is recommended to get lower current consuming by shutting
down active antennas and LNA when GNSS is not working.
GNSS can be tested by NMEA port. NMEA sentences can be obtained through UART or USB
automatically. NMEA sentences include GSV, GGA, RMC, GSA, and VTG. Before using GNSS,
user should configure SIM7000 in proper operating mode by AT command. Please refer to related
documents for details. SIM7000 can also get position location information through AT directly.
Note:
1. GNSS is closed by default and can be started by “AT+CGNSPWR=1”. The AT command has
two parameters, the first is on/off, and the second is GNSS mode. Default mode is standalone
mode.
AGPS mode needs more support from the mobile telecommunication network. Please refer to
document [24] for more details.
2. If the passive antenna is used, put the LNA close to the antenna.
3. Make sure there are no noise signals around GNSS antenna.

Smart Machine Smart Decision
SIM7000 _Hardware Design _V1.00 2017-05-23
5Electrical Specifications
5.1 Absolute maximum ratings
Absolute maximum rating for digital and analog pins of SIM7000 are listed in the following table:
Table 26: Absolute maximum ratings
Parameter
Min.
Typ.
Max.
Unit
Voltage at VBAT
-0.5
-
6.0
V
Voltage at USB_VBUS
-0.5
-
5.85
V
Voltage at digital pins
(RESET,GPIO,I2C,UART,PCM)
-0.3
-
2.1
V
Voltage at digital pins (SIM)
-0.3
-
3.05
V
Voltage at PWRKEY
-0.3
-
1.8
5.2 Operating conditions
Table 27: Recommended operating ratings
Parameter
Min.
Typ.
Max.
Unit
Voltage at VBAT
3.0
3.8
4.3
V
Voltage at USB_VBUS
3.5
5.0
5.25
V
Table 28: 1.8V Digital I/O characteristics*
Parameter
Description
Min.
Typ.
Max.
Unit
VIH
High-level input voltage
1.17
1.8
2.1
V
VIL
Low-level input voltage
-0.3
0
0.63
V
VOH
High-level output voltage
1.35
-
1.8
V
VOL
Low-level output voltage
0
-
0.45
V
IOH
High-level output current(no
pull down resistor)
-
2
-
mA
IOL
Low-level output current(no pull
up resistor)
-
-2
-
mA
IIH
Input high leakage current (no
pull down resistor)
-
-
1
uA
IIL
Input low leakage current(no
pull up resistor)
-1
-
-
uA

Smart Machine Smart Decision
SIM7000 _Hardware Design _V1.00 2017-05-23
*Note: These parameters are for digital interface pins, such as GPIOs (including
NETLIGHT,STATUS,SIM_DET), I2C, UART, PCM, MDM_LOG_TX and BOOT_CFG.
The operating temperature of SIM7000 is listed in the following table.
Table 29: Operating temperature
Parameter
Min.
Typ.
Max.
Unit
Normal operation temperature
-30
25
80
℃
Extended operation temperature*
-40
25
85
℃
Storage temperature
-45
25
+90
℃
*Note: Module is able to make and receive voice calls, data calls, SMS and make GSM/LTE
CAT-M1traffic in -40 ℃~ +85 ℃. The performance will be reduced slightly from the 3GPP
specifications if the temperature is outside the normal operating temperature range and still
within the extreme operating temperature range.
5.3 Operating Mode
5.3.1 Operating Mode Definition
The table below summarizes the various operating modes of SIM7000 product.
Table 30: Operating mode Definition
Mode
Function
Normal operation
LTE CAT-M1Sleep
In this case, the current consumption of module will be reduced to the
minimal level and the module can still receive paging message and
SMS.
/LTE CAT-M1Idle
Software is active. Module is registered to the network, and the
module is ready to communicate.
LTE CAT-M1Talk
Connection between two subscribers is in progress. In this case, the
power consumption depends on network settings such as DTX off/on,
FR/EFR/HR, hopping sequences, and antenna.
LTE CAT-M1Standby
Module is ready for data transmission, but no data is currently sent or
received. In this case, power consumption depends on network
settings.
LTEData transmission
There is data transmission in progress. In this case, power
consumption is related to network settings (e.g. power control level);
uplink/downlink data rates, etc.
Minimum functionality
mode
AT command “AT+CFUN=0” AT+CSCLK=1 can be used to set the
module to a minimum functionality mode without removing the
power supply. In this mode, the RF part of the module will not work
and the SIM card will not be accessible, but the serial port and USB
port are still accessible. The power consumption in this mode is lower

Smart Machine Smart Decision
SIM7000 _Hardware Design _V1.00 2017-05-23
than normal mode.
Flight mode
AT command “AT+CFUN=4” can be used to set the module to flight
mode without removing the power supply. In this mode, the RF part
of the module will not work, but the serial port and USB port are still
accessible. The power consumption in this mode is lower than normal
mode.
PSM mode
Setting the timer of the software can be entered PSM mode. In this
mode, the module will be the least current consumption. Meanwhile,
all the output of the LDO and DCDC in the module will be closed
except the RTC power. And also all of the functions will be
unavailable except the RTC function. RTC timer can wake up the
module.
Power off mode
Module will go into power off mode by sending the AT command
“AT+CPOWD” or pull down the PWRKEY pin, normally. In this
mode the power management unit shuts down the power supply, and
software is not active. The serial port and USB are is not accessible.
5.3.2 Sleep mode
In sleep mode, the current consumption of module will be reduced to the minimal level, and
module can still receive paging message and SMS.
Several hardware and software conditions must be satisfied together in order to let SIM7000 enter
sleep mode:
1. UART condition
2. USB condition
3. Software condition
Note: Before designing, pay attention to how to realize sleeping/waking function and refer to
Document [26] for more details.
5.3.3 Minimum functionality mode and Flight mode
Minimum functionality mode ceases a majority function of the module, thus minimizing the power
consumption. This mode is set by the AT command which provides a choice of the functionality
levels.
●AT+CFUN=0: Minimum functionality
●AT+CFUN=1: Full functionality (Default)
●AT+CFUN=4: Flight mode
If SIM7000 has been set to minimum functionality mode, the RF function and SIM card function
will be closed. In this case, the serial port and USB are still accessible, but RF function and SIM
card will be unavailable.
If SIM7000 has been set to flight mode, the RF function will be closed. In this case, the serial port
and USB are still accessible, but RF function will be unavailable.

Smart Machine Smart Decision
SIM7000 _Hardware Design _V1.00 2017-05-23
When SIM7000 is in minimum functionality or flight mode, it can return to full functionality by the
AT command “AT+CFUN=1”.
5.4 Current Consumption
The current consumption is listed in the table below.
Table 31: Current consumption on VBAT Pins (VBAT=3.8V)
GNSS
GNSS supply current
(AT+CFUN=0,with USB connection)
Tracking Typical: 34mA
LTE CAT-M1sleep/idle mode
LTE CAT-M1supply current
(GNSS off,without USB connection)
Sleep mode Typical: 1mA
Idle mode Typical: 11mA
LTE CAT-M1Talk
TBD
TBD
TBD
TBD
LTE CAT-M1data
LTE-FDD B2
@23dbm Typical: 160mA
@10dbm Typical: 116mA
@0dbm Typical: 102mA
LTE-FDD B4
@23dbm Typical: 168mA
@10dbm Typical: 117mA
@0dbm Typical: 113mA
LTE-FDD B12
@23dbm Typical: 167mA
@10dbm Typical: 109mA
@0dbm Typical: 96mA
LTE-FDD B13
@23dbm Typical: 167mA
@10dbm Typical: 109mA
@0dbm Typical: 98mA

Smart Machine Smart Decision
SIM7000 _Hardware Design _V1.00 2017-05-23
5.5 ESD Notes
SIM7000 is sensitive to ESD in the process of storage, transporting, and assembling. When
SIM7000 is mounted on the users’ mother board, the ESD components should be placed beside the
connectors which human body may touch, such as SIM card holder, audio jacks, switches, keys, etc.
The following table shows the SIM7000 ESD measurement performance without any external ESD
component.
Table 32: The ESD performance measurement table (Temperature: 25℃, Humidity: 45%)
Part
Contact discharge
Air discharge
VBAT,GND
+/-6K
+/-12K
Antenna port
+/-5K
+/-10K
USB
+/-4K
+/-8K
UART
+/-4K
+/-8K
Other PADs
+/-3K
+/-6K

Smart Machine Smart Decision
SIM7000 _Hardware Design _V1.00 2017-05-23
6SMT Production Guide
6.1 Top and Bottom View of SIM7000
Figure 31: Top and bottom view of SIM7000

Smart Machine Smart Decision
SIM7000 _Hardware Design _V1.00 2017-05-23
6.2 Label Information
Figure 32: Label information
Table 33: The description of label information
No.
Description
A
LOGO
B
No.1 Pin
C
Project name
D
Product code
E
Serial number
F
International mobile equipment identity
G
QR code

Smart Machine Smart Decision
SIM7000 _Hardware Design _V1.00 2017-05-23
6.3 Typical SMT Reflow Profile
SIMCom provides a typical soldering profile. Therefore the soldering profile shown below is only
a generic recommendation and should be adjusted to the specific application and manufacturing
constraints.
Figure 33: The ramp-soak-spike reflow profile of SIM7000
Note: For more details about secondary SMT, please refer to the document [21].
6.4 Moisture Sensitivity Level (MSL)
SIM7000 is qualified to Moisture Sensitivity Level (MSL) 3 in accordance with JEDEC J-STD-033.
If the prescribed time limit is exceeded, users should bake modules for 192 hours in drying
equipment (<5% RH) at 40+5/-0°C, or 72 hours at 85+5/-5°C. Note that plastic tray is not
heat-resistant, and only can be baked at 45° C.
Table 34: Moisture Sensitivity Level and Floor Life
Moisture Sensitivity Level
(MSL)
Floor Life (out of bag) at factory ambient≤30°C/60% RH or as
stated
1
Unlimited at ≦30℃/85% RH
2
1 year
2a
4 weeks
3
168 hours
4
72 hours
5
48 hours
5a
24 hours
6
Mandatory bake before use. After bake, it must be reflowed within the

Smart Machine Smart Decision
SIM7000 _Hardware Design _V1.00 2017-05-23
time limit specified on the label.
NOTE: IPC / JEDEC J-STD-033 standard must be followed for production and storage.
6.5 Stencil Foil Design Recommendation
The recommended thickness of stencil foil is 0.15mm.

Smart Machine Smart Decision
SIM7000 _Hardware Design _V1.00 2017-05-23
7Packaging
7.1 tray packaging
SIM7000 module support tray packaging (default packaging).
Figure 34: packaging diagram
Module tray drawing:

Smart Machine Smart Decision
SIM7000 _Hardware Design _V1.00 2017-05-23
Figure 35: Tray drawing
Table 35: Tray size
Length(±3mm)
Width(±3mm)
Module number
242.0
161.0
20
Small carton drawing:
Figure 36: Small carton drawing
Table 36: Small Carton size
Length(±10mm)
Width(±10mm)
Height(±10mm)
Module number
270
180
120
20*20=400
Big carton drawing:
Figure 37: Big carton drawing

Smart Machine Smart Decision
SIM7000 _Hardware Design _V1.00 2017-05-23
Table 37: Big Carton size
Length(±10mm)
Width(±10mm)
Height(±10mm)
Module number
380
280
280
400*4=1600

Appendix
A. Reference Design
Refer to < SIM7000 Reference Design V1.01> for the details.
Figure 38: Reference design

Smart Machine Smart Decision
SIM7000 _Hardware Design _V1.00 2017-05-23
B. Related Documents
Table 38: Related Documents
NO.
Title
Description
[1]
SIM7X00 Series_AT
Command Manual_V1.xx
AT Command Manual
[2]
ITU-T Draft new
recommendationV.25ter
Serial asynchronous automatic dialing and control
[3]
GSM 07.07
Digital cellular telecommunications (Phase 2+); AT command
set for GSM Mobile Equipment (ME)
[4]
GSM 07.10
Support GSM 07.10 multiplexing protocol
[5]
GSM 07.05
Digital cellular telecommunications (Phase 2+); Use of Data
Terminal Equipment – Data Circuit terminating Equipment
(DTE – DCE) interface for Short Message Service (SMS)
and Cell Broadcast Service (CBS)
[6]
GSM 11.14
Digital cellular telecommunications system (Phase 2+);
Specification of the SIM Application Toolkit for the
Subscriber Identity Module – Mobile Equipment (SIM – ME)
interface
[7]
GSM 11.11
Digital cellular telecommunications system (Phase 2+);
Specification of the Subscriber Identity Module – Mobile
Equipment (SIM – ME) interface
[8]
GSM 03.38
Digital cellular telecommunications system (Phase 2+);
Alphabets and language-specific information
[9]
GSM 11.10
Digital cellular telecommunications system (Phase 2) ;
Mobile Station (MS) conformance specification ;Part 1:
Conformance specification
[10]
3GPP TS 51.010-1
Digital cellular telecommunications system (Release 5);
Mobile Station (MS) conformance specification
[11]
3GPP TS 34.124
Electromagnetic Compatibility (EMC) for mobile terminals
and ancillary equipment.
[12]
3GPP TS 34.121
Electromagnetic Compatibility (EMC) for mobile terminals
and ancillary equipment.
[13]
3GPP TS 34.123-1
Technical Specification Group Radio Access Network;
Terminal conformance specification; Radio transmission and
reception (FDD)
[14]
3GPP TS 34.123-3
User Equipment (UE) conformance specification; Part 3:
Abstract Test Suites.
[15]
EN 301 908-02 V2.2.1
Electromagnetic compatibility and Radio spectrum Matters
(ERM); Base Stations (BS) and User Equipment (UE) for
IMT-2000. Third Generation cellular networks; Part 2:
Harmonized EN for IMT-2000, CDMA Direct Spread
(UTRA FDD) (UE) covering essential requirements of article
3.2 of the R&TTE Directive
[16]
EN 301 489-24 V1.2.1
Electromagnetic compatibility and Radio Spectrum Matters
(ERM); Electromagnetic Compatibility (EMC) standard for
radio equipment and services; Part 24: Specific conditions for
IMT-2000 CDMA Direct Spread (UTRA) for Mobile and
portable (UE) radio and ancillary equipment
[17]
IEC/EN60950-1(2001)
Safety of information technology equipment (2000)

Smart Machine Smart Decision
SIM7000 _Hardware Design _V1.00 2017-05-23
[18]
3GPP TS 51.010-1
Digital cellular telecommunications system (Release 5);
Mobile Station (MS) conformance specification
[19]
GCF-CC V3.23.1
Global Certification Forum - Certification Criteria
[20]
2002/95/EC
Directive of the European Parliament and of the Council of
27 January 2003 on the restriction of the use of certain
hazardous substances in electrical and electronic equipment
(RoHS)
[21]
Module
secondary-SMT-UGD-V1.xx
Module secondary SMT Guidelines
[22]
SIM7X00
Series_UART_Application
Note_V1.xx
This document describes how to use UART interface of
SIMCom modules.
[23]
SIM7X00 Series_USB
AUDIO_Application
Note_V1.xx
USB AUDIO Application Note
[24]
SIM7X00
Series_GPS_Application
Note_V1.xx
GPS Application Note
[25]
Antenna design guidelines for
diversity receiver system
Antenna design guidelines for diversity receiver system
[26]
SIM7X00 Series_Sleep Mode_
Application Note_V1.xx
Sleep Mode Application Note

Smart Machine Smart Decision
SIM7000 _Hardware Design _V1.00 2017-05-23
C. Terms and Abbreviations
Table 39: Terms and Abbreviations
Abbreviation
Description
ADC
Analog-to-Digital Converter
ARP
Antenna Reference Point
BER
Bit Error Rate
BD
BeiDou
BTS
Base Transceiver Station
CS
Coding Scheme
CSD
Circuit Switched Data
CTS
Clear to Send
DAC
Digital-to-Analog Converter
DRX
Discontinuous Reception
DSP
Digital Signal Processor
DTE
Data Terminal Equipment (typically computer, terminal, printer)
DTR
Data Terminal Ready
DTX
Discontinuous Transmission
EFR
Enhanced Full Rate
EGSM
Enhanced GSM
EMC
Electromagnetic Compatibility
ESD
Electrostatic Discharge
ETS
European Telecommunication Standard
EVDO
Evolution Data Only
FCC
Federal Communications Commission (U.S.)
FD
SIM fix dialing phonebook
FDMA
Frequency Division Multiple Access
FR
Full Rate
GMSK
Gaussian Minimum Shift Keying
GNSS
Global Navigation Satellite System
GPRS
General Packet Radio Service
GPS
Global Positioning System
GSM
Global Standard for Mobile Communications
HR
Half Rate
HSPA
High Speed Packet Access
I2C
Inter-Integrated Circuit
IMEI
International Mobile Equipment Identity
LTE
Long Term Evolution
MO
Mobile Originated
MS
Mobile Station (GSM engine), also referred to as TE
MT
Mobile Terminated
NMEA
National Marine Electronics Association
PAP
Password Authentication Protocol
PBCCH
Packet Switched Broadcast Control Channel
PCB
Printed Circuit Board

Smart Machine Smart Decision
SIM7000 _Hardware Design _V1.00 2017-05-23
PCS
Personal Communication System, also referred to as GSM 1900
RF
Radio Frequency
RMS
Root Mean Square (value)
RTC
Real Time Clock
SIM
Subscriber Identification Module
SMS
Short Message Service
SMPS
Switched-mode power supply
TDMA
Time Division Multiple Access
TE
Terminal Equipment, also referred to as DTE
TX
Transmit Direction
UART
Universal Asynchronous Receiver & Transmitter
VSWR
Voltage Standing Wave Ratio
SM
SIM phonebook
NC
Not connect
EDGE
Enhanced data rates for GSM evolution
HSDPA
High Speed Downlink Packet Access
HSUPA
High Speed Uplink Packet Access
ZIF
Zero intermediate frequency
WCDMA
Wideband Code Division Multiple Access
VCTCXO
Voltage control temperature-compensated crystal oscillator
SIM
Universal subscriber identity module
UMTS
Universal mobile telecommunications system
UART
Universal asynchronous receiver transmitter
PSM
Power save mode

Smart Machine Smart Decision
SIM7000 _Hardware Design _V1.00 2017-05-23
D. Safety Caution
Table 40: Safety Caution
Marks
Requirements
When in a hospital or other health care facility, observe the restrictions about the use
of mobiles. Switch the cellular terminal or mobile off, medical equipment may be
sensitive and not operate normally due to RF energy interference.
Switch off the cellular terminal or mobile before boarding an aircraft. Make sure it is
switched off. The operation of wireless appliances in an aircraft is forbidden to
prevent interference with communication systems. Forgetting to think much of these
instructions may impact the flight safety, or offend local legal action, or both.
Do not operate the cellular terminal or mobile in the presence of flammable gases or
fumes. Switch off the cellular terminal when you are near petrol stations, fuel depots,
chemical plants or where blasting operations are in progress. Operation of any
electrical equipment in potentially explosive atmospheres can constitute a safety
hazard.
Your cellular terminal or mobile receives and transmits radio frequency energy while
switched on. RF interference can occur if it is used close to TV sets, radios,
computers or other electric equipment.
Road safety comes first! Do not use a hand-held cellular terminal or mobile when
driving a vehicle, unless it is securely mounted in a holder for hands free operation.
Before making a call with a hand-held terminal or mobile, park the vehicle.
GSM cellular terminals or mobiles operate over radio frequency signals and cellular
networks and cannot be guaranteed to connect in all conditions, especially with a
mobile fee or an invalid SIM card. While you are in this condition and need emergent
help, please remember to use emergency calls. In order to make or receive calls, the
cellular terminal or mobile must be switched on and in a service area with adequate
cellular signal strength.
Some networks do not allow for emergency call if certain network services or phone
features are in use (e.g. lock functions, fixed dialing etc.). You may have to
deactivate those features before you can make an emergency call.
Also, some networks require that a valid SIM card be properly inserted in the cellular
terminal or mobile.

Smart Machine Smart Decision
SIM7000 _Hardware Design _V1.00 2017-05-23
Contact us:
Shanghai SIMCom Wireless Solutions Ltd.
Add: SIM Technology Building, No.633, Jinzhong Road, Changning District, Shanghai P.R. China
200335
Tel:+86 21 3235 3300
Fax:+86 21 3235 3020
URL:www.simcomm2m.com