SKYPINE ELECTRONICS CNE8239DCL ALL IN ONE DVD PLAYER User Manual

SKYPINE ELECTRONICS (SHEN ZHEN) CO., LTD. ALL IN ONE DVD PLAYER

User Manual

DVD MULTIMEDIA STATION WITH BUILT-INNAVIGATION &  6.2” TOUCH PANEL CONTROLNX404Owner’s manualALL IN ONE DVD PLAYER
1NX404EnglishEnglish Owner’s ManualEnglish Owner’s ManualContents1. FEATURES ........................................................................................................... 3Expanding Systems ..............................................................................................32. PRECAUTIONS .................................................................................................... 43. CAUTIONS ON HANDLING.................................................................................7Operation Panel ....................................................................................................7USB Port ...............................................................................................................7Cleaning ................................................................................................................7Handling Discs ......................................................................................................84.Operational Panel ..............................................................................................10Functions of Buttons ...........................................................................................105. REMOTE CONTROL..........................................................................................11Functions of Remote Control Buttons ................................................................126. MAIN MENU.......................................................................................................147. DVD Video Player Operations  .........................................................................15Discs ...................................................................................................................15Change DVD System Settings ............................................................................16Watching to a disc ..............................................................................................16Operate the DVD Player menu ............................................................................ 17Operate the Video files Player menu...................................................................19Switching Subtitles .............................................................................................19Video files list ......................................................................................................19Play DivX Video-On-Demand file ............................................................................ 19Playable disc video files ...................................................................................... 208.  CD ......................................................................................................................21Listening to a disc/Ejecting a disc ......................................................................21Showing CD Player mode screen .......................................................................21Operate the CD Player menu ..............................................................................21Listening to compressed audio ..........................................................................22Tag display function ............................................................................................229. USB Audio Operations  ....................................................................................24Notes on using USB memories ...........................................................................24Select USB Audio mode .....................................................................................24Playing Audio files in USB memory ....................................................................25Notes on using USB memories ...........................................................................26Select USB Video mode .....................................................................................26Playing video files in USB memory .....................................................................26Playable Video file ............................................................................................... 2610. USB Video Operations .................................................................................... 2611. iPod/iPhone Operations .................................................................................28Notes on using Apple iPod/iPhone ..................................................................... 28iPod Audio ID3 Info .............................................................................................28iPod audio playlist mode screen ......................................................................... 29iPod Video Menu Operations .............................................................................. 30iPod Video ID3 mode screen ..............................................................................30iPod Video List mode screen ..............................................................................31iPod Video Simple Control Mode Screen ...........................................................31iPod Video play mode screen .............................................................................31iPod Audio Bluetooth mode ................................................................................3212. PANDORA OPERATIONS ...............................................................................33Selecting the Pandora mode ..............................................................................33Pandora Bluetooth mode .................................................................................... 3413. Bluetooth AUDIO PLAYER OPERATIONS .....................................................35Selecting the Bluetooth Audio mode ..................................................................35
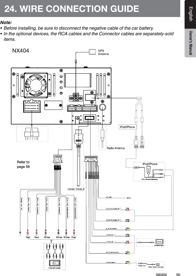
2NX404EnglishEnglish Owner’s ManualEnglish Owner’s ManualBluetooth audio player settings ..........................................................................35Registering your Bluetooth audio player (Pairing)...............................................35Selecting the Bluetooth audio player .................................................................. 36Controlling the Bluetooth audio player ...............................................................3614. Bluetooth TELEPHONE OPERATIONS ............................................................37Select the BT Phone mode .................................................................................37Bluetooth Telephone settings .............................................................................37Registering your cellular phone (Pairing) ............................................................38Select the cellular phone ....................................................................................38Obtaining the Phone Book data .........................................................................38Telephone operations .........................................................................................3815. Tuner Operations ............................................................................................4016. HDMI Operation ..............................................................................................41Select a device for HDMI connect ......................................................................41Select HDMI source  ...........................................................................................41HDMI for iPhone .................................................................................................41HDMI for Android(No HID profile) .......................................................................42HDMI for Android(HID profile) .............................................................................42Other or Any device is not connected ................................................................42HDMI Mode .........................................................................................................4217. AUX  .................................................................................................................4318. Camera In Operations ....................................................................................4319. Rear Source Operation...................................................................................44DVD Video in Rear ..............................................................................................44DVD Video Rear Source Control Info mode.  ......................................................44DVD Video Rear Source Control Direct mode.  ..................................................44iPod Video in Rear ..............................................................................................45iPod Video Rear Source Control Play Mode ....................................................... 45iPod Video Rear Source ID3 Mode .....................................................................4520. Setting Operation ............................................................................................ 46General Setup Menu ...........................................................................................46Video Setup Menu ..............................................................................................46Audio Setup Menu ..............................................................................................47Navigation Setup Menu ......................................................................................47Others Setup Menu ............................................................................................. 47Set the Anti-Theft code ....................................................................................... 4821. TROUBLESHOOTING .....................................................................................49GENERAL ............................................................................................................49DVD PLAYER ......................................................................................................49USB DEVICE .......................................................................................................50Bluetooth ............................................................................................................50TFT screen ..........................................................................................................5122. ERROR DISPLAY.............................................................................................52DVD PLAYER ......................................................................................................5223. SPECIFICATIONS ............................................................................................ 5324. WIRE CONNECTION GUIDE ...........................................................................55
3NX404EnglishEnglish Owner’s ManualEnglish Owner’s Manual1. FEATURESExpanding SystemsNOTE:The items listed outside the frames are the commercial products generally sold. flac Compatible with ID3-TAG Display   Built-in Parrot Bluetooth® Handsfree (HFP) and Audio Streaming (A2DP &    AVRCP) Front-Panel Auxiliary Input and 2ch RCA Output with Subwoofer Control    iPodExpanding visual featuresRear monitor Rear Vision CameraExpanding audio featuresExternal Power AmplieriPhoneUSBMemoryBluetoothTelephone
4NX404EnglishEnglish Owner’s ManualEnglish Owner’s Manual2. PRECAUTIONS• Foryoursafety,thedrivershouldnotwatchanyvideosourcesand/oroperatethecontrolswhiledriving.Please note that watching and operating any video sources while driving are prohibited by law in some countries.Also,whiledriving,keepthevolumetoalevelatwhichexternalsoundscanbeheard.•Donotdisassembleormodifythisunit.Itmaycauseanaccident,re,orelectricshock.•Donotusethisunitwhenatroubleexists,suchasnoscreencontentappearsornosoundisaudible.Itmaycauseanaccident,re,orelectricshock.Forthatcase,consultyourauthorizeddealer or a nearest Clarion service center.•Incaseofaproblem,suchasanymaterialhasbeenenteredintheunit,theunitgetswet,orsmokeorstrangesmellscomeoutoftheunit,etc.,stopusingthisunitimmediately,andconsultyourauthorizeddealeroranearestClarionservicecenter. Usingitinthatconditionmaycauseanaccident,re,orelectricshock.•Useafusewiththesamespecicationonlywhenreplacingthefuse. Using a fuse with a different specification may causes a fire.•Fortheinstallationofthisunitorachangeintheinstallation,askyourauthorizeddealeroranearest Clarion service center for safety. Professional skills and experiences are required to do so.•Whenusingthenavigationsystem,followtheprecautionslistedbelow.Afterreadingthismanual,be sure to keep it in a handy place.•Thisnavigationsystemshouldnotbeusedtoreplaceyourownjudgment.Noitinerarysuggestedbythisnavigationsystemshouldeveroverrideanyhighwayregulations,yourownjudgment,oraknowledge of safe driving practices. Do not follow the navigation system’s suggested itinerary if it wouldcauseyoutoperformadangerousorillegalact,placeyouinadangeroussituation,ortakeyou into an area you consider unsafe.•Theadviceprovidedbythenavigationsystemistoberegardedasasuggestiononly.Theremaybetimeswhenthenavigationsystemdisplaysthevehicle’slocationincorrectly,failstosuggesttheshortestroute,orfailstodirectyoutoyourdesireddestination.Insuchinstances,relyonyourowndrivingjudgment,takingintoaccountthedrivingconditionsatthetime.•Donotusethenavigationsystemtolocateemergencyservices.Thedatabasedoesnotcontainacompletelistingofemergencyservicessuchaspolicestations,rehalls,hospitalsandwalk-inclinics. Please show discretion and ask for directions in such instances.•Asthedriver,youaloneareresponsibleforyourdrivingsafety.•Inordertoavoidatrafcaccident,donotoperatethesystemwhiledriving.•Inordertoavoidatrafcaccident,operatethesystemonlywhenthevehicleisstoppedatasafeplace and the parking brake is on.•Inordertoavoidatrafcaccidentortrafcoffense,rememberthatactualroadconditionsandtraffic regulations take precedence over the information contained on the navigation system.•Thesoftwaremaycontaininaccurateorincompleteinformationduetothepassageoftime,changingcircumstances,andthesourcesofinformationused.Pleaserespectcurrenttrafcconditions and regulations at all times while driving.•Whereactualroadconditionsandhighwayregulationsdifferfromtheinformationcontainedonthenavigationsystem,abidebythehighwayregulations.•Keeptheamountoftimespentviewingthescreenwhiledrivingtoastrictminimum.WARNING
5NX404EnglishEnglish Owner’s ManualEnglish Owner’s Manual•Thenavigationsystemdoesnotprovide,norrepresentinanywayinformationon:trafcandhighwayregulations;technicalaspectsofthevehicleincludingweight,height,width,loadandspeedlimits;roadconditionsincludinggrade,percentageofinclineandsurfaceconditions;obstacles such as the height and width of bridges and tunnels; and other current driving or road conditions.Alwaysrelyonyourownjudgmentwhendrivingacar,takingintoaccountcurrentdriving conditions.
6NX404EnglishEnglish Owner’s ManualEnglish Owner’s Manual1.When the inside of the car is very cold and the player is used soon after switching on the heater, moisture may form on the disc (DVD/ CD) or the optical parts of the player and proper playback may not be possible. If moisture forms on the disc (DVD/CD), wipe it o with a soft cloth. If moisture forms on the optical parts of the player, do not use the player for about one hour. The condensation will disappear naturally allowing normal operation.2.Driving on extremely bumpy roads which cause severe vibration may cause the sound to skip.3.This unit uses a precision mechanism. Even in the event that trouble arises, never open the case, disassemble the unit, or lubricate the rotating parts.NX404
7NX404EnglishEnglish Owner’s ManualEnglish Owner’s Manual3. CAUTIONS ON HANDLINGOperation Panel•Theoperationpanelwilloperateproperlyinatemperature range of 0˚ to 60˚ C.•Donotallowanyliquidsonthesetfromdrinks,umbrellasetc.Doingsomaydamagethe internal circuitry.•Donotdisassembleormodifythesetinanyway. Doing so may result in damage.•Subjectingtheoperationpaneltoshocksmayresultinbreakage,deformationorotherdamage.•Donotletcigarettesburnthedisplay.•Ifaproblemshouldoccur,havethesetinspected at your store of purchase.•Theremotecontrolunitmaynotworkiftheremote control sensor is exposed to direct sunlight.*Remote control unit is sold separately.•Inextremelycoldweather,thedisplaymovement may slow down and the display maydarken,butthisisnotamalfunction.The display will work normally when the temperature increases.•Smallblackandshinyspotsinsidetheliquidcrystal panel are normal for LCD products.For a longer service life, be sure to read the following cautions.Cleaning• Cleaningthecabinet Useasoft,dryclothandgentlywipeoffthedirt.Fortoughdirt,applysomeneutraldetergentdilutedinwatertoasoftcloth,wipeoffthedirtgently,thenwipeagainwithadrycloth.  Donotusebenzene,thinner,carcleaner,etc.,as these substances may damage the cabinet orcausethepainttopeel.Also,leavingrubberor plastic products in contact with the cabinet for long periods of time may cause stains.• Cleaningtheliquidcrystalpanel Theliquidcrystalpaneltendstocollectdust,so wipe it off occasionally with a soft cloth. Thesurfaceiseasilyscratched,sodonotrubit with hard objects.USB Port•TheUSBmemorystickmaystickoutwheninserted,soitmaycausedangerduringdriving.Insuchcases,youcanuseacommercialUSBextensioncable,etc.,butuse it safely under your own judgement.•TheUSBmemorysticksmustberecognizedas “USB mass storage class” to work properly. Some models may not operate correctly.   When the memorized data is lost or damaged by any chance, Clarion shall not be liable for any damage. WhenusinganUSBmemorystick,werecommend that you backup your data stored on it before by using a personal computer etc.•DatalesmaybebrokenwhenusingUSBmemorysticksinthefollowingsituation: When disconnecting the USB memory stick or turning the power off during writing or reading data. When affected by static electricity or electric noise. Connect/disconnect the USB memory stick when it is not accessed.•SomeUSBmemorystickscannotbeinsertedto the main unit because of their shape. In suchcases,useacommercialUSBextensioncable to connect them.•Connectingwiththecomputerisnotcovered.•Musicles(MP3,WMA,etc.)storedintheUSB memory stick can be played back.
8NX404EnglishEnglish Owner’s ManualEnglish Owner’s ManualHandling DiscsHandling•Newdiscsmayhavesomeroughnessaroundtheedges.Ifsuchdiscsareused,the player may not work or the sound may skip. Use a ball-point pen or the like to remove any roughness from the edge of the disc.Ball-point pen Roughness  Never stick labels on the surface of the disc or mark the surface with a pencil or pen.•Neverplayadiscwithanycellophanetape or other glue on it or with peeling off marks.Ifyoutrytoplaysuchadisc,youmay not be able to get it back out of the DVD player or it may damage the DVD player.•Donotusediscsthathavelargescratches,aremisshapen,cracked,etc. Use of such discs may cause missoperation or damage.•Toremoveadiscfromitsstoragecase,press down on the center of the case andliftthediscout,holdingitcarefullyby the  edges.•Donotusecommerciallyavailablediscprotection sheets or discs equipped with stabilizers,etc.Thesemaydamagethedisc or cause breakdown of the internal mechanism.Storage•Donotexposediscstodirectsunlightorany heat source.•Donotexposediscstoexcesshumidityor dust.•Donotexposediscstodirectheatfromheaters.Cleaning•Toremovengermarksanddust,usea soft cloth and wipe in a straight line from the center of the disc to the circumference.•Donotuseanysolvents,suchascommerciallyavailablecleaners,anti-staticspray,orthinnertocleandiscs.•Afterusingspecialdisccleaner,letthedisc dry off well before playing it.On Discs•Exerciseagoodprecautionwhenloadinga disc. The operation panel will close automatically when leaving it open for a while.•Neverturnoffthepowerandremovetheunit from the car with a disc loaded.CAUTIONFor your safety, the driver should not insert or eject a disc, opening the operation panel while driving.
9NX404EnglishEnglish Owner’s ManualEnglish Owner’s Manual•This product incorporates copyright protection technology that is protected by U.S. patents and other intellectual property rights. Use of this copyrightprotectiontechnologymustbeauthorizedbyRoviCorporation,andisintendedforhomeandother limited viewing uses only unless otherwise authorizedbyRoviCorporation. Reverse engineering or disassembly is prohibited.Use of this product by the customer is restricted to play program materials to which the Rovi copyright protection process has been applied.•Manufactured under license from Dolby Laboratories.“Dolby”,“ProLogic”andthedouble-Dsymbol are trademarks of Dolby Laboratories.•"MadeforiPod,"and"MadeforiPhone"meanthat an electronic accessory has been designed to connectspecicallytoiPod,oriPhone,respectively,and has been certified by the developer to meet Apple performance standards. Apple is not responsible for the operation of this device or its compliance with safety and regulatory standards. Please note that the use of this accessory with iPod or iPhone may affect wireless performance. iPhone andiPodaretrademarksofAppleInc.,registeredinthe U.S. and other countries. •The Bluetooth® word mark and logos are owned by the Bluetooth®SIG,Inc.AndanyuseofsuchmarksbyClarionCo.,Ltd.isunderlicense.Othertrademarks and trade names are those of their respective owners. • DivX®,DivXCertied® and associated logos are trademarks of Rovi Corporation or its subsidiaries and are used under license. DivX Certified® to play DivX®video,includingpremium content. Covered by one or more ofthefollowingU.S.patents:7,295,673;7,460,668;7,515,710;7,519,274 ABOUTDivXVIDEO:DivX® is a digital video formatcreatedbyDivX,LLC,asubsidiaryofRovi Corporation.  This is an official DivX Certified® device that has passed rigorous testing to verify that it plays DivX video. Visit divx.com for more information and software tools to convert your files into DivX videos. ABOUTDivXVIDEO-ON-DEMAND:ThisDivXCertified® device must be registered in order to play purchased DivX Video-on-Demand (VOD) movies To obtain your registration code,locatetheDivXVODsectioninyourdevice setup menu. Go to vod.divx.com for more information on how to complete your registration.About the registered marks, etc.
10 NX404EnglishEnglish Owner’s ManualEnglish Owner’s Manual4.Operational PanelFunctions of Buttons[Microphone][MENU][NAVI/AV][IR][Cover][AUX IN][REST][micro SD slot][POWER/VOL][Disc slot][   ][POWER/VOL] Knob• Press this button to turn on the power. • When the power is already on, it moves to the Navigation mode. If Navigation mode is displayed, it moves to the Navigation menu.• Keep pressing this button more than 2 second to turn off the power.• Turn this button to left or right to decrease or increase the volume of the system.[NAVI/AV] Button• Press this button to display NAVI, press again to return current source.• Press and hold this button for 2 seconds to display the Dimmer setting menu.[] Eject• Press to eject disc from unit.[MENU] Button• Press this button to display main menu; press again to return current source. • Press and hold this button for 2 seconds to turn off the monitor. Press any place of the screen to turn on the monitor again.[RESET] Button•  Press this button to hardware reset the unit.Note: When the [RESET] button is pressed, frequencies of radio stations, titles, etc. stored in memory are cleared.[micro SD slot ]Insert a micro SD Card for MAP here. The micro SD card for MAP is sold separately.Note: The micro SD card is only for navigation. Please don’t insert micro SD card for other purpose. After insertion of micro SD card for MAP, don’t remove it; otherwise, the navigation function will be disabled.[AUX IN] AUX 1 Connector.[Microphone] This is used for Bluetooth phone.[IR] SENSOR•Receiver for the remote control unit (operating range: 30 degree ins all directions).*Remote control unit is sold separately.
11NX404EnglishEnglish Owner’s ManualEnglish Owner’s Manual5. REMOTE CONTROLReplacing the batteries 1.Press the retention tab and pull out the     battery tray and remove the old battery. 2. Insert the new CR2025 battery and slide      the battery tray back in the remote control       the same direction that you removed it.    Please ensure the tray is inserted in the     correct direction.Note:Using batteries improperly can cause them to explode.  Take note of the following points:• When replacing batteries, replace both batteries with new ones.• Do not short-circuit, disassemble or heat batteries.• Do not dispose of batteries into re or ames.• Dispose of spent batteries properly.Signal transmitterOperating range : 30°in all  directions[   /   ][ 0-9 ][SRCH][BACK][  ,  ,  ,   ][TITLE][   ], [   ][ZOOM][MUTE][AUDIO][POWER / SRC][VOLUME][SEL][PIC][TAG][RPT][   ], [   ][SUB.T][OPEN][ANGLE][NAV/ AV][MENU][BAND][ROOT][ENT]Lithium batteries containPerchlorateDispose of discharged batteries properly.WARNING*Remote control unit is sold separately.
12 NX404EnglishEnglish Owner’s ManualEnglish Owner’s Manual[   /   ] Button• Press this button to play or pause video and audio media.• Press this button more than 1 second to stop video and audio media. [MUTE] Button• Mute or Unmute the speaker.• The symbol   on upper right area of the screen indicates that speaker is muted. [POWER/SRC] Button• Press this button to move the focus to next available source item on main menu.• Press this button to power on when the unit is power off.• Press this button more than 1 second to power off when the unit is power on. [0 - 9] Buttons• Use in the Key Pad screen to select the radio.• Use to select the track in the track list screen.• Press to enter DVD video chapters/titles in the Key  Pad screen. [VOLUME] Buttons• Increase and decrease volume. [NAVI/AV] Button• Press this button to switch between current source and current position on navigation map. [SRCH] Button• Press this button to open chapter or title search window while playing DVD. [BAND] button• Switch to next band alternately. [SET] Button• Press this button to open the Audio setting menu in any mode. [BACK] Button• Press this button to quit main menu if current screen is main menu. [   ], [   ], [   ], [   ] Buttons•  Press this button for cursor movement in main menu or Setting mode.• From the main menu, you can select your desired source or change your settings. [MENU] Button• Press this button to enter the MAIN MENU or return current resource. [PIC] Button• Press and hold this button to change your monitor Dimmer. [ENT] Button• Press to x the entered data in the Key Pad screen or enter the item the cursor is on. [TAG] Button•The button is not effective. [TITLE] Button• Press to go to the title menu on the DVD. [ROOT] Button• Press to go to the root menu on the DVD. [RPT] Button• Press to perform chapter repeat / title repeat / repeat off while playing DVD mode.• Press to perform track repeat/repeat off while playing CD.• Press to perform repeat track /repeat folder/ repeat off while playing MP3/WMA, or video les on disc.• Press to perform repeat track /repeat folder/ repeat off while playing MP3/WMA, or video les in USB memory. [   ], [   ] Buttons• Press to seek the next available higher or lower station in Tuner mode. • Press to select the next higher or lower chapter number in DVD video mode.• Press to select the next higher or lower track in DVD Audio, USB Video, USB Audio mode.• Press for movement of background source in Navigation mode. [   ], [   ]Buttons• Press to manually select the next higher or lower station in Tuner modes.• Press to perform fast-forward or fast-backward searching. Press again to change the speed to 2x, 4x, 8x or 16x.Functions of Remote Control ButtonsYou can use the remote control unit to control the NX403A.*Remote control unit is sold separately.Note:• The wireless remote control operation may not be optimal in direct sunlight.
13NX404EnglishEnglish Owner’s ManualEnglish Owner’s Manual• Press for movement of background source in Navigation mode. [ZOOM] Button• Press to turn on and zoom in while playing DVD. You can zoom in up to 3x. (No all DVD disc supports this function). [AUDIO] Button• Press to switch the AUDIO channel of the disc while playing DVD. [SUB-T] Button• Press to switch next available subtitle while playing DVD.• Press to display Video menu in iPod mode.  [ANGLE] Button• Press to switch the different ANGLE while playing DVD. (No all DVD disc supports this function)• Press to display Audio menu in iPod mode. [OPEN] Button•  The button is not effective.
14 NX404EnglishEnglish Owner’s ManualEnglish Owner’s Manual6. MAIN MENU  1 - Tuner---Press the button to display the Tuner mode.  2 - Pandora---Press the button to display the Pandora mode.  3 - Bluetooth Audio--- Press the button to display the Bluetooth Audio mode.  4 - Disc Audio---Press the button to display the Disc Audio mode.  5 - USB Audio---Press the button to display the USB Audio mode.  6 - iPod Audio---Press the button to display the iPod Audio mode.  7 - HDMI---Press the button to display the HDMI mode.  8 - Camera---Press the button to display the Camera mode.  9 - AUX1 ---Press the button to display the AUX1 mode.10 - Disc Video---Press the button to display the Disc Video mode.11 - USB Video---Press the button to display the USB Video mode.12 - iPod Video---Press the button to display the iPod Video mode.13 - Navigation---Press the button to display the Navigation mode.14 - Telephone--- Press the button to display the Telephone mode.15 - AUX2 ---Press the button to display the AUX2 mode.16 - Setting Button---Press the button to display the Setting menu.17 - Audio off---Press the button to make audio source voice off.18 - Rear---Press the button to display the Rear mode.Scrolling the menuPress screen and scrolling to right or left it will switch to next or previous page of main menu.Moving the menu position1. Press any quadrate icon on main menu more than 2 seconds,theiconwilloatonmainmenu.2.Scrollingtheoatingicontoanypositionyouwant.1741016285113961213 14 1517 18
15NX404EnglishEnglish Owner’s ManualEnglish Owner’s Manual7. DVD Video Player Operations Playable discsThis DVD video player can play the following discs.Playable discsCD TEXTDVD video discs Audio CDPlayablemedialesMP3/WMA/AAC DivXAbout CD Extra discA CD Extra disc is a disc in which a total of two sessions have been recorded. The rst session is Audio session and the second session is Data session.Your personally-created CDs with more than second data sessions recorded cannot be played on this DVD video player.Note:•WhenyouplayaCDExtradisc,onlytherstsessionwillberecognized.About playing a CD-R/CD-RW disc (MP3, WMA)This player can play CD-R/CD-RW discs previously recorded in music CD format (MP3, WMA).About playing a DVD-R/RW or DVD+R/RW discMP3/WMA les recorded on DVD-R/ RW and DVD+R/RW discs can be played.Discs that cannot be played backThis DVD video player cannot play back DVD-Audio, DVD-RAM, Photo CDs, etc.Note:• It may also not be possible to play back CDs recorded on a CD-R unit and CD-RW unit. (Cause:disccharacteristics,cracks,dust/dirt,dust/dirtonplayer’slens,etc.)•If a CD-R or CD-RW disc that has not been nalizedisplayed,itwilltakealongtimetostartplaying.Also,itmaynotbepossibletoplay depending on its recording conditions.•You cannot play SuperAudio CD Playback of the CD player is not supported even if it is a hybrid disc.About MP3/WMA playbackThis unit can play back CD-R/CD-RW, DVD-R/ RW and DVD+R/RW discs on which MP3/WMA music data have been recorded.For a detailed information, see the section entitled “Listening to compressed audio”.Note on region numbersThe DVD video system assigns a region number to DVD video players and DVD discs by sales area. DVD video players sold in Asia can play back DVD discs with the region number “ALL”, “3” or any combination of numbers that also incorporate a “3”.The DVD video region number is marked on the disc jacket as shown below.3ALL134AsiaDiscsMP4
16 NX404EnglishEnglish Owner’s ManualEnglish Owner’s ManualChange DVD System SettingsNote:  If the setup operation is performed in the middle of DVD video play, the disc will restart from the beginning.Selecting DVD Setup Menu1. Press the [Settings] button on the Main Menu to access the Video setup menu.2. Press [Video] button. The video menu is displayed.Setting up the Screen SizePress the [DVD Wide Screen Mode] button to turn on or turn off the DVD wide screen mode. The factory default setting is “off”Note: Not all DVD disc support this function.Setting up the password for parental level controlThe factory default pass code is “0000”.1.In Main Menu press [Settings] button. Press [Others] button on the display. Touch the [Set Password] ---- and a numerical key pad will appear.Input a new password and come again. The password is set.Note:  When a disc with view restrictions is inserted, you will be prompted to input this password. The disc will not be viewable until the correct password is entered.Set rating for parental level control1.Select Others screen while in Setting mode. Press [Parental Control] button. Press the desired rating for level control. Use this table to set the parental level.Kid Safe Kid SafeG General AudiencesPG Parental Guidance SuggestedPG-13 Parents Strongly CautionedPG-R Parental Guidance RestrictedR RestrictedNC-17 No One 17 And Under AdmittedAdult Only Adult •  The contents that the parental level restricts vary with the country code.Note: The rating can be selected only under the password unlocked status, and the limits can be set only under the password locked status.Watching to a disc1. To load a disc: Insert the disc into the center of the insertion slot the label side facing up. CAUTIONFor your safety, the driver should not insert or eject a disc, opening the operation panel while driving.Note:• Never insert foreign objects into the disc insertion slot.• If the disc is not inserted easily, there may be another disc in the mechanism or the unit may require service.• 8cm (single play) discs cannot be used.2. Disc starts playing automatically. WARNINGSome videos may be recorded at higher than desired volume levels. Increase the volume gradually from the minimal setting after the video has started.Ejecting a disc1. To eject a disc press eject [ ] button. The play mode then switches to the Tuner mode.  If the disc is left in the ejected position for 10 seconds, the disc is automatically reloaded. In this case, the play mode will remain in the Tuner mode.Note: If you force a disc into before auto reloading, it may damage a disc.Change DVD System Settings
17NX404EnglishEnglish Owner’s ManualEnglish Owner’s ManualShowing DVD Player mode screen-After disc is loaded, the play mode is automatically engaged.Touch any place of the screen to display DVD Video menu touch the screen again to return the playback screen. The display will return to the playback screen, if you do not touch the screen for 10 seconds.  1 - Option Button  2 - Show Cursor keys Button  3 - Previous Chapter /Fast Backward Button  4 - Play/Pause Button  5 -  Next Chapter /Fast Forward Button  6 - Elapsed playing time  7 - Seek bar  8 - Total time  9 - Menu List Button10 - System time11 - Bluetooth status12 - DVD playback info13 - Shortcut Button14 - Repeat Switching Button15 - Audio Channel switching Button16 - Subtitle switching Button17 - Info Button18 - Direct chapter or title searching ButtonOperate the DVD Player menuYou can select the button items displayed in the DVD menu by directly touching it.Play/Pause Playback1. Touch [  ] button to pause during playback.2. Touch [] button again to resume playback.Skip (Search) a Chapter1. Press [ ] or [ ] button during playback.Chapters are skipped down or up from current locations, as many times as the button is pressed, and playback starts.Skip use seek barPress the triangle [ ] on seek bar and drag it to any position where you want to start playback.Fast Forward/Fast Backward1. Press [ ] or [ ] button and hold 2 seconds to start fast backward or fast forward during playback. The playback speed starts at 2x, then will increase to 4x, 8x, and 16x. Release the button will continue playing with normal speed.Note:• No audio is reproduced during fast forward and fast backward operation.• The fast forward and fast backward speed may differ depending on the disc.Search functionYou can locate the beginning of a scene using the chapter numbers or title numbers recorded on the DVD Video disc.1. Showing the DVD Video menu, touch [] button. The Key Pad screen appears with the chapter/Title number input mode. Touching [] button turns the Key Pad to the chapter number input mode. Touching [] button turns the Key Pad to the title number input mode. • TitleA large segment to divide the data area of the disc.• ChapterA small segment to divide the data area of the disc.2. Input the number of the title/chapter that you want to play with the [0] to [9] key.3. Touch the [] button.Change DVD System Settings1314 15 16 17 181011121 2 3 5 67 8 94
18 NX404EnglishEnglish Owner’s ManualEnglish Owner’s ManualPlayback starts from the scene of the input title number or chapter number.NOTE:*If the input title/chapter number does not exist or searching with a title/chapter number is not allowed, the screen image will not change.4. Touch [] button to close the key pad.Repeat PlaybackThis operation plays back chapters recorded on the DVD-Video repeatedly.1. Showing the DVD Video menu, touch [] button.2. Touch [] key once for Repeat Chapter, again for Repeat Title.3. Press [] button again to turn off the repeat playback.Using the Title MenuOn DVD discs containing two or more titles, you can select from the title menu for playback.1. Showing the DVD Video menu, touch [ ] button during playback.*  Depending on the disc, the title menu may not be called.2. Touch the title menu screen. And touch the Show Cursor keys Button.3. Select the items in the title menu screen by   directional buttons.*  Depending on the disc, items may not be selected with the directional buttons.4. Touch [] button to x on the selected item.5. Touch [] button.Switching AudioOn discs in which two or more audios or audio languages have been recorded, you can switch among the audio languages during playback.1. Showing the DVD Video menu, touch [] button during playback.•  Each time you touch the button, you can switch among audio languages.•  It may take time to switch among audios.  Depending on the disc, up to 8 kinds of audios may be recorded. For details, see the mark of the disc:  (Indicates that 8 audios have been recorded).  When the power is turned on and when the disc is changed to a new one, the language set as the factory default is selected. If that language has not been recorded on disc the language is specied on the disc.  Depending on the disc, switching may be completely impossible or impossible on some scenes.Switching SubtitlesOn DVD discs in with two or more subtitle languages have been recorded, you can switch among the subtitle languages during playback.1. Showing the DVD Video menu, touch [] button to select a subtitle during playback. Each time you touch the key, you can switch among subtitles.•  It may take time to switch among subtitles.  Depending on the disc, up to 32 kinds of subtitles may be recorded. For details, see the mark of the disc: ( Indicates that 8 kinds of subtitles have been recorded).  Depending on the disc, switching may be completely impossible or impossible on some scenes.2. To turn off subtitles, repeat touching [] button until subtitles are turned off.Displaying the playback statusTouch [ ] button on DVD Player mode screen, Playback status is displayed on screen.Play MP4/DivX video filesThis system can play video les (AVI/MP4, etc.) stored on disc.Note: DivX Certied® to play DivX® video, including premium content.Showing video files Player mode screen1. After disc with video les is loaded, touch [Disc Video] button on MAIN MENU to show video les player mode screen.2. Touch the screen of the playing video le to display Video les player menu touch the screen again to return the playback screen. The display will return to the playback screen, if you do not touch the screen for 10 seconds.1234 5 6789
19NX404EnglishEnglish Owner’s ManualEnglish Owner’s Manual  1 - Option Button  2 - Previous Track /Fast Backward Button  3 - Play/Pause Button  4 - Next Track/Fast Forward Button  5 - Elapsed playing time /Seek bar  6 - List Mode Button  7 - System time  8 - Bluetooth status  9 - Playback info10 - Shortcut Button 11 - Repeat Button12 - Audio Button 13 - Subtitle ButtonOperate the Video files Player menuYou can select the button items displayed in the Video les player menu by directly touching it.Play/Pause Playback1. Touch [ ] button to pause during playback.2. Touch [ ] button again to resume playback.Switch to Previous/next file1. Press [ ] or [ ] button during playback to play previous /next le Skip using seek barPress the triangle on seek bar and drag it to any position where you want to start playback.Fast Forward /Fast Backward1. Press [ ] or [ ] button and hold 2 seconds to start fast backward or fast forward during playback. The playback speed starts at 2x, then will increase to 4x, 8x, and 16x. Release the button will continue playback with normal speed.Note:*No audio is reproduced during fast forward and fast backward operation.*The fast forward and fast backward speed may differ depending on the disc.Repeat PlaybackThis operation plays back video les recorded on the disc repeatedly. The repeat set as the factory default is Repeat all.1. Showing the video les player menu, touch [] button.2. Touch [] button once for Repeat Track, again for Repeat Folder.3.Press [] button again for Repeat All.Switching AudioSome video les will have two or more audio channels; you can switch among the audio channels during playback.1. Touch [] button during playback.•  Each time you touch the button, you can switch among audio languages.•  It may take time to switch among audios.Depending on the disc, switching may be impossible.Switching SubtitlesSome video les will have two or more subtitles have been recorded; you can switch among these subtitles during playback.1. Touch the [] button to select a subtitle during playback.•  Each time you touch the key, you can switch among subtitles.•  It may take time to switch among subtitles.Depending on the disc, switching may be impossible.Video files listShowing the Video les player menu; touch the  [] button to display video les list screen.Video les list operations is almost same as Disc Audio player mode. Please refer to CD Player Operations.Play DivX Video-On-Demand file You must complete a one-time registration process in order to play a purchased DivX movie on your DivX device.Registration is not needed to play free DivX movies you create or download.Get DivX Registration Code and Register your device1. Press the [Settings] button on the Main Menu to access [General] setup menu.2. Press [General] setup button, and press [DISPLAY] key on the right side of “DivX® Registration”. You will nd “10 digit DivX registration code on the screen.11 12 1310
20 NX404EnglishEnglish Owner’s ManualEnglish Owner’s Manual3. Enter this code in DivX Player to create a “Registration video” disc on your PC.Once this “Registration video” disc has played on this device, registration is done, and you can enjoy some purchased DivX movies on your device.For detail please visit “http://www.divx.com/vod” 4. Press [OK] to close the pop-up window.Note:   After you register your device, this setting menu is changed to “DivX® Deregistration”Deregister your device    Even after you have nished registration, you can deregister your device if you will not watch purchased movies on this device anymore.1. Press the [Settings] button on the Main Menu to access [General] setup menu.2. Press [General] setup button, and press [SET] key on the right side of “DivX® Deregistration”. You will be asked if you want to deregister this device, then press [YES] in the pop-up screen.3. Note 10 digit “Deregistration code” in the pop-up screen. Keep this code until you deregister this device on your PC. 4. Deregister this device by using the “Deregistration code” on your PC.For detail please visit “http://www/divx.com/vod”Playable disc video files   This system can play video les stored on disc.*.avi les•  format: Divx 4/5/6•  Picture size: 720 x 480 •  Audio format: MP3       •  Audio sampling frequency: 32/44.1/48 KHz*.mp4 les:•  format: MPEG4 Visual Simple @L1•  Picture size: 720 x 480•  Audio format: AAC•  Audio sampling frequency: 32/44.1/48 KHz*.mpg les       •  format: MPEG2•  Picture size: 720 x 480•  Audio format: MP3 •  Audio sampling frequency: 32/44.1/48 KHz   *.divx les•  format: Divx 3.11/4/5/6 •  Picture size: 720 x 480•  Audio format: MP3•  Audio sampling frequency: 32/44.1/48 KHz
21NX404EnglishEnglish Owner’s ManualEnglish Owner’s ManualListening to a disc/Ejecting a discPlease refer to Disc Video Player Operations -watching to a disc and Ejecting a disc.Showing CD Player mode screen1. After disc is loaded, the play mode is automatically engaged.2. If disc have been loaded you can touch [Disc Audio] button on main menu to display CD player mode screen.  1 - Option Button  2 - Elapsed playing time indicator  3 - Rotation effect  4 - Page Turning  5 - System time  6 - Bluetooth status  7 - Repeat Button   8 - Previous Track /Fast Backward Button  9 - Shortcut Button.10 - Play/Pause Button 11 - Next Track/Fast Forward Button12 - Shufe Button 13 - Direct Searching Button14 - Scan Start/Stop Button15 - Rotation Effect On/Off Button16 - Song Title17 - Artist/album Information18 - Close option menu ButtonOperate the CD Player menuYou can select the button items displayed in the CD player menu by directly touching it in list.Play/Pause Playback1. Touch [ ] button to pause during playback.2. Touch [] button again to resume playback.Switch to Previous/next file or trackPress [ ] or [ ] button during playback to play previous /next le.•  Pressing [] button starts playback from the beginning of the next track.•  Pressing [] button starts playback from the beginning of the current track. When this button is pressed again within 5 seconds, playback starts from the beginning of previous track.Fast Forward /Fast Backward1. Press [ ] or [ ] button and hold more than 2 seconds to start fast backward or fast forward during playback. The playback speed starts at 2x, then will increase to 4x, 8x, and 16x. Release the button will continue playback with normal speed.Note:* No audio is reproduced during fast forward and fast backward operation.* The fast forward and fast backward speed may differ depending on the disc.Repeat Playback* The repeat set as the factory default is Repeat All.    Touch [] button switch between Repeat Folder Repeat All and Repeat Track.Shuffle Playback1. Touch [ ] button to shufe the tracks during playback.2. Touch this button again to turn off the feature.Selecting a track on the Track List ScreenThis function allows you to select tracks from a displayed list.1. Touch the track title on the display list. The selected track will start playing.2. When the desired track is not displayed, press and ick the track list up or down.3. Touch the desired track title key. The corresponding track is started playback.8.  CD749101211314153211171861685
22 NX404EnglishEnglish Owner’s ManualEnglish Owner’s ManualScanning the Tracks1. Touch [ ] button to show [Scan  ] button.2. Touch [Scan  ] button during playback.•  It will play from next track, and each track will display for 10 seconds.•  The [Scan  ] button will switch to [Scan  ]button.3. Touch [Scan  ] button.•  It will continue playback from current track.•  [Scan  ] button will switch to [Scan  ] button.*  The function will scan all tracks orderly in current folder once. After Scan stopped playback will continue.Searching with the Track NumberThis operation allows searching using the track numbers recorded on the CDs.1. Touch [] Button to show [ ] button.2. Touch [] button .The numerical keypad will appear on the screen and touch [ ] button.3. Input the track number that you want to play back with [0] to [9] key and touch [OK] key.Playback starts from the track of the input track number.•  If the input track number does not exist or searching with track number is not allowed, the screen image will not change.•  Touch the [] button will close the numerical keypad.•  Touch [] Button will close the option window and display playback screen.Rotation Effect On/OffThis operation allows turn on/turn off rotation effect.The factory default is On.1. Touch [] Button to show [Rotation effect] button2. Press button [] will turn on the Rotation effect.3. Press button [] will turn off the Rotation effect.Listening to compressed audioThis system can play audio les stored on disc.MP3/ WMA/ AACTag display functionThis unit is an ID3 Tag compatible model.This unit supports the ID3 TAGs of the Version 2.4, 2.3, 1.1 and 1.0.In displaying, this unit gives priority to the Version 2.3 and 2.4 TAGs.Note:• Some CDs recorded on CD-R/RW mode may not be usable.Displaying  MP3/WMA/AAC TAG titlesTag information can be displayed for compressed audio le containing Tag information.  MP3: title, artist, album  WMA: title, artist  AAC: can not display tag information. Precautions when creating MP3 disc•  File extensions1. Always add a le extension “.MP3” or “.mp3” to an MP3 le, and “.WMA” or “.wma” to a WMA and “.m4a” to a AAC le by using single byte letters. If you add a le extension other than specied or forget to add these le extension, the le cannot be played. In addition, if you use upper case and lower case letters (capital and small letters) mixed for le extensions, normal play may not be possible.2. Files other than MP3/WMA/AAC data cannot be played.  Playing les with a format not supported will be skipped, and the scan, random and repeat playback mode may be canceled.•  File and Disc Not SupportedFiles and discs with following extensions are not supported: *.AAC, *.DLF, *.M3U, *.PLS, *.MP3 PRO les, les with DRM, open session discs.•  Logical format (File system)1. When writing an MP3/WMA/AAC le on a disc, please select “ISO9660 level 1 or level 2 (without including expansion format)” as the writing software format. Normal playback may not be possible if the disc is recorded on another format.2. The folder name and le name can be displayed as the title during MP3/WMA/AAC play .•  Entering File and Folder NamesNames using the code list characters are the only le names and folder names that can be entered and displayed. Using any other character will cause the le and folder names to be displayed incorrectly.•  Folder structure1. A disc with a folder having more than 8 hierarchical levels will conict with the ISO9660 and playback will be impossible.•  Number of les or folders1. The maximum allowable number of folders is 200 (including root directory); the maximum allowable number of les is 1500 (max. 200 per folder). This represents the maximum number of tracks that can be played back.
23NX404EnglishEnglish Owner’s ManualEnglish Owner’s Manual2. Tracks are played in the order that they were recorded onto a disc. (Tracks might not always be played in the order displayed on the PC).•  Some noise may occur depending on the type of encoder software used while recording.•  In case of a track recorded at VBR (variable bit rate), the display for the play time of the track may be slightly different from the actual play time. Also, the recommended value of VBR ranges from 32 kbps to 320 kbps.•  After disc selection, the play mode is automatically engaged.Playback MP3/WMA/AAC menu1. Repeat PlaybackWhile playing MP3/WMA/AAC touch   button can switch between Repeat Folder,  Repeat All and Repeat Track, Repeat Folder and Repeat All.2.Current Folder• Showing title of current folder.• The number on the folder symbol is the number of les and folders number in current folder.• Touch the title of current folder, play list will show les and folders in upper folder.*Other operations about playing MP3/WMA/AAC are almost same as CD Player mode.Stop Playback1. Touch [   ] button to stop playback.2. Touch [   ] button again to resume playback.Playback resumes from start of the folder which playing track is in.•Other operations about playing MP3/WMA/AAC are almost same as CD Player mode.12
24 NX404EnglishEnglish Owner’s ManualEnglish Owner’s ManualThis system can play audio les (MP3/WMA/AAC/FLAC) stored in an USB memory which is recognized as “USB Mass Storage Class device”. You can use your USB memory as an audio device by simply copying desired audio les into it.Note: • This system will not operate or may operate improperly with some USB memory.• Files protected with any DRM cannot be played.Notes on using USB memoriesGeneral notes•  When no support les, the le list display nothing.Notes on the Audio les•  This system can play the MP3/WMA/AAC/FLAC les stored in the USB memory.MP3 les:•  format: MPEG1/2 Audio layer3•  bit rate: 8k ~ 320kbps•  sampling frequency: 8/12/16/24/32/44.1/48KHz       •  le extension: . mp3WMA les:•  format: Windows media Audio standard L3 prole•  bit rate: 32 ~ 192KHz•  sampling frequency: 32/44.1/48 KHz•  le extension: .wmaAAC les       •  format: Advanced Audio Coding LC-AAC,HE-AAC      •  sampling frequency: 32/44.1/48 KHz•  le extension: . m4aFLAC les•  format: Free Lossless Audio Codec •  quantization bit rate: 16 or 24 bits•  sampling frequency: 44.1~192 KHz•  le extension: . acNotes on the folder structure•  The folder hierarchy must be within 8 hierarchical levels. Otherwise, playback may be impossible.•  The maximum allowable number of folders is 65535 (including root directory and folders with no MP3 les, WMA AAC/FLAC le).•  The maximum allowable number of les in a folder is 65535.•  You can store the MP3 les, WMA AAC/FLAC together in a folder.•  The system may become slow if the les or folders exceed the limitation above.Notes on the Tag titlesThe limitations on the Tag titles are same as those in DVD Audio Player mode.Select USB Audio modeConnect your USB memory with MP3 les, WMA AAC/FLAC les to the USB connector. The system will automatically detect the connected device, and the [USB Audio] button on main menu will be enabled. •  When an USB memory is already connectedTouch [USB Audio] button to select the USB Audio mode.The system changes to the USB Audio mode and starts playback from the previous position or from the beginning.Note:If you reconnect the same device that you disconnected last, the system will play back where it left off.  1. Option Button  2. Play/Pause Button  3. Previous Track /Fast Backward Button  4. Next Track/Fast Forward Button  5. Repeat Button  6. Shufe Button  7. MP3 les, WMA les in list  8. Folders in list  9. Page Turning 9. USB Audio Operations 18191415648231591011121316177
25NX404EnglishEnglish Owner’s ManualEnglish Owner’s Manual10. System time11. Bluetooth status12. Mute status13. Playback status info14. Album Art15. Shortcut Button16. Current ID3 info area17. Elapsed playing time indicator/Seek bar18. Direct Button19. Scan Button Playing Audio files in USB memoryPlay/Pause Playback1. Touch [ ] button to pause during playback.2. Touch [] button again to resume playback.Switch to Previous/next filePress [ ] or [ ] button during playback to play previous /next le.•  Pressing [] button starts playback from the beginning of the next track.•  Pressing [] button starts playback from the beginning of the current track; when this button is pressed again within about 5 seconds, playback starts from the beginning of previous track.Fast Forward /Fast Backward  Press [ ] or [ ] button and hold more than 2 seconds to start fast backward or fast forward during playback. The playback speed starts at 2x, then will increase to 4x, 8x, and 16x .Release the button will continue playback with normal speed.Note:*No audio is reproduced during fast forward and fast backward operation.*The fast forward and fast backward speed may differ depending on the audio les.Repeat Playback* The repeat set as the factory default is Repeat All.Touch the [] button once for Repeat Track, again for Repeat Folder, Repeat All.Shuffle Playback1. Touch [ ] button to shufe the tracks in playing folder during playback.2. Touch this button again to turn off the feature.Album Art workIf current audio le contains album art image in ID3, the picture will be displayed in this area.ID3 info areaThis area display ID3 info of playing le: song title, artist information, album information, number of current le/total number in current folder, elapsed playing time/total time of current le.Skip use seek barPress   on seek bar and drag it to any position where you want to start playback.Select a folder on display listTouch the folder title on the display list, the display list will display les and folders in selected folder.Selecting a track on the display List This function allows you to select tracks from a displayed list.1. Touch the track title on the display list. The selected track will start playing.2. When the desired track is not displayed, press and ick the track list up or down.3. Touch the desired track title key. The corresponding track is started playback.Scanning the Tracks1. Touch [ ] Button to show [Scan  ] button.2. Touch [Scan  ] button during playback.•  It will play from next track, and each track will display for 10s seconds.•  The [Scan  ] button will switch to [Scan  ] button.3. Touch [Scan  ] button.•  It will continue playback from current track.•  [Scan  ] button will switch to [Scan  ] button.*  The function will scan all tracks orderly in current folder once .After Scan stopped playback will continue.Searching with the Track NumberThis operation allows searching using the track numbers in playing folder.1. Touch [] Button to show [ ] button.2. Touch [] button .The numerical keypad will appear on the screen.3. Input the track number that you want to play back with [0] to [9] key and touch [OK] key.Playback starts from the track of the input track number.•  If the input track number does not exist or searching with a track number is not allowed, the screen image will not change.•  Touch [] button will close the numerical keypad.•  Touch [] Button will close the option window and display playback screen.
26 NX404EnglishEnglish Owner’s ManualEnglish Owner’s Manual10. USB Video OperationsThis system can play USB video les (MP4, 3GP etc.) stored in an USB memory which is recognized as  “USB Mass Storage Class device”. You can use your USB memory as an audio device by simply copying desired audio les into it.Note:•  This system will not operate or may operate improperly with some USB memory.•  Files protected with any DRM cannot be played.Notes on using USB memoriesGeneral notesWhen no support les, the le list display nothing.Notes on the folder structureThe limitations on the folder structure are same as those in USB Audio Player mode.Notes on the Tag titlesThe limitations on the Tag titles are same as those in DVD Audio Player mode.Select USB Video modeConnect your USB memory with video les to the USB connector. The system will automatically detect the connected device, and the [USB Video] button on main menu will be enabled. •  When an USB memory is already connectedTouch [USB Video] button on main menu to select the USB Video mode.The system changes to the USB Video mode and starts playback from the previous position or from the beginning.Note: If you reconnect the same device that you disconnected last, the system will play back where it left off.Playing video files in USB memoryIf the video is playing, touch the screen of the playing video to display Operation buttons. *  The display will return to the playback screen, if you do not touch the screen for 10 seconds.Playable Video file*.mp4 les   • format: MPEG4 Visual                 MPEG4 AVC (H.264)   • Picture size: 1280 X 720 (MPEG4 Visual)                         1920 x 1080 (MPEG4 AVC)   • Audio format: AAC    • Audio sampling frequency: 32/44.1/48 KHz      *.m4v les   • format: MPEG4 Visual                MPEG4 AVC (H.264)   • Picture size: 720 x 480   • Audio format: AAC    • Audio sampling frequency: 32/44.1/48 KHz   *.mpg les   • format: MPEG2   • Picture size: 720 x 480    • Audio format: MP3    • Audio sampling frequency: 32/44.1/48 KHz *.3gp les   • format: MPEG4 Visual                   H.263   • Audio format: AAC, AMR    • Audio sampling frequency: 8/16/32/44.1/48 KHz    1 - Previous Track /Fast Backward Button 2 - Play/Pause Button 3 - Next Track/Fast Forward Button 4 - Elapsed playing time indicator/Seek bar 5 - Menu List 6 - Repeat Button 7 - System time 8 - Bluetooth status 9 - Playback info10 - Shortcut ButtonPlay/Pause Playback1. Touch [ ] button to Pause playback.2. Touch [] button to resume playback.Switch to Previous/next filePress [ ] or [ ] button during playback to play previous /next le.•  Pressing [] button starts playback from the beginning of the next track.•  Pressing [] button starts playback from the beginning of the current track; when this button is pressed again within about 5 seconds, playback starts from the beginning of previous track.10123498 756
27NX404EnglishEnglish Owner’s ManualEnglish Owner’s ManualRepeat Playback* The repeat set as the factory default is Repeat All.Touch the []  button once for Repeat Track, again for Repeat Folder, again for Repeat All.Skip use seek barPress the   on seek bar and drag it to any position where you want to start playback.Switch to USB Video MenuPress [ ] button playback will be paused, and the screen will switch to USB Video List.  1 - Option Button   2 - Play/Pause Button  3 - Previous Track /Fast Backward Button  4 - Next Track/Fast Forward Button   5 - Repeat Button  6 - Shufe Button   7 - Video les in list  8 - System time  9 -  Bluetooth status10 - Mute status11 - Playback status info12 - Album Art13 - Shortcut Button14 - Current le info area15 - Elapsed playing time indicator/Seek bar16 - Direct Button  17 - Scan Button Play/Pause Playback*On USB Video menu screen, playback status is pause.Touch [] button to resume playback. The screen will go to video screen automatically.Switch to Previous/next filePress [ ] or [ ] button during playback to play previous /next le.•  Pressing [] button starts playback from the beginning of the next track.•  Pressing [] button starts playback from the beginning of the current track; when this button is pressed again within about 5 seconds, playback starts from the beginning of previous track.Repeat Playback* The repeat set as the factory default is Repeat All.Touch the [] button once for Repeat Track, again for Repeat Folder, again for Repeat All.Shuffle Playback1. Touch [ ]  button to shufe the tracks in playing folder during playback.2. Touch this button again to turn off the feature.Current file info areaThis area displays info of current video le: le name, number of current le/total number in current folder, Elapsed playing time/total time of current le.Skip use seek barPress   on seek bar and drag it to any position where you want to start playback.Select a folder on display listThis operation is same as this in USB Audio mode.Selecting a track on the display List This operation is same as this in USB Audio mode.Scanning the TracksThis operation is same as this in USB Audio mode.Searching with the Track NumberThis operation is same as this in USB Audio mode.1235647211389101114151617
28 NX404EnglishEnglish Owner’s ManualEnglish Owner’s Manual11. iPod/iPhone OperationsiPod/iPhone can be connected by using the connector cable supplied with the iPod/iPhone, but in this case, you can enjoy its audio sound only. To enjoy video movies stored in the iPod/iPhone with video displaying them on this unit, it is required to use the special connector cable (CCA-748-600) separately sold.However the new products such as iPhone 5, iPod touch® (5th generation) and iPod nano® (7th generation) only can connect 10-pin cable (no video signal output),so these new products cannot displaying video in video mode.Note:• This system will not operate or may operate improperly with unsupported versions.• For detailed information on the playable iPod/iPhone models, see our home page: www.clarion.comNotes on using Apple iPod/iPhone•  Do not connect an iPod/iPhone to this unit with a headphone connected to the iPod/ iPhone.•  After the iPod/iPhone has been connected to this unit, the buttons of iPod buttons are disabled for operation in the Music mode. In the Video mode, do not operate the buttons of iPod.•  When in the iPod mode, the screen image input from the AUX terminal is output to the rear monitor.•  When no data is present, the title display will remain blank.•  Set the language setting of iPod/iPhone to English before connecting your iPod/iPhone. Some characters of the other languages may not be displayed correctly in this system.• Precautions on battery consumption:If the iPod/iPhone is connected to this unit when the internal battery of iPod/iPhone has run down, this function may not operate correctly. You must connect the iPod/iPhone after charging the battery if it has run down.iPod Audio Menu OperationsConnect your iPod/iPhone to the USB connector. The system will automatically detect the connected device and the iPod Audio button will be enabled for operation on the Main Menu screen.  The playback starts after a while, from where the iPod/iPhone has been paused.•  When iPod/iPhone is already connectedTouch the [] key on the Main Menu screen. The system changes to the iPod mode, and starts playback from the previous position.Press MENU button on Operational Panel to return to the Main Menu.iPod Audio ID3 Info  1 - Option Button   2 - Repeat Button  3 - Shufe Button  4 - Previous Track /Fast Backward Button   5 - Play/Pause Button  6 - Next Track/Fast Forward Button   7 - ID3 Information  8 - Next Page[ ] / Previous Page[ ] Button  9 - Category List10 - System Time11 - Bluetooth Status12 - Playback Status13 - Art Work14 - Shortcut Button15 - Progress bar135367211410111215498
29NX404EnglishEnglish Owner’s ManualEnglish Owner’s ManualPlay/Pause Playback1. Touch [ ] button to pause during playback.2. Touch [] button again to resume playback.Switch to Previous/next file• Press [ ] or [ ] button during playback to play previous /next le.• Pressing [] button starts playback from the beginning of the next track.•  Pressing [] button starts playback from the beginning of the current track; when this button is pressed again within about 5 seconds, playback starts from the beginning of previous track.Fast Forward /Fast BackwardPress [ ] or [ ]  button and hold more than 2 seconds to start fast backward or fast forward during playback.Note:*No audio is reproduced during fast forward and fast backward operation.*The fast forward and fast backward speed may differ depending on the audio les.Repeat Playback* depend on iPod.1. Touch the [] button once for Repeat Track, again for Repeat All. Shuffle Playback1. Touch [ ] button to shufe the tracks in playing folder during playback.2. Touch this button again to turn off the feature.Album Art work    If current audio le contains album art image in ID3, the picture will be displayed in this area.ID3 info area    This area display ID3 info of playing le: song title, artist information, album information (Genre, playlist and release time).Category List    Select different category songs to play. The category is same as the iPod/iPhone.iPod audio playlist mode screen  1 - Switch to Information Button   2 - Playing List  3 - Page Turning  4 - Back to father folder   5 - Close the list mode  6 - Search with the rst alphabet in current listiPod audio List mode screen• In the ID3 information mode screen, press the ID3 info area to switch the playing list, and in the playing list mode screen, press the button [] can back to the father folder. If the list is in root, press it can close the list.• Press the button[ ] can back to the father folder. If the list is in root, press it can close the list.• Press the button [ ] to close the List and back to the ID3 information mode.Simple Control Mode2146153
30 NX404EnglishEnglish Owner’s ManualEnglish Owner’s Manual  1 - Simple Control Button   2 - Video Mode Button• If the Simple Control is set to [] in option menu, the screen will become Simple Control Mode. It can also display the video of iPod/iPhone regardless it is iPod Audio or iPod Video mode. But only “Previous Track”、“Play/Pause” and “Next Track” can be operated.• Press []the video will play from iPod.Skipping a track (Simple Control Mode)Press the [ ] or [ ] button during playback. Tracks are skipped, as many times as the button is pressed, and playback starts.• Pressing the [] button starts playback from the          beginning of the next track.•  Pressing the [] button starts playback from the beginning of the current track.When this button is pressed again within about 5 seconds, playback starts from the beginning of the previous track.Note: In Simple Control Mode, the best way is to control the iPod just on iPod.Selecting a list item from a list screen(1). Touch the list screen and ick up or down to scroll         the list.(2). Touch a desired list item on the screen to display         the corresponding list of tracks.(3). Touch the desired track name on the list to play it.iPod Video Menu OperationsConnect your iPod/iPhone to the USB connector. The system will automatically detect the connected device and the iPod Video button will be enabled for operation on the Main Menu screen.•  When an iPod/iPhone is already connectedTouch the [] key on the Main Menu screen. The system changes to the iPod Video mode, and starts playback from the previous position.Press MENU button on Operational Panel to return to the Main Menu.•  Viewing video data in the iPod/iPhone (only for the iPod/iPhone with video features)When you connect an iPod/iPhone with video features by using the optional connector cable for iPod/iPhone with video, you can enjoy the video data and slide show data stored in the iPod/iPhone and show them on the display of this unit (and the rear monitor if connected).iPod Video ID3 mode screen  1 - Option Button   2 - Repeat Button  3 - Previous Track Button  4 - Play/Pause Button   5 - Next Track Button  6 - Playing File Title   7 - Category List   8 - Next Page[ ] / Previous Page[ ] Button21245621139101114378
31NX404EnglishEnglish Owner’s ManualEnglish Owner’s Manual  9 - System Time  10 - Bluetooth Status   11 - Playback Status  12 - Art Work   13 - Shortcut Button  14 - Progress bar Note: This icon shows only when 2-Zone on. This icon is in some screen pictures and none in other some pictures. It is better to be same setting in a manual.  (Also, Navi icon shows owned by setting. (There is no Navi icon screen in this manual))Play/Pause Playback1. Touch [ ] button to pause during playback. 2. Touch [] button again to resume playback.Switch to Previous/next file• Press [ ] or [ ] button during playback to play previous /next le.• Pressing [] button starts playback from the beginning of the next track.•  Pressing []  button starts playback from the beginning of the current track.Repeat Playback* The repeat set as the factory default is depend on iPod/iPhone.1. Touch the [] button once for Repeat One, again for Repeat All, again for Repeat Off.   Album Art work    If current audio le contains album art image in ID3, the picture will be displayed in this area.ID3 info area    The area is display the title of the playing le.Category List    Select different category songs to play. The category is same as the iPod/iPhone.iPod Video List mode screenThis operation is same as this in iPod Audio mode.iPod Video Simple Control Mode ScreenThis operation is same as this in iPod Audio mode.iPod Video play mode screen  1 - Previous Track /Fast Backward Button   2 - Play/Pause Button  3 - Next Track/Fast Forward Button   4 - Progress bar   5 - Menu List Button   6 - Repeat Button   7 - System time   8 - Bluetooth status   9 - Playback InfoPlay/Pause Playback1. Touch [ ]  button to pause during playback. 2. Touch [] button again to resume playback.Switch to Previous/next Track• Press [ ] or [ ] button during playback to play previous /next track.• Pressing [] button starts playback from the beginning of the next track.34 5217896
32 NX404EnglishEnglish Owner’s ManualEnglish Owner’s Manual•  Pressing [ ] button starts playback from the beginning of the current track; when this button is pressed again within about 5 seconds, playback starts from the beginning of previous track.beginning of the current track.Fast Forward /Fast BackwardPress [ ] or [ ] button and hold more than 2 seconds to start fast backward or fast forward during playback. Release the button will continue playback with normal speed.Note:*No audio is reproduced during fast forward and fast backward operation.*The fast forward and fast backward speed may differ depending on the audio les.Repeat Playback* The repeat set as the factory default is Repeat Off.  Touch the [] button once for Repeat One, again for Repeat All, again for Repeat Off.Note:The operation in iPod video mode are as same as iPod Audio mode. Please refer to the iPod Audio Mode operation.Note:Video playback is not available on all iPod/ iPhone devices. Please contact your Clarion dealer for details. An optional connection cable or accessory may be required for this feature.Note:• “AUDIO ONLY” is displayed when the automobile is moving.• Image data may not be played back according to the status of the iPod/iPhone• The volume setting of video data is relatively lower than audio data. Be sure to lower the volume setting before switching to the other mode.• Do not select the categories with no track registered from the iPod menu screen. The iPod/iPhone may be frozen. If the iPod/iPhone is frozen, reset the iPod/iPhone by following the procedure described in the instruction manual of the iPod/iPhone.• Audio may be played back slightly out of synchronization with video images. iPod Audio Bluetooth modeWhen your iPod/iPhone have connected via bluetooth to this unit,you can also enter iPod Audio mode.The operation is same as the normal iPod Audio mode.
33NX404EnglishEnglish Owner’s ManualEnglish Owner’s Manual12. PANDORA OPERATIONSSelecting the Pandora mode1. Turn on Pandora function of your iPod.2. Connect your iPod to the unit.3. When iPod/iPhone is already connected, touch the [Pandora] icon on the Main Menu screen. • Pandora mode ID 3 Information Screen  1 - Art Work  2 - Progress bar  3 - Settings Button  4 - Thumbs-downPress this button Thumbs-down current track and play next track.  5 - Play/Pause ButtonUse to control playback and pause.(1). Touch the key during playback. Playback pauses.(2). To resume playback touch the key again.  6 - Next track Button  7 - Thumbs-up  8 - System time  9 - List ButtonPress this button to show List Screen  10 - Current station name  11 - Current title.Touch icon to store current title to track favorites list.  12 - Current artist.Touch icon to store current artist to artist favorites list.  13 - Current album name.•Skipping a track (Pandora mode)Press [] button during playback, tracks are skipped and starts playback from the beginning of the next track.Note:  • Some track are not able to be skipped. • If skip limit has been reached(Skip 6 tracks in 1H),this fuction will not available.•Track ratingPress [ ] or [ ] button to thumbs-down or Thumbs-up current track, and the button will light.Note: •Press [ ] button will skip to next track (skip limit has not been reached).•Some track is not able to be rated (i.e. audio ads and shared station content). The thumbs buttons will disable.•BookmarkingTouch [ ] button to store current title or artist to track favorites list.Note: •Some track are not able to be bookmarked (i.e. audio ads).  In this case the bookmark buttons will disable.• Pandora mode Station List  1 - [ ]buttonPress this button to display ID 3 Information Screen.  2 - [ ]buttonPress this button to sort the list by rst letter,press again to sort the list by date.  3 - Station list,touch to select station play.When the desired station is not displayed, press and ick the station list up or down.• Pandora mode Setting screen4 5 7623111291101381231 23
34 NX404EnglishEnglish Owner’s ManualEnglish Owner’s Manual  1 - Add a new Station  2 - Select a device  3 - Close the setting screenPandora Bluetooth modeWhen your mobile phone have connected to the unit via bluetooth.You can also enter the Pandora mode.The operation is same as the normal Pandora mode.  1 - BT modeWhen connected via bluetooth.This icon will change from USB to BT1
35NX404EnglishEnglish Owner’s ManualEnglish Owner’s Manual13. Bluetooth AUDIO PLAYER OPERATIONSSome Bluetooth cellular phones have audio features, and some portable audio players support the Bluetooth feature. These devices will be called as “Bluetooth audio players” in this manual. This system can play audio data stored in a Bluetooth audio player.Note: • This system will not operate or may operate improperly with some Bluetooth audio players.• For detailed information on the playable Bluetooth audio players, see our home page: www.clarion.comSelecting the Bluetooth Audio mode1. Touch the [Bluetooth Audio] key to select the Bluetooth Audio mode. The system changes to the Bluetooth mode. If the connection with a Bluetooth audio player has been already established, you may select the Music function.2. Press MENU button on Operational Panel to return to the Main Menu.•  When the connection with blue icon a Bluetooth audio player has been established, the  [] icon is displayed at the top of the screen.Bluetooth audio player settingsYou can conrm various information concerning about the Bluetooth Interface features.1. Touch the [] button to display the information on the screen.2. When you nish conrming the Bluetooth information, touch the [] button to return to the previous screen.If you want to change the Pin Code setting of this unit, perform the following steps.•  The factory default setting is “1234”.3. Touch the text box of the Pin Code item to display the Ten-Key Pad screen.4. Enter your desired 4-digit PIN number, and then touch the [] key.Note:This model is not supported External MIC.T2 sample is ENABLED. .Registering your Bluetooth audio player (Pairing)You can register up to 5 Bluetooth audio players.1. Turn on the power of the Bluetooth audio player you wish to register.2. Touch the Device key [] to display the Device Select screen.3. Touch the [ ] button to display the Inquiring Device screen.
36 NX404EnglishEnglish Owner’s ManualEnglish Owner’s Manual4. Touch your desired Device and press [] button to register for the Bluetooth audio player.Then select an image of this device.And select a type of this device.When the pairing operation completes, the registered Bluetooth audio player is set as the current device, after selecting the favorite icon, the display return to the device list screen. Press [] button, the display will return to the Bluetooth audio mode screen.• To delete the Bluetooth audio player registration1. Touch the [ ] button to delete the device.A conrmation screen is displayed.2. Touch the [ ] button to conrm delete.Selecting the Bluetooth audio playerTo change the current Bluetooth audio player to the other device which is already registered, perform the following operation.1. Touch the Device key to [] display the Device Select screen.2. Touch the currently connected device, then press the [] button to disconnect the active device.3. Touch the desired Device key you wish to use. Press [] button to select it as your active device. The corresponding cellular phone is set as current telephone.4. Touch the []  button to return to the previous screen.Controlling the Bluetooth audio playerNote:• Occasionally, depending on the environment, playback sounds may be fragmented, or switch noises may be generated.Playing a musicAfter the connection with a Bluetooth audio player is established, the play mode is automatically engaged.•  When playback is not started for some devices, touch the [] button manually.Pausing playback1. Touch the [ ] button during playback.Playback pauses.2. To resume playback, touch the [ ] key. Playback resumes.Skipping a track (searching)3. Press the [ ] or [ ] button during playback.Stopping playback4. Press the [ ] button during playback.Tracks are stopped, press the [] button to playback the rst Track.Show track list5. Press the [ ] button to show the current track list.Press the [] button to show all of the lists.And you can playback any tracks by touch the items in the list.
37NX404EnglishEnglish Owner’s ManualEnglish Owner’s ManualWhen the connection with your Bluetooth cellular phone is established, the following functions are available on this unit:•  Listening to your telephone calls on the car speakers.•  Answering to an incoming call.•  Making a call using the Ten-Key pad screen.•  Making a call using the Phone Book data in the selected cellular phone.•  Making a call using the History data of the dialed/received calls.Note:• Some cellular phones may not be able to transfer the Phone Book data to head unit.• The Phone Book data transmission may take a long time. The operations of sending calls are disabled during the data transmission.Select the BT Phone mode1. Touch the [Bluetooth Telephone] key to select the Bluetooth Telephone mode. The Telephone screen is displayed.2. Press MENU button on Operational Panel to return to the Main Menu. •  When no Bluetooth Telephone connected, the icon  [] is displayed at the top of the screen.•  When the connection with a Bluetooth Telephone has been established, the icon [] and signal level indicator are displayed at the top of the screen.Bluetooth Telephone settingsYou can conrm various information concerning about the Bluetooth Interface features.1. Touch the [] button to display the information on the screen.2. Perform setting for the desired item. See the following sections for detail.3. When you nish conrming the Bluetooth information, touch the [] key to return to the previous screen.Setting Automatic ConnectionThe system automatically reconnects the cellular phone after the connection is lost or the system is restarted.•  The factory default setting is “ON”. Touch the  [] or [ ] button of the Automatic Connection item to set the function ON or OFF.Setting Automatic AnswerIf a call comes in, answer automatically after 5 seconds. •  The factory default setting is “OFF”. Touch the  [] or [ ] button of the Automatic Answer item to set the function ON or OFF.Setting Microphone Gain You can adjust the input level of the microphone in 16 levels.•  Touch the level indicator button of the Microphone Gain item to adjust the input level.Note:• The input level of the microphone can be affected by its surroundings. Adjust the level if the person on the other end of the telephone has a reception problem.14. Bluetooth TELEPHONE OPERATIONS
38 NX404EnglishEnglish Owner’s ManualEnglish Owner’s ManualRegistering your cellular phone (Pairing)You can register up to 3 cellular phones. The registering method is as same as  “Registering your Bluetooth audio player”.1. Turn on the power of the cellular phone you wish to register.2. Touch the Device key [] to display the Device Select screen.3. Touch the [ ] key to display the Inquiring Device screen.4. Touch your desired Cellular key to select the key for the cellular phone to be registered, and press[] button to register for the Bluetooth cellular phone.•  You cannot select the Cellular button of which another cellular phone is already registered. Select a blank Cellular button.5.  If entering the Pass Key code is prompted on your cellular phone, enter the Pass Key code set in this unit.•  You can change the Pass key setting of this unit from the Bluetooth Info screen under the Telephone Settings screen.  When the pairing operation completes, the registered cellular phone is set as the current telephone, and the display returns to the Telephone screen.•  To delete the cellular phone registration1. Touch the [ ] key to delete the device. A conrmation screen is displayed.2. Touch the [ ] key to conrm delete.Select the cellular phoneTo change the current cellular phone to the other device which is already registered, perform the following operation.1. Touch the [] key to display the Device Select screen.2. Touch the currently connected device, then press  [] key to disconnect the active device.3. Touch the desired Device key you wish to use. Press [] key to select it as your active device. The corresponding cellular phone is set as the current telephone.•  If the power of the cellular phone is not turned on, turn it on.•  The cellular phone may prompt to acknowledge the Bluetooth connection or to enter the Pass Key code of this unit. Perform these operations according to the message displayed.4. Touch the [] key to return to the previous screen.Obtaining the Phone Book dataSending the Phone Book data from the cellular phone enables you to make a call using the Phone Book function from this unit.Telephone operationsMaking a call using the Ten-Key pad1. Touch the [ ] key to display the Ten-Key pad screen.2. Enter the telephone number by using the Ten-Key pad displayed on the screen.
39NX404EnglishEnglish Owner’s ManualEnglish Owner’s Manual3. Touch the [ ] (Send) key to call the entered number.•  The following Telephone Interrupt screen is displayed during phone call.•  Touch the [ ] key to talk by using the cellular phone and canceling the hands-free function (Private Mode). To return to the hands-free mode, touch the [] key again.•  Touch the [] key to mute the microphone. Now you can hear the other side, but the other side cannot hear your side.•  Touch the [] key to hold the current phone call, now you can answer to the other incoming call. Touch again to talk with previous call    If during a call with a third-party call, you can keep the current call to answer a third party or hang up the current call to answer a third party. You can also ignore the third-party calls.      4. When the call is nished, touch [ ] key to hang up. Note:• Depending on some special cellular phone, the Telephone Interrupt screen may be closed and the connection with this system may be disconnected when entering the Private mode.Making a call using the Phone BookYou can use the Phone Book data obtained from the cellular phone to make a call from this unit.Note:• Before using this function, the Phone Book data must be sent from the cellular phone.• Only the Phone Book items with at least one telephone number registered in the captured Phone Book data are displayed on the Phone Book screen.1. Touch the [] key to display the Phone Book screen.2. Touch the desired Name key you wish to dial.•  Flick the list up and down to scroll the list.3. Touch the [] key to call the specied number. The Telephone Interrupt screen is displayed, and calling starts.•  When the call is nished, touch the [] key to hang up.Making a call using the HistoryThe system will memorize the Dialed/Received calls record data in the memory. You can conrm it and use it to make a call from this unit.1. Touch the [] key. The History List screen is displayed.•  The items are sorted by Dialed, Missed and Received calls.•  Flick the list up and down to scroll the list.2. Touch the desired History item key you wish to dial.3. Touch the [] key to call the specied number. The Telephone Interrupt screen is displayed, and calling starts.•  When the call is nished, touch the [] key to hang up.Answering to an incoming callWhen a call comes in, the following Telephone Interrupt screen appears.You can answer to the incoming call on this system by the following operation.1. Touch the [] key to answer the call.2. When the call is nished, touch the [] key to hang up.
40 NX404EnglishEnglish Owner’s ManualEnglish Owner’s Manual15. Tuner OperationsListening to the Tuner1.  Touch the Tuner button on the Main menu display. The tuner mode screen is displayed.2.  Press the [FM1/FM2/FM3/AM] button to select the radio band. Each time the button is pressed, the radio reception band changes in the following order: FM1->FM2->FM3->AM -> FM1...  1. Preset Scan Button  2. Seek Down  3. Seek Up  4. Step Down  5. Step Up  6. Frequencies Display  7. System time  8. Bluetooth status  9. Preset List10. DX/Local Display 11. Band Button12. Shortcut Button13. Option ButtonSeek Tuning1. Press the [FM1/2/3/AM] button to select the radio band (FM or AM).2. Touch the [] or [ ] button • When Press the [] button, the station is searched in the direction of higher frequency.•  When Press the [] button, the station is searched in the direction of lower frequency.Step Tuning1. Press the [FM1/2/3/AM] button to select the radio band (FM or AM).2. Touch the [] or [ ] button in frequency menu to tune up or down by one step.Recalling a preset station1. Press the [FM1/2/3/AM] button to select the desire band (FM or AM) on the tuner.2. Press the preset station (1 to 6) on Preset List.Manual memory1. Touch the desired Band key to select the band you wish to store.2. Tune to a station you want to store using the seek tuning, step tuning, or preset tuning.3. Touch and hold the desired Preset key you want to store for about 2 seconds.Auto StoreThe Auto Store is a function for storing up to 6 stations that are automatically searched in sequentially. If the number of receivable stations cannot reach to 6, the previous stored station remains.1. Touch the [FM1/2/3/AM] button to select the desired band. (FM or AM)2. Press the [] button, and then press the [ ] button to start the Auto Store.A beep sounds and the stations with good reception are stored automatically to the preset list.Notes:1. After auto store, the previous stored stations will be overwritten.2. The unit has 4 bands, but FM3 and AM can store by AS function.Preset ScanThe Preset Scan receives the stations stored in the preset memory in order. This function is useful when searching for the desired station in memory.1. Touch the [FM1/2/3/AM] Button to select the desired band. (FM or AM)2. Touch the [] button to start the Preset Scan.The unit starts scanning each station for 10 seconds sequentially. But the station stored is not a valid station; the scanning time is only 2 seconds.3. When the desired station is tuned in, touch the  [] button again to stay in that station.DX/Local SettingThe DX / Local setting changes the tuner sensitivity in order to separate closely spaced stations. This feature is useful in areas that have many radio stations in close proximity.11312711 891023465
41NX404EnglishEnglish Owner’s ManualEnglish Owner’s ManualSwitching to HDMI mode Note:Make sure your mobile phone has installed the SkyMirror app. Before using the HDMI function,you should connect your mobile phone to the unit via BT.Then connect your mobile phone to the HDMI via USB.Touch the HDMI button on the Main menu display. The HDMI mode screen is displayed.If it is new mobile phone, our system will inform mobile phone APP enter calibration mode automatically. If the user delete the phone in the list, we should also delete the mac address, which means this phone is new one again.Select a device for HDMI connectSetting screenpush [Not Connect],select a device to connnect.Connected device nameSelect HDMI source When a device is connected for the rst time.The calibration will show up automatically.Note:During the calibration,the buttons on the mobile phone can not work.Calibration time is set to 30 seconds.When time is out,the buttons on the mobile phone will be useful again.HDMI for iPhone16. HDMI Operation
42 NX404EnglishEnglish Owner’s ManualEnglish Owner’s ManualHDMI for Android(No HID profile)HDMI for Android(HID profile)Other or Any device is not connectedHDMI Mode  1 - Pad move ButtonPress this button to switch the operation pad up or down.  2 - Calibration ButtonPress this button to recalibrate the screen.  3 - Menu ButtonThis button is same as Android OS’s.  4 - Home ButtonThis button is same as Android OS’s.  5 - Back ButtonThis button is same as Android OS’s.  6 - Hide ButtonPress this button to hide the operation pad.432 651
43NX404EnglishEnglish Owner’s ManualEnglish Owner’s Manual17. AUX External peripheral devices, including a game console, camcorder, navigation unit, iPod/iPhone, etc. can be connected to the AUX connector on the front or back of this unit using the A/V media cables.Switching to AUX IN Press [AUX1] /[AUX2] button on Main Menu to select desired mode (when unit is reading). If the external device connected to AUX input have audio signal, the unit will broadcast audio of external device. Press Menu button on Operational Panel to return to the Main Menu.You cannot directly control external devices connected to AUX input.18. Camera In OperationsSwitching to Camera modePress [Camera] button on Main Menu to select desired mode.The LCD will display the external camera video. The screen will display “No Video Signal” message, if a valid camera is not connect to this head unit. Press MENU button on Operational Panel to return to the Main Menu.Note:If the reverse cable is connected correctly to the car, the head unit to go to camera mode automatically when the car is in reverses.
44 NX404EnglishEnglish Owner’s ManualEnglish Owner’s ManualIf a monitor is installed in the rear zone and connected to the rear zone AV output, passengers in the back seat can watch the DVD/iPod Video/AUX1/ AUX2 video separately from front source.   1. Press the button to access the front source.  2. Press the button to close the rear source.Multi-Zone OperationIndependent sources can be played simultaneously on the unit. For example, a FM/AM console can be playback on the front screen while DVD video is available to rear passengers. But now can’t select DVD video in front.Access Rear-Zone1. Touch the Rear button on Main Menu to access the Rear Source.2. Select a source to play.Exit Rear-ZoneTouch the 2-Zone off button to close the Rear Source. Note:1. If the source is selected as the front, the source in rear can’t be selected.2. If the source is selected as the rear, the source in front can’t be selected.3. Press the Front Button to access the main menu but not close the Rear Source.DVD Video in Rear   1 - Option Button  2 - Show Cursor keys Button  3 - Previous Chapter /Fast Backward Button  4 - Play/Pause Button  5 -  Next Chapter /Fast Forward Button  6 - Elapsed playing time  7 - Menu List Button  8 - Front/Rear buttonIf the screen displays Rear Source, press Front/Rear button to switch to Front Source.If the screen displays Front Source, Press Front/Rear button to switch to Rear Source.DVD Video Rear Source Control Info mode. PressBACKbuttontoreturn.DVD Video Rear Source Control Direct mode. NOTE: More detail please refer to DVD Video Front source. 19. Rear Source Operation1281 2 3 4 5 6 7
45NX404EnglishEnglish Owner’s ManualEnglish Owner’s ManualAUX1AUX2iPod Video in ReariPod Video Rear Source Control Play Mode  1 - Previous Track /Fast Backward Button  2 - Play/Pause Button  3 - Next Track/Fast Forward Button  4 - Progress bar  5 -  Menu List Button:Press the Menu button can display the iPod Video             Rear Source mode screen.  6 - Repeat Button:Same as iPod function of front source  7 - Front/Rear buttonIf the screen displays Rear Source, press to switch to Front Source.If the screen displays Front Source, Press to switch to Rear Source.iPod Video Rear Source ID3 ModeNOTE: If the source is selected as the front, the source in rear can’t be selected.If the source is selected as the rear, the source in front can’t be selected.Press the Front Button to access the front main menu but the rear source will keep running.1 2 3 4 5 67
46 NX404EnglishEnglish Owner’s ManualEnglish Owner’s Manual20. Setting OperationPress [ ] button on the Main menu screen.The Setting menu screen will be displayed.General Setup MenuSystem Language: Set the Language for system screen.Illumination Color: Set the illumination color on the panel.Select menu to be able to select from Shortcut menu and drag it to left side area.Time: Set system clock.24-Hour Format: Set the time display mode.Beep: Turn on or turn off the beep conrmation sound.Bluetooth: Set the Bluetooth On or Off.Wallpaper: Choose the desired wallpaper.Input Aux Sense: AUX input switch, including Low, Middle, High.DivX® Registration: Display the information about DivX® registration.Tel Speaker: Therearetwooptions,LeftandRight.Forexample,ifcurrentsettingisRight,whenBTphoneiscomingin,onlyrightspeakercanhearthephone.Pandora:Therearetwooptions,OnandOff.Camera Audio:Therearethreeoptions,Off,OnandMute.Version: Display the software version information.Note:• Time and 24-Hour Format can be adjusted when set the system time not to be synchronized with GPS local time.Video Setup Menu
47NX404EnglishEnglish Owner’s ManualEnglish Owner’s ManualThis menu includes: DVD Wide Screen Mode; Dimmer. Dimmer ModeDVD Wide Screen Mode: Set the DVD wide screen mode On or Off.Dimmer: Set Dimmer value from 0 to 20.Dimmer Mode: There are three options, Day, Night and Auto.Audio Setup MenuThis menu includes: Balance, Fader, Beat EQ, Sub Woofer Ctrl, Sub Woofer Phase, High Pass Filter Low Pass Filter, Line Out and Magna Bass EX.Balance: Choose the desired volume for left and right speaker.Fader: Choose the desired volume for front and rear speaker.Beat EQ: Choose the desired mode: Bass Boost, Impact, Excite, Custom and OFF. Subwoofer Ctrl: Choose the desired subwoofer gain from 0 to 14. Subwoofer Phase: Choose the  Subwoofer Phase normal or reverse.High Pass Filter: Choose the frequency about the high pass lter or enable. The frequencies include 60Hz, 90Hz and 120Hz.Low Pass Filter: Choose the frequency about the low pass lter or enable. The frequencies include 60Hz, 90Hz and 120Hz.Amp Cancel: Choose the amplier audio output on or off.Magna Bass EX: Choose the loudness On or Off.Note: Optional cable (sold separately) is necessary when you use Audio line out.Navigation Setup MenuThis menu includes: GPS Time, Navi Interrupt, Voice Guidance. GPS Time: Set the system time to be synchronized with GPS local time or not.Navi Interrupt: There are three choices: On/Popup/Off. “On”: The navigation screen will cover to AV screen when reaching some key point. “Popup”: When small turn info window will pop up in the top of the AV screen to indicate the key point. “Off”: Turn off this function.Voice Guidance: There are three choose: On/Mute/ Off. On: Interrupt function of voice guidance is on. While interrupting no attenuate function of AV sound.Mute: Interrupt function of voice guidance is on. While interrupting attenuate function sound is on.Off:disable the navigation voice guidance. Others Setup MenuThis menu include: Set Password; Parental Control; Audio Language; Subtitle Language; Screen Calibration and Factory Default.Set Password: Set the password for DVD parental control.Parental Control: Set the rating of the age. It contains Kid Safe/G/PG/PG- 13/PG-R/R/NC- 17/Adult.
48 NX404EnglishEnglish Owner’s ManualEnglish Owner’s ManualAudio Language: Set the Language for DVD Audio.Subtitle Language: Set the Language for DVD subtitle.Blinking LED: Set blinking LED On or Off. Screen Calibrate: The function of it is to select the TS Calibrate YES or NO.Factory Default: The function is to select to load factory default or not.Set the Anti-Theft code1. If your unit is unlocked, hold the [ ] button more than 2 seconds, then the Anti-Theft setting mode will display. Users can change anti-theft code.   Touch [YES], the numerical keypad is displayed. Enter the new password twice, then anti-theft code is set and your unit is secured.   When the Anti-theft is “On”, you need enter correct Anti-theft code to turn the unit on. If you enter wrong code three times, the unit is locked, and must be unlocked by the professionals.2.  If your unit is secured, hold the [ ] button more than 2 seconds, then the Anti-Theft setting mode will display. The numerical keypad is displayed, enter the right code to unlock.
49NX404EnglishEnglish Owner’s ManualEnglish Owner’s Manual21. TROUBLESHOOTINGGENERALDVD PLAYERProblem Cause MeasurePower does not turn on. (No sound is produced.)Fuse is blown. Replace with a fuse of the same amperage. If the fuse blows again, consult your store of purchase.Incorrect wiring. Consult your installation center.Nothing happens when buttons are pressed. Display is not accurate.The microprocessor has malfunctioned due to noise, etc.Press the reset button with a thin rod.Note:When the Reset button is pressed, turn o the ACC power. * When the Reset button is pressed, frequencies of radio stations, titles, etc. stored in memory are cleared.The remote control unit does not work.Direct rays of the sun fall on the light-receptive part of the remote control unit.When direct rays of the sun fall on the light-receptive part of the remote control unit, it may not work.The battery of the remote control unit is dead or there is no battery in the remote control unit.Check the battery of the remote control unit.Problem Cause MeasureDisc cannot be loaded. A disc is already loaded. Eject the disc before loading the new one.There is foreign matter already in the disc slot.Remove the foreign matter, or consult a service station.Sound skips or is noisy. Disc is dirty. Clean the disc with a soft cloth.Disc is heavily scratched or warped.Replace with a disc in good condition.Sound is bad directly after power is turned on.Condensation may form on the internal lens when the car is parked in a humid place.Let dry for about 1 hour with the power on.Video images are not displayed.The parking brake is not engaged.Check that the parking brake is engaged.Disc cannot play with the display “PARENTAL VIOLATION” shown.Feature exceeds set parental level.Release the view limitation or change the parental level. See the subsection “Setting up the parental level”
50 NX404EnglishEnglish Owner’s ManualEnglish Owner’s ManualUSB DEVICEProblem Cause MeasureUSB device cannot be inserted. The USB device has been inserted with wrong direction.Reversing the connection direction of the USB device, try it again.The USB connector is broken. Replace with a new USB device.USB device is not recognized. The USB device is damaged. Disconnect the USB device and reconnect. If the device is still not recognized, try replacing with a dierent USB device.Connectors are loose.No sound heard with the display “NO FILE” shown.No MP3/WMA le is stored in the USB device.Store these les properly in the USB device.Sound skips or is noisy. MP3/WMA les are not encoded properly.Use MP3/WMA les encoded properly.The video image of iPod/iPhone is disturbed.The TV Signal setting of the iPod/iPhone is not set correctly.Set the TV Signal setting (NTSC/PAL) of the iPod/iPhone correctly.BluetoothProblem Cause MeasureCannot pair the Bluetooth enable device with the car audio system.The device does not support the proles required for the system.Use another device to connect.The Bluetooth function of the device is not enabled.Refer to the user manual of the device for how to enable the function.The audio quality is poor after connection with a Bluetooth enabled device.The Bluetooth reception is poor.Move the device closer to the car audio system or remove any obstacle between the device and the system.
51NX404EnglishEnglish Owner’s ManualEnglish Owner’s ManualTFT screenProblem Cause MeasureThe image is not displayed. The parking brake is not engaged.Check that the parking brake is engaged.The display is dark. The Dimmer control is too low. Adjust the Dimmer properly.The operating condition is not good.The temperature inside the vehicle may be 0°C or lower. Set to an appropriate temperature (25°C or so) and check it again.The headlight of the vehicle is litThe display is made dark at night to prevent the glare (When the headlight of the vehicle is lit in the daytime, the display gets dark).There are red, green, and blue points in display.-------------------- This is not a failure, but a phenomenon peculiar to a liquid crystal panel (The liquid crystal panel is produced according to technology with very high precision. Note that, though there are eective pixels of 99.99% or more, pixel missing or normally lit pixels account for 0.01%).
52 NX404EnglishEnglish Owner’s ManualEnglish Owner’s Manual22. ERROR DISPLAYIf an error occurs, one of the following displays is displayed. Take the measures described below to solve the problem.DVD PLAYERDisplay Cause MeasureBAD DISC A disc is caught inside the DVD deck and is not ejected.This is a failure of DVD deck’s mechanism and consult your store of purchase.BAD DISC A disc cannot be played due to scratches, etc.Replace with a non-scratched, non-warped disc.BAD DISC A disc is loaded upside- down inside the DVD deck and does not play.Eject the disc then reload it properly.PARENTAL VIOLATION Parental level error Set the correct Parental level.Disc Region incorrect Region code error Eject the disc, and replace correct region code disc.
53NX404EnglishEnglish Owner’s ManualEnglish Owner’s Manual23. SPECIFICATIONSFM TunerFrequency Range: 87.5 MHz to 108.0 MHz Usable Sensitivity: 8 dBµV50dB Quieting Sensitivity: 14 dBµVAlternate Channel Selectivity: 70 dBStereo Separation: 25 dB (1 kHz)Frequency Response: 30 Hz to 14 kHzAM TunerFrequency Range: 531 kHz to 1,629 kHz Usable Sensitivity: 30 dBµVDVD Player SystemDigital Versatile Disc System with CDDA capableUsable discs: DVD video disc, Compact discFrequency Response: 20 Hz to 20 kHz Sound/Noise Ratio: 95 dbA (1 W Ref)Dynamic Range: 95 dB (1 kHz)Distortion: 0.05%Video system: NTSC/PALAudio/Video InputAudio input voltage: ≤ 2 VrmsVideo input voltage: 1.0 Vp-p@75Audio input sensitivity (at 2 V output)High:  325 mVrmsMid:  650 mVrmsLow:  1.3 VrmsAudio/Video outputVideo output voltage: 1.0 Vp-p @75Screen Size: 6.2” wide typePixels: 1,152,000Resolution: 800 x 480 x 3 (RGB)BluetoothSpecication: Bluetooth Ver 2.1+EDRProle:  HFP1.5(Hands Free Prole)   HSP1.0 (Headset Prole)    A2DP (Advanced Audio Distribution Prole)  AVRCP1.2,1.3,1.4 (AV Remote Control Prole)Power Class: 2USBSpecication: USB 1.1/2.0 (FS)Playable Audio format:   MP3,WMA,AAC,FLACPlayable Video format:   AVI,MP4,MPG/MPEG,3gpGeneralPower source voltage:14.4 VDC (10.8 to 15.6 V allowable) Ground: NegativeCurrent consumption: 4.0 A @1 W Auto Antenna Rated Current: 500 mA less
54 NX404EnglishEnglish Owner’s ManualEnglish Owner’s ManualNX404 dimensions:NX404 weight: 2.4 kg mm001mm871165mm172mmNote:• Specications comply with JEITA Standards.• Specications and design are subject to change without notice for further improvement.
55NX404EnglishEnglish Owner’s ManualEnglish Owner’s Manual24. WIRE CONNECTION GUIDENote:•  Before installing, be sure to disconnect the negative cable of the car battery.•  In the optional devices, the RCA cables and the Connector cables are separately-sold items.NX404CAMERA_VIDEOREAR_VIDEO_OUTREAR_RCHREAR_LCHR_AUX2_VIDEOR_AUX2_AUDIO_LCHEXT MICRedRedWhiteWhiteYellowYellowYellowCCA-750(sold separately) 4-Channel Amplifier Red Red RedWhite White WhiteWHHEL_KEY_INRCH_4.2CH_FRONTRCH_4.2CH_SUROUNDLCH_4.2CH_FRONTLCH_4.2CH_SUROUNDLCH_4.2CH_SUBWOOFER/RLRCH_4.2CH_SUBWOOFER/RRR_AUX2_AUDIO_RCHHDMI CABLEFor Rear zoneRefer to page 56
56 NX404EnglishEnglish Owner’s ManualEnglish Owner’s ManualYe llowBlackPurplePurple Bla/ckGrass-greenGrayGray Bla/ckWhiteWhite Bla/ckGreenGreen Blac/kBlue White/Orange White/RedBrownBlue+12VmainpowerGroundRear right +Rearright -Parkingbrake cordPurple Whit/eReverse gear cordFrontright +Frontright -Front left+Front left-Rear left+Rear left-Amplifierturnon cord-Illumination+12V accessoryPhone interruptAuto antennaNote:*1: Connecting the PHONE INTERRUPT terminalThe phone interrupt will mute the audio if the lead receives a negative or ground signal.
FCC NOTE:This device complies with Part 15 of the FCC Rules.  Operation is subject to the following two conditions: (1) this device may not cause harmful interference, and (2) this device must accept any interference received, including interference that may cause undesired operation. THE MANUFACTURER IS NOT RESPONSIBLE FOR ANY RADIO OR TV INTERFERENCE CAUSED BY UNAUTHORIZED MODIFICATIONS OR CHANGE TO THIS EQUIPMENT. SUCH MODIFICATIONS OR CHANGE COULD VOID AND CHANGE ANNTENA WHICH  THE MANUFACTURER PROVIDES. IT IS THE USER'S  AUTHORITY TO OPERATE THE EQUIPMENT.This equipment has been tested and found  to comply with the limits for a Class B digital device, pursuant to part 15 of the  FCC Rules. These limits are designed to provide reasonable protection against harmful  interference in a resi dential installation. This equipment generates, uses and can  radiate radio frequenc y energy and, if not installed and used in accordance with the in structions, may cause harmful interference to radio communications. However, there is no guarantee that interference will not occur in a particular insta llation. If this equipment does  cause harmful interference to radio or television reception, which can be  determined by turning the equipment off and on, the user is encouraged to try to corr ect the interference by  one or more of the following measures:-- Reorient or relocate the receiving antenna.-- Increase the separation between the equipment and receiver.-- Connect the equipment into  an outlet on a circuit different from that to which the receiver is connected.-- Consult the dealer or an experien ced radio/TV technician for help. To maintain compliance with FCC’s RF exposure guidelines, this equipment should be installed and operated with a minimum distance of 20cm between the radiator and your body.

Navigation menu