SMA Solar Technology SUNNYVIEW Ultra Low Power 802.11 b/g/n Module User Manual
SMA Solar Technology AG Ultra Low Power 802.11 b/g/n Module
User Manual

SunnyView-BA-eng-BUS121811 | Version 1.1
CA
US
Device for plant monitoring
SUNNY VIEW
User Manual
SMA America, LLC Legal Restrictions
User Manual SunnyView-BA-eng-BUS121811 3
Copyright © 2012 SMA America,LLC. All rights reserved.
No part of this document may be reproduced, stored in a retrieval system, or transmitted, in any form
or by any means, electronic, mechanical, photographic, magnetic or otherwise, without the prior
written permission of SMA America,LLC.
Neither SMA America,LLC nor SMA Solar Technology Canada Inc. makes representations, express
or implied, with respect to this documentation or any of the equipment and/or software it may
describe, including (with no limitation) any implied warranties of utility, merchantability, or fitness for
any particular purpose. All such warranties are expressly disclaimed. Neither SMA America,LLC nor
its distributors or dealers nor SMA Solar Technology Canada Inc. nor its distributors or dealers shall
be liable for any indirect, incidental, or consequential damages under any circumstances.
(The exclusion of implied warranties may not apply in all cases under some statutes, and thus the
above exclusion may not apply.)
Specifications are subject to change without notice. Every attempt has been made to make this
document complete, accurate and up-to-date. Readers are cautioned, however, that
SMAAmerica,LLC and SMA Solar Technology Canada Inc. reserve the right to make changes
without notice and shall not be responsible for any damages, including indirect, incidental or
consequential damages, caused by reliance on the material presented, including, but not limited to,
omissions, typographical errors, arithmetical errors or listing errors in the content material.
All trademarks are recognized even if these are not marked separately. Missing designations do not
mean that a product or brand is not a registered trademark.
The Bluetooth® word mark and logos are registered trademarks owned by Bluetooth SIG, Inc. and
any use of such marks by SMA America,LLC and SMA Solar Technology Canada Inc. is under
license.
SMA America, LLC
3801 N. Havana Street
Denver, CO 80239 U.S.A.
SMA Solar Technology Canada Inc.
2425 Matheson Blvd. E
8th Floor
Mississauga, ON L4W 5K5
Canada

Important Safety Instructions SMA America, LLC
4 SunnyView-BA-eng-BUS121811 User Manual
IMPORTANT SAFETY INSTRUCTIONS
SAVE THESE INSTRUCTIONS
This manual contains important instructions for the following products:
•Sunny View
This manual must be followed during installation and maintenance.
The product is designed and tested according to international safety requirements, but as with all
electrical and electronic equipment, certain precautions must be observed when installing and/or
operating the product. To reduce the risk of personal injury and to ensure the safe installation and
operation of the product, you must carefully read and follow all instructions, cautions and warnings
in this manual.
Warnings in this document
A warning describes a hazard to equipment or personnel. It calls attention to a procedure or practice,
which, if not correctly performed or adhered to, could result in damage to or destruction of part or all
of the SMA equipment and/or other equipment connected to the SMA equipment or personal injury.
Symbol Description
DANGER indicates a hazardous situation which, if not avoided, will result in
death or serious injury.
WARNING indicates a hazardous situation which, if not avoided, could result
in death or serious injury.
CAUTION indicates a hazardous situation which, if not avoided, could result
in minor or moderate injury.
NOTICE is used to address practices not related to personal injury.

SMA America, LLC General Warnings
User Manual SunnyView-BA-eng-BUS121811 5
General Warnings
General Warnings
All electrical installations must be made in accordance with the local and NationalElectrical Code®
ANSI/NFPA 70 or the Canadian Electrical Code® CSAC22.1. This document does not and is not
intended to replace any local, state, provincial, federal or national laws, regulation or codes
applicable to the installation and use of the product, including without limitation applicable
electrical safety codes. All installations must conform with the laws, regulations, codes and
standards applicable in the jurisdiction of installation. SMA assumes no responsibility for the
compliance or noncompliance with such laws or codes in connection with the installation of the
product.
The product contains no user-serviceable parts.
For all repair and maintenance, always return the unit to an authorized SMA Service Center.
Before installing or using the product, read all of the instructions, cautions, and warnings in this
manual.
General Warnings SMA America, LLC
6 SunnyView-BA-eng-BUS121811 User Manual
SMA America, LLC Table of Contents
User Manual SunnyView-BA-eng-BUS121811 7
Table of Contents
1 Information on this Manual. . . . . . . . . . . . . . . . . . . . . . . . 11
2 Safety . . . . . . . . . . . . . . . . . . . . . . . . . . . . . . . . . . . . . . . . . 14
2.1 Intended Use. . . . . . . . . . . . . . . . . . . . . . . . . . . . . . . . . . . . . . . 14
2.2 Safety Precaution . . . . . . . . . . . . . . . . . . . . . . . . . . . . . . . . . . . 14
3 Product Description . . . . . . . . . . . . . . . . . . . . . . . . . . . . . . 15
3.1 Sunny View . . . . . . . . . . . . . . . . . . . . . . . . . . . . . . . . . . . . . . . . 15
3.2 Type Label . . . . . . . . . . . . . . . . . . . . . . . . . . . . . . . . . . . . . . . . 17
4 Operation . . . . . . . . . . . . . . . . . . . . . . . . . . . . . . . . . . . . . . 18
4.1 Menu Structure . . . . . . . . . . . . . . . . . . . . . . . . . . . . . . . . . . . . . 18
4.2 Operating the Sunny View . . . . . . . . . . . . . . . . . . . . . . . . . . . . 19
5 "Home" Menu Item . . . . . . . . . . . . . . . . . . . . . . . . . . . . . . 20
5.1 Layout of the "Home" Slides . . . . . . . . . . . . . . . . . . . . . . . . . . . 20
5.2 Header Layout . . . . . . . . . . . . . . . . . . . . . . . . . . . . . . . . . . . . . 21
5.3 Plant Data . . . . . . . . . . . . . . . . . . . . . . . . . . . . . . . . . . . . . . . . . 22
5.4 Online Data . . . . . . . . . . . . . . . . . . . . . . . . . . . . . . . . . . . . . . . 23
6 "Charts" Menu Item . . . . . . . . . . . . . . . . . . . . . . . . . . . . . . 24
7 "Events" Menu Item . . . . . . . . . . . . . . . . . . . . . . . . . . . . . . 25
8 "Settings" Menu Item . . . . . . . . . . . . . . . . . . . . . . . . . . . . . 27
8.1 Adjusting the Brightness . . . . . . . . . . . . . . . . . . . . . . . . . . . . . . 27
8.2 Disabling the Display . . . . . . . . . . . . . . . . . . . . . . . . . . . . . . . . 27
8.3 Setting the Scaling of the Daily Graph . . . . . . . . . . . . . . . . . . . 27
8.4 Setting the Error Alert . . . . . . . . . . . . . . . . . . . . . . . . . . . . . . . . 28
8.5 Setting the Key Clicks . . . . . . . . . . . . . . . . . . . . . . . . . . . . . . . . 28
8.6 Identifying the Sunny View . . . . . . . . . . . . . . . . . . . . . . . . . . . . 28
8.7 Setting the Language . . . . . . . . . . . . . . . . . . . . . . . . . . . . . . . . 28
Table of Contents SMA America, LLC
8 SunnyView-BA-eng-BUS121811 User Manual
8.8 Country Settings . . . . . . . . . . . . . . . . . . . . . . . . . . . . . . . . . . . . 29
8.9 Setting the Date and Time. . . . . . . . . . . . . . . . . . . . . . . . . . . . . 29
8.10 Searching for a New Plant . . . . . . . . . . . . . . . . . . . . . . . . . . . . 30
8.11 Adding a New Device . . . . . . . . . . . . . . . . . . . . . . . . . . . . . . . 31
8.12 Replacing a Device. . . . . . . . . . . . . . . . . . . . . . . . . . . . . . . . . . 32
8.13 Changing the Device Name . . . . . . . . . . . . . . . . . . . . . . . . . . . 32
8.14 Changing the Plant Password . . . . . . . . . . . . . . . . . . . . . . . . . . 33
8.15 What to Do in Case of a Lost Plant Password . . . . . . . . . . . . . 33
8.16 Changing the Device Password . . . . . . . . . . . . . . . . . . . . . . . . 34
8.17 Displaying Connected Devices . . . . . . . . . . . . . . . . . . . . . . . . . 34
8.18 Setting up a WLAN Connection . . . . . . . . . . . . . . . . . . . . . . . . 35
8.19 Checking and Setting Up a Bluetooth Connection . . . . . . . . . . 35
8.20 Configuring Online Data . . . . . . . . . . . . . . . . . . . . . . . . . . . . . 35
8.21 Changing the Duration of the Slide Show . . . . . . . . . . . . . . . . 36
8.22 Selecting PV Visualization. . . . . . . . . . . . . . . . . . . . . . . . . . . . . 36
8.23 Activating Demo Mode. . . . . . . . . . . . . . . . . . . . . . . . . . . . . . . 36
9 Maintenance and Care . . . . . . . . . . . . . . . . . . . . . . . . . . . 37
9.1 Safely Removing the SHC Card . . . . . . . . . . . . . . . . . . . . . . . . 37
9.2 Performing an Update. . . . . . . . . . . . . . . . . . . . . . . . . . . . . . . . 37
9.3 Restoring Default Settings . . . . . . . . . . . . . . . . . . . . . . . . . . . . . 38
9.4 Generating Back-Up File. . . . . . . . . . . . . . . . . . . . . . . . . . . . . . 38
9.5 Restoring Sunny View Data from a Back-up File . . . . . . . . . . . . 39
10 Decommissioning . . . . . . . . . . . . . . . . . . . . . . . . . . . . . . . . 40
10.1 Decommissioning the Sunny View. . . . . . . . . . . . . . . . . . . . . . . 40
10.2 Disposing of the Sunny View . . . . . . . . . . . . . . . . . . . . . . . . . . 40
11 Troubleshooting . . . . . . . . . . . . . . . . . . . . . . . . . . . . . . . . . 41
12 Technical Data . . . . . . . . . . . . . . . . . . . . . . . . . . . . . . . . . . 45
SMA America, LLC Table of Contents
User Manual SunnyView-BA-eng-BUS121811 9
13 Compliance Information . . . . . . . . . . . . . . . . . . . . . . . . . . 47
14 Online services, libraries, open source licences . . . . . . . 49
15 Contact . . . . . . . . . . . . . . . . . . . . . . . . . . . . . . . . . . . . . . . . 50
Table of Contents SMA America, LLC
10 SunnyView-BA-eng-BUS121811 User Manual

SMA America, LLC 1 Information on this Manual
User Manual SunnyView-BA-eng-BUS121811 11
1 Information on this Manual
Validity
This manual is valid for the Sunny View type VIEW-10.GR1.
The type designation can be found on the type label on the back of the Sunny View.
Target Group
This manual is intended for end users.
Additional Information
Additional information is available at www.SMA-America.com:
Symbols
Title Document type
Sunny View Quick reference guide
Symbol Explanation
Indicates a hazardous situation which, if not avoided, will result in death
or serious injury.
Indicates a hazardous situation which, if not avoided, could result in death
or serious injury.
Indicates a hazardous situation which, if not avoided, could result in minor
or moderate injury.
Indicates a situation which, if not avoided, can result in property damage.
Indicates information that is important for a specific topic or objective, but
is not safety-relevant.
☐ Indicates a requirement for meeting a specific goal.
☑ Desired result
✖ A problem that might occur

1 Information on this Manual SMA America, LLC
12 SunnyView-BA-eng-BUS121811 User Manual
Typography
Nomenclature
The following nomenclature is used in this manual:
Typography Usage Example
"light" • Display messages
• Parameters
•Connections
•Slots
•Text boxes
• Enter your e-mail address
and password in the
"E-mail" and "Password"
text boxes.
bold • Elements to be selected
• Elements to be entered.
• Enable the dynamic
option.
>• Series of elements that are to be
selected on the software user
interface or display.
• Select Settings > Date.
[Button/Key]•Buttons
•Keys
• Select [Next].
Complete designation Designation in this manual
System comprised of a PV array, monitoring
devices and inverters
Plant
SMA Bluetooth® Wireless Technology Bluetooth
SMA America Production, LLC and
SMA Solar Technology Canada Inc.
SMA

SMA America, LLC 1 Information on this Manual
User Manual SunnyView-BA-eng-BUS121811 13
Abbreviations
Abbreviation Designation Explanation
NetID Network Identification Identification number for
SMA Bluetooth network
MSL Mean Sea Level -
PUK Personal Unlocking Key Code number, which enables access to
SMA devices, after the loss of the
password
PV Photovoltaics -
SDHC Secure Digital High Capacity Memory card with a storage capacity
up to 32 GB
WLAN
Wi-Fi
Wireless Local Area Network -
2 Safety SMA America, LLC
14 SunnyView-BA-eng-BUS121811 User Manual
2Safety
2.1 Intended Use
The Sunny View is a communication device that receives, displays and stores data from
SMA inverters.
The Sunny View is only suitable for indoor use.
The Sunny View may only be used with original accessories produced by SMA or accessories
recommended by SMA.
The data collected by Sunny View on the amount of power generated by your plant may deviate from
the electricity meter data.
• The Sunny View data cannot be used for billing purposes.
The Sunny View may only be used in accordance with the enclosed documentation. Any other use
can result in personal injury or property damage.
• The Sunny View is only to be operated using the supplied plug-in power supply and in the
voltage range intended for this (see Section 12 "Technical Data", page 45).
The enclosed documentation is an integral part of this product.
• Read and follow the documentation for the proper and optimum use of the Sunny View.
• Keep the documentation (quick reference guide and user manual CD) in a convenient place for
future reference.
RF Exposure
This equipment should be installed and operated with a minimum distance of 8 in. (20 cm) between
the radiator and your body. No individual shall be nearer than 2.5 cm to the device for a period of
6 minutes at any time.
2.2 Safety Precaution
Preventing unauthorized access
Plants are delivered with "0000" as the default password. In other words, unauthorized users can
gain access to the data of the plant.
• Change the default plant password (see Section 8.14).

SMA America, LLC 3 Product Description
User Manual SunnyView-BA-eng-BUS121811 15
3 Product Description
3.1 Sunny View
The Sunny View is a communication device that receives, displays and stores data from
SMA inverters. The Sunny View displays plant data in the form of slides on the display.
The Sunny View can be connected to the Internet via a WLAN. If there is a connection to the Internet,
the Sunny View can display data from Facebook and Twitter, as well as newsfeeds.
Figure 1: Sunny View design
The display is used to control the device and display information.
The Sunny view and the inverters communicate via Bluetooth.
The Sunny View saves plant data in its internal memory. If an SDHC card is available, the plant data
can be transferred to it.
Position Description
A Tabletop stand
BDisplay
C Grid connection
DSDHC card slot

3 Product Description SMA America, LLC
16 SunnyView-BA-eng-BUS121811 User Manual
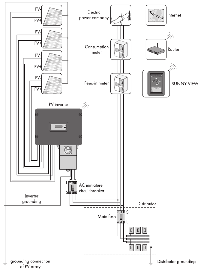
Figure 2: Illustration of a plant with Sunny View (example)
SMA America, LLC 3 Product Description
User Manual SunnyView-BA-eng-BUS121811 17
3.2 Type Label
You can identify the Sunny View by the type label. The type label can be found on the rear of the
Sunny View. If the Sunny View is positioned on the tabletop stand, you must remove it from the
tabletop stand to see the type label.
The information on the type label is intended to help you use the Sunny View in a safe manner and
receive better customer support from the SMA Service Line. The type label must be permanently
affixed to the Sunny View. You can find the following information on the type label:
•Type designation
•Serial number
• WLAN MAC address
• Operating temperature

4 Operation SMA America, LLC
18 SunnyView-BA-eng-BUS121811 User Manual
4Operation
4.1 Menu Structure
The menu consists of several menu items. Using the menu items, you can control the slides displayed
and configure the Sunny View settings.
You can call up the menu using .
Home
Charts
Events
Settings General Display Brightness
Display activity
Scaling of day charts
Sounds Error alert
Key clicks
Information Serial number
Firmware version
Hardware
Bluetooth version
WLAN Mac ID
Date & time Automatic
24-hour format
Time zone
Date
Time
International Language
Country
Slide Show Slide duration
PV visualization
Online data Newsfeed
Facebook
Twitter
Weather
Wireless Bluetooth Connection quality
NetID
Refresh after
Wi-Fi networks Refresh after
Other networks
PV plant New search Plant search
Device search
Information
Plant password
Service Update
Factory settings

SMA America, LLC 4 Operation
User Manual SunnyView-BA-eng-BUS121811 19
4.2 Operating the Sunny View
Touch the display with your finger or the supplied touch-screen stylus pen to navigate the Sunny View
and to enter information.
Back-up file Generating Back-Up File
Restore back-up file
Sharp or pointed objects can damage the display
• Use your finger or the touch-screen stylus pen to control the Sunny View.
Symbol Name Description
Button To activate a button, simply tap it once.
Menu Tap this button to access the menu.
Back Tap this button to go back to the previous menu.
Text box To enter numbers or text, tap the text box. A keyboard
will appear on the display.
Drop-down list Simply tap drop-down lists once to open up lists.
List Lists are marked by a bar on the right-hand side of the
display. You can scroll through lists by sliding your finger
up or down to any position on the display.
Option To enable an option, simply tap it. Enabled options are
colored. Only one option may be enabled at any one
time.
Checkbox You can enable or disable a checkbox by tapping it.
Enabled checkboxes are colored.
Slider You can move the slider by dragging your finger to the
left or right.
Info icon Press this icon to display additional information.

5 "Home" Menu Item SMA America, LLC
20 SunnyView-BA-eng-BUS121811 User Manual
5 "Home" Menu Item
5.1 Layout of the "Home" Slides
The slides in the "Home" menu item display the status of the plant and the plant data. If there is a
connection to the Internet, the "Home" slides display online data from the Internet. The slides in the
slide-show change automatically after a preset display time (see Section 8.21). You can scroll
through the "Home" slides manually by dragging your finger from the left or right.
You can call up the "Home" slides using >Home.
Figure 3: Layout of the "Home" slides
Position Description
AHeader
BPlant Data
COnline Data

SMA America, LLC 5 "Home" Menu Item
User Manual SunnyView-BA-eng-BUS121811 21
5.2 Header Layout
The header of the "Home" slides is located in the top section of the display.
Figure 4: Header Layout
Position Description Description
A Name Name of the slide
B Date and time Current date and time
C WLAN Quality of the WLAN connection
DBluetooth signal
strength
Quality of the Bluetooth connection
E Menu Tap this button to access the menu.
FEvent symbolIf there is an unread event, the symbol for the relevant
event is displayed (see Section 7 ""Events" Menu
Item", page 25). If there are several unread events, the
symbol for the most serious event is displayed.
Tip: tap the symbol to access the "Events" view.

5 "Home" Menu Item SMA America, LLC
22 SunnyView-BA-eng-BUS121811 User Manual
5.3 Plant Data
Plant data is divided into multiple slides. You can scroll through the slides by dragging your finger
from the left or right. The slides change automatically after a preset time. You can change the preset
time (see Section 8.21 "Changing the Duration of the Slide Show", page 36).
You can enable or disable the slides under settings (see Section 8.22 "Selecting PV
Visualization", page 36).
Slides
Description Description
Overview This slide provides an overview of the entire yield of your plant.
Power and energy This slide shows the current power, the daily power and the total
energy yield of the plant.
Power chart This diagram shows the daily power of the plant.
Yield estimate This slide shows the total and daily revenue for grid feed-in.
CO2 avoidance This slide shows the daily and overall amount of CO2 saved.
Saved kilometers/miles This slide shows the daily and overall number of kilometers/miles
saved.
Errors and warnings This slide appears automatically when an error or warning occurs.
An alarm sounds only when an error event occurs and the inverter
stops feeding power to the grid (see Section 8.4 "Setting the Error
Alert", page 28).
Press the [Close] button to acknowledge the event. Press the
[Details] button to access the event list (see Section 7). If not
acknowledged, the alarm will sound again after a preset interval.
Weather If meteorological data is available from the Internet, this slide
shows the following meteorological data for the preset location:
• Current weather
• Forecast for the next three days
SMA America, LLC 5 "Home" Menu Item
User Manual SunnyView-BA-eng-BUS121811 23
5.4 Online Data
Requirement for displaying online data:
☐ An Internet connection must be established (see Section 8.18 "Setting up a WLAN
Connection", page 35).
The online data changes after a set interval. To scroll through the data, drag your finger from the left
or right. By tapping the online data you can zoom to a full-screen view. Tap the [Close] button to
minimize the view.
The following types of online data are available:
• Facebook
• Twitter
• Newsfeed
The Sunny View will display the last 10 messages of the last 7 days. Control elements within the
messages (e.g. hyperlinks) will not function. The displays can be enabled or disabled individually
(see Section 8.20 "Configuring Online Data", page 35).
You cannot send data via the Internet using the Sunny View.

6 "Charts" Menu Item SMA America, LLC
24 SunnyView-BA-eng-BUS121811 User Manual
6 "Charts" Menu Item
The "Charts" menu item presents the yield of the entire plant or an individual inverter depending on
the selected time period.
You can call up the "Charts" menu item using >Charts> My plant.
You can scroll through the daily, monthly and annual charts by dragging your finger from the left or
right.
Figure 5: Chart layout
Position Description
A Button for displaying the daily yield
B Button for displaying the monthly yield
C Button for displaying the annual yield
D Button for displaying the total yield
EDiagram
FCurrent power
G Daily, monthly, annual or total yield

SMA America, LLC 7 "Events" Menu Item
User Manual SunnyView-BA-eng-BUS121811 25
7 "Events" Menu Item
The "Events" menu item shows all error messages, warnings and information.
You can call up the "Events" menu item using >Events.
Figure 6: Layout of an event message
Position Description
A Checkbox for displaying information
B Checkbox for displaying warnings
C Checkbox for displaying errors
D Buttons for selecting the time frame
EList of events

7 "Events" Menu Item SMA America, LLC
26 SunnyView-BA-eng-BUS121811 User Manual
Types of Event:
Sunny View displays symbols to indicate the three types of event.
Symbols and Meaning of Event Types
• Incoming: the event is occurring
• In progress: the event has existed for some time and could not yet be automatically remedied.
• Outgoing: the event has come to an end.
Type of event Description
Error The inverter is not working properly and is not feeding power to the grid.
• Open the event details for more information.
• Contact your installer and inform him about the event message and
the serial number of the inverter in which the event occurred.
Warning The inverter is not working properly, but is still feeding power to the grid.
The warning symbol is displayed if, for example, there is a frequent grid
overvoltage.
Information Settings have been configured on the inverter (e.g., parameters have been
changed).
Symbol Description
Error in progress
Incoming error
Outgoing error
Warning in progress
Incoming warning
Outgoing warning
Information in progress
Incoming information
Outgoing information

SMA America, LLC 8 "Settings" Menu Item
User Manual SunnyView-BA-eng-BUS121811 27
8 "Settings" Menu Item
8.1 Adjusting the Brightness
The display may be too bright or too dark depending on lighting conditions. If this is the case, you
can adjust the brightness of the Sunny View.
1. Select > Settings > General > Display.
2. Drag the brightness slider to the right or left to adjust the brightness to the preferred level.
8.2 Disabling the Display
You can disable the display or configure the settings in such a way that it disables automatically after
a preset time. When disabled, the display is switched off. This means the Sunny View requires less
electric current.
1. Select > Settings > General > Display.
2. Set the desired time period for disconnection.
3. If you would like to disconnect after a preset time:
• Enable the Off after option.
• Select the desired time in the appropriate drop-down list.
4. If you do not wish to configure any other settings, select .
☑ After the preset time, the display will be disabled.
5. Simply touch the display to re-enable it.
8.3 Setting the Scaling of the Daily Graph
You can choose between static or dynamic scaling for the daily graph. If static scaling is selected, the
diagram can be scaled to a set maximum threshold (e.g., the maximum power of your plant). With
dynamic scaling, the maximum thresholds of the measured values are used as the basis for scaling.
1. Select > Settings > General > Display.
2. If you prefer static scaling for the daily graph:
• Enable the Static option.
• Enter the power of your plant in the appropriate text box.
Tip: You can reset the scaling to match the maximum power of your plant's inverter by pressing
the [Reset to plant power] button. This value can deviate from the actual maximum power of
your plant.
3. If you prefer dynamic scaling for the daily chart, enable the Dynamic option.
4. If you do not wish to configure any other settings, select .

8 "Settings" Menu Item SMA America, LLC
28 SunnyView-BA-eng-BUS121811 User Manual
8.4 Setting the Error Alert
There is an error alarm when an error occurs. If the error is not eliminated, there will be another error
alarm after a preset interval.
1. Select > Settings > General > Sounds.
2. To enable the error alert, enable the Error alert checkbox.
3. To disable the error alert, disable the Error alert checkbox.
4. Select the repetition interval for the error alert in the "Alarm sounds every" drop-down list.
5. Drag the volume slider to the left or right until you reach the preferred volume.
6. Select the alarm tone in the "Alarm tone" drop-down list.
7. If you do not wish to configure any other settings, select .
8.5 Setting the Key Clicks
1. Select > Settings > General > Sounds.
2. To enable the key clicks, enable the Key clicks checkbox.
3. To disable the key clicks, disable the Key clicks checkbox.
4. Drag the volume slider to the left or right until you reach the preferred volume.
5. If you do not wish to configure any other settings, select .
8.6 Identifying the Sunny View
1. Select > Settings > General > Information.
☑ A list containing the following information will open:
–"Serial Number"
–"Firmware version"
–"Hardware"
–"Bluetooth version"
–"WLAN Mac ID"
2. To return to the menu, select .
8.7 Setting the Language
1. Select > Settings > General > International > Language.
2. Select the desired language.
3. If you do not wish to configure any other settings, select .

SMA America, LLC 8 "Settings" Menu Item
User Manual SunnyView-BA-eng-BUS121811 29
8.8 Country Settings
1. Select > Settings > General > International > Country.
2. Select a country.
3. Check the country settings. Change the country settings if necessary.
Tip: Press the [Reset] button to restore the default country settings.
4. Select [Next].
5. If you do not wish to configure any other settings, select .
8.9 Setting the Date and Time
The Sunny View can be set for automatic time synchronization if a WLAN connection is available
(see Section 8.18 "Setting up a WLAN Connection", page 35) and the "Automatic" checkbox is
activated.
You can choose between a 12-hour or 24-hour time format by selecting the "24-hour format"
checkbox accordingly.
1. Select > Settings > General > Date & time.
2. In the "Time zone" field select the desired time zone.
3. In the "Date" field, select the date.
4. Set the date using [+] and [‒].
5. Select [Accept].
6. In the "Time" field, select the time.
7. Set the time using [+] and [‒].
8. Select [Set].
9. If you do not wish to configure any other settings, select .
Diagrams may be incorrectly displayed
Changing the set time while the inverter is feeding in can cause diagrams to be displayed with
permanent errors.
• Only change the set time when the inverters are not feeding in (e.g., when it is dark).

8 "Settings" Menu Item SMA America, LLC
30 SunnyView-BA-eng-BUS121811 User Manual
8.10 Searching for a New Plant
If you want the Sunny View to monitor a different plant, you can search for a new plant.
Requirement:
☐ The plant may have a maximum of 12 inverters.
1. Select > Settings > PV plant > New search > Plant search.
2. Select [Search].
☑ The Sunny View searches for plants within its range.
☑ The Sunny View shows all plants found in the search with their NetIDs.
3. Select the desired plant.
4. Select [Next].
5. Enter the plant password.
6. Select [Next].
7. If you want to use the 24-hour format for the time display, select the 24-hour format checkbox.
8. Set the time zone, date format and time.
9. Select [Next].
10. Select the desired slides for the plant.
11. Select [Next].
Settings and CSV files
All Sunny View settings are saved. If an SDHC card is inserted, it will also contain the CSV
files of the previous plant.
Possible restart of Sunny View
If the Sunny View was previously connected to another plant, it will restart itself.

SMA America, LLC 8 "Settings" Menu Item
User Manual SunnyView-BA-eng-BUS121811 31
8.11 Adding a New Device
If you are commissioning a new device and the Sunny View does not automatically add the device
to the plant, you need to carry out a device search.
Requirements:
☐ The plant may have a maximum of 12 inverters.
☐ The new device must have the same NetID as all the other plant devices (see manual for the
Bluetooth device).
1. Select > Settings > PV plant > New search > Device search.
☑ The Sunny View lists the new devices.
2. Select the desired device.
3. Select [Next].
4. Enable the as a plant extension option.
5. Select [Next].
6. Enter the password for the new device.
☑ The Sunny View connects with the new device and transfers the existing plant password to
the new device.
7. Select [Next].
8. Enter the device name.
9. Select [Next].
10. If you want to add another device, select [Add] and proceed to Item 2.
11. Select [Home].
Default password on delivery
The default password on delivery is 0000.

8 "Settings" Menu Item SMA America, LLC
32 SunnyView-BA-eng-BUS121811 User Manual
8.12 Replacing a Device
If you want to replace an existing device with a new device, you will have to perform a device search
in the Sunny View.
Requirement:
☐ The new device must have the same NetID as all the other plant devices (see manual for the
Bluetooth device).
1. Select > Settings > PV plant > New search > Device search.
2. Select [Search].
☑ The Sunny View searches for devices within its range.
☑ The Sunny View shows all the devices in your plant that were found in the search.
3. Select the desired device.
4. Select [Next].
5. Enable the as a device replacement option.
6. Select [Next].
7. Select the device you want to replace.
8. Select [Next].
9. Enter the device password.
10. Select [Next].
11. Enter the plant password.
12. Select [Next].
13. Enter the device name.
14. Select [Next].
15. If you want to replace another device, select [Add].
16. Select [Home].
8.13 Changing the Device Name
The default name of the device is the serial number of the inverter. You can assign a unique name to
the device.
1. Select > Settings > PV plant > Information.
2. Select the desired device.
3. Select [Device name].
4. Enter a device name.
5. Select [Save].

SMA America, LLC 8 "Settings" Menu Item
User Manual SunnyView-BA-eng-BUS121811 33
8.14 Changing the Plant Password
The plant password is used for all devices in the plant to prevent unauthorized access. The plant
password can have a maximum of 12 characters. The password may contain the following
characters: A to Z, a to z, 0 to 9, ? , _ , ! and - .
1. Select > Settings > PV plant > Plant password.
2. Enter a new password in the "Set password" and "Confirm password" text boxes.
3. Select [Save].
8.15 What to Do in Case of a Lost Plant Password
If you forget the plant password, contact the SMA Service Line. You will be given a personal unlocking
key (PUK) for each device, which can then be used to unblock the device. After you enter the PUK,
the password for each device must be changed to a shared plant password (see Section 8.16).
If you are not the plant owner, you must communicate the new plant password to the plant owner.

8 "Settings" Menu Item SMA America, LLC
34 SunnyView-BA-eng-BUS121811 User Manual
8.16 Changing the Device Password
The device password can have a maximum of 12 characters. The password may contain the following
characters: A to Z, a to z, 0 to 9, ? , _ , ! and - .
1. Select > Settings > PV plant > Information.
2. Select the desired device.
3. Select [Device password].
4. Enter a new password in the "Set password" and "Confirm password" text boxes.
5. Select [Save].
8.17 Displaying Connected Devices
1. Select > Settings > PV plant > Information.
☑ The Sunny View displays a list of connected devices with the following symbols:
2. Select the desired device.
☑ Sunny View displays the type, serial number and software version of the device.
Symbol Status Significance
Neutral The status of the device is currently being
updated.
OK The device is operational and working
properly.
Warning The device is not working properly, but can
still feed power to the grid.
Error The device is not working properly and
does not feed power to the grid.
Communication Errors Unable to communicate with the device at
the moment. Possible causes include the
overnight shutdown setting for the inverter.
Lock A password other than the plant password
has been set for the device. Unable to
access the device.

SMA America, LLC 8 "Settings" Menu Item
User Manual SunnyView-BA-eng-BUS121811 35
8.18 Setting up a WLAN Connection
The WLAN router is used to establish a wireless connection to the Internet. You can define the interval
at which the Sunny View updates online data. The WLAN connection is deactivated by default.
Router requirements:
☐ The router must support DHCP and DHCP must be enabled for the router.
☐ The router must support the transmission standard IEEE 802.11b or IEEE 802.11g.
1. Select > Settings > Wireless.
2. Enable the Wi-Fi networks checkbox.
3. If the desired network is not displayed, search for the network:
•Select [Other networks].
•In the "Name" field, enter the name of the network.
•In the "Security" field, select the desired encryption method.
•Select [Accept].
4. If the network is password-protected, enter the password in the text box.
5. Using the drop-down list "Refresh after", set how often the Sunny View online data is updated
from the Internet.
6. If you do not wish to configure any other settings, select .
8.19 Checking and Setting Up a Bluetooth Connection
The connection of the Sunny View to your plant is established via Bluetooth. You can check the quality
of your Bluetooth connection and the NetID, and set how often the Sunny View plant data is updated.
1. Select > Settings > Wireless.
☑ The quality of the Bluetooth connection and the NetID is displayed.
2. Using the drop-down list "Refresh after", set how often the Sunny View plant data is updated.
3. If you do not wish to configure any other settings, select .
8.20 Configuring Online Data
1. Select > Settings > Slide show > Online data.
2. If you want a newsfeed:
• Enable the Newsfeed checkbox.
• Type the Internet address of the RSS feed or Atom feed in the "URL" text box.
3. If you want to connect to Facebook:
• Enable the Facebook checkbox.
• Enter the e-mail address and password of the Facebook account in the "E-mail" and
"Password" text boxes.

8 "Settings" Menu Item SMA America, LLC
36 SunnyView-BA-eng-BUS121811 User Manual
•Select [Login].
4. If you want to connect to Twitter:
• Enable the Twitter checkbox.
• Enter the user name/e-mail address and password of the Twitter account in the "User name
or e-mail" and "Password" text boxes.
•Select [Login].
5. If you want to display the weather:
• Enable the Weather checkbox.
• Enter the city or ZIP code in the "City/ZIP" text box.
6. If you do not wish to configure any other settings, select .
8.21 Changing the Duration of the Slide Show
The slides in the slide show change after a preset display time.
1. Select > Settings > Slide show.
2. Select the desired display time in the "Slide duration" drop-down list.
3. If you do not wish to configure any other settings, select .
8.22 Selecting PV Visualization
Sunny View shows the slide show only with slides that you have selected. For some slides you will
need to specify additional information using the text boxes, drop-down menus and sliders. Tap the
Info icon for more information. You will find an overview of the slides in the "Plant data" section
(see Section 5.3).
1. Select > Settings > Slide show > PV visualization.
☑ A list of all slides will open.
2. Select and enable the slides you want to display.
3. If you do not wish to configure any other settings, select .
8.23 Activating Demo Mode
The demo mode simulates the process of operating a plant. It can therefore be used to demonstrate
how the Sunny View is operating. The Sunny View simulates a plant with a power of 4.5 kWp.
Activating Demo Mode After Commissioning
Requirement:
☐ The Sunny View must not be connected to a plant.
1. Select > Settings > PV plant > New search > Plant search.
2. Select [Demo mode].
3. If you do not wish to configure any other settings, select .

SMA America, LLC 9 Maintenance and Care
User Manual SunnyView-BA-eng-BUS121811 37
9 Maintenance and Care
9.1 Safely Removing the SHC Card
Always remove the SDHC card according to the following procedure.
1. Call up the menu using .
2. In the lower section of the menu, select Safely remove the SDHC card.
☑ The message "The SDHC card can now be removed." appears.
3. Remove the SDHC card
9.2 Performing an Update
Perform an update so that the Sunny View can download the latest data. When the Sunny View is
updated, all plant data and display settings will be saved.
Necessary equipment:
☐ Computer with Internet connection and an SDHC card slot.
☐SDHC card
1. If you have not yet carried out an update using the SDHC card, you must connect the SDHC
card to the computer and create a folder labeled UPDATE on the SDHC card.
2. Download the update file in the download section of www.SMA-America.com and then save it
on the SDHC card in the "UPDATE" folder.
3. Remove the SDHC card from the computer.
4. Push the SDHC card into the slot on the Sunny View.
5. Select > Settings > Service > Update.
☑ The following message appears: "New update file found on the SDHC card. Do you wish to
start the update?"
✖ Is the message not shown?
The SDHC card does not contain an update file. The update file or SDHC card is defective.
• Perform update again.
• If the update fails after several attempts, contact the SMA Service Line.
Damage to the SDHC card
If the SDHC card is removed while data is being written to it, it may be damaged and data may be
lost.
• Safely remove the SDHC card.

9 Maintenance and Care SMA America, LLC
38 SunnyView-BA-eng-BUS121811 User Manual
6. Select [Start update].
☑ The update procedure starts. The Sunny View displays the message "Update successful!" and
restarts.
✖"Update failed!" message appears on the display.
The update file or SDHC card is defective.
• Perform update again.
• If the update fails after several attempts, contact the SMA Service Line.
9.3 Restoring Default Settings
If you wish to restore the default setting of the Sunny View, note that all plant data and display settings
will be deleted. The saved plant data and CSV files will remain on the SDHC card.
Restoring the default settings can take several minutes.
1. Select > Settings > Service > Factory settings.
☑ The following message appears: "After a reset to factory settings, your plant data and settings
are deleted."
2. Select [Reset].
9.4 Generating Back-Up File
When you generate a back-up file, the Sunny View will save all plant data and settings to your SDHC
card. A back-up file will allow you to restore all your data when you replace the Sunny View or reset
the device to the default settings.
You can generate back-up files automatically or manually. In automatic mode the Sunny View will
automatically generate a back-up file at regular intervals.
Requirement:
☐ An SDHC card must be inserted in the slot.
1. Select > Settings > Service > Back-up file > Generate back-up file.
2. If you prefer automatic back-up creation:
• Select the option automatically.
• Select the desired interval from the drop-down list.
3. If you would like to generate a back-up file manually, activate the option manually.
Damage of the Sunny View due to disconnection from the electricity supply
Disconnecting the Sunny View from the electricity supply during the update procedure or when
restarting may damage the Sunny View.
•Do not remove the plug-in power supply from the socket-outlet during the update
procedure or when restarting.

SMA America, LLC 9 Maintenance and Care
User Manual SunnyView-BA-eng-BUS121811 39
4. Select [Next].
☑ The following message appears: "Back-up file was generated successfully!"
☑ The following message appears: "Please insert an SDHC card with at least xx MB free
space."
The SDHC card does not have enough memory available or is not inserted into the device.
• Insert a SDHC card with enough memory.
•Select [Repeat].
9.5 Restoring Sunny View Data from a Back-up File
Requirement:
☐ An SDHC card containing the back-up file must be inserted in the slot.
1. Select > Settings > Service > Back-up file > Restore from back-up file.
☑ The following message appears: "Do you want to restore the back-up file with all data and
settings on this Sunny View?"
2. Select [Restore].
☑ The following message appears: "The data and settings were successfully restored from the
back-up file!"
✖ The following message appears: "No back-up file found."
• Make sure an SDHC card with the back-up file is inserted into the device.
Overwriting plant data and settings
When you restore a back-up, all plant data and settings are overwritten.
10 Decommissioning SMA America, LLC
40 SunnyView-BA-eng-BUS121811 User Manual
10 Decommissioning
10.1 Decommissioning the Sunny View
• Remove the plug-in power supply from the Sunny View and the socket-outlet.
10.2 Disposing of the Sunny View
• Be sure to observe all applicable regulations when disposing of the Sunny View.
• To have SMA dispose of the Sunny View, send the Sunny View back to SMA at your own cost,
labeled "ZUR ENTSORGUNG" ("FOR DISPOSAL").

SMA America, LLC 11 Troubleshooting
User Manual SunnyView-BA-eng-BUS121811 41
11 Troubleshooting
Problem Cause
Sunny View does not list the
NetID of your PV plant.
In your plant, no device is within the radio range of the
Sunny View.
Corrective measures:
• Reduce the distance between the Sunny View and the plant
device.
Devices of your plant are not in operation.
Corrective measures:
• Commission the devices.
The NetID 0 (Bluetooth off) is set for the devices.
Corrective measures:
• Set the NetID of your plant for the devices.
Sunny View does not list all the
devices of your plant.
Sunny View completed the plant search before all devices were
connected to one another. For plants with many devices it may
take several minutes until all devices are connected to one
another.
Corrective measures:
• Repeat plant search.
Not all devices are connected to one another. The wireless
connection of several devices may be disturbed by ambient
conditions.
Corrective measures:
• Check the connection quality of the devices (see the
respective manual). The connection quality of all devices
must at least be "good".
Not all devices are connected to one another. In certain devices,
the NetID of your plant may not be set.
Corrective measures:
• Make sure that the NetID of your plant is configured on the
devices.

11 Troubleshooting SMA America, LLC
42 SunnyView-BA-eng-BUS121811 User Manual
Inverters with retrofitted SMA Bluetooth Piggy-Back (if applicable)
shut down overnight. Therefore, the Sunny View cannot establish
a connection to these inverters at night.
Corrective measures:
• As soon as the inverters switch on in the morning, the
Sunny View is able to establish a connection to them.
The Sunny View lists your
inverters as well as other
inverters from other plants.
A different Bluetooth plant within the radio range of the
Sunny View uses the same NetID as your Bluetooth plant.
Corrective measures:
• Determine a free NetID for your plant and configure it on all
devices.
The Sunny View is not
connecting with the Bluetooth
devices.
A different NetID is configured for the Sunny View than for the
other Bluetooth devices.
Corrective measures:
• Make sure that the NetID configured on the Sunny View is
the same as on the other Bluetooth devices.
There are too many masters in the Bluetooth plant
(e.g. Sunny Beam, Sunny WebBox with Bluetooth).
Corrective measures:
• For plants with up to two inverters, a maximum of two
masters can be used.
• For plants with three or more inverters, a maximum of
4 masters can be used.
Bluetooth connection quality of
the Sunny View is not at least
"Good".
The Sunny View is too far away from your plant or there is
interference with the wireless connection. Disturbances can be
caused by, for example, walls or ceilings that shield the wireless
signal too effectively.
Corrective measures:
• Place the Sunny View closer to a device of your plant.
Instead of the plug-in power supply provided, you are using a
plug-in power supply that is not suitable for the Sunny View.
Corrective measures:
• Use only the plug-in power supply provided.
Problem Cause

SMA America, LLC 11 Troubleshooting
User Manual SunnyView-BA-eng-BUS121811 43
An alarm can be heard. An error has occurred in an inverter.
Corrective measures:
• Call up the error details.
• Contact your installer and inform him/her about the event
message and the serial number of the inverter in which the
event occurred.
Tip: If you no longer wish to be notified of errors, you can
switch off the alarm sound (see Section 8.4 "Setting the
Error Alert", page 28).
Alarm did not sound when an
error occurred.
The alarm is disabled or the volume is too low.
Corrective measures:
• Set the alarm sound (see Section 8.4).
Instead of the plug-in power supply provided, you are using a
plug-in power supply that is not suitable for the Sunny View.
Corrective measures:
• Use only the plug-in power supply provided.
The display no longer switches
on.
Corrective measures:
• Check the grid connection.
Instead of the plug-in power supply provided, you are using a
plug-in power supply that is not suitable for the Sunny View.
Corrective measures:
• Use only the plug-in power supply provided.
Problem Cause

11 Troubleshooting SMA America, LLC
44 SunnyView-BA-eng-BUS121811 User Manual
None or only some of the online
data is displayed.
WLAN connection is not active.
Corrective measures:
• Make sure the router is switched on.
• Make sure the router supports DHCP.
• Make sure DHCP is enabled for the router.
• Check the WLAN connection (see Section 8.18) and your
access data (see Section 8.16).
WLAN connection is too weak. The wireless connection may be
disturbed by ambient conditions.
Corrective measures:
• Check the quality of the WLAN connection on the
Sunny View. Place the Sunny View closer to the router if
necessary.
Online data is not enabled.
Corrective measures:
•Make sure that online data is configured properly
(see Section 8.20).
Instead of the plug-in power supply provided, you are using a
plug-in power supply that is not suitable for the Sunny View.
Corrective measures:
• Use only the plug-in power supply provided.
Diagrams are displayed with
gaps or pointed forms.
After commissioning the Sunny View, the time in the Sunny Beam
was set ahead or behind.
This action only affects the diagram display, not the calculated
energy values.
The "Home" slides do not
change.
Only one slide is activated.
Corrective measures:
• Select other slides for display (see Section 8.22 "Selecting
PV Visualization", page 36).
Unable to activate demo mode. Demo mode is only available when the Sunny View is not
connected to a plant.
Corrective measures:
• Restore the default settings (see Section 9.3). IMPORTANT:
If you restore the default settings of the Sunny View, all plant
data and display settings will be deleted.
Problem Cause

SMA America, LLC 12 Technical Data
User Manual SunnyView-BA-eng-BUS121811 45
12 Technical Data
Mechanical Data
Voltage supply
Ambient Conditions
Communication
Width x height x depth without tabletop stand 6 in. x 4 1⁄4 in. x 15⁄16
in.(151.9 mm x 109 mm x 23.5 mm)
Width x height x depth with tabletop stand 6 in. x 4 1⁄4 in. x 1 in.
(151.9 mm x 109 mm x 25.5 mm)
Weight without tabletop stand 8 5⁄8 oz. (245 g)
Weight with tabletop stand 10 3⁄8 oz. (293 g)
Voltage supply Plug-in power supply
Input voltage 90 V to 240 V AC, 50 Hz/ 60 Hz
Typical power consumption 3.75 W
Maximum power consumption 8 W
Maximum current consumption 1.6 A
Ambient temperature +32° F to +104° F (0°C to +40°C)
Humidity, non-condensing 5% to 95%
NEMA class NEMA 1
Installation site indoors
Inverter communication Bluetooth Wireless Technology Class 1
Maximum number of devices: Inverters 12
Maximum range in free-field conditions 328 ft. (100 m)

12 Technical Data SMA America, LLC
46 SunnyView-BA-eng-BUS121811 User Manual
Features
Display LCD
Resolution 480 px x 800 px
Operation Touch screen
Display languages German / English / French / Greek / Italian /
Japanese / Dutch
Memory Ring buffer*
* Always contains the last 13 monthly files and 90 daily files.
Internal memory for plant data 16 MB
SDHC card type microSD
Minimum memory of the SDHC card 512 MB
Recommended maximum memory of the
SDHC card
8 GB
Minimum data volumes depending on
SDHC card memory
Daily yields: 90 days
Monthly yields: 30 years
Events: 50
SMA America, LLC 13 Compliance Information
User Manual SunnyView-BA-eng-BUS121811 47
13 Compliance Information
FCC Compliance
This device complies with Part 15 of the FCC Rules. Operation is subject to the following conditions:
1. This device may not cause harmful interference, and
2. This device must accept any interference received, including interference that may cause
undesired operation.
NOTE: This equipment has been tested and found to comply with the limits for a Class B digital device,
pursuant to Part 15 of the FCC Rules. These limits are designed to provide reasonable protection
against harmful interference in a residential installation. This equipment generates, uses, and can
radiate radio frequency energy and if not installed and used in accordance with the instructions, may
cause harmful interference to radio communications. However, there is no guarantee that interference
will not occur in a particular installation. If this equipment does cause harmful interference to radio or
television reception, which can be determined by turning the equipment off and on, the user is
encouraged to try to correct the interference by one or more of the following measures:
• Reorient or relocate the receiving antenna.
• Increase the separation between the equipment and the receiver.
• Connect the equipment into an outlet on a circuit different from that to which the receiver is
connected.
• Consult the dealer or an experienced radio/TV technician for help.
The user is cautioned that changes or modifications not expressly approved by
SMA America, LLC could void the user’s authority to operate this equipment.
This equipment complies with FCC radiation exposure limits set forth for an occupational environment.
This equipment should be installed and operated with minimum distance of 8 in. (20 cm) between the
radiator and your body.
IC Compliance
This device complies with Industry of Canada licence-exempt RSS standard(s). Operation is subject
to the following two conditions:
• This device may not cause interference, and
• This device must accept any interference, including interferences that may cause undesired
operation of the device.
This equipment complies with Canada radiation exposure limits set forth for uncontrolled environments
in accordance with RSS-102. This transmitter must not be co-located or be operated in conjunction
with any other antenna or transmitter. This equipment should be installed and operated with minimum
distance of 8 in. (20 cm) between the radiator and your body.
13 Compliance Information SMA America, LLC
48 SunnyView-BA-eng-BUS121811 User Manual
FCC
Cet appareil est conforme à la partie 15 des réglementation FCC. L'opération est sujette aux
conditions suivantes:
1. Cet appareil ne doit pas entraîner d'interférences nuisibles et
2. Cet appareil doit accepter toutes les interférences reçues, y compris les interférences qui
pourraient entraîner un fonctionnement indésirable.
NOTE : Cet équipement a été testé et est conforme avec les limites imposées pour un appareil
numérique de Classe B, conformément à la partie 15 des réglementations FCC. Ces limites ont été
conçues pour fournir une protection raisonnable contre toute interférence nuisible dans une
installation domestique. Cet équipement génère, utilise et peut émettre une énergie radioélectrique et
s'il n'est pas installé et utilisé conformément aux instructions, il peut produire des interférences nuisibles
dans les communications radio. Néanmoins, il n'existe pas de garantie contre le fait que des
interférences peuvent se produire dans une installation particulière. Si cet équipement provoque des
interférences nuisibles à la réception de fréquences de radio ou de télévision, ce qui peut être
déterminé en allumant et en éteignant l'équipement, l'utilisateur est encouragé à essayer de corriger
l'interférence en utilisant une ou plusieurs des mesures suivantes:
• Réorienter ou relocaliser l'antenne de réception.
• Augmenter la séparation entre l'équipement et le récepteur.
• Connecter l'équipement à une prise de courant sur un circuit différent de celui auquel le
récepteur est connecté.
• Consulter le concessionnaire ou un technicien radio/TV expérimenté pour plus d'aide.
L'utilisateur est prévenu que des changements ou des modifications n'ayant pas été autorisés
expressément par SMA America, LLC peuvent entraîner la nullité de l'autorisation à l'utilisateur de
mettre cet équipement en service.
Cet équipement est conforme aux limites d'exposition aux rayonnements définies par le FCC pour des
environnements professionnels. Cet équipement doit être installé et mis en service avec une distance
minimum de 8 in. (20 cm) entre le radiateur et votre corps.
IC
Cet appareil est conforme avec la licence d'Industrie Canada - sauf le/les standard(s) RSS. Le service
est soumis aux deux conditions suivantes :
• cet appareil ne doit pas provoquer d'interférences et
• cet appareil doit accepter toute interférence, y compris les interférences pouvant entraîner un
service de l'appareil indésirable
Cet équipement est conforme aux limites d'exposition aux rayonnements définies par le Canada pour
les environnements non contrôlés, conformément à la norme RSS-102. Cet émetteur ne doit pas être
installé ou utilisé en conjonction avec d'autres antennes ou émetteurs. Cet équipement doit être installé
et mis en service avec une distance minimum de 8 in. (20 cm) entre le radiateur et votre corps.
SMA America, LLC 14 Online services, libraries, open source licences
User Manual SunnyView-BA-eng-BUS121811 49
14 Online services, libraries, open source licences
When using this equipment you will also be using online services from other providers. These are listed
in the section "Online services". The use of these services is governed by the current terms of use of
each of the providers listed in the section "Online services". By using the online services you also
declare your agreement with the regulations listed. The use of libraries and software provided by 3rd
parties is governed in the same way as that of online services.
Online services
This software is provided “as is” and any express or implied warranties and liability to correct errors
are disclaimed. In no event shall Supplier be liable for any direct, indirect, incidental or consequential
damages or infringement of any Intellectual Property Rights arising in any way out this software.
Customer assumes all risk for the selection of this software, including risks to achieve Customer's
intended results and for the installation, use and results obtained from it. Furthermore, this software
uses/may use 3rd party services. The 3rd party service is governed under separate terms & conditions
which are available at
• Facebook Terms of Use: http://www.facebook.com/terms.php
• Facebook Platform Policies: http://developers.facebook.com/policy/
• Twitter Terms of Service: http://twitter.com/tos
• Twitter API Terms of use: https://dev.twitter.com/terms/api-terms
• Google Weather http://www.google.com
Customer accepts that these terms and conditions shall be applied to this software. Same applies for
the use of the chosen Newsfeed service.
Libraries
The Sunny View software uses the AChartEngine library licensed under ASL 2.0, the
microlog4android library licensed under Apache 2.0 and MIT, and the twitter4j-core-android library
licensed under JSON.
Open source licences
Sunny View is based on the Android 2.6.35.3 kernel and the U-Boot 2009.08 version, which are
licensed under the GPLv2 Open Source Licence. A copy of the GPLv2 Licence is provided on the
included CD. You can request the source code with modifications from the SMA Service Line.
Copyright notices are integrated into the source code.
In addition, the Sunny View uses the Apache Licence 2.0 with Android 2.2 (API level 8, revision 2).
A copy of the Apache Licence 2.0 is provided on the included CD.
15 Contact SMA America, LLC
50 SunnyView-BA-eng-BUS121811 User Manual
15 Contact
If you have technical problems concerning our products, please contact the SMA Service Line. We
require the following information in order to provide you with the necessary assistance:
• Hardware version of the Sunny View
• Firmware version of the Sunny View
• Firmware version of the SMA Bluetooth Piggy-Back in the inverter (if present)
• Type and serial number of the inverter
SMA Solar Technology America, LLC
6020 West Oaks Blvd, Ste 300
Rocklin, CA 95765
Tel. +1 916 625 0870
Tel. +1 877-MY SMA TECH
Tel. +1 877 697 6283 (Toll free, available for USA, Canada and Puerto Rico)
Fax +1 916 625 0871
Service@SMA-America.com
www.SMA-America.com
SMA Solar Technology Canada Inc.
2425 Matheson Blvd. E, 8th Floor
Mississauga, ON L4W 5K5
Canada
Tel. +1 877 506 1756 (Toll free, available for Canada)
Service@SMA-Canada.ca
www.SMA-Canada.ca

XXX4."4PMBSDPN
4."4PMBS5FDIOPMPHZ
4.""NFSJDB--$
XXX4.""NFSJDBDPN