SOYAL TECHNOLOGY AR-331 Access Controller User Manual
SOYAL TECHNOLOGY CO., LTD. Access Controller User Manual
User_Manual

SOYAL
ACCESS CONTROL SYSTEM
®AR-331E/F
產品內容/基本指令
AR-331E/F
V170222
123456
654321654321
通電時人體離開面板10秒以確保案件啟動。
While power on the device,hands off the touch
panel for 10 sec. to make sure a successful
activation.
進入編輯模式 Enter Programming
Mode
更改編輯密碼 Enter Programming
Mode
//Basic Commands
離開編輯模式 Exit program mode
離開編輯模式
同時進入警戒模式
Exit program mode
and enter arming mode
00
09
NNN 設定控制器站號
門禁控制器接於716E底下
Node ID setting
(Connected to 716E)
指令
/
Commands 功能 Function
設定控制器站號
直接與電腦連線<不經由716E>
預設: 007=7秒
預設: 015=15秒
暫停使用者位置
刪除使用者位置
(輸入601~609=0.1~0.9秒)
00 NNN VVV nnn Node ID setting
(Connected to the PC directly
without 716E)
設定開門繼電器動作時間
02 007
Door Relay Time setting
設定警報繼電器動作時間
03 015
Alarm Relay Time
setting
設定H系列控制器模式
04 N
Control mode setting
將使用者位置設為無效
恢復所暫停使用者位置
設定各使用者的進出密碼
10 SSSSS EEEEE
10 SSSSS 9EEEEE 9
Suspend user address
Delete user address
(Able to recover by
command 11)
9
Suspend / Delete User
Recover Tag User
Set up User PIN
設定M4/M8的求援密碼;
或M6的共同密碼
(通行模
式為讀卡或密碼)
15 1234
M4/M8:Duress code setting
M6:Public PIN setting
for access mode "Card or PIN"
設定M4/M8的求援密碼;
或M6的共同密碼
(通行模
式為讀卡加密碼)
17 4321
M4/M8:Arming PWD setting
M6:Public PIN setting
for access mode "Card & PIN"
以感應方式設定卡片
19 UUUUU QQQQQ Add card by presenting
感應方式刪除/增加卡片
22 N(N=0=Delete/
N=1=Add)(N=0=刪除 / N=1=增加)
Add/Delete tag
by presenting
清除所有卡片資料
H系列清除所有卡機設定
E/EF系列清除所有卡機設定
29 29 Delete all tags
Delete all setting of H
Delete all setting of E/EF
29 20
29 299
00 NNN MMM AAA 設定控制器站號
Node ID setting
02 007
U
(U=0=Main; U=1=WG)
(N=4/6/8=Mode 4/6/8)
(Starting User Addr. * Ending User Addr.)
(For example 00001 * 00005)
11 SSSSS EEEEE
(Starting User Addr. * Ending User Addr.)
12 SSSSS 1111
(Card or PIN: User Addr. * 4-digit password)
(User Address * Card Q’ty)
(Card or PIN range: 1111~9999)
(Q’ty=00001
=Continuously inducting)
Set up User PIN
(Card + PIN range: 1111~9999)
13 SSSSS 2222
(Card + PIN: User Addr. * 4-digit password)
(Starting User Addr. 9 Ending User Addr.)
(開始位置 * 結束位置)
(開始位置 * 結束位置)
(進出模式:讀卡或密碼)
(U:使用者位置*Q=00001
以每次感應1張方式加卡)
設定各使用者的進出密碼
(進出模式:讀卡加密碼)
(開始位置 9 結束位置)
(Default Value: 007=7 sec.)
(Default Value: 015=15 sec.)
(For H series only)
(601~609=0.1~0.9 sec.)
(Node ID*Main Door NO.*WG Door NO.)
(Input 6-digit password twice)
(H series)
(H series)
(H series)
(H series M6 only)
(Default Value: 1234, 0000=Disable)
(Default Value: 4321, 0000=Disable)
(E/EF series)
(E/EF series)
(716E Node ID*Virtual Dr NO..*Reader Dr NO.)
(Node ID)
(站號*E/EF門號*WG門號)
12
34
56
78
90
最佳感應區。
Best Reading
Area
指示燈號
/
Indicators
警戒/藍LED輸入控制
警戒/黃LED輸入控制
Arming / Blue LED
Input (Active High)
Yellow LED Input
(Active High)
Left LED Descrption/說明
H/E/EF
Descrption/說明
Yellow
Blue
H/E/EF/U/K
電源/操作正確/待機
操作錯誤/發警報
Power-on/Stand-by
/OK
Error/Alarm
Right LED
Green
Red
1
4
2
3
(By order)
5
(By order)
6
7
Peel
off
screw
rubber
(by order)
Screws
Rubber
Frame Rubber
Peel
off frame
rubber
(by order)
4
5
Put on/Take off together

SOYAL
ACCESS CONTROL SYSTEM
®AR-331E/F
產品內容/基本指令
AR-331E/F
按 29 29
按
29 20
按
進入編輯模式
更改編輯密碼
按 09 654321654321
123456
以感應方式設定卡片
用戶位址範圍: 00000~03000
按
M4/M8模式
19 00001 00001
M6模式
( 17*0000#要設定)
22 1
按
卡片依序一張張在卡機上感應
使用密碼進出(讀卡或密碼)
PIN=0000 為停用密碼
按 12 00001 1234
M6模式 按
15 1234
使用讀卡加密碼進出
PIN=0000 為停用密碼
按
M4/M8 模式 13 00001 4321
M6模式
( 17*0000#要設定)
17 4321
按
設定開門繼電器時間
設定開門等待時間
離開編輯模式
02 007
按
18 015
按
按
//新增卡片設定說明
(請連續輸入新6位數密碼2次)
(請記錄各使用者位置及其卡號)
M4/M8模式(依進入編輯模式時聲響數,
判模式,例:4聲為M4,8聲為M8)
按
進入編輯模式
更改編輯密碼
按 09 654321654321
123456
移除卡片
用戶位址範圍: 00000~03000
按
M4/M8模式 & M6模式
10 00001 00005
移除所有卡片資料
使用密碼進出(讀卡或密碼)
PIN=0000 為停用密碼
按 12 00001 1234
M6模式 按 15 1234
使用讀卡加密碼進出
PIN=0000 為停用密碼
按
M4/M8 模式 13 00001 4321
M6模式
( 17*0000#要設定)
17 4321
按
設定開門繼電器時間
設定開門等待時間
離開編輯模式
02 007
按
18 015
按
按
(請連續輸入新6位數密碼2次)
M4/M8模式(依進入編輯模式時聲響數,
判模式,例:4聲為M4,8聲為M8)
//移除卡片設定說明
恢復出廠預設值
(清除所有卡片及參數資料)
//Add Card Commands
Press
Enter Programming Mode 123456
Change program code
Press 09 654321654321
Input 6-digit PWD twice
Add Card User
(Please list down each User Address and its Card ID)
User Range: 00000~03000
Press
M4/M8 Mode 19 00001 00001
M6 Mode
(Must set up 17*0000#)
22 1
Press
Attach/Present Card One by One
Add PIN User PIN=0000 (Disable)
M4/M8 Mode (4/8 beepswhile engtering progrm
mode)
Press 12 00001 1234
M6 Mode
Press 15 1234
Add Card+PIN User PIN=0000 (Disable)
Press
M4/M8 Mode
13 00001 4321
M6 Mode
(Must set up 17*0000#)
17 4321
Press
Set up Door Relay Time
Set up Door Close Time
Exit program mode
02 007
Press
18 015
Press
Press
//Delete Card Commands
Press
Enter Programming Mode 123456
Change program code
Press 09 654321654321
Input 6-digit PWD twice
User Range: 00000 ~ 03000
Delete Card User
Press
M4/M8 Mode 10 00001 00005
M6 Mode Press 10 00001 00005
Delete All User Cards Press 29 29
Reset to Factory Default Value
(Delete all cards and parameters)
Press 29 20
Add PIN User PIN=0000 (Disable)
M4/M8 Mode (4/8 beepswhile engtering progrm
mode)
Press 12 00001 1234
M6 Mode
Press 15 1234
Add Card+PIN User PIN=0000 (Disable)
Press
M4/M8 Mode 13 00001 4321
M6 Mode
(Must set up 17*0000#)
17 4321
Press
Set up Door Relay Time
Set up Door Close Time
Exit program mode
02 007
Press
18 015
Press
Press
//指紋建檔/刪除
建立1枚指紋
登入:
進入編輯模式
(F=1/2/3 建立指紋枚數; UUUUU:要建立的使用者位置)
(SSSSS=開始使用者位置; EEEEE=結果使用者位置)
F
93
登入操作方式(請依提示音操作):
先放手指
1
移開手指, 同手指重複放置3次)
嗶 (聽到嗶後,
高音長嗶(成功建檔)
建立2/3枚指紋 重複以上步驟
刪除單筆:
進入編輯模式 0
93
刪除全部:
//指紋或卡片管制型態設定
UUUUU
進入編輯模式
方式一:通行方式先指紋後卡片
方式二:通行方式僅指紋/僅卡片
9
93 99999
進入編輯模式 F
04 SSSSS
EEEEE
UUUUU
組合式指令設定:
Pair Command Setting:
Access by fingerprint first and then tag/cardWay1
0
04 SSSSS EEEEE
Access just by fingerprint or just by tag/cardWay2
2
04 SSSSS EEEEE
1
04 SSSSS EEEEE
3
04 SSSSS EEEEE
0
04 SSSSS EEEEE
2
04 SSSSS EEEEE
1
04 SSSSS SSSSS
3
04 SSSSS EEEEE
Adding 1 Fingerprint
//Adding / Deleting Fingerprint
Adding
Access programming mode
Place your finger on the sensor
F
93
How to add a finger data:
Put 1st
Finger
Bi
Long Bi(OK)
Adding 2nd/3rd Fingerprint
(After Bi sound, please remove the the finger from
unit. Each finger shall collect for 3 times)
(F=1/2/3, Number of fingerprin per user; UUUUU=user address)
Repeat 1st finger process
Deleting
Access programming mode 0
93
Deleting All
//Enable/Disable Skip Finger/Tag
(UUUUU=User address)
(SSSSS=Starting user address; EEEEE=Ending User Address)
UUUUU
Access programming mode 9
93
99999
Access programming mode F
04
SSSSS EEEEE
UUUUU

SOYAL
ACCESS CONTROL SYSTEM
®AR-331E/F
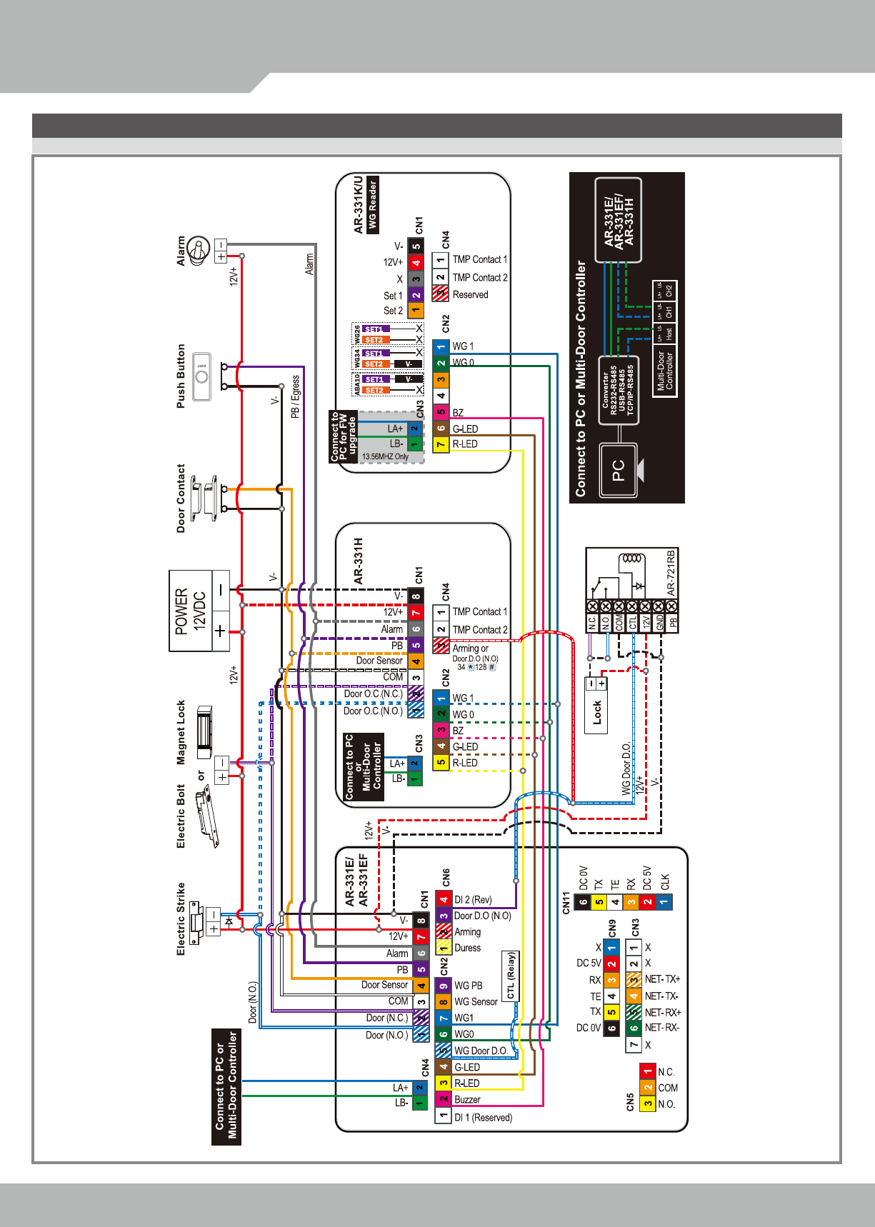
產品內容/排線說明
AR-331E/F
Battery Only

SOYAL
ACCESS CONTROL SYSTEM
®AR-331E/F
NOTE: This equipment has been tested and found to comply with the limits for a Class B digital device,
pursuant to part 15 of the FCC Rules. These limits are designed to provide reasonable protection against
harmful interference in a residential installation. This equipment generates, uses and can radiate radio
frequency energy and, if not installed and used in accordance with the instructions, may cause harmful
interference to radio communications. However, there is no guarantee that interference will not occur in
a particular installation. If this equipment does cause harmful interference to radio or television
reception, which can be determined by turning the equipment off and on, the user is encouraged to try
to correct the interference by one or more of the following measures:
—Reorient or relocate the receiving antenna.
—Increase the separation between the equipment and receiver.
—Connect the equipment into an outlet on a circuit different from that to which the receiver is
connected.
—Consult the dealer or an experienced radio/TV technician for help.