ST Microelectronics S R L SP1ML SPIRIT1 915 MHz Low Power RF Module User Manual Spirit 1 Module Datasheet
ST Microelectronics S.R.L. SPIRIT1 915 MHz Low Power RF Module Spirit 1 Module Datasheet
Users Manual

ST CONFIDENTIAL   
February 2014 
Doc ID TBD Rev 0.8  Rev 0.8 
1/19 
www.st.com 
SPLML-868 and SP1ML-915 
SPIRIT1 868 and 915 MHz Low Power RF Modules 
PRELIMINARY DATASHEET 
 Features 
  Complete RF ready Spirit1 module 
  Integrated antenna and crystal 
  STM32L microcontroller up to 32 MHz 
  Low power consumption 
  UART interface with AT command set 
  Operates from a single 1.8V to 3.6V supply 
  863 to 870 MHz operation (SP1ML-868) 
  902 to 928 MHz operation (SP1ML-915) 
  Output power up to +11.6dBm 
  Data rates up to 500kbps 
  Modulation schemes: 2-FSK, GFSK, GMSK, 
OOK, and ASK 
  Compact size: 14mm x 13.4mm x 2.5mm 
  Operating temperature: -40 °C to 85 °C 
  FCC and CE regulatory approvals 
Applications 
  Serial cable replacement 
  Home automation 
  M2M industrial control 
  Service diagnostic 
  Data acquisition equipment 
  Machine control 
  Sensor monitoring 
  Security systems 
  Mobile health and medical 

2/19 
Doc ID TBD Rev 0.8  Rev 0.1 
www.st.com 
Contents 
1 Description ........................................................................................... 4 
2 Hardware specification........................................................................ 5 
2.1 Recommended operating conditions ......................................................................... 5 
2.2 Absolute maximum ratings ........................................................................................ 5 
2.3 I/O operating characteristics ..................................................................................... 5 
2.4 Current consumption ................................................................................................. 6 
2.5 RF compliance limits ................................................................................................. 6 
2.6 Pin assignment ......................................................................................................... 7 
2.7 Pin placement ........................................................................................................... 8 
2.8 Hardware block diagram ........................................................................................... 8 
3 Hardware design .................................................................................. 9 
3.1 Pin usage .................................................................................................................. 9 
3.2 Typical application circuit ........................................................................................ 10 
3.3 Layout guidelines .................................................................................................... 11 
3.4 Recommended footprint .......................................................................................... 12 
3.5 Module reflow installation ........................................................................................ 13 
4 Mechanical data ................................................................................. 14 
4.1 RoHS compliance ................................................................................................... 14 
5 Regulatory compliance ..................................................................... 15 
5.1 FCC certification ..................................................................................................... 15 
5.2 CE certification ........................................................................................................ 15 
5.3 Labeling instructions ............................................................................................... 16 
5.4 Product manual instructions .................................................................................... 16 
6 Ordering Information ......................................................................... 18 

Doc ID TBD Rev 0.8  Rev 0.1 
3/19 
www.st.com 
List of tables 
Table 1. Recommended operating conditions .................................................................................... 5 
Table 2. Absolute maximum ratings ................................................................................................... 5 
Table 3. I/O operating characteristics ................................................................................................. 5 
Table 4. Current consumption ............................................................................................................ 6 
Table 5. RF compliance limits ............................................................................................................ 6 
Table 6. Pin assignment ..................................................................................................................... 7 
Table 7. Module pin usage ................................................................................................................. 9 
Table 8. Soldering profile ................................................................................................................. 13 
Table 12. Ordering information ....................................................................................................... 18 
List of figures 
Figure 1. Pin placement ...................................................................................................................... 8 
Figure 2. Hardware block diagram ...................................................................................................... 8 
Figure 3. Typical application circuit ................................................................................................... 10 
Figure 4. Layout guidelines ............................................................................................................... 11 
Figure 5. Recommended footprint ..................................................................................................... 12 
Figure 6. Soldering profile ................................................................................................................. 13 
Figure 7. Mechanical data ................................................................................................................. 14 

4/19 
Doc ID TBD Rev 0.8  Rev 0.1 
www.st.com 
1  Description 
The SP1ML-868 and SP1ML-915 are low power RF modules based on the SPIRIT1 radio, 
with  integrated  voltage  regulation,  antenna,  crystal  and  microcontroller  in  a  compact 
surface  mount  module  form-factor.    The  module  allows  OEMs  to  easily  add  wireless 
capability to any electronic device without requiring in-depth RF experience, and has the 
necessary FCC modular approvals and CE compliance to reduce time to market. 
The UART host interface allows simple connection to an external microcontroller.  Access 
to  module  features  is  provided  through  an  extended  AT  command  set.  A  simple  cable 
replacement model allows the module to be used similarly to a standard serial interface. 
The  microcontroller  serial  wire  debug  signals  are  available  and  allow  the  standard 
firmware  to  be  replaced  by  a  user  application,  enabling  use  as  a  wireless  application 
module where no external microprocessor system is required.  Select STM32L GPIO and 
peripherals  are  available  for  interfacing to  external  devices  in  the  user  application,  and 
advanced features of the SPIRIT1 radio are also accessible. 

Doc ID TBD Rev 0.8  Rev 0.1 
5/19 
www.st.com 
2  Hardware specification 
General conditions (VIN = 3 V and TA = 25˚C). 
2.1  Recommended operating conditions 
Table 1.  Recommended operating conditions 
Symbol 
Parameter 
Min. 
Typ. 
Max. 
Unit 
TA 
Operating ambient temperature range 
-40 
- 
85 
˚C 
VDD 
Operating supply voltage 
1.8 
3 
3.6 
V 
FREQ 
RF frequency (SP1ML-868) 
863 
- 
870 
MHz 
FREQ 
RF frequency (SP1ML-915) 
902 
- 
928 
MHz 
2.2  Absolute maximum ratings 
Table 2.  Absolute maximum ratings 
Symbol 
Parameter 
Min. 
Typ. 
Max. 
Unit 
TSTG 
Storage temperature range 
-40 
- 
85 
˚C 
VDD 
Operating supply voltage 
-0.3 
- 
3.9 
V 
VIO 
I/O pin voltage 
-0.3 
- 
5.5 
V 
2.3  I/O operating characteristics 
Table 3.  I/O operating characteristics 
Symbol 
Parameter 
Min. 
Typ. 
Max. 
Unit 
VIL(1) 
I/O input low level voltage 
-0.3 
- 
0.3 VDD 
V 
VIH(1) 
I/O input high level voltage 
0.7 VIN 
- 
VDD+0.3 
V 
1.  For more details see the STM32L151RB datasheet, I/O port characteristics. 

6/19 
Doc ID TBD Rev 0.8  Rev 0.1 
www.st.com 
2.4  Current consumption 
Table 4.  Current consumption 
Symbol 
Parameter 
Test Conditions 
Typ. 
Unit 
IDD 
Supply current 
Operating mode  
Tx, +11dBm, 2-FSK, 915 MHz 
20 
mA 
Operating mode  
Tx, -7dBm, 2-FSK, 915 MHz 
8 
mA 
Operating mode  
Rx, 915 MHz 
11 
mA 
Operating mode – Idle 
800 
µA 
Command mode 
1.3 
mA 
Standby 
1.4 
µA 
2.5  RF compliance limits 
The RF compliance limits are those tested for FCC and CE certification. These limits are 
enforced by the factory loaded firmware. 
Table 5.  RF compliance limits 
Modulation 
Standards 
Parameter 
Max. 
Unit 
2-FSK 
GFSK  
MSK 
FCC Part 15.207 (1) 
FCC Part 15.247 (1) 
EN 300 220-2 V2.4.1 (2) 
EN 301 489-01 V1.9.2 (2) 
EN 301 489-03 V1.4.1 (2) 
Data rate 
500 
kbps 
Output power 
+11.6 
dBm 
OOK 
ASK 
FCC Part 15.207 (1) 
FCC Part 15.249 (1) 
EN 300 220-2 V2.4.1 (2) 
EN 301 489-01 V1.9.2 (2) 
EN 301 489-03 V1.4.1 (2) 
Data rate 
250 
kbps 
Output power 
+8.5 
dBm 
1.  FCC standards are only applicable to the SP1ML-915 module. 
2.  EN standards are only applicable to the SP1ML-868 module. 

Doc ID TBD Rev 0.8  Rev 0.1 
7/19 
www.st.com 
2.6  Pin assignment 
Table 6.  Pin assignment 
Pin 
Name 
Type 
Description 
STM32L pin(1) 
1 
TXRXLED 
O 
Active low Tx/Rx LED drive 
PA2 
2 
WKUP 
I/O 
Wake up module from shutdown 
PA0 
3 
GPIO0 
I/O 
General purpose input/output 0 
PB15 
4 
GPIO1 
I/O 
General purpose input/output 1 
PB14 
5 
MODE0 
I/O 
Protocol mode selection 0(2) 
PB13 
6 
MODE1 
I/O 
Protocol mode selection 1(2) 
PB12 
7 
VDD 
Power 
Supply input voltage 
- 
8 
GND 
Power 
Ground 
- 
9 
SWDIO 
I/O 
Serial wire I/O 
PA13 
10 
SWCLK 
I 
Serial wire clock 
PA14 
11 
BOOTMODE 
I 
Boot mode selection 
BOOT0 
12 
RESET 
I 
Reset input, active low 
NRST 
13 
TXD 
O 
UART transmit data 
PA9 
14 
RXD 
I 
UART receive data 
PA10 
15 
RTS 
O 
UART request to send 
PB6 
16 
CTS 
I 
UART clear to send 
PB7 
1.  For more details see the STM32L151RB datasheet, Pin descriptions section.  Alternate functions of any 
given pin are dependent on the user application firmware that is loaded into the module and is beyond the 
scope of the document.  
2.  Refer to Hardware design section for details of protocol mode selection. 

Doc ID TBD Rev 0.8  Rev 0.1 
9/19 
www.st.com 
3  Hardware design 
3.1  Pin usage 
If used with the default firmware and interfaced to a host MCU, at a minimum the SP1ML 
module requires power, ground and UART transmit and receive signals to be connected.  
Other signals are optional and provide additional functionality. These signals are outlined 
in the following table. Unused signals must not be connected. 
Table 7.  Module pin usage 
Pin 
Name 
Description 
Optional 
1 
TXRXLED 
An active-low open drain output that can drive an 
external LED for TX/RX activity status indication. 
Yes 
2 
WKUP 
Drive this signal low to put the module into a low 
power shutdown mode.  Float or drive the signal high 
to wake the module. 
Yes 
3 
GPIO0 
Reserved for future use, do not connect. 
Yes 
4 
GPIO1 
Reserved for future use, do not connect. 
Yes 
5 
MODE0 
Drive this signal low to force the module into 
operating mode. Drive this signal high to force the 
module into command mode. This enables faster 
switching between modes and obviates the need for 
escape sequences. 
Yes 
6 
MODE1 
Reserved for future use, do not connect. 
Yes 
7 
VDD 
Connect to power supply, 1.8V to 3.6V.   
No 
8 
GND 
Connect to system ground. 
No 
9 
SWDIO 
These signals are the serial wire debug (SWD) 
interface to the STM32L microcontroller, supporting 
the development and loading of custom firmware. 
Yes 
10 
SWCLK 
Yes 
11 
BOOTMODE 
Drive this signal high at power up or reset to start the 
boot loader and allow device firmware update over 
the UART interface. 
Yes 
12 
RESET 
Drive this signal low to hold the module in reset. Drive 
this signal high to release the module from reset. 
Yes 
13 
TXD 
Connect to the host system UART RXD input. 
No 
14 
RXD 
Connect to the host system UART TXD output. 
No 
15 
RTS 
Connect to the host system UART CTS output if flow 
control is required. 
Yes 
16 
CTS 
Connect to the host system UART RTS input if flow 
control is required. 
Yes 

10/19 
Doc ID TBD Rev 0.8  Rev 0.1 
www.st.com 
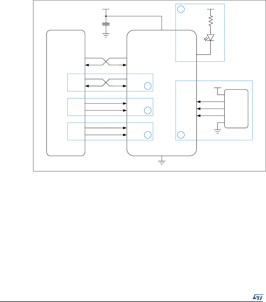
3.2  Typical application circuit 
In a typical application the SP1ML module is connected to a host MCU using a standard 
UART, with transmit and receive signals.  This is illustrated in the following diagram.   
Figure 3.  Typical application circuit 
SP1ML
MODULE
HOST
MCU
TXD TXD
RXD RXD
RTS RTS
CTS CTS
GPIO
GPIO
BOOTMODE
RESET
GPIO
GPIO
MODE0
WKUP
TXRXLED
1
2
3
4
VDD
RESET
SWCLK
SWDIO
5
SWD 
HEADER
VDD
VDD
VDD
GND
10uF
Optional Functionality 
1.  The TXRXLED signal is an active-low open drain output that can be used to drive an 
external LED for status indication when data is sent or received. 
2.  The RTS and CTS signals can be connected to the host UART interface if hardware 
flow control is required.  
3.  The MODE0 signal provides a hardware method for switching between command and 
operating modes.  The WKUP signal allows the module to be placed into a low power 
shutdown mode and woken up again. 
4.  The BOOTMODE AND RESET signals should be connected if module firmware will 
need to be updated over the UART interface. 
5.  To  support  custom  module  firmware,  the  serial  wire  debug  signals  need  to  be 
accessible for programming and debugging.  

Doc ID TBD Rev 0.8  Rev 0.1 
11/19 
www.st.com 
3.3  Layout guidelines 
The  application  PCB  requires  a  flooded  ground  plane.    Care  must  be  taken  to  ensure 
there are no traces or ground planes under the area surrounding the antenna, with the 
exception of minimal width traces from pins 1,2,3,4,13,14,15 and 16 of the module if these 
are used.  It is appropriate to place the module toward the edge of the PCB with no traces 
or ground planes from the antenna to the board edge. 
Figure 4.  Layout guidelines 
Application PCB
No copper on any layer surrounding antenna, except 
minimal traces from pins 1,2,3,4,13,14,15 and 16
Flooded ground plane required
(signal traces allowed)
min .
6 mm min .
6 mm

Doc ID TBD Rev 0.8  Rev 0.1 
13/19 
www.st.com 
3.5  Module reflow installation 
The  SP1ML  is  a  surface  mount  module  supplied  on  a  16-pin,  4-layer  PCB.  The  final 
assembly  recommended  reflow  profile  is  indicated  below,  based  on  IPC/JEDEC  JSTD-
020C, July 2004 recommendations. 
Table 8.  Soldering profile 
Profile feature 
Lead-free assembly 
Average ramp-up rate (TSMAX to TP) 
3 °C/sec max 
Preheat: 
– Temperature min. (TS min.) 
– Temperature max. (TS max.) 
– Time (ts min. to ts max.)(ts) 
150 °C 
200 °C 
60-100 sec 
Time maintained above: 
– Temperature TL 
– Temperature TL 
217 °C 
60-70 sec 
Peak temperature (TP) 
240 °C 
Time within 5 °C of actual peak temperature (TP) 
10-20 sec 
Ramp-down rate 
6 °C/sec 
Time from 25 °C to peak temperature 
8 minutes max. 
Figure 6.  Soldering profile 

Doc ID TBD Rev 0.8  Rev 0.1 
15/19 
www.st.com 
5  Regulatory compliance 
5.1  FCC certification 
This module has been tested and found to comply with the FCC part 15 rules. These limits 
are  designed to  provide reasonable  protection against harmful  interference in  approved 
installations.  This  equipment  generates,  uses,  and  can  radiate  radio  frequency  energy 
and,  if  not  installed  and  used  in  accordance  with  the  instructions,  may  cause  harmful 
interference to radio communications. 
However, there is no guarantee that interference may not occur in a particular installation. 
This device complies with part 15 of the FCC rules. Operation is subject to the following 
two conditions: (1) This device may not  cause harmful interference, and (2) this  device 
must accept any interference received, including interference that may cause undesired 
operation. 
Modifications or changes to this equipment not expressly approved by STMicroelectronics 
may render void the user's authority to operate this equipment. 
Modular approval 
FCC ID: S9NSP1ML 
In accordance with FCC part 15, the SP1ML-915 is listed as a modular transmitter device. 
This  module  is  evaluated  for  stand-alone  use  only.    Finished  products  incorporating 
multiple  transmitters  must  comply  with  colocation  and  RF  exposure  requirements  in 
accordance  with  FCC  multi-transmitter  product  procedures.    Collocated  transmitters 
operating in portable RF Exposure conditions (e.g. <20cm from persons including but not 
limited to body worn and hand held devices) may require separate approval. 
5.2  CE certification 
The module has been certified according to the following standards: 
EN 300 220-2 V2.4.1 
EN 301 489-01 V1.9.2 
EN 301 489-03 V1.4.1 

16/19 
Doc ID TBD Rev 0.8  Rev 0.1 
www.st.com 
5.3  Labeling instructions 
When integrating the SP1ML-915  into  the final product,  the  OEM must  ensure  that  the 
FCC labeling requirements are satisfied. A statement must be included on the exterior of 
the final product which indicates the product includes a certified module. The label should 
state the following (or similar wording that conveys the same meaning): 
Contains FCC ID: S9NSP1ML  
OR    This product contains FCC ID: S9NSP1ML  
The OEM must include the following statements on the exterior of the final product unless 
the product is too small (e.g. less than 4 x 4 inches): 
This device complies with Part 15 of the FCC Rules. Operation is subject to the 
following two conditions: (1) this device may not cause harmful interference, and 
(2) this  device must accept any interference received, including any interference 
that may cause undesired operation. 
5.4  Product manual instructions 
This section applies to OEM final products containing the SP1ML-915 module, subject to 
FCC  compliance.  The  final  product  manual  must  contain  the  following  statement  (or  a 
similar statement that conveys the same meaning): 
WARNING:    Changes  or  modifications  not  expressly  approved  by  the  party 
responsible for compliance could void the user’s authority to operate the equipment 
In  the  case  where  an  OEM  seeks  Class  B  (residential)  limits  for  the  final  product,  the 
following statement must be included in the final product manual: 
NOTE: This equipment has been tested and found to comply with the limits for a 
Class  B  digital  device,  pursuant  to  part  15  of  the  FCC  Rules.  These  limits  are 
designed  to  provide  reasonable  protection  against  harmful  interference  in  a 
residential  installation.  This  equipment  generates,  uses  and  can  radiate  radio 
frequency energy and, if not installed and used in accordance with the instructions, 
may  cause  harmful  interference  to  radio  communications.  However,  there  is  no 
guarantee  that  interference  will  not  occur  in  a  particular  installation.  If  this 
equipment does cause harmful interference to radio or television reception, which 
can be determined by turning the equipment off and on, the user is encouraged to 
try to correct the interference by one or more of the following measures: 
 Reorient or relocate the receiving antenna. 
 Increase the separation between the equipment and receiver. 
 Connect the equipment into an outlet on a circuit different from that to which the 
receiver is connected. 
 Consult the dealer or an experienced radio/TV technician for help. 

Doc ID TBD Rev 0.8  Rev 0.1 
17/19 
www.st.com 
In the case where an OEM seeks the lesser category of a Class A digital device for the 
final product, the following statement must be included in the final product manual: 
NOTE: This equipment has been tested and found to comply with the limits for a 
Class  A  digital  device,  pursuant  to  part  15  of  the  FCC  Rules.  These  limits  are 
designed to provide reasonable protection against harmful interference when the 
equipment is operated in  a  commercial  environment. This equipment  generates, 
uses,  and  can  radiate  radio  frequency  energy  and,  if  not  installed  and  used  in 
accordance with the instruction manual, may cause harmful interference to radio 
communications. Operation of this equipment in a residential area is likely to cause 
harmful  interference  in  which  case  the  user  will  be  required  to  correct  the 
interference at his expense. 

Doc ID TBD Rev 0.8  Rev 0.1 
19/19 
www.st.com 
 Please Read Carefully: 
Information in this document is provided solely in connection with ST products. STMicroelectronics NV and its subsidiaries (“ST”) reserve the 
right to make changes, corrections, modifications or improvements, to this document, and the products and services described herein at any 
time, without notice. 
All ST products are sold pursuant to ST’s terms and conditions of sale. 
Purchasers are solely responsible for the choice, selection and use of the ST products and services described herein, and ST  assumes no 
liability whatsoever relating to the choice, selection or use of the ST products and services described herein. 
No license, express or implied, by estoppel or otherwise, to any intellectual property rights is granted under this document. If any part of this 
document refers to any third party products or services it shall not be deemed a license grant by ST for the use of such third party products or 
services, or any intellectual property contained therein or considered as a warranty covering the use in any manner whatsoever of such third 
party products or services or any intellectual property contained therein. 
UNLESS  OTHERWISE  SET  FORTH  IN  ST’S  TERMS  AND  CONDITIONS  OF  SALE  ST  DISCLAIMS  ANY  EXPRESS  OR  IMPLIED 
WARRANTY  WITH  RESPECT  TO  THE  USE  AND/OR  SALE  OF  ST  PRODUCTS  INCLUDING  WITHOUT  LIMITATION  IMPLIED 
WARRANTIES OF MERCHANTABILITY, FITNESS FOR A PARTICULAR PURPOSE (AND THEIR EQUIVALENTS UNDER THE LAWS OF 
ANY JURISDICTION), OR INFRINGEMENT OF ANY PATENT, COPYRIGHT OR OTHER INTELLECTUAL PROPERTY RIGHT. 
UNLESS  EXPRESSLY  APPROVED  IN  WRITING  BY  TWO  AUTHORIZED  ST  REPRESENTATIVES,  ST  PRODUCTS  ARE  NOT 
RECOMMENDED, AUTHORIZED OR WARRANTED FOR USE IN MILITARY, AIR CRAFT, SPACE, LIFE SAVING, OR LIFE SUSTAINING 
APPLICATIONS,  NOR  IN  PRODUCTS  OR  SYSTEMS  WHERE  FAILURE  OR  MALFUNCTION  MAY  RESULT  IN  PERSONAL  INJURY, 
DEATH, OR SEVERE PROPERTY OR ENVIRONMENTAL DAMAGE. ST PRODUCTS WHICH ARE NOT SPECIFIED AS "AUTOMOTIVE 
GRADE" MAY ONLY BE USED IN AUTOMOTIVE APPLICATIONS AT USER’S OWN RISK. 
Resale of ST products with provisions different from the statements and/or technical features set forth in this document shall immediately void 
any warranty granted by ST for the ST product or service described herein and shall not create or extend in any manner whatsoever, any 
liability of ST. 
 ST and the ST logo are trademarks or registered trademarks of ST in various countries. 
 Information in this document supersedes and replaces all information previously supplied. 
 The ST logo is a registered trademark of STMicroelectronics. All other names are the property of their respective owners. 
© 2014 STMicroelectronics - All rights reserved 
STMicroelectronics group of companies 
Australia - Belgium - Brazil - Canada - China - Czech Republic - Finland - France - Germany - Hong Kong - India - Israel - Italy - Japan - 
Malaysia - Malta - Morocco - Philippines - Singapore - Spain - Sweden - Switzerland - United Kingdom - United States of America 
www.st.com 



