STI UB 1 Universal Button Installation UB1Install
User Manual: STI UB-1 Universal Button Installation Installation Instructions
Open the PDF directly: View PDF
.
Page Count: 8

UB-1 Universal Button
UB-1/LTUL Universal Button with Latching Timer
We protect the things that protect you.®
For UB-1/LTUL the enclosed timer is to be used and installed per the enclosed LT-1UL installation sheet.
For access control installations, power for the LT-1UL Timer must be supplied by a power source listed to
UL294. When used for access control, this device shall be used as part of an access controlled egress door
system. It is up to the local AHJ to allow use of this device in place of an automatic sensor. For higher security
installations, lower time limits should be used.
Pour les modèles UB-1/LTUL, la minuterie intégrée doit être installée et utilisée suivant la fiche d’installation
LT-1UL fournie. Pour les installations de contrôle d’accès, l’alimentation de la minuterie LT-1 doit être fournie
par une source homologuée UL294. Lorsque cet appareil est utilisé aux fins de contrôle d’accès, il doit faire
partie d’un système de porte de sortie à accès contrôlé. Il incombe donc à l’AHJ local d’autoriser l’utilisation
de cet appareil au lieu d’un capteur automatique. Pour les installations de sécurité plus renforcée, des délais
inférieurs doivent être utilisés.
ADA
Compliant
ADA
Compliant

NOTES
It is important to read, understand and follow all instructions provided with this product. It
is the installer’s responsibility to comply with NFPA 70 & 101, NEC, mounting specifications
according to ADA and other applicable electrical codes. For Type SM (Self Monitored) rating,
the term Emergency message may be installed on Model UB-1 when used in a system
with a Listed, compatible Releasing Device. All other applications are rated Type NM (Non-
Monitored) for non-emergency signaling. To avoid electrical shock, DO NOT attempt to install
this product when power is on. ADA mounting compliance requires the operable part of
the initiating device shall not be less than 3 1/2 ft. (1.1m ) or greater than 4 1/2 ft. (1.37m)
above finished floor surface. After installation and testing are complete, provide a copy of
this manual to all personnel responsible for testing and maintenance of this product.
REMARQUES
Il est important de lire, de comprendre et de suivre
toutes les instructions fournies avec ce produit. Il
incombe à l’installateur de se conformer aux normes
NFPA 70 et 101, NEC, aux spécifications de montage
selon l’ADA et aux autres codes de l’électricité en
vigueur. Pour les cotes de type SM (auto surveillée),
le message d’Urgence peut être apposé sur le modèle
UB-1 lorsqu’il est utilisé dans un système intégrant
un dispositif de déclenchement compatible et
homologué. Toutes les autres applications sont cotées
de Type NM (non surveillée) pour la signalisation non
urgente. Pour éviter un choc électrique, NE tentez
PAS d’installer ce produit lorsqu’il est sous tension.
La conformité aux règles d’installation de l’ADA exige
que la partie utilisable du dispositif de déclenchement
soit installée à une hauteur située entre 3 1/2 pi (1,1
m) et 4 1/2 pi (1,37 m) au-dessus du plancher fini.
Une fois l’installation et les essais terminés, vous devez fournir une copie de ce manuel à l’ensemble du
personnel chargé de l’essai et de l’entretien de ce produit.
SWITCH RATING
2 Momentary Independent Form “C” contacts
UB-1/rated at: 10A, 1/2 HP, 125/250 VAC
6A, 30 VDC
100,000 Operations
Temperature: -40° to 185°F (-40° to 85°C)
- 2 -
Model UB-1/LTUL
Form C contacts on
Timer rated:
30 VDC 3A, 1.0 pf
Power In
12–30 VDC/VAC
Safety Tech. Int’l Inc.
P/N UB-11. Ver 1.0
wwyy
DIFFUSER
TO SUPERVISED STATION
OR AUXILLARY DEVICE
SW1
SW2
NC
COM
NO
NC
COM
NO
MAG LOCK
MESSAGE LENS PCB
12–24VDC
BUTTON LED
NORMAL POSITION BUTTON ACTIVATED
MAGNETIC LOCK
BUTTON LAMP
MESSAGE LAMP
ON
ON
OFF
OFF
OFF
ON
NO
NC
COM
LED –
LED +
SWITCH 1
SWITCH 2
12
34
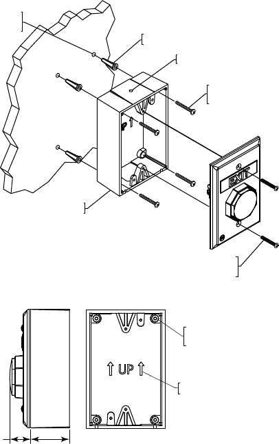
SCREWDRIVER
4.830 in.
(123mm)
3.220 in.
(82mm) 1.328 in.
(34mm)
.867 in.
(22mm)
UB-1L LED PCB
NYLON WASHER
SELF TAPPING SCREW
19085 #6 - 32 x 1” OVAL
HEAD MACHINE SCREW
(2) PROVIDED
#8-10 7/8 in. ANCHOR
(4) PROVIDED
DRILL POINT PROVIDED TOP & BOTTOM
FOR 1/2 in. CONDUIT. DRILL AS NEEDED.
#6 x 1 1/4 in.
PHILLIPS PAN HEAD SCREW
(4) PROVIDED
DRILL (4)
3/16 in.
DIAMETER HOLES
KIT-71100A-COLOR
BACKBOX
#6-32 x 1 in. PHILLIPS
OVAL HEAD MACHINE SCREW
18-8 SS(2) PROVIDED
DRILL OUT THE (4) MOUNTING
HOLES, ONE IN EACH CORNER,
USING 5/32 in. DRILL BIT
BACKBOX MUST BE MOUNTED
WITH ARROWS POINTING UP
.867 in.
(22mm) 1.575 in.
(40mm)
UB-1L LED PCB
TOP TAB
ACTUATOR
Power In
12–30 VDC/VAC
Safety Tech. Int’l Inc.
P/N UB-11. Ver 1.0
wwyy
CAP
BUTTON
SPRING
NEW DRAWING

1. TO CHANGE BUTTON COLOR AND ROUND MESSAGE
1. Choose button message and color. If same as
existing, proceed to 2.
2. To remove push button actuator assembly, pinch
together actuator tabs in direction of arrows shown
above and push through plate.
3. Push actuator through plate.
4. Align actuator cap to push button actuator. Align button
slots to tabs on push button actuator.
5. Snap button onto push button actuator and rotate right
to lock.
6. Insert spring into push button actuator.
7. Pinch legs of push button actuator and align into die
cast plate.
1. Remove LED circuit board.
2. Remove current message by pushing in
and down on tabs 1 and 2 with a small
screwdriver. If necessary, also push in and
down on tabs 3 and 4. Once message is
loose, remove from the front of the plate.
3. Select new message and snap into place.
Blank plates are included to create your
own custom message.
2. CHANGE TOP MESSAGE
Refer to notes on pg. 2 for “EMERGENCY”
message use.
- 3 -
Power In
12–30 VDC/VAC
Safety Tech. Int’l Inc.
P/N UB-11. Ver 1.0
wwyy
DIFFUSER
TO SUPERVISED STATION
OR AUXILLARY DEVICE
SW1
SW2
NC
COM
NO
NC
COM
NO
MAG LOCK
MESSAGE LENS PCB
12–24VDC
BUTTON LED
NORMAL POSITION BUTTON ACTIVATED
MAGNETIC LOCK
BUTTON LAMP
MESSAGE LAMP
ON
ON
OFF
OFF
OFF
ON
NO
NC
COM
LED –
LED +
SWITCH 1
SWITCH 2
12
34
SCREWDRIVER
4.830 in.
(123mm)
3.220 in.
(82mm) 1.328 in.
(34mm)
.867 in.
(22mm)
UB-1L LED PCB
NYLON WASHER
SELF TAPPING SCREW
19085 #6 - 32 x 1” OVAL
HEAD MACHINE SCREW
(2) PROVIDED
#8-10 7/8 in. ANCHOR
(4) PROVIDED
DRILL POINT PROVIDED TOP & BOTTOM
FOR 1/2 in. CONDUIT. DRILL AS NEEDED.
#6 x 1 1/4 in.
PHILLIPS PAN HEAD SCREW
(4) PROVIDED
DRILL (4)
3/16 in.
DIAMETER HOLES
KIT-71100A-COLOR
BACKBOX
#6-32 x 1 in. PHILLIPS
OVAL HEAD MACHINE SCREW
18-8 SS(2) PROVIDED
DRILL OUT THE (4) MOUNTING
HOLES, ONE IN EACH CORNER,
USING 5/32 in. DRILL BIT
BACKBOX MUST BE MOUNTED
WITH ARROWS POINTING UP
.867 in.
(22mm) 1.575 in.
(40mm)
UB-1L LED PCB
TOP TAB
ACTUATOR
Power In
12–30 VDC/VAC
Safety Tech. Int’l Inc.
P/N UB-11. Ver 1.0
wwyy
CAP
BUTTON
SPRING
NEW DRAWING
Power In
12–30 VDC/VAC
Safety Tech. Int’l Inc.
P/N UB-11. Ver 1.0
wwyy
DIFFUSER
TO SUPERVISED STATION
OR AUXILLARY DEVICE
SW1
SW2
NC
COM
NO
NC
COM
NO
MAG LOCK
MESSAGE LENS PCB
12–24VDC
BUTTON LED
NORMAL POSITION BUTTON ACTIVATED
MAGNETIC LOCK
BUTTON LAMP
MESSAGE LAMP
ON
ON
OFF
OFF
OFF
ON
NO
NC
COM
LED –
LED +
SWITCH 1
SWITCH 2
12
34
SCREWDRIVER
4.830 in.
(123mm)
3.220 in.
(82mm) 1.328 in.
(34mm)
.867 in.
(22mm)
UB-1L LED PCB
NYLON WASHER
SELF TAPPING SCREW
19085 #6 - 32 x 1” OVAL
HEAD MACHINE SCREW
(2) PROVIDED
#8-10 7/8 in. ANCHOR
(4) PROVIDED
DRILL POINT PROVIDED TOP & BOTTOM
FOR 1/2 in. CONDUIT. DRILL AS NEEDED.
#6 x 1 1/4 in.
PHILLIPS PAN HEAD SCREW
(4) PROVIDED
DRILL (4)
3/16 in.
DIAMETER HOLES
KIT-71100A-COLOR
BACKBOX
#6-32 x 1 in. PHILLIPS
OVAL HEAD MACHINE SCREW
18-8 SS(2) PROVIDED
DRILL OUT THE (4) MOUNTING
HOLES, ONE IN EACH CORNER,
USING 5/32 in. DRILL BIT
BACKBOX MUST BE MOUNTED
WITH ARROWS POINTING UP
.867 in.
(22mm) 1.575 in.
(40mm)
UB-1L LED PCB
TOP TAB
ACTUATOR
Power In
12–30 VDC/VAC
Safety Tech. Int’l Inc.
P/N UB-11. Ver 1.0
wwyy
CAP
BUTTON
SPRING
NEW DRAWING
Power In
12–30 VDC/VAC
Safety Tech. Int’l Inc.
P/N UB-11. Ver 1.0
wwyy
DIFFUSER
TO SUPERVISED STATION
OR AUXILLARY DEVICE
SW1
SW2
NC
COM
NO
NC
COM
NO
MAG LOCK
MESSAGE LENS PCB
12–24VDC
BUTTON LED
NORMAL POSITION BUTTON ACTIVATED
MAGNETIC LOCK
BUTTON LAMP
MESSAGE LAMP
ON
ON
OFF
OFF
OFF
ON
NO
NC
COM
LED –
LED +
SWITCH 1
SWITCH 2
12
34
SCREWDRIVER
4.830 in.
(123mm)
3.220 in.
(82mm) 1.328 in.
(34mm)
.867 in.
(22mm)
UB-1L LED PCB
NYLON WASHER
SELF TAPPING SCREW
19085 #6 - 32 x 1” OVAL
HEAD MACHINE SCREW
(2) PROVIDED
#8-10 7/8 in. ANCHOR
(4) PROVIDED
DRILL POINT PROVIDED TOP & BOTTOM
FOR 1/2 in. CONDUIT. DRILL AS NEEDED.
#6 x 1 1/4 in.
PHILLIPS PAN HEAD SCREW
(4) PROVIDED
DRILL (4)
3/16 in.
DIAMETER HOLES
KIT-71100A-COLOR
BACKBOX
#6-32 x 1 in. PHILLIPS
OVAL HEAD MACHINE SCREW
18-8 SS(2) PROVIDED
DRILL OUT THE (4) MOUNTING
HOLES, ONE IN EACH CORNER,
USING 5/32 in. DRILL BIT
BACKBOX MUST BE MOUNTED
WITH ARROWS POINTING UP
.867 in.
(22mm) 1.575 in.
(40mm)
UB-1L LED PCB
TOP TAB
ACTUATOR
Power In
12–30 VDC/VAC
Safety Tech. Int’l Inc.
P/N UB-11. Ver 1.0
wwyy
CAP
BUTTON
SPRING
NEW DRAWING
Power In
12–30 VDC/VAC
Safety Tech. Int’l Inc.
P/N UB-11. Ver 1.0
wwyy
DIFFUSER
TO SUPERVISED STATION
OR AUXILLARY DEVICE
SW1
SW2
NC
COM
NO
NC
COM
NO
MAG LOCK
MESSAGE LENS PCB
12–24VDC
BUTTON LED
NORMAL POSITION BUTTON ACTIVATED
MAGNETIC LOCK
BUTTON LAMP
MESSAGE LAMP
ON
ON
OFF
OFF
OFF
ON
NO
NC
COM
LED –
LED +
SWITCH 1
SWITCH 2
12
34
SCREWDRIVER
4.830 in.
(123mm)
3.220 in.
(82mm) 1.328 in.
(34mm)
.867 in.
(22mm)
UB-1L LED PCB
NYLON WASHER
SELF TAPPING SCREW
19085 #6 - 32 x 1” OVAL
HEAD MACHINE SCREW
(2) PROVIDED
#8-10 7/8 in. ANCHOR
(4) PROVIDED
DRILL POINT PROVIDED TOP & BOTTOM
FOR 1/2 in. CONDUIT. DRILL AS NEEDED.
#6 x 1 1/4 in.
PHILLIPS PAN HEAD SCREW
(4) PROVIDED
DRILL (4)
3/16 in.
DIAMETER HOLES
KIT-71100A-COLOR
BACKBOX
#6-32 x 1 in. PHILLIPS
OVAL HEAD MACHINE SCREW
18-8 SS(2) PROVIDED
DRILL OUT THE (4) MOUNTING
HOLES, ONE IN EACH CORNER,
USING 5/32 in. DRILL BIT
BACKBOX MUST BE MOUNTED
WITH ARROWS POINTING UP
.867 in.
(22mm) 1.575 in.
(40mm)
UB-1L LED PCB
TOP TAB
ACTUATOR
Power In
12–30 VDC/VAC
Safety Tech. Int’l Inc.
P/N UB-11. Ver 1.0
wwyy
CAP
BUTTON
SPRING
NEW DRAWING

3. INSTALL OR REMOVE CONTACT BLOCK
- 4 -
INSTALL
To attach, align tabs (as shown) and gently snap top,
then bottom. Be sure to hear BOTH tabs snap into
place. (Can be reversed if wiring comes from the top
of the box.)
REMOVE
Repeat STEP A for the top and bottom tab before removing contact block.
Step A: Position small flat screwdriver blade under tab and gently rotate until tab disengages.
The contact block will rotate a little. Do NOT pull yet.
Step B: Repeat for opposite tab.
Step C: When both tabs are disengaged, pull the contact block straight off.
A
B
STEP A COMPLETED
STEP B
STEP A
STEP C
Power In
12–30 VDC/VAC
Safety Tech. Int’l Inc.
P/N UB-11. Ver 1.0
wwyy
DIFFUSER
TO SUPERVISED STATION
OR AUXILLARY DEVICE
SW1
SW2
NC
COM
NO
NC
COM
NO
MAG LOCK
MESSAGE LENS PCB
12–24VDC
BUTTON LED
NORMAL POSITION BUTTON ACTIVATED
MAGNETIC LOCK
BUTTON LAMP
MESSAGE LAMP
ON
ON
OFF
OFF
OFF
ON
NO
NC
COM
LED –
LED +
SWITCH 1
SWITCH 2
12
34
SCREWDRIVER
4.830 in.
(123mm)
3.220 in.
(82mm) 1.328 in.
(34mm)
.867 in.
(22mm)
UB-1L LED PCB
NYLON WASHER
SELF TAPPING SCREW
19085 #6 - 32 x 1” OVAL
HEAD MACHINE SCREW
(2) PROVIDED
#8-10 7/8 in. ANCHOR
(4) PROVIDED
DRILL POINT PROVIDED TOP & BOTTOM
FOR 1/2 in. CONDUIT. DRILL AS NEEDED.
#6 x 1 1/4 in.
PHILLIPS PAN HEAD SCREW
(4) PROVIDED
DRILL (4)
3/16 in.
DIAMETER HOLES
KIT-71100A-COLOR
BACKBOX
#6-32 x 1 in. PHILLIPS
OVAL HEAD MACHINE SCREW
18-8 SS(2) PROVIDED
DRILL OUT THE (4) MOUNTING
HOLES, ONE IN EACH CORNER,
USING 5/32 in. DRILL BIT
BACKBOX MUST BE MOUNTED
WITH ARROWS POINTING UP
.867 in.
(22mm) 1.575 in.
(40mm)
UB-1L LED PCB
TOP TAB
ACTUATOR
Power In
12–30 VDC/VAC
Safety Tech. Int’l Inc.
P/N UB-11. Ver 1.0
wwyy
CAP
BUTTON
SPRING
NEW DRAWING

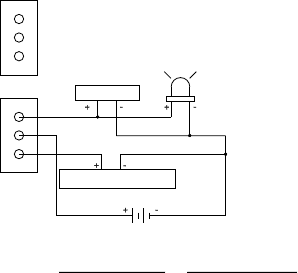
4. ATTACH POWER FOR MESSAGE LED (if desired)
(See drawing)
- 5 -
NOTE
LED connection: The polarity shown is factory installed. LED is polarity sensitive. If LED
does not light, switch positive and negative wiring or remove LED and rotate 180°. 24 volt is
included and will operate on 12 volts; however not as bright. 12 volt LED’s are also available.
Power In
12–30 VDC/VAC
Safety Tech. Int’l Inc.
P/N UB-11. Ver 1.0
wwyy
DIFFUSER
TO SUPERVISED STATION
OR AUXILLARY DEVICE
SW1
SW2
NC
COM
NO
NC
COM
NO
MAG LOCK
MESSAGE LENS PCB
12–24VDC
BUTTON LED
NORMAL POSITION BUTTON ACTIVATED
MAGNETIC LOCK
BUTTON LAMP
MESSAGE LAMP
ON
ON
OFF
OFF
OFF
ON
NO
NC
COM
LED –
LED +
SWITCH 1
SWITCH 2
12
34
SCREWDRIVER
4.830 in.
(123mm)
3.220 in.
(82mm) 1.328 in.
(34mm)
.867 in.
(22mm)
UB-1L LED PCB
NYLON WASHER
SELF TAPPING SCREW
19085 #6 - 32 x 1” OVAL
HEAD MACHINE SCREW
(2) PROVIDED
#8-10 7/8 in. ANCHOR
(4) PROVIDED
DRILL POINT PROVIDED TOP & BOTTOM
FOR 1/2 in. CONDUIT. DRILL AS NEEDED.
#6 x 1 1/4 in.
PHILLIPS PAN HEAD SCREW
(4) PROVIDED
DRILL (4)
3/16 in.
DIAMETER HOLES
KIT-71100A-COLOR
BACKBOX
#6-32 x 1 in. PHILLIPS
OVAL HEAD MACHINE SCREW
18-8 SS(2) PROVIDED
DRILL OUT THE (4) MOUNTING
HOLES, ONE IN EACH CORNER,
USING 5/32 in. DRILL BIT
BACKBOX MUST BE MOUNTED
WITH ARROWS POINTING UP
.867 in.
(22mm) 1.575 in.
(40mm)
UB-1L LED PCB
TOP TAB
ACTUATOR
Power In
12–30 VDC/VAC
Safety Tech. Int’l Inc.
P/N UB-11. Ver 1.0
wwyy
CAP
BUTTON
SPRING
NEW DRAWING

5. SURFACE MOUNT OPTION
- 6 -
Power In
12–30 VDC/VAC
Safety Tech. Int’l Inc.
P/N UB-11. Ver 1.0
wwyy
DIFFUSER
TO SUPERVISED STATION
OR AUXILLARY DEVICE
SW1
SW2
NC
COM
NO
NC
COM
NO
MAG LOCK
MESSAGE LENS PCB
12–24VDC
BUTTON LED
NORMAL POSITION BUTTON ACTIVATED
MAGNETIC LOCK
BUTTON LAMP
MESSAGE LAMP
ON
ON
OFF
OFF
OFF
ON
NO
NC
COM
LED –
LED +
SWITCH 1
SWITCH 2
12
34
SCREWDRIVER
4.830 in.
(123mm)
3.220 in.
(82mm) 1.328 in.
(34mm)
.867 in.
(22mm)
UB-1L LED PCB
NYLON WASHER
SELF TAPPING SCREW
19085 #6 - 32 x 1” OVAL
HEAD MACHINE SCREW
(2) PROVIDED
#8-10 7/8 in. ANCHOR
(4) PROVIDED
DRILL POINT PROVIDED TOP & BOTTOM
FOR 1/2 in. CONDUIT. DRILL AS NEEDED.
#6 x 1 1/4 in.
PHILLIPS PAN HEAD SCREW
(4) PROVIDED
DRILL (4)
3/16 in.
DIAMETER HOLES
KIT-71100A-COLOR
BACKBOX
#6-32 x 1 in. PHILLIPS
OVAL HEAD MACHINE SCREW
18-8 SS(2) PROVIDED
DRILL OUT THE (4) MOUNTING
HOLES, ONE IN EACH CORNER,
USING 5/32 in. DRILL BIT
BACKBOX MUST BE MOUNTED
WITH ARROWS POINTING UP
.867 in.
(22mm) 1.575 in.
(40mm)
UB-1L LED PCB
TOP TAB
ACTUATOR
Power In
12–30 VDC/VAC
Safety Tech. Int’l Inc.
P/N UB-11. Ver 1.0
wwyy
CAP
BUTTON
SPRING
NEW DRAWING
Power In
12–30 VDC/VAC
Safety Tech. Int’l Inc.
P/N UB-11. Ver 1.0
wwyy
DIFFUSER
TO SUPERVISED STATION
OR AUXILLARY DEVICE
SW1
SW2
NC
COM
NO
NC
COM
NO
MAG LOCK
MESSAGE LENS PCB
12–24VDC
BUTTON LED
NORMAL POSITION BUTTON ACTIVATED
MAGNETIC LOCK
BUTTON LAMP
MESSAGE LAMP
ON
ON
OFF
OFF
OFF
ON
NO
NC
COM
LED –
LED +
SWITCH 1
SWITCH 2
12
34
SCREWDRIVER
4.830 in.
(123mm)
3.220 in.
(82mm) 1.328 in.
(34mm)
.867 in.
(22mm)
UB-1L LED PCB
NYLON WASHER
SELF TAPPING SCREW
19085 #6 - 32 x 1” OVAL
HEAD MACHINE SCREW
(2) PROVIDED
#8-10 7/8 in. ANCHOR
(4) PROVIDED
DRILL POINT PROVIDED TOP & BOTTOM
FOR 1/2 in. CONDUIT. DRILL AS NEEDED.
#6 x 1 1/4 in.
PHILLIPS PAN HEAD SCREW
(4) PROVIDED
DRILL (4)
3/16 in.
DIAMETER HOLES
KIT-71100A-COLOR
BACKBOX
#6-32 x 1 in. PHILLIPS
OVAL HEAD MACHINE SCREW
18-8 SS(2) PROVIDED
DRILL OUT THE (4) MOUNTING
HOLES, ONE IN EACH CORNER,
USING 5/32 in. DRILL BIT
BACKBOX MUST BE MOUNTED
WITH ARROWS POINTING UP
.867 in.
(22mm) 1.575 in.
(40mm)
UB-1L LED PCB
TOP TAB
ACTUATOR
Power In
12–30 VDC/VAC
Safety Tech. Int’l Inc.
P/N UB-11. Ver 1.0
wwyy
CAP
BUTTON
SPRING
NEW DRAWING

- 7 -
7. CUSTOM LABELS
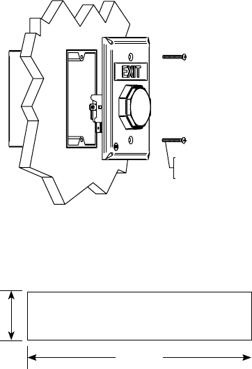
To create your own custom label, size to fit in .48h x 2.23w as shown below.
Also available online at: www.sti-usa.com/ublabel
2.23 in.
.48 in.
6. MOUNT BUTTON ONTO ELECTRICAL BOX OPTION
WARRANTY
Three year guarantee against breakage of polycarbonate in normal use (one year on
electro mechanical and electronic components).
Electronic warranty form at www.sti-usa.com/wc14.
Power In
12–30 VDC/VAC
Safety Tech. Int’l Inc.
P/N UB-11. Ver 1.0
wwyy
DIFFUSER
TO SUPERVISED STATION
OR AUXILLARY DEVICE
SW1
SW2
NC
COM
NO
NC
COM
NO
MAG LOCK
MESSAGE LENS PCB
12–24VDC
BUTTON LED
NORMAL POSITION BUTTON ACTIVATED
MAGNETIC LOCK
BUTTON LAMP
MESSAGE LAMP
ON
ON
OFF
OFF
OFF
ON
NO
NC
COM
LED –
LED +
SWITCH 1
SWITCH 2
12
34
SCREWDRIVER
4.830 in.
(123mm)
3.220 in.
(82mm) 1.328 in.
(34mm)
.867 in.
(22mm)
UB-1L LED PCB
NYLON WASHER
SELF TAPPING SCREW
19085 #6 - 32 x 1” OVAL
HEAD MACHINE SCREW
(2) PROVIDED
#8-10 7/8 in. ANCHOR
(4) PROVIDED
DRILL POINT PROVIDED TOP & BOTTOM
FOR 1/2 in. CONDUIT. DRILL AS NEEDED.
#6 x 1 1/4 in.
PHILLIPS PAN HEAD SCREW
(4) PROVIDED
DRILL (4)
3/16 in.
DIAMETER HOLES
KIT-71100A-COLOR
BACKBOX
#6-32 x 1 in. PHILLIPS
OVAL HEAD MACHINE SCREW
18-8 SS(2) PROVIDED
DRILL OUT THE (4) MOUNTING
HOLES, ONE IN EACH CORNER,
USING 5/32 in. DRILL BIT
BACKBOX MUST BE MOUNTED
WITH ARROWS POINTING UP
.867 in.
(22mm) 1.575 in.
(40mm)
UB-1L LED PCB
TOP TAB
ACTUATOR
Power In
12–30 VDC/VAC
Safety Tech. Int’l Inc.
P/N UB-11. Ver 1.0
wwyy
CAP
BUTTON
SPRING
NEW DRAWING

Printed in USA Inst. Sht. UB-1 Button FEB2016
2306 Airport Rd • Waterford, MI 48327, USA
Phone: 248-673-9898 • Fax: 248-673-1246
info@sti-usa.com • www.sti-usa.com
Safety Technology International Ltd
Taylor House • 34 Sherwood Road • Bromsgrove
Worcestershire • B60 3DR • England • Tel: +44 (0)1527 520 999
Fax: +44 (0)1527 501 999 • info@sti-europe.com • www.sti-europe.com
PART # DESCRIPTION
KIT-UB-1C CONTACT BLOCK
KIT-71100A-COLOR (red, blue, green, white or yellow) COLORMATCH BACKBOX KIT
UB-1CL-COLOR (blue, green, white or yellow) CUSTOM LABEL APPLIED TO
BLANK MESSAGE PLATES
24 VOLT LED
E10147 WHITE (STANDARD)
E10145 RED
E10141 BLUE
E10143 GREEN
12 VOLT LED
E10144 RED
E10140 BLUE
E10142 GREEN
COVERS
STI-6518 BOPPER STOPPER
STI-13000 SERIES UNIVERSAL STOPPER
STI-1100 SERIES STOPPER II
– SEE WEBSITE FOR COMPLETE COVER DETAILS –
ACCESSORIES