Samsung Electronics Co SW248 Internal CD-R/RW Drive User Manual SW 248B E BG68 XXXXXA

Samsung Electronics Co Ltd Internal CD-R/RW Drive SW 248B E BG68 XXXXXA

Contents

Users Manual 2

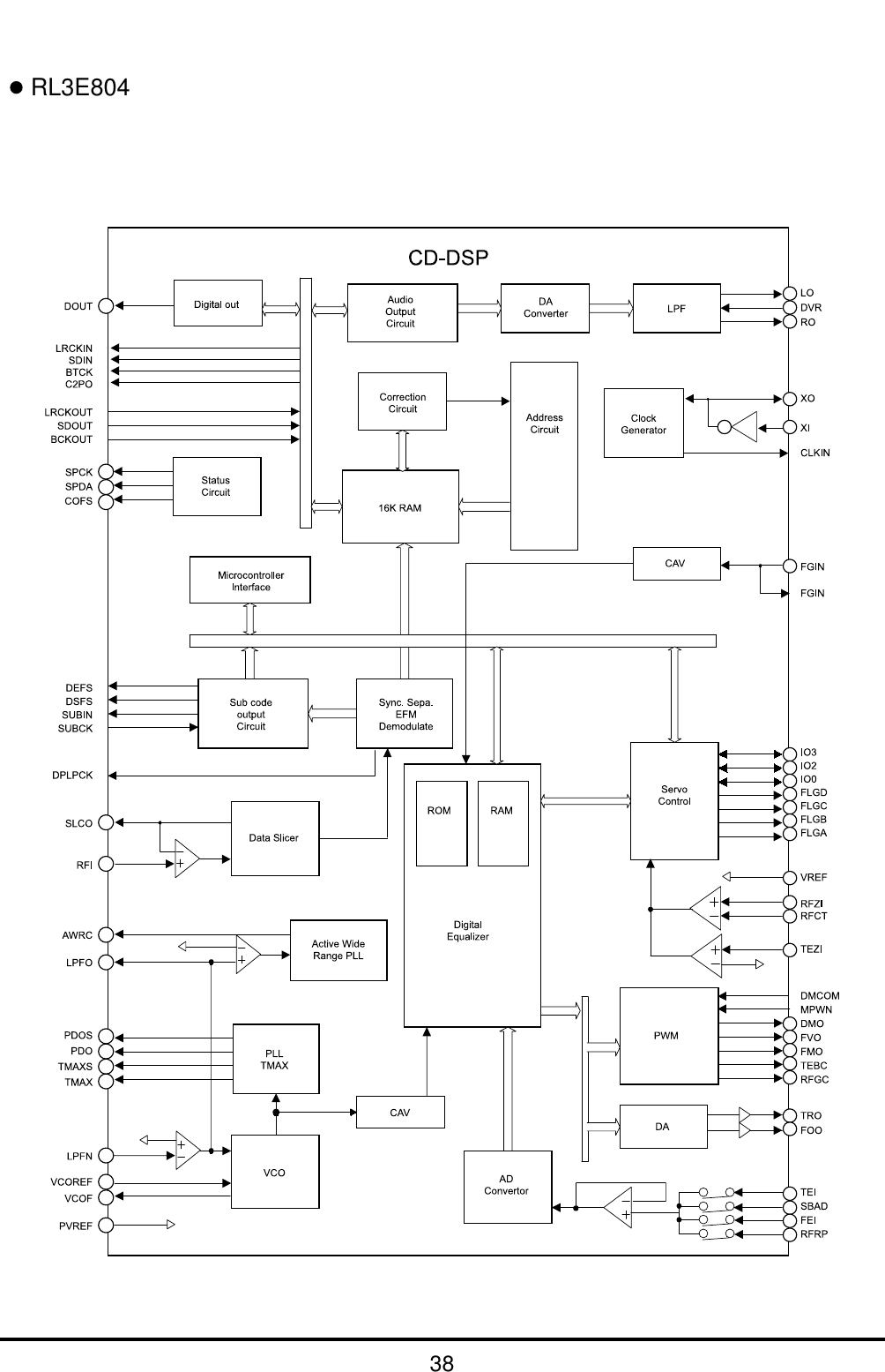
26Main Components Block Diagram and Pin DescritionRL3E804
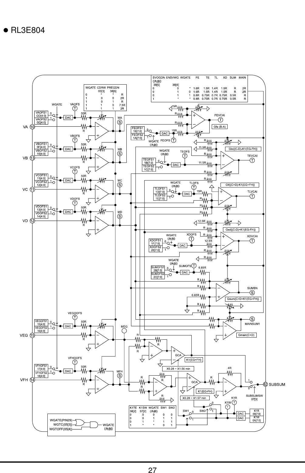
27RL3E804
28RL3E804
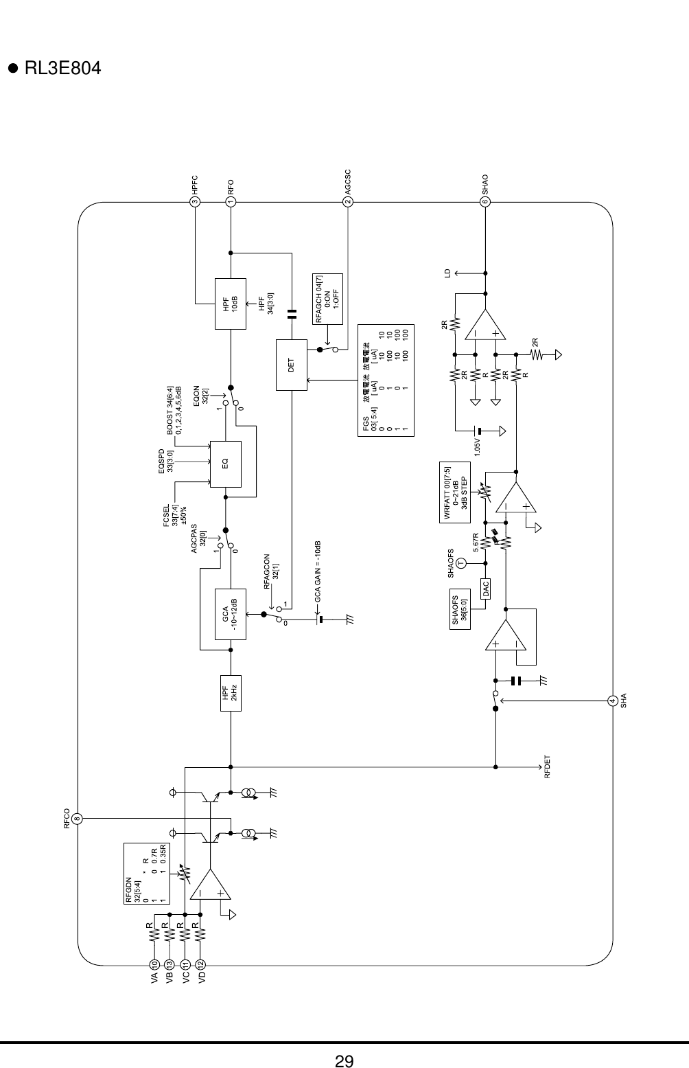
29RL3E804
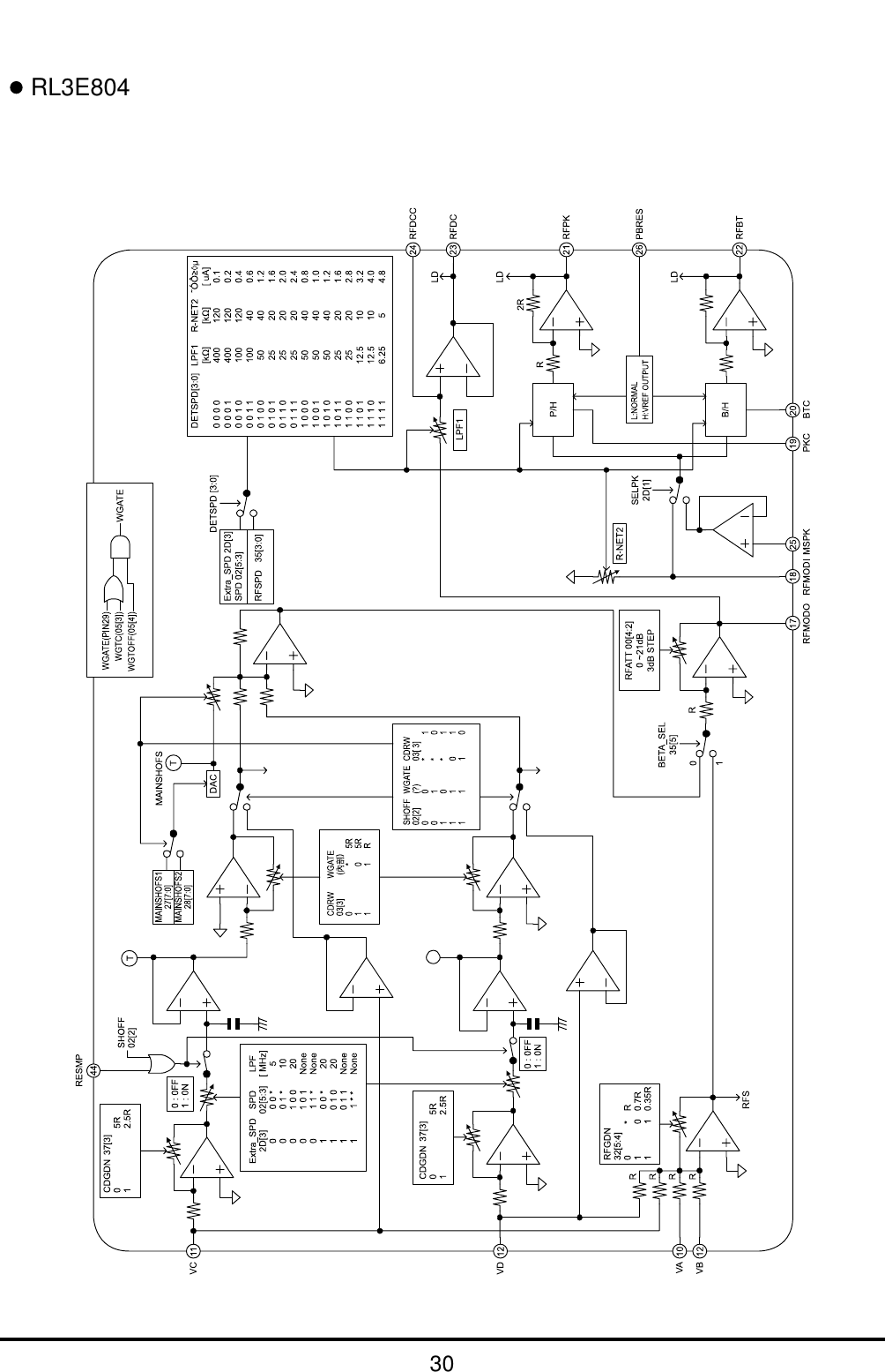
30RL3E804
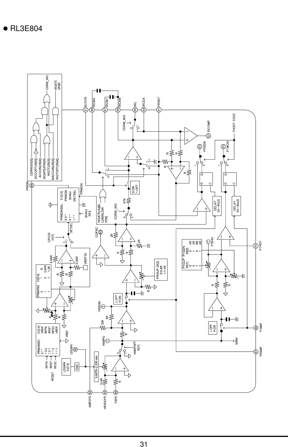
31RL3E804
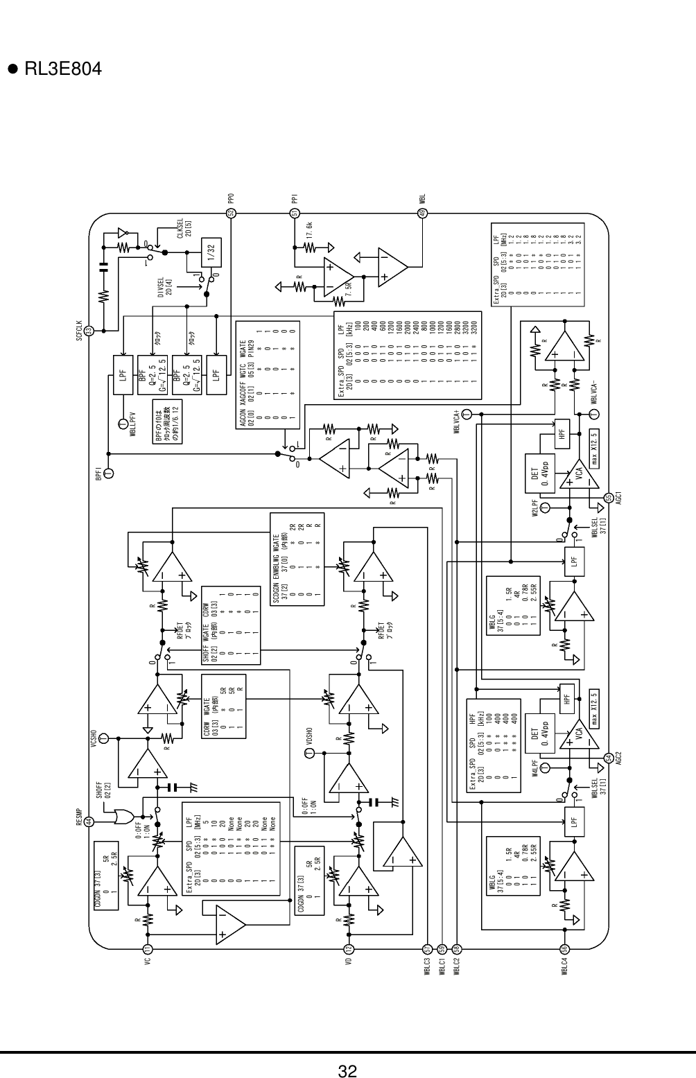
32RL3E804
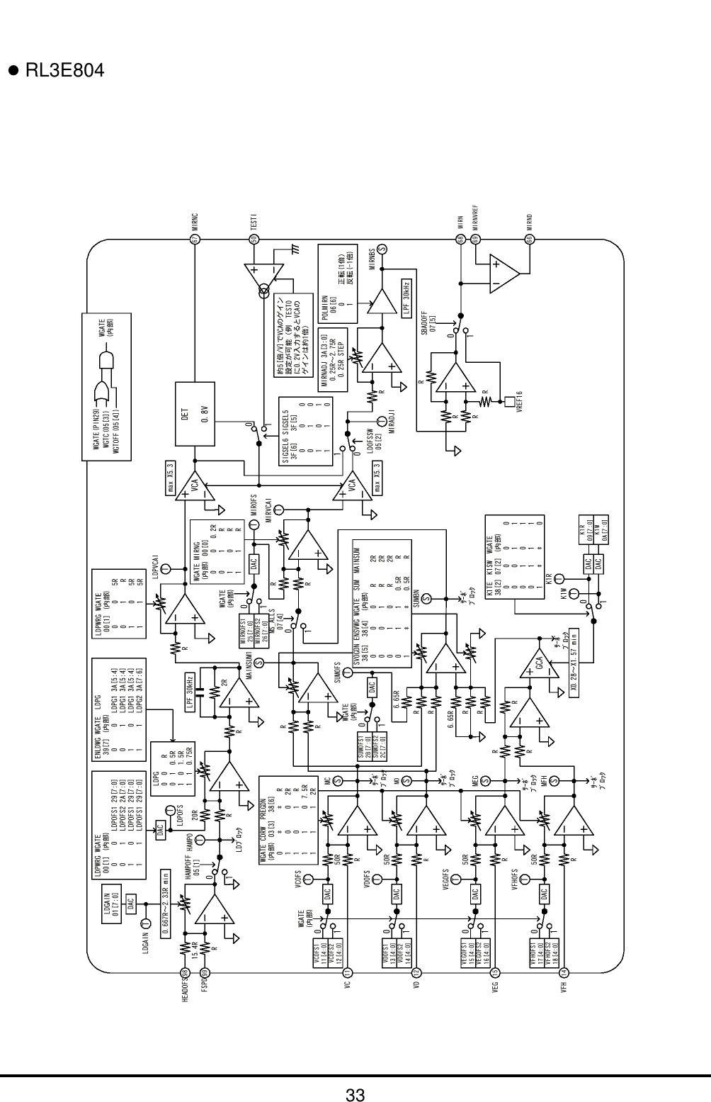
33RL3E804
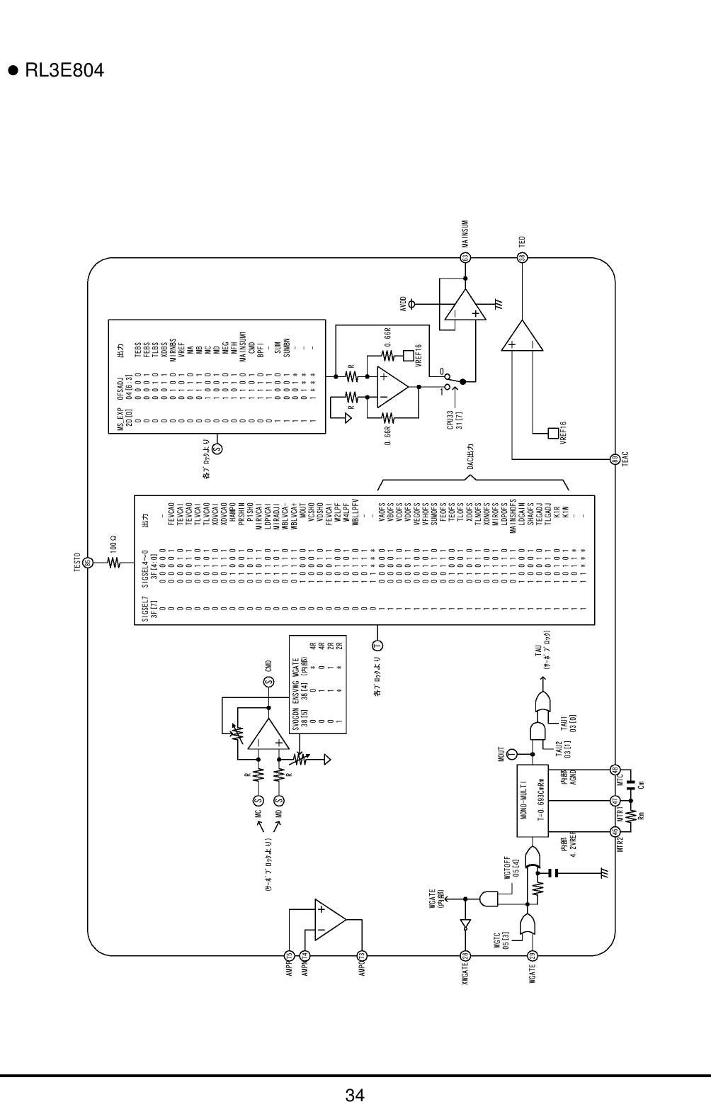
34RL3E804
35RL3E804
36RL3E804
37RL3E804
38RL3E804
39RL3E804
40RL3E804
41Pin Functions in Each Operating ModePin No. Pin NameTFP-100B12345678910111213141516171819202122232425262728293031323334353637383940414243444546474834567891011121314151617181920212223242526272829303132333435363738394041424344454647484950P12/TIOCC0/TCLKA/A22P13/TIOCD0/TCLKB/A23P14/TIOCA1P15/TIOCB1/TCLKCP16/TIOCA2P17/TIOCB2/TCLKDVSSP30/TxD0P31/TxD1P32/RxD0P33/RxD1P34/SCK0/IRQ4P35/SCK1/IRQ5PE0/D0PE1/D1PE2/D2PE3/D3VSSPE4/D4PE5/D5PE6/D6PE7/D7D8D9D10D11D12D13D14D15VSSA0A1A2A3A4A5A6A7VCCA8A9A10A11A12A13A14A15P12/TIOCC0/TCLKA/A22P13/TIOCD0/TCLKB/A23P14/TIOCA1P15/TIOCB1/TCLKCP16/TIOCA2P17/TIOCB2/TCLKDVSSP30/TxD0P31/TxD1P32/RxD0P33/RxD1P34/SCK0/IRQ4P35/SCK1/IRQ5PE0/D0PE1/D1PE2/D2PE3/D3VSSPE4/D4PE5/D5PE6/D6PE7/D7D8D9D10D11D12D13D14D15VSSA0A1A2A3A4A5A6A7VCCA8A9A10A11A12A13A14A15P12/TIOCC0/TCLKA/A22P13/TIOCD0/TCLKB/A23P14/TIOCA1P15/TIOCB1/TCLKCP16/TIOCA2P17/TIOCB2/TCLKDVSSP30/TxD0P31/TxD1P32/RxD0P33/RxD1P34/SCK0/IRQ4P35/SCK1/IRQ5PE0/D0PE1/D1PE2/D2PE3/D3VSSPE4/D4PE5/D5PE6/D6PE7/D7D8D9D10D11D12D13D14D15VSSPC0/A0PC1/A1PC2/A2PC3/A3PC4/A4PC5/A5PC6/A6PC7/A7VCCPB0/A8PB1/A9PB2/A10PB3/A11PB4/A12PB5/A13PB6/A14PB7/A15FP-100A 4Mode5Mode6*1ModeP12/TIOCC0/TCLKAP13/TIOCD0/TCLKBP14/TIOCA1P15/TIOCB1/TCLKCP16/TIOCA2P17/TIOCB2/TCLKDVSSP30/TxD0P31/TxD1P32/RxD0P33/RxD1P34/SCK0/IRQ4P35/SCK1/IRQ5PE0PE1PE2PE3VSSPE4PE5PE6PE7PD0PD1PD2PD3PD4PD5PD6PD7VSSPC0PC1PC2PC3PC4PC5PC6PC7VCCPB0PB1PB2PB3PB4PB5PB6PB77*1ModeNCNCNCNCNCNCVSSNCNCNCNCNCNCNCNCNCNCVSSNCNCNCNCFO0FO1FO2FO3FO4FO5FO6FO7VSSA0A1A2A3A4A5A6A7VCCA8A9A10A11A12A13A14A15Flash MemoryProgrammer Mode*2
42Pin Functions in Each Operating ModePin No. Pin NameTFP-100B4950515253545556575859606162636465666768697071727374757677787980818283848586878889909151525354555657585960616263646566676869707172737475767778798081828384858687888990919293VSSA16A17A18A19P20/TIOCA3P21/TIOCB3P22/TIOCC3/TMRI0MD0MD1P23/TIOCD3/TMCI0WDTOVF(FWE, EMLE)*3MD2RESNMISTBYVCCXTALEXTALVSSPF7/øPF6/ASRDHWRPF3/LWR/IRQ3PF2/WAIT/IRQ2/DREQOPF1/BACK/IRQ1/CS5PF0/BREQ/IRQ0/CS4AVCCVrefP40/AN0P41/AN1P42/AN2P43/AN3P44/AN4P45/AN5P46/AN6/DA0P47/AN7/DA1AVSSVSSP24/TIOCA4/TMRI1P25/TIOCB4/TMCI1P26/TIOCA5/TMO0VSSA16A17A18A19P20/TIOCA3P21/TIOCB3P22/TIOCC3/TMRI0MD0MD1P23/TIOCD3/TMCI0WDTOVF(FWE, EMLE)*3MD2RESNMISTBYVCCXTALEXTALVSSPF7/øPF6/ASRDHWRPF3/LWR/IRQ3PF2/WAIT/IRQ2/DREQOPF1/BACK/IRQ1/CS5PF0/BREQ/IRQ0/CS4AVCCVrefP40/AN0P41/AN1P42/AN2P43/AN3P44/AN4P45/AN5P46/AN6/DA0P47/AN7/DA1AVSSVSSP24/TIOCA4/TMRI1P25/TIOCB4/TMCI1P26/TIOCA5/TMO0VSSPA0/A16PA1/A17PA2/A18PA3/A19P20/TIOCA3P21/TIOCB3P22/TIOCC3/TMRI0MD0MD1P23/TIOCD3/TMCI0WDTOVF(FWE, EMLE)*3MD2RESNMISTBYVCCXTALEXTALVSSPF7/øPF6/ASRDHWRPF3/LWR/IRQ3PF2/WAIT/IRQ2/DREQOPF1/BACK/IRQ1/CS5PF0/BREQ/IRQ0/CS4AVCCVrefP40/AN0P41/AN1P42/AN2P43/AN3P44/AN4P45/AN5P46/AN6/DA0P47/AN7/DA1AVSSVSSP24/TIOCA4/TMRI1P25/TIOCB4/TMCI1P26/TIOCA5/TMO0FP-100A 4Mode5Mode6* 1ModeVSSPA0PA1PA2PA3P20/TIOCA3P21/TIOCB3P22/TIOCC3/TMRI0MD0MD1P23/TIOCD3/TMCI0WDTOVF(FWE, EMLE)*3MD2RESNMISTBYVCCXTALEXTALVSSPF7/øPF6PF5PF4PF3/IRQ3PF2/IRQ2PF1/IRQ1PF0/IRQ0AVCCVrefP40/AN0P41/AN1P42/AN2P43/AN3P44/AN4P45/AN5P46/AN6/DA0P47/AN7/DA1AVSSVSSP24/TIOCA4/TMRI1P25/TIOCB4/TMCI1P26/TIOCA5/TMO07* 1ModeVSSA16A17A18NCOECEWEVSSVSSVCCFWEVSSRESVCCVCCVCCXTALEXTALVSSNCNCNCNCNCVCCVSSVSSVCCVCCNCNCNCNCNCNCNCNCVSSVSSNCVSSNCFlash MemoryProgrammer Mode* 2
43Pin Functions in Each Operating ModeNotes : 1. Only modes 4 and 5 are available on the ROMless version.2. Flash memory programmer mode information is preliminary.3. The FWE pin function is only available on the H8S/2318 F-ZTAT and H8S/2315 F-ZTATversions.The EMLE pin function is only available on the H8S/2319 F-ZTAT version.It cannot be used as a WDTOVF pin on the F-ZTAT version.Pin No. Pin NameTFP-100B929394959697989910094959697989910012P27/TIOCB5/TMO1PG0/IRQ6/ADTRGPG1/CS3/IRQ7/CS6PG2/CS2PG3/CS1/CS7PG4/CS0VCCP10/TIOCA0/A20P11/TIOCB0/A21P27/TIOCB5/TMO1PG0/IRQ6/ADTRGPG1/CS3/IRQ7/CS6PG2/CS2PG3/CS1/CS7PG4/CS0VCCP10/TIOCA0/A20P11/TIOCB0/A21P27/TIOCB5/TMO1PG0/IRQ6/ADTRGPG1/CS3/IRQ7/CS6PG2/CS2PG3/CS1/CS7PG4/CS0VCCP10/TIOCA0/A20P11/TIOCB0/A21FP-100A 4Mode5Mode6* 1ModeP27/TIOCB5/TMO1PG0/IRQ6/ADTRGPG1/IRQ7PG2PG3PG4VCCP10/TIOCA0P11/TIOCB07* 1ModeNCNCNCNCNCNCVCCNCNCFlash MemoryProgrammer Mode* 2
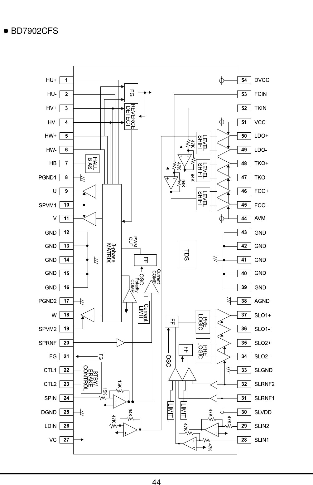
44BD7902CFS
45BD7902CFSPin Descriptions1 HU+ Hall amp.U positive input 54 DVCC PWM block control power supply2 HU- Hall amp.U negative input 53 FCIN Focus driver input3 HV+ Hall amp.U positive input 52 TKIN Tracking driver input4 HV- Hall amp.U negative input 51 VCC BTL pre and Loading power supply5 HW+ Hall amp.U positive input 50 LDO+ Loading driver positive output6 HW- Hall amp.U negative input 49 LDO- Loading driver negative output7 HB Hall bias 48 TKO+ Tracking driver positive output8 PGND1 Spindle driver power ground1 47 TKO- Tracking driver negative output9 U Spindle driver output U 46 FCO+ Focus driver positive output10 SPVM1 Spindle driver power supply1 45 FCO- Focus driver negative output11 V Spindle driver output V 44 AVM Actuator driver block power supply12 GND GND 43 GND GND13 GND GND 42 GND GND14 GND GND 41 GND GND15 GND GND 40 GND GND16 GND GND 39 GND GND17 PGND2 Spindle driver power ground 2 38 AGND Ground18 W Spindle driver output W 37 SLO1+ Sled drive 1 positive output19 SPVM2 Spindle driver power supply 2 36 SLO1- Sled drive 1 negative output20 SPRNF Spindle driver ourrent sense 35 SLO2+ Sled drive 2 positive output21 FG Frequency generator output 34 SLO2- Sled drive 2 negative output22 CTL1 Driver logic control input1 33 SLGND Sled driver power ground23 CTL2 Driver logic control input2 32 SLRNF2 Sled driver 2 current sense24 SPIN Spindle driver input 31 SLRNF1 Sled driver 1 current sense25 DGND PWM block pre-ground 30 SLVDD Sled driver PowerMos pre-supply26 LDIN Loading driver input 29 SLIN2 Sled driver 2 input27 VC Reference voltage input 28 SLIN1 Sled driver 1 inputSymbolTerminal Terminal Function Terminal Symbol Terminal Function
46LOC CODE NO DESCRIPTIONB501 3301-001082 “CORE-FERRITE BEAD;AB,60OHM,3.2X2.5X1.3MM”B502 3301-001082 “CORE-FERRITE BEAD;AB,60OHM,3.2X2.5X1.3MM”B503 3301-001082 “CORE-FERRITE BEAD;AB,60OHM,3.2X2.5X1.3MM”B504 3301-001082 “CORE-FERRITE BEAD;AB,60OHM,3.2X2.5X1.3MM”B505 3301-001082 “CORE-FERRITE BEAD;AB,60OHM,3.2X2.5X1.3MM”C101 2203-000888 “C-CERAMIC,CHIP;4.7nF,10%,50V,X7R,TP,1608”C102 2203-000972 “C-CERAMIC,CHIP;47nF,10%,16V,X7R,TP,1608”C103 2203-000236 “C-CERAMIC,CHIP;0.1nF,5%,50V,NP0,TP,1608”C104 2203-001724 “C-CERAMIC,CHIP;4700NF,+80-20%,16V,Y5V,TP”C105 2203-000440 “C-CERAMIC,CHIP;1nF,10%,50V,X7R,TP,1608,-”C106 2203-000888 “C-CERAMIC,CHIP;4.7nF,10%,50V,X7R,TP,1608”C107 2203-000888 “C-CERAMIC,CHIP;4.7nF,10%,50V,X7R,TP,1608”C108 2203-001607 “C-CERAMIC,CHIP;0.22nF,5%,50V,NP0,TP,1608”C109 2203-000783 “C-CERAMIC,CHIP;0.33nF,5%,50V,NP0,TP,1608”C110 2203-001656 “C-CERAMIC,CHIP;0.47nF,5%,50V,NP0,TP,1608”C111 2404-001020 “C-TA,CHIP;10uF,20%,10V,GP,TP,3216,3.2”C112 2203-000189 “C-CERAMIC,CHIP;100nF,+80-20%,25V,Y5V,TP,”C113 2402-000136 “C-AL,SMD;22uF,20%,16V,GP,TP,5.3x5.3x5.2”C114 2203-000257 “C-CERAMIC,CHIP;10nF,10%,50V,X7R,TP,1608”C115 2203-001630 “C-CERAMIC,CHIP;330nF,+80-20%,16V,Y5V,TP,”C116 2203-000189 “C-CERAMIC,CHIP;100nF,+80-20%,25V,Y5V,TP,”C117 2203-002398 “C-CERAMIC,CHIP;22nF,10%,50V,X7R,TP,1608”C118 2203-000257 “C-CERAMIC,CHIP;10nF,10%,50V,X7R,TP,1608”C119 2203-000257 “C-CERAMIC,CHIP;10nF,10%,50V,X7R,TP,1608”C120 2402-000112 “C-AL,SMD;10uF,20%,16V,GP,TP,3.3x3.3x5.4”C122 2203-000440 “C-CERAMIC,CHIP;1nF,10%,50V,X7R,TP,1608,-”C123 2203-000440 “C-CERAMIC,CHIP;1nF,10%,50V,X7R,TP,1608,-”C124 2402-000112 “C-AL,SMD;10uF,20%,16V,GP,TP,3.3x3.3x5.4”C126 2203-000236 “C-CERAMIC,CHIP;0.1nF,5%,50V,NP0,TP,1608”C127 2203-001724 “C-CERAMIC,CHIP;4700NF,+80-20%,16V,Y5V,TP”C128 2203-000236 “C-CERAMIC,CHIP;0.1nF,5%,50V,NP0,TP,1608”C129 2203-000236 “C-CERAMIC,CHIP;0.1nF,5%,50V,NP0,TP,1608”C131 2404-001020 “C-TA,CHIP;10uF,20%,10V,GP,TP,3216,3.2”C133 2404-001020 “C-TA,CHIP;10uF,20%,10V,GP,TP,3216,3.2”C135 2203-000357 “C-CERAMIC,CHIP;0.15nF,5%,50V,NP0,TP,1608”C136 2203-000357 “C-CERAMIC,CHIP;0.15nF,5%,50V,NP0,TP,1608”C137 2203-000783 “C-CERAMIC,CHIP;0.33nF,5%,50V,NP0,TP,1608”C138 2203-000189 “C-CERAMIC,CHIP;100nF,+80-20%,25V,Y5V,TP,”C139 2404-001131 “C-TA,CHIP;22UF,10%,10V,GP,TP,3528”C140 2203-000189 “C-CERAMIC,CHIP;100nF,+80-20%,25V,Y5V,TP,”C141 2404-001131 “C-TA,CHIP;22UF,10%,10V,GP,TP,3528”C142 2203-000531 “C-CERAMIC,CHIP;2.7nF,10%,50V,X7R,TP,1608”C143 2203-005065 “C-CERAMIC,CHIP;1000nF,+80-20%,10V,Y5V,TP”C144 2203-001724 “C-CERAMIC,CHIP;4700NF,+80-20%,16V,Y5V,TP”C145 2203-001598 “C-CERAMIC,CHIP;2200nF,+80-20%,16V,Y5V,TP”C146 2203-000189 “C-CERAMIC,CHIP;100nF,+80-20%,25V,Y5V,TP,”C148 2203-000189 “C-CERAMIC,CHIP;100nF,+80-20%,25V,Y5V,TP,”C149 2203-000189 “C-CERAMIC,CHIP;100nF,+80-20%,25V,Y5V,TP,”C150 2203-001402 “C-CERAMIC,CHIP;220nF,+80-20%,16V,Y5V,TP,”C151 2203-001126 “C-CERAMIC,CHIP;0.68nF,10%,50V,X7R,TP,160”C199 2203-001086 “C-CERAMIC,CHIP;0.005nF,0.25pF,50V,NP0,TP”C201 2203-000257 “C-CERAMIC,CHIP;10nF,10%,50V,X7R,TP,1608”Electrical Parts List
47Electrical Parts ListLOC CODE NO DESCRIPTIONC202 2203-000257 “C-CERAMIC,CHIP;10nF,10%,50V,X7R,TP,1608”C203 2203-000257 “C-CERAMIC,CHIP;10nF,10%,50V,X7R,TP,1608”C204 2203-000257 “C-CERAMIC,CHIP;10nF,10%,50V,X7R,TP,1608”C205 2203-000257 “C-CERAMIC,CHIP;10nF,10%,50V,X7R,TP,1608”C206 2203-000257 “C-CERAMIC,CHIP;10nF,10%,50V,X7R,TP,1608”C207 2203-001103 “C-CERAMIC,CHIP;6.8nF,10%,50V,X7R,TP,1608”C208 2203-005342 “C-CERAMIC,CHIP;82nF,10%,16V,X7R,TP,1608”C209 2203-002085 “C-CERAMIC,CHIP;56nF,10%,50V,X7R,TP,2012,”C210 2404-001020 “C-TA,CHIP;10uF,20%,10V,GP,TP,3216,3.2”C211 2203-000189 “C-CERAMIC,CHIP;100nF,+80-20%,25V,Y5V,TP,”C212 2203-000041 “C-CERAMIC,CHIP;0.01nF,0.25pF,50V,NP0,TP,”C213 2203-000041 “C-CERAMIC,CHIP;0.01nF,0.25pF,50V,NP0,TP,”C214 2203-000041 “C-CERAMIC,CHIP;0.01nF,0.25pF,50V,NP0,TP,”C215 2203-000041 “C-CERAMIC,CHIP;0.01nF,0.25pF,50V,NP0,TP,”C216 2203-000257 “C-CERAMIC,CHIP;10nF,10%,50V,X7R,TP,1608”C217 2203-000236 “C-CERAMIC,CHIP;0.1nF,5%,50V,NP0,TP,1608”C218 2203-000189 “C-CERAMIC,CHIP;100nF,+80-20%,25V,Y5V,TP,”C220 2203-000257 “C-CERAMIC,CHIP;10nF,10%,50V,X7R,TP,1608”C221 2203-001724 “C-CERAMIC,CHIP;4700NF,+80-20%,16V,Y5V,TP”C223 2203-000189 “C-CERAMIC,CHIP;100nF,+80-20%,25V,Y5V,TP,”C224 2203-000257 “C-CERAMIC,CHIP;10nF,10%,50V,X7R,TP,1608”C225 2203-002398 “C-CERAMIC,CHIP;22nF,10%,50V,X7R,TP,1608”C226 2203-000440 “C-CERAMIC,CHIP;1nF,10%,50V,X7R,TP,1608,-”C227 2203-000783 “C-CERAMIC,CHIP;0.33nF,5%,50V,NP0,TP,1608”C228 2203-001052 “C-CERAMIC,CHIP;0.56nF,10%,50V,X7R,TP,160”C229 2203-000783 “C-CERAMIC,CHIP;0.33nF,5%,50V,NP0,TP,1608”C230 2203-000189 “C-CERAMIC,CHIP;100nF,+80-20%,25V,Y5V,TP,”C231 2203-000372 “C-CERAMIC,CHIP;15nF,10%,50V,X7R,TP,1608,”C232 2203-000372 “C-CERAMIC,CHIP;15nF,10%,50V,X7R,TP,1608,”C233 2203-000972 “C-CERAMIC,CHIP;47nF,10%,16V,X7R,TP,1608”C234 2203-000257 “C-CERAMIC,CHIP;10nF,10%,50V,X7R,TP,1608”C235 2203-000041 “C-CERAMIC,CHIP;0.01nF,0.25pF,50V,NP0,TP,”C236 2203-000041 “C-CERAMIC,CHIP;0.01nF,0.25pF,50V,NP0,TP,”C237 2404-001020 “C-TA,CHIP;10uF,20%,10V,GP,TP,3216,3.2”C238 2404-001020 “C-TA,CHIP;10uF,20%,10V,GP,TP,3216,3.2”C240 2203-001724 “C-CERAMIC,CHIP;4700NF,+80-20%,16V,Y5V,TP”C241 2203-000189 “C-CERAMIC,CHIP;100nF,+80-20%,25V,Y5V,TP,”C242 2203-000257 “C-CERAMIC,CHIP;10nF,10%,50V,X7R,TP,1608”C243 2203-001598 “C-CERAMIC,CHIP;2200nF,+80-20%,16V,Y5V,TP”C244 2203-000257 “C-CERAMIC,CHIP;10nF,10%,50V,X7R,TP,1608”C245 2404-001020 “C-TA,CHIP;10uF,20%,10V,GP,TP,3216,3.2”C246 2404-001020 “C-TA,CHIP;10uF,20%,10V,GP,TP,3216,3.2”C247 2203-000140 “C-CERAMIC,CHIP;1.5nF,10%,50V,X7R,TP,1608”C248 2203-000140 “C-CERAMIC,CHIP;1.5nF,10%,50V,X7R,TP,1608”C249 2203-000257 “C-CERAMIC,CHIP;10nF,10%,50V,X7R,TP,1608”C250 2203-000257 “C-CERAMIC,CHIP;10nF,10%,50V,X7R,TP,1608”C251 2404-001020 “C-TA,CHIP;10uF,20%,10V,GP,TP,3216,3.2”C301 2203-001683 “C-CERAMIC,CHIP;0.068nF,5%,50V,NP0,TP,160”C302 2203-001656 “C-CERAMIC,CHIP;0.47nF,5%,50V,NP0,TP,1608”C303 2203-001598 “C-CERAMIC,CHIP;2200nF,+80-20%,16V,Y5V,TP”C304 2203-000783 “C-CERAMIC,CHIP;0.33nF,5%,50V,NP0,TP,1608”C305 2203-000257 “C-CERAMIC,CHIP;10nF,10%,50V,X7R,TP,1608”C306 2203-000041 “C-CERAMIC,CHIP;0.01nF,0.25pF,50V,NP0,TP,”C307 2203-000041 “C-CERAMIC,CHIP;0.01nF,0.25pF,50V,NP0,TP,”C308 2203-000257 “C-CERAMIC,CHIP;10nF,10%,50V,X7R,TP,1608”C309 2203-001607 “C-CERAMIC,CHIP;0.22nF,5%,50V,NP0,TP,1608”C310 2203-000715 “C-CERAMIC,CHIP;3.3nF,10%,50V,X7R,TP,1608”
48Electrical Parts ListLOC CODE NO DESCRIPTIONC311 2203-000783 “C-CERAMIC,CHIP;0.33nF,5%,50V,NP0,TP,1608”C312 2203-000783 “C-CERAMIC,CHIP;0.33nF,5%,50V,NP0,TP,1608”C313 2203-000140 “C-CERAMIC,CHIP;1.5nF,10%,50V,X7R,TP,1608”C314 2203-000815 “C-CERAMIC,CHIP;0.033nF,5%,50V,NP0,TP,160”C315 2203-000888 “C-CERAMIC,CHIP;4.7nF,10%,50V,X7R,TP,1608”C316 2203-000783 “C-CERAMIC,CHIP;0.33nF,5%,50V,NP0,TP,1608”C317 2203-000189 “C-CERAMIC,CHIP;100nF,+80-20%,25V,Y5V,TP,”C318 2203-000189 “C-CERAMIC,CHIP;100nF,+80-20%,25V,Y5V,TP,”C319 2203-001607 “C-CERAMIC,CHIP;0.22nF,5%,50V,NP0,TP,1608”C320 2203-001607 “C-CERAMIC,CHIP;0.22nF,5%,50V,NP0,TP,1608”C321 2203-000257 “C-CERAMIC,CHIP;10nF,10%,50V,X7R,TP,1608”C322 2203-000783 “C-CERAMIC,CHIP;0.33nF,5%,50V,NP0,TP,1608”C323 2203-000041 “C-CERAMIC,CHIP;0.01nF,0.25pF,50V,NP0,TP,”C324 2203-001724 “C-CERAMIC,CHIP;4700NF,+80-20%,16V,Y5V,TP”C401 2402-001042 “C-AL,SMD;100uF,20%,16V,GP,TP,6.6x6.6x5.”C402 2203-000189 “C-CERAMIC,CHIP;100nF,+80-20%,25V,Y5V,TP,”C403 2203-001598 “C-CERAMIC,CHIP;2200nF,+80-20%,16V,Y5V,TP”C405 2203-001598 “C-CERAMIC,CHIP;2200nF,+80-20%,16V,Y5V,TP”C406 2203-000888 “C-CERAMIC,CHIP;4.7nF,10%,50V,X7R,TP,1608”C407 2203-000888 “C-CERAMIC,CHIP;4.7nF,10%,50V,X7R,TP,1608”C408 2203-000189 “C-CERAMIC,CHIP;100nF,+80-20%,25V,Y5V,TP,”C409 2402-001042 “C-AL,SMD;100uF,20%,16V,GP,TP,6.6x6.6x5.”C410 2203-000189 “C-CERAMIC,CHIP;100nF,+80-20%,25V,Y5V,TP,”C411 2203-000189 “C-CERAMIC,CHIP;100nF,+80-20%,25V,Y5V,TP,”C412 2203-000189 “C-CERAMIC,CHIP;100nF,+80-20%,25V,Y5V,TP,”C413 2203-000189 “C-CERAMIC,CHIP;100nF,+80-20%,25V,Y5V,TP,”C414 2203-000189 “C-CERAMIC,CHIP;100nF,+80-20%,25V,Y5V,TP,”C419 2203-000189 “C-CERAMIC,CHIP;100nF,+80-20%,25V,Y5V,TP,”C501 2203-000189 “C-CERAMIC,CHIP;100nF,+80-20%,25V,Y5V,TP,”C502 2203-000189 “C-CERAMIC,CHIP;100nF,+80-20%,25V,Y5V,TP,”C503 2402-001042 “C-AL,SMD;100uF,20%,16V,GP,TP,6.6x6.6x5.”C504 2203-000189 “C-CERAMIC,CHIP;100nF,+80-20%,25V,Y5V,TP,”C505 2203-001724 “C-CERAMIC,CHIP;4700NF,+80-20%,16V,Y5V,TP”C506 2402-001042 “C-AL,SMD;100uF,20%,16V,GP,TP,6.6x6.6x5.”C507 2203-000189 “C-CERAMIC,CHIP;100nF,+80-20%,25V,Y5V,TP,”C508 2203-000189 “C-CERAMIC,CHIP;100nF,+80-20%,25V,Y5V,TP,”C509 2203-000189 “C-CERAMIC,CHIP;100nF,+80-20%,25V,Y5V,TP,”C510 2203-000140 “C-CERAMIC,CHIP;1.5nF,10%,50V,X7R,TP,1608”C511 2203-001724 “C-CERAMIC,CHIP;4700NF,+80-20%,16V,Y5V,TP”C512 2203-000257 “C-CERAMIC,CHIP;10nF,10%,50V,X7R,TP,1608”C513 2203-000257 “C-CERAMIC,CHIP;10nF,10%,50V,X7R,TP,1608”C514 2203-000189 “C-CERAMIC,CHIP;100nF,+80-20%,25V,Y5V,TP,”C515 2404-001270 “C-TA,CHIP;47UF,20%,10V,-,TP,3216”C516 2203-000189 “C-CERAMIC,CHIP;100nF,+80-20%,25V,Y5V,TP,”CN30 3708-001524 “CONNECTOR-FPC/FFC/PIC;13P,1mm,SMD-A,SN”CN40 3708-001606 “CONNECTOR-FPC/FFC/PIC;15P,1MM,SMD-A,SN”D501 0407-000123 “DIODE-ARRAY;DAN202K,80V,100MA,CA2-3,SOT-”IC102 1002-001262 “IC-D/A CONVERTER;BU2505FV,10BIT,SOIC,20P”IC202B 1105-001261 “IC-DRAM;12L1616A,16BIT,TSOP,50P,400MIL”IC203 0801-002414 “IC-CMOS LOGIC;7W53,MULTI/DEMULTIPLEXER,S”IC402 1201-001001 “IC-OP AMP;2100,SOP,8P,250MIL,DUAL,80mV/V”IC501 1203-001394 “IC-VOL. DETECTOR;9735,SOT-23,3P,-,PLASTI”JP101 2007-000070 “R-CHIP;0ohm,5%,1/16W,DA,TP,1608”JP201 2007-000070 “R-CHIP;0ohm,5%,1/16W,DA,TP,1608”JP211 2007-000070 “R-CHIP;0ohm,5%,1/16W,DA,TP,1608”Q101 0504-000110 “TR-DIGITAL;DTC114EU,NPN,200MW,10K/10K,SC”Q501 0504-000110 “TR-DIGITAL;DTC114EU,NPN,200MW,10K/10K,SC”
49Electrical Parts ListLOC CODE NO DESCRIPTIONQ502 0504-000110 “TR-DIGITAL;DTC114EU,NPN,200MW,10K/10K,SC”Q503 0504-000105 “TR-DIGITAL;DTA114EU,PNP,200MW,10K/10K,SC”Q504 0504-000105 “TR-DIGITAL;DTA114EU,PNP,200MW,10K/10K,SC”R101 2007-000669 “R-CHIP;2Kohm,1%,1/16W,DA,TP,1608”R102 2007-000109 “R-CHIP;1Mohm,5%,1/16W,DA,TP,1608”R103 2007-000074 “R-CHIP;100ohm,5%,1/16W,DA,TP,1608”R106 2007-000102 “R-CHIP;100Kohm,5%,1/16W,DA,TP,1608”R107 2007-000090 “R-CHIP;10KOHM,5%,1/16W,DA,TP,1608”R109 2007-000076 “R-CHIP;330ohm,5%,1/16W,DA,TP,1608”R110 2007-000090 “R-CHIP;10KOHM,5%,1/16W,DA,TP,1608”R111 2007-001179 “R-CHIP;8.2Kohm,5%,1/16W,DA,TP,1608”R112 2007-000134 “R-CHIP;33Kohm,5%,1/16W,DA,TP,1608”R113 2007-000134 “R-CHIP;33Kohm,5%,1/16W,DA,TP,1608”R114 2007-000067 “R-CHIP;15Kohm,1%,1/16W,DA,TP,1608”R115 2007-000090 “R-CHIP;10KOHM,5%,1/16W,DA,TP,1608”R116 2007-000084 “R-CHIP;4.7Kohm,5%,1/16W,DA,TP,1608”R117 2007-000070 “R-CHIP;0ohm,5%,1/16W,DA,TP,1608”R118 2007-000070 “R-CHIP;0ohm,5%,1/16W,DA,TP,1608”R119 2007-001002 “R-CHIP;510ohm,5%,1/16W,DA,TP,1608”R120 2007-001044 “R-CHIP;56ohm,5%,1/16W,DA,TP,1608”R121 2007-000071 “R-CHIP;22ohm,5%,1/16W,DA,TP,1608”R122 2007-000071 “R-CHIP;22ohm,5%,1/16W,DA,TP,1608”R201 2007-000115 “R-CHIP;82ohm,5%,1/16W,DA,TP,1608”R202 2007-000071 “R-CHIP;22ohm,5%,1/16W,DA,TP,1608”R203 2007-000071 “R-CHIP;22ohm,5%,1/16W,DA,TP,1608”R204 2007-000115 “R-CHIP;82ohm,5%,1/16W,DA,TP,1608”R205 2007-000071 “R-CHIP;22ohm,5%,1/16W,DA,TP,1608”R206 2007-000115 “R-CHIP;82ohm,5%,1/16W,DA,TP,1608”R207 2007-000115 “R-CHIP;82ohm,5%,1/16W,DA,TP,1608”R208 2007-000071 “R-CHIP;22ohm,5%,1/16W,DA,TP,1608”R209 2007-000115 “R-CHIP;82ohm,5%,1/16W,DA,TP,1608”R210 2007-000070 “R-CHIP;0ohm,5%,1/16W,DA,TP,1608”R212 2007-000074 “R-CHIP;100ohm,5%,1/16W,DA,TP,1608”R213 2007-000074 “R-CHIP;100ohm,5%,1/16W,DA,TP,1608”R214 2007-000512 “R-CHIP;2.4Kohm,5%,1/16W,DA,TP,1608”R215 2007-000076 “R-CHIP;330ohm,5%,1/16W,DA,TP,1608”R216 2007-000113 “R-CHIP;33ohm,5%,1/16W,DA,TP,1608”R217 2007-000116 “R-CHIP;120ohm,5%,1/16W,DA,TP,1608”R218 2007-000882 “R-CHIP;4.7ohm,5%,1/16W,DA,TP,1608”R220 2007-000708 “R-CHIP;3.9Kohm,1%,1/16W,DA,TP,1608”R222 2007-000772 “R-CHIP;33Kohm,1%,1/16W,DA,TP,1608”R223 2007-000772 “R-CHIP;33Kohm,1%,1/16W,DA,TP,1608”R224 2007-000772 “R-CHIP;33Kohm,1%,1/16W,DA,TP,1608”R226 2007-000060 “R-CHIP;100Kohm,1%,1/16W,DA,TP,1608”R227 2007-000583 “R-CHIP;22Kohm,1%,1/16W,DA,TP,1608”R228 2007-001206 “R-CHIP;82Kohm,1%,1/16W,DA,TP,1608”R229 2007-000090 “R-CHIP;10KOHM,5%,1/16W,DA,TP,1608”R230 2007-000090 “R-CHIP;10KOHM,5%,1/16W,DA,TP,1608”R231 2007-000133 “R-CHIP;330Kohm,5%,1/16W,DA,TP,1608”R232 2007-000090 “R-CHIP;10KOHM,5%,1/16W,DA,TP,1608”R233 2007-000092 “R-CHIP;15Kohm,5%,1/16W,DA,TP,1608”R234 2007-000090 “R-CHIP;10KOHM,5%,1/16W,DA,TP,1608”R235 2007-000084 “R-CHIP;4.7Kohm,5%,1/16W,DA,TP,1608”R236 2007-000431 “R-CHIP;16Kohm,5%,1/16W,DA,TP,1608”R237 2007-000109 “R-CHIP;1Mohm,5%,1/16W,DA,TP,1608”R238 2007-000070 “R-CHIP;0ohm,5%,1/16W,DA,TP,1608”R239 2007-000312 “R-CHIP;10OHM,5%,1/8W,DA,TP,3216”
50Electrical Parts ListLOC CODE NO DESCRIPTIONR240 2007-000074 “R-CHIP;100ohm,5%,1/16W,DA,TP,1608”R241 2007-000074 “R-CHIP;100ohm,5%,1/16W,DA,TP,1608”R242 2007-000078 “R-CHIP;1Kohm,5%,1/16W,DA,TP,1608”R243 2007-000078 “R-CHIP;1Kohm,5%,1/16W,DA,TP,1608”R245 2007-000077 “R-CHIP;470ohm,5%,1/16W,DA,TP,1608”R246 2007-000084 “R-CHIP;4.7Kohm,5%,1/16W,DA,TP,1608”R247 2007-000094 “R-CHIP;22Kohm,5%,1/16W,DA,TP,1608”R250 2007-000309 “R-CHIP;10ohm,5%,1/16W,DA,TP,1608”R251 2007-000883 “R-CHIP;4.7OHM,5%,1/8W,DA,TP,3216”R301 2007-000075 “R-CHIP;220ohm,5%,1/16W,DA,TP,1608”R302 2007-001157 “R-CHIP;750ohm,5%,1/16W,DA,TP,1608”R303 2007-000075 “R-CHIP;220ohm,5%,1/16W,DA,TP,1608”R304 2007-000076 “R-CHIP;330ohm,5%,1/16W,DA,TP,1608”R305 2007-000090 “R-CHIP;10KOHM,5%,1/16W,DA,TP,1608”R306 2007-000123 “R-CHIP;1.5Kohm,5%,1/16W,DA,TP,1608”R307 2007-000094 “R-CHIP;22Kohm,5%,1/16W,DA,TP,1608”R308 2007-000094 “R-CHIP;22Kohm,5%,1/16W,DA,TP,1608”R309 2007-000094 “R-CHIP;22Kohm,5%,1/16W,DA,TP,1608”R312 2007-000075 “R-CHIP;220ohm,5%,1/16W,DA,TP,1608”R313 2007-000076 “R-CHIP;330ohm,5%,1/16W,DA,TP,1608”R314 2007-000090 “R-CHIP;10KOHM,5%,1/16W,DA,TP,1608”R315 2007-000094 “R-CHIP;22Kohm,5%,1/16W,DA,TP,1608”R316 2007-000070 “R-CHIP;0ohm,5%,1/16W,DA,TP,1608”R317 2007-000094 “R-CHIP;22Kohm,5%,1/16W,DA,TP,1608”R318 2007-000109 “R-CHIP;1Mohm,5%,1/16W,DA,TP,1608”R319 2007-000094 “R-CHIP;22Kohm,5%,1/16W,DA,TP,1608”R322 2007-000094 “R-CHIP;22Kohm,5%,1/16W,DA,TP,1608”R323 2007-000094 “R-CHIP;22Kohm,5%,1/16W,DA,TP,1608”R324 2007-000094 “R-CHIP;22Kohm,5%,1/16W,DA,TP,1608”R325 2007-000080 “R-CHIP;2Kohm,5%,1/16W,DA,TP,1608”R326 2007-000080 “R-CHIP;2Kohm,5%,1/16W,DA,TP,1608”R327 2007-000080 “R-CHIP;2Kohm,5%,1/16W,DA,TP,1608”R328 2007-000080 “R-CHIP;2Kohm,5%,1/16W,DA,TP,1608”R329 2007-000078 “R-CHIP;1Kohm,5%,1/16W,DA,TP,1608”R331 2007-000125 “R-CHIP;3.9Kohm,5%,1/16W,DA,TP,1608”R332 2007-000125 “R-CHIP;3.9Kohm,5%,1/16W,DA,TP,1608”R333 2007-000125 “R-CHIP;3.9Kohm,5%,1/16W,DA,TP,1608”R334 2007-000125 “R-CHIP;3.9Kohm,5%,1/16W,DA,TP,1608”R335 2007-000075 “R-CHIP;220ohm,5%,1/16W,DA,TP,1608”R336 2007-000076 “R-CHIP;330ohm,5%,1/16W,DA,TP,1608”R337 2007-000080 “R-CHIP;2Kohm,5%,1/16W,DA,TP,1608”R338 2007-000094 “R-CHIP;22Kohm,5%,1/16W,DA,TP,1608”R339 2007-000094 “R-CHIP;22Kohm,5%,1/16W,DA,TP,1608”R340 2007-000094 “R-CHIP;22Kohm,5%,1/16W,DA,TP,1608”R341 2007-000094 “R-CHIP;22Kohm,5%,1/16W,DA,TP,1608”R342 2007-000094 “R-CHIP;22Kohm,5%,1/16W,DA,TP,1608”R345 2007-000080 “R-CHIP;2Kohm,5%,1/16W,DA,TP,1608”R346 2007-000078 “R-CHIP;1Kohm,5%,1/16W,DA,TP,1608”R395 2007-000084 “R-CHIP;4.7Kohm,5%,1/16W,DA,TP,1608”R396 2007-000120 “R-CHIP;680ohm,5%,1/16W,DA,TP,1608”R397 2007-000120 “R-CHIP;680ohm,5%,1/16W,DA,TP,1608”R398 2007-000094 “R-CHIP;22Kohm,5%,1/16W,DA,TP,1608”R399 2007-000094 “R-CHIP;22Kohm,5%,1/16W,DA,TP,1608”R401 2007-000113 “R-CHIP;33ohm,5%,1/16W,DA,TP,1608”R402 2007-000034 “R-CHIP;1OHM,5%,1/4W,DA,TP,3216”R403 2007-000034 “R-CHIP;1OHM,5%,1/4W,DA,TP,3216”R404 2007-000034 “R-CHIP;1OHM,5%,1/4W,DA,TP,3216”
51Electrical Parts ListLOC CODE NO DESCRIPTIONR405 2007-000883 “R-CHIP;4.7OHM,5%,1/8W,DA,TP,3216”R406 2007-000094 “R-CHIP;22Kohm,5%,1/16W,DA,TP,1608”R407 2007-000094 “R-CHIP;22Kohm,5%,1/16W,DA,TP,1608”R408 2007-000094 “R-CHIP;22Kohm,5%,1/16W,DA,TP,1608”R409 2007-000131 “R-CHIP;91Kohm,5%,1/16W,DA,TP,1608”R410 2007-000131 “R-CHIP;91Kohm,5%,1/16W,DA,TP,1608”R411 2007-000090 “R-CHIP;10KOHM,5%,1/16W,DA,TP,1608”R412 2007-000090 “R-CHIP;10KOHM,5%,1/16W,DA,TP,1608”R413 2007-000034 “R-CHIP;1OHM,5%,1/4W,DA,TP,3216”R414 2007-002749 “R-CHIP;3.3OHM,5%,1/8W,DA,TP,3216”R415 2007-000034 “R-CHIP;1OHM,5%,1/4W,DA,TP,3216”R416 2007-002749 “R-CHIP;3.3OHM,5%,1/8W,DA,TP,3216”R417 2007-000104 “R-CHIP;150Kohm,5%,1/16W,DA,TP,1608”R418 2007-000092 “R-CHIP;15Kohm,5%,1/16W,DA,TP,1608”R419 2007-000103 “R-CHIP;120Kohm,5%,1/16W,DA,TP,1608”R420 2007-000134 “R-CHIP;33Kohm,5%,1/16W,DA,TP,1608”R421 2007-000097 “R-CHIP;47Kohm,5%,1/16W,DA,TP,1608”R422 2007-000125 “R-CHIP;3.9Kohm,5%,1/16W,DA,TP,1608”R423 2007-000124 “R-CHIP;2.2Kohm,5%,1/16W,DA,TP,1608”R424 2007-000103 “R-CHIP;120Kohm,5%,1/16W,DA,TP,1608”R425 2007-000127 “R-CHIP;9.1Kohm,5%,1/16W,DA,TP,1608”R426 2007-001134 “R-CHIP;68ohm,5%,1/16W,DA,TP,1608”R501 2007-000036 “R-CHIP;2OHM,5%,1/8W,DA,TP,3216”R502 2007-000036 “R-CHIP;2OHM,5%,1/8W,DA,TP,3216”R503 2007-000090 “R-CHIP;10KOHM,5%,1/16W,DA,TP,1608”R504 2007-000090 “R-CHIP;10KOHM,5%,1/16W,DA,TP,1608”R505 2007-000090 “R-CHIP;10KOHM,5%,1/16W,DA,TP,1608”R506 2007-000094 “R-CHIP;22Kohm,5%,1/16W,DA,TP,1608”R507 2007-000102 “R-CHIP;100Kohm,5%,1/16W,DA,TP,1608”R508 2007-000102 “R-CHIP;100Kohm,5%,1/16W,DA,TP,1608”RA201 2011-001085 “R-NETWORK;82ohm,5%,63mW,L,CHIP,8P,TP”
©Samsung Electronics Co., Ltd.01, 2002Printed in KoreaCode No.:  BG68-00435A

Navigation menu