Samsung Electronics Co SW248 Internal CD-R/RW Drive User Manual SW 248B E BG68 XXXXXA
Samsung Electronics Co Ltd Internal CD-R/RW Drive SW 248B E BG68 XXXXXA
Contents
- 1. Users Manual 1
- 2. Users Manual 2
Users Manual 2

26
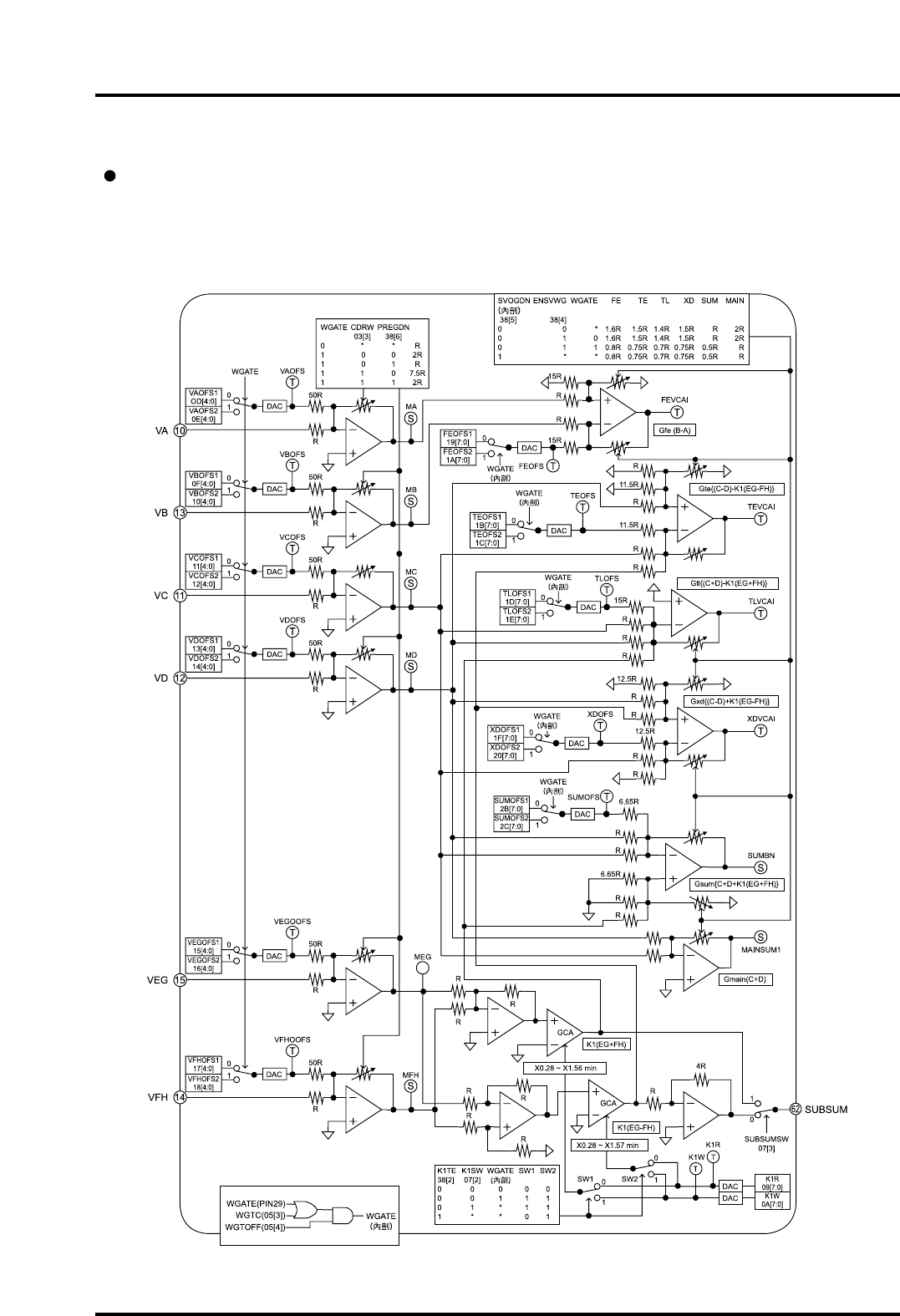
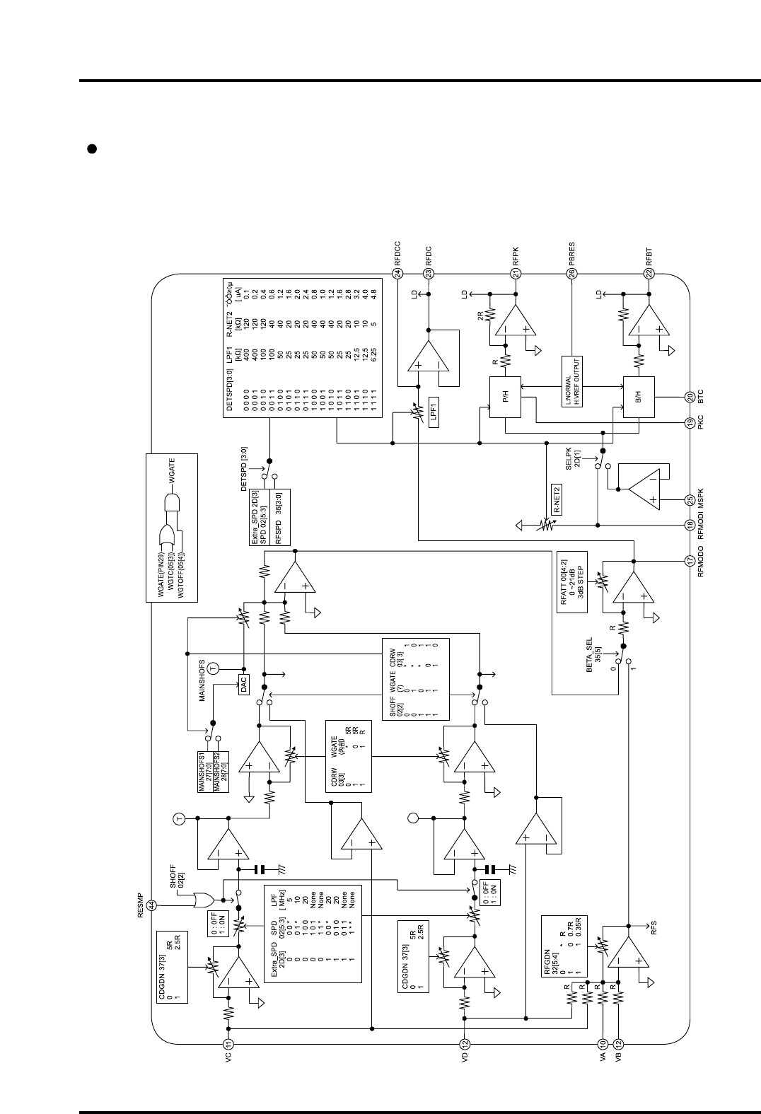
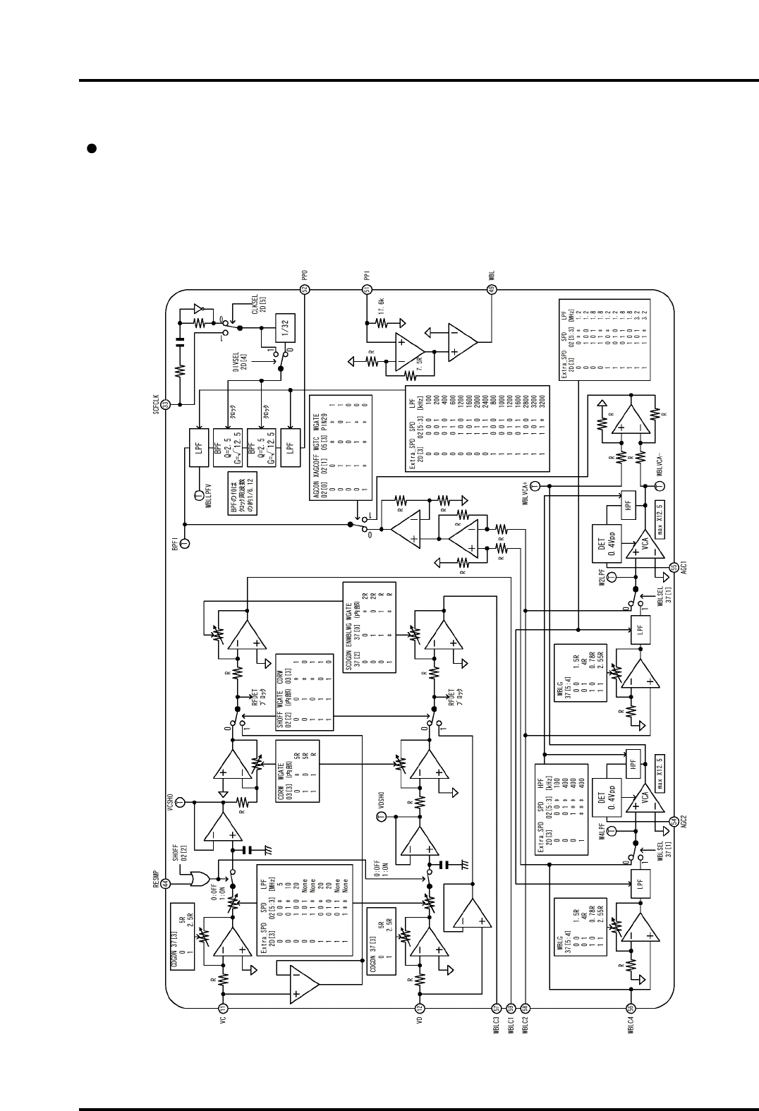
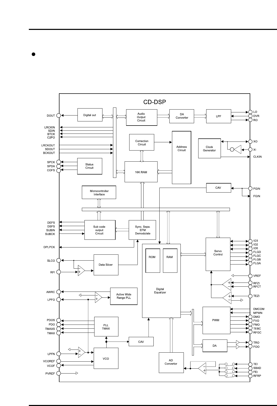
Main Components Block Diagram and Pin Descrition
RL3E804

27
RL3E804

28
RL3E804

29
RL3E804

30
RL3E804

31
RL3E804

32
RL3E804

33
RL3E804

34
RL3E804

35
RL3E804

36
RL3E804

37
RL3E804

38
RL3E804

39
RL3E804

40
RL3E804

41
Pin Functions in Each Operating Mode
Pin No. Pin Name
TFP-100B
1
2
3
4
5
6
7
8
9
10
11
12
13
14
15
16
17
18
19
20
21
22
23
24
25
26
27
28
29
30
31
32
33
34
35
36
37
38
39
40
41
42
43
44
45
46
47
48
3
4
5
6
7
8
9
10
11
12
13
14
15
16
17
18
19
20
21
22
23
24
25
26
27
28
29
30
31
32
33
34
35
36
37
38
39
40
41
42
43
44
45
46
47
48
49
50
P12/TIOCC0/
TCLKA/A22
P13/TIOCD0/
TCLKB/A23
P14/TIOCA1
P15/TIOCB1/
TCLKC
P16/TIOCA2
P17/TIOCB2/
TCLKD
VSS
P30/TxD0
P31/TxD1
P32/RxD0
P33/RxD1
P34/SCK0/IRQ4
P35/SCK1/IRQ5
PE0/D0
PE1/D1
PE2/D2
PE3/D3
VSS
PE4/D4
PE5/D5
PE6/D6
PE7/D7
D8
D9
D10
D11
D12
D13
D14
D15
VSS
A0
A1
A2
A3
A4
A5
A6
A7
VCC
A8
A9
A10
A11
A12
A13
A14
A15
P12/TIOCC0/
TCLKA/A22
P13/TIOCD0/
TCLKB/A23
P14/TIOCA1
P15/TIOCB1/
TCLKC
P16/TIOCA2
P17/TIOCB2/
TCLKD
VSS
P30/TxD0
P31/TxD1
P32/RxD0
P33/RxD1
P34/SCK0/IRQ4
P35/SCK1/IRQ5
PE0/D0
PE1/D1
PE2/D2
PE3/D3
VSS
PE4/D4
PE5/D5
PE6/D6
PE7/D7
D8
D9
D10
D11
D12
D13
D14
D15
VSS
A0
A1
A2
A3
A4
A5
A6
A7
VCC
A8
A9
A10
A11
A12
A13
A14
A15
P12/TIOCC0/
TCLKA/A22
P13/TIOCD0/
TCLKB/A23
P14/TIOCA1
P15/TIOCB1/
TCLKC
P16/TIOCA2
P17/TIOCB2/
TCLKD
VSS
P30/TxD0
P31/TxD1
P32/RxD0
P33/RxD1
P34/SCK0/IRQ4
P35/SCK1/IRQ5
PE0/D0
PE1/D1
PE2/D2
PE3/D3
VSS
PE4/D4
PE5/D5
PE6/D6
PE7/D7
D8
D9
D10
D11
D12
D13
D14
D15
VSS
PC0/A0
PC1/A1
PC2/A2
PC3/A3
PC4/A4
PC5/A5
PC6/A6
PC7/A7
VCC
PB0/A8
PB1/A9
PB2/A10
PB3/A11
PB4/A12
PB5/A13
PB6/A14
PB7/A15
FP-100A 4
Mode
5
Mode
6*1
Mode
P12/TIOCC0/
TCLKA
P13/TIOCD0/
TCLKB
P14/TIOCA1
P15/TIOCB1/
TCLKC
P16/TIOCA2
P17/TIOCB2/
TCLKD
VSS
P30/TxD0
P31/TxD1
P32/RxD0
P33/RxD1
P34/SCK0/IRQ4
P35/SCK1/IRQ5
PE0
PE1
PE2
PE3
VSS
PE4
PE5
PE6
PE7
PD0
PD1
PD2
PD3
PD4
PD5
PD6
PD7
VSS
PC0
PC1
PC2
PC3
PC4
PC5
PC6
PC7
VCC
PB0
PB1
PB2
PB3
PB4
PB5
PB6
PB7
7*1
Mode
NC
NC
NC
NC
NC
NC
VSS
NC
NC
NC
NC
NC
NC
NC
NC
NC
NC
VSS
NC
NC
NC
NC
FO0
FO1
FO2
FO3
FO4
FO5
FO6
FO7
VSS
A0
A1
A2
A3
A4
A5
A6
A7
VCC
A8
A9
A10
A11
A12
A13
A14
A15
Flash Memory
Programmer Mode*2

42
Pin Functions in Each Operating Mode
Pin No. Pin Name
TFP-100B
49
50
51
52
53
54
55
56
57
58
59
60
61
62
63
64
65
66
67
68
69
70
71
72
73
74
75
76
77
78
79
80
81
82
83
84
85
86
87
88
89
90
91
51
52
53
54
55
56
57
58
59
60
61
62
63
64
65
66
67
68
69
70
71
72
73
74
75
76
77
78
79
80
81
82
83
84
85
86
87
88
89
90
91
92
93
VSS
A16
A17
A18
A19
P20/TIOCA3
P21/TIOCB3
P22/TIOCC3/
TMRI0
MD0
MD1
P23/TIOCD3/
TMCI0
WDTOVF
(FWE, EMLE)*3
MD2
RES
NMI
STBY
VCC
XTAL
EXTAL
VSS
PF7/ø
PF6/AS
RD
HWR
PF3/LWR/IRQ3
PF2/WAIT/
IRQ2/DREQO
PF1/BACK/
IRQ1/CS5
PF0/BREQ/
IRQ0/CS4
AVCC
Vref
P40/AN0
P41/AN1
P42/AN2
P43/AN3
P44/AN4
P45/AN5
P46/AN6/DA0
P47/AN7/DA1
AVSS
VSS
P24/TIOCA4/
TMRI1
P25/TIOCB4/
TMCI1
P26/TIOCA5/
TMO0
VSS
A16
A17
A18
A19
P20/TIOCA3
P21/TIOCB3
P22/TIOCC3/
TMRI0
MD0
MD1
P23/TIOCD3/
TMCI0
WDTOVF
(FWE, EMLE)*3
MD2
RES
NMI
STBY
VCC
XTAL
EXTAL
VSS
PF7/ø
PF6/AS
RD
HWR
PF3/LWR/IRQ3
PF2/WAIT/
IRQ2/DREQO
PF1/BACK/
IRQ1/CS5
PF0/BREQ/
IRQ0/CS4
AVCC
Vref
P40/AN0
P41/AN1
P42/AN2
P43/AN3
P44/AN4
P45/AN5
P46/AN6/DA0
P47/AN7/DA1
AVSS
VSS
P24/TIOCA4/
TMRI1
P25/TIOCB4/
TMCI1
P26/TIOCA5/
TMO0
VSS
PA0/A16
PA1/A17
PA2/A18
PA3/A19
P20/TIOCA3
P21/TIOCB3
P22/TIOCC3/
TMRI0
MD0
MD1
P23/TIOCD3/
TMCI0
WDTOVF
(FWE, EMLE)*3
MD2
RES
NMI
STBY
VCC
XTAL
EXTAL
VSS
PF7/ø
PF6/AS
RD
HWR
PF3/LWR/IRQ3
PF2/WAIT/
IRQ2/DREQO
PF1/BACK/
IRQ1/CS5
PF0/BREQ/
IRQ0/CS4
AVCC
Vref
P40/AN0
P41/AN1
P42/AN2
P43/AN3
P44/AN4
P45/AN5
P46/AN6/DA0
P47/AN7/DA1
AVSS
VSS
P24/TIOCA4/
TMRI1
P25/TIOCB4/
TMCI1
P26/TIOCA5/
TMO0
FP-100A 4
Mode
5
Mode
6* 1
Mode
VSS
PA0
PA1
PA2
PA3
P20/TIOCA3
P21/TIOCB3
P22/TIOCC3/
TMRI0
MD0
MD1
P23/TIOCD3/
TMCI0
WDTOVF
(FWE, EMLE)*3
MD2
RES
NMI
STBY
VCC
XTAL
EXTAL
VSS
PF7/ø
PF6
PF5
PF4
PF3/IRQ3
PF2/IRQ2
PF1/IRQ1
PF0/IRQ0
AVCC
Vref
P40/AN0
P41/AN1
P42/AN2
P43/AN3
P44/AN4
P45/AN5
P46/AN6/DA0
P47/AN7/DA1
AVSS
VSS
P24/TIOCA4/
TMRI1
P25/TIOCB4/
TMCI1
P26/TIOCA5/
TMO0
7* 1
Mode
VSS
A16
A17
A18
NC
OE
CE
WE
VSS
VSS
VCC
FWE
VSS
RES
VCC
VCC
VCC
XTAL
EXTAL
VSS
NC
NC
NC
NC
NC
VCC
VSS
VSS
VCC
VCC
NC
NC
NC
NC
NC
NC
NC
NC
VSS
VSS
NC
VSS
NC
Flash Memory
Programmer Mode* 2

43
Pin Functions in Each Operating Mode
Notes : 1. Only modes 4 and 5 are available on the ROMless version.
2. Flash memory programmer mode information is preliminary.
3. The FWE pin function is only available on the H8S/2318 F-ZTAT and H8S/2315 F-ZTAT
versions.
The EMLE pin function is only available on the H8S/2319 F-ZTAT version.
It cannot be used as a WDTOVF pin on the F-ZTAT version.
Pin No. Pin Name
TFP-100B
92
93
94
95
96
97
98
99
100
94
95
96
97
98
99
100
1
2
P27/TIOCB5/
TMO1
PG0/IRQ6/
ADTRG
PG1/CS3/
IRQ7/CS6
PG2/CS2
PG3/CS1/CS7
PG4/CS0
VCC
P10/TIOCA0/A20
P11/TIOCB0/A21
P27/TIOCB5/
TMO1
PG0/IRQ6/
ADTRG
PG1/CS3/
IRQ7/CS6
PG2/CS2
PG3/CS1/CS7
PG4/CS0
VCC
P10/TIOCA0/A20
P11/TIOCB0/A21
P27/TIOCB5/
TMO1
PG0/IRQ6/
ADTRG
PG1/CS3/
IRQ7/CS6
PG2/CS2
PG3/CS1/CS7
PG4/CS0
VCC
P10/TIOCA0/A20
P11/TIOCB0/A21
FP-100A 4
Mode
5
Mode
6* 1
Mode
P27/TIOCB5/
TMO1
PG0/IRQ6/
ADTRG
PG1/IRQ7
PG2
PG3
PG4
VCC
P10/TIOCA0
P11/TIOCB0
7* 1
Mode
NC
NC
NC
NC
NC
NC
VCC
NC
NC
Flash Memory
Programmer Mode* 2

44
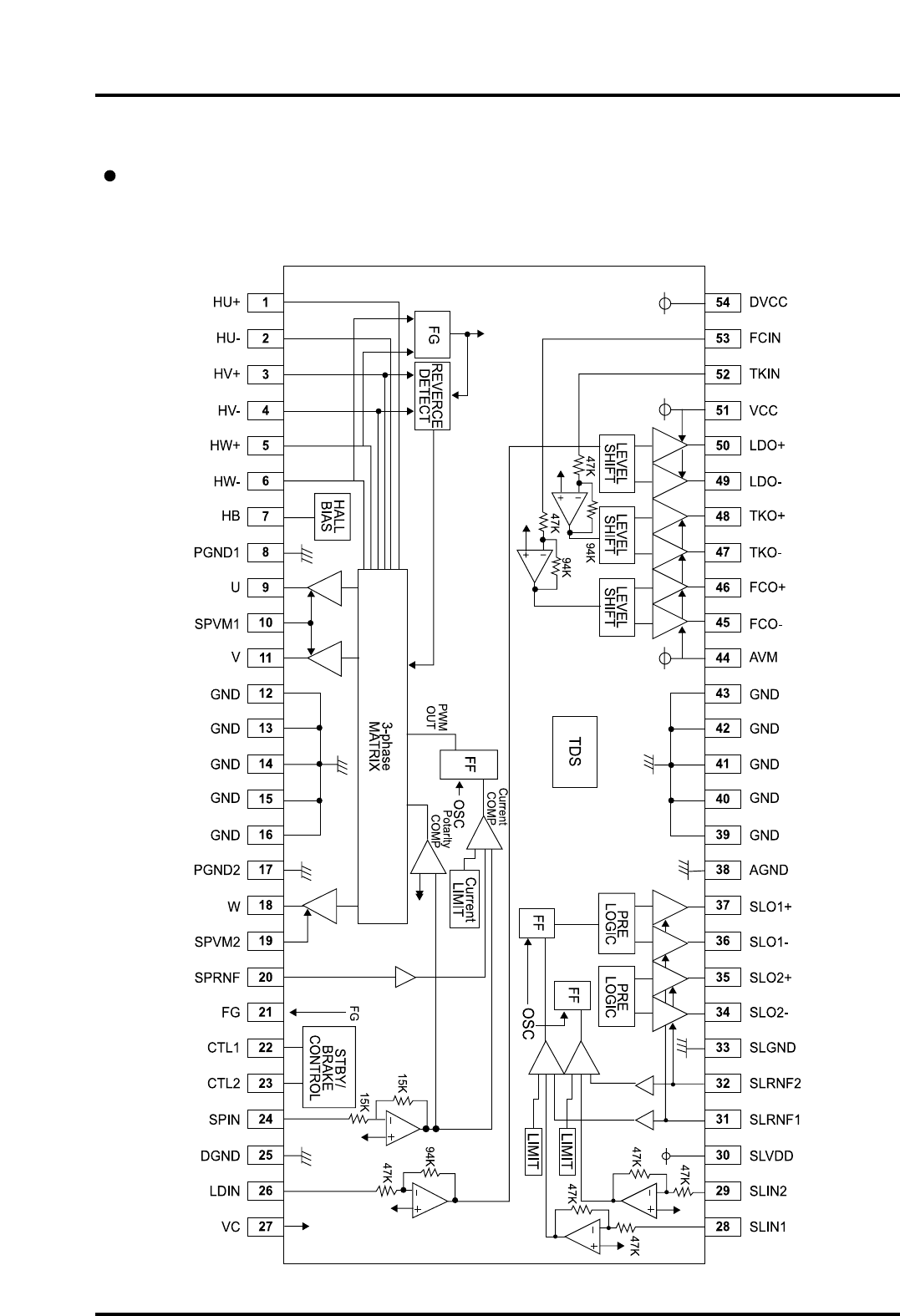
BD7902CFS

45
BD7902CFS
Pin Descriptions
1 HU+ Hall amp.U positive input 54 DVCC PWM block control power supply
2 HU- Hall amp.U negative input 53 FCIN Focus driver input
3 HV+ Hall amp.U positive input 52 TKIN Tracking driver input
4 HV- Hall amp.U negative input 51 VCC BTL pre and Loading power supply
5 HW+ Hall amp.U positive input 50 LDO+ Loading driver positive output
6 HW- Hall amp.U negative input 49 LDO- Loading driver negative output
7 HB Hall bias 48 TKO+ Tracking driver positive output
8 PGND1 Spindle driver power ground1 47 TKO- Tracking driver negative output
9 U Spindle driver output U 46 FCO+ Focus driver positive output
10 SPVM1 Spindle driver power supply1 45 FCO- Focus driver negative output
11 V Spindle driver output V 44 AVM Actuator driver block power supply
12 GND GND 43 GND GND
13 GND GND 42 GND GND
14 GND GND 41 GND GND
15 GND GND 40 GND GND
16 GND GND 39 GND GND
17 PGND2 Spindle driver power ground 2 38 AGND Ground
18 W Spindle driver output W 37 SLO1+ Sled drive 1 positive output
19 SPVM2 Spindle driver power supply 2 36 SLO1- Sled drive 1 negative output
20 SPRNF Spindle driver ourrent sense 35 SLO2+ Sled drive 2 positive output
21 FG Frequency generator output 34 SLO2- Sled drive 2 negative output
22 CTL1 Driver logic control input1 33 SLGND Sled driver power ground
23 CTL2 Driver logic control input2 32 SLRNF2 Sled driver 2 current sense
24 SPIN Spindle driver input 31 SLRNF1 Sled driver 1 current sense
25 DGND PWM block pre-ground 30 SLVDD Sled driver PowerMos pre-supply
26 LDIN Loading driver input 29 SLIN2 Sled driver 2 input
27 VC Reference voltage input 28 SLIN1 Sled driver 1 input
SymbolTerminal Terminal Function Terminal Symbol Terminal Function

46
LOC CODE NO DESCRIPTION
B501 3301-001082 “CORE-FERRITE BEAD;AB,60OHM,3.2X2.5X1.3MM”
B502 3301-001082 “CORE-FERRITE BEAD;AB,60OHM,3.2X2.5X1.3MM”
B503 3301-001082 “CORE-FERRITE BEAD;AB,60OHM,3.2X2.5X1.3MM”
B504 3301-001082 “CORE-FERRITE BEAD;AB,60OHM,3.2X2.5X1.3MM”
B505 3301-001082 “CORE-FERRITE BEAD;AB,60OHM,3.2X2.5X1.3MM”
C101 2203-000888 “C-CERAMIC,CHIP;4.7nF,10%,50V,X7R,TP,1608”
C102 2203-000972 “C-CERAMIC,CHIP;47nF,10%,16V,X7R,TP,1608”
C103 2203-000236 “C-CERAMIC,CHIP;0.1nF,5%,50V,NP0,TP,1608”
C104 2203-001724 “C-CERAMIC,CHIP;4700NF,+80-20%,16V,Y5V,TP”
C105 2203-000440 “C-CERAMIC,CHIP;1nF,10%,50V,X7R,TP,1608,-”
C106 2203-000888 “C-CERAMIC,CHIP;4.7nF,10%,50V,X7R,TP,1608”
C107 2203-000888 “C-CERAMIC,CHIP;4.7nF,10%,50V,X7R,TP,1608”
C108 2203-001607 “C-CERAMIC,CHIP;0.22nF,5%,50V,NP0,TP,1608”
C109 2203-000783 “C-CERAMIC,CHIP;0.33nF,5%,50V,NP0,TP,1608”
C110 2203-001656 “C-CERAMIC,CHIP;0.47nF,5%,50V,NP0,TP,1608”
C111 2404-001020 “C-TA,CHIP;10uF,20%,10V,GP,TP,3216,3.2”
C112 2203-000189 “C-CERAMIC,CHIP;100nF,+80-20%,25V,Y5V,TP,”
C113 2402-000136 “C-AL,SMD;22uF,20%,16V,GP,TP,5.3x5.3x5.2”
C114 2203-000257 “C-CERAMIC,CHIP;10nF,10%,50V,X7R,TP,1608”
C115 2203-001630 “C-CERAMIC,CHIP;330nF,+80-20%,16V,Y5V,TP,”
C116 2203-000189 “C-CERAMIC,CHIP;100nF,+80-20%,25V,Y5V,TP,”
C117 2203-002398 “C-CERAMIC,CHIP;22nF,10%,50V,X7R,TP,1608”
C118 2203-000257 “C-CERAMIC,CHIP;10nF,10%,50V,X7R,TP,1608”
C119 2203-000257 “C-CERAMIC,CHIP;10nF,10%,50V,X7R,TP,1608”
C120 2402-000112 “C-AL,SMD;10uF,20%,16V,GP,TP,3.3x3.3x5.4”
C122 2203-000440 “C-CERAMIC,CHIP;1nF,10%,50V,X7R,TP,1608,-”
C123 2203-000440 “C-CERAMIC,CHIP;1nF,10%,50V,X7R,TP,1608,-”
C124 2402-000112 “C-AL,SMD;10uF,20%,16V,GP,TP,3.3x3.3x5.4”
C126 2203-000236 “C-CERAMIC,CHIP;0.1nF,5%,50V,NP0,TP,1608”
C127 2203-001724 “C-CERAMIC,CHIP;4700NF,+80-20%,16V,Y5V,TP”
C128 2203-000236 “C-CERAMIC,CHIP;0.1nF,5%,50V,NP0,TP,1608”
C129 2203-000236 “C-CERAMIC,CHIP;0.1nF,5%,50V,NP0,TP,1608”
C131 2404-001020 “C-TA,CHIP;10uF,20%,10V,GP,TP,3216,3.2”
C133 2404-001020 “C-TA,CHIP;10uF,20%,10V,GP,TP,3216,3.2”
C135 2203-000357 “C-CERAMIC,CHIP;0.15nF,5%,50V,NP0,TP,1608”
C136 2203-000357 “C-CERAMIC,CHIP;0.15nF,5%,50V,NP0,TP,1608”
C137 2203-000783 “C-CERAMIC,CHIP;0.33nF,5%,50V,NP0,TP,1608”
C138 2203-000189 “C-CERAMIC,CHIP;100nF,+80-20%,25V,Y5V,TP,”
C139 2404-001131 “C-TA,CHIP;22UF,10%,10V,GP,TP,3528”
C140 2203-000189 “C-CERAMIC,CHIP;100nF,+80-20%,25V,Y5V,TP,”
C141 2404-001131 “C-TA,CHIP;22UF,10%,10V,GP,TP,3528”
C142 2203-000531 “C-CERAMIC,CHIP;2.7nF,10%,50V,X7R,TP,1608”
C143 2203-005065 “C-CERAMIC,CHIP;1000nF,+80-20%,10V,Y5V,TP”
C144 2203-001724 “C-CERAMIC,CHIP;4700NF,+80-20%,16V,Y5V,TP”
C145 2203-001598 “C-CERAMIC,CHIP;2200nF,+80-20%,16V,Y5V,TP”
C146 2203-000189 “C-CERAMIC,CHIP;100nF,+80-20%,25V,Y5V,TP,”
C148 2203-000189 “C-CERAMIC,CHIP;100nF,+80-20%,25V,Y5V,TP,”
C149 2203-000189 “C-CERAMIC,CHIP;100nF,+80-20%,25V,Y5V,TP,”
C150 2203-001402 “C-CERAMIC,CHIP;220nF,+80-20%,16V,Y5V,TP,”
C151 2203-001126 “C-CERAMIC,CHIP;0.68nF,10%,50V,X7R,TP,160”
C199 2203-001086 “C-CERAMIC,CHIP;0.005nF,0.25pF,50V,NP0,TP”
C201 2203-000257 “C-CERAMIC,CHIP;10nF,10%,50V,X7R,TP,1608”
Electrical Parts List

47
Electrical Parts List
LOC CODE NO DESCRIPTION
C202 2203-000257 “C-CERAMIC,CHIP;10nF,10%,50V,X7R,TP,1608”
C203 2203-000257 “C-CERAMIC,CHIP;10nF,10%,50V,X7R,TP,1608”
C204 2203-000257 “C-CERAMIC,CHIP;10nF,10%,50V,X7R,TP,1608”
C205 2203-000257 “C-CERAMIC,CHIP;10nF,10%,50V,X7R,TP,1608”
C206 2203-000257 “C-CERAMIC,CHIP;10nF,10%,50V,X7R,TP,1608”
C207 2203-001103 “C-CERAMIC,CHIP;6.8nF,10%,50V,X7R,TP,1608”
C208 2203-005342 “C-CERAMIC,CHIP;82nF,10%,16V,X7R,TP,1608”
C209 2203-002085 “C-CERAMIC,CHIP;56nF,10%,50V,X7R,TP,2012,”
C210 2404-001020 “C-TA,CHIP;10uF,20%,10V,GP,TP,3216,3.2”
C211 2203-000189 “C-CERAMIC,CHIP;100nF,+80-20%,25V,Y5V,TP,”
C212 2203-000041 “C-CERAMIC,CHIP;0.01nF,0.25pF,50V,NP0,TP,”
C213 2203-000041 “C-CERAMIC,CHIP;0.01nF,0.25pF,50V,NP0,TP,”
C214 2203-000041 “C-CERAMIC,CHIP;0.01nF,0.25pF,50V,NP0,TP,”
C215 2203-000041 “C-CERAMIC,CHIP;0.01nF,0.25pF,50V,NP0,TP,”
C216 2203-000257 “C-CERAMIC,CHIP;10nF,10%,50V,X7R,TP,1608”
C217 2203-000236 “C-CERAMIC,CHIP;0.1nF,5%,50V,NP0,TP,1608”
C218 2203-000189 “C-CERAMIC,CHIP;100nF,+80-20%,25V,Y5V,TP,”
C220 2203-000257 “C-CERAMIC,CHIP;10nF,10%,50V,X7R,TP,1608”
C221 2203-001724 “C-CERAMIC,CHIP;4700NF,+80-20%,16V,Y5V,TP”
C223 2203-000189 “C-CERAMIC,CHIP;100nF,+80-20%,25V,Y5V,TP,”
C224 2203-000257 “C-CERAMIC,CHIP;10nF,10%,50V,X7R,TP,1608”
C225 2203-002398 “C-CERAMIC,CHIP;22nF,10%,50V,X7R,TP,1608”
C226 2203-000440 “C-CERAMIC,CHIP;1nF,10%,50V,X7R,TP,1608,-”
C227 2203-000783 “C-CERAMIC,CHIP;0.33nF,5%,50V,NP0,TP,1608”
C228 2203-001052 “C-CERAMIC,CHIP;0.56nF,10%,50V,X7R,TP,160”
C229 2203-000783 “C-CERAMIC,CHIP;0.33nF,5%,50V,NP0,TP,1608”
C230 2203-000189 “C-CERAMIC,CHIP;100nF,+80-20%,25V,Y5V,TP,”
C231 2203-000372 “C-CERAMIC,CHIP;15nF,10%,50V,X7R,TP,1608,”
C232 2203-000372 “C-CERAMIC,CHIP;15nF,10%,50V,X7R,TP,1608,”
C233 2203-000972 “C-CERAMIC,CHIP;47nF,10%,16V,X7R,TP,1608”
C234 2203-000257 “C-CERAMIC,CHIP;10nF,10%,50V,X7R,TP,1608”
C235 2203-000041 “C-CERAMIC,CHIP;0.01nF,0.25pF,50V,NP0,TP,”
C236 2203-000041 “C-CERAMIC,CHIP;0.01nF,0.25pF,50V,NP0,TP,”
C237 2404-001020 “C-TA,CHIP;10uF,20%,10V,GP,TP,3216,3.2”
C238 2404-001020 “C-TA,CHIP;10uF,20%,10V,GP,TP,3216,3.2”
C240 2203-001724 “C-CERAMIC,CHIP;4700NF,+80-20%,16V,Y5V,TP”
C241 2203-000189 “C-CERAMIC,CHIP;100nF,+80-20%,25V,Y5V,TP,”
C242 2203-000257 “C-CERAMIC,CHIP;10nF,10%,50V,X7R,TP,1608”
C243 2203-001598 “C-CERAMIC,CHIP;2200nF,+80-20%,16V,Y5V,TP”
C244 2203-000257 “C-CERAMIC,CHIP;10nF,10%,50V,X7R,TP,1608”
C245 2404-001020 “C-TA,CHIP;10uF,20%,10V,GP,TP,3216,3.2”
C246 2404-001020 “C-TA,CHIP;10uF,20%,10V,GP,TP,3216,3.2”
C247 2203-000140 “C-CERAMIC,CHIP;1.5nF,10%,50V,X7R,TP,1608”
C248 2203-000140 “C-CERAMIC,CHIP;1.5nF,10%,50V,X7R,TP,1608”
C249 2203-000257 “C-CERAMIC,CHIP;10nF,10%,50V,X7R,TP,1608”
C250 2203-000257 “C-CERAMIC,CHIP;10nF,10%,50V,X7R,TP,1608”
C251 2404-001020 “C-TA,CHIP;10uF,20%,10V,GP,TP,3216,3.2”
C301 2203-001683 “C-CERAMIC,CHIP;0.068nF,5%,50V,NP0,TP,160”
C302 2203-001656 “C-CERAMIC,CHIP;0.47nF,5%,50V,NP0,TP,1608”
C303 2203-001598 “C-CERAMIC,CHIP;2200nF,+80-20%,16V,Y5V,TP”
C304 2203-000783 “C-CERAMIC,CHIP;0.33nF,5%,50V,NP0,TP,1608”
C305 2203-000257 “C-CERAMIC,CHIP;10nF,10%,50V,X7R,TP,1608”
C306 2203-000041 “C-CERAMIC,CHIP;0.01nF,0.25pF,50V,NP0,TP,”
C307 2203-000041 “C-CERAMIC,CHIP;0.01nF,0.25pF,50V,NP0,TP,”
C308 2203-000257 “C-CERAMIC,CHIP;10nF,10%,50V,X7R,TP,1608”
C309 2203-001607 “C-CERAMIC,CHIP;0.22nF,5%,50V,NP0,TP,1608”
C310 2203-000715 “C-CERAMIC,CHIP;3.3nF,10%,50V,X7R,TP,1608”

48
Electrical Parts List
LOC CODE NO DESCRIPTION
C311 2203-000783 “C-CERAMIC,CHIP;0.33nF,5%,50V,NP0,TP,1608”
C312 2203-000783 “C-CERAMIC,CHIP;0.33nF,5%,50V,NP0,TP,1608”
C313 2203-000140 “C-CERAMIC,CHIP;1.5nF,10%,50V,X7R,TP,1608”
C314 2203-000815 “C-CERAMIC,CHIP;0.033nF,5%,50V,NP0,TP,160”
C315 2203-000888 “C-CERAMIC,CHIP;4.7nF,10%,50V,X7R,TP,1608”
C316 2203-000783 “C-CERAMIC,CHIP;0.33nF,5%,50V,NP0,TP,1608”
C317 2203-000189 “C-CERAMIC,CHIP;100nF,+80-20%,25V,Y5V,TP,”
C318 2203-000189 “C-CERAMIC,CHIP;100nF,+80-20%,25V,Y5V,TP,”
C319 2203-001607 “C-CERAMIC,CHIP;0.22nF,5%,50V,NP0,TP,1608”
C320 2203-001607 “C-CERAMIC,CHIP;0.22nF,5%,50V,NP0,TP,1608”
C321 2203-000257 “C-CERAMIC,CHIP;10nF,10%,50V,X7R,TP,1608”
C322 2203-000783 “C-CERAMIC,CHIP;0.33nF,5%,50V,NP0,TP,1608”
C323 2203-000041 “C-CERAMIC,CHIP;0.01nF,0.25pF,50V,NP0,TP,”
C324 2203-001724 “C-CERAMIC,CHIP;4700NF,+80-20%,16V,Y5V,TP”
C401 2402-001042 “C-AL,SMD;100uF,20%,16V,GP,TP,6.6x6.6x5.”
C402 2203-000189 “C-CERAMIC,CHIP;100nF,+80-20%,25V,Y5V,TP,”
C403 2203-001598 “C-CERAMIC,CHIP;2200nF,+80-20%,16V,Y5V,TP”
C405 2203-001598 “C-CERAMIC,CHIP;2200nF,+80-20%,16V,Y5V,TP”
C406 2203-000888 “C-CERAMIC,CHIP;4.7nF,10%,50V,X7R,TP,1608”
C407 2203-000888 “C-CERAMIC,CHIP;4.7nF,10%,50V,X7R,TP,1608”
C408 2203-000189 “C-CERAMIC,CHIP;100nF,+80-20%,25V,Y5V,TP,”
C409 2402-001042 “C-AL,SMD;100uF,20%,16V,GP,TP,6.6x6.6x5.”
C410 2203-000189 “C-CERAMIC,CHIP;100nF,+80-20%,25V,Y5V,TP,”
C411 2203-000189 “C-CERAMIC,CHIP;100nF,+80-20%,25V,Y5V,TP,”
C412 2203-000189 “C-CERAMIC,CHIP;100nF,+80-20%,25V,Y5V,TP,”
C413 2203-000189 “C-CERAMIC,CHIP;100nF,+80-20%,25V,Y5V,TP,”
C414 2203-000189 “C-CERAMIC,CHIP;100nF,+80-20%,25V,Y5V,TP,”
C419 2203-000189 “C-CERAMIC,CHIP;100nF,+80-20%,25V,Y5V,TP,”
C501 2203-000189 “C-CERAMIC,CHIP;100nF,+80-20%,25V,Y5V,TP,”
C502 2203-000189 “C-CERAMIC,CHIP;100nF,+80-20%,25V,Y5V,TP,”
C503 2402-001042 “C-AL,SMD;100uF,20%,16V,GP,TP,6.6x6.6x5.”
C504 2203-000189 “C-CERAMIC,CHIP;100nF,+80-20%,25V,Y5V,TP,”
C505 2203-001724 “C-CERAMIC,CHIP;4700NF,+80-20%,16V,Y5V,TP”
C506 2402-001042 “C-AL,SMD;100uF,20%,16V,GP,TP,6.6x6.6x5.”
C507 2203-000189 “C-CERAMIC,CHIP;100nF,+80-20%,25V,Y5V,TP,”
C508 2203-000189 “C-CERAMIC,CHIP;100nF,+80-20%,25V,Y5V,TP,”
C509 2203-000189 “C-CERAMIC,CHIP;100nF,+80-20%,25V,Y5V,TP,”
C510 2203-000140 “C-CERAMIC,CHIP;1.5nF,10%,50V,X7R,TP,1608”
C511 2203-001724 “C-CERAMIC,CHIP;4700NF,+80-20%,16V,Y5V,TP”
C512 2203-000257 “C-CERAMIC,CHIP;10nF,10%,50V,X7R,TP,1608”
C513 2203-000257 “C-CERAMIC,CHIP;10nF,10%,50V,X7R,TP,1608”
C514 2203-000189 “C-CERAMIC,CHIP;100nF,+80-20%,25V,Y5V,TP,”
C515 2404-001270 “C-TA,CHIP;47UF,20%,10V,-,TP,3216”
C516 2203-000189 “C-CERAMIC,CHIP;100nF,+80-20%,25V,Y5V,TP,”
CN30 3708-001524 “CONNECTOR-FPC/FFC/PIC;13P,1mm,SMD-A,SN”
CN40 3708-001606 “CONNECTOR-FPC/FFC/PIC;15P,1MM,SMD-A,SN”
D501 0407-000123 “DIODE-ARRAY;DAN202K,80V,100MA,CA2-3,SOT-”
IC102 1002-001262 “IC-D/A CONVERTER;BU2505FV,10BIT,SOIC,20P”
IC202B 1105-001261 “IC-DRAM;12L1616A,16BIT,TSOP,50P,400MIL”
IC203 0801-002414 “IC-CMOS LOGIC;7W53,MULTI/DEMULTIPLEXER,S”
IC402 1201-001001 “IC-OP AMP;2100,SOP,8P,250MIL,DUAL,80mV/V”
IC501 1203-001394 “IC-VOL. DETECTOR;9735,SOT-23,3P,-,PLASTI”
JP101 2007-000070 “R-CHIP;0ohm,5%,1/16W,DA,TP,1608”
JP201 2007-000070 “R-CHIP;0ohm,5%,1/16W,DA,TP,1608”
JP211 2007-000070 “R-CHIP;0ohm,5%,1/16W,DA,TP,1608”
Q101 0504-000110 “TR-DIGITAL;DTC114EU,NPN,200MW,10K/10K,SC”
Q501 0504-000110 “TR-DIGITAL;DTC114EU,NPN,200MW,10K/10K,SC”

49
Electrical Parts List
LOC CODE NO DESCRIPTION
Q502 0504-000110 “TR-DIGITAL;DTC114EU,NPN,200MW,10K/10K,SC”
Q503 0504-000105 “TR-DIGITAL;DTA114EU,PNP,200MW,10K/10K,SC”
Q504 0504-000105 “TR-DIGITAL;DTA114EU,PNP,200MW,10K/10K,SC”
R101 2007-000669 “R-CHIP;2Kohm,1%,1/16W,DA,TP,1608”
R102 2007-000109 “R-CHIP;1Mohm,5%,1/16W,DA,TP,1608”
R103 2007-000074 “R-CHIP;100ohm,5%,1/16W,DA,TP,1608”
R106 2007-000102 “R-CHIP;100Kohm,5%,1/16W,DA,TP,1608”
R107 2007-000090 “R-CHIP;10KOHM,5%,1/16W,DA,TP,1608”
R109 2007-000076 “R-CHIP;330ohm,5%,1/16W,DA,TP,1608”
R110 2007-000090 “R-CHIP;10KOHM,5%,1/16W,DA,TP,1608”
R111 2007-001179 “R-CHIP;8.2Kohm,5%,1/16W,DA,TP,1608”
R112 2007-000134 “R-CHIP;33Kohm,5%,1/16W,DA,TP,1608”
R113 2007-000134 “R-CHIP;33Kohm,5%,1/16W,DA,TP,1608”
R114 2007-000067 “R-CHIP;15Kohm,1%,1/16W,DA,TP,1608”
R115 2007-000090 “R-CHIP;10KOHM,5%,1/16W,DA,TP,1608”
R116 2007-000084 “R-CHIP;4.7Kohm,5%,1/16W,DA,TP,1608”
R117 2007-000070 “R-CHIP;0ohm,5%,1/16W,DA,TP,1608”
R118 2007-000070 “R-CHIP;0ohm,5%,1/16W,DA,TP,1608”
R119 2007-001002 “R-CHIP;510ohm,5%,1/16W,DA,TP,1608”
R120 2007-001044 “R-CHIP;56ohm,5%,1/16W,DA,TP,1608”
R121 2007-000071 “R-CHIP;22ohm,5%,1/16W,DA,TP,1608”
R122 2007-000071 “R-CHIP;22ohm,5%,1/16W,DA,TP,1608”
R201 2007-000115 “R-CHIP;82ohm,5%,1/16W,DA,TP,1608”
R202 2007-000071 “R-CHIP;22ohm,5%,1/16W,DA,TP,1608”
R203 2007-000071 “R-CHIP;22ohm,5%,1/16W,DA,TP,1608”
R204 2007-000115 “R-CHIP;82ohm,5%,1/16W,DA,TP,1608”
R205 2007-000071 “R-CHIP;22ohm,5%,1/16W,DA,TP,1608”
R206 2007-000115 “R-CHIP;82ohm,5%,1/16W,DA,TP,1608”
R207 2007-000115 “R-CHIP;82ohm,5%,1/16W,DA,TP,1608”
R208 2007-000071 “R-CHIP;22ohm,5%,1/16W,DA,TP,1608”
R209 2007-000115 “R-CHIP;82ohm,5%,1/16W,DA,TP,1608”
R210 2007-000070 “R-CHIP;0ohm,5%,1/16W,DA,TP,1608”
R212 2007-000074 “R-CHIP;100ohm,5%,1/16W,DA,TP,1608”
R213 2007-000074 “R-CHIP;100ohm,5%,1/16W,DA,TP,1608”
R214 2007-000512 “R-CHIP;2.4Kohm,5%,1/16W,DA,TP,1608”
R215 2007-000076 “R-CHIP;330ohm,5%,1/16W,DA,TP,1608”
R216 2007-000113 “R-CHIP;33ohm,5%,1/16W,DA,TP,1608”
R217 2007-000116 “R-CHIP;120ohm,5%,1/16W,DA,TP,1608”
R218 2007-000882 “R-CHIP;4.7ohm,5%,1/16W,DA,TP,1608”
R220 2007-000708 “R-CHIP;3.9Kohm,1%,1/16W,DA,TP,1608”
R222 2007-000772 “R-CHIP;33Kohm,1%,1/16W,DA,TP,1608”
R223 2007-000772 “R-CHIP;33Kohm,1%,1/16W,DA,TP,1608”
R224 2007-000772 “R-CHIP;33Kohm,1%,1/16W,DA,TP,1608”
R226 2007-000060 “R-CHIP;100Kohm,1%,1/16W,DA,TP,1608”
R227 2007-000583 “R-CHIP;22Kohm,1%,1/16W,DA,TP,1608”
R228 2007-001206 “R-CHIP;82Kohm,1%,1/16W,DA,TP,1608”
R229 2007-000090 “R-CHIP;10KOHM,5%,1/16W,DA,TP,1608”
R230 2007-000090 “R-CHIP;10KOHM,5%,1/16W,DA,TP,1608”
R231 2007-000133 “R-CHIP;330Kohm,5%,1/16W,DA,TP,1608”
R232 2007-000090 “R-CHIP;10KOHM,5%,1/16W,DA,TP,1608”
R233 2007-000092 “R-CHIP;15Kohm,5%,1/16W,DA,TP,1608”
R234 2007-000090 “R-CHIP;10KOHM,5%,1/16W,DA,TP,1608”
R235 2007-000084 “R-CHIP;4.7Kohm,5%,1/16W,DA,TP,1608”
R236 2007-000431 “R-CHIP;16Kohm,5%,1/16W,DA,TP,1608”
R237 2007-000109 “R-CHIP;1Mohm,5%,1/16W,DA,TP,1608”
R238 2007-000070 “R-CHIP;0ohm,5%,1/16W,DA,TP,1608”
R239 2007-000312 “R-CHIP;10OHM,5%,1/8W,DA,TP,3216”

50
Electrical Parts List
LOC CODE NO DESCRIPTION
R240 2007-000074 “R-CHIP;100ohm,5%,1/16W,DA,TP,1608”
R241 2007-000074 “R-CHIP;100ohm,5%,1/16W,DA,TP,1608”
R242 2007-000078 “R-CHIP;1Kohm,5%,1/16W,DA,TP,1608”
R243 2007-000078 “R-CHIP;1Kohm,5%,1/16W,DA,TP,1608”
R245 2007-000077 “R-CHIP;470ohm,5%,1/16W,DA,TP,1608”
R246 2007-000084 “R-CHIP;4.7Kohm,5%,1/16W,DA,TP,1608”
R247 2007-000094 “R-CHIP;22Kohm,5%,1/16W,DA,TP,1608”
R250 2007-000309 “R-CHIP;10ohm,5%,1/16W,DA,TP,1608”
R251 2007-000883 “R-CHIP;4.7OHM,5%,1/8W,DA,TP,3216”
R301 2007-000075 “R-CHIP;220ohm,5%,1/16W,DA,TP,1608”
R302 2007-001157 “R-CHIP;750ohm,5%,1/16W,DA,TP,1608”
R303 2007-000075 “R-CHIP;220ohm,5%,1/16W,DA,TP,1608”
R304 2007-000076 “R-CHIP;330ohm,5%,1/16W,DA,TP,1608”
R305 2007-000090 “R-CHIP;10KOHM,5%,1/16W,DA,TP,1608”
R306 2007-000123 “R-CHIP;1.5Kohm,5%,1/16W,DA,TP,1608”
R307 2007-000094 “R-CHIP;22Kohm,5%,1/16W,DA,TP,1608”
R308 2007-000094 “R-CHIP;22Kohm,5%,1/16W,DA,TP,1608”
R309 2007-000094 “R-CHIP;22Kohm,5%,1/16W,DA,TP,1608”
R312 2007-000075 “R-CHIP;220ohm,5%,1/16W,DA,TP,1608”
R313 2007-000076 “R-CHIP;330ohm,5%,1/16W,DA,TP,1608”
R314 2007-000090 “R-CHIP;10KOHM,5%,1/16W,DA,TP,1608”
R315 2007-000094 “R-CHIP;22Kohm,5%,1/16W,DA,TP,1608”
R316 2007-000070 “R-CHIP;0ohm,5%,1/16W,DA,TP,1608”
R317 2007-000094 “R-CHIP;22Kohm,5%,1/16W,DA,TP,1608”
R318 2007-000109 “R-CHIP;1Mohm,5%,1/16W,DA,TP,1608”
R319 2007-000094 “R-CHIP;22Kohm,5%,1/16W,DA,TP,1608”
R322 2007-000094 “R-CHIP;22Kohm,5%,1/16W,DA,TP,1608”
R323 2007-000094 “R-CHIP;22Kohm,5%,1/16W,DA,TP,1608”
R324 2007-000094 “R-CHIP;22Kohm,5%,1/16W,DA,TP,1608”
R325 2007-000080 “R-CHIP;2Kohm,5%,1/16W,DA,TP,1608”
R326 2007-000080 “R-CHIP;2Kohm,5%,1/16W,DA,TP,1608”
R327 2007-000080 “R-CHIP;2Kohm,5%,1/16W,DA,TP,1608”
R328 2007-000080 “R-CHIP;2Kohm,5%,1/16W,DA,TP,1608”
R329 2007-000078 “R-CHIP;1Kohm,5%,1/16W,DA,TP,1608”
R331 2007-000125 “R-CHIP;3.9Kohm,5%,1/16W,DA,TP,1608”
R332 2007-000125 “R-CHIP;3.9Kohm,5%,1/16W,DA,TP,1608”
R333 2007-000125 “R-CHIP;3.9Kohm,5%,1/16W,DA,TP,1608”
R334 2007-000125 “R-CHIP;3.9Kohm,5%,1/16W,DA,TP,1608”
R335 2007-000075 “R-CHIP;220ohm,5%,1/16W,DA,TP,1608”
R336 2007-000076 “R-CHIP;330ohm,5%,1/16W,DA,TP,1608”
R337 2007-000080 “R-CHIP;2Kohm,5%,1/16W,DA,TP,1608”
R338 2007-000094 “R-CHIP;22Kohm,5%,1/16W,DA,TP,1608”
R339 2007-000094 “R-CHIP;22Kohm,5%,1/16W,DA,TP,1608”
R340 2007-000094 “R-CHIP;22Kohm,5%,1/16W,DA,TP,1608”
R341 2007-000094 “R-CHIP;22Kohm,5%,1/16W,DA,TP,1608”
R342 2007-000094 “R-CHIP;22Kohm,5%,1/16W,DA,TP,1608”
R345 2007-000080 “R-CHIP;2Kohm,5%,1/16W,DA,TP,1608”
R346 2007-000078 “R-CHIP;1Kohm,5%,1/16W,DA,TP,1608”
R395 2007-000084 “R-CHIP;4.7Kohm,5%,1/16W,DA,TP,1608”
R396 2007-000120 “R-CHIP;680ohm,5%,1/16W,DA,TP,1608”
R397 2007-000120 “R-CHIP;680ohm,5%,1/16W,DA,TP,1608”
R398 2007-000094 “R-CHIP;22Kohm,5%,1/16W,DA,TP,1608”
R399 2007-000094 “R-CHIP;22Kohm,5%,1/16W,DA,TP,1608”
R401 2007-000113 “R-CHIP;33ohm,5%,1/16W,DA,TP,1608”
R402 2007-000034 “R-CHIP;1OHM,5%,1/4W,DA,TP,3216”
R403 2007-000034 “R-CHIP;1OHM,5%,1/4W,DA,TP,3216”
R404 2007-000034 “R-CHIP;1OHM,5%,1/4W,DA,TP,3216”

51
Electrical Parts List
LOC CODE NO DESCRIPTION
R405 2007-000883 “R-CHIP;4.7OHM,5%,1/8W,DA,TP,3216”
R406 2007-000094 “R-CHIP;22Kohm,5%,1/16W,DA,TP,1608”
R407 2007-000094 “R-CHIP;22Kohm,5%,1/16W,DA,TP,1608”
R408 2007-000094 “R-CHIP;22Kohm,5%,1/16W,DA,TP,1608”
R409 2007-000131 “R-CHIP;91Kohm,5%,1/16W,DA,TP,1608”
R410 2007-000131 “R-CHIP;91Kohm,5%,1/16W,DA,TP,1608”
R411 2007-000090 “R-CHIP;10KOHM,5%,1/16W,DA,TP,1608”
R412 2007-000090 “R-CHIP;10KOHM,5%,1/16W,DA,TP,1608”
R413 2007-000034 “R-CHIP;1OHM,5%,1/4W,DA,TP,3216”
R414 2007-002749 “R-CHIP;3.3OHM,5%,1/8W,DA,TP,3216”
R415 2007-000034 “R-CHIP;1OHM,5%,1/4W,DA,TP,3216”
R416 2007-002749 “R-CHIP;3.3OHM,5%,1/8W,DA,TP,3216”
R417 2007-000104 “R-CHIP;150Kohm,5%,1/16W,DA,TP,1608”
R418 2007-000092 “R-CHIP;15Kohm,5%,1/16W,DA,TP,1608”
R419 2007-000103 “R-CHIP;120Kohm,5%,1/16W,DA,TP,1608”
R420 2007-000134 “R-CHIP;33Kohm,5%,1/16W,DA,TP,1608”
R421 2007-000097 “R-CHIP;47Kohm,5%,1/16W,DA,TP,1608”
R422 2007-000125 “R-CHIP;3.9Kohm,5%,1/16W,DA,TP,1608”
R423 2007-000124 “R-CHIP;2.2Kohm,5%,1/16W,DA,TP,1608”
R424 2007-000103 “R-CHIP;120Kohm,5%,1/16W,DA,TP,1608”
R425 2007-000127 “R-CHIP;9.1Kohm,5%,1/16W,DA,TP,1608”
R426 2007-001134 “R-CHIP;68ohm,5%,1/16W,DA,TP,1608”
R501 2007-000036 “R-CHIP;2OHM,5%,1/8W,DA,TP,3216”
R502 2007-000036 “R-CHIP;2OHM,5%,1/8W,DA,TP,3216”
R503 2007-000090 “R-CHIP;10KOHM,5%,1/16W,DA,TP,1608”
R504 2007-000090 “R-CHIP;10KOHM,5%,1/16W,DA,TP,1608”
R505 2007-000090 “R-CHIP;10KOHM,5%,1/16W,DA,TP,1608”
R506 2007-000094 “R-CHIP;22Kohm,5%,1/16W,DA,TP,1608”
R507 2007-000102 “R-CHIP;100Kohm,5%,1/16W,DA,TP,1608”
R508 2007-000102 “R-CHIP;100Kohm,5%,1/16W,DA,TP,1608”
RA201 2011-001085 “R-NETWORK;82ohm,5%,63mW,L,CHIP,8P,TP”

©Samsung Electronics Co., Ltd.
01, 2002
Printed in Korea
Code No.: BG68-00435A