Sears 113 298141 Users Manual
113298031 113298031 CRAFTSMAN 10-INCH TABLE SAW - Manuals and Guides L0805384 View the owners manual for your CRAFTSMAN 10-INCH TABLE SAW #113298031. Home:Tool Parts:Craftsman Parts:Craftsman 10-INCH TABLE SAW Manual
CRAFTSMAN Saw Table Manual L0805384 CRAFTSMAN Saw Table Owner's Manual, CRAFTSMAN Saw Table installation guides
113.298141 to the manual 7778630a-1c62-4713-afe1-8afba5baef04
2015-02-05
: Sears Sears-113-298141-Users-Manual-399417 sears-113-298141-users-manual-399417 sears pdf
Open the PDF directly: View PDF
.
Page Count: 44

[Sears !
owners
manual
MODEL NO.
113.298141
SAW ONLY
113.298031
SAW WITH LEGS
TWO TABLE EXTENSIONS
AND MOTOR
113.298151
SAW WITH LEGS
ONETABLEEXTENSION
AND MOTOR
Serial
Number.
Model and serial
number may be found
at the left-hand side
of the base.
You should record both
model and serial number
in a safe place for
future use.
CAUTION:
Read GENERAL
and ADDITIONAL
SAFETY
INSTRUCTIONS
carefully
IO-INCH TABLE SA IN
•assembly
•operating
•repair parts
Sold by SEARS, ROEBUCK AND CO., Chicago, IL. 60684 U.S.A.
Part No. 62753 Printed n U.S.A.

FULL ONE YEAR WARRANTY ON CRAFTSMAN TABLE SAW
If within one year from the date of purchase, this Craftsman Table Saw fails due to a defect in material or
workmanship, Sears will repair it, free of charge.
WARRANTY SERVICE IS AVAILABLE BY SIMPLY CONTACTING THE NEAREST SEARS STORE
OR SERVICE CENTER THROUGHOUT THE UNITED STATES.
This warranty givesyou specific legal rights, and you may also have other rights which vary from state to
state.
SEARS, ROEBUCK AND CO., Sears Tower, BSC 41-3, Chicago, IL 60684
3
GENERAL SAFETY INSTRUCTIONS
FOR POWER TOOLS
1. KNOW YOUR POWER TOOL
Read and understand the owner's manual and labels
affixed to the tool. Learn its application and
limitations as well as the specific potential hazards 13.
peculiar to this tool.
2. GROUND ALL TOOLS
This tool is equipped with an approved 3-conductor
cord and a 3-prong grounding type plug to fit the 14.
proper grounding tvPe receptacle. The green conductor
in the cord is the grounding wire. Never connect the
green wire to a live terminal. 15.
3. KEEP GUARDS IN PLACE
in working order, and in proper adjustment and
alignment.
4. REMOVE ADJUSTING KEYS 16.
AND WRENCHES
Form habit of checking to see that keys and adjusting
wrenches are removed from tool before turning it on. 17.
5. KEEP WORK AREA CLEAN
Cluttered areas and benches invite accidents, Floor
must not be slippery due to wax or sawdust. 18.
6. AVOID DANGEROUS ENVIRONMENT
Don't use power tools in damp or wet locations or
expose them to rain. Keep work area well lighted.
Provide adequate surrounding work space.
7. KEEP CHILDREN AWAY
All visitors should be kept a safe distance from work
area.
8. MAKE WORKSHOP KID-PROOF
-- with padlocks, master switches, or by removing
starter keys.
9. DON'T FORCE TOOL
It will do the job better and safer at the rate for which
it was designed.
10. USE RIGHT TOOL
Don't force tool or attachment to do a job it was not
designedfor.
11. WEAR PROPER APPAREL
Do not wear loose clothing, gloves, neckties or jewelry
(rings, wrist watches) to get caught in moving parts.
Nonslip footwear is recommended. Wear protective 21.
hair covering to contain long hair. Roll long sleeves
protectors (plugs or muffs) during extended periods of
operation.
SECURE WORK
Use clamps or a vise to hold work when practical, It's
safer than using your hand, frees both hands to operate
tool.
DON'T OVERREACH
Keep proper footing and balance at all times,
MAINTAIN TOOLS WITH CARE
Keep tools sharp and clean for best and safest
performance. Follow instructions for lubricating and
changing accessories.
DISCONNECT TOOLS
before servicing; when changing accessories such as
blades, bits, cutters, etc.
AVOI D ACCl DENTAL STARTING
Make sure switch is in "OFF" position before plugging
in.
USE RECOMMENDED ACCESSORIES
Consult the owner's manual for recommended
accessories, Follow the instructions that accompany
the accessories. The use of improper accessories may
cause hazards.
19. NEVER STAND ON TOOL
Serious injury could occur if the tool is tipped or if the
cutting tool is accidentally contacted.
Do not store materials above or near the tool such that
it is necessary to stand on the tool to reach them,
20. CHECK DAMAGED PARTS
Before further use of the tool, a guard or other part that
is damaged should be carefullv checked to ensure that it
will operate properly and perform its intended function.
Check for alignment of moving parts, binding of moving
parts, breakage of parts, mounting, and any other
conditions that may .affect its operation. Aguard or
other part that is damaged should be properly repaired
or replaced.
DIRECTION OF FEED
above the elbow. Feed work into a blade or cutter against the direction
12. USE SAFETY GOGGLES (Head Protection) of rotation of the bladeor Cutter only.
Wear Safety goggles (must comply with ANSI Z87.1) 22. NEVER LEAVE TOOL RUNNING
at all times. Everyday eyeglasses only have impact UNATTENDED
resistant lenses,they are NOT safety glasses,Also, use Turn power off, Don't leave tool until it comes to a
face or dust mask if cutting operation is dusty, and ear complete stop.

ADDITIONAL SAFETY INSTRUCTIONS FOR TABLE SAWS
WARNING: FOR YOUR OWN SAFETY, DO NOT
OPERATE YOUR SAW UNTIL IT IS COMPLETELY
ASSEMBLED AND INSTALLED ACCORDING TO THE
INSTRUCTIONS ... AND UNTIL YOU HAVE READ
AND UNDERSTOOD THE FOLLOWING.
1. GENERAL SAFETY INSTRUCTIONS FOR POWER
TOOLS... SEE PAGE 2
2. GETTING TO KNOW YOUR SAW ... SEE PAGE 20
3. BASIC SAW OPERATION... SEE PAGE 23
4. ADJUSTMENTS... SEE PAGE 29
5. MAINTENANCE... SEE PAGE 32
6. STABILITY OF SAW
If there is any tendency for the saw to tip over or move
durmg certain cutting ooerations such as cutting
extremely large heavy panels or long heavy boards, the
saw should be bolted down.
If you attach any kind of table extensions over 24"
wide to either end of the saw, make sure you either bolt
the saw to the bench or floor as a I_propriate, or support
the outer end of the extension from the bench or floor,
as appropriate.
7. LOCATION
The saw should be positioned so neither the operator
nor a casual observer s forced to stand in line with the
saw blade.
8. KICKBACKS
Kickbacks can cause serious injury: A "Kickback'"
occurs when a 0art of the workpiece binds between the
sawblade and the rid fence or other fixed object, rises
from the table, and is thrown toward the operator.
Keep your face and body to one side of the sawblade,
out of line with a possible "Kickback.'"
Kickbacks - and possible injury from them -- can
usually be avoided oV:
A. Maintaining the rip fence parallel to the sawblade.
B. Keeping the sawblade sharp, Replace or sharpen
antikickback pawls when points become dull.
C. Keeping sawblade guard, spreader, and antikickback
pawls in place and operating properly. The spreader
must be in alignment with the sawblade and the
pawls musl stop a kickback once it has started.
Check their action before ripping,
D. NOT ripping work that is twisted or warpea or does
not have a straight edge to guide along the rip fence.
E. NOT releasing work until you have pushed it al! the
way past the sawblade.
F. Using a push stick for ripping widths of 2 to 6 in.,
ana an auxiliary fence ana push block for ripping
widths narrower than 2 q. (See "Basic Saw
Operation Using The Rip Fence" section._
G. NOT confining the cut-off oiece when ripping or
cross-cutting.
H. When ripping apply the feed force to the section of
the workpiece between the saw blade and the rip
fence.
9. PROTECTION: EYES, HANDS, FACE, EARS, BODY
P_ If any oar[ of your saw is malfunctioning, has been
damaged or broken. . SUCh as the motor switch, or
other operating control, a safety device or the
power cord .. cease opera[rag immediately until
the particular part s properlv repaired or rep aced.
B. Wear safety goggles that comply with ANSI Z87.1,
and a face shield if operation is dusty, Wear ear
plugs or muffs during extended periods of
operation.
C. Small loose pieces of wood or other objects [hat
contact the rear of the revolving blade can be
thrown back at the operator at excessive soeed. This
can usualtv be avoided by keeping the guard and
spreader in place for all thru-sawing operations
(sawing entirelv thru the work) AND by removmg
a loose pieces from the table with a long stick of
wood IMMEDIATELY after they are cut off.
D. Use extra caution when the guaro assembly is
removea for resawing, dadoing, rabbeting, or
molding - replace the guard as soon as tna_
operation is completed.
E. For rip or rip-type cuts. the following end of a
workoiece to which a push stick or push board is
applied must be square (perpendicular to the fence)
in order that feed pressure applied to the workpiece
by the push stick or block does not cause the
workpiece to come away from the fence, and
possibly cause a kickback.
F. During rip and rip type cuts, the workpiece must be
held down on the table and against the fence with a
push stick, push block, or featherhoaros. A
feather board is made of solid lumber per sketch.
_S"
KERF ABOUT
G. NEVER turn the saw "ON" before clearing the
[able of all tools, wood scraps, etc., except the
workoiece and _elateo feed or suoport devices for
[he operation planned.
H. NEVER place your face or body n line with the
cutting toot.
I NEVER place your fingers or hands ir the path of
the sawblade or other cutting tool.
J. NEVER reach in back of the cutting tool with
either hand to hold down or support the workmece,
remove wood scraps, or for any other reason. Avoid
awkward operations and hand positions where a
sudden slib could cause fingers or hand to move
into a sawblade or other cutting tool.
K. DO NOT perform layout, assembly, or setup work
on the table while the cutting tool is rotating.
L. DO NOT perform any operation "FREEHAND" -
always use either the rip fence or the miter gauge to
position and guide the work.
M. NEVER use the rip fence when crosscutting or the
mtter gauge when ripping, DO NOT use the rid
fence as a length stop.
Never hold onto or touch the "free end" of the
workpiece or a "free piece" that is cut off, while
power _s "ON" and/or the sawblade is rotating.
N. Shut "OFF" the saw and disconnect the power core
whet removing the table insert, changing the
cutting tool, remowng or replacing the blade guard.
or making adjustments.
O. Provide adectuate support to the rear and s_des of
the saw table for wider or long worKpiece's.
P. Plastic and composition (like hardboard) materials
may oe cut on your saw. However, since these are
usually quite hard and slippery, the antikickback
pawls may not stop a kickback.
Therefore, be especially attentive to following
proper set-up and cutting procedures for ripping.
Do not stand, or permit anyone else to stand, in line
with a potential kickback.
Q. If you stall or jam the sawblade in the workolece,
turn saw "OFF", remove the worKpiece from the
sawblade, and check to see f the sawblade s
parallel to the miter gauge grooves and i_ the
spreader is in proper alignment with the sawblade.
If ripping at the time, check to see if the rip fence is
parallel with the sawblade. Readjust as indicated.

R. DO NOT remove small ;)ieces of cut-off material
that may become trapped inside the blade guard
while the saw is running. This could endanger your
hands or cause a kickback. Turn saw "OFF" and
wait until blade stops.
S. Use extr_ care when ripping wood that has a twisted
grain or is twisted or bowed it may rock on the
table and/or pinch the sawblade.
10. KNOW YOUR CUTTING TOOLS
A Dull, gummy, or improperly sharpened or set cutting
tools can cause material to stick, jam, stall the saw,
or kickback at the operator.
Minimize potent/a injury by proper cutting tool
and machine maintenance.
NEVER ATTEMPT TO FREE A STALLED
SAWBLADE WITHOUT FIRST TURNING THE
SAW OFF
B, Never use grinding wheels, abrasive cut-off wheels,
friction wheels (metal slitting blades) wire wheels or
buffing wheels.
11. USE ONLY ACCESSORIES DESIGNED FOR THIS
SAW
12. Crosscutting operations are more conveniently worked
and with greater safety if an auxiliary wood facing is
attached to the miter gauge using the holes provided
However, the facing must notinterfere with the proper
functioning of the sawblade guard.
13. Make sure the top of the arbor or cutting tool rotates
toward you when standing in normal operating
position. Also make sure the cutting tool, arbor collars
and arbor nut are installed properly. Keep the cutting
tool as low as possible for the operation being
performed. Keep all guards in place whenever possible,
14. Do not use any blade or other cutting tool marked for
an operating speed less than 3450 RPM. Never use
cutting tool larger in diameter than the diameter for
which the saw was designed. For greatest safety and
efficiency when ripping, use the maximum diameter
blade for which the saw is designed, since under these
conditions the spreader is nearest the blade.
15. AcIjust table inserts flush with the table top. NEVER
operate the saw unlessthe proper insert is installed.
16, NEVER feed material into the cutting tool from the
rear of the saw. An accident and serious injury could
result.
17. THINK SAFETY.
Safety m a combination of operator common sense and
alertness at all times when the saw is being used.
18. NOTE AND FOLLOW SAFETY INSTRUCTIONS
THAT APPEAR ON THE FRONT OF YOUR SAW.
DANGER
FOR YOUR OWN SAFETY
READ AND UNDERSTAND OWNER'S MANUAL
BEFORE OPERATING MACHINE:
1 WEAR SAFETY GOGGLES PER ANSI Z87.1 AT ALL
TIMES
2. USE SAW-BLADE GUARD FOR "THRU-SAWING'"
3, KEEP HANDS OUT OF PATH OF SAWBLADE
4, USE A "PUSH-STICK" WHEN REQUIRED
5, KNOW HOW TO AVOID "KICKBACKS"
6 DO NOT PERFORM OPERATIONS "FREEHAND"
7, NEVER REACH AROUND OR OVER SAW BLADE
19. WARNING: DO NOT ALLOW FAMILIARITY
(GAINED FROM FREQUENT USE OF YOUR SAW)
TO BECOME COMMONPLACE. ALWAYS
REMEMBER THAT A CARELESS FRACTION OF A
SECOND IS SUFFICIENT TO INFLICT SEVERE
INJURY.
20. WARNING: THE 2-1/2" SAW PULLEY AND THE
2-1/2" MOTOR PULLEY FURNISHED, WILL RUN
THE BLADE AT APPROXIMATELY 3450 RPM
WHEN USED WITH A 3450 RPM MOTOR. NEVER
SUBSTITUTE THESE PULLEYS TO INCREASE THIS
SPEED BECAUSE IT COULD BE DANGEROUS.
The operation of any power tool can result in foreign
objects being thrown into the eyes, which can result in
severe eye damage. Always wear safety goggles complying
with ANSI Z87.1 (shown on Package) before commencing
power too] operation. Safety Goggles are available at Sears
retail or catalog stores.
MOTOR SPECIFICATIONS AND ELECTRICAL REQUIREMENTS
This saw is designed to use a3450 RPM motor only. Do not
use any motor that runs faster than 3450 RPM. It is wired
for operation on 110-120 volts, 60 Hz., alternating current.
IT MUST NOT BE CONVERTED TO OPERATE ON 230
VOLTS. EVEN THOUGH SOME OF THE
RECOMMENDED MOTORS ARE DUAL VOLTAGE.
Changing to _0 volt will not conserve energy and requlrcs
changing the power cord plug.
The outlet in the switch box will accept either a 15 an"_. or
a 20 amp. motor plug.
RECOMMENDED CRAFTSMAN MOTORS FOR USE ON
THIS SAW.
H.P. R.P.M. Volts Catalog No.
13450 11_120 1217
13450 110-120 1220
CAUTION: Do not use blower or washing machine motors
or any motor with an automatic reset overload protector as
their use may be hazardous.
CONNECTIN G TO POWER SOURCE OUTLET
This saw must be grounded while in use to protect the
operator from electrical shock.
If power cord is worn or cut, or damaged in any way, have
it replaced immediately.
If your saw is for use on less than 150 volts it has _l_lug
that looks like below.
3-PRONG PLUG
\GROUNDING PRONG
_" PROPERLY GROUNDED
3-PRON GOUTLET

Plug power cord into 110-120V properly grounded type
outlet protected by a 15-amp. time delay or Circuit-Saver
fuse or circuit breaker,
IF YOU ARE NOT SURE THAT YOUR OUTLET IS
PROPERLY GROUNDED, HAVE IT CHECKED BY A
QUALIFIED ELECTRICIAN.
WARNING: DO NOT PERMIT FINGERS TO TOUCH
THE TERMINALS OF PLUG WHEN INSTALLING OR
REMOVING THE PLUG TO OR FROM THE OUTLET.
WARNING: IF NOT PROPERLY GROUNDED THIS
POWER TOOL CAN INCUR THE POTENTIAL HAZARD
OF ELECTRICAL SHOCK, PARTICULARLY WHEN
USED IN DAMP LOCATIONS, IN PROXIMITY TO
PLUMBING, OR OUT OF DOORS. IF AN ELECTRICAL
SHOCK OCCURS THERE IS THE POTENTIAL OF A
SECONDARY HAZARD SUCH AS YOUR HANDS
CONTACTING THE SAWBLAD E.
This saw is equipped with a 3-conductor cord and
grounding type plug which has a grounding prong, approved
by Underwriters' Laboratories and the Canadian Standards
Association. The ground Conductor has a green lug and is
attached to the tool housing at one end and to the ground
prong in the attachment plug at the other end.
This plug requires a mating 3-conductor grounded type
outlet as shown.
If the outlet you are planning to use for this saw is of the
two prong type DO NOT REMOVE OR ALTER THE
GROUNDING PRONG IN ANY MANNER. Use an adapter
as shown and always connect the grounding lug to a known
ground.
It is recommended that you have _ qualified electrician
replace the TWO prong outlet with a ;)roperly grounded
THREE prong outlet.
An adapter as shown below is available for connecting plugs
to 2-prong receptacles. The green grounding lug extending
from the ads pter must be connected to a permanent ground
such asto a properly grounded outlet box.
GROUNDING LUG
\/
3-PRONG CONNECTED TO A
2-PRONG
RECEPTACLE
NOTE: The adapter illustrated is for use only if you already
have a properly grounded 2-prong receptacle.
The use of any extension cord will cause some loss of
power. To keep this to aminimum and to prevent
over-heating and motor burn-out, use the table below to
determine the minimum wire size (A.W.G.) extension cord.
Use only 3 wire extension cords which have 3 prong
grounding type plugs and 3-pole receptacles which will
accept the _fug on the saw.
1H.P. MOTOR 110-120V
Extension Cord Length Wire Size A.W.G.
Upto 50 Ft ................. 14
50to 100 Ft................ 12
100- 200 Ft................. 10
200- 400 Ft................. 8
CHECK MOTOR ROTATION
WARNING: FOR YOUR OWN SAFETY, MAKE SURE
PLUG IS NOT CONNECTED TO POWER SOURCE
OUTLET. WHEN CHANGING MOTOR ROTATION.
The motor must rotate CLOCKWISE when viewed from the
shaft end to which you will mount the pulley. (See page
16.) If it does not, change the direction according to the
instructions furnished with the motor.
CONTENTS
WARRANTY ................................. 2
GENERAL SAFETY INSTRUCTIONS
FOR POWER TOOLS ......................... 2
ADDITIONAL SAFETY INSTRUCTIONS
FOR TABLE SAWS ........................... 3
MOTOR SPECl FICATIONS AND ELECTRICAL
REQUIREMENTS ............................ 4
UNPACKING AND CHECKING CONTENTS ........ 6
Tools Needed ................................ 6
List of Loose Parts ............................ 6
ASSEMBLY .................................. 7
Installing Handwheels ......................... 7
Checking Table Insert ......................... 7
Checking Blade Squareness to Table .............. 8
Assembling Steel Legs ......................... 8
Mounting Saw ............................... 9
Attaching Table Extensions ..................... 9
Installing Rip Fence Guide Bars ................. 10
Aligning Rip Fence .......................... 12
Adjusting Rip Scale Pointer ................... 13
Installing Blade Guard ........................ 14
Mounting th_ Motor ......................... 16
Installing Belt Guard ......................... 18
Plugging in Motor ........................... 19
GETTING TO KNOW YOUR SAW ............... 20
On-Off Switch .............................. 20
Elevation Handwheel ......................... 21
Tilt Handwheel ............................. 21
Tile Lock Knob ............................. 21
Rip Fence ................................. 21
Miter Gauge ................................. 21
Blade Guard ................................ 21
Table Insert ................................ 21
Removing and Installing Sawblade ............... 22
Exacti-Cut ................................. 22
BASIC SAW OPERATION USING THE MITER GAUGE23
Work Helpers ............................... 23
Crosscutting ................................ 24
Repetitive Cutting ........................... 24
Miter Cutting ............................... 25
Bevel Crosscutting ........................... 25
Compound Miter Cutting ...................... 25
BASIC SAW OPERATION USING THE RIP£ENCE .. 26
Ripping ................................... 26
Bevel Ripping ............................. 26
Resawing .................................. 28
Cutting Panels ............................. 28
Rabbeting ................................. 28
ADJUSTMENTS .............................. 29
Miter Gauge ................................. 29
Heeling Adjustment or Parallism of
Sawblade to Miter Gauge Groove ............... 29
Blade Tilt, or Squareness of
Blade to Table ............................. 30
Tilt Mechanism ............................. 32
MAINTENANCE ............................. 32
LUBRICATION .............................. 33
RECOMMENDED ACCESSORIES ................ 33
TROUBLE SHOOTING ........................ 34
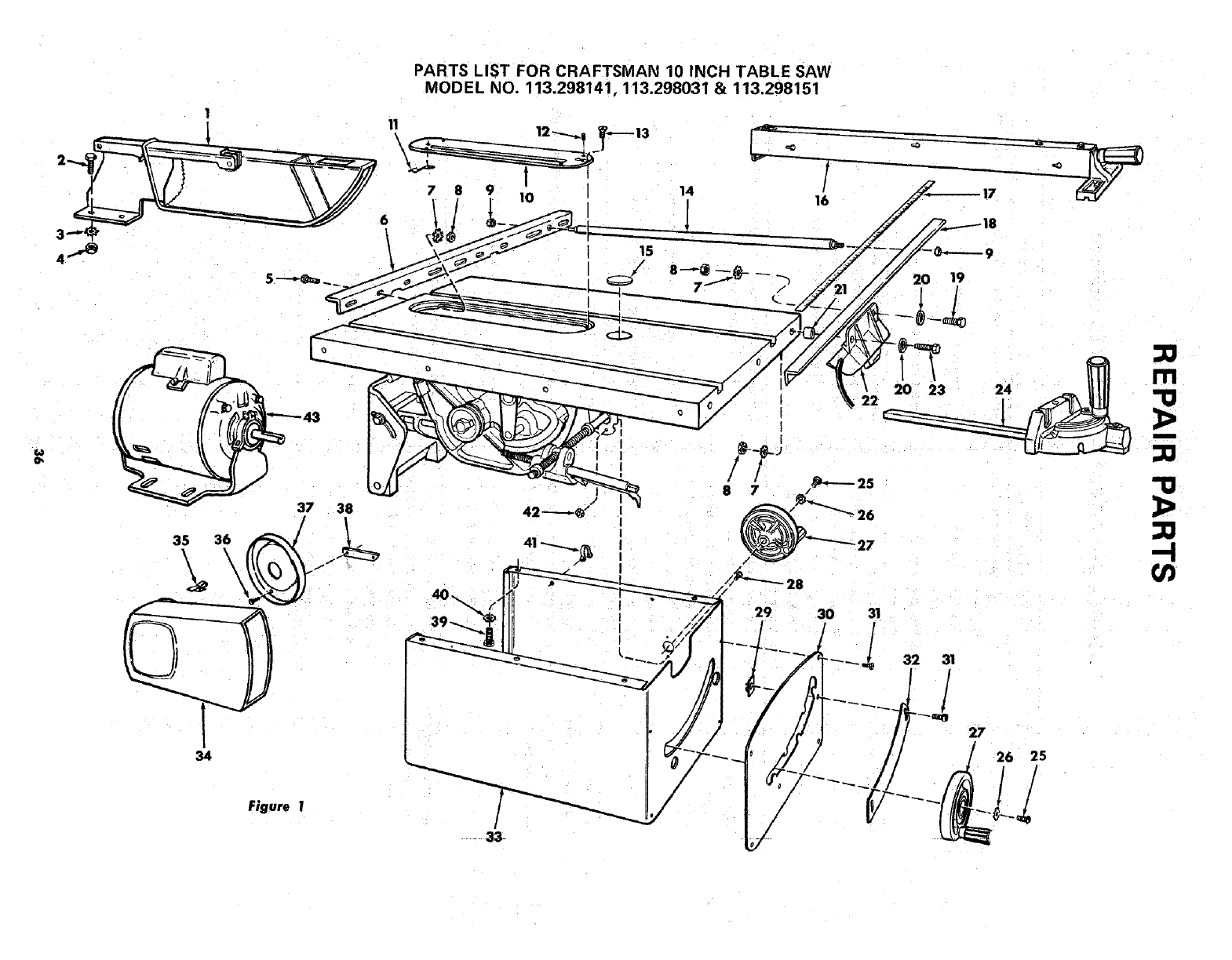
REPAI R PARTS .............................. 36

UNPACKING AND CHECKING CONTENTS
TOOLSNEEDED
Medium Screwdriver
Small Screwdriver
P,ie
, , Wrenche
I,I.:,:I',I.I_i,II'Z_ 3/8 in. 7/16 in.
1/2 in. 9116 in.
Combination Square 3/4 in.
Model 113,298141 Table Saw is shipped complete in one
carton but DOES NOT INCLUDE Table Extension, Steel
Legs, or motor.
Model 113.298031 Table Saw is shipped complete n one
carton but INCLUDES Two Table Extensions, Steel Legs,
and Motor.
Model 113.298151 Table Saw is shipped complete in one
carton but INCLUDES One Table Extension, Steel Legs,
and Motor.
Separate all parts from packing materials and check each
one with the illustration and the list of Loose Parts to make
certain all items are accounted for, before discarding any
packing material.
If any parts are missing, do not attempt to assemble the
table saw, plug in the power cord or turn the switch on
until the missing parOs are obtained and are installed
correctly.
Remove the protective oil that is applied to the table top
and edges of the table. Use any ordinary household type
grease and spot remover.
CAUTION: Never use gasoline, naptha or similar highly
volatile solvents.
Apply a coat of automobile wax to the table.
Wipe all parts thoroughly with a clean, dry cloth.
WARNING: FOR YOUR OWN SAFETY NEVER
CONNECT PLUG TO POWER SOURCE OUTLET UNTIL
ALL ASSEMBLY STEPS ARE COMPLETE, AND YOU
HAVE READ AND UNDERSTAND THE SAFETY AND
OPERATIONAL INSTRUCTIONS.
K
\G
COMBINATION SQUARE MUST BE TRUE.
STRAIGHT EDGE OF I_OARD
3/4 '1 THICK. THIS EDGE MUST
DRAW LIGHT LINE ON
BOARD ALONG THIS EDGE. _'_\
BE PERFECTLY STRAIGHT.
SHOULD BE NO GAP OR OVERLAP
HERE WHEN SQUARE IS FLIPPED
OVER IN DOTTED POSITION.
LIST OF LOOSE PARTS
Item Part Name Qty.
ABlade GuardandSpreader ..................
B Rip Fence ..............................
C OwnersManual ..........................
D Miter Gauge .............................
E Arbor Nut Wrench* .......................
F Switch w! Key ...........................
G Rip FenceGuide Barwith RipScale(Front) ....
H Handwheel .............................
J V-Be,t 1/2 in. x41 in.* ....................
K Pulley, 2-I/2 in. dia.,with 5/8 in.bore* .......
L Belt andPulley Guard .....................
M Belt GuardClip ..........................
N Self-ThreadingScrew. 10-32 x 1/2 in. long .....
0 Belt GuardSupport .......................
P Belt GuardSupport Bracket ................
Q Motor Base .............................
RSpreaderRod* ..........................
S Blade GuardSupport with Screw* ,..........
TSpreaderSupport* .......................
URip FenceGuide Bar (Rear) ................
V Rip FenceGuide Bar Rod ..................
*Pkg,of MiscellaneousSmall PartsNo.62751
Consistingof the Following:
W SetscrewWrench,3/32 in................. 1
W SetscrewWrench,1/8 in.................. 1
W SetscrewWrench,5/32 in................. 1
XSelf-ThreadingHut ..................... 2
YHex HeadScrew,5/16-18 x1-3/4 in. long ... 2
Y Hex HeadScrew, 5/16-18 x5/8 in. long .... 3
YHex HeadScrew, 5/16-18 x 1 in.long ...... 4
Y Hex HeadScrew, 1/4-20 x518in. long ..... 2
Y Hex HeadScrew, 5/16-18 x 3/4 in. long ...... 1
*These partsare packagedin LooseParts BagNo. 62750
SIL_ XY
3/4
Z AA AC \/
AB
_LE_NGTH (_
AD AG

ItemPartName Qty.
Z HexNut, 5/16-18
(approx. dia. of hole 5/16 in.) ........... 9
Z Hex Nut, 1t4-20
(approx.dia. of hole 114in.) ............ 2
AA Lockwasher,5/I 6 in. ExternalType
(approx.die. of hole 5116in.) ........... 11
AA Lockwasher,1/4 in. ExternalType
(approx.alia.of h ale 1/4 in.) ............ 2
AA LockwasherNo. 10 ExternalType
(approx.dia.of hole3t16 in.) ........... 1
AB CarriageBolt,5/16-18 x 3/4 in. long ....... 4
AC Rip FenceGuideBarSpacer .............. 2
AD Wire Tie .............................. 2
AE Thumbscrew,5/1G-18x 1in. long .......... 1
AF Screw PanHd. 10-32 x 3/4 .............. 1
AG Flat Washer(dia. of hole 21/64) ........... 2
The followingpartsareincludedwith Model113.298031 and
113.298151.
ALeg ................................... 4
8 SideStiffener ........................... 2
C EndStiffener ............................ 2
D TableExtension(113.298031) .............. 2
TableExtension(113.298151) .............. I
E Motor ................................. I
Pkg.of Miscellaneous_mall Parts,No. 62752for Legs
Consistingof the Following:
F Hex HeadScrew5116-18 x 1-1/4 in. long .... 4,
G Lockwasher,1/4 in. ExternalType
(approx.dia.of hole1/4 in.) .............. 24
G Lockwasher,5/16 in. ExternalType
(epprox. dia.of hole 5/16 in.) ............ 4
H Hex Nut, 1/4-20
(approx.dia.of hole 1/4 in.) ............. 24
H Hex Nut, 5/16-18
(approx.dia.of hole5/16 in.) ............. 4
H Hex Nut, 1/2-13
(approx.dia.of hole1]2 in.) ............. 8
J FlatWasher(dia. of hole, 11/32 in.) .......... 8
A
F
J K L
©
G H
Item
K
L
Pert Name Qty.
TrussHeadScrew, 1/4-20 x 5/8 in. long
(top of screwisrounded) ................ 24
LevelingFoot ......................... 4
Pkg.of MiscellaneousSmall PartsNo. 62745 for
TableExtensions(1 ea.for Model113.298151,
2 ea.for Model 113.298031)
Consistingof the following:
F Hex Hd, Screw,5/16-18 x I-1/4 in. long ..... 4
G Lockwasher,ExternalType
(approx. dia. of hole 1/4 in.) .............. 8
GLockwasher,ExternalType
(approx.dia.of hale5/16 in.) ............. 4
H Hex Nut, 1/4-20
(approx.alia.of hole114in.) .............. 8
H Hex Nut, 5/16-18
(approx.dia.of hole5/16 in.) .............. 8
K TrussHeadScrew, 1/4-20 x 1 in. long
(top of screwisrounded) ................ 8
M Corner _;tiffener Bracket .................. 2
N CornerSupportBracket .................. 2
ASSEMBLY
Before mounting the saw on legs, a stand or a bench, the
Table Insert and Blade Squareness must be checked at this
time.
INSTALLING HANDWHEELS
1. Line up FLAT SPOTS on shaft and hardwheel, push
handwheel onto shaft. Install screw and Iockwasher to
lock handwheel on shaft.
ELEVATION
HANDWHEEL
LOCKWASHER
/
10-32 X 3/4 IN.
PAN HEAD SCREW
/
TILT HANDWHEEL
CHECKING TABLE INSERT
2. Insert should be flush with table top. Check as shown.
Loosen flat head screw that holds insert and adjust the
four set screws as necessary. Tighten flat head screw.
Do not tighten screw to the point where it deflects the
insert.
3/32 IN.
SETSCREWWRENCH
\
TABLE INSERT

4.
To remove insert.
A) Loosen Screw
B) Lift insert from front end, and pull toward front of
saw,
To replace insert.
Place insert into insert opening in table and push
toward rear of saw to engage spring clip and until
keyslot in insert will drop over screw. Tighten screw.
Do not tighten screw to the point where it will deflect
the insert.
CHECKING BLADE SQUARENESS TO TABLE
IMPORTANT: BLADE must be SQUARE (g0°) to TABLE,
in order to proceed with assembly.
To check for blade squareness, refer to "BLADE TILT, OR
SQUARENESS OF BLADE TO TABLE" adjustment on
page 30.
CHECKING BLADE FOR HEEL
IMPORTANT: Saw blade MUST be parallel to miter gauge
groove,
To check for parallelism, refer to "HEELING
ADJUSTMENT OR PARALLELISM OF SAWBLADE TO
MITER GAUGE GROOVE" adjustment on page 29 and 30.
ASSEMBLING STEEL LEGS
NOTE: Steel Legs are furnished with Model 113.298031
and 113,298151. From among the loose parts, find the
following Hardware:
24 Truss Head Screws, 1/4 - 20 X 5/8 in. long (top of
screw is rounded)
24 Lockwashers, 1/4 in. External Type (approx. dia, of
hole 1/4 in.)
24 Hex Nuts, 1/4 - 20 (approx. dia. of hole 1/4 in.)
8 Hex Nuts, 1/2 - 13 (approx. dia. of hole 1/2 in.)
4 Leveling feet.
Assemble the legsasshown .,.
1. Insert the Truss Head Screws through the holes in the
legs, then through the holes in the stiffeners. MAKE
SURE THE SCREWS GO THROUGH THE HOLES IN
THE SIDE STIFFENERS MARKED "×".
2. Install the Iockwashers ... screw on the nuts but do
not tighten until completely assembled.
3. Install leveling feet.
END
STIFFENER"
SIDE STIFFENER
IN. HEX NUTS
_LEVELING FOOT

MOUNTINGSAW
1. From among the loose parts, find the following
hardware:
4 Hex Head Screws. 5/16 - 18 x 1-1/4 in. long.
4 Hex Nuts, 5/16- 18 (approx. dia. of hole 5/16 in.)
4 Lockwashers, 5/16 in. External Type (approx. dia. of
hole, 5/16 in.)
8 Flat Washers, (dia. of hole 11/32 in.)
2. Place saw on legsso that holes in bottom of saw line up
with holes in top of legs.
3. Install screws, washers, Iockwashers and nuts as shown.
SAW BASE 17
END
STIFFENER"_t
FLAT WASHER---__ '
LOCKWASHER"_'_'
.Ex
If you mount the saw on any other bench, make sure that
there is an opening in the/top of the bench the same size as
the opening in the bottom of the saw so that the sawdust
can drop through. Recommended working height is 33 to
37 inches from the top of the saw table to the floor.
ATTACHING AND ASSEMBLING TABLE EXTENSIONS
If you received Table Extensions with your saw (two
furnished with Model No. 113.298031) or one furnished
with Model No. 113.298151 ) attach them at this time.
If you have only one Table Extension, it may be attached
to either side.
NOTE: When the Table Extension is attached to the left
side, it offers more support to the workpiece, especially
when crosscutting or mitering long boards. When attached
to the right side, it offers more support when curing wide
panels.
If you attach the Extension to the left side, be sure to
construct the Auxiliary Fence/Work Support and Push
Block shown in "Basic Saw Operation" section.
1. From among the loose parts find the following
hardware. NOTE: Double number of hardware if
assemblingextensions for Model 113.298031.
2Corner Support Brackets
2 Corner Stiffener Brackets
8Truss Hd. Screws 1/4-20 x1
8 Ext. Lockwashers 1/4
8 Hex Nut 1/4-20
4 Hex Hd. Screws 5/16-18 x 1-1/4
4Ext, Lockwasher 5/16
4Hex Nut 5/16 - 18
Assemble brackets with hardware as listed.
Insert 5/16-18 x 1-1/4 in. long screws through holes in
EXTENSION then through table. Install flat washer,
Iockwasbers, and screw on the nuts . . . DO NOT
TIGHTEN.
/
/
13
BLOCK OF WOOD
\
/
Align front edge of extension with front edge of saw table.
Pull Extension UPWARDS above table surface ...
SLIGHTLY TIGHTEN SCREWS using 1/2 in. wrench.
Using small block of hardwood and hammer, l:ap extension
DOWNWARDS at front, center & rear, unti it is EVEN
with table surface ... TIGHTEN SCREWS.

LayREARFENCE GUIDE BAR on table to act as a
straightedge. If outer edge of extension is higher or lower
than table surface;
A. Slightly loosen nuts holding bracket to extension
using 7/16 in. wrench.
B. Move end of extension up or down until outer edge
is even with table surface ... check with GUIDE
BAR .., tighten nuts.
C. Recheck INNER edge of extension to make sure it
has not moved ... readjust, if necessary.
INSTALLING RIP FENCE GUIDE BARS AND SWITCH
BOX
1. From among the loose parts find the following
hardware:
2Hex. Head Screws, 5/16-18 x 1-3/4 in. long
2 Hex Head Screws, 5/16-18 x 1 in. long
1Hex, Head Screw, 5/16-18 x3/4 in. long
5 External Lockwashers, 5/16 in,
(approx. dia. of hole 5/16 in,)
5 Hex. Nuts. 5/16-18 (approx. die. of hole 5/16 in.)
2 Flat washers (dia. of hole 21/64 in,I
2Spacers, 3/4 in. dia. x 1/2 in. long
2Self-threading nuts
1Fence Guide Bar Rod
2. Lay guide bars on sawtable.
NOTE: The various holes in the bar allow them to be
positioned on this saw and also makes them adaptable
to other models.
3. Insert a 1-3/4 in. long screw through the THIRD hole
from the LEFT IN THE FRONT BAR . . . insert
another 1-3/4 in. long screw through a flat washer and
/
!
then through the hole at EXTREME LEFT SIDE OF
SWITCH then through SEVENTH hole in bar. Hold
them in place with a piece of masking tape ... Insert
the 3/4 in. long screw through a flat washer and then
through hole at RIGHT SIDE OF SWITCH and then
through the EIGHT hole in bar. Install aIockwasher
and nut and tighten.
4. Place spacers on screws.
Insert bolts through holes in middle and on right sideof
front of saw table ... install Iockwashers and nuts.
DONOr SCREW NUTS ON ALL THE WAY, just get
them started on the screws.
6=
7.
Remove the 3 screwsfrom rear of table extension.
Insert 1in. long screws in SECOND and FOURTH holes
of rear bar and attach to table the same way.
Insert ends of FENCE GUIDE BAR ROD through
round holes at outer end of bars,
NOTE: The ends of the ROD are not threaded .., the
SELF THREADING NUTS will cut threads on the rod
asthey are screwed on.
\
10

9, Nold rod with one hand and with a 1/2 in. wrench or
pliers start screwing on ONE of the nuts only A TURN
OR TWO... screw on other nut the same way.
10. Using TWO 1/2 in. wrenches or pliers tighten both of
the nuts.
1 I. Slide the bars so that screws are in the MIDDLE of the
slotted holes.
12. Position rip fence over miter gauge groove, holding up
the rear end while engaging front end with bar ..,
lower fence onto table.
13. Raise blade all the way up.
14. Carefully move fence against blade.
15. Move front bar until "'0"" mark on rip scale is
approximately at tip of pointer,
16. Move FRONT bar upwards until fence is approximately
1/32 in. above table ... tighten screw at left end of
bar.
NOTE: Fold apiece of newspaper making 8 thicknesses
and place between rip fence and table to act as aspacer.
This will hold the fence off of the table approx. 1/32
in.
17. Adjust rear bar so that the fence is approximately 1/32
in. above table make sure it is square with fence guide
bar rod ... tighten screw at end of bar.
18. Replace screws in rear of table extension ... be sure
top surface of extension is PARALLEL to top surface
of rear guide bar.
8 THICKNESSES
OF PAPER
\\
19. Move fence to RIGHT edge of table ... make sure it is
approx. 1/32 in. above table at front and rear and
tighten screws.
11
8 THICKNESSES
OF PAPER

ALIGNING RIP FENCE
The fence should slide easily along the bars and always
remain in alignment (parallel to sawblade and miter gauge
grooves).
The alignment is maintained by a spring underneath the
fence which bears against the front guide bar,
To move the fence, loosen the lock handle and grasp the
fence with one hand at the front.
For very close adjustments, grasp the guide bar with both
hands and move the fence with your thumbs.
F
Place fence on saw but DO NOT LOCK IT.
Move the REAR END of the fence slightly to the right or
left ... when you release it, the fence should "spring"
back to its original position.
If it does not, the spring pressure must be INCREASED.
1. Loosen the screws.
2. Move Spring slightly toward front of fence.
12

If the fence does not slide easily along the bars, the pressure
of the spring can be REDUCED.
1. Loosen the screws.
2. Move spring slightly toward rear of fence ... tighten
screws.
3, The rip fence must be PARALLEL with the sawblade
(seepage 29) and miter Gauge grooves... Move fence
until it is along side of groove. Do NOT LOCK IT. It
should be parallel to groove. If it is not;
A. Loosen the two "Hex. Head Screws."
B. Hold fence head tightly against bar ... move end
of fence so that it is parallel with groove,
C. Altemately tighten the screws.
HEX SCREWS
FENCE HEAD
ADJUSTING RIP SCALE POINTER
1. Turn ELEVATION HANDWHEEL clockwise until
blade is up as high as it_will go.
IMPORTANT: BLADE must be SQUARE (90 ° ) to
TABLE, in order to ALIGN rip fence.
2. Position fence on right side of sawblade so that it
touches the sides of the teeth ... tighten lock handle.
3. Loosen screw holding the pointer ... adjust pointer so
that it points to "0" ... tighten screw.
NOTE: If you cannot adjust pointer so that it points to
"0", loosen the _crews holding the front guide bar and
move the guide bar.
LOCK HAi'_ DLE
13

INSTALLING BLADE GUARD
1. From among the loose parts, find
2 Hex Head Screws, 1/4 - 20 x 5/8 in. long
2Hex Head Screws, 5/16 - 18 x 5/8 in. long
2Hex Head Screws, 5/16 - 18 x 1 in. long
2 Hex Nuts, 1/4 - 20
(approx. dia. of hole 1/4 in.)
2 Lockwashers, 1/4 in, External Type
(approx. dia. of hole 1/4 in.)
2 Lockwashers, 5/16 in. External Type
(approx, dia. of hole 5/16 in.}
1Thumbscrew
Guard Support
Spreader Support
Spreader Rod
2. Lower the blade.
3. Screw the two MOTOR BASE CLAMP SCREWS part
way into cradle.
4. Attach GUARD SUPPORT.., DO NOT TIGHTEN
screws.
GUARD SUPPORT
5/16-18 X
5/8 iN.
HEX
SCREW
5/16-18 X t IN.
HEX HD. SCREW
5f16-1Bk5/8.
HEX HD. SCREWS
CRADLE
THUMB SCREW •
Insert SPREADER ROD into SPREADER SUPPORT
until pin fits into notch, Insert Thumbscrew and tighten
it
SPREADER
ROD
\
FLAT
SURFACE
(INTO SUPPORT)
II
u
1/4-20 HEX
HD. SCREW
1/41N. LOCKWASHEI
1/4-20 flEX NUT
SPREADER
SUPPORT
6. Slide SPREADER ROD into GUARD SUPPORT until
left end of ROD extends approximately 1/, inch beyond
edge of SUPPORT... Snug up Hex Head Screw in
SUPPORT.
7. Attach SPREADER to SPREADER SUPPORT so that
screws are all the way back in the SLOTS of SUPPORT
___tighten screws.
8. Raise ANTIKICKBACK PAWL (hold it in place with a
piece of masking tape)
•.. align spreader SQUARE to table
NOTE: The framing {or combination) square must be
"true" -- see start of "assembly and alignment" section
on page 6 for checking method,
... Tighten both 5/16-18 x 1in. HEX HEAD SCREWS.
END OF ROD
I/4 INCH TO LEF
OF EDGE OF
SUPPORT
GUARD
SUPPOR' j -18 x I IN.
HEX HD. SCREWS
SCREWS ALL THE It
BACK IN SLOTS [
IN SUPPORT
14

9. Raise blade all the way up . .. make sure it is _quare
with table.
10. Raise Blade Guard ... lift up both ANTIKICKBACK
PAWLS ... insert one of the SETSCREW WRENCHES
in the notches to hold the pawls out of the way,
11. Lay blade of square or other straightedge alongside of
blade.
12. Loosen Hex Head Screw in GUARD SUPPORT and
move spreader so that it touches blade of square
... tighten screw.
13. NOTE: The spreader s now square with the table and
approximately in line with the sawblade. The spreader
requires further adjustment to align it PARALLEL to
the blade and in the MIDDLE of the cut (KERF)made
by the sawblade.
14. IMPORTANT: The SPREADER must always be
PARALLEL to the sawblade and in the MIDDLE of the
cut (KERF) made by the sawblade,
NOTE: The spreader is thinner than the width of the
KER F by approximately six thicknesses of paper.
SPACE EQUAL TO APPROX.
3 THICKNESSES OF PAPER KERF WOOD
\
BLADE
I
/
SPACE EQUAL TO APPROX. LOOKING DOWN ON SAW
3THICKNESSES OF PAPER
15. Make two folds in a small piece (6 x 6 in.) of ordinary
NEWSPAPER maki ng three thicknesses.
The folded paper will be used as a "spacing gauge".
15

16.PlaceRIPFENCE on table ...
CAREFULLY move it against blade so that it is parallel
to the blade, and just TOUCHES tips of saw teeth ...
tighten RIP FENCE LOCK KNOB HANDLE.
17. Insert folded paper between SPREADER and
FENCE... hold spreader flat against fence.., tighten
screws using 7/16 in. wrench, Now tighten Hex Hd.
Screws in Support.
18. To remove BLADE GUARD AND SPREADER, loosen
THUMBSCREW.,. DO NOT LOOSEN OTHER
SC R EWS.
7/'16 IN. WRENCH
FOLDED PAPER
MOUNTING THE MOTOR
NOTE: Motor is included with Model 113.298031 and
113.2981 51.
CHECK MOTOR ROTATION
1. The motor must rotate CLOCKWISE when viewed from
the 5/8 in. shaft.
2. MAKE 'SURE "KEY" IS REMOVED FROM SHAFT.
3. Place the motor on your we rkbench or on the floor.
4, Plug the cord into a properly grounded outlet (See
"Motor Specifications and Electrical Requirements"
Section) Notice the rotation of the shaft, If t is not
turning CLOCKWISE, REMOVE the plug from the
outlet, and change the rotation of the motor according
to the instructions furnished with the motor,
KEY
/
5/8 IN.
DIA. SHAFT
WARNING: FOR YOUR OWN SAFETY, MAKE SURE
PLUG IS NOT CONNECTED TO POWER SOURCE
OUTLET WHEN CHANGING MOTOR ROTATION.
5. From among the loose parts, find the following
hardware:
4 Carriage Bolts, 5/16 - 18 x3/4 in. long
4 Hex, Nuts, 5/16- 18
(approx. dia. of hole 5/16 in.)
4Lockwashers, 5/16 in. External Type
(approx. dia. of hole 5/16 in,)
6. Remove Blade Guard and Spreader.
7. Place motor on MOTOR BASE ... insert bolts through
holes in base ... then through the motor. Install
Iockwashers, and nuts.
B. Position motor so that edge of MOTOR FOOT and
MOTOR BASE are even ... slide motor all the way to
the RIGHT ... tighten the four nuts.
9, Loosen set screw in motor pulley using 6/32 in.
setscrew wrench. Slide pulley on shaft with HUB away
from motor. DO NOT TIGHTEN SETSCREW,
10. Install 3/16 in. square key (furnished with motor) in
grooves in pulley and motor shaft, DO NOT TIGHTEN
SETSCREW.
LOCKWASHER
5/16 IN.
NUT !
5/16-18
SHAF- _4.(_ t i /"
GUARD
\
(
THESE I"VVO CARRIAGE BOLT
EDGES EVEN 5/16-18 X 3/4 [_J.
KEY
/
/.MOTOR BASE
MOTOR MOUNTING
BASE
PULLEY
16

11. Lift motor and insert the TWO PINS on motor base
into HOLES in cradle ... push motor in asfar as it will
go.
12. Lower the blade...install belt on saw pulley and motor
pulley.
13. Sight along edges_of both pulleys arid move motor
pulley so that belt is parallel to the edges of both
pulleys...tighten the setscrew in the motor pulley.
14. IMPORTANT: Measure the distance from end of motor
shaft to pulley...mark this dimension down; you will
need it later when reinstalling the pulley.
15. Make sure blade is 90° to table...raise i_ all the way
up.
16. Lift motor until edge of washer is even with end of slot
... tighten pivot screw. In this !_osition, pull motor
toward you (pins will slide out of cradle) until belt is
TIGHT ... tighten the two MOTOR BASE CLAMP
SCREWS.
17. Loosen Pivot Screw slightly.
18. Lower the saw blade all the way down.
19. IMPORTANT; Motor should pivot freely downward as
blade is lowered. If it does not, LOOSEN the PIVOT
SCREW some more.
20. Pivot screw must be adjusted only tight enough to allow
motor to pivot FREELY as blade is raised or lowered,
This will maintain constant tension on belt.
EDGE OF WASHER
EVEN WITH END
OF SLOT
MOTOR PULLEY
MOTOR BASE
CLAMP SCREWS _
21. Loosen the two MOTOR CLAMP SCREWS on each end
of motor. Rotate the motor so that the CAPACITOR
COVER is on top...tighten the screws.The ventilation
holes are now facing downward which will help prevent
sawdust from entering motor,
CAPACITOF
COVER
\
VENTILATION
HOLES \
MOTOR
CLAMPSCREW
(BOTH ENDS)
17
/

INSTALLING BELT GUARD
1. Remove the belt and motor pulley.
2. Screws furnished witli guard are "self threading" ...
screw them into holes in BELT GUARD SUPPORT
BRACKET, then remove them.
3. Position BELT GUARD SUPPORT BRACKET and
BELT GUARD SUPPORT as shown and install the
screws ... make sure motor shaft is in CENTER of
hole in SUPPORT.
_ _-_ TWO HOLES CLOSEST
TOGETHER
BELT GUARD
SUPPORT BRACKET
\\
BELT GUARD SUPPORT
BELT GUARD
10-32 X 1/2 IN.
SE L.F-THREADING
SCREW
/
/
CENTERED
\
PIVOT
SCREW
4. Install three CLIPS (furnished with guardi 90 ° apart
starting with one clip at the end of the guard as shown
•.. LONG END of cl p facingAWAY from you.
BELT GUARD
OPENING
j__,_ CLIPS
N
LONG END
5. Reinstall ,motor pulley the same way it was when you
aligned the belt,
6. Place belt on SAW'PULLEY ,.. insert end of belt
through opening in END of guard,
7. Slip belt over motor pulley.
BELT.
18

Press guard onto support so that bottom of guard is
approximately 3/4 in. away from belt.
NOTE: To remove guard, lift up on LONG TABS of
cl ps ... pull guard outward. The clips should remain
on the BELT GUARD SUPPORT.
1
3/_ IN.
PLUGGING IN MOTOR
1. From among the loose parts, find two wire ties
2. Route motor cord along right side of cabinet and snap
ties in 1/4" hole in side of cabinet. Secure two cords in
w_re ties.
3. Plug motor cord into outlet on side of switch box.
NIRE TIES
19

GETTING TO KNOW YOUR SAW
_1 SAWSLADE
TABLEINSERT
MITER GAUGE |0 EXACT-I-CUT
\
LOCK HANDLE
6MITER GAUGE
7" BLADE GUARD
ANTIKICKBACK
PAWLS
RiP FENCE
RIP FENCE
LOCK HANDLE
4 TILT LOCK HANDLE
(UNDERNEATH TABLE)
2ELEVATION HANDWHEEL \
1 ON-OFF SWITCH
1ON-OFF SWITCH
CAUTION: Before turning switch on, make sure the blade
guard is correctly installed and operating properly.
The On-Off Switch has alocking feature. THIS FEATURE
IS INTENDED TO PREVENT UNAUTHORIZED AND
POSSIBLE HAZARDOUS USE BY CHILDREN AND
OTHERS_
B. TO turn saw ON ... stand to either side of the
blade never in line with it ... insert finger under
switch lever and pull END of lever out.
After turning switc_h ON, always allow the blade to
come up to full speed before cutting.
Do not cycle the motor switch on and off rapidly,
as this may cause the sawblade to loosen. !n the
event this should ever occur, allow the sawblade to
come to a complete stop and retighten the arbor
nut normally, not excessively, Never leave the saw
while the power is "'ON".
C. TO turn saw OFF ... PUSH lever in. Never leave
the saw until the cutting tool has come to a
complete stop.
D. TO lock switch in OFF position ... hold switch IN
with one hand ... REMOVE key wi_ other hand.
WARNING: FOR YOUR OWN SAFETY, LOWER
BLADE OR OTHER CUTTING TOOL BELOW
TABLE SURFACE. (IF BLADE IS TILTED,
RETURN IT TO VERTICAL (90 °) POSITION).
ALWAYS LOCK THE SWITCH "OFF", WHEN
SAW IS NOT IN USE ... REMOVE KEY AND
KEEP IT IN ASAFE PLACE ... ALSO ,.. IN
THE EVENT OF A POWER FAILURE (ALL OF
YOUR LIGHTS GO OUT) TURN SWITCH OFF
... LOCK IT AND REMOVE THE KEY. THIS
WILL PREVENT THE SAW FROM STARTING UP
AGAIN WHEN THE POWER COMES BACK ON,
@
KEY
(YELLOWPLASTIC)
2O

2 ELEVATIONHANDWHEEL...elevatesorlowersthe
blade.Turnclockwiseto elevate... counterclockwise
tolower,
3 TILT HANDWHEEL... tilts the bladefor bevel
' cutting. Turn clockwiseto tilt towardleft ...
counterclockwise to tilt toward right,
When the blade is tilted to the LEFT as far as it will go,
it should be at 45 ° to the table and the bevel pointer
should point 45° .
NOTE: There are LIMIT STOPS inside the saw which
prevent the blade from tilting beyond 45 ° to the LEFT
and 90° to the RIGHT. (See "Adjustments" section
"Blade Tilt, or Squareness of Blade to Table"),
4TILT LOCK HANDLE ... locks the blade in the
desired tilt position. To loosen, turn counterclockwise,
Push handle in and turn it to another position if
necessaryin order to tighten or loosen.
Select asuitable piece of smooth straight wood.., drill
two holes through it and attach it with screws.
NOTE; When bevel crosscutting, attach facing so that it
extends to the right of the miter gauge and use the
miter gauge in the groove to the right of the blade.
STOP PIN 45 ° SLOT "\
FORSTOPPIN \
AUXIELIARY FACING
5 RIP FENCE .. is locked in place by tightening the
lock knob. To move the fence, loosen the knob and
graspthe fence with one hand at the front.
Holes are provided in the rip fence for attaching a wood
facing when using the dado head, or molding head.
Select apiece of smooth straight wood approx. 3/4 in.
thick and the same size as the rip fence.
Attach it to the fence with three Round Head ##10
Wood Screws 2 in. long. To remove the facing, loosen
the screws, slide the facing forward and pull the screws
through the round holes.
WOOD FACING
\
\\ ROUND HEAD ///
#!0 WOOD SCREWS
6 MITER GAUGE ... head is locked in position for
crosscutting or mitering by tightening the lock knob.
ALWAYS LOCK IT SECURELY WHEN NUSE.
There are two slots for the stop pin at the 45 degree
right and left positions for conveniently setting the
Vliter Gauge to cut miters.
NOTE: The slots for the stop pin and the graduations
are manufactured to very close tolerances which
provide accuracy for average woodworking. In some
caseswhere extreme accuracy is required, when making
angle cuts, for example, make a trial cut and then
recheck it.
If necessary, the miter gauge head can then be swiveled
slightly to compensate and then locked.
Slots are provided in the miter gauge for attaching an
AUXILIARY FACING to make it easier to cut long
p=eces. Be positive facing does not interfere with the
proper operation of the sawblade guard.
BLADEGUARD must always be in place and working
properly for all thru-sawing cuts. That is, all cuts
whereby the blade cuts completely through the
workpiece.
To remove the guard for special operations, loosen the
thumbscrew and slide the guard off of the rod. DO
NOT DISTURB THE SETTING OF THE ROD.
When replacing the guard, make sure the PIN in the rod
engageswith the NOTCH in the spreader support, Make
sure thumbscrew is tightened securely,
8 TABLE INSERT is removable for removing or installing
blades or other cutting tools.
/
SCREW
WARNING: FOR YOUR OWN SAFETY, TURN
SWITCH "OFF" AND REMOVE PL.UG FROM
POWER SOURCE OUTLET BEFORE REMOVING
INSERT.
A, Lower the blade below the table surface.
B. Raise blade guard.
C. Loosen Screw.
D. Lift in_ert from front end, and pull toward
front of saw.
NEVER OPERATE THE SAW WITHOUT THE
PROPER INSERT IN PLACE. USE THE SAW BLADE
INSERT WHEN SAWING . . . USE THE
COMBINATION DADO MOLDING INSERT WHEN
DADOING OR MOLDING.
21

9 REMOVING AND INSTALLING SAWBLADE.
WARNING: FOR YOUR OWN SAFETY, TURN
SWITCH "OFF" AND REMOVE PLUG FROM
POWER SOURCE OUTLET BEFORE REMOVING OR
INSTAL LING SAWBLADE.
A. Raise Blade Guard...remove insert.
B. To REMOVE blade, place a block of wood
against front of blade ... PULL arbor wrench
toward you to LOOSEN arbor nut.
/
/
WOOD BLOCK OR NUT
BLADE GUARD NOT SHOWN FOR PICTURE CLARITY
BLADE GUARD NOT SHOWN FOR PICTURE CLARITY
C. To TIGHTEN arbor nut, place ablock of wood
against rear of blade ;.. PUSH wrench away
from you.
When installing the blade . .. make sure the teeth are
pointing toward the front of the saw ... and that the
blade and collars are clean, and free from any burrs.
The HOLLOW side of the collar must be against the
blade.
Always tighten the arbor nut securely.
NOTE: When using the Dado or Molding Head, itis not
necessary to install the loose collar.
To replace insert. LOOSE
Place insert into insert opening n table and push COLLAR
toward rear of saw to engage spring clip and unt, I AR,OR ff_,_
keyslot in insert will drop over screw. Tighten screw. _,
Do not tighten screw to the point where it will deflect (_"// _\ ARBOR
the insert, r_ _ _ _ _ _
TEETHFO,NT,.OTO'
•FRONT OF SAW h_, v
NUT
NUT
1 0 EXACT-I-CUT
The ' yellow" plastic disc imbedded n the table in front
of the sawb!ade, is provided for marking the location of
the sawcut on the workpiece.
A. Check disc ... if it is above table surface, place a
piece of hardwood on top of it and tap it down.
B. With blade 90° (square to table) cut off a piece of
wood.
C. Pull miter gauge back until wood is over disc. Using
very sharp pencil, mark a line on disc.
DWith miter gauge in right hand groove, follow same
procedure and mark another line on disc BLADE GUARD NOT SHOWN FOR PICTURE CLARITY
in " " "" ""E. These I es mdlcate the path of the cut (kerf)
made by the sawblade.
F. When cutting the workpiece, ine up mark on
workpiece with line on disc.
22

BASIC SAW OPERATION
WORK HELPERS
Before cutting any wood on your saw, study all of the
"Basic Saw Operations".
Notice that in order to make some of the cuts, it is
necessary to use certain devices "'Work Helpers" like the
Push Stick, the Push Block and the Auxiliary Fence/Work
Support, which you can make yourself.
After you have made a few practice cuts, make up these
"helpers" before starting any projects. Make the "Push
Stick" first.
PUSH STICK AND PUSH BLOCK
Make the Push Stick using a piece of 1 x 2, or rip one from
a wide board, say 11-1/2 in. wide, and set the rip fence
9-7/8 in. from the sawblade.
Make the Push Block using a piece of 3/8 in. and 3/4 in.
plywood.
The small piece of wood 3/8 in. x 3/8 in. x 2-1/2 in. should
be GLUED to the plywood ... DO NOT USE NAILS. This
is to prevent dulling the sawblade in the event you
mistakingly cut into the push block.
Position the handle in the center of the plywood and fasten
together with glue and woodscrews.
1-5/8
45°NOTCH
AUXILIARY FENCE/WORK SUPPORT
Make one using a piece of 3/8 in and 3/4 in. plywood.
Fasten together with glue and woodscrews.
NOTE: Since the Push Block is used with the Auxiliary
Fence, the 4-3/4 in. dimensions must be held identical on
both the pieces.
THESE EDGES MUST
BE PARALLEL 3/4 PLYWOOD
/
_/ 1_4-3/4 -4
\ _'-4
2-I/2
7"-
_5-/8_ 3/8 I
PUSH BLOCK I
NOTE: All dimensions in inches 3/8 PLYWOOD
3/4 PLYWOOD
27
1-1/4
=IECE END
1/_ 1/4
PUSH STICK
NOTE: All dimensions in inches
THIS FACE AND THIS _'_ 30
EDGE MUST BE PARALLEL
AUXILIARY PENCE/ 3/8 PLYWOOD
WORK SUPPORT -._
\ Jj.5-1/2
NOTE: All dimensions in inches _'_.
USING THE
CROSSCUTTING, MITER CUTTING. BEVEL CUTTING.
COMPOUND MITER CUTTING, DADOING and when
RABBETTING AND MOLDING across the end of a narrow
workpiece, THE MITER GAUGE IS USED,
WARNING: FOR YOUR OWN SAFETY, ALWAYS
OBSERVE THE FOLLOWING SAFETY PRECAUTIONS
IN ADDITION TO THE SAFETY INSTRUCTIONS ON
PAGES 2, 3, and 4,
1. Never make these cuts freehand (without using the
miter gauge or other auxiliary devices) because the
blade could bind in the cut and cause a KICKBACK or
cause your tinge rs or hand to slip into the blade.
2, Always lock the miter gauge securelv when in use.
3. Remove rip fence from table.
4. Make sure blade guard is installed for all "'thru-sawmg'"
operations (when sawblade cuts entirely thru the
thickness of the workpieee.) Replace guard
IMMEDIATELY after completion of dadoing, molding
or rabbeting cuts.
5. Have blade extend approximately 1/8 in. above top of
workpiece. Additional blade exposure would increase
the hazard potential.
MITER GAUGE
6. Do not stand directly in front of the blade n case of a
THROWBACK (Small cut-off piece caught by the back
of the blade and thrown toward the operator). Stand to
either side of the blade.
7. Keep your hands clear of the blade and out of the path
of the blade.
8. If blade stalls or stops while cutting, TURN SWITCH
OFF before attempting to free the blade.
g. Do not reach over or behind the blade to pull the
workpiece through the cut ... to support long or
heavy workpieces ... to remove cut-off pieces of
material or FOR ANY OTHER REASON.
10. Do not pick up small pieces of cut-off material from the
table. REMOVE them by pushing mere OFF the table
with along stick_ Otherwise they could he thrown back
at you by the rear of the blade,
11. Do not remove sinai pieces of cut-off material that may
become TRAPPED inside the blade guard while the saw
is RUNNING. THIS COULD ENDANGER YOUR
HANDS or cause a KICKBACK.
Turn the saw OFF. After the blade has stopped turnin g,
lift the guard and remove the piece.
23

CROSSCUTTING
CROSSCUTTING is known as cutting wood across
the grain, at 90 °, or square with both the edge and the flat
side of the wood, This is done with miter gaugeset at "'O".
The graduations on the miter gauge provide accuracy for
average woodworking. In some cases where extreme
accuracy is required, when making angle cuts, for example,
make a trial cut and then recheck it with an accurate
square, or protractor.
If necessary, the miter gauge head can be swiveled slightly
to compensate for any inacurracy,
NOTE: The space between the miter gauge bar and the
groove in the table is held to a minimum during
manufacturing.
For maximum accuracy when using the miter gauge, always
"favor" one side of the groove in the table, In other words,
don't move the miter gauge from side to sidewhile cutting,
but keep one side of the bar riding against one side of the
groove.
NOTE: Glue a piece of sandpaper to the face of the miter
gauge head, This will help prevent the workpiece from
"creeping" while it is being cut.
The Hold-Down Clamp (Optional Accessory) should be
used on the miter gauge for greater accuracy.
The miter gauge may be used in either of the grooves in the
table. Make sure it is locked.
When using the miter gauge in the LEFT hand groove, hold
the workpiece firmly against the miter gauge head with
your left hand, and grip the lock handle with your right.
When using the RIGHT Hand groove, hold the workpiece
with your right hand and the Iockhandle with your left
hand.
When cutting long workpieces, invert AUXILIARY
FENCE/WORK SUPPORT and position it on top of the
guide bars to support the workpiece as near to the end as
possible. If this does not adequately support the workpiece,
you can make a simple support by clamping a piece of
plywood to a sawhorse.
Use the Hold-Down Clamp (Optional Accessory) on the
miter gauge for greater accuracy.
AUXILIARY P[NCEI
WORK SUPPORT
REPETITIVE CUTTING
REPETITIVE CUTTING is known as cutting a quantity of
pieces the same length without having to mark each piece,
1. Use the Stop Rods (optional accessory) only forcutting
duplicate pieces6 in. long and longer.
2. DO NOT FEED workpiece with RIGHT Hand, merely
guide it, making sure that it does not bind or pinch the
sawblade.
When making repetitive cuts from along workpiece, make
sure it is adequately supported.
Use the Hold-Down Clamp (Optional Accessory) on the
miter gauge for greater accuracy.
STOP RODS
!NCE/
WORK SUPPORT
24

1. NEVER USE THE RIP FENCE AS A LENGTH STOP
BECAUSE THE CUTOFF PIECE COULD BIND
BETWEEN THE FENCE AND THE BLADE CAUSING
A KICKBACK,
2. When making repetitive cuts shorter than 6 in., clamp a
block of wood 2 in. long to the table to act as a length
stop. Do not clamp directly to the bottom edge of the
table because the "swivel" of the clamp will not grip
properly. Place a small block of wood between the
bottom edge of the table and the "C" clamp.
CAUTION: When clamping the block, make sure that
the end of the block is well in front of the sawblade. Be
sure it is clamped securely.
3. Slide the workpiece along the miter gauge until it
touches the block ... hold it securely or clamp it with
the Hold-Down Clamp (Optional Accessory).
4. Make the cut ... pull the workpiece back ... push the
cut off piece off the table with a long push stick ...
DO NOT ATTEMPT TO PICK IT UP AS THIS COULD
ENDANGER YOUR HANDS.
\\
BLOCK
MITER CUTTING
MITER CUTTING is known as cutting wood at an angle
other than 90° with the edge of the wood. Follow the same
procedure asyou would for crosscutting.
Adjust the miter gaugeto the desired angle, and lock it.
The miter gauge may be used in either of the grooves in the
table.
When using the miter gauge in the LEFT Hand groove, I_old
the workpiece firmly against the miter gauge head with
your left hand, and grip the lock knob with your right.
When using the RIGHT hand groove, hold the workpiece
with your right hand and the knob with your left hand.
Use the Hold-Down Clamp (Optional Accessory) on the
miter gauge for greater accuracy.
\
/
/
CUT OFF
PIECE
!t_,%
BEVEL CROSSCUTTING
BEVEL CROSSCUTTING is the same as crosscutting
except that the wood is also cut at an angle ... other than
90° with the flat side of the wood.
Adjust the blade to the desired angle.
Use the Miter Gauge in the groove to the RIGHT of the
blade. It cannot be used in the groove to the LEFT because
the blade guard wilt interfere. Hold the workpiece with
your right hand and the Iockhandle with _/our left hand.
Use the AUXILIARY FENCE/WORK SUPPORT for
additional support of the workpiece.
Lay it acrossthe guide bars to support the workpiece as
near to the end as possible.
Use the Hold-Down Clamp (Optional Accessory) on the
miter gauge for greater accuracy.
COMPOUND MITER CUTTING
COMPOUND MITER CUTTING is a combination of miter
cutting and bevel crosscutting. The cut is made at an angle
other than 90° to both the edge and the flat side of the
wood.
Adjust the miter gauge and the blade to the desired angle
... Make sure miter gauge is locked,
\\\
\\
25

USING THE RIP FENCE
RIPPING, BEVEL RIPPING, PLOUGHING, MOLDING, not DIG into the workpiece and HOLD it... the pawls
RESAWING AND RABBETING are performed using the must be SHARPENED. See "Maintenance" section.
RIP FENCE together with the AUXILIARY 5. Have blade extend approximately 1/8 n. above top of
FENCE/WORK SUPPORT, PUSH STICK OR PUSH workpiece. Additional blade exposure would increase
BLOCK. the hazard potential.
WARNING: FOR YOUR OWN SAFETY, ALWAYS 6. Do not stand directly in front of the blade in case of a
OBSERVE THE FOLLOWING SAFETY PRECAUTIONS KICKBACK. Stand to either side of the blade.
IN ADDITION TO THE SAFETY INSTRUCTIONS ON
PAGES 2, 3. and 4.
2,
3.
4.
Never make these cuts FREEHAND (without using the
rip fence or auxiliary devices when required) because
the blade could bind in the cut and cause a
KICKBACK.
Always lock the rip fence securely when in use.
Remove miter gauge from table.
Make sure blade guard is installed for all thru-sawing
type cuts. Replace the guard IMMEDIATELY following
completion of resawing, rabbeting, dadoing, or molding
operations.
Freouently check the action of the ANTIKICKBACK
PAWLS by passing the workpiece alongside of the
spreader while saw is OFF.
Pull the workpiece TOWARD you, If the PAWLS do
7. Keep your hands clear, of the blade and out of the path
of the blade.
8. If the blade stalls or stops while ,cutting. TURN
SWITCH OFF before attempting to free the blade.
9. Do not reach over or behind the blade to pull the
workpiece through the cut ... to support long or
heavy workpieces .... to remove small cut-off pieces of
material or FOR ANY OTHER REASON.
10. Do not pick up small pieces of cut-off material from the
table, REMOVE them by pushing them OFF the table
with a long stick, Otherwise they could be thrown back
at you by the rear or the blade.
11. Do not remove small pieces of cut-off materia that may
become TRAPPED ns de the blade guard while the saw
is RUNNING. THIS COULD ENDANGER YOUR
HANDS or cause a KICKBACK.
Turn the saw OFF. After the blade has stopped turning,
lift the guard and remove the piece.
26 /,
RIPPING
RIPPING is known as cutting apiece of wood with the
grain, or lengthwise. This isdone using the rip fence.
Position [he fence To the desired WIDTH OF RIP and lock
in place,
Before starting to rip, be sure
A. Rip Fence is parallel to sawblade.
B. Spreader is properly aliqned with sawblade.
C. Antiklcl<bac <pawls are functioning properly.
When ripping LONG BOARDS or LARGE PANELS, always
use a work support.
A simple one can be made by clamping apiece of plywood
to a sawhorse,
BEVEL RIPPING
When bevel ripping material 6 in. or narrower, use fence on
the right side of the blade ONLY. This wil provide more
space between the fence and the sawblade for use of a push
stick. If the fence is mounted to the left. the sawblade
guard may interfere with prc per use of a push stick.
When "WIDTH OF RIP" is 6 in, and WIDER use your
RIGHT Hand to feed the workpiece until it is clear of the
table.
Use LEFT hand ONLY to guide the workpiece ,.. do not
FEED the workpiece with the left hand.
ALWAYS SUPPORT LONG WORKPIECES
//'
°i!
3/
)

When "WIDTH OF RIP" is 2 in. to 6 in, wide USE THE
PUSH STICK to feed the work.
When WIDTH OF RIP is NARROWER than 2 in., the push
stick CANNOT be used because the guard will interfere. _.
USE the AUXILIARY FENCE_WORK SUPPORT and
PUSH BLOCK.
Attach Auxiliary Fence/Work Support to rip fence with
two "'C'" clamps.
Feed the workpiece by qand along the AUXILIARY
FENCE unti the end is approx. 1 in. past the front edge of
the table. Continue to feed using the PUSH BLOCK.
Hold the workplece in position and install the PUSH
BLOCK by sliding it on top of the AUXILIARY
FENCE;WORK SUPPORT (This May Raise Guard).
3AFFLE
Narrow stri#s thicker than the Auxiliary Fence/Work
Support may enter the guard and strike the baffle.
CAREFULLY raise guard only enough to clear the
workpiece. Use PUSH BLOCK to complete cut.
PLOUGHING AND MOLDING
PLOUGHING is grooving with the grain the long way of the
workDiece, using the fence. USE proper holddowns and
feed devices.
MOLDING is shaping the workpiece with the grain tne long
way of the workpiece, using the fence. Use proper
holddowns and feed devices.
2?'

RESAWING
RESAWING is known as ripping a piece of wood through
its thickness. Do not attempt to resaw BOWED or
WARPED material. NOTE: To RESAW a piece of
wider than 3-3/8 in.... it will be necessa
blade guard ... and use the AUXILIARY FENCE/WORK
SUPPORT. (See "Work Helpers").
Clamp it to the table so that the workpiece wil SLIDE
EASILY but not TILT or MOVE SIDEWAYS without
BINDING between the two fences.
Do not clamp directly to the bottom edge of the table
because the "swivel" of the clamp will not grip properly.
Place a small block of wood between the bottom edge of
the table and the "C" clamp.
WARNING: FOR YOUR OWN SAFETY ...
1. DO NOT "'BACK UP" (REVERSE FEEDING) WHILE
SMALL BLOCK
OF WOOD
RESAWlNG BECAUSE THIS COULD CAUSE A
KICKBACK.
2- INSTALL BLADE GUARD IMMEDIATELY UPON
COMPLETION OF THE RESAWlNG OPERATION.
CUTTING PANELS
When cutting panels (whenever fence is positioned outside
of table surface), ALWAYS use the AUXILIARY
FENCE/WORK SUPPORT.
1. Unlock fence and raise rear end.
2. Position AUXILIARY FENCE/WORK SUPPORT as
shown and attach it with two "'C'" clamps.
RABBETING
Rabbeting is known as cutting out asection of the corner
of a piece of material, across an end oralong an edge.
To make aRABBET requires cuts which do not go all the
way through the material. Therefore the blade guard must
be removed.
1. Remove blade guard.
2. For rabbeting along an edge (long way of workpiece) as
shown, add facing to rip fence (see 5. RIP FENCE, p.
21) approximately as high as the workpiece is wide.
Adjust rip fence and blade to required dimensions: then
make first cut with board flat on table as any rip (type)
cut: make second cut with workpiece on edge. Follow
all precautions, safety instructions, and operational
instructions as for ripping, or rip type operations,
including feather boards and push stick, etc.
3. For rabbeting across an end, for workpieee 101/=" and
narrower make the rabbet cut with the board flat on
operations, including feather boards and push stick, etc.
the table using the miter gage fitted w_th a facing (per
"6. MITER GAUGE" on p.21). DO NOT use the rip
fence.
4. INSTALL BLADE GUARD IMMEDIATELY UPON
COMPLETION OF RABBETING OPERATION.
Rabbet cuts can also be made using the dado head or
molding head.
DADOING
Instructions for operating the Dado Head are contained in
booklet furnished with the Dado Head.
The Recommended Dado Head is listed under
Recommended Accessories in this manual.
The arbor on the saw, is only long enough so that the
widest cut that can be made is 13/16" wide.
It is not necessary to install the outside loose col ar before
screwing on the arbor nut. Make sure the arbor nut is tight.
ALWAYS USE DADO INSERT LISTED UNDER
RECOMMENDED ACCESSORIES.
When using .the dado head it will be necessary to remove
the Blade Guard and Spreader. USE CAUTION. USE
FEATHERBOARDS AND PUSH STICKS AS REQUIRED.
ALWAYS REPLACE THE BLADE, GUARD AND
SPREADER WHEN YOU ARE FINISHED DADOING.
MOLDING CUTTING
SAW TABLE
\
_R NUT
When using the molding heat it will be necessary to remove
Instructions for operating the Molding Head are contained the Blade Guard and Spreader. USE CAUTION. USE
in a booklet furnished with the Molding Head. FEATHERBOARDS AND PUSH STICKS, etc AS
The recommended molding head is listed under REQUIRED.
Recommended Accessories m this manual. ALWAYS REPLACE THE BLADE GUARD AND
Always use Molding Insert Listed Under Recommended SPREADER WHEN YOU ARE FINISHED MOLDING.
Accessories. 2a

ADJUSTMENTS
WARNING: FOR YOUR OWN SAFETY, TURN SWITCH
"OFF" AND REMOVE PLUG FROM POWER SOURCE
OUTLET BEFORE MAKING ANY ADJUSTMENTS. BAR
LOCK KNOB
STOP
PIN
MITER GAUGE
NOTE: The slots for the stop pin and the graduations are
manufactured to very close tolerances which provide
accuracy for average woodworking. In some cases where
extreme accuracy is required, when making angle cuts, for
example, make a trial cut and then recheck it.
If necessary, the miter gauge head can be swiveled slightly
to compensate for any inaccuracy.
1. Loosen the "knob" and pull "stop pin" OUT.
2. Swivel the head ... position it at "0" ... push the
stop pin IN . .. lock the handle.
3. The HEAD should be square with the Bar and the
pointer should point to "0". Readjust the pointer if
necessary.
4. If the head is not square with the bar, adjustments are
required.
A. Loosen the "knob" (1) and the "two screws" (2)
B. Position the HEAD square with the BAR using a
combination square.
C. PUSH the STOP PIN into the slot in the head at
"0"... push the pin into the slot and twist it. Lock
the knob.
D. Recheck with the square. If the head is still not
square, loosen the screws (2) and readjust the
INDICATOR BLOCK.
E. With the head square with the bar and the pin
pushed into the slot adjust the pointer (3) to point
tO "0".
F. The miter gauge head must rest on top of the bar
without being able to move up and down ... yet it
must swivel freely.
G. The swiveling movement of the head can be
SQUARE _ INDICATOR
_18LOCK
I
1/8 IN. SETSCREW
WRENCH 2"==_
adjusted by tightening or loosening the setscrew (4)
•.. usingthe 1/8 in. setscrew wrench.
NOTE: The setscrew is located inside of the head.
To reach it, swivel the head to 60 degrees anaiturn
the miter gauge upside down.
HEELING ADJUSTMENT or PARALLELISM
OF SAWBLADE TO MITER GAUGE GROOVE
While cutting, the material must move in astraight line
PARALLEL to the SAWBLADE ... therefore both the
miter gauge GROOVE and the RIP FENCE must be
PARALLEL to the SAWBLADE.
If the sawblade IS NOT parallel to the miter gauge groove,
the blade will bind at one end of the cut. (This is known as
"HEELING").
To check for parallelism:
WARNING - FOR YOUR OWN SAFETY, TURN SWITCH
"OFF" AND REMOVE PLUG FROM POWER SOURCE
OUTLET.
1. Raise blade all the way up... raise blade guard.
2. Mark as "x'" on one of the teeth which is SET (bent) to
the LEFT.
3. Place the head of a combination square in the
GROOVE ... ad)ust blade of square so that it just
touches the tip of of the MARKED tooth.
4. Move square to REAR, rotate blade to see if MARKED
tooth again touches blade of square.
5. If tooth touches square at FRONT and REAR ...
sawblade is PARALLEL to MITER GAUGE GROOVE.
29
HARK I'XI' ON TOOTH

6. If tooth does not touch the same amount ... the
mechanism underneath must be adjusted to make the
blade PARALLEL to GROOVE.
A. Rear trunnion must be moved TOWARD the
combination square if there is a space between
marked tooth and end of square in step 4,
B, Rear trunnion must be moved AWAY from the
square if marked tooth pushes square out of
position in the groove.
FRONT TRUNNION REAR TRUNNION
7. Loosen all three screws that hold the rear trunnion and
all three screws that hold the front trunmon.
NOTE: All six screws can be reached through back of saw.
Use a 9/16-in. wrench, To reach left-hand front trunnion
screw, tilt blade to 45 °. After loosening screws reposition
blade at 90 ° .
REAR-TRUNNION
SCREWS
/l
FRONT-TRUNNION SCREWS
EDGE OF TRUNNION
Using awood block and mallet as shown, move rear
trunnion to right or left as required to realign the blade.
If necessary, shift front trunnion in similar manner; but
do NOT move front trunnion unless necessary. Recheck _1
the alignment wth the square, then secure y ret ghten
all six trunmon screws.
'PLACE BLOCK HERE
OCK
-- OR HERE
REAR OF SAW
BLADE TILT, OR SQUARENESS
OF BLADE TO TABLE
gO °(SQUARE) and 45 ° (BEVEL) STOP COLLARS.
When the bevel oointer is pointing directly to the "0" mark
on the bevel scale, the sawblade should make a SQUARE
cut 90 ° to the table.
To check for SQUAR EN ESS:
WARNING: FOR YOUR OWN SAFETY, TURN SWITCH
"OFF" AND REMOVE PLUG FROM POWER SOURCE
OUTLET.
1. Raise blade all the way UP... raise blade guard
2. Place the square against blade. Make sure square is not
touching the TIP of one of the saw TEETH.
EDGE OF
CRADLE
3O

3. Operate the tilt-lock handle (COUNTERCLOCKWISE)
to loosen the tilt clamp screw.
4. NOTE: Handle is spring loaded for engagement with
screw head - must be pushed inward for disengagement
whenever necessary to obtain a new grip on screw head.
Rotate tilt handwheel CLOCKWISE a few turns to till
blade. Now rotate handwheel COUNTERCLOCKWISE
until it stops. Blade should now be square with table
and pointer should point to "0".
5.
If blade is SQUARE to table;
A. Check pointer
F POINTER DOES NOT point to the "O" mark on the
bevel scale;
A. Remove Elevation Handwheel.
B. Loosen screw and adjust pointer ... using medium
screwdriver.
C. Install Elevation Handwheel.
If blade is NOT SQUARE to table.., the 90 ° LIMIT STOP
must be ADJUSTED.
1. Using a medium size screwdriver, loosen BOTH
setscrews in 90 ° STOP COLLAR.
NOTE: If you can't reach the setscrews, turn the TILT
NANDWHEEL slightly.
2. ROTATE the STOP COLLAR moving it all the way to
the end of TILT SCREW. (to the right).
3. TILT blade RIGHT or LEFT ... checking with your
square until blade is square to table.
4. ROTATE STOP COLLAR moving it to the right until it
stops... TIGHTEN the setscrews.
5. Check POINTER. If it DOES NOT point to the "O"
mark on the bevel scale...
A. Remove Elevation Handwheel.
B. Loosen screw and ad)ust pointer ... using medium
screwdriver.
C. Install Elevation Handwheel.
COLLAR
45 ° POSITION
TILT blade to LEFT as far as it will go. It will stop when
the PIVOT NUT is against the 45 ° STOP COLLAR.
A, Place an ACCURATE square against blade. Make
sure square is not touching the TIP of one o{ the
saw TEETH.
If blade is 45 ° to table;
A. Check pointer.
If POINTER DOES NOT point to the 45 ° mark on the
scale;
A. Remove Elevation Handwheel.
B, Loosen two screws on scale and adjust scale until C.
31
POINTER points to 45 ° mark.
Install Elevation Handwheel.

If b! ade is NOT 45 ° to table.., the 45° STOP COLLAR
and SCALE must be ADJUSTED, _
1Remove Elevation Handwheel. _0°
2. Using a small size screwdriver, reach thru curved
slot in front trim panel and loosen BOTH setscrews
in 45 ° STOP COLLAR.
TILTNOTE:'f Y°u can't reach the setscrews' turntheHANDWHEELs,,ght,y. __ _i! _
3. ROTATE the STOP COLLAR moving it IN or OUT
and TILT blade RIGHT or LEFT... checking with
your square until blade is 45 ° to table.
4. TIGHTEN the setscrews. ___l_ I_.._.jI-_Y
NOTE: If you can't reach the setscrews, turn TILT
HANDWHEEL slightly.
5. Loosen two screws on scale and adjust scale until _ \ _'_T-_ /fj
POINTER points to 45 ° mark. \ /
6. Install Elevation Handwheel.
TI LT MECHANISM
The handwheel should turn freely without binding. The
turning action can be adjusted by tightening or loosening
the screws in the bearing retainer.
NOTE: Tilt'Handwheel must be removed to adjust. When
adjusting the screws in the bearing retainer, hold the nut
inside using a 3/8 in. wrench.
/t iO SCREWS
I II
MAINTENANCE
IIII IIIII
WARNING: FOR YOUR OWN SAFETY, TURN SWITCH
"OFF" AND REMOVE PLUG FROM POWER SOURCE
OUTLET BEFORE MAINTAINING OR LUBRICATING
YOUR SAW.
Do not allow sawdust to accumulate inside the saw.
Frequently blow out any dust that may accumulate inside
the saw cabinet and the motor.
Frequently clean your cutting tools with Craftsman Gum
and Pitch Remover.
A coat of automobile-type wax applied to the table will
help to keep the surface clean and allow workpieces to slide
more freely.
If the power cord is worn or cut, or damaged in any way.
have it replaced immediately.
Make sure the teeth of the ANTIKICKBACK pawls are
always sharp. To sharpen:
1. Remove blade guard.
2. Rotate pawl toward rear of spreader so that teeth are
above top of spreader.
3. Hold spreader with left hand and place pawl over corner
of workbench.
4. Using a small round file (Smooth Cut) sharpen the
teeth ,)
32

LUBRICATION
The following parts should be oiled occasionally with SAE
No. 20 or No. 30 engine oil.
1. Tilt screw threads and pivot nut. (First Clean with
Craftsman Gum & Pitch Remover.)
2. Elevation screw threads and pivot nut. (First Clean with
Craftsman Gum & Pitch Remover.)
3. Cradle bearing points.
4. Bearing points in guard assemblv, miter gauge and rip
fence.
GUARD Q ,__
ITER GUAGE
.=j_l;,
i BEARING POINTS
RECOMMENDED ACCESSORIES
ITEM CAT. NO.
Steel Legs ............................... 9-22235
Steel Stand .............................. 9-22214
Retractable Caster Set ..................... 9-22208
Solid Table Extension ...................... 9-29957
7In. Molding Head Set ...................... 9-3217
7 In. Molding Head Set ...................... 9-3218
7 In. Molding Head ......................... 9-3214
Molding/Dado Insert for 7 In,
Dia. Molding or Dado Head ................. 9-29997
Work Light ............................... 9-2480
ITEM CAT. NO.
Work Light ............................... 9-2481
7 In. Dia. Adjustable Dado Head .............. 9-3263
7In. Dia. Dado Head ....................... 9-3257
Sanding Wheel ........................... 9-22723
Miter-Gauge Stop Rods ..................... 9-29924
Miter-Gauge Hold-Down Clamp .............. 9-29928
Taper Jig ................................. 9-3233
Universal Jig .............................. 9-3235
Power Tool Know How Handbooks
Table Saw .............................. 9-2918
33

TROUBLE SHOOTING
WARNING: FOR YOUR OWN SAFETY, TURN SWITCH "OFF" AND ALWAYS REMOVE PLUG FROM POWER SOURCE
OUTLET BEFORE TROUBLESHOOTING.
TROUBLE SHOOTING -- GENERAL
TROUBLE , PROBABLE CAUSE
Excessivevibration. 1_Blade outof balance.
|
2. Damaged V-Belt Pulleys
or poor belt.
Cannot make square ' 1. Miter gauge not adjusted
Cut when crosscutting, properly.
Cut binds, burns or 1. Dull blade with improper
stalls motor when tooth set.
ripping, 2. Blade is Heeling.
3. Warped board.
4. Rip fence not parallel
to blade,
5. Spreader out of
alignment
Cut nottrue at 90° 1. Stop collars not properly
or 45 ° positions, adjusted.
Tilt and elevating 1. Sawdust on threads of tilt
handwheel turn hard. screw or elevating screw.
2. Bearing retainers
to tight.
REMEDY
1. Discard Blade and use a different blade.
2. Replace as Indicated.
I. See "Adjustments" section "Miter Gauge,"
1. Sharpen or replace blade.
2. See "Adjustments" section, "Heeling Adjustment.
3. Make sure concave or hollow side is facing
"down," feed slowly.
4. See "Assembly" section, "Aligning Rip Fence"
5. See "'Assembly'" section "Installing
Blade Guard.'"
1. See "Adjustments" section, "Blade Tilt, or
"Squareness of Blade to Table."
1. See "'Maintenance and Lubrication" section.
2. See "Maintenance" section
"Tilt and Elevation Mechanism,"
TROUBLE
Excessive noise,
Motor fails to develop
full power. NOTE:
LOW VOLTAGE: (Power
output of motor decreases
rapidly with decrease in
voltage at motor terminals.
For example, a reduction
of 10% in voltage causes
a reduction of 19% in
maximum power output
of which the motor is
capable, and a reduction
of 20% in voltage causes
a reduction of 36% in
maximum power output.}
TROUBLE SHOOTING -- MOTOR
NOTE: Motors used on wood-working tools are particularly
susceptible to the accumulation of sawdust and wood chips
and should be blown out or "'vacuumed"_ frequently to
prevent interference with normal motor ventilation.
PROBABLE CAUSE
1. Motor.
1. Circuit overloaded with
lights, appliances and
other motors.
2. Undersize wires or cir_,uit
tOOlong.
3. General overloading of
power company
facilities.
REMEDY
1. Have motor checked by qualified service
technician. Repair service is available at
your nearest Searsstore.
1. Do not useother appliances or motors on
same circuit when using the saw.
2. Increase wire sizes, or reduce length of wiring.
See "Motor SpeCification and Electrical
Requirements" section,
3. Request avoltage check from the power company.
34

TROUBLE SHOOTING -- MOTOR (Continued)
TROUBLE
Motor starts slowly
or fails to come up
to full speed.
3.
I
Motor overheats. 1.
2.
Starting switch in
motor will not
operate.
3.
Motor stalls 1.
(resulting in blown
fuses or tripped
circuit breakers).
Frequent opening of
fusesor circuit
breakers.
PROBABLE CAUSE
1, Low voltage will not
trip relay.
2. Windings burned out
or open.
Starting relay not
operating.
Motor overloaded.
Improper cooling. (Air
circulation restricted
through motor due to
sawdust, accumulating
inside of saw).
1. Burned switch contacts
(due to extended
hold-in periods caused
by low line voltage, etc,)
2. Shorted capacitor
(when equipped)
Loose or broken
connections.
Starting switch not
operating.
2. Voltage too low to permit
motor to reach operating
speed.
3. Fuses or circuit breakers
do not have sufficient
capacity.
1. Motor overloaded,
2. Fusesor circuit breakers
do not have sufficient
capacity.
3. Starting switch not
operating (motor does
not reach speed),
REMEDY
1. Request voltage check from the power company.
2. Have motor repaired or replaced.
3. Have relay replaced.
1. Feed work slower into blade.
2. Clean out sawdust to provide normal air
circulation through motor.
See "Maintenance and Lubrication" section,,
1. Have switch replaced and request a voltage ('heck
from the power company,
2. Have capacitor tested and replace if defective.
3. Have wiring checked and repaired.
1. Have switch replaced.
2. Request voltage check from the power company.
3. Install proper size fusesor circuit breakers.
1. Feed work slower into blade.
2, Install proper size fuses or circuit breakers.
3. Have switch replaced.
35

o,
1
6
3
PARTS LIST FOR CRAFTSMAN 10 INCH TABLE SAW
MODEL NO. 113.298141, 113.298031 & 113.298151
78 9 10 14 16
20 19
36
35
28
29 30 31
32 31
!
Figure I
33
27
26 25
i
-I

(,}
PARTS LIST FOR CRAFTSMAN 10 INCH TABLE SAW
MODEL NO. 113.298141, 113.298031 & 113.298151
Always order by Part Number - not by Key Number.
FIGURE 1 PARTS LIST
Key Part
No. No. Description
1 62579
2STD 522506
3 STD 551225
4STD 541025
5STD 523110
6 62541
7 STD 551231
8 STD 541031
9 60388
10 62703
11 62718
12 STD 501102
13 133645
14 62748
15 62493
16 62705
17 62710
18 62709
19
20
21
22
23
24
STD 523107
STD 551031
62539
60381
STD 523117
62704
Guard Assembly (See Fig. 5)
*Screw, Hex Hd. 1/4-20 x 5/8
*Lockwasher, External 1/4
*Nut, Hex 1/4-20
*Screw, Hex 5/16-18 x 1
Bar, Fence Rear
*Lockwasher, External 5/16
*Nut, Hex 5/16-18
Nut, Self-threading
Insert Assembly, (Includes Key No. 11 &12)
Clip, Retaining
*Screw, Locking Set 10-32 x 3/16
Screw, Flat Hd. 10-32 x 1
Rod, Separation (Includes Key No. 9)
Insert, Exact-I-Cut
Fence Assembly, Rip (See Fig. 3)
Tape, Fence
Bar Assembly, Fence Guide
(Includes Key No, 17)
_Screw, Hex Hd. 5/16-18 x 3/4
_Washer, 21/64 x 5/8 x 1/16
Spacer, Fence Guide Bar
Switch Assembly, Box (See Fig. 6)
*Screw, Hex, 5/16-18 x 1-3/4
GaugeAssembly, Miter (See Fig. 4)
Key Part
No. No.
25 STD 511107
26 STD 551210
27 62689
28 STD 511103
29 60354
30 62701
31 STD 810805
32 62702
33 62700
34 60252
35 60255
36 STD 601105
37 60253
38 60254
39 454896
40 STD 551237
41 71165
42 STD 541411
43 62618
43 62680
62750
62751
62753
Description
*Screw, Pan I-i_l. 10-32 x 3/4
*Lockwasher, External No. 10
Handwheel Assembly
*Screw, Pan Hd. 10-32 x 3/8
Nut, Speed No. B
Panel, Front
*Screw, Pan Hd. Ty "AB" No. 8 x I/2
Scale, Adjustable Bevel
Base
Guard, Belt
Clip, "S'"
*Screw, Pan Hd. Ty "T" 10-32 x1/2
Support, Belt Guard
Bracket, Support
*Screw, Hex Hd.,3/8-16 x 1/2
*Lockwasher, External 3/8
Tie, Wire
Nut, Lock 10-32
+Motor (Model 113.298031 )
+Motor (Model 113.298151)
Bag of Loose Parts (Not Illustrated)
(Includes Bag62751)
Bag of Loose Parts (Not Illustrated)
Owners Manual (Not Illustrated)
* Standard Hardware Item -- May Be Purchased Locally.
NOTE: Shippmg and handling charges for standard hardware items
(identified by *! such as nuts, screws, washers, etc., make
buying these items by mail uneconomical. To avoid shipping
and handling charges, you may obtain most of these locally.
Stock Item -- May be secured through the hardware department of
most Sears Retail Stores or Catalog Order Houses.

PARTS LIST FOR CRAFTSMAN 10 INCH TABLE SAW
MODEL NO. 113.298141, 113.298031 & 113.298151
1234 5 6 7
65
64
62
44
45
43
9
10
12 13 14
31 41 4O
18 19 20
I
u
t25
I
38 37 36
21
1
Figure 2

_O
PARTS LIST FOR CRAFTSMAN 10 INCH TABLE SAW
MODEL NO. 113.298141, 113.298031 & 113.298151
FIGURE 2 PARTS LIST
Key Part
No. No. Description
1
2
3
4
5
6
7
8
9
10
11
12
13
14
15
16
17
18
19
20
21
22
23
24
25
26
27
28
29
30
31
32
33
62587
60204
STD 571812
STD 523106
STD 523110
STD 551231
62292
STD 541031
STD 532507
60206
60205
STD 551037
63011
62295
30426
62696
60175
62498
6362
3540
62437
62698
37900
STD 523710
STD 551237
37899
63054
37828
18
37829
STD 581062
37838
60178
Support, Spreader
Screw, Thumb 5/16-18 x 1
*Pin, Roll 3/16 x 1-1/4
*Screw, Hex Hd. 5/16-18 x 5/8
*Screw, Hax Hd. 5/16-18 x 1
* Lockwasher, External 5/16
Support, Guard
*Nut, Hex 5/16-18
*Bolt, Carriage 5/16-18 x 3/4
*Screw, Hex Ind. Wash. Hd.
1/4-20 x 1-1/2
Spring
*Washer, 380 x 47/64 x 3/32
Washer, Knob Clamp
Spacer
Table, Trunnion
Table, 10 In. Saw
+Blade; Saw 10 In.
Collar, Blade
Nut, Arbor
Wrench, Arbor
Retainer, Bearing
Screw, Tilt
Collar, Stop
Screw, Hex Hd. 3/8-16 x 1
Lockwasher, External 3/8
Nut, Tilt
Ring, Retaining 314
Spring, Clamp Screw'.,
Handle, Clamp Screw
Screw, Clamp
Ring, Retaining 5/8
Washer .629 x 7/8 x 1/64
Washer, Spring
Standard Hardware Item - May Be Purchased Locally.
Key Part
No. No.
34 STD 302111
35 62697
36 62699
37 8TD 601103
38 STD 551210
39 62489
40 30509 _
41 30767
42 62312
43 6527
44 STD 328022
45 STD 304410
46 30419
47 STD 600803
49 3508
50 37158
51 3509
52 30420
53 STD 580025
54 6532
55 37825
56 37824
57 37823
58 STD 581037
59 37836
60 37887
6t 37837
62 30628
63 6423
64 STD 551025
65 62585
Description
*O-Ring
Screw, Lift
Pointer
*Screw, Pan Hd. Ty "'T'" 10-32 x 3/8
*Lockwasher, External No. 10
Cradle (Includes Key No's. 42 and 43)
Washer, End Play (.005 Thick)
Washer, End Play (.610 Thick)
Link
Ring, Retaining 3/4
*Pulley, 5/8 Bore (Includes Set Screw)
*Belt, V 1/2x 41
Housing, Arbor Assembly (Includes Key No's.
44, 47, 49, 50, 51,52, 53, 54)
*Screw, Pan Hd. Ty "T" 8-32 x 3/8
Retainer, Arbor Bearing
Ring, Retaining 5/8
Bearing, Saw Arbor
Housing, Arbor
* Key, Woodruff
Arbor (Includes Key No's. 31, 50, 53)
Support, Motor Base
Base, Motor
Pin, Hinge
Ring, Retaining 3/8
Wrench, Hex L 3/32
Wrench, Hex L 1/8
Wrench, Hex L 5/32
Screw, Pivot Arm
Washer, Spring
*Washer, 17/64 x 47/64 x 1/16
Rod, Spreader
Stock Item - May be secured through the Hardware Department
of most Sears Retail Stores or Catalog Order Houses.

PARTS LIST FOR CRAFTSMAN 10 INCH TABLE SAW
MODEL NO. 113.298141, 113.298031 & 113.298151
9 10 11
2 3
45
I
13
FIGURE 3 -- 62705 FENCE ASSEMBLY
Key {Part
No. No. Description
- 62705
1 62693
262692
3 STD 551031
4 62711
560049
6 62527
423350
8 62582
9 STD 600805
10 62528
11 62529
12 62531
1_ 625_3
14 •62533,
15 STD 551210
16 STD 611005
17 62532 •
Fence Assembly, Rip
Plug, Button
Knob (Includes Key No. 1)
*Washer, 21/64 I.D.
Indicator, Fence
*Screw, Pan Hd. Type "'T'" 4-40 x 3/16
Head, Fence
Screw, Seres 3/8_16 xI/2
Channel, Fence
*Screw, Pan Hd. Type "T" &32x 1/2
Spring, Fence Lock
Lock, Rear Fence
Roller, Rear Fence
Rod, Pence Lock
Spring, Head Alignment (Includes Key No. 17)
*Lockwasher, External No. 10
_Screw, Type "A', Hex Ind. SI. Wash. Hd.
No. 10 x 1/2
Pad, Alignment
* Standard Hardware Item - May Be Purchased Locally.
4O

PARTS LIST FOR CRAFTSMAN 10 INCH TABLE SAW
MODEL NO. 113.298141, 113.298031 & 113.298151
14
FIGURE 4 -- 62704 MITER GAUGE ASSEMBLY
Key Part
No. No. Description
- 62704
162693
262692
3
8
9
10
11
12
13
14
STD 551031
37893
STD 510803
135
37895
37896
9417295
62230
8TD 541231
62225
62383
60288
+Gauge Assembly, Miter
Plug, Button
Knob, Miter Gauge
(Includes Key No. 1)
*Washer, Plain, 21/64 x 1 x1/16
Gauge, Miter
*Screw, Pan Hd. 8-32 x 5/16
Indicator
Block, Miter Gauge Indicator
Pin, Miter Gauge Stop
*screw, Pan Hd.,
w/Lockwasher, 8-32 x 5/8
Rod Assembly, Miter Gauge,
Consisting of Items 11, 12, 13
*Nut, Hex., 5/16-18
Stud, Clamp
Stud, Pivot
Screw, Locking Set 1/4-20 x 3/8
11 1
3
1
51
12
\10 9
FIGURE 5 -62579 GUARD ASSEMBLY
Key
No.
5
6
1
.=Part
62579 _
60297
62391
62395
62389
62390
STD 551025
62520
62396
62580
6241O
STD 571810
62519
DescriptiOn
Guard Assembly, Saw
_'_._lut, Push
_q 1/4 x 1-1/2"
Support, Guard
Guard, Saw
Pin, 1/4 x 1-3/4"
*Washer, 17/64 x 5/8 x1/16"
Sp_er, Pawl
Pawl
Spreader, Assembly Blade
Pin, I/4 x 1"
*Pin, Roll, 3/16 x 15/16"
Spring, Pawl
Standard Hardware Item - May Be Purchased Locally.
+ Stock Item - May be secured through the Hardware Department
of most Sears Retail Stores or Catalog Order Houses.
41

PARTS LJST FOR CRAFTSMAN 10 INCH TABLE SAW
MODEL NO. 113.298141, 113.298031 & 113.298151
1
2
\\
5
3 4
FIGURE 6-- ON/OFF POWER OUTLET 60381
6
Kevl
No.
J
1
2
:3
_i 4
5
6
• Paff-
No.
60381
60375
60380
60256
60374
60377
448007
Description
•On/Off Power OutletComplete
Cord, Molded
Housing, Switch
Key, Switch
Switch, Locking
Cover, Switc h
Screw, pn Hd. No. 6 x 3/4
=Does Not Include Kev No. 3
Order Separately If Required.
;42
• ........... :

PARTS LIST FOR CRAFTSMAN 10 INCH TABLE SAW
MODE L NO. 113.298141, 113.298031 & 113.298151
4 5
54
12
2,
FIGURE 8 -- LEGS SUPPLIED WITH
113.298031 AND 113.298151 ONLY
Key
No,
1
2
3
4
5
6
7
8
Part
No. Description
60314 Screw, Serrated Truss Hd. 1/4-20 x 5/8
62552 Leg
62554 Stiffener, Side
STD 551225 *Lockwasher, Ext. 1/4
STD 541025 *Nut, Hex 1/4-20
62553 Stiffener, End
STD 541250 *Nut, Hex 1/2-13
803835 Foot, Leveling
HARDWARE FOR ATTACHING LEGS TO SAW.
9STD 523112 *Screw, Hex Hd. 5/16-18 x 1-1/4
10 STD 551031 Washer, 11/32 I.D.
11 STD 551131 *Lockwasher, Ext. 5/16
12 STD 541031 *Nut, Hex 5/16-18
62752 Bagof Loose Parts For Legs (not illust.
2
'/ /4."---.
378 9 -
FIGURE 9- TABLE EXTENSION SUPPLIED
WITH MODEL 113.298031 AND 113.298151
Key Part
No. No.
- 62589
1 60323
262590
362549
4STD 541025
5STD 551225
6 62550
7 STD 523112
8STD 551131
9 STD 541O31
62745
Description
i i ==
tExtension Assembly, Complete
Screw, Serrated Truss Hd.,
1/4-20 x1""
Extension
Bracket, Corner Support
*Nut, Hex 1/4-20
*Lockwasher, Ext. 1/4
Bracket, Corner Stiffener
*Screw, Hex Hd. 5/16-18 x 1-1/4
*Lockwasher, Ext. 5/16
*Nut, Hex 5/16-18
Bag of Loose Parts (not illustrated)
* Standard Hardware Items May be Purchased Locally.
• Bag contains all Loose Parts for Extensions.
tStock Item - May be secured through the Hardware
Department of most Sears retail stores or
catalog order house.
43

Sears I
owners
manual
SERVICE
MODEL NO.
113.298141
SAW ON LY
113.298031
SAW WITH LEGS
TWO TABLE EXTENSIONS
AND MOTOR
113.298151
SAW WITH LEGS
ONE TABLE EXTENSION
AND MOTOR
HOW TO ORDER
REPAIR PARTS
10 INCH TABLE SAW
Now that you have purchased your 10-inch table saw should a
need ever exist for repair parts or service, simply contact any
Sears Service Center and most Sears, Roebuck and Co. stores.
Be sure to provide all pertinent facts when you call or visit.
The model number of your 10-inch table saw will be found on a
plate attached to your saw, at the left-hand side of the base.
WHEN ORDERING REPAIR PARTS, ALWAYS GIVE THE
FOLLOWING INFORMATION:
PART NUMBER PART DESCRIPTION
MODEL NUMBER
113.298141.113.298031
or113.298151
NAME OF ITEM
10-INCH TABLE SAW
All parts listed may be ordered from any Sears Service Center
and most Sears stores. If the parts you need are not stocked
locally, your order will be electronically transmitted to a Sears
Repair Parts Distribution Center for handling.
Sold by SEARS, ROEBUCK AND CO., Chicago, IL. 60684 U.S.A.
!
I
Part No. 62753 Form No, SP4445-4 Printed in U.S.A. 10180