Sears 113 Users Manual
113206801 113206801 CRAFTSMAN 6 1/8-INCH JOINTER-PLANER - Manuals and Guides L0805383 View the owners manual for your CRAFTSMAN 6 1/8-INCH JOINTER-PLANER #113206801. Home:Tool Parts:Craftsman Parts:Craftsman 6 1/8-INCH JOINTER-PLANER Manual
CRAFTSMAN Jointer/Planer Manual L0805383 CRAFTSMAN Jointer/Planer Owner's Manual, CRAFTSMAN Jointer/Planer installation guides
113.206931 L0805383
113.206931 to the manual 7f11f421-6f48-439e-b67c-0596b1da1a71
2015-02-05
: Sears Sears-113-Users-Manual-399209 sears-113-users-manual-399209 sears pdf
Open the PDF directly: View PDF
.
Page Count: 32

Save This Manual
For Future Reference
MODEL NO.
113,206801
JOINTER/PLANER ONLY
113.206931
JOINTER/PLANER WITH
LEGS AND MOTOR
Serial
Number
Model and serial
number may be found
on aplate attached
to your base.
You should record both
model and serial number
in a safe place for
future use.
CAUTION:
Read GENERAL
and ADDITBONAL
SAFETY
aNSTRUCTIONS
carefully
6 -INCH JO/N TER-PL A NER
•assembly
ooperating
•repair parts
Sold by SEARS, ROEBUCK AND CO., Chicago, IL 60684 U.S.A.
Part No. 67037 #,_._._ _bS._

general safety instructions For power fools
1. KNOW YOUR POWER TOOL protectors (plugs or muffs) dt_Hng extended periods of
Read and understand the owner's manual and labels operation.
affixed to the tool. Learn its application and
limitations as well as the specific potential hazards
peculiar to this tool.
2. GROUND ALL TOOLS
This tool is equipped with an approved 3-conductor
cord and a 3. arong grounding type plug to fit the
3roper grounding tv_ae receptacle. The green conductor
r_ the cord is the grounding w_re. Never connect the
green wire to a I,ve terminal.
3. KEEP GUARDS IN PLACE
_r_ working order, and _n proper adjustment and
alignment.
4. REMOVE ADJUSTING KEYS
AND WRENCHES
Form hab, t of checking to see that keys and adjusting
wrenches are removed from tool before turning lr on
5. KEEP WORK AREA CLEAN
Cluttered areas and benches inwte accidents. Floor
13.
14.
15.
SECURE WORK
Use clam3s or a vise to hold work when practical. It's
safer than using your hand, frees both hands to operate
tool.
DON'T OVERREACH
Keep proper footing and balance at all times,
MAINTAIN TOOLS WITH CARE
<eep toots shart) and clean for Pest and safest
performance. Fo[tow instructions for l[_bricating and
chang_ rig accessories.
16. DISCONNECT TOOLS
before servicing; when changing accessories such as
blades, bits, cutters, etc.
!7. AVOI D ACCI DENTAL STARTING
Make sure switch Is tn "OFF" position before ptuggmg
in,
must not be sl operv due to wax o_ sawdust.
-6. AVOID DANGEROUS ENVIRONMENT 18. USE RECOMMENDED ACCESSORI ES
Consult the owner's manual for recommended
Don't use power tools n damp or wet locations or accessories. Foltow the instructiOnS that accompany
expose them to rain. Keep work area well ghted, the accessories. The use of _mproDer accessories may
Provide adequate surrounding work space, cause hazards.
7. KEEP CHILDREN AWAY
AIr visitors should be kept a safe distance from work
_rea,
8. MAKE WOR KSHOP KID-PROOF
wtth padlocks, master switches or by removing
starter keys.
9. DON'T FORCE TOOL
It w_!t do the job better and safer at the rate for which
tt was designed.
10. USE RIGHT TOOL
Don't force tool or attachment to do a ]ob tt was not
designed for.
11, WEAR PROPER APPAREL
Do not wear loose clothing, gloves, neckties or jewelry
(rings, wrist watches) to get caught in moving parts.
Nonstip footwear is recommended. Wear protective
hair covering to contain long hair. Roll tong sleeves
above the elbow.
12. USE SAFETY GOGGLES (Head Protection)
Wear Safety goggles (must comply with ANS Z87.1 ) at
all times. Everyday eyeglasses only have impact
resistant lenses, they are NOT safety glasses. Also, use
face or dust mask if cutting operation is dusty, and ear
19. NEVER STAND ON TOOL
Serious injury could occur if the tool is t_pped or if the
cutPng [ool _saccidentally contacted.
Do not _.[ore materials above or near the tool such that
_t _s_)ecessary to stand on the too to reach them,
20. CHECK DAMAGED PARTS
Before further use of the tool, a guard or other part that
_s damageo should be carefully checked to ensure that _t
will operate properly and perform its intended function.
Check for alignmem of moving parts, binding of moving
parts, breakage of parts, mounting, and any other
conditions that may ,affect _ts operation. A guard or
other part that is damaged should be 3roperly repa_reo
or replaced.
21. DIRECTION OF FEED
Feed work into a blade or cutter against the dtrection
of rotation of the blade or cutter on y
22. NEVER LEAVE TOOL RUNNING
UNATTENDED
Turn power off Don't leave tool untd _t comes to a
complete stop.

Safetyis acombination of operator common sense and
alertness at all times when the Jointer*Planer is being used.
WARNING: FOR YOUR OWN SAFETY, DO NOT AT-
TEMPT TO OPERATE YOUR JOINTER-PLANER UNTIL
IT IS COMPLETELY ASSEMBLED AND INSTALLED
ACCORDING TO THE INSTRUCTIONS .., AND UNTIL
YOU HAVE READ AND UNDERSTOOD THE FOLLOW-
ING.
PAGE
1. GENERAL SAFETY INSTRUCTIONS FOR POWER
TOOLS .................................. 2
2. GETTING TO KNOW YOUR JOINTER-PLANER 12
3. BASIC MACHINE OPERATION ............... t8
4. USE OF HOLD-DOWN/PUSH BLOCKS ......... 19
5. MAINTENANCE ........................... 21
6. STABILITY OF MACHINE
if there is any tendency for the Jointer-Planer to tip
over or move during certain operations such as when
planing or jointing long heavy boards, the Jointer-
Planer (stand) should be bofted to the floor.
7. LOCATION
The Jointer-Planer should be positioned so neither the
operator nor a casual observer is forced to stand in line
with the wood while it is being planed.
This machine is intended for indoor use only. Provide
adequate lighting.
8. KICKBACKS
Kickbacks can cause serious injury. A kickback occurs
when the operator looses control of the workpiece
causing it to be kicked back toward him.
Kickbacks - and possible injury from them can usually be
avoided by:
a. Hotdingthe workpiece firmly against tables and fence.
b. Not taking too deep a cut at one time. A deep cut
requires more effort to feed the wood while pianing
and can cause the wood to kickback. A cut between
1/32 and 1/16 of an inch deep will produce the best
results.
c. Not jointing, planing, or beveling pieces of wood
smaller than recommended. (See section in this man-
ual, "BasicJointer-Planer Operations.") Smaller pieces
of wood can tip over on th[ tabtes0 or into the cutter
head and can be kicked back toward you.
d, Keeping blades sharp. Blades that are dull or nicked
require more effort while planing and wilt tend to
pound the wood rather than cut it, which can cause
the wood to kickback. A nicked blade will cut a rid-
ge in your wood and cause the wood to ride up on the
outfeed table. Make sure the cutter blades are in-
stalled properly, and cutter blade wedge screws are
tight.
9. PROTECTION: EYES, HANDS, FACE, EARS, BODY
If any part of yOur jointer is malfunctioning, has been
damaged or broken . .. such as the motor switch, or
other operating control, a safety device or the power
cord . . . cease operating immediately unlit the
particular part is properly repaired or replaced.
b. Wear safety goggles that comply with ANSI Z87,1
and a face shield if operation is dusty. Wear ear plugs
or muffs during extended periods of operation.
C. Do not plane, ioint, or bevel wood shorter than !2
in. Smaller pieces of wood can tip over on the
tables, or into the cutterhead and be kicked back to-
ward you,
Always use the hold down/push block when }ointing
or beveling wood narrower than 3 in. but never ioint
or bevel wood narrower than 3/4 in,, or less than 1/4
inch thick.
e. Always use the hold down/push blocks when planing
wood thinner than 3 in, but never plane wood thinne_
than 1/2 in. under any circumstances.
f. Avoid awkward hand positions, where a sudden slip
could cause a hand to move into the cutters.
h,
i.
Never turn your Jointer-Ptaner "ON" before clearing
the table(s) of all objects (tools, scraps of wood, etc,)
except for the workpiece and related feed or support
devices for the operation planned.
Make sure the cutterhead revolves in the right direc-
tion, (toward the infeed table).
KEEP CUTTER GUARD 1N PLACE AND OPERAT-
ING PROPERLY AT ALL TIMES. Regularly check
the tension of the cutter guard spring to assure
satisfactory operation. (See Getting To Know Your
Jointer-Ptaner section.)
Always feed the wood completely through the cutter
head and past the cutter guard so that the guard re-
turns to the rest position against the fence. When
using only one hold down/push block to feed the
wood, do not place your other hand on the Jointer-
Planer.
t0. Warped wood should be surface planed on the concave
side for best results.
tl. To avoid a rough planed surface, determine if possible,
which way the grain emerges from the wood and feed
the wood accordingly.
!2. Do not plane edges of plywood, composition materials,
or wood that has glue on it or is painted or varnished.
Planing these materials will dut_ the b_ades qu;ckl%

addifionaR safety instruchons for mo nter..planer
!3, TO be sure you will make a depth of cut as panned, WHEN USED WITH A3450 RPM MOTOR NEVER
always lower the infeed tab eS ightty beYOnd the SUBSTITUTE OTHER PULLEYS TO NCREASE THIS
depth Wanted, then raise the table to the desired d_,pth. SPEED BECAUSE IT COULD BE DANGEROUS.
• PROM FREQUENT USE OF YOUR JOINTER-PLANER)
TO BECOME COMMONPLACE. ALWAYS REMEMBER
15; Never leave the Jointer-P aner work area wth the power
On, before the Jointer-Planer has come to a complete
stop, or without removing and storing the switch key.
16. Never operate the Jointer-Planer with protective cover
on the unused shaft end of the motor removed.
17, Do not attempt to perform an abnormal or little-used
operation without study and the use of adequate hold
down/push blocks, jigs, fixtures, stops, etc.
lB. DO NOT perform tayou_, assembly, or setup work on
the tab|e while the cutting tool is rotating.
WARNING: THE 2" JOINTER-PLANER PULLEY AND
THE 2-1/2" MOTOR PULLEY FURNISHED WILL RUN
THE CUTTER HEAD AT APPROXIMATELY 4300 RPM
THAT A CARELESS FRACTION OF A SECOND IS
SUFFICIENT TO INFLICT SEVERE INJURY,
t9. Read and follow the instructions appearing on the
danger label on the cutter guard.
DANGER - FOR YOUR OWN SAFETY
READ AND UNDERSTAND OWNER*S
MANUAL BEFORE OPERATING MACHINE
1 WEAR SAFETY GOGGLES PER ANSI Z87 1 AT ALL TIMES
2 NEVER PERFORM A JOINT1NG OR PLANING OPERATION W_TH CUTTER
HEAD OR DRIVE GLIARD REMOVED
3NEVER MAKE A JOtNTING OFt PLANING CUT DEEPER THAN _/g INCH
4ALWAYS USE HOLD DOWN/PUSH SLOCKS EOR JOINTtNG MATERIAL
NARROWER THAN 3 INCHES OR PLANING MATER_AL THINNER THAN 3
INCRES.
WEAR YOUR
The operation of any power tool can result in foreign
objects being thrown into the eyes, which can result n
severe eye damage. Always wear safety goggles complying
with ANSI Z87.1 (shown on Package) before commencing
power too! operation. Safety Goggles are available at Sears
retail or catalog stores.
cortfents
POWER TOOL GUARANTEE ............... 2
GENERAL SAFETY INSTRUCTIONS FOR
POWER TOOLS ............................ 2
ADDITIONAL SAFETY INSTRUCTIONS FOR
JOINTER-PLANER .......................... 3
MOTOR SPECIFICATIONS AND ELECTRICAL
REQUIREMENTS ........................... 5
Connecting to Power Source Outlet ........ 5
Check Motor Rotation .................... 5
UNPACKING AND CHECKING CONTENTS .... 6
ASSEMBLY ................................ 7
Assembling Steel Legs ................... 7
GETTING TO KNOW YOUR JOINTER-PLANER 12
Depth of Cut HandwheeJ .................. 12
Fence Locks and Stops ................... 12
Fence Tilt Scale .......................... 13
Cutter Guard .......................... 14
Infeed Table .......................... 14
On-Off Switch ........................... 16
BASIC JOtNTER-PLANER O PERATION ....... 18
Feeding the Workpiece ................... 18
Using the Hold Down/Push Blocks ........ 19
Beveling ................................. 20
MAINTENANCE ............................ 21
Mounting Jointer-Planer On Recommended
Craftsman Stand ......................... 8
Checking Cutterblade Screws .............. 8
Installing Sliding Guard ................. 9
Mounting Switch .......................... 9
Mounting Recommended Craftsman Motor
and Belt Guards ....... ;..................
Replacing Cutter Blades .................. 21
Installing Cutter Guard Spr=ng ............. 23
Sharpening Cutter Blades ................. 24
GENERAL MAINTENANCE .................. 25
LUBRICATION .............................. 25
TROUBLE SHOOTING ...................... 26
RECOMMENDED ACCESSORIES ............ 26
-Check Mot0r Rotation .:_:..: ......... ;.... 10 : REPAIR PARTS ............................. 27
Jointer-PUlley Beff Guardlnstaliation :: :.. i I

motor specifications and emedrkaR requkernents :
This machine is designed to use a 3450 RPM motor only.
Do not use any motor that runs faster than 3450 RPM.
It is wired for operation on 110-120 volts, 60 Hz.,a/ter-
nating current. IT MUST NOT BE CONVERTED TO
OPERATE ON 230 VOI.TS, EVEN THOUGH SOME OF
THE RECOMMENDED MOTORS ARE DUAL VOLTAGE.
THESE CRAFTSMAN MOTORS HAVE BEEN
FOUND TO BE ACCEPTABLE FOR USE ON
THIS TOOL.
H P RP_a VOLTS CATALOG NO.
1/2 3450 110q20 1216
1/2 3450 110-120 1218
3/4 3450 110-120 12t9
3/4 3450 110-120 1226
CAUTION: Do not use blower or washing machine motors
or any motor with an automatic reset overload protector
as their use may be hazardous.
CONNECTING TO POWER SOURCE OUTLET
This machine must be grounded while in use to protect
the operator from etectric shock.
Plug power cord into a 110_120V properly grounded type
outlet protected by a 15-amp, dual element time delay or
Circuit-Saver fuse or circuit breaker.
If you are not sure that your outlet is properly grounded,
have it checked by a qualified electrician.
WARNING: DO NOT PERMIT FINGERS TO TOUCH
THE TERMINALS OF PLUGS WHEN INSTALLING OR
REMOVING THE PLUG TO OR FROM THE OUTLET.
WARNING: IF NOT PROPERLY GROUNDED THIS
POWER TOOL CAN INCUR THE POTENTIAL HAZARD
OF ELECTRICAL SHOCK. PARTICULARLY WHEN USED
IN DAMP LOCATIONS IN PROXIMITY TO PLUMBING.
IF AN ELECTRICAL SHOCK OCCURS THERE IS THE
POTENTIAL OF A SECONDARY HAZARD SUCH AS
YOUR HANDS CONTACTING THE CUTTING BLADE,
If power cord is worn or cut, or damaged in any way, have
it replaced immediately.
PROPERLY
GROUNDED
OUTLET_._
3-PRONG
PLUG
GROUNDING
PRONG
This power too! is equipped with a 3-conductor cord and
grounding type plug wMch has a grounding prong listed by
Underwriters" Laboratories Association, The ground
conductor has a green jacket and is attached to the tool
housing at one end and to the ground prong in the
attachment plug at the other end.
This piug requires a mating 3-conductor grounded type
outlet as shown.
If the outlet you are planning to use for this power too_ is
of the two prong type DO NOT REMOVE OR ALTER
THE GROUNDING PRONG IN ANY MANNER. Use an
adapter as shown and always connect the grounding lug to
known ground,
It is recommended that you _nave a quafified electrician
replace the TWO prong outlet with a properhi grounded
THREE prong outlet,
An adapter as shown below is available for connecting plugs
to 2-prong receptacles. The green grounding lug extending
from the adapter must be connected to a perrnanent ground
such as to a properly grounded outtet box.
MAKE SURE THIS IS _-'_"'-_
CONNECTED TO A i
KNOWN GROUND
H
i
Li
2--PRONG
RECEPTACLE
GROUNDING LUG
ADAPTER
3-PRONG
PLUG
J
NOTE: The adapter illustrated is for use onIy if you already
have a properly grounded 2-p:rong receptacle.
The use of any extension cord will cause some loss of
power. To keep this to a minimum and to prevent over-
heating and motor burn-out, use the table below to deter-
mine the minimum wire size (A,W.G.) extension cord. Use
only 3 wire extension cords which have 3-prong grounding
type plugs and 3opole receptacles which accept the too&
plug,
Extension Cord Length Wire Size A.W.G.
Up to 100 Ft. 14
100 - 200 Ft. 12
200- 400 Ft. 8
CHECK MOTOR ROTATION
WARNING: FOR YOUR OWN SAFETY, MAKE SURE
PLUG IS NOT CONNECTED TO POWER SOURCE OUT*
LET WHEN CHANGING MOTOR ROTATION.
The motor must rotate COUNTERCLOCKWISE when
viewed from the shaft end to which you wilI mount the
pulley, (See page 10}, If it does not, change the direction
according to the instructions furnished with the motor,

UI and checking contents
1121 Wro="
17/]6_i Wrench Medium Screwdriver
3/41Wre.ch
" " 3/8' Wrench
Model 113 206801 Jointer/P aner is shipped complete n
one carton but DOES NOT INCLUDE Steel Legs, or motor.
Model: 113,206931 JointerlPlaner is shipped complete in
one carton but INCLUDES Steei Legs, and Motor.
Separate all parts from packing materials and check each
one with the itlUstrat{on and the list of Loose Parts to make
certain all items are accounted for, before discarding any
packing material:
tf any parts are missing, do not attempt to assemble the
jointer/planer; plug nthe Dower cord or turner the switch
on until the missing parts are obtained and are installed
correctly.
Remove the protective oi that is applied to all unpainted
metal surfaces. Use any ordinary household type grease and
spot remover.
CAUTION: Never use gasoline, naptha or similar highly
volatile solvents.
Apply a coat of automobile wax to the table.
Wipe all parts thoroughly with a clean, dry coth.
WARNING: FOR YOUR OWN SAFETY, NEVER
CONNECT PLUG TO POWER SOURCE OUTLET UNTIL
ALL ASSEMBLY STEPS ARE COMPLETE, AND YOU
HAVE READ AND UNDERSTAND THE SAFETY AND
OPERAT aNAL INSTRUCTIONS.
i •
Combination Square
TABLE OF LOOSE PARTS
Item
No. Description Qty,
AJainter-Plaeer .......................... 1
B V-Belt, I/2x 52" ....................... t
*C 5/32 Setscrew Wrench ................... t
*D 1/8 Setscrew Wrench .................... I
*E Motor Pulley, 2-1/2" Dia.................. 1
*F Sliding Guard Knob ..................... 1
"13 Concave Plastic Washer ................... 2
H Sliding Guard .......................... 1
*J Sliding Guard Rod ...................... !
*K Nut, 1/2 - 13 ........................... !
*L Lockwasher, 1/2 ........................ 1
*M Lockwasher, No. 10 ..................... 2
N Screw, Pan Hd,, 10 -32 x t/4 .............. 2
0 Owners Manual ......................... 1
*P Depth of Cut Handwheel ................. 1
*Q Screw, Seres, I/4- 20 x 1-1/4 .............. 1
R 0n/0ff Power OutJet .................... 1
*S Washe_, 17/64 × 1/2 x 1/32 ............... 2
*T Lockwesher, E×ternaJ 1/4 ................. 2
*U Screw, Pan Hd. 1/4-213 x 1/2 ............... 2
V Jointer-Planer Belt Guard ................. 1
W Attaching Hardware (2 Nuts, 2 Botts)
X _lt Guard Clips ........................ 3
YBelt Guard Support Bracket ............... 1
Z Belt Guard Support ..................... 1
AA Screw Pan Hd. 10-32 x ti2 ................ 2
AB Motor Pulley Belt Guard .................. 1
AC Switch Key ............................ 1
AD Held Dawn/Push Black .................. 2
AD
A
\
AA (,€_._._A B
Y x W V U T

unpacking and
TABLE OF LOOSE PARTS
The Following Parts Are included With
Model 113.206931 Only
Item
No,
A
8
C
D
E
F
G
G
G
H
J
K
K
L
M
N
= JL _ , LLUH,H,
checking contents
Description Qty.
Leg .............................. 4
End Stiffener ....................... 2
Side Stiffener ...................... 4
Motor Support ..................... 1
Motor ............................ 1
Package of Miscellaneous Small Parts,
No. 67035, Consisting of the Following:
Cord Clip .......................... 2
Hex Nut, 1/4 in. - 20
(approx. die, of hole 1/4 in.) .......... 40
Hex Nut, 5/I6 in. - 18
(approx. alia. of hole 5/1 6 in.) ......... 7
Hex Nut, 1/2 in. - 13
(approx. die. of hole 1/2 in.) .......... 8
Truss Hd, Screw, !/4 in. -20 x 5/'8 in.
long. (Top of screw is rounded) ........ 40
Flat Washer (dia, of hole 11/32 in.) ...... 7
Lockwasher, 1/4 in. External Type
(approx. dia. of hole 1/4 in.) .......... 40
Lockwasher, 5/1 6 in. External Type
(approx. die. of hole 5/16 in,) ......... 7
Carriage Boh, 5/16 in. - 18 x 3/4 long ... 3
Leveling Foot ...................... 4
Hex Hd. Screw, 5/16 in. - 18 x 2 in ..... 3
A
C
assembly
ASSEMBLING STEEL LEGS
NOTE: Steel Legs are furnished with Model 11 3.206931.
From among the loose parts, find the following Hardware:
40 Truss Head Screws, 1/4-20 x 5/8
40 Lockwashers, 1/4-External
40 Hex Nuts, 1/4-20
8 Hex Nuts, 1/2q3
4 Leveling Feet
1. Assemble two (2) Side Stiffeners together using four (4)
1/4-20 Truss head screws, Iockwasher and nuts. Make
two (2) Side Stiffener assemblies.
The End Stiffeners are placed on top and at each end of
Side Stiffener assemb)ies as shown. Align holes, letter
coded "'B'" in Side Stiffeners and End Stiffeners and
then insert 1/4-20 Truss head screws through the 9/32
diameter holes and install Iockwashers and nuts and
then tighten.
2. Assemble the four (4) Legs to the Side and End
Stiffeners using 1/4-20 screws, Iockwashers and nuts as
shown,
3. Assemble the Motor Support to the Legs with 1/4,20
screws, ]ockwashers and nuts. Motor Support can be
assembled to either end of Leg set.
4. Install leveling feet as shown. To )eve,] Leg Set, loosen
nut on inside of leg and turn nut on the outside to raise
or lower feet. Adjust all four leveling feet, if necessary,
and then tighten nuts on the inside of leg.
NOTE: These levelers are not intended for height
adius_ment,
F
J K LM
TRUSS HD. SCREW END STIFFENER
1/4-2i X 51//84EXTERNAL 1
END \LOCKWASHER _
STIFFENER !_ _//_ 1/4_20 HEX NUT _"
IDE STIFFENERS
N

parts, find the following
18 x 3/4
x2
7 Washers; 11/32 ID
7 Hex Jam NUts, 5/16-18
2 Cord Clips
2. Loosen FENCE LOCK KNOB. Tilt fence upward and slide
J_toward the pulley.
3. Position machine on Leg Set and align mounting holes
m machine with holes in Leg Set letter coded "'A".
Mount with three (3) 5/16-t8 x 2" Long Hex Head
Screws.
_JO|NTERfPLANER
_HEX HEAD SCREW
FLATWASHER--- ST|FFENER
LOCK WAS H E R .-""_::]
HEXNUT
FENCE LOCK
KNOB
1-1t4 IN. SCREW
4. Place a flat washer, a lock washer and a nut on each
screw from underneath the stand and tighten.
5. Place handwhee] on shaft aligning flat surfaces on shaft
with flat surfaces on handwheel _.. attach with 1-1/4
In. screw,
114-20 TRUSS SIDE STIFFENER
HEAD SCREW
/
o!/...._o o
oBB o
°_A END STIFFENER o
0_ _ 0
o::_A o
-,_ -Q. 7_---_- ...... _o_.D-
-- MOTOR SUPPORT AT THIS END
I
I
I
I
DEPTH OF CUT
_DWHEEL
CHECKING-CUTTER: BLADES AND SCREWS
TOOLS NEEDED
5/32" and t/8" Setscrew Wrenches (furnished with
Jointer).
Lead Pencil
Short straight edge (or head of combination square)
OUTFEED TABLE
WEDGE
5/32 IN. SETSCREW
WRENCH
1. tnsert pencil in space at end of cutterhead to hold
cutterhead guard open.
2. Lower the infeed table with the Depth of Cut
Handwheel.
3. Rest the straight edge on edge on the surface of outfeed
table so it extends across the opening between the
tables, at three positions: near each end and at the
middle of the cutter blade.
4. Rotate the cutterhead by grasping the 2" alia. driven
pulley and make sure each knife nicks (touches) the
straight edge at a ! three post on:s tf not f0 ow
p ocedure unde REPLAC NG CUTTER BLADES on
ppg. 21 and 22.
BLADE
PENCI L
CUTTER GUARD
5. If a cutter blade adjustment _s not required, check each
locking screw of each wedge 15/32" setscrew wrench)
and tighten if necessary, Hold the pulley while
tightening screws and be careful that your f'ngers do not
slip off the wrench,"

iNSTALLING SLIDING GUARD i :
1/2 IN. HEX NUT
PARTS NEEDED
I Sliding Guard _
1 Sliding Guard Knob
1 Sliding Guard Rod
2 Sliding Guard Washers (one side of washer is concave)
1 Hex. Nut 1/2 in. _ 13
t Spait toc'kwasher I/2 in.
2 Ext, tooth tockwashers
2 10-32xl/4 Pan Hd. Screws
SLI DIt'_'GGUARD
1. Screw nut all the way onto long end of rod . . .place
1/2 in. Iockwasher next to nut.
2. Screw rod alt the way into Jointer with short end up...
tighten nut.
3, Attach sliding guard to fence with two machine screws
and Iockwashers.
SLIDING GUARD KNOB
10-32xl/4 SCREWS'_
EXT. TOOTH
LOCKWASHERS
ii ii lul ii i ill i,u,nu, u,,,,
WASH E R
(CONCAVE SIDE UP)
4. Place one Sliding Guard Washer, concave side DOWN on
support rod,
5, Drop sliding guard onto rod.., place other washer, con-
cave side UP on rod . .. screw on Sliding Guard Knob.
MOUNTING SWITCH
PARTSNEEDED
1 On!Off Power Outlet
2 Pan Hd. Screws, 1/4-20 x t/2
2 Lockwashers, External 1/4
2 Washers, 17/64 x 1/2 x 1/32
MOUNTING RECOMMENDED CRAFTSMAN
MOTOR AND BELT GUARDS
Seepage5for recommendedmotors.
PARTS NEEDED
4carriage bolts, 5/16-t8 x 3/4 in., flat washers, lock
washers and nuts.
1 Jointer Planer Belt Guard
1Motor Pulley Belt Guard
I Belt Guard Support
! Belt Guard Support Bracket
iii i,,pl
t. Place motor on your workbench with 6/8 in. dia. shaft
(with key way) facing you.
2. Attach guard support to bracket with two screws.
NOTE: The holes in the bracket are not threaded, but
the screws are "thread cutting screws" and will cut a
thread as they are tightened.
Attach On/Off outlet to infeed table using two tapped
holes.
5/8 IN. DIA. SHAFT
TOOLS NEEDED
Medium Screwdriver
5/32 in, Setscrew Wrench (furnished with Jointer)
t/2 and 7/t6 in. Wrenches
BELT GUARD
SUPPORT
BRACKET BELT GUARD
SUPPORT
PAN HD. SCREWS
3 Belt Guard Clips
1Motor Pulley, 2q/2 in. dia.
1 V-Belt
2 Pan Head Screws 10- 32 x I/2 in,
2 Hex, Hd. Screws 1/4 - 20 x t/2 in,
2 Hex. Nuts t/4- 20

mbb
osse i
:::shaft _th h_bl fi_,_ with of Sh_t_ ioser'_ rn6tOr
CHECK MOTOR ROTATION
T_,_ m_ m_,_ rotate COUNTERC{.OCKWiSE whe_
Wewed fr_ PL_LL£Y end_
1L Piaee motor or_ your workbench or on floor.
2. Stared clear of motor and plug cord into a properly
9rounded outlet (See pa_¢ 5). f_}otice r_tation of pulley,
If it is not tutoring COUNTERCLOCKWISE, REMOVE
plug from out_et, and chancre rotation of motor accord-
ing to instructions furnished with motor.
WARNING: FOR YOUR OWN SAFETY, MAKE SLIRE
PLUG IS NOT CONNECTED TO POWER SOURCE OUT.
LET WHEN CHANG!NG ROTATION.
"_" --:--:- ; ; __ ,.............. J__JLU'L_I_I'E..L ' =!.... &CIJ_UU['L'....
5t32 IN.
SETSCREW
WRENCH
DIRECTION
OF
ROTATION
FLUSH HERE
MOTOR
SHAFT
KEY
MOUNTING MOTOR
i, Find fo_t 5116-t8 x 3/4" carriage bolts, flat washers,
and lockw_sher and nuts_
2_ Attach r'_otor by iriserting carriage bolts through slots in
motor' base and thro_Jgh slOtS in motor supporL Place a
f}al washer, lo_.kwasher and nut on each carriage bolt,
: , b_t DO NOT TIGHTf_N nut.
">/:
i i_ _ /ECZ2"3
J
MOTOR MOUNT BRACKt_T
®
BELT
6. Install three clips on belt guard 90 ° apart with long tabs
pointing AWAY from round opening.
7, Insert belt into open end of guard.
/•
10
/
1_..,_-"" BE LT O UAR D CLIPS
(90 _ APART)

_0_ Loo_mn _k'm two _i_OTOR BASE Ct &MP S{.:R_WS ,,_d
moto_ sidewav_ u_-li the nlotOr pu_!ev s ;'H{}r_e{J with
the putter (>n _he £_achb_,
!2. ir_sta!i V,_¢}t _:iP,d PUSH dow!-_ {:,_ ,{'_otor b:) 8pp!y
t_nson 1o _h_ t)_it _nd tqbteu_ r_;ts on rrlo_o_
mouatin 9, boils.
NOTE: _t is oqly necessary to a_sply er_ou{lh tension
to _he be!t to preve_t it {fore _;fiPP_;{t r_
pkI{Jey5 W_ii8 *Uf'l_31f'_t},
t:,_ A_t_ r:_oto_ ,:_{qd V,,b_2!t have b_er{ instaH{xJ arid _d?,lst_d
for a}}{4_nlent and tem:,ion instatt the recta} belt 9ua_c_ to
Le9 Set using ttse hole_ that are _etter coded "B" _}s
r,hown o_1 parj_:_ -','_.
l_g. insert ,q"_Oto_ co!d plu{] through regtar_lu!ar o_)@n ng m
side _tiflene_ that h @r_c!fiy under switch box and
then into the _ec-eptacie. TO prevent damage to motor
cord a_[ach i_ to s}de stiffeners using the two {2)co_d
/
./
/
/
/
//
/MOTOR BASE
CLAMP SCREWS
(BOTH ENDS)
VENTiLATiON HOLES
FACING DOWNWARD
;_ .............. w::r:::: .... . % ............. i,. ii r. rlr_ i ,,,,,,J
3OINTER-PULLEY BELT GUARD
INSTALLATION
I • Attach g_rd to {_tm_d with Hex. Hd, r_:a:_ws and _*._ts_
Me_ke _k,'-rek_lt does {'_ot £(:raftu2 or_ 9u;_¢d,
2. RepI_ce we@_ CONCAVE side up. ,, scr4_w or_ k{_@:)_
11

i! !
FENCE
2
;E SLIDING GUA RD
OUTFEEDTABLE /KNOB INFEED
TABLE
/,
SLIDE
8RACKET
,\\
\
4 CUTTER GUARD 6 ON-OFF
SWITCH
1, DEPTH OF CUT HANDWHEEL. Turning the
handwheel counterclockwise will lower the infeed
table to maximum depth Of !/8,.in,
\
DEPTH OF CUT
HANDWHEEL
i ,, i i1,1
INFEED _DEPTH OF CUT
TABLE / /J HANDWHEEL
DOWN
2_ FENCE LOCKS AND STOPS. The fence can be
moved acrossthe Jointer to take full advantage of the
"sharpness" of the blades.
The fence should be positioned to the extreme right
(toward pulley) but not beyond the end of the blades.
PUSH DOWN
WHEN LOCKING
FENCE LOCK KNOB
Most of the cutting [usually jointing) will be done with FENCE
the fence in this position. As the blades become dull,
the fence can be moved toward the left where the 45°FENCE
blades are sharper, STOP
SLIDING GUARD KNOB
To move the fence, loosen the Fence Lock Knob and
the Sliding Guard Knob and slide to desired position.
Make sure SLIDE BRACKET is even with surface of
OUTFEE D TABLE. tf it is above or below the surface,
loosen screws and adjust it,
a, Always tighten fence lock knob first to align fence,
then tighten s_iding guard knob.
90° FENCE
STOP
FENCE LOCK
KNOB \ \
SLIDE BRACKET
12

b. Before tightening fence lock knob, hold fence
down on outfeed table so it does not rock.
c. 90 ° Fence Stop positions fence square to tables.
To tilt fence, loosen the two knobs and pull the
stop out. Tilt to desired angle and tighten both
knobs.
d. To set fence at 90 ° to tables, loosen the two
knobs, tilt fence so the stop springs back ifito
place. Tilt fence back so the stop rests on the
,1
3. FENCE TILT SCALE. Indicates the angle of the
fence to the tables. When the 90 ° fence stop is cor-
rectly adjusted, the fence will be 90 ° to the table and
the scale wil! read 90 °,
To check for squareness, place an accurate square on
infeed table and check fence while locked at 90 °
position. MAKE SURE 90 ° STOP IS AGAINST
SLIDE BRACKET.
If fence is not square to table;
a. Slightly loosen fence lock knob and guard lock
knob.
table and tighten both knobs.
e. 45 ° Fence Stop positions the fence at 45 ° to the
tables.
f. To tilt fence to 45 ° loosen the two knobs, pufl
90 ° stop out, tilt fence so the 45 ° stop rests on the
tab{e
g. Hold fence down on outfeed table and tighten the
two knobs.
...-..-FENCE TILT SCALE
FENCE
FACE
SQUARE tNFEED
TABLE
CUTTER
GUARD
b,
c_
d.
Loosen 90 ° stop screw with small screwdriver and
turn knurled sleeve which will cause fence to tilt.
Turn sleeve in either direction until fence is square
with infeed table.
NOTE: If you cannot square fence by turning
knurled sleeve, loosen three screws "A" and adjust
fence square to table.
Tighten 90 ° stop Iockscrew and both fence lock
knobs,
If 90 ° reading on tilt scale does not line up with
top surface of the slide bracket, loosen screws
holding scale and move _t . , .tighten screws.
450 STO_
KNURLED _'_
13
SCALE
ADJUSTING
SCREW
LOCKSCREW
.TILT
,SCALE
_-"7.-.,._._ k" 90 ° STOP
BRACKET

to know your
e.: Adjust 45 ° stop in the same manner,
NOTE: Tilt scale will not require adjustment if it
was adjusted for 90 ° position.
HEAD
OF
SQUARE
FENCE
\
/
/CUTTER
GUARD
INFEED
TABLE
4. CUTTER GUARD, Provides protection over the
cutter head. It must always be in place and function-
ing properly.
Check the guard to make sure it is functioning pro-
perI¥.
a. Position fence to right for maximum width of cut.
b. Pass a 1/4 in, thick piece of wood over cutterhead
between quard and fence,
Guard must return automatically to="rest position'"
against: fence when free of: the wood.
If gt_ard:does not return automatically, see Trouble
Shooting and Maintenance Sections.
i i
CUTTER
GUARD
CROWNED CUT
_. INFEEDTABLE:MUST ALWAYS BE PARAL-
LEL TO THE OUTFEED TABLE,
If the cut edge or Surface of the workpiece is
CROWNED, it is an indication that the OUTWARD
END of the tNFEED table is HIGH and must be
adjusted.
If the cut edge or surface of the workpiece is CON-
CAVE, it is an indication that the OUTWARD END
of the INFEED table is LOW and must be adjusted,
Check the infeed table to determine the "out of
parallel" condition.
CONCAVE CUT
INFEED TABLE
END HIGH
14

•;i !/:i! !_i¸:_:_
a, Insert a pencit in space at end of cutterhead to
hold cutterguard open,
b, Place a straightedge (large square or tong level) on
outfeed table, First along one side than along the
other,
c, Raise infeed table until it touches straightedge.
d, Sight between table and straightedge to determine
high or low condition of end of infeed table. OUTFEED
TABLE
PENC| L
ROTATE
BLADE OUT OF
WAY
It is easier to adjust the infeed table while the Jointer is
setting on your workbench.
Do not turn the Jointer on its side or upside down to
adjust it.
Attach a strip of wood to two blocks of wood 10 in. high.
Drive enough nails into the strip so that Jointer does
not tip over while resting on blocks.
a. Remove motor cord from outlet in switch box.
b, Remove Jointer pulley guard andV-belt.
c. Remove Jointer from stand,
d. Lower the infeed table,
e, Place Jointer on btocks.
10 IN,
,,,,u ,,
f, Insert a peneit in space at end of cutterhead to
hold cutterguard open,
g. Wrap a piece of cardboard around cutterhead to
protect your fingers and the blades . . . secure
cardboard with a piece of tape,
OF WOOD
YOUR WORK
BENCH
15

eo t m
know your loin er planer
2or 3 turns with 1/2 in.-
LEVELING STUDS
LOCKSCREWS
VIEW LOOKING UP FOR PARTS IDENTIFICATION
Turning the LEVELING STUDS witf RAISE or LOWER
the infeed table. \
SCREWING in the studs will RAISE the table ...
UNSCREWING them wil_ LOWER the table.
ao With ;a 3/4 in. wrench turn leveling studs until
infeed table is parallel with straightedge,
i b, While hold ng studs with Wrench T1GHTEN all
• :fo0r LOCKSCREWS . .. tighten each screw atittle
'bit at a time until ali four Screws are tight.
c. Recheck with straightedge to make sure i nfeed
table (in raised and lowered p0s t ons) is paratlel to
outfeed tablei
iii
6. ON-OFF SWITCH: It is unlikely that it will be
turned "ON" accidentally, when touched or bumped,
because of the way it is shaped.
""t " n
In an emergency, it can betumed OFF bys rkl g
it with the palm of the hand.
The "yellow button" is a key, When inserted in the
switch lever, the power may be turned ON and OFF.
When it is removed, the power cannot be turned ON.
THIS FEATURE IS INTENDED TO PREVENT
UNAUTHOR IZED AND POSSIBLE
HAZARDOUS USE BY CHILDREN AND
OTHERS,
a. _lnsert Key into switch.
NOTE: Key {s made of yellow plastic,
_J
/
KEY
16

b, To turn machine on, insert finger under switch
lever and pull end of switch out.
c. To turn machine OFF... PUSH lever in.
Never leave machine unattended until it has come
to a complete stop.
d. To lock switch in OFF position.., hold switch tN
with one hand,. , REMOVE key with other hand.
WARNING: FOR YOUR OWN SAFETY, ALWAYS
LOCK THE SWITCH "OFF" WHEN MACHINE IS
NOT tN USE .. . REMOVE KEY AND KEEPtT IN
A SAFE PLACE ,.. ALSO ... IN THE EVENT OF A
POWER FAILURE (ALL OF YOUR LIGHTS GO
OUT) TURN SWITCH OFF . ..AND REMOVE
THE KEY. THIS WILL PREVENT THE MACHINE
FROM STARTING UP AGAIN WHEN THE POWER
COMES BACK ON, \
HOLD
PULL -.....
e, Plug motor cord into outlet in switch box.
WARNING: DON'T CONNECT POWER CORD TO
ELECTRICAL OUTLET IN YOUR SHOP UNTIL YOU
ARE SURE THAT MOTOR ROTATION IS CORRECT.
(SEE PAGE 10).
POWER
CORD
MOTOR
CORD
t
17

operation
F_)r your own safety ALWAYS use the hold downlpush
blocks when JOINTING wood that is NAR ROWER than
3"in.. _ .o twhen PLANING Wood that is TH I N NE R than
3in.
Do not plane, joint or bevel wood shorter than 12 in.
Material this short is more difficult to control while
being cut. Small pieces of wood can tip over on the
tables or into the cutterhead and can be kicked back to-
ward VOU.
For best results, take light cuts. For average ptaning,
jointing, or beveling, a cut between 1/32 and 1[t6 in.
deep will produce the best results.
FEEDING THE WORKPIECE
Hold the board firmly DOWN on both tables and
AGAINST the fence . .. keep fingers close together.
Feed the board at acontinuous even rate of speed until
the cut is. made alon.g the entire length of the board. Any
hesitation or stopping could cause a "step" to be cut
on the edge of the board which would cause the board
to ride up on the:outfeed table resulting in a crooked
e_lge on the board.
JOINTING WOOD THAT IS WIDER THAN 3 IN.
/
As the RIGHT hand passes over the cutterhead, remove
the LEFT hand ... CONTINUE feeding while placing
the LEFT hand behind the RIGHT. Continue feeding in
this manner "hand over hand", until the entire length of
the board is cut. Pressure should be applied over the
cutterhead and outfeed table.
DO NOT FEED TOO FAST. A slow steady rate of feed
produces a smooth accurate cut. Feeding too fast causes
a "rippled" cut .. . makes it difficult to guide the
workpiece accurately and could be hazardous.
PLANING WOOD THAT IS THICKER THAN 3 IN.

Always feed WITH THE GRAIN whenever possible. If
the nature of the workpiece is such that it must be fed
AGAINST THE GRAIN, take very light cuts and feed
slowly,
WITH THE GRAIN
AGAINST THE GRAIN
USING THE HOLD DOWN!PUSH BLOCKS
ALWAYS use the hold down/push blocks when JOINT-
ING wood that is NARROWER than 3 in. or planing
wood that is thinner than 3 in.
Grasp the hold downtpush blocks firmly with the fingers
close together and wrapped around the handle. Position
them flat on top of workpiece, and push the workpiece
down against the table to provide a quality cut and
minimize the chance of a kickback_
Hold-down pressure must also be sufficient to prevent
hold-down/push block sliding or slipping on the top face
of workpiece when advancing workpiece over cutter head.
Use a hand over hand motion of the hotd down/push
blocks being careful to maintain control over the work-
piece at all times.
This means that once the workpiece has been fed past
cutter head onto outfeed table, one hold down/push
block must always maintain contact of workpiece with
outfeed table.
CAUTION; If the HOLD DOWN/PUSH BLOCKS tend to
slip while feeding, clean rubber surface immediately with
sandpaper.
19

laner operation
When planing wood 3/4 in, thick and NARROWER than
the hold down/push block, tilt the hold down/push
i block so that it ctears the top of the cutterguard while
feed ng.
Never plane wood that is thinner than 1/2 in .... because
it is apt to split or shatter and thus has a greater tenden-
cy tO kickbacki
BEY ELING
Adjust the fence to the desired angle ...tighten fence
and guard lock knobs,
Follow the same procedure for jointing or planing.
NOTE: Removing only the corner on the edge of a board
is known as CHAMFERING.
Normally a chamfer is made with one cut.,, therefore,
acut deePer than 1/16 in. may be made.
Use hold down/push blocks for wood under 3 in. wide.
PositiOn them so you have control of the workpiece at
all times: and so they do not contact the guard or the
cutter head,
CHAMFER BEVEL
NOTE: Rabbeting on aJointer is consid_.red to be a
dangerous operation because it requires removal of the
cutter guard and increases the potential of kickback be-
cause of excessive depth of cut,
NEVER ATTEMPT TO PERFORM A RABBETING
OPERATION ON THIS JOINTER. DO NOT OPERATE
JOtNTER/PLANER WITH CUTTERHEAD OR BELT
GUARDS REMOVED.
Rabbet cuts should be made on the Radial Saw or Table
Saw b_ making two cuts with the sawblade or by using
tbe,Dado Head or Molding Head. Rabbet cuts can also
be made using the Shaper or Portable Router.
RABBET CUT
2O

i _ :_i_iiii:_:i!ii_i¸ : _/i:: '
maintenance
REPLACING CUTTER BLADES
WARNING: FOR YOUR OWN SAFETY. TURN
SWITCH "OFF" AND REMOVE PLUG FROM POWER
SOURCE OUTLET BEFORE ADJUSTING, MAINTAIN-
ING, OR LUBRICATING YOUR JOINTER-PLANER.
1. Remove belt guard,
2. Position fence to right .,.approximately I/4
beyond cutter blades ...lock it in place,
3, Lower infeed table all the way down.
In.
4. Place block of wood 6-3/4 in. long between cutter-
guard and fence,
BLOCK OF WOOD
5, Hold cutterhead pulley firmly with one hand and
loosen tockscrews in each wedge using a5/32 in.
setscrew wrench.
BLADE WEDGE
LIFTER LOCKSCREW
SCREW
HOLD PULLEY
FIRMLY
5/32 IN. /
SETSCREW /TURN COUNTER
WRENCH /_._ CLOCKWISE
__ TO LOOSEN __
____ •............. ..........
FENCE NOT SHOWN
FOR PICTURE CLARITY
= i
II
SMALL SCREWDRIVER
6. While holding cutterhead pulley firmly with one hand,
gently pry up each Wedgeusing a screwdriver .re-
move wedges and blades.
21

7. RemOve the six lifter screws, (Two under each blade.}
.... : _: :
8. Clean cutterhead, wedges and screws thoroughly wth
Craftsman Gum and Pitch Remover. Also remove the
oil from new blades.
9,: Replace the six lifter screws and screw them in all the
way, but do not tighten. Mark each slot 1, 2, and 3.
This wil! help you in setting the blades.
5/32 IN. SETSCREW
WRENCH
BLADE ---.-...
LIFTER WEDGE LOCKSL;REW
WEDGE
CUTTE
SETSCREW
MARK SLOTS
1, 2 AND
1/8 IN, SETSCF
WRENCH
IOL Insert a blade in slot marked 1 ... So it projects 1/16
in. beyond end of the cutterhead,
11. "Insert a wedge next to blade so the flat side of the
wedge is against theblade. F'ush wedge in manually
do not install two locking setscrews at this time. "
1/8 IN. SETSCREW WRENCH
HEADOF ISQUARE \
12, Place head of square on outfeed table+ LoOsen lifter TABLE
-screws to raise blade until it just touches square and
slightly raises it. Gently turn cutter head back and
forth with the pulley while raising blade. The blades
should be adjusted just slightly above the outfeed
table, by approximately +003 in. (thickness of an
average piece of paper).
NOTE: Sears has a knife setting gauge for this purpose. Cat. LIFTER SCREW
# 9-2647 _
13. "Now install both locking setscrews and tighten (with
the 5/32" setscrew wrench) alternately a little at a
time. Tighten both screws securely. Recheck the btade
tO make sure it did not change position,"
14. Install Other two blades the same way.
22

INSTALLINGCUTTERGUARD SPRING
1. Remove cotter pin from pivot pin in cutter guard and
remove guard (located underneath infeed table.)
Spring must appear as in sketch from underside of in-
feed table, it will not perform properly if installed
upside down.
INFEED
/
FLATWASHER <_'- SPRING f
suPPORT/
\ ...... >'"-__,Ip LATE /_ _. --_ _ _
WASHER_ ___ /</_\ _<
//_'_, BUSHING _-_ _._'_
VIEW LOOKING UP
2. Position guard as shown, with PIVOT PIN above hole
in infeed table.
3. Align SLOT in pin with TANG in spring, and press
down.
4. Replace cotter pin.
/
FENCE CUTTER //
IN PLACE GUARD jr , /
TANG OF SPRING _-T-'_._"j_._ 'J
IN CENTER OF _. _-----"'_ _
HOLE_
_.....INFEED - \_
"-""-TABLE PIVOT PIN
_-_TANG
5. RAISE end of FENCE, rotate guard COUNTER
clockwise only enough to CLEAR fence.
6. LOWER fence and tighten both knobs.
LIFT FENCE
COUNTER
CLOCKWISE
23

The normal when fence is
stationed at MAXt
"pOsition "A" NEVER ROTATE
P .... E EX
OStTION B BECAUSE THIS WOULD XERT -
CESSIVE TENSION ON :SPRING WHICH COULD
WEAKEN OR BREAK IT.
gUARD and SPRING.
I. With fence in MAXIMUM WIDTH OF CUT position,
pass a piece of 1/4 in, thick wood on edge (jointing
position) over cutterhead.
2, The guard should return automaticall_ to its REST
position against the fence when free of the wood.
3, If guard does not return to its REST position, remove
cotter pin from pivot pin and remove guard, Check
pivot pin and hole.., make sure there are no burrs,
rust, or other foreign matter.
POSITION "A"
WIDTH OF
CUT
4, Apply a. few drops of SAE No. 20 or No, 30 engine
oil to pivot pin,
5. Replace guard and cotter pin.
If guard still does not return to its REST position; con-
sult your local Sears Retail Store before using the
jointer-planer.
SHARPENING CUTTER BLADES
The blades can be honed individually with an ordinary
oilstone.
Make sure your oilstone is not worn in the center. It
must be flat.
Be sure to remove the burr on the flat side.
If the blades are nicked, they must be replaced or re-
ground, They can be reground several times until they
become 91t6 in. wide. Never install reground blades less
than 9/16 in. wide.
Have your knives reground by someone who is com-
petent. Look in the "Yellow Pages" of your telephone
directOry.., see "Sharpening Services".
11/16 IN.
NEW BLADE
24

general maintenance
Keep your jointer-pianer clean, Put a carton Or some kind
of a container underneath your jointer-planer to catch
the chips. The container should reach above the top of
the motor.
Do not allow pitch to accumulate on the tables, the
fence, the cutter guard, the cutter head or the knives,
Clean them with Craftsman Gum and Pitch Remover,
Apply a thin coat of automobile-type wax to the tables
and fence so that the wood slides easily while feeding.
.... • i_
DO not afl0w chips to accumulate On the underside of the
jQintebpianer:
Frequently btow out any dust that may accumulate in-
side the motor.
For motor maintenance, follow instructions furnished
with motor.
If power cord is worn or cut, or damaged in any way,
have it replaced immediately,
mubrication
The BALL BEAR INGS in this machine are packed with
grease at the factory. They require no further lubrication.
The following parts should be oiled occasionally with
SAE No. 20 or No, 30 engine oil.
1. Dovetail spacer and dovetail slide.
2. Elevating screw (first clean with Craftsman Gum and
Pitch Remover).
DOVETAIL
SPACER AND SLIDE
ELEVATING SCREW
VIEW LOOKING UP FOR
PARTS IDENTIFICATION
25

".i.: i"• • o n
trouble shooh g
ETY, TURN SWITCH
:ROM POWER SOURCE
SHOOTING YOUR JOIN-
TROUBLE i
Motor will not run.
'r ::
TROUBLE SHOOTING CHART
PROBABLE CAus'E .........
I. DefectiveOn-Off switch.
Defectiveswitchcord.
Defectiveswitchbox receptacle.
2. Motor protector open, (only if
your motor isequipped with an
overload protector).
REMEDY
1. Replace defective parts before using
machine again.
2. Consult Sears Service. Any attempt to
repair this motor may create a HAZARD
unless repair is done by a qualified service
Wood strikes outfeed
table after passing over
cutter head.
Ripples on planed
surface:.
' Other cause
Blades improperly adjusted below
surface of outfeed table,
1, One blade set higher than other.
2. Feeding wood too fast.
Planed surface not: I nfeed table out of adjustment.
technician. Repair service is available at your
nearest Sears Store,
F
Re-adjust biades, see Maintenance section.
| , ,, ,=m_l,=,l
1. Re-adjust blades, see Maintenance
section.
2. Feed wood slower.
i ,
Re-adjust infeed table, see Getting To Know
your Jointer Planer section.
Excessive gouging at end Blades set too high above outfeed Reset blades, see Maintenance section.
of Cut. : - : . table,
90 ° and 45 °cuts !, Fence stops not adjusted properly. ! !. Re-adjust fence stops see Getting To
inaccurate. 'J'Know your Jomter Planer sect=on.
2_ Fence slide bracket not even with 2. Re-adjust slide bracket, see Getting To
Know your Jointer Planer section.
lnfeed table loose. I. Dovetail spacer requires adjustment. 1. Tighten screw, key t0, see fig. 2, Parts List.
2, Female dovetail loose from table. 2. Tighten screws, key 18, see fig. 2, Parts List.
i i
Cutter guard does not I 1. Return spring: broke,, Or sprin 9 "1. Replace spring immediately. See
function properly, has been weakened. Maintenance section.
2. Improper assembly of spring or 2, See Maintenance section.
guard mounting.
RECOMMENDED ACCESSORIES
ITEM CAT. NO.
Steel Legs ............................... 9-22245
Floor Stand ............................. 9-22216
Cutter B_ades .............................. 9-2293
Power Tool Know-how Handbooks
Radial Saw .............................. 9,2917
Table Saw .............................. 9-2918
Knife Setting Gauge ........................ 9-2647
Chip Collector ............................ 9-29977
The above recommended accessortes are current and were
available at the time this manual was printed.
26

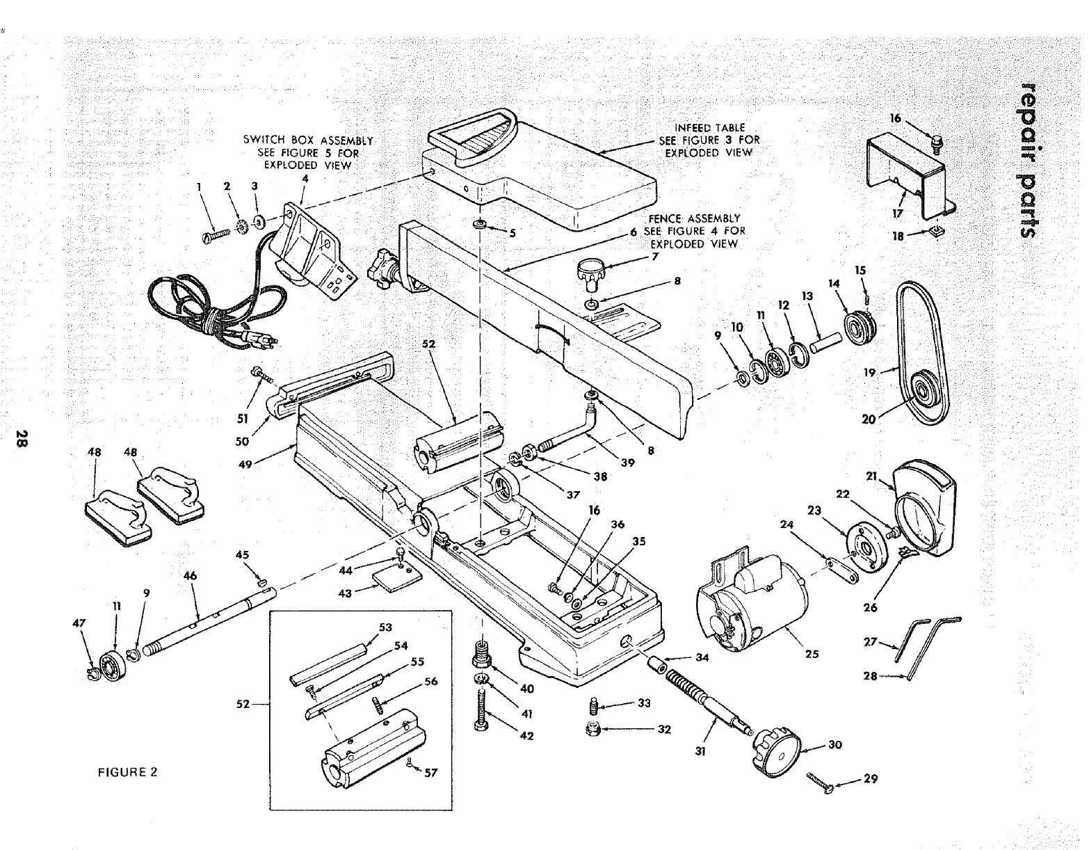
repair parts
CRAFTSMAN 6-1/8 iNCH JOINTER-PLANER MODEL No. 113.206801 AND 113.206931
li't
43
FIGURE 1
72
FIGURE 1 -LEGS PARTS LIST
Key
No.
1
2
3
4
5
6
7
8
9
10
Pa_
No.
67033
60314
STD551225
STD541025
67032
62614
62204
67034
STD541250
803835
67035
Description
Stiffener, End
• *Screw, Truss Hd. 1/4 - 20 x 5/8
• * Lockwasher, 1/4 External
o'Nut, Hex 1/4- 20
Stiffener, Side
Leg
• Clip, Cord
Support, Motor
•*Nut, Hex Hd. t72--- 13
•Foot, Leveling
Bag of Loose Parts (Not fl{us,)
HARDWARE FOR MOUNTING TOOL AND MOTOR
-- I STD532507 le*Boft, Carriage5/16- t8x 3/4
STD551231 I • *Lockwasher, 5/t6 External
I STD551031 le*Washer, 11/32 × 11/16 x t/16
STD523120 ]e'Screw, Hex Hd, 5/16- 18 x 2
i J
_*Nut, Hex 5/t6 -,- 18
eSupplied i£ Loose Pa_ts Bag 67035
Standard Hardware _em %'_ozbe P,3!c_,,_eJ
27

eo
47
1 2
\
SWtTCH BOX ASSEMBLY
SEE F_GURE 5FOR
EXPLODED VIEW
4
3
48 48
46
9
11
FIGURE 2
51
50
45
\/
43
53
41
42
iNFEED TABLE
GURE 3FOR
EXPLODED VIEW
FENCE ASSEMBLY
SEE FIGURE 4 FOR
EXPLODED VIEW
12
11
]4
13
15
!-e
\39
38
16
36
22
34 25

CRAFTSMAN 64/8 INCH JOINTER.PLANER MODEL No. 113.206801 AND 113.206931
FIGURE 2 PARTS LIST
Koyl p,.
__, NO.
1 {ST05i2505
2ISTD551225
3ISTD5510i2
4{60381 :
6 118437
6 121013
7167020
8 121622
9 ISTD582062
10 118441
11 }3509
t2 138879
13 I 60345
14 I 62023
15 IST0503103
16 ISTD522505
17 !67008
18 !STD54!O25
t9 iST0304520
20 i30646
i
21 !60252
22 ISTD601105
23 60253
24 60254
25 67031
26 60255
27 37887
28 60096
29 455872
Description
*Screw, Pan Hd. 1/4-20 x 1/2
*Lockwasher, External I/4
*WaSher, 17/64 x 1/2 x 1/32
Outlet; On/Off Power (See Fig. 5)
Washers
Fence Assembly, Comp}ete (See Fig. 3)
Knob, 1-t/2
Washer, Sliding Guard
_Ring, Retaining 5/8
Ring. Retaining
Bearing Ball
Ring, Bowed Retaining
Spacer
Pulley with Set Screw, 2"' Dia. x 1/2"
V-Groove, 5/8" Bore, Keyed
*Screw, Set, 5/16-18 x 5/16, Soc Hd.
*Screw, Hex. Hd. 1/4_20 x 1/2
Belt Guard, Puitey
*Nut, Hex 1/4-20
Belt, "'V" 1/2 x 52
+Pulley with Set Screw, 2-1/2 Dia. x 1/2"
V-Groove, 5/8 .° Bore, Keyed
Guard-Belt, Motor
*Screw, Ty 23 Pan 10-32 x 1/2""
Support_Belt Guard
Bracket-S upport
+Motor, 1216
(Supplied With Model 113.206931 Only)
Clip "S-
*Wrench Hex., 1/8
_Wrench Hex, 5/32
Screw Mach., I/4-20 x 1-I/4 Truss Hd.
wi Lockwasher
Key Pa_
No. No.
3O
3t
32
33
34
35
36
37
38
39
40
41
42
43
44
45
46
47
48
49
5O
51
52
53
54
55
56
57
63410
67016
STD541031
102832
67017
STD551025
STD551!25
STD551!50
120238
21638
18516
STD55113t
STD523117
21733
60078
STD580025
21636
37158
67019
67021
21237
132275
21450
18112
60116
21632
60117
60118
67092
67037
Description
,, , ,,
Knob, 3-1/4
Shaft, Elevating
*Nut, Hex., 5/16-18
Screw, Set, 5/16-18 x t Full Dog Pt,,
Slotted Hd.
Sleeve
*Washer, Plain, 17/64 I.D,
*Washer, Split Lock, 1/4
*Washer, Split Lock, 1/2
"Nut Hex, 1/2-13
Rod, S_iding Guard
Stud, Leveling
Lockwasher, 5/16
Screw, Hex. Hd., 5/16-18 x 1-3/4
Support _ Guard Pin
*Screw, Mach,, 5/16-18 x 1/2-, Hex. Hd.
Key, Woodruff, No, 9
Arbor
Ring, Retaining Bowed 5/8
Push Block/Hold Down
Base
Bracket,Fence Slide
Screw, Mach., 1/4-20 x 1, FiL Hd:
Slotted
Head Assembly, Complete Cutter
+Blade, Cutter
*Screw, Cap, No. 10-32 x 3/4 Soc. Hd,
Wedge, Cutter Blade
*Screw, Set. 5/16-24 x 7/8 Soc, Hd.
*Screw, Mach., No. 10-32 x 1/2, Fiat,
Soc Hd.
Bag of Loose Parts (not illus.)
Owners Manual (not iltus.)
'Standard Hardware Item -- May Be Purchased Localty.
"lStoek Item - May be secured through the Hardware Department of
most Sears or S}mpsons-Sears Retail Stores or Catalog Order Houses.

MODEL No, 113.206801 AND 113.206931
.
1
/
/
/
FIGURE 3
/
/
4
\
21 22 23
\\\
r\
\\
\
@20
--19
18
FIGURE 3 INFEED TABLE PARTS LIST
Key Part Description
No. No.
1 STD561210
2 67015
367014
4 STD511107
5 STD551210
6 STD551010
7 38779
667011
9 67012
10 STD522505
11 STD551025
!2 21812
Pin, Cotter, 1/8 x 1
Guard
Table (with Name Plate)
Screw Pan Hd. 10-32 x 7/8
Lockwasher No. 10
Washer, No. 10
Spring, Guard
Plate Support
Bushing
L_
i Screw, Cap, 1/4-20 x !/2, Hex. Hd.
: Washer, Plain, 17/64
Plate, Tension
Key! Part
No. !No.
13 21422
14 21219
t5 21218
16 STD551 t31
t721635
t8 STD523112
19 !:STD551031
20 21204
21 :_STD541025
22 STD551125
23 STD522510
!
Description
Spacer, Dovetail
Dovetail, Male
Dovetail, Female
'Washer, Split Lock, 5/16
Screw, Spl.
_Screw, Cap, 5/16-18 x 1-1/4
Hex. Hd.
Washer, 5/16
Linkage Assembly
*Nut, Hex,, 1/4-20
_Washer, Split Lock, 1/4
*Screw, Cap, 1/4-20 x !, Hex. Hd.
*Standard Hardware items-- May Be Purchased Locally.
3O

CRAFTSMAN 6-1/8 INCH JOINTER-PLANER MODEL No. 113.206801 AND 113.206931
12 3 4
17 16 15 _
13
6 7
10
11
12
FIGURE 4F,GURE4-21013FENCEASSEMBLY t
Key Part
No. No.
-- 21013
1 2t 440
2 21430
3 STD 522512
4
5
6
7
21232
21736
STD 551010
STD510802
102817
Description
Fence Assembly
Plunger Assembly
Pin Assembly, Stop
*Screw, Hex Hd., I/4-20 x 1-1/4.
Key Part
No. No.
9 21229
t0 STD5512t0
11 STD511102
12 67009
13 STD 533725
Plate, Fence End
Scale, Fence Tilt
*Washer, Plain, I3/64
*Screw, Mach., No. 8-32 x 1/4, Bind
Hd., S_otted
Screw, Set, 1/4-20 x 1/2", Full Dog
Pt., Slotted
14 21738
15 STD551037
16 47624
17 62331
Description
Body, Fence tncl. Key No's. 10 & ! I
*Washer, Lock, Ext. Tooth
_Screw, Mach., No. 10-32 x 1/4,
Pan Hd,, Slotted
Guard, Cutter
"Bo_t, Carriage, 3/8-16 x 2q/2
Round Head
Retainer, Bolt
Washer 35/64 I.D.
Spacer
Knob Assembly, Lock
,,,,,, ,,, ,,,,,,,,,,,,
i , ,,= .......... ii ,,llU
FIGURE 5 C ON/OFF POWER OUTLET 60381
2
\
FIGURE 5
Key
No. Description
1
2
3
4
5
6
Pa_
No.
60381
60375
60380
60256
60374
60377
448007
• On/Off Power Outlet Complete
Cord, Motded
Housing, Switch
{Key, Switch
Switch, Locking
Cover, Switch
Screw, Pan Hd. No. 6 × 3/4
® Does Not Include Key No 3
Order Separately tf required
31

SERVICE
MODEL NO.
113.206801
JOINTER/PLANER ONLY
113.206931
JOINTER!PLANER WITH
LEGS AND MOTOR
HOW TO ORDER
REPAIR PARTS
6-1/8 raNCH JOINTER-PLANER
Now that you have purchased your jointer-planer, should a need
ever exist for repair parts or service, simply contact any
Sears Service Center and most Sears, Roebuck and Co. stores.
Be sure to provide all pertinent facts when you call or visit.
The model number of your 6-l/8 inch jointer-planer witl be
found on a plate attached to your base.
WHEN ORDERING REPAIR PARTS, ALWAYS GIVE THE
FOLLOWING INFORMATION:
PART NUMBER PART DESCRIPTION
MODEL NUMBER
113.206801
113.206931
NAME OF ITEM
6-1/8 INCH JOINTER-PLANER
All parts listed may be ordered from any Sears Service Center
and most Sears stores. If the parts you need are not stocked
locally, your order will be electronically transmitted to a Sears
Repair Parts Distribution Center for handling.
Sold by SEARS, ROEBUCK AND CO., Chicago, IL. 60684 U.S.A.
Part No. 67037 Form No. SP4452-6 Prin_ed in U S.A 11