Securitron PDD9RCT TECHNICAL SALES BULLETIN PDB 8C8R Installation Instructions I 500 33055 B
User Manual: Securitron PDB-8C8R Installation Instructions Installation Instructions
Open the PDF directly: View PDF
.
Page Count: 3

PDB-8C8R Access Control with EOL Fire Interface Installation Instruction
Securitron Magnalock Corporation
10027 S. 51st St., Ste. 102
Phoenix, AZ 85044
Doc.# 500-33055 Rev. B specifications subject to change without notice
Phone: (800) MAGLOCK
customercare@securitron.com
www.Securitron.com
Page 1 of 3
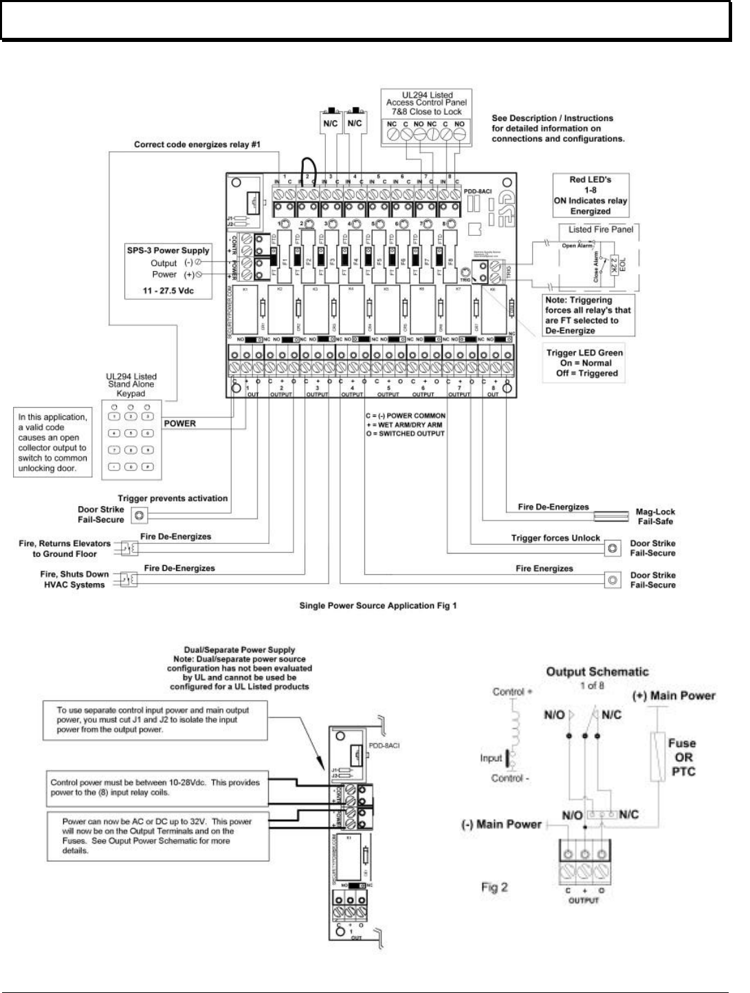
PDB-8C8R Power Distribution for Access Control with Fire Interface module
Controls and Distributes Power with 8 Control Relays with an EOL Fire trigger Interface
Power Interface for Access Control, CCTV, Fire, HVAC, Elevator,
and general low voltage system control
Features:
8 Heavy duty Relays with individual Inputs and Status LED’s
Each Relay Input can be Activated from Low Current Open
Collector, Normally Closed or Normally Open Switch
EOL End of Line Resistor Fire Interface Master Trigger de-
energizes all Output Relays that are Enabled
Universal 11 – 27.5Vdc power input
Available with PTC Circuit Breakers
Note: Only the 500mA fuse version of the board has been
evaluated by UL
Note: The outputs of the PDD-8C8R are power limited when
connected to the AQU243 power-Limited power supply
Each Output may be Individually Configured for:
o Fire Trigger (FT) Enabled or (FTD) Disabled
o N/O or N/C Option Configures the Relay Switched
Output
Each Output 1-8 has a protected, continuous Output and a
Relay controlled Output
TRG LED Green Indicates Trigger Status
Control Power and Main Lock Power may be Isolated
(Separate Power Supplies) at Users Option
Note: Dual/separate power source configuration has not been
evaluated by UL and cannot be configured for UL Listed
products
All Terminal Blocks are Pluggable by Channel & Function
Made in the USA with a Lifetime Warranty
Description / Instructions
The PDB-8C8R is a versatile, compact way to distribute
and control power for Access Control Systems with Fire
Alarm Interface. The PDB-8C8R is an 8 position power
distribution board with individual Relays with input (IN)
control for each output (OUT). An EOL resistor trigger
input (TRIG), will force all output relays to de-energize that
are selected (FT). In a typical installation, the TRIG would
be connected to a Fire Alarm panel via a set of contacts.
When the Fire Alarm trips, all enabled relays would be
forced to be de-energized to unlock electric doors, shut
down air systems, and or return elevators to ground floor.
Input / Output Terminals, Jumpers and LED
Details and Specifications
Control Power (- CONTR +) Two position un-pluggable
terminal block is used to power the coils of the relays. The
control voltage must be between 11 and 27.5 Vdc. Each
relay energized will draw 20ma of current. By default,
Control Power and Main Power are connected together
with jumpers J1 & J2 so no connection would be made
here unless you were using Dual/separate power as
described below. Note Dual/separate power source
configuration has not been evaluated by UL and cannot be
configured for UL Listed products.
Main Power (- POWER +) Two position un-pluggable
terminal block provides the power to the outputs to be
distributed and power to Control through J1 & J2. In a
normal application the Power must be between 11 and 27.5
Vdc and would be connected here.
Dual/Separate Power J1 & J2 Jumpers Note
Dual/separate power source configuration has not been
evaluated by UL and cannot be configured for UL Listed
products. J1 Connects (-) Power to (-) Control, J2
Connects (+) Power to (+) Control. By default J1 & J2 are
connected together. When J1 & J2 are cut, you must

PDB-8C8R Installation Instructions
PDB-8C8R Instructions Doc.# 500-33055 Rev. B
Page 2 of 3
supply 11 to 27.5Vdc to Control power, then you may
connect any voltage to 32V AC or DC to the Main Power
Terminals. See Dual/Separate Power application figure
below.
Inputs (1-8 IN C) Eight, two position un-pluggable terminal
blocks. When IN & C are shorted together, the like number
output relay will energize. Each relay can also be
energized by an open collector that is common to the
control power, sinking 20ma for each input. Each of the
C’s (common) are connected to control negative power.
Input LED’s (1-8) Whenever an input is active (relay
energized) the associated input red LED will illuminate.
FDT/FT (1-8) Jumpers - These are three pin headers
adjacent to each fuse with a shunt with handle that shorts
the center pin to FTD or FT.
FTD = Fire Trigger Disabled - When selected, the
Trigger will not effect that output.
FT = Fire Trigger – When selected Triggering will force
that Input Relay to De-Energize.
Outputs (1-8 OUTPUT C, +, O) Eight, Three position un-
pluggable terminal blocks. “C” is Power Common and is
connected to (- power). “+” is connected to fused (+power)
and the relay swing arm. “O” is the relay switched output
as selected with N/O or N/C selector jumper
Output Relay Contacts Selector (1-8 NC/NO) Jumpers
These 3 pin headers with shunt selectors are located just
above each output which selects whether the N/C or N/O
contacts are connected to the “O” switched output terminal.
With N/C selected, output would be normally ON, or
connected to swing arm. With N/O selected, output would
turn ON, or close when input is activated. Fire Alarm
Interface Trigger (2.2K EOL TRIG) Two position un-
pluggable terminal block. This input must see the 2.2K
ohm EOL (End Of Line) resistor to be in the normal
condition. The EOL is to be placed in a Listed fire alarm
panel. See Fig 1 illustrating that shorting or opening the
EOL will cause the PDB-8C8R to trigger.
TRIG LED (TRIG) Green LED normally ON. Whenever the
Trigger is active the LED will be OFF.
Ordering Information
PDB-8C8R “ACIC” module only with 1.23 Amp PTC’s
Not Evaluated by UL
Each ACI takes the space of a standard PDM-8. We do
not charge extra for mounting when purchased with a
cabinet power supply.
Specifications
Control (-contr+) ............................ 11–27.5Vdc @ 160mA
Normally no connection is made here. Note: You must add
this current to your total device load calculations to be sure
your load will be within the rating of the power supply as
configured
Main Power (-power+) .................................... 11-27.5Vdc
Note: Must cut J1 & J2 when not using 11-27Vdc power
See Dual/Separate power source configuration Note
Dual/separate power source configuration has not been
evaluated by UL and cannot be configured for UL Listed
products.
Total Amps would be equal to the total current of the
outputs load plus the module draw of 160ma
Rating below are as Evaluated at UL with a AQU243
Larger supplies have more available current.
Fused/Wet Outputs (12v operation):
Max. Output Current .................. 330mA,12V (each output)
2.64 A (total all outputs)
Fused/Wet Outputs (24V (each output):
Max. Output Current .............. 155mA, 24V (each output):
1.24 A (total all outputs)
Dry Outputs:
Max. Output Current ............................................ 3A, 30V
As evaluated with UL with 500ma fuses
Terminal blocks un-pluggable .... 5mm spacing 14–22 awg
Fused Outputs 1-8 ............................................. 500mA
Littlefuse P/N 217.500 20mm replacement
The fused outputs of the PDB-8C8R are power limited
when connected to the SPS-3 power-Limited power supply
Output Relays 1-8 Dry Contacts are not to exceed
................................................................... 7A or 100VA
Trigger Input .................................................... 2.2K EOL
Operating Temperature .................................. 0o to +49oC
Mounting Holes ......................................... (4) 3.4” x 4.5”
Module Size: ............................... 4.82”w x 3.84h x 1.4”d
Weight: ...................................................................... 8oz
Mounting Note: Secure 4, #6-32 female/female hex
standoffs 7/16” long onto 4, #6-32 studs provided in
distribution option space to the right of SPS-3 inside E-
1485 cabinet back. Place PDB-8C8R on stand offs with
input terminals on top. Secure module with 4, #6-32 x ¼”
pan head screws. No metal hardware should be larger
than .28” in Diameter.

PDB-8C8R Installation Instructions
PDB-8C8R Instructions Doc.# 500-33055 Rev. B
Page 3 of 3
PDB-8C8R Typical Applications
Single Power Source Application Fig 1
Dual/Separate Power Supplies Fig 3