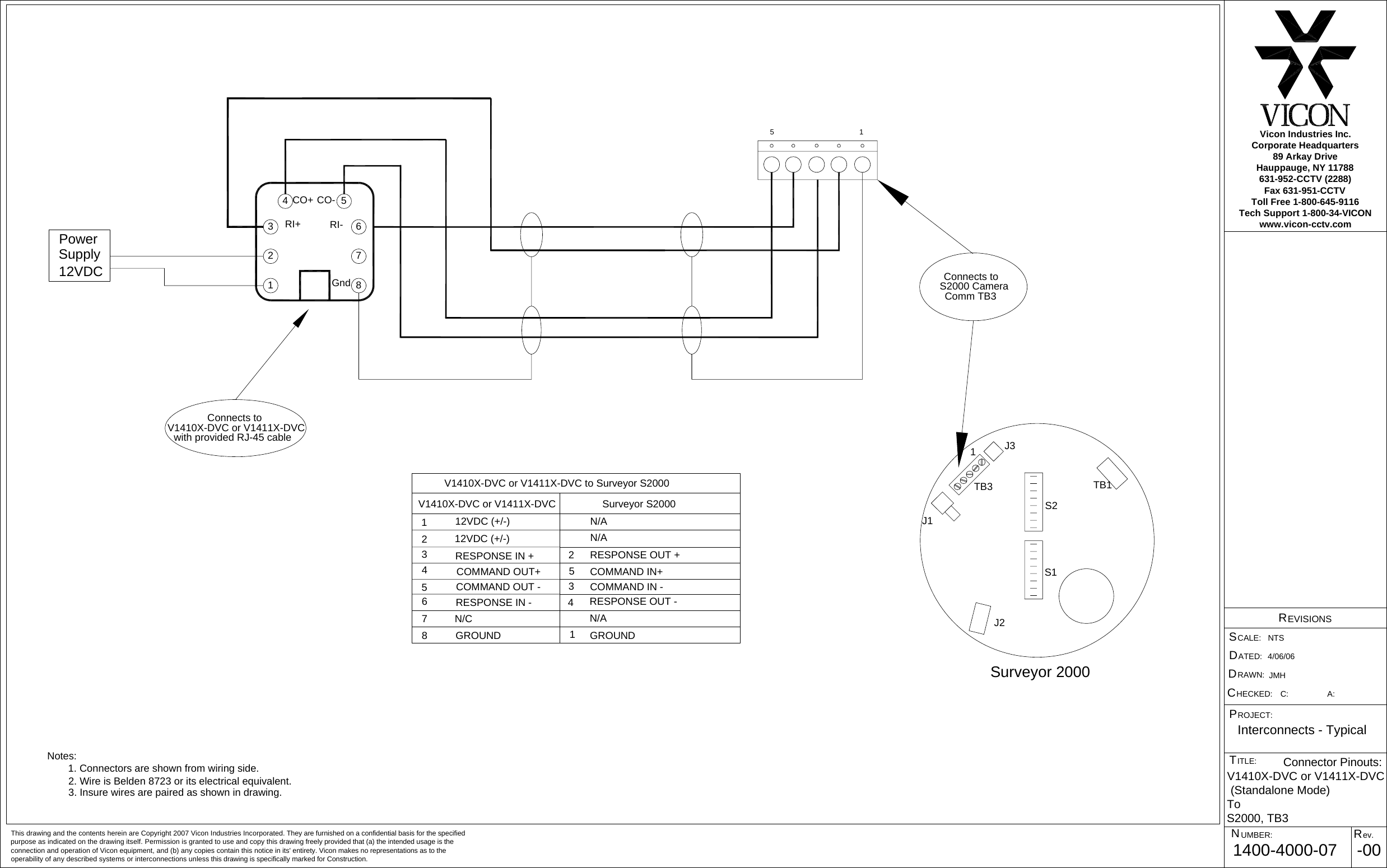
Security V1410X Dvc To V1411X S2000 C User Manual
V1410X-Dvc-Or-V1411X-Dvc-To-S2000 V1410X-DVC-or-V1411X-DVC-to-S2000 V1410X-DVC-or-V1411X-DVC-to-S2000 uploads wp-content
V1410X-Dvc To V1411X-Dvc To S2000 V1410X-DVC_to_V1411X-DVC_to_S2000 V1410X-DVC_to_V1411X-DVC_to_S2000 drawings support English-US s Collateral
2017-08-09
User Manual: Security V1410X-Dvc To V1411X-Dvc To S2000 V1410X-DVC_to_V1411X-DVC_to_S2000 uploads wp-content
Open the PDF directly: View PDF
.
Page Count: 1
