Senao Networks AP8120-O Wireless Access Point User Manual
Senao Networks, Inc. Wireless Access Point
User Manual

Avaya WLAN 8100 Regulatory Information
— WLAN AP 8120-O
1.2.0.0
NN47251-110, 01.03AC (Part number 700503113, 01.03AC)
February 2012

© 2012 Avaya Inc.
All Rights Reserved.
Notice
While reasonable efforts have been made to ensure that the
information in this document is complete and accurate at the time of
printing, Avaya assumes no liability for any errors. Avaya reserves the
right to make changes and corrections to the information in this
document without the obligation to notify any person or organization of
such changes.
Documentation disclaimer
“Documentation” means information published by Avaya in varying
mediums which may include product information, operating instructions
and performance specifications that Avaya generally makes available
to users of its products. Documentation does not include marketing
materials. Avaya shall not be responsible for any modifications,
additions, or deletions to the original published version of
documentation unless such modifications, additions, or deletions were
performed by Avaya. End User agrees to indemnify and hold harmless
Avaya, Avaya's agents, servants and employees against all claims,
lawsuits, demands and judgments arising out of, or in connection with,
subsequent modifications, additions or deletions to this documentation,
to the extent made by End User.
Link disclaimer
Avaya is not responsible for the contents or reliability of any linked Web
sites referenced within this site or documentation provided by Avaya.
Avaya is not responsible for the accuracy of any information, statement
or content provided on these sites and does not necessarily endorse
the products, services, or information described or offered within them.
Avaya does not guarantee that these links will work all the time and has
no control over the availability of the linked pages.
Warranty
Avaya provides a limited warranty on its Hardware and Software
(“Product(s)”). Refer to your sales agreement to establish the terms of
the limited warranty. In addition, Avaya’s standard warranty language,
as well as information regarding support for this Product while under
warranty is available to Avaya customers and other parties through the
Avaya Support Web site: http://support.avaya.com. Please note that if
you acquired the Product(s) from an authorized Avaya reseller outside
of the United States and Canada, the warranty is provided to you by
said Avaya reseller and not by Avaya.
Licenses
THE SOFTWARE LICENSE TERMS AVAILABLE ON THE AVAYA
WEBSITE, HTTP://SUPPORT.AVAYA.COM/LICENSEINFO/ ARE
APPLICABLE TO ANYONE WHO DOWNLOADS, USES AND/OR
INSTALLS AVAYA SOFTWARE, PURCHASED FROM AVAYA INC.,
ANY AVAYA AFFILIATE, OR AN AUTHORIZED AVAYA RESELLER
(AS APPLICABLE) UNDER A COMMERCIAL AGREEMENT WITH
AVAYA OR AN AUTHORIZED AVAYA RESELLER. UNLESS
OTHERWISE AGREED TO BY AVAYA IN WRITING, AVAYA DOES
NOT EXTEND THIS LICENSE IF THE SOFTWARE WAS OBTAINED
FROM ANYONE OTHER THAN AVAYA, AN AVAYA AFFILIATE OR AN
AVAYA AUTHORIZED RESELLER; AVAYA RESERVES THE RIGHT
TO TAKE LEGAL ACTION AGAINST YOU AND ANYONE ELSE
USING OR SELLING THE SOFTWARE WITHOUT A LICENSE. BY
INSTALLING, DOWNLOADING OR USING THE SOFTWARE, OR
AUTHORIZING OTHERS TO DO SO, YOU, ON BEHALF OF
YOURSELF AND THE ENTITY FOR WHOM YOU ARE INSTALLING,
DOWNLOADING OR USING THE SOFTWARE (HEREINAFTER
REFERRED TO INTERCHANGEABLY AS “YOU” AND “END USER”),
AGREE TO THESE TERMS AND CONDITIONS AND CREATE A
BINDING CONTRACT BETWEEN YOU AND AVAYA INC. OR THE
APPLICABLE AVAYA AFFILIATE ( “AVAYA”).
Copyright
Except where expressly stated otherwise, no use should be made of
materials on this site, the Documentation, Software, or Hardware
provided by Avaya. All content on this site, the documentation and the
Product provided by Avaya including the selection, arrangement and
design of the content is owned either by Avaya or its licensors and is
protected by copyright and other intellectual property laws including the
sui generis rights relating to the protection of databases. You may not
modify, copy, reproduce, republish, upload, post, transmit or distribute
in any way any content, in whole or in part, including any code and
software unless expressly authorized by Avaya. Unauthorized
reproduction, transmission, dissemination, storage, and or use without
the express written consent of Avaya can be a criminal, as well as a
civil offense under the applicable law.
Third-party components
Certain software programs or portions thereof included in the Product
may contain software distributed under third party agreements (“Third
Party Components”), which may contain terms that expand or limit
rights to use certain portions of the Product (“Third Party Terms”).
Information regarding distributed Linux OS source code (for those
Products that have distributed the Linux OS source code), and
identifying the copyright holders of the Third Party Components and the
Third Party Terms that apply to them is available on the Avaya Support
Web site: http://support.avaya.com/Copyright.
Trademarks
The trademarks, logos and service marks (“Marks”) displayed in this
site, the Documentation and Product(s) provided by Avaya are the
registered or unregistered Marks of Avaya, its affiliates, or other third
parties. Users are not permitted to use such Marks without prior written
consent from Avaya or such third party which may own the Mark.
Nothing contained in this site, the Documentation and Product(s)
should be construed as granting, by implication, estoppel, or otherwise,
any license or right in and to the Marks without the express written
permission of Avaya or the applicable third party.
Avaya is a registered trademark of Avaya Inc.
All non-Avaya trademarks are the property of their respective owners,
and “Linux” is a registered trademark of Linus Torvalds.
Downloading Documentation
For the most current versions of Documentation, see the Avaya
Support Web site: http://support.avaya.com.
Contact Avaya Support
Avaya provides a telephone number for you to use to report problems
or to ask questions about your Product.
The support telephone number
is 1-800-242-2121 in the United States. For additional support
telephone numbers, see the Avaya Web site: http://support.avaya.com.
2 Avaya WLAN 8100 Regulatory Information — WLAN AP 8120-O February 2012
Comments? infodev@avaya.com
Contents
Chapter 1: Regulatory Compliance Statements............................................................... 5
Federal Communications Commission (FCC) Compliance Notices.......................................................... 5
Class B Interference Statement................................................................................................................ 5
FCC Caution............................................................................................................................................. 6
RF Radiation Exposure and Hazard Statement........................................................................................ 6
Non-Modification Statement...................................................................................................................... 6
Deployment Statement.............................................................................................................................. 6
Outdoor operating restrictions................................................................................................................... 7
Dynamic Frequency Selection (DFS) in the 5.0 GHz UNII bands............................................................. 9
Canadian IC Statements........................................................................................................................... 9
European Union and European Free Trade Association (EFTA) Regulatory Compliance........................ 10
Declaration of Conformity.......................................................................................................................... 10
European Community Declaration of Conformity...................................................................................... 11
Countries of Operation and Restrictions of Use in the European Community.......................................... 13
Operation Using the 2.400 to 2.4835 GHz Channels in the European Community.................................. 14
Operation Using the 5.15 to 5.25 GHz, 5.25 to 5.35 GHz, and 5.470 to 5.725 GHz Channels in the
European Community............................................................................................................................... 14
Russia, Belarus, and Kazakhstan Requirement....................................................................................... 15
Antenna Statement................................................................................................................................... 15
Chapter 2: Devices with detachable antennas................................................................. 17
Chapter 3: English.............................................................................................................. 19
Introduction............................................................................................................................................... 19
Safety Precautions.................................................................................................................................... 20
Installing the WLAN AP 8120-O................................................................................................................ 21
Hardware.......................................................................................................................................... 22
Cable requirements.......................................................................................................................... 22
Waterproofing the Ethernet UTP cable............................................................................................. 23
Installing the WLAN AP 8120-O on a vertical pole........................................................................... 25
Mounting the WLAN AP 8120-O on a horizontal pole...................................................................... 30
Installing the WLAN AP 8120-O on a wall........................................................................................ 34
Installing the Ethernet surge arrester............................................................................................... 39
Installing the Power over Ethernet injector....................................................................................... 43
Safety Messages....................................................................................................................................... 47
Kapitel 4: Deutsch............................................................................................................... 49
Einführung................................................................................................................................................. 49
Sicherheitsmaßnahmen............................................................................................................................ 50
Installation des WLAN-AP 8120-O............................................................................................................ 52
Hardware.......................................................................................................................................... 52
Kabelanschlüsse.............................................................................................................................. 52
Abdichten des Ethernet-UTP-Kabels............................................................................................... 54
Mounten eines WLAN-AP 8120-O an einem vertikalen Mast.......................................................... 56
Mounten eines WLAN-AP 8120-O an einem horizontalen Mast...................................................... 59
Mounten eines WLAN-AP 8120-O an einer Wand........................................................................... 63
Installation des Ethernet-Überspannungsableiters........................................................................... 66
Avaya WLAN 8100 Regulatory Information — WLAN AP 8120-O February 2012 3
Installation des Power over Ethernet-Injektors................................................................................. 70
Sicherheitshinweise.................................................................................................................................. 74
Capítulo 5: Español............................................................................................................. 77
Introducción............................................................................................................................................... 77
Precauciones de seguridad...................................................................................................................... 78
Instalación del WLAN AP 8120-O............................................................................................................. 80
Hardware.......................................................................................................................................... 80
Requisitos de cableado.................................................................................................................... 80
Impermeabilización del cable UTP Ethernet.................................................................................... 81
Instalación del WLAN AP 8120-O en un poste vertical.................................................................... 84
Montaje del WLAN AP 8120-O en un poste horizontal.................................................................... 87
Instalación del WLAN AP 8120-O en una pared.............................................................................. 90
Instalación del disipador de sobretensiones Ethernet...................................................................... 94
Instalación del inyector Power over Ethernet................................................................................... 98
Advertencias de seguridad....................................................................................................................... 102
Chapitre 6 : Français........................................................................................................... 105
Introduction............................................................................................................................................... 105
Précautions de sécurité............................................................................................................................. 106
Installation de l'AP 8120-O WLAN............................................................................................................ 108
Matériel............................................................................................................................................. 108
Configuration requise pour les câbles.............................................................................................. 108
Hydrofugation du câble Ethernet UTP.............................................................................................. 109
Installation de l'AP 8120-O WLAN sur un tuyau vertical.................................................................. 112
Installation de l'AP 8120-O WLAN sur un tuyau horizontal.............................................................. 115
Fixation de l'AP 8120-O WLAN au mur............................................................................................ 118
Installation d'un parasurtenseur Ethernet......................................................................................... 122
Installation de l'injecteur PoE........................................................................................................... 126
Messages de sécurité............................................................................................................................... 130
Capítulo 7: Português do Brasil........................................................................................ 133
Introdução................................................................................................................................................. 133
Precauções de segurança........................................................................................................................ 134
Instalação do WLAN AP 8120-O.............................................................................................................. 135
Ferragens......................................................................................................................................... 136
Requisitos de cabo........................................................................................................................... 136
Impermeabilização do cabo Ethernet UTP....................................................................................... 137
Instalação do WLAN AP 8120-O em um polo vertical...................................................................... 139
Montagem do WLAN AP 8120-O em um polo horizontal................................................................. 142
Instalação do WLAN AP 8120-O em uma parede............................................................................ 145
Instalação do para-raios Ethernet.................................................................................................... 149
Instalação do injetor PoE (Power over Ethernet)............................................................................. 153
Avisos de segurança................................................................................................................................. 157
4 Avaya WLAN 8100 Regulatory Information — WLAN AP 8120-O February 2012

Chapter 1: Regulatory Compliance
Statements
The Avaya WLAN 8100 product line consists of the following AP models:
•WLAN AP 8120 (indoor AP)
• WLAN AP 8120 with external antenna (indoor AP)
• WLAN AP 8120-O (outdoor AP)
This document contains regulatory compliance statements only for the WLAN AP 8120-O.
Federal Communications Commission (FCC) Compliance
Notices
This section includes the following FCC statements for the WLAN AP 8120-O:
• FCC ID
• Class B Interference Statement
•RF Radiation Exposure and Hazard Warning
• Non-Modification Statement
• Deployment Statement
Class B Interference Statement
This equipment has been tested and found to comply with the limits for a Class B digital device,
pursuant to Part 15 of the FCC Rules. These limits are designed to provide reasonable
protection against harmful interference in a residential installation. This equipment generates,
uses, and can radiate radio frequency energy and, if not installed and used in accordance with
the instructions, may cause harmful interference to radio communications. However, there is
no guarantee that interference will not occur in a particular installation. If this equipment does
cause harmful interference to radio or television reception, which can be determined by turning
Avaya WLAN 8100 Regulatory Information — WLAN AP 8120-O February 2012 5

the equipment off and on, the user is encouraged to try to correct the interference by one or
more of the following measures:
• Reorient or relocate the receiving antenna.
• Increase the separation between the equipment and receiver.
•Connect the equipment into an outlet on a circuit different from that to which the receiver
is connected.
• Consult the dealer or an experienced radio/TV technician for help.
FCC Caution
This device complies with Part 15 of the FCC Rules. Operation is subject to the following two
conditions: (1) This device may not cause harmful interference, and (2) this device must accept
any interference received, including interference that may cause undesired operation.
RF Radiation Exposure and Hazard Statement
To ensure compliance with FCC RF exposure requirements, this device must be installed in a
location such that the antenna of the device will be greater than 25 cm (9.9 in.) away from all
persons. Using higher gain antennas and types of antennas not covered under the FCC
certification of this product is not allowed. Installers of the radio and end users of the product
must adhere to the installation instructions provided in this manual.
This transmitter must not be co-located or operating in conjunction with any other antenna or
transmitter.
Non-Modification Statement
Use only the supplied external antenna. Unauthorized antennas, modifications, or attachments
could damage the WLAN AP 8120-O and violate FCC regulations. Any changes or
modifications not expressly approved by the party responsible for compliance could void the
user's authority to operate this equipment.
Deployment Statement
This product is certified for outdoor deployment.
Regulatory Compliance Statements
6 Avaya WLAN 8100 Regulatory Information — WLAN AP 8120-O February 2012
Comments? infodev@avaya.com

Outdoor operating restrictions
The following section describes the outdoor operating restrictions for the 8120-0 access
point.
United States and Canada
2.4 GHz Band
IEEE 802.11b/g operation in the 2.400 to 2.4835 GHz ISM band is governed by FCC Part 15,
Subparts B & C in the US and IC RSS-210 in Canada. These rules state that the parameters
for both indoor and outdoor operation in this frequency band are identical.
5.0 GHz Bands
IEEE 802.11a operation in the following frequency bands, is governed by FCC Part 15,
Subparts B & C and FCC Part 15, Subpart E for the US and IC RSS-210, Issue 6 in Canada.
There are restrictions of use in the 5.0 GHz frequency bands and they are outlined below:
Table 1: Restrictions of use in 5.0 GHz frequency bands
5150 to 5250 MHz: Operation is restricted to INDOOR use ONLY (FCC Part 15.400 & IC
RSS-210)
5250 to 5350 MHz: Operation can be used indoors or outdoors (FCC Part 15.400 & IC
RSS-210)
5470 to 5725 MHz: Operation can be used indoors or outdoors (FCC Part 15.400 & IC
RSS-210)
5725 to 5825 MHz: Operation can be used indoors or outdoors (FCC Part 15.400 & IC
RSS-210)
5725 to 5875 MHz: Operation can be used indoors or outdoors (FCC Part 15.247)
The software settings that govern the operating parameters of the 8120-O access point have
been constructed to prohibit operation in the 5150 to 5250 MHz band when either "outdoor"
mode or an "outdoor antenna configuration" is selected.
In addition, the 8120-O Access Point has been prohibited, via software, from operating in the
5250 to 5350 MHz and 5470 to 5725 MHz frequency bands because it cannot meet the DFS
requirements as outlined in the rules of the FCC for Part 15, Subpart E that come into force
on July 20, 2007.
European Union (EU) and European Fair Trade Association (EFTA)
2.4 GHz Band
IEEE 802.11b/g operation in the 2400 to 2483.5 MHz WLAN band is governed by ETSI EN
300-328 v1.7.1. These rules state that the parameters for both indoor and outdoor operation
in this frequency band are identical in all member states, except those listed below:
Outdoor operating restrictions
Avaya WLAN 8100 Regulatory Information — WLAN AP 8120-O February 2012 7

Table 2: Excepted member states
France: Operation outdoors for IEEE 802.11b/g is limited to 2400 to 2454 MHz,
channels 1 through 7, at a maximum EIRP of 100 mW. The 8120-O access
point is disabled from operating on Channels 8 through 13 when either
"outdoor" mode or an "outdoor antenna configuration" is selected.
Italy: Operation outdoors for IEEE 802.11b/g is prohibited without obtaining a
license. If the 8120-O is to be used beyond the boundaries of the owner's
property, a general authorization is required from the Ministry of
Communications. Please check http://www.comunicazioni.it/it for further
details. Operation on all channels has been prohibited when either "outdoor"
mode or an "outdoor antenna configuration" is selected.
Latvia: Operation outdoors for IEEE 802.11b/g is prohibited without obtaining a
license. If the 8120-O is to be used beyond the boundaries of the owner's
property, outdoors or with an outdoor antenna, a general authorization is first
required from the Electronic Communications Office. Please check http://
www.esd.lv for further details. Operation on all channels has been prohibited
when either "outdoor" mode or an "outdoor antenna configuration" is
selected.
5.0 GHz Bands
IEEE 802.11a operation in the frequency bands listed below, are governed by ETSI EN
301-893v 1.4.1 and the R & TTE Directive 1999/5/EC. Effective July 1, 2008, EN 301-893
v1.4.1 was updated to require compliance with 0.8 μsecond pulse widths and staggered PRF’s
in the 5470 – 5725 MHz band. The 8120-O access point meets compliance with these new
mandates by disabling operation, via software, on channels 120, 124, 128 and 132 in the 5600
to 5650 MHz frequency band because it cannot meet the 0.8 μsecond pulse width and
staggered PRF DFS requirements as outlined in the updated EN 301-893v1.4.1 standard.
Table 3: Restrictions of use in 5.0 GHz frequency bands
5150 to 5250 MHz: Operation is restricted to INDOOR use ONLY
5250 to 5350 MHz: Operation is restricted to INDOOR use ONLY
5470 to 5725 MHz: Operation can be used indoors or outdoors per EN 301-893893
v1.4.1
5725 to 5850 MHz: Operation currently NOT ALLOWED or supported in the 8120-O
Access Point.
Operating parameters for both indoor and outdoor operation in the frequency bands listed
above are identical in all member states, except those listed below:
Table 4: Excepted Member States
France: No operation is permitted in either the 5.25 to 5.35 GHz or 5.470 to 5.725 GHz
bands because the device is noncompliant with the DFS requirements stated
Regulatory Compliance Statements
8 Avaya WLAN 8100 Regulatory Information — WLAN AP 8120-O February 2012
Comments? infodev@avaya.com

in EN 301-893 v1.3.1. Therefore, no outdoor operation is supported in France
for the 8120-O access point.
Italy: Operation outdoors for IEEE 802.11a is prohibited without obtaining a license.
If the 8120-O is to be used beyond the boundaries of the owner's property, a
general authorization is required from the Ministry of communications. Please
check http://www.comunicazioni.it/it for further details. Operation on all
channels has been prohibited when either "outdoor" mode or an "outdoor
antenna configuration" is selected.
External Antenna Statement
Intentional radiators, such as the Avaya WLAN 8120-O access point are not intended to be
operated with any antenna(s) other than those furnished by Avaya. An intentional radiator may
only be operated with the antenna(s) with which it is authorized. For a complete listing of the
authorized antennas for use with this product, visit
http://www.avaya.com/support
In order to ensure continued compliance, use of an antenna not on the Avaya approved
antenna list is not allowed without specific authorization from Avaya. Use of an antenna not
specifically authorized by Avaya may not comply with local regulatory requirements with
respect to radiated emission limits and may result in illegal operation of the product. The
installer of the wireless system and associated antenna is required to ensure that only those
antennas on the Avaya approved antenna list or those antennas specifically approved by
Avaya on a case by case basis are deployed with the intentional radiator. Be sure to associate
the appropriate antenna model number and localized regulatory region when selecting the
Avaya authorized antenna(s).
Dynamic Frequency Selection (DFS) in the 5.0 GHz UNII
bands
The WLAN AP 8120-O access point has been prohibited, via software, from operating in the
5250 to 5350 MHz and 5470 to 5725 MHz frequency bands for the US and Canada because
it does not meet the DFS requirements as outlined in the rules of the FCC for Part 15, Subpart
E that came into force on July 20, 2007.
Canadian IC Statements
This device complies with Industry Canada licence-exempt RSS standard(s). Operation is
subject to the following two conditions: (1) this device may not cause interference, and (2) this
device must accept any interference, including interference that may cause undesired
operation of the device.
Le présent appareil est conforme aux CNR d'Industrie Canada applicables aux appareils radio
exempts de licence. L'exploitation est autorisée aux deux conditions suivantes : (1) l'appareil
Dynamic Frequency Selection (DFS) in the 5.0 GHz UNII bands
Avaya WLAN 8100 Regulatory Information — WLAN AP 8120-O February 2012 9

ne doit pas produire de brouillage, et (2) l'utilisateur de l'appareil doit accepter tout brouillage
radioélectrique subi, même si le brouillage est susceptible d'en compromettre le
fonctionnement.
The device for operation in the band 5150-5250 MHz is only for indoor use to reduce the
potential for harmful interference to co-channel mobile satellite systems.
Les dispositifs fonctionnant dans la bande 5150-5250 MHz sont réservés uniquement pour
une utilisation à l’intérieur afin de réduire les risques de brouillage préjudiciable aux systèmes
de satellites mobiles utilisant les mêmes canaux.
Be advised that high-power radars are allocated as primary users (i.e. priority users) of the
bands 5250-5350 MHz and 5650-5850 MHz and that these radars could cause interference
and/or damage to LE-LAN devices.
Les utilisateurs de radars de haute puissance sont désignés utilisateurs principaux (c.-à-d.,
qu’ils ont la priorité) pour les bandes 5250-5350 MHz et 5650-5850 MHz et que ces radars
pourraient causer du brouillage et/ou des dommages aux dispositifs LAN-EL.
European Union and European Free Trade Association
(EFTA) Regulatory Compliance
This equipment may be operated in the countries that comprise the member countries of the
European Union and the European Free Trade Association. These countries, listed in the
following paragraph, are referred to as The European Community throughout this document:
AUSTRIA, BELGIUM, BULGARIA, CYPRUS, CZECH REPUBLIC, DENMARK, ESTONIA,
FINLAND, FRANCE, GERMANY, GREECE, HUNGARY, IRELAND, ITALY, LATVIA,
LITHUANIA, LUXEMBOURG, MALTA, NETHERLANDS, POLAND, PORTUGAL, ROMANIA,
SLOVAKIA, SLOVENIA, SPAIN, SWEDEN, UNITED KINGDOM, ICELAND, LICHTENSTEIN,
NORWAY, SWITZERLAND.
The WLAN AP 8120-O access point communicates with an Avaya WLAN 8100 Wireless
Controller using a standard CAT-5 (Category 5) or higher 1000 Mbps twisted pair Ethernet
cable to provide wireless local area networking (WLAN) capabilities. The WLAN AP 8120-O
access point includes two 802.11a+n, b/g+n radios.
Declaration of Conformity
Marking by this symbol
indicates compliance with the Essential Requirements of the R&TTE Directive of the European
Union (1999/5/EC). This equipment meets the following conformance standards:
Regulatory Compliance Statements
10 Avaya WLAN 8100 Regulatory Information — WLAN AP 8120-O February 2012
Comments? infodev@avaya.com

Safety: EN 60950-1:2001 + A11:2004
EMC: EN 55022:2006, EN 55024:1998 + A1:2001 + A2:2003, EN 301-489-1 v1.6.1, EN
301-489-17 v1.2.1, CISPR22:2005, CISPR24
Including: EN 61000-3-2, -3-3, -4-2, -4-3, -4-4, -4-5, -4-6 and -4-11. The product is also licensed
as required for additional country specific standards as required for the International
Marketplace.
Radio: EN 300-328 v.1.7.1 (2006-10) & EN 301-893 v.1.5.1 (2008-12)
DEVIATION: The WLAN AP 8120-O access point was tested to and are compliant with all of
the technical specifications of EN 301-893 v1.5.1 for operation in the 5.0 GHz bands, except
the DFS requirements in the 5600 – 5650 MHz band.
IEEE 802.11a operation in the 5250 to 5350 MHz and 5470 to 5725 MHz frequency bands is
governed by ETSI EN 301-893 v1.5.1 and the R&TTE Directive 1999/5/EC. Effective July 1,
2008, EN 301-893 v1.5.1 was updated to require compliance with 0.8 μsecond pulse widths
and staggered PRF’s in the 5470 – 5725 MHz band. The WLAN AP 8120-O access point meets
compliance with these new mandates by disabling operation, via software, on channels 120,
124, 128 and 132 in the 5600 to 5650 MHz frequency band because it cannot meet the 0.8
μsecond pulse width and staggered PRF DFS requirements as outlined in the updated EN
301-893 v1.5.1 standard.
Electromagnetic compatibility and Radio spectrum Matters (ERM); Wideband transmission
systems; Data transmission equipment operating in the 2,4 GHz ISM band and using wide
band modulation techniques and Broadband Radio Access Networks (BRAN); 5 GHz high
performance RLAN. Certifications are harmonized to the EN standards covering essential
requirements under article 3.2 of the R&TTE Directive.
SAR: EN 50385:2002
European Community Declaration of Conformity
WLAN Radio Model, AP 8120-O, as stated in the following Declarations of Conformity,
represents all models in the WLAN AP 8120-O listed above.
Bulgaria български
С това, avayal обявява, че този модел на радио на WLAN Радио Модел
AP 8120-O, е със съгласие с съществените изисквания и други важни
условия на директива 1999/5 на европейски съюз
Czech
Republic
Èesky
Avaya tímto prohlašuje, že tento WLAN Rádio Model, AP 8120-O, je ve shodì
se základními požadavky a dalšími pøíslušnými ustanoveními smìrnice
1999/5/ES.
Denmark Dansk
European Community Declaration of Conformity
Avaya WLAN 8100 Regulatory Information — WLAN AP 8120-O February 2012 11

Undertegnede Avayaerklærer herved, at følgende udstyr WLAN Radio Model,
AP 8120-O, overholder de væsentlige krav og øvrige relevante krav i direktiv
1999/5/EF.
English English
Hereby, Avaya declares that this WLAN Radio Model, AP 8120-O , is in
compliance with the essential requirements and other relevant provisions of
Directive 1999/5/EC.
Estonia Eesti
Käesolevaga kinnitab Avayaseadme WLAN Radio Model, AP 8120-O,
vastavust direktiivi 1999/5/EÜ põhinõuetele ja nimetatud direktiivist
tulenevatele teistele asjakohastele sätetele.
Finland Suomi
Avayavakuuttaa täten että WLAN Radio Esikuvallinen, AP 8120-O, tyyppinen
laite on direktiivin 1999/5/EY oleellisten vaatimusten ja sitä koskevien
direktiivin muiden ehtojen mukainen.
France Français
Par la présente Avaya déclare que l'appareil Model Par radio, AP 8120-O de
WLAN, est conforme aux exigencies essentielles et aux autres dispositions
pertinentes de la directive 1999/5/CE.
Germany Deutsch
Hiermit erklärt Avaya., dass sich das Gerät WLAN Radiomodell, AP 8120-O,
in Übereinstimmung mit den grundlegenden Anforderungen und den übrigen
einschlägigen Bestimmungen der Richtlinie 1999/5/EG befindet.
Greece ΕΛΛΗΝΙΚΗ
Hungary Magyar
Alulírott, Avayanyilatkozom, hogy a WLAN Rádió Minta, AP 8120-O, megfelel
a vonatkozó alapvetõ követelményeknek és az 1999/5/EC irányelv egyéb
elõírásainak.
Italy Italiano
Con la presente Avayadichiara che questo Modello Radiofonico WLAN, AP
8120-O di WLAN, è conforme ai requisiti essenziali ed alle alter disposizioni
pertinenti stabilite dalla direttiva 1999/5/CE.
Latvia Latviski
Ar šo Avayadeklarç, ka WLAN Radio Model, AP 8120-O, atbilst Direktîvas
1999/5/EK bûtiskajâm prasîbâm un citiem ar to saistîtajiem noteikumiem.
Lithuania Lietuviø
Šiuo Avayadeklaruoja, kad šis WLAN Radio Model, AP 8120-O, atitinka
esminius reikalavimus ir kitas 1999/5/EB Direktyvos nuostatas.
Malta Malti
Regulatory Compliance Statements
12 Avaya WLAN 8100 Regulatory Information — WLAN AP 8120-O February 2012
Comments? infodev@avaya.com

Hawnhekk, Avaya., jiddikjara li dan WLAN Radio, Model AP 8120-O,
jikkonforma mal-tiijiet essenzjali u ma provvedimenti orajn relevanti li hemm
fid-Dirrettiva 1999/5/EC.
Netherland
s
Netherlands
Hierbij verklaart Avayadat het toestel WLAN Radiomodel, AP 8120-O, in
overeenstemming is met de essentiële eisen en de andere relevante
bepalingen van richtlijn 1999/5/EG.
Poland Polski
Niniejszym Avayaooewiadcza, ¿e WLAN Radio Model, AP 8120-O, jest
zgodny z zasadniczymi wymogami oraz pozosta³ymi stosownymi
postanowieniami Dyrektywy 1999/5/EC.
Portugal Português
Avaya declara que este Modelo De rádio WLAN, AP 8120-O , está conforme
com os requisitos essenciais e outras disposições da Directiva 1999/5/CE.
Romania Român
Astfel, Avaya declarã acel acest WLAN Radio Model, AP 8120-O, este în
conformitate cu cerinþele necesare ºi proviziile alte semnificative de Directive
1999 5 EC.
Slovakia Slovensky
Avaya týmto vyhlasuje, že WLAN Radio Model,AP 8120-O spåòa základné
požiadavky a všetky príslušné ustanovenia Smernice 1999/5/ES.
Slovenia Slovensko
Avaya izjavlja, da je ta WLAN Radio Model, AP 8120-O, v skladu z bistvenimi
zahtevami in ostalimi relevantnimi doloèili directive 1999/5/ES.
Spain Español
Por medio de la presente Avaya declara que el Modelo De radio, AP 8120-O
de WLAN, cumple con los requisitos esenciales y cualesquiera otras
disposiciones aplicables o exigibles de la Directiva 1999/5/CE.
Sweden Svenska
Härmed intygar Avaya elatt denna WLAN Radiotelegrafera till Modell, AP
8120-O, står I överensstämmelse med de väsentliga egenskapskrav och
övriga relevanta bestämmelser som framgår av direktiv 1999/5/EG.
Countries of Operation and Restrictions of Use in the
European Community
Countries of Operation and Restrictions of Use in the European Community
Avaya WLAN 8100 Regulatory Information — WLAN AP 8120-O February 2012 13

Operation Using the 2.400 to 2.4835 GHz Channels in the
European Community
The professional installer should use the configuration utility provided with this product to verify
the current channel of operation, the expected transmit power level, and to confirm that the
device is operating in conformance with the spectrum usage rules for the selected European
Community country. If operation is occurring outside of the allowable channels as indicated in
this guide, then operation of the product must cease immediately and the installer must consult
with the local technical support staff responsible for the wireless network.
This device is intended to be operated in all countries of the European Community. Additional
restrictions of use for the WLAN AP 8120-O within the European Community countries in the
2.400 to 2.4835 GHz band are listed below.
• The frequencies associated with channels 1 to 13 in the 2.400 to 2.4835 GHz band are
allowed to be used either indoors or outdoors in all countries of the European Community,
except where noted below.
• In France, the following operation is permitted:
- Indoor operation is permitted in the 2.400 to 2.4835 GHz band on channels 1 to 13 at
a maximum EIRP of 100 mW (20 dBm).
The WLAN AP 8120-O is guaranteed to meet this limit by automatically adjusting the transmit
power level through the operating software.
Operation Using the 5.15 to 5.25 GHz, 5.25 to 5.35 GHz, and
5.470 to 5.725 GHz Channels in the European Community
To remain in conformance with European National spectrum usage laws, follow the channel
limitations associated with the 5 GHz bands as specified in this document. The professional
installer should verify the current channel of operation and the expected transmit power level
of the WLAN AP 8120-O to confirm that the device is operating in conformance with the
spectrum usage rules for the European Community country where the unit is being installed.
If operation is occurring outside of the allowable frequencies or above the power levels, as
indicated in this guide, then operation of the product must cease immediately and the installer
must consult with the local technical support staff responsible for the wireless network.
This device is intended to be operated in all countries of the European Community. Additional
restrictions of use for the WLAN AP 8120-O within the European Community countries in the
5.15 to 5.25 GHz, 5.25 to 5.35 GHz, and 5.470 to 5.725 GHz bands are listed below.
•This device is restricted to indoor use only when operated in the European Community using
the 5.15-5.25 GHz and 5.25-5.35 GHz bands, which includes channels 36, 40, 44, 48, 52,
Regulatory Compliance Statements
14 Avaya WLAN 8100 Regulatory Information — WLAN AP 8120-O February 2012
Comments? infodev@avaya.com

56, 60 & 64. • The 5 GHz Turbo Mode feature is not allowed for operation in any European
Community country.
Russia, Belarus, and Kazakhstan Requirement
In order to comply with existing laws, Avaya's products that are supplied to Russia, Belarus,
and Kazakhstan are supplied with a configuration which is in line with existing legislation.
Modifications may lead to product certifications becoming invalid. Any modification of
preinstalled software and firmware, including installation of other or more current firmware or
software, therefore is done at the responsibility of the person or company executing the
changes. Avaya is not responsible for any modifications to the product made on or for use on
the territory of Russia, Belarus and Kazakhstan other than modifications executed and certified
by Avaya itself.
Antenna Statement
Intentional radiators, such as the WLAN AP 8120-O, are not intended to be operated with any
antenna(s) other than those furnished by
Avaya. An intentional radiator may only be operated
with the antenna(s) with which it is authorized.
Use of an antenna not specifically authorized by Avaya may not comply with local regulatory
requirements with respect to radiated emission limits and may result in illegal operation of the
product. The installer of the wireless system and associated antenna is required to ensure that
only those antennas specifically approved by Avaya are deployed with the intentional
radiator.
Be sure to associate the appropriate antenna model number and localized regulatory region
when selecting the Avaya authorized antenna(s).
Russia, Belarus, and Kazakhstan Requirement
Avaya WLAN 8100 Regulatory Information — WLAN AP 8120-O February 2012 15
Chapter 2: Devices with detachable
antennas
Under Industry Canada regulations, this radio transmitter may only operate using an antenna of a type
and maximum (or lesser) gain approved for the transmitter by Industry Canada. To reduce potential radio
interference to other users, the antenna type and its gain should be so chosen that the equivalent
isotropically radiated power (e.i.r.p.) is not more than that necessary for successful communication.
Conformément à la réglementation d'Industrie Canada, le présent émetteur radio peut fonctionner avec
une antenne d'un type et d'un gain maximal (ou inférieur) approuvé pour l'émetteur par Industrie Canada.
Dans le but de réduire les risques de brouillage radioélectrique à l'intention des autres utilisateurs, il faut
choisir le type d'antenne et son gain de sorte que la puissance isotrope rayonnée équivalente (p.i.r.e.) ne
dépasse pas l'intensité nécessaire à l'établissement d'une communication satisfaisante.
This radio transmitter WLAN AP 8120-O has been approved by Industry Canada to operate with the
antenna types listed below with the maximum permissible gain and required antenna impedance for each
antenna type indicated. Antenna types not included in this list, having a gain greater than the maximum
gain indicated for that type, are strictly prohibited for use with this device.
Le présent émetteur radio WLAN AP 8120-O a été approuvé par Industrie Canada pour fonctionner avec
les types d'antenne énumérés ci-dessous et ayant un gain admissible maximal et l'impédance requise
pour chaque type d'antenne. Les types d'antenne non inclus dans cette liste, ou dont le gain est supérieur
au gain maximal indiqué, sont strictement interdits pour l'exploitation de l'émetteur.
The following lists describe the Avaya approved and optimized antenna types and modes for use with the
transmitter:
1. Master Wave:
Maximum permissible antenna gain: 7dBi
IEEE 802.11a/n (5GHz WLAN)
radio 1
Product code: 98618UNXX001
2. Master Wave:
Maximum permissible antenna gain: 7dBi
IEEE 802.11b/g/n (2.4GHz WLAN)
radio 2
Product code: 98618MNXX002
Avaya WLAN 8100 Regulatory Information — WLAN AP 8120-O February 2012 17
5dBi

Chapter 3: English
About this task
Using the following procedures and information when installing the Avaya WLAN AP 8120-O.
Introduction
This section describes site conditions required before installing the WLAN AP 8120-O access
point.
Site Planning
Perform a visual inspection to determine and document the physical characteristics of the site.
Ensure that the site planning meets the following requirements before you begin the
installation:
• Identify the roof area, wall, or tower for mounting the WLAN AP 8120-O.
• Choose a site with a clear line-of-sight from the transmitting antenna.
• Determine the access area, such as a stairway or a ladder.
• Identify existing equipment installations and assess the condition of proposed towers or
mounting structures.
• Assess environmental conditions, such as temperature, ventilation, and humidity.
Ethernet
The WLAN AP 8120-O must be closer than 100 meters from the Power over Ethernet (PoE).
Note:
Avaya recommends that you use outdoor CAT5E Ethernet cable for all external
connections.
Antenna
The WLAN AP 8120-O uses two 5.0 GHz and two 2.4 GHz antennas.
Caution:
Only use Avaya approved antennas with the WLAN AP 8120-O. A WLAN AP 8120-O that
is outfitted with non-certified Avaya antennas is not supported under Avaya support
agreements.
Avaya WLAN 8100 Regulatory Information — WLAN AP 8120-O February 2012 19

Safety Precautions
This section describes powerline, installation, and surge protection safety precautions for the
WLAN AP 8120-O.
Warning:
Only qualified service personnel must perform installation. Read and follow all warning
notices and instructions marked on the product or included in the documentation.
Powerline
Warning:
Avaya warns that failure to comply with power and safety instructions could cause harm to
persons and equipment.
Ensure that the following precautions are implemented:
Warning:
Coming in contact with power lines can be lethal.
• Ensure that there are no accessible power lines near the installation site to avoid
accidental or incidental human contact with these lines.
• Ensure that antennas, masts, towers, guy wires or cables cannot come into contact
with these powerlines. Try to plan for potential leaning or falling of this equipment into
these lines.
•You may get injured or killed if you are touching or holding any part of equipment when
it contacts electric power lines.
•Ensure there is NO possibility that equipment or personnel can come in contact directly
or indirectly with power lines.
• If anything, such as a wire or mast, does come in contact with a powerline, DO NOT
TOUCH IT OR ATTEMPT TO MOVE IT. Call the power company.
• Do not attempt to erect antennas or towers on windy days.
Installation
Before installing the WLAN AP 8120-O on the mast ensure the following conditions are met
for the mast:
•The horizontal distance from a tower, mast or antenna to the nearest power line must be
at least twice the total length of the mast/antenna combination. This ensures that the mast
does not contact the power line if it falls either during installation or later.
• Make sure that all towers and masts are securely grounded. Securely grounded
equipment helps to prevent fire damage or human injury in case of lightning, static build-
up, or short circuit.
Lightning surge protection
The Avaya-provided series indoor Ethernet surge arrester (lightning protector) provides high-
level protection for the Ethernet and/or Power over Ethernet (POE) equipment located inside
English
20 Avaya WLAN 8100 Regulatory Information — WLAN AP 8120-O February 2012
Comments? infodev@avaya.com

the building. In the event of a local strike, the Ethernet surge arrester instantaneously limits
sudden voltage surges across the cable.
Note:
The Avaya-provided series indoor Ethernet surge arrester is not rated for outdoor use. You
must only install the device indoors.
Warning:
You are required to have a rated surge protector for any cable exiting the building. The
required components must be rated and approved for use in the intended application.
Complete the following general safety guidelines when installing the Avaya Ethernet surge
arrester:
•Mount the Ethernet surge arrester indoors close to the Ethernet cable exit point from the
building. The cables must exit the building through a customer-provided access, possibly
through the drilled hole where there are communications pipes.
• For best results, install the Ethernet surge arrester indoors in close proximity to a low-
resistance ground at a point where the Ethernet cable exits the building.
•Install the Ethernet surge arrester in an indoor accessible location that allows for periodic
inspection. Provide drip loops in the cables to prevent water from entering the building.
• To connect the Ethernet surge arrester to ground, use the shortest and most direct run
possible with #8 solid copper wire (or equivalent).
See, Installing the Ethernet surge arrester on page 39 for specifications and installation
instructions for the Ethernet surge arrester.
You can view, download, and print an expanded version of this document including translations
into French, German, Spanish, and Portuguese from the support portal at http://
www.avaya.com/support . You can also download the complete WLAN 8100 documentation
suite from this location.
© 2012 Avaya Inc.
Installing the WLAN AP 8120-O
This section describes how to:
• mount the WLAN AP 8120-O on a vertical pole
• mount the WLAN AP 8120-O on a horizontal pole
• mount the WLAN AP 8120-O on a wall
• install an Ethernet surge arrester
• waterproof an outdoor Ethernet cable end plug
• install a Power over Ethernet (PoE) injector
Installing the WLAN AP 8120-O
Avaya WLAN 8100 Regulatory Information — WLAN AP 8120-O February 2012 21

Hardware
The installation kit contains the following:
• 1 Avaya WLAN AP8120-O access point
•1 Mounting kit:
- 1 plane bracket
- 2 brackets for base
- 2 hose straps – 2.5" and 5" diameter
- 4 bolts
- 4 roundhead
- 8 hexcap screws
• 1 Ethernet surge arrester
• 1 grommet for waterproofing the Ethernet connection on the access point
• 2 x 2.4 GHz antennas
• 2 x 5 GHz antennas
Equipment heat and cold loading requirements
The WLAN 8100 AP 8120-O must operate between -40 to +55℃.
Cable requirements
Before connecting the AP 8120-O with an Ethernet UTP cable you must ensure that the cable
has been properly waterproofed for out door use. For instructions on how to waterproof the
Ethernet UTP cable, see Waterproofing the Ethernet UTP cable on page 23.
Warning:
You must use a certified outdoor UTP cable or risk injury from electrical shock.
Note:
Avaya recommends using only a certified outdoor UTP cable such as the Cat5E.
The AP 8120-O access point has one RJ-45 port that provides a 10/100/1000BASE-TX
Ethernet connection that is used to indirectly connect the access point to an Avaya WC 8180
WLAN controller, typically through an intermediate Layer 2 or Layer 3 network. When
connecting an outdoor access point, use a Category 5e (CAT-5e) cable with straight-through
signaling and standard RJ-45 connectors to connect to a network device.
English
22 Avaya WLAN 8100 Regulatory Information — WLAN AP 8120-O February 2012
Comments? infodev@avaya.com

Avaya strongly recommends that you use an outdoor CAT-5E Ethernet cable for all external
connections.
The AP8120-O supports 802.3at (also known as PoE+). Avaya recommends that you use an
Avaya-provided PoE power injector when operating the AP8120-O. The access point receives
power and data through the RJ-45 port. Refer to Installing the Power over Ethernet injector on
page 43 for more information.
The Ethernet port on the access point cannot accept a cable that has an uneven sheath as
shown below. With an uneven sheath, the RJ-45 connector on the cable will not seat properly
in the receptacle on the access point. Use a cable with an even sheath instead.
Figure 1: CAT-5 connector showing uneven sheath
Waterproofing the Ethernet UTP cable
Before connecting the outdoor Ethernet cable to the WLAN AP 8120-O you must first
waterproof the Ethernet UTP cable or risk an electrical shock.
To waterproof the Ethernet cable, complete the following procedure:
Note:
Avaya recommends using only an certified outdoor UTP cable such as a CAT-5E cable.
Procedure
1. Unscrew the waterproof feed through cap and extract the grommet seal.
2. Slide the Ethernet UTP cable through the compression cap, the grommet seal, and
the Ethernet feed through body.
3. Strip the end of the Ethernet UTP cable to the length required for the 8P8C plug.
4. Insert the stripped end of the cable into the plug following either EIA/TIA 568A or
568B wiring as listed in the following table. Ensure that both ends of the cable have
the same pinout for the RJ45 connectors.
5. Crimp the 8P8C connector to the cable.
Installing the WLAN AP 8120-O
Avaya WLAN 8100 Regulatory Information — WLAN AP 8120-O February 2012 23

6. Verify that the crimped cable has end-to-end continuity for all eight conductors and
plug shields.
7. Install the crimped plug into the external WLAN AP 8120-O Ethernet port found on
the bottom of the AP 8120-O.
8. Screw the waterproof feed through body to the external WLAN AP 8120-O Ethernet
port threads.
9. Slide the compression grommet into the body of the feed through.
10. Push the cable through the compression cap to the feed through body by hand to
tighten the seal.
Figure 2: Waterproofing the Ethernet plug
English
24 Avaya WLAN 8100 Regulatory Information — WLAN AP 8120-O February 2012
Comments? infodev@avaya.com

Table 5: EIA/TIA wiring
EIA/TIA 568-A WIRING EIA/TIA 568-B WIRING
PIN 1– Green and white PIN 1– Orange and white
PIN 2– Solid green PIN 2– Solid orange
PIN 3– Orange and white PIN 3– Green and white
PIN 4– Solid blue PIN 4– Solid blue
PIN 5– Blue and white PIN 5— Blue and white
PIN 6– Solid orange PIN 6– Solid green
PIN 7– Brown and white PIN 7– Brown and white
PIN 8– Solid brown PIN 8– Solid brown
Installing the WLAN AP 8120-O on a vertical pole
About this task
Complete the following procedure to mount the WLAN AP 8120-O on a vertical pole.
Procedure
1. Place the lock and flat washers on the four hex cap screws.
Installing the WLAN AP 8120-O
Avaya WLAN 8100 Regulatory Information — WLAN AP 8120-O February 2012 25

Figure 4: Attaching static bracket to plane bracket
4. Drive the four round head screws to attach the static bracket to the plane bracket.
5. Thread the open end of the hose strap through the two tabs on the static bracket.
Installing the WLAN AP 8120-O
Avaya WLAN 8100 Regulatory Information — WLAN AP 8120-O February 2012 27

Figure 5: Attaching hose strap to static bracket
6. Tighten the lock of the hose strap to secure the bracket to the pole.
Figure 6: Tightening the hose strap
7. Verify that the WLAN AP 81208-O is attached securely to the pole.
8. Insert
Avaya 5 GHz antennas as required into the connectors at the top of the WLAN
AP 8120-O. Tighten the antennas by hand.
9. Insert Avaya 2.4 GHz antennas as required into the connectors at the bottom of the
WLAN AP 8120-O Tighten the antennas by hand.
English
28 Avaya WLAN 8100 Regulatory Information — WLAN AP 8120-O February 2012
Comments? infodev@avaya.com

Figure 7: AP 8120-O antenna connectors
10. The WLAN AP 8120-O is powered by a Power over Ethernet (PoE) device. Choose
one of the following options to connect an Ethernet surge arrester and PoE to the
WLAN AP 8120-O.
Note:
If you are using the Avaya PoE injector, you are not required to use the supplied
Ethernet surge arrester as the Avaya PoE injector has internal surge
protection.
a. To connect the supplied Ethernet surge arrester to the WLAN AP 8120-O, see
Installing the Ethernet surge arrester on page 39.
b. To connect the Avaya PoE injector to the WLAN AP 8120-O, see Installing the
Power over Ethernet injector on page 43.
Installing the WLAN AP 8120-O
Avaya WLAN 8100 Regulatory Information — WLAN AP 8120-O February 2012 29

Mounting the WLAN AP 8120-O on a horizontal pole
About this task
Complete the following procedure to mount the WLAN AP 8120-O on a horizontal pole.
Procedure
1. Place the lock and flat washers on the four hex cap screws.
Figure 8: Attaching the plane bracket to backcase
2. Drive the screws to attach the plane bracket to the back case.
3. Align the static brackets tab holes vertically to the pole.
English
30 Avaya WLAN 8100 Regulatory Information — WLAN AP 8120-O February 2012
Comments? infodev@avaya.com

Figure 9: Attaching static bracket to plane bracket
4. Drive the four round head screws to attach the static bracket to the plane bracket.
5. Thread the open end of the hose strap through the two tabs on the static bracket.
Installing the WLAN AP 8120-O
Avaya WLAN 8100 Regulatory Information — WLAN AP 8120-O February 2012 31

Figure 10: Attaching hose strap to static bracket
6. Tighten the lock of the hose strap to secure the bracket to the pole.
Figure 11: Tightening the hose strap
7. Verify that the WLAN AP 81208-O is attached securely to the pole.
8. Insert
Avaya 5 GHz antennas as required into the connectors at the top of the WLAN
AP 8120-O. Tighten the antennas by hand.
English
32 Avaya WLAN 8100 Regulatory Information — WLAN AP 8120-O February 2012
Comments? infodev@avaya.com

9. Insert Avaya 2.4 GHz antennas as required into the connectors at the bottom of the
WLAN AP 8120-O. Tighten the antennas by hand.
Figure 12: AP 8120-O antenna connectors
10. The WLAN AP 8120-O is powered by a Power over Ethernet (PoE) device. Choose
one of the following options to connect an Ethernet surge arrester and PoE injector
to the WLAN AP 8120-O.
Note:
If you are using the Avaya PoE injector, you are not required to use the supplied
Ethernet surge arrester as the Avaya PoE injector has internal surge
protection.
a. To connect the supplied Ethernet surge arrester to the WLAN AP 8120-O, see
Installing the Ethernet surge arrester on page 39.
Installing the WLAN AP 8120-O
Avaya WLAN 8100 Regulatory Information — WLAN AP 8120-O February 2012 33

b. To connect the Avaya PoE injector to the WLAN AP 8120-O, see Installing the
Power over Ethernet injector on page 43.
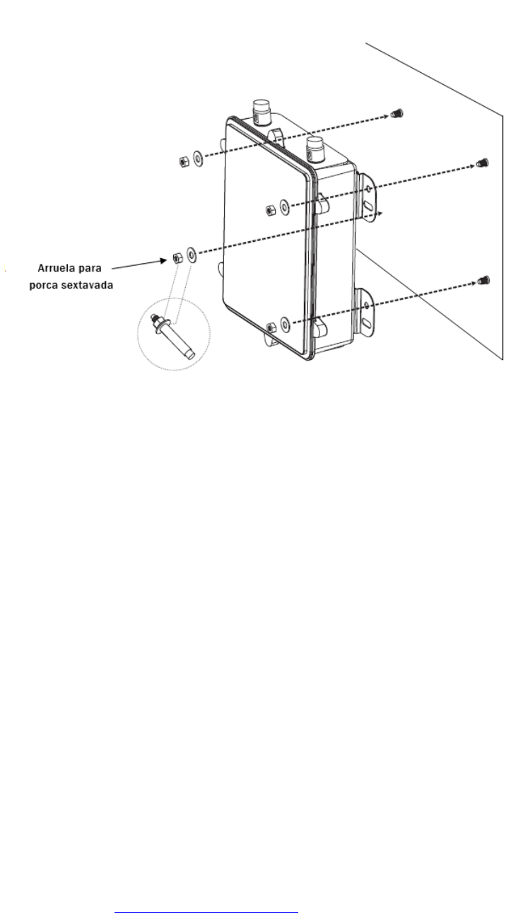
Installing the WLAN AP 8120-O on a wall
Complete the following procedure to mount the WLAN AP 8120-O on a wall.
Procedure
1. Mark the four locations of the mounting holes on the plane bracket on to the wall.
Figure 13: Marking holes on a surface
2. Drill an 8 mm- diameter hole with a depth of 36 mm to 38 mm into each of the
markings.
English
34 Avaya WLAN 8100 Regulatory Information — WLAN AP 8120-O February 2012
Comments? infodev@avaya.com

Figure 14: Drilling holes into surface
3. Hammer the bolt into each of the holes that you drilled.
4. Place the lock and flat washers on the four hex cap screws.
Installing the WLAN AP 8120-O
Avaya WLAN 8100 Regulatory Information — WLAN AP 8120-O February 2012 35

Figure 16: Securing the plane bracket
7. Verify that the WLAN AP 81208-O is attached securely to the wall.
8. Insert
Avaya 5 GHz antennas as required into the connectors at the top of the WLAN
AP 8120-O. Tighten the antennas by hand.
9. Insert Avaya 2.4 GHz antennas as required into the connectors at the bottom of the
WLAN AP 8120-O Tighten the antennas by hand.
Installing the WLAN AP 8120-O
Avaya WLAN 8100 Regulatory Information — WLAN AP 8120-O February 2012 37

Figure 17: AP 8120-O antenna connectors
10. The WLAN AP 8120-O is powered by a Power over Ethernet (PoE) device. Choose
one of the following options to connect an Ethernet surge arrester and PoE injector
to the WLAN AP 8120-O.
Note:
If you are using the Avaya PoE injector, you are not required to use the supplied
Ethernet surge arrester as the Avaya PoE injector has internal surge
protection.
a. To connect the supplied Ethernet surge arrester with the WLAN AP 8120-O,
see Installing the Ethernet surge arrester on page 39.
b. To connect the Avaya PoE injector to the WLAN AP 8120-O, see Installing the
Power over Ethernet injector on page 43.
English
38 Avaya WLAN 8100 Regulatory Information — WLAN AP 8120-O February 2012
Comments? infodev@avaya.com

Installing the Ethernet surge arrester
An Ethernet surge arrester is provided as an accessory with the AP8120-O access point. It is
for indoor installation and it provides lightning and surge protection for indoor Ethernet
equipment that are connected to AP8120-O. The Ethernet surge arrester is compatible with
Power Over Ethernet (POE) devices and supports normal and reverse polarity PoE. For a
typical installation, refer to the following diagram.
Note:
If you are using the Avaya PoE injector, you are not required to connect the Ethernet surge
arrester, because the Avaya PoE injector already has internal surge protection.
Warning:
The Ethernet surge arrester is an indoors unit only. You must not install the unit outdoors.
Operating specifications
The following table describes the operational ranges for the Ethernet surge arrester.
Table 6: Ethernet surge arrester operational specifications
Specification Range
DC spark-over voltage 75V +-25%
Impulse spark-over voltage 100V/us <=500V, at 1kV/us <=600V
Operation temperature -20°C to+60°C
Storage temperature -40°C to +85°C
Humidity 5% to 95% typical
Complete the following steps to install the Ethernet surge arrester for a WLAN AP8120-O
deployment.
Procedure
1. Mount the Ethernet surge arrester to a wall, screwing the two screws into the holes
Installing the WLAN AP 8120-O
Avaya WLAN 8100 Regulatory Information — WLAN AP 8120-O February 2012 39

Figure 18: Ethernet surge arrester top view
2. Unscrew the top screw of the Ethernet surge arrester with a Phillips screwdriver.
3. Using a certified grounding wire, screw one end of a copper grounding wire to the
large ground screw located between the two RJ-45 connectors as shown in the
following diagram.
English
40 Avaya WLAN 8100 Regulatory Information — WLAN AP 8120-O February 2012
Comments? infodev@avaya.com

Figure 19: Open Ethernet surge arrester showing ground screw and RJ-45 connectors
4. Connect the other end of the wire to a proper Earth ground.
5. Insert the Ethernet cable running from the Ethernet/PoE equipment into one of the
RJ-45 connectors in the Ethernet surge arrester.
6. Insert the wateproofed end of the Ethernet cable into the bottom of the WLAN AP
8120-O, tightening in place by hand. See the waterproofing the Ethernet UTP cable
section,Waterproofing the Ethernet UTP cable on page 23 for waterproofing the
Ethernet cable.
Installing the WLAN AP 8120-O
Avaya WLAN 8100 Regulatory Information — WLAN AP 8120-O February 2012 41

Figure 20: AP8120-O Ethernet surge arrester deployment
7. Insert the other end of the Ethernet cable into the unused cable port in the Ethernet
surge arrester.
8. Replace the top of the Ethernet surge arrester, ensuring the ground wire feeds
through the center opening and the Ethernet cables are fed through their respective
openings at the bottom of the Ethernet surge arrester.
English
42 Avaya WLAN 8100 Regulatory Information — WLAN AP 8120-O February 2012
Comments? infodev@avaya.com

9. Screw the top on securely.
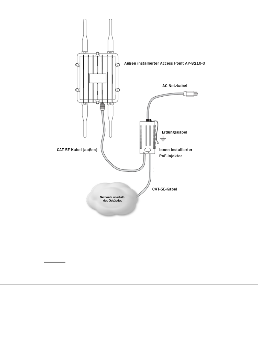
Installing the Power over Ethernet injector
Avaya provides a Power over Ethernet (PoE) injector for the AP8120 access point that you
can order separately. The PD-9001G-40/SP is a single port, Gigabit Midspan with surge
protection injector that is 802.3af and 802.3at compliant. When using the PD-9001G-40/SP,
you are not required to use the Ethernet surge arrester provided with the AP8120-O. For
release 1.2, the Avaya PoE injector is certified for use only in North America and the European
Union.
The following table describes the PD-9001G-40/SP operating specifications:
Table 7: PD-9001G-40/SP specifications
Specification Description
Ports 1
Pass through data rates 10/100/1000 Mbps
Power over Ethernet
output
Pin Assignment and Polarity:
• Output 4/5 (+), 7/8 (–)
• Output power voltage: 55 Vdc
• User port power: 40 Watts
Input power
requirements
AC input voltage: 100 to 240 Vac
AC input current: 0.8A @ 100-240 Vac
AC frequency: 50 to 60 Hz
Dimensions 87.9 mm x 43 mm x 166 mm
3.46 in. x 1.68 in. x 6.53 in
Weight .881 lbs (400g)
Indicators System Indicator: AC power (Green)
User Indicator: Channel power (Green)
Connectors Shielded RJ-45, EIA 568A and 568B
Environmental
conditions Operating Ambient Temperature: Conditions 14º to 113ºF -
(-10 to 45ºC)
Operating Humidity: Maximum 90%, Non-condensing
Storage Temperature: –4º to 158ºF (–20º to 70ºC)
Storage Humidity: Maximum 95%, Non-condensing
Operating Altitude: –1000 to 10,000 ft. (–304.8 to 3048 m)
Reliability MTBF: 100,000 hrs. @ 25ºC
Thermal rating 27 BTU/Hr (@ 240VAC)
Installing the WLAN AP 8120-O
Avaya WLAN 8100 Regulatory Information — WLAN AP 8120-O February 2012 43

Specification Description
Surge protection Meets surge protection as specified in GR-1089-Core Criteria
B:
• ± 1000V/100A @ 10/1000 [μS] Waveform
•± 2500V/500A @ 2/10 [μS] Waveform
• ± 1000V/25A @ 10/360 [μS] Waveform
About this task
To install the Power over Ethernet to the WLAN AP 8120-O , complete the following:
Procedure
1. Before connecting the Power on Ethernet adapter to the WLAN AP 8120-O you
must first ground the PoE. To ground and connect the PoE to the WLAN AP 8120-
O, complete the following:
a. Connect one end of the green grounding wire to the protruding copper ground
post on the bottom of the PoE.
b. Connect the other end of the ground wire to an acceptable Earth ground.
2. Attach the supplied power plug to the three-prong plug outlet on the bottom of the
PoE adapter.
Figure 21: Copper ground post on PoE
3. Connect the other end to a working AC outlet.
4. Insert one end of an Ethernet cable into the DATA IN port on the PoE adapter.
English
44 Avaya WLAN 8100 Regulatory Information — WLAN AP 8120-O February 2012
Comments? infodev@avaya.com

Figure 22: PoE DATA IN and DATA & POWER ports
5. Connect the other end to the Avaya WLAN switch. The AC indicator lights up.
Figure 23: PoE AC and PORT indicators
6. Insert the waterproofed connection of Ethernet cable into the Ethernet connector
found at the bottom of the WLAN AP 8120-O . Before inserting the Ethernet cable
into the Ethernet connector you must first waterproof and crimp your connection.
See, Waterproofing the Ethernet UTP cable on page 23 for waterproofing the
Ethernet cable.
Installing the WLAN AP 8120-O
Avaya WLAN 8100 Regulatory Information — WLAN AP 8120-O February 2012 45

Safety Messages
Caution:
The Avaya WLAN AP 8120-O radios are disabled by default and can be enabled only by a
system administrator.
Voltage:
Danger — High voltage. This situation or condition can cause injury or death due to electric
shock.
Warning:
Only a qualified service personnel must install this product. Read and follow all warning
notices and instructions marked on the product or included in the documentation.
Warning:
Install this device in such a manner as to maintain a minimum of 25 cm (9.9 inches)
separation distance between the radiating element(s) and all persons. This safety warning
conforms with FCC/IC radio frequency exposure limits.
Warning:
Do not operate access point near unshielded blasting caps or in an otherwise explosive
environment unless the device has been modified for such use by qualified personnel.
Warning:
Do not touch or move the access point when the antennas are transmitting or receiving.
Warning:
Before using a wireless device in a hazardous location, consult the local codes, national
codes, and safety directors of the location for usage constraints.
Caution:
Do not install the outdoor antenna or connect it to the surge suppressor/access point during
a storm.
Caution:
The power source equipment connected to the access point, such as the Wireless Security
Switch or PoE injector, must be provided with a reliable earth ground to ensure safety of the
system.
Warning:
Do not touch or move the access point when the antennas are transmitting or receiving.
Safety Messages
Avaya WLAN 8100 Regulatory Information — WLAN AP 8120-O February 2012 47

Warning:
Intentional radiators, such as the Avaya WLAN AP 8120-O are not intended to be operated
with any antenna(s) other than those furnished by Avaya. An intentional radiator may only
be operated with the antenna(s) with which it is authorized. For a complete listing of the
authorized antennas for use with this product, visit http://www.avaya.com/support.
Warning:
All wiring and cables to the access point, the surge suppressor and the outdoor antenna
should be routed separately. It is particularly important that AC wiring or other outside cabling
does not come in contact with the access point, antenna cables or interface wiring.
Warning:
Earth grounding is required for a WSS installed in a rack. If you are relying on the rack to
provide ground, the rack itself must be grounded with a ground strap to the earth ground.
Metal screws attaching the switch to the rack provide ground attachment to the rack.
Warning:
A properly rated surge suppressor is required for any cable/antenna combination exiting the
building. The required components must be rated and approved for use in the intended
application.
Warning:
Avaya requires that the access point in the outdoor enclosure be powered with a Power
Over Ethernet (POE) that is supplied only from a WLAN Avaya 8100.
English
48 Avaya WLAN 8100 Regulatory Information — WLAN AP 8120-O February 2012
Comments? infodev@avaya.com

Kapitel 4: Deutsch
Warum und wann dieser Vorgang ausgeführt wird
Beachten Sie die folgenden Verfahren und Informationen zur Installation des Avaya WLAN-AP 8120-O.
Einführung
In diesem Abschnitt werden die Standortanforderungen zur Installation des WLAN-AP 8120-
O beschrieben.
Standortplanung
Bestimmen und dokumentieren Sie anhand einer Sichtprüfung die Eigenschaften des
Standorts. Stellen Sie vor der Installation sicher, dass der Standort die folgenden
Anforderungen erfüllt:
• Ermitteln Sie den Dachbereich, die Wand oder den Mast zur Montage des WLAN-
AP 8120-O.
• Wählen Sie einen Standort mit Sichtverbindung zur Sendeantenne.
• Ermitteln Sie den Zugangsbereich (z. B. Treppe oder Leiter).
•Ermitteln Sie eventuell vorhandene Installationen, und untersuchen Sie den Zustand der
infrage kommenden Masten oder Montageoberflächen.
• Untersuchen Sie die Umgebungsbedingungen wie Temperatur, Belüftung und
Luftfeuchtigkeit.
Ethernet
Der WLAN-AP 8120-O muss sich in einem Radius von 100 Metern des PoE (Power over
Ethernet) befinden.
Hinweis:
Avaya empfiehlt die Verwendung wetterfester Cat-5e-Ethernet-Kabel für alle externen
Verbindungen.
Antenne
Der WLAN-AP 8120-O verwendet zwei 5,0-GHz- und zwei 2,4-GHz-Antennen.
Vorsicht:
Verwenden Sie für den WLAN-AP 8120-O ausschließlich von Avaya zertifizierte Antennen.
Ein mit nicht von Avaya zertifizierten Antennen ausgestatteter WLAN-AP 8120-O wird nicht
von den Avaya-Supportvereinbarungen abgedeckt.
Avaya WLAN 8100 Regulatory Information — WLAN AP 8120-O February 2012 49

Sicherheitsmaßnahmen
In diesem Abschnitt werden die erforderlichen Sicherheitsmaßnahmen in Bezug auf
Stromleitungen, Installation und Überspannungsschutz für den WLAN-AP 8120-O
beschrieben.
Warnung:
Die Installation darf nur von qualifiziertem Wartungspersonal durchgeführt werden. Lesen
und befolgen Sie alle Warnhinweise und Anweisungen, die am Produkt angebracht oder in
der Dokumentation zu finden sind.
Stromleitungen
Warnung:
Die Nichteinhaltung der folgenden Sicherheitsmaßnahmen kann zu Personen- und
Sachschäden führen.
Stellen Sie sicher, dass die folgenden Vorsichtsmaßnahmen getroffen werden:
Warnung:
Bei direktem Kontakt mit Stromleitungen besteht Lebensgefahr.
• Stellen Sie sicher, dass sich keine offenen Stromleitungen in der Nähe des
Installationsstandorts befinden, um einen versehentlichen Kontakt zu vermeiden.
•Stellen Sie sicher, dass die Stromleitungen nicht in Kontakt mit Antennen, Masten,
Abspannseilen oder Kabeln kommen können. Bedenken Sie dabei auch, dass sich
diese Komponenten unter Umständen auf die Stromleitungen neigen oder dass sie
darauf fallen können.
•Die Berührung einer Komponente, die in Kontakt mit einer Stromleitung steht, kann zu
Verletzungen oder zum Tod führen.
•Stellen Sie sicher, dass Personen oder Komponenten UNTER KEINEN UMSTÄNDEN
direkt oder indirekt in Kontakt mit Stromleitungen kommen können.
• Sollte dennoch eine Komponente (z. B. ein Kabel oder Mast) in Kontakt mit einer
Stromleitung kommen, BERÜHREN SIE DIESE KOMPONENTE KEINESFALLS.
Verständigen Sie umgehend das Stromversorgungsunternehmen.
• Antennen oder Masten dürfen nicht an windigen Tagen aufgestellt werden.
Deutsch
50 Avaya WLAN 8100 Regulatory Information — WLAN AP 8120-O February 2012
Kommentare? infodev@avaya.com

Installation
Stellen Sie vor der Montage des WLAN-AP 8120-O an einem Mast sicher, dass die folgenden
Bedingungen erfüllt sind:
•Der horizontale Abstand eines Masts oder einer Antenne zur nächsten Stromleitung muss
mindestens die doppelte Länge des Masts plus Antenne betragen. Dadurch wird ein
Kontakt des Masts mit der Stromleitung im Fall eines Umstürzens verhindert.
• Stellen Sie sicher, dass alle Masten ordnungsgemäß geerdet sind. Durch eine
ordnungsgemäße Erdung kann die Gefahr eines Feuers oder von Personenschäden
durch Blitzschlag, statische Aufladung oder Kurzschluss verhindert werden.
Überspannungsschutz
Der von Avaya bereitgestellte Ethernet-Überspannungsableiter (Blitzschutz) bietet einen
hochgradigen Schutz der Ethernet- und/oder PoE-Geräte (Power over Ethernet) im Gebäude.
Im Fall eines Blitzschlags begrenzt der Ethernet-Überspannungsableiter umgehend den
plötzlichen Spannungsanstieg im Kabel.
Hinweis:
Der von Avaya bereitgestellte Ethernet-Überspannungsableiter ist nicht für die V
erwendung
im Freien klassifiziert. Das Gerät darf ausschließlich in Gebäuden installiert werden.
Warnung:
Für sämtliche Kabel außerhalb von Gebäuden ist ein ordnungsgemäß klassifizierter
Überspannungsableiter erforderlich. Die verwendeten Komponenten müssen
ordnungsgemäß klassifiziert und für den jeweiligen Einsatz zertifiziert sein.
Beachten Sie bei der Installation des Ethernet-Überspannungsableiters von Avaya die
folgenden allgemeinen Sicherheitsrichtlinien:
• Montieren Sie den Ethernet-Überspannungsableiter in einem Gebäude in der Nähe der
Position, an der das Kabel aus dem Gebäude austritt. Die Kabel müssen durch eine vom
Kunden geschaffene Öffnung aus dem Gebäude austreten (in der Regel durch ein
gebohrtes Loch an der Position vorhandener Kabelführungsrohre).
•Die besten Ergebnisse lassen sich erzielen, indem der Ethernet-Überspannungsableiter
in der Nähe eines Erdungskontakts mit geringem Widerstand an der Position installiert
wird, an der das Ethernet-Kabel aus dem Gebäude austritt.
• Installieren Sie den Ethernet-Überspannungsableiter im Gebäude an einem gut
zugänglichen Ort, sodass eine regelmäßige Prüfung möglich ist. Bilden Sie
Tropfschlaufen in den Kabeln, um Wassereintritt in das Gebäude zu verhindern.
• Stellen Sie die Erdung des Ethernet-Überspannungsableiters über den kürzesten und
direkten Weg mit einem 8-mm-Kupferdraht her.
Die technischen Daten des Ethernet-Überspannungsableiters sowie Anweisungen zu dessen
Installation finden Sie unter Installation des Ethernet-Überspannungsableiters auf
Seite 66.
Sicherheitsmaßnahmen
Avaya WLAN 8100 Regulatory Information — WLAN AP 8120-O February 2012 51

Installation des WLAN-AP 8120-O
In diesem Abschnitt werden die folgenden Verfahren beschrieben:
• Mounten eines WLAN-AP 8120-O an einem vertikalen Mast
•Mounten eines WLAN-AP 8120-O an einem horizontalen Mast
• Mounten eines WLAN-AP 8120-O an einer Wand
• Installation eines Ethernet-Überspannungsableiters
• Abdichten eines Ethernet-Steckers für die Verwendung im Freien
• Installation eines PoE-Injektors (Power over Ethernet)
Hardware
Das Installationspaket enthält die folgenden Teile:
• 1 Access Point Avaya WLAN-AP 8120-O
• 1 Montageset:
- 1 Flachhalterung
- 2 Basishalterungen
- 1 Schlauchschelle
- 4 Ankerbolzen
- 4 Halbrundschrauben
- 8 Sechskantschrauben
• 1 Ethernet-Überspannungsableiter
• 1 Dichtung zum Abdichten der Ethernet-Verbindung am Access Point
• 2 2,4-GHz-Antennen
• 2 5-GHz-Antennen
Anforderungen bezüglich Wärme- und Kältebelastung
Die Betriebstemperatur des WLAN 8100-AP 8120-O muss zwischen -40 und +60 °C liegen.
Kabelanschlüsse
Vor dem Anschließen des AP 8120-O über ein Ethernet-UTP-Kabel müssen Sie sicherstellen,
dass das Kabel ordnungsgemäß abgedichtet ist, damit es im Freien verwendet werden kann.
Deutsch
52 Avaya WLAN 8100 Regulatory Information — WLAN AP 8120-O February 2012
Kommentare? infodev@avaya.com

Anweisungen zum Abdichten des Ethernet-UTP-Kabels finden Sie unter Abdichten des
Ethernet-UTP-Kabels auf Seite 54.
Warnung:
Sie müssen ein zertifiziertes wetterfestes UTP-Kabel verwenden, um Stromschläge zu
vermeiden.
Hinweis:
Avaya empfiehlt ausschließlich die Verwendung zertifizierter wetterfester UTP-Kabel (z. B.
Cat-5e).
Der Access Point AP 8120-O verfügt über einen RJ-45-Port für eine 10/100/1000BASE-TX-
Ethernet-Verbindung. Somit kann der Access Point mit einem WLAN-Controller Avaya
WC 8180 verbunden werden (in der Regel über ein zwischengeschaltetes Schicht-2- oder
Schicht-3-Netzwerk). Verwenden Sie zum Anschließen eines Netzwerkgeräts an einen Access
Point im Freien ein Cat-5e-Kabel (Category 5e) mit STP (Straight-Through Processing) und
RJ-45-Steckern.
Avaya empfiehlt dringend die Verwendung eines wetterfesten Cat-5e-Ethernet-Kabels für alle
externen Verbindungen.
Der AP 8120-O unterstützt den Standard 802.3at (auch als PoE+ bezeichnet). Avaya empfiehlt
für den Betrieb des AP 8120-O die Verwendung eines PoE-Injektors von Avaya. Die
Stromversorgung und der Datenempfang des Access Points erfolgen über den RJ-45-Port.
Weitere Informationen finden Sie unter Installation des Power over Ethernet-Injektors auf
Seite 70.
An den Ethernet-Port des Access Points können keine Kabel mit abgesetzter Kabelhülse
angeschlossen werden (siehe unten). Der RJ-45-Stecker des Kabels sitzt in diesem Fall nicht
richtig auf dem Port des Access Points auf. Verwenden Sie stattdessen ein Kabel mit gerader
Kabelhülse.
Abbildung 25: Cat-5-Stecker mit abgesetzter Kabelhülse
Installation des WLAN-AP 8120-O
Avaya WLAN 8100 Regulatory Information — WLAN AP 8120-O February 2012 53

Abdichten des Ethernet-UTP-Kabels
Vor dem Anschließen des Ethernet-Kabels an den WLAN-AP 8120-O müssen Sie das
Ethernet-UTP-Kabel abdichten, um einen Stromschlag zu vermeiden.
Gehen Sie wie folgt vor, um das Ethernet-Kabel abzudichten:
Hinweis:
Avaya empfiehlt ausschließlich die Verwendung zertifizierter wetterfester UTP-Kabel (z. B.
Cat-5e).
Prozedur
1. Lösen Sie die wasserdichte Steckerkappe, und ziehen Sie die Dichtung heraus.
2. Schieben Sie das Ethernet-UTP-Kabel durch die Kappe, die Dichtung und das
Ethernet-Steckergehäuse.
3. Entfernen Sie die Isolierung am Ende des Ethernet-UTP-Kabels auf der für den
8P8C-Stecker erforderlichen Länge.
4. Führen Sie das abisolierte Ende des Kabels gemäß der EIA/TIA 568A- oder 568B-
Belegung in den Stecker ein (siehe folgende Tabelle). Stellen Sie sicher, dass die
RJ-45-Stecker an beiden Enden des Kabels dieselbe Belegung aufweisen.
5. Crimpen Sie den 8P8C-Stecker an das Kabel.
6. Führen Sie eine Durchgangsprüfung für alle acht Kontakte sowie die
Abschirmungen des Kabels durch.
7. Stecken Sie den gecrimpten Stecker in den externen Ethernet-Port auf der
Unterseite des WLAN-AP 8120-O.
8. Schrauben Sie das wasserdichte Steckergehäuse auf das Gewinde des externen
Ethernet-Ports am WLAN-AP 8120-O.
9. Schieben Sie die Dichtung in das Steckergehäuse.
10. Schieben Sie das Kabel per Hand durch die Steckerkappe in das Steckergehäuse,
um die Dichtung zu befestigen.
Deutsch
54 Avaya WLAN 8100 Regulatory Information — WLAN AP 8120-O February 2012
Kommentare? infodev@avaya.com

Abbildung 26: Abdichten des Ethernet-Steckers
Tabelle 8: EIA/TIA-Belegung
EIA/TIA 568-A-BELEGUNG EIA/TIA 568-B-BELEGUNG
PIN 1 – Grün-weiß PIN 1 – Orange-weiß
PIN 2 – Grün PIN 2 – Orange
PIN 3 – Orange-weiß PIN 3 – Grün-weiß
PIN 4 – Blau PIN 4 – Blau
PIN 5 – Blau-weiß PIN 5 – Blau-weiß
PIN 6 – Orange PIN 6 – Grün
PIN 7 – Braun-weiß PIN 7 – Braun-weiß
PIN 8 – Braun PIN 8 – Braun
Installation des WLAN-AP 8120-O
Avaya WLAN 8100 Regulatory Information — WLAN AP 8120-O February 2012 55

Mounten eines WLAN-AP 8120-O an einem vertikalen Mast
Warum und wann dieser Vorgang ausgeführt wird
Gehen Sie wie folgt vor, um den WLAN-AP 8120-O an einem vertikalen Mast zu montieren.
Prozedur
1. Setzen Sie die Federringe und die Unterlegscheiben auf die vier
Sechskantschrauben.
Abbildung 27: Anbringen der Flachhalterung an der Rückseite
2. Ziehen Sie die Schrauben fest an, um die Flachhalterung an der Rückseite zu
befestigen.
3. Richten Sie die beiden Öffnungen der Basishalterung horizontal am Mast aus.
Deutsch
56 Avaya WLAN 8100 Regulatory Information — WLAN AP 8120-O February 2012
Kommentare? infodev@avaya.com

Abbildung 28: Anbringen der Basishalterung an der Flachhalterung
4. Ziehen Sie die vier Halbrundschrauben fest an, um die Basishalterung an der
Flachhalterung zu befestigen.
5. Schieben Sie das offene Ende der Schlauchschelle durch die beiden Öf
fnungen an
der Basishalterung.
Abbildung 29: Anbringen der Schlauchschelle an der Basishalterung
6. Schließen Sie die Schlauchschelle, um die Halterung am Mast zu befestigen.
Installation des WLAN-AP 8120-O
Avaya WLAN 8100 Regulatory Information — WLAN AP 8120-O February 2012 57

Abbildung 30: Befestigen der Schlauchschelle
7. Vergewissern Sie sich, dass der WLAN-AP 8120-O sicher am Mast befestigt ist.
8. Schließen Sie nach Bedarf die 5-GHz-Antennen von Avaya an die Anschlüsse auf
der Oberseite des WLAN-AP 8120-O an. Befestigen Sie die Antennen per Hand.
9. Schließen Sie nach Bedarf die 2,4-GHz-Antennen von Avaya an die Anschlüsse
auf der Unterseite des WLAN-AP 8120-O an. Befestigen Sie die Antennen per
Hand.
Abbildung 31: Antennenanschlüsse des AP 8120-O
Deutsch
58 Avaya WLAN 8100 Regulatory Information — WLAN AP 8120-O February 2012
Kommentare? infodev@avaya.com

10. Die Stromversorgung des WLAN-AP 8120-O erfolgt über ein PoE-Gerät (Power
over Ethernet). Wählen Sie eine der folgenden Optionen, um einen Ethernet-
Überspannungsableiter und einen PoE-Injektor an den WLAN-AP 8120-O
anzuschließen.
Hinweis:
Wenn Sie den PoE-Injektor von Avaya verwenden, ist die Verwendung des
mitgelieferten Ethernet-Überspannungsableiters nicht erforderlich, da der PoE-
Injektor von Avaya über einen integrierten Überspannungsschutz verfügt.
a. Anweisungen zum Anschließen des mitgelieferten Ethernet-
Überspannungsableiters an den WLAN-AP 8120-O finden Sie unter Installation
des Ethernet-Überspannungsableiters auf Seite 66.
b. Anweisungen zum Anschließen des PoE-Injektors von Avaya an den WLAN-
AP 8120-O finden Sie unter Installation des Power over Ethernet-Injektors auf
Seite 70.
Mounten eines WLAN-AP 8120-O an einem horizontalen Mast
Warum und wann dieser Vorgang ausgeführt wird
Gehen Sie wie folgt vor, um den WLAN-AP 8120-O an einem horizontalen Mast zu
montieren.
Prozedur
1. Setzen Sie die Federringe und die Unterlegscheiben auf die vier
Sechskantschrauben.
Installation des WLAN-AP 8120-O
Avaya WLAN 8100 Regulatory Information — WLAN AP 8120-O February 2012 59

Abbildung 32: Anbringen der Flachhalterung an der Rückseite
2. Ziehen Sie die Schrauben fest an, um die Flachhalterung an der Rückseite zu
befestigen.
3. Richten Sie die beiden Öffnungen der Basishalterung horizontal am Mast aus.
Abbildung 33: Anbringen der Basishalterung an der Flachhalterung
4. Ziehen Sie die vier Halbrundschrauben fest an, um die Basishalterung an der
Flachhalterung zu befestigen.
Deutsch
60 Avaya WLAN 8100 Regulatory Information — WLAN AP 8120-O February 2012
Kommentare? infodev@avaya.com

5. Schieben Sie das offene Ende der Schlauchschelle durch die beiden Öffnungen an
der Basishalterung.
Abbildung 34: Anbringen der Schlauchschelle an der Basishalterung
6. Schließen Sie die Schlauchschelle, um die Halterung am Mast zu befestigen.
Abbildung 35: Befestigen der Schlauchschelle
7. Vergewissern Sie sich, dass der WLAN-AP 8120-O sicher am Mast befestigt ist.
8. Schließen Sie nach Bedarf die 5-GHz-Antennen von Avaya an die Anschlüsse auf
der Oberseite des WLAN-AP 8120-O an. Befestigen Sie die Antennen per Hand.
9. Schließen Sie nach Bedarf die 2,4-GHz-Antennen von Avaya an die Anschlüsse
auf der Unterseite des WLAN-AP 8120-O an. Befestigen Sie die Antennen per
Hand.
Installation des WLAN-AP 8120-O
Avaya WLAN 8100 Regulatory Information — WLAN AP 8120-O February 2012 61

Abbildung 36: Antennenanschlüsse des AP 8120-O
10. Die Stromversorgung des WLAN-AP 8120-O erfolgt über ein PoE-Gerät (Power
over Ethernet). Wählen Sie eine der folgenden Optionen, um einen Ethernet-
Überspannungsableiter und einen PoE-Injektor an den WLAN-AP 8120-O
anzuschließen.
Hinweis:
Wenn Sie den PoE-Injektor von Avaya verwenden, ist die Verwendung des
mitgelieferten Ethernet-Überspannungsableiters nicht erforderlich, da der PoE-
Injektor von Avaya über einen integrierten Überspannungsschutz verfügt.
a. Anweisungen zum Anschließen des mitgelieferten Ethernet-
Überspannungsableiters an den WLAN-AP 8120-O finden Sie unter
Installation
des Ethernet-Überspannungsableiters auf Seite 66.
b. Anweisungen zum Anschließen des PoE-Injektors von Avaya an den WLAN-
AP 8120-O finden Sie unter Installation des Power over Ethernet-Injektors auf
Seite 70.
Deutsch
62 Avaya WLAN 8100 Regulatory Information — WLAN AP 8120-O February 2012
Kommentare? infodev@avaya.com

Mounten eines WLAN-AP 8120-O an einer Wand
Gehen Sie wie folgt vor, um den WLAN-AP 8120-O an einer Wand zu montieren.
Prozedur
1. Markieren Sie die Positionen der vier Montagelöcher der Flachhalterung auf der
Wand.
Abbildung 37: Lochmarkierungen auf der Oberfläche
2. Bohren Sie an den markierten Positionen jeweils ein 36 bis 38 mm tiefes Loch mit
8 mm Durchmesser in die Wand.
Installation des WLAN-AP 8120-O
Avaya WLAN 8100 Regulatory Information — WLAN AP 8120-O February 2012 63

Abbildung 38: Bohrlöcher in der Oberfläche
3. Schlagen Sie die Ankerbolzen in die gebohrten Löcher.
4. Setzen Sie die Federringe und die Unterlegscheiben auf die vier
Sechskantschrauben.
Abbildung 39: Anbringen der Flachhalterung
Deutsch
64 Avaya WLAN 8100 Regulatory Information — WLAN AP 8120-O February 2012
Kommentare? infodev@avaya.com

5. Ziehen Sie die Schrauben fest an, um die Flachhalterung an der Rückseite zu
befestigen.
6. Befestigen Sie die Halterung an der Montageoberfläche, indem Sie die
Unterlegscheiben und Muttern auf die Ankerbolzen setzen und die Muttern fest
anziehen.
Abbildung 40: Befestigen der Flachhalterung
7. Vergewissern Sie sich, dass der WLAN-AP 8120-O sicher an der Wand befestigt
ist.
8. Schließen Sie nach Bedarf die 5-GHz-Antennen von Avaya an die Anschlüsse auf
der Oberseite des WLAN-AP 8120-O an. Befestigen Sie die Antennen per Hand.
9. Schließen Sie nach Bedarf die 2,4-GHz-Antennen von Avaya an die Anschlüsse
auf der Unterseite des WLAN-AP 8120-O an. Befestigen Sie die Antennen per
Hand.
Installation des WLAN-AP 8120-O
Avaya WLAN 8100 Regulatory Information — WLAN AP 8120-O February 2012 65

Abbildung 41: Antennenanschlüsse des AP 8120-O
10. Die Stromversorgung des WLAN-AP 8120-O erfolgt über ein PoE-Gerät (Power
over Ethernet). Wählen Sie eine der folgenden Optionen, um einen Ethernet-
Überspannungsableiter und einen PoE-Injektor an den WLAN-AP 8120-O
anzuschließen.
Hinweis:
Wenn Sie den PoE-Injektor von Avaya verwenden, ist die Verwendung des
mitgelieferten Ethernet-Überspannungsableiters nicht erforderlich, da der PoE-
Injektor von Avaya über einen integrierten Überspannungsschutz verfügt.
a. Anweisungen zum Anschließen des mitgelieferten Ethernet-
Überspannungsableiters an den WLAN-AP 8120-O finden Sie unter
Installation
des Ethernet-Überspannungsableiters auf Seite 66.
b. Anweisungen zum Anschließen des PoE-Injektors von Avaya an den WLAN-
AP 8120-O finden Sie unter Installation des Power over Ethernet-Injektors auf
Seite 70.
Installation des Ethernet-Überspannungsableiters
Ein Ethernet-Überspannungsableiter ist als Zubehör im Lieferumfang des Access Points
AP 8120-O enthalten. Er darf nur in Gebäuden installiert werden und bietet Blitz- und
Deutsch
66 Avaya WLAN 8100 Regulatory Information — WLAN AP 8120-O February 2012
Kommentare? infodev@avaya.com

Überspannungsschutz für an den AP 8120-O angeschlossene Ethernet-Geräte im Gebäude.
Der Ethernet-Überspannungsableiter ist mit PoE-Geräten (Power over Ethernet) kompatibel
und unterstützt PoE mit normaler und umgekehrter Polarität. Die folgende Abbildung zeigt eine
typische Installation.
Hinweis:
Wenn Sie den PoE-Injektor von Avaya verwenden, ist die Verwendung des Ethernet-
Überspannungsableiters nicht erforderlich, da der PoE-Injektor von Avaya bereits über einen
integrierten Überspannungsschutz verfügt.
Warnung:
Der Ethernet-Überspannungsableiter darf nur in Gebäuden installiert werden. Er darf nicht
im Freien installiert werden.
Technische Daten
Die folgende Tabelle enthält die technischen Daten des Ethernet-Überspannungsableiters.
Tabelle 9: Technische Daten des Ethernet-Überspannungsableiters
Spezifikation Bereich
Überschlagsspannung (DC) 75 V ±25 %
Impulsüberschlagsspannung 100 V/µs ≤500 V, bei 1 kV/µs ≤600 V
Betriebstemperatur -20 bis +60 °C
Lagertemperatur -40 bis +85 °C
Luftfeuchtigkeit 5 bis 95 % typisch
Gehen Sie wie folgt vor, um den Ethernet-Überspannungsableiter in einer Konfiguration mit
einem WLAN-AP 8120-O zu installieren.
Prozedur
1. Montieren Sie den Ethernet-Überspannungsableiter mit zwei Schrauben an einer
Wand.
Installation des WLAN-AP 8120-O
Avaya WLAN 8100 Regulatory Information — WLAN AP 8120-O February 2012 67

Abbildung 42: Ethernet-Überspannungsableiter (Draufsicht)
2. Lösen Sie die obere Schraube des Ethernet-Überspannungsableiters mit einem
Phillips-Schraubendreher.
3. Befestigen Sie ein Ende eines zertifizierten Kupfererdungskabels an der großen
Erdungsschraube zwischen den beiden RJ-45-Ports, wie in der folgenden
Abbildung gezeigt.
Deutsch
68 Avaya WLAN 8100 Regulatory Information — WLAN AP 8120-O February 2012
Kommentare? infodev@avaya.com

Abbildung 43: Offener Ethernet-Überspannungsableiter mit Erdungsschraube und
RJ-45-Ports
4. Schließen Sie das andere Ende des Erdungskabels an einen geeigneten
Erdungskontakt an.
5. Schließen Sie das Ethernet-Kabel des Ethernet-/PoE-Geräts an einen der RJ-45-
Ports des Ethernet-Überspannungsableiters an.
6. Schließen Sie das abgedichtete Ende des Ethernet-Kabels an der Unterseite des
WLAN-AP 8120-O an, und befestigen Sie den Stecker per Hand. Anweisungen zum
Abdichten des Ethernet-Kabels finden Sie unter Abdichten des Ethernet-UTP-
Kabels auf Seite 54.
Installation des WLAN-AP 8120-O
Avaya WLAN 8100 Regulatory Information — WLAN AP 8120-O February 2012 69

Abbildung 44: Konfiguration des AP 8120-O mit Ethernet-Überspannungsableiter
7. Schließen Sie das andere Ende des Ethernet-Kabels an den ungenutzten Port des
Ethernet-Überspannungsableiters an.
8. Bringen Sie die Abdeckung des Ethernet-Überspannungsableiters an. Stellen Sie
sicher, dass das Erdungskabel ordnungsgemäß durch die mittlere Öf
fnung und die
Ethernet-Kabel durch die jeweiligen Öffnungen auf der Unterseite geführt werden.
9. Befestigen Sie die Abdeckung mit der Schraube.
Installation des Power over Ethernet-Injektors
Avaya bietet einen separat erhältlichen PoE-Injektor (Power over Ethernet) für den Access
Point AP 8120-O an. Der PoE-Injektor PD-9001G-40/SP ist ein Gigabit-Midspan mit einem
Deutsch
70 Avaya WLAN 8100 Regulatory Information — WLAN AP 8120-O February 2012
Kommentare? infodev@avaya.com

Port und integriertem Überspannungsschutz, der mit den Standards 802.3af und 802.3at
kompatibel ist. Wenn Sie den PD-9001G-40/SP verwenden, ist die Verwendung des mit dem
AP 8120-O mitgelieferten Ethernet-Überspannungsableiters nicht erforderlich. Version 1.2 des
PoE-Injektors von Avaya ist nur für die Verwendung in Nordamerika und der Europäischen
Union zertifiziert.
Die folgende Tabelle enthält die technischen Daten des PD-9001G-40/SP:
Tabelle 10: Technische Daten des PD-9001G-40/SP
Spezifikation Beschreibung
Ports 1
Datenraten 10/100/1000 Mbit/s
Power over Ethernet-
Leistung
Anschlussbelegung und Polarität:
• Ausgang 4/5 (+), 7/8 (–)
• Ausgangsspannung: 55 VDC
• Leistung des Benutzerports: 40 W
Eingangsleistung Eingangsspannung: 100 bis 240 VAC
Eingangsstrom: 0,8 A bei 100 bis 240 VAC
Wechselstromfrequenz: 50 bis 60 Hz
Abmessungen 87,9 x 43 x 166 mm
Gewicht 400 g
Leuchtanzeigen Systemanzeige: Wechselstromversorgung (grün)
Benutzeranzeige: Kanalleistung (grün)
Anschlüsse RJ-45 (abgeschirmt), EIA 568A und 568B
Umgebungsbedingunge
nBetriebstemperatur: -10 bis +45 ºC
Luftfeuchtigkeit bei Betrieb: maximal 90 %, nicht
kondensierend
Lagertemperatur: -20 bis +70 ºC
Luftfeuchtigkeit bei Lagerung: maximal 95 %, nicht
kondensierend
Betriebshöhe/-tiefe: -304,8 bis 3048 m
Zuverlässigkeit MTBF: 100.000 Stunden bei 25 ºC
Wärmegrenzleistung 27 BTU/h (bei 240 VAC)
Überspannungsschutz Überspannungsschutz gemäß GR-1089-Core, Anhang B:
Installation des WLAN-AP 8120-O
Avaya WLAN 8100 Regulatory Information — WLAN AP 8120-O February 2012 71

Spezifikation Beschreibung
• ±1000 V/100 A bei 10/1000 μs Impulsform
• ±2500 V/500 A bei 2/10 μs Impulsform
•±1000 V/25 A bei 10/360 μs Impulsform
Warum und wann dieser Vorgang ausgeführt wird
Gehen Sie wie folgt vor, um den PoE-Injektor an den WLAN-AP 8120-O anzuschließen:
Prozedur
1. Vor dem Anschließen des PoE-Injektors an den WLAN-AP 8120-O muss der PoE-
Injektor geerdet werden. Gehen Sie wie folgt vor, um den PoE-Injektor zu erden und
an den WLAN-AP 8120-O anzuschließen:
a. Schließen Sie ein Ende des grünen Erdungskabels an den vorstehenden
Kupfererdungskontakt auf der Unterseite des PoE-Injektors an.
b. Schließen Sie das andere Ende des Erdungskabels an einen geeigneten
Erdungskontakt an.
2. Schließen Sie das mitgelieferte Netzkabel an den dreipoligen Netzanschluss auf
der Unterseite des PoE-Injektors an.
Abbildung 45: Kupfererdungskontakt am PoE-Injektor
3. Schließen Sie das andere Ende des Netzkabels an eine Wechselstromsteckdose
an.
4. Schließen Sie ein Ende eines Ethernet-Kabels an den mit DATA IN beschrifteten
Port des PoE-Injektors an.
Deutsch
72 Avaya WLAN 8100 Regulatory Information — WLAN AP 8120-O February 2012
Kommentare? infodev@avaya.com

Abbildung 46: DATA IN- und DATA & POWER OUT-Ports am PoE-Injektor
5. Schließen Sie das andere Ende des Ethernet-Kabels an den Avaya WLAN-Access
Point an. Die AC-Anzeige leuchtet auf.
Abbildung 47: AC- und PORT-Leuchtanzeigen am PoE-Injektor
6. Schließen Sie das abgedichtete Ende des Ethernet-Kabels an den Ethernet-Port
auf der Unterseite des WLANAP 8120-O an. Vor dem Anschließen des Ethernet-
Kabels an den Ethernet-Port müssen Sie den Stecker ordnungsgemäß abdichten
und crimpen. Anweisungen zum Abdichten des Ethernet-Kabels finden Sie unter
Abdichten des Ethernet-UTP-Kabels auf Seite 54.
Installation des WLAN-AP 8120-O
Avaya WLAN 8100 Regulatory Information — WLAN AP 8120-O February 2012 73

Abbildung 48: Konfiguration des AP 8120-O mit PoE
7. Schließen Sie das andere Ende des wetterfesten Ethernet-Kabels an den mit DATA
& POWER OUT beschrifteten Port am PoE-Injektor an. Die Port-Anzeige leuchtet
auf.
Sicherheitshinweise
Deutsch
74 Avaya WLAN 8100 Regulatory Information — WLAN AP 8120-O February 2012
Kommentare? infodev@avaya.com

Vorsicht:
Die Frequenzempfänger für den Avaya WLAN-AP 8120-O sind standardmäßig deaktiviert
und können nur von einem Systemadministrator aktiviert werden.
Spannung:
Gefahr – Hochspannung. Dieser Zustand bzw. diese Bedingung kann aufgrund von
Stromschlag zu Verletzungen oder zum Tod führen.
Warnung:
Die Installation dieses Produkts darf nur von qualifiziertem Wartungspersonal durchgeführt
werden. Lesen und befolgen Sie alle Warnhinweise und Anweisungen, die am Produkt
angebracht oder in der Dokumentation zu finden sind.
Warnung:
Installieren Sie das Gerät so, dass zwischen den Strahlungselementen und allen Personen
ein Abstand von mindestens 25 cm gewährleistet ist. Diese Sicherheitswarnung entspricht
den FCC-Grenzwerten für Hochfrequenzstrahlung.
Warnung:
Setzen Sie den Access Point nicht in der Nähe von ungeschützten Zündkapseln oder in
anderen Umgebungen mit Explosionsgefahr ein, es sei denn, das Gerät wurde von
qualifiziertem Personal für einen solchen Einsatz modifiziert.
Warnung:
Berühren oder bewegen Sie den Access Point nicht, wenn die Antennen gerade
Funksignale senden oder übertragen.
Warnung:
Informieren Sie sich vor der Verwendung eines Wireless-Geräts in einer
Gefahrenumgebung über regionale und überregionale Vorschriften zu
Nutzungsbeschränkungen sowie die Sicherheitsrichtlinien für den jeweiligen Standort.
Vorsicht:
Die Installation der Außenantenne sowie deren Anschluss an den Überspannungsableiter
oder den Access Point darf nicht bei windigem Wetter vorgenommen werden.
Vorsicht:
Die mit dem Access Point verbundene Stromquelle (z. B. ein WLAN-Switch oder PoE-
Injektor) muss ordnungsgemäß geerdet sein, um die Sicherheit des Systems zu
gewährleisten.
Warnung:
Berühren oder bewegen Sie den Access Point nicht, wenn die Antennen gerade
Funksignale senden oder übertragen.
Sicherheitshinweise
Avaya WLAN 8100 Regulatory Information — WLAN AP 8120-O February 2012 75

Warnung:
Strahler wie der Avaya WLAN-AP 8120-O wurden nicht für die Nutzung mit anderen
Antennen konzipiert als von Avaya bereitgestellt. Ein Strahler darf nur mit zertifizierten
Antennen betrieben werden. Eine vollständige Liste der zertifizierten Antennen für dieses
Produkt finden Sie unter http://www.avaya.com/support.
Warnung:
Sämtliche Kabel des Access Points, des Überspannungsableiters und der Außenantenne
müssen separat verlegt werden. Insbesondere ist zu beachten, dass die Netzkabel und
andere Außenkabel nicht mit den Kabeln des Access Points, der Antenne und der
Schnittstellen in Kontakt kommen.
Warnung:
Ein in einem Gerätegestell montierter WSS muss ordnungsgemäß geerdet werden. Wenn
die Erdung über das Gerätegestell erfolgen soll, muss dieses mit einem Erdungsband
ordnungsgemäß geerdet werden. Die Erdung des Switches über das Gerätegestell kann
durch eine Befestigung mit Metallschrauben erfolgen.
Warnung:
Für sämtliche Antennen und Kabel außerhalb von Gebäuden ist ein ordnungsgemäß
klassifizierter Überspannungsableiter erforderlich. Die verwendeten Komponenten müssen
ordnungsgemäß klassifiziert und für den jeweiligen Einsatz zertifiziert sein.
Warnung:
Avaya empfiehlt zur Stromversorgung eines Access Points im Freien die V
erwendung eines
PoE-Injektors (Power over Ethernet), der ausschließlich im Lieferumfang eines Avaya
WLAN 8100 enthalten ist.
Deutsch
76 Avaya WLAN 8100 Regulatory Information — WLAN AP 8120-O February 2012
Kommentare? infodev@avaya.com

Capítulo 5: Español
Antes de empezar
Uso de los siguientes procedimientos e información al momento de la instalación de Avaya WLAN AP
8120-O.
Introducción
Esta sección describe las condiciones del sitio requeridas antes de instalar el punto de acceso
WLAN AP 8120-O.
Planificación del sitio
Realice una inspección visual para determinar y documentar las características físicas del
sitio. Asegúrese de que la planificación del sitio cumpla con los siguientes requisitos antes de
comenzar la instalación:
• Identifique el área del techo, la pared o la torre en la que montará el WLAN AP 8120-
O.
• Elija un sitio con una clara línea de visión desde la antena transmisora.
• Determine el área de acceso, tal como una escalera o una escala.
•Identifique las instalaciones de equipos existentes y determine la condición de las torres
o las estructuras de montaje propuestas.
• Determine las condiciones ambientales, tales como temperatura, ventilación y
humedad.
Ethernet
El WLAN AP 8120-O debe estar a menos de 100 metros del dispositivo Power over Ethernet
(PoE).
Nota:
Avaya recomienda usar un cable Ethernet CAT5E para exteriores para todas las conexiones
externas.
Antena
El WLAN AP 8120-O usa dos antenas de 5,0 GHz y dos antenas de 2,4 GHz.
Avaya WLAN 8100 Regulatory Information — WLAN AP 8120-O February 2012 77

Precaución:
Use solo antenas aprobadas por Avaya con el WLAN AP 8120-O. Un WLAN AP 8120-O
equipado con antenas no certificadas por Avaya no tiene el respaldo de los contratos de
soporte de Avaya.
Precauciones de seguridad
Esta sección describe las precauciones de seguridad relacionadas con la línea eléctrica, la
instalación y la protección contra sobretensiones para el WLAN AP 8120-O.
Advertencia:
La instalación debe dejarse en manos de personal de servicio técnico especializado. Lea y
respete todas las advertencias de seguridad e instrucciones que figuren en el producto o
en la documentación pertinente.
Línea eléctrica
Advertencia:
Avaya advierte que no cumplir con las instrucciones de alimentación y seguridad podría
causar daños a las personas y los equipos.
Asegúrese de que se implementen las siguientes precauciones:
Advertencia:
El contacto con líneas eléctricas puede ser letal.
• Asegúrese de que no haya líneas eléctricas accesibles cerca del sitio de instalación
para evitar el contacto humano accidental o fortuito con ellas.
• Asegúrese de que las antenas, los mástiles, las torres, los tirantes o los cables no
puedan entrar en contacto con estas líneas eléctricas. Intente planificar la posible
inclinación o caída de este equipo sobre estas líneas.
•Usted puede resultar lesionado o muerto si toca o sostiene cualquier parte del equipo
cuando entra en contacto con líneas eléctricas.
•Asegúrese de que NO exista la posibilidad de que el equipo o el personal pueda entrar
en contacto directa o indirectamente con líneas eléctricas.
•Si algún elemento, como un cable o un mástil, entra en contacto con una línea eléctrica,
NO LO TOQUE NI INTENTE MOVERLO. Llame a la empresa eléctrica.
• No intente levantar antenas o torres en días ventosos.
Instalación
Antes de instalar el WLAN AP 8120-O en el mástil, asegúrese de que se cumplan las
siguientes condiciones para el mástil:
• La distancia horizontal desde una torre, un mástil o una antena hasta la línea eléctrica
más cercana debe ser por lo menos dos veces la longitud total de la combinación del
Español
78 Avaya WLAN 8100 Regulatory Information — WLAN AP 8120-O February 2012
¿Comentarios? infodev@avaya.com

mástil y la antena. Esto garantiza que el mástil no entre en contacto con la línea eléctrica
en caso de caer durante la instalación o posteriormente.
•Asegúrese de que todas las torres y los mástiles estén conectados a tierra con seguridad.
Los equipos conectados a tierra con seguridad ayudan a evitar daños por incendios o
lesiones en caso de rayos, acumulación de estática o cortocircuitos.
Protección contra rayos y sobretensiones
El disipador de sobretensiones Ethernet para interiores suministrado por Avaya (protector
contra rayos) proporciona protección de alto nivel para los equipos Ethernet o Power over
Ethernet (POE) que se encuentran dentro del edificio. En caso de caer un rayo, el disipador
de sobretensiones Ethernet limita instantáneamente las sobretensiones repentinas a través
del cable.
Nota:
El disipador de sobretensiones Ethernet para interiores suministrado por Avaya no está
clasificado para uso en exteriores. Solo debe instalar el dispositivo en interiores.
Advertencia:
Para cualquier cable que salga del edificio, debe contar con un protector contra
sobretensiones clasificado. Los componentes requeridos deben estar clasificados y
aprobados para uso en la aplicación prevista.
Siga estas pautas generales de seguridad al instalar el disipador de sobretensiones Ethernet
de Avaya:
• Monte el disipador de sobretensiones Ethernet en interiores, cerca del punto en que el
cable Ethernet sale del edificio. Los cables deben salir el edificio por un acceso
suministrado por el cliente, posiblemente a través del orificio perforado donde hay
tuberías de comunicaciones.
•Para obtener los mejores resultados, instale el disipador de sobretensiones Ethernet en
interiores muy cerca de una conexión a tierra de baja resistencia en el punto donde el
cable Ethernet sale del edificio.
•Instale el disipador de sobretensiones Ethernet en una ubicación accesible en interiores
que permita la inspección periódica. Proporcione lazos de goteo en los cables para
impedir el ingreso de agua al edificio.
•Para conectar a tierra el disipador de sobretensiones Ethernet, use el tendido más corto
y directo posible con cable de cobre sólido Nº 8 (o equivalente).
Consulte Instalación del disipador de sobretensiones Ethernet en la página 94para obtener
especificaciones e instrucciones de instalación para el disipador de sobretensiones
Ethernet.
Precauciones de seguridad
Avaya WLAN 8100 Regulatory Information — WLAN AP 8120-O February 2012 79

Instalación del WLAN AP 8120-O
Esta sección describe cómo:
• montar el WLAN AP 8120-O en un poste vertical
• montar el WLAN AP 8120-O en un poste horizontal
• montar el WLAN AP 8120-O en una pared
• instalar un disipador de sobretensiones Ethernet
• impermeabilizar un cable y enchufe Ethernet para exteriores
• instalar un inyector Power over Ethernet (PoE)
Hardware
El kit de instalación contiene lo siguiente:
• 1 punto de acceso Avaya WLAN AP8120-O
•1 kit de montaje:
- 1 soporte plano
- 2 soportes para la base
- 1 abrazadera
- 4 pernos
- 4 tornillos de cabeza redonda
- 8 tornillos de cabeza hexagonal
• 1 disipador de sobretensiones Ethernet
• 1 ojal para impermeabilizar la conexión Ethernet en el punto de acceso
• 2 antenas de 2,4 GHz
• 2 antenas de 5 GHz
Requisitos de carga de calor y frío del equipo
El WLAN 8100 AP 8120-O debe funcionar a una temperatura entre -40 y +60℃.
Requisitos de cableado
Antes de conectar el
AP 8120-O con un cable Ethernet UTP
, debe asegurarse de que el cable
se haya impermeabilizado correctamente para uso en exteriores. Para obtener instrucciones
Español
80 Avaya WLAN 8100 Regulatory Information — WLAN AP 8120-O February 2012
¿Comentarios? infodev@avaya.com

sobre cómo impermeabilizar el cable Ethernet UTP, consulte Impermeabilización del cable
UTP Ethernet en la página 81.
Advertencia:
Debe usar un cable UTP para exteriores certificado para evitar el riesgo de lesiones por
descargas eléctricas.
Nota:
Avaya recomienda usar solo un cable UTP para exteriores certificado tal como Cat5E.
El punto de acceso AP 8120-O incluye un puerto RJ-45 que proporciona una conexión
10/100/1000BASE-TX Ethernet utilizada para establecer una conexión indirecta del punto de
acceso a un controlador Avaya WC 8180 WLAN, generalmente a través de una red de capa
2 o capa 3 intermedia. Al conectar un punto de acceso para exteriores, use un cable de
categoría 5e (CAT-5e) con conectores RJ-45 de señalización directa y estándar para
establecer la conexión a un dispositivo de red.
Avaya recomienda enfáticamente usar un cable Ethernet CAT-5E para exteriores para todas
las conexiones externas.
El AP8120-O admite 802.3at (también conocido como PoE+). Avaya recomienda usar un
inyector de potencia PoE suministrado por Avaya al usar el AP8120-O. El punto de acceso
recibe alimentación y datos a través del puerto RJ-45. Consulte
Instalación del inyector Power
over Ethernet en la página 98para obtener más información.
El puerto Ethernet del punto de acceso no acepta cables que tengan una cubierta dispareja,
tal como se muestra a continuación. Con una cubierta dispareja, el conector RJ-45 del cable
no se fijará correctamente en el receptáculo del punto de acceso. Use un cable que tenga una
cubierta pareja.
Figura 49: Conector CAT-5 con una cubierta dispareja
Impermeabilización del cable UTP Ethernet
Antes de conectar el cable Ethernet para exteriores al WLAN AP 8120-O, primero debe
impermeabilizar el cable UTP Ethernet para impedir una descarga eléctrica.
Instalación del WLAN AP 8120-O
Avaya WLAN 8100 Regulatory Information — WLAN AP 8120-O February 2012 81

Para impermeabilizar el cable Ethernet, realice el siguiente procedimiento:
Nota:
Avaya recomienda usar solo un cable UTP para exteriores certificado tal como el cable
CAT-5E.
Procedimiento
1. Desatornille la tapa de paso de impermeabilización y extraiga el arosello.
2. Deslice el cable UTP Ethernet por la tapa de compresión, el arosello y el cuerpo de
paso de Ethernet.
3. Descubra el extremo del cable UTP Ethernet hasta la longitud requerida para el
enchufe 8P8C.
4. Inserte el extremo descubierto del cable en el enchufe de acuerdo con el cableado
EIA/TIA 568A o 568B, según se indica en la siguiente tabla. Asegúrese de que
ambos extremos del cable tengan la misma asignación de pines para los
conectores RJ45.
5. Prense el conector 8P8C en el cable.
6. Verifique que el cable prensado tenga continuidad de punta a punta para los ocho
conductores y blindajes del enchufe.
7. Instale el enchufe prensado en el puerto Ethernet del WLAN AP 8120-O externo
que se encuentra en la parte inferior del AP 8120-O.
8. Atornille el cuerpo de paso de impermeabilización a las roscas del puerto Ethernet
del WLAN AP 8120-O externo.
9. Deslice el aro de compresión por el cuerpo de paso.
10. Empuje el cable a través de la tapa de compresión hasta el cuerpo de paso con la
mano para apretar el sello.
Español
82 Avaya WLAN 8100 Regulatory Information — WLAN AP 8120-O February 2012
¿Comentarios? infodev@avaya.com

Figura 50: Impermeabilización del enchufe Ethernet
Tabla 11: Cableado EIA/TIA
CABLEADO EIA/TIA 568-A CABLEADO EIA/TIA 568-B
PIN 1: verde y blanco PIN 1: naranja y blanco
PIN 2: verde PIN 2: naranja
PIN 3: naranja y blanco PIN 3: verde y blanco
PIN 4: azul PIN 4: azul
PIN 5: azul y blanco PIN 5: azul y blanco
PIN 6: naranja PIN 6: verde
PIN 7: marrón y blanco PIN 7: marrón y blanco
PIN 8: marrón PIN 8: marrón
Instalación del WLAN AP 8120-O
Avaya WLAN 8100 Regulatory Information — WLAN AP 8120-O February 2012 83

Instalación del WLAN AP 8120-O en un poste vertical
Antes de empezar
Realice el siguiente procedimiento para montar el WLAN AP 8120-O en un poste vertical.
Procedimiento
1. Coloque las arandelas de seguridad y planas en los cuatro tornillos de cabeza
hexagonal.
Figura 51: Fijación del soporte plano a la caja posterior
2. Coloque los tornillos para fijar el soporte plano a la caja posterior.
3. Alinee los orificios de las lengüetas del soporte estático horizontalmente con el
poste.
Español
84 Avaya WLAN 8100 Regulatory Information — WLAN AP 8120-O February 2012
¿Comentarios? infodev@avaya.com

Figura 52: Fijación del soporte estático al soporte plano
4. Coloque los cuatro tornillos de cabeza redonda para fijar el soporte estático al
soporte plano.
5. Haga pasar el extremo abierto de la abrazadera a través de las dos lengüetas del
soporte estático.
Figura 53: Fijación de la abrazadera al soporte estático
6. Apriete la cerradura de la abrazadera para asegurar el soporte al poste.
Instalación del WLAN AP 8120-O
Avaya WLAN 8100 Regulatory Information — WLAN AP 8120-O February 2012 85

Figura 54: Ajuste de la abrazadera
7. Verifique que el WLAN AP 81208-O se fije con seguridad al poste.
8. Inserte antenas Avaya de 5 GHz, según sea necesario, en los conectores de la
parte superior del WLAN AP 8120-O. Apriete las antenas con la mano.
9. Inserte antenas Avaya de 2,4 GHz, según sea necesario, en los conectores de la
parte inferior del WLAN AP 8120-O. Apriete las antenas con la mano.
Figura 55: Conectores de antena del AP 8120-O
Español
86 Avaya WLAN 8100 Regulatory Information — WLAN AP 8120-O February 2012
¿Comentarios? infodev@avaya.com

10. El WLAN AP 8120-O recibe alimentación de un dispositivo Power over Ethernet
(PoE). Elija una de las siguientes opciones para conectar un disipador de
sobretensiones Ethernet y un inyector PoE al WLAN AP 8120-O.
Nota:
Si utiliza el inyector PoE Avaya, no es necesario que use el disipador de
sobretensiones Ethernet suministrado ya que el inyector PoE Avaya tiene
protección contra sobretensiones interna.
a. Para conectar el disipador de sobretensiones Ethernet suministrado al WLAN
AP 8120-O, consulte Instalación del disipador de sobretensiones Ethernet en
la página 94.
b. Para conectar el inyector PoE Avaya al WLAN AP 8120-O, consulte Instalación
del inyector Power over Ethernet en la página 98.
Montaje del WLAN AP 8120-O en un poste horizontal
Antes de empezar
Realice el siguiente procedimiento para montar el WLAN AP 8120-O en un poste horizontal.
Procedimiento
1. Coloque las arandelas de seguridad y planas en los cuatro tornillos de cabeza
hexagonal.
Figura 56: Fijación del soporte plano a la caja posterior
2. Coloque los tornillos para fijar el soporte plano a la caja posterior.
Instalación del WLAN AP 8120-O
Avaya WLAN 8100 Regulatory Information — WLAN AP 8120-O February 2012 87

3. Alinee los orificios de las lengüetas del soporte estático verticalmente con el
poste.
Figura 57: Fijación del soporte estático al soporte plano (verticalmente)
4. Coloque los cuatro tornillos de cabeza redonda para fijar el soporte estático al
soporte plano.
5. Haga pasar el extremo abierto de la abrazadera a través de las dos lengüetas del
soporte estático.
Figura 58: Fijación de la abrazadera al soporte estático
Español
88 Avaya WLAN 8100 Regulatory Information — WLAN AP 8120-O February 2012
¿Comentarios? infodev@avaya.com

6. Apriete la cerradura de la abrazadera para asegurar el soporte al poste.
Figura 59: Ajuste de la abrazadera
7. Verifique que el WLAN AP 81208-O se fije con seguridad al poste.
8. Inserte antenas Avaya de 5 GHz, según sea necesario, en los conectores de la
parte superior del WLAN AP 8120-O. Apriete las antenas con la mano.
9. Inserte antenas Avaya de 2,4 GHz, según sea necesario, en los conectores de la
parte inferior del WLAN AP 8120-O. Apriete las antenas con la mano.
Instalación del WLAN AP 8120-O
Avaya WLAN 8100 Regulatory Information — WLAN AP 8120-O February 2012 89

Figura 60: Conectores de antena del AP 8120-O
10. El WLAN AP 8120-O recibe alimentación de un dispositivo Power over Ethernet
(PoE). Elija una de las siguientes opciones para conectar un disipador de
sobretensiones Ethernet y un inyector PoE al WLAN AP 8120-O.
Nota:
Si utiliza el inyector PoE Avaya, no es necesario que use el disipador de
sobretensiones Ethernet suministrado ya que el inyector PoE Avaya tiene
protección contra sobretensiones interna.
a. Para conectar el disipador de sobretensiones Ethernet suministrado al WLAN
AP 8120-O, consulte Instalación del disipador de sobretensiones Ethernet en
la página 94.
b. Para conectar el inyector PoE Avaya al WLAN AP 8120-O, consulte Instalación
del inyector Power over Ethernet en la página 98.
Instalación del WLAN AP 8120-O en una pared
Realice el siguiente procedimiento para montar el WLAN AP 8120-O en una pared.
Español
90 Avaya WLAN 8100 Regulatory Information — WLAN AP 8120-O February 2012
¿Comentarios? infodev@avaya.com

Procedimiento
1. Marque las cuatro ubicaciones de los orificios de montaje del soporte plano en la
pared.
Figura 61: Marcado de los orificios en una superficie
2. Perfore un orificio de 8 mm de diámetro con una profundidad entre 36 mm y 38 mm
en cada una de las marcas.
Instalación del WLAN AP 8120-O
Avaya WLAN 8100 Regulatory Information — WLAN AP 8120-O February 2012 91

Figura 62: Perforación de los orificios en una superficie
3. Con un martillo, inserte los pernos en cada uno de los orificios que perforó.
4. Coloque las arandelas de seguridad y planas en los cuatro tornillos de cabeza
hexagonal.
Figura 63: Fijación del soporte plano
Español
92 Avaya WLAN 8100 Regulatory Information — WLAN AP 8120-O February 2012
¿Comentarios? infodev@avaya.com

5. Coloque los tornillos para fijar el soporte plano a la caja posterior.
6. Apriete las arandelas planas para asegurar el soporte a la superficie de montaje.
Figura 64: Aseguramiento del soporte plano
7. Verifique que el WLAN AP 81208-O se fije con seguridad a la pared.
8. Inserte antenas Avaya de 5 GHz, según sea necesario, en los conectores de la
parte superior del WLAN AP 8120-O. Apriete las antenas con la mano.
9. Inserte antenas Avaya de 2,4 GHz, según sea necesario, en los conectores de la
parte inferior del WLAN AP 8120-O. Apriete las antenas con la mano.
Instalación del WLAN AP 8120-O
Avaya WLAN 8100 Regulatory Information — WLAN AP 8120-O February 2012 93

Figura 65: Conectores de antena del AP 8120-O
10. El WLAN AP 8120-O recibe alimentación de un dispositivo Power over Ethernet
(PoE). Elija una de las siguientes opciones para conectar un disipador de
sobretensiones Ethernet y un inyector PoE al WLAN AP 8120-O.
Nota:
Si utiliza el inyector PoE Avaya, no es necesario que use el disipador de
sobretensiones Ethernet suministrado ya que el inyector PoE Avaya tiene
protección contra sobretensiones interna.
a. Para conectar el disipador de sobretensiones Ethernet suministrado al WLAN
AP 8120-O, consulte Instalación del disipador de sobretensiones Ethernet en
la página 94.
b. Para conectar el inyector PoE Avaya al WLAN AP 8120-O, consulte Instalación
del inyector Power over Ethernet en la página 98.
Instalación del disipador de sobretensiones Ethernet
Con el punto de acceso AP8120-O se suministra un disipador de sobretensiones Ethernet
como accesorio. Se debe instalar en interiores y proporciona protección contra rayos y
sobretensiones para equipos Ethernet de interiores conectados al AP8120-O. El disipador de
Español
94 Avaya WLAN 8100 Regulatory Information — WLAN AP 8120-O February 2012
¿Comentarios? infodev@avaya.com

sobretensiones Ethernet es compatible con dispositivos Power Over Ethernet (POE) y admite
PoE de polaridad normal e inversa. Para conocer una instalación típica, consulte el siguiente
diagrama.
Nota:
Si utiliza el inyector PoE Avaya, no es necesario conectar el disipador de sobretensiones
Ethernet ya que el inyector PoE Avaya tiene protección contra sobretensiones interna.
Advertencia:
El disipador de sobretensiones Ethernet es una unidad para interiores únicamente. La
unidad no se debe instalar en exteriores.
Especificaciones de funcionamiento
La siguiente tabla describe los rangos de funcionamiento de los disipadores de sobretensiones
Ethernet.
Tabla 12: Especificaciones de funcionamiento del disipador de sobretensiones Ethernet
Especificación Rango
Tensión de cebado CC 75V +-25%
Tensión de cebado al impulso 100V/us <=500V, a 1kV/us <=600V
Temperatura de funcionamiento -20°C a +60°C
Temperatura de almacenamiento -40°C a +85°C
Humedad 5% a 95% típica
Realice los siguientes pasos para instalar el disipador de sobretensiones Ethernet para una
implementación del WLAN AP8120-O.
Procedimiento
1. Monte el disipador de sobretensiones Ethernet en una pared atornillando los dos
tornillos en los orificios
Instalación del WLAN AP 8120-O
Avaya WLAN 8100 Regulatory Information — WLAN AP 8120-O February 2012 95

Figura 66: Vista superior del disipador de sobretensiones Ethernet
2. Desatornille el tornillo superior del disipador de sobretensiones Ethernet con un
destornillador Phillips.
3. Atornille un extremo de un cable de conexión a tierra de cobre certificado al tornillo
de conexión a tierra grande que se encuentra entre los dos conectores RJ-45, tal
como se muestra en el siguiente diagrama.
Español
96 Avaya WLAN 8100 Regulatory Information — WLAN AP 8120-O February 2012
¿Comentarios? infodev@avaya.com

Figura 67: Disipador de sobretensiones Ethernet abierto con tornillo de conexión a
tierra y conectores RJ-45 a la vista
4. Conecte el otro extremo del cable a una conexión a tierra apropiada.
5. Inserte el cable Ethernet que sale del equipo Ethernet/PoE en uno de los
conectores RJ-45 del disipador de sobretensiones Ethernet.
6. Inserte el extremo impermeabilizado del cable Ethernet en la parte inferior del
WLAN AP 8120-O y apriételo con la mano. Consulte la sección sobre la
impermeabilización del cable Ethernet UTP, Impermeabilización del cable UTP
Ethernet en la página 81, para saber cómo impermeabilizar el cable Ethernet.
Instalación del WLAN AP 8120-O
Avaya WLAN 8100 Regulatory Information — WLAN AP 8120-O February 2012 97

Figura 68: Implementación del disipador de sobretensiones Ethernet del AP8120-O
7. Inserte el otro extremo del cable Ethernet en el puerto de cable sin uso del disipador
de sobretensiones Ethernet.
8. Vuelva a instalar la parte superior del disipador de sobretensiones Ethernet y
asegúrese de que el cable de conexión a tierra pase por la abertura central y que
los cables Ethernet pasen por sus respectivas aberturas de la parte inferior del
disipador de sobretensiones Ethernet.
9. Atornille la parte superior con seguridad.
Instalación del inyector Power over Ethernet
Avaya ofrece un inyector Power over Ethernet (PoE) para el punto de acceso
AP8120, el cual
se puede pedir por separado. El PD-9001G-40/SP es un inyector Gigabit Midspan de un puerto
Español
98 Avaya WLAN 8100 Regulatory Information — WLAN AP 8120-O February 2012
¿Comentarios? infodev@avaya.com

con protección contra sobretensiones, compatible con 802.3af y 802.3at. Al utilizar el
PD-9001G-40/SP, no es necesario usar el disipador de sobretensiones Ethernet que se
suministra con el AP8120-O. Para la versión 1.2, el inyector PoE Avaya está certificado solo
para uso en América del Norte y en la Unión Europea.
La siguiente tabla describe las especificaciones de funcionamiento del PD-9001G-40/SP:
Tabla 13: Especificaciones del PD-9001G-40/SP
Especificación Descripción
Puertos 1
Velocidades de
transmisión de datos
10/100/1000 Mbps
Salida Power over
Ethernet
Asignación de pines y polaridad:
• Salida 4/5 (+), 7/8 (–)
• Voltaje de alimentación de salida: 55 Vcc
• Alimentación del puerto de usuario: 40 vatios
Requisitos de
alimentación de entrada
Voltaje de entrada de CA: 100 a 240 Vca
Corriente de entrada de CA: 0,8A a 100-240 Vca
Frecuencia de CA: 50 a 60 Hz
Dimensiones 87,9 mm x 43 mm x 166 mm
3,46 pulgadas x 1,68 pulgadas x 6,53 pulgadas
Peso 0,881 lbs (400 g)
Indicadores Indicador del sistema: alimentación de CA (verde)
Indicador del usuario: alimentación del canal (verde)
Conectores RJ-45 blindado, EIA 568A y 568B
Condiciones
ambientales Temperatura ambiente de funcionamiento: condiciones 14º
a 113ºF -(-10 a 45ºC)
Humedad de funcionamiento: 90% como máximo, sin
condensación
Temperatura de almacenamiento: –4º a 158ºF (–20º a 70ºC)
Humedad de almacenamiento: 95% como máximo, sin
condensación
Altura de funcionamiento: –1.000 a 10.000 pies (–304,8 a
3.048 m)
Confiabilidad MTBF: 100.000 hrs. a 25ºC
Clasificación térmica 27 BTU/Hr (a 240 VCA)
Protección contra
sobretensiones
Cumple con la protección contra sobretensiones tal como se
especifica en los Criterios B de GR-1089-Core:
Instalación del WLAN AP 8120-O
Avaya WLAN 8100 Regulatory Information — WLAN AP 8120-O February 2012 99

Especificación Descripción
• ± 1000V/100A en forma de onda 10/1000 [μS]
• ± 2500V/500A en forma de onda 2/10 [μS]
• ± 1000V/25A en forma de onda 10/360 [μS]
Antes de empezar
Para instalar el dispositivo Power over Ethernet en el WLAN AP 8120-O, realice lo siguiente:
Procedimiento
1. Antes de conectar el adaptador Power on Ethernet al WLAN AP 8120-O, primero
debe conectar a tierra el dispositivo PoE. Para conectar a tierra y conectar el
dispositivo PoE al WLAN AP 8120-O, realice lo siguiente:
a. Conecte un extremo del cable de conexión a tierra verde al borne de conexión
a tierra de cobre sobresaliente de la parte inferior del dispositivo PoE.
b. Conecte el otro extremo del cable de conexión a tierra a una conexión a tierra
aceptable.
2. Conecte el enchufe de alimentación suministrado a la salida del enchufe de tres
patas de la parte inferior del adaptador PoE.
Figura 69: Borne de conexión a tierra de cobre en el dispositivo PoE
3. Conecte el otro extremo a un tomacorriente de CA activo.
4. Inserte un extremo de un cable Ethernet en el puerto DATA IN del adaptador
PoE.
Español
100 Avaya WLAN 8100 Regulatory Information — WLAN AP 8120-O February 2012
¿Comentarios? infodev@avaya.com

Figura 70: Puertos DATA IN y DATA & POWER del dispositivo PoE
5. Conecte el otro extremo al conmutador Avaya WLAN. El indicador AC se
enciende.
Figura 71: Indicadores AC y PORT del dispositivo PoE
6. Inserte la conexión impermeabilizada del cable Ethernet en el conector Ethernet
que se encuentra en la parte inferior del WLAN AP 8120-O. Antes de insertar el
cable Ethernet en el conector Ethernet, debe impermeabilizar y prensar la conexión.
ConsulteImpermeabilización del cable UTP Ethernet en la página 81 para saber
cómo impermeabilizar el cable Ethernet.
Instalación del WLAN AP 8120-O
Avaya WLAN 8100 Regulatory Information — WLAN AP 8120-O February 2012 101

Figura 72: Implementación del dispositivo PoE del AP 8120-O
7. Inserte el otro extremo del cable Ethernet impermeabilizado en el puerto DATA &
POWER OUT del dispositivo PoE. El indicador Port se enciende.
Advertencias de seguridad
Precaución:
Las radios Avaya WLAN AP 8120-O se encuentran desactivadas de manera
predeterminada, y solo puede activarlas un administrador de sistemas.
Español
102 Avaya WLAN 8100 Regulatory Information — WLAN AP 8120-O February 2012
¿Comentarios? infodev@avaya.com

Voltaje:
Peligro: alto voltaje. Esta situación o estado puede provocar lesiones o la muerte debido a
descargas eléctricas.
Advertencia:
Solo personal de servicio calificado debe instalar este producto. Lea y respete todas las
advertencias de seguridad e instrucciones que figuren en el producto o en la documentación
pertinente.
Advertencia:
Instale este dispositivo de modo que quede una separación mínima de 25 cm (9,9 pulgadas)
entre los elementos que emiten radiación y todas las personas. Esta advertencia de
seguridad se ajusta a los límites de exposición a señales de radiofrecuencia que dicta la
FCC.
Advertencia:
No utilice el punto de acceso cerca de detonadores sin blindaje ni en ningún tipo de lugar
en que exista riesgo de explosión a menos que personal especializado haya adaptado el
dispositivo para dicho fin.
Advertencia:
No toque ni mueva el punto de acceso cuando las antenas estén transmitiendo o recibiendo
información.
Advertencia:
Antes de utilizar un dispositivo inalámbrico en un entorno peligroso, familiarícese con las
normativas locales y nacionales, y consulte al encargado de seguridad del lugar para estar
al tanto de los usos permitidos.
Precaución:
No instale la antena para exteriores ni la conecte al supresor de sobretensiones/punto de
acceso durante una tormenta.
Precaución:
A los equipos de fuente de alimentación conectados al punto de acceso, tales como el
conmutador de seguridad inalámbrico o el inyector PoE, se les debe proporcionar una
conexión a tierra confiable para garantizar la seguridad del sistema.
Advertencia:
No toque ni mueva el punto de acceso cuando las antenas estén transmitiendo o recibiendo
información.
Advertencia:
Los transmisores deliberados, tales como el
Avaya WLAN AP 8120-O, no están diseñados
para utilizarse con ninguna antena distinta de las que proporciona Avaya. Un transmisor
deliberado solo se puede utilizar con las antenas para las que tiene autorización. Para
Advertencias de seguridad
Avaya WLAN 8100 Regulatory Information — WLAN AP 8120-O February 2012 103

obtener una lista completa de las antenas autorizadas para uso con este producto, visite
http://www.avaya.com/support.
Advertencia:
Todo el cableado y los cables al punto de acceso, al supresor de sobretensiones y a la
antena para exteriores se debe tender por separado. Es de especial importancia que el
cableado de CA u otro cableado del exterior no entre en contacto con el punto de acceso,
los cables de las antenas ni el cableado de la interfaz.
Advertencia:
Se requiere conexión a tierra para un WSS instalado en un bastidor. Si usa el bastidor para
proporcionar la conexión a tierra, el propio bastidor debe estar conectado a tierra con una
banda de descarga a la conexión a tierra. Los tornillos metálicos que fijan el conmutador al
bastidor proporcionan la fijación de conexión a tierra al bastidor.
Advertencia:
Se requiere un supresor de sobretensiones de clasificación adecuada para cualquier
combinación de cable/antena que salga del edificio. Los componentes requeridos deben
estar clasificados y aprobados para uso en la aplicación prevista.
Advertencia:
Avaya requiere que el punto de acceso en el compartimiento en exteriores reciba
alimentación de un dispositivo Power Over Ethernet (POE) cuyo suministro provenga solo
de un WLAN Avaya 8100.
Español
104 Avaya WLAN 8100 Regulatory Information — WLAN AP 8120-O February 2012
¿Comentarios? infodev@avaya.com

Chapitre 6 : Français
Pourquoi et quand exécuter cette tâche
Utilisez les procédures et informations suivantes pour installer l'AP 8120-O WLAN d'Avaya.
Introduction
Cette section décrit les conditions requises sur le site pour pouvoir installer le point d'accès
AP 8120-O WLAN.
Trouver un emplacement
Inspectez attentivement le site afin de déterminer et de documenter toutes ses caractéristiques
physiques. Avant de commencer l'installation, assurez-vous que le lieu choisi respecte les
conditions requises suivantes :
•Étudiez le plafond, les murs ou le pylône afin de déterminer l'emplacement d'installation
de l'AP 8120-O WLAN.
• Choisissez un lieu où l'antenne de transmission ne sera pas bloquée.
• Analysez les accès tels que les escaliers et les échelles.
• Identifiez les installations matérielles en place et évaluez l'état des pylônes ou des
structures proposées.
• Étudiez l'environnement d'utilisation et notamment la température, l'aération et le degré
d'humidité.
Ethernet
L'AP 8120-O WLAN ne doit pas se trouver à plus de 100 mètres du PoE (Power over
Ethernet).
Remarque :
Avaya vous conseille d'utiliser un câble Ethernet CAT5E pour usage extérieur pour toutes
les connexions externes.
Antenne
L'AP 8120-O WLAN utilise deux antennes 5,0 GHz et deux antennes 2,4 GHz.
Avertissement :
Utilisez uniquement des antennes agréées par Avaya avec l'AP 8120-O WLAN. Les contrats
d'assistance Avaya ne couvrent pas les AP 8120-O WLAN équipés d'antennes non agréées
par Avaya.
Avaya WLAN 8100 Regulatory Information — WLAN AP 8120-O February 2012 105

Précautions de sécurité
Cette section décrit les précautions de sécurité relatives aux lignes électriques, à l'installation
et à la protection contre les surtensions pour l'AP 8120-O WLAN.
Avertissement :
Seul le personnel de service qualifié est autorisé à effectuer l'installation. Lisez et suivez
l'ensemble des avertissements et instructions figurant sur le produit ou fournis dans la
documentation.
Lignes électriques
Avertissement :
Le non-respect des instructions de sécurité relatives au courant électrique peut entraîner
des dommages des équipements et des blessures corporelles.
Assurez-vous que les précautions suivantes sont prises :
Avertissement :
Tout contact avec des lignes électriques peut être mortel.
• Assurez-vous qu'aucune ligne électrique n'est accessible à proximité du site
d'installation afin d'éviter tout contact accidentel ou fortuit avec ces lignes.
• Assurez-vous que les antennes, les mâts, les pylônes et les câbles, notamment les
câbles d'ancrage, ne peuvent pas toucher ces lignes électriques. Essayez de prévenir
tout risque de chute de ce matériel sur ces lignes.
•Le contact avec toute partie d'un matériel touchant des lignes électriques peut entraîner
des blessures graves, voire la mort.
•Assurez-vous qu'il est IMPOSSIBLE que le matériel ou que le personnel puisse entrer
en contact directement ou indirectement avec les lignes électriques.
•Si un composant, comme un fil ou un mât, entre en contact avec une ligne électrique,
NE LE TOUCHEZ PAS ET N'ESSAYEZ PAS DE LE DÉPLACER. Appelez la
compagnie d'électricité.
• N'essayez pas d'installer des antennes ou des pylônes par grand vent.
Installation
Avant d'installer l'AP 8120-O WLAN sur le mât, assurez-vous que les conditions requises
suivantes sont respectées :
• La distance horizontale entre un pylône, un mât ou une antenne et la ligne électrique la
plus proche doit correspondre au moins au double de la longueur totale du mât et de
Français
106 Avaya WLAN 8100 Regulatory Information — WLAN AP 8120-O February 2012
Commentaires? infodev@avaya.com

l'antenne combinés. Ainsi, le mât ne peut pas toucher la ligne électrique s'il tombe
pendant l'installation ou ultérieurement.
• Assurez-vous que tous les pylônes et mâts sont correctement mis à la terre. Mettre
correctement le matériel à la terre permet d'empêcher tout incendie et toute blessure
corporelle en cas de foudre, d'accumulation statique ou de court-circuit.
Protection contre la foudre
Le parasurtenseur Ethernet pour usage en intérieur fourni par Avaya protège efficacement
contre la foudre tout matériel Ethernet ou PoE (Power over Ethernet) situé à l'intérieur d'un
bâtiment. Si la foudre tombe à proximité, le parasurtenseur Ethernet limite instantanément les
surtensions soudaines sur le câble.
Remarque :
Le parasurtenseur Ethernet pour usage en intérieur fourni par Avaya n'est pas certifié pour
un usage en extérieur. Vous ne devez installer l'appareil qu'à l'intérieur.
Avertissement :
Un parasurtenseur certifié est obligatoire pour tout câble sortant du bâtiment. Les éléments
requis doivent être certifiés et leur utilisation dans l'installation prévue doit être
approuvée.
Lorsque vous installez le parasurtenseur Ethernet d'Avaya, respectez les instructions de
sécurité suivantes :
•Installez le parasurtenseur Ethernet à l'intérieur du bâtiment et à proximité du point où le
câble Ethernet sort du bâtiment. Les câbles doivent sortir du bâtiment via un accès fourni
par le client, éventuellement par l'ouverture où se trouvent les canaux de
communication.
• Pour obtenir des résultats optimaux, installez le parasurtenseur Ethernet à l'intérieur du
bâtiment et à proximité d'un emplacement à faible résistance où le câble Ethernet sort du
bâtiment.
• Installez le parasurtenseur Ethernet à l'intérieur du bâtiment dans un lieu facile d'accès
pour que vous puissiez l'inspecter régulièrement. Utilisez des anneaux d'écoulement sur
les câbles afin d'empêcher les infiltrations d'eau.
• Pour mettre le parasurtenseur Ethernet à la terre, posez un fil de cuivre solide #8 (ou
équivalent) suivant le trajet le plus court et le plus direct possible.
Pour connaître les caractéristiques du parasurtenseur Ethernet et obtenir des instructions
d'installation, reportez-vous à la section Installation d'un parasurtenseur Ethernet à la
page 122.
Précautions de sécurité
Avaya WLAN 8100 Regulatory Information — WLAN AP 8120-O February 2012 107

Installation de l'AP 8120-O WLAN
Cette section explique comment :
• installer l'AP 8120-O WLAN sur un tuyau vertical ;
• installer l'AP 8120-O WLAN sur un tuyau horizontal ;
•fixer l'AP 8120-O WLAN au mur ;
• installer un parasurtenseur Ethernet ;
• hydrofuger la prise d'un câble Ethernet pour un usage extérieur ;
• installer un injecteur PoE (Power over Ethernet).
Matériel
Le kit d'installation comprend les éléments suivants :
• 1 point d'accès AP8120-O WLAN d'Avaya
• 1 kit de montage :
-1 support de fixation plat
- 2 supports de fixation pour la base
- 1 attache de tuyau
- 4 boulons
- 4 têtes rondes
- 8 vis d'assemblage à tête hexagonale
• 1 parasurtenseur Ethernet
• 1 œillet pour l'hydrofugation de la connexion Ethernet du point d'accès
• 2 antennes 2,4 GHz
• 2 antennes 5 GHz
Température de fonctionnement
L'AP 8120-O WLAN 8100 d'Avaya doit être utilisé dans un environnement dont la température
est comprise entre -40℃ et +60 ℃.
Configuration requise pour les câbles
Avant de connecter l'AP 8120-O via un câble Ethernet à paires torsadées non blindées (UTP
- Unshielded Twisted Pair), vous devez vous assurer que le câble a été hydrofugé pour pouvoir
Français
108 Avaya WLAN 8100 Regulatory Information — WLAN AP 8120-O February 2012
Commentaires? infodev@avaya.com

être utilisé en extérieur. Pour obtenir des instructions sur l'hydrofugation du câble Ethernet
UTP, reportez-vous à la section Hydrofugation du câble Ethernet UTP à la page 109.
Avertissement :
Pour éviter tout risque de décharge électrique, vous devez utiliser un câble UTP agréé pour
un usage extérieur.
Remarque :
Avaya vous conseille d'utiliser uniquement un câble UTP agréé pour un usage extérieur tel
que le câble Cat5E.
Le point d'accès AP 8120-O dispose d'un port RJ-45 qui assure une connexion Ethernet
10/100/1000BASE-TX utilisée pour connecter de façon indirecte le point d'accès à un
contrôleur WLAN Avaya WC 8180, généralement via un réseau intermédiaire de niveau 2 ou 3.
Lorsque vous connectez un point d'accès en extérieur, utilisez un câble de catégorie 5e
(CAT-5e) avec signalisation directe et des connecteurs RJ-45 standard pour la connexion à
un périphérique réseau.
Avaya vous conseille vivement d'utiliser pour toutes les connexions externes un câble Ethernet
CAT-5E pour usage extérieur.
L'AP8120-O prend en charge la norme 802.3at (également appelée PoE+). Avaya vous
conseille d'utiliser un injecteur d'alimentation PoE fourni par Avaya lorsque vous utilisez
l'AP8120-O. Le point d'accès reçoit l'alimentation et les données via le port RJ-45. Pour en
savoir plus, reportez-vous à la section Installation de l'injecteur PoE à la page 126.
Les câbles dotés d'une gaine irrégulière, comme illustré ci-dessous, ne sont pas adaptés au
port Ethernet du point d'accès. Avec ce type de câble, le connecteur RJ-45 ne s'insère pas
correctement dans le logement du point d'accès. Utilisez plutôt un câble doté d'une gaine
régulière.
Illustration 73 : Connecteur CAT-5 doté d'une gaine irrégulière
Hydrofugation du câble Ethernet UTP
Avant de connecter le câble Ethernet pour usage extérieur à l'AP 8120-O WLAN, vous devez
hydrofuger le câble Ethernet UTP afin d'éviter tout risque de décharge électrique.
Installation de l'AP 8120-O WLAN
Avaya WLAN 8100 Regulatory Information — WLAN AP 8120-O February 2012 109

Pour hydrofuger le câble Ethernet, procédez comme suit :
Remarque :
Avaya vous conseille d'utiliser uniquement un câble UTP agréé pour un usage extérieur tel
que le câble CAT-5E.
Procédure
1. Dévissez le bouchon de transmission étanche et enlevez le joint de l'œillet.
2. Faites passer le câble Ethernet UTP dans le bouchon de compression, le joint de
l'œillet et le corps de transmission Ethernet.
3. Dénudez l'extrémité du câble Ethernet UTP selon la longueur requise pour la
prise 8P8C.
4. Insérez l'extrémité dénudée du câble dans la prise selon le câblage EIA/TIA 568A
ou 568B (reportez-vous au tableau ci-dessous). Assurez-vous que les deux
extrémités du câble disposent du même brochage pour les connecteurs RJ45.
5. Sertissez le câble du connecteur 8P8C.
6. Assurez-vous que le câble serti dispose d'une continuité de bout en bout pour les
huit conducteurs et prises blindées.
7. Insérez la prise sertie dans le port Ethernet externe de l'AP 8120-O WLAN qui se
trouve dans la partie inférieure de l'AP 8120-O.
8. Vissez le corps de transmission étanche aux ports Ethernet externes de l'AP 8120-
O WLAN.
9. Faites passer l'œillet de compression dans le corps de transmission.
10. Faites passer le câble par le bouchon de compression jusqu'au corps de
transmission et serrez le joint à la main.
Français
110 Avaya WLAN 8100 Regulatory Information — WLAN AP 8120-O February 2012
Commentaires? infodev@avaya.com

Illustration 74 : Hydrofugation de la prise Ethernet
Tableau 14 : Câblage EIA/TIA
CÂBLAGE EIA/TIA 568-A CÂBLAGE EIA/TIA 568-B
BROCHE 1 : vert et blanc BROCHE 1 : orange et blanc
BROCHE 2 : vert foncé BROCHE 2 : orange foncé
BROCHE 3 : orange et blanc BROCHE 3 : vert et blanc
BROCHE 4 : bleu foncé BROCHE 4 : bleu foncé
BROCHE 5 : bleu et blanc BROCHE 5 : bleu et blanc
BROCHE 6 : orange foncé BROCHE 6 : vert foncé
BROCHE 7 : marron et blanc BROCHE 7 : marron et blanc
BROCHE 8 : marron foncé BROCHE 8 : marron foncé
Installation de l'AP 8120-O WLAN
Avaya WLAN 8100 Regulatory Information — WLAN AP 8120-O February 2012 111

Installation de l'AP 8120-O WLAN sur un tuyau vertical
Pourquoi et quand exécuter cette tâche
Pour installer l'AP 8120-O WLAN sur un tuyau vertical, procédez comme suit.
Procédure
1. Placez les rondelles freins et plates sur les quatre vis d'assemblage à tête
hexagonale.
Illustration 75 : Fixation du support plat à l'arrière du boîtier
2. Serrez les vis afin de fixer le support plat à l'arrière du boîtier.
3. Alignez horizontalement les trous des supports statiques par rapport au tuyau.
Français
112 Avaya WLAN 8100 Regulatory Information — WLAN AP 8120-O February 2012
Commentaires? infodev@avaya.com

Illustration 76 : Fixation du support statique au support plat
4. Serrez les quatre vis à tête ronde pour fixer le support statique au support plat.
5. Faites passer l'extrémité ouverte de l'attache de tuyau par les deux trous du support
statique.
Illustration 77 : Fixation de l'attache de tuyau au support statique
6. Serrez la vis de l'attache de tuyau afin de fixer solidement le support au tuyau.
Installation de l'AP 8120-O WLAN
Avaya WLAN 8100 Regulatory Information — WLAN AP 8120-O February 2012 113

Illustration 78 : Serrage de l'attache de tuyau
7. Assurez-vous que l'AP 81208-O WLAN est correctement fixé au tuyau.
8. Le cas échéant, fixez les antennes 5 GHz d'Avaya aux connecteurs situés sur la
partie supérieure de l'AP 8120-O WLAN. Serrez les antennes à la main.
9. Le cas échéant, fixez les antennes 2,4 GHz d'Avaya aux connecteurs situés sur la
partie inférieure de l'AP 8120-O WLAN. Serrez les antennes à la main.
Illustration 79 : Connecteurs des antennes de l'AP 8120-O
Français
114 Avaya WLAN 8100 Regulatory Information — WLAN AP 8120-O February 2012
Commentaires? infodev@avaya.com

10. L'AP 8120-O WLAN est alimenté par un périphérique PoE (Power over Ethernet).
Choisissez l'une des options suivantes pour connecter à l'AP 8120-O WLAN un
parasurtenseur Ethernet et un injecteur PoE.
Remarque :
Si vous utilisez l'injecteur PoE d'Avaya, vous n'avez pas besoin d'utiliser le
parasurtenseur Ethernet fourni car l'injecteur assure la protection contre les
surtensions.
a. Pour connecter le parasurtenseur Ethernet fourni à l'AP 8120-O WLAN,
reportez-vous à la section Installation d'un parasurtenseur Ethernet à la
page 122.
b. Pour connecter l'injecteur PoE d'Avaya à l'AP 8120-O WLAN, reportez-vous à
la section Installation de l'injecteur PoE à la page 126.
Installation de l'AP 8120-O WLAN sur un tuyau horizontal
Pourquoi et quand exécuter cette tâche
Pour installer l'AP 8120-O WLAN sur un tuyau horizontal, procédez comme suit.
Procédure
1. Placez les rondelles freins et plates sur les quatre vis d'assemblage à tête
hexagonale.
Illustration 80 : Fixation du support plat à l'arrière du boîtier
2. Serrez les vis afin de fixer le support plat à l'arrière du boîtier.
Installation de l'AP 8120-O WLAN
Avaya WLAN 8100 Regulatory Information — WLAN AP 8120-O February 2012 115

3. Alignez verticalement les trous des supports statiques par rapport au tuyau.
Illustration 81 : Fixation du support statique au support plat (verticalement)
4. Serrez les quatre vis à tête ronde pour fixer le support statique au support plat.
5. Faites passer l'extrémité ouverte de l'attache de tuyau par les deux trous du support
statique.
Illustration 82 : Fixation de l'attache de tuyau au support statique
6. Serrez la vis de l'attache de tuyau afin de fixer solidement le support au tuyau.
Français
116 Avaya WLAN 8100 Regulatory Information — WLAN AP 8120-O February 2012
Commentaires? infodev@avaya.com

Illustration 83 : Serrage de l'attache de tuyau
7. Assurez-vous que l'AP 81208-O WLAN est correctement fixé au tuyau.
8. Le cas échéant, fixez les antennes 5 GHz d'Avaya aux connecteurs situés sur la
partie supérieure de l'AP 8120-O WLAN. Serrez les antennes à la main.
9. Le cas échéant, fixez les antennes 2,4 GHz d'Avaya aux connecteurs situés sur la
partie inférieure de l'AP 8120-O WLAN. Serrez les antennes à la main.
Installation de l'AP 8120-O WLAN
Avaya WLAN 8100 Regulatory Information — WLAN AP 8120-O February 2012 117

Illustration 84 : Connecteurs des antennes de l'AP 8120-O
10. L'AP 8120-O WLAN est alimenté par un périphérique PoE (Power over Ethernet).
Choisissez l'une des options suivantes pour connecter à l'AP 8120-O WLAN un
parasurtenseur Ethernet et un injecteur PoE.
Remarque :
Si vous utilisez l'injecteur PoE d'Avaya, vous n'avez pas besoin d'utiliser le
parasurtenseur Ethernet fourni car l'injecteur assure la protection contre les
surtensions.
a. Pour connecter le parasurtenseur Ethernet fourni à l'AP 8120-O WLAN,
reportez-vous à la section Installation d'un parasurtenseur Ethernet à la
page 122.
b. Pour connecter l'injecteur PoE d'Avaya à l'AP 8120-O WLAN, reportez-vous à
la section Installation de l'injecteur PoE à la page 126.
Fixation de l'AP 8120-O WLAN au mur
Pour fixer l'AP 8120-O WLAN à un mur, procédez comme suit.
Français
118 Avaya WLAN 8100 Regulatory Information — WLAN AP 8120-O February 2012
Commentaires? infodev@avaya.com

Procédure
1. Marquez sur le mur l'emplacement des quatre trous de fixation du support plat.
Illustration 85 : Marquage des trous sur une surface
2. Percez un trou de 8 mm de diamètre et d'une profondeur de 36 à 38 mm au niveau
de chacune des marques.
Installation de l'AP 8120-O WLAN
Avaya WLAN 8100 Regulatory Information — WLAN AP 8120-O February 2012 119

Illustration 86 : Perçage de trous dans la surface
3. À l'aide d'un marteau, enfoncez un boulon dans chacun des trous percés.
4. Placez les rondelles freins et plates sur les quatre vis d'assemblage à tête
hexagonale.
Illustration 87 : Fixation du support plat
Français
120 Avaya WLAN 8100 Regulatory Information — WLAN AP 8120-O February 2012
Commentaires? infodev@avaya.com

5. Serrez les vis afin de fixer le support plat à l'arrière du boîtier.
6. Resserrez les rondelles plates afin de fixer le support à la surface de fixation.
Illustration 88 : Fixation du support plat
7. Assurez-vous que l'AP 81208-O WLAN est correctement fixé au mur.
8. Le cas échéant, fixez les antennes 5 GHz d'Avaya aux connecteurs situés sur la
partie supérieure de l'AP 8120-O WLAN. Serrez les antennes à la main.
9. Le cas échéant, fixez les antennes 2,4 GHz d'Avaya aux connecteurs situés sur la
partie inférieure de l'AP 8120-O WLAN. Serrez les antennes à la main.
Installation de l'AP 8120-O WLAN
Avaya WLAN 8100 Regulatory Information — WLAN AP 8120-O February 2012 121

Illustration 89 : Connecteurs des antennes de l'AP 8120-O
10. L'AP 8120-O WLAN est alimenté par un périphérique PoE (Power over Ethernet).
Choisissez l'une des options suivantes pour connecter à l'AP 8120-O WLAN un
parasurtenseur Ethernet et un injecteur PoE.
Remarque :
Si vous utilisez l'injecteur PoE d'Avaya, vous n'avez pas besoin d'utiliser le
parasurtenseur Ethernet fourni car l'injecteur assure la protection contre les
surtensions.
a. Pour connecter le parasurtenseur Ethernet fourni à l'AP 8120-O WLAN,
reportez-vous à la section Installation d'un parasurtenseur Ethernet à la
page 122.
b. Pour connecter l'injecteur PoE d'Avaya à l'AP 8120-O WLAN, reportez-vous à
la section Installation de l'injecteur PoE à la page 126.
Installation d'un parasurtenseur Ethernet
Le point d'accès AP8120-O est livré avec un parasurtenseur Ethernet. Utile dans le cadre d'une
installation en intérieur, le parasurtenseur protège de la foudre et des surtensions le matériel
Ethernet installé à l'intérieur et connecté à l'AP8120-O. Le parasurtenseur Ethernet est
Français
122 Avaya WLAN 8100 Regulatory Information — WLAN AP 8120-O February 2012
Commentaires? infodev@avaya.com

compatible avec les périphériques POE (Power Over Ethernet) et prend en charge le PoE à
polarité normale et inversée. Le schéma suivant illustre une installation standard.
Remarque :
Si vous utilisez l'injecteur PoE d'Avaya, vous n'avez pas besoin de connecter le parasurtenseur
Ethernet car l'injecteur assure déjà la protection contre les surtensions.
Avertissement :
Le parasurtenseur Ethernet doit être exclusivement utilisé en intérieur. Vous ne devez pas
l'installer à l'extérieur.
Caractéristiques de fonctionnement
Le tableau suivant présente les caractéristiques de fonctionnement du parasurtenseur
Ethernet.
Tableau 15 : Caractéristiques du parasurtenseur Ethernet
Caractéristique Plage
Tension d'amorçage CC 75 V +-25 %
Tension d'amorçage au choc 100 V/us <= 500 V, à 1kV/us <= 600 V
Température de fonctionnement -20 à +60 °C
Température de stockage -40 à +85 °C
Humidité 5 % à 95 % typique
Pour installer le parasurtenseur Ethernet dans le cadre du déploiement d'un AP8120-O WLAN,
procédez comme suit.
Procédure
1. Fixez le parasurtenseur Ethernet au mur en serrant les deux vis dans les trous.
Installation de l'AP 8120-O WLAN
Avaya WLAN 8100 Regulatory Information — WLAN AP 8120-O February 2012 123

Illustration 90 : Vue de dessus du parasurtenseur Ethernet
2. Enlevez la vis supérieure du parasurtenseur Ethernet à l'aide d'un tournevis à pointe
cruciforme.
3. Vissez une extrémité d'un fil de mise à la terre en cuivre certifié à la grande vis de
mise à la terre située entre les deux connecteurs RJ-45, comme illustré dans le
schéma suivant.
Français
124 Avaya WLAN 8100 Regulatory Information — WLAN AP 8120-O February 2012
Commentaires? infodev@avaya.com

Illustration 91 : Parasurtenseur Ethernet ouvert avec vis de mise à la terre et
connecteurs RJ-45 illustrés
4. Branchez l'autre extrémité du fil à une prise de terre appropriée.
5. Insérez le câble Ethernet reliant le matériel Ethernet/PoE à l'un des
connecteurs RJ-45 du parasurtenseur Ethernet.
6. Insérez l'extrémité hydrofugée du câble Ethernet dans la partie inférieure de
l'AP 8120-O WLAN et serrez à la main. Pour obtenir des instructions sur
l'hydrofugation du câble Ethernet, reportez-vous à la section
Hydrofugation du câble
Ethernet UTP à la page 109.
Installation de l'AP 8120-O WLAN
Avaya WLAN 8100 Regulatory Information — WLAN AP 8120-O February 2012 125

Illustration 92 : Déploiement du parasurtenseur Ethernet sur l'AP8120-O
7. Insérez l'autre extrémité du câble Ethernet au port non utilisé du parasurtenseur
Ethernet.
8. Remettez en place la partie supérieure du parasurtenseur Ethernet en vous
assurant que le fil de mise à la terre passe par l'ouverture centrale et que les câbles
Ethernet passent par les ouvertures qui leur correspondent situées dans la partie
inférieure du parasurtenseur Ethernet.
9. Vissez solidement la partie supérieure.
Installation de l'injecteur PoE
Avaya vous offre la possibilité de commander séparément un injecteur PoE (Power over
Ethernet) pour le point d'accès AP8120. Le PD-9001G-40/SP est un injecteur à port unique,
Français
126 Avaya WLAN 8100 Regulatory Information — WLAN AP 8120-O February 2012
Commentaires? infodev@avaya.com

midspan Gigabit avec protection contre les surtensions qui est compatible avec les
normes 802.3af et 802.3at. Si vous utilisez le PD-9001G-40/SP, le parasurtenseur Ethernet
fourni avec l'AP8120-O n'est pas nécessaire. Pour la version 1.2, l'utilisation de l'injecteur PoE
d'Avaya n'est certifiée que pour l'Amérique du Nord et l'Union européenne.
Le tableau suivant présente les caractéristiques du PD-9001G-40/SP :
Tableau 16 : Caractéristiques du PD-9001G-40/SP
Caractéristique Description
Ports 1
Débit des données en
accès direct
10/100/1000 Mbit/s
Sortie PoE (Power over
Ethernet)
Polarité et affectation des broches :
• Sortie 4/5 (+), 7/8 (–)
• Tension d'alimentation en sortie : 55 V CC
• Alimentation du port utilisateur : 40 W
Consommation
électrique
Tension d'entrée CA : 100 à 240 V CA
Courant d'entrée CA : 0,8 A à 100 à 240 V CA
Fréquence CA : 50 à 60 Hz
Dimensions 8,79 cm x 4,3 cm x 16,6 cm
3,46 po x 1,68 po x 6,53 po
Poids 400 g (0,881 lbs)
Voyants Voyant système : alimentation CA (vert)
Voyant utilisateur : alimentation du canal (vert)
Connecteurs RJ-45, EIA 568A et 568B (blindés)
Environnement Température ambiante de fonctionnement : -10 à 45 °C (14
à 113 °F)
Humidité de fonctionnement : 90 % maximum, sans
condensation
Température de stockage : –20 à 70 °C (–4 à 158 °F)
Humidité de stockage : 95 % maximum, sans condensation
Altitude de fonctionnement : –304,8 à 3 048 m (–1 000 à
10 000 pieds)
Fiabilité Durée moyenne entre les pannes : 100 000 h à 25 °C
Classement thermique 27 BTU/h (à 240 V CA)
Protection contre les
surtensions
Assure la protection contre les surtensions comme spécifié
par le critère B de la norme GR-1089-Core :
Installation de l'AP 8120-O WLAN
Avaya WLAN 8100 Regulatory Information — WLAN AP 8120-O February 2012 127

Caractéristique Description
• ± 1 000 V/100 A à 10/1000 [μS] (forme d'onde)
• ± 2 500 V/500 A à 2/10 [μS] (forme d'onde)
•± 1 000 V/25 A à 10/360 [μS] (forme d'onde)
Pourquoi et quand exécuter cette tâche
Pour installer le PoE sur l'AP 8120-O WLAN, procédez comme suit :
Procédure
1. Avant de connecter l'adaptateur PoE sur l'AP 8120-O WLAN, vous devez d'abord
mettre le PoE à la terre. Pour ce faire et le connecter à l'AP 8120-O WLAN, procédez
comme suit :
a. Branchez une extrémité du fil de mise à la terre vert à l'élément de mise à la
terre en cuivre qui se trouve sur la partie inférieure du PoE.
b. Branchez l'autre extrémité du fil de mise à la terre à une prise de terre
appropriée.
2. Branchez la prise d'alimentation fournie à la prise à trois broches située sur la partie
inférieure de l'adaptateur PoE.
Illustration 93 : Élément de mise à la terre en cuivre du PoE
3. Branchez l'autre extrémité à une prise de courant CA qui fonctionne.
4. Insérez l'une des extrémités d'un câble Ethernet dans le port DATA IN de
l'adaptateur PoE.
Français
128 Avaya WLAN 8100 Regulatory Information — WLAN AP 8120-O February 2012
Commentaires? infodev@avaya.com

Illustration 94 : Ports DATA IN et DATA & POWER du PoE
5. Branchez l'autre extrémité au commutateur WLAN d'Avaya. Le voyant AC (CA)
s'allume.
Illustration 95 : Voyants AC et PORT du PoE
6. Insérez l'extrémité hydrofugée du câble Ethernet dans le connecteur Ethernet qui
se trouve dans la partie inférieure de l'AP 8120-O WLAN. Avant d'insérer le câble
Ethernet au connecteur Ethernet, vous devez d'abord hydrofuger et sertir votre
connexion. Pour obtenir des instructions sur l'hydrofugation du câble Ethernet,
reportez-vous à la section Hydrofugation du câble Ethernet UTP à la page 109.
Installation de l'AP 8120-O WLAN
Avaya WLAN 8100 Regulatory Information — WLAN AP 8120-O February 2012 129

Illustration 96 : Déploiement du PoE de l'AP 8120-O
7. Insérez l'autre extrémité du câble Ethernet hydrofugé dans le port DATA & POWER
OUT du PoE. Le voyant Port s'allume.
Messages de sécurité
Avertissement :
Les radios de l'AP 8120-O WLAN d'Avaya sont désactivées par défaut et peuvent
uniquement être activées par un administrateur système.
Français
130 Avaya WLAN 8100 Regulatory Information — WLAN AP 8120-O February 2012
Commentaires? infodev@avaya.com

Tension :
Danger - Haute tension. Cette situation ou condition peut provoquer des blessures, voire la
mort, suite à une décharge électrique.
Avertissement :
Seul le personnel de service qualifié est autorisé à installer ce produit. Lisez et suivez
l'ensemble des avertissements et instructions figurant sur le produit ou fournis dans la
documentation.
Avertissement :
Installez l'appareil en veillant à conserver une distance d'au moins 25 cm entre les éléments
rayonnants et les personnes. Cet avertissement de sécurité est conforme aux limites
d'exposition définies par la norme FCC relative aux fréquences radio.
Avertissement :
N'utilisez pas ce point d'accès à proximité de détonateurs non blindés ou dans d'autres
environnements où des risques d'explosion existent, sauf si l'appareil a été modifié pour
une telle utilisation par une personne qualifiée.
Avertissement :
Ne touchez pas et ne déplacez pas le point d'accès lorsque les antennes sont en cours
d'utilisation (transmission ou réception).
Avertissement :
Avant d'utiliser un périphérique sans fil sur un site dangereux, consultez les réglementations
locales et nationales et interrogez les responsables de la sécurité du site afin de connaître
les contraintes d'utilisation.
Avertissement :
N'installez pas les antennes extérieures et ne les connectez pas à un parasurtenseur ou à
un point d'accès pendant un orage.
Avertissement :
L'alimentation provenant d'une source connectée au point d'accès, telle que le commutateur
de sécurité sans fil ou l'injecteur PoE, doit être fournie via une prise de terre sure afin de
garantir la sécurité du système.
Avertissement :
Ne touchez pas et ne déplacez pas le point d'accès lorsque les antennes sont en cours
d'utilisation (transmission ou réception).
Avertissement :
Les éléments rayonnants intentionnels, comme l'AP
8120-O WLAN d'A
vaya, ne doivent pas
être utilisés avec des antennes autres que celles fournies par
Avaya. Un élément rayonnant
intentionnel ne peut être utilisé qu'avec les antennes certifiées. Vous trouverez la liste des
antennes pouvant être utilisées avec ce produit à l'adresse http://www.avaya.com/
support.
Messages de sécurité
Avaya WLAN 8100 Regulatory Information — WLAN AP 8120-O February 2012 131

Avertissement :
Tous les câbles reliant le point d'accès, le parasurtenseur et les antennes extérieures doivent
faire l'objet d'un routage distinct. Il est particulièrement important que les câbles CA et tous
les autres câbles extérieurs n'entrent pas en contact avec le point d'accès, les câbles des
antennes et les câbles d'interface.
Avertissement :
La mise à la terre est obligatoire si le commutateur de sécurité sans fil est installé en rack.
Si vous comptez sur le rack pour assurer la mise à la terre, vous devez vous assurer que
le rack est lui-même mis à la terre via un conducteur de terre sur la prise de terre. Les vis
métalliques fixant le commutateur au rack fournissent la mise à la terre pour le rack.
Avertissement :
Un parasurtenseur certifié est obligatoire pour toute combinaison câble/antenne sortant du
bâtiment. Les éléments requis doivent être certifiés et leur utilisation dans l'installation
prévue doit être approuvée.
Avertissement :
Avaya exige que le point d'accès placé en extérieur soit alimenté par un POE (Power Over
Ethernet) fourni uniquement par un 8100 WLAN d'Avaya.
Français
132 Avaya WLAN 8100 Regulatory Information — WLAN AP 8120-O February 2012
Commentaires? infodev@avaya.com

Capítulo 7: Português do Brasil
Por Que e Quando Desempenhar Esta Tarefa
Como usar os procedimentos e as informações a seguir ao instalar o Avaya WLAN AP 8120-O.
Introdução
Esta seção descreve as condições do local exigidas antes da instalação do ponto de acesso
WLAN AP 8120-O.
Planejamento do local
Faça uma inspeção visual para determinar e documentar as características físicas do local.
Certifique-se de que o planejamento do local atende aos requisitos a seguir antes de iniciar a
instalação:
• Identifique a área do telhado, parede ou torre para montagem do WLAN AP 8120-O.
• Escolha um local com uma linha de visão clara a partir da antena de transmissão.
• Determine a área de acesso, como escadaria ou escada.
• Identifique as instalações de equipamento existentes e avalie a condição das torres ou
estruturas de montagem pretendidas.
• Avalie as condições ambientais, como temperatura, ventilação e umidade.
Ethernet
O WLAN AP 8120-O deve ficar a menos de 100 metros do PoE (Power over Ethernet).
Nota:
A Avaya recomenda a utilização de cabo Ethernet CA
T5E externo para todas as conexões
externas.
Antena
O WLAN AP 8120-O utiliza duas antenas de 5,0 GHz e duas de 2,4 GHz.
Cuidado:
Utilize somente antenas aprovadas pela Avaya com o WLAN AP 8120-O. Um WLAN AP
8120-O equipado com antenas não certificadas pela Avaya não é suportado pelos contratos
de suporte da Avaya.
Avaya WLAN 8100 Regulatory Information — WLAN AP 8120-O February 2012 133

Precauções de segurança
Esta seção descreve as precauções de segurança para a rede elétrica, a instalação e a
proteção contra raios do WLAN AP 8120-O.
Aviso:
Somente pessoal qualificado deve realizar a instalação. Leia e siga todos os avisos e as
instruções de atenção indicados no produto ou incluídos na documentação.
Rede elétrica
Aviso:
A Avaya avisa que a falha no cumprimento das instruções de segurança e de energia pode
causar danos às pessoas e ao equipamento.
Certifique-se de que as seguintes precauções sejam implementadas:
Aviso:
Entrar em contato com redes elétricas pode ser fatal.
• Certifique-se de que não existam redes elétricas acessíveis próximas do local de
instalação para evitar contato humano acidental ou incidental com essas redes.
•Certifique-se de que as antenas, mastros, torres, cabos de sustentação ou cabos não
entrem em contato com essas redes elétricas. Procure fazer um planejamento para
prevenir inclinação ou queda desse equipamento nessas redes.
•Você poderá ser ferir ou morrer se estiver tocando ou segurando qualquer parte do
equipamento quando ele entrar em contato com redes elétricas.
• Certifique-se de que NÃO haja possibilidade de o equipamento ou pessoal entrar em
contato direto ou indireto com redes elétricas.
•Se algo, como um fio ou mastro, entrar em contato com uma rede elétrica NÃO TOQUE
OU TENTE MOVÊ-LO. Entre em contato com a companhia elétrica.
• Não tente erguer antenas ou torres em dias de ventania.
Instalação
Antes de instalar o WLAN AP 8120-O no mastro garanta que as seguintes condições do
mastro sejam atendidas:
• A distância horizontal de uma torre, mastro ou antena até a rede elétrica mais próxima
deve ser de pelo menos duas vezes o comprimento total da combinação mastro/antena.
Isso garante que o mastro não entrará em contato com a rede elétrica se cair durante a
instalação ou posteriormente.
• Certifique-se de que todas as torres e os mastros estejam aterrados com segurança.
Equipamento aterrado com segurança ajuda a prevenir danos por incêndio ou ferimentos
em pessoas na ocorrência de relâmpago, acúmulo estático ou curto circuito.
Português do Brasil
134 Avaya WLAN 8100 Regulatory Information — WLAN AP 8120-O February 2012
Comentários? infodev@avaya.com

Proteção contra raios e relâmpagos
O para-raios (protetor contra relâmpagos) Ethernet interno da série fornecida pela Avaya
fornece proteção de alto nível para equipamentos Ethernet e/ou PoE (Power over Ethernet)
localizados no interior do edifício. Na ocorrência de uma descarga local, o para-raios Ethernet
limita instantaneamente raios de tensão repentinos em todo o cabo.
Nota:
O para-raios Ethernet interno da série fornecida pela Avaya não está classificado para uso
externo. Você deve instalar o dispositivo apenas em locais fechados.
Aviso:
É necessário ter um protetor contra raios classificado para qualquer cabo saindo do edifício.
Os componentes exigidos devem ser classificados e aprovados para os fins a que se
destinam.
Siga as diretrizes de segurança gerais a seguir ao instalar o para-raios Avaya Ethernet:
•Monte o para-raios Ethernet em locais fechados perto do ponto de saída do cabo Ethernet
do edifício. Os cabos devem sair do edifício através de um acesso fornecido pelo cliente,
possivelmente, através de um orifício perfurado onde existam tubulações de
comunicações.
• Para obter melhores resultados, instale o para-raios Ethernet em locais fechados, bem
próximo de um aterramento de baixa resistência em um ponto onde o cabo Ethernet sai
do edifício.
• Instale o para-raios Ethernet em um local fechado acessível que possibilite a inspeção
periódica. Forneça voltas para gotejamento nos cabos para evitar a entrada de água no
edifício.
•Para conectar o para-raios Ethernet ao solo, use o caminho mais curto e direto possível
com fio de cobre sólido nº 8 (ou equivalente).
Consulte, Instalação do para-raios Ethernet na página 149para obter as instruções de
instalação e as especificações do para-raios Ethernet.
Instalação do WLAN AP 8120-O
Esta seção descreve como:
•montar o WLAN AP 8120-O em um polo vertical
•montar o WLAN AP 8120-O em um polo horizontal
• montar o WLAN AP 8120-O em uma parede
• instalar um para-raios Ethernet
• impermeabilizar um plugue de extremidade de cabo Ethernet externo
• instalar um injetor PoE (Power over Ethernet)
Instalação do WLAN AP 8120-O
Avaya WLAN 8100 Regulatory Information — WLAN AP 8120-O February 2012 135

Ferragens
O kit de instalação contém o seguinte:
• 1 Ponto de acesso Avaya WLAN AP8120-O
•1 Kit de montagem:
- 1 suporte plano
- 2 suportes para a base
- 1 pulseira para mangueira
- 4 parafusos
- 4 parafusos de cabeça redonda
- 8 parafusos de cabeça sextavada
• 1 para-raios Ethernet
• 1 vedação para impermeabilização da conexão Ethernet no ponto de acesso
• 2 antenas de 2,4 GHz
• 2 antenas de 5 GHz
Requisitos de carregamento a frio e a quente do equipamento
O WLAN 8100 AP 8120-O deve operar entre -40℃ e +60℃.
Requisitos de cabo
Antes de conectar o AP 8120-O usando um cabo Ethernet UTP, é necessário garantir que o
cabo foi adequadamente impermeabilizado para uso externo. Para obter instruções sobre
como impermeabilizar o cabo Ethernet UTP, consulte Impermeabilização do cabo Ethernet
UTP na página 137.
Aviso:
É necessário utilizar um cabo UTP externo certificado ou correr o risco de ferimentos
causados por choque elétrico.
Nota:
A Avaya recomenda somente o uso de um cabo UTP externo certificado, como o Cat5E.
O ponto de acesso AP 8120-O possui uma porta RJ-45 que fornece uma conexão Ethernet
10/100/1000BASE-TX usada para conectar indiretamente o ponto de acesso a um controlador
Avaya WC 8180 WLAN, geralmente, por meio de uma rede intermediária de Camada 2 ou 3.
Ao conectar um ponto de acesso externo, utilize um cabo de Categoria 5e (CAT-5e) com
sinalização direta e conectores padrão RJ-45 para conectar a um dispositivo de rede.
Português do Brasil
136 Avaya WLAN 8100 Regulatory Information — WLAN AP 8120-O February 2012
Comentários? infodev@avaya.com

A Avaya recomenda fortemente que seja utilizado um cabo Ethernet CAT-5E para todas as
conexões externas.
O AP8120-O oferece suporte para 802.3at (também conhecido como PoE+). A Avaya
recomenda que você utilize um injetor de energia PoE fornecido pela Avaya ao operar o
AP8120-O. O ponto de acesso recebe alimentação e dados através da porta RJ-45. Consulte
Instalação do injetor PoE (Power over Ethernet) na página 153para obter mais
informações.
A porta Ethernet no ponto de acesso não pode aceitar um cabo com um revestimento irregular,
conforme mostrado abaixo. Com um revestimento irregular, o conector RJ-45 do cabo não se
ajustará adequadamente ao receptáculo no ponto de acesso. Utilize um cabo com um
revestimento uniforme.
Figura 97: Conector CAT-5 mostrando um revestimento irregular
Impermeabilização do cabo Ethernet UTP
Antes de conectar o cabo Ethernet externo ao WLAN AP 8120-O, é necessário primeiro
impermeabilizar o cabo Ethernet UTP ou haverá o risco de ocorrer um choque elétrico.
Para impermeabilizar o cabo Ethernet, complete o seguinte procedimento:
Nota:
A Avaya recomenda que sejam utilizados somente cabos UTP
externos certificados, como
o cabo CAT-5E.
Procedimento
1. Desparafuse a alimentação da impermeabilização através da tampa e retire o selo
de vedação.
2. Deslize o cabo Ethernet UTP através da tampa de compressão, do selo de vedação
e da alimentação Ethernet através do corpo.
3. Desencape a extremidade do cabo Ethernet UTP até o comprimento exigido pelo
plugue 8P8C.
Instalação do WLAN AP 8120-O
Avaya WLAN 8100 Regulatory Information — WLAN AP 8120-O February 2012 137

4. Coloque a extremidade desencapada do cabo no plugue seguindo a fiação EIA/
TIA 568 A ou 568B, conforme listado na tabela a seguir. Certifique-se de que ambas
as extremidades do cabo tenham a mesma pinagem para os conectores RJ45.
5. Crimpe o conector 8P8C ao cabo.
6. Verifique se o cabo crimpado possui continuidade de ponta a ponta para todos os
oito protetores de condutores e de plugue.
7. Instale o plugue crimpado na porta Ethernet do WLAN AP 8120-O encontrada na
parte inferior do AP 8120-O.
8. Parafuse a alimentação da impermeabilização através do corpo até os fios da porta
Ethernet do WLAN AP 8120-O externo.
9. Deslize a vedação de compressão no corpo da passagem da alimentação.
10. Empurre o cabo através da tampa de compressão para a alimentação através do
corpo usando a mão para apertar o selo.
Figura 98: Impermeabilização do plugue Ethernet
Tabela 17: Fiação EIA/TIA
EIA/TIA 568-FIAÇÃO A EIA/TIA 568-FIAÇÃO B
PINO 1– Verde e branco PINO 1– Laranja e branco
Português do Brasil
138 Avaya WLAN 8100 Regulatory Information — WLAN AP 8120-O February 2012
Comentários? infodev@avaya.com

EIA/TIA 568-FIAÇÃO A EIA/TIA 568-FIAÇÃO B
PINO 2– Verde sólido PINO 2– Laranja sólido
PINO 3– Laranja e branco PINO 3– Verde e branco
PINO 4– Azul sólido PINO 4– Azul sólido
PINO 5– Azul e branco PINO 5– Azul e branco
PINO 6– Laranja sólido PINO 6– Verde sólido
PINO 7– Marrom e branco PINO 7– Marrom e branco
PINO 8– Marrom sólido PINO 8– Marrom sólido
Instalação do WLAN AP 8120-O em um polo vertical
Por Que e Quando Desempenhar Esta Tarefa
Complete o procedimento a seguir para montar o WLAN AP 8120-O em um polo vertical.
Procedimento
1. Coloque o fecho e as arruelas lisas nos quatro parafusos de cabeça sextavada.
Figura 99: Como prender o suporte plano no compartimento traseiro
2. Aperte os parafusos para prender o suporte plano no compartimento traseiro.
3. Alinhe os orifícios da presilha dos suportes estáticos horizontalmente ao polo.
Instalação do WLAN AP 8120-O
Avaya WLAN 8100 Regulatory Information — WLAN AP 8120-O February 2012 139

Figura 100: Como prender o suporte estático no suporte plano
4. Aperte os quatro parafusos de cabeça redonda para prender o suporte estático no
suporte plano.
5. Passe a extremidade aberta da pulseira da mangueira através das duas presilhas
do suporte estático.
Figura 101: Como prender a pulseira da mangueira no suporte estático
6. Aperte o fecho da pulseira da mangueira para fixar o suporte ao polo.
Português do Brasil
140 Avaya WLAN 8100 Regulatory Information — WLAN AP 8120-O February 2012
Comentários? infodev@avaya.com

Figura 102: Fixação da pulseira da mangueira
7. Verifique se o WLAN AP 81208-O está preso no polo de forma segura.
8. Coloque as antenas Avaya de 5 GHz como exigido nos conectores da parte
superior do WLAN AP 8120-O. Aperte as antenas manualmente.
9. Coloque as antenas Avaya de 2,4 GHz como exigido nos conectores da parte
inferior do WLAN AP 8120-O. Aperte as antenas manualmente.
Figura 103: Conectores da antena AP 8120-O
Instalação do WLAN AP 8120-O
Avaya WLAN 8100 Regulatory Information — WLAN AP 8120-O February 2012 141

10. O WLAN AP 8120-O é alimentado por um dispositivo PoE (Power over Ethernet).
Selecione uma das opções a seguir para conectar um para-raios Ethernet e o PoE
ao WLAN AP 8120-O.
Nota:
Se você estiver usando o injetor Avaya PoE, não será necessário usar o para-
raios Ethernet fornecido, pois o injetor Avaya PoE possui proteção interna contra
raios.
a. Para conectar o para-raios Ethernet fornecido ao WLAN AP 8120-O, consulte
Instalação do para-raios Ethernet na página 149.
b. Para conectar o injetor Avaya PoE ao WLAN AP 8120-O, consulte Instalação
do injetor PoE (Power over Ethernet) na página 153.
Montagem do WLAN AP 8120-O em um polo horizontal
Por Que e Quando Desempenhar Esta Tarefa
Complete o procedimento a seguir para montar o WLAN AP 8120-O em um polo horizontal.
Procedimento
1. Coloque o fecho e as arruelas lisas nos quatro parafusos de cabeça sextavada.
Figura 104: Como prender o suporte plano no compartimento traseiro
2. Aperte os parafusos para prender o suporte plano no compartimento traseiro.
3. Alinhe os orifícios da presilha dos suportes estáticos verticalmente em relação ao
polo.
Português do Brasil
142 Avaya WLAN 8100 Regulatory Information — WLAN AP 8120-O February 2012
Comentários? infodev@avaya.com

Figura 105: Como prender o suporte estático no suporte plano (verticalmente)
4. Aperte os quatro parafusos de cabeça redonda para prender o suporte estático no
suporte plano.
5. Passe a extremidade aberta da pulseira da mangueira através das duas presilhas
do suporte estático.
Figura 106: Como prender a pulseira da mangueira no suporte estático
6. Aperte o fecho da pulseira da mangueira para fixar o suporte ao polo.
Instalação do WLAN AP 8120-O
Avaya WLAN 8100 Regulatory Information — WLAN AP 8120-O February 2012 143

Figura 107: Fixação da pulseira da mangueira
7. Verifique se o WLAN AP 81208-O está preso no polo de forma segura.
8. Coloque as antenas Avaya de 5 GHz como exigido nos conectores da parte
superior do WLAN AP 8120-O. Aperte as antenas manualmente.
9. Coloque as antenas Avaya de 2,4 GHz como exigido nos conectores da parte
inferior do WLAN AP 8120-O. Aperte as antenas manualmente.
Português do Brasil
144 Avaya WLAN 8100 Regulatory Information — WLAN AP 8120-O February 2012
Comentários? infodev@avaya.com

Figura 108: Conectores da antena AP 8120-O
10. O WLAN AP 8120-O é alimentado por um dispositivo PoE (Power over Ethernet).
Selecione uma das opções a seguir para conectar um para-raios Ethernet e um
injetor PoE ao WLAN AP 8120-O.
Nota:
Se você estiver usando o injetor Avaya PoE, não será necessário usar o para-
raios Ethernet fornecido, pois o injetor Avaya PoE possui proteção interna contra
raios.
a. Para conectar o para-raios Ethernet fornecido ao WLAN AP 8120-O, consulte
Instalação do para-raios Ethernet na página 149.
b. Para conectar o injetor Avaya PoE ao WLAN AP 8120-O, consulte Instalação
do injetor PoE (Power over Ethernet) na página 153.
Instalação do WLAN AP 8120-O em uma parede
Complete o procedimento a seguir para montar o WLAN AP 8120-O em uma parede.
Instalação do WLAN AP 8120-O
Avaya WLAN 8100 Regulatory Information — WLAN AP 8120-O February 2012 145

Procedimento
1. Marque os quatro locais dos orifícios de montagem do suporte plano na parede.
Figura 109: Marcação de orifícios em uma superfície
2. Perfure um orifício de 8 mm de diâmetro com uma profundidade de 36 mm a 38
mm em cada uma das marcações.
Português do Brasil
146 Avaya WLAN 8100 Regulatory Information — WLAN AP 8120-O February 2012
Comentários? infodev@avaya.com

Figura 110: Perfuração de orifícios na superfície
3. Martele o parafuso em cada um dos orifícios que você fez.
4. Coloque o fecho e as arruelas lisas nos quatro parafusos de cabeça sextavada.
Figura 111: Como prender o suporte plano
Instalação do WLAN AP 8120-O
Avaya WLAN 8100 Regulatory Information — WLAN AP 8120-O February 2012 147

5. Aperte os parafusos para prender o suporte plano no compartimento traseiro.
6. Aperte as arruelas lisas para fixar o suporte na superfície de montagem.
Figura 112: Fixação do suporte plano
7. Verifique se o WLAN AP 81208-O está fixado de forma segura à parede.
8. Coloque as antenas Avaya de 5 GHz como exigido nos conectores da parte
superior do WLAN AP 8120-O. Aperte as antenas manualmente.
9. Coloque as antenas Avaya de 2,4 GHz como exigido nos conectores da parte
inferior do WLAN AP 8120-O. Aperte as antenas manualmente.
Português do Brasil
148 Avaya WLAN 8100 Regulatory Information — WLAN AP 8120-O February 2012
Comentários? infodev@avaya.com

Figura 113: Conectores da antena AP 8120-O
10. O WLAN AP 8120-O é alimentado por um dispositivo PoE (Power over Ethernet).
Selecione uma das opções a seguir para conectar um para-raios Ethernet e um
injetor PoE ao WLAN AP 8120-O.
Nota:
Se você estiver usando o injetor Avaya PoE, não será necessário usar o para-
raios Ethernet fornecido, pois o injetor Avaya PoE possui proteção interna contra
raios.
a. Para conectar o para-raios Ethernet fornecido ao WLAN AP 8120-O, consulte
Instalação do para-raios Ethernet na página 149.
b. Para conectar o injetor Avaya PoE ao WLAN AP 8120-O, consulte Instalação
do injetor PoE (Power over Ethernet) na página 153.
Instalação do para-raios Ethernet
Um para-raios Ethernet é fornecido como um acessório para o ponto de acesso AP8120-O.
Ele serve para instalação interna e fornece proteção contra raios e relâmpagos para
equipamentos Ethernet internos conectados ao AP8120-O. O para-raios Ethernet é
Instalação do WLAN AP 8120-O
Avaya WLAN 8100 Regulatory Information — WLAN AP 8120-O February 2012 149

compatível com dispositivos PoE (Power Over Ethernet) e oferece suporte para PoE de
polaridade reversa e normal. Para uma instalação típica, consulte o diagrama a seguir.
Nota:
Se estiver usando o injetor Avaya PoE, não será necessário conectar o para-raios Ethernet
porque o injetor Avaya PoE já possui proteção interna contra raios.
Aviso:
O para-raios Ethernet é somente uma unidade para locais fechados. Não instale a unidade
ao ar livre.
Especificações operacionais
A tabela a seguir descreve as faixas operacionais do para-raios Ethernet.
Tabela 18: Especificações operacionais do para-raios Ethernet
Especificação Intervalo
Tensão sobre faísca de DC de 75 V a +-25%
Tensão sobre faísca de impulso 100 V/us <= 500 V, a 1 kV/us <= 600 V
Temperatura operacional de -20°C a +60°C
Temperatura de armazenamento de -40°C a +85°C
Umidade Típica, de 5% a 95%
Conclua as etapas a seguir para instalar o para-raios Ethernet para uma implantação do WLAN
AP8120-O.
Procedimento
1. Monte o para-raios Ethernet em uma parede, parafusando os dois parafusos nos
orifícios
Português do Brasil
150 Avaya WLAN 8100 Regulatory Information — WLAN AP 8120-O February 2012
Comentários? infodev@avaya.com

Figura 114: Visualização superior do para-raios Ethernet
2. Desparafuse o parafuso superior do para-raios Ethernet usando uma chave
Phillips.
3. Utilizando um fio de aterramento certificado, parafuse uma extremidade do fio de
aterramento de cobre no parafuso de aterramento grande localizado entre os dois
conectores RJ-45, conforme mostrado no diagrama abaixo.
Instalação do WLAN AP 8120-O
Avaya WLAN 8100 Regulatory Information — WLAN AP 8120-O February 2012 151

Figura 115: Abra o para-raios Ethernet para ver o parafuso de aterramento e os
conectores RJ-45
4. Conecte a outra extremidade do fio a um aterramento de solo adequado.
5. Coloque o cabo Ethernet que vem do equipamento Ethernet/PoE em um dos
conectores RJ-45 do para-raios Ethernet.
6. Coloque a extremidade impermeabilizada do cabo Ethernet na parte inferior do
WLAN AP 8120-O, usando as mãos para fixá-la no local. Consulte a seção de
impermeabilização do cabo UTP Ethernet,Impermeabilização do cabo Ethernet
UTP na página 137 para obter informações sobre como impermeabilizar o cabo
Ethernet.
Português do Brasil
152 Avaya WLAN 8100 Regulatory Information — WLAN AP 8120-O February 2012
Comentários? infodev@avaya.com

Figura 116: Implantação do para-raios Ethernet AP8120-O
7. Coloque a outra extremidade do cabo Ethernet na porta de cabo não utilizada do
para-raios Ethernet.
8. Substitua a parte superior do para-raios Ethernet, certificando-se de que o fio de
aterramento seja alimentado através da abertura central e de que os cabos
Ethernet sejam alimentados através de suas respectivas aberturas na parte inferior
do para-raios Ethernet.
9. Parafuse a parte superior de forma segura.
Instalação do injetor PoE (Power over Ethernet)
A Avaya fornece um injetor PoE para o ponto de acesso AP8120 que pode ser adquirido
separadamente. O PD-9001G-40/SP é uma porta única, Gigabit Midspan com injetor de
Instalação do WLAN AP 8120-O
Avaya WLAN 8100 Regulatory Information — WLAN AP 8120-O February 2012 153

proteção contra raios em conformidade com 802,3 af e 802,3 at. Se utilizar o PD-9001G-40/
SP, não é necessário usar o para-raios Ethernet fornecido com o AP8120-O. Para a versão
1.2, o injetor Avaya PoE está certificado para uso somente na América do Norte e na União
Europeia.
A tabela a seguir descreve as especificações operacionais do PD-9001G-40/SP:
Tabela 19: Especificações do PD-9001G-40/SP
Especificação Descrição
Portas 1
Passa através de taxas
de transferência de
dados
10/100/1000 Mbps
Saída de PoE (Power over
Ethernet)
Atribuição e polaridade de pino:
• 4/5 (+), 7/8 (–) de saída
• Tensão de alimentação de saída: 55 VDC
• Alimentação da porta do usuário: 40 Watts
Requisitos de
alimentação de entrada
Tensão de entrada de CA: de 100 a 240 VAC
Corrente de entrada de CA: de 0,8 A a 100-240 VAC
Frequência de CA: de 50 a 60 Hz
Dimensões 87,9 mm x 43 mm x 166 mm
3,46 pol. x 1,68 pol. x 6,53 pol.
Peso 400 g (0,881 lbs)
Indicadores Indicador de sistema: alimentação de CA (verde)
Indicador do usuário: alimentação de canal (verde)
Conectores RJ-45, EIA 568A e 568B blindados
Condições ambientais Temperatura do ambiente operacional: condições de -10 a
45º C (de 14º a 113 º F)
Umidade operacional: Máximo de 90%, sem condensação
Temperatura de armazenamento: de –20º a 70º C (de –4º a
158º F)
Umidade de armazenamento: Máximo de 95%, sem
condensação
Altitude operacional: de –304,8 a 3048 m (de –1000 a
10.000 pés)
Confiabilidade MTBF: 100.000 horas a 25º C
Classificação térmica 27 BTU/Hr (a 240 VAC)
Proteção contra raios Atende à proteção contra raios conforme especificado nos
critérios B da regulamentação GR-1089-Core:
Português do Brasil
154 Avaya WLAN 8100 Regulatory Information — WLAN AP 8120-O February 2012
Comentários? infodev@avaya.com

Especificação Descrição
• ± 1000 V/100 A a 10/1000 [μS] forma de onda
• ± 2500 V/500 A a 2/10 [μS] forma de onda
• ± 1000 V/25 A a 10/360 [μS] forma de onda
Por Que e Quando Desempenhar Esta Tarefa
Para instalar o PoE (Power over Ethernet) no WLAN AP 8120-O, faça o seguinte:
Procedimento
1. Antes de conectar o adaptador PoE ao WLAN AP 8120-O, é necessário aterrar o
PoE primeiro. Para aterrar e conectar o PoE ao WLAN AP 8120-O, faça o seguinte:
a. Conecte uma extremidade do fio de aterramento verde à haste de aterramento
de cobre projetada na parte inferior do PoE.
b. Conecte a outra extremidade do fio de aterramento a um aterramento de solo
aceitável.
2. Conecte o plugue fornecido à tomada do plugue de três entradas na parte inferior
do adaptador PoE.
Figura 117: Haste de aterramento de cobre no PoE
3. Conecte a outra extremidade a uma tomada CA que esteja funcionando.
4. Insira uma extremidade de um cabo Ethernet na porta DATA IN do adaptador
PoE.
Instalação do WLAN AP 8120-O
Avaya WLAN 8100 Regulatory Information — WLAN AP 8120-O February 2012 155

Figura 118: Portas PoE DATA IN e DATA & POWER
5. Conecte a outra extremidade à central Avaya WLAN. O indicador CA acenderá.
Figura 119: Indicadores de PORTA e CA PoE
6. Insira a conexão impermeabilizada do cabo Ethernet no conector Ethernet
encontrado na parte inferior do WLAN
AP 8120-O. Antes de inserir o cabo Ethernet
no conector Ethernet, é necessário primeiro impermeabilizar e crimpar a sua
conexão. Consulte,Impermeabilização do cabo Ethernet UTP na página 137 para
obter informações sobre impermeabilização do cabo Ethernet.
Português do Brasil
156 Avaya WLAN 8100 Regulatory Information — WLAN AP 8120-O February 2012
Comentários? infodev@avaya.com

Figura 120: Implantação do PoE AP 8120-O
7. Coloque a outra extremidade do cabo Ethernet impermeabilizado na porta DATA
& POWER OUT do PoE. O indicador da porta acenderá.
Avisos de segurança
Avisos de segurança
Avaya WLAN 8100 Regulatory Information — WLAN AP 8120-O February 2012 157

Cuidado:
Os rádios do Avaya 8120 WLAN são desativados por padrão e só podem ser ativados pelo
administrador do sistema.
Voltagem:
Perigo — Alta tensão. Esta situação ou condição pode causar ferimentos ou morte por
choque elétrico.
Aviso:
Somente pessoal de serviço qualificado deve instalar este produto. Leia e siga todos os
avisos e as instruções de atenção indicados no produto ou incluídos na documentação.
Aviso:
Instale este dispositivo de forma a manter um mínimo de 25 cm (9,9 polegadas) de distância
entre os elementos de radiação e todas as pessoas. Este aviso de segurança está de acordo
com os limites de exposição à frequência de rádio da FCC.
Aviso:
Não opere o ponto de acesso próximo a pontos de sobrecarga desprotegidos nem em outro
ambiente com risco de explosão a menos que o dispositivo tenha sido modificado para tal
uso por pessoal qualificado.
Aviso:
Não toque nem mova o ponto de acesso quando as antenas estiverem transmitindo ou
recebendo.
Aviso:
Antes de usar um dispositivo sem fio em um local perigoso, consulte os códigos locais,
nacionais e os responsáveis pela segurança do local para obter informações sobre
restrições de uso.
Cuidado:
Não instale a antena externa ou conecte-a ao ponto de acesso/supressão de raios durante
uma tempestade.
Cuidado:
O equipamento da fonte de alimentação conectado ao ponto de acesso, como a Central de
Segurança Sem Fio ou o injetor PoE, deve ser fornecido com um aterramento de solo
confiável para garantir a segurança do sistema.
Aviso:
Não toque nem mova o ponto de acesso quando as antenas estiverem transmitindo ou
recebendo.
Português do Brasil
158 Avaya WLAN 8100 Regulatory Information — WLAN AP 8120-O February 2012
Comentários? infodev@avaya.com

Aviso:
Os radiadores intencionais, como o Avaya WLAN AP 8120-O, não foram projetados para
serem operados com antenas que não as fornecidas pela Avaya. Um radiador intencional
poderá ser operado apenas com as antenas para as quais estiver autorizado. Para obter
uma lista completa das antenas autorizadas para uso com este produto, visite http://
www.avaya.com/support.
Aviso:
Toda a fiação e os cabos para o ponto de acesso, o supressor de raios e a antena externa
devem ser roteados separadamente. É extremamente importante que a fiação CA ou outro
cabeamento externo não fique em contato com o ponto de acesso, com os cabos da antena
ou com a fiação de interface.
Aviso:
O aterramento de solo é exigido para um WSS instalado em um rack. Se você estiver
utilizando o rack para fornecer aterramento, ele deve ser aterrado com uma pulseira de
aterramento ao aterramento de solo. Os parafusos de metal que conectam a central ao rack
fornecem conexão de aterramento ao o rack.
Aviso:
Um supressor de raios adequadamente classificado é exigido para qualquer combinação
de cabo/antena saindo do prédio. Os componentes exigidos devem ser classificados e
aprovados para os fins a que se destinam.
Aviso:
A Avaya exige que o ponto de acesso no compartimento externo seja alimentado por um
PoE (Power Over Ethernet) fornecido somente por um WLAN Avaya 8100.
Avisos de segurança
Avaya WLAN 8100 Regulatory Information — WLAN AP 8120-O February 2012 159





