Servis Rhino 95Hd Users Manual
95HD to the manual 9a429c95-2966-4782-bcb9-c5bfa625628a
2015-02-02
: Servis-Rhino Servis-Rhino-95Hd-Users-Manual-490780 servis-rhino-95hd-users-manual-490780 servis-rhino pdf
Open the PDF directly: View PDF .
Page Count: 42

®
Rhino
1020 S. Sangamon Ave.
Gibson City, IL 60936
800-446-5158
email: parts@servis-rhino.com
© 2004 Alamo Group Inc.
Published 7/04 Part No. F-3788
95HD
Backhoe
OPERATOR’S MANUALOPERATOR’S MANUAL
This Operator’s Manual is an integral part of the safe operation
of this machine and must be maintained with the unit at all
times. , , and the Safety and
Operation Instructions contained in this manual before
operating the equipment.
READ UNDERSTAND FOLLOW
nnnnnnnnn mmmmmnnnnnn
This Operator’s Manual is an integral part of the safe operation
of this machine and must be maintained with the unit at all
times. , , and the Safety and
Operation Instructions contained in this manual before
operating the equipment.
READ UNDERSTAND FOLLOW
nnnnnnnnn mmmmmnnnnnn

TO THE OWNER/OPERATOR/DEALER
All implements with moving parts are potentially hazardous. There is no substitute for a cautious, safe-minded
operator who recognizes the potential hazards and follows reasonable safety practices. The manufacturer has
designed this implement to be used with all its safety equipment properly attached to minimize the chance of
accidents.
BEFORE YOU START!! Read the safety messages on the implement and shown in your manual. Observe
the rules of safety and common sense!
SAFETY HAZARD SIGNAL WORDS
DANGER
WARNING
CAUTION
THIS SAFETY SYMBOL MEANS
ATTENTION!
BECOME ALERT!
YOUR SAFETY IS
INVOLVED!
PELIGRO
LEA EL INSTRUCTIVO

Rhino is a registered trademark of Alamo Group Inc.
SAFETY SECTION .........................................1-1
Safety Precautions .....................................1-2
Safety Hazard Signal Words ................................1-7
Safety Decals........................................1-8
INTRODUCTION SECTION ....................................2-1
Introduction .........................................2-2
Specifications........................................2-3
ASSEMBLY SECTION .......................................3-1
Installing Pump Kit .....................................3-2
Installing 3-Point Adapter..................................3-3
Mounting Backhoe to Tractor................................3-4
OPERATION SECTION.......................................4-1
Pre-Operation Check List, Operating Directions, Engine Speed ..............4-2
Controls, Boom/Swing, Dipperstick/Bucket.........................4-2
Operating Backhoe .....................................4-3
Seat Adjustment, Mounting and Dismounting Buckets ...................4-4
Placing the Stabilizers ...................................4-4
Swing Lock, Boom Lock, Transporting the Backhoe, Storage ...............4-5
MAINTENANCE SECTION .....................................5-1
Cylinder Service ......................................5-2
Beginning of Season, Hydraulic Hoses, Auxiliary PTO Hydraulic System .........5-3
Bucket tooth Points, Lubrication ..............................5-4
Hydraulic Trouble Shooting.................................5-5
Valve Service ........................................5-7
Torque Charts .......................................5-10
TABLE OF CONTENTS
© 2004 Alamo Group Inc.

Safety Section 1-1
SAFETY
SECTION
© 2004 Alamo Group Inc.

F3788-7-04 Safety Section 1-2
SAFETY PRECAUTIONS
Safety of the operator was a prime
consideration in the design of this
backhoe. Proper shielding convenient
controls, simple adjustments and other
safety features have been built into this
backhoe.
PREPARATION
OPERATION
TRANSPORTATION
ADJUSTMENTS AND INSPECTION
CAUTION: Escaping hydraulic fluid under
pressure can penetrate skin causing
serious personal injury.
•DO NOT use your hand to check for leaks. Use
a piece of cardboard or paper to search for
leaks.
•Stop engine and relieve pressure before
connecting or disconnecting hydraulic lines.
•Tighten all connections before starting engine or
pressurizing lines.
•If any fluid is injected into skin, obtain medical
attention immediately or gangrene may result.
SAFETY
Whenever you see this symbol It means: ATTENTION!
BECOME ALERT!
YOUR SAFETY IS INVOLVED!
SAFETY
© 2004 Alamo Group Inc.

F3788-7-04 Safety Section 1-3
SAFETY
DANGER!
PELIGRO!
WARNING!
WARNING!
WARNING!
WARNING!
DANGER!
SAFETY
© 2004 Alamo Group Inc.

F3788-7-04 Safety Section 1-4
SAFETY
PROLONGED EXPOSURE TO LOUD NOISE MAY CAUSE
PERMANENT HEARING LOSS!
Note: Hearing loss from loud noise [from tractors, chain
saws, radios, and other such sources close to the ear] is cumulative over
a lifetime without hope of natural recovery
WARNING!
DANGER!
DANGER!
SAFETY
DANGER!
DANGER!
WARNING!
© 2004 Alamo Group Inc.

F3788-7-04 Safety Section 1-5
SAFETY
WARNING!
DANGER!
WARNING!
DANGER!
SAFETY
© 2004 Alamo Group Inc.

F3788-7-04 Safety Section 1-6
SAFETY
KEEP AWAY FROM ROTATING ELEMENTS
NEVER use drugs or alcohol
NEVER
DANGER!
WARNING!
WARNING!
DANGER!
DANGER!
DANGER!
DANGER!
SAFETY
© 2004 Alamo Group Inc.

F3788-7-04 Safety Section 1-7
SAFETY HAZARD SIGNAL WORDS
SAFETY
SAFETY
THIS SAFETY SYMBOL MEANS
ATTENTION!
BECOME ALERT!
YOUR SAFETY IS
INVOLVED!
DANGER
WARNING
CAUTION
WARNING
CAUTION
WARNING!
WARNING!
DANGER!
DANGER!
© 2004 Alamo Group Inc.

F3788-7-04 Safety Section 1-8
SAFETY
SAFETY
© 2004 Alamo Group Inc.

F3788-7-04 Safety Section 1-9
SAFETY
ITEM PART NO. QTY. TYPE DESCRIPTION
1 50850 2 NAME RHINO, with Stripe
2 45970 2 WARNING To Prevent Bodily Injury
3 44907 1 WARNING To Prevent Instability
4 44895 2 DANGER Crushing Hazard
5 44896 1 WARNING To Prevent Bodily Injury
6 44897 2 DANGER Crushing Hazard
7 44898 1 OPERATION Boom Operation
8 44899 1 OPERATION Dipperstick & Bucket Operation
9 44900 1 OPERATION Left Side Stabilizer Position
10 44901 1 OPERATION Right Side Stabilizer Position
11 44908 2 OPERATION Boom Lock
12 44909 1 OPERATION Swing Lock
13 50851 2 NAME Model 95HD
14 48280 1 -------------- Universal One Call
15 49696 1 LOGO Rhino
16 35674-5 2 STRIPE White, 13"
17 45491 2 WARNING To Prevent Bodily Injury
SAFETY
© 2004 Alamo Group Inc.

F3788-7-04 Safety Section 1-10
SAFETY
NOTE: Safety decal location is listed below
each decal. Replace decal if damaged or
illegible. Replacement decals are available
from your dealer.
5 - - 44896 2 - - 45970
4 - - 44895 6 - - 44897
3 - - 44907 14 -- 48280
SAFETY
45491
Do not attach backhoe to tractors which have 3-PT
Quick-Attaching Coupler. Backhoe may become unattached
from tractor causing serious personal injury.
TO PREVENT BODILY INJURY
17 -- 45491
© 2004 Alamo Group Inc.

F3788-7-04 Safety Section 1-11
SAFETY
10 - - 44901 9 - - 44900 12 - - 44909
11 - - 44908
1 - - 50850
16 - - 35674-5
13 - - 50851
15 - - 49696
7 - - 44898
8 - - 44899
SAFETY
49696
®
© 2004 Alamo Group Inc.

F3788-7-04 Safety Section 1-12
SAFETY
FEDERAL LAWS AND REGULATIONS
This section is intended to explain in broad terms the concept and effect of federal laws and regulations
concerning employer and employee equipment operators. This section is not intended as a legal
interpretation of the law and should not be considered as such.
DUTIES
Sec. 5 (a) Each employer-
(1) shall furnish to each of his employees employment and a place of employment which are free
from recognized hazards that are causing or are likely to cause death or serious physical harm to
his employees;
(2) shall comply with occupational safety and health standards promulgated under this Act.
(b) Each employee shall comply with occupational safety and health standards and all rules,
regulations and orders issued pursuant to this Act which are applicable to his own actions and
conduct.
OSHA Regulations
OSHA regulations state in part: “At the time of initial assignment and at least annually thereafter,
the employer shall instruct every employee in the safe operation and servicing of all equipment
with which the employee is, or will be involved.”
Employer Responsibilities:
To ensure employee safety during Tractor and Implement operation, it is the employer’s responsibility to
1. Train the employee in the proper and safe operation of the Tractor and Implement.
2. Require that the employee read and fully understand the Tractor and Implement Operator’s manual.
3. Permit only qualified and properly trained employees to operate the Tractor and Implement.
4. Maintain the Tractor and Implement in a safe operational condition and maintain all shields and guards
on the equipment.
5. Ensure the Tractor is equipped with a functional ROPS and seat belt and require that the employee
operator securely fasten the safety belt and operate with the ROPS in the raised position at all times.
6. Forbid the employee operator to carry additional riders on the Tractor or Implement.
7. Provide the required tools to maintain the Tractor and Implement in a good safe working condition and
provide the necessary support devices to secure the equipment safely while performing repairs and
service.
8. Require that the employee operator stop digging if bystanders or passerbys come within 10 yards.
Child Labor Under 16 Years of Age
Some regulations specify that no one under the age of 16 may operate power machinery. It is your
responsibility to know what these regulations are in your own area or situation. (Refer to U.S. Dept. of Labor,
Employment Standard Administration, Wage & Home Division, Child Labor Bulletin #102.)
SAFETY
© 2004 Alamo Group Inc.

INTRODUCTION
SECTION
Introduction Section 2-1
© 2004 Alamo Group Inc.

NOTE: This safety alert symbol identifies important safety messages in this manual.
Observe and follow all safety messages to prevent personal injury.
If at any time you have a service problem with your backhoe or need new parts, contact your local dealer.
Your dealer will need your backhoe model number and serial number to give you prompt efficient service.
INTRODUCTION
INTRODUCTION
INTRODUCTION
F3788-7-04 Introduction Section 2-2
© 2004 Alamo Group Inc.

F3788-7-04 Introduction Section 2-3
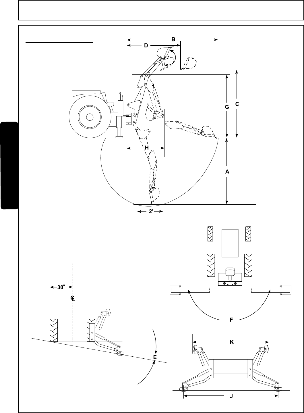
SPECIFICATIONS
95HD
GENERAL DATA
A Digging Depth (two foot flat bottom) .. .... .... ....114"
B Reach from center line of Swing Pivot . .... .... ....153"
C Loading Height (bucket at 60°). .... .... .... ....96"
D Load Reach .. .... .... .... .... .... ....43"
E Maximum Leveling Angle ... .... .... .... ....11.5°
F Swing Arc ... .... .... .... .... .... ....180°
G Transport Height (maximum).. .... .... .... ....100"
H Transport Overhang .. .... .... .... .... ....55"
I Bucket Rotation .... .... .... .... .... ....185°
J Stabilizer Spread, down position .... .... .... ....117"
K Stabilizer Spread, up position . .... .... .... ....67"
Shipping Weight (less bucket) . .... .... .... ....1818 lbs.
Bucket Digging Force . .... .... .... .... ....5872 lbs.
Dipperstick Digging Force . . . .... .... .... ....3800 lbs.
Operating Pressure . . .... .... .... .... ....2500 PSI
NOTE: See Illustrations of Specifications on Page 2-4
INTRODUCTION
INTRODUCTION
© 2004 Alamo Group Inc.

F3788-7-04 Introduction Section 2-4
SPECIFICATIONS
INTRODUCTION
INTRODUCTION
© 2004 Alamo Group Inc.

Assembly Section 3-1
ASSEMBLY
SECTION
© 2004 Alamo Group Inc.

F3788-7-04 Assembly Section 3-2
ASSEMBLY
ASSEMBLY
WARNING: Do not modify or alter this
implement. Do not permit anyone to modify or
alter this Implement, any of its components or
any Implement function.
Drawbar may need to be removed if it interferes with
reservoir. If drawbar can be left in place, retaining bracket (4)
should be installed on left side of pump as shown and
positioned on left side of tractor drawbar.
NOTE: Wrap chain tightly around hitch bracket on tractor to
prevent pump from slipping off PTO shaft.
NOTE: After cycling all cylinders, recheck oil level.
© 2004 Alamo Group Inc.
INSTALLING PUMP KIT (Option)

ASSEMBLY
INSTALLING THREE POINT
ADAPTER (Option)
ASSEMBLY
F3788-7-04 Assembly Section 3-3
© 2004 Alamo Group Inc.

F3788-7-04 Assembly Section 3-4
MOUNTING BACKHOE TO
TRACTOR
•
•
•
•
ASSEMBLY
ASSEMBLY
Figure 3B
Clearance
Figure 3A
Assembly
© 2004 Alamo Group Inc.

Operation Section 4-1
OPERATION
SECTION
© 2004 Alamo Group Inc.

F3788-7-04 Operation Section 4-2
•
•
•
OPERATION
OPERATION
© 2004 Alamo Group Inc.
DIPPERSTICK /
BUCKET
BOOM /
SWING
LEFT
STABILIZER
RIGHT
STABILIZER
Backhoe
Valve
Quick
Coupler
Tractor
Sump Port
Power Beyond
Port
Loader
Valve Tractor
Hydraulic
Manifold
Power
Beyond
Port
Quick
Coupler
Out In
General Hydraulic Circuit—
Disables 3-pt. Hitch

F3788-7-04 Operation Section 4-3
LEFT HAND STABILIZER
RIGHT HAND STABILIZER
OPERATING BACKHOE
•
•
•
•
•
OPERATION
OPERATION
DIPPERSTICK/BUCKET
© 2004 Alamo Group Inc.

F3788-7-04 Operation Section 4-4
MOUNTING AND DISMOUNTING BUCKETS
Mount buckets using pins (1 & 2), cap screws (3),
lock nuts (4) provided.
PLACING THE STABILIZERS
OPERATION
OPERATION
© 2004 Alamo Group Inc.
SEAT ADJUSTMENT

F3788-7-04 Operation Section 4-5
•
•
•
•
•
•
OPERATION
OPERATION
© 2004 Alamo Group Inc.

MAINTENANCE
SECTION
Maintenance Section 5-1
© 2004 Alamo Group Inc.

F3788-7-04 Maintenance Section 5-2
MAINTENANCE
MAINTENANCE
© 2004 Alamo Group Inc.

F3788-7-04 Maintenance Section 5-3
•
•
•
•
•
•
•
•
•
•
•
MAINTENANCE
MAINTENANCE
© 2004 Alamo Group Inc.

F3788-7-04 Maintenance Section 5-4
MAINTENANCE
MAINTENANCE
Spring
Pin
Point
Shank
Heavy Duty
© 2004 Alamo Group Inc.

F3788-7-04 Maintenance Section 5-5
MAINTENANCE
MAINTENANCE
© 2004 Alamo Group Inc.

MAINTENANCE
MAINTENANCE
F3788-7-04 Maintenance Section 5-6
© 2004 Alamo Group Inc.

VALVE SERVICE SPOOL SEAL REMOVAL
SPOOL SEAL INSTALLATION
MAINTENANCE
MAINTENANCE
F3788-7-04 Maintenance Section 5-7
© 2004 Alamo Group Inc.

MAINTENANCE
MAINTENANCE
F3788-7-04 Maintenance Section 5-8
OUTLET PORT
3/4-16 O.R.
MACHINED TO
ACCEPT POWER
BEYOND SLEEVE
OUTLET
SECTION
PORT RELIEF
2650 PSI
PRESSURE
O-RINGS
EXHAUST
O-RING
LOAD
CHECK
EXHAUST
O-RING
6B: ROD END DIPPERSTICK CYLINDER
6A: BASE END DIPPERSTICK CYLINDER
5B: ROD END BUCKET CYLINDER
5A: BASE END BUCKET CYLINDER
4B: BASE END RIGHT STABILIZER CYLINDER
4A: ROD END RIGHT STABILIZER CYLINDER
3B: BASE END LEFT STABILIZER CYLINDER
3A: ROD END LEFT STABILIZER CYLINDER
2B: ROD END LEFT SWING CYLINDER
2A: ROD END RIGHT SWING CYLINDER
1B: BASE END BOOM CYLINDER
1A: ROD END BOOM CYLINDER
FLOW DIRECTION
PORT RELIEF
W/ ANTI CAVITATION
2650 PSI
PILOT
OPERATED
LOCK VALVES
(TOP AND
BOTTOM)
PORT RELIEF
W/ ANTI CAVITATION
2650 PSI FLOAT
SECTION
PORT RELIEF
3500 PSI
PORT RELIEF
2650 PSI
MAIN RELIEF
2500 PSI
OUTLET PORT
3/4-16 O.R.
INLET PORT
3/4-16 O.R.
INLET
SECTION
1A
6B
6A
5B
5A
4B
4A
3B
3A
2B
2A
1B
RELIEF VALVE CARTRIDGE TABLE
Relief
type
Location Function PSI How to test
Main
Port
relief
Port
relief
Port
relief
Port
relief
2500
3500
2650
2650
2650
Inlet
section*
Section 1,
A port*
Section 1,
B port*
Section 2,
A & B
ports*
Section 5,
A port*
Protect all
functions of
backhoe
Protect
backhoe from
bucket digging
induced loads
Plug gauge
directly into
stabilizer work
section and
operate stabilizer
A porta-power
with an oil
pressure guage
is required.
Install porta-
power pressure
hose directly
into working port
of relief to be
checked.
Pressurize
porta-power and
observe
maximum
pressure
attained. Port
reliefs should
“crack” at or
down to 200 PSI
below specified
relief setting.
Protect
backhoe from
bucket digging
induced loads
Protect swing
cylinder circuit
from shock
loading
Protect
backhoe from
bucket digging
induced loads
Port
relief
2650Section 6,
A port*
Protect
backhoe from
bucket digging
induced loads
© 2004 Alamo Group Inc.

MAINTENANCE
MAINTENANCE
F3788-7-04 Maintenance Section 5-9
© 2004 Alamo Group Inc.

F3788-7-04 Maintenance Section 5-10
MAINTENANCE
MAINTENANCE
USE THE FOLLOWING TORQUES WHEN SPECIAL TORQUES ARE NOT GIVEN
GENERAL TORQUE SPECIFICATIONS
Torque Specifications for
37º JIC Fittings
Torque Specifications for
SAE O-Ring Fittings

RHINO
®
RHINO
© 2004 Alamo Group Inc.

-
TO THE OWNER/OPERATOR/DEALE
R
In addition to the standard Limited Warranty shown on the facing page, Rhino also provides:
1. A TWO-YEAR (24 months) LIMITED WARRANTY* on non-perishable structural items such as: Loader
Boom, Side Frames, Mount Brackets, Backhoe Boom, Dipper, Main Frame, Stabilizer Legs, Swing
Bracket, Subframe and Related Mounting Brackets provided they have not been subjected to abuse or mis
use and have been properly maintained as noted.
NOTE – “properly maintained” specifically includes, but is not limited to:
A) Regular lubrication.
B) Using proper amounts of correct hydraulic fluid.
C) Regular torque inspection of all fasteners.
2. *WARRANTY LIMITATIONS – Warranty is ONE-YEAR (12 months) for hydraulic cylinders and seals, pivot
pins, wear bushings, hydraulic hoses, buckets or other attachments, wear or cutting edges and tooth bars.
After one year (12 months) standard warranty, these items are considered “Wearing Perishable Parts” and
replacement is the users’ responsibility.

®
TO THE OWNER/OPERATOR/DEALER
To keep your implement running efficiently and safely, read your manual thoroughly
and follow these directions and the Safety Messages in this Manual. The Table of
Contents clearly identifies each section where you can easily find the information you
need.
The OCCUPATIONAL SAFETY AND HEALTH ACT (1928.51 Subpart C) makes
these minimum safety requirements of tractor operators:
REQUIRED OF THE OWNER:
1. Provide a Roll-Over-Protective Structure that meets the requirements of
this Standard; and
2. Provide Seatbelts that meet the requirements of this paragraph of this
Standard and SAE J4C; and
3. Ensure that each employee uses such Seatbelt while the tractor is moving;
and
4. Ensure that each employee tightens the Seatbelt sufficiently to confine the
employee to the protected area provided by the ROPS.
REQUIRED OF THE OPERATOR
1. Securely fasten seatbelt if the tractor has a ROPS.
2. Where possible, avoid operating the tractor near ditches, embankments,
and holes.
3. Reduce speed when turning, crossing slopes, and on rough, slick, or
muddy surfaces.
4. Stay off slopes too steep for safe operation.
5. Watch where you are going especially at row ends, on roads, and around
trees.
6. Do not permit others to ride.
7. Operate the tractor smoothly no jerky turns, starts, or stops.
8. Hitch only to the drawbar and hitch points recommended by the tractor
manufacturer.
9. When the tractor is stopped, set brakes securely and use park lock, if
available.
Keep children away from danger all day, every day...
Equip tractors with rollover protection (ROPS)
and keep all machinery guards in place...
Please work, drive, play and live each day with care
and concern for your safety and that of your family
and fellow citi
z
ens
© 2004 Alamo Group Inc.

®
95HD-SOM-7-04
Printed U.S.A.
P/N F-3788