ShenZhenKingsound Electronic CC2541-HY1 Bluetooth Module User Manual CC2541 HY1 Datasheet 20160302

ShenZhenKingsound Electronic Co., Ltd. Bluetooth Module CC2541 HY1 Datasheet 20160302

15_CC2541-HY1 UserMan

 CC2541-HY1 DATA SHEET
 TABLE OF CONTENTS 1 DESCRIPTION ...................................................................................................................2 2 APPLICATIONS ...................................................................................................................2 3 KEY FEATURES...................................................................................................................2 4 Pinout and Terminal..............................................................................................................3 5 Feedback IO output of the command................................................................................... 4 6 Bluetooth 4.0 host programming guide 6.1 instructions ....................................................................................................................5 6.2 Sends a packet length calculation .................................................................................5 7 Electrical Characteristics 7.1 Absolute Maximum Ratings ...........................................................................................5 7.2 Recommended Operating Conditions ............................................................................5                               SHENZHEN KINGSOUND ELECTRONICS TECHNOLOGY CO., LTD.  CC2541-HY1                                                                      1                                                                          2014-05-12
 HY1 Bluetooth® low energy single mode module 1,DESCRIPTION   HY1, Bluetooth low energy single mode module is a single mode device targeted for low power sensors and accessories.   HY1 offers all Bluetooth low energy features: radio, stack, profiles and application space for customer applications, so no external processor is needed. The module also provides flexible hardware interfaces to connect sensors, simple user interfaces or even displays directly to the module.   HY1 can be powered directly with a standard 3V coin cell batteries or pair of AAA batteries. In lowest power sleep mode it consumes only 400nA and will wake up in few hundred microseconds.    2,APPLICATIONS:     Bluetooth UART Module implementation of the connection with the tablet, IPHONE and android mobile phone with Bluetooth 4.0, As far as the communication distance is in 20 m(linear) without sunscreen.   UART baudrate optional: (115200, 57600, 38400, 19200, 9600, 4800, 2400, 1200)   Work style: transparent way Maximum send packet length: 128 BYTES Maximum receive packet length: 128 BYTES   Application scope: equipment needs with the tablet, IPHONE, other android phones with 4.0 equipment to transport small data volume and low power consumption 3,KEY FEATURES:    Bluetooth v.4.0, single mode compliant   o   Supports master and slave modes    Integrated Bluetooth low energy stack   o     GAP, GATT, L2CAP, SMP    Bluetooth low energy profiles    Radio performance   o   TX power: +3dBm to -23dBm   o   RX sensitivity: -87dBm to 93dBm     Ultra low current consumption   o   Transmit: 27mA (0dBm)     Sleep mode 3: 0.4uA     Programmable 8051 processor for embedding full applications     SHENZHEN KINGSOUND ELECTRONICS TECHNOLOGY CO., LTD.  CC2541-HY1                                                                      2                                                                          2014-05-12
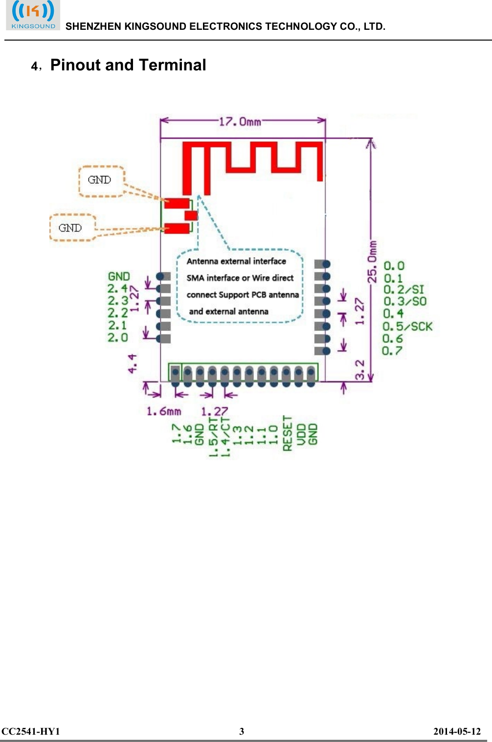
 4,Pinout and Terminal                    SHENZHEN KINGSOUND ELECTRONICS TECHNOLOGY CO., LTD.  CC2541-HY1                                                                      3                                                                          2014-05-12
 5,Feedback IO output of the command: RT (P1.7) can be used for receiving interrupt instructions, When there are the serial data output or the output data in the buffer, to be low; or the serial buffer is empty, the output is high.  OT (P1.0) can be used for the indication if the data is sent to the BLE host (tablet, IPHONE), OT is the high when executing the transmit data or waiting the data transmission, OT is low when the data has been sent to the BLE host.  The input and output data: No    PINS    Description   1    VDD    2.7-3.6V   2    TX (P1.5)    Connect the RX side of the controller (Output Pin TTL)   3    RX (P1.4)    Connect the TX side of the controller (Input Pin TTL)   4    GND    GND    Power input, please try to reduce the ripple, so that can guarantee the communication distance  The  input of  data  bytes  must  be continuous, Also  the  gap between  the  bytes  sent  time can't  be more than the time interval of corresponding baud rate. When (115200, 57600 and 57600 to 1 ms; 19200 to 2 ms; 9600 for 4 ms; 4800 for 7 ms; 2400 for 10 ms; 1200 to 15 ms) no data input, the system will think that a packet of data reception is complete. Example: if the baud rate for 9600, you need to transport the 16 byte bytes, a serial port serial input 16 bytes , after the 4 ms, the data will begin to transfer to another module. If you want to transfer 1 byte, serial input, after finishing the  1  byte  transmission,  after  4  ms,  the  data  will  begin  to  transfer  to  another  module. Single biggest bytes what can be sent is 128 BYTE. When transmission of bytes is 128 ,they will be sent immediately.  The interval of time between the package is at least a connection, This time is by the BLE host.      No    RT PIN (P1.7)    STATUS   0    1    The serial buffer is empty 1    0    The serial data output or the output data in the buffer No    OT PIN (P1.0)    STATUS   0    1    Executing the transmit data or waiting the data transmission 1    0    The data has been sent to the BLE host.    SHENZHEN KINGSOUND ELECTRONICS TECHNOLOGY CO., LTD.  CC2541-HY1                                                                      4                                                                          2014-05-12
 Establish  a  connection  with  BLE4.0  host  (mobile  phone,  tablet,  computer,  etc.),  light  LED2, otherwise shut off LED2 No  (P0.1) LED2 output  Light LED 0  0  Shut off 1  1  LED This can be used as a indiction to judge the bluetooth BLE connection or not.  6 Bluetooth 4.0 host programming guide:  6.1 instructions The module can transfer 128 byte packets at once, the intervals of the time between each packet  are  by the package length  and the  interval  time of  the bluetooth connection, the interval  time  of  the  bluetooth  connection  is  setuped  by  BLE  host  (PC,  IPHONE,  the ANDROID,support maximum time interval is 1000 ms, the minimum time interval for 100 ms).    6.2 Sends a packet length calculation Connection interval for T (unit: ms), circulated a packet length Vt (ms), byte length L (byte). Vt =(L / 80 ) * T + T Note: (L / 80) add 1 if there is a decimal, such as L is 100 , so (L / 80) is equal to 2.  7 Electrical Characteristics 7.1  Absolute  Maximum  Ratings Note:  These  are  absolute  maximum  ratings  beyond  which  the module  can  be  permanently  damaged.  These  are  not  maximum  operating  conditions.  The  maximum recommended operating conditions are in the table 5.   Rating   Min   Max   Unit   Storage Temperature    -40    85    °C   VCC    -0.3    3.9    V   Other Terminal Voltages    VSS-0.4    VDD+0.4    V   Table 4: Absolute Maximum Ratings  7.2 Recommended Operating Conditions Rating   Min    Max   Unit   Operating Temperature Range    -40    85    °C   VCC    2.0    3.6    V   *)Supply voltage noise should be less than 10mVpp. Excessive noise at the supply voltage will reduce the RF performance. Table 5: Recommended Operating Conditions   For the I/O terminal characteristic refer to the CC2541 datasheet     SHENZHEN KINGSOUND ELECTRONICS TECHNOLOGY CO., LTD.  CC2541-HY1                                                                      5                                                                          2014-05-12
 Integrator is reminded to assure that these installation instructions will not be made available to the end-user of the final host device. The final host device, into which this RF Module isintegrated" hasto be labelled with an auxilliary lable stating the FCC IDofthe RF Module, such as "Contains FCC ID:  "  "This device complies with part 15 of the FCC rules. Operation is subject to the following two conditions: (1)this devicemay not cause harmful interference, and (2)this devicemust accept any interference received, including interference thatmay cause undesired operation."   the Integrator will be responsible to satisfy SAR/ RF Exposure requirements, when the module integrated into the host device.  NOTE: This equipment has been tested and found to comply with the limits for a Class B digital device,  pursuant  to  part  15 of  the  FCC  Rules.  These  limits  are  designed  to  provide  reasonable protection against harmful interference in a residential installation. This equipment generates, uses and can radiate radio frequency energy and, if not installed and used in accordance with the instructions, may cause harmful interference to radio communications. However,  there is no guarantee  that interference  will  not  occur  in  a  particular  installation.  If  this  equipment  does  cause  harmful interference to radio or television reception, which can be determined by turning the equipment off  and  on,  the  user  is  encouraged  to  try  to  correct  the  interference  by  one  or  more  of  the following measures: --Reorient or relocate the receiving antenna. --Increase the separation between the equipment and receiver. --Connect the equipment into an outlet on a circuit different from that to which the receiver is connected. --Consult the dealer or an experienced radio/TV technician for help.  Changes or modifications to this unit not expressly approved by the party responsible for compliance could void the user's authority to operate the equipment. 2AKIWCC2541-HY1

Navigation menu