Siemens Sqk33 00 Users Manual N4506en
SQK33.00 to the manual e846ec13-c1d1-4f6a-b6bc-0711c05080fc
2015-02-05
: Siemens Siemens-Sqk33-00-Users-Manual-409966 siemens-sqk33-00-users-manual-409966 siemens pdf
Open the PDF directly: View PDF
.
Page Count: 8

CM1N4506en
07.06.2004
Siemens Building Technologies
HVAC Products
4506
SQK33.00
SQL33.00
SQL83.00
Electric actuators for
butterfly valves
with 90° angle of rotation
SQK33.00
SQL33.0...
SQL83...
• SQK33.00 Operating voltage AC 230 V
• SQL33.0... Operating voltage AC 230 V
• SQL83.00 Operating voltage AC 24 V
• 3-position control signal
• Auxiliary switch and potentiometer for additional functions
• Nominal angle of rotation 90°
• Reversible electric motor
• For mounting on butterfly valves and slipper valves with ASK… mounting kit
• With manual adjuster and position indicator
Use
For use in heating, ventilation and air conditioning systems to operate Siemens butterfly
valves and three-port and four-port slipper valves (mixing valves), types K1i…,
VKF41…, VB… and VC... (see "Equipment combinations") and valves from other
manufacturers.
The actuators can be fitted with additional auxiliary switches and potentiometers
.
.
.
.
.
.
.
.
.
.
.
.
.

2/8
Siemens Building Technologies Electric actuators for butterfly valves CM1N4506en
HVAC Products 07.06.2004
Functions
If the actuator is driven by a 3-position signal from the controller, it generates a rotary
motion which is transferred to the valve (butterfly, slipper valve, three-port or four-port
mixing valve).
Direction of rotation of the actuator on delivery:
• Voltage at Y1 = Clockwise rotation
• Voltage at Y2 = Anti-clockwise rotation
• No voltage = No rotation; actuator fixed in relevant position
The direction of rotation can be reversed if required.
• The SQK33.00 actuator can be fitted with an auxiliary switch
• The SQL… actuators can be fitted with an auxiliary switch, a dual auxiliary switch or
an auxiliary switch and a 1000-ohm potentiometer.
If an auxiliary switch and/or potentiometer are fitted, the electrical wiring must take
account of this. Refer to the wiring diagram under the actuator cover and see also the
"Commissioning" and "Connection diagrams" sections in this data sheet.
Types
Type Operating Control Run-time Space for Accessory function
voltage signal for 90° at 50 Hz accessories
SQK33.00 AC 230 V 3-position 125 s 1 x ASC9.5 only 1 auxiliary switch
SQL33.00 AC 230 V 125 s 1 x ASC9.5 or 1 auxiliary switch
SQL33.03 AC 230 V 3-position 30 s 1 x ASC9.4 or 1 dual auxiliary switch
SQL83.00 AC 24 V 125 s 1 x ASZ7.4 1 auxiliary switch and 1000 Ω potentiometer
ASK31 For slipper valves, type VBF21 … (DN65 ... DN150), Series 01
ASK32 For slipper valves, type VB… / VC (DN¾"... DN1½") Series 02
or VBF21... (DN40 / 50)
ASK33 For butterfly valves, type VKF41… (DN40 ... DN200), K1i... (¾”...1¼”)
ASK40 For slipper valves from other manufacturers, see data sheet N4291
ASK41 For slipper valves from other manufacturers, see data sheet N4291
ASC9.5 1 auxiliary switch
ASC9.4 1 dual auxiliary switch
ASZ7.4 1 auxiliary switch and one 1000-ohm potentiometer
Ordering
The actuator, slipper valve or butterfly valve, mounting kit and accessories must be
ordered separately.
When ordering, please specify the quantity, product name and type code.
1 actuator, type SQL33.03, 1 mounting kit, type ASK31 and
1 auxiliary switch with ASZ7.4 potentiometer
The actuator, valve or butterfly valve, ASK.. mounting kit and accessories are packed
separately and are not delivered fully assembled.
.
.
Extending the actuator
functions
.
.
.
.
.
.
.
.
.
Mounting kits
Accessories
.
.
Example:
Delivery .

3/8
Siemens Building Technologies Electric actuators for butterfly valves CM1N4506en
HVAC Products 07.06.2004
Equipment combinations
The table below shows which actuators may be used with which slipper valves and
butterfly valves, and indicates the appropriate mounting kits in each case.
Actuators
Valves
PN class Data
sheet
SQK33.00 SQL33.00
SQL83.00
SQL33.03 Mounting
kits
Nominal size (DN)
Three-port slipper valves
(Mixing)
VBF21... (40 ... 50) PN6 N4241 40 / 50 40 / 50 40 / 50 ASK32
(65 ...150) PN6 N4241 --- 65 ...150 65 ...150 ASK31
VBI31... (¾”...1½”) PN10 N4232 ¾”...1½” ¾”...1½” ¾”...1½”
ASK32
VBG31... (¾”...1½”) PN10 N4233 ¾”...1½” ¾”...1½” ¾”...1½”
ASK32
Other
makes
PN6... --- ¾”...1½” ¾”... 2" ¾”... 2" ASK40 *)
ASK41 *)
Four-port valves
(Mixing)
VCI31... (¾”...1½”) PN10 N4252 ¾”...1½” ¾”...1½” ¾”...1½”
ASK32
Other
makes
PN6... --- ¾”...1½” ¾”... ¾”... 2"
ASK40 *)
ASK41 *)
Butterfly valves
K1i... (¾”...1¼”) PN6 N4111 ¾”...1¼” ¾”...1¼” --- ASK33
VKF41... (40 ... 200) PN16 N4131 40 40 ... 200 40 ... 200 ASK33
*) Mounting kits ASK40 and ASK41 for non-Siemens actuators: refer to data sheet N42291
Mechanical design
The electric actuators require no maintenance. They have a reversible synchronous
motor and reduction gears with self-lubricating sinter bearings. The housing base and
the console are die-cast aluminium, and the cover is plastic.
"AUTO" and "MANUAL" modes can be selected with a rotary switch on the housing
base. When the switch is set to "MANUAL", the actuator and valve can be operated
with a manual lever. For manual operation, the angle of rotation is mechanically limited
by an end-stop.
The actuators supplied have a 90° angle of rotation suitable for the Siemens valves.
During automatic operation, rotation is limited by two built-in end-switches. For non-
Siemens valves, the angle of rotation in the range 70° to 180° can be selected by
repositioning the switching cams.
The direction of operation of the actuator can be reversed (refer to "Commissioning").
.
.
.
.
.
.
.
.
.
.
.
.
.
.
.
.
.
.
.
.
.
.
.
.
.
.

4/8
Siemens Building Technologies Electric actuators for butterfly valves CM1N4506en
HVAC Products 07.06.2004
Rotary "AUTO" / "MAN" switch
Manual lever
Console (e.g. ASK31 mounting kit)
Terminal strip
Dual end-switch (always factory fitted)
Connector for reversal of direction of rotation
(only with SQK33.00, SQL33.0…, SQL83.00)
1 auxiliary switch
for SQK33.00,
SQL33.0...
SQL83.00
4554Z04
1 dual auxiliary switch
for SQL33.0...
SQL83.00
4554Z06
1 auxiliary switch and
1 1000-ohm potentiometer
for SQL33.0...
SQL83.00
4554Z05
Engineering
• Butterfly valves: see data sheets N4100 … N4199.
• Three-port and four-port slipper valves: see data sheets N4200 … N4299.
• Admissible ambient temperatures, see "Technical data".
The actuators must be electrically connected in accordance with local regulations and
with the connection diagrams.
Regulations and requirements to ensure the safety of people and property must
be observed at all times.
If additional functions are to be controlled by the actuator, the ASC9.. (auxiliary switch)
or ASZ7.5 (auxiliary switch / potentiometer) must be fitted. The relevant switching
point(s) and zero-ohm position must be noted in the plant documentation.
.
.
.
.
.
.
.
.
.
.
.
.
.
.
.
.
.
.
.
.
.
.
Accessory ASC9.5
Accessory ASC9.4
Accessory ASZ7.4
.
!
Electrical installation

5/8
Siemens Building Technologies Electric actuators for butterfly valves CM1N4506en
HVAC Products 07.06.2004
Mounting
Mounting instructions are enclosed with the mounting kit.
The valve, actuator and mounting kit are packed separately. The valve and actuator
can be assembled easily on site. There is no need for special tools or calibration.
Take care to install the valve the right way up. Refer to the mounting instructions for the
valve concerned (butterfly or slipper valves).
90°
4362Z01
90°
Commissioning
When commissioning the complete motorised valve, consisting of actuator, mounting kit
and (butterfly or slipper) valve, check the wiring and test the functions. This also
applies to any additional components fitted (e.g. auxiliary switch or potentiometer).
Siemens slipper valves up to DN50 can be commissioned without an actuator being
fitted. In this case, the flow rate must be adjusted manually with the standard manual
adjuster fitted to the valve.
For automatic operation, the rotary switch must be set to "AUTO".
"AUTO" = Automatic operation "MAN" = Manual operation
The actuators are factory-set to rotate in a clockwise direction (as seen from the front).
The direction of rotation can be reversed by repositioning a connector located under the
cover (see "Mechanical design").
The wiring for the OPEN and CLOSE control signal is not affected.
As supplied Direction of rotation reversed
.
.
.
.
.
.
.
.
.
.
.
Orientation
Note
Mode of operation
Rotary switch for
mode selection
Reversing the
direction of rotation

6/8
Siemens Building Technologies Electric actuators for butterfly valves CM1N4506en
HVAC Products 07.06.2004
The angle of rotation is factory-set to 90°. However, the angle can be changed to
between 70° and 180°. This may be necessary when using non-Siemens valves.
Special notes on this subject will be found in the mounting instructions for the ASK40
and ASK41 (mounting kits for non-Siemens valves).
Maintenance
The actuators require no maintenance.
When servicing the valve and/or actuator: switch OFF the pump and power
supply, close the main shut-off valve in the pipework, release pressure in the
pipes and allow them to cool down completely.
If necessary, disconnect electrical connections from terminals.
Disposal
The device may not be disposed of together with domestic waste. This applies in
particular to the PCB.
Legislation may demand special handling of certain components, or it may be sensible
from an ecological point of view.
Current local legislation must be observed.
Warranty
The technical data given for these applications is valid only in conjunction with the
Siemens valves (butterfly and slipper valves) and third-party valves for use with the
ASK40 / ASK41, as described under "Compatibility". The use of third-party valves
other than those recommended by Siemens invalidates the warranty.
Technical data
Power supply Rated voltage
SQK33.00, SQL33.00, SQL33.03
SQL83.00
AC 230 V ± 15 %
AC 24 V ± 20 %
Rated frequency 50 / 60 Hz
Control signal 3-position
Power consumption *)
SQK33.00
SQL33.00, SQL83.00
SQL33.0...
3 VA
4 VA
6.5 VA
Operating data Run-time for rotation through 90° at 50 Hz at 60 Hz
SQK33.00, SQL33.00
SQL83.00
SQL33.03
125 s
125 s
30 s
105 s
105 s
25 s
Angle of rotation
Factory setting
Adjustment range
90° ± 2°
70° ...180°
Setting the angle of
rotation
.
Warning !
.
.
.
.
.
.
.
.
.
.

7/8
Siemens Building Technologies Electric actuators for butterfly valves CM1N4506en
HVAC Products 07.06.2004
Torque *) Nominal torque Starting torque
SQK33.00
SQL33.03
SQL33.00, SQL83.00
5 Nm
10 Nm
12.5 Nm
10 Nm
12 Nm
25 Nm
End switch
Switching capacity
Switching differential
AC 250 V, 6 (2) A
Approx. 1°
Materials Housing base and console Die-cast aluminium
Cover Plastic
Dimensions / Weight Dimensions See “Dimensions”
Cable glands ∅ 20,5 (M20) (4x)
Weight
SQK33.00
SQL33.00, SQL83.00
SQL33.03, SQL35.00, SQL85.00
1.25 kg
1.35 kg
1.40 kg
Ambient conditions Max. admissible temperature of medium in
assembled valve
> 120 °C
Operation
– Environmental conditions
– Temperature
– Humidity
To IEC 721-3-3
Class 3K5
–15 ... +55 °C
5 ... 95 % rh
Transport
– Environmental conditions
– Temperature
– Humidity
To IEC 721-2-3
Class 3K2
– 30 ... +65 °C
< 95 % rh
Storage
– Environmental conditions
– Temperature
– Humidity
To IEC 721-1-3
Class 3K1
–15 ... +55 °C
0 ... 95 % rh
Industry standards Meets the requirements for CE marking in
EMC Directive
Low Voltage Directive
89/336/EEC
73/23/EEC
Housing protection standard IP44 to IEC529 / DIN40050
Accessories ASC9.5 Auxiliary switch
ASC9.4
Switching capacity
Switching differential
Dual auxiliary switch
AC 250 V,
10 A resistive / 3 A inductive
Approx. 1°
ASZ7.4
Switching capacity
Switching differential
Change in resistance
Auxiliary switch with potentiometer
AC 250 V,
10 A resistive / 3 A inductive
Approx. 1°
0 ... 90° corresponding to
0 ...1000 ohm
*) These values apply at nominal voltage, at an ambient temperature of 20°C and at the
specified nominal running time
.
.
.
.
.
.
.
.
.
.
.
.
.
.

8/8
Siemens Building Technologies Electric actuators for butterfly valves CM1N4506en
HVAC Products 07.06.2004
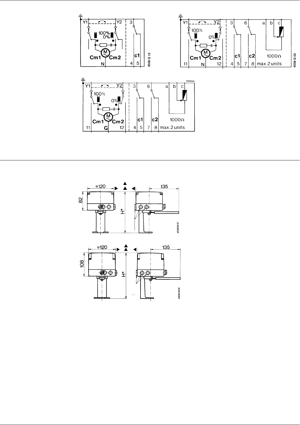
Connection diagrams
SQK33.00 SQL33.00, SQL33.03
Cm1 End switch
Cm2 End switch
c1 1 auxiliary switch ASC9.5 or
c1, c2 1 dual auxiliary switch ASC9.4
or
c1, 1000Ω 1 installable module ASZ7.4
(1 auxiliary switch and
1 potentiometer)
Dimensions
All dimensions in mm
Installation height H*
for actuator with mounting kit
ASK31 162 mm
ASK32 132 mm
ASK33 162 mm
Installation height H*
for actuator with mounting kit
ASK31 188 mm
ASK32 158 mm
ASK33 188 mm
= Installation height of slipper or butterfly valve from the middle of the pipe
+ Installation height H* of the actuator with mounting kit
+ Minimum clearance from ceiling or wall for mounting, connection,
operation, service etc. ∆ >100 mm
∆ ∆ >200 mm
.
.
SQL83.00
.
.
.
.
.
.
.
.
.
.
.
.
.
.
.
.
.
SQK33.00
SQL33.0... / SQL83.00
Overall height of valve
and actuator
2004 Siemens Building Technologies Ltd. Subject to technical alteration
∅ 20,5 (M20)
∅ 20,5 (M20)