Silicon Laboratories Finland BGM113 Blue Gecko BGM113 Bluetooth Smart Module User Manual Users manual
Silicon Laboratories Finland Oy Blue Gecko BGM113 Bluetooth Smart Module Users manual
Users manual

BGM113 Blue Gecko Bluetooth® Smart
Module Data Sheet
The Blue Gecko BGM113 is a Bluetooth® Smart Module targeted for Bluetooth Smart
applications where small size, reliable RF, low-power consumption, and easy application
development are key requirements. At +3 dBm TX power, BGM113 is ideal for applica-
tions requiring short and medium range Bluetooth Smart connectivity.
The BGM113 integrates all of the necessary elements required for a Bluetooth Smart ap-
plication: Bluetooth radio, software stack, and GATT-based profiles, and it can also host
end user applications, which means no external microcontroller is required in size, price
or power constrained devices. The BGM113 Bluetooth Smart Module also has highly
flexible hardware interfaces to connect to different peripherals or sensors.
BGM113 can be used in a wide variety of applications:
KEY FEATURES
• Bluetooth 4.1 Compliant (Bluetooth Smart)
• Software upgradable to Bluetooth 4.2
•Integrated antenna
• TX power: up to +3 dBm
• RX sensitivity: down to -93 dBm
• Range: up to 50 meters
• 32-bit ARM® Cortex®-M4 core at 38.4
MHz
• Flash memory: 256kB
• RAM: 32 kB
• Autonomous Hardware Crypto Accelerator
and True Random Number Generator
• Integrated DC-DC Converter
• Onboard Bluetooth Smart stack
• IoT Sensors and End Devices
• Commercial and Retail
•Health and Wellness
• Industrial, Home and Building Automation
• Smart Phone, Tablet and PC Accessories
Timers and Triggers
Real Time Counter
and Calendar
Cryotimer
Timer/Counter
Low Energy
Timer
Pulse Counter
Watchdog Timer
Protocol Timer
32-bit bus
Peripheral Reflex System
Serial
Interfaces
Antenna I/O Ports Analog I/F
Lowest power mode with peripheral operational:
USART
Low Energy
UART
I2C
External Interrupts
General Purpose
I/O
Pin Reset
Pin Wakeup
ADC
IDAC
Analog
Comparator
Radio Transceiver
DEMOD
AGC
IFADC
CRC
BUFC
RFSENSE
MOD
FRC
RAC
EM3—StopEM2—Deep SleepEM1—Sleep EM4—Hibernate EM4—ShutoffEM0—Active
PA
I
Q
RF Frontend
LNA
Frequency
Synthesizer
PGA
BALUN
Core / Memory
ARM Cortex M4 processor
with DSP extensions and FPU
Energy Management
Brown-Out
Detector
DC-DC
Converter
Voltage
Regulator Voltage Monitor
Power-On Reset
Other
CRYPTO
CRC
Flash Program
Memory RAM Memory Debug Interface DMA Controller
Clocks
Clock Management
High Frequency
Crystal Oscillator
Low Frequency
Crystal Oscillator
Low Frequency
RC Oscillator
High Frequency
RC Oscillator
Ultra Low
Frequency
RC Oscillator
Auxiliary High
Frequency
RC Oscillator
38.4MHz XTAL
32.768kHz XTAL
Memory Protection
Unit
Chip Antenna
silabs.com | Smart. Connected. Energy-friendly. Preliminary Rev. 0.93
This information applies to a product under development. Its characteristics and specifications are subject to change without notice.

1. Feature List
The BGM113 highlighted features are listed below.
•Low Power Wireless System-on-Chip.
•High Performance 32-bit 38.4 MHz ARM Cortex®-M4 with
DSP instruction and floating-point unit for efficient signal
processing
•256 kB flash program memory
• 32 kB RAM data memory
• 2.4 GHz radio operation
• TX power up to +3 dBm
•Low Energy Consumption
• 8.7 mA RX current at 2.4 GHz
• 8.8 mA TX current @ 0 dBm output power at 2.4 GHz
• 63 μA/MHz in Active Mode (EM0)
• 1.4 μA EM2 DeepSleep current (full RAM retention and
RTCC running from LFXO)
• 1.1 μA EM3 Stop current (State/RAM retention)
• Wake on Radio with signal strength detection, preamble
pattern detection, frame detection and timeout
•High Receiver Performance
• -93 dBm sensitivity @ 1 Mbit/s GFSK (2.4GHz)
•Supported Protocol
•Bluetooth® Smart
•Support for Internet Security
• General Purpose CRC
• Random Number Generator
• Hardware Cryptographic Acceleration for AES 128/256,
SHA-1, SHA-2 (SHA-224 and SHA-256) and ECC
•Wide selection of MCU peripherals
•12-bit 1 Msps SAR Analog to Digital Converter (ADC)
• 2× Analog Comparator (ACMP)
• Digital to Analog Current Converter (IDAC)
• 14 pins connected to analog channels (APORT) shared be-
tween Analog Comparators, ADC, and IDAC
• 14 General Purpose I/O pins with output state retention and
asynchronous interrupts
• 8 Channel DMA Controller
• 12 Channel Peripheral Reflex System (PRS)
• 2×16-bit Timer/Counter
• 3 + 4 Compare/Capture/PWM channels
• 32-bit Real Time Counter and Calendar
• 16-bit Low Energy Timer for waveform generation
• 32-bit Ultra Low Energy Timer/Counter for periodic wake-up
from any Energy Mode
• 16-bit Pulse Counter with asynchronous operation
• Watchdog Timer with dedicated RC oscillator @ 50nA
• 2×Universal Synchronous/Asynchronous Receiver/Trans-
mitter (UART/SPI/SmartCard (ISO 7816)/IrDA/I2S)
•Low Energy UART (LEUART™)
•I2C interface with SMBus support and address recognition
in EM3 Stop
•Wide Operating Range
• 1.85 V to 3.8 V single power supply
• Integrated DC-DC
• -40 °C to 85 °C
•Dimensions
• 9.15 x 15.73 x 1.9 mm
BGM113 Blue Gecko Bluetooth® Smart Module Data Sheet
Feature List
silabs.com | Smart. Connected. Energy-friendly. Preliminary Rev. 0.93 | 1

2. Ordering Information
Ordering Code Protocol Stack Frequency
Band
Max TX
Power
(dBm)
Encryption Flash
(KB)
RAM
(KB)
GPIO Package
BGM113A256V11Bluetooth Smart 2.4 GHz 3 Full 256 32 14 100 pcs
cut reel
BGM113A256V1R1Bluetooth Smart 2.4 GHz 3 Full 256 32 14 1000 pcs
tape and
reel
BGM113A256V2 Bluetooth Smart 2.4 GHz 3 Full 256 32 14 100 pcs
cut reel
BGM113A256V2R Bluetooth Smart 2.4 GHz 3 Full 256 32 14 1000 pcs
tape and
reel
SLWSTK6101B2
Note:
1. Initial production. This (V1) product code is updated to production version (V2) when the logos of the official CE and FCC certifi-
cations are marked into the RF shield. The only visual difference between initial production (V1) and production (V2) versions will
be the certification codes printed on the RF shield. Silicon Labs reserves the right to deliver V2 (production version) for customers
ordering V1.
2. Blue Gecko Bluetooth Smart Module Wireless Development Kit (WSTK) with BGM113 and BGM111 radio boards, expansion
board and accessories.
BGM113 Blue Gecko Bluetooth® Smart Module Data Sheet
Ordering Information
silabs.com | Smart. Connected. Energy-friendly. Preliminary Rev. 0.93 | 2

3. System Overview
3.1 Introduction
The BGM113 product family combines an energy-friendly MCU with a highly integrated radio transceiver. The devices are well suited
for any battery operated application, as well as other system requiring high performance and low-energy consumption. This section
gives a short introduction to the full radio and MCU system. The detailed functional description can be found in the EFR32 Reference
Manual.
A detailed block diagram of the EFR32BG SoC is shown in the figure below which is used in the BGM113 Bluetooth Smart module.
Analog Peripherals
Clock Management
LFXTAL_P / N LFXO
IDAC
ARM Cortex-M4 Core
Up to 256 KB ISP Flash
Program Memory
Up to 32 KB RAM
A
H
B
Watchdog
Timer
Reset
Management
Unit
Brown Out /
Power-On
Reset
RESETn
Digital Peripherals
Input MUX
Port
Mapper
Port I/O Configuration
I2C
Analog Comparator
12-bit ADC
Temp
Sensor
VREFVDD
VDD
Internal
Reference
TIMER
CRYOTIMER
PCNT
USART
Port A
Drivers
Port B
Drivers
PAn
Port C
Drivers PCn
PBn
Port D
Drivers PDn
LETIMER
RTC / RTCC
IOVDD
AUXHFRCO
HFRCO
ULFRCO
HFXO
Port F
Drivers PFn
Memory Protection Unit
LFRCO
A
P
B
LEUART
CRYPTO
CRC
DMA Controller
+
-
APORT
Floating Point Unit
Energy Management
DC-DC
Converter
DVDD
VREGVDD
VSS
VREGSW
bypass
AVDD
PAVDD
RFVDD
Voltage
Regulator
DECOUPLE
IOVDD
Voltage
Monitor
VREGVSS
RFVSS
PAVSS
Serial Wire Debug /
Programming
Radio Transciever
2G4RF_IOP
2G4RF_ION
RF Frontend
PA
I
Q
LNA
BALUN
RFSENSE
Frequency
Synthesizer
DEMOD
AGC
IFADC
CRC
BUFC
MOD
FRC
RAC
PGA
HFXTAL_P
HFXTAL_N
Figure 3.1. Detailed EFR32BG1 Block Diagram
3.2 Radio
The BGM113 features a radio transceiver supporting Bluetooth Smart® protocol.
3.2.1 Antenna Interface
The BGM113 has a built in 2.4GHz ceramic chip antenna.
Table 3.1. Antenna Efficiency and Peak Gain
Parameter With optimal layout Note
Efficiency 30% Efficiency and peak gain depend on the application PCB layout
and mechanical design
Peak gain 0.5 dBi
BGM113 Blue Gecko Bluetooth® Smart Module Data Sheet
System Overview
silabs.com | Smart. Connected. Energy-friendly. Preliminary Rev. 0.93 | 3

3.2.2 Wake on Radio
The Wake on Radio feature allows flexible, autonomous RF sensing, qualification, and demodulation without required MCU activity, us-
ing a subsystem of the BGM113 including the Radio Controller (RAC), Peripheral Reflex System (PRS), and Low Energy peripherals.
3.2.3 RFSENSE
The RFSENSE module generates a system wakeup interrupt upon detection of wideband RF energy at the antenna interface, providing
true RF wakeup capabilities from low energy modes including EM2, EM3 and EM4.
RFSENSE triggers on a relatively strong RF signal and is available in the lowest energy modes, allowing exceptionally low energy con-
sumption. RFSENSE does not demodulate or otherwise qualify the received signal, but software may respond to the wakeup event by
enabling normal RF reception.
Various strategies for optimizing power consumption and system response time in presence of false alarms may be employed using
available timer peripherals.
3.2.4 Packet and State Trace
The BGM113 Frame Controller has a packet and state trace unit that provides valuable information during the development phase. It
features:
• Non-intrusive trace of transmit data, receive data and state information
• Data observability on a single-pin UART data output, or on a two-pin SPI data output
• Configurable data output bitrate / baudrate
• Multiplexed transmitted data, received data and state / meta information in a single serial data stream
3.2.5 Data Buffering
The BGM113 features an advanced Radio Buffer Controller (BUFC) capable of handling up to 4 buffers of adjustable size from 64 bytes
to 4096 bytes. Each buffer can be used for RX, TX or both. The buffer data is located in RAM, enabling zero-copy operations.
3.2.6 Radio Controller (RAC)
The Radio Controller controls the top level state of the radio subsystem in the BGM113. It performs the following tasks:
• Precisely-timed control of enabling and disabling of the receiver and transmitter circuitry
• Run-time calibration of receiver, transmitter and frequency synthesizer
• Detailed frame transmission timing, including optional LBT or CSMA-CA
3.2.7 Random Number Generator
The Frame Controller (FRC) implements a random number generator that uses entropy gathered from noise in the RF receive chain.
The data is suitable for use in cryptographic applications.
Output from the random number generator can be used either directly or as a seed or entropy source for software-based random num-
ber generator algorithms such as Fortuna.
BGM113 Blue Gecko Bluetooth® Smart Module Data Sheet
System Overview
silabs.com | Smart. Connected. Energy-friendly. Preliminary Rev. 0.93 | 4

3.3 Power
The BGM113 has an Energy Management Unit (EMU) and efficient integrated regulators to generate internal supply voltages. Only a
single external supply voltage is required, from which all internal voltages are created. An integrated DC-DC buck regulator is utilized to
further reduce the current consumption.
3.3.1 Energy Management Unit (EMU)
The Energy Management Unit manages transitions of energy modes in the device. Each energy mode defines which peripherals and
features are available and the amount of current the device consumes. The EMU can also be used to turn off the power to unused RAM
blocks, and it contains control registers for the dc-dc regulator and the Voltage Monitor (VMON). The VMON is used to monitor multiple
supply voltages. It has multiple channels which can be programmed individually by the user to determine if a sensed supply has fallen
below a chosen threshold.
3.3.2 DC-DC Converter
The DC-DC buck converter covers a wide range of load currents and provides up to 90% efficiency in energy modes EM0, EM1, EM2
and EM3. Patented RF noise mitigation allows operation of the DC-DC converter without degrading sensitivity of radio components.
Protection features include programmable current limiting, short-circuit protection, and dead-time protection. The DC-DC converter may
also enter bypass mode when the input voltage is too low for efficient operation. In bypass mode, the DC-DC input supply is internally
connected directly to its output through a low resistance switch. Bypass mode also supports in-rush current limiting to prevent input
supply voltage droops due to excessive output current transients.
3.4 General Purpose Input/Output (GPIO)
BGM113 has up to 14 General Purpose Input/Output pins. Each GPIO pin can be individually configured as either an output or input.
More advanced configurations including open-drain, open-source, and glitch-filtering can be configured for each individual GPIO pin.
The GPIO pins can be overridden by peripheral connections, like SPI communication. Each peripheral connection can be routed to sev-
eral GPIO pins on the device. The input value of a GPIO pin can be routed through the Peripheral Reflex System to other peripherals.
The GPIO subsystem supports asynchronous external pin interrupts.
3.5 Clocking
3.5.1 Clock Management Unit (CMU)
The Clock Management Unit controls oscillators and clocks in the BGM113. Individual enabling and disabling of clocks to all peripheral
modules is perfomed by the CMU. The CMU also controls enabling and configuration of the oscillators. A high degree of flexibility al-
lows software to optimize energy consumption in any specific application by minimizing power dissipation in unused peripherals and
oscillators.
3.5.2 Internal Oscillators
The BGM113 fully integrates two crystal oscillators and four RC oscillators, listed below.
• A 38.4MHz high frequency crystal oscillator (HFXO) provides a precise timing reference for the MCU and radio.
• A 32.768 kHz crystal oscillator (LFXO) provides an accurate timing reference for low energy modes.
• An integrated high frequency RC oscillator (HFRCO) is available for the MCU system, when crystal accuracy is not required. The
HFRCO employs fast startup at minimal energy consumption combined with a wide frequency range.
• An integrated auxilliary high frequency RC oscillator (AUXHFRCO) is available for timing the general-purpose ADC and the Serial
Wire debug port with a wide frequency range.
• An integrated low frequency 32.768 kHz RC oscillator (LFRCO) can be used as a timing reference in low energy modes, when crys-
tal accuracy is not required.
• An integrated ultra-low frequency 1 kHz RC oscillator (ULFRCO) is available to provide a timing reference at the lowest energy con-
sumption in low energy modes.
BGM113 Blue Gecko Bluetooth® Smart Module Data Sheet
System Overview
silabs.com | Smart. Connected. Energy-friendly. Preliminary Rev. 0.93 | 5

3.6 Counters/Timers and PWM
3.6.1 Timer/Counter (TIMER)
TIMER peripherals keep track of timing, count events, generate PWM outputs and trigger timed actions in other peripherals through the
PRS system. The core of each TIMER is a 16-bit counter with up to 4 compare/capture channels. Each channel is configurable in one
of three modes. In capture mode, the counter state is stored in a buffer at a selected input event. In compare mode, the channel output
reflects the comparison of the counter to a programmed threshold value. In PWM mode, the TIMER supports generation of pulse-width
modulation (PWM) outputs of arbitrary waveforms defined by the sequence of values written to the compare registers, with optional
dead-time insertion available in timer unit TIMER_0 only.
3.6.2 Real Time Counter and Calendar (RTCC)
The Real Time Counter and Calendar (RTCC) is a 32-bit counter providing timekeeping in all energy modes. The RTCC includes a
Binary Coded Decimal (BCD) calendar mode for easy time and date keeping. The RTCC can be clocked by any of the on-board oscilla-
tors with the exception of the AUXHFRCO, and it is capable of providing system wake-up at user defined instances. When receiving
frames, the RTCC value can be used for timestamping. The RTCC includes 128 bytes of general purpose data retention, allowing easy
and convenient data storage in all energy modes.
3.6.3 Low Energy Timer (LETIMER)
The unique LETIMER is a 16-bit timer that is available in energy mode EM2 Deep Sleep in addition to EM1 Sleep and EM0 Active. This
allows it to be used for timing and output generation when most of the device is powered down, allowing simple tasks to be performed
while the power consumption of the system is kept at an absolute minimum. The LETIMER can be used to output a variety of wave-
forms with minimal software intervention. The LETIMER is connected to the Real Time Counter and Calendar (RTCC), and can be con-
figured to start counting on compare matches from the RTCC.
3.6.4 Ultra Low Power Wake-up Timer (CRYOTIMER)
The CRYOTIMER is a 32-bit counter that is capable of running in all energy modes. It can be clocked by either the 32.768 kHz crystal
oscillator (LFXO), the 32.768 kHz RC oscillator (LFRCO), or the 1 kHz RC oscillator (ULFRCO). It can provide periodic Wakeup events
and PRS signals which can be used to wake up peripherals from any energy mode. The CRYOTIMER provides a wide range of inter-
rupt periods, facilitating flexible ultra-low energy operation.
3.6.5 Pulse Counter (PCNT)
The Pulse Counter (PCNT) peripheral can be used for counting pulses on a single input or to decode quadrature encoded inputs. The
clock for PCNT is selectable from either an external source on pin PCTNn_S0IN or from an internal timing reference, selectable from
among any of the internal oscillators, except the AUXHFRCO. The module may operate in energy mode EM0 Active, EM1 Sleep, EM2
Deep Sleep, and EM3 Stop.
3.6.6 Watchdog Timer (WDOG)
The watchdog timer can act both as an independent watchdog or as a watchdog synchronous with the CPU clock. It has windowed
monitoring capabilities, and can generate a reset or different interrupts depending on the failure mode of the system. The watchdog can
also monitor autonomous systems driven by PRS.
3.7 Communications and Other Digital Peripherals
3.7.1 Universal Synchronous/Asynchronous Receiver/Transmitter (USART)
The Universal Synchronous/Asynchronous Receiver/Transmitter is a flexible serial I/O module. It supports full duplex asynchronous
UART communication with hardware flow control as well as RS-485, SPI, MicroWire and 3-wire. It can also interface with devices sup-
porting:
• ISO7816 SmartCards
• IrDA
•I2S
BGM113 Blue Gecko Bluetooth® Smart Module Data Sheet
System Overview
silabs.com | Smart. Connected. Energy-friendly. Preliminary Rev. 0.93 | 6

3.7.2 Low Energy Universal Asynchronous Receiver/Transmitter (LEUART)
The unique LEUARTTM provides two-way UART communication on a strict power budget. Only a 32.768 kHz clock is needed to allow
UART communication up to 9600 baud. The LEUART includes all necessary hardware to make asynchronous serial communication
possible with a minimum of software intervention and energy consumption.
3.7.3 Inter-Integrated Circuit Interface (I2C)
The I2C module provides an interface between the MCU and a serial I2C bus. It is capable of acting as both a master and a slave and
supports multi-master buses. Standard-mode, fast-mode and fast-mode plus speeds are supported, allowing transmission rates from 10
kbit/s up to 1 Mbit/s. Slave arbitration and timeouts are also available, allowing implementation of an SMBus-compliant system. The
interface provided to software by the I2C module allows precise timing control of the transmission process and highly automated trans-
fers. Automatic recognition of slave addresses is provided in active and low energy modes.
3.7.4 Peripheral Reflex System (PRS)
The Peripheral Reflex System provides a communication network between different peripheral modules without software involvement.
Peripheral modules producing Reflex signals are called producers. The PRS routes Reflex signals from producers to consumer periph-
erals which in turn perform actions in response. Edge triggers and other functionality can be applied by the PRS. The PRS allows pe-
ripheral to act autonomously without waking the MCU core, saving power.
3.8 Security Features
3.8.1 GPCRC (General Purpose Cyclic Redundancy Check)
The GPCRC module implements a Cyclic Redundancy Check (CRC) function. It supports both 32-bit and 16-bit polynomials. The sup-
ported 32-bit polynomial is 0x04C11DB7 (IEEE 802.3), while the 16-bit polynomial can be programmed to any value, depending on the
needs of the application.
3.8.2 Crypto Accelerator (CRYPTO)
The Crypto Accelerator is a fast and energy-efficient autonomous hardware encryption and decryption accelerator. It supports AES en-
cryption and decryption with 128- or 256-bit keys and ECC over both GF(P) and GF(2m), SHA-1 and SHA-2 (SHA-224 and SHA-256).
Supported modes of operation for AES include: ECB, CTR, CBC, PCBC, CFB, OFB, CBC-MAC, GMAC and CCM.
Supported ECC NIST recommended curves include P-192, P-224, P-256, K-163, K-233, B-163 and B-233.
The CRYPTO is tightly linked to the Radio Buffer Controller (BUFC) enabling fast and efficient autonomous cipher operations on data
buffer content. It allows fast processing of GCM (AES), ECC and SHA with little CPU intervention. CRYPTO also provides trigger sig-
nals for DMA read and write operations.
3.9 Analog
3.9.1 Analog Port (APORT)
The Analog Port (APORT) is an analog interconnect matrix allowing access to analog modules ADC, ACMP, and IDAC on a flexible
selection of pins. Each APORT bus consists of analog switches connected to a common wire. Since many clients can operate differen-
tially, buses are grouped by X/Y pairs.
3.9.2 Analog Comparator (ACMP)
The Analog Comparator is used to compare the voltage of two analog inputs, with a digital output indicating which input voltage is high-
er. Inputs are selected from among internal references and external pins. The tradeoff between response time and current consumption
is configurable by software. Two 6-bit reference dividers allow for a wide range of internally-programmable reference sources. The
ACMP can also be used to monitor the supply voltage. An interrupt can be generated when the supply falls below or rises above the
programmable threshold.
BGM113 Blue Gecko Bluetooth® Smart Module Data Sheet
System Overview
silabs.com | Smart. Connected. Energy-friendly. Preliminary Rev. 0.93 | 7

3.9.3 Analog to Digital Converter (ADC)
The ADC is a Successive Approximation Register (SAR) architecture, with a resolution of up to 12 bits at up to 1 MSamples/s. The
output sample resolution is configurable and additional resolution is possible using integrated hardware for averaging over multiple
samples. The ADC includes integrated voltage references and an integrated temperature sensor. Inputs are selectable from a wide
range of sources, including pins configurable as either single-ended or differential.
3.9.4 Digital to Analog Current Converter (IDAC)
The Digital to Analog Current Converter can source or sink a configurable constant current. This current can be driven on an output pin
or routed to the selected ADC input pin for capacitive sensing. The current is programmable between 0.05 µA and 64 µA with several
ranges with various step sizes.
3.10 Reset Management Unit (RMU)
The RMU is responsible for handling reset of the BGM113. A wide range of reset sources are available, including several power supply
monitors, pin reset, software controlled reset, core lockup reset and watchdog reset.
3.11 Core and Memory
3.11.1 Processor Core
The ARM Cortex-M4F processor includes a 32-bit RISC processor integrating the following features and tasks in the system:
• ARM Cortex-M4F RISC processor achieving 1.25 Dhrystone MIPS/MHz
• Memory Protection Unit (MPU) supporting up to 8 memory segments
• 256 KB flash program memory
• 32 KB RAM data memory
• Configuration and event handling of all modules
• 2-pin Serial-Wire debug interface
3.11.2 Memory System Controller (MSC)
The Memory System Controller (MSC) is the program memory unit of the microcontroller. The flash memory is readable and writable
from both the Cortex-M and DMA. The flash memory is divided into two blocks; the main block and the information block. Program code
is normally written to the main block, whereas the information block is available for special user data and flash lock bits. There is also a
read-only page in the information block containing system and device calibration data. Read and write operations are supported in en-
ergy modes EM0 Active and EM1 Sleep.
3.11.3 Linked Direct Memory Access Controller (LDMA)
The Linked Direct Memory Access (LDMA) controller features 8 channels capable of performing memory operations independently of
software. This reduces both energy consumption and software workload. The LDMA allows operations to be linked together and stag-
ed, enabling sophisticated operations to be implemented.
BGM113 Blue Gecko Bluetooth® Smart Module Data Sheet
System Overview
silabs.com | Smart. Connected. Energy-friendly. Preliminary Rev. 0.93 | 8

3.12 Memory Map
The BGM113 memory map is shown in the figures below.
Figure 3.2. BGM113 Memory Map — Core Peripherals and Code Space
BGM113 Blue Gecko Bluetooth® Smart Module Data Sheet
System Overview
silabs.com | Smart. Connected. Energy-friendly. Preliminary Rev. 0.93 | 9

Figure 3.3. BGM113 Memory Map — Peripherals
3.13 Configuration Summary
The features of the BGM113 are a subset of the feature set described in the device reference manual. The table below describes de-
vice specific implementation of the features. Remaining modules support full configuration.
Table 3.2. Configuration Summary
Module Configuration Pin Connections
USART0 IrDA SmartCard US0_TX, US0_RX, US0_CLK, US0_CS
USART1 IrDA I2S SmartCard US1_TX, US1_RX, US1_CLK, US1_CS
TIMER0 with DTI TIM0_CC[2:0], TIM0_CDTI[2:0]
TIMER1 TIM1_CC[3:0]
BGM113 Blue Gecko Bluetooth® Smart Module Data Sheet
System Overview
silabs.com | Smart. Connected. Energy-friendly. Preliminary Rev. 0.93 | 10

4. Electrical Specifications
4.1 Electrical Characteristics
All electrical parameters in all tables are specified under the following conditions, unless stated otherwise:
• Typical values are based on TAMB=25 °C and VDD= 3.3 V, by production test and/or technology characterization.
• Radio performance numbers are measured in conducted mode.
• Minimum and maximum values represent the worst conditions across supply voltage, process variation, and an operating tempera-
ture of -40 to +85 °C, unless stated otherwise.
Refer to Table 4.2 General Operating Conditions on page 12 for more details about operational supply and temperature limits.
4.1.1 Absolute Maximum Ratings
Stresses above those listed below may cause permanent damage to the device. This is a stress rating only and functional operation of
the devices at those or any other conditions above those indicated in the operation listings of this specification is not implied. Exposure
to maximum rating conditions for extended periods may affect device reliability.
Table 4.1. Absolute Maximum Ratings
Parameter Symbol Test Condition Min Typ Max Unit
Storage temperature range TSTG -50 — 150 °C
External main supply voltage VDDMAX 0 — 3.8 V
External main supply voltage
ramp rate
VDDRAMPMAX — — 1 V / μs
Voltage on any 5V tolerant
GPIO pin1
VDIGPIN -0.3 — Min of 5.25
and IOVDD
+2
V
Voltage on non-5V tolerant
GPIO pins
-0.3 — IOVDD+0.3 V
Total current into VSS ground
lines (sink)
IVSSMAX — — 200 mA
Current per I/O pin (sink) IIOMAX — — 50 mA
Current per I/O pin (source) — — 50 mA
Current for all I/O pins (sink) IIOALLMAX — — 200 mA
Current for all I/O pins
(source)
— — 200 mA
Note:
1. When a GPIO pin is routed to the analog module through the APORT, the maximum voltage = IOVDD.
BGM113 Blue Gecko Bluetooth® Smart Module Data Sheet
Electrical Specifications
silabs.com | Smart. Connected. Energy-friendly. Preliminary Rev. 0.93 | 11

4.1.2 Operating Conditions
4.1.2.1 General Operating Conditions
Table 4.2. General Operating Conditions
Parameter Symbol Test Condition Min Typ Max Unit
Operating temperature range TOP -G temperature grade -40 25 85 °C
VDD Operating supply volt-
age
VDD DCDC in regulation 2.4 3.3 3.8 V
DCDC in bypass 50mA load TBD 3.3 3.8 V
HFCLK frequency fCORE 0 wait-states (MODE = WS0) — — 26 MHz
1 wait-states (MODE = WS1) — 38.4 38.4 MHz
BGM113 Blue Gecko Bluetooth® Smart Module Data Sheet
Electrical Specifications
silabs.com | Smart. Connected. Energy-friendly. Preliminary Rev. 0.93 | 12

4.1.3 Current Consumption
4.1.3.1 Current Consumption 1.85 V without DC-DC Converter
EMU_PWRCFG_PWRCG=NODCDC. EMU_DCDCCTRL_DCDCMODE=BYPASS. See 5.1 Power, Ground, Debug and UART.
Table 4.3. Current Consumption 1.85V without DC/DC
Parameter Symbol Test Condition Min Typ Max Unit
Current consumption in EM0
Active mode with radio disa-
bled, All peripherals disabled
IACTIVE 38.4 MHz crystal, CPU running
while loop from flash
— 128 — μA/MHz
38 MHz HFRCO, CPU running
Prime from flash
— 87 — μA/MHz
38 MHz HFRCO, CPU running
while loop from flash
— 103 — μA/MHz
38 MHz HFRCO, CPU running
CoreMark from flash
— 112 — μA/MHz
26 MHz HFRCO, CPU running
while loop from flash
— 105 — μA/MHz
1 MHz HFRCO, CPU running
while loop from flash
— 235 — μA/MHz
Current consumption in EM1
Sleep mode with radio disa-
bled. All peripherals disabled
IEM1 38.4 MHz crystal — 61 — μA/MHz
38 MHz HFRCO — 35 — μA/MHz
26 MHz HFRCO — 37 — μA/MHz
1 MHz HFRCO — 167 — μA/MHz
Current consumption in EM2
Deep Sleep mode.
IEM2 Full RAM retention and RTCC
running from LFXO
— 3.36 — μA
4 kB RAM retention and RTCC
running from LFRCO
— 3.13 — μA
Current consumption in EM3
Stop mode
IEM3 Full RAM retention and CRYO-
TIMER running from ULFRCO
— 2.84 — μA
Current consumption in
EM4H Hibernate mode
IEM4 128 byte RAM retention, RTCC
running from LFXO
—1.08 — μA
128 byte RAM retention, CRYO-
TIMER running from ULFRCO
— 0.64 — μA
128 byte RAM retention, no RTCC — 0.63 — μA
Current consumption in
EM4S Shutoff mode
IEM4S No RAM retention, no RTCC — 0.02 — μA
BGM113 Blue Gecko Bluetooth® Smart Module Data Sheet
Electrical Specifications
silabs.com | Smart. Connected. Energy-friendly. Preliminary Rev. 0.93 | 13

4.1.3.2 Current Consumption 3.3 V without DC-DC Converter
EMU_PWRCFG_PWRCG=NODCDC. EMU_DCDCCTRL_DCDCMODE=BYPASS. See 5.1 Power, Ground, Debug and UART.
Table 4.4. Current Consumption 3.3V without DC/DC
Parameter Symbol Test Condition Min Typ Max Unit
Current consumption in EM0
Active mode with radio disa-
bled, All peripherals disabled
IACTIVE 38.4 MHz crystal, CPU running
while loop from flash
— 129 — μA/MHz
38 MHz HFRCO, CPU running
Prime from flash
— 87 — μA/MHz
38 MHz HFRCO, CPU running
while loop from flash
— 103 — μA/MHz
38 MHz HFRCO, CPU running
CoreMark from flash
— 112 — μA/MHz
26 MHz HFRCO, CPU running
while loop from flash
— 105 — μA/MHz
1 MHz HFRCO, CPU running
while loop from flash
— 237 — μA/MHz
Current consumption in EM1
Sleep mode with radio disa-
bled. All peripherals disabled
IEM1 38.4 MHz crystal — 61 — μA/MHz
38 MHz HFRCO — 35 — μA/MHz
26 MHz HFRCO — 37 — μA/MHz
1 MHz HFRCO — 170 — μA/MHz
Current consumption in EM2
Deep Sleep mode.
IEM2 Full RAM retention and RTCC
running from LFXO
— 3.47 — μA
4 kB RAM retention and RTCC
running from LFRCO
— 3.35 — μA
Current consumption in EM3
Stop mode
IEM3 Full RAM retention and CRYO-
TIMER running from ULFRCO
— 2.92 — μA
Current consumption in
EM4H Hibernate mode
IEM4 128 byte RAM retention, RTCC
running from LFXO
—1.13 — μA
128 byte RAM retention, CRYO-
TIMER running from ULFRCO
— 0.67 — μA
128 byte RAM retention, no RTCC — 0.66 — μA
Current consumption in
EM4S Shutoff mode
IEM4S no RAM retention, no RTCC — 0.04 — μA
BGM113 Blue Gecko Bluetooth® Smart Module Data Sheet
Electrical Specifications
silabs.com | Smart. Connected. Energy-friendly. Preliminary Rev. 0.93 | 14

4.1.3.3 Current Consumption 3.3 V using DC-DC Converter
Table 4.5. Current Consumption 3.3V with DC/DC
Parameter Symbol Test Condition Min Typ Max Unit
Current consumption in EM0
Active mode with radio disa-
bled. All peripherals disa-
bled, DCDC in LowNoise
mode
IACTIVE 38.4 MHz crystal, CPU running
while loop from flash.
— 87 — μA/MHz
38 MHz HFRCO, CPU running
Prime from flash
— 63 — μA/MHz
38 MHz HFRCO, CPU running
while loop from flash
— 72 — μA/MHz
38 MHz HFRCO, CPU running
CoreMark from flash
— 78 — μA/MHz
26 MHz HFRCO, CPU running
while loop from flash
— 79 — μA/MHz
Current consumption in EM1
Sleep mode with radio disa-
bled. All peripherals disa-
bled, DCDC in LowPower
mode.
IEM1 38.4 MHz crystal — 39 — μA/MHz
38 MHz HFRCO — 23 — μA/MHz
26 MHz HFRCO — 25 — μA/MHz
1 MHz HFRCO — 142 — μA/MHz
Current consumption in EM2
Deep Sleep mode.
IEM2 Full RAM retention and RTCC
running from LFXO
— 1.4 — μA
4 kB RAM retention and RTCC
running from LFRCO
— 1.4 — μA
Current consumption in EM3
Stop mode
IEM3 Full RAM retention and CRYO-
TIMER running from ULFRCO
— 1.1 — μA
Current consumption in
EM4H Hibernate mode
IEM4 128 byte RAM retention, RTCC
running from LFXO
—0.9 — μA
128 byte RAM retention, CRYO-
TIMER running from ULFRCO
— 0.6 — μA
128 byte RAM retention, no RTCC — 0.6 — μA
Current consumption in
EM4S Shutoff mode
IEM4S no RAM retention, no RTCC — 0.03 — μA
BGM113 Blue Gecko Bluetooth® Smart Module Data Sheet
Electrical Specifications
silabs.com | Smart. Connected. Energy-friendly. Preliminary Rev. 0.93 | 15

4.1.3.4 Current Consumption Using Radio
Table 4.6. Current Consumption Using Radio 3.3 V with DC-DC
Parameter Symbol Test Condition Min Typ Max Unit
Current consumption in re-
ceive mode, active packet
reception (MCU in EM1 @
38.4 MHz, peripheral clocks
disabled)
IRX 1 Mbit/s, 2GFSK, F = 2.4 GHz,
Radio clock prescaled by 4
— 8.7 — mA
Current consumption in
transmit mode (MCU in EM1
@ 38.4 MHz, peripheral
clocks disabled)
ITX CW, 0 dBm, F = 2.4 GHz, Radio
clock prescaled by 3
— 8.8 — mA
CW, 3 dBm, F = 2.4 GHz — 17.6 — mA
RFSENSE current consump-
tion
IRFSENSE — 51 — nA
4.1.4 Wake up times
Table 4.7. Wake up times
Parameter Symbol Test Condition Min Typ Max Unit
Wake up from EM2 Deep
Sleep
tEM2_WU Code execution from flash — 10.7 — μs
Code execution from RAM — 3 — μs
Wakeup time from EM1
Sleep
tEM1_WU Executing from flash — 3 — AHB
Clocks
Executing from RAM — 3 — AHB
Clocks
Wake up from EM3 Stop tEM3_WU Executing from flash — 10.7 — μs
Executing from RAM — 3 — μs
Wake up from EM4H Hiber-
nate 1
tEM4H_WU Executing from flash — 60 — μs
Wake up from EM4S Shut-
off1
tEM4S_WU — 290 — μs
Note:
1. Time from wakeup request until first instruction is executed. Wakeup results in device reset.
BGM113 Blue Gecko Bluetooth® Smart Module Data Sheet
Electrical Specifications
silabs.com | Smart. Connected. Energy-friendly. Preliminary Rev. 0.93 | 16

4.1.5 Brown Out Detector
Table 4.8. Brown Out Detector
Parameter Symbol Test Condition Min Typ Max Unit
DVDDBOD threshold VDVDDBOD DVDD rising — — TBD V
DVDD falling TBD — — V
DVDD BOD hysteresis VDVDDBOD_HYST — 24 — mV
DVDD response time tDVDDBOD_DELAY Supply drops at 0.1V/μs rate — 2.4 — μs
AVDD BOD threshold VAVDDBOD AVDD rising — — 1.85 V
AVDD falling TBD — — V
AVDD BOD hysteresis VAVDDBOD_HYST — 21 — mV
AVDD response time tAVDDBOD_DELAY Supply drops at 0.1V/μs rate — 2.4 — μs
EM4 BOD threshold VEM4DBOD AVDD rising — — TBD V
AVDD falling TBD — — V
EM4 BOD hysteresis VEM4BOD_HYST — 46 — mV
EM4 response time tEM4BOD_DELAY Supply drops at 0.1V/μs rate — 300 — μs
4.1.6 Frequency Synthesizer Characteristics
Table 4.9. Frequency Synthesizer Characteristics
Parameter Symbol Test Condition Min Typ Max Unit
RF Synthesizer Frequency
range
FRANGE_2400 2.4 GHz frequency range 2400 — 2483.5 MHz
LO tuning frequency resolu-
tion with 38.4 MHz crystal
FRES_2400 2400 - 2483.5 MHz — — 73 Hz
Maximum frequency devia-
tion with 38.4 MHz crystal
ΔFMAX_2400 —— 1677 kHz
BGM113 Blue Gecko Bluetooth® Smart Module Data Sheet
Electrical Specifications
silabs.com | Smart. Connected. Energy-friendly. Preliminary Rev. 0.93 | 17

4.1.7 2.4 GHz RF Transceiver Characteristics
4.1.7.1 RF Transmitter Characteristics for Bluetooth Smart in the 2.4 GHz Band
Table 4.10. RF Transmitter Characteristics for Bluetooth Smart in the 2.4GHz Band
Parameter Symbol Test Condition Min Typ Max Unit
Transmit 6dB bandwidth TXBW — 740 — kHz
Power spectral density limit PSDLIMIT Per FCC part 15.247 — -6.5 — dBm/
3kHz
Per ETSI 300.328 at 10 dBm/1
MHz
— 10 — dBm
Occupied channel bandwidth
per ETSI EN300.328
OCPETSI328 99% BW at highest and lowest
channels in band
— 1.1 — MHz
In-band spurious emissions,
with allowed exceptions1
SPURINB At ±2 MHz — -39.8 — dBm
At ±3 MHz — -42.1 — dBm
Emissions of harmonics out-
of-band, per FCC part
15.247
SPURHRM_FCC 2nd,3rd, 5, 6, 8, 9,10 harmonics;
continuous transmission of modu-
lated carrier
— -47.3 — dBm
Spurious emissions out-of-
band, per FCC part 15.247,
excluding harmonics cap-
tured in SPURHARM,FCC. Re-
stricted Bands
SPUROOB_FCC Above 2.483 GHz or below 2.4
GHz; continuous transmission of
modulated carrier2
— -47 — dBm
Spurious emissions out-of-
band, per FCC part 15.247,
excluding harmonics cap-
tured in SPURHARM,FCC.
Non Restricted Bands
Above 2.483 GHz or below 2.4
GHz; continuous transmission of
modulated carrier
— -26 — dBc
Spurious emissions out-of-
band; per ETSI 300.328
SPURETSI328 [2400-BW to 2400] MHz, [2483.5
to 2483.5+BW] MHz
— -16 — dBm
[2400-2BW to 2400-BW] MHz,
[2483.5+BW to 2483.5+2BW]
MHz per ETSI 300.328
— -26 — dBm
Spurious emissions per ETSI
EN300.440
SPURETSI440 47-74 MHz,87.5-108 MHz,
174-230 MHz, 470-862 MHz
— -60 — dBm
25-1000 MHz — -42 — dBm
1-12 GHz — -36 — dBm
Note:
1. Per Bluetooth Core_4.2, Section 3.2.2, exceptions are allowed in up to three bands of 1 MHz width, centered on a frequency
which is an integer multiple of 1 MHz. These exceptions shall have an absolute value of -20 dBm or less.
2. For 2480 Mhz, a maximum duty cycle of 20% is used to achieve this value.
BGM113 Blue Gecko Bluetooth® Smart Module Data Sheet
Electrical Specifications
silabs.com | Smart. Connected. Energy-friendly. Preliminary Rev. 0.93 | 18

4.1.7.2 RF Receiver Characteristics for Bluetooth Smart in the 2.4 GHz Band
Table 4.11. RF Receiver Characteristics for Bluetooth Smart in the 2.4GHz Band
Parameter Symbol Test Condition Min Typ Max Unit
Max usable receiver input
level, 0.1% BER
SAT Signal is reference signal1. Packet
length is 20 bytes.
— 10 — dBm
Sensitivity, 0.1% BER SENS With dirty transmitter as defined in
Core_4.1
— -91.8 — dBm
Signal to co-channel interfer-
er, 0.1% BER
C/ICC Desired signal 3 dB above refer-
ence sensitivity
— 8.3 — dB
N+1 adjacent channel (1
MHz) selectivity, 0.1% BER,
with allowable exceptions.
Desired is reference signal at
-67 dBm
C/I1+ Interferer is reference signal at +1
MHz offset. Desired frequency
2402 MHz ≤ Fc ≤ 2480 MHz
— -3 — dB
N-1 adjacent channel (1
MHz) selectivity, 0.1% BER,
with allowable exceptions.
Desired is reference signal at
-67 dBm
C/I1- Interferer is reference signal at -1
MHz offset. Desired frequency
2402 MHz ≤ Fc ≤ 2480 MHz
— -0.5 — dB
Alternate (2 MHz) selectivity,
0.1% BER, with allowable
exceptions. Desired is refer-
ence signal at -67 dBm
C/I2Interferer is reference signal at ± 2
MHz offset. Desired frequency
2402 MHz ≤ Fc ≤ 2480 MHz
— -43 — dB
Alternate (3 MHz) selectivity,
0.1% BER, with allowable
exceptions. Desired is refer-
ence signal at -67 dBm
C/I3Interferer is reference signal at ±3
MHz offset. Desired frequency
2404 MHz ≤ Fc ≤ 2480 MHz
— -46.7 — dB
Selectivity to image frequen-
cy, 0.1% BER. Desired is ref-
erence signal at -67 dBm
C/IIM Interferer is reference signal at im-
age frequency with 1 MHz preci-
sion
— -38.7 — dB
Selectivity to image frequen-
cy +1 MHz, 0.1% BER. De-
sired is reference signal at
-67 dBm
C/IIM+1 Interferer is reference signal at im-
age frequency +1 MHz with 1
MHz precision
— -48.2 — dB
Blocking, 0.1% BER, Desired
is reference signal at -67
dBm. Interferer is CW in
OOB range.
BLOCKOOB Interferer frequency 30 MHz ≤ f ≤
2000 MHz
—-27 — dBm
Interferer frequency 2003 MHz ≤ f
≤ 2399 MHz
— -32 — dBm
Interferer frequency 2484 MHz ≤ f
≤ 2997 MHz
— -32 — dBm
Interferer frequency 3 GHz ≤ f ≤
12.75 GHz
— -27 — dBm
Intermodulation performance
per Core_4.1, Vol 6 Section
4.4 (n = 3 alternative), 0.1%
BER.
IM Desired is reference signal at 6dB
above reference sensitivity level.
Interferer 1 is CW at level IMBLE.
Interferer 2 is reference signal at
IMBLE.
— -33 — dBm
BGM113 Blue Gecko Bluetooth® Smart Module Data Sheet
Electrical Specifications
silabs.com | Smart. Connected. Energy-friendly. Preliminary Rev. 0.93 | 19

Parameter Symbol Test Condition Min Typ Max Unit
Upper limit of input power
range over which RSSI reso-
lution is maintained
RSSIMAX 4 — — dBm
Lower limit of input power
range over which RSSI reso-
lution is maintained
RSSIMIN — — -101 dBm
RSSI resolution RSSIRES Over RSSIMIN to RSSIMAX — — 0.5 dB
Note:
1. Reference signal is defined 2GFSK at -67 dBm, Modulation index = 0.5, BT = 0.5, Bit rate = 1 Mbps, desired data = PRBS9;
interferer data = PRBS15; frequency accuracy better than 1 ppm
BGM113 Blue Gecko Bluetooth® Smart Module Data Sheet
Electrical Specifications
silabs.com | Smart. Connected. Energy-friendly. Preliminary Rev. 0.93 | 20

4.1.8 Oscillators
4.1.8.1 LFXO
Table 4.12. LFXO
Parameter Symbol Test Condition Min Typ Max Unit
Crystal frequency fLFXO — 32.768 — kHz
Current consumption after
startup
ILFXO GAIN1, AGC1— 273 — nA
Start- up time tLFXO GAIN1— 308 — ms
Note:
1. In CMU_LFXOCTRL register
4.1.8.2 HFXO
Table 4.13. HFXO
Parameter Symbol Test Condition Min Typ Max Unit
Crystal Frequency fHFXO 38.4 MHz
Startup time tHFXO 38.4 MHz: BOOST1 = 2 — 300 — μs
Frequency Tolerance for the
crystal
FTHFXO 38.4 MHz -25 — 25 ppm
Note:
1. In CMU_HFXOCTRL register
4.1.8.3 LFRCO
Table 4.14. LFRCO
Parameter Symbol Test Condition Min Typ Max Unit
Oscillation frequency fLFRCO ENVREF = 1 in
CMU_LFRCOCTRL
TBD 32.768 TBD kHz
ENVREF = 0 in
CMU_LFRCOCTRL
TBD 32.768 TBD kHz
Startup time tLFRCO — 500 — μs
Current consumption 1ILFRCO ENVREF = 1 in
CMU_LFRCOCTRL
— 342 — nA
ENVREF = 0 in
CMU_LFRCOCTRL
— 494 — nA
Note:
1. Block is supplied by AVDD if ANASW = 0, or DVDD if ANASW=1 in EMU_PWRCTRL register
BGM113 Blue Gecko Bluetooth® Smart Module Data Sheet
Electrical Specifications
silabs.com | Smart. Connected. Energy-friendly. Preliminary Rev. 0.93 | 21

4.1.8.4 HFRCO and AUXHFRCO
Table 4.15. HFRCO and AUXHFRCO
Parameter Symbol Test Condition Min Typ Max Unit
Oscillation frequency fHFRCO 38 MHz frequency band TBD 38 TBD MHz
32 MHz frequency band TBD 32 TBD MHz
26 MHz frequency band TBD 26 TBD MHz
19 MHz frequency band TBD 19 TBD MHz
16 MHz frequency band TBD 16 TBD MHz
13 MHz frequency band TBD 13 TBD MHz
7 MHz frequency band TBD 7 TBD MHz
4 MHz frequency band TBD 4 TBD MHz
2 MHz frequency band TBD 2 TBD MHz
1 MHz frequency band TBD 1 TBD MHz
Start-up time tHFRCO fHFRCO ≥ 19 MHz — 300 — ns
4 < fHFRCO < 19 MHz — 1 — μs
fHFRCO ≤ 4 MHz — 2.5 — μs
Current consumption on
DVDD
IHFRCODIG fHFRCO = 38 MHz — 43 — μA
fHFRCO = 32 MHz — 37 — μA
fHFRCO = 26 MHz — 31 — μA
fHFRCO = 19 MHz — 25 TBD μA
fHFRCO = 16 MHz — 22 — μA
fHFRCO = 13 MHz — 19 — μA
fHFRCO = 7 MHz — 12 — μA
fHFRCO = 4 MHz — 10 — μA
fHFRCO = 2 MHz — 8 — μA
fHFRCO = 1 MHz — 7 — μA
Current consumption on
AVDD 1
IHFRCOANA fHFRCO = 38 MHz — 161 — μA
fHFRCO = 32 MHz — 134 — μA
fHFRCO = 26 MHz — 116 — μA
fHFRCO = 19 MHz — 101 TBD μA
fHFRCO = 16 MHz — 88 — μA
fHFRCO = 13 MHz — 81 — μA
fHFRCO = 7 MHz — 69 — μA
fHFRCO = 4 MHz — 23 — μA
fHFRCO = 2 MHz — 23 — μA
fHFRCO = 1 MHz — 23 — μA
BGM113 Blue Gecko Bluetooth® Smart Module Data Sheet
Electrical Specifications
silabs.com | Smart. Connected. Energy-friendly. Preliminary Rev. 0.93 | 22

Parameter Symbol Test Condition Min Typ Max Unit
Step size SSHFRCO Coarse (% of period) — 0.8 — %
Fine (% of period) — 0.1 — %
Period Jitter PJHFRCO — 0.2 — % RMS
Note:
1. Current consumption on DVDD instead if ANASW=1 in EMU_PWRCTRL register
4.1.8.5 ULFRCO
Table 4.16. ULFRCO
Parameter Symbol Test Condition Min Typ Max Unit
Oscillation frequency fULFRCO TBD 1 TBD kHz
4.1.9 Flash Memory Characteristics
Table 4.17. Flash Memory Characteristics1
Parameter Symbol Test Condition Min Typ Max Unit
Flash erase cycles before
failure
ECFLASH 10000 — — cycles
Flash data retention RETFLASH TAMB<85°C 10 — — years
Word (32-bit) programming
time
tW_PROG 20 26 40 μs
Page erase time tPERASE 20 27 40 ms
Mass erase time tMERASE 20 27 40 ms
Device erase time2tDERASE — 60 TBD ms
Page erase current3IERASE — — 3 mA
Mass or Device erase cur-
rent3
— — 5 mA
Write current3IWRITE — — 3 mA
Note:
1. Flash data retention information is published in the Quarterly Quality and Reliability Report.
2. Device erase is issued over the AAP interface and erases all flash, SRAM, the Lock Bit (LB) page, and the User data page Lock
Word (ULW)
3. Measured at 25°C
BGM113 Blue Gecko Bluetooth® Smart Module Data Sheet
Electrical Specifications
silabs.com | Smart. Connected. Energy-friendly. Preliminary Rev. 0.93 | 23

4.1.10 GPIO
Table 4.18. GPIO
Parameter Symbol Test Condition Min Typ Max Unit
Input low voltage VIOIL — — IOVDD*0.3 V
Input high voltage VIOIH IOVDD*0.7 — — V
Output high voltage relative
to IOVDD
VIOOH Sourcing 3 mA, VDD ≥ 3 V,
DRIVESTRENGTH1 = WEAK
IOVDD*0.8 — — V
Sourcing 1.2 mA, VDD ≥ 1.62 V,
DRIVESTRENGTH1 = WEAK
IOVDD*0.6 — — V
Sourcing 20 mA, VDD ≥ 3 V,
DRIVESTRENGTH1 = STRONG
IOVDD*0.8 — — V
Sourcing 8 mA, VDD ≥ 1.62 V,
DRIVESTRENGTH1 = STRONG
IOVDD*0.6 — — V
Output low voltage relative to
IOVDD
VIOOL Sinking 3 mA, VDD ≥ 3 V,
DRIVESTRENGTH1 = WEAK
— — IOVDD*0.2 V
Sinking 1.2 mA, VDD ≥ 1.62 V,
DRIVESTRENGTH1 = WEAK
— — IOVDD*0.4 V
Sinking 20 mA, VDD ≥ 3 V,
DRIVESTRENGTH1 = STRONG
— — IOVDD*0.2 V
Sinking 8 mA, VDD ≥ 1.62 V,
DRIVESTRENGTH1 = STRONG
— — IOVDD*0.4 V
Input leakage current IIOLEAK GPIO ≤ IOVDD — 0.1 TBD nA
Input leakage current on
5VTOL pads above IOVDD
I5VTOLLEAK IOVDD < GPIO ≤ IOVDD + 2 V — 3.3 15 μA
I/O pin pull-up resistor RPU TBD 43 TBD kΩ
I/O pin pull-down resistor RPD TBD 43 TBD kΩ
Pulse width of pulses re-
moved by the glitch suppres-
sion filter
tIOGLITCH TBD 25 TBD ns
Output fall time, From 70%
to 30% of VIO
tIOOF CL = 50 pF,
DRIVESTRENGTH1 = STRONG,
SLEWRATE1 = 0x6
— 1.8 — ns
CL = 50 pF,
DRIVESTRENGTH1 = WEAK,
SLEWRATE1 = 0x6
— 4.5 — ns
BGM113 Blue Gecko Bluetooth® Smart Module Data Sheet
Electrical Specifications
silabs.com | Smart. Connected. Energy-friendly. Preliminary Rev. 0.93 | 24

Parameter Symbol Test Condition Min Typ Max Unit
Output rise time, From 30%
to 70% of VIO
tIOOR CL = 50 pF,
DRIVESTRENGTH1 = STRONG,
SLEWRATE = 0x61
— 2.2 — ns
CL = 50 pF,
DRIVESTRENGTH1 = WEAK,
SLEWRATE1 = 0x6
— 7.4 — ns
Note:
1. In GPIO_Pn_CTRL register
4.1.11 VMON
Table 4.19. VMON
Parameter Symbol Test Condition Min Typ Max Unit
VMON Supply Current IVMON In EM0 or EM1, 1 supply moni-
tored
— 5.8 — μA
In EM0 or EM1, 4 supplies moni-
tored
— 11.8 — μA
In EM2, EM3 or EM4, 1 supply
monitored
— 62 — nA
In EM2, EM3 or EM4, 4 supplies
monitored
— 99 — nA
VMON Loading of Monitored
Supply
ISENSE In EM0 or EM1 — 2 — μA
In EM2, EM3 or EM4 — 2 — nA
Threshold range VVMON_RANGE TBD — TBD V
Threshold step size NVMON_STESP Coarse — 200 — mV
Fine — 20 — mV
Response time tVMON_RES Supply drops at 1V/μs rate — 460 — ns
Hysteresis VVMON_HYST — 26 — mV
BGM113 Blue Gecko Bluetooth® Smart Module Data Sheet
Electrical Specifications
silabs.com | Smart. Connected. Energy-friendly. Preliminary Rev. 0.93 | 25

4.1.12 ADC
Table 4.20. ADC
Parameter Symbol Test Condition Min Typ Max Unit
Resolution VRESOLUTION 6 — 12 Bits
Input voltage range VADCIN Single ended 0 — 2*VREF V
Differential -VREF — VREF V
Input range of external refer-
ence voltage, single ended
and differential
VADCREFIN_P 1 — VAVDD V
Power supply rejection1PSRRADC At DC — 80 — dB
Analog input common mode
rejection ratio
CMRRADC At DC — 80 — dB
Current on DVDD, using in-
ternal reference buffer. Con-
tinous operation. WARMUP-
MODE2 = KEEPADCWARM
IADCDIG_CONTI-
NOUS
1 Msps / 16 MHz ADCCLK,
BIASPROG3 = 0
— 40 — μA
250 ksps / 4 MHz ADCCLK, BIA-
SPROG3 = 6
— 15 — μA
62.5 ksps / 1 MHz ADCCLK,
BIASPROG3 = 15
— 9 — μA
Current on DVDD, using in-
ternal reference buffer. Duty-
cycled operation. WARMUP-
MODE2 = NORMAL
IADCDIG_NORMAL 35 ksps / 16 MHz ADCCLK,
BIASPROG3 = 0
—40 — μA
5 ksps / 16 MHz ADCCLK
BIASPROG3 = 0
— 5 — μA
Current on DVDD, using in-
ternal reference buffer. Duty-
cycled operation. AWAR-
MUPMODE2 = KEEPIN-
STANDBY or KEEPINSLO-
WACC
IADCDIG_STAND-
BY
125 ksps / 16 MHz ADCCLK,
BIASPROG3 = 0
— 12 — μA
35 ksps / 16 MHz ADCCLK,
BIASPROG3 = 0
— 6 — μA
Current on AVDD4, using in-
ternal reference buffer. Con-
tinous operation. WARMUP-
MODE2 = KEEPADCWARM
IADCANA_CONTI-
NOUS
1 Msps / 16 MHz ADCCLK,
BIASPROG3 = 0
— 286 — μA
250 ksps / 4 MHz ADCCLK, BIA-
SPROG3 = 6
— 155 — μA
62.5 ksps / 1 MHz ADCCLK,
BIASPROG3 = 15
— 102 — μA
Current on AVDD4 , using in-
ternal reference buffer. Duty-
cycled operation. WARMUP-
MODE2 = NORMAL
IADCANA_NORMAL 35 ksps / 16 MHz ADCCLK,
BIASPROG3 = 0
— 35 — μA
5 ksps / 16 MHz ADCCLK,
BIASPROG3 = 0
— 5 — μA
BGM113 Blue Gecko Bluetooth® Smart Module Data Sheet
Electrical Specifications
silabs.com | Smart. Connected. Energy-friendly. Preliminary Rev. 0.93 | 26

Parameter Symbol Test Condition Min Typ Max Unit
Current on AVDD4, using in-
ternal reference buffer. Duty-
cycled operation. WARMUP-
MODE2 = KEEPINSTANDBY
or KEEPINSLOWACC
IADCANA_STAND-
BY
125 ksps / 16 MHz ADCCLK,
BIASPROG3 = 0
—110 — μA
35 ksps / 16 MHz ADCCLK,
BIASPROG3 = 0
— 80 — μA
ADC Clock Frequency fADCCLK — — 16 MHz
Throughput rate fADCRATE — — 1 Msps
Conversion time5tADCCONV 6 bit — 7 — cycles
8 bit — 9 — cycles
12 bit — 13 — cycles
Startup time of reference
generator and ADC core in
NORMAL mode
tADCSTART WARMUPMODE2 = NORMAL — — 5 μs
From standby mode WARMUPMODE2 = KEEPIN-
STANDBY or KEEPINSLOWACC
— — 1 μs
SNDR at 1Msps and fin =
10kHz
SNDRADC Internal reference, 2.5 V full-scale,
differential (-1.25, 1.25)
TBD 67 — dB
vrefp_in = 1.25 V direct mode with
2.5 V full-scale, differential
— 68 — dB
Spurious-Free Dynamic
Range (SFDR)
SFDRADC 1 MSamples/s, 10 kHz full-scale
sine wave
— 75 — dB
Input referred ADC noise,
rms
VREF_NOISE Including quantization noise and
distortion
— 380 — μV
Offset Error VADCOFFSETERR TBD 1 TBD LSB
Gain error in ADC VADC_GAIN Using internal reference — -0.2 TBD %
Using external reference — -1 — %
Differential non-linearity
(DNL)
DNLADC 12 bit resolution -1 — TBD LSB
Integral non-linearity (INL),
End point method
INLADC 12 bit resolution TBD — TBD LSB
Temperature Sensor Slope VTS_SLOPE — -1.84 — mV/°C
Note:
1. PSRR is referenced to AVDD when ANASW=0 and to DVDD when ANASW=1 in EMU_PWRCTRL
2. In ADCn_CNTL register
3. In ADCn_BIASPROG register
4. Current consumption on DVDD instead if ANASW=1 in EMU_PWRCTRL register
5. Derived from ADCCLK
BGM113 Blue Gecko Bluetooth® Smart Module Data Sheet
Electrical Specifications
silabs.com | Smart. Connected. Energy-friendly. Preliminary Rev. 0.93 | 27

4.1.13 IDAC
Table 4.21. IDAC
Parameter Symbol Test Condition Min Typ Max Unit
Number of Ranges NIDAC_RANGES — 4 — -
Output Current IIDAC_OUT RANGSEL1 = RANGE0 0.05 — 1.6 μA
RANGSEL1 = RANGE1 1.6 — 4.7 μA
RANGSEL1 = RANGE2 0.5 — 16 μA
RANGSEL1 = RANGE3 2 — 64 μA
Linear steps within each
range
NIDAC_STEPS — 32 —
Step size SSIDAC RANGSEL1 = RANGE0 — 50 — nA
RANGSEL1 = RANGE1 — 100 — nA
RANGSEL1 = RANGE2 — 500 — nA
RANGSEL1 = RANGE3 — 2 — μA
Total Accuracy, STEPSEL1 =
0x10
ACCIDAC EM0 or EM1, AVDD=3.3 V, T = 25
°C
TBD — TBD %
EM0 or EM1 TBD — TBD %
EM2 or EM3 TBD — TBD %
Start up time tIDAC_SU Output within 1% of steady state
value
— 5 — μs
Settling time, (output settled
within 1% of steady state val-
ue)
tIDAC_SETTLE Range setting is changed — 5 — μs
Step value is changed — 1 — μs
Current consumption in EM0
or EM1 2
IIDAC Source mode, excluding output
current
— 8.9 — μA
Sink mode, excluding output cur-
rent
— 12 — μA
Output voltage compliance in
source mode, source current
change relative to current
sourced at 0 V
ICOMP_SRC RANGESEL1=0, output voltage =
min(VIOVDD, VAVDD2-100 mv)
— 0.16 — %
RANGESEL1=1, output voltage =
min(VIOVDD, VAVDD2-100 mV)
— 0.08 — %
RANGESEL1=2, output voltage =
min(VIOVDD, VAVDD2-150 mV)
—0.03 — %
RANGESEL1=3, output voltage =
min(VIOVDD, VAVDD2-250 mV)
—0.03 — %
BGM113 Blue Gecko Bluetooth® Smart Module Data Sheet
Electrical Specifications
silabs.com | Smart. Connected. Energy-friendly. Preliminary Rev. 0.93 | 28

Parameter Symbol Test Condition Min Typ Max Unit
Output voltage compliance in
sink mode, sink current
change relative to current
sunk at IOVDD
ICOMP_SINK RANGESEL1=0, output voltage =
100 mV
— 0.82 — %
RANGESEL1=1, output voltage =
100 mV
— 0.65 — %
RANGESEL1=2, output voltage =
150 mV
— 0.4 — %
RANGESEL1=3, output voltage =
250 mV
— 0.25 — %
Note:
1. In IDAC_CURPROG register
2. The IDAC is supplied by either AVDD, DVDD, or IOVDD based on the setting of ANASW in the EMU_PWRCTRL register and
PWRSEL in the IDAC_CTRL register. Setting PWRSEL to 1 selects IOVDD. With PWRSEL cleared to 0, ANASW selects be-
tween AVDD (0) and DVDD (1).
BGM113 Blue Gecko Bluetooth® Smart Module Data Sheet
Electrical Specifications
silabs.com | Smart. Connected. Energy-friendly. Preliminary Rev. 0.93 | 29

4.1.14 Analog Comparator (ACMP)
Table 4.22. ACMP
Parameter Symbol Test Condition Min Typ Max Unit
Input voltage range VACMPIN CMPVDD =
ACMPn_CTRL_PWRSEL 1
0 — CMPVDD V
Active current not including
voltage reference
IACMP BIASPROG2 = 1, FULLBIAS2 = 0 — 50 — nA
BIASPROG2 = 0x10, FULLBIAS2
= 0
— 306 — nA
BIASPROG2 = 0x20, FULLBIAS2
= 1
— 74 TBD μA
Current consumption of inter-
nal voltage reference,
IACMPREF VLP selected as input using 2.5 V
Reference / 4 (0.625 V)
— 50 — nA
VLP selected as input using VDD — 20 — nA
VBDIV selected as input using
1.25 V reference / 1
— 4.1 — μA
VADIV selected as input using
VDD/1
— 2.4 — μA
Hysteresis VACMPHYST HYSTSEL3 = HYST0 — 0 TBD mV
HYSTSEL3 = HYST1 — 12 — mV
HYSTSEL3 = HYST2 — 22 — mV
HYSTSEL3 = HYST3 — 30 — mV
HYSTSEL3 = HYST4 — 36 — mV
HYSTSEL3 = HYST5 — 41 — mV
HYSTSEL3 = HYST6 — 47 — mV
HYSTSEL3 = HYST7 — 52 — mV
Comparator delay tACMPDELAY BIASPROG2 = 1, FULLBIAS2 = 0
4
— 30 — μs
BIASPROG2 = 0x10, FULLBIAS2
= 0 4
— 3.7 — μs
BIASPROG2 = 0x20, FULLBIAS2
= 1 4
— 35 — ns
Offset voltage VACMPOFFSET BIASPROG2 =0x20, FULLBIAS2
= 1 4
— — TBD mV
Reference Voltage VACMPREF Internal 1.25 V reference TBD 1.25 TBD V
Internal 2.5 V reference TBD 2.5 TBD V
BGM113 Blue Gecko Bluetooth® Smart Module Data Sheet
Electrical Specifications
silabs.com | Smart. Connected. Energy-friendly. Preliminary Rev. 0.93 | 30

Parameter Symbol Test Condition Min Typ Max Unit
Capacitive Sense Internal
Resistance
RCSRES CSRESSEL5 = 0 — inf — kΩ
CSRESSEL5 = 1 — 15 — kΩ
CSRESSEL5 = 2 — 27 — kΩ
CSRESSEL5 = 3 — 39 — kΩ
CSRESSEL5 = 4 — 51 — kΩ
CSRESSEL5 = 5 — 102 — kΩ
CSRESSEL5 = 6 — 164 — kΩ
CSRESSEL5 = 7 — 239 — kΩ
Note:
1. CMPVDD is a supply chosen by the setting in ACMPn_CTRL_PWRSEL and may be IOVDD, AVDD or DVDD
2. In ACMPn_CTRL register
3. In ACMPn_HYSTERESIS register
4. ± 100 mV differential
5. In ACMPn_INPUTSEL register
The total ACMP current is the sum of the contributions from the ACMP and its internal voltage reference as given as:
IACMPTOTAL = IACMP + IACMPREF
IACMPREF is zero if an external voltage reference is used.
BGM113 Blue Gecko Bluetooth® Smart Module Data Sheet
Electrical Specifications
silabs.com | Smart. Connected. Energy-friendly. Preliminary Rev. 0.93 | 31

4.1.15 I2C
I2C Standard-mode (Sm)
Table 4.23. I2C Standard-mode (Sm)1
Parameter Symbol Test Condition Min Typ Max Unit
SCL clock frequency2fSCL 0 — 100 kHz
SCL clock low time tLOW 4.7 — — μs
SCL clock high time tHIGH 4 — — μs
SDA set-up time tSU,DAT 250 — — ns
SDA hold time3tHD,DAT 100 — 3450 ns
Repeated START condition
set-up time
tSU,STA 4.7 — — μs
(Repeated) START condition
hold time
tHD,STA 4 — — μs
STOP condition set-up time tSU,STO 4 — — μs
Bus free time between a
STOP and START condition
tBUF 4.7 — — μs
Note:
1. For CLHR set to 0 in the I2Cn_CTRL register
2. For the minimum HFPERCLK frequency required in Standard-mode, refer to the I2C chapter in the reference manual
3. The maximum SDA hold time (tHD,DAT) needs to be met only when the device does not stretch the low time of SCL (tLOW)
BGM113 Blue Gecko Bluetooth® Smart Module Data Sheet
Electrical Specifications
silabs.com | Smart. Connected. Energy-friendly. Preliminary Rev. 0.93 | 32

I2C Fast-mode (Fm)
Table 4.24. I2C Fast-mode (Fm)1
Parameter Symbol Test Condition Min Typ Max Unit
SCL clock frequency2fSCL 0 — 400 kHz
SCL clock low time tLOW 1.3 — — μs
SCL clock high time tHIGH 0.6 — — μs
SDA set-up time tSU,DAT 100 — — ns
SDA hold time3tHD,DAT 100 — 900 ns
Repeated START condition
set-up time
tSU,STA 0.6 — — μs
(Repeated) START condition
hold time
tHD,STA 0.6 — — μs
STOP condition set-up time tSU,STO 0.6 — — μs
Bus free time between a
STOP and START condition
tBUF 1.3 — — μs
Note:
1. For CLHR set to 1 in the I2Cn_CTRL register
2. For the minimum HFPERCLK frequency required in Fast-mode, refer to the I2C chapter in the reference manual
3. The maximum SDA hold time (tHD,DAT) needs to be met only when the device does not stretch the low time of SCL (tLOW)
I2C Fast-mode Plus (Fm+)
Table 4.25. I2C Fast-mode Plus (Fm+)1
Parameter Symbol Test Condition Min Typ Max Unit
SCL clock frequency2fSCL 0 — 1000 kHz
SCL clock low time tLOW 0.5 — — μs
SCL clock high time tHIGH 0.26 — — μs
SDA set-up time tSU,DAT 50 — — ns
SDA hold time tHD,DAT 100 — — ns
Repeated START condition
set-up time
tSU,STA 0.26 — — μs
(Repeated) START condition
hold time
tHD,STA 0.26 — — μs
STOP condition set-up time tSU,STO 0.26 — — μs
Bus free time between a
STOP and START condition
tBUF 0.5 — — μs
Note:
1. For CLHR set to 0 or 1 in the I2Cn_CTRL register
2. For the minimum HFPERCLK frequency required in Fast-mode Plus, refer to the I2C chapter in the reference manual
BGM113 Blue Gecko Bluetooth® Smart Module Data Sheet
Electrical Specifications
silabs.com | Smart. Connected. Energy-friendly. Preliminary Rev. 0.93 | 33

4.1.16 USART SPI
SPI Master Timing
Table 4.26. SPI Master Timing
Parameter Symbol Test Condition Min Typ Max Unit
SCLK period 1, 2 tSCLK 2 *
tHFPERCLK
— — ns
CS to MOSI 1, 2 tCS_MO 0 — 8 ns
SCLK to MOSI 1, 2 tSCLK_MO 3 — 20 ns
MISO setup time 1, 2 tSU_MI IOVDD = 1.98 V 56 — — ns
IOVDD = 3.0 V 37 — — ns
MISO hold time 1, 2tH_MI 6 — — ns
Note:
1. Applies for both CLKPHA = 0 and CLKPHA = 1 (figure only shows CLKPHA = 0)
2. Measurement done with 8 pF output loading at 10% and 90% of VDD (figure shows 50% of VDD)
CS
SCLK
CLKPOL = 0
MOSI
MISO
tCS_MO
tH_MI
tSU_MI
tSCKL_MO
tSCLK
SCLK
CLKPOL = 1
Figure 4.1. SPI Master Timing Diagram
BGM113 Blue Gecko Bluetooth® Smart Module Data Sheet
Electrical Specifications
silabs.com | Smart. Connected. Energy-friendly. Preliminary Rev. 0.93 | 34

SPI Slave Timing
Table 4.27. SPI Slave Timing
Parameter Symbol Test Condition Min Typ Max Unit
SCKL period 1, 2 tSCLK_sl 2 *
tHFPERCLK
— — ns
SCLK high period1, 2 tSCLK_hi 3 *
tHFPERCLK
— — ns
SCLK low period 1, 2 tSCLK_lo 3 *
tHFPERCLK
—— ns
CS active to MISO 1, 2 tCS_ACT_MI 4 — 50 ns
CS disable to MISO 1, 2 tCS_DIS_MI 4 — 50 ns
MOSI setup time 1, 2 tSU_MO 4 — — ns
MOSI hold time 1, 2 tH_MO 3 + 2 *
tHFPERCLK
— — ns
SCLK to MISO 1, 2 tSCLK_MI 16 +
tHFPERCLK
— 66 + 2 *
tHFPERCLK
ns
Note:
1. Applies for both CLKPHA = 0 and CLKPHA = 1 (figure only shows CLKPHA = 0)
2. Measurement done with 8 pF output loading at 10% and 90% of VDD (figure shows 50% of VDD)
CS
SCLK
CLKPOL = 0
MOSI
MISO
tCS_ACT_MI
tSCLK_HI
tSCLK
tSU_MO
tH_MO
tSCLK_MI
tCS_DIS_MI
tSCLK_LO
SCLK
CLKPOL = 1
Figure 4.2. SPI Slave Timing Diagram
BGM113 Blue Gecko Bluetooth® Smart Module Data Sheet
Electrical Specifications
silabs.com | Smart. Connected. Energy-friendly. Preliminary Rev. 0.93 | 35

4.2 Typical Performance Curves
Default test conditions: CCM mode, LDCDC = 4.7 μH, CDCDC = 1.0 μF, VDCDC_I = 3.3 V, VDCDC_O = 1.8 V, FDCDC_LN = 8 MHz
Load Step Response in LN (CCM) mode (Heavy Drive)
1mA
100μs/div
VSW
LN (CCM) and LP mode transition (load: 5mA)
VDD,V
Ron,Ohm
Ron VS supply voltage in bypass mode
2 2.5 3 3.5 4
0.5
1
1.5
2
SW _ PFET _ EN 0
SW _ PFET _ EN 1
Load,mA
Eff,%
Efficiency VS Load Current, LN mode
100101102
40
50
60
70
80
90
100
Heavy Drive
Medium Drive
Light Drive
10-3 10-2 10-1 100101
40
50
60
70
80
90
100
Load,mA
Eff,%
Efficiency VS Load current, LP mode
LP _ CMP _ BIAS 3
LP _ CMP _ BIAS 2
LP _ CMP _ BIAS 1
LP _ CMP _ BIAS 0
Load,mA
Relative output droop,mV
Relative output droop VS Load current, LP mode
10-3 10-2 10-1 100101
-30
-25
-20
-15
-10
-5
0
5
10
LP _ CMP _ BIAS 3
LP _ CMP _ BIAS 2
LP _ CMP _ BIAS 1
LP _ CMP _ BIAS 0
10μs/div
ILOAD
DVDD
60mV/div
offset:1.8V
2V/div
offset:1.8V
DVDD
50mV/div
offset:1.8V
100mA
Figure 4.3. DC-DC Converter Typical Performance Characteristics
BGM113 Blue Gecko Bluetooth® Smart Module Data Sheet
Electrical Specifications
silabs.com | Smart. Connected. Energy-friendly. Preliminary Rev. 0.93 | 36

5. Typical Connection Diagrams
5.1 Power, Ground, Debug and UART
Typical power supply, ground and MCU debug and UART connections are shown in the figure below.
5.2 SPI and I2C Peripheral Connections
The figure below shows how to connect a SPI or I2C peripherals.
BGM113 Blue Gecko Bluetooth® Smart Module Data Sheet
Typical Connection Diagrams
silabs.com | Smart. Connected. Energy-friendly. Preliminary Rev. 0.93 | 37

6. Layout Guidelines
6.1 Layout Guidelines
For optimal performance of the BGM113 Module, please follow these guidelines:
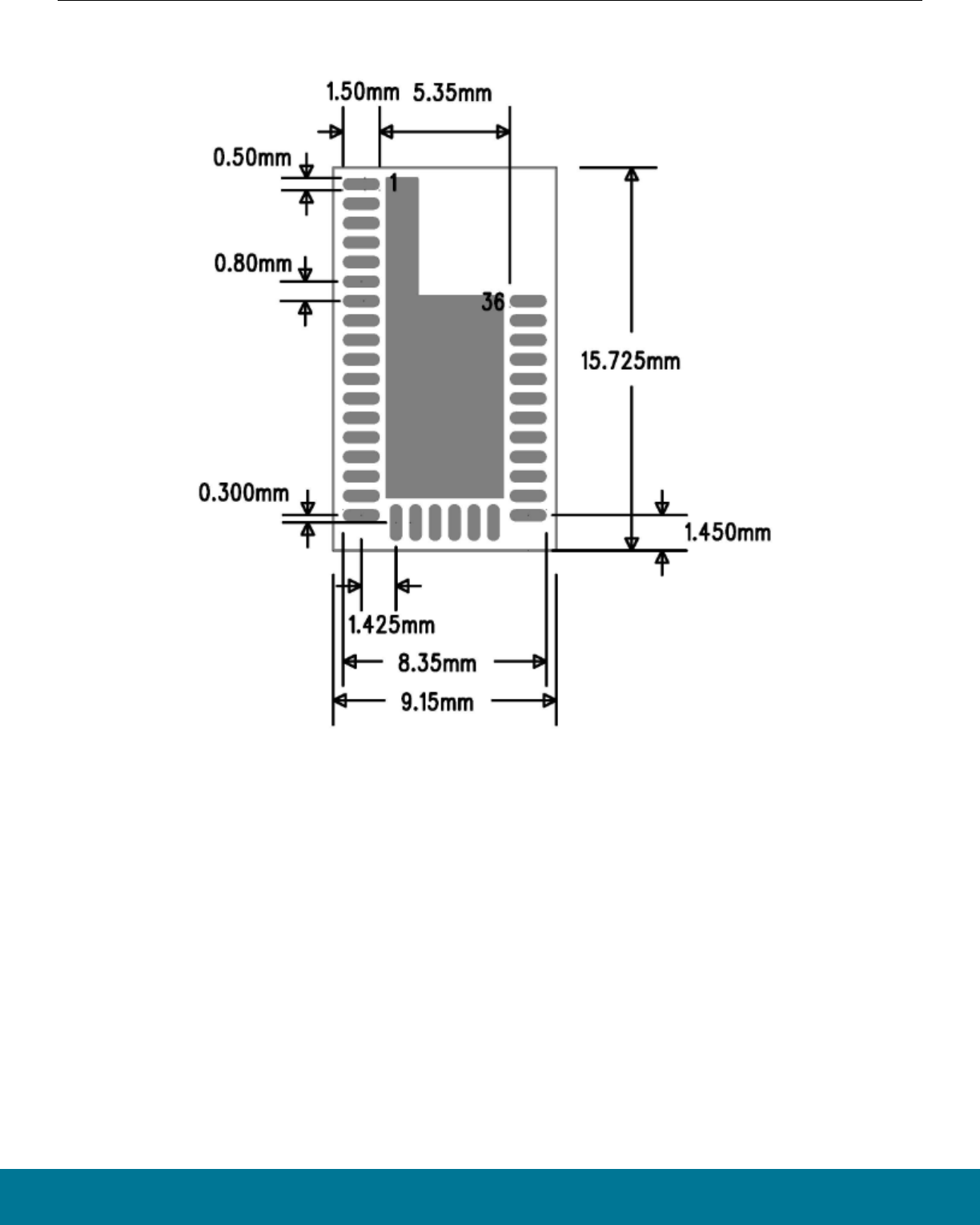
• Place the module at the edge of the PCB, as shown in the figure below.
• Do not place any metal (traces, components, battery, etc.) within the clearance area of the antenna (shown in the figure below as a
white rectangle between the pad rows).
• Connect all ground pads directly to a solid ground plane.
• Place the ground vias as close to the ground pads as possible.
• Do not place plastic or any other dielectric material in touch with the antenna.
Figure 6.1. Recommended Layout for BGM113 Module
BGM113 Blue Gecko Bluetooth® Smart Module Data Sheet
Layout Guidelines
silabs.com | Smart. Connected. Energy-friendly. Preliminary Rev. 0.93 | 38

The layouts shown in the figure below will result in severely degraded RF-performance.
Figure 6.2. Non-optimal PCB Layouts for BGM113 Module
6.2 Effect of Plastic and Metal Materials
The antenna on BGM113 is fairly robust to the proximity of plastic and other low dielectric constant materials, but placing plastic or any
other dielectric material in direct contact with the antenna should be avoided. A minimum separation of 5 mm should be maintained
between a plastic material and the antenna on the top side and end of the module to prevent dielectric loading of the antenna, but
materials can be placed against the bottom of the application PCB. The PCB thickness should be 1 - 2 mm.
Any metallic objects in close proximity to the antenna will prevent the antenna from radiating freely. The minimum recommended dis-
tance of metallic and/or conductive objects is 10 mm in any direction from the antenna except in the directions of the application PCB
ground planes.
BGM113 Blue Gecko Bluetooth® Smart Module Data Sheet
Layout Guidelines
silabs.com | Smart. Connected. Energy-friendly. Preliminary Rev. 0.93 | 39

7. Pin Definitions
7.1 BGM113 Definition
Figure 7.1. BGM113 Pinout
BGM113 Blue Gecko Bluetooth® Smart Module Data Sheet
Pin Definitions
silabs.com | Smart. Connected. Energy-friendly. Preliminary Rev. 0.93 | 40

Table 7.1. Device Pinout
Pin# and Name Pin Alternate Functionality / Description
Pin
#Pin Name Analog Timers Communication Radio Other
1-7,
18,
25,
36
GND Ground
10 PF0
BUSAX [ADC0:
APORT1XCH16
ACMP0:
APORT1XCH16
ACMP1:
APORT1XCH16]
BUSBY [ADC0:
APORT2YCH16
ACMP0:
APORT2YCH16
ACMP1:
APORT2YCH16]
TIM0_CC0 #24
TIM0_CC1 #23
TIM0_CC2 #22
TIM0_CDTI0 #21
TIM0_CDTI1 #20
TIM0_CDTI2 #19
TIM1_CC0 #24
TIM1_CC1 #23
TIM1_CC2 #22
TIM1_CC3 #21 LE-
TIM0_OUT0 #24
LETIM0_OUT1 #23
PCNT0_S0IN #24
PCNT0_S1IN #23
US0_TX #24
US0_RX #23
US0_CLK #22
US0_CS #21
US0_CTS #20
US0_RTS #19
US1_TX #24
US1_RX #23
US1_CLK #22
US1_CS #21
US1_CTS #20
US1_RTS #19
LEU0_TX #24
LEU0_RX #23
I2C0_SDA #24
I2C0_SCL #23
FRC_DCLK #24
FRC_DOUT #23
FRC_DFRAME #22
MODEM_DCLK #24
MODEM_DIN #23
MODEM_DOUT #22
MODEM_ANT0 #21
MODEM_ANT1 #20
PRS_CH0 #0
PRS_CH1 #7
PRS_CH2 #6
PRS_CH3 #5
ACMP0_O #24
ACMP1_O #24
DBG_SWCLKTCK
#0
9 PF1
BUSAY [ADC0:
APORT1YCH17
ACMP0:
APORT1YCH17
ACMP1:
APORT1YCH17]
BUSBX [ADC0:
APORT2XCH17
ACMP0:
APORT2XCH17
ACMP1:
APORT2XCH17]
TIM0_CC0 #25
TIM0_CC1 #24
TIM0_CC2 #23
TIM0_CDTI0 #22
TIM0_CDTI1 #21
TIM0_CDTI2 #20
TIM1_CC0 #25
TIM1_CC1 #24
TIM1_CC2 #23
TIM1_CC3 #22 LE-
TIM0_OUT0 #25
LETIM0_OUT1 #24
PCNT0_S0IN #25
PCNT0_S1IN #24
US0_TX #25
US0_RX #24
US0_CLK #23
US0_CS #22
US0_CTS #21
US0_RTS #20
US1_TX #25
US1_RX #24
US1_CLK #23
US1_CS #22
US1_CTS #21
US1_RTS #20
LEU0_TX #25
LEU0_RX #24
I2C0_SDA #25
I2C0_SCL #24
FRC_DCLK #25
FRC_DOUT #24
FRC_DFRAME #23
MODEM_DCLK #25
MODEM_DIN #24
MODEM_DOUT #23
MODEM_ANT0 #22
MODEM_ANT1 #21
PRS_CH0 #1
PRS_CH1 #0
PRS_CH2 #7
PRS_CH3 #6
ACMP0_O #25
ACMP1_O #25
DBG_SWDIOTMS
#0
19,
30 PF2
BUSAX [ADC0:
APORT1XCH18
ACMP0:
APORT1XCH18
ACMP1:
APORT1XCH18]
BUSBY [ADC0:
APORT2YCH18
ACMP0:
APORT2YCH18
ACMP1:
APORT2YCH18]
TIM0_CC0 #26
TIM0_CC1 #25
TIM0_CC2 #24
TIM0_CDTI0 #23
TIM0_CDTI1 #22
TIM0_CDTI2 #21
TIM1_CC0 #26
TIM1_CC1 #25
TIM1_CC2 #24
TIM1_CC3 #23 LE-
TIM0_OUT0 #26
LETIM0_OUT1 #25
PCNT0_S0IN #26
PCNT0_S1IN #25
US0_TX #26
US0_RX #25
US0_CLK #24
US0_CS #23
US0_CTS #22
US0_RTS #21
US1_TX #26
US1_RX #25
US1_CLK #24
US1_CS #23
US1_CTS #22
US1_RTS #21
LEU0_TX #26
LEU0_RX #25
I2C0_SDA #26
I2C0_SCL #25
FRC_DCLK #26
FRC_DOUT #25
FRC_DFRAME #24
MODEM_DCLK #26
MODEM_DIN #25
MODEM_DOUT #24
MODEM_ANT0 #23
MODEM_ANT1 #22
CMU_CLK0 #6
PRS_CH0 #2
PRS_CH1 #1
PRS_CH2 #0
PRS_CH3 #7
ACMP0_O #26
ACMP1_O #26
DBG_TDO #0
DBG_SWO #0
GPIO_EM4WU0
BGM113 Blue Gecko Bluetooth® Smart Module Data Sheet
Pin Definitions
silabs.com | Smart. Connected. Energy-friendly. Preliminary Rev. 0.93 | 41

Pin# and Name Pin Alternate Functionality / Description
Pin
#Pin Name Analog Timers Communication Radio Other
20,
31 PF3
BUSAY [ADC0:
APORT1YCH19
ACMP0:
APORT1YCH19
ACMP1:
APORT1YCH19]
BUSBX [ADC0:
APORT2XCH19
ACMP0:
APORT2XCH19
ACMP1:
APORT2XCH19]
TIM0_CC0 #27
TIM0_CC1 #26
TIM0_CC2 #25
TIM0_CDTI0 #24
TIM0_CDTI1 #23
TIM0_CDTI2 #22
TIM1_CC0 #27
TIM1_CC1 #26
TIM1_CC2 #25
TIM1_CC3 #24 LE-
TIM0_OUT0 #27
LETIM0_OUT1 #26
PCNT0_S0IN #27
PCNT0_S1IN #26
US0_TX #27
US0_RX #26
US0_CLK #25
US0_CS #24
US0_CTS #23
US0_RTS #22
US1_TX #27
US1_RX #26
US1_CLK #25
US1_CS #24
US1_CTS #23
US1_RTS #22
LEU0_TX #27
LEU0_RX #26
I2C0_SDA #27
I2C0_SCL #26
FRC_DCLK #27
FRC_DOUT #26
FRC_DFRAME #25
MODEM_DCLK #27
MODEM_DIN #26
MODEM_DOUT #25
MODEM_ANT0 #24
MODEM_ANT1 #23
CMU_CLK1 #6
PRS_CH0 #3
PRS_CH1 #2
PRS_CH2 #1
PRS_CH3 #0
ACMP0_O #27
ACMP1_O #27
DBG_TDI #0
8,
17 VDD Radio power supply
34 RESETn Reset input, active low.To apply an external reset source to this pin, it is required to only drive this pin low
during reset, and let the internal pull-up ensure that reset is released.
11,
33 PD13
BUSCY [ADC0:
APORT3YCH5
ACMP0:
APORT3YCH5
ACMP1:
APORT3YCH5
IDAC0:
APORT1YCH5]
BUSDX [ADC0:
APORT4XCH5
ACMP0:
APORT4XCH5
ACMP1:
APORT4XCH5]
TIM0_CC0 #21
TIM0_CC1 #20
TIM0_CC2 #19
TIM0_CDTI0 #18
TIM0_CDTI1 #17
TIM0_CDTI2 #16
TIM1_CC0 #21
TIM1_CC1 #20
TIM1_CC2 #19
TIM1_CC3 #18 LE-
TIM0_OUT0 #21
LETIM0_OUT1 #20
PCNT0_S0IN #21
PCNT0_S1IN #20
US0_TX #21
US0_RX #20
US0_CLK #19
US0_CS #18
US0_CTS #17
US0_RTS #16
US1_TX #21
US1_RX #20
US1_CLK #19
US1_CS #18
US1_CTS #17
US1_RTS #16
LEU0_TX #21
LEU0_RX #20
I2C0_SDA #21
I2C0_SCL #20
FRC_DCLK #21
FRC_DOUT #20
FRC_DFRAME #19
MODEM_DCLK #21
MODEM_DIN #20
MODEM_DOUT #19
MODEM_ANT0 #18
MODEM_ANT1 #17
PRS_CH3 #12
PRS_CH4 #4
PRS_CH5 #3
PRS_CH6 #15
ACMP0_O #21
ACMP1_O #21
32 PD14
BUSCX [ADC0:
APORT3XCH6
ACMP0:
APORT3XCH6
ACMP1:
APORT3XCH6
IDAC0:
APORT1XCH6]
BUSDY [ADC0:
APORT4YCH6
ACMP0:
APORT4YCH6
ACMP1:
APORT4YCH6]
TIM0_CC0 #22
TIM0_CC1 #21
TIM0_CC2 #20
TIM0_CDTI0 #19
TIM0_CDTI1 #18
TIM0_CDTI2 #17
TIM1_CC0 #22
TIM1_CC1 #21
TIM1_CC2 #20
TIM1_CC3 #19 LE-
TIM0_OUT0 #22
LETIM0_OUT1 #21
PCNT0_S0IN #22
PCNT0_S1IN #21
US0_TX #22
US0_RX #21
US0_CLK #20
US0_CS #19
US0_CTS #18
US0_RTS #17
US1_TX #22
US1_RX #21
US1_CLK #20
US1_CS #19
US1_CTS #18
US1_RTS #17
LEU0_TX #22
LEU0_RX #21
I2C0_SDA #22
I2C0_SCL #21
FRC_DCLK #22
FRC_DOUT #21
FRC_DFRAME #20
MODEM_DCLK #22
MODEM_DIN #21
MODEM_DOUT #20
MODEM_ANT0 #19
MODEM_ANT1 #18
CMU_CLK0 #5
PRS_CH3 #13
PRS_CH4 #5
PRS_CH5 #4
PRS_CH6 #16
ACMP0_O #22
ACMP1_O #22
GPIO_EM4WU4
BGM113 Blue Gecko Bluetooth® Smart Module Data Sheet
Pin Definitions
silabs.com | Smart. Connected. Energy-friendly. Preliminary Rev. 0.93 | 42

Pin# and Name Pin Alternate Functionality / Description
Pin
#Pin Name Analog Timers Communication Radio Other
24,
26 PD15
BUSCY [ADC0:
APORT3YCH7
ACMP0:
APORT3YCH7
ACMP1:
APORT3YCH7
IDAC0:
APORT1YCH7]
BUSDX [ADC0:
APORT4XCH7
ACMP0:
APORT4XCH7
ACMP1:
APORT4XCH7]
TIM0_CC0 #23
TIM0_CC1 #22
TIM0_CC2 #21
TIM0_CDTI0 #20
TIM0_CDTI1 #19
TIM0_CDTI2 #18
TIM1_CC0 #23
TIM1_CC1 #22
TIM1_CC2 #21
TIM1_CC3 #20 LE-
TIM0_OUT0 #23
LETIM0_OUT1 #22
PCNT0_S0IN #23
PCNT0_S1IN #22
US0_TX #23
US0_RX #22
US0_CLK #21
US0_CS #20
US0_CTS #19
US0_RTS #18
US1_TX #23
US1_RX #22
US1_CLK #21
US1_CS #20
US1_CTS #19
US1_RTS #18
LEU0_TX #23
LEU0_RX #22
I2C0_SDA #23
I2C0_SCL #22
FRC_DCLK #23
FRC_DOUT #22
FRC_DFRAME #21
MODEM_DCLK #23
MODEM_DIN #22
MODEM_DOUT #21
MODEM_ANT0 #20
MODEM_ANT1 #19
CMU_CLK1 #5
PRS_CH3 #14
PRS_CH4 #6
PRS_CH5 #5
PRS_CH6 #17
ACMP0_O #23
ACMP1_O #23
DBG_SWO #2
23,
27 PA0
ADC0_EXTN
BUSCX [ADC0:
APORT3XCH8
ACMP0:
APORT3XCH8
ACMP1:
APORT3XCH8
IDAC0:
APORT1XCH8]
BUSDY [ADC0:
APORT4YCH8
ACMP0:
APORT4YCH8
ACMP1:
APORT4YCH8]
TIM0_CC0 #0
TIM0_CC1 #31
TIM0_CC2 #30
TIM0_CDTI0 #29
TIM0_CDTI1 #28
TIM0_CDTI2 #27
TIM1_CC0 #0
TIM1_CC1 #31
TIM1_CC2 #30
TIM1_CC3 #29 LE-
TIM0_OUT0 #0 LE-
TIM0_OUT1 #31
PCNT0_S0IN #0
PCNT0_S1IN #31
US0_TX #0
US0_RX #31
US0_CLK #30
US0_CS #29
US0_CTS #28
US0_RTS #27
US1_TX #0
US1_RX #31
US1_CLK #30
US1_CS #29
US1_CTS #28
US1_RTS #27
LEU0_TX #0
LEU0_RX #31
I2C0_SDA #0
I2C0_SCL #31
FRC_DCLK #0
FRC_DOUT #31
FRC_DFRAME #30
MODEM_DCLK #0
MODEM_DIN #31
MODEM_DOUT #30
MODEM_ANT0 #29
MODEM_ANT1 #28
CMU_CLK1 #0
PRS_CH6 #0
PRS_CH7 #10
PRS_CH8 #9
PRS_CH9 #8
ACMP0_O #0
ACMP1_O #0
12 PA1
ADC0_EXTP
BUSCY [ADC0:
APORT3YCH9
ACMP0:
APORT3YCH9
ACMP1:
APORT3YCH9
IDAC0:
APORT1YCH9]
BUSDX [ADC0:
APORT4XCH9
ACMP0:
APORT4XCH9
ACMP1:
APORT4XCH9]
TIM0_CC0 #1
TIM0_CC1 #0
TIM0_CC2 #31
TIM0_CDTI0 #30
TIM0_CDTI1 #29
TIM0_CDTI2 #28
TIM1_CC0 #1
TIM1_CC1 #0
TIM1_CC2 #31
TIM1_CC3 #30 LE-
TIM0_OUT0 #1 LE-
TIM0_OUT1 #0
PCNT0_S0IN #1
PCNT0_S1IN #0
US0_TX #1
US0_RX #0
US0_CLK #31
US0_CS #30
US0_CTS #29
US0_RTS #28
US1_TX #1
US1_RX #0
US1_CLK #31
US1_CS #30
US1_CTS #29
US1_RTS #28
LEU0_TX #1
LEU0_RX #0
I2C0_SDA #1
I2C0_SCL #0
FRC_DCLK #1
FRC_DOUT #0
FRC_DFRAME #31
MODEM_DCLK #1
MODEM_DIN #0
MODEM_DOUT #31
MODEM_ANT0 #30
MODEM_ANT1 #29
CMU_CLK0 #0
PRS_CH6 #1
PRS_CH7 #0
PRS_CH8 #10
PRS_CH9 #9
ACMP0_O #1
ACMP1_O #1
BGM113 Blue Gecko Bluetooth® Smart Module Data Sheet
Pin Definitions
silabs.com | Smart. Connected. Energy-friendly. Preliminary Rev. 0.93 | 43

Pin# and Name Pin Alternate Functionality / Description
Pin
#Pin Name Analog Timers Communication Radio Other
15 PB11
BUSCY [ADC0:
APORT3YCH27
ACMP0:
APORT3YCH27
ACMP1:
APORT3YCH27
IDAC0:
APORT1YCH27]
BUSDX [ADC0:
APORT4XCH27
ACMP0:
APORT4XCH27
ACMP1:
APORT4XCH27]
TIM0_CC0 #6
TIM0_CC1 #5
TIM0_CC2 #4
TIM0_CDTI0 #3
TIM0_CDTI1 #2
TIM0_CDTI2 #1
TIM1_CC0 #6
TIM1_CC1 #5
TIM1_CC2 #4
TIM1_CC3 #3 LE-
TIM0_OUT0 #6 LE-
TIM0_OUT1 #5
PCNT0_S0IN #6
PCNT0_S1IN #5
US0_TX #6
US0_RX #5
US0_CLK #4
US0_CS #3
US0_CTS #2
US0_RTS #1
US1_TX #6
US1_RX #5
US1_CLK #4
US1_CS #3
US1_CTS #2
US1_RTS #1
LEU0_TX #6
LEU0_RX #5
I2C0_SDA #6
I2C0_SCL #5
FRC_DCLK #6
FRC_DOUT #5
FRC_DFRAME #4
MODEM_DCLK #6
MODEM_DIN #5
MODEM_DOUT #4
MODEM_ANT0 #3
MODEM_ANT1 #2
PRS_CH6 #6
PRS_CH7 #5
PRS_CH8 #4
PRS_CH9 #3
ACMP0_O #6
ACMP1_O #6
14 PB12
BUSCX [ADC0:
APORT3XCH28
ACMP0:
APORT3XCH28
ACMP1:
APORT3XCH28
IDAC0:
APORT1XCH28]
BUSDY [ADC0:
APORT4YCH28
ACMP0:
APORT4YCH28
ACMP1:
APORT4YCH28]
TIM0_CC0 #7
TIM0_CC1 #6
TIM0_CC2 #5
TIM0_CDTI0 #4
TIM0_CDTI1 #3
TIM0_CDTI2 #2
TIM1_CC0 #7
TIM1_CC1 #6
TIM1_CC2 #5
TIM1_CC3 #4 LE-
TIM0_OUT0 #7 LE-
TIM0_OUT1 #6
PCNT0_S0IN #7
PCNT0_S1IN #6
US0_TX #7
US0_RX #6
US0_CLK #5
US0_CS #4
US0_CTS #3
US0_RTS #2
US1_TX #7
US1_RX #6
US1_CLK #5
US1_CS #4
US1_CTS #3
US1_RTS #2
LEU0_TX #7
LEU0_RX #6
I2C0_SDA #7
I2C0_SCL #6
FRC_DCLK #7
FRC_DOUT #6
FRC_DFRAME #5
MODEM_DCLK #7
MODEM_DIN #6
MODEM_DOUT #5
MODEM_ANT0 #4
MODEM_ANT1 #3
PRS_CH6 #7
PRS_CH7 #6
PRS_CH8 #5
PRS_CH9 #4
ACMP0_O #7
ACMP1_O #7
13 PB13
BUSCY [ADC0:
APORT3YCH29
ACMP0:
APORT3YCH29
ACMP1:
APORT3YCH29
IDAC0:
APORT1YCH29]
BUSDX [ADC0:
APORT4XCH29
ACMP0:
APORT4XCH29
ACMP1:
APORT4XCH29]
TIM0_CC0 #8
TIM0_CC1 #7
TIM0_CC2 #6
TIM0_CDTI0 #5
TIM0_CDTI1 #4
TIM0_CDTI2 #3
TIM1_CC0 #8
TIM1_CC1 #7
TIM1_CC2 #6
TIM1_CC3 #5 LE-
TIM0_OUT0 #8 LE-
TIM0_OUT1 #7
PCNT0_S0IN #8
PCNT0_S1IN #7
US0_TX #8
US0_RX #7
US0_CLK #6
US0_CS #5
US0_CTS #4
US0_RTS #3
US1_TX #8
US1_RX #7
US1_CLK #6
US1_CS #5
US1_CTS #4
US1_RTS #3
LEU0_TX #8
LEU0_RX #7
I2C0_SDA #8
I2C0_SCL #7
FRC_DCLK #8
FRC_DOUT #7
FRC_DFRAME #6
MODEM_DCLK #8
MODEM_DIN #7
MODEM_DOUT #6
MODEM_ANT0 #5
MODEM_ANT1 #4
PRS_CH6 #8
PRS_CH7 #7
PRS_CH8 #6
PRS_CH9 #5
ACMP0_O #8
ACMP1_O #8
DBG_SWO #1
GPIO_EM4WU9
BGM113 Blue Gecko Bluetooth® Smart Module Data Sheet
Pin Definitions
silabs.com | Smart. Connected. Energy-friendly. Preliminary Rev. 0.93 | 44

Pin# and Name Pin Alternate Functionality / Description
Pin
#Pin Name Analog Timers Communication Radio Other
22,
29 PC10
BUSAX [ADC0:
APORT1XCH10
ACMP0:
APORT1XCH10
ACMP1:
APORT1XCH10]
BUSBY [ADC0:
APORT2YCH10
ACMP0:
APORT2YCH10
ACMP1:
APORT2YCH10]
TIM0_CC0 #15
TIM0_CC1 #14
TIM0_CC2 #13
TIM0_CDTI0 #12
TIM0_CDTI1 #11
TIM0_CDTI2 #10
TIM1_CC0 #15
TIM1_CC1 #14
TIM1_CC2 #13
TIM1_CC3 #12 LE-
TIM0_OUT0 #15
LETIM0_OUT1 #14
PCNT0_S0IN #15
PCNT0_S1IN #14
US0_TX #15
US0_RX #14
US0_CLK #13
US0_CS #12
US0_CTS #11
US0_RTS #10
US1_TX #15
US1_RX #14
US1_CLK #13
US1_CS #12
US1_CTS #11
US1_RTS #10
LEU0_TX #15
LEU0_RX #14
I2C0_SDA #15
I2C0_SCL #14
FRC_DCLK #15
FRC_DOUT #14
FRC_DFRAME #13
MODEM_DCLK #15
MODEM_DIN #14
MODEM_DOUT #13
MODEM_ANT0 #12
MODEM_ANT1 #11
CMU_CLK1 #3
PRS_CH0 #12
PRS_CH9 #15
PRS_CH10 #4
PRS_CH11 #3
ACMP0_O #15
ACMP1_O #15
GPIO_EM4WU12
21,
28 PC11
BUSAY [ADC0:
APORT1YCH11
ACMP0:
APORT1YCH11
ACMP1:
APORT1YCH11]
BUSBX [ADC0:
APORT2XCH11
ACMP0:
APORT2XCH11
ACMP1:
APORT2XCH11]
TIM0_CC0 #16
TIM0_CC1 #15
TIM0_CC2 #14
TIM0_CDTI0 #13
TIM0_CDTI1 #12
TIM0_CDTI2 #11
TIM1_CC0 #16
TIM1_CC1 #15
TIM1_CC2 #14
TIM1_CC3 #13 LE-
TIM0_OUT0 #16
LETIM0_OUT1 #15
PCNT0_S0IN #16
PCNT0_S1IN #15
US0_TX #16
US0_RX #15
US0_CLK #14
US0_CS #13
US0_CTS #12
US0_RTS #11
US1_TX #16
US1_RX #15
US1_CLK #14
US1_CS #13
US1_CTS #12
US1_RTS #11
LEU0_TX #16
LEU0_RX #15
I2C0_SDA #16
I2C0_SCL #15
FRC_DCLK #16
FRC_DOUT #15
FRC_DFRAME #14
MODEM_DCLK #16
MODEM_DIN #15
MODEM_DOUT #14
MODEM_ANT0 #13
MODEM_ANT1 #12
CMU_CLK0 #3
PRS_CH0 #13
PRS_CH9 #16
PRS_CH10 #5
PRS_CH11 #4
ACMP0_O #16
ACMP1_O #16
DBG_SWO #3
16,
35 NC
7.1.1 BGM113 GPIO Overview
The GPIO pins are organized as 16-bit ports indicated by letters A through F, and the individual pins on each port are indicated by a
number from 15 down to 0.
Table 7.2. GPIO Pinout
Port Pin
15
Pin
14
Pin
13
Pin
12
Pin
11
Pin
10
Pin 9 Pin 8 Pin 7 Pin 6 Pin 5 Pin 4 Pin 3 Pin 2 Pin 1 Pin 0
Port A - - - - - - - - - - - - - - PA1 PA0
Port B - - PB13
(5V)
PB12
(5V)
PB11
(5V) -----------
Port C - - - - PC11
(5V)
PC10
(5V) ----------
Port D PD15
(5V)
PD14
(5V)
PD13
(5V) -------------
Port E ----------------
Port F ------------PF3
(5V)
PF2
(5V)
PF1
(5V)
PF0
(5V)
BGM113 Blue Gecko Bluetooth® Smart Module Data Sheet
Pin Definitions
silabs.com | Smart. Connected. Energy-friendly. Preliminary Rev. 0.93 | 45

7.2 Alternate Functionality Pinout
A wide selection of alternate functionality is available for multiplexing to various pins. The following table shows the name of the alter-
nate functionality in the first column, followed by columns showing the possible LOCATION bitfield settings.
Note: Some functionality, such as analog interfaces, do not have alternate settings or a LOCATION bitfield. In these cases, the pinout
is shown in the column corresponding to LOCATION 0.
Table 7.3. Alternate functionality overview
Alternate LOCATION
Functionality 0 - 3 4 - 7 8 - 11 12 - 15 16 - 19 20 - 23 24 - 27 28 - 31 Description
ACMP0_O 0: PA0
1: PA1
6: PB11
7: PB12 8: PB13 15: PC10 16: PC11
21: PD13
22: PD14
23: PD15
24: PF0
25: PF1
26: PF2
27: PF3
Analog comparator
ACMP0, digital out-
put.
ACMP1_O 0: PA0
1: PA1 6: PB11
7: PB12
8: PB13 15: PC10 16: PC11
21: PD13
22: PD14
23: PD15
24: PF0
25: PF1
26: PF2
27: PF3
Analog comparator
ACMP1, digital out-
put.
ADC0_EXTN
0: PA0 Analog to digital
converter ADC0 ex-
ternal reference in-
put negative pin
ADC0_EXTP
0: PA1 Analog to digital
converter ADC0 ex-
ternal reference in-
put positive pin
CMU_CLK0 0: PA1
3: PC11
5: PD14
6: PF2
Clock Management
Unit, clock output
number 0.
CMU_CLK1 0: PA0
3: PC10
5: PD15
6: PF3
Clock Management
Unit, clock output
number 1.
DBG_SWCLKTCK
0: PF0
Debug-interface
Serial Wire clock
input and JTAG
Test Clock.
Note that this func-
tion is enabled to
the pin out of reset,
and has a built-in
pull down.
DBG_SWDIOTMS
0: PF1
Debug-interface
Serial Wire data in-
put / output and
JTAG Test Mode
Select.
Note that this func-
tion is enabled to
the pin out of reset,
and has a built-in
pull up.
BGM113 Blue Gecko Bluetooth® Smart Module Data Sheet
Pin Definitions
silabs.com | Smart. Connected. Energy-friendly. Preliminary Rev. 0.93 | 46

Alternate LOCATION
Functionality 0 - 3 4 - 7 8 - 11 12 - 15 16 - 19 20 - 23 24 - 27 28 - 31 Description
DBG_SWO
0: PF2
1: PB13
2: PD15
3: PC11
Debug-interface
Serial Wire viewer
Output.
Note that this func-
tion is not enabled
after reset, and
must be enabled by
software to be
used.
DBG_TDI
0: PF3
Debug-interface
JTAG Test Data In.
Note that this func-
tion is enabled to
pin out of reset,
and has a built-in
pull up.
DBG_TDO
0: PF2
Debug-interface
JTAG Test Data
Out.
Note that this func-
tion is enabled to
pin out of reset.
FRC_DCLK 0: PA0
1: PA1 6: PB11
7: PB12
8: PB13 15: PC10 16: PC11
21: PD13
22: PD14
23: PD15
24: PF0
25: PF1
26: PF2
27: PF3
Frame Controller,
Data Sniffer Clock.
FRC_DFRAME
4: PB11
5: PB12
6: PB13
13: PC10
14: PC11 19: PD13
20: PD14
21: PD15
22: PF0
23: PF1
24: PF2
25: PF3
30: PA0
31: PA1
Frame Controller,
Data Sniffer Frame
active
FRC_DOUT 0: PA1
5: PB11
6: PB12
7: PB13
14: PC10
15: PC11
20: PD13
21: PD14
22: PD15
23: PF0
24: PF1
25: PF2
26: PF3
31: PA0
Frame Controller,
Data Sniffer Out-
put.
GPIO_EM4WU0
0: PF2 Pin can be used to
wake the system
up from EM4
GPIO_EM4WU1
Pin can be used to
wake the system
up from EM4
GPIO_EM4WU4
0: PD14 Pin can be used to
wake the system
up from EM4
GPIO_EM4WU8
Pin can be used to
wake the system
up from EM4
BGM113 Blue Gecko Bluetooth® Smart Module Data Sheet
Pin Definitions
silabs.com | Smart. Connected. Energy-friendly. Preliminary Rev. 0.93 | 47

Alternate LOCATION
Functionality 0 - 3 4 - 7 8 - 11 12 - 15 16 - 19 20 - 23 24 - 27 28 - 31 Description
GPIO_EM4WU9
0: PB13 Pin can be used to
wake the system
up from EM4
GPIO_EM4WU12
0: PC10 Pin can be used to
wake the system
up from EM4
I2C0_SCL 0: PA1
5: PB11
6: PB12
7: PB13
14: PC10
15: PC11
20: PD13
21: PD14
22: PD15
23: PF0
24: PF1
25: PF2
26: PF3
31: PA0 I2C0 Serial Clock
Line input / output.
I2C0_SDA 0: PA0
1: PA1
6: PB11
7: PB12 8: PB13 15: PC10 16: PC11 21: PD13
22: PD14
23: PD15
24: PF0
25: PF1
26: PF2
27: PF3
I2C0 Serial Data in-
put / output.
LETIM0_OUT0 0: PA0
1: PA1 6: PB11
7: PB12
8: PB13 15: PC10 16: PC11
21: PD13
22: PD14
23: PD15
24: PF0
25: PF1
26: PF2
27: PF3
Low Energy Timer
LETIM0, output
channel 0.
LETIM0_OUT1
0: PA1
5: PB11
6: PB12
7: PB13
14: PC10
15: PC11
20: PD13
21: PD14
22: PD15
23: PF0
24: PF1
25: PF2
26: PF3 31: PA0
Low Energy Timer
LETIM0, output
channel 1.
LEU0_RX
0: PA1
5: PB11
6: PB12
7: PB13
14: PC10
15: PC11
20: PD13
21: PD14
22: PD15
23: PF0
24: PF1
25: PF2
26: PF3 31: PA0 LEUART0 Receive
input.
LEU0_TX
0: PA0
1: PA1
6: PB11
7: PB12
8: PB13 15: PC10 16: PC11 21: PD13
22: PD14
23: PD15
24: PF0
25: PF1
26: PF2
27: PF3
LEUART0 Transmit
output. Also used
as receive input in
half duplex commu-
nication.
LFXTAL_N
Low Frequency
Crystal (typically
32.768 kHz) nega-
tive pin. Also used
as an optional ex-
ternal clock input
pin.
LFXTAL_P
Low Frequency
Crystal (typically
32.768 kHz) posi-
tive pin.
MODEM_ANT0
3: PB11
4: PB12
5: PB13 12: PC10
13: PC11 18: PD13
19: PD14
20: PD15
21: PF0
22: PF1
23: PF2
24: PF3 29: PA0
30: PA1
MODEM antenna
control output 0,
used for antenna
diversity.
MODEM_ANT1 2: PB11
3: PB12
4: PB13
11: PC10 12: PC11
17: PD13
18: PD14
19: PD15
20: PF0
21: PF1
22: PF2
23: PF3
28: PA0
29: PA1
MODEM antenna
control output 1,
used for antenna
diversity.
BGM113 Blue Gecko Bluetooth® Smart Module Data Sheet
Pin Definitions
silabs.com | Smart. Connected. Energy-friendly. Preliminary Rev. 0.93 | 48

Alternate LOCATION
Functionality 0 - 3 4 - 7 8 - 11 12 - 15 16 - 19 20 - 23 24 - 27 28 - 31 Description
MODEM_DCLK
0: PA0
1: PA1
6: PB11
7: PB12
8: PB13
15: PC10
16: PC11 21: PD13
22: PD14
23: PD15
24: PF0
25: PF1
26: PF2
27: PF3
MODEM data clock
out.
MODEM_DIN
0: PA1
5: PB11
6: PB12
7: PB13
14: PC10
15: PC11
20: PD13
21: PD14
22: PD15
23: PF0
24: PF1
25: PF2
26: PF3 31: PA0 MODEM data in.
MODEM_DOUT
4: PB11
5: PB12
6: PB13
13: PC10
14: PC11 19: PD13
20: PD14
21: PD15
22: PF0
23: PF1
24: PF2
25: PF3 30: PA0
31: PA1 MODEM data out.
PCNT0_S0IN
0: PA0
1: PA1
6: PB11
7: PB12
8: PB13 15: PC10 16: PC11
2
21: PD13
22: PD14
23: PD15
24: PF0
25: PF1
26: PF2
27: PF3
Pulse Counter
PCNT0 input num-
ber 0.
PCNT0_S1IN
0: PA1
5: PB11
6: PB12
7: PB13
14: PC10
15: PC11
20: PD13
21: PD14
22: PD15
23: PF0
24: PF1
25: PF2
26: PF3 31: PA0
Pulse Counter
PCNT0 input num-
ber 1.
PRS_CH0
0: PF0
1: PF1
2: PF2
3: PF3
12: PC10
13: PC11 Peripheral Reflex
System PRS, chan-
nel 0.
PRS_CH1
0: PF1
1: PF2
2: PF3
7: PF0
Peripheral Reflex
System PRS, chan-
nel 1.
PRS_CH2
0: PF2
1: PF3
6: PF0
7: PF1
Peripheral Reflex
System PRS, chan-
nel 2.
PRS_CH3
0: PF3
5: PF0
6: PF1
7: PF2
12: PD13
13: PD14
14: PD15
Peripheral Reflex
System PRS, chan-
nel 3.
PRS_CH4
4: PD13
5: PD14
6: PD15
Peripheral Reflex
System PRS, chan-
nel 4.
PRS_CH5
3: PD13
4: PD14
5: PD15 Peripheral Reflex
System PRS, chan-
nel 5.
PRS_CH6
0: PA0
1: PA1
6: PB11
7: PB12
8: PB13 15: PD13
16: PD14
17: PD15 Peripheral Reflex
System PRS, chan-
nel 6.
PRS_CH7
0: PA1
5: PB11
6: PB12
7: PB13
10: PA0
Peripheral Reflex
System PRS, chan-
nel 7.
BGM113 Blue Gecko Bluetooth® Smart Module Data Sheet
Pin Definitions
silabs.com | Smart. Connected. Energy-friendly. Preliminary Rev. 0.93 | 49

Alternate LOCATION
Functionality 0 - 3 4 - 7 8 - 11 12 - 15 16 - 19 20 - 23 24 - 27 28 - 31 Description
PRS_CH8
4: PB11
5: PB12
6: PB13
9: PA0
10: PA1
Peripheral Reflex
System PRS, chan-
nel 8.
PRS_CH9 3: PB11 4: PB12
5: PB13
8: PA0
9: PA1 15: PC10 16: PC11
Peripheral Reflex
System PRS, chan-
nel 9.
PRS_CH10 4: PC10
5: PC11
Peripheral Reflex
System PRS, chan-
nel 10.
PRS_CH11 3: PC10 4: PC11
Peripheral Reflex
System PRS, chan-
nel 11.
TIM0_CC0 0: PA0
1: PA1 6: PB11
7: PB12
8: PB13 15: PC10 16: PC11
21: PD13
22: PD14
23: PD15
24: PF0
25: PF1
26: PF2
27: PF3
Timer 0 Capture
Compare input /
output channel 0.
TIM0_CC1 0: PA1 5: PB11
6: PB12
7: PB13
14: PC10
15: PC11
20: PD13
21: PD14
22: PD15
23: PF0
24: PF1
25: PF2
26: PF3 31: PA0
Timer 0 Capture
Compare input /
output channel 1.
TIM0_CC2
4: PB11
5: PB12
6: PB13
13: PC10
14: PC11 19: PD13
20: PD14
21: PD15
22: PF0
23: PF1
24: PF2
25: PF3 30: PA0
31: PA1
Timer 0 Capture
Compare input /
output channel 2.
TIM0_CDTI0 3: PB11 4: PB12
5: PB13
12: PC10
13: PC11
18: PD13
19: PD14
20: PD15
21: PF0
22: PF1
23: PF2
24: PF3 29: PA0
30: PA1
Timer 0 Compli-
mentary Dead Time
Insertion channel 0.
TIM0_CDTI1 2: PB11
3: PB12
4: PB13
11: PC10 12: PC11 17: PD13
18: PD14
19: PD15
20: PF0
21: PF1
22: PF2
23: PF3
28: PA0
29: PA1
Timer 0 Compli-
mentary Dead Time
Insertion channel 1.
TIM0_CDTI2 1: PB11
2: PB12
3: PB13
10: PC10
11: PC11
16: PD13
17: PD14
18: PD15
19: PF0
20: PF1
21: PF2
22: PF3
2
27: PA0 28: PA1
Timer 0 Compli-
mentary Dead Time
Insertion channel 2.
TIM1_CC0 0: PA0
1: PA1 6: PB11
7: PB12
8: PB13
15: PC10
16: PC11 2
21: PD13
22: PD14
23: PD15
24: PF0
25: PF1
26: PF2
27: PF3
Timer 1 Capture
Compare input /
output channel 0.
TIM1_CC1 0: PA1 5: PB11
6: PB12
7: PB13
14: PC10
15: PC11
20: PD13
21: PD14
22: PD15
23: PF0
24: PF1
25: PF2
26: PF3 31: PA0
Timer 1 Capture
Compare input /
output channel 1.
TIM1_CC2
4: PB11
5: PB12
6: PB13
13: PC10
14: PC11
19: PD13
20: PD14
21: PD15
22: PF0
23: PF1
24: PF2
25: PF3
30: PA0
31: PA1
Timer 1 Capture
Compare input /
output channel 2.
BGM113 Blue Gecko Bluetooth® Smart Module Data Sheet
Pin Definitions
silabs.com | Smart. Connected. Energy-friendly. Preliminary Rev. 0.93 | 50

Alternate LOCATION
Functionality 0 - 3 4 - 7 8 - 11 12 - 15 16 - 19 20 - 23 24 - 27 28 - 31 Description
TIM1_CC3 3: PB11
4: PB12
5: PB13 12: PC10
13: PC11
18: PD13
19: PD14
20: PD15
21: PF0
22: PF1
23: PF2
24: PF3 29: PA0
30: PA1
Timer 1 Capture
Compare input /
output channel 3.
US0_CLK
4: PB11
5: PB12
6: PB13
13: PC10
14: PC11 19: PD13
20: PD14
21: PD15
22: PF0
23: PF1
24: PF2
25: PF3 30: PA0
31: PA1
USART0 clock in-
put / output.
US0_CS 3: PB11 4: PB12
5: PB13
12: PC10
13: PC11
18: PD13
19: PD14
20: PD15
21: PF0
22: PF1
23: PF2
24: PF3 29: PA0
30: PA1
USART0 chip se-
lect input / output.
US0_CTS 2: PB11
3: PB12
4: PB13 11: PC10 12: PC11
17: PD13
18: PD14
19: PD15
20: PF0
21: PF1
22: PF2
23: PF3
28: PA0
29: PA1
USART0 Clear To
Send hardware
flow control input.
US0_RTS 1: PB11
2: PB12
3: PB13
10: PC10
11: PC11
16: PD13
17: PD14
18: PD15
19: PF0
20: PF1
21: PF2
22: PF3
2
27: PA0 28: PA1
USART0 Request
To Send hardware
flow control output.
US0_RX 0: PA1 5: PB11
6: PB12
7: PB13
14: PC10
15: PC11
20: PD13
21: PD14
22: PD15
23: PF0
24: PF1
25: PF2
26: PF3 31: PA0
USART0 Asynchro-
nous Receive.
USART0 Synchro-
nous mode Master
Input / Slave Out-
put (MISO).
US0_TX
0: PA0
1: PA1
6: PB11
7: PB12
8: PB13 15: PC10 16: PC11
21: PD13
22: PD14
23: PD15
24: PF0
25: PF1
26: PF2
27: PF3
USART0 Asynchro-
nous Transmit. Al-
so used as receive
input in half duplex
communication.
USART0 Synchro-
nous mode Master
Output / Slave In-
put (MOSI).
US1_CLK
4: PB11
5: PB12
6: PB13
13: PC10
14: PC11 19: PD13
20: PD14
21: PD15
22: PF0
23: PF1
24: PF2
25: PF3 30: PA0
31: PA1
USART1 clock in-
put / output.
US1_CS 3: PB11 4: PB12
5: PB13
12: PC10
13: PC11
18: PD13
19: PD14
20: PD15
21: PF0
22: PF1
23: PF2
24: PF3 29: PA0
30: PA1
USART1 chip se-
lect input / output.
US1_CTS 2: PB11
3: PB12
4: PB13 11: PC10 12: PC11
17: PD13
18: PD14
19: PD15
20: PF0
21: PF1
22: PF2
23: PF3
28: PA0
29: PA1
USART1 Clear To
Send hardware
flow control input.
US1_RTS 1: PB11
2: PB12
3: PB13
10: PC10
11: PC11
16: PD13
17: PD14
18: PD15
19: PF0
20: PF1
21: PF2
22: PF3 27: PA0 28: PA1
USART1 Request
To Send hardware
flow control output.
BGM113 Blue Gecko Bluetooth® Smart Module Data Sheet
Pin Definitions
silabs.com | Smart. Connected. Energy-friendly. Preliminary Rev. 0.93 | 51

Alternate LOCATION
Functionality 0 - 3 4 - 7 8 - 11 12 - 15 16 - 19 20 - 23 24 - 27 28 - 31 Description
US1_RX
0: PA1
5: PB11
6: PB12
7: PB13
14: PC10
15: PC11
20: PD13
21: PD14
22: PD15
23: PF0
24: PF1
25: PF2
26: PF3 31: PA0
USART1 Asynchro-
nous Receive.
USART1 Synchro-
nous mode Master
Input / Slave Out-
put (MISO).
US1_TX 0: PA0
1: PA1
6: PB11
7: PB12 8: PB13 15: PC10 16: PC11
21: PD13
22: PD14
23: PD15
24: PF0
25: PF1
26: PF2
27: PF3
USART1 Asynchro-
nous Transmit. Al-
so used as receive
input in half duplex
communication.
USART1 Synchro-
nous mode Master
Output / Slave In-
put (MOSI).
BGM113 Blue Gecko Bluetooth® Smart Module Data Sheet
Pin Definitions
silabs.com | Smart. Connected. Energy-friendly. Preliminary Rev. 0.93 | 52

7.3 Analog Port (APORT)
The Analog Port (APORT) is an infrastructure used to connect chip pins with on-chip analog clients such as analog comparators, ADCs,
and DACs. The APORT consists of wires, switches, and control needed to configurably implement the routes. Please see the device
Reference Manual for a complete description.
BUSAX
PC10
PF0
PF2
BUSBY
BUSAY
PC11
PF1
PF3
BUSBX
BUSCX
PD14
PA0
BUSDY
BUSCY
PD13
PD15
PA1
PB11
PB12
BUSDX
ACMP0
1X 1Y 2X 2Y 3X 3Y 4X 4Y
ACMP1
1X 1Y 2X 2Y 3X 3Y 4X 4Y
ADC0
1X 1Y 2X 2Y 3X 3Y 4X 4Y
IDAC0
1X 1Y
PB13
Figure 7.2. BGM113 APORT
BGM113 Blue Gecko Bluetooth® Smart Module Data Sheet
Pin Definitions
silabs.com | Smart. Connected. Energy-friendly. Preliminary Rev. 0.93 | 53

Table 7.4. APORT Client Map
Analog Module Analog Module Channel Shared Bus Pin
ACMP0 APORT1XCH6 BUSAX
APORT1XCH8
APORT1XCH10 PC10
APORT1XCH16 PF0
APORT1XCH18 PF2
APORT1XCH20
APORT1XCH22
ACMP0 APORT1YCH7 BUSAY
APORT1YCH9
APORT1YCH11 PC11
APORT1YCH17 PF1
APORT1YCH19 PF3
APORT1YCH21
APORT1YCH23
ACMP0 APORT2XCH7 BUSBX
APORT2XCH9
APORT2XCH11 PC11
APORT2XCH17 PF1
APORT2XCH19 PF3
APORT2XCH21
APORT2XCH23
ACMP0 APORT2YCH6 BUSBY
APORT2YCH8
APORT2YCH10 PC10
APORT2YCH16 PF0
APORT2YCH18 PF2
APORT2YCH20
APORT2YCH22
BGM113 Blue Gecko Bluetooth® Smart Module Data Sheet
Pin Definitions
silabs.com | Smart. Connected. Energy-friendly. Preliminary Rev. 0.93 | 54

Analog Module Analog Module Channel Shared Bus Pin
ACMP0 APORT3XCH2 BUSCX
APORT3XCH4
APORT3XCH6 PD14
APORT3XCH8 PA0
APORT3XCH10
APORT3XCH12
APORT3XCH28 PB12
APORT3XCH30
ACMP0 APORT3YCH3 BUSCY
APORT3YCH5 PD13
APORT3YCH7 PD15
APORT3YCH9 PA1
APORT3YCH11
APORT3YCH13
APORT3YCH27 PB11
APORT3YCH29 PB13
APORT3YCH31
ACMP0 APORT4XCH3 BUSDX
APORT4XCH5 PD13
APORT4XCH7 PD15
APORT4XCH9 PA1
APORT4XCH11
APORT4XCH13
APORT4XCH27 PB11
APORT4XCH29 PB13
APORT4XCH31
ACMP0 APORT4YCH2 BUSDY
APORT4YCH4
APORT4YCH6 PD14
APORT4YCH8 PA0
APORT4YCH10
APORT4YCH12 PA4
APORT4YCH28 PB12
APORT4YCH30
BGM113 Blue Gecko Bluetooth® Smart Module Data Sheet
Pin Definitions
silabs.com | Smart. Connected. Energy-friendly. Preliminary Rev. 0.93 | 55

Analog Module Analog Module Channel Shared Bus Pin
ACMP1 APORT1XCH6 BUSAX
APORT1XCH8
APORT1XCH10 PC10
APORT1XCH16 PF0
APORT1XCH18 PF2
APORT1XCH20
APORT1XCH22
ACMP1 APORT1YCH7 BUSAY
APORT1YCH9
APORT1YCH11 PC11
APORT1YCH17 PF1
APORT1YCH19 PF3
APORT1YCH21
APORT1YCH23
ACMP1 APORT2XCH7 BUSBX
APORT2XCH9
APORT2XCH11 PC11
APORT2XCH17 PF1
APORT2XCH19 PF3
APORT2XCH21
APORT2XCH23
ACMP1 APORT2YCH6 BUSBY
APORT2YCH8
APORT2YCH10 PC10
APORT2YCH16 PF0
APORT2YCH18 PF2
APORT2YCH20
APORT2YCH22
ACMP1 APORT3XCH2 BUSCX
APORT3XCH4
APORT3XCH6 PD14
APORT3XCH8 PA0
APORT3XCH10
APORT3XCH12
APORT3XCH28 PB12
APORT3XCH30
BGM113 Blue Gecko Bluetooth® Smart Module Data Sheet
Pin Definitions
silabs.com | Smart. Connected. Energy-friendly. Preliminary Rev. 0.93 | 56

Analog Module Analog Module Channel Shared Bus Pin
ACMP1 APORT3YCH3 BUSCY
APORT3YCH5 PD13
APORT3YCH7 PD15
APORT3YCH9 PA1
APORT3YCH11
APORT3YCH13
APORT3YCH27 PB11
APORT3YCH29 PB13
APORT3YCH31
ACMP1 APORT4XCH3 BUSDX
APORT4XCH5 PD13
APORT4XCH7 PD15
APORT4XCH9 PA1
APORT4XCH11
APORT4XCH13
APORT4XCH27 PB11
APORT4XCH29 PB13
APORT4XCH31
ACMP1 APORT4YCH2 BUSDY
APORT4YCH4
APORT4YCH6 PD14
APORT4YCH8 PA0
APORT4YCH10
APORT4YCH12
APORT4YCH28 PB12
APORT4YCH30
ADC0 APORT1XCH6 BUSAX
APORT1XCH8
APORT1XCH10 PC10
APORT1XCH16 PF0
APORT1XCH18 PF2
APORT1XCH20
APORT1XCH22
BGM113 Blue Gecko Bluetooth® Smart Module Data Sheet
Pin Definitions
silabs.com | Smart. Connected. Energy-friendly. Preliminary Rev. 0.93 | 57

Analog Module Analog Module Channel Shared Bus Pin
ADC0 APORT1YCH7 BUSAY
APORT1YCH9
APORT1YCH11 PC11
APORT1YCH17 PF1
APORT1YCH19 PF3
APORT1YCH21
APORT1YCH23
ADC0 APORT2XCH7 BUSBX
APORT2XCH9
APORT2XCH11 PC11
APORT2XCH17 PF1
APORT2XCH19 PF3
APORT2XCH21
APORT2XCH23
ADC0 APORT2YCH6 BUSBY
APORT2YCH8
APORT2YCH10 PC10
APORT2YCH16 PF0
APORT2YCH18 PF2
APORT2YCH20
APORT2YCH22
ADC0 APORT3XCH2 BUSCX
APORT3XCH4
APORT3XCH6 PD14
APORT3XCH8 PA0
APORT3XCH10
APORT3XCH12
APORT3XCH28 PB12
APORT3XCH30
BGM113 Blue Gecko Bluetooth® Smart Module Data Sheet
Pin Definitions
silabs.com | Smart. Connected. Energy-friendly. Preliminary Rev. 0.93 | 58

Analog Module Analog Module Channel Shared Bus Pin
ADC0 APORT3YCH3 BUSCY
APORT3YCH5 PD13
APORT3YCH7 PD15
APORT3YCH9 PA1
APORT3YCH11
APORT3YCH13
APORT3YCH27 PB11
APORT3YCH29 PB13
APORT3YCH31
ADC0 APORT4XCH3 BUSDX
APORT4XCH5 PD13
APORT4XCH7 PD15
APORT4XCH9 PA1
APORT4XCH11
APORT4XCH13
APORT4XCH27 PB11
APORT4XCH29 PB13
APORT4XCH31
ADC0 APORT4YCH2 BUSDY
APORT4YCH4
APORT4YCH6 PD14
APORT4YCH8 PA0
APORT4YCH10
APORT4YCH12
APORT4YCH28 PB12
APORT4YCH30
IDAC0 APORT1XCH2 BUSCX
APORT1XCH4
APORT1XCH6 PD14
APORT1XCH8 PA0
APORT1XCH10
APORT1XCH12
APORT1XCH28 PB12
APORT1XCH30
BGM113 Blue Gecko Bluetooth® Smart Module Data Sheet
Pin Definitions
silabs.com | Smart. Connected. Energy-friendly. Preliminary Rev. 0.93 | 59

Analog Module Analog Module Channel Shared Bus Pin
IDAC0 APORT1YCH3 BUSCY
APORT1YCH5 PD13
APORT1YCH7 PD15
APORT1YCH9 PA1
APORT1YCH11
APORT1YCH13
APORT1YCH27 PB11
APORT1YCH29 PB13
APORT1YCH31
BGM113 Blue Gecko Bluetooth® Smart Module Data Sheet
Pin Definitions
silabs.com | Smart. Connected. Energy-friendly. Preliminary Rev. 0.93 | 60

8. BGM113 Package Specifications
8.1 BGM113 Dimensions
Figure 8.1. BGM113 Dimensions
BGM113 Blue Gecko Bluetooth® Smart Module Data Sheet
BGM113 Package Specifications
silabs.com | Smart. Connected. Energy-friendly. Preliminary Rev. 0.93 | 61

8.2 BGM113 PCB Land Pattern
Figure 8.2. BGM113 Land Pattern Drawing
BGM113 Blue Gecko Bluetooth® Smart Module Data Sheet
BGM113 Package Specifications
silabs.com | Smart. Connected. Energy-friendly. Preliminary Rev. 0.93 | 62

8.3 BGM113 Package Marking
Figure 8.3. BGM113 Initial Production Version Package Marking
The package marking consists of:
• TBD
BGM113 Blue Gecko Bluetooth® Smart Module Data Sheet
BGM113 Package Specifications
silabs.com | Smart. Connected. Energy-friendly. Preliminary Rev. 0.93 | 63

9. Certifications
9.1 Bluetooth
The Bluetooth certification for the BGM113 is pending.
QDID: TBD
9.2 CE
The BGM113 module is in conformity with the essential requirements and other relevant requirements of the R&TTE Directive (1999/5/
EC). This device is compliant with the following standards:
•Safety: EN 60950
•EMC: EN 301 489
•Spectrum: EN 300 328
A formal DoC is available from www.silabs.com.
9.3 FCC
This device complies with Part 15 of the FCC Rules. Operation is subject to the following two conditions:
1. This device may not cause harmful interference, and
2. This device must accept any interference received, including interference that may cause undesirable operation.
Any changes or modifications not expressly approved by Silicon Labs could void the user’s authority to operate the equipment.
FCC RF Radiation Exposure Statement:
This equipment complies with FCC radiation exposure limits set forth for an uncontrolled environment. End users must follow the specif-
ic operating instructions for satisfying RF exposure compliance. This transmittermeets both portable and mobile limits as demonstrated
in the RF Exposure Analysis. This transmitter must not be co-located or operating in conjunction with any other antenna or transmitter
except in accordance with FCC multi-transmitter product procedures. As long as the condition above is met, further transmitter testing
will not be required. However, the OEM integrator is still responsible for testing their end-product for any additional compliance require-
ments required with this module installed (for example, digital device emissions, PC peripheral requirements, etc.).
OEM Responsibilities to comply with FCC Regulations
The BGM113 Module has been certified for integration into products only by OEM integrators under the following condition:
• The antenna(s) must be installed such that a minimum separation distance of 0 mm is maintained between the radiator (antenna)
and all persons at all times.
• The transmitter module must not be co-located or operating in conjunction with any other antenna or transmitter except in accord-
ance with FCC multi-transmitter product procedures.
BGM113 Blue Gecko Bluetooth® Smart Module Data Sheet
Certifications
silabs.com | Smart. Connected. Energy-friendly. Preliminary Rev. 0.93 | 64

As long as the conditions above are met, further transmitter testing will not be required. However, the OEM integrator is still responsible
for testing their end-product for any additional compliance requirements required with this module installed (for example, digital device
emissions, PC peripheral requirements, etc.).
Note: In the event that this condition cannot be met (for certain configurations or co-location with another transmitter), then the FCC
authorization is no longer considered valid and the FCC ID cannot be used on the final product. In these circumstances, the OEM inte-
grator will be responsible for re-evaluating the end product (including the transmitter) and obtaining a separate FCC authorization.
End Product Labeling
The BGM113 Module is labeled with its own FCC ID. If the FCC ID is not visible when the module is installed inside another device,
then the outside of the device into which the module is installed must also display a label referring to the enclosed module. In that case,
the final end product must be labeled in a visible area with the following:
"Contains Transmitter Module FCC ID: QOQ-BGM113"
or
"Contains FCC ID: QOQ-BGM113"
The OEM integrator must not provide information to the end user regarding how to install or remove this RF module or change RF
related parameters in the user manual of the end product.
To comply with FCC RF radiation exposure limits for general population, the antenna(s) used for this transmitter must be in-
stalled such that a minimum separation distance of 0 mm is maintained between the radiator (antenna) and all persons at all
times and must not be co-located or operating in conjunction with any other antenna or transmitter.
BGM113 Blue Gecko Bluetooth® Smart Module Data Sheet
Certifications
silabs.com | Smart. Connected. Energy-friendly. Preliminary Rev. 0.93 | 65

9.4 IC
IC (English)
This radio transmitter has been approved by Industry Canada to operate with the embedded chip antenna. Other antenna types are
strictly prohibited for use with this device.
This device complies with Industry Canada’s license-exempt RSS standards. Operation is subject to the following two conditions:
1. This device may not cause interference; and
2. This device must accept any interference, including interference that may cause undesired operation of the device.
RF Exposure Statement
Exception from routine SAR evaluation limits are given in RSS-102 Issue 5. BGM113 meets the given requirements when the minimum
separation distance to human body 0 mm. RF exposure or SAR evaluation is not required when the separation distance is 0 mm or
more. If the separation distance is less than 0 mm the OEM integrator is responsible for evaluating the SAR.
OEM Responsibilities to comply with IC Regulations
The BGM113 Module has been certified for integration into products only by OEM integrators under the following conditions:
• The antenna(s) must be installed such that a minimum separation distance of 0 mm is maintained between the radiator (antenna)
and all persons at all times.
• The transmitter module must not be co-located or operating in conjunction with any other antenna or transmitter.
As long as the two conditions above are met, further transmitter testing will not be required. However, the OEM integrator is still respon-
sible for testing their end-product for any additional compliance requirements required with this module installed (for example, digital
device emissions, PC peripheral requirements, etc.).
Note: In the event that these conditions cannot be met (for certain configurations or co-location with another transmitter), then the IC
authorization is no longer considered valid and the IC ID cannot be used on the final product. In these circumstances, the OEM integra-
tor will be responsible for re-evaluating the end product (including the transmitter) and obtaining a separate IC authorization.
End Product Labeling
The BGM113 module is labeled with its own IC ID. If the IC ID is not visible when the module is installed inside another device, then the
outside of the device into which the module is installed must also display a label referring to the enclosed module. In that case, the final
end product must be labeled in a visible area with the following:
"Contains Transmitter Module IC: 5123A-BGM113"
or
"Contains IC: 5123A-BGM113"
The OEM integrator has to be aware not to provide information to the end user regarding how to install or remove this RF module or
change RF related parameters in the user manual of the end product.
IC (Francais)
Cet émetteur radio (IC : QOQ-BGM113) a reçu l'approbation d'Industrie Canada pour une exploitation avec l'antenne puce incorporée.
Il est strictement interdit d'utiliser d'autres types d'antenne avec cet appareil.
Le présent appareil est conforme aux CNR d’Industrie Canada applicables aux appareils radio exempts de licence. L’exploitation est
autorisée aux deux conditions suivantes:
1. L’appareil ne doit pas produire de brouillage;
2. L’utilisateur de l’appareil doit accepter tout brouillage radioélectrique subi, même si le brouillage est susceptible d’en compromettre
le fonctionnement.
Déclaration relative à l'exposition aux radiofréquences (RF)
Les limites applicables à l’exemption de l’évaluation courante du DAS sont énoncées dans le CNR 102, 5e édition. L'appareil BGM113
répond aux exigences données quand la distance de séparation minimum par rapport au corps humain est inférieure ou égale à 0 mm.
L'évaluation de l'exposition aux RF ou du DAS n'est pas requise quand la distance de séparation est de 0 mm ou plus. Si la distance de
séparation est inférieure à 0 mm, il incombe à l'intégrateur FEO d'évaluer le DAS.
Responsabilités du FEO ayant trait à la conformité avec les règlements IC
Le Module BGM113 a été certifié pour une intégration dans des produits uniquement par les intégrateurs FEO dans les conditions sui-
vantes:
BGM113 Blue Gecko Bluetooth® Smart Module Data Sheet
Certifications
silabs.com | Smart. Connected. Energy-friendly. Preliminary Rev. 0.93 | 66

• La ou les antennes doivent être installées de telle façon qu'une distance de séparation minimum de 0 mm soit maintenue entre le
radiateur (antenne) et toute personne à tout moment.
•Le module émetteur ne doit pas être installé au même endroit ou fonctionner conjointement avec toute autre antenne ou émetteur.
Dès lors que les deux conditions ci-dessus sont respectées, d'autres tests de l'émetteur ne sont pas obligatoires. Cependant, il in-
combe toujours à l'intégrateur FEO de tester la conformité de son produit final vis-à-vis de toute exigence supplémentaire avec ce mod-
ule installé (par exemple, émissions de dispositifs numériques, exigences relatives aux matériels périphériques PC, etc).
Note: S'il s'avère que ces conditions ne peuvent être respectées (pour certaines configurations ou la colocation avec un autre émet-
teur), alors l'autorisation IC n'est plus considérée comme valide et l'identifiant IC ne peut plus être employé sur le produit final. Dans
ces circonstances, l'intégrateur FEO aura la responsabilité de réévaluer le produit final (y compris l'émetteur) et d'obtenir une autorisa-
tion IC distincte.
Étiquetage du produit final
L'étiquette du Module BGM113 porte son propre identifiant IC. Si l'identifiant IC n'est pas visible quand le module est installé à l'intér-
ieur d'un autre appareil, l'extérieur de l'appareil dans lequel le module est installé doit aussi porter une étiquette faisant référence au
module qu'il contient. Dans ce cas, une étiquette comportant les informations suivantes doit être collée sur une partie visible du produit
final.
"Contient le module émetteur IC: 5123A-BGM113"
or
"Contient IC : 5123A-BGM113"
L'intégrateur FEO doit être conscient de ne pas fournir d'informations à l'utilisateur final permettant d'installer ou de retirer ce module
RF ou de changer les paramètres liés aux RF dans le mode d'emploi du produit final.
9.5 Japan
The certification of BGM113 Module in Japan is pending.
Certification number: TBD
Since September 1, 2014 it is allowed (and highly recommended) that a manufacturer who integrates a radio module in their host
equipment can place the certification mark and certification number (the same marking/number as depicted on the label of the radio
module) on the outside of the host equipment. The certification mark and certification number must be placed close to the text in the
Japanese language which is provided below. This change in the Radio Law has been made in order to enable users of the combination
of host and radio module to verify if they are actually using a radio device which is approved for use in Japan.
Figure 9.1. Text to be Placed on the Housing of the End-user Device
Translation of the text in the figure above:
“This equipment contains specified radio equipment that has been certified to the Technical Regulation Conformity Certification under
the Radio Law.”
9.6 KC (South-Korea)
The certification of BGM113 in South-Korea is pending.
Certification number: TBD
BGM113 Blue Gecko Bluetooth® Smart Module Data Sheet
Certifications
silabs.com | Smart. Connected. Energy-friendly. Preliminary Rev. 0.93 | 67

10. Revision History
10.1 Revision 0.93
2016-03-16
Minor changes.
10.2 Revision 0.92
2016-03-15
Ordering information updated.
10.3 Revision 0.91
2016-03-15
Pinout update. Antenna characteristics and layout guidelines added.
10.4 Revision 0.9
2016-03-14
Updated version for initial product release.
10.5 Revision 0.8
2016-03-04
Ready for initial product release.
10.6 Revision 0.7
2016-03-02
Initial version
BGM113 Blue Gecko Bluetooth® Smart Module Data Sheet
Revision History
silabs.com | Smart. Connected. Energy-friendly. Preliminary Rev. 0.93 | 68

Table of Contents
1. Feature List ................................1
2. Ordering Information ............................2
3. System Overview ..............................3
3.1 Introduction...............................3
3.2 Radio.................................3
3.2.1 Antenna Interface ............................3
3.2.2 Wake on Radio .............................4
3.2.3 RFSENSE ..............................4
3.2.4 Packet and State Trace ..........................4
3.2.5 Data Buffering .............................4
3.2.6 Radio Controller (RAC) ..........................4
3.2.7 Random Number Generator ........................4
3.3 Power ................................5
3.3.1 Energy Management Unit (EMU) .......................5
3.3.2 DC-DC Converter ............................5
3.4 General Purpose Input/Output (GPIO)......................5
3.5 Clocking ................................5
3.5.1 Clock Management Unit (CMU) .......................5
3.5.2 Internal Oscillators............................5
3.6 Counters/Timers and PWM .........................6
3.6.1 Timer/Counter (TIMER) ..........................6
3.6.2 Real Time Counter and Calendar (RTCC) ....................6
3.6.3 Low Energy Timer (LETIMER)........................6
3.6.4 Ultra Low Power Wake-up Timer (CRYOTIMER) .................6
3.6.5 Pulse Counter (PCNT) ..........................6
3.6.6 Watchdog Timer (WDOG) .........................6
3.7 Communications and Other Digital Peripherals ...................6
3.7.1 Universal Synchronous/Asynchronous Receiver/Transmitter (USART) ..........6
3.7.2 Low Energy Universal Asynchronous Receiver/Transmitter (LEUART) ..........7
3.7.3 Inter-Integrated Circuit Interface (I2C) .....................7
3.7.4 Peripheral Reflex System (PRS) .......................7
3.8 Security Features.............................7
3.8.1 GPCRC (General Purpose Cyclic Redundancy Check) ...............7
3.8.2 Crypto Accelerator (CRYPTO)........................7
3.9 Analog ................................7
3.9.1 Analog Port (APORT) ..........................7
3.9.2 Analog Comparator (ACMP) ........................7
3.9.3 Analog to Digital Converter (ADC) ......................8
3.9.4 Digital to Analog Current Converter (IDAC) ...................8
3.10 Reset Management Unit (RMU) .......................8
3.11 Core and Memory ............................8
3.11.1 Processor Core ............................8
3.11.2 Memory System Controller (MSC) ......................8
Table of Contents 69

3.11.3 Linked Direct Memory Access Controller (LDMA) .................8
3.12 Memory Map ..............................9
3.13 Configuration Summary ..........................10
4. Electrical Specifications .......................... 11
4.1 Electrical Characteristics ..........................11
4.1.1 Absolute Maximum Ratings ........................11
4.1.2 Operating Conditions ...........................12
4.1.2.1 General Operating Conditions .......................12
4.1.3 Current Consumption...........................13
4.1.3.1 Current Consumption 1.85 V without DC-DC Converter ..............13
4.1.3.2 Current Consumption 3.3 V without DC-DC Converter ...............14
4.1.3.3 Current Consumption 3.3 V using DC-DC Converter ...............15
4.1.3.4 Current Consumption Using Radio .....................16
4.1.4 Wake up times .............................16
4.1.5 Brown Out Detector ...........................17
4.1.6 Frequency Synthesizer Characteristics .....................17
4.1.7 2.4 GHz RF Transceiver Characteristics ....................18
4.1.7.1 RF Transmitter Characteristics for Bluetooth Smart in the 2.4 GHz Band .........18
4.1.7.2 RF Receiver Characteristics for Bluetooth Smart in the 2.4 GHz Band..........19
4.1.8 Oscillators ..............................21
4.1.8.1 LFXO ...............................21
4.1.8.2 HFXO ...............................21
4.1.8.3 LFRCO ...............................21
4.1.8.4 HFRCO and AUXHFRCO ........................22
4.1.8.5 ULFRCO ..............................23
4.1.9 Flash Memory Characteristics ........................23
4.1.10 GPIO................................24
4.1.11 VMON ...............................25
4.1.12 ADC ................................26
4.1.13 IDAC ................................28
4.1.14 Analog Comparator (ACMP) ........................30
4.1.15 I2C ................................32
4.1.16 USART SPI .............................34
4.2 Typical Performance Curves .........................36
5. Typical Connection Diagrams ........................ 37
5.1 Power, Ground, Debug and UART .......................37
5.2 SPI and I2C Peripheral Connections ......................37
6. Layout Guidelines ............................ 38
6.1 Layout Guidelines ............................38
6.2 Effect of Plastic and Metal Materials ......................39
7. Pin Definitions .............................. 40
7.1 BGM113 Definition ............................40
7.1.1 BGM113 GPIO Overview .........................45
7.2 Alternate Functionality Pinout ........................46
7.3 Analog Port (APORT) ...........................53
Table of Contents 70

8. BGM113 Package Specifications ....................... 61
8.1 BGM113 Dimensions ...........................61
8.2 BGM113 PCB Land Pattern .........................62
8.3 BGM113 Package Marking .........................63
9. Certifications .............................. 64
9.1 Bluetooth ...............................64
9.2 CE..................................64
9.3 FCC .................................64
9.4 IC ..................................66
9.5 Japan ................................67
9.6 KC (South-Korea) ............................67
10. Revision History............................. 68
10.1 Revision 0.93 .............................68
10.2 Revision 0.92 .............................68
10.3 Revision 0.91 .............................68
10.4 Revision 0.9 ..............................68
10.5 Revision 0.8 ..............................68
10.6 Revision 0.7 ..............................68
Table of Contents .............................. 69
Table of Contents 71

http://www.silabs.com
Silicon Laboratories Inc.
400 West Cesar Chavez
Austin, TX 78701
USA
Simplicity Studio
One-click access to MCU and
wireless tools, documentation,
software, source code libraries &
more. Available for Windows,
Mac and Linux!
IoT Portfolio
www.silabs.com/IoT
SW/HW
www.silabs.com/simplicity
Quality
www.silabs.com/quality
Support and Community
community.silabs.com
Disclaimer
Silicon Laboratories intends to provide customers with the latest, accurate, and in-depth documentation of all peripherals and modules available for system and software implementers using
or intending to use the Silicon Laboratories products. Characterization data, available modules and peripherals, memory sizes and memory addresses refer to each specific device, and
"Typical" parameters provided can and do vary in different applications. Application examples described herein are for illustrative purposes only. Silicon Laboratories reserves the right to
make changes without further notice and limitation to product information, specifications, and descriptions herein, and does not give warranties as to the accuracy or completeness of the
included information. Silicon Laboratories shall have no liability for the consequences of use of the information supplied herein. This document does not imply or express copyright licenses
granted hereunder to design or fabricate any integrated circuits. The products are not designed or authorized to be used within any Life Support System without the specific written consent
of Silicon Laboratories. A "Life Support System" is any product or system intended to support or sustain life and/or health, which, if it fails, can be reasonably expected to result in significant
personal injury or death. Silicon Laboratories products are not designed or authorized for military applications. Silicon Laboratories products shall under no circumstances be used in
weapons of mass destruction including (but not limited to) nuclear, biological or chemical weapons, or missiles capable of delivering such weapons.
Trademark Information
Silicon Laboratories Inc.® , Silicon Laboratories®, Silicon Labs®, SiLabs® and the Silicon Labs logo®, Bluegiga®, Bluegiga Logo®, Clockbuilder®, CMEMS®, DSPLL®, EFM®, EFM32®,
EFR, Ember®, Energy Micro, Energy Micro logo and combinations thereof, "the world’s most energy friendly microcontrollers", Ember®, EZLink®, EZRadio®, EZRadioPRO®, Gecko®,
ISOmodem®, Precision32®, ProSLIC®, Simplicity Studio®, SiPHY®, Telegesis, the Telegesis Logo®, USBXpress® and others are trademarks or registered trademarks of Silicon Laborato-
ries Inc. ARM, CORTEX, Cortex-M3 and THUMB are trademarks or registered trademarks of ARM Holdings. Keil is a registered trademark of ARM Limited. All other products or brand
names mentioned herein are trademarks of their respective holders.