Silicon Laboratories Finland WF111 IEEE 802.11 b/g/n Wi-Fi module WF111 User Manual Product Data Sheet
Silicon Laboratories Finland Oy IEEE 802.11 b/g/n Wi-Fi module WF111 Product Data Sheet
Contents
- 1. User Manual and Installations
- 2. User Manual
User Manual

WF111 – 802.11 B/G/N MODULE
DATA SHEET
Tuesday, 29 September 2015
Version 1.2.7
Bluegiga Technologies Oy
Copyright © 2000-2015 Bluegiga Technologies
All rights reserved.
Bluegiga Technologies assumes no responsibility for any errors which may appear in this manual.
Furthermore, Bluegiga Technologies reserves the right to alter the hardware, software, and/or specifications
detailed here at any time without notice and does not make any commitment to update the information
contained here. Bluegiga’s products are not authorized for use as critical components in life support devices
or systems.
The WRAP, Bluegiga Access Server, Access Point and iWRAP are registered trademarks of Bluegiga
Technologies.
The Bluetooth trademark is owned by the Bluetooth SIG Inc., USA and is licensed to Bluegiga Technologies.
All other trademarks listed herein are owned by their respective owners.

Bluegiga Technologies Oy
VERSION HISTORY
Version
Comment
1.0
First public version
1.1
Product codes updated
1.1.1
Added sleep clock specifications
1.1.2
Added frequency variation table
1.1.3
FCC and IC information added
1.1.4
WT111-N layout guide
1.1.5
Some new consumption measurements
1.1.6
Added CE information, corrected supported channels for default FCC version
1.1.7
Different coexistence pad bindings, replaced MIB keys with MIB file names
1.1.8
Listed supported coexistence schemes
1.1.9
Added tape & reel info
1.2.0
Removed unnecessary register information, changes to coexistence
description, removed references to engineering sample versions
1.2.1
Repaired broken ToC
1.2.2
MIC Japan and KCC certification info
1.2.3
Improved footprint drawing
1.2.4
EN 300 328 V1.7.1 -> V1.8.1
1.2.5
Added notes on host bus layout
1.2.6
Part numbers updated
1.2.7
Contact and antenna information updated
Bluegiga Technologies Oy
TABLE OF CONTENTS
1 Product description ........................................................................................................................................6
2 Ordering Information......................................................................................................................................7
3 Pinout and terminal descriptions ...................................................................................................................8
4 Interfaces .................................................................................................................................................... 12
4.1 Host interfaces ................................................................................................................................... 12
4.1.1 Host selection ................................................................................................................................ 12
4.1.2 SDIO interface ............................................................................................................................... 12
4.1.3 CSR Serial Peripheral Interface (CSPI) ......................................................................................... 13
4.1.4 SDIO/CSPI deep-sleep control schemes ...................................................................................... 14
4.2 Other interfaces ................................................................................................................................. 16
4.2.1 Debug SPI interface ....................................................................................................................... 16
4.2.2 Bluetooth coexistence .................................................................................................................... 16
4.2.3 Configurable I/O pads .................................................................................................................... 17
5 Power Control and Regulation ................................................................................................................... 18
5.1 Power Control and Regulation ........................................................................................................... 18
5.2 REGEN .............................................................................................................................................. 19
5.3 RESET ............................................................................................................................................... 19
6 Example Application Schematic ................................................................................................................. 20
7 Wi-Fi radio .................................................................................................................................................. 22
7.1 Wi-Fi receiver ..................................................................................................................................... 22
7.2 Wi-Fi transmitter ................................................................................................................................ 22
7.3 Antenna switch for Bluetooth coexistence ......................................................................................... 22
8 Electrical characteristics ............................................................................................................................. 23
8.1 Absolute maximum ratings ................................................................................................................ 23
8.2 Recommended Operating Conditions ............................................................................................... 23
8.3 Input/Output terminal characteristics ................................................................................................. 24
9 RF Characteristics ...................................................................................................................................... 25
10 Power Consumption .............................................................................................................................. 27
11 Physical Dimensions .............................................................................................................................. 28
12 Layout Guidelines .................................................................................................................................. 29
12.1 WF111-A ............................................................................................................................................ 29
12.2 WF111-E ............................................................................................................................................ 29
12.3 WF111-N............................................................................................................................................ 29
12.4 Thermal considerations ..................................................................................................................... 31
12.5 EMC considerations ........................................................................................................................... 31
13 Soldering Recommendations................................................................................................................. 33
14 Product packaging ................................................................................................................................. 34
Bluegiga Technologies Oy
15 Certifications .......................................................................................................................................... 35
15.1 CE ...................................................................................................................................................... 35
15.2 FCC and IC ........................................................................................................................................ 35
15.2.1 FCC et IC ................................................................................................................................... 37
15.3 MIC Japan.......................................................................................................................................... 40
15.4 KCC (South-Korea) ............................................................................................................................ 40
15.5 Qualified Antenna Types for WF111-E .............................................................................................. 40
Contact Information ........................................................................................................................................... 41

Bluegiga Technologies Oy
1 Product description
DESCRIPTION
WF111 is a fully integrated single 2.4GHz band
802.11 b/g/n module, intended for portable and
battery powered applications, where Wi-Fi
connectivity is needed. WF111 integrates an
IEEE 802.11 b/g/n radio, antenna or U.FL
antenna connector and SDIO or CSPI host
interfaces.
WF111 provides a low cost and simple Wi-Fi
solution for devices that run an operating
system and a TCP/IP stack on-board, but still
offers the benefits of a module – small form
factor, easy integration and certifications.
Bluegiga also provides WF111 drivers for the
Linux operating system.
TARGET APPLICATIONS:
PoS terminals
RFID and laser scanners
Wi-Fi internet radios and audio
streaming products
Wireless cameras
Portable navigation devices
Portable handheld devices
Wi-Fi medical sensors
Wireless picture frames
KEY FEATURES:
IEEE 802.11 b/g/n radio
o Single stream 2.4 GHz band
o Bit rates up to 72.2Mbps
Integrated antenna or U.FL connector
Hardware support for WEP, WPA and
WPA2 encryption
Soft-AP support
Temperature range: -40oC to +85oC
SDIO or CSPI host interfaces
Fully CE, FCC, IC, Japan and South-
Korea certified
Operating system drivers for Linux
PHYSICAL OUTLOOK:
Figure 1: WF111-A

Bluegiga Technologies Oy
Page 7 of 41
2 Ordering Information
WF1 1 1- X
Antenna:
A = Internal antenna
E = External
N = RF pin
WF111 Product Numbering
Confirmed products and codes
Product code
Description
WF111-A-v1
WF111 module with internal chip antenna
WF111-E-v1
WF111 module with U.FL connector for external antenna
WF111-N-v1
WF111 module with 50 RF pin (contact sales@bluegiga.com for availability)
DKWF111
WF111-A SDIO evaluation kit

Bluegiga Technologies Oy
Page 8 of 41
3 Pinout and terminal descriptions
Figure 2: WF111 pinout

Bluegiga Technologies Oy
Page 9 of 41
POWER
SUPPLIES
PIN NUMBER
DESCRIPTION
VDD_REGIN
17
Input for the internal regulators
REGEN
23
Pull high to enable internal voltage regulators (2.0V max)
GND
1, 8, 14, 21,
29, 30, 32
Ground
GND_PAD
33
Thermal pad, on bottom of WF111
VDD_ANA
10
Positive supply for PA control
VDD_PADS
19
Positive supply for the digital interfaces
VDD_SDIO
15
Positive supply for the SDIO interface
VDD_PA
28
Positive supply for the power amplifier
Table 1: Supply Terminal Descriptions
PIO
PORT
PIN
NUMBER
PAD TYPE
DESCRIPTION
PIO[0]
22
Bi-directional, programmable strength
internal pull-down/pull-up
Programmable input/output
line.
Can be used for Bluetooth co-
existence.
PIO[1]
24
PIO[2]
16
PIO[3]
20
PIO[4]
18
PIO[5]
27
Table 2: GPIO Terminal Descriptions

Bluegiga Technologies Oy
Page 10 of 41
SDIO/CSPI
Interfaces
PIN
NUMBER
PAD TYPE
DESCRIPTION
SDIO_DATA[0]
2
Bi-directional, tri-
state, weak
internal pull-up
Synchronous data input/output
SDIO_SPI_DI
SDIO SPI data output
CSPI_MISO
CSPI data output
SDIO_DATA[1]
3
Synchronous data input/output
SDIO_SPI_INT
SDIO SPI interrupt output
CSPI_INT
CSPI data input
SDIO_DATA[2]
4
Synchronous data input/output
SDIO_DATA[3]
5
Bi-directional,
weak/strong
internal pull-up
Synchronous data input/output
SDIO_SPI_CS#
SDIO SPI chip select, active low
CSPI_CS#
CSPI chip select, active low
SDIO_CLK
6
Input, weak
internal pull-up
SDIO clock
SDIO_SPI_SCLK
SDIO SPI clock
CSPI_CLK
CSPI clock
SDIO_CMD
7
Bi-directional,
weak internal
pull-up
SDIO data input
SDIO_SPI_MOSI
SDIO SPI data input
CSPI_MOSI
CSPI data input
Table 3: Host Interface Terminal Descriptions

Bluegiga Technologies Oy
Page 11 of 41
OTHER
SIGNALS
PIN
NUMBER
PAD TYPE
DESCRIPTION
RST
25
Input, weak internal pull-
up, active low
System reset
ANT
31
RF, DC blocked
Antenna output on N variant, on A
and E variants not connected
BT
9
RF, DC blocked
Bluetooth antenna sharing RF input
Table 4: Other Terminal Descriptions
DEBUG SPI
INTERFACE
PIN
NUMBER
PAD TYPE
DESCRIPTION
SPI_MISO
11
Output, tri-state, weak
internal pull-down
Synchronous data output
SPI_CLK
12
Input, weak internal
pull-down
Synchronous clock input
SPI_MOSI
13
Synchronous data input
SPI_CS
26
Debug SPI Chip select, active low
Table 5: Debug SPI Terminal Descriptions

Bluegiga Technologies Oy
Page 12 of 41
4 Interfaces
4.1 Host interfaces
WF111 can be interfaced by the host using SDIO in 1bit or 4bit mode, SDIO SPI or CSR proprietary CSPI
connection. The host connection buses can be clocked up to 50MHz. Due to the relatively high clock rate, the
bus layout should be done carefully. To prevent radiated emissions and bus errors due to reflections, the host
bus should be kept short, the signals should run over an uninterrupted ground plane and the clock line should
be series terminated with a 22 to 33 ohm resistor as close to the clock output pin of the host processor as
possible.
4.1.1 Host selection
WF111 will default to 1-bit SDIO mode. The host interface can be set with 1-bit SDIO or SDIO SPI commands
to the required mode. After mode selection, it will then remain in that mode until the module is reset either with
the RESET pin or the internal power supply supervisor.
4.1.2 SDIO interface
This is a host interface which allows a Secure Digital Input Output (SDIO) host to gain access to the internals
of the chip. All defined slave modes (SPI, SD 1bit, SD 4bit) are provided.
Two functions are supported:
Function 0 is mandatory function used for SDIO slave configuration. This contains CCCR, FBR and
CIS. CCCR registers support sleep and wakeup signaling.
Function 1 provides access to the IEEE 802.11 functionality. Command IO_RW_DIRECT (CMD52) is
used to directly access internal registers. IO_RW_EXTENDED (CMD53) is used for block transfer
to/from module MMU buffers.
Command
SD Mode (1/4 bit)
SDIO SPI Mode
GO_IDLE_STATE (CMD0)
Y
Y
SEND_RELATIVE_ADDR (CMD3)
Y
N
IO_SEND_OP_COND (CMD5)
Y
Y
SELECT/DESELECT_CARD (CMD7)
Y
N
GO_INACTIVE_STATE (CMD15)
Y
N
IO_RW_DIRECT (CMD52)
Y
Y
IO_RW_EXTENDED (CMD53)
Y
Y
CRC_ON_OFF (CMD59)
N
Y
Table 6: Supported commands per mode
For more information and detailed descriptions of above functions and commands, see the following
specifications:
SD Specifications Part 1 Physical Layer Specification v.1.10

Bluegiga Technologies Oy
Page 13 of 41
SD Specification Part E1 SDIO Specification v.1.10
4.1.3 CSR Serial Peripheral Interface (CSPI)
The CSPI is a host interface which shares pins with the SDIO. It contains a number of modifications on the
SDIO SPI specification aimed at increasing the host bus efficiency in hosts supporting SPI but not SDIO. The
main advantages compared to SDIO SPI are:
Burst transfer is continuous instead of blocks with CRC
Timings are deterministic (fixed number of clocks) reducing the required interaction
16 bit registers are transferred as a single command instead of two 8 bit writes
MMU buffers are accessed using burst read/writes. The command and address fields are used to select the
correct buffer. The CSPI is able to generate an interrupt to the host when a memory access fails. This
interrupt line is shared with the SDIO functions.
The CSPI Interface is an extension of the basic SPI Interface, with the access type determined by the
following fields:
8-bit command
24-bit address
16-bit burst length (optional). Only applicable for burst transfers into or out of the MMU
4.1.3.1 CSPI read/write cycles
Register read/write cycles are used to access Function 0, Bluetooth acceleration and MCU registers.
Burst read/write cycles are used to access the MMU.
4.1.3.2 CSPI register write cycle
The command and address are locked into the slave, followed by 16bits of write data. An Error Byte is
returned on the MISO signal indicating whether or not the transfer has been successful.
Figure 3: CSPI Register Write Cycle
4.1.3.3 CSPI register read cycle
The command and address field are clocked into the slave, the slave then returns the following:
Bytes of padding data (MISO held low)
Error byte
16-bits of read data

Bluegiga Technologies Oy
Page 14 of 41
Figure 4: CSPI Register Read Cycle
4.1.3.4 CSPI register burst write cycle
Burst transfers are used to access the MMU buffers. They cannot be used to access registers. Burst
read/write cycles are selected by setting the nRegister/Burst bit in the command field to 1.
Burst transfers are byte orientated, have a minimum length of 0 bytes and a maximum length of 64kbytes.
Setting the length field to 0 results in no data being transferred to or from the MMU.
As with a register access, the command and address fields are transferred first. There is an optional length
field transferred after the address. The use of the length field is controlled by the LengthFieldPresent bit in the
Function 0 registers, which is cleared on reset.
Figure 5: CSPI Burst Write Cycle
4.1.3.5 CSPI register read cycle
Burst reads have a programmable amount of padding data that is returned by the slave. 0-15 bytes are
returned as defined in the BurstPadding register. Following this the Error byte is returned followed by the data.
Once the transfer has started, no further padding is needed.
A FIFO within SDIO_TOP will pre-fetch the data. The address is not retransmitted, and is auto-updated within
the slave.
The length field is transmitted if LengthFieldPresent in the Function 0 registers is set. In the absence of a
length field the CSB signal is used to indicate the end of the burst.
Figure 6: CSPI Burst Read Cycle
4.1.4 SDIO/CSPI deep-sleep control schemes
The module automatically enters deep sleep to minimize power consumption after a while of idling. Deep
sleep is the lowest power mode, where the processor, the internal reference (fast) clock, and much of the
digital and analogue hardware are shut down. The SDIO communication system however remains on, and is
clocked by the host system. During deep sleep only the function 0 is available, while attempts to access
Bluegiga Technologies Oy
Page 15 of 41
Function 1 will likely result in bus timeouts. Function 0 is also available when the Wi-Fi core is physically
powered off, as long as the VDD_SDIO supply is present.
Control of when the module is allowed to enter deep sleep is done via Vendor Unique Register in CCCR in
function 0. Wake-up is also initiated through this register. The module will initiate an SDIO interrupt when the
wake-up is complete.

Bluegiga Technologies Oy
Page 16 of 41
4.2 Other interfaces
4.2.1 Debug SPI interface
A separate SPI bus is provided at the module pads for device access during testing and uploading settings
during application development and manufacturing. This interface cannot be used as a host interface. It is
recommended to bring these to a connector or test pads in case RF certification measurements that cannot be
made through the host connection are required with the finished design. If it is not expected that certification
measurements would be needed, the debug SPI pads should be left unconnected. The pads do not need
external pull-ups when unconnected.
The debug SPI bus has logic levels set by the VDD_PADS reference supply line.
4.2.2 Bluetooth coexistence
Bluetooth coexistence systems allow co-located Wi-Fi and Bluetooth devices to be aware of each other and to
avoid simultaneous transfers that would degrade link performance. WF111 supports a number of different
coexistence schemes with up to 6 control lines for hardware communication between the two devices.
For reliable simultaneous communication both stacks need to be able to communicate together, in practice a
common driver system needs to be used so the packet priorities can be communicated between the stacks.
With separate stacks the only communication channel is the hardware interface and the devices have only
high and low priorities in use. As Wi-Fi data will automatically get higher priority than Bluetooth, high data
throughput on Wi-Fi may lead to poor Bluetooth operation when used simultaneously.
Wi-Fi and Bluetooth may use separate antennas, or share a single antenna through a switch. With a shared
antenna, usually two additional signals are needed to control the front end switch. WF111 contains an internal
switch for separating Wi-Fi and Bluetooth transmissions. (See chapter 7.3.)
For use with CSR-based Bluetooth (BC4 to BC6 with firmware version 21 or later, BC7 and onwards with all
versions), Unity-3e+ is recommended as the coexistence scheme. Unity-3e is an enhanced version of the 3-
wire Unity-3 –scheme that uses tighter timings and uses the three control lines also for antenna switch control,
removing the need for the two separate switch control lines. Unity-3e+, or Unity-3e with Unity+ adds an
additional BT_PERIODIC signal to communicate the need for a periodic transmission from the Bluetooth to
the Wi-Fi, allowing a guaranteed low-latency throughput for certain Bluetooth applications despite high Wi-Fi
usage. This allows reliable audio connections that would otherwise suffer from the Wi-Fi’s higher priority. Use
of Unity+ requires the use of a combined stack driver. Without software support, the periodic signaling cannot
be initialized.
Figure 7: Coexistence signals between WF111 and WT21 Bluetooth module (not showing antenna
sharing connection)
Bluegiga Technologies Oy
Page 17 of 41
Using the Unity-3e+ scheme and the pictured PIO pad bindings, the MIB file mib111_drv_coex.dat should be
used. If needed, the PIO pads PIO[3], PIO[5], PIO[4] and PIO[2] can also be used for BT_STATUS,
BT_ACTIVE, WLAN_DENY and BT_PERIODIC, respectively, in which case the MIB file
mib111_drv_coex_alt.dat should be chosen.
On the DKWF111 evaluation board, the PIO[5] pad is connected to an activity led, which is supported by the
MIB files mib111_drv_led.dat and mib111_drv_coex_led.dat, the latter of which contains signal bindings for
the scheme pictured above.
The PSKEYs for the Unity-3e+ on the WT21 are:
PSKEY_LC_COMBO_DISABLE_PIO_MASK (0x0028) = 0x0200 0x0000 0x0000
PSKEY_LC_COMBO_DOT11_CHANNEL_PIO_BASE (0x002A) = 0x0011
PSKEY_LC_COMBO_DOT11_ESCO_RTX_PRIORITY ( 0x0050) = 0x0001
PSKEY_LC_COMBO_DOT11_PULL_DISABLE_MASK (0x005A) = 0x0200
PSKEY_LC_COMBO_DOT11_PERIODIC_PIO_MASK (0x005C) = 0x0010 0x0000
PSKEY_LC_COMBO_DOT11_T1 (0x005E) = 0x0043
PSKEY_LC_COMBO_DOT11_T2 (0x005F) = 0x000A
PSKEY_TXRX_PIO_CONTROL (0x0209) = 0x0001
WF111 has hardware support for 3-wire, 4-wire, Unity-3e and Unity+ coexistence schemes. The default MIB
files support only Unity-3e with Unity+. For other coexistence schemes a custom MIB is required, for more
information please contact Bluegiga technical support.
4.2.3 Configurable I/O pads
A number of programmable bi-directional input/outputs (I/O) are provided. PIO[0:5] logic levels are referred to
the VDD_PADS supply line.
PIO lines can be configured through software to implement various automated functions or as generic inputs
or outputs. As inputs the lines can be configured to have either weak or strong pull-ups or pull-downs. All PIO
lines are configured as inputs with weak pull-downs at reset.
In addition to the coexistence functions, any of the PIO lines can be configured as interrupt request lines,
wake-up lines from sleep modes, status led drivers with multiple internally generated modes, general I/O pins
controlled by the host, or as a 32.768 kHz sleep clock input.
For further information, please contact Bluegiga technical support.
Note: All unused signals can be left floating. The GPIO lines have internal pull-downs.

Bluegiga Technologies Oy
Page 18 of 41
5 Power Control and Regulation
5.1 Power Control and Regulation
Figure 8: System block diagram
WF111 contains four linear regulators supplying clean voltages for the different parts of the system. All of
them produce a 1.2V output voltage, and are fed from a common input, VDD_REGIN. This input can be
supplied with a voltage between 1.45-2.0V, typically 1.5V or 1.8V. The VDD_REGIN supply should be
relatively clean of ripple and switching spikes in order to avoid degrading the RF performance.
WF111 also needs four other supply lines connected in addition to VDD_REGIN:
VDD_PADS provides a reference voltage for matching voltage levels of the host system to the GPIO
pins used for Bluetooth coexistence and other functions. This can range from 1.7V to 3.6V. The
current drawn from this supply is negligible.
VDD_SDIO provides a reference voltage for matching voltage levels of the host system to the SDIO
connection. This can range from 1.7V to 3.6V. The current drawn from this supply depends on bus
usage, but with no active data transfer will be negligible.
VDD_ANA provides a reference voltage for communication between the Wi-Fi chip and the power
amplifier. This should be between 1.7V and 3.6V. The current drawn from this supply is negligible.
VDD_PA is a separate supply voltage for the Wi-Fi power amplifier. This supply will draw considerable
currents in pulses. The power traces should be relatively wide. This voltage can range from 2.7V to
4.8V making use directly from a single lithium cell possible. A higher supply voltage will not affect the
power amplifiers current draw significantly. The regulator supplying VDD_PA should be capable of
reacting to load changes within 5µs. Note: VDD_PA has an internal 2.2µF ceramic bypass
capacitor, it should be made certain the regulator feeding VDD_PA is stable with ceramic load
capacitors.
These voltages are not tied to each other and any combination of supply voltages within the specified limits
can be used.
Bluegiga Technologies Oy
Page 19 of 41
In a 3.3V logic level host system all other supplies would usually be tied to the 3.3V supply, with a separate
regulator providing the 1.45-2.0V supply for the Wi-Fi core. A switch mode regulator with 1.5V output is
recommended for minimum power consumption. Please see the example schematic in this datasheet.
In a 1.8V logic level host system, all other supplies can be connected to the 1.8V supply rail except VDD_PA
which should be connected to a 2.7-4.8V supply.
The higher voltage supplies should be powered before or at the same time as the core supply line, i.e. the
VDD_REGIN should be powered up last. Powering the core first may lead to the GPIO and SDIO blocks
booting into an inaccessible state.
External high frequency bypassing for any the supply lines is not required, all supplies contain internal
capacitors. If the VDD_PA line is fed directly from a battery or there are concerns about the speed of the
regulator feeding it, a capacitor of around 100µF should be connected close to the module.
Note: All supply voltages and ground lines must be connected.
5.2 REGEN
The regulator enable pin REGEN is used to enable the WF111. REGEN enables the regulators of the digital
and analog core supply voltages.
The pin is active high, with a logic threshold of around 1V, and has a weak pull-down. REGEN can tolerate
voltages up to 2.0V, and may be connected directly to the internal voltage regulator input (VDD_REGIN) to
permanently enable the device. Part of the regulators can also be disabled by firmware in power saving
modes. The VDD_REGIN supply can also be externally switched off while leaving the other supply voltages
powered.
Cutting power to the core will fully shut down the module internal processors and returning power will cause a
power-on reset, requiring a full initialization of the module.
The REGEN pin will not disable system blocks not supplied by the core supply, meaning the coexistence
interface and the SDIO Function 0 are available even when the core is powered off.
5.3 RESET
WF111 may be reset from several sources: RESET pin, power-on reset, via software configured watchdog
timers as well as through the SDIO/CSPI host interface.
The RESET pin is an active low reset and is internally filtered using the internal low frequency clock oscillator.
A reset is performed between 1.5 and 4.0ms following RESET being active. It is recommended that RESET
be applied for a period greater than 5ms.
The power-on reset occurs when the core supply (generated by the internal 1.2V linear regulator) falls below
typically 1.05V and is released when core voltage rises above typically 1.10V. At reset regardless of the
source the digital I/O pins are set to a high impedance state with weak pull-downs, except RESET and
DEBUG_SPI_CS# which have a weak pull-up. The host connection interface is only reset by the RESET pin
or a power-on reset.
A power-on reset can be achieved through powering down the digital core by either externally cutting the
VDD_REGIN supply or giving a low pulse to the REGEN-pad. If REGEN is connected to the host system for
powering down the module, or a separate core power switch is implemented, the RESET pin can be tied
permanently to a supply voltage line.
Following a reset, WF111 automatically generates internally the clocks needed for safe boot-up of the internal
processors. The crystal oscillator is then configured by software with the correct input frequency.
Note: holding the RESET line low will not drive the module into a low power consumption mode, it
can’t be used as a power-off signal

Bluegiga Technologies Oy
Page 20 of 41
6 Example Application Schematic
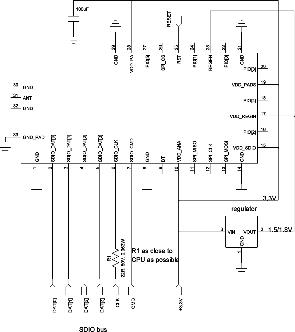
Figure 9: An example application circuit with SDIO host connection, 3.3V level host logic and 1.5/1.8V
core supply, REGEN hard wired to the core supply and RST pad used to reset the module (Note: with
N-variant ANT-pad and associated grounds would also be connected)

Bluegiga Technologies Oy
Page 21 of 41
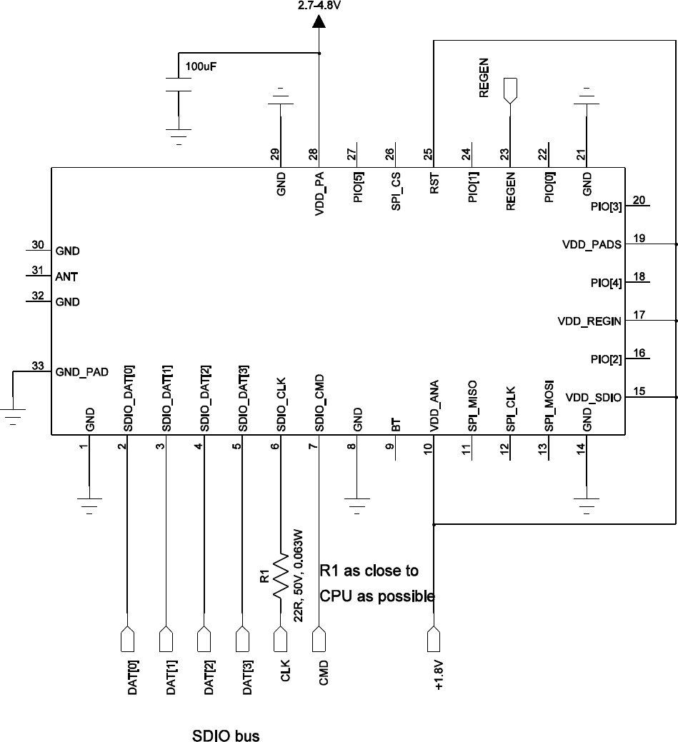
Figure 10: An example application circuit with SDIO host connection, 1.8V level host logic and a
separate power amplifier supply, RST hard wired to the core supply and REGEN pad used to power off
and reset the module (Note: with N-variant ANT-pad and associated grounds would also be
connected)
Bluegiga Technologies Oy
Page 22 of 41
7 Wi-Fi radio
7.1 Wi-Fi receiver
The receiver features direct conversion architecture. Sufficient out-of-band blocking specification at the Low
Noise Amplifier (LNA) input allows the receiver to be used in close proximity to Global System for Mobile
Communications (GSM) and Wideband Code Division Multiple Access (W-CDMA) cellular phone transmitters
without being desensitized. High-order baseband filters ensure good performance against in-band
interference.
7.2 Wi-Fi transmitter
The transmitter features a direct IQ modulator. Digital baseband transmit circuitry provides the required
spectral shaping and on-chip trims are used to reduce IQ modulator distortion. Transmitter gain can be
controlled on a per-packet basis, allowing the optimization of the transmit power as a function of modulation
scheme.
The internal Power Amplifier (PA) has a maximum output power of +15dBm for IEEE 802.11g/n and +16dBm
for IEEE 802.11b. The module internally compensates for PA gain and reference oscillator frequency drifts
with varying temperature and supply voltage.
7.3 Antenna switch for Bluetooth coexistence
WF111 supports sharing the integrated antenna or antenna connector with a Bluetooth device through the
BT_RF pad. The module contains a bypass switch to route the Bluetooth signal directly to the antenna, and
supports using the internal LNA for Bluetooth reception. The switch is controlled through the coexistence
interface. Using the switch will require either two extra control lines or support for Unity-3e scheme for both
devices.
Antenna sharing will require full re-certification of both modules used for FCC due to the changed antenna
path and some radiated emission measurements for CE. Without a combined stack driver, the coexistence
system will have reduced performance and antenna sharing will reduce it further during simultaneous
communication. The antenna switch will also have some losses which will reduce Bluetooth range. For low
rate communication or non-simultaneous use the system should function well.
Currently, Bluegiga does not recommend antenna sharing due to the suboptimal performance.

Bluegiga Technologies Oy
Page 23 of 41
8 Electrical characteristics
8.1 Absolute maximum ratings
Rating
Min
Max
Unit
Storage temperature
-40
85
°C
VDD_PADS, VDD_ANA, VDD_SDIO
-0.4
3.6
V
VDD_REGIN, REGEN
-0.4
2.5
V
VDD_PA
-0.4
6
V
Other terminal voltages
VSS+0.3
VDD+0.3
V
Table 7: Absolute Maximum Ratings
8.2 Recommended Operating Conditions
Rating
Min
Max
Unit
Operating temperature range (a)
-40
85
°C
VDD_PADS, VDD_SDIO, VDD_ANA
1.7
3.6
V
VDD_PA
2.7
4.8
V
VDD_REGIN
1.45
2
V
Table 8: Recommended Operating Conditions
(a) The module will heat up depending on use, at high transmit duty cycles the maximum operating
temperature may need to be derated. See chapter 12.4

Bluegiga Technologies Oy
Page 24 of 41
8.3 Input/Output terminal characteristics
Digital Terminals
Min
Typ
Max
Unit
Input Voltage Levels
VIL input logic level low 1.7V ≤ VDD ≤ 3.6V
-0.3
-
0.25*Vdd
V
VIH input logic level low 1.7V ≤ VDD ≤ 3.6V
0.625*Vdd
-
VDD+0.3
V
Output Voltage Levels
VOL output logic level low 1.7V ≤ VDD ≤ 3.6V,
(Io = 4.0 mA)
-
-
0.4
V
VOH output logic level low 1.7V ≤ VDD ≤ 3.6V,
(Io = -4.0 mA)
0.75*Vdd
-
Vdd
V
Input Tri-state Current with:
Strong pull-up
-150
-40
-10
µA
Strong pull-down
10
40
150
µA
Weak pull-up
-5
-1
-0.33
µA
Weak pull-down
0.33
1
5
µA
I/O pad leakage current
-1
0
1
µA
Pad input capacitance
1
-
5
pF
Table 9: Digital terminal electrical characteristics

Bluegiga Technologies Oy
Page 25 of 41
9 RF Characteristics
Min
max
Channel
1
11 (13)
Support for modules with 13 channels
enabled can be by specific order by
contacting Bluegiga Sales. MOQ will apply.
With 13 channels enabled, the FCC
certification will not apply.
Frequency
2412
2462 (2472)
MHz
Table 10: Supported frequencies
Standard
Supported bit rates
802.11b
1, 2, 5.5, 11 Mbps
802.11g
6, 9, 12, 18, 24, 36, 48, 54 Mbps
802.11n, HT, 20MHz, 800ns
6.5, 13, 19.5, 26, 39, 52, 58.5, 65 Mbps
802.11n, HT, 20MHz, 400ns
7.2, 14.4, 21.7, 28.9, 43.3, 57.8, 65, 72.2 Mbps
Table 11: Supported modulations
802.11b
Typ
802.11g
Typ
802.11n short GI
Typ
802.11n long GI
Typ
1 Mbps
-97 dBm
6 Mbps
-92 dBm
6.5 Mbps
-91 dBm
7.2 Mbps
-92 dBm
2 Mbps
-95 dBm
9 Mbps
-91 dBm
13 Mbps
-87 dBm
14.4 Mbps
-90 dBm
5.5 Mbps
-93 dBm
12 Mbps
-89 dBm
19.5 Mbps
-85 dBm
21.7 Mbps
-87 dBm
11 Mbps
-89 dBm
18 Mbps
-87 dBm
26 Mbps
-82 dBm
28.9 Mbps
-84 dBm
24 Mbps
-84 dBm
39 Mbps
-78 dBm
43.3 Mbps
-80 dBm
36 Mbps
-80 dBm
52 Mbps
-74 dBm
57.8 Mbps
-75 dBm
48 Mbps
-75 dBm
58.5 Mbps
-71 dBm
65 Mbps
-72 dBm
54 Mbps
-73 dBm
65 Mbps
-68 dBm
72.2 Mbps
-69 dBm
Table 12: Receiver sensitivity

Bluegiga Technologies Oy
Page 26 of 41
Modulation type
Min
Typ
Max
802.11b
+15
+16
+17
dBm
802.11g
+14
+15
+16
dBm
802.11n
+14
+15
+16
dBm
Table 13: Transmitter output power at maximum setting
Operating mode
Min
Typ
Max
Switch loss (TX and RX)
-2.5
-3
-3.5
dB
Table 14: BT antenna sharing interface properties
Typ
Max
802.11 limit (total error)
Variation between individual units
+/-5
+/-10
+/-25
ppm
Variation with temperature
+/-3
+/-10
+/-25
ppm
Table 15: Carrier frequency accuracy

Bluegiga Technologies Oy
Page 27 of 41
10 Power Consumption
Operating mode
VDD_PA/peak
VDD_PA/typ
VDD_REGIN/peak
VDD_REGIN/typ
Transmit (802.11b, 1M, +16dBm)
248 mA
190 mA
240 mA
100 mA
Transmit (802.11b, 1M, +8dBm)
144 mA
90 mA
Transmit (802.11g, 54M,
+15dBm)
154 mA
104 mA
Receive, no data
12 mA
10.5 mA
240 mA
114 mA
Deep sleep
9 µA
75 µA
Table 16: Current consumption during specific operating modes
Operating mode
Bit rate
Throughput (sw. limited)
Current/3.3V
Transmit/802.11n
65 Mbps
12 Mbps
144 mA
Transmit/802.11g
18 Mbps
5.9 Mbps
192 mA
Transmit/802.11b
11 Mbps
4.8 Mbps
192 mA
Transmit/802.11b
1 Mbps
920 kbps
184 mA
Transmit/802.11n
72.2 Mbps
1 Mbps
74 mA*
Transmit/802.11g
54 Mbps
1 Mbps
78 mA
Transmit/802.11g
18 Mbps
1 Mbps
86 mA
Transmit/802.11b
11 Mbps
1 Mbps
94 mA
Transmit/802.11b
2 Mbps
1 Mbps
158 mA
Receive
72 Mbps
16.5 Mbps
88 mA
Receive
72 Mbps
1 Mbps
70 mA*
Idle, associated
1.7 mA**
Idle, non-associated
110µA
Table 17: Average current consumption in normal use with various constant throughputs measured
from evaluation board test point (Preliminary)
*) Note 1: The module draws about 70mA in idle mode without power saves enabled.
**) Note 2: With 100ms beacon interval and full power save enabled. Increasing beacon interval will reduce
consumption further.

Bluegiga Technologies Oy
Page 28 of 41
11 Physical Dimensions
Figure 11: Physical dimensions
Figure 12: WF111 recommended PCB land pattern

Bluegiga Technologies Oy
Page 29 of 41
12 Layout Guidelines
12.1 WF111-A
Figure 13: Recommended layouts, on board corner and on board edge
See figure 13: recommended layout for the suggested module layout. The impedance matching of the
antenna is designed for a layout similar to the module evaluation board. For an optimal performance of the
antenna the layout should strictly follow the layout example shown in figure 8 and the thickness of FR4 should
be between 1 and 2 mm, preferably 1.6mm.
Any dielectric material close to the antenna will change the resonant frequency and it is recommended not to
place a plastic case or any other dielectric closer than 5 mm from the antenna.
ANY metal in close proximity of the antenna will prevent the antenna from radiating freely. It is recommended
not to place any metal or other conductive objects closer than 20 mm to the antenna except in the directions
of the ground planes of the module itself.
For optimal performance, place the antenna end of the module outside any metal surfaces and objects in the
application, preferably on the device corner. The larger the angle in which no metallic object obstructs the
antenna radiation, the better the antenna will work.
DO NOT place WF111-A in the middle of the application board. Even with a board cutout around the
antenna the range will be bad.
The three pads on the antenna end of the WF111-A can be connected to the ground or left unsoldered.
12.2 WF111-E
RF output can be taken directly from the U.FL connector of the module, and no antenna clearances need to
be made for the module. The three pads on the antenna end of the module can be connected to the ground or
left unsoldered.
12.3 WF111-N
Antenna connection is routed to pad 31. Pads 30 and 32 beside the antenna connection should be properly
connected to the ground plane. No antenna clearances are needed for the module itself. The antenna trace
should be properly impedance controlled and kept short. Figure 14 shows a typical 50 ohm trace from the RF
pin to a SMA connector.

Bluegiga Technologies Oy
Page 30 of 41
Figure 14: Typical 50 trace for WF111-N
A transmission line impedance calculator, such as TX-Line made by AWR, can be used to approximate the
dimensions for the 50 ohm transmission line. Figure 15 shows an example for two different 50 ohm
transmission lines.
FR4, εr= 4.6
Prepreg, εr= 3.7
W = 0.15 mm
h = 0.076 mm
G = 0.25 mm
GND stitching vias
RF GROUND
RF GROUND RF GROUND
RF GROUND
FR4, εr= 4.6 h = 1 mm
W = 1.8 mm
MICROSTRIP
CPW Ground
Figure 15: Example cross section of two different 50 ohm transmission line
Bluegiga Technologies Oy
Page 31 of 41
12.4 Thermal considerations
The WF111 module may at continuous full power transmit consume up to 1 W of DC power, most of which is
drawn by the power amplifier. Most of this will be dissipated as heat. In any application where high ambient
temperatures and constant transmissions for more than a few seconds can occur, it is important that a
sufficient cooling surface is provided to dissipate the heat.
The thermal pad in the bottom of the module must be connected to the application board ground
planes by soldering. The application board should provide a number of vias under and around the pad to
conduct the produced heat to the board ground planes, and preferably to a copper surface on the other side of
the board in order to dissipate the heat into air.
The module internal thermal resistance should in most cases be negligible compared to the thermal resistance
from the module into air, and common equations for surface area required for cooling can be used to estimate
the temperature rise of the module. Only copper planes on the circuit board surfaces with a solid thermal
connection to the module ground pad will dissipate heat. For an application with high transmit duty cycles
(low bit rate, high throughput, long bursts or constant streaming) the maximum allowed ambient temperature
should be reduced due to inherent heating of the module, especially with small fully plastic enclosed
applications where heat transfer to ambient air is low due to low thermal conductivity of plastic.
The module measured on the evaluation board exhibits a temperature rise of about 25oC above ambient
temperature when continuously transmitting IEEE 802.11b at full power with minimal off-times and no collision
detection (a worst case scenario regarding power dissipation). An insufficiently cooled module will rapidly heat
beyond operating range in ambient room temperature.
12.5 EMC considerations
Following recommendations helps to avoid EMC problems arising in the design. Note that each design is
unique and the following list do not consider all basic design rules such as avoiding capacitive coupling
between signal lines. Following list is aimed to avoid EMC problems caused by RF part of the module.
Do not remove copper from the PCB more than needed. For proper operation the antenna requires a
solid ground plane with as much surface area as possible. Use ground filling as much as possible.
Connect all grounds together with multiple vias. Do not leave small floating unconnected copper areas
or areas connected by just one via, these will act as additional antennas and raise the risk of
unwanted radiations.
Do not place a ground plane underneath the antenna. The grounding areas under the module should
be designed as shown in Figure 13: Recommended layout.
When using overlapping ground areas use conductive vias separated max. 3 mm apart at the edge of
the ground areas. This prevents RF from penetrating inside the PCB. Use ground vias extensively all
over the PCB. All the traces in (and on) the PCB are potential antennas. Especially board edges
should have grounds connected together at short intervals (stitching) to avoid resonances.
Avoid current loops. Keep the traces with sensitive, high current or fast signals short, and mind the
return current path, having a short signal path is not much use if the associated ground path between
the ends of the signal trace is long. Remember, ground is also a signal trace. The ground will conduct
the same current as the signal path and at the same frequency, power and sensitivity.
Split a ground plane ONLY if you know exactly what you are doing. Splitting the plane may cause
more harm than good if applied incorrectly. The ground plane acts as a part of the antenna system.
Insufficient ground planes or large separate sensitive signal ground planes will easily cause the
coupled transmitted pulses to be AM-demodulated by semiconductor junctions around the board,
degrading system performance.

Bluegiga Technologies Oy
Page 32 of 41
Overlapping GND layers without
GND stitching vias Overlapping GND layers with
GND stitching vias shielding the
RF energy
Figure 16: Use of stitching vias to avoid emissions from the edges of the PCB
Bluegiga Technologies Oy
Page 33 of 41
13 Soldering Recommendations
WF111 is compatible with industrial standard reflow profile for Pb-free solders. The reflow profile used is
dependent on the thermal mass of the entire populated PCB, heat transfer efficiency of the oven and
particular type of solder paste used. Consult the datasheet of particular solder paste for profile configurations.
Bluegiga Technologies will give following recommendations for soldering the module to ensure reliable solder
joint and operation of the module after soldering. Since the profile used is process and layout dependent, the
optimum profile should be studied case by case. Thus following recommendation should be taken as a
starting point guide.
- Refer to technical documentations of particular solder paste for reflow profile configurations
- Avoid using more than one flow.
- Reliability of the solder joint and self-alignment of the component are dependent on the solder volume.
Minimum of 150m stencil thickness is recommended.
- Aperture size of the stencil should be 1:1 with the pad size.
- A low residue, “no clean” solder paste should be used due to low mounted height of the component.
- If the vias used on the application board have a diameter larger than 0.3mm, it is recommended to
mask the via holes at the module side to prevent solder wicking through the via holes. Solders have a
habit of filling holes and leaving voids in the thermal pad solder junction, as well as forming solder balls
on the other side of the application board which can in some cases be problematic.

Bluegiga Technologies Oy
Page 34 of 41
14 Product packaging

Bluegiga Technologies Oy
Page 35 of 41
15 Certifications
WF111 is compliant to the following specifications:
15.1 CE
WF111 is in conformity with the essential requirements and other relevant requirements of the R&TTE
Directive (1999/5/EC). The product is conformity with the following standards and/or normative documents.
EMC (immunity only) EN 301 489-17 V.1.3.2 in accordance with EN 301 489-1 V1.8.1
Radiated emissions EN 300 328 V1.8.1
15.2 FCC and IC
This device complies with Part 15 of the FCC Rules. Operation is subject to the following two conditions:
(1) this device may not cause harmful interference, and
(2) this device must accept any interference received, including interference that may
cause undesired operation.
FCC RF Radiation Exposure Statement:
This equipment complies with FCC radiation exposure limits set forth for an uncontrolled environment. End
users must follow the specific operating instructions for satisfying RF exposure compliance. This transmitter
must not be co-located or operating in conjunction with any other antenna or transmitter. This transmitter is
considered as mobile device and should not be used closer than 20 cm from a human body. To allow portable
use in a known host class 2 permissive change is required. Please contact support@bluegiga.com for detailed
information.
IC Statements:
This device complies with Industry Canada license-exempt RSS standard(s). Operation is subject to the
following two conditions: (1) this device may not cause interference, and (2) this device must accept any
interference, including interference that may cause undesired operation of the device.
Under Industry Canada regulations, this radio transmitter may only operate using an antenna of a type and
maximum (or lesser) gain approved for the transmitter by Industry Canada. To reduce potential radio
interference to other users, the antenna type and its gain should be so chosen that the equivalent isotropically
radiated power (e.i.r.p.) is not more than that necessary for successful communication.
If detachable antennas are used:
This radio transmitter (identify the device by certification number, or model number if Category II) has been
approved by Industry Canada to operate with the antenna types listed below with the maximum permissible
gain and required antenna impedance for each antenna type indicated. Antenna types not included in this list,

Bluegiga Technologies Oy
Page 36 of 41
having a gain greater than the maximum gain indicated for that type, are strictly prohibited for use with this
device. See table 22 for the approved antennas for WF111-E and WF111-N.
OEM Responsibilities to comply with FCC and Industry Canada Regulations
The WF111 Module has been certified for integration into products only by OEM integrators under the
following conditions:
The antenna(s) must be installed such that a minimum separation distance of 20cm is maintained
between the radiator (antenna) and all persons at all times.
The transmitter module must not be co-located or operating in conjunction with any other antenna or
transmitter.
As long as the two conditions above are met, further transmitter testing will not be required. However, the
OEM integrator is still responsible for testing their end-product for any additional compliance requirements
required with this module installed (for example, digital device emissions, PC peripheral requirements, etc.).
IMPORTANT NOTE: In the event that these conditions cannot be met (for certain configurations or co-location
with another transmitter), then the FCC and Industry Canada authorizations are no longer considered valid
and the FCC ID and IC Certification Number cannot be used on the final product. In these circumstances, the
OEM integrator will be responsible for re-evaluating the end product (including the transmitter) and obtaining a
separate FCC and Industry Canada authorization.
End Product Labeling
The WF111 Module is labeled with its own FCC ID and IC Certification Number. If the FCC ID and IC
Certification Number are not visible when the module is installed inside another device, then the outside of the
device into which the module is installed must also display a label referring to the enclosed module. In that
case, the final end product must be labeled in a visible area with the following:
“Contains Transmitter Module FCC ID: QOQWF111”
“Contains Transmitter Module IC: 5123A-BGTWF111”
or
“Contains FCC ID: QOQWF111
“Contains IC: 5123A-BGTWF111”
The OEM of the WF111 Module must only use the approved antenna(s) described in table 22, which have
been certified with this module.
The OEM integrator has to be aware not to provide information to the end user regarding how to install or
remove this RF module or change RF related parameters in the user manual of the end product.
To comply with FCC and Industry Canada RF radiation exposure limits for general population, the
antenna(s) used for this transmitter must be installed such that a minimum separation distance of
20cm is maintained between the radiator (antenna) and all persons at all times and must not be co-
located or operating in conjunction with any other antenna or transmitter.

Bluegiga Technologies Oy
Page 37 of 41
15.2.1 FCC et IC
Cet appareil est conforme à l’alinéa 15 des règles de la FCC. Deux conditions sont à respecter lors de
son utilisation :
(1) cet appareil ne doit pas créer d’interférence susceptible de causer un quelconque dommage et,
(2) cet appareil doit accepter toute interférence, quelle qu’elle soit, y compris les interférences
susceptibles d’entraîner un fonctionnement non requis.
Déclaration de conformité FCC d’exposition aux radiofréquences (RF):
Ce matériel respecte les limites d’exposition aux radiofréquences fixées par la FCC dans un environnement
non contrôlé. Les utilisateurs finaux doivent se conformer aux instructions d’utilisation spécifiées afin de
satisfaire aux normes d’exposition en matière de radiofréquence. Ce transmetteur ne doit pas être installé ni
utilisé en concomitance avec une autre antenne ou un autre transmetteur. Ce transmetteur est assimilé à un
appareil mobile et ne doit pas être utilisé à moins de 20 cm du corps humain. Afin de permettre un usage
mobile dans le cadre d’un matériel de catégorie 2, il est nécessaire de procéder à quelques adaptations. Pour
des informations détaillées, veuillez contacter le support technique Bluegiga : support@bluegiga.com.
Déclaration de conformité IC :
Ce matériel respecte les standards RSS exempt de licence d’Industrie Canada. Son utilisation est soumise
aux deux conditions suivantes :
(1) l’appareil ne doit causer aucune interférence, et
(2) l’appareil doit accepter toute interférence, quelle qu’elle soit, y compris les interférences
susceptibles d’entraîner un fonctionnement non requis de l’appareil.
Selon la réglementation d’Industrie Canada, ce radio-transmetteur ne peut utiliser qu’un seul type d’antenne
et ne doit pas dépasser la limite de gain autorisée par Industrie Canada pour les transmetteurs. Afin de
réduire les interférences potentielles avec d’autres utilisateurs, le type d’antenne et son gain devront être
définis de telle façon que la puissance isotrope rayonnante équivalente (EIRP) soit juste suffisante pour
permettre une bonne communication.
Lors de l’utilisation d’antennes amovibles :
Ce radio-transmetteur (identifié par un numéro certifié ou un numéro de modèle dans le cas de la catégorie II)
a été approuvé par Industrie Canada pour fonctionner avec les antennes référencées ci-dessous dans la
limite de gain acceptable et l’impédance requise pour chaque type d’antenne cité. Les antennes non
référencées possédant un gain supérieur au gain maximum autorisé pour le type d’antenne auquel elles

Bluegiga Technologies Oy
Page 38 of 41
appartiennent sont strictement interdites d’utilisation avec ce matériel. Veuillez vous référer au tableau 22
concernant les antennes approuvées pour les WF111.
Les responsabilités de l’intégrateur afin de satisfaire aux réglementations de la FCC et d’Industrie
Canada :
Les modules WF111 ont été certifiés pour entrer dans la fabrication de produits exclusivement réalisés par
des intégrateurs dans les conditions suivantes :
L’antenne (ou les antennes) doit être installée de façon à maintenir à tout instant une distance
minimum de 20cm entre la source de radiation (l’antenne) et toute personne physique.
Le module transmetteur ne doit pas être installé ou utilisé en concomitance avec une autre antenne
ou un autre transmetteur.
Tant que ces deux conditions sont réunies, il n’est pas nécessaire de procéder à des tests supplémentaires
sur le transmetteur. Cependant, l’intégrateur est responsable des tests effectués sur le produit final afin de se
mettre en conformité avec d’éventuelles exigences complémentaires lorsque le module est installé (exemple :
émissions provenant d’appareils numériques, exigences vis-à-vis de périphériques informatiques, etc.) ;
IMPORTANT : Dans le cas où ces conditions ne peuvent être satisfaites (pour certaines configurations ou
installation avec un autre transmetteur), les autorisations fournies par la FCC et Industrie Canada ne sont plus
valables et les numéros d’identification de la FCC et de certification d’Industrie Canada ne peuvent servir pour
le produit final. Dans ces circonstances, il incombera à l’intégrateur de faire réévaluer le produit final
(comprenant le transmetteur) et d’obtenir une autorisation séparée de la part de la FCC et d’Industrie Canada.
Etiquetage du produit final
Chaque module WF111 possède sa propre identification FCC et son propre numéro de certification IC. Si
l’identification FCC et le numéro de certification IC ne sont pas visibles lorsqu’un module est installé à
l’intérieur d’un autre appareil, alors l’appareil en question devra lui aussi présenter une étiquette faisant
référence au module inclus. Dans ce cas, le produit final doit comporter une étiquette placée de façon visible
affichant les mentions suivantes :
« Contient un module transmetteur certifié FCC QOQWF111 »
« Contient un module transmetteur certifié IC 5123A-BGTWF111 »
ou
« Inclut la certification FCC QOQWF111 »
Bluegiga Technologies Oy
Page 39 of 41
« Inclut la certification IC 5123A-BGTWF111 »
L’intégrateur du module WF111 ne doit utiliser que les antennes répertoriées dans le tableau 25 certifiées
pour ce module.
L’intégrateur est tenu de ne fournir aucune information à l’utilisateur final autorisant ce dernier à installer ou
retirer le module RF, ou bien changer les paramètres RF du module, dans le manuel d’utilisation du produit
final.
Afin de se conformer aux limites de radiation imposées par la FCC et Industry Canada, l’antenne (ou
les antennes) utilisée pour ce transmetteur doit être installée de telle sorte à maintenir une distance
minimum de 20cm à tout instant entre la source de radiation (l’antenne) et les personnes physiques.
En outre, cette antenne ne devra en aucun cas être installée ou utilisée en concomitance avec une
autre antenne ou un autre transmetteur.

Bluegiga Technologies Oy
Page 40 of 41
15.3 MIC Japan
WF111 has type approval for Japan with certification ID R 209- J00061
15.4 KCC (South-Korea)
WF111 has modular certification for Korean market with certification ID KCC-CRM-BGT-WF111
15.5 Qualified Antenna Types for WF111-E
This device has been designed to operate with the antennas listed below, and having a maximum gain of 2.14
dBi. Antennas not included in this list or having a gain greater than 2.14 dBi are strictly prohibited for use with
this device. The required antenna impedance is 50 ohms.
Qualified Antenna Types for WF111-E
Antenna Type
Maximum Gain
Dipole
2.14 dBi
Inverted F-antenna
2.2 dBi
Table 18: Qualified Antenna Types for WF111-E
Any antenna that is of the same type and of equal or less directional gain as listed in table above can be used
without a need for retesting. To reduce potential radio interference to other users, the antenna type and its
gain should be so chosen that the equivalent isotropically radiated power (e.i.r.p.) is not more than that
permitted for successful communication. Using an antenna of a different type or gain more than 2.14 dBi will
require additional testing for FCC, CE and IC. Please, contact support@bluegiga.com for more information.

Bluegiga Technologies Oy
Page 41 of 41
Contact Information
Sales: www.bluegiga.com
Technical Support: www.bluegiga.com/support
Orders: bluegiga-orders@silabs.com
WWW: www.bluegiga.com
SILICON LABS
Phone: +1 877.444.3032
400 West Cesar Chavez
Austin, TX 78701 USA
FINLAND OFFICE
Phone: +358 9 435 5060
Fax: +358 9 435 50660
Sinikalliontie 5A, 5th floor
02630 Espoo, Finland