Silicon Laboratories Finland WT11E Bluetooth Module User Manual WT11 E Data Sheet
Silicon Laboratories Finland Oy Bluetooth Module WT11 E Data Sheet
user manual

WT11-E
Data Sheet
Version 1.7
Friday, August 25, 2006
Copyright © 2000-2006 Bluegiga Technologies
All rights reserved.
Bluegiga Technologies assumes no responsibility for any errors, which may appear in this
manual. Furthermore, Bluegiga Technologies reserves the right to alter the hardware,
software, and/or specifications detailed herein at any time without notice, and does not
make any commitment to update the information contained herein. Bluegiga Technologies’
products are not authorized for use as critical components in life support devices or
systems.
The WRAP is a registered trademark of Bluegiga Technologies
The Bluetooth trademark is owned by the Bluetooth SIG Inc., USA, and is licensed to
Bluegiga Technologies.
All other trademarks listed herein are owned by their respective owners.
2
Contents:
1. Device Features Overview ............................................................................6
2. General Description......................................................................................7
2.1 Physical Outlook..........................................................................................7
2.2 Block Diagram and Descriptions.....................................................................8
2.2.1 BlueCore04 ...........................................................................................8
2.2.2 Crystal .................................................................................................9
2.2.3 Flash....................................................................................................9
2.2.4 Balun ...................................................................................................9
2.2.5 Power amplifier......................................................................................9
2.2.6 Switch..................................................................................................9
2.2.7 Matching...............................................................................................9
2.2.8 U.FL.....................................................................................................9
2.2.9 USB .....................................................................................................9
2.2.10 Synchronous Serial Interface ................................................................9
2.2.11 UART.................................................................................................9
2.2.12 Audio PCM Interface ............................................................................9
2.2.13 Programmable I/O...............................................................................9
2.2.14 Reset............................................................................................... 10
2.2.15 802.11 Coexistence Interface.............................................................. 10
2.3 Applications .............................................................................................. 10
2.4 Product names and codes ...........................................................................11
3. Physical Layer Specifications......................................................................12
4. General Specifications ................................................................................13
5. Electrical Charasteristics ............................................................................15
6. Foot print ...................................................................................................18
7. Physical Interfaces.....................................................................................20
7.1 UART Interface.......................................................................................... 20
7.2 USB Interface ........................................................................................... 21
3
7.2.1 USB Data Connections .......................................................................... 21
7.2.2 USB Pull-Up Resistor ............................................................................ 21
7.2.3 Power Supply ...................................................................................... 21
7.2.4 Detach and Wake-Up Signaling .............................................................. 21
7.2.5 USB Driver.......................................................................................... 22
7.2.6 USB 1.1 Compliance ............................................................................. 22
7.2.7 USB 2.0 Compatibility........................................................................... 22
7.3 SPI Interface ............................................................................................ 22
7.4 I/O Parallel Ports ....................................................................................... 22
8. Reset ..........................................................................................................23
9. Software Stacks .........................................................................................24
9.1 iWRAP Stack .............................................................................................24
10. Soldering....................................................................................................25
10.1 Reflow Soldering .................................................................................. 25
10.2 Bluetooth............................................................................................ 26
10.3 FCC.................................................................................................... 27
10.4 CE ..................................................................................................... 28
11. Contact Information ...................................................................................29

4
VERSION HISTORY
Version: Date: Author: Comments:
1.0 11.5.2005 MS Preliminary version
1.1 14.9.2005 PR Dimension update
1.2 30.1.2006 MS Images, dimensions and
interfaces updated.
1.3 6.2.2006 MS Foot print fixed
1.4 2.3.2006 PR Figure 6 added
1.5 26.4.2006 MS Minor updates, WT11-E
dimensions
1.6 26.4.2006 MS Certifications updated
1.7 30.5.2006 MS FCC statement added
1.8 30.5.2006 MS WT11-E Recommended antennas

5
TERMS & ABBREVIATIONS
Term or Abbreviation: Explanation:
Bluetooth Set of technologies providing audio and data transfer over short-
range radio connections
CE Conformité Européene
EDR Enhanced Data Rate
FCC Federal Communications Commission
HCI Host Controller Interface
HID Human Interface Device
iWRAP Interface for WRAP
PCB Printed Circuit Board
RoHS The Restriction of Hazardous Substances in Electrical and
Electronic Equipment Directive (2002/95/EC)
SPI Serial Peripheral Interface
UART Universal Asynchronous Transmitter Receiver
USB Universal Serial Bus
VM Virtual Machine
WRAP Wireless Remote Access Platform
PCM Pulse Code Modulation
DFU Device Firmware Upgrade
6
1. DEVICE FEATURES OVERVIEW
• Fully Qualified Bluetooth system v2.0 + EDR, CE and FCC
• Class 1, range up to 300 meters
• Integrated chip antenna or UFL connector
• Industrial temperature range from -40oC to +85oC
• Enhanced Data Rate (EDR) compliant with v2.0.E.2 of specification for both 2Mbps
and 3Mbps modulation modes
• RoHS Compliant
• Full Speed Bluetooth Operation with Full Piconet
• Scatternet Support
• USB interface (USB 2.0 compatible)
• UART with bypass mode
• Support for 802.11 Coexistence
• 8Mbits of Flash Memory

7
2. GENERAL DESCRIPTION
2.1 Physical Outlook
Figure 1: Physical outlook of WT11-E

8
2.2 Block Diagram and Descriptions
+3.3V
U.FL
connector Matching
BlueCore04
8 MBit
Flash Memory
26 MHz
Crystal
UART
SPI
PCM
USB
PIO
WT11
RESET
Chip
antenna
Balun
Power
amplifier Switch
Figure 2: Block Diagram of WT11
2.2.1 BlueCore04
BlueCore4 is a single chip Bluetooth solution which implements the Bluetooth radio
transceiver and also an on chip microcontroller. BlueCore4 implements Bluetooth®
2.0+EDR (Enhanced Data Rate) and it can deliver data rates up to 3 Mbps.
The microcontroller (MCU) on BlueCore04 acts as interrupt controller and event timer run
the Bluetooth software stack and control the radio and host interfaces. A 16-bit reduced
instruction set computer (RISC) microcontroller is used for low power consumption and
efficient use of memory.
BlueCore04 has 48Kbytes of on-chip RAM is provided to support the RISC MCU and is
shared between the ring buffers used to hold voice/data for each active connection and
the general purpose memory required by the Bluetooth stack.
9
2.2.2 Crystal
The crystal oscillates at 26MHz.
2.2.3 Flash
Flash memory is used for storing the Bluetooth protocol stack and Virtual Machine
applications. It can also be used as an optional external RAM for memory intensive
applications.
2.2.4 Balun
Balun changes the balanced input/output signal of the module to unbalanced signal of the
monopole antenna.
2.2.5 Power amplifier
Power amplifier is used to increase the output power to a level required by class 1
specification.
2.2.6 Switch
Switch is used to separate transmission and receiver modes.
2.2.7 Matching
Antenna matching components match the antenna to 50 Ohms and also selects between
chip antenna and UFL connector.
2.2.8 U.FL
This is a standard U.FL male connector for the external antenna
2.2.9 USB
This is a full speed Universal Serial Bus (USB) interface for communicating with other
compatible digital devices. WT11 acts as a USB peripheral, responding to requests from a
Master host controller such as a PC.
2.2.10 Synchronous Serial Interface
This is a synchronous serial port interface (SPI) for interfacing with other digital devices.
The SPI port can be used for system debugging. It can also be used for programming the
Flash memory.
2.2.11 UART
This is a standard Universal Asynchronous Receiver Transmitter (UART) interface for
communicating with other serial devices.
2.2.12 Audio PCM Interface
The audio pulse code modulation (PCM) Interface supports continuous transmission and
reception of PCM encoded audio data over Bluetooth.
2.2.13 Programmable I/O
WT11 has a total of 6 digital programmable I/O terminals. These are controlled by
10
firmware running on the device.
2.2.14 Reset
This can be used to reset WT11.
2.2.15 802.11 Coexistence Interface
Dedicated hardware is provided to implement a variety of coexistence schemes. Channel
skipping AFH (Adaptive Frequency Hopping), priority signaling, channel signaling and host
passing of channel instructions are all supported. The features are configured in firmware.
Since the details of some methods are proprietary (e.g. Intel WCS) please contact
Bluegiga Technologies for details.
2.3 Applications
WT11 Bluetooth module is designed for:
• Hand held terminals
• Industrial devices
• Point-of-Sale systems
• PCs
• Personal Digital Assistants (PDAs)
• Computer Accessories
• Access Points
• Automotive Diagnostics Units
11
2.4 Product names and codes
iWRAP firmware:
• WT11 with UFL connector, iWRAP firmware: WT11-E-AI
HCI firmware:
• WT11 with UFL connector, HCI firmware: WT11-E-HCI
Custom firmware:
• WT11 with UFL connector, custom firmware: WT11-E-C
Notes:
HCI firmware is delivered with USB as host interface
Custom firmware requires properly filled custom firmware document or custom
firmware ID.

12
3. PHYSICAL LAYER SPECIFICATIONS
The common physical layer specifications are shown in the table below.
Item Specification
Operating Frequency 2400 MHz to 2483.5 MHz (ISM-Band)
Carrier Spacing 1.0 MHz
Channels 79
Duplexing TDD
Symbol Rate 1 Msymbol/s
Binary one: Positive frequency deviation
TX Modulation Polarity
Binary zero: Negative frequency deviation
FC + dF: "H"
RX Data Out Polarity
FC - dF: "L"
Table 1: Common physical layer specifications

13
4. GENERAL SPECIFICATIONS
Item Specification
Supply voltage 2.7 – 3.6V regulated voltage. (Noise < 10 mVP-P)
Supply current
Maximum current in TX mode: 170.0mA
Maximum current in RX mode: 170.0mA
Frequency range 2400 MHz … 2483.5 MHz (ISM-Band)
Guard band 2 MHz < F < 3.5 MHz (Europe, Japan, USA)
Carrier frequency 2402 MHz … 2480 MHz, F = 2402 + k MHz, k = 0 … 78
Modulation method GFSK (1 Mbps), Π/4 DQPSK (2Mbps) and 8DQPSK (3Mbps)
Hopping 1600 hops/s, 1 MHz channel space
Maximum data rate
GFSK:
Asynchronous, 723.2 kbps / 57.6 kbps
Synchronous: 433.9 kbps / 433.9 kbps
Π/4 DQPSK:
Asynchronous, 1448.5 kbps / 115.2 kbps
Synchronous: 869.7 kbps / 869.7 kbps
8DQPSK:
Asynchronous, 2178.1 kbps / 177.2 kbps
Synchronous: 1306.9 kbps / 1306.9 kbps
Receiving signal range -82 to -20 dBm (Typical)
Receiver IF frequency 1.5 MHz (Center frequency)

14
Transmission power
Minimum: -11 …-9 dBm
Maximum +14 … +18 dBm
RF input impedance 50 Ω
Baseband crystal OSC 26 MHz
Output interfaces 6xGPIO, PCM, SPI, UART, USB, 1xAIO
Operation temperature -40ºC … +85ºC
Storage temperature -40ºC … +105ºC
Compliance Bluetooth specification, version 2.0 + EDR
USB specification USB specification, version 1.1 (USB 2.0 compliant)
Table 2: General specifications

15
5. ELECTRICAL CHARASTERISTICS
Rating Min Max
Storage temperature -40°C +150°C
Supply Voltage: VDD 2.7V 3.6V
Table 3: Absolute Maximum Ratings
Operating conditions Min Max
Operating Temperature Range: -40°C +85°C
Supply Voltage: VDD 2.7V 3.6V
Table 4: Recommended Operating Conditions
Digital terminals Min Typ Max Unit
Input voltage
VIL input logic level low (VDD=3.3V) -0.4 +0.8 V
VIH input logic level high 0.7VDD VDD+0.1 V
Output voltage
VOL output logic level low
(VDD=3.3V) (lo = 3.0mA) 0.2 V
VOL output logic level high
(VDD=3.3V) (lo = -3.0mA) VDD-0.2 V
Table 5: Input/Output Terminal Characteristics

16
WT11 PIN description
The PIN description of WT11 is shown in the table below.
No. Pin name I/O Description
1 GND GND Ground
2 3V3 VDD Power supply connection
3 PIO2 I/O Programmable I/O lines
4 PIO3 I/O Programmable I/O lines
5 NRTS O UART RTS (internal pull-up, active low)
6 RXD I UART RX (internal pull down)
7 PCMO O Synchronous 8 kbps data out (internal Pull down)
8 USB_D+ A USB data plus (Internal 22 ohm serial resistor)
9 USB_D- A USB data minus (Internal 22 ohm serial resistor)
10 NCTS I UART CTS (internal pull down, active low)
11 PCMI I Synchronous 8 kbps data in (internal pull-down)
12 PCMC I/O Synchronous data clock (internal pull-down)
13 PCMS I/O Synchronous data strobe (internal pull-down)
14 GND GND Ground
15 GND GND Ground
16 3V3 VDD Power supply connection
17 RES I Reset input (active high)

17
18 PIO6 I/O Programmable I/O lines
19 PIO7 I/O Programmable I/O lines
20 PIO4 I/O Programmable I/O lines
21 NCSB I Chip selection for SPI (internal pull up, active low)
22 SCLK I/O SPI Clock (internal pull down)
23 MISO O SPI data output (pull down)
24 MOSI I SPI data input (pull down)
25 PIO5 I/O Programmable I/O lines
26 TXD O UART TX (internal pull up)
27 AIO I/O Analog I/O line
28 GND GND Ground
Table 6: WT11 PIN configuration
Notes: Voltage level of input (I), output (O) and input/output (I/O) pins is 3.3V.

18
6. FOOT PRINT
Figure 3: WT11 foot print and dimension (top view)
Figure 4: WT11 pad dimensions

19
Figure 5: WT11-E dimensions

20
7. PHYSICAL INTERFACES
7.1 UART Interface
WT11 Universal Asynchronous Receiver Transmitter (UART) interface provides a simple
mechanism for communicating with other serial devices using the RS232 standard1.
UART_TX
UART_RX
UART_RTS
UART_CTS
WT12
Figure 6: WT11 UART interface
Four signals are used to implement the UART function, as shown in Figure 11.12. When
WT11 is connected to another digital device, UART_RX and UART_TX transfer data
between the two devices. The remaining two signals, UART_CTS and UART_RTS, can be
used to implement RS232 hardware flow control where both are active low indicators. All
UART connections are implemented using CMOS technology and have signaling levels of
0V and VDD_PADS.
Notes:
In order to communicate with the UART at its maximum data rate using a standard PC, an
accelerated serial port adapter card is required for the PC.
1. Uses RS232 protocol but voltage levels are 0V to VDD_USB, (requires external
RS232 transceiver chip)
Parameter Possible values
1200 baud (d2%Error)
Minimum
9600 baud (d1%Error)
Baud rate
Maximum 3.0Mbaud (d1%Error)
Flow control RTS/CTS, none
Parity None, Odd, Even
21
UART Configuration While RESET is Active
The UART interface for WT11 while the chip is being held in reset is tri-state. This will
allow the user to daisy chain devices onto the physical UART bus. The constraint on this
method is that any devices connected to this bus must tri-state when WT11reset is de-
asserted and the firmware begins to run.
7.2 USB Interface
WT11 USB devices contain a full speed (12Mbits/s) USB interface that is capable of driving
a USB cable directly. No external USB transceiver is required. The device operates as a
USB peripheral, responding to requests from a master host controller such as a PC. Both
the OHCI and the UHCI standards are supported. The set of USB endpoints implemented
can behave as specified in the USB section of the Bluetooth v2.0 + EDR specification or
alternatively can appear as a set of endpoint appropriate to USB audio devices such as
speakers.
As USB is a Master/Slave oriented system (in common with other USB peripherals), WT11
only supports USB Slave operation.
7.2.1 USB Data Connections
The USB data lines emerge as pins USB_DP and USB_DN. These terminals are connected
to the internal USB I/O buffers of the WT11 and therefore have low output impedance. To
match the connection to the characteristic impedance of the USB cable, resistors are
included with USB_DP / USB_DN and the cable.
7.2.2 USB Pull-Up Resistor
WT11 features an internal USB pull-up resistor. This pulls the USB_DP pin weakly high
when
WT11 is ready to enumerate. It signals to the PC that it is a full speed (12Mbit/s) USB
device. The USB internal pull-up is implemented as a current source, and is compliant with
Section 7.1.5 of the USB specification v1.2. The internal pull-up pulls USB_DP high to at
least 2.8V when loaded with a 15k: r5% pull-down resistor (in the hub/host) when VDD
=3.3V. This presents a Therein resistance to the host of at least 900Ohms. Alternatively,
an external 1.5k: pull-up resistor can be placed between a PIO line and D+ on the USB
cable. The firmware must be alerted to which mode is used by setting PS Key
PSKEY_USB_PIO_PULLUP appropriately. The default setting uses the internal pull-up
resistor.
7.2.3 Power Supply
The USB specification dictates that the minimum output high voltage for USB data lines is
2.8V. To safely meet the USB specification, the voltage on the VDD_USB supply terminals
must be an absolute minimum of 3.1V. CSR recommends 3.3V for optimal USB signal
quality.
7.2.4 Detach and Wake-Up Signaling
WT11 can provide out-of-band signaling to a host controller by using the control lines
called ‘USB_DETACH’ and ‘USB_WAKE_UP’. These are outside the USB specification (no
wires exist for them inside the USB cable), but can be useful when embedding WT11 into a
circuit where no external USB is visible to the user. Both control lines are shared with PIO
pins and can be assigned to any PIO pin by setting the PS Keys PSKEY_USB_PIO_DETACH

22
and PSKEY_USB_PIO_WAKEUP to the selected PIO number.
USB_DETACH is an input which, when asserted high, causes WT11 to put USB_DN and
USB_DP in high impedance state and turned off the pull-up resistor on D+. This detaches
the device from the bus and is logically equivalent to unplugging the device. When
USB_DETACH is taken low, WT11 will connect back to USB and await enumeration by the
USB host.
USB_WAKE_UP is an active high output (used only when USB_DETACH is active) to wake
up the host and allow USB communication to recommence. It replaces the function of the
software USB WAKE_UP message (which runs over the USB cable), and cannot be sent
while WT11 is effectively disconnected from the bus.
Figure 7: USB_DETACH and USB_WAKE_UP Signal
7.2.5 USB Driver
A USB Bluetooth device driver is required to provide a software interface between WT11
and Bluetooth software running on the host computer. Suitable drivers are available from
www.bluegiga.com/techforum/.
7.2.6 USB 1.1 Compliance
WT11 is qualified to the USB specification v1.1, details of which are available from
http://www.usb.org. The specification contains valuable information on aspects such as
PCB track impedance, supply inrush current and product labeling.
Although WT11 meets the USB specification, CSR cannot guarantee that an application
circuit designed around the chip is USB compliant. The choice of application circuit,
component choice and PCB layout all affect USB signal quality and electrical characteristics.
The information in this document is intended as a guide and should be read in association
with the USB specification, with particular attention being given to Chapter 7. Independent
USB qualification must be sought before an application is deemed USB compliant and can
bear the USB logo. Such qualification can be obtained from a USB plug fest or from an
independent USB test house.
Terminals USB_DP and USB_DN adhere to the USB specification 2.0 (Chapter 7) electrical
requirements.
7.2.7 USB 2.0 Compatibility
WT11 is compatible with USB v2.0 host controllers; under these circumstances the two
ends agree the mutually acceptable rate of 12Mbits/s according to the USB v2.0
specification.
7.3 SPI Interface
The synchronous serial port interface (SPI) for interfacing with other digital devices. The
SPI port can be used for system debugging. It can also be used for programming the Flash
memory. SPI interface is connected using the MOSI, MISO, CSB and CLK pins.
7.4 I/O Parallel Ports
The Parallel Input Output (PIO) Port is a general-purpose I/O interface to WT11. The port
23
consists of six programmable, bi-directional I/O lines, PIO[2:7].
Programmable I/O lines can be accessed either via an embedded application running on
WT11 or via private channel or manufacturer-specific HCI commands.
All PIO lines are configured as inputs with weak pull downs at reset.
PIO[2] / USB_PULL_UP (1)
This is a multifunction terminal. The function depends on whether WT11 is a USB or UART
capable version. On UART versions, this terminal is a programmable I/O. On USB versions,
it can drive a pull-up resistor on USB_D+. For application using external RAM this terminal
may be programmed for chip select.
PIO[3] / USB_WAKE_UP (1)
This is a multifunction terminal. On UART versions of WT11 this terminal is a
programmable I/O. On USB versions, its function is selected by setting the Persistent
Store Key PSKEY_USB_PIO_WAKEUP (0x2cf) either as a programmable I/O or as a
USB_WAKE_UP function.
PIO[4] / USB_ON (1)
This is a multifunction terminal. On UART versions of WT11 this terminal is a
programmable I/O. On USB versions, the USB_ON function is also selectable.
PIO[5] / USB_DETACH (1)
This is a multifunction terminal. On UART versions of WT11 this terminal is a
programmable I/O. On USB versions, the USB_DETACH function is also selectable.
PIO[6] / CLK_REQ
This is multifunction terminal, its function is determined by Persistent Store Keys. Using
PSKEY_CLOCK_REQUEST_ENABLE, (0x246) this terminal can be configured to be low
when WT11 is in deep sleep and high when a clock is required. The clock must be supplied
within 4ms of the rising edge of PIO[6] to avoid losing timing accuracy in certain Bluetooth
operating modes.
PIO[7]
Programmable I/O terminal.
8. RESET
The RESET pin is an active high reset and is internally filtered using the internal low
frequency clock oscillator. A reset will be performed between 1.5 and 4.0ms following
RESET being active. It is recommended that RESET be applied for a period greater than
5ms.

24
9. SOFTWARE STACKS
WT11 is supplied with Bluetooth v2.0 + EDR compliant stack firmware, which runs on the
internal RISC microcontroller.
The WT11 software architecture allows Bluetooth processing and the application program
to be shared in different ways between the internal RISC microcontroller and an external
host processor (if any). The upper layers of the Bluetooth stack (above HCI) can be run
either on-chip or on the host processor.
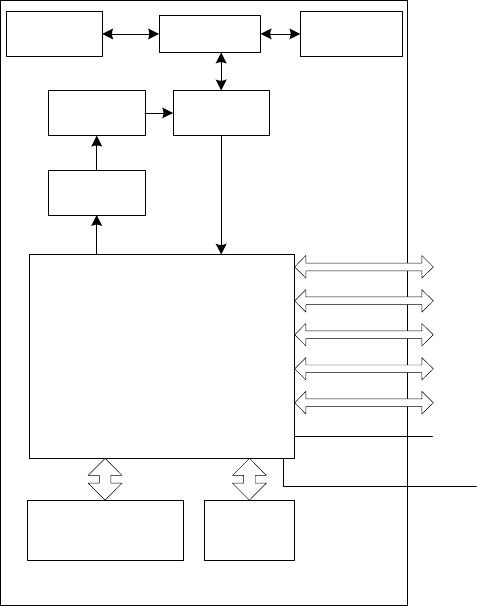
9.1 iWRAP Stack
PCM I/O
Host I/O
Radio
48kB RAM Baseband MCU
LC
LM
HCI
L2CAP
RFCOMM SDP
iWRAP
UART
Host I/O
PCM
Figure 8: WRAP THOR VM Stack
In figure above, the iWRAP software solution is described. In this version of the stack
firmware shown no host processor is required to run the Bluetooth protocol stack. All
software layers, including application software, run on the internal RISC processor in a
protected user software execution environment known as a Virtual Machine (VM).
The host processor interfaces to iWRAP software via one or more of the physical interfaces
which are also shown in the figure above. The most common interfacing is done via UART
interface using the ASCII commands supported by the iWRAP software. With these ASCII
commands the user can access Bluetooth functionality without paying any attention to the
complexity which lies in the Bluetooth protocol stack.
The user may write applications code to run on the host processor to control iWRAP
software with ASCII commands and to develop Bluetooth powered applications.

25
Notes:
More details of iWRAP software and it’s features can be found from iWRAP User Guide
which can be downloaded from www.bluegiga.com.
10. SOLDERING
10.1 Reflow Soldering
The soldering profile depends on various parameters necessitating a set up for each
application. The data here is given only for guidance on solder re-flow. There are four
zones:
1. Preheat Zone - This zone raises the temperature at a controlled rate, typically 1-
2.5°C/s.
2. Equilibrium Zone - This zone brings the board to a uniform temperature and also
activates the flux. The duration in this zone (typically 2-3 minutes) will need to be
adjusted to optimize the out gassing of the flux.
3. Reflow Zone - The peak temperature should be high enough to achieve good
wetting but not so high as to cause component discoloration or damage. Excessive
soldering time can lead to intermetallic growth which can result in a brittle joint.
4. Cooling Zone - The cooling rate should be fast, to keep the solder grains small
which will give a longer lasting joint. Typical rates will be 2-5°C/s.
5. Solder Re-Flow Profile for Devices with Lead-Free Solder Balls
Composition of the solder ball: Sn 95.5%, Ag 4.0%, Cu 0.5%
Key features of the profile:
• Initial Ramp = 1-2.5°C/sec to 175°C±25°C equilibrium
• Equilibrium time = 60 to 180 seconds
• Ramp to Maximum temperature (250°C) = 3°C/sec max.
• Time above liquidus temperature (217°C): 45-90 seconds
• Device absolute maximum reflow temperature: 260°C
Devices will withstand the specified profile. Lead-free devices will withstand up to three
reflows to a maximum temperature of 260°C.
26
Certifications
WT11 is compliant to the following specifications
10.2 Bluetooth
The WT11-E module is Bluetooth qualified and listed as an end product. If not modified in
any way, it is a complete Bluetooth entity, containing software and hardware functionality
as well as the whole RF-part including the antenna. This practically translates to that if the
module is used without modification of any kind, it does not need any Bluetooth approval
work. If changes are made in the parameter set, added profiles or in the antenna design,
it is required to be submitted to a BQB (Bluetooth Qualification Body) for evaluation on
what needs to be tested.
With HCI firmware WT11 will not meet the requirements of end product qualification.
WT11 is Bluetooth compliant to the following specifications
1. RF as defined in Part A of the Bluetooth specification v2.0+EDR, Vol.2 Core System
Package [Controller volume] (Class 1 operation) with all optional and mandatory
features supported.
2. BB as defined in Part B of the Bluetooth specification v2.0+EDR, Vol.2 Core System
Package [Controller volume], and specified in the covered functionality of the
Software Integrated Component (Bluetooth ID: B01294)
3. LM as defined in Part C of the Bluetooth specification v2.0+EDR, Vol.2 Core System
Package [Controller volume], and specified in the covered functionality of the
Software Integrated Component (Bluetooth ID: B01294)
4. L2CAP as defined in Part A of the Bluetooth specification v2.0+EDR, Vol.3 Core
System Package [Controller volume], and specified in the covered functionality of
the Software Integrated Component (Bluetooth ID: B00477)
5. SDP as defined in Part B of the Bluetooth specification v2.0+EDR, Vol.3 Core
System Package [Controller volume], and specified in the covered functionality of
the Software Integrated Component (Bluetooth ID: B00477)
6. RFCOMM as defined in PART F:1 of the Bluetooth Core Specification v1.1 and
specified in the covered functionality of the Software Integrated Component
(Bluetooth ID: B00047).
7. Generic Access GAP as defined in PART C of the Bluetooth Core Specification
v2.0+EDR, Vol.3 Core Systems Package [Host Volume], and specified in the
covered functionality of the Software Integrated Component (Bluetooth ID:
B00047).
8. Serial Port Profile (SPP) as defined in PART K:5 of the Bluetooth Profile Specification
v1.1, and specified in the covered functionality of the Software Integrated
Component (Bluetooth ID: B00047).
Bluetooth identifier: B03005
27
10.3 FCC
Federal Communications Commission (FCC) Statement
15.21
You are cautioned that changes or modifications not expressly approved by the part
responsible for compliance could void the user’s authority to operate the equipment.
15.105(b)
This equipment has been tested and found to comply with the limits for a Class B digital
device, pursuant to part 15 of the FCC rules. These limits are designed to provide
reasonable protection against harmful interference in a residential installation. This
equipment generates, uses and can radiate radio frequency energy and, if not installed
and used in accordance with the instructions, may cause harmful interference to radio
communications. However, there is no guarantee that interference will not occur in a
particular installation. If this equipment does cause harmful interference to radio or
television reception, which can be determined by turning the equipment off and on, the
user is encouraged to try to correct the interference by one or more of the following
measures:
• Reorient or relocate the receiving antenna.
• Increase the separation between the equipment and receiver.
• Connect the equipment into an outlet on a circuit different from that to which the
receiver is connected.
• Consult the dealer or an experienced radio/TV technician for help.
Operation is subject to the following two conditions:
• This device may not cause interference and
• This device must accept any interference, including interference that may cause
undesired operation of the device.
FCC RF Radiation Exposure Statement:
z This Transmitter must not be co-located or operating in conjunction with any other
antenna or transmitter.
z This equipment complies with FCC RF radiation exposure limits set forth for an
uncontrolled environment. This equipment should be installed and operated with a
minimum distance of 20 centimeters between the radiator and your body.
Note: The end product shall has the words “Contains Transmitter Module FCC ID:
QOQWT11E”
28
10.4 CE
WT11 meets the requirements of the standards below and hence fulfills the requirements
of EMC Directive 89/336/EEC as amended by Directives 92/31/EEC and 93/68/EEC within
CE marking requirement.
• Electromagnetic emission EN 301 489-17 V.1.2.1
o EN 55022:1998+A
o EN 55022:2000+A3
o EN 55022:2003 Class B
o EN 61000-3-2:2001
o EN 61000-3-3:1995 A1:2001
o EN 61000-4-3:2002
o EN 61000-4-4:1995 A1:2000
o EN 61000-4-5:1995 A1:2000
o EN 61000-4-6:1996 A1:2000
o EN 61000-4-11:1994 A1:2000

29
11. CONTACT INFORMATION
Sales: sales@bluegiga.com
Technical support: support@bluegiga.com
http://www.bluegiga.com/techforum/
Orders: orders@bluegiga.com
Head Office / Finland
Phone: +358-9-4355 060
Fax: +358-9-4355 0660
Street Address:
Sinikalliontie 11
02630 ESPOO
FINLAND
Postal address:
P.O. BOX 120
02631 ESPOO, FINLAND
Sales Office / USA
Phone: (781) 556-1039
Bluegiga Technologies, Inc.
99 Derby Street, Suite 200
Hingham, MA 02043