Silicon Laboratories Finland WT12 Bluetooth Module User Manual WT12 Data Sheet v1 9
Silicon Laboratories Finland Oy Bluetooth Module WT12 Data Sheet v1 9
Users Manual

WT12-A
Data Sheet
Version 1.9
Thursday, April 06, 2006
Copyright © 2000-2006 Bluegiga Technologies
All rights reserved.
Bluegiga Technologies assumes no responsibility for any errors, which may appear in this
manual. Furthermore, Bluegiga Technologies reserves the right to alter the hardware,
software, and/or specifications detailed herein at any time without notice, and does not
make any commitment to update the information contained herein. Bluegiga Technologies’
products are not authorized for use as critical components in life support devices or
systems.
The WRAP is a registered trademark of Bluegiga Technologies
The Bluetooth trademark is owned by the Bluetooth SIG Inc., USA, and is licensed to
Bluegiga Technologies.
All other trademarks listed herein are owned by their respective owners.
2
Contents:
1. Device Features Overview .......................................................................... 4
2. General Description.................................................................................... 5
2.1 Physical Outlook..........................................................................................5
2.2 Block Diagram and Descriptions.....................................................................6
2.2.1 BlueCore04 ...........................................................................................6
2.2.2 Crystal .................................................................................................7
2.2.3 Flash....................................................................................................7
2.2.4 Balun/Filter ...........................................................................................7
2.2.5 Matching...............................................................................................7
2.2.6 Antenna................................................................................................7
2.2.7 USB .....................................................................................................7
2.2.8 Synchronous Serial Interface ...................................................................7
2.2.9 UART ...................................................................................................7
2.2.10 Audio PCM Interface ............................................................................7
2.2.11 Programmable I/O...............................................................................7
2.2.12 Reset.................................................................................................7
2.2.13 802.11 Coexistence Interface................................................................7
2.3 Applications ................................................................................................8
3. Physical Layer Specifications...................................................................... 9
4. General Specifications .............................................................................. 10
5. Electrical Charasteristics .......................................................................... 12
6. WT12 PIN description .............................................................................. 13
7. Foot print ................................................................................................. 15
8. Physical Dimensions................................................................................. 17
9. Physical Interfaces................................................................................... 18
9.1 UART Interface.......................................................................................... 18
9.1.1 UART Configuration While RESET is Active ............................................... 21
9.1.2 UART Bypass Mode............................................................................... 21
3
9.1.3 Current Consumption in UART Bypass Mode............................................. 21
9.2 USB Interface ........................................................................................... 22
9.2.1 USB Data Connections .......................................................................... 22
9.2.2 USB Pull-Up Resistor ............................................................................ 22
9.2.3 Power Supply ...................................................................................... 22
9.2.4 Self Powered Mode ............................................................................... 22
9.2.5 Bus Powered Mode ............................................................................... 24
9.2.6 Suspend Current.................................................................................. 24
9.2.7 Detach and Wake-Up Signaling .............................................................. 25
9.2.8 USB Driver.......................................................................................... 25
9.2.9 USB 1.1 Compliance ............................................................................. 25
9.2.10 USB 2.0 Compatibility ........................................................................ 26
9.3 SPI Interface ............................................................................................ 26
9.4 I/O Parallel Ports ....................................................................................... 26
10. Reset ....................................................................................................... 27
11. Software Stacks ....................................................................................... 27
11.1 iWRAP Stack ....................................................................................... 28
12. Contact Information ................................................................................. 30
4
1. DEVICE FEATURES OVERVIEW
• Fully Qualified Bluetooth system v2.0 + EDR, CE and FCC
• Integrated chip antenna
• Industrial temperature range from -40oC to +85oC
• Enhanced Data Rate (EDR) compliant with v2.0.E.2 of specification for both 2Mbps
and 3Mbps modulation modes
• RoHS Compliant
• Full Speed Bluetooth Operation with Full Piconet
• Scatternet Support
• USB version 2.0 compatible
• UART with bypass mode
• Support for 802.11 Coexistence
• 8Mbits Flash Memory

5
2. GENERAL DESCRIPTION
2.1 Physical Outlook
Figure 1: Physical outlook of WT12

6
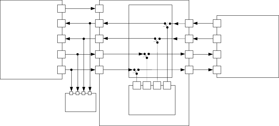
2.2 Block Diagram and Descriptions
Figure 2: Block Diagram of WT12
2.2.1 BlueCore04
BlueCore4 is a single chip Bluetooth solution which implements the Bluetooth radio
transceiver and also an on chip microcontroller. BlueCore4 implements Bluetooth®
2.0+EDR (Enhanced Data Rate) and it can deliver data rates up to 3 Mbps.
The microcontroller (MCU) on BlueCore04 acts as interrupt controller and event timer run
the Bluetooth software stack and control the radio and host interfaces. A 16-bit reduced
instruction set computer (RISC) microcontroller is used for low power consumption and
efficient use of memory.
BlueCore04 has 48Kbytes of on-chip RAM is provided to support the RISC MCU and is
shared between the ring buffers used to hold voice/data for each active connection and
the general purpose memory required by the Bluetooth stack.
7
2.2.2 Crystal
The crystal oscillates at 26MHz.
2.2.3 Flash
Flash memory is used for storing the Bluetooth protocol stack and Virtual Machine
applications. It can also to the optional external RAM for memory intensive applications.
2.2.4 Balun/Filter
Combined balun and filter changes the balanced input/output signal of the module to
unbalanced signal of the monopole antenna. The filter is a band pass filter (ISM band).
2.2.5 Matching
Antenna matching components match the antenna to 50 Ohms.
2.2.6 Antenna
The antenna is ACX AT3216 chip antenna.
2.2.7 USB
This is a full speed Universal Serial Bus (USB) interface for communicating with other
compatible digital devices. WT12 acts as a USB peripheral, responding to requests from a
Master host controller such as a PC.
2.2.8 Synchronous Serial Interface
This is a synchronous serial port interface (SPI) for interfacing with other digital devices.
The SPI port can be used for system debugging. It can also be used for programming the
Flash memory.
2.2.9 UART
This is a standard Universal Asynchronous Receiver Transmitter (UART) interface for
communicating with other serial devices.
2.2.10 Audio PCM Interface
The audio pulse code modulation (PCM) Interface supports continuous transmission and
reception of PCM encoded audio data over Bluetooth.
2.2.11 Programmable I/O
WT12 has a total of 6 digital programmable I/O terminals. These are controlled by
firmware running on the device.
2.2.12 Reset
This can be used to reset WT12.
2.2.13 802.11 Coexistence Interface
Dedicated hardware is provided to implement a variety of coexistence schemes. Channel
skipping AFH (Adaptive Frequency Hopping), priority signaling, channel signaling and host
passing of channel instructions are all supported. The features are configured in firmware.
8
Since the details of some methods are proprietary (e.g. Intel WCS) please contact
Bluegiga for details.
2.3 Applications
WT12 Bluetooth module is designed for:
• Hand held terminals
• Industrial devices
• Point-of-Sale systems
• PCs
• Personal Digital Assistants (PDAs)
• Computer Accessories
• Access Points
• Automotive Diagnostics Units

9
3. PHYSICAL LAYER SPECIFICATIONS
The common physical layer specifications are shown in the table below.
Item Specification
Operating Frequency 2400 MHz to 2483.5 MHz (ISM-Band)
Carrier Spacing 1.0 MHz
Channels 79
Duplexing TDD
Symbol Rate 1 Msymbol/s
Binary one: Positive frequency deviation
TX Modulation Polarity
Binary zero: Negative frequency deviation
FC + dF: "H"
RX Data Out Polarity
FC - dF: "L"
Table 1: Common physical layer specifications

10
4. GENERAL SPECIFICATIONS
Item Specification
Supply voltage 3.3 V ± 0.1 V regulated voltage. (Noise < 10 mVP-P)
Supply current
Maximum current in TX mode: 70.0mA
Maximum current in RX mode: 70.0mA
Frequency range 2400 MHz … 2483.5 MHz (ISM-Band)
Guard band 2 MHz < F < 3.5 MHz (Europe, Japan, USA)
Carrier frequency 2402 MHz … 2480 MHz, F = 2402 + k MHz, k = 0 … 78
Modulation method GFSK (1 Mbps), Π/4 DQPSK (2Mbps) and 8DQPSK (3Mbps)
Hopping 1600 hops/s, 1 MHz channel space
Maximum data rate
GFSK:
Asynchronous, 723.2 kbps / 57.6 kbps
Synchronous: 433.9 kbps / 433.9 kbps
Π/4 DQPSK:
Asynchronous, 1448.5 kbps / 115.2 kbps
Synchronous: 869.7 kbps / 869.7 kbps
8DQPSK:
Asynchronous, 2178.1 kbps / 177.2 kbps
Synchronous: 1306.9 kbps / 1306.9 kbps
Receiving signal range -82 to -20 dBm (Typical)
Receiver IF frequency 1.5 MHz (Center frequency)

11
Transmission power
Minimum: -11 …-9 dBm
Maximum +1 … +3 dBm
RF input impedance 50 Ω
Baseband crystal OSC 26 MHz
Output interfaces 6 GPIO, PCM, SPI, UART, USB
Operation temperature -40ºC … +85ºC
Storage temperature -40ºC … +105ºC
Compliance Bluetooth specification, version 2.0 + EDR
USB specification USB specification, version 1.2
Table 2: General specifications

12
5. ELECTRICAL CHARASTERISTICS
Rating Min Max
Storage temperature -40°C +150°C
Table 3: Absolute Maximum Ratings
Operating conditions Min Max
Operating Temperature Range: -40°C +85°C
Supply Voltage: VDD 3.2V 3.4V
Table 4: Recommended Operating Conditions
Digital terminals Min Typ Max Unit
Input voltage
VIL input logic level low (VDD=3.3V) -0.4 +0.8 V
VIH input logic level high 0.7VDD VDD+0.1 V
Output voltage
VOL output logic level low
(VDD=3.3V) (lo = 3.0mA) 0.2 V
VOL output logic level high
(VDD=3.3V) (lo = -3.0mA) VDD-0.2 V
Table 5: Input/Output Terminal Characteristics

13
6. WT12 PIN DESCRIPTION
The PIN description of WT12 is shown in the table below.
No. Pin name I/O Description
1 GND GND Ground
2 3V3 VDD Power supply connection
3 PIO2 I/O Programmable I/O lines
4 PIO3 I/O Programmable I/O lines
5 NRTS O UART RTS (internal pull-up, active low)
6 RXD I UART RX (internal pull down)
7 PCMO O Synchronous 8 kbps data out (internal Pull down)
8 USB_D+ A USB data plus (Internal 22 ohm serial resistor)
9 USB_D- A USB data minus (Internal 22 ohm serial resistor)
10 NCTS I UART CTS (internal pull down, active low)
11 PCMI I Synchronous 8 kbps data in (internal pull-down)
12 PCMC I/O Synchronous data clock (internal pull-down)
13 PCMS I/O Synchronous data strobe (internal pull-down)
14 GND GND Ground
15 GND GND Ground
16 3V3 VDD Power supply connection
17 RES I Reset input (active high)

14
18 PIO6 I/O Programmable I/O lines
19 PIO7 I/O Programmable I/O lines
20 PIO4 I/O Programmable I/O lines
21 NCSB I Chip selection for SPI (internal pull up, active low)
22 SCLK I/O SPI Clock (internal pull down)
23 MISO O SPI data output (pull down)
24 MOSI I SPI data input (pull down)
25 PIO5 I/O Programmable I/O lines
26 TXD O UART TX (internal pull up)
27 NC - NC, not used in WT12-A module
28 GND GND Ground
29 GND GND Ground
30 NC NC Not used in WT12-A module
31 GND GND Ground
Table 6: WT12 PIN configuration
Notes: Voltage level of input (I), output (O) and input/output (I/O) pins is 3.3V.

15
7. FOOT PRINT
Figure 3: WT12 foot print and dimension
Figure 4: WT12 pad dimensions

16
Figure 5: PCB design around ACX antenna
Figure four above illustrates how PCB design around the antenna of WT12 should be
made. The most important thing is that there is no copper (ground plane or traces)
underneath or in the close proximity of the ACX antenna.
It’s also very important to have grounding vias all the way in the border between ground
plane and free space, as illustrated with black and gray dots in figure 4. This prevents the
RF signal for reflecting back to the PCB and signal lines over there.
For more information, please refer to the WT12 design guide and design references.

17
8. PHYSICAL DIMENSIONS
Figure 6: WT12 Dimensions

18
9. PHYSICAL INTERFACES
9.1 UART Interface
WT12 Universal Asynchronous Receiver Transmitter (UART) interface provides a simple
mechanism for communicating with other serial devices using the RS232 standard1.
UART_TX
UART_RX
UART_RTS
UART_CTS
WT12
Figure 7: WT12 UART interface
Four signals are used to implement the UART function, as shown in Figure 11.12. When
WT12 is connected to another digital device, UART_RX and UART_TX transfer data
between the two devices. The remaining two signals, UART_CTS and UART_RTS, can be
used to implement RS232 hardware flow control where both are active low indicators. All
UART connections are implemented using CMOS technology and have signaling levels of
0V and VDD_PADS.
UART configuration parameters, such as Baud rate and packet format, are set using iWRAP
software.
Notes:
In order to communicate with the UART at its maximum data rate using a standard PC, an
accelerated serial port adapter card is required for the PC.
1. Uses RS232 protocol but voltage levels are 0V to VDD_USB, (requires external
RS232 transceiver chip)
Parameter Possible values
1200 baud (d2%Error)
Minimum
9600 baud (d1%Error)
Baud rate
Maximum 3.0Mbaud (d1%Error)
Flow control RTS/CTS, none

19
Parity None, Odd, Even
Number of stop bits 1 or 2
Bits per channel 8
Figure 8: Possible UART settings
The UART interface is capable of resetting WT12 upon reception of a break signal. A Break
is identified by a continuous logic low (0V) on the UART_RX terminal, as shown in Figure
below If tBRK is longer than the value, defined by the PS Key
PSKEY_HOST_IO_UART_RESET_TIMEOUT, (0x1a4), a reset will occur. This feature allows
a host to initialize the system to a known state. Also, WT12 can emit a Break character
that may be used to wake the Host.
t
BRK
UART_RX
Figure 9: Break signal
Note
:
The DFU boot loader must be loaded into the Flash device before the UART or USB
interfaces can be used. This initial flash programming can be done via the SPI.
Table 15 shows a list of commonly used Baud rates and their associated values for the
Persistent Store Key PSKEY_UART_BAUD_RATE (0x204). There is no requirement to use
these standard values. Any Baud rate within the supported range can be set in the
Persistent Store Key according to the formula in Equation below.
Baud Rate = PSKEY_UART_BAUD_RATE
0.004096
Figure 10: Baud rate calculation formula

20
Persistent store value
Baud rate
Hex Dec
Error
1200 0x0005 5 1.73%
2400 0x000a 10 1.73%
4800 0x0014 20 1.73%
9600 0x0027 39 -0.82%
19200 0x004f 79 0.45%
38400 0x009d 157 -0.18%
57600 0x00ec 236 0.03%
76800 0x013b 315 0.14%
115200 0x01d8 472 0.03%
230400 0x03b0 944 0.03%
460800 0x075f 1887 -0.02%
921600 0x0ebf 3775 0.00%
1382400 0x161e 5662 -0.01%
1843200 0x1d7e 7550 0.00%
2765800 0x2c3d 11325 0.00%
Table 7: UART baud rates and error values

21
9.1.1 UART Configuration While RESET is Active
The UART interface for WT12 while the chip is being held in reset is tri-state. This will
allow the user to daisy chain devices onto the physical UART bus. The constraint on this
method is that any devices connected to this bus must tri-state when WT12reset is de-
asserted and the firmware begins to run.
9.1.2 UART Bypass Mode
Alternatively, for devices that do not tri-state the UART bus, the UART bypass mode on
WT12 can be used. The default state of WT12 after reset is de-asserted, this is for the host
UART bus to be connected to the WT12 UART, thereby allowing communication to WT12
via the UART.
In order to apply the UART bypass mode, a BCCMD command will be issued to WT12 upon
this, it will switch the bypass to PIO[7:4] as shown in Figure 6. Once the bypass mode has
been invoked, WT12 will enter the deep sleep state indefinitely.
In order to re-establish communication with WT12, the chip must be reset so that the
default configuration takes affect.
It is important for the host to ensure a clean Bluetooth disconnection of any active links
before the bypass mode is invoked. Therefore it is not possible to have active Bluetooth
links while operating the bypass mode.
WT12
Host
processor
Test
interface
RXD
CTS
RTS
TXD
Another
device
TX
RTS
CTS
RX
UART_TX
UART_RTS
UART_CTS
UART_RX
RESET
PIO5
PIO6
PIO7
PIO4
UART
Figure 11: UART bypass mode
9.1.3 Current Consumption in UART Bypass Mode
The current consumption for a device in UART Bypass Mode is equal to the values quoted
for a device in standby mode.
22
9.2 USB Interface
WT12 USB devices contain a full speed (12Mbits/s) USB interface that is capable of driving
a USB cable directly. No external USB transceiver is required. The device operates as a
USB peripheral, responding to requests from a master host controller such as a PC. Both
the OHCI and the UHCI standards are supported. The set of USB endpoints implemented
can behave as specified in the USB section of the Bluetooth v2.0 + EDR specification or
alternatively can appear as a set of endpoint appropriate to USB audio devices such as
speakers.
As USB is a Master/Slave oriented system (in common with other USB peripherals), WT12
only supports USB Slave operation.
9.2.1 USB Data Connections
The USB data lines emerge as pins USB_DP and USB_DN. These terminals are connected
to the internal USB I/O buffers of the WT12 and therefore have low output impedance. To
match the connection to the characteristic impedance of the USB cable, resistors are
included with USB_DP / USB_DN and the cable.
9.2.2 USB Pull-Up Resistor
WT12 features an internal USB pull-up resistor. This pulls the USB_DP pin weakly high
when
WT12 is ready to enumerate. It signals to the PC that it is a full speed (12Mbit/s) USB
device. The USB internal pull-up is implemented as a current source, and is compliant with
Section 7.1.5 of the USB specification v1.2. The internal pull-up pulls USB_DP high to at
least 2.8V when loaded with a 15k: r5% pull-down resistor (in the hub/host) when VDD
=3.3V. This presents a Therein resistance to the host of at least 900Ohms. Alternatively,
an external 1.5k: pull-up resistor can be placed between a PIO line and D+ on the USB
cable. The firmware must be alerted to which mode is used by setting PS Key
PSKEY_USB_PIO_PULLUP appropriately. The default setting uses the internal pull-up
resistor.
9.2.3 Power Supply
The USB specification dictates that the minimum output high voltage for USB data lines is
2.8V. To safely meet the USB specification, the voltage on the VDD_USB supply terminals
must be an absolute minimum of 3.1V. CSR recommends 3.3V for optimal USB signal
quality.
9.2.4 Self Powered Mode
In self powered mode, the circuit is powered from its own power supply and not from the
VBUS (5V) line of the USB cable. It draws only a small leakage current (below 0.5mA)
from VBUS on the USB cable. This is the easier mode for which to design for, as the design
is not limited by the power that can be drawn from the USB hub or root port. However, it
requires that VBUS be connected to WT12 via a resistor network (Rvb1 and Rvb2), so
WT12 can detect when VBUS is powered up. WT12 will not pull USB_DP high when VBUS is
off.
Self powered USB designs (powered from a battery or PSU) must ensure that a PIO line is
allocated for USB pull-up purposes. A 1.5K 5% pull-up resistor between USB_DP and the
selected PIO line should be fitted to the design. Failure to fit this resistor may result in the
design failing to be USB compliant in self powered mode. The internal pull-up in WT12 is
only suitable for bus powered USB devices i.e. dongles.

23
PIO
USB_D+
USB_D-
USB_ON
R =1.5kΩ
R
R
WT12
Figure 12: USB in self powered mode
The terminal marked USB_ON can be any free PIO pin. The PIO pin selected must be
registered by setting PSKEY_USB_PIO_VBUS to the corresponding pin number.
In self powered mode PSKEY_USB_PIO_PULLUP must be set to match with the PIO
selected.
Note:
USB_ON is shared with WT12 PIO terminals (PIO2-PIO7).

24
9.2.5 Bus Powered Mode
In bus powered mode the application circuit draws its current from the 5V VBUS supply on
the USB cable. WT12 negotiates with the PC during the USB enumeration stage about how
much current it is allowed to consume.
For WT12 Bluetooth applications, it is recommended that the regulator used to derive 3.3V
from VBUS is rated at 100mA average current and should be able to handle peaks of
120mA without fold back or limiting. In bus powered mode, WT12 requests 100mA during
enumeration.
When selecting a regulator, be aware that VBUS may go as low as 4.4V. The inrush
current (when charging reservoir and supply decoupling capacitors) is limited by the USB
specification (see USB specification v1.1, Section 7.2.4.1). Some applications may require
soft start circuitry to limit inrush current if more than 10pF is present between VBUS and
GND.
The 5V VBUS line emerging from a PC is often electrically noisy. As well as regulation
down to 3.3V and 1.8V, applications should include careful filtering of the 5V line to
attenuate noise that is above the voltage regulator bandwidth. Excessive noise on the 1.8V
supply to the analogue supply pins of WT12 will result in reduced receive sensitivity and a
distorted RF transmit signal.
USB_D+
USB_D-
USB_ON
Voltage
regulator
WT12
VBUS
GND
Figure 13: USB in bus powered mode
In bus powered mode PSKEY_USB_PIO_PULLUP must be set to 16 for internal pull-up
(default configuration in WT12).
9.2.6 Suspend Current
All USB devices must permit the USB controller to place them in a USB Suspend mode.
While in USB Suspend, bus powered devices must not draw more than 0.5mA from USB
VBUS (self powered devices may draw more than 0.5mA from their own supply). This
current draw requirement prevents operation of the radio by bus powered devices during
USB Suspend.
The voltage regulator circuit itself should draw only a small quiescent current (typically
less than 100uA) to ensure adherence to the suspend current requirement of the USB
specification. This is not normally a problem with modern regulators. Ensure that external
LEDs and/or amplifiers can be turned off by WT12. The entire circuit must be able to enter
the suspend mode. (For more details on USB Suspend, see separate CSR documentation).

25
9.2.7 Detach and Wake-Up Signaling
WT12 can provide out-of-band signaling to a host controller by using the control lines
called ‘USB_DETACH’ and ‘USB_WAKE_UP’. These are outside the USB specification (no
wires exist for them inside the USB cable), but can be useful when embedding WT12 into a
circuit where no external USB is visible to the user. Both control lines are shared with PIO
pins and can be assigned to any PIO pin by setting the PS Keys PSKEY_USB_PIO_DETACH
and PSKEY_USB_PIO_WAKEUP to the selected PIO number.
USB_DETACH is an input which, when asserted high, causes WT12 to put USB_DN and
USB_DP in high impedance state and turned off the pull-up resistor on D+. This detaches
the device from the bus and is logically equivalent to unplugging the device. When
USB_DETACH is taken low, WT12 will connect back to USB and await enumeration by the
USB host.
USB_WAKE_UP is an active high output (used only when USB_DETACH is active) to wake
up the host and allow USB communication to recommence. It replaces the function of the
software USB WAKE_UP message (which runs over the USB cable), and cannot be sent
while WT12 is effectively disconnected from the bus.
USB_WAKE_UP
USB_DETACH
Port_Imbedance
USB_DPUSB_DN
USB_PULL_UP
10ms max
10ms max 10ms max
No max
Disconnected
Figure 14: USB_DETACH and USB_WAKE_UP Signal
9.2.8 USB Driver
A USB Bluetooth device driver is required to provide a software interface between WT12
and Bluetooth software running on the host computer. Suitable drivers are available from
www.bluegiga.com/techforum/.
9.2.9 USB 1.1 Compliance
WT12 is qualified to the USB specification v1.1, details of which are available from
http://www.usb.org. The specification contains valuable information on aspects such as
PCB track impedance, supply inrush current and product labeling.
Although WT12 meets the USB specification, CSR cannot guarantee that an application
circuit designed around the chip is USB compliant. The choice of application circuit,
component choice and PCB layout all affect USB signal quality and electrical
characteristics. The information in this document is intended as a guide and should be
read in association with the USB specification, with particular attention being given to
Chapter 7. Independent USB qualification must be sought before an application is deemed
26
USB compliant and can bear the USB logo. Such qualification can be obtained from a USB
plug fest or from an independent USB test house.
Terminals USB_DP and USB_DN adhere to the USB specification 2.0 (Chapter 7) electrical
requirements.
9.2.10 USB 2.0 Compatibility
WT12 is compatible with USB v2.0 host controllers; under these circumstances the two
ends agree the mutually acceptable rate of 12Mbits/s according to the USB v2.0
specification.
9.3 SPI Interface
The synchronous serial port interface (SPI) for interfacing with other digital devices. The
SPI port can be used for system debugging. It can also be used for programming the Flash
memory. SPI interface is connected using the MOSI, MISO, CSB and CLK pins.
9.4 I/O Parallel Ports
The Parallel Input Output (PIO) Port is a general-purpose I/O interface to WT12. The port
consists of six programmable, bi-directional I/O lines, PIO[2:7].
Programmable I/O lines can be accessed either via an embedded application running on
WT12 or via private channel or manufacturer-specific HCI commands.
All PIO lines are configured as inputs with weak pull downs at reset.
PIO[2] / USB_PULL_UP (1)
This is a multifunction terminal. The function depends on whether WT12 is a USB or UART
capable version. On UART versions, this terminal is a programmable I/O. On USB versions,
it can drive a pull-up resistor on USB_D+. For application using external RAM this terminal
may be programmed for chip select.
PIO[3] / USB_WAKE_UP (1)
This is a multifunction terminal. On UART versions of WT12 this terminal is a
programmable I/O. On USB versions, its function is selected by setting the Persistent
Store Key PSKEY_USB_PIO_WAKEUP (0x2cf) either as a programmable I/O or as a
USB_WAKE_UP function.
PIO[4] / USB_ON (1)
This is a multifunction terminal. On UART versions of WT12 this terminal is a
programmable I/O. On USB versions, the USB_ON function is also selectable.
PIO[5] / USB_DETACH (1)
This is a multifunction terminal. On UART versions of WT12 this terminal is a
programmable I/O. On USB versions, the USB_DETACH function is also selectable.
27
PIO[6] / CLK_REQ
This is multifunction terminal, its function is determined by Persistent Store Keys. Using
PSKEY_CLOCK_REQUEST_ENABLE, (0x246) this terminal can be configured to be low
when WT12 is in deep sleep and high when a clock is required. The clock must be supplied
within 4ms of the rising edge of PIO[6] to avoid losing timing accuracy in certain Bluetooth
operating modes.
PIO[7]
Programmable I/O terminal.
10. RESET
The RESET pin is an active high reset and is internally filtered using the internal low
frequency clock oscillator. A reset will be performed between 1.5 and 4.0ms following
RESET being active. It is recommended that RESET be applied for a period greater than
5ms.
11. SOFTWARE STACKS
WT12 is supplied with Bluetooth v2.0 + EDR compliant stack firmware, which runs on the
internal RISC microcontroller.
The WT12 software architecture allows Bluetooth processing and the application program
to be shared in different ways between the internal RISC microcontroller and an external
host processor (if any). The upper layers of the Bluetooth stack (above HCI) can be run
either on-chip or on the host processor.

28
11.1 iWRAP Stack
PCM I/O
Host I/O
Radio
48kB RAM Baseband MCU
LC
LM
HCI
L2CAP
RFCOMM SDP
iWRAP
UART
Host I/O
PCM
Figure 15: WRAP THOR VM Stack
In figure above, the iWRAP software solution is described. In this version of the stack
firmware shown no host processor is required to run the Bluetooth protocol stack. All
software layers, including application software, run on the internal RISC processor in a
protected user software execution environment known as a Virtual Machine (VM).
The host processor interfaces to iWRAP software via one or more of the physical interfaces
which are also shown in the figure above. The most common interfacing is done via UART
interface using the ASCII commands supported by the iWRAP software. With these ASCII
commands the user can access Bluetooth functionality without paying any attention to the
complexity which lies in the Bluetooth protocol stack.
The user may write applications code to run on the host processor to control iWRAP
software with ASCII commands and to develop Bluetooth powered applications.
Notes:
More details of iWRAP software and it’s features can be found from iWRAP User Guide
which can be downloaded from www.bluegiga.com.
29
12. FCC STATEMENT
Federal Communications Commission (FCC) Statement
15.21
You are cautioned that changes or modifications not expressly approved by the part
responsible for compliance could void the user’s authority to operate the equipment.
15.105(b)
This equipment has been tested and found to comply with the limits for a Class B digital
device, pursuant to part 15 of the FCC rules. These limits are designed to provide
reasonable protection against harmful interference in a residential installation. This
equipment generates, uses and can radiate radio frequency energy and, if not installed
and used in accordance with the instructions, may cause harmful interference to radio
communications. However, there is no guarantee that interference will not occur in a
particular installation. If this equipment does cause harmful interference to radio or
television reception, which can be determined by turning the equipment off and on, the
user is encouraged to try to correct the interference by one or more of the following
measures:
-Reorient or relocate the receiving antenna.
-Increase the separation between the equipment and receiver.
-Connect the equipment into an outlet on a circuit different from that to which the receiver
is connected.
-Consult the dealer or an experienced radio/TV technician for help.
Operation is subject to the following two conditions:
1) this device may not cause interference and
2) this device must accept any interference, including interference that may cause
undesired operation of the device.
FCC RF Radiation Exposure Statement:
This equipment complies with FCC radiation exposure limits set forth for an uncontrolled
environment. End users must follow the specific operating instructions for satisfying RF
exposure compliance. This transmitter must not be co-located or operating in conjunction
with any other antenna or transmitter.
Note:
The end product shall has the words “Contains Transmitter Module FCC ID: QOQWT12”

30
13. CONTACT INFORMATION
Sales: sales@bluegiga.com
Technical support: support@bluegiga.com
http://www.bluegiga.com/techforum/
Orders: orders@bluegiga.com
Head Office / Finland
Phone: +358-9-4355 060
Fax: +358-9-4355 0660
Street Address:
Sinikalliontie 11
02630 ESPOO
FINLAND
Postal address:
P.O. BOX 120
02631 ESPOO, FINLAND
Sales Office / USA
Phone: (781) 556-1039
Bluegiga Technologies, Inc.
99 Derby Street, Suite 200
Hingham, MA 02043