Silicon Laboratories Si5316 Users Manual Si53xx Family Reference
SI5367 to the manual e1c4a9ea-276d-4966-b940-1eb9f2b53e6d
2015-02-02
: Silicon-Laboratories Silicon-Laboratories-Si5316-Users-Manual-491667 silicon-laboratories-si5316-users-manual-491667 silicon-laboratories pdf
Open the PDF directly: View PDF .
Page Count: 180 [warning: Documents this large are best viewed by clicking the View PDF Link!]
- 1. Any-Frequency Precision Clock Product Family Overview
- 2. Narrowband vs. Wideband Overview
- 3. Any-Frequency Clock Family Members
- 4. Device Specifications
- 5. DSPLL (All Devices)
- 6. Pin Control Parts (Si5316, Si5322, Si5323, Si5365, Si5366)
- 6.1. Clock Multiplication (Si5316, Si5322, Si5323, Si5365, Si5366)
- 6.1.1. Clock Multiplication (Si5316)
- 6.1.2. Clock Multiplication (Si5322, Si5323, Si5365, Si5366)
- 6.1.3. CKOUT3 and CKOUT4 (Si5365 and Si5366)
- 6.1.4. Loop bandwidth (Si5316, Si5322, Si5323, Si5365, Si5366)
- 6.1.5. Jitter Tolerance (Si5316, Si5323, Si5366)
- 6.1.6. Narrowband Performance (Si5316, Si5323, Si5366)
- 6.1.7. Input-to-Output Skew (Si5316, Si5323, Si5366)
- 6.1.8. Wideband Performance (Si5322 and Si5365)
- 6.1.9. Lock Detect (Si5322 and Si5365)
- 6.1.10. Input-to-Output Skew (Si5322 and Si5365)
- 6.2. PLL Self-Calibration
- 6.3. Pin Control Input Clock Control
- 6.4. Digital Hold/VCO Freeze
- 6.5. Frame Synchronization (Si5366)
- 6.6. Output Phase Adjust (Si5323, Si5366)
- 6.7. Output Clock Drivers
- 6.8. PLL Bypass Mode
- 6.9. Alarms
- 6.10. Device Reset
- 6.11. DSPLLsim Configuration Software
- 6.1. Clock Multiplication (Si5316, Si5322, Si5323, Si5365, Si5366)
- 7. Microprocessor Controlled Parts (Si5319, Si5324, Si5325, Si5326, Si5327, Si5367, Si5368, Si5369, Si5374, Si5375)
- 7.1. Clock Multiplication
- 7.1.1. Jitter Tolerance (Si5319, Si5324, Si5325, Si5326, Si5327, Si5368, Si5369, Si5374 and Si5375)
- 7.1.2. Wideband Parts (Si5325, Si5367)
- 7.1.3. Narrowband Parts (Si5319, Si5324, Si5326, Si5327, Si5368, Si5369, Si5374, Si5375)
- 7.1.4. Loop Bandwidth (Si5319, Si5326, Si5368, Si5375)
- 7.1.5. Lock Detect (Si5319, Si5326, Si5327, Si5368, Si5369, Si5374, Si5375)
- 7.2. PLL Self-Calibration
- 7.2.1. Initiating Internal Self-Calibration
- 7.2.2. Input Clock Stability during Internal Self-Calibration
- 7.2.3. Self-Calibration Caused by Changes in Input Frequency
- 7.2.4. Narrowband Input-to-Output Skew (Si5319, Si5324, Si5326, Si5327, Si5368, Si5369, Si5374, Si5375)
- 7.2.5. Clock Output Behavior Before and During ICAL
- 7.3. Input Clock Configurations (Si5367 and Si5368)
- 7.4. Input Clock Control
- 7.5. Si5319, Si5324, Si5326, Si5327, Si5368, Si5369, Si5374 and Si5375 Free Run Mode
- 7.6. Digital Hold
- 7.6.1. Narrowband Digital Hold (Si5316, Si5324, Si5326, Si5368, Si5369, Si5374)
- 7.6.2. History Settings for Low Bandwidth Devices (Si5324, Si5327, Si5369, Si5374)
- 7.6.3. Recovery from Digital Hold (Si5319, Si5324, Si5326, Si5327, Si5368, Si5369, Si5374)
- 7.6.4. VCO Freeze (Si5319, Si5325, Si5367, Si5375)
- 7.6.5. Digital Hold versus VCO Freeze
- 7.7. Output Phase Adjust (Si5326, Si5368)
- 7.8. Frame Synchronization Realignment (Si5368 and CK_CONFIG_REG = 1)
- 7.9. Output Clock Drivers (Si5319, Si5324, Si5325, Si5326, Si5327, Si5367, Si5368, Si5369, Si5374, Si5375)
- 7.10. PLL Bypass Mode (Si5319, Si5324, Si5325, Si5326, Si5327, Si5367, Si5368, Si5369, Si5374, Si5375)
- 7.11. Alarms (Si5319, Si5324, Si5325, Si5326, Si5327, Si5367, Si5368, Si5369, Si5374, Si5375)
- 7.11.1. Loss-of-Signal Alarms (Si5319, Si5324, Si5325, Si5326, Si5327, Si5367, Si5368, Si5369, Si5374, Si5375)
- 7.11.2. FOS Algorithm (Si5324, Si5325, Si5326, Si5368, Si5369, Si5374)
- 7.11.3. C1B, C2B (Si5319, Si5324, Si5325, Si5326, Si5327, Si5374, Si5375)
- 7.11.4. LOS (Si5319, Si5375)
- 7.11.5. C1B, C2B, C3B, ALRMOUT (Si5367, Si5368, Si5369 [CK_CONFIG_REG = 0])
- 7.11.6. C1B, C2B, C3B, ALRMOUT (Si5368 [CK_CONFIG_REG = 1])
- 7.11.7. LOS Algorithm for Reference Clock Input (Si5319, Si5324, Si5326, Si5327, Si5368, Si5369, Si5374, Si5375)
- 7.11.8. LOL (Si5319, Si5324, Si5326, Si5327, Si5368, Si5369, Si5374, Si5375)
- 7.11.9. Device Interrupts
- 7.12. Device Reset
- 7.13. I2C Serial Microprocessor Interface
- 7.14. Serial Microprocessor Interface (SPI)
- 7.15. Register Descriptions
- 7.16. DSPLLsim Configuration Software
- 7.1. Clock Multiplication
- 8. High-Speed I/O
- 8.1. Input Clock Buffers
- 8.2. Output Clock Drivers
- 8.3. Typical Scope Shots for SFOUT Options
- 8.4. Crystal/Reference Clock Interfaces (Si5316, Si5319, Si5323, Si5324, Si5326, Si5327, Si5366, Si5368, Si5369, Si5374, and Si5375)
- 8.5. Three-Level (3L) Input Pins (No External Resistors)
- 8.6. Three-Level (3L) Input Pins (With External Resistors)
- 9. Power Supply
- 10. Packages and Ordering Guide
- Appendix A—Narrowband References
- Appendix B—Frequency Plans and Jitter Performance (Si5316, Si5319, Si5323, Si5324, Si5326, Si5327, Si5366, Si5368, Si5369, Si5374, Si5375)
- Appendix C—Typical Phase Noise Plots
- Appendix D—Alarm Structure
- Appendix E—Internal Pullup, Pulldown by Pin
- Appendix F—Typical Performance: Bypass Mode, PSRR, Crosstalk, Output Format Jitter
- Appendix G—Near Integer Ratios
- Appendix H—Jitter Attenuation and Loop BW
- Appendix I—Si5374 and Si5375 PCB Layout Recommendations
- Appendix J—Si5374 and Si5375 Crosstalk
- Document Change List
- Contact Information

Rev. 0.5 6/11 Copyright © 2011 by Silicon Laboratories Si53xx-RM
ANY-FREQUENCY PRECISION CLOCKS
Si5316, Si5319, Si5322, Si5323, Si5324, Si5325,
Si5326, Si5327, Si5365, Si5366, Si5367,
Si5368, Si5369, Si5374, Si5375
FAMILY REFERENCE MANUAL

Si53xx-RM
2 Rev. 0.5

Si53xx-RM
Rev. 0.5 3
TABLE OF CONTENTS
Section Page
1. Any-Frequency Precision Clock Product Family Overview . . . . . . . . . . . . . . . . . . . . . .12
2. Narrowband vs. Wideband Overview . . . . . . . . . . . . . . . . . . . . . . . . . . . . . . . . . . . . . . . .16
3. Any-Frequency Clock Family Members . . . . . . . . . . . . . . . . . . . . . . . . . . . . . . . . . . . . . .17
3.1. Si5316 . . . . . . . . . . . . . . . . . . . . . . . . . . . . . . . . . . . . . . . . . . . . . . . . . . . . . . . . . . . .17
3.2. Si5319 . . . . . . . . . . . . . . . . . . . . . . . . . . . . . . . . . . . . . . . . . . . . . . . . . . . . . . . . . . . .18
3.3. Si5322 . . . . . . . . . . . . . . . . . . . . . . . . . . . . . . . . . . . . . . . . . . . . . . . . . . . . . . . . . . . .19
3.4. Si5323 . . . . . . . . . . . . . . . . . . . . . . . . . . . . . . . . . . . . . . . . . . . . . . . . . . . . . . . . . . . .20
3.5. Si5324 . . . . . . . . . . . . . . . . . . . . . . . . . . . . . . . . . . . . . . . . . . . . . . . . . . . . . . . . . . . .21
3.6. Si5325 . . . . . . . . . . . . . . . . . . . . . . . . . . . . . . . . . . . . . . . . . . . . . . . . . . . . . . . . . . . .22
3.7. Si5326 . . . . . . . . . . . . . . . . . . . . . . . . . . . . . . . . . . . . . . . . . . . . . . . . . . . . . . . . . . . .23
3.8. Si5327 . . . . . . . . . . . . . . . . . . . . . . . . . . . . . . . . . . . . . . . . . . . . . . . . . . . . . . . . . . . .24
3.9. Si5365 . . . . . . . . . . . . . . . . . . . . . . . . . . . . . . . . . . . . . . . . . . . . . . . . . . . . . . . . . . . .25
3.10. Si5366 . . . . . . . . . . . . . . . . . . . . . . . . . . . . . . . . . . . . . . . . . . . . . . . . . . . . . . . . . . .26
3.11. Si5367 . . . . . . . . . . . . . . . . . . . . . . . . . . . . . . . . . . . . . . . . . . . . . . . . . . . . . . . . . . .27
3.12. Si5368 . . . . . . . . . . . . . . . . . . . . . . . . . . . . . . . . . . . . . . . . . . . . . . . . . . . . . . . . . . .28
3.13. Si5369 . . . . . . . . . . . . . . . . . . . . . . . . . . . . . . . . . . . . . . . . . . . . . . . . . . . . . . . . . . .29
3.14. Si5374/75 Compared to Si5324/19 . . . . . . . . . . . . . . . . . . . . . . . . . . . . . . . . . . . . .29
3.15. Si5374 . . . . . . . . . . . . . . . . . . . . . . . . . . . . . . . . . . . . . . . . . . . . . . . . . . . . . . . . . . .30
3.16. Si5375 . . . . . . . . . . . . . . . . . . . . . . . . . . . . . . . . . . . . . . . . . . . . . . . . . . . . . . . . . . .31
4. Device Specifications . . . . . . . . . . . . . . . . . . . . . . . . . . . . . . . . . . . . . . . . . . . . . . . . . . . .32
5. DSPLL (All Devices) . . . . . . . . . . . . . . . . . . . . . . . . . . . . . . . . . . . . . . . . . . . . . . . . . . . . . .46
5.1. Clock Multiplication . . . . . . . . . . . . . . . . . . . . . . . . . . . . . . . . . . . . . . . . . . . . . . . . . .47
5.2. PLL Performance . . . . . . . . . . . . . . . . . . . . . . . . . . . . . . . . . . . . . . . . . . . . . . . . . . .48
5.2.1. Jitter Generation . . . . . . . . . . . . . . . . . . . . . . . . . . . . . . . . . . . . . . . . . . . . . . . . . . . . . . . . . . . . 48
5.2.2. Jitter Transfer. . . . . . . . . . . . . . . . . . . . . . . . . . . . . . . . . . . . . . . . . . . . . . . . . . . . . . . . . . . . . . . 48
5.2.3. Jitter Tolerance . . . . . . . . . . . . . . . . . . . . . . . . . . . . . . . . . . . . . . . . . . . . . . . . . . . . . . . . . . . . . 49
6. Pin Control Parts (Si5316, Si5322, Si5323, Si5365, Si5366) . . . . . . . . . . . . . . . . . . . . . .50
6.1. Clock Multiplication (Si5316, Si5322, Si5323, Si5365, Si5366) . . . . . . . . . . . . . . . .50
6.1.1. Clock Multiplication (Si5316) . . . . . . . . . . . . . . . . . . . . . . . . . . . . . . . . . . . . . . . . . . . . . . . . . . . 50
6.1.2. Clock Multiplication (Si5322, Si5323, Si5365, Si5366) . . . . . . . . . . . . . . . . . . . . . . . . . . . . . . . 52
6.1.3. CKOUT3 and CKOUT4 (Si5365 and Si5366) . . . . . . . . . . . . . . . . . . . . . . . . . . . . . . . . . . . . . . 64
6.1.4. Loop bandwidth (Si5316, Si5322, Si5323, Si5365, Si5366) . . . . . . . . . . . . . . . . . . . . . . . . . . . 64
6.1.5. Jitter Tolerance (Si5316, Si5323, Si5366) . . . . . . . . . . . . . . . . . . . . . . . . . . . . . . . . . . . . . . . . . 64
6.1.6. Narrowband Performance (Si5316, Si5323, Si5366). . . . . . . . . . . . . . . . . . . . . . . . . . . . . . . . . 64
6.1.7. Input-to-Output Skew (Si5316, Si5323, Si5366) . . . . . . . . . . . . . . . . . . . . . . . . . . . . . . . . . . . . 64
6.1.8. Wideband Performance (Si5322 and Si5365) . . . . . . . . . . . . . . . . . . . . . . . . . . . . . . . . . . . . . . 64
6.1.9. Lock Detect (Si5322 and Si5365) . . . . . . . . . . . . . . . . . . . . . . . . . . . . . . . . . . . . . . . . . . . . . . . 64
6.1.10. Input-to-Output Skew (Si5322 and Si5365) . . . . . . . . . . . . . . . . . . . . . . . . . . . . . . . . . . . . . . . 64
6.2. PLL Self-Calibration . . . . . . . . . . . . . . . . . . . . . . . . . . . . . . . . . . . . . . . . . . . . . . . . .65
6.2.1. Input Clock Stability during Internal Self-Calibration
(Si5316, Si5322, Si5323, Si5365, Si5366). . . . . . . . . . . . . . . . . . . . . . . . . . . . . . . . . . . . . . . . . 65
6.2.2. Self-Calibration caused by Changes in Input Frequency
(Si5316, Si5322, Si5323, Si5365, Si5366). . . . . . . . . . . . . . . . . . . . . . . . . . . . . . . . . . . . . . . . . 65
6.2.3. Recommended Reset Guidelines (Si5316, Si5322, Si5323, Si5365, Si5366). . . . . . . . . . . . . . 65
6.3. Pin Control Input Clock Control . . . . . . . . . . . . . . . . . . . . . . . . . . . . . . . . . . . . . . . . .67

Si53xx-RM
4 Rev. 0.5
6.3.1. Manual Clock Selection . . . . . . . . . . . . . . . . . . . . . . . . . . . . . . . . . . . . . . . . . . . . . . . . . . . . . . . 67
6.3.2. Automatic Clock Selection (Si5322, Si5323, Si5365, Si5366). . . . . . . . . . . . . . . . . . . . . . . . . . 68
6.3.3. Hitless Switching with Phase Build-Out (Si5323, Si5366) . . . . . . . . . . . . . . . . . . . . . . . . . . . . . 69
6.4. Digital Hold/VCO Freeze . . . . . . . . . . . . . . . . . . . . . . . . . . . . . . . . . . . . . . . . . . . . . .70
6.4.1. Narrowband Digital Hold (Si5316, Si5323, Si5366). . . . . . . . . . . . . . . . . . . . . . . . . . . . . . . . . . 70
6.4.2. Recovery from Digital Hold (Si5316, Si5323, Si5366) . . . . . . . . . . . . . . . . . . . . . . . . . . . . . . . . 70
6.4.3. Wideband VCO Freeze (Si5322, Si5365) . . . . . . . . . . . . . . . . . . . . . . . . . . . . . . . . . . . . . . . . . 70
6.5. Frame Synchronization (Si5366) . . . . . . . . . . . . . . . . . . . . . . . . . . . . . . . . . . . . . . . .70
6.6. Output Phase Adjust (Si5323, Si5366) . . . . . . . . . . . . . . . . . . . . . . . . . . . . . . . . . . .71
6.6.1. FSYNC Realignment (Si5366) . . . . . . . . . . . . . . . . . . . . . . . . . . . . . . . . . . . . . . . . . . . . . . . . . . 71
6.6.2. Including FSYNC Inputs in Clock Selection (Si5366) . . . . . . . . . . . . . . . . . . . . . . . . . . . . . . . . 71
6.6.3. FS_OUT Polarity and Pulse Width Control (Si5366) . . . . . . . . . . . . . . . . . . . . . . . . . . . . . . . . . 71
6.6.4. Using FS_OUT as a Fifth Output Clock (Si5366) . . . . . . . . . . . . . . . . . . . . . . . . . . . . . . . . . . . 71
6.6.5. Disabling FS_OUT (Si5366) . . . . . . . . . . . . . . . . . . . . . . . . . . . . . . . . . . . . . . . . . . . . . . . . . . . 72
6.7. Output Clock Drivers . . . . . . . . . . . . . . . . . . . . . . . . . . . . . . . . . . . . . . . . . . . . . . . . .72
6.7.1. LVPECL and CMOS TQFP Output Signal Format Restrictions at 3.3 V (Si5365, Si5366) . . . . 72
6.8. PLL Bypass Mode . . . . . . . . . . . . . . . . . . . . . . . . . . . . . . . . . . . . . . . . . . . . . . . . . . .73
6.9. Alarms . . . . . . . . . . . . . . . . . . . . . . . . . . . . . . . . . . . . . . . . . . . . . . . . . . . . . . . . . . . .73
6.9.1. Loss-of-Signal Alarms (Si5316, Si5322, Si5323, Si5365, Si5366) . . . . . . . . . . . . . . . . . . . . . . 73
6.9.2. FOS Alarms (Si5365 and Si5366) . . . . . . . . . . . . . . . . . . . . . . . . . . . . . . . . . . . . . . . . . . . . . . . 73
6.9.3. FSYNC Align Alarm (Si5366 and CK_CONF = 1 and FRQTBL = L) . . . . . . . . . . . . . . . . . . . . . 74
6.9.4. C1B and C2B Alarm Outputs (Si5316, Si5322, Si5323) . . . . . . . . . . . . . . . . . . . . . . . . . . . . . . 74
6.9.5. C1B, C2B, C3B, and ALRMOUT Outputs (Si5365, Si5366) . . . . . . . . . . . . . . . . . . . . . . . . . . . 74
6.10. Device Reset . . . . . . . . . . . . . . . . . . . . . . . . . . . . . . . . . . . . . . . . . . . . . . . . . . . . . .75
6.11. DSPLLsim Configuration Software . . . . . . . . . . . . . . . . . . . . . . . . . . . . . . . . . . . . .75
7. Microprocessor Controlled Parts (Si5319, Si5324, Si5325, Si5326,
Si5327, Si5367, Si5368, Si5369, Si5374, Si5375) . . . . . . . . . . . . . . . . . . . . . . . . . . . . . . .76
7.1. Clock Multiplication . . . . . . . . . . . . . . . . . . . . . . . . . . . . . . . . . . . . . . . . . . . . . . . . . .76
7.1.1. Jitter Tolerance (Si5319, Si5324, Si5325, Si5326, Si5327, Si5368,
Si5369, Si5374 and Si5375) . . . . . . . . . . . . . . . . . . . . . . . . . . . . . . . . . . . . . . . . . . . . . . . . . . . . . . . . 76
7.1.2. Wideband Parts (Si5325, Si5367) . . . . . . . . . . . . . . . . . . . . . . . . . . . . . . . . . . . . . . . . . . . . . . . 76
7.1.3. Narrowband Parts (Si5319, Si5324, Si5326, Si5327,
Si5368, Si5369, Si5374, Si5375). . . . . . . . . . . . . . . . . . . . . . . . . . . . . . . . . . . . . . . . . . . . . . . . . . . . . 77
7.1.4. Loop Bandwidth (Si5319, Si5326, Si5368, Si5375). . . . . . . . . . . . . . . . . . . . . . . . . . . . . . . . . . 79
7.1.5. Lock Detect (Si5319, Si5326, Si5327, Si5368, Si5369, Si5374, Si5375) . . . . . . . . . . . . . . . . . 79
7.2. PLL Self-Calibration . . . . . . . . . . . . . . . . . . . . . . . . . . . . . . . . . . . . . . . . . . . . . . . . .79
7.2.1. Initiating Internal Self-Calibration . . . . . . . . . . . . . . . . . . . . . . . . . . . . . . . . . . . . . . . . . . . . . . . . 79
7.2.2. Input Clock Stability during Internal Self-Calibration . . . . . . . . . . . . . . . . . . . . . . . . . . . . . . . . . 80
7.2.3. Self-Calibration Caused by Changes in Input Frequency . . . . . . . . . . . . . . . . . . . . . . . . . . . . . 80
7.2.4. Narrowband Input-to-Output Skew (Si5319, Si5324, Si5326, Si5327,
Si5368, Si5369, Si5374, Si5375). . . . . . . . . . . . . . . . . . . . . . . . . . . . . . . . . . . . . . . . . . . . . . . . 80
7.2.5. Clock Output Behavior Before and During ICAL . . . . . . . . . . . . . . . . . . . . . . . . . . . . . . . . . . . . 80
7.3. Input Clock Configurations (Si5367 and Si5368) . . . . . . . . . . . . . . . . . . . . . . . . . . .81
7.4. Input Clock Control . . . . . . . . . . . . . . . . . . . . . . . . . . . . . . . . . . . . . . . . . . . . . . . . . .81
7.4.1. Manual Clock Selection (Si5324, Si5325, Si5326, Si5367,
Si5368, Si5369, Si5374) . . . . . . . . . . . . . . . . . . . . . . . . . . . . . . . . . . . . . . . . . . . . . . . . . . . . . . 82
7.4.2. Automatic Clock Selection (Si5324, Si5325, Si5326, Si5367,
Si5368, Si5369, Si5374) . . . . . . . . . . . . . . . . . . . . . . . . . . . . . . . . . . . . . . . . . . . . . . . . . . . . . . 83
7.4.3. Hitless Switching with Phase Build-Out (Si5324, Si5326, Si5327,
Si5368, Si5369, Si5374) . . . . . . . . . . . . . . . . . . . . . . . . . . . . . . . . . . . . . . . . . . . . . . . . . . . . . . 84
7.5. Si5319, Si5324, Si5326, Si5327, Si5368, Si5369, Si5374

Si53xx-RM
Rev. 0.5 5
and Si5375 Free Run Mode . . . . . . . . . . . . . . . . . . . . . . . . . . . . . . . . . . . . . . . . . . .85
7.5.1. Free Run Mode Programming Procedure . . . . . . . . . . . . . . . . . . . . . . . . . . . . . . . . . . . . . . . . . 85
7.5.2. Clock Control Logic in Free Run Mode . . . . . . . . . . . . . . . . . . . . . . . . . . . . . . . . . . . . . . . . . . . 85
7.5.3. Free Run Reference Frequency Constraints . . . . . . . . . . . . . . . . . . . . . . . . . . . . . . . . . . . . . . . 86
7.5.4. Free Run Reference Frequency Constraints . . . . . . . . . . . . . . . . . . . . . . . . . . . . . . . . . . . . . . . 86
7.6. Digital Hold . . . . . . . . . . . . . . . . . . . . . . . . . . . . . . . . . . . . . . . . . . . . . . . . . . . . . . . .87
7.6.1. Narrowband Digital Hold (Si5316, Si5324, Si5326, Si5368, Si5369, Si5374) . . . . . . . . . . . . . . 87
7.6.2. History Settings for Low Bandwidth Devices (Si5324, Si5327, Si5369, Si5374) . . . . . . . . . . . . 89
7.6.3. Recovery from Digital Hold (Si5319, Si5324, Si5326, Si5327, Si5368, Si5369, Si5374) . . . . . 89
7.6.4. VCO Freeze (Si5319, Si5325, Si5367, Si5375). . . . . . . . . . . . . . . . . . . . . . . . . . . . . . . . . . . . . 89
7.6.5. Digital Hold versus VCO Freeze . . . . . . . . . . . . . . . . . . . . . . . . . . . . . . . . . . . . . . . . . . . . . . . . 89
7.7. Output Phase Adjust (Si5326, Si5368) . . . . . . . . . . . . . . . . . . . . . . . . . . . . . . . . . . .90
7.7.1. Coarse Skew Control (Si5326, Si5368) . . . . . . . . . . . . . . . . . . . . . . . . . . . . . . . . . . . . . . . . . . . 90
7.7.2. Fine Skew Control (Si5326, Si5368) . . . . . . . . . . . . . . . . . . . . . . . . . . . . . . . . . . . . . . . . . . . . . 90
7.7.3. Independent Skew (Si5324, Si5326, Si5368, Si5369, Si5374) . . . . . . . . . . . . . . . . . . . . . . . . . 91
7.7.4. Output-to-output Skew (Si5324, Si5326, Si5327, Si5368, Si5369, Si5374) . . . . . . . . . . . . . . . 91
7.7.5. Input-to-Output Skew (All Devices) . . . . . . . . . . . . . . . . . . . . . . . . . . . . . . . . . . . . . . . . . . . . . . 91
7.8. Frame Synchronization Realignment (Si5368 and CK_CONFIG_REG = 1) . . . . . . .91
7.8.1. FSYNC Realignment (Si5368) . . . . . . . . . . . . . . . . . . . . . . . . . . . . . . . . . . . . . . . . . . . . . . . . . . 93
7.8.2. FSYNC Skew Control (Si5368) . . . . . . . . . . . . . . . . . . . . . . . . . . . . . . . . . . . . . . . . . . . . . . . . . 94
7.8.3. Including FSYNC Inputs in Clock Selection (Si5368) . . . . . . . . . . . . . . . . . . . . . . . . . . . . . . . . 94
7.8.4. FS_OUT Polarity and Pulse Width Control (Si5368) . . . . . . . . . . . . . . . . . . . . . . . . . . . . . . . . . 94
7.8.5. Using FS_OUT as a Fifth Output Clock (Si5368) . . . . . . . . . . . . . . . . . . . . . . . . . . . . . . . . . . . 94
7.9. Output Clock Drivers (Si5319, Si5324, Si5325, Si5326,
Si5327, Si5367, Si5368, Si5369, Si5374, Si5375) . . . . . . . . . . . . . . . . . . . . . . . . . .95
7.9.1. Disabling CKOUTn. . . . . . . . . . . . . . . . . . . . . . . . . . . . . . . . . . . . . . . . . . . . . . . . . . . . . . . . . . . 95
7.9.2. LVPECL TQFP Output Signal Format Restrictions at 3.3 V (Si5367, Si5368, Si5369) . . . . . . . 95
7.10. PLL Bypass Mode (Si5319, Si5324, Si5325, Si5326, Si5327,
Si5367, Si5368, Si5369, Si5374, Si5375) . . . . . . . . . . . . . . . . . . . . . . . . . . . . . . . .96
7.11. Alarms (Si5319, Si5324, Si5325, Si5326, Si5327, Si5367,
Si5368, Si5369, Si5374, Si5375) . . . . . . . . . . . . . . . . . . . . . . . . . . . . . . . . . . . . . .96
7.11.1. Loss-of-Signal Alarms (Si5319, Si5324, Si5325, Si5326, Si5327,
Si5367, Si5368, Si5369, Si5374, Si5375) . . . . . . . . . . . . . . . . . . . . . . . . . . . . . . . . . . . . . . . . 96
7.11.2. FOS Algorithm (Si5324, Si5325, Si5326, Si5368, Si5369, Si5374). . . . . . . . . . . . . . . . . . . . . 97
7.11.3. C1B, C2B (Si5319, Si5324, Si5325, Si5326, Si5327, Si5374, Si5375) . . . . . . . . . . . . . . . . . . 99
7.11.4. LOS (Si5319, Si5375) . . . . . . . . . . . . . . . . . . . . . . . . . . . . . . . . . . . . . . . . . . . . . . . . . . . . . . . 99
7.11.5. C1B, C2B, C3B, ALRMOUT (Si5367, Si5368, Si5369 [CK_CONFIG_REG = 0]) . . . . . . . . . . 99
7.11.6. C1B, C2B, C3B, ALRMOUT (Si5368 [CK_CONFIG_REG = 1]) . . . . . . . . . . . . . . . . . . . . . . 100
7.11.7. LOS Algorithm for Reference Clock Input (Si5319, Si5324, Si5326,
Si5327, Si5368, Si5369, Si5374, Si5375) . . . . . . . . . . . . . . . . . . . . . . . . . . . . . . . . . . . . . . . 100
7.11.8. LOL (Si5319, Si5324, Si5326, Si5327, Si5368, Si5369, Si5374, Si5375) . . . . . . . . . . . . . . . 100
7.11.9. Device Interrupts . . . . . . . . . . . . . . . . . . . . . . . . . . . . . . . . . . . . . . . . . . . . . . . . . . . . . . . . . . 101
7.12. Device Reset . . . . . . . . . . . . . . . . . . . . . . . . . . . . . . . . . . . . . . . . . . . . . . . . . . . . .101
7.13. I2C Serial Microprocessor Interface . . . . . . . . . . . . . . . . . . . . . . . . . . . . . . . . . . .102
7.14. Serial Microprocessor Interface (SPI) . . . . . . . . . . . . . . . . . . . . . . . . . . . . . . . . . .103
7.14.1. Default Device Configuration . . . . . . . . . . . . . . . . . . . . . . . . . . . . . . . . . . . . . . . . . . . . . . . . . 104
7.15. Register Descriptions . . . . . . . . . . . . . . . . . . . . . . . . . . . . . . . . . . . . . . . . . . . . . .104
7.16. DSPLLsim Configuration Software . . . . . . . . . . . . . . . . . . . . . . . . . . . . . . . . . . . .104
8. High-Speed I/O . . . . . . . . . . . . . . . . . . . . . . . . . . . . . . . . . . . . . . . . . . . . . . . . . . . . . . . . .105
8.1. Input Clock Buffers . . . . . . . . . . . . . . . . . . . . . . . . . . . . . . . . . . . . . . . . . . . . . . . . .105
8.2. Output Clock Drivers . . . . . . . . . . . . . . . . . . . . . . . . . . . . . . . . . . . . . . . . . . . . . . . .107

Si53xx-RM
6 Rev. 0.5
8.2.1. LVPECL TQFP Output Signal Format Restrictions at 3.3 V (Si5367, Si5368, Si5369) . . . . . . 107
8.2.2. Typical Output Circuits. . . . . . . . . . . . . . . . . . . . . . . . . . . . . . . . . . . . . . . . . . . . . . . . . . . . . . . 107
8.2.3. Typical Clock Output Scope Shots . . . . . . . . . . . . . . . . . . . . . . . . . . . . . . . . . . . . . . . . . . . . . 109
8.3. Typical Scope Shots for SFOUT Options . . . . . . . . . . . . . . . . . . . . . . . . . . . . . . . .110
8.4. Crystal/Reference Clock Interfaces (Si5316, Si5319, Si5323,
Si5324, Si5326, Si5327, Si5366, Si5368, Si5369, Si5374, and Si5375) . . . . . . . .113
8.5. Three-Level (3L) Input Pins (No External Resistors) . . . . . . . . . . . . . . . . . . . . . . .115
8.6. Three-Level (3L) Input Pins (With External Resistors) . . . . . . . . . . . . . . . . . . . . . .116
9. Power Supply . . . . . . . . . . . . . . . . . . . . . . . . . . . . . . . . . . . . . . . . . . . . . . . . . . . . . . . . . .117
10. Packages and Ordering Guide . . . . . . . . . . . . . . . . . . . . . . . . . . . . . . . . . . . . . . . . . . .118
Appendix A—Narrowband References . . . . . . . . . . . . . . . . . . . . . . . . . . . . . . . . . . . . . . .119
Appendix B—Frequency Plans and Jitter Performance (Si5316, Si5319,
Si5323, Si5324, Si5326, Si5327, Si5366, Si5368, Si5369,
Si5374, Si5375) . . . . . . . . . . . . . . . . . . . . . . . . . . . . . . . . . . . . . . . . . . . . . . .121
Appendix C—Typical Phase Noise Plots . . . . . . . . . . . . . . . . . . . . . . . . . . . . . . . . . . . . . .126
Appendix D—Alarm Structure . . . . . . . . . . . . . . . . . . . . . . . . . . . . . . . . . . . . . . . . . . . . . . .144
Appendix E—Internal Pullup, Pulldown by Pin . . . . . . . . . . . . . . . . . . . . . . . . . . . . . . . . .147
Appendix F—Typical Performance: Bypass Mode, PSRR, Crosstalk,
Output Format Jitter . . . . . . . . . . . . . . . . . . . . . . . . . . . . . . . . . . . . . . . . . . .154
Appendix G—Near Integer Ratios . . . . . . . . . . . . . . . . . . . . . . . . . . . . . . . . . . . . . . . . . . . .162
Appendix H—Jitter Attenuation and Loop BW . . . . . . . . . . . . . . . . . . . . . . . . . . . . . . . . .164
Appendix I—Si5374 and Si5375 PCB Layout Recommendations . . . . . . . . . . . . . . . . . .169
Appendix J—Si5374 and Si5375 Crosstalk . . . . . . . . . . . . . . . . . . . . . . . . . . . . . . . . . . . .173
Document Change List . . . . . . . . . . . . . . . . . . . . . . . . . . . . . . . . . . . . . . . . . . . . . . . . . . . .178
Contact Information . . . . . . . . . . . . . . . . . . . . . . . . . . . . . . . . . . . . . . . . . . . . . . . . . . . . . . .180

Si53xx-RM
Rev. 0.5 7
LIST OF FIGURES
Figure 1. Si5316 Any-Frequency Jitter Attenuator Block Diagram . . . . . . . . . . . . . . . . . . . . . 17
Figure 2. Si5319 Any-Frequency Jitter Attenuating Clock Multiplier Block Diagram . . . . . . . .18
Figure 3. Si5322 Low Jitter Clock Multiplier Block Diagram . . . . . . . . . . . . . . . . . . . . . . . . . . 19
Figure 4. Si5323 Jitter Attenuating Clock Multiplier Block Diagram . . . . . . . . . . . . . . . . . . . . 20
Figure 5. Si5324 Clock Multiplier and Jitter Attenuator Block Diagram. . . . . . . . . . . . . . . . . . 21
Figure 6. Si5325 Low Jitter Clock Multiplier Block Diagram . . . . . . . . . . . . . . . . . . . . . . . . . . 22
Figure 7. Si5326 Clock Multiplier and Jitter Attenuator Block Diagram. . . . . . . . . . . . . . . . . . 23
Figure 8. Si5327 Clock Multiplier and Jitter Attenuator Block Diagram. . . . . . . . . . . . . . . . . . 24
Figure 9. Si5365 Low Jitter Clock Multiplier Block Diagram . . . . . . . . . . . . . . . . . . . . . . . . . . 25
Figure 10. Si5366 Jitter Attenuating Clock Multiplier Block Diagram . . . . . . . . . . . . . . . . . . . 26
Figure 11. Si5367 Clock Multiplier Block Diagram . . . . . . . . . . . . . . . . . . . . . . . . . . . . . . . . . 27
Figure 12. Si5368 Clock Multiplier and Jitter Attenuator Block Diagram. . . . . . . . . . . . . . . . . 28
Figure 13. Si5369 Clock Multiplier and Jitter Attenuator Block Diagram. . . . . . . . . . . . . . . . . 29
Figure 14. Si5374 Functional Block Diagram . . . . . . . . . . . . . . . . . . . . . . . . . . . . . . . . . . . . . 30
Figure 15. Si5375 Functional Block Diagram . . . . . . . . . . . . . . . . . . . . . . . . . . . . . . . . . . . . . 31
Figure 16. Differential Voltage Characteristics . . . . . . . . . . . . . . . . . . . . . . . . . . . . . . . . . . . . 32
Figure 17. Rise/Fall Time Characteristics . . . . . . . . . . . . . . . . . . . . . . . . . . . . . . . . . . . . . . . . 32
Figure 18. SPI Timing Diagram. . . . . . . . . . . . . . . . . . . . . . . . . . . . . . . . . . . . . . . . . . . . . . . . 38
Figure 19. Frame Synchronization Timing . . . . . . . . . . . . . . . . . . . . . . . . . . . . . . . . . . . . . . . 39
Figure 20. Any-Frequency Precision Clock DSPLL Block Diagram . . . . . . . . . . . . . . . . . . . . 46
Figure 21. Clock Multiplication Circuit . . . . . . . . . . . . . . . . . . . . . . . . . . . . . . . . . . . . . . . . . . . 47
Figure 22. PLL Jitter Transfer Mask/Template . . . . . . . . . . . . . . . . . . . . . . . . . . . . . . . . . . . . 48
Figure 23. Jitter Tolerance Mask/Template. . . . . . . . . . . . . . . . . . . . . . . . . . . . . . . . . . . . . . . 49
Figure 24. Si5316 Divisor Ratios. . . . . . . . . . . . . . . . . . . . . . . . . . . . . . . . . . . . . . . . . . . . . . . 51
Figure 25. Wideband PLL Divider Settings (Si5325, Si5367) . . . . . . . . . . . . . . . . . . . . . . . . . 76
Figure 26. Narrowband PLL Divider Settings (Si5319, Si5324, Si5326,
Si5327, Si5368, Si5369, Si5374, Si5375) . . . . . . . . . . . . . . . . . . . . . . . . . . . . . . . 78
Figure 27. Si5324, Si5325, Si5326, Si5327, and Si5374 Input Clock Selection . . . . . . . . . . . 81
Figure 28. Si5367, Si5368, and Si5369 Input Clock Selection . . . . . . . . . . . . . . . . . . . . . . . . 82
Figure 29. Free Run Mode Block Diagram . . . . . . . . . . . . . . . . . . . . . . . . . . . . . . . . . . . . . . . .85
Figure 30. Parameters in History Value of M . . . . . . . . . . . . . . . . . . . . . . . . . . . . . . . . . . . . . 87
Figure 31. Digital Hold vs. VCO Freeze Example . . . . . . . . . . . . . . . . . . . . . . . . . . . . . . . . . . 89
Figure 32. Frame Sync Frequencies. . . . . . . . . . . . . . . . . . . . . . . . . . . . . . . . . . . . . . . . . . . . 92
Figure 33. FOS Compare . . . . . . . . . . . . . . . . . . . . . . . . . . . . . . . . . . . . . . . . . . . . . . . . . . . . 98
Figure 34. I2C Command Format . . . . . . . . . . . . . . . . . . . . . . . . . . . . . . . . . . . . . . . . . . . . . 102
Figure 35. I2C Example. . . . . . . . . . . . . . . . . . . . . . . . . . . . . . . . . . . . . . . . . . . . . . . . . . . . . 102
Figure 36. SPI Write/Set Address Command . . . . . . . . . . . . . . . . . . . . . . . . . . . . . . . . . . . . 104
Figure 37. SPI Read Command . . . . . . . . . . . . . . . . . . . . . . . . . . . . . . . . . . . . . . . . . . . . . . 104
Figure 38. Differential LVPECL Termination . . . . . . . . . . . . . . . . . . . . . . . . . . . . . . . . . . . . . 105
Figure 39. Single-Ended LVPECL Termination. . . . . . . . . . . . . . . . . . . . . . . . . . . . . . . . . . . 105
Figure 40. CML/LVDS Termination (1.8, 2.5, 3.3 V) . . . . . . . . . . . . . . . . . . . . . . . . . . . . . . . 106
Figure 41. CMOS Termination (1.8, 2.5, 3.3 V). . . . . . . . . . . . . . . . . . . . . . . . . . . . . . . . . . . 106
Figure 42. Typical Output Circuit (Differential) . . . . . . . . . . . . . . . . . . . . . . . . . . . . . . . . . . . 107

Si53xx-RM
8 Rev. 0.5
Figure 43. Differential Output Example Requiring Attenuation . . . . . . . . . . . . . . . . . . . . . . . 108
Figure 44. Typical CMOS Output Circuit (Tie CKOUTn+ and CKOUTn– Together). . . . . . . 108
Figure 45. CKOUT Structure. . . . . . . . . . . . . . . . . . . . . . . . . . . . . . . . . . . . . . . . . . . . . . . . . 109
Figure 46. sfout_2, CMOS. . . . . . . . . . . . . . . . . . . . . . . . . . . . . . . . . . . . . . . . . . . . . . . . . . . 110
Figure 47. sfout_3, lowSwingLVDS. . . . . . . . . . . . . . . . . . . . . . . . . . . . . . . . . . . . . . . . . . . . 110
Figure 48. sfout_5, LVPECL . . . . . . . . . . . . . . . . . . . . . . . . . . . . . . . . . . . . . . . . . . . . . . . . . 111
Figure 49. sfout_6, CML . . . . . . . . . . . . . . . . . . . . . . . . . . . . . . . . . . . . . . . . . . . . . . . . . . . . 111
Figure 50. sfout_7, LVDS . . . . . . . . . . . . . . . . . . . . . . . . . . . . . . . . . . . . . . . . . . . . . . . . . . . 112
Figure 51. CMOS External Reference Circuit . . . . . . . . . . . . . . . . . . . . . . . . . . . . . . . . . . . . 113
Figure 52. Sinewave External Clock Circuit . . . . . . . . . . . . . . . . . . . . . . . . . . . . . . . . . . . . . 113
Figure 53. Differential External Reference Input Example (Not for Si5374 or Si5375) . . . . .114
Figure 54. Differential OSC Reference Input Example for Si5374 and Si5375 . . . . . . . . . . .114
Figure 55. Three Level Input Pins . . . . . . . . . . . . . . . . . . . . . . . . . . . . . . . . . . . . . . . . . . . . . 115
Figure 56. Three Level Input Pins . . . . . . . . . . . . . . . . . . . . . . . . . . . . . . . . . . . . . . . . . . . . . 116
Figure 57. Typical Power Supply Bypass Network (TQFP Package) . . . . . . . . . . . . . . . . . . 117
Figure 58. Typical Power Supply Bypass Network (QFN Package) . . . . . . . . . . . . . . . . . . . 117
Figure 59. Typical Reference Jitter Transfer Function . . . . . . . . . . . . . . . . . . . . . . . . . . . . . 120
Figure 60. Jitter vs. f3 . . . . . . . . . . . . . . . . . . . . . . . . . . . . . . . . . . . . . . . . . . . . . . . . . . . . . . 121
Figure 61. Jitter vs. f3 with FPGA . . . . . . . . . . . . . . . . . . . . . . . . . . . . . . . . . . . . . . . . . . . . . 122
Figure 62. Reference vs. Output Frequency . . . . . . . . . . . . . . . . . . . . . . . . . . . . . . . . . . . . . 123
Figure 63. Jitter vs. Reference Frequency (1 of 2) . . . . . . . . . . . . . . . . . . . . . . . . . . . . . . . . 124
Figure 64. Jitter vs. Reference Frequency (2 of 2) . . . . . . . . . . . . . . . . . . . . . . . . . . . . . . . . 125
Figure 65. 155.52 MHz In; 622.08 MHz Out . . . . . . . . . . . . . . . . . . . . . . . . . . . . . . . . . . . . . .126
Figure 66. 155.52 MHz In; 622.08 MHz Out; Loop BW = 7 Hz, Si5324 . . . . . . . . . . . . . . . . .127
Figure 67. 19.44 MHz In; 156.25 MHz Out; Loop BW = 80 Hz . . . . . . . . . . . . . . . . . . . . . . .128
Figure 68. 19.44 MHz In; 156.25 MHz Out; Loop BW = 5 Hz, Si5324 . . . . . . . . . . . . . . . . . .129
Figure 69. 27 MHz In; 148.35 MHz Out; Light Trace BW = 6 Hz;
Dark Trace BW = 110 Hz, Si5324 . . . . . . . . . . . . . . . . . . . . . . . . . . . . . . . . . . . . .130
Figure 70. 61.44 MHz In; 491.52 MHz Out; Loop BW = 7 Hz, Si5324 . . . . . . . . . . . . . . . . . .131
Figure 71. 622.08 MHz In; 672.16 MHz Out; Loop BW = 6.9 kHz . . . . . . . . . . . . . . . . . . . . .132
Figure 72. 622.08 MHz In; 672.16 MHz Out; Loop BW = 100 Hz . . . . . . . . . . . . . . . . . . . . .133
Figure 73. 156.25 MHz In; 155.52 MHz Out . . . . . . . . . . . . . . . . . . . . . . . . . . . . . . . . . . . . . .134
Figure 74. 78.125 MHz In; 644.531 MHz Out . . . . . . . . . . . . . . . . . . . . . . . . . . . . . . . . . . . . .135
Figure 75. 78.125 MHz In; 690.569 MHz Out . . . . . . . . . . . . . . . . . . . . . . . . . . . . . . . . . . . . .136
Figure 76. 78.125 MHz In; 693.493 MHz Out . . . . . . . . . . . . . . . . . . . . . . . . . . . . . . . . . . . . 137
Figure 77. 86.685 MHz In; 173.371 MHz and 693.493 MHz Out . . . . . . . . . . . . . . . . . . . . . 138
Figure 78. 86.685 MHz In; 173.371 MHz Out . . . . . . . . . . . . . . . . . . . . . . . . . . . . . . . . . . . . 139
Figure 79. 86.685 MHz In; 693.493 MHz Out . . . . . . . . . . . . . . . . . . . . . . . . . . . . . . . . . . . . 140
Figure 80. 155.52 MHz and 156.25 MHz In; 622.08 MHz Out . . . . . . . . . . . . . . . . . . . . . . . 141
Figure 81. 10 MHz In; 1 GHz Out . . . . . . . . . . . . . . . . . . . . . . . . . . . . . . . . . . . . . . . . . . . . . 142
Figure 82. Si5324 and Si5326 Alarm Diagram . . . . . . . . . . . . . . . . . . . . . . . . . . . . . . . . . . . 144
Figure 83. Si5368 Alarm Diagram (1 of 2). . . . . . . . . . . . . . . . . . . . . . . . . . . . . . . . . . . . . . . 145
Figure 84. Si5368 Alarm Diagram (2 of 2). . . . . . . . . . . . . . . . . . . . . . . . . . . . . . . . . . . . . . . 146
Figure 85. ±50 ppm, 2 ppm Steps . . . . . . . . . . . . . . . . . . . . . . . . . . . . . . . . . . . . . . . . . . . . .162
Figure 86. ±200 ppm, 10 ppm Steps. . . . . . . . . . . . . . . . . . . . . . . . . . . . . . . . . . . . . . . . . . . 163
Figure 87. ±2000 ppm, 50 ppm Steps. . . . . . . . . . . . . . . . . . . . . . . . . . . . . . . . . . . . . . . . . . 163

Si53xx-RM
Rev. 0.5 9
Figure 88. RF Generator, Si5326, Si5324; No Jitter (For Reference) . . . . . . . . . . . . . . . . . .165
Figure 89. RF Generator, Si5326, Si5324 (50 Hz Jitter) . . . . . . . . . . . . . . . . . . . . . . . . . . . . 165
Figure 90. RF Generator, Si5326, Si5324 (100 Hz Jitter) . . . . . . . . . . . . . . . . . . . . . . . . . . . 166
Figure 91. RF Generator, Si5326, Si5324 (500 Hz Jitter) . . . . . . . . . . . . . . . . . . . . . . . . . . . 166
Figure 92. RF Generator, Si5326, Si5324 (1 kHz Jitter) . . . . . . . . . . . . . . . . . . . . . . . . . . . . 167
Figure 93. RF Generator, Si5326, Si5324 (5 kHz Jitter) . . . . . . . . . . . . . . . . . . . . . . . . . . . . 167
Figure 94. RF Generator, Si5326, Si5324 (10 kHz Jitter) . . . . . . . . . . . . . . . . . . . . . . . . . . . 168
Figure 95. Vdd Plane . . . . . . . . . . . . . . . . . . . . . . . . . . . . . . . . . . . . . . . . . . . . . . . . . . . . . . .169
Figure 96. Ground Plane and Reset . . . . . . . . . . . . . . . . . . . . . . . . . . . . . . . . . . . . . . . . . . . 170
Figure 97. Output Clock Routing. . . . . . . . . . . . . . . . . . . . . . . . . . . . . . . . . . . . . . . . . . . . . . 171
Figure 98. OSC_P, OSC_N Routing . . . . . . . . . . . . . . . . . . . . . . . . . . . . . . . . . . . . . . . . . . . 172
Figure 99. Si5374, Si5375 DSPLL A. . . . . . . . . . . . . . . . . . . . . . . . . . . . . . . . . . . . . . . . . . . 174
Figure 100. Si5374, Si5375 DSPLL B. . . . . . . . . . . . . . . . . . . . . . . . . . . . . . . . . . . . . . . . . . 175
Figure 101. Si5374, Si5375 DSPLL C. . . . . . . . . . . . . . . . . . . . . . . . . . . . . . . . . . . . . . . . . . 176
Figure 102. Si5374, Si5375 DSPLL D. . . . . . . . . . . . . . . . . . . . . . . . . . . . . . . . . . . . . . . . . . 177

Si53xx-RM
10 Rev. 0.5
LIST OF TABLES
Table 1. Product Selection Guide . . . . . . . . . . . . . . . . . . . . . . . . . . . . . . . . . . . . . . . . . . . . . . 14
Table 2. Product Selection Guide (Si5322/25/65/67) . . . . . . . . . . . . . . . . . . . . . . . . . . . . . . . 15
Table 3. Recommended Operating Conditions1 . . . . . . . . . . . . . . . . . . . . . . . . . . . . . . . . . . . 32
Table 4. DC Characteristics . . . . . . . . . . . . . . . . . . . . . . . . . . . . . . . . . . . . . . . . . . . . . . . . . . 33
Table 5. DC Characteristics—Microprocessor Devices (Si5324, Si5325,
Si5367, Si5368) . . . . . . . . . . . . . . . . . . . . . . . . . . . . . . . . . . . . . . . . . . . . . . . . . . . . 37
Table 6. SPI Specifications (Si5324, Si5325, Si5367, and Si5368) . . . . . . . . . . . . . . . . . . . . 37
Table 7. DC Characteristics—Narrowband Devices (Si5316, Si5319,
Si5323, Si5366, Si5368) . . . . . . . . . . . . . . . . . . . . . . . . . . . . . . . . . . . . . . . . . . . . . . 38
Table 8. AC Characteristics—All Devices . . . . . . . . . . . . . . . . . . . . . . . . . . . . . . . . . . . . . . . . 40
Table 9. Jitter Generation (Si5316, Si5324, Si5366, Si5368) . . . . . . . . . . . . . . . . . . . . . . . . . 44
Table 10. Jitter Generation (Si5322, Si5325, Si5365, Si5367) . . . . . . . . . . . . . . . . . . . . . . . . 44
Table 11. Thermal Characteristics . . . . . . . . . . . . . . . . . . . . . . . . . . . . . . . . . . . . . . . . . . . . . 45
Table 12. Si5316, Si5322, Si5323, Si5365 and Si5366 Key Features . . . . . . . . . . . . . . . . . . 50
Table 13. Frequency Settings . . . . . . . . . . . . . . . . . . . . . . . . . . . . . . . . . . . . . . . . . . . . . . . . . 50
Table 14. Input Divider Settings . . . . . . . . . . . . . . . . . . . . . . . . . . . . . . . . . . . . . . . . . . . . . . . 51
Table 15. Si5316 Bandwidth Values . . . . . . . . . . . . . . . . . . . . . . . . . . . . . . . . . . . . . . . . . . . . 51
Table 16. SONET Clock Multiplication Settings (FRQTBL=L) . . . . . . . . . . . . . . . . . . . . . . . . 52
Table 17. Datacom Clock Multiplication Settings (FRQTBL = M, CK_CONF = 0) . . . . . . . . . 57
Table 18. SONET to Datacom Clock Multiplication Settings. . . . . . . . . . . . . . . . . . . . . . . . . . 61
Table 19. Clock Output Divider Control (DIV34) . . . . . . . . . . . . . . . . . . . . . . . . . . . . . . . . . . . 64
Table 20. Si5316, Si5322, and Si5323 Pins and Reset . . . . . . . . . . . . . . . . . . . . . . . . . . . . . 66
Table 21. Si5365 and Si5366 Pins and Reset. . . . . . . . . . . . . . . . . . . . . . . . . . . . . . . . . . . . . 66
Table 22. Manual Input Clock Selection (Si5316, Si5322, Si5323), AUTOSEL = L . . . . . . . . 67
Table 23. Manual Input Clock Selection (Si5365, Si5366), AUTOSEL = L . . . . . . . . . . . . . . . 67
Table 24. Automatic/Manual Clock Selection . . . . . . . . . . . . . . . . . . . . . . . . . . . . . . . . . . . . . 68
Table 25. Clock Active Indicators (AUTOSEL = M or H) (Si5322 and Si5323). . . . . . . . . . . . 68
Table 26. Clock Active Indicators (AUTOSEL = M or H) (Si5365 and Si5367). . . . . . . . . . . . 68
Table 27. Input Clock Priority for Auto Switching (Si5322, Si5323) . . . . . . . . . . . . . . . . . . . . 68
Table 28. Input Clock Priority for Auto Switching (Si5365, Si5366) . . . . . . . . . . . . . . . . . . . . 69
Table 29. FS_OUT Disable Control (DBLFS) . . . . . . . . . . . . . . . . . . . . . . . . . . . . . . . . . . . . . 72
Table 30. Output Signal Format Selection (SFOUT). . . . . . . . . . . . . . . . . . . . . . . . . . . . . . . . 72
Table 31. DSBL2/BYPASS Pin Settings . . . . . . . . . . . . . . . . . . . . . . . . . . . . . . . . . . . . . . . . . 73
Table 32. Frequency Offset Control (FOS_CTL). . . . . . . . . . . . . . . . . . . . . . . . . . . . . . . . . . . 74
Table 33. Alarm Output Logic Equations. . . . . . . . . . . . . . . . . . . . . . . . . . . . . . . . . . . . . . . . . 74
Table 34. Lock Detect Retrigger Time. . . . . . . . . . . . . . . . . . . . . . . . . . . . . . . . . . . . . . . . . . . 75
Table 35. Narrowband Frequency Limits . . . . . . . . . . . . . . . . . . . . . . . . . . . . . . . . . . . . . . . . 78
Table 36. Dividers and Limits . . . . . . . . . . . . . . . . . . . . . . . . . . . . . . . . . . . . . . . . . . . . . . . . . 78
Table 37. CKOUT_ALWAYS_ON and SQ_ICAL Truth Table. . . . . . . . . . . . . . . . . . . . . . . . . 80
Table 38. Manual Input Clock Selection (Si5367, Si5368, Si5369). . . . . . . . . . . . . . . . . . . . . 82
Table 39. Manual Input Clock Selection (Si5324, Si5325, Si5326, Si5374) . . . . . . . . . . . . . . 83
Table 40. Automatic/Manual Clock Selection . . . . . . . . . . . . . . . . . . . . . . . . . . . . . . . . . . . . . 83
Table 41. Input Clock Priority for Auto Switching . . . . . . . . . . . . . . . . . . . . . . . . . . . . . . . . . . 84

Si53xx-RM
Rev. 0.5 11
Table 42. Digital Hold History Delay . . . . . . . . . . . . . . . . . . . . . . . . . . . . . . . . . . . . . . . . . . . . 88
Table 43. Digital Hold History Averaging Time . . . . . . . . . . . . . . . . . . . . . . . . . . . . . . . . . . . . 88
Table 44. CKIN3/CKIN4 Frequency Selection (CK_CONF = 1) . . . . . . . . . . . . . . . . . . . . . . . 92
Table 45. Common NC5 Divider Settings . . . . . . . . . . . . . . . . . . . . . . . . . . . . . . . . . . . . . . . . 93
Table 46. Alignment Alarm Trigger Threshold. . . . . . . . . . . . . . . . . . . . . . . . . . . . . . . . . . . . . 93
Table 47. Output Signal Format Selection . . . . . . . . . . . . . . . . . . . . . . . . . . . . . . . . . . . . . . . 95
Table 48. Loss-of-Signal Validation Times . . . . . . . . . . . . . . . . . . . . . . . . . . . . . . . . . . . . . . . 96
Table 49. Loss-of-Signal Registers . . . . . . . . . . . . . . . . . . . . . . . . . . . . . . . . . . . . . . . . . . . . . 96
Table 50. FOS Reference Clock Selection . . . . . . . . . . . . . . . . . . . . . . . . . . . . . . . . . . . . . . . 98
Table 51. CLKnRATE Registers . . . . . . . . . . . . . . . . . . . . . . . . . . . . . . . . . . . . . . . . . . . . . . . 98
Table 52. Alarm Output Logic Equations
(Si5367, Si5368, and Si5369 [CONFIG_REG = 0]) . . . . . . . . . . . . . . . . . . . . . . . . 99
Table 53. Alarm Output Logic Equations [Si5368 and CKCONFIG_REG = 1] . . . . . . . . . . . 100
Table 54. Lock Detect Retrigger Time (LOCKT) . . . . . . . . . . . . . . . . . . . . . . . . . . . . . . . . . . 101
Table 55. SPI Command Format. . . . . . . . . . . . . . . . . . . . . . . . . . . . . . . . . . . . . . . . . . . . . . 103
Table 56. Output Driver Configuration. . . . . . . . . . . . . . . . . . . . . . . . . . . . . . . . . . . . . . . . . . 107
Table 57. Disabling Unused Output Driver . . . . . . . . . . . . . . . . . . . . . . . . . . . . . . . . . . . . . . 108
Table 58. Output Format Measurements1,2 . . . . . . . . . . . . . . . . . . . . . . . . . . . . . . . . . . . . . 109
Table 59. Approved Crystals. . . . . . . . . . . . . . . . . . . . . . . . . . . . . . . . . . . . . . . . . . . . . . . . . 119
Table 60. XA/XB Reference Sources and Frequencies . . . . . . . . . . . . . . . . . . . . . . . . . . . . 119
Table 61. Jitter Values for Figure 61 . . . . . . . . . . . . . . . . . . . . . . . . . . . . . . . . . . . . . . . . . . . 122
Table 62. Jitter Values for Figure 62 . . . . . . . . . . . . . . . . . . . . . . . . . . . . . . . . . . . . . . . . . . . 123
Table 63. Jitter Values for Figure 74 . . . . . . . . . . . . . . . . . . . . . . . . . . . . . . . . . . . . . . . . . . 135
Table 64. Jitter Values for Figure 75 . . . . . . . . . . . . . . . . . . . . . . . . . . . . . . . . . . . . . . . . . . . 136
Table 65. Jitter Values for Figure 76 . . . . . . . . . . . . . . . . . . . . . . . . . . . . . . . . . . . . . . . . . . . 137
Table 66. Jitter Values for Figure 77 . . . . . . . . . . . . . . . . . . . . . . . . . . . . . . . . . . . . . . . . . . . 138
Table 67. Jitter Values for Figure 80 . . . . . . . . . . . . . . . . . . . . . . . . . . . . . . . . . . . . . . . . . . . 141
Table 68. Si5316 Pullup/Down . . . . . . . . . . . . . . . . . . . . . . . . . . . . . . . . . . . . . . . . . . . . . . . 147
Table 69. Si5322 Pullup/Down . . . . . . . . . . . . . . . . . . . . . . . . . . . . . . . . . . . . . . . . . . . . . . . 147
Table 70. Si5323 Pullup/Down . . . . . . . . . . . . . . . . . . . . . . . . . . . . . . . . . . . . . . . . . . . . . . . 148
Table 71. Si5319, Si5324, Pullup/Down . . . . . . . . . . . . . . . . . . . . . . . . . . . . . . . . . . . . . . . . 148
Table 72. Si5325 Pullup/Down . . . . . . . . . . . . . . . . . . . . . . . . . . . . . . . . . . . . . . . . . . . . . . . 149
Table 73. Si5326 Pullup/Down . . . . . . . . . . . . . . . . . . . . . . . . . . . . . . . . . . . . . . . . . . . . . . . 149
Table 74. Si5327 Pullup/Down . . . . . . . . . . . . . . . . . . . . . . . . . . . . . . . . . . . . . . . . . . . . . . . 150
Table 75. Si5365 Pullup/Down . . . . . . . . . . . . . . . . . . . . . . . . . . . . . . . . . . . . . . . . . . . . . . . 150
Table 76. Si5366 Pullup/Down . . . . . . . . . . . . . . . . . . . . . . . . . . . . . . . . . . . . . . . . . . . . . . . 151
Table 77. Si5367 Pullup/Down . . . . . . . . . . . . . . . . . . . . . . . . . . . . . . . . . . . . . . . . . . . . . . . 152
Table 78. Si5368 Pullup/Down . . . . . . . . . . . . . . . . . . . . . . . . . . . . . . . . . . . . . . . . . . . . . . . 152
Table 79. Si5369 Pullup/Down . . . . . . . . . . . . . . . . . . . . . . . . . . . . . . . . . . . . . . . . . . . . . . . 153
Table 80. Si5374/75 Pullup/Down. . . . . . . . . . . . . . . . . . . . . . . . . . . . . . . . . . . . . . . . . . . . . 153
Table 81. Output Format vs. Jitter . . . . . . . . . . . . . . . . . . . . . . . . . . . . . . . . . . . . . . . . . . . . 161
Table 82. Jitter Values. . . . . . . . . . . . . . . . . . . . . . . . . . . . . . . . . . . . . . . . . . . . . . . . . . . . . . 164
Table 83. Si5374/75 Crosstalk Jitter Values . . . . . . . . . . . . . . . . . . . . . . . . . . . . . . . . . . . . . 173

Si53xx-RM
12 Rev. 0.5
1. Any-Frequency Precision Clock Product Family Overview
Silicon Laboratories Any-Frequency Precision Clock products provide jitter attenuation and clock multiplication/
clock division for applications requiring sub 1 ps rms jitter performance. The device product family is based on
Silicon Laboratories' 3rd generation DSPLL technology, which provides any-frequency synthesis and jitter
attenuation in a highly integrated PLL solution that eliminates the need for discrete VCXO/VCSOs and loop filter
components. These devices are ideally suited for applications which require low jitter reference clocks, including
OTN (OTU-1, OTU-2, OTU-3, OTU-4), OC-48/STM-16, OC-192/STM-64, OC-768/STM-256, GbE, 10GbE, Fibre
Channel, 10GFC, synchronous Ethernet, wireless backhaul, wireless point-point infrastructure, broadcast video/
HDTV (HD SDI, 3G SDI), test and measurement, data acquisition systems, and FPGA/ASIC reference clocking.
Table 1 provides a product selector guide for the Silicon Laboratories Any-Frequency Precision Clocks. Three
product families are available. The Si5316, Si5319, Si5323, Si5324, Si5326, Si5366, and Si5368 are jitter-
attenuating clock multipliers that provide ultra-low jitter generation as low as 0.30 ps RMS. The devices vary
according to the number of clock inputs, number of clock outputs, and control method. The Si5316 is a fixed-
frequency, pin controlled jitter attenuator that can be used in clock smoothing applications. The Si5323 and Si5366
are pin-controlled jitter-attenuating clock multipliers. The frequency plan for these pin-controlled devices is
selectable from frequency lookup tables and includes common frequency translations for SONET/SDH, ITU G.709
Forward Error Correction (FEC) applications (255/238, 255/237, 255/236, 238/255, 237/255, 236/255), Gigabit
Ethernet, 10G Ethernet, 1G/2G/4G/8G/10G Fibre Channel, ATM and broadcast video (Genlock). The Si5319,
Si5324, Si5326, Si5327, Si5368, and Si5369 are microprocessor-controlled devices that can be controlled via an
I2C or SPI interface. These microprocessor-controlled devices accept clock inputs ranging from 2 kHz to 710 MHz
and generate multiple independent, synchronous clock outputs ranging from 2 kHz to 945 MHz and select
frequencies to 1.4 GHz. Virtually any frequency translation combination across this operating range is supported.
Independent dividers are available for every input clock and output clock, so the Si5324, Si5326, Si5327, and
Si5368 can accept input clocks at different frequencies and generate output clocks at different frequencies. The
Si5316, Si5319, Si5323, Si5326, Si5327, Si5366, Si5368, and Si5369 support a digitally programmable loop
bandwidth that can range from 60 Hz to 8.4 kHz. An external (37–41 MHz, 55–61 MHz, 109–125.5 MHz, or 163–
180 MHz) reference clock or a low-cost 114.285 MHz 3rd overtone crystal is required for these devices to enable
ultra-low jitter generation and jitter attenuation. (See "Appendix A—Narrowband References" on page 119.) The
Si5324 and Si5369 are much lower bandwidth devices, providing a user-programmable loop bandwidth from 4 to
525 Hz.
The Si5323, Si5324, Si5326, Si5327, Si5366, Si5368, and Si5369 support hitless switching between input clocks in
compliance with GR-253-CORE and GR-1244-CORE that greatly minimizes the propagation of phase transients to
the clock outputs during an input clock transition (<200 ps typ). Manual, automatic revertive and automatic non-
revertive input clock switching options are available. The devices monitor the input clocks for loss-of-signal and
provide a LOS alarm when missing pulses on any of the input clocks are detected. The devices monitor the lock
status of the PLL and provide a LOL alarm when the PLL is unlocked. The lock detect algorithm works by
continuously monitoring the phase of the selected input clock in relation to the phase of the feedback clock. The
Si5326, Si5366, Si5368, and Si5369 monitor the frequency of the input clocks with respect to a reference
frequency applied to an input clock or the XA/XB input, and generates a frequency offset alarm (FOS) if the
threshold is exceeded. This FOS feature is available for SONET/SDH applications. Both Stratum 3/3E and SONET
Minimum Clock (SMC) FOS thresholds are supported.
The Si5319, Si5323, Si5324, Si5326, Si5366, Si5368, and Si5369 provide a digital hold capability that allows the
device to continue generation of a stable output clock when the selected input reference is lost. During digital hold,
the DSPLL generates an output frequency based on a historical average that existed a fixed amount of time before
the error event occurred, eliminating the effects of phase and frequency transients that may occur immediately
preceding entry into digital hold.
The Si5322, Si5325, Si5365, and Si5367 are frequency flexible, low jitter clock multipliers that provide jitter
generation of 0.6 ps RMS without jitter attenuation. These devices provide low jitter integer clock multiplication or
fractional clock synthesis, but they are not as frequency-flexible as the Si5319/23/24/26/66/68/69. The devices
vary according to the number of clock inputs, number of clock outputs, and control method. The Si5322 and Si5365
are pin-controlled clock multipliers. The frequency plan for these devices is selectable from frequency lookup
tables.

Si53xx-RM
Rev. 0.5 13
A wide range of settings are available, but they are a subset of the frequency plans supported by the Si5323 and
Si5366 jitter-attenuating clock multipliers. The Si5325 and Si5367 are microprocessor-controlled clock multipliers
that can be controlled via an I2C or SPI interface.
These devices accept clock inputs ranging from 10 MHz to 710 MHz and generate multiple independent,
synchronous clock outputs ranging from 10 MHz to 945 MHz and select frequencies to 1.4 GHz. The Si5325 and
Si5367 support a subset of the frequency translations available in the Si5319, Si5324, Si5326, Si5327, Si5368, and
Si5369 jitter-attenuating clock multipliers. The Si5325 and Si5367 can accept input clocks at different frequencies
and generate output clocks at different frequencies. The Si5322, Si5325, Si5365, and Si5367 support a digitally
programmable loop bandwidth that ranges from 150 kHz to 1.3 MHz. No external components are required for
these devices. LOS and FOS monitoring is available for these devices, as described above.
The Si5374 and Si5375 are quad DSPLL versions of the Si5324 and Si5319, respectively. Each of the four
DSPLLs can operate at completely independent frequencies. The only resources that they share are a common
I2C bus and a common XA/XB jitter reference oscillator. The Si5375 consists of four one-input and one-output
DSPLLs. The Si5374 consists of four two-input and two-output DSPLLs with very low loop bandwidth.
The Any-Frequency Precision Clocks have differential clock output(s) with programmable signal formats to support
LVPECL, LVDS, CML, and CMOS loads. If the CMOS signal format is selected, each differential output buffer
generates two in-phase CMOS clocks at the same frequency. For system-level debugging, a PLL bypass mode
drives the clock output directly from the selected input clock, bypassing the internal PLL.
Silicon Laboratories offers a PC-based software utility, DSPLLsim, that can be used to determine valid frequency
plans and loop bandwidth settings for the Any-Frequency Precision Clock product family. For the microprocessor-
controlled devices, DSPLLsim provides the optimum PLL divider settings for a given input frequency/clock
multiplication ratio combination that minimizes phase noise and power consumption. Two DSPLLsim configuration
software applications are available for the 1-PLL and 4-PLL devices, respectively. DSPLLsim can also be used to
simplify device selection and configuration. This utility can be downloaded from http://www.silabs.com/timing.
Other useful documentation, including device data sheets and programming files for the microprocessor-controlled
devices are available from this website.

Si53xx-RM
14 Rev. 0.5
Table 1. Product Selection Guide
Part
Number Control Number of
Inputs and
Outputs
Input
Frequency
(MHz)*
Output
Frequency
(MHz)*
RMS Phase Jitter
(12kHz–20MHz) PLL
Bandwidth Hitless
Switching Free
Run
Mode
Package
Si5315 Pin 1PLL, 2 | 2 0.008–644 0.008–644 0.45 ps 60 Hz to
8kHz 6x6 mm
36-QFN
Si5316 Pin 1PLL, 2 | 1 19–710 19–710 0.3 ps 60 Hz to
8kHz 6x6 mm
36-QFN
Si5317 Pin 1PLL, 1 | 2 1–710 1–710 0.3 ps 60 Hz to
8kHz 6x6 mm
36-QFN
Si5319 I2C/SPI 1PLL, 1 | 1 0.002–710 0.002–1417 0.3 ps 60 Hz to
8kHz 6x6 mm
36-QFN
Si5323 Pin 1PLL, 2 | 2 0.008–707 0.008–1050 0.3 ps 60 Hz to
8kHz 6x6 mm
36-QFN
Si5324 I2C/SPI 1PLL, 2 | 2 0.002–710 0.002–1417 0.3 ps 4 Hz to
525 Hz
6x6 mm
36-QFN
Si5326 I2C/SPI 1PLL, 2 | 2 0.002–710 0.002–1417 0.3 ps 60 Hz to
8kHz
6x6 mm
36-QFN
Si5327 I2C/SPI 1PLL, 2 | 2 0.002–710 0.002–808 0.5 ps 60 Hz to
8kHz
6x6 mm
36-QFN
Si5366 Pin 1PLL, 4 | 5 0.008–707 0.008–1050 0.3 ps 60 Hz to
8kHz 14x14 mm
100-TQFP
Si5368 I2C/SPI 1PLL, 4 | 5 0.002–710 0.002–1417 0.3 ps 60 Hz to
8kHz
14x14 mm
100-TQFP
Si5369 I2C/SPI 1PLL, 4 | 5 0.002–710 0.002–1417 0.3 ps 4 Hz to
525 Hz
14x14 mm
100-TQFP
Si5374 I2C 4PLL, 8 | 8 0.002–710 0.002–808 0.4 ps 4 Hz to
525 Hz
10x10 mm
80-BGA
Si5375 I2C 4PLL, 4 | 4 0.002–710 0.002–808 0.4 ps 60 Hz to
8kHz
10x10 mm
80-BGA
*Note: Maximum input and output rates may be limited by speed rating of device. See each device’s data sheet for ordering
information.

Si53xx-RM
Rev. 0.5 15
Table 2. Product Selection Guide (Si5322/25/65/67)
Device
Clock Inputs
Clock Outputs
P Control
Max Input Freq (MHz)1
Max Output Frequency (MHz)
Jitter Generation
(12 kHz – 20 MHz)
LOS
Hitless Switching
FOS Alarm
LOL Alarm
FSYNC Realignment
36 Lead 6 mm x 6 mm QFN
100 Lead 14 x 14 mm TQFP
1.8, 2.5, 3.3 V Operation
1.8, 2.5 V Operation
Low Jitter Precision Clock Multipliers (Wideband)
Si5322 2 2 707 1050 0.6 ps rms typ
Si5325 2 2 710 1400 0.6 ps rms typ
Si5365 4 5 707 1050 0.6 ps rms typ
Si5367 4 5 710 1400 0.6 ps rms typ
Notes:
1. Maximum input and output rates may be limited by speed rating of device. See each device’s data sheet for ordering
information.
2. Requires external low-cost, fixed frequency 3rd overtone 114.285 MHz crystal or reference clock. See "Table 60.XA/XB
Reference Sources and Frequencies" on page 119.

Si53xx-RM
16 Rev. 0.5
2. Narrowband vs. Wideband Overview
The narrowband (NB) devices offer a number of features and capabilities that are not available with the wideband
(WB) devices, as outlined in the below list:
Broader set of frequency plans due to more divisor options
Hitless switching between input clocks
Lower minimum input clock frequency
Lower loop bandwidth
Digital Hold (reference-based holdover instead of VCO freeze)
FRAMESYNC realignment
CLAT and FLAT (input to output skew adjust)
INC and DEC pins
PLL Loss of Lock status indicator
FOS is not supported.

Si53xx-RM
Rev. 0.5 17
3. Any-Frequency Clock Family Members
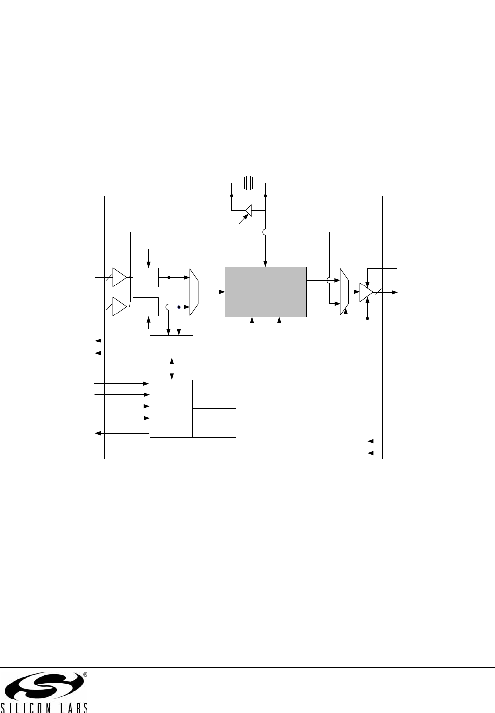
3.1. Si5316
The Si5316 is a low jitter, precision jitter attenuator for high-speed communication systems, including OC-48, OC-
192, 10G Ethernet, and 10G Fibre Channel. The Si5316 accepts dual clock inputs in the 19, 38, 77, 155, 311, or
622 MHz frequency range and generates a jitter-attenuated clock output at the same frequency. Within each of
these clock ranges, the device can be tuned approximately 14% higher than nominal SONET/SDH frequencies, up
to a maximum of 710 MHz in the 622 MHz range. The DSPLL loop bandwidth is digitally selectable, providing jitter
performance optimization at the application level. Operating from a single 1.8, 2.5, or 3.3 V supply, the Si5316 is
ideal for providing jitter attenuation in high performance timing applications. See "6. Pin Control Parts (Si5316,
Si5322, Si5323, Si5365, Si5366)" on page 50 for a complete description.
Figure 1. Si5316 Any-Frequency Jitter Attenuator Block Diagram
2
DSPLL®
C1B
CS
LOL
BWSEL[1:0]
DBL_BY
Xtal or Refclock
SFOUT[1:0]
CKOUT+
CKOUT–
CKIN_1+
CKIN_1–
CKIN_2+
CKIN_2–
Control
Signal
Detect
VDD
GND
Frequency
Control
Bandwidth
Control
C2B
2
FRQSEL[1:0]
RST
0
1
RATE[1:0]
XA
XB
fOSC 2
0
1
÷ N31
÷ N32
f3_1
f3_2
CK1DIV
CK2DIV
f3

Si53xx-RM
18 Rev. 0.5
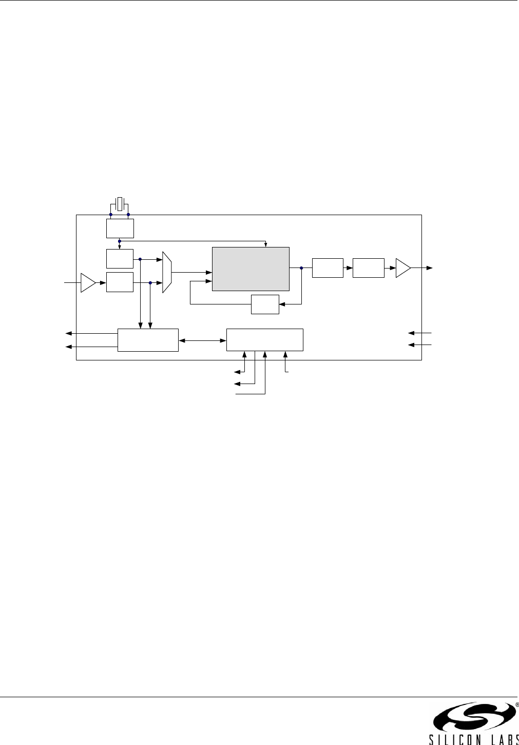
3.2. Si5319
The Si5319 is a jitter-attenuating precision M/N clock multiplier for applications requiring sub 1 ps jitter
performance. The Si5319 accepts one clock input ranging from 2 kHz to 710 MHz and generates one clock output
ranging from 2 kHz to 945 MHz and select frequencies to 1.4 GHz. The Si5319 can also use its crystal oscillator as
a clock source for frequency synthesis. The device provides virtually any frequency translation combination across
this operating range. The Si5319 input clock frequency and clock multiplication ratio are programmable through an
I2C or SPI interface. The Si5319 is based on Silicon Laboratories' 3rd-generation DSPLL® technology, which
provides any-frequency synthesis and jitter attenuation in a highly integrated PLL solution that eliminates the need
for external VCXO and loop filter components. The DSPLL loop bandwidth is digitally programmable, providing
jitter performance optimization at the application level. Operating from a single 1.8, 2.5, or 3.3 V supply, the Si5319
is ideal for providing clock multiplication and jitter attenuation in high performance timing applications. See "7.
Microprocessor Controlled Parts (Si5319, Si5324, Si5325, Si5326, Si5327, Si5367, Si5368, Si5369, Si5374,
Si5375)" on page 76 for a complete description.
Figure 2. Si5319 Any-Frequency Jitter Attenuating Clock Multiplier Block Diagram
DSPLL
®
Loss of Signal
Xtal or Refclock
CKIN
CKOUT
÷ N31
÷ N2
Signal Detect
Device Interrupt
VDD
GND
Loss of Lock
Xtal/Clock Select
I2C/SPI Port
Control
Rate Select
÷ N32
XO
f3÷ N1_HS ÷ NC1

Si53xx-RM
Rev. 0.5 19
3.3. Si5322
The Si5322 is a low jitter, precision clock multiplier for applications requiring clock multiplication without jitter
attenuation. The Si5322 accepts dual clock inputs ranging from 19.44 to 707 MHz and generates two frequency-
multiplied clock outputs ranging from 19.44 to 1050 MHz. The input clock frequency and clock multiplication ratio
are selectable from a table of popular SONET, Ethernet, Fibre Channel, and broadcast video (HD SDI, 3G SDI)
rates. The DSPLL loop bandwidth is digitally selectable from 150 kHz to 1.3 MHz. Operating from a single 1.8, 2.5,
or 3.3 V supply, the Si5322 is ideal for providing low jitter clock multiplication in high performance timing
applications. See "6. Pin Control Parts (Si5316, Si5322, Si5323, Si5365, Si5366)" on page 50 for a complete
description.
Figure 3. Si5322 Low Jitter Clock Multiplier Block Diagram
DSPLL®
C1B
CS_CA
BWSEL[1:0]
DBL2_BY
SFOUT[1:0]
CKOUT_2+
CKOUT_2–
CKIN_1+
CKIN_1–
CKOUT_1+
CKOUT_2–
CKIN_2+
CKIN_2–
Control
AUTOSEL
FRQTBL
Signal
Detect
VDD
GND
Frequency
Control
Bandwidth
Control
C2B
2
2
FRQSEL[3:0]
RST
0
1
fOSC
2
2
0
1
0
1
f3

Si53xx-RM
20 Rev. 0.5
3.4. Si5323
The Si5323 is a jitter-attenuating precision clock multiplier for high-speed communication systems, including
SONET OC-48/OC-192, Ethernet, Fibre Channel, and broadcast video (HD SDI, 3G SDI). The Si5323 accepts
dual clock inputs ranging from 8 kHz to 707 MHz and generates two frequency-multiplied clock outputs ranging
from 8 kHz to 1050 MHz. The input clock frequency and clock multiplication ratio are selectable from a table of
popular SONET, Ethernet, Fibre Channel, and broadcast video rates. The DSPLL loop bandwidth is digitally
selectable, providing jitter performance optimization at the application level. Operating from a single 1.8, 2.5, or
3.3 V supply, the Si5323 is ideal for providing clock multiplication and jitter attenuation in high-performance timing
applications. See "6. Pin Control Parts (Si5316, Si5322, Si5323, Si5365, Si5366)" on page 50 for a complete
description.
Figure 4. Si5323 Jitter Attenuating Clock Multiplier Block Diagram
DSPLL®
C1B
LOL
CS/CA
BWSEL[1:0]
DBL2/BY
Xtal or Refclock
SFOUT[1:0]
CKOUT_2+
CKOUT_2–
CKIN_1+
CKIN_1–
CKOUT_1+
CKOUT_1–
CKIN_2+
CKIN_2–
Control
AUTOSEL
FRQTBL
Signal
Detect
VDD
GND
Frequency
Control
Bandwidth
Control
C2B
2
2
FRQSEL[3:0]
INC
DEC
RST
0
1
RATE[1:0]
XA
XB
fOSC
2
2
0
1
0
1
f3

Si53xx-RM
Rev. 0.5 21
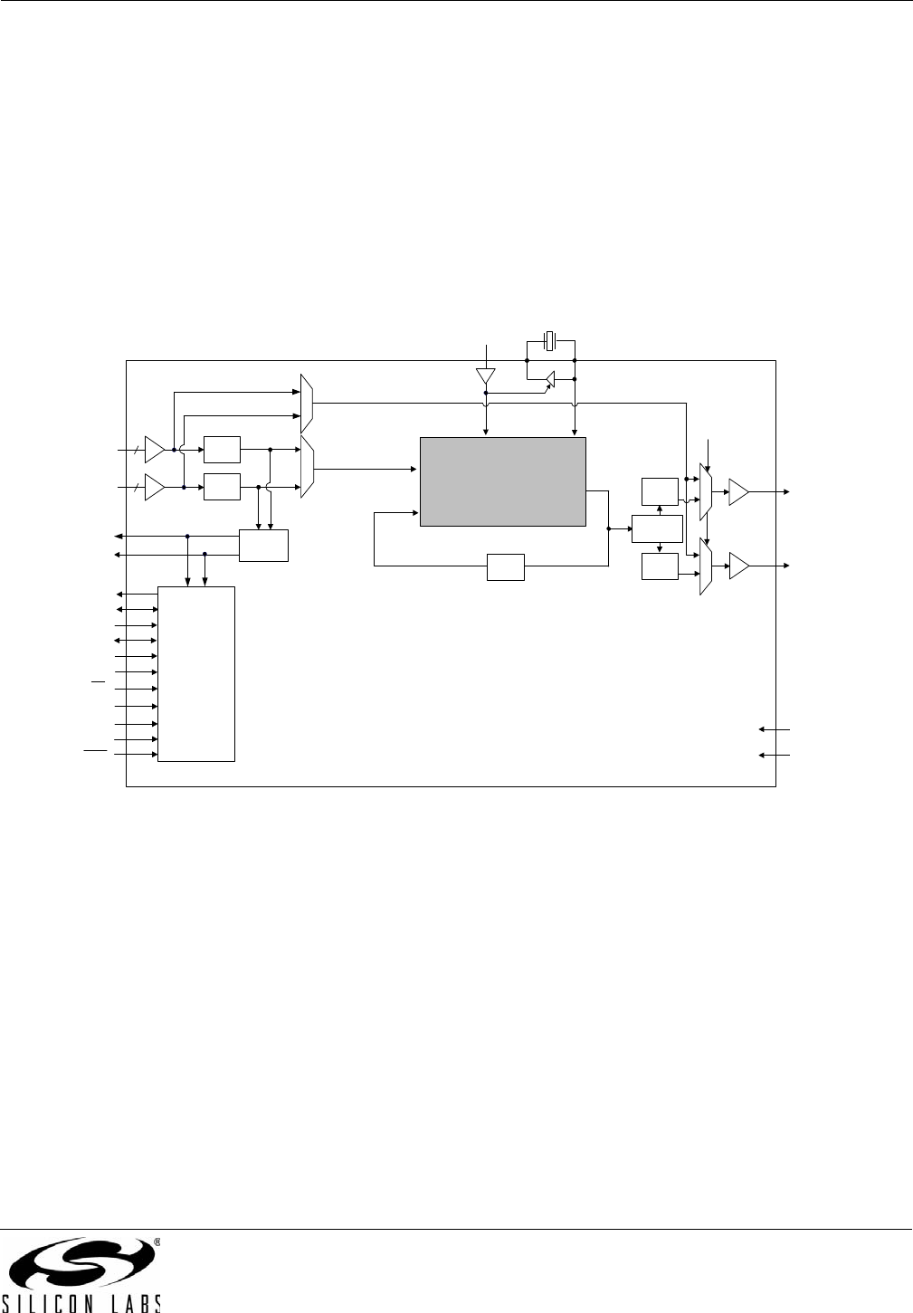
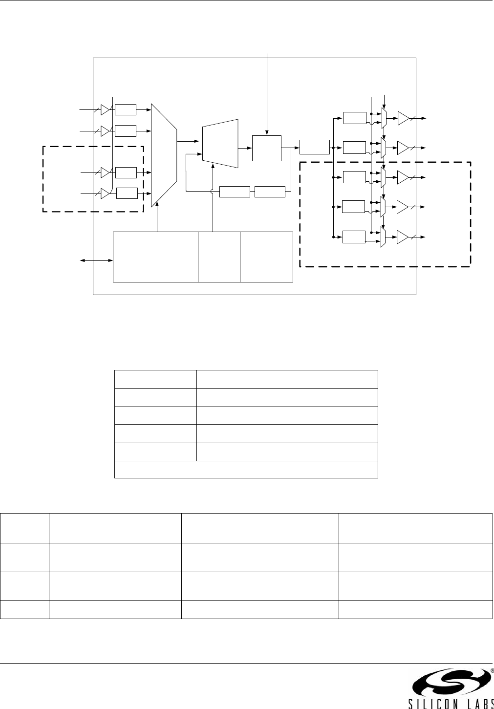
3.5. Si5324
The Si5324 is a jitter-attenuating precision clock multiplier for applications requiring sub 1 ps jitter performance.
The Si5324 accepts dual clock inputs ranging from 2 kHz to 710 MHz and generates two independent,
synchronous clock outputs ranging from 2 kHz to 945 MHz and select frequencies to 1.4 GHz. The device provides
virtually any frequency translation combination across this operating range. The Si5324 input clock frequency and
clock multiplication ratios are programmable through an I2C or SPI interface. The DSPLL loop bandwidth is digitally
programmable, providing jitter performance optimization at the application level. The Si5324 features loop
bandwidth values as low as 4 Hz. Operating from a single 1.8, 2.5, or 3.3 V supply, the Si5324 is ideal for providing
clock multiplication and jitter attenuation in high-performance timing applications. See "7. Microprocessor
Controlled Parts (Si5319, Si5324, Si5325, Si5326, Si5327, Si5367, Si5368, Si5369, Si5374, Si5375)" on page 76
for a complete description.
Figure 5. Si5324 Clock Multiplier and Jitter Attenuator Block Diagram
÷ N31
INT_C1B
Xtal or Refclock
÷ NC1
÷ NC2
Signal
Detect
VDD
GND
C2B
0
1
f3
CKOUT_2 +
CKOUT_2 –
CKOUT_1 +
CKOUT_1 –
/
/
2
2
1
0
1
0
fOSC
RATE[1:0]
LOL
CS_CA
SDA_SDO
INC
DEC
RST
SCL Control
SDI
A[2]/SS
A[1:0]
XAXB
CMODE
CKIN_1 +
CKIN_1 –
2
2
CKIN_2 +
CKIN_2 – ÷ N32
0
1
3
BYPASS
÷ N2
DSPLL
÷ N1_HS
DSPLL®

Si53xx-RM
22 Rev. 0.5
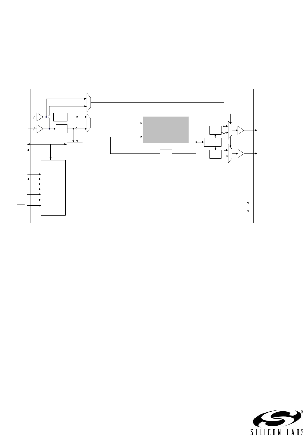
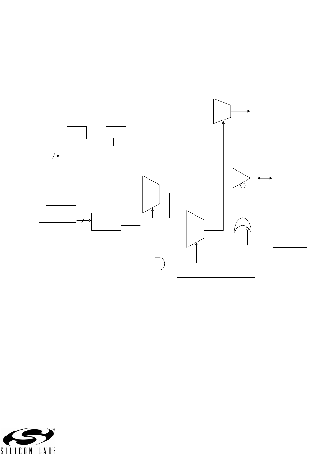
3.6. Si5325
The Si5325 is a low jitter, precision clock multiplier for applications requiring clock multiplication without jitter
attenuation. The Si5325 accepts dual clock inputs ranging from 10 to 710 MHz and generates two independent,
synchronous clock outputs ranging from 2 kHz to 945 MHz and select frequencies to 1.4 GHz. The Si5325 input
clock frequency and clock multiplication ratios are programmable through an I2C or SPI interface. The DSPLL loop
bandwidth is digitally programmable from 150 kHz to 1.3 MHz. Operating from a single 1.8, 2.5, or 3.3 V supply, the
Si5325 is ideal for providing clock multiplication in high performance timing applications. See "7. Microprocessor
Controlled Parts (Si5319, Si5324, Si5325, Si5326, Si5327, Si5367, Si5368, Si5369, Si5374, Si5375)" on page 76
for a complete description.
Figure 6. Si5325 Low Jitter Clock Multiplier Block Diagram
÷ N31
INT_C1B
÷ NC1
÷ NC2
Signal
Detect
C2B
0
1
CKOUT_2 +
CKOUT_2 –
CKOUT_1 +
CKOUT_1 –
/
/
2
2
1
0
1
0
SDA_SDO
RST
SCL Control
SDI
A[2]/SS
A[1:0]
CMODE
CKIN_1 +
CKIN_1 –
2
2
CKIN_2 +
CKIN_2 – ÷ N32
0
1BYPASS
÷ N2
f3
DSPLL®
VDD
GND
÷ N1_HS
fOSC

Si53xx-RM
Rev. 0.5 23
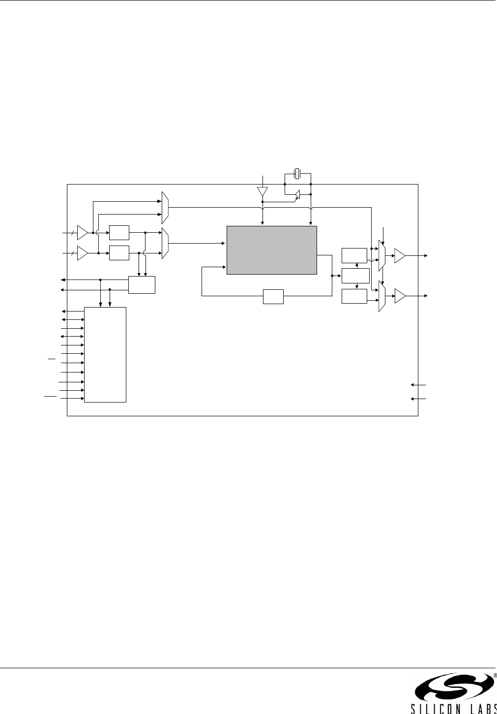
3.7. Si5326
The Si5326 is a jitter-attenuating precision clock multiplier for applications requiring sub 1 ps jitter performance.
The Si5326 accepts dual clock inputs ranging from 2 kHz to 710 MHz and generates two independent,
synchronous clock outputs ranging from 2 kHz to 945 MHz and select frequencies to 1.4 GHz. The device provides
virtually any frequency translation combination across this operating range. The Si5326 input clock frequency and
clock multiplication ratios are programmable through an I2C or SPI interface. The DSPLL loop bandwidth is digitally
programmable from 60 Hz to 8 kHz, providing jitter performance optimization at the application level. Operating
from a single 1.8, 2.5, or 3.3 V supply, the Si5326 is ideal for providing clock multiplication and jitter attenuation in
high-performance timing applications. See "7. Microprocessor Controlled Parts (Si5319, Si5324, Si5325, Si5326,
Si5327, Si5367, Si5368, Si5369, Si5374, Si5375)" on page 76 for a complete description.
Figure 7. Si5326 Clock Multiplier and Jitter Attenuator Block Diagram
÷ N31
INT_C1B
Xtal or Refclock
÷ NC1
÷ NC2
Signal
Detect
VDD
GND
C2B
0
1
f3
CKOUT_2 +
CKOUT_2 –
CKOUT_1 +
CKOUT_1 –
/
/
2
2
1
0
1
0
fOSC
RATE[1:0]
LOL
CS_CA
SDA_SDO
INC
DEC
RST
SCL Control
SDI
A[2]/SS
A[1:0]
XAXB
CMODE
CKIN_1 +
CKIN_1 –
2
2
CKIN_2 +
CKIN_2 – ÷ N32
0
1
3
BYPASS
÷ N2
DSPLL
÷ N1_HS
DSPLL®

Si53xx-RM
24 Rev. 0.5
3.8. Si5327
The Si5327 is a jitter-attenuating precision clock multiplier for applications requiring sub 1 ps jitter performance.
The Si5327 accepts dual clock inputs ranging from 2 kHz to 710 MHz and generates two independent,
synchronous clock outputs ranging from 2 kHz to 808 MHz. The device provides virtually any frequency translation
combination across this operating range. The Si5327 input clock frequency and clock multiplication ratios are
programmable through an I2C or SPI interface. The DSPLL loop bandwidth is digitally programmable, providing
jitter performance optimization at the application level. The Si5327 features loop bandwidth values as low as 4 Hz.
Operating from a single 1.8, 2.5, or 3.3 V supply, the Si5327 is ideal for providing clock multiplication and jitter
attenuation in high-performance timing applications. See "7. Microprocessor Controlled Parts (Si5319, Si5324,
Si5325, Si5326, Si5327, Si5367, Si5368, Si5369, Si5374, Si5375)" on page 76 for a complete description.
Figure 8. Si5327 Clock Multiplier and Jitter Attenuator Block Diagram
÷ N31
INT_C1B
Xtal or Refclock
÷ NC1
÷ NC2
Signal
Detect
VDD
GND
C2B
0
1
f3
CKOUT_2 +
CKOUT_2 –
CKOUT_1 +
CKOUT_1 –
/
/
2
2
1
0
1
0
fOSC
RATE[1:0]
LOL
CS_CA
SDA_SDO
INC
DEC
RST
SCL Control
SDI
A[2]/SS
A[1:0]
XAXB
CMODE
CKIN_1 +
CKIN_1 –
2
2
CKIN_2 +
CKIN_2 – ÷ N32
0
1
3
BYPASS
÷ N2
DSPLL
÷ N1_HS
DSPLL®

Si53xx-RM
Rev. 0.5 25
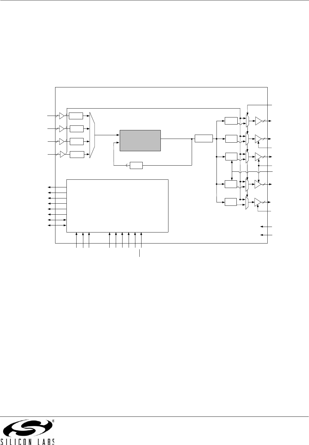
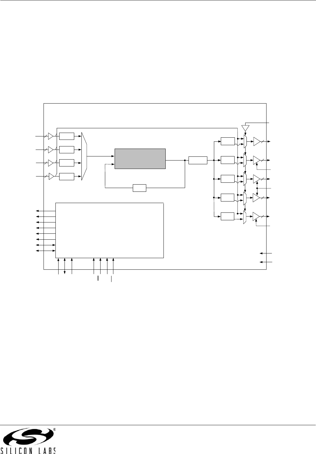
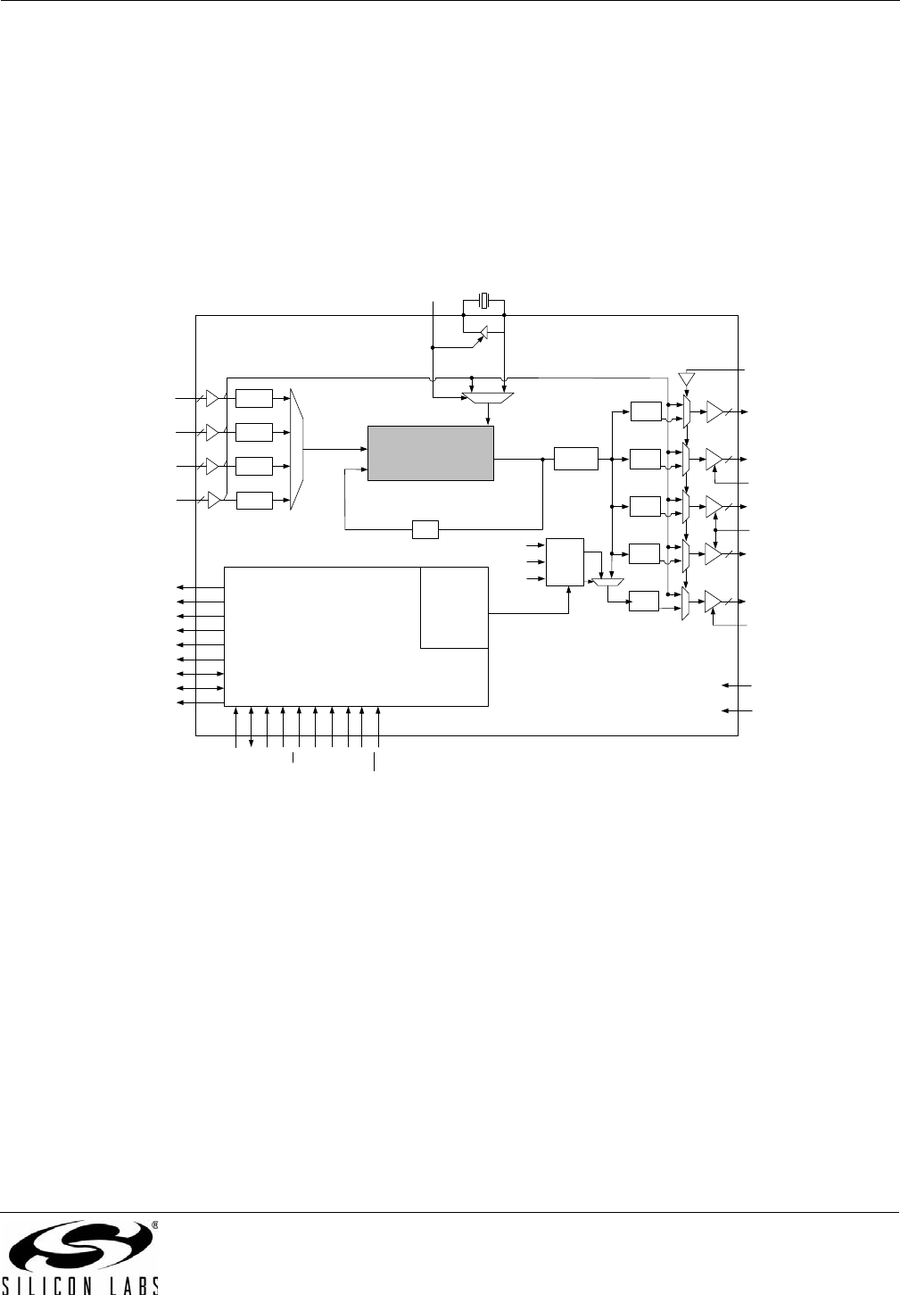
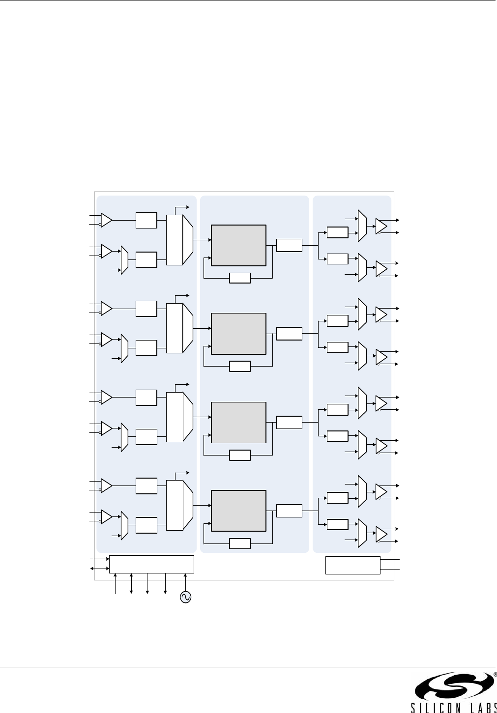
3.9. Si5365
The Si5365 is a low jitter, precision clock multiplier for applications requiring clock multiplication without jitter
attenuation. The Si5365 accepts four clock inputs ranging from 19.44 MHz to 707 MHz and generates five
frequency-multiplied clock outputs ranging from 19.44 MHz to 1050 MHz. The input clock frequency and clock
multiplication ratio are selectable from a table of popular SONET, Ethernet, Fibre Channel, and broadcast video
rates. The DSPLL loop bandwidth is digitally selectable. Operating from a single 1.8, 2.5 V, or 3.3 V supply, the
Si5365 is ideal for providing clock multiplication in high performance timing applications. See "6. Pin Control Parts
(Si5316, Si5322, Si5323, Si5365, Si5366)" on page 50 for a complete description.
Figure 9. Si5365 Low Jitter Clock Multiplier Block Diagram
C2A
CS0_C3A
C2B
CS1_C4A
ALRMOUT
C1A
CKIN_1+
CKIN_1–
CKIN_2+
CKIN_2–
C3B
CKIN_3+
CKIN_3–
CKIN_4+
CKIN_4–
C1B
VDD
GND
CKOUT_1+
CKOUT_1–
÷ NC1 1
0
CKOUT_2+
CKOUT_2–
÷ NC2 1
0
CKOUT_3+
CKOUT_3–
÷ NC3 1
0
CKOUT_4+
CKOUT_4–
÷ NC4 1
0
2
2
2
2
2
2
2
2
fOSC
f3
DBL2_BY
DBL34
DBL5
BWSEL[1:0]
FRQSEL[3:0]
DIV34[1:0]
FOS_CTL
SFOUT[1:0]
RST
CMODE
AUTOSEL
BYPASS/
DSBL2
Control
÷ N3_2
÷ N3_1
÷ N3_3
÷ N3_4
CKOUT_5+
CKOUT_5–
÷ NC5 1
0
2
FRQTBL
DIV34[1:0]
÷ N1_HS
DSPLL®
÷ N2

Si53xx-RM
26 Rev. 0.5
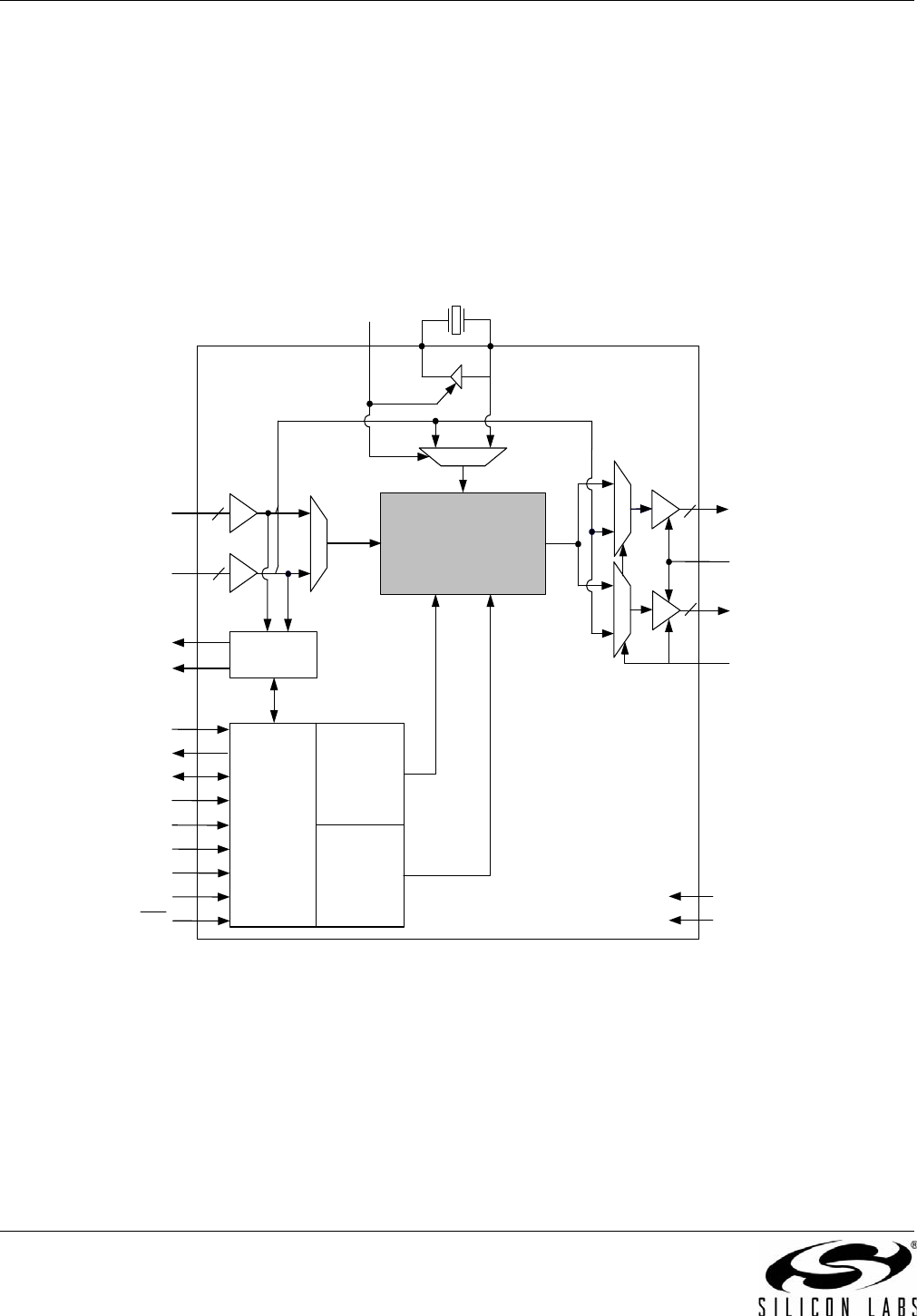
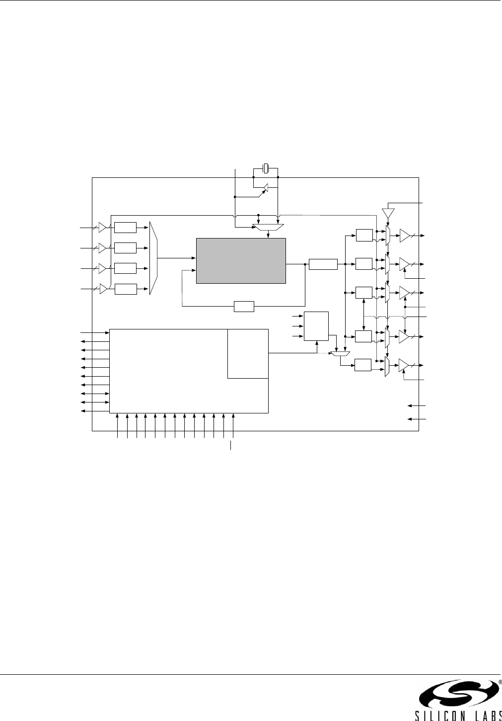
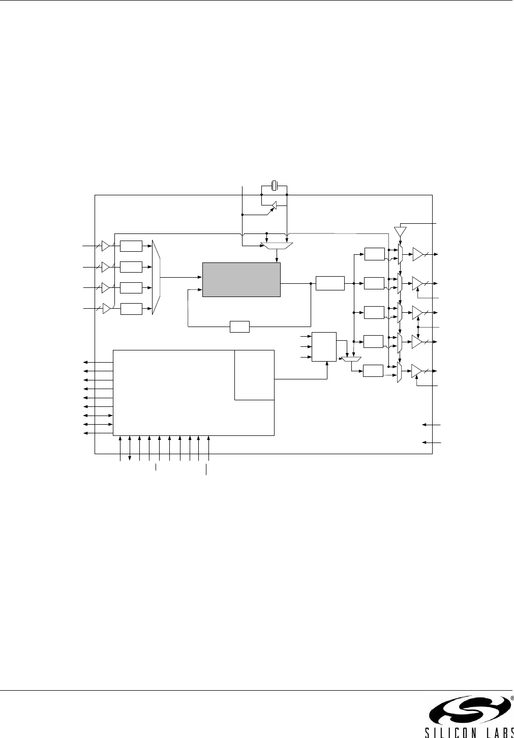
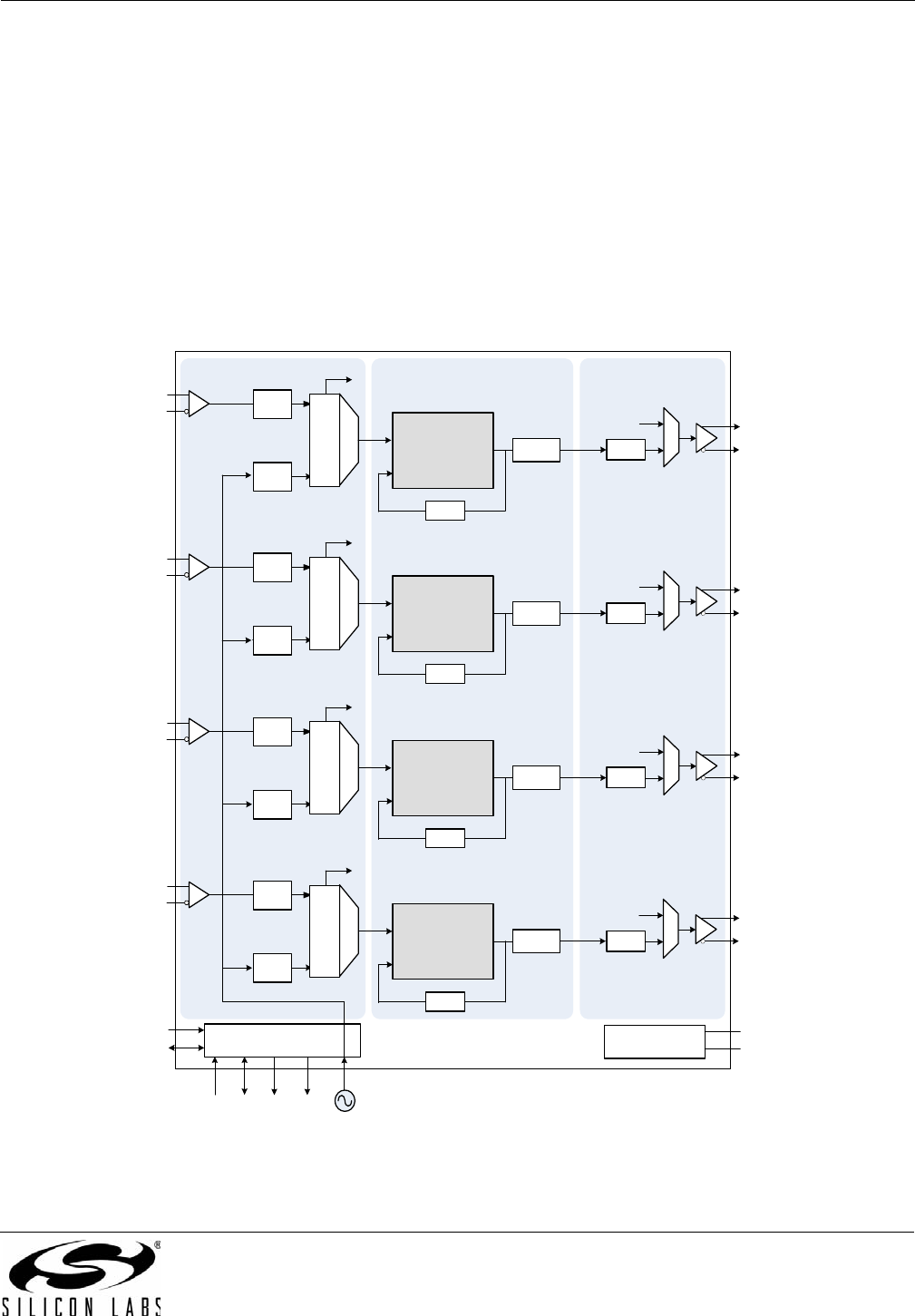
3.10. Si5366
The Si5366 is a jitter-attenuating precision clock multiplier for high-speed communication systems, including
SONET OC-48/OC-192, Ethernet, and Fibre Channel. The Si5366 accepts four clock inputs ranging from 8 kHz to
707 MHz and generates five frequency-multiplied clock outputs ranging from 8 kHz to 1050 MHz. The input clock
frequency and clock multiplication ratio are selectable from a table of popular SONET, Ethernet, Fibre Channel,
and broadcast video (HD SDI, 3G SDI) rates. The DSPLL loop bandwidth is digitally selectable from 60 Hz to
8 kHz, providing jitter performance optimization at the application level. Operating from a single 1.8, 2.5, or 3.3 V
supply, the Si5366 is ideal for providing clock multiplication and jitter attenuation in high performance timing
applications. See "6. Pin Control Parts (Si5316, Si5322, Si5323, Si5365, Si5366)" on page 50 for a complete
description.
Figure 10. Si5366 Jitter Attenuating Clock Multiplier Block Diagram
C2A
CS0_C3A
C2B
CS1_C4A
ALRMOUT
C1A
CKIN_1+
CKIN_1–
CKIN_2+
CKIN_2–
C3B
CKIN_3+
CKIN_3–
CKIN_4+
CKIN_4–
C1B
CKIN_3
CKIN_4
CKOUT_2
VDD
GND
CKOUT_1+
CKOUT_1–
÷ NC1 1
0
CKOUT_2+
CKOUT_2–
÷ NC2 1
0
CKOUT_3+
CKOUT_3–
÷ NC3 1
0
CKOUT_4+
CKOUT_4–
÷ NC4 1
0
2
2
2
2
2
2
2
2
fOSC
Xtal or Refclock
RATE[1:0]
XA
XB
fx
f3
DBL2_BY
DBL34
DBL5
FSYNC
LOGIC/
ALIGN
CK_CONF
BWSEL[1:0]
FRQSEL[3:0]
DIV34[1:0]
FOS_CTL
SFOUT[1:0]
INC
DEC
FS_SW
FS_ALIGN
RST
CMODE
AUTOSEL
BYPASS/DSBL2
LOL
Control
÷ N3_2
÷ N3_1
FSYNC
3
÷ N3_3
÷ N3_4
CKOUT_5+
CKOUT_5–
÷ NC5 1
0
2
1
0
FRQTBL
DIV34[1:0]
÷ N1_HS
DSPLL®
÷ N2

Si53xx-RM
Rev. 0.5 27
3.11. Si5367
The Si5367 is a low jitter, precision clock multiplier for applications requiring clock multiplication without jitter
attenuation. The Si5367 accepts four clock inputs ranging from 10 to 707 MHz and generates five frequency-
multiplied clock outputs ranging from 2 kHz to 945 MHz and select frequencies to 1.4 GHz. The Si5367 input clock
frequency and clock multiplication ratio are programmable through an I2C or SPI interface. The DSPLL loop
bandwidth is digitally programmable from 150 kHz to 1.3 MHz. Operating from a single 1.8, 2.5, or 3.3 V supply, the
Si5367 is ideal for providing clock multiplication in high performance timing applications. See "7. Microprocessor
Controlled Parts (Si5319, Si5324, Si5325, Si5326, Si5327, Si5367, Si5368, Si5369, Si5374, Si5375)" on page 76
for a complete description.
Figure 11. Si5367 Clock Multiplier Block Diagram
C2A
CS0_C3A
C2B
CS1_C4A
INT_ALM
C1A
CKIN_1+
CKIN_1–
CKIN_2+
CKIN_2–
C3B
CKIN_3+
CKIN_3–
CKIN_4+
CKIN_4–
C1B
VDD
GND
CKOUT_1+
CKOUT_1–
÷ NC1 1
0
CKOUT_2+
CKOUT_2–
÷ NC2 1
0
CKOUT_3+
CKOUT_3–
÷ NC3 1
0
CKOUT_4+
CKOUT_4–
÷ NC4 1
0
2
2
2
2
2
2
2
2
fOSC
f3
DSBL2/BYPASS
DSBL34
DSBL5
SDA_SDO
SCL
SDI
A[1:0]
RST
CMODE
BYPASS/DSBL2
Control
÷ N3_2
÷ N3_1
÷ N2
3
÷ N3_3
÷ N3_4
CKOUT_5+
CKOUT_5–
÷ NC5 1
0
2
A[2]/SS
÷ N1_HS
DSPLL®

Si53xx-RM
28 Rev. 0.5
3.12. Si5368
The Si5368 is a jitter-attenuating precision clock multiplier for applications requiring sub 1 ps rms jitter
performance. The Si5368 accepts four clock inputs ranging from 2 kHz to 710 MHz and generates five
independent, synchronous clock outputs ranging from 2 kHz to 945 MHz and select frequencies to 1.4 GHz. The
device provides virtually any frequency translation combination across this operating range. The Si5368 input clock
frequency and clock multiplication ratio are programmable through an I2C or SPI interface. The DSPLL loop
bandwidth is digitally programmable from 60 Hz to 8 kHz, providing jitter performance optimization at the
application level. Operating from a single 1.8, 2.5, or 3.3 V supply, the Si5368 is ideal for providing clock
multiplication and jitter attenuation in high performance timing applications. See "7. Microprocessor Controlled
Parts (Si5319, Si5324, Si5325, Si5326, Si5327, Si5367, Si5368, Si5369, Si5374, Si5375)" on page 76 for a
complete description.
Figure 12. Si5368 Clock Multiplier and Jitter Attenuator Block Diagram
C2A
CS0_C3A
C2B
CS1_C4A
INT_ALM
C1A
CKIN_1+
CKIN_1–
CKIN_2+
CKIN_2–
C3B
CKIN_3+
CKIN_3–
CKIN_4+
CKIN_4–
C1B
CKIN_3
CKIN_4
CKOUT_2
VDD
GND
CKOUT_1+
CKOUT_1–
÷ NC1 1
0
CKOUT_2+
CKOUT_2–
÷ NC2 1
0
CKOUT_3+
CKOUT_3–
÷ NC3 1
0
CKOUT_4+
CKOUT_4–
÷ NC4 1
0
2
2
2
2
2
2
2
2
fOSC
Xtal or Refclock
RATE[1:0]
XA
XB
fx
DSBL2/BYPASS
DSBL34
DSBL5
FSYNC
LOGIC/
ALIGN
SDA_SDO
SCL
SDI
A[1:0]
INC
DEC
FS_ALIGN
RST
CMODE
BYPASS/DSBL2
LOL
Control
÷ N3_2
÷ N3_1
FSYNC
÷ N2
÷ N3_3
÷ N3_4
CKOUT_5+
CKOUT_5–
÷ NC5 1
0
2
1
0
A[2]/SS
÷ N1_HS
DSPLL®
f3
3

Si53xx-RM
Rev. 0.5 29
3.13. Si5369
The Si5369 is a jitter-attenuating precision clock multiplier for applications requiring sub 1 ps rms jitter
performance. The Si5369 accepts four clock inputs ranging from 2 kHz to 710 MHz and generates five
independent, synchronous clock outputs ranging from 2 kHz to 945 MHz and select frequencies to 1.4 GHz. The
device provides virtually any frequency translation combination across this operating range. The Si5369 input clock
frequency and clock multiplication ratio are programmable through an I2C or SPI interface. The DSPLL loop
bandwidth is digitally programmable, providing loop bandwidth values as low as 4 Hz. Operating from a single 1.8,
2.5, or 3.3 V supply, the Si5369 is ideal for providing clock multiplication and jitter attenuation in high performance
timing applications. See "7. Microprocessor Controlled Parts (Si5319, Si5324, Si5325, Si5326, Si5327, Si5367,
Si5368, Si5369, Si5374, Si5375)" on page 76 for a complete description.
Figure 13. Si5369 Clock Multiplier and Jitter Attenuator Block Diagram
3.14. Si5374/75 Compared to Si5324/19
In general, the Si5374 can be viewed as a quad version of the Si5324 and the Si5375 can be viewed as a quad
version of the Si5319. However, there are not exactly the same. This is an overview of the differences:
1. The Si5374/75 cannot use a crystal as its OSC reference. It requires the use of a single external single-ended
or differential crystal oscillator.
2. The Si5374/75 only supports I2C as its serial port protocol and does not have SPI. No I2C address pins are
available on the Si5374/75.
3. The Si5374/75 does not provide separate INT_CK1B and CK2B pins to indicate when CKIN1 and CKIN2 do not
have valid clock inputs. Instead, the IRQ pin can be programmed to function as one pin, the other pin or both.
4. Selection of the OSC frequency is done by a register (RATE_REG), not by using the RATE pins.
5. The Si5374/75 uses a different version of DSPLLsim: Si537xDSPLLsim.
6. The Si5374/75 does not support 3.3 V operation.
C2A
CS0_C3A
C2B
CS1_C4A
INT_ALM
C1A
CKIN_1+
CKIN_1–
CKIN_2+
CKIN_2–
C3B
CKIN_3+
CKIN_3–
CKIN_4+
CKIN_4–
C1B
CKIN_3
CKIN_4
CKOUT_2
VDD
GND
CKOUT_1+
CKOUT_1–
÷ NC1 1
0
CKOUT_2+
CKOUT_2–
÷ NC2 1
0
CKOUT_3+
CKOUT_3–
÷ NC3 1
0
CKOUT_4+
CKOUT_4–
÷ NC4 1
0
2
2
2
2
2
2
2
2
fOSC
Xtal or Refclock
RATE[1:0]
XA
XB
fx
DSBL2/BYPASS
DSBL34
DSBL5
FSYNC
LOGIC/
ALIGN
SDA_SDO
SCL
SDI
A[1:0]
INC
DEC
FS_ALIGN
RST
CMODE
BYPASS/DSBL2
LOL
Control
÷ N3_2
÷ N3_1
FSYNC
÷ N2
÷ N3_3
÷ N3_4
CKOUT_5+
CKOUT_5–
÷ NC5 1
0
2
1
0
A[2]/SS
÷ N1_HS
DSPLL®
f3
3

Si53xx-RM
30 Rev. 0.5
3.15. Si5374
The Si5374 is a highly integrated, 4-PLL jitter-attenuating precision clock multiplier for applications requiring sub 1
ps jitter performance. Each of the DSPLL® clock multiplier engines accepts two input clocks ranging from 2 kHz to
710 MHz and generates two independent, synchronous output clocks ranging from 2 kHz to 808 MHz. Each
DSPLL provides virtually any frequency translation across this operating range. For asynchronous, free-running
clock generation applications, the Si5374’s reference oscillator can be used as a clock source for the four DSPLLs.
The Si5374 input clock frequency and clock multiplication ratio are programmable through an I2C interface. The
Si5374 is based on Silicon Laboratories' 3rd-generation DSPLL® technology, which provides any-frequency
synthesis and jitter attenuation in a highly integrated PLL solution that eliminates the need for external VCXO and
loop filter components. Each DSPLL loop bandwidth is digitally programmable from 4 to 525 Hz, providing jitter
performance optimization at the application level. The device operates from a single 1.8 or 2.5 V supply with on-
chip voltage regulators with excellent PSRR. The Si5374 is ideal for providing clock multiplication and jitter
attenuation in high port count optical line cards requiring independent timing domains.
Figure 14. Si5374 Functional Block Diagram
CKIN3P_B
CKOUT3N_B
÷ N31
DSPLL®
B
÷ NC1
÷ NC2
CKIN3N_B
CKIN4P_B
÷ N32
CKIN4N_B
Internal
Osc
PLL Bypass CKOUT3P_B
CKOUT4N_B
CKOUT4P_B
fOSC ÷ NC1_HS
Input
Monitor
Hitless
Switch
PLL Bypass
f3
÷ N2
Status / Control
PLL Bypass
High PSRR
Voltage Regulator
VDD_q
GND
Synthesis Stage
CKIN1P_A
CKOUT1N_A
÷ N31
DSPLL®
A
÷ NC1
÷ NC2
CKIN1N_A
CKIN2P_A
÷ N32
CKIN2N_A
Internal
Osc
PLL Bypass CKOUT1P_A
CKOUT2N_A
CKOUT2P_A
Output Stage
fOSC ÷ NC1_HS
Input
Monitor
Hitless
Switch
PLL Bypass
f3
÷ N2
PLL Bypass
Input Stage
CKIN7P_D
CKOUT7N_D
÷ N31
DSPLL®
D
÷ NC1
÷ NC2
CKIN7N_D
CKIN8P_D
÷ N32
CKIN8N_D
Internal
Osc
PLL Bypass CKOUT7P_D
CKOUT8N_D
CKOUT8P_D
fOSC ÷ NC1_HS
Input
Monitor
Hitless
Switch
PLL Bypass
f3
÷ N2
PLL Bypass
CKIN5P_C
CKOUT5N_C
÷ N31
DSPLL®
C
÷ NC1
÷ NC2
CKIN5N_C
CKIN6P_C
÷ N32
CKIN6N_C
Internal
Osc
PLL Bypass CKOUT5P_C
CKOUT6N_C
CKOUT6P_C
fOSC ÷ NC1_HS
Input
Monitor
Hitless
Switch
PLL Bypass
f3
÷ N2
PLL Bypass
RSTL_q
CS_q
SCL SDA LOL_q IRQ_q Low Jitter
XO or Clock
OSC_P/N

Si53xx-RM
Rev. 0.5 31
3.16. Si5375
The Si5375 is a highly integrated, 4-PLL jitter-attenuating precision clock multiplier for applications requiring sub 1
ps jitter performance. Each of the DSPLL® clock multiplier engines accepts an input clock ranging from 2 kHz to
710 MHz and generates an output clock ranging from 2 kHz to 808 MHz. Each DSPLL provides virtually any
frequency translation combination across this operating range. For asynchronous, free-running clock generation
applications, the Si5375’s reference oscillator can be used as a clock source for any of the four DSPLLs. The
Si5375 input clock frequency and clock multiplication ratio are programmable through an I2C interface. The Si5375
is based on Silicon Laboratories' third-generation DSPLL® technology, which provides any-frequency synthesis
and jitter attenuation in a highly integrated PLL solution that eliminates the need for external VCXO and loop filter
components. Each DSPLL loop bandwidth is digitally programmable from 60 Hz to 8 kHz, providing jitter
performance optimization at the application level. The device operates from a single 1.8 or 2.5 V supply with on-
chip voltage regulators with excellent PSRR. The Si5375 is ideal for providing clock multiplication and jitter
attenuation in high port count optical line cards requiring independent timing domains.
Figure 15. Si5375 Functional Block Diagram
CKIN1P_B ÷ N31
DSPLL®
B
CKIN1N_B
÷ N32
fOSC
÷ NC1_HS
Input
Monitor f3
÷ N2
Status / Control
PLL Bypass
High PSRR
Voltage Regulator
VDD_q
GND
Synthesis Stage
CKIN1P_A
CKOUT1N_A
÷ N31
DSPLL®
A
CKIN1N_A
÷ N32
CKOUT1P_A
Output Stage
fOSC
÷ NC1_HS
Input
Monitor f3
÷ N2
PLL Bypass
Input Stage
CKIN1P_D ÷ N31
DSPLL®
D
CKIN1N_D
÷ N32
fOSC
÷ NC1_HS
Input
Monitor
f3
÷ N2
PLL Bypass
CKIN1P_C ÷ N31
DSPLL®
C
CKIN1N_C
÷ N32
fOSC
÷ NC1_HS
Input
Monitor
f3
÷ N2
PLL Bypass
RSTL_q
CS_q
SCL SDA LOL_q IRQ_q Low Jitter
XO or Clock
OSC_P/N
÷ NC1
PLL Bypass
CKOUT1N_B
÷ NC1
PLL Bypass CKOUT1P_B
CKOUT1N_C
PLL Bypass CKOUT1P_C
÷ NC1
CKOUT1N_D
÷ NC1
PLL Bypass CKOUT1P_D

Si53xx-RM
32 Rev. 0.5
4. Device Specifications
The following tables are intended to simplify device selection. The specifications in the individual device data
sheets take precedence over this document. Refer to the respective device data sheet for devices not listed in the
tables below.
Figure 16. Differential Voltage Characteristics
Figure 17. Rise/Fall Time Characteristics
Table 3. Recommended Operating Conditions1
Parameter Symbol Test Condition
Si5316
Si5322
Si5324
Si5325
Si5365
Si5366
Si5367
Si5368
Min Typ Max Unit
Ambient
Temperature TA –40 25 85 ºC
Supply Voltage
During Normal
Operation
VDD 3.3 V Nominal
Note 2 Note 2 Note 2 Note 2 2.97 3.3 3.63 V
2.5 V Nominal 2.25 2.5 2.75 V
1.8 V Nominal 1.71 1.8 1.89 V
Note:
1. All minimum and maximum specifications are guaranteed and apply across the recommended operating conditions.
Typical values apply at nominal supply voltages and an operating temperature of 25 ºC unless otherwise stated.
2. See Sections 6.7.1 and 8.2.1 for restrictions on output formats for TQFP devices at 3.3 V.
VISE, VOSE
VID,VOD
Differential I/Os
VICM, VOCM
Single-Ended
Peak-to-Peak Voltage
Differential Peak-to-Peak Voltage
SIGNAL +
SIGNAL –
(SIGNAL +) – (SIGNAL –)
V
t
SIGNAL +
SIGNAL – VID = (SIGNAL+) – (SIGNAL–)
V
ICM , VOCM
tFtR
80%
20%
CKIN, CKOUT

Si53xx-RM
Rev. 0.5 33
Table 4. DC Characteristics
Parameter Symbol Test Condition
Si5316
Si5322
Si5324
Si5325
Si5365
Si5366
Si5367
Si5368
Min Typ Max Units
Supply Current
(Independent of
Supply Voltage)
IDD LVPECL Format
622.08 MHz Out
All CKOUT’s
Enabled
— 251 279 mA
— 394 435 mA
LVPECL Format
622.08 MHz Out
Only 1 CKOUT
Enabled
— 217 243 mA
— 253 284 mA
CMOS Format
19.44 MHz Out
All CKOUTs
Enabled
— 204 234 mA
— 278 321 mA
CMOS Format
19.44 MHz Out
Only 1 CKOUT
Enabled
— 194 220 mA
— 229 261 mA
Disable Mode —165— mA
CKIN_n Input Pins
Input Common
Mode Voltage
(Input Threshold
Voltage)
VICM11.8 V ± 10% 0.9 — 1.4 V
2.5 V ± 10% 1.0 — 1.7
3.3 V ± 10% 1.1 — 1.95
Input Resistance CKNRIN Single-ended 20 40 60 k
Single-Ended Input
Voltage Swing VISE fCKIN <212.5 MHz
See Figure 16. 0.2 — — VPP
fCKIN >212.5MHz
See Figure 16. 0.25 — — VPP
Differential Input
Voltage Swing VID fCKIN <212.5 MHz
See Figure 16. 0.2 — — VPP
fCKIN >212.5MHz
See Figure 16. 0.25 — — VPP
Notes:
1. Refer to Section 6.7.1 and 8.2.1 for restrictions on output formats for TQFP devices at 3.3 V.
2. This is the amount of leakage that the 3L inputs can tolerate from an external driver. See Figure 55 on page 115.
3. No under- or overshoot is allowed.

Si53xx-RM
34 Rev. 0.5
Output Clocks
(CKOUTn—See “8.2. Output Clock Drivers” for Configuring Output Drivers for LVPECL/CML/LVDS/CMOS)
Common Mode VOCM LVPECL 100
load line-to-line
VDD –
1.42 —V
DD –
1.25 V
Differential Output
Swing VOD LVPECL 100
load line-to-line1 1.1 — 1.9 VPP
Single Ended
Output Swing VSE LVPECL 100
load line-to-line1 0.5 — 0.93 VPP
Differential Output
Voltage CKOVD CML 100 load
line-to-line 350 425 500 mVPP
Common Mode
Output Voltage CKOVCM CML 100 load
line-to-line —V
DD
– .36 —V
Differential
Output Voltage CKOVD LVDS 100 load
line-to-line 500 700 900 mVPP
Low swing LVDS
100 load
line-to-line
350 425 500 mVPP
Common Mode
Output Voltage CKOVCM LVDS 100 load
line-to-line
1.125 1.2 1.275 V
Differential Output
Resistance CKORD CML, LVPECL,
LVDS, Disabled,
Sleep
170 200 230
Output Voltage Low CKO-
VOLLH
CMOS ——0.4 V
Output Voltage High CKO-
VOHLH
VDD = 1.71 V
CMOS 0.8 x
VDD
—— V
Table 4. DC Characteristics (Continued)
Parameter Symbol Test Condition
Si5316
Si5322
Si5324
Si5325
Si5365
Si5366
Si5367
Si5368
Min Typ Max Units
Notes:
1. Refer to Section 6.7.1 and 8.2.1 for restrictions on output formats for TQFP devices at 3.3 V.
2. This is the amount of leakage that the 3L inputs can tolerate from an external driver. See Figure 55 on page 115.
3. No under- or overshoot is allowed.

Si53xx-RM
Rev. 0.5 35
Output Drive
Current (CMOS driv-
ing into CKOVOL for
output low or CKO-
VOH for output high.
CKOUT+ and
CKOUT- shorted
externally)
CKOIO CMOS
Driving into CKO-
VOL for output low
or CKOVOH for out-
put high. CKOUT+
and CKOUT–
shorted externally.
VDD =1.8V
ICMOS[1:0] = 11 —7.5— mA
ICMOS[1:0] = 10 —5.5— mA
ICMOS[1:0] = 01 —3.5— mA
ICMOS[1:0] = 00 —1.75— mA
VDD =3.3V — 32 — mA
ICMOS[1:0] = 11 —32—mA
ICMOS[1:0] = 10 —24—mA
ICMOS[1:0] = 01 —16—mA
ICMOS[1:0] = 00 —8—mA
2-Level LVCMOS Input Pins
Input Voltage Low VIL VDD =1.71V ——0.5 V
VDD =2.25V ——0.7 V
VDD =2.97V ——0.8 V
Input Voltage High VIH VDD =1.89V 1.4 — — V
VDD =2.25V 1.8 — — V
VDD =3.63V 2.5 — — V
3-Level Input Pins
Input Voltage Low VILL — — 0.15 x
VDD
V
Input Voltage Mid VIMM
0.45 x
VDD
—0.55x
VDD
V
Input Voltage High VIHH
0.85 x
VDD
—— V
Input Low Current IILL See note 2 –20 — — µA
Table 4. DC Characteristics (Continued)
Parameter Symbol Test Condition
Si5316
Si5322
Si5324
Si5325
Si5365
Si5366
Si5367
Si5368
Min Typ Max Units
Notes:
1. Refer to Section 6.7.1 and 8.2.1 for restrictions on output formats for TQFP devices at 3.3 V.
2. This is the amount of leakage that the 3L inputs can tolerate from an external driver. See Figure 55 on page 115.
3. No under- or overshoot is allowed.

Si53xx-RM
36 Rev. 0.5
Input Mid Current IIMM See note 2 –2 — 2 µA
Input High Current IIHH See note 2 ——20µA
LVCMOS Output Pins
Output Voltage Low VOL IO=2mA
VDD =1.62V ——0.4 V
IO=2mA
VDD =2.97V ——0.4 V
Output Voltage High VOH IO=–2mA
VDD =1.62V
VDD –
0.4 —— V
IO=–2mA
VDD =2.97V
VDD –
0.4 —— V
Tri-State Leakage
Current IOZ RST =0 –100 — 100 µA
Table 4. DC Characteristics (Continued)
Parameter Symbol Test Condition
Si5316
Si5322
Si5324
Si5325
Si5365
Si5366
Si5367
Si5368
Min Typ Max Units
Notes:
1. Refer to Section 6.7.1 and 8.2.1 for restrictions on output formats for TQFP devices at 3.3 V.
2. This is the amount of leakage that the 3L inputs can tolerate from an external driver. See Figure 55 on page 115.
3. No under- or overshoot is allowed.

Si53xx-RM
Rev. 0.5 37
Table 5. DC Characteristics—Microprocessor Devices (Si5324, Si5325, Si5367, Si5368)
Parameter Symbol Test Condition Min Typ Max Units
I2C Bus Lines (SDA, SCL)
Input Voltage Low VILI2C — — 0.25 x VDD V
Input Voltage High VIHI2C 0.7 x VDD —V
DD V
Input Current III2C VIN = 0.1 x VDD
to 0.9 x VDD
–10 — 10 µA
Hysteresis of Schmitt trig-
ger inputs VHYSI2C VDD = 1.8 V 0.1 x VDD —— V
VDD = 2.5 or 3.3 V 0.05 x VDD —— V
Output Voltage Low VOHI2C VDD =1.8V
IO = 3 mA
——0.2xV
DD V
VDD = 2.5 or 3.3 V
IO = 3 mA
——0.4 V
Table 6. SPI Specifications (Si5324, Si5325, Si5367, and Si5368)
Parameter Symbol Test Conditions Min Typ Max Unit
Duty Cycle, SCLK tDC SCLK = 10 MHz 40 — 60 %
Cycle Time, SCLK tc100 — — ns
Rise Time, SCLK tr20–80% — — 25 ns
Fall Time, SCLK tf20–80% — — 25 ns
Low Time, SCLK tlsc 20–20% 30 — — ns
High Time, SCLK thsc 80–80% 30 — — ns
Delay Time, SCLK Fall to SDO Active td1 ——25ns
Delay Time, SCLK Fall to SDO Transition td2 ——25ns
Delay Time, SS Rise to SDO Tri-state td3 ——25ns
Setup Time, SS to SCLK Fall tsu1 25 — — ns
Hold Time, SS to SCLK Rise th1 20 — — ns
Setup Time, SDI to SCLK Rise tsu2 25 — — ns
Hold Time, SDI to SCLK Rise th2 20 — — ns
Delay Time between Slave Selects tcs 25 — — ns
Note: All timing is referenced to the 50% level of the waveform unless otherwise noted. Input test levels are VIH = VDD –4V,
VIL=0.4V.

Si53xx-RM
38 Rev. 0.5
Figure 18. SPI Timing Diagram
Table 7. DC Characteristics—Narrowband Devices (Si5316, Si5319, Si5323, Si5366, Si5368)
Parameter Symbol Test Condition Min Typ Max Unit
Single-Ended Reference Clock Input Pin XA (XB with cap to gnd)
Input Resistance XARIN (RATE[1:0] = LM, ML, MH, or HM) — 10 — k
Input Voltage Level Limits XAVIN 0—1.2 V
Input Voltage Swing XAVPP 0.5 — 1.2 VPP
Differential Reference Clock Input Pins (XA/XB)
Differential Input Voltage
Level Limits XA/XBVIN (RATE[1:0] = LM, ML, MH, or HM) 0 — 1.2 V
Input Voltage Swing XAVPP/XBVPP 0.5 — 2.4 VPP
SCLK
SS
SDI
th1
td3
SDO
td1 td2
tsu1
trtf
tc
tsu2 th2
tcs
tlsc
thsc

Si53xx-RM
Rev. 0.5 39
Figure 19. Frame Synchronization Timing
CLKOUT_2
CLKIN_4*
FSYNC_ALIGN
FSYNCOUT*
* CLKIN_2 and CLKIN_4 are the active input clock and frame sync pair in this example
tFSSU tFSH
t
1/fFSYNC
Fixed number of CLKOUT_2
clock cycles.
LATF

Si53xx-RM
40 Rev. 0.5
Table 8. AC Characteristics—All Devices
Parameter Symbol Test Condition
Si5316
Si5322
Si5324
Si5325
Si5365
Si5366
Si5367
Si5368
Min Typ Max Units
Input Frequency
CKNF
19.38 — 710 MHz
19.43 — 707.35 MHz
0.002 — 707.35 MHz
10 — 710 MHz
When used as frame
synchronization input —0.008 —MHz
2—512kHz
CKIN_n Input Pins
Input Duty Cycle
(Minimum Pulse
Width) CKNDC
Whichever is smaller
(i.e., the 40% / 60 %
limitation applies only
to high frequency
clocks)
40 — 60 %
2——ns
Input Capacitance CKNCIN —— 3pF
Input Rise/Fall
Time CKNTRF 20–80%
See Figure 17 —— 11ns
CKOUT_n Output Pins (See individual data sheets for speed grade limits)
Output Frequency
(Output not
configured for
CMOS or tri-state)
CKOF
19.38 — 710 MHz
19.43 — 1049 MHz
0.008 — 1049 MHz
10 — 945 MHz
0.002 — 945 MHz
970 — 1134 MHz
1.213 — 1.4 GHz
Maximum Output
Frequency in
CMOS Format
CKOFMC — — 212.5 MHz
Output Rise/Fall
(20–80%) at
622.08 MHz
CKOTRF Output not config-
ured for CMOS See
Figure 17
— 230 350 ps
Output Rise/Fall
(20–80%) at
212.5 MHz CKOTRF
CMOS Output
VDD = 1.62
Cload = 5 pF
—— 8ns
CMOS Output
VDD = 2.97
Cload = 5 pF
—— 2ns
Output Duty Cycle
Differential
Uncertainty
CKODC 100 Load
Line to Line
Measured at 50%
Point (not for CMOS)
——±40ps

Si53xx-RM
Rev. 0.5 41
LVCMOS Pins
Input Capacitance Cin —— 3pF
Minimum Reset
Pulse Width tRSTMN 1——µs
Reset to Micropro-
cessor Access
Ready
tREADY ——10ms
LVCMOS Output Pins
LOSn Trigger
Window
LOSTRIG
From last CKIN_n
to internal detection
of LOSn
100 x
N3 —570 x
N3 TCKIN
From last CKIN_n
to internal detection
of LOSn
0.8 x
N3 — 4.5 x N3 TCKIN
From last CKIN_n
to internal detection
of LOSn
N3 = 1
250 ns — 4.5 TCKIN
Time to Clear LOL
after LOS Cleared tCLRLOL LOS to LOL
Assume
Fold = Fnew,
Stable XA/XB
reference
—10 —ms
Table 8. AC Characteristics—All Devices (Continued)
Parameter Symbol Test Condition
Si5316
Si5322
Si5324
Si5325
Si5365
Si5366
Si5367
Si5368
Min Typ Max Units
N3 1

Si53xx-RM
42 Rev. 0.5
Device Skew
Output Clock
Skew,
see Section 7.7.4
tSKEW of CKOUT_n to of
CKOUT_m,
CKOUT_n and
CKOUT_m at same
frequency and signal
format
PHASE OFFSET = 0
SQICAL = 1
CKOUT_ALWAYS_O
N=1
——100ps
Coarse Skew
Adjust Resolution tPHRES Using CLAT[7:0]
register —1/F
VCO —ps
using INC/DEC pins —1/F
VCO —ps
Coarse Skew
Adjust Range tPHSRNG Using CLAT[7:0]
register –—+
using INC/DEC pins –—+s
Fine Skew Adjust
Resolution tFPHSRES using FLAT[14:0]
register
—9 —ps
Fine Skew Adjust
Range tFPHSRNG using FLAT[14:0]
register
–110 — 110 ps
Phase Offset
Resolution tOFSTRES using PHASEOFF-
SETn[7:0] registers
—N1_HS/
fVCO
—
Phase Offset
Range tOFSTRNG using PHASEOFF-
SETn[7:0] registers
–128 x
tOF-
STRES
—127 x
tOF-
STRES
PLL Performance
Lock Time tLOCKHW RST with valid
CKIN to LOL;
BW = 100 Hz
—1.2sec
Pin Reset or
Register Reset to
Microprocessor
Access Ready
tREADY ——10ms
Reset to first on
CKOUT tSTART Valid, stable clock on
CKIN ——1.2sec
Minimum Reset
Pulse Width tRSTMIN 1——µs
Lock Time tLOCKMP Start of ICAL to of
LOL,
lowest BW setting
— 35 1000 ms
Closed Loop Jitter
Peaking JPK — 0.05 0.1 dB
Table 8. AC Characteristics—All Devices (Continued)
Parameter Symbol Test Condition
Si5316
Si5322
Si5324
Si5325
Si5365
Si5366
Si5367
Si5368
Min Typ Max Units

Si53xx-RM
Rev. 0.5 43
Output Phase
Change due to
Temperature Vari-
ation
tTEMP
Max phase changes
from –40 to +85 °C — 300 500 ps
Jitter Tolerance JTOL See "5.2.3. Jitter Tolerance" on
page 49.
Phase Noise
fout = 622.08 MHz CKOPN 1 kHz Offset
— –106 –87 dBc/Hz
10 kHz Offset
— –121 –100 dBc/Hz
100 kHz Offset
—–132–110dBc/Hz
1 MHz Offset
— –132 –125 dBc/Hz
Subharmonic
Noise SPSUBH Phase Noise @
100 kHz Offset
— –88 –76 dBc
Spurious Noise SPSPUR
— –93 –70 dBc
Table 8. AC Characteristics—All Devices (Continued)
Parameter Symbol Test Condition
Si5316
Si5322
Si5324
Si5325
Si5365
Si5366
Si5367
Si5368
Min Typ Max Units

Si53xx-RM
44 Rev. 0.5
Table 9. Jitter Generation (Si5316, Si5324, Si5366, Si5368)
Parameter Symbol Test Condition1,2,3,4,5 Min Typ Max GR-253 Spec Unit
Measurement
Filter (MHz) DSPLL
Bandwidth2
Jitter Gen OC-192 JGEN
0.02–80 120 Hz — 4.2 6.2 30 ps pp/0.3 UIpp psPP
—.27.42 N/A ps
rms
4–80 120 Hz — 3.7 6.4 10 ps pp/0.1 UIpp psPP
—.14.31 N/A ps
rms
0.05–80 120 Hz — 4.4 6.9 10 ps pp/0.1 UIpp psPP
— .26 .41 1.0 psrms
(0.01 UIrms
psrms
Jitter Gen OC-48 JGEN
0.012–20 120 Hz — 3.5 5.4 40.2 ps pp/
(0.1 UIpp)
psPP
—.27.41 4.02 ps
rms
(0.01 UIrms
psrms
Notes:
1. Test condition: fIN = fOUT = 622.08 MHz, LVPECL clock input: 1.19 Vppd with 0.5 ns rise/fall time (20–80%), LVPECL
clock output.
2. BWSEL [1:0] loop bandwidth settings provided in Pin Descriptions.
3. 114.285 MHz 3rd OT crystal used as XA/XB input.
4. VDD = 2.5 V
5. TA = 85 °C
Table 10. Jitter Generation (Si5322, Si5325, Si5365, Si5367)
Parameter Symbol Test Condition1,2 Min Typ Max Unit
Measurement
Filter (MHz) DSPLL
Bandwidth2
(kHz)
Jitter Gen OC-192 JGEN 0.02–80 1096 — .49 — psrms
4–80 1096 — .23 — psrms
0.05–80 1096 — .47 — psrms
Jitter Gen OC-48 JGEN 0.012–20 1096 — .48 — psrms
Notes:
1. Test condition: fIN = fOUT = 622.08 MHz, LVPECL clock input: 1.19 Vppd with 0.5 ns rise/fall time (20–80%), LVPECL
clock output.
2. BWSEL [1:0] loop bandwidth settings provided in Pin Descriptions.

Si53xx-RM
Rev. 0.5 45
Table 11. Thermal Characteristics
Parameter Symbol Test Condition Devices Value Unit
Thermal Resistance Junction to Ambient JA Still Air Si5316, Si5319,
Si5322, Si5323,
Si5324, Si5325
32 ºC/W
Si5365, Si5366,
Si5367, Si5368 40 ºC/W
Thermal Resistance Junction to Case JC Still Air Si5316, Si5319,
Si5322, Si5323,
Si5324, Si5325
14 ºC/W

Si53xx-RM
46 Rev. 0.5
5. DSPLL (All Devices)
All members of the Any-Frequency Precision Clocks family incorporate a phase-locked loop (PLL) that utilizes
Silicon Laboratories' third generation DSPLL technology to eliminate jitter, noise, and the need for external VCXO
and loop filter components found in discrete PLL implementations. This is achieved by using a digital signal
processing (DSP) algorithm to replace the loop filter commonly found in discrete PLL designs. Because external
PLL components are not required, sensitivity to board-level noise sources is minimized. This digital technology
provides highly stable and consistent operation over process, temperature, and voltage variations.
A simplified block diagram of the DSPLL is shown in Figure 20. This algorithm processes the phase detector error
term and generates a digital frequency control word M to adjust the frequency of the digitally-controlled oscillator
(DCO). The narrowband configuration devices (Si5316, Si5319, Si5323, Si5324, Si5326, Si5327, Si5366, Si5368,
and Si5369) provide ultra-low jitter generation by using an external jitter reference clock and jitter attenuation. For
applications where basic frequency multiplication of low jitter clocks is all that is required, the wideband parts
(Si5322, Si5325, Si5365, and Si5367) are available.
Figure 20. Any-Frequency Precision Clock DSPLL Block Diagram
fIN
DSPLL
Phase
Detector Digital
DCO
Digital Loop
Filter
Fvco
MfOUT

Si53xx-RM
Rev. 0.5 47
5.1. Clock Multiplication
Fundamental to these parts is a clock multiplication circuit that is simplified in Figure 21. By having a large range of
dividers and multipliers, nearly any output frequency can be created from a fixed input frequency. For typical
telecommunications and data communications applications, the hardware control parts (Si5316, Si5322, Si5323,
Si5365, and Si5366) provide simple pin control.
The microprocessor controlled parts (Si5319, Si5324, Si5325, Si5326, Si5327, Si5367, Si5368, and Si5369)
provide a programmable range of clock multiplications. To assist users in finding valid divider settings for a
particular input frequency and clock multiplication ratio, Silicon Laboratories offers PC-based software (DSPLLsim)
that calculates these settings automatically. When multiple divider combinations produce the same output
frequency, the software recommends the divider settings yielding the recommended settings for phase noise
performance and power consumption.
Figure 21. Clock Multiplication Circuit
Fin
DSPLL
Phase
Detector Digital
DCO
Digital Loop
Filter
Divide By N2
Divide By N3 Divide By NC1 Fout
fOUT = (Fin/N3) x N2/NC1
fvco = (Fin/N3) x N2
f3fVCO

Si53xx-RM
48 Rev. 0.5
5.2. PLL Performance
All members of the Any-Frequency Precision Clock family of devices provide extremely low jitter generation, a well-
controlled jitter transfer function, and high jitter tolerance. For more information the loop bandwidth and its effect on
jitter attenuation, see "Appendix H—Jitter Attenuation and Loop BW" on page 164.
5.2.1. Jitter Generation
Jitter generation is defined as the amount of jitter produced at the output of the device with a jitter free input clock.
Generated jitter arises from sources within the VCO and other PLL components. Jitter generation is a function of
the PLL bandwidth setting. Higher loop bandwidth settings may result in lower jitter generation, but may result in
less attenuation of jitter that might be present on the input clock signal.
5.2.2. Jitter Transfer
Jitter transfer is defined as the ratio of output signal jitter to input signal jitter for a specified jitter frequency. The
jitter transfer characteristic determines the amount of input clock jitter that passes to the outputs. The DSPLL
technology used in the Any-Frequency Precision Clock devices provides tightly controlled jitter transfer curves
because the PLL gain parameters are determined largely by digital circuits which do not vary over supply voltage,
process, and temperature. In a system application, a well-controlled transfer curve minimizes the output clock jitter
variation from board to board and provides more consistent system level jitter performance.
The jitter transfer characteristic is a function of the loop bandwidth setting. Lower bandwidth settings result in more
jitter attenuation of the incoming clock, but may result in higher jitter generation. Section 1 Any-Frequency
Precision Clock Product Family Overview also includes specifications related to jitter bandwidth and peaking.
Figure 22 shows the jitter transfer curve mask.
Figure 22. PLL Jitter Transfer Mask/Template
Jitter
Transfer
0 dB
BW fJitter
Peaking
–20 dB/dec.
Jitter Out
Jitter In )
(
20 x LOG

Si53xx-RM
Rev. 0.5 49
5.2.3. Jitter Tolerance
Jitter tolerance is defined as the maximum peak-to-peak sinusoidal jitter that can be present on the incoming clock
before the DSPLL loses lock. The tolerance is a function of the jitter frequency, because tolerance improves for
lower input jitter frequency.
The jitter tolerance of the DSPLL is a function of the loop bandwidth setting. Figure 23 shows the general shape of
the jitter tolerance curve versus input jitter frequency. For jitter frequencies above the loop bandwidth, the tolerance
is a constant value Aj0. Beginning at the PLL bandwidth, the tolerance increases at a rate of 20 dB/decade for
lower input jitter frequencies.
Figure 23. Jitter Tolerance Mask/Template
The equation for the high frequency jitter tolerance can be expressed as a function of the PLL loop bandwidth (i.e.,
bandwidth):
For example, the jitter tolerance when fin = 155.52 MHz, fout = 622.08 MHz and the loop bandwidth (BW) is 100 Hz:
Input
Jitter
Amplitude
Aj0
–20 dB/dec.
fJitter In
Excessive Input Jitter Range
BW/100 BW/10 BW
Aj0 5000
BW
------------- ns pk-pk=
Aj0 5000
100
-------------50 ns pk-pk==

Si53xx-RM
50 Rev. 0.5
6. Pin Control Parts (Si5316, Si5322, Si5323, Si5365, Si5366)
These parts provide high-performance clock multiplication with simple pin control. Many of the control inputs are
three levels: High, Low, and Medium. High and Low are standard voltage levels determined by the supply voltage:
VDD and Ground. If the input pin is left floating, it is driven to nominally half of VDD. Effectively, this creates three
logic levels for these controls.
These parts span a range of applications and I/O capacity as shown in Table 12.
6.1. Clock Multiplication (Si5316, Si5322, Si5323, Si5365, Si5366)
By setting the tri-level FRQSEL[3:0] pins these devices provide a wide range of standard SONET and data
communications frequency scaling, including simple integer frequency multiplication to fractional settings required
for coding and decoding.
6.1.1. Clock Multiplication (Si5316)
The device accepts dual input clocks in the 19, 39, 78, 155, 311, or 622 MHz frequency range and generates a de-
jittered output clock at the same frequency. The frequency range is set by the FRQSEL [1:0] pins, as shown in
Table 13.
Table 12. Si5316, Si5322, Si5323, Si5365 and Si5366 Key Features
Si5316 Si5322 Si5323 Si5365 Si5366
SONET Frequencies
DATACOM Frequencies
DATACOM/SONET internetworking
Fixed Ratio between input clocks
Flexible Frequency Plan
Number of Inputs 2 2 2 4 4
Number of Outputs 1 2 2 5 5
Jitter Attenuation
Table 13. Frequency Settings
FRQSEL[1:0] Output Frequency (MHz)
LL 19.38–22.28
LM 38.75–44.56
LH 77.50–89.13
ML 155.00–178.25
MM 310.00–356.50
MH 620.00–710.00

Si53xx-RM
Rev. 0.5 51
The Si5316 can accept a CKIN1 input at a different frequency than the CKIN2 input. The frequency of one input
clock can be 1x, 4x, or 32x the frequency of the other input clock. The output frequency is always equal to the lower
of the two clock inputs and is set via the FRQSEL [1:0] pins. The frequency applied at each clock input is divided
down by a pre-divider as shown in the Figure 1 on page 17. These pre-dividers must be set such that the two
resulting clock frequencies, f3_1 and f3_2 must be equal and are set by the FRQSEL [1:0] pins. Input divider
settings are controlled by the CK1DIV and CK2DIV pins, as shown in Table 14.
Figure 24. Si5316 Divisor Ratios
Table 14. Input Divider Settings
CKnDIV N3n Input Divider
L1
M4
H32
Table 15. Si5316 Bandwidth Values
FRQSEL[1:0] Nominal Frequency Values (MHz)
LL LM LH ML MM MH
BW[1:0] 19.44 MHz 38.88 MHz 77.76 MHz 155.52 MHz 311.04 MHz 622.08 MHz
HM 100 Hz 100 Hz 100 Hz 100 Hz 100 Hz 100 Hz
HL 210 Hz 210 Hz 200 Hz 200 Hz 200 Hz 200 Hz
MH 410 Hz 410 Hz 400 Hz 400 Hz 400 Hz 400 Hz
MM 1.7kHz 1.7kHz 1.6kHz 1.6kHz 1.6kHz 1.6kHz
ML 7.0kHz 7.0kHz 6.8kHz 6.7kHz 6.7kHz 6.7kHz
1, 4, 32
1, 4, 32
CKIN1
CKIN2
DSPLL Fout
f3 = Fout
f3
One-to-one
frequency ratio

Si53xx-RM
52 Rev. 0.5
6.1.2. Clock Multiplication (Si5322, Si5323, Si5365, Si5366)
These parts provide flexible frequency plans for SONET, DATACOM, and interworking between the two (Table 16,
Table 17, and Table 18 respectively). The CKINn inputs must be the same frequency as specified in the tables. The
outputs are the same frequency; however, in the Si5365 and Si5366, CKOUT3 and CKOUT4 can be further divided
down by using the DIV34 [1:0] pins.
The following notes apply to Tables 16, 17, and 18:
1. All entries are available for the Si5323 and Si5366. Only those marked entries under the WB column are
available for the Si5322 and Si5365.
2. The listed output frequencies appear on CKOUTn. For the Si5365 and Si5366, sub-multiples are available on
CKOUT3 and CKOUT4 using the DIV34[1:0] control pins.
3. All ratios are exact, but the frequency values are rounded.
4. For bandwidth settings, f3 values, and frequency operating ranges, consult DSPLLsim.
5. For the Si5366 with CK_CONF = 1, CKIN3 and CKIN4 are the same frequency as FS_OUT.
Table 16. SONET Clock Multiplication Settings (FRQTBL=L)
No FRQSEL
[3:0]
WB
fIN MHz Mult Factor Nominal
fOUT MHz All Devices Si5366 Only
fCKOUT5 (MHz)
(CK_CONF = 0)
FS_OUT (MHz)
(CK_CONF = 1)
0 LLLL 0.008 1 0.008 0.008 0.008
1 LLLM 2430 19.44 19.44 0.008
2 LLLH 4860 38.88 38.88 0.008
3 LLML 9720 77.76 77.76 0.008
4 LLMM 19440 155.52 155.52 0.008
5 LLMH 38880 311.04 311.04 0.008
6 LLHL 77760 622.08 622.08 0.008

Si53xx-RM
Rev. 0.5 53
7LLHM19.44 1 19.44 19.44 0.008
8LLHH2 38.88 38.88 0.008
9LMLL4 77.76 77.76 0.008
10 LMLM 8 155.52 155.52 0.008
11 LMLH 8 x (255/238) 166.63 166.63 NA
12 LMML 8 x (255/237) 167.33 167.33 NA
13 LMMM 8 x (255/236) 168.04 168.04 NA
14 LMMH 16 311.04 311.04 0.008
15 LMHL 32 622.08 622.08 0.008
16 LMHM 32 x (255/238) 666.51 666.51 NA
17 LMHH 32 x (255/237) 669.33 669.33 NA
18 LHLL 32 x (255/236) 672.16 672.16 NA
19 LHLM 48 933.12 933.12 0.008
20 LHLH 54 1049.76 1049.76 0.008
21 LHML 38.88 1 38.88 38.88 0.008
22 LHMM 2 77.76 77.76 0.008
23 LHMH 4 155.52 155.52 0.008
24 LHHL 16 622.08 622.08 0.008
25 LHHM 16 x (255/238) 666.51 666.51 NA
26 LHHH 16 x (255/237) 669.33 669.33 NA
27 MLLL 16 x (255/236) 672.16 672.16 NA
Table 16. SONET Clock Multiplication Settings (FRQTBL=L) (Continued)
No FRQSEL
[3:0]
WB
fIN MHz Mult Factor Nominal
fOUT MHz All Devices Si5366 Only
fCKOUT5 (MHz)
(CK_CONF = 0)
FS_OUT (MHz)
(CK_CONF = 1)

Si53xx-RM
54 Rev. 0.5
28 MLLM 77.76 1/4 19.44 19.44 0.008
29 MLLH 1/2 38.88 38.88 0.008
30 MLML 1 77.76 77.76 0.008
31 MLMM 2 155.52 155.52 0.008
32 MLMH 2 x (255/238) 166.63 166.63 NA
33 MLHL 2 x (255/237) 167.33 167.33 NA
34 MLHM 2 x (255/236) 168.04 168.04 NA
35 MLHH 4 311.04 311.04 0.008
36 MMLL 8 622.08 622.08 0.008
37 MMLM 8 x (255/238) 666.51 666.51 NA
38 MMLH 8 x (255/237) 669.33 669.33 NA
39 MMML 8 x (255/236) 672.16 672.16 NA
40 MMMM 155.52 1/8 19.44 19.44 0.008
41 MMMH 1/4 38.88 38.88 0.008
42 MMHL 1/2 77.76 77.76 0.008
43 MMHM 1 155.52 155.52 0.008
44 MMHH 255/238 166.63 166.63 NA
45 MHLL 255/237 167.33 167.33 NA
46 MHLM 255/236 168.04 168.04 NA
47 MHLH 2 311.04 311.04 0.008
48 MHML 4 622.08 622.08 0.008
49 MHMM 4 x (255/238) 666.51 666.51 NA
50 MHMH 4 x (255/237) 669.33 669.33 NA
51 MHHL 4 x (255/236) 672.16 672.16 NA
52 MHHM 166.63 238/255 155.52 155.52 NA
53 MMHM 1 166.63 166.63 NA
54 MHHH 4 x (238/255) 622.08 622.08 NA
55 MHML 4 666.51 666.51 NA
Table 16. SONET Clock Multiplication Settings (FRQTBL=L) (Continued)
No FRQSEL
[3:0]
WB
fIN MHz Mult Factor Nominal
fOUT MHz All Devices Si5366 Only
fCKOUT5 (MHz)
(CK_CONF = 0)
FS_OUT (MHz)
(CK_CONF = 1)

Si53xx-RM
Rev. 0.5 55
56 HLLL 167.33 237/255 155.52 155.52 NA
57 MMHM 1 167.33 167.33 NA
58 HLLM 4 x (237/255) 622.08 622.08 NA
59 MHML 4 669.33 669.33 NA
60 HLLH 168.04 236/255 155.52 155.52 NA
61 MMHM 1 168.04 168.04 NA
62 HLML 4 x (236/255) 622.08 622.08 NA
63 MHML 4 672.16 672.16 NA
64 HLMM 311.04 1 311.04 311.04 0.008
65 HLMH 2 622.08 622.08 0.008
66 HLHL 2 x (255/238) 666.51 666.51 NA
67 HLHM 2 x (255/237) 669.33 669.33 NA
68 HLHH 2 x (255/236) 672.16 672.16 NA
69 HMLL 622.08 1/32 19.44 19.44 0.008
70 HMLM 1/16 38.88 38.88 0.008
71 HMLH 1/8 77.76 77.76 0.008
72 HMML 1/4 155.52 155.52 0.008
73 HMMM 1/2 311.04 311.04 0.008
74 HMMH 1 622.08 622.08 0.008
75 HMHL 255/238 666.51 666.51 NA
76 HMHM 255/237 669.33 669.33 NA
77 HMHH 255/236 672.16 672.16 NA
78 HHLL 666.51 1/4 x 238/255 155.52 155.52 NA
79 HMML 1/4 166.63 166.63 NA
80 HHLM 238/255 622.08 622.08 NA
81 HMMH 1 666.51 666.51 NA
Table 16. SONET Clock Multiplication Settings (FRQTBL=L) (Continued)
No FRQSEL
[3:0]
WB
fIN MHz Mult Factor Nominal
fOUT MHz All Devices Si5366 Only
fCKOUT5 (MHz)
(CK_CONF = 0)
FS_OUT (MHz)
(CK_CONF = 1)

Si53xx-RM
56 Rev. 0.5
82 HHLH 669.33 1/4 x 237/255 155.52 155.52 NA
83 HMML 1/4 167.33 167.33 NA
84 HHML 237/255 622.08 622.08 NA
85 HMMH 1 669.33 669.33 NA
86 HHMM 672.16 1/4 x 236/255 155.52 155.52 NA
87 HMML 1/4 168.04 168.04 NA
88 HHMH 236/255 622.08 622.08 NA
89 HMMH 1 672.16 672.16 NA
Table 16. SONET Clock Multiplication Settings (FRQTBL=L) (Continued)
No FRQSEL
[3:0]
WB
fIN MHz Mult Factor Nominal
fOUT MHz All Devices Si5366 Only
fCKOUT5 (MHz)
(CK_CONF = 0)
FS_OUT (MHz)
(CK_CONF = 1)

Si53xx-RM
Rev. 0.5 57
Table 17. Datacom Clock Multiplication Settings (FRQTBL = M, CK_CONF = 0)
Setting FRQSEL[3:0]
WB
fIN (MHz) Mult Factor fOUT* (MHz)
0LLLL
15.625 2 31.25
1LLLM
462.5
2 LLLH 8125
3LLML
16 250
4LLMM
25 17/4 106.25
5 LLMH 5125
6 LLHL 25/4 x 66/64 161.13
7 LLHM 51/8 x 66/64 164.36
8 LLHH 25/4 x 66/64 x 255/238 172.64
9 LMLL 25/4 x 66/64 x 255/237 173.37
10 LMLM 51/8 x 66/64 x 255/238 176.1
11 LMLH 51/8 x 66/64 x 255/237 176.84
12 LMML 17/2 212.5
13 LMMM 17 425
14 LMMH 25 x 66/64 644.53
15 LMHL 51/2 x 66/64 657.42
16 LMHM 25 x 66/64 x 255/238 690.57
17 LMHH 25 x 66/64 x 255/237 693.48
18 LHLL 51/2 x 66/64 x 255/238 704.38
19 LHLM 51/2 x 66/64 x 255/237 707.35
20 LHLH 31.25 2 62.5
21 LHML 4125
22 LHMM 8250
23 LHMH 53.125 2 106.25
24 LHHL 4212.5
25 LHHM 8425
26 LHHH 106.25 3/2 x 66/64 164.36
27 MLLL 3/2 x 66/64 x 255/238 176.1
28 MLLM 3/2 x 66/64 x 255/237 176.84
29 MLLH 2212.5
30 MLML 4425
31 MLMM 6x66/64 657.42
32 MLMH 6 x 66/64 x 255/238 704.38
33 MLHL 6 x 66/64 x 255/237 707.35

Si53xx-RM
58 Rev. 0.5
34 MLHM 125 10/8 x 66/64 161.13
35 MLHH 10/8 x 66/64 x 255/238 172.64
36 MMLL 10/8 x 66/64 x 255/237 173.37
37 MMLM 5x66/64 644.53
38 MMLH 5 x 66/64 x 255/238 690.57
39 MMML 5 x 66/64 x 255/237 693.48
40 MMMM 156.25 66/64 161.13
41 MMMH 66/64 x 255/238 172.64
42 MMHL 66/64 x 255/237 173.37
43 MMHM 4x66/64 644.53
44 MMHH 4 x 66/64 x 255/238 690.57
45 MHLL 4 x 66/64 x 255/237 693.48
46 MMMM 159.375 66/64 164.36
47 MMMH 66/64 x 255/238 176.1
48 MMHL 66/64 x 255/237 176.84
49 MMHM 4 x 66/64 657.4
50 MMHH 4 x 66/64 x 255/238 704.38
51 MHLL 4 x 66/64 x 255/237 707.35
52 MHLM 161.13 4/5 x 64/66 125
53 MHLH 255/238 172.64
54 MHML 255/237 173.37
55 MHMM 4644.53
56 MHMH 4 x 255/238 690.57
57 MHHL 4 x 255/237 693.48
58 MHHM 164.36 2/3 x 64/66 106.25
59 MHLH 255/238 176.1
60 MHML 255/237 176.84
61 MHMM 4657.42
62 MHMH 4 x 255/238 704.38
63 MHHL 4 x 255/237 707.35
64 MHHH 172.64 4/5 x 64/66 x 238/255 125
65 HLLL 64/66 x 238/255 156.25
66 HLLM 238/255 161.13
67 HLLH 4 x 238/255 644.53
68 MHMM 4690.57
Table 17. Datacom Clock Multiplication Settings (FRQTBL = M, CK_CONF = 0) (Continued)
Setting FRQSEL[3:0]
WB
fIN (MHz) Mult Factor fOUT* (MHz)

Si53xx-RM
Rev. 0.5 59
69 HLML 173.37 4/5 x 64/66 x 237/255 125
70 HLMM 64/66 x 237/255 156.25
71 HLMH 237/255 161.13
72 HLHL 4 x 237/255 644.53
73 MHMM 4693.48
74 HLHM 176.1 2/3 x 64/66 x 238/255 106.25
75 HLLL 64/66 x 238/255 159.375
76 HLLM 238/255 164.36
77 HLLH 4 x 238/255 657.42
78 MHMM 4704.38
79 HLHH 176.84 2/3 x 64/66 x 237/255 106.25
80 HLMM 64/66 x 237/255 159.375
81 HLMH 237/255 164.36
82 HLHL 4 x 237/255 657.42
83 MHMM 4707.35
84 HMLL 212.5 2 425
85 HMLM 425 1 425
86 HMLH 644.53 1/5 x 64/66 125
87 HMML 1/4 161.13
88 HMMM 1644.53
89 HMMH 255/238 690.57
90 HMHL 255/237 693.48
91 HMHM 657.42 1/6 x 64/66 106.25
92 HMML 1/4 164.36
93 HMMM 1657.42
94 HMMH 255/238 704.38
95 HMHL 255/237 707.35
96 HMHH 690.57 1/5 x 64/66 x 238/255 125
97 HHLL 1/4 x 64/66 x 238/255 156.25
98 HHLM 1/4 x 238/255 161.13
99 HMML 1/4 172.64
100 HHLH 238/255 644.53
101 HMMM 1690.57
Table 17. Datacom Clock Multiplication Settings (FRQTBL = M, CK_CONF = 0) (Continued)
Setting FRQSEL[3:0]
WB
fIN (MHz) Mult Factor fOUT* (MHz)

Si53xx-RM
60 Rev. 0.5
102 HHML 693.48 1/5 x 64/66 x 237/255 125
103 HHMM 1/4 x 64/66 x 237/255 156.25
104 HHMH 1/4 x 237/255 161.13
105 HMML 1/4 173.37
106 HHHL 237/255 644.53
107 HMMM 1693.48
108 HHHM 704.38 1/6 x 64/66 x 238/255 106.25
109 HHLL 1/4 x 64/66 x 238/255 159.375
110 HHLM 1/4 x (238/255) 164.36
111 HMML 1/4 176.1
112 HHLH 238/255 657.42
113 HMMM 1704.38
114 HHHH 707.35 1/6 x 64/66 x 237/255 106.25
115 HHMM 1/4 x 64/66 x 237/255 159.375
116 HHMH 1/4 x (237/255) 164.36
117 HMML 1/4 176.84
118 HHHL 237/255 657.42
119 HMMM 1707.35
Table 17. Datacom Clock Multiplication Settings (FRQTBL = M, CK_CONF = 0) (Continued)
Setting FRQSEL[3:0]
WB
fIN (MHz) Mult Factor fOUT* (MHz)

Si53xx-RM
Rev. 0.5 61
Table 18. SONET to Datacom Clock Multiplication Settings
Setting FRQSEL[3:0]
WB
fIN (MHz) Mult Factor fOUT* (MHz)
0 LLLL 0.008 3125 25
1 LLLM 6480 51.84
2 LLLH 53125/8 53.125
3 LLML 15625/2 62.5
4 LLMM 53125/4 106.25
5 LLMH 15625 125
6 LLHL 78125/4 156.25
7 LLHM 159375/8 159.375
8 LLHH 53125/2 212.5
9 LMLL 53125 425
10 LMLM 19.440 625/486 25
11 LMLH 10625/3888 53.125
12 LMML 3125/972 62.5
13 LMMM 10625/1944 106.25
14 LMMH 3125/486 125
15 LMHL 15625/1944 156.25
16 LMHM 31875/3888 159.375
17 LMHH 15625/1944 x 66/64 161.13
18 LHLL 31875/3888 x 66/64 164.36
19 LHLM 15625/1944 x 66/
64 x 255/238 172.64
20 LHLH 31875/3888 x 66/
64 x 255/238 176.1
21 LHML 10625/972 212.5
22 LHMM 10625/486 425
23 LHMH 15625/486 x 66/64 644.53
24 LHHL 31875/972 x 66/64 657.42
25 LHHM 15625/486 x 66/
64 x 255/238 690.57
26 LHHH 31875/972 x 66/
64 x 255/238 704.38
27 MLLL 27.000 1 27
28 MLLM 250/91 74.17582
29 MLLH 11/4 74.25

Si53xx-RM
62 Rev. 0.5
30 MLML 62.500 2 125
31 MLMM 4 250
32 MLMH 74.176 91/250 27
33 MLHL 1 74.17582
34 MLHM 91 x 11/250 x 4 74.25
35 MLHH 74.250 4/11 27
36 MMLL 4 x 250/11 x 91 74.17582
37 MMLM 1 74.25
38 MMLH 77.760 10625/7776 106.25
39 MMML 3125/1944 125
40 MMMM 15625/7776 156.25
41 MMMH 31875/15552 159.375
42 MMHL 15625/7776 x 66/64 161.13
43 MMHM 31875/15552 x 66/64 164.36
44 MMHH 15625/7776 x 66/
64 x 255/238 172.64
45 MHLL 31875/15552 x 66/
64 x 255/238 176.1
46 MHLM 10625/3888 212.5
47 MHLH 10625/1944 425
48 MHML 15625/1944 x 66/64 644.53
49 MHMM 31875/3888 x 66/64 657.42
50 MHMH 15625/1944 x 66/
64 x 255/238 690.57
51 MHHL 31875/3888 x 66/
64 x 255/238 704.38
Table 18. SONET to Datacom Clock Multiplication Settings (Continued)
Setting FRQSEL[3:0]
WB
fIN (MHz) Mult Factor fOUT* (MHz)

Si53xx-RM
Rev. 0.5 63
52 MHHM 155.520 15625/15552 156.25
53 MHHH 31875/31104 159.375
54 HLLL 15625/15552 x 66/64 161.13
55 HLLM 31875/31104 x 66/64 164.36
56 HLLH 15625/15552 x 66/
64 x 255/238 172.64
57 HLML 31875/31104 x 66/
64 x 255/238 176.1
58 HLMM 10625/7776 212.5
59 HLMH 10625/3888 425
60 HLHL 15625/3888 x 66/64 644.53
61 HLHM 31875/7776 x 66/64 657.42
62 HLHH 15625/3888 x 66/
64 x 255/238 690.57
63 HMLL 31875/7776 x 66/
64 x 255/238 704.38
64 HMLM 622.080 15625/15552 x 66/64 644.53
65 HMLH 31875/31104 x 66/64 657.42
66 HMML 15625/15552 x 66/
64 x 255/238 690.57
67 HMMM 31875/31104 x 66/
64 x 255/238 704.38
Table 18. SONET to Datacom Clock Multiplication Settings (Continued)
Setting FRQSEL[3:0]
WB
fIN (MHz) Mult Factor fOUT* (MHz)

Si53xx-RM
64 Rev. 0.5
6.1.3. CKOUT3 and CKOUT4 (Si5365 and Si5366)
Submultiples of the output frequency on CKOUT1 and CKOUT2 can be produced on the CKOUT3 and CKOUT4
outputs using the DIV34 [1:0] control pins as shown in Table 19.
6.1.4. Loop bandwidth (Si5316, Si5322, Si5323, Si5365, Si5366)
The loop bandwidth (BW) is digitally programmable using the BWSEL [1:0] input pins. The device operating
frequency should be determined prior to loop bandwidth configuration because the loop bandwidth is a function of
the phase detector input frequency and the PLL feedback divider setting. Use DSPLLsim to calculate these values
automatically. This utility is available for download from www.silabs.com/timing.
6.1.5. Jitter Tolerance (Si5316, Si5323, Si5366)
Refer to "5.2.3. Jitter Tolerance" on page 49.
6.1.6. Narrowband Performance (Si5316, Si5323, Si5366)
The DCO uses the reference clock on the XA/XB pins as its reference for jitter attenuation. The XA/XB pins support
either a crystal oscillator or an input buffer (single-ended or differential) so that an external oscillator can be used
as the reference source. The reference source is chosen with the RATE [1:0] pins. In both cases, there are wide
margins in the absolute frequency of the reference input because it is a fixed frequency reference and is only used
as a jitter reference and holdover reference (see "6.4. Digital Hold/VCO Freeze" on page 70).
However, care must be taken in certain areas for optimum performance. For details on this subject, refer to
"Appendix B—Frequency Plans and Jitter Performance (Si5316, Si5319, Si5323, Si5324, Si5326, Si5327, Si5366,
Si5368, Si5369, Si5374, Si5375)" on page 121. For examples of connections to the XA/XB pins, refer to "8.4.
Crystal/Reference Clock Interfaces (Si5316, Si5319, Si5323, Si5324, Si5326, Si5327, Si5366, Si5368, Si5369,
Si5374, and Si5375)" on page 113.
6.1.7. Input-to-Output Skew (Si5316, Si5323, Si5366)
The input-to-output skew for these devices is not controlled.
6.1.8. Wideband Performance (Si5322 and Si5365)
These devices operate as wideband clock multipliers without an external resonator or reference clock. They are
ideal for applications where the input clock is already low jitter and only simple clock multiplication is required. A
limited selection of clock multiplication factors is available (See Table 16, Table 17, and Table 18).
6.1.9. Lock Detect (Si5322 and Si5365)
A PLL loss of lock indicator is not available in these parts.
6.1.10. Input-to-Output Skew (Si5322 and Si5365)
The input-to-output skew for these devices is not controlled.
Table 19. Clock Output Divider Control (DIV34)
DIV34[1:0] Output Divider Value
HH 32
HM 16
HL 10
MH 8
MM 6
ML 5
LH 4
LM 2
LL 1

Si53xx-RM
Rev. 0.5 65
6.2. PLL Self-Calibration
An internal self-calibration (ICAL) is performed before operation to optimize loop parameters and jitter
performance. While the self-calibration is being performed, the DSPLL is being internally controlled by the self-
calibration state machine, and the LOL alarm will be active for narrowband parts. The self-calibration time tLOCKHW
is given in Table 8, “AC Characteristics—All Devices”.
Any of the following events will trigger a self-calibration:
Power-on-reset (POR)
Release of the external reset pin RST (transition of RST from 0 to 1)
Change in FRQSEL, FRQTBL, BWSEL, or RATE pins
Internal DSPLL registers out-of-range, indicating the need to relock the DSPLL.
In any of the above cases, an internal self-calibration will be initiated if a valid input clock exists (no input alarm)
and is selected as the active clock at that time. For the Si5316, Si5323 and Si5366, the external crystal or
reference clock must also be present for the self-calibration to begin. If valid clocks are not present, the self-
calibration state machine will wait until they appear, at which time the calibration will start. All outputs are on during
the calibration process.
After a successful self-calibration has been performed with a valid input clock, no subsequent self-calibrations are
performed unless one of the above conditions are met. If the input clock is lost following self-calibration, the device
enters digital hold mode. When the input clock returns, the device relocks to the input clock without performing a
self-calibration. (Narrow band devices only).
6.2.1. Input Clock Stability during Internal Self-Calibration (Si5316, Si5322, Si5323, Si5365, Si5366)
An exit from reset must occur when the selected CKINn clock is stable in frequency with a frequency value that is
within the operating range that is reported by DSPLLsim. The other CKINs must also either be stable in frequency
or squelched during a reset.
6.2.2. Self-Calibration caused by Changes in Input Frequency (Si5316, Si5322, Si5323, Si5365, Si5366)
If the selected CKINn varies by 500 ppm or more in frequency since the last calibration, the device may initiate a
self-calibration.
6.2.3. Recommended Reset Guidelines (Si5316, Si5322, Si5323, Si5365, Si5366)
Follow the recommended RESET guidelines in Table 20 and Table 21 when reset should be applied to a device.

Si53xx-RM
66 Rev. 0.5
Table 20. Si5316, Si5322, and Si5323 Pins and Reset
Pin # Si5316 Pin
Name Si5322 Pin
Name Si5323 Pin
Name Must Reset after Changing
2 N/A FRQTBL FRQTBL Yes
11 RATE 0 N/A RATE 0 Yes
14 DBL_BY DBL2_BY DBL2_BY No
15 RATE1 N/A RATE1 Yes
19 N/A N/A DEC No
20 N/A N/A INC No
22 BWSEL0 BWSEL0 BWSEL0 Yes
23 BWSEL1 BWSEL1 BWSEL1 Yes
24 FRQSEL0 FRQSEL0 FRQSEL0 Yes
25 FRQSEL1 FRQSEL1 FRQSEL1 Yes
26 N/A FRQSEL2 FRQSEL2 Yes
27 N/A FRQSEL3 FRQSEL3 Yes
30 SFOUT1 N/A SFOUT1 No, but skew not guaranteed without Reset
33 SFOUT0 N/A SFOUT0 No, but skew not guaranteed without Reset
Table 21. Si5365 and Si5366 Pins and Reset
Pin # Si5365 Pin Name Si5366 Pin Name Must Reset after Changing
4 FRQTBL FRQTBL Yes
32 N/A RATE 0 Yes
42 N/A RATE 1 Yes
51 N/A CK_CONF Yes
54 N/A DEC No
55 N/A INC No
60 BWSEL0 BSWEL0 Yes
61 BWSEL1 BWSEL1 Yes
66 DIV34_0 DIV34_0 Yes
67 DIV34_1 DIV34_1 Yes
68 FRQSEL0 FRQSEL0 Yes
69 FRQSEL1 FRQSEL1 Yes
70 FRQSEL2 FRQSEL2 Yes
71 FRQSEL3 FRQSEL3 Yes
80 N/A SFOUT1 No, but skew not guaranteed without Reset
95 N/A SFOUT0 No, but skew not guaranteed without Reset

Si53xx-RM
Rev. 0.5 67
6.3. Pin Control Input Clock Control
This section describes the clock selection capabilities (manual input selection, automatic input selection, hitless
switching, and revertive switching). When switching between two clocks, LOL may temporarily go high if the two
clocks differ in frequency by more than 100 ppm.
6.3.1. Manual Clock Selection
Manual control of input clock selection is chosen via the CS[1:0] pins according to Table 22 and Table 23.
The manual input clock selection settings for the Si5365 and the Si5366 are shown in Table 23. The Si5366 has
two modes of operation (See Section “6.5. Frame Synchronization (Si5366)”). With CK_CONF = 0, any of the four
input clocks may be selected manually; however, when CK_CONF = 1 the inputs are paired, CKIN1 is paired with
CKIN3 and likewise for CKIN2 and CKIN4. Therefore, only two settings are available to select one of the two pairs.
Notes:
1. To avoid clock switching based on intermediate states during a CS state change, the CS input pins are
internally deglitched.
2. If the selected clock enters an alarm condition, the PLL enters digital hold mode.
Table 22. Manual Input Clock Selection (Si5316, Si5322, Si5323), AUTOSEL = L
CS (Si5316)
CS_CA (Si5322, Si5323)
Si5316 Si5322 Si5323
0CKIN1
1CKIN2
Table 23. Manual Input Clock Selection (Si5365, Si5366), AUTOSEL = L
[CS1_CA4, CS0_CA3]_Pins Si5365 Si5366
CK_CONF = 0
(5 Output Clocks)
CK_CONF = 1
(FS_OUT Configuration)
00 CKIN1 CKIN1 CKIN1/CKIN3
01 CKIN2 CKIN2 CKIN2/CKIN4
10 CKIN3 CKIN3 Reserved
11 CKIN4 CKIN4 Reserved

Si53xx-RM
68 Rev. 0.5
6.3.2. Automatic Clock Selection (Si5322, Si5323, Si5365, Si5366)
The AUTOSEL input pin sets the input clock selection mode as shown in Table 24. Automatic switching is either
revertive or non-revertive. Setting AUTOSEL to M or H, changes the CSn_CAm pins to output pins that indicate the
state of the automatic clock selection (See Table 25 and Table 26). Digital hold is indicated by all CnB signals going
high after a valid ICAL.
The prioritization of clock inputs for automatic switching is shown in Table 27 and Table 28. This priority is
hardwired in the devices.
Table 24. Automatic/Manual Clock Selection
AUTOSEL Clock Selection Mode
L Manual (See Previous Section)
M Automatic Non-revertive
H Automatic Revertive
Table 25. Clock Active Indicators (AUTOSEL = M or H) (Si5322 and Si5323)
CS_CA Active Clock
0CKIN1
1CKIN2
Table 26. Clock Active Indicators (AUTOSEL = M or H) (Si5365 and Si5367)
CA1 CA2 CS0_CA3 CS1_CA4 Active Clock
1000CKIN1
0100CKIN2
0010CKIN3
0001CKIN4
Table 27. Input Clock Priority for Auto Switching (Si5322, Si5323)
Priority Input Clocks
1CKIN1
2CKIN2
3 Digital Hold

Si53xx-RM
Rev. 0.5 69
At power-on or reset, the valid CKINn with the highest priority (1 being the highest priority) is automatically
selected. If no valid CKINn is available, the device suppresses the output clocks and waits for a valid CKINn signal.
If the currently selected CKINn goes into an alarm state, the next valid CKINn in priority order is selected. If no valid
CKINn is available, the device enters Digital Hold.
Operation in revertive and non- revertive is different when a signal becomes valid:
Revertive (AUTOSEL = H): The device constantly monitors all CKINn. If a CKINn with a higher priority than
the current active CKINn becomes valid, the active CKINn is changed to the
CKINn with the highest priority.
Non-revertive (AUTOSEL = M): The active clock does not change until there is an alarm on the active clock. The
device will then select the highest priority CKINn that is valid. Once in digital hold,
the device will switch to the first CKINn that becomes valid.
6.3.3. Hitless Switching with Phase Build-Out (Si5323, Si5366)
Silicon Laboratories switching technology performs “phase build-out” to minimize the propagation of phase
transients to the clock outputs during input clock switching. All switching between input clocks occurs within the
input multiplexor and phase detector circuitry. The phase detector circuitry continually monitors the phase
difference between each input clock and the DSPLL output clock, fOSC. The phase detector circuitry can lock to a
clock signal at a specified phase offset relative to fOSC so that the phase offset is maintained by the PLL circuitry.
At the time a clock switch occurs, the phase detector circuitry knows both the input-to-output phase relationship for
the original input clock and for the new input clock. The phase detector circuitry locks to the new input clock at the
new clock's phase offset so that the phase of the output clock is not disturbed. The phase difference between the
two input clocks is absorbed in the phase detector's offset value, rather than being propagated to the clock output.
The switching technology virtually eliminates the output clock phase transients traditionally associated with clock
rearrangement (input clock switching).
Table 28. Input Clock Priority for Auto Switching (Si5365, Si5366)
Priority Input Clock Configuration
Si5365 Si5366
4 Input Clocks
(CK_CONF = 0)
FSYNC Switching
(CK_CONF = 1)
1 CKIN1 CKIN1/CKIN3
2 CKIN2 CKIN2/CKIN4
3 CKIN3 N/A
4 CKIN4 N/A
5 Digital Hold Digital Hold

Si53xx-RM
70 Rev. 0.5
6.4. Digital Hold/VCO Freeze
All Any-Frequency Precision Clock devices feature a hold over or VCO freeze mode, whereby the DSPLL is locked
to a digital value.
6.4.1. Narrowband Digital Hold (Si5316, Si5323, Si5366)
If an LOS or FOS condition exists on the selected input clock, the device enters digital hold. In this mode, the
device provides a stable output frequency until the input clock returns and is validated. When the device enters
digital hold, the internal oscillator is initially held to its last frequency value. Next, the internal oscillator slowly
transitions to a historical average frequency value that was taken over a time window of 6,711 ms in size that
ended 26 ms before the device entered digital hold. This frequency value is taken from an internal memory location
that keeps a record of previous DSPLL frequency values. By using a historical average frequency, input clock
phase and frequency transients that may occur immediately preceding loss of clock or any event causing digital
hold do not affect the digital hold frequency. Also, noise related to input clock jitter or internal PLL jitter is
minimized.
If a highly stable reference, such as an oven-controlled crystal oscillator, is supplied at XA/XB, an extremely stable
digital hold can be achieved. If a crystal is supplied at the XA/XB port, the digital hold stability will be limited by the
stability of the crystal.
6.4.2. Recovery from Digital Hold (Si5316, Si5323, Si5366)
When the input clock signal returns, the device transitions from digital hold to the selected input clock. The device
performs hitless recovery from digital hold. The clock transition from digital hold to the returned input clock includes
“phase buildout” to absorb the phase difference between the digital hold clock phase and the input clock phase.
6.4.3. Wideband VCO Freeze (Si5322, Si5365)
If an LOS condition exists on the selected input clock, the device freezes the VCO. In this mode, the device
provides a stable output frequency until the input clock returns and is validated. When the device enters VCO
freeze, the internal oscillator is initially held to its last frequency value.
6.5. Frame Synchronization (Si5366)
FSYNC is used in applications that require a synchronizing pulse that has an exact number of periods of a high-
rate clock, Frame Synchronization is selected by setting CK_CONF = 1 and FRQTBL = L). In a typical frame
synchronization application, CKIN1 and CKIN2 are high-speed input clocks from primary and secondary clock
generation cards and CKIN3 and CKIN4 are their associated primary and secondary frame synchronization
signals. The device generates four output clocks and a frame sync output FS_OUT. CKIN3 and CKIN4 control the
phase of FS_OUT.
The frame sync inputs supplied to CKIN3 and CKIN4 must be 8 kHz. Since the frequency of FS_OUT is derived
from CKOUT2, CKOUT2 must be a standard SONET frequency (e.g. 19.44 MHz, 77.76 MHz). Table 16 lists the
input frequency/clock multiplication ratio combinations supporting an 8 kHz output on FS_OUT.

Si53xx-RM
Rev. 0.5 71
6.6. Output Phase Adjust (Si5323, Si5366)
Overall device skew (CKINn to CKOUT_n phase delay) is controllable via the INC and DEC input pins. A positive
pulse applied at the INC pin increases the device skew by 1/fOSC, one period of the DCO output clock. A pulse on
the DEC pin decreases the skew by the same amount. Since fOSC is close to 5 GHz, the resolution of the skew
control is approximately 200 ps. Using the INC and DEC pins, there is no limit to the range of skew adjustment that
can be made. Following a power-up or reset, the skew will revert to the reset value.
The INC pin function is not available for all frequency table selections. DSPLLsim reports this whenever it is used
to implement a frequency plan.
6.6.1. FSYNC Realignment (Si5366)
The FS_ALIGN pin controls the realignment of FS_OUT to the active CKIN3 or CKIN4 input. The currently active
frame sync input is determined by which input clock is currently being used by the PLL. For example, if CKIN1 is
being selected as the PLL input, CKIN3 is the currently-active frame sync input. If neither CKIN3 or CKIN4 are
currently active (digital hold), the realignment request is ignored. The active edge used for realignment is the
CKIN3 or CKIN4 rising edge.
FS_ALIGN operates in Level Sensitive mode (See Figure 19, “Frame Synchronization Timing.”). While FS_ALIGN
is active, each active edge of the currently-active frame sync input (CKIN3 or CKIN4) is used to control the NC5
output divider and therefore the FS_OUT phase. Note that while the realignment control is active, it cannot be
guaranteed that a fixed number of high-frequency clock (CKOUT2) cycles exists between each FS_OUT cycle.
The resolution of the phase realignment is 1 clock cycle of CKOUT2. If the realignment control is not active, the
NC5 divider will continuously divide down its fCKOUT2 input. This guarantees a fixed number of high-frequency
clock (CKOUT2) cycles between each FS_OUT cycle.
At power-up or any time after the PLL has lost lock and relocked, the device automatically performs a realignment
of FS_OUT using the currently active sync input. After this, as long as the PLL remains in lock and a realignment is
not requested, FS_OUT will include a fixed number of high-speed clock cycles, even if input clock switches are
performed. If many clock switches are performed in phase build-out mode, it is possible that the input sync to
output sync phase relationship will shift due to the accumulated residual phase transients of the phase build-out
circuitry. If the sync alignment error exceeds the threshold in either the positive or negative direction, an alignment
alarm becomes active. If it is then desired to reestablish the desired input-to-output sync phase relationship, a
realignment can be performed. A realignment request may cause FS_OUT to instantaneously shift its output edge
location in order to align with the active input sync phase.
6.6.2. Including FSYNC Inputs in Clock Selection (Si5366)
The frame sync inputs, CKIN3 and CKIN4, are both monitored for loss-of-signal (LOS3_INT and LOS4_INT)
conditions. To include these LOS alarms in the input clock selection algorithm, set FS_SW = 1. The LOS3_INT is
logically ORed with LOS1_INT and LOS4_INT is ORed with LOS2_INT as inputs to the clock selection state
machine. If it is desired not to include these alarms in the clock selection algorithm, set FS_SW = 0. The FOS
alarms for CKIN3 and CKIN4 are ignored. See Table 33 on page 74.
6.6.3. FS_OUT Polarity and Pulse Width Control (Si5366)
Additional output controls are available for FS_OUT. FS_OUT is active high, and the pulse width is equal to one
period of the CKOUT2 output clock. For example, if CKOUT2 is 622.08 MHz, the FS_OUT pulse width will be 1/
622.08e6 = 1.61 ns.
6.6.4. Using FS_OUT as a Fifth Output Clock (Si5366)
In applications where the frame synchronization functionality is not needed, FS_OUT can be used as a fifth clock
output. In this case, no realignment requests should be made to the NC5 divider. (This is done by holding
FS_ALIGN to 0 and CK_CONF = 0).

Si53xx-RM
72 Rev. 0.5
6.6.5. Disabling FS_OUT (Si5366)
The FS_OUT maybe disabled via the DBLFS pin, see Table 29. The additional state (M) provided allows for
FS_OUT to drive a CMOS load while the other clock outputs use a different signal format as specified by the
SFOUT[1:0] pins.
6.7. Output Clock Drivers
The devices include a flexible output driver structure that can drive a variety of loads, including LVPECL, LVDS,
CML, and CMOS formats. The signal format is selected jointly for all outputs using the SFOUT [1:0] pins, which
modify the output common mode and differential signal swing. See Table 4, “DC Characteristics” for output driver
specifications. The SFOUT [1:0] pins are three-level input pins, with the states designated as L (ground), M (VDD/
2), and H (VDD).
Table 30 shows the signal formats based on the supply voltage and the type of load being driven. For the CMOS
setting (SFOUT = LH), both output pins drive single-ended in-phase signals and should be externally shorted
together to obtain the drive strength specified in Table 4, “DC Characteristics”, see Section “8.2. Output Clock
Drivers”.
The SFOUT [1:0] pins can also be used to disable the output. Disabling the output puts the CKOUT+ and CKOUT–
pins in a high-impedance state relative to VDD (common mode tri-state) while the two outputs remain connected to
each other through a 200 on-chip resistance (differential impedance of 200 ). The maximum amount of internal
circuitry is powered down, minimizing power consumption and noise generation. Changing SFOUT without a reset
causes the output to output skew to become random. When SFOUT = LH for CMOS, PLL bypass mode is not
supported.
6.7.1. LVPECL and CMOS TQFP Output Signal Format Restrictions at 3.3 V (Si5365, Si5366)
The LVPECL and CMOS output formats draw more current than either LVDS or CML. However, the allowed output
format pin settings are restricted so that the maximum power dissipation for the TQFP devices is limited when they
are operated at 3.3 V. When SFOUT[1:0] = MH or LH (for either LVPECL or CMOS), either DBL5 must be H or
DBL34 must be high.
Table 29. FS_OUT Disable Control (DBLFS)
DBLFS FS_OUT State
H Tri-State/Powerdown
M Active/CMOS Format
L Active/SFOUT[1:0] Format
Table 30. Output Signal Format Selection (SFOUT)
SFOUT[1:0] Signal Format
HL CML
HM LVDS
LH CMOS
LM Disabled
MH LVPECL
ML Low-swing LVDS
All Others Reserved

Si53xx-RM
Rev. 0.5 73
6.8. PLL Bypass Mode
The device supports a PLL bypass mode in which the selected input clock is fed directly to all enabled output
buffers, bypassing the DSPLL. In PLL bypass mode, the input and output clocks will be at the same frequency. PLL
bypass mode is useful in a laboratory environment to measure system performance with and without the effects of
jitter attenuation provided by the DSPLL.
The DSBL2/BYPASS pin is used to select the PLL bypass mode according to Table 31.
Internally, the bypass path is implemented with high-speed differential signaling for low jitter. Bypass mode does
not support CMOS clock output.
6.9. Alarms
Summary alarms are available to indicate the overall status of the input signals and frame alignment (Si5366 only).
Alarm outputs stay high until all the alarm conditions for that alarm output are cleared.
6.9.1. Loss-of-Signal Alarms (Si5316, Si5322, Si5323, Si5365, Si5366)
The device has loss-of-signal circuitry that continuously monitors CKINn for missing pulses. The LOS circuitry
generates an internal LOSn_INT output signal that is processed with other alarms to generate CnB.
An LOS condition on CKIN1 causes the internal LOS1_INT alarm to become active. Similarly, an LOS condition on
CKINn causes the LOSn_INT alarm to become active. Once a LOSn_INT alarm is asserted on one of the input
clocks, it remains asserted until that input clock is validated over a designated time period. The time to clear
LOSn_INT after a valid input clock appears is listed in Table 8, “AC Characteristics—All Devices”. If another error
condition on the same input clock is detected during the validation time then the alarm remains asserted and the
validation time starts over.
6.9.1.1. Narrowband LOS Algorithm (Si5316, Si5323, Si5366)
The LOS circuitry divides down each input clock to produce an 8 kHz to 2 MHz signal. (For the Si5316, the output
of divider N3 (See Figure 1) is used.) The LOS circuitry over samples this divided down input clock using a 40 MHz
clock to search for extended periods of time without input clock transitions. If the LOS monitor detects twice the
normal number of samples without a clock edge, a LOSn_INT alarm is declared. Table 8, “AC Characteristics—All
Devices” gives the minimum and maximum amount of time for the LOS monitor to trigger.
6.9.1.2. Wideband LOS Algorithm (Si5322, Si5365)
Each input clock is divided down to produce a 78 kHz to 1.2 MHz signal before entering the LOS monitoring
circuitry. The same LOS algorithm as described in the above section is then used.
6.9.2. FOS Alarms (Si5365 and Si5366)
If FOS alarms are enabled (See Table 32), the internal frequency offset alarms (FOSn_INT) indicate if the input
clocks are within a specified frequency band relative to the frequency of CKIN2. The frequency offset monitoring
circuitry compares the frequency of the input clock(s) with CKIN2. If the frequency offset of an input clock exceeds
a preset frequency offset threshold, an FOS alarm (FOSn_INT) is declared for that clock input. Note that FOS
monitoring is not available on CKIN3 and CKIN4 if CK_CONF = 1. The device supports FOS hysteresis per GR-
1244-CORE, making the device less susceptible to FOS alarm chattering. A TCXO or OCXO reference clock must
be used in conjunction with either the SMC or Stratum 3/3E settings. Note that wander can cause false FOS
alarms.
Table 31. DSBL2/BYPASS Pin Settings
DSBL2/BYPASS Function
L CKOUT2 Enabled
M CKOUT2 Disabled
H PLL Bypass Mode w/ CKOUT2 Enabled

Si53xx-RM
74 Rev. 0.5
6.9.3. FSYNC Align Alarm (Si5366 and CK_CONF = 1 and FRQTBL = L)
At power-up or any time after the PLL has lost lock and relocked, the device automatically performs a realignment
of FS_OUT using the currently active sync input. After this, as long as the PLL remains in lock and a realignment is
not requested, FS_OUT will include a fixed number of high-speed clock cycles, even if input clock switches are
performed. If many clock switches are performed, it is possible that the input sync to output sync phase relationship
will shift due to the accumulated residual phase transients of the phase build-out circuitry. The internal ALIGN_INT
signal is asserted when the accumulated phase errors exceeds two cycles of CKOUT2.
6.9.4. C1B and C2B Alarm Outputs (Si5316, Si5322, Si5323)
The alarm outputs (C1B and C2B) are determined directly by the LOS1_INT and LOS2_INT internal indicators
directly. That is C1B = LOS1 and C2B = LOS2.
6.9.5. C1B, C2B, C3B, and ALRMOUT Outputs (Si5365, Si5366)
The alarm outputs (C1B, C2B, C3B, ALRMOUT) provide a summary of various alarm conditions on the input clocks
depending on the setting of the FOS_CNTL and CK_CONF pins.
The following internal alarm indicators are used in determining the output alarms:
LOSn_INT: See section “6.9.1. Loss-of-Signal Alarms (Si5316, Si5322, Si5323, Si5365, Si5366)” for a
description of how LOSn_INT is determined
FOSn_INT: See section “6.9.2. FOS Alarms (Si5365 and Si5366)”for a description of how FOSn_INT is
determined
ALIGN_INT: See section “6.9.3. FSYNC Align Alarm (Si5366 and CK_CONF = 1 and FRQTBL = L)” for a
description of how ALIGN_INT is determined
Based on the above internal signals and the settings of the CK_CONF and FOS_CTL pins, the outputs C1B, C2B,
C3B, ALRMOUT are determined (See Table 33). For details, see "Appendix D—Alarm Structure" on page 144.
.
Table 32. Frequency Offset Control (FOS_CTL)
FOS_CNTL Meaning
L FOS Disabled.
M Stratum 3/3E FOS Threshold (12 ppm)
H SONET Minimum Clock Threshold (48 ppm)
Table 33. Alarm Output Logic Equations
CK_CONF FOS_CTL Alarm Output Equations
0
Four independent input
clocks
L
(Disables FOS)
C1B = LOS1_INT
C2B = LOS2_INT
C3B = LOS3_INT
ALRMOUT = LOS4_INT
M or H C1B = LOS1_INT or FOS1_INT
C2B = LOS2_INT or FOS2_INT
C3B = LOS3_INT or FOS3_INT
ALRMOUT = LOS4_INT or FOS4_INT
1
(FSYNC switching
mode)
L
(Disables FOS)
C1B = LOS1_INT or (LOS3_INT and FSYNC_SWTCH)
C2B = LOS2_INT or (LOS4_INT and FSYNC_SWTCH)
C3B = tri-state
ALRMOUT = ALIGN_INT
M or H C1B = LOS1_INT or (LOS3_INT and FSYNC_SWTCH) or FOS1_INT
C2B = LOS2_INT or (LOS4_INT and FSYNC_SWTCH) or FOS2_INT
C3B = tri-state
ALRMOUT = ALIGN_INT

Si53xx-RM
Rev. 0.5 75
6.9.5.1. PLL Lock Detect (Si5316, Si5323, Si5366)
The PLL lock detection algorithm indicates the lock status on the LOL output pin. The algorithm works by
continuously monitoring the phase of the input clock in relation to the phase of the feedback clock. If the time
between two consecutive phase cycle slips is greater than the Retrigger Time, the PLL is in lock. The LOL output
has a guaranteed minimum pulse width as shown in (Table 8, “AC Characteristics—All Devices”). The LOL pin is
also held in the active state during an internal PLL calibration.
The retrigger time is automatically set based on the PLL closed loop bandwidth (See Table 34).
6.9.5.2. Lock Detect (Si5322, Si5365)
A PLL loss of lock indicator is not available for these devices.
6.10. Device Reset
Upon powerup, the device internally executes a power-on-reset (POR) which resets the internal device logic. The
pin RST can also be used to initiate a reset. The device stays in this state until a valid CKINn is present, when it
then performs a PLL Self-Calibration (See “6.2. PLL Self-Calibration”).
6.11. DSPLLsim Configuration Software
To simplify frequency planning, loop bandwidth selection, and general device configuration of the Any-Frequency
Precision Clocks. Silicon Laboratories offers the DSPLLsim configuration utility for this purpose. This software is
available to download from www.silabs.com/timing.
Table 34. Lock Detect Retrigger Time
PLL Bandwidth Setting (BW) Retrigger Time (ms)
60–120 Hz 53
120–240 Hz 26.5
240–480 Hz 13.3
480–960 Hz 6.6
960–1920 Hz 3.3
1920–3840 Hz 1.66
3840–7680 Hz .833

Si53xx-RM
76 Rev. 0.5
7. Microprocessor Controlled Parts (Si5319, Si5324, Si5325, Si5326, Si5327,
Si5367, Si5368, Si5369, Si5374, Si5375)
The devices in this family provide a rich set of clock multiplication/clock division options, loop bandwidth selections,
output clock phase adjustment, and device control options.
7.1. Clock Multiplication
The input frequency, clock multiplication ratio, and output frequency are set via register settings. Because the
DSPLL dividers settings are directly programmable, a wide range of frequency translations is available. In addition,
a wider range of frequency translations is available in narrowband parts than wideband parts due to the lower
phase detector frequency range in narrowband parts. To assist users in finding valid divider settings for a particular
input frequency and clock multiplication ratio, Silicon Laboratories offers the DSPLLsim utility to calculate these
settings automatically. When multiple divider combinations produce the same output frequency, the software
recommends the divider settings that yield the best combination of phase noise performance and power
consumption.
7.1.1. Jitter Tolerance (Si5319, Si5324, Si5325, Si5326, Si5327, Si5368, Si5369, Si5374 and Si5375)
See Section 5.2.3.
7.1.2. Wideband Parts (Si5325, Si5367)
These devices operate as wideband clock multipliers without an external resonator or reference clock. This mode
may be desirable if the input clock is already low jitter and only simple clock multiplication is required. A limited
selection of clock multiplication factors is available in this mode. The input-to-output skew for wideband parts is not
controlled.
Refer to Figure 25. The selected input clock passes through the N3 input divider and is provided to the DSPLL. The
input-to-output clock multiplication ratio is defined as follows:
fOUT = fIN x N2/(N1 x N3)
where:
N1 = output divider
N2 = feedback divider
N3 = input divider
Figure 25. Wideband PLL Divider Settings (Si5325, Si5367)
2
/
CKIN1 N31
/CKIN2 N32
2
2
N2
N2 = N2_LS
N2_LS = [32, 34, 36, …, 512]
NC1
NC2
/CKOUT_1
/CKOUT_2
2
4.85 – 5.67 GHz
fIN = 10 MHz–710 MHz
fOUT = 2 kHz -–1. 4 GHz
/
CKIN3 N33
/
CKIN4 N34
2
2
10 MHz–
157.5 MHz
NC1 = N1_ HS x N1_LS
N1_ HS = [4,5,6,...,11]
N1_ LS = [1,2,4,6,...,220]
NC5 /CKOUT_5
2
f3
f3
N1
N3 =
[1,2,3,...,219]
fOSC
DSPLL® N1_HS

Si53xx-RM
Rev. 0.5 77
Because there is only one DCO and all of the outputs must be frequencies that are integer divisions of the DCO
frequency, there are restrictions on the ratio of one output frequency to another output frequency. That is, there is
considerable freedom in the ratio between the input frequency and the first output frequency; but once the first
output frequency is chosen, there are restrictions on subsequent output frequencies. These restrictions are made
tighter by the fact that the N1_HS divider is shared among all of the outputs. DSPLLsim should be used to
determine if two different simultaneous outputs are compatible with one another.
The same issue exists for inputs of different frequencies: both inputs, after having been divided by their respective
N3 dividers, must result in the same f3 frequency because the phase/frequency detector can operate at only one
frequency at one time.
7.1.2.1. Loop Bandwidth (Si5325, Si5367)
The loop bandwidth (BW) is digitally programmable using the BWSEL_REG[3:0] register bits. The device operating
frequency should be determined prior to loop bandwidth configuration because the loop bandwidth is a function of
the phase detector input frequency and the PLL feedback divider. See DSPLLsim for BWSEL_REG settings and
associated bandwidth.
7.1.2.2. Lock Detect (Si5325, Si5367)
A PLL loss of lock indicator is not available in these devices.
7.1.2.3. Input to Output Skew (Si5325, Si5367)
The input to output skew for wideband devices is not controlled.
7.1.3. Narrowband Parts (Si5319, Si5324, Si5326, Si5327, Si5368, Si5369, Si5374, Si5375)
The DCO uses the reference clock on the XA/XB pins (OSC_P and OSC_N for the Si5374 and Si5375) as its
reference for jitter attenuation. The XA/XB pins support either a crystal oscillator or an input buffer (single-ended or
differential) so that an external oscillator can become the reference source. In both cases, there are wide margins
in the absolute frequency of the reference input because it is a fixed frequency and is used only as a jitter reference
and holdover reference (see "7.6. Digital Hold" on page 87). See " Appendix A—Narrowband References" on page
119 for more details. The Si5374 and Si5375 must be used with an external crystal oscillator and cannot use
crystals.
Care must be exercised in certain areas for optimum performance. For details on this subject, refer to "Appendix
B—Frequency Plans and Jitter Performance (Si5316, Si5319, Si5323, Si5324, Si5326, Si5327, Si5366, Si5368,
Si5369, Si5374, Si5375)" on page 121. For examples of connections to the XA/XB (for the Si5374 and Si5375,
OSC_P, OSC_N) pins, refer to "8.4. Crystal/Reference Clock Interfaces (Si5316, Si5319, Si5323, Si5324, Si5326,
Si5327, Si5366, Si5368, Si5369, Si5374, and Si5375)" on page 113.
Refer to Figure 26 Narrowband PLL Divider Settings (Si5319, Si5324, Si5326, Si5327, Si5368, Si5374, Si5375), a
simplified block diagram of the device and Table 35 and Table 36 for frequency and divider limits. The PLL dividers
and their associated ranges are listed in the diagram. Each PLL divider setting is programmed by writing to device
registers. There are additional restrictions on the range of the input frequency fIN, the DSPLL phase detector clock
rate f3, and the DSPLL output clock fOSC.
The selected input clock passes through the N3 input divider and is provided to the DSPLL. In addition, the
external crystal or reference clock provides a reference frequency to the DSPLL. The DSPLL output frequency,
fOSC, is divided down by each output divider to generate the clock output frequencies. The input-to-output clock
multiplication ratio is defined as follows:
fOUT = fIN x N2/(N1 x N3)
where:
N1 = output divider
N2 = feedback divider
N3 = input divider

Si53xx-RM
78 Rev. 0.5
Figure 26. Narrowband PLL Divider Settings
(Si5319, Si5324, Si5326, Si5327, Si5368, Si5369, Si5374, Si5375)
Table 35. Narrowband Frequency Limits
Signal Frequency Limits
CKINn 2 kHz–710 MHz
f32 kHz–2 MHz
fOSC 4.85–5.67 GHz
fOUT 2 kHz–1.475 GHz
Note: Fmax = 808 MHz for the Si5327, Si5374 and Si5375
Table 36. Dividers and Limits
Divider Equation Si5325, Si5367 Si5319, Si5324, Si5326, Si5327,
Si5368, Si5369, Si5374, Si5375
N1 N1 = N1_HS x NCn_LS N1_HS = [4, 5, …, 11]
NCn_LS = [1, 2, 4, 6, …, 2^20]
N1_HS = [4, 5, …, 11]
NCn_LS = [1, 2, 4, 6, …, 2^20]
N2 N2 = N2_HS x N2_LS N2_HS = 1
N2_LS = [32, 34, 36, …, 2^9]
N2_HS = [4, 5, …, 11]
N2_LS = [2, 4, 6, …, 2^20]
N3 N3 = N3n N3n = [1,2,3,..,2^19] N3n = [1,2,3,..,2^19]
CKIN_1+
CKIN_1–
CKIN_2+
CKIN_2–
CKIN_3+
CKIN_3–
CKIN_4+
CKIN_4–
CKOUT_1+
CKOUT_1–
÷ NC1 1
0
CKOUT_2+
CKOUT_2–
÷ NC2 1
0
CKOUT_3+
CKOUT_3–
÷ NC3 1
0
CKOUT_4+
CKOUT_4–
÷ NC4 1
0
2
2
2
2
2
2
2
2
DCO fOSC
Xtal, or Refclock
(Si5319, Si5324, Si5326, Si5327, Si5368, Si5369;
Refclock only for the Si5374 and Si5375)
fx
M
f3Digital
Phase
Detector/
Loop Filter
BYPASS
f3
SPI/I2C
Si5319, Si5326,
Si5368
Control
÷ N32
÷ N31
Si5368
Si5368
Note: See section 6.7
for FSYNC details.
÷ N1_HS
CKOUT_5+
CKOUT_5–
÷ NC5 1
0
2
÷ N33
÷ N34
Note: There are multiple outputs at different frequencies because of limitations caused by the DCO and N1_HS.
÷ N2_LS ÷ N2_HS
Bandwidth
Control FSYNC
(Si5368)
Si5369
Si5369

Si53xx-RM
Rev. 0.5 79
The output divider, NC1, is the product of a high-speed divider (N1_HS) and a low-speed divider (N1_LS).
Similarly, the feedback divider N2 is the product of a high-speed divider N2_HS and a low-speed divider N2_LS.
When multiple combinations of high-speed and low-speed divider values are available to produce the desired
overall result, selecting the largest possible high-speed divider value will produce lower power consumption. With
the fOSC and N1 ranges given above, any output frequency can be achieved from 2 kHz to 945 MHz where NC1
ranges from (4 x 220) to 6. For NC1 = 5, the output frequency range 970 MHz to 1.134 GHz can be obtained. For
NC1 = 4, the output frequency range from 1.2125 to 1.4175 GHz is available.
Because there is only one DCO and all of the outputs must be frequencies that are integer divisions of the DCO
frequency, there are restrictions on the ratio of one output frequency to another output frequency. That is, there is
considerable freedom in the ratio between the input frequency and the first output frequency; but once the first
output frequency is chosen, there are restrictions on subsequent output frequencies. These restrictions are caused
by the fact that the N1_HS divider is shared among all of the outputs. DSPLLsim should be used to determine if two
different simultaneous outputs are compatible with one another.
The same issue exists for inputs of different frequency: both inputs, after having been divided by their respective
N3 dividers, must result in the same f3 frequency because the phase/frequency detector can operate at only one
frequency at one time.
7.1.4. Loop Bandwidth (Si5319, Si5326, Si5368, Si5375)
The device functions as a jitter attenuator with digitally programmable loop bandwidth (BW). The loop bandwidth
settings range from 60 Hz to 8.4 kHz and are set using the BWSEL_REG[3:0] register bits. The device operating
frequency should be determined prior to loop bandwidth configuration because the loop bandwidth is a function of
the phase detector input frequency and the PLL feedback divider. See DSPLLsim for a table of BWSEL_REG and
associated loop bandwidth settings. For more information the loop BW and its effect on jitter attenuation, see
"Appendix H—Jitter Attenuation and Loop BW" on page 164.
7.1.4.1. Low Loop Bandwidth (Si5324, Si5327, Si5369, Si5374)
The loop BW of the Si5324, Si5327, Si5369, and Si5374 is significantly lower than the BW of the Si5326. The
available Si5324/27/69/74 loop bandwidth settings and their register control values for a given frequency plan are
listed by DSPLLsim (Revision 4.0.1 or higher) or in Si537xDSPLLsim. Compared to the Si5326, the BW Si5324/27/
69/74 settings are approximately 16 times lower, which means that the Si5324/27/69/74 loop bandwidth ranges
from about 4 to 525 Hz.
7.1.5. Lock Detect (Si5319, Si5326, Si5327, Si5368, Si5369, Si5374, Si5375)
The device has a PLL lock detection algorithm that indicates the lock status on the LOL output pin and the
LOL_INT read-only register bit. See Section “7.11.8. LOL (Si5319, Si5324, Si5326, Si5327, Si5368, Si5369,
Si5374, Si5375)” for a detailed description of the LOL algorithm.
7.2. PLL Self-Calibration
The device performs an internal self-calibration before operation to optimize loop parameters and jitter
performance. While the self-calibration is being performed, the DCO is being internally controlled by the self-
calibration state machine, and the LOL alarm will be active. The output clocks can either be active or disabled
depending on the SQ_ICAL bit setting. The self-calibration time tLOCKMP is given in Table 8, “AC Characteristics—
All Devices”. The procedure for initiating the internal self-calibration is described below.
7.2.1. Initiating Internal Self-Calibration
Any of the following events will trigger an automatic self-calibration:
Internal DCO registers out-of-range, indicating the need to relock the DCO
Setting the ICAL register bit to 1
In any of the above cases, an internal self-calibration will be initiated if a valid input clock exists (no input alarm)
and is selected as the active clock at that time. The external crystal or reference clock must also be present for the
self-calibration to begin (LOSX_INT = 0 [narrowband only]).
When self-calibration is initiated the device generates an output clock if the SQ_ICAL bit is set to 0. The output
clock will appear when the device begins self-calibration. The frequency of the output clocks may be as high as 5%
above or as low as 20% below the final locked value. If SQ_ICAL = 1, the output clocks are disabled during self-

Si53xx-RM
80 Rev. 0.5
calibration and will appear after the self-calibration routine is completed. The SQ_ICAL bit is self-clearing after a
successful ICAL.
After a successful self-calibration has been performed with a valid input clock, it is not necessary to reinitiate a self-
calibration for subsequent losses of input clock. If the input clock is lost following self-calibration, the device enters
digital hold mode. When the input clock returns, the device relocks to the input clock without performing a self-
calibration.
After power-up and writing of dividers or PLL registers, the user must set ICAL = 1 to initiate a self-calibration. LOL
will go low when self calibration is complete. Depending on the selected value of the loop bandwidth, it may take a
few seconds more for the output frequency and phase to completely settle.
It is recommended that a software reset precede all ICALs and their associated register writes by setting
RST_REG (Register 136.7).
7.2.1.1. PLL Self-Calibration (Si5324, Si5327, Si5369, Si5374)
Due to the low loop bandwidth of the Si5324, Si5327, Si5369, and Si5374, the lock time of the Si5324/27/69/75 is
significantly longer than the lock time of the Si5326. As a method of reducing the lock time, the FAST_LOCK
register bit can be set to improve lock times. As the Si5324/27/69/74 data sheets indicate, FAST_LOCK is the LSB
of register 137. When FAST_LOCK is high, the lock time decreases. Because the Si5324/27/74 is initialized with
FAST_LOCK low, it must be written before ICAL is set. Typical Si5324/27/69/74 lock times (as defined from the
start of ICAL until LOL going low) with FAST_LOCK set are one to two seconds. To further reduce lock times, it is
also recommended that a value of 001 be written to LOCKT (the three LSBs of register 19).
7.2.2. Input Clock Stability during Internal Self-Calibration
An ICAL must occur when the selected active CKINn clock is stable in frequency and with a frequency value that is
within the operating range that is reported by DSPLLsim. The other CKINs must be stable in frequency (< 100 ppm
from nominal) or squelched during an ICAL.
7.2.3. Self-Calibration Caused by Changes in Input Frequency
If the selected CKINn varies by 500 ppm or more in frequency since the last calibration, the device may initiate a
self-calibration.
7.2.4. Narrowband Input-to-Output Skew (Si5319, Si5324, Si5326, Si5327, Si5368, Si5369, Si5374, Si5375)
The input-to-output skew is not controlled. External circuitry is required to control the input-to-output skew. Contact
Silicon Labs for further information.
7.2.5. Clock Output Behavior Before and During ICAL
Table 37. CKOUT_ALWAYS_ON and SQ_ICAL Truth Table
Cases CKOUT_ALWAYS_ON SQ_ICAL Results
110 0 CKOUT OFF until after the first ICAL
2201
CKOUT OFF until after the first successful
ICAL (i.e., when LOL is low)
331 0 CKOUT always ON, including during an ICAL
4411
CKOUT always ON, including during an ICAL.
Use these settings to preserve output-to-output
skew
Notes:
1. Case 1 should be selected when an output clock is not desired until the part has been initialized after power-up, but is
desired all of the time after initialization.
2. Case 2 should be selected when an output clock is never desired during an any ICAL. Case 2 will only generate
outputs when the outputs are at the correct output frequency.
3. Case 3 should be selected whenever a clock output is always desired.
4. Case 4 is the same as Case 3.

Si53xx-RM
Rev. 0.5 81
7.3. Input Clock Configurations (Si5367 and Si5368)
The device supports two input clock configurations based on CK_CONFIG_REG. See "6.5. Frame Synchronization
(Si5366)" on page 70 for additional details.
7.4. Input Clock Control
This section describes the clock selection capabilities (manual input selection, automatic input selection, hitless
switching, and revertive switching). The Si5319, Si5327, and Si5375 support only pin-controlled manual clock
selection. Figure 27 and Figure 28 provide top level overviews of the clock selection logic, though they do not
cover wideband or frame sync applications. Register values are indicated by underscored italics. Note that, when
switching between two clocks, LOL may temporarily go high if the clocks differ in frequency by more than 100 ppm.
Figure 27. Si5324, Si5325, Si5326, Si5327, and Si5374 Input Clock Selection
CKIN1
CKIN2
Clock priority logic
CK_PRIORn
0
1
CKSEL_REG
AUTOSEL_REG 0
1
CKSEL_PIN
LOS/FOS
detect
LOS/FOS
detect LOS/FOS
detect
LOS/FOS
detect
decode Auto
Manual
Selected
Clock
2
4
CS_CA pin
CK_ACTV_PIN

Si53xx-RM
82 Rev. 0.5
Figure 28. Si5367, Si5368, and Si5369 Input Clock Selection
7.4.1. Manual Clock Selection (Si5324, Si5325, Si5326, Si5367, Si5368, Si5369, Si5374)
Manual control of input clock selection is available by setting the AUTOSEL_REG[1:0] register bits to 00. In manual
mode, the active input clock is chosen via the CKSEL_REG[1:0] register setting according to Table 38 and
Table 39.
Table 38. Manual Input Clock Selection (Si5367, Si5368, Si5369)
CKSEL_REG[1:0]
Register Bits Active Input Clock
CK_CONFIG_REG = 0
(CKIN1,2,3,4 inputs) CK_CONFIG_REG = 1
(CKIN1,3 & CKIN2,4 clock/FSYNC pairs)
00 CKIN1 CKIN1/CKIN3
01 CKIN2 CKIN2/CKIN4
10 CKIN3 Not used
11 CKIN4 Not used
Note: Setting the CKSEL_PIN register bit to one allows the CS [1:0] pins to continue to control input clock selection.
If CS_PIN is set to zero, the CKSEL_REG[1:0] register bits perform the input clock selection function.
CKIN1
CKIN2
CKIN3
CKIN4
Clock priority logicCK_PRIORn
0
1
CKSEL_REG
AUTOSEL_REG 0
1
CKSEL_PIN
LOS/FOS
detect LOS/FOS
detect LOS/FOS
detect LOS/FOS
detect
decode Auto
Manual
Selected
Clock
2
2
2
2
2
8
2CS0_C3A,
CS1_C4A
pins
CKIN1
CKIN2
CKIN3
CKIN4
Clock priority logicCK_PRIORn
0
1
CKSEL_REG
AUTOSEL_REG 0
1
CKSEL_PIN
LOS/FOS
detect
LOS/FOS
detect LOS/FOS
detect
LOS/FOS
detect LOS/FOS
detect
LOS/FOS
detect LOS/FOS
detect
LOS/FOS
detect
decode Auto
Manual
Selected
Clock
2
2
2
2
2
8
2CS0_C3A,
CS1_C4A
pins

Si53xx-RM
Rev. 0.5 83
If the selected clock enters an alarm condition, the PLL enters digital hold mode. The CKSEL_REG[1:0] controls
are ignored if automatic clock selection is enabled.
7.4.2. Automatic Clock Selection (Si5324, Si5325, Si5326, Si5367, Si5368, Si5369, Si5374)
The AUTOSEL_REG[1:0] register bits sets the input clock selection mode as shown in Table 40. Automatic
switching is either revertive or non-revertive.
CKSEL_PIN is of significance only when Manual is selected.
7.4.2.1. Detailed Automatic Clock Selection Description (Si5324, Si5325, Si5326, Si5374)
Automatic switching is either revertive or non-revertive. The default prioritization of clock inputs when the device is
configured for automatic switching operation is CKIN1, followed by CKIN2, and finally, digital hold mode. The
inverse input clock priority arrangement is available through the CK_PRIOR bits, as shown in the Si5325, Si5326,
and Si5374.
For the default priority arrangement, automatic switching mode selects CKIN1 at powerup, reset, or when in
revertive mode with no alarms present on CKIN1. If an alarm condition occurs on CKIN1 and there are no active
alarms on CKIN2, then the device switches to CKIN2. If both CKIN1 and CKIN2 are alarmed, then the device
enters digital hold mode. If automatic mode is selected and the frequency offset alarms (FOS1_INT and
FOS2_INT) are disabled, automatic switching is not initiated in response to FOS alarms. The loss-of-signal alarms
(LOS1_INT and LOS2_INT) are always used in making automatic clock selection choices.
In non-revertive mode, once CKIN2 is selected, CKIN2 selection remains as long as it is valid even if alarms are
cleared on CKIN1.
Table 39. Manual Input Clock Selection (Si5324, Si5325, Si5326, Si5374)
CKSEL_REG or CS pin Active Input Clock
0CKIN1
1CKIN2
Table 40. Automatic/Manual Clock Selection
AUTOSEL_REG[1:0] Clock Selection Mode
00 Manual
01 Automatic Non-revertive
10 Automatic Revertive
11 Reserved

Si53xx-RM
84 Rev. 0.5
7.4.2.2. Detailed Automatic Clock Selection Description (Si5367, Si5368, Si5369)
The prioritization of clock inputs for automatic switching is shown in Table 41. For example, if
CK_CONFIG_REG = 0 and the desired clock priority order is CKIN4, CKIN3, CKIN2, and then CKIN1 as the
lowest priority clock, the user should set CK_PRIOR1[1:0] = 11, CK_PRIOR2[1:0] = 10, CK_PRIOR3[1:0] = 01, and
CK_PRIOR4[1:0] = 00.
If CK_CONFIG_REG = 1 and the desired clock priority is CKIN1/CKIN3 and then CKIN2/CKIN4, the user should
set CK_PRIOR1[1:0] = 00 and CK_PRIOR2[1:0] = 01 (CK_PRIOR3[1:0] and CK_PRIOR4[1:0] are ignored in this
case).
The following discussion describes the clock selection algorithm for the case of four possible input clocks
(CK_CONFIG_REG = 0) in the default priority arrangement (priority order CKIN1, CKIN2, CKIN3, CKIN4).
Automatic switching mode selects CKIN1 at powerup, reset, or when in revertive mode with no alarms present on
CKIN1. If an alarm condition occurs on CKIN1 and there are no active alarms on CKIN2, the device switches to
CKIN2. If both CKIN1 and CKIN2 are alarmed and there is no alarm on CKIN3, the device switches to CKIN3. If
CKIN1, CKIN2, and CKIN3 are alarmed and there is no alarm on CKIN4, the device switches to CKIN4. If alarms
exist on CKIN1, CKIN2, CKIN3, and CKIN4, the device enters digital hold mode. If automatic mode is selected and
the frequency offset alarms (FOS1_INT, FOS2_INT, FOS3_INT, FOS4_INT) are disabled, automatic switching is
not initiated in response to FOS alarms. The loss-of-signal alarms (LOS1_INT, LOS2_INT, LOS3_INT, LOS4_INT)
are always used in making automatic clock selection choices. In non-revertive mode, once CKIN2 is selected,
CKIN2 selection remains as long as it is valid even if alarms are cleared on CKIN1.
7.4.3. Hitless Switching with Phase Build-Out (Si5324, Si5326, Si5327, Si5368, Si5369, Si5374)
Silicon Laboratories switching technology performs phase build-out, which maintains the phase of the output when
the input clock is switched. This minimizes the propagation of phase transients to the clock outputs during input
clock switching. All switching between input clocks occurs within the input multiplexer and phase detector circuitry.
The phase detector circuitry continually monitors the phase difference between each input clock and the DSPLL
output clock, fOSC. The phase detector circuitry can lock to a clock signal at a specified phase offset relative to fOSC
so that the phase offset is maintained by the PLL circuitry.
At the time a clock switch occurs, the phase detector circuitry knows both the input-to-output phase relationship for
the original input clock and for the new input clock. The phase detector circuitry locks to the new input clock at the
new clock's phase offset so that the phase of the output clock is not disturbed. The phase difference between the
two input clocks is absorbed in the phase detector's offset value, rather than being propagated to the clock output.
The switching technology virtually eliminates the output clock phase transients traditionally associated with clock
rearrangement (input clock switching).
Note that hitless switching between input clocks applies only when the input clock validation time is
VALTIME[1:0] = 01 or higher.
Table 41. Input Clock Priority for Auto Switching
Selected Clock
CK_PRIORn[1:0] CK_CONFIG_REG = 0 CK_CONFIG_REG = 1
00 CKIN1 CKIN1/CKIN3
01 CKIN2 CKIN2/CKIN4
10 CKIN3 Not Used
11 CKIN4 Not Used

Si53xx-RM
Rev. 0.5 85
7.5. Si5319, Si5324, Si5326, Si5327, Si5368, Si5369, Si5374 and Si5375 Free Run Mode
Figure 29. Free Run Mode Block Diagram
CKIN2 has an extra mux with a path to the crystal oscillator output.
When in Free Run mode, CKIN2 is sacrificed (Si5326, Si5368, Si5369, Si5374).
Switching between the crystal oscillator and CLKIN1 is hitless.
Either a crystal or an external oscillator can be used.
External oscillator connection can be either single ended or differential.
All other features and specifications remain the same.
7.5.1. Free Run Mode Programming Procedure
Using DSPLLsim, determine the frequency plan:
-Write to the internal dividers, including N31 and N32.
Enable Free Run Mode (the mux select line), FREE_RUN.
Select CKIN1 as the higher priority clock.
Establish revertive and autoselect modes.
Once properly programmed, the part will:
-Initially lock to either the XA/XB (OSC_P and OSC_N for the Si5374/75) or to CKIN1.
-Automatically select CKIN1, if it is available.
-Automatically and hitlessly switch to XA/XB if CKIN1 fails.
-Automatically and hitlessly switch back to CKIN1 when it subsequently returns.
For the Si5319:
-Clock selection is manual using an input pin.
-Clock switching is not hitless.
-CKIN2 is not available.
7.5.2. Clock Control Logic in Free Run Mode
Noting that the mux that selects CKIN2 versus the XA/XB oscillator is located before the clock selection and control
logic, when in Free Run mode operation, all such logic will be driven by the XA/XB oscillator, not the CKIN2 pins.
For example, when in Free Run mode, the CK2B pin will reflect the status of the XA/XB oscillator and not the status
of the CKIN2 pins.
Crystal or an external oscillator
(external oscillator only for the Si5374/75)
Si5319,
Si5324,
Si5326,
Si5327,
Si5368,
Si5369,
Si5374,
Si5375
CKOUT1
CKOUT2
Xtal osc
DSPLL
Core
CKIN1
I2C/SPI
CKIN2
Control
XA-XB
N31
N31
N32
N32
XAXB

Si53xx-RM
86 Rev. 0.5
7.5.3. Free Run Reference Frequency Constraints
All crystals and external oscillators must lie within these two bands
-Not every crystal will work; they should be tested
-An external oscillator can be used at all four bands
The frequency at the phase detector (f3) must be the same for both CKIN1 and XA/XB or else switching cannot
be hitless
To avoid spurs, avoid outputs that are an integer (or near integer) of the XA/XB frequency.
7.5.4. Free Run Reference Frequency Constraints
While in Free Run:
-CKOUT frequency tracks the reference frequency.
- For very low drift, a TCXO or OCXO reference is necessary.
CKOUT Jitter:
-XA/XB to CKOUT jitter transfer function is roughly one-to-one.
-For very low jitter, either use a high quality crystal or external oscillator.
- 3rd overtone crystals have lower close-in phase noise.
-In general, higher XA/XB frequency > lower jitter.
XA/XB frequency accuracy:
-For hitless switching, to meet all published specifications, the XA/XB frequency divided by N32 should match the CLKIN
frequency divided by N31. If they do not match, the clock switch will still be well-behaved.
Other than the above, the absolute accuracy of the XA/XB frequency is not important.
XA/XB Frequency Min XA/XB Frequency Max Xtal
109 MHz 125.5 MHz 3rd overtone
37 MHz 41 MHz Fundamental
CKIN
N31
---------------XA-XB
N32
------------------f3
==
CKOUT
XA-XB
----------------------Integer

Si53xx-RM
Rev. 0.5 87
7.6. Digital Hold
All Any-Frequency Precision Clock devices feature a holdover mode, whereby the DSPLL is locked to a digital
value.
7.6.1. Narrowband Digital Hold (Si5316, Si5324, Si5326, Si5368, Si5369, Si5374)
After the part's initial self-calibration (ICAL), when no valid input clock is available, the device enters digital hold.
Referring to the logical diagram in "Appendix D—Alarm Structure" on page 144, lack of clock availability is defined
by following the boolean equation for the Si5324, Si5326, and Si5374:
(LOS1_INT OR FOS1_INT) AND (LOS2_INT OR FOS2_INT) = enter digital hold
The equivalent Boolean equation for the Si5327 is as follows:
LOS1 and LOS2 = enter digital hold
The equivalent boolean equation for the Si5367, Si5368, and Si5369 is as follows:
(LOS1_INT OR FOS1_INT) AND (LOS2_INT OR FOS2_INT) AND
(LOS3_INT OR FOS3_INT) AND (LOS4_INT OR FOS4_INT) = enter digital hold
7.6.1.1. Digital Hold Detailed Description (Si5324, Si5326, Si5327, Si5368, Si5369, Si5374)
In this mode, the device provides a stable output frequency until the input clock returns and is validated. Upon
entering digital hold, the internal DCO is initially held to its last frequency value, M (See Figure 30). Next, the DCO
slowly transitions to a historical average frequency value supplied to the DSPLL, MHIST, as shown in Figure 30.
Values of M starting from time t = –(HIST_DEL + HIST_AVG) and ending at t = –HIST_DEL are averaged to
compute MHIST. This historical average frequency value is taken from an internal memory location that keeps a
record of previous M values supplied to the DCO. By using a historical average frequency, input clock phase and
frequency transients that may occur immediately preceding digital hold do not affect the digital hold frequency.
Also, noise related to input clock jitter or internal PLL jitter is minimized.
Figure 30. Parameters in History Value of M
The history delay can be set via the HIST_DEL[4:0] register bits as shown in Table 42 and the history averaging
time can be set via the HIST_AVG[4:0] register bits as shown in Table 43. The DIGHOLDVALID register can be
used to determine if the information in HIST_AVG is valid and the device can enter SONET/SDH compliant digital
hold. If DIGHOLDVALID is not active, the part will enter VCO freeze instead of digital hold.
Time
Digital Hold
@
t = 0
MMHIST
t = –HIST_DEL
HIST_AVG

Si53xx-RM
88 Rev. 0.5
If a highly stable reference, such as an oven-controlled crystal oscillator (OCXO) is supplied at XA/XB, an
extremely stable digital hold can be achieved. If a crystal is supplied at the XA/XB port, the digital hold stability will
be limited by the stability of the crystal.
Table 42. Digital Hold History Delay
HIST_DEL[4:0] History Delay Time (ms) HIST_DEL[4:0] History Delay Time (ms)
00000 0.0001 10000 6.55
00001 0.0002 10001 13
00010 0.0004 10010 (default) 26
00011 0.0008 10011 52
00100 0.0016 10100 105
00101 0.0032 10101 210
00110 0.0064 10110 419
00111 0.01 10111 839
01000 0.03 11000 1678
01001 0.05 11001 3355
01010 0.10 11010 6711
01011 0.20 11011 13422
01100 0.41 11100 26844
01101 0.82 11101 53687
01110 1.64 11110 107374
01111 3.28 11111 214748
Table 43. Digital Hold History Averaging Time
HIST_AVG[4:0] History Averaging Time (ms) HIST_AVG[4:0] History Averaging Time (ms)
00000 0.0000 10000 26
00001 0.0004 10001 52
00010 0.001 10010 105
00011 0.003 10011 210
00100 0.006 10100 419
00101 0.012 10101 839
00110 0.03 10110 1678
00111 0.05 10111 3355
01000 0.10 11000 (default) 6711
01001 0.20 11001 13422
01010 0.41 11010 26844
01011 0.82 11011 53687
01100 1.64 11100 107374
01101 3.28 11101 214748
01110 6.55 11110 429497
01111 13 11111 858993

Si53xx-RM
Rev. 0.5 89
7.6.2. History Settings for Low Bandwidth Devices (Si5324, Si5327, Si5369, Si5374)
Because of the extraordinarily low loop bandwidth of the Si5324, Si5369 and Si5374, it is recommended that the
values for both history registers be increased for longer histories.
7.6.3. Recovery from Digital Hold (Si5319, Si5324, Si5326, Si5327, Si5368, Si5369, Si5374)
When the input clock signal returns, the device transitions from digital hold to the selected input clock. The device
performs hitless recovery from digital hold. The clock transition from digital hold to the returned input clock includes
“phase buildout” to absorb the phase difference between the digital hold clock phase and the input clock phase.
7.6.4. VCO Freeze (Si5319, Si5325, Si5367, Si5375)
If an LOS or FOS condition exists on the selected input clock, the device enters VCO freeze. In this mode, the
device provides a stable output frequency until the input clock returns and is validated. When the device enters
digital hold, the internal oscillator is initially held to the frequency value at roughly one second prior to the leading
edge of the alarm condition. VCO freeze is not compliant with SONET/SDH MTIE requirements; applications
requiring SONET/SDH MTIE requirements should use the Si5324, Si5326, Si5368, Si5369 or Si5374. Unlike the
Si5325 and Si5367, the Si5319’s VCO freeze is controlled by the XA/XB reference (which is typically a crystal)
resulting in greater stability. For the Si5319, Si5327, and Si5375, VCO freeze is similar to the Digital Hold function
of the Si5326, Si5368, and Si5369 except that the HIST_AVG and HIST_DEL registers do not exist.
7.6.5. Digital Hold versus VCO Freeze
Figure 31 below is an illustration of the difference in behavior between Digital Hold and VCO Freeze.
Figure 31. Digital Hold vs. VCO Freeze Example
Normal operation
Input clock drifts
f0
freq
LOS alarm occurs,
Start Digital hold
Digital Hold
VCO freeze
HIST_AVG HIST_DEL
Clock input
cable is pulled
time
~1 sec

Si53xx-RM
90 Rev. 0.5
7.7. Output Phase Adjust (Si5326, Si5368)
The device has a highly accurate, digitally controlled device skew capability. For more information on Output Phase
Adjustments, see both DSPLLsim and the respective data sheets. Both can be downloaded by going to
www.silabs.com/timing and clicking on “Documentation” at the bottom of the page.
7.7.1. Coarse Skew Control (Si5326, Si5368)
With the INCDEC_PIN register bit set to 0 (pin control off), overall device skew is controlled via the CLAT[7:0]
register bits. This skew control has a resolution of 1/fOSC, approximately 200 ps, and a range from –25.6 to
25.4 ns. Following a powerup or reset (RST pin or RST_REG register bit), the skew will revert to the reset value.
Any further changes made in the skew register will be read and compared to the previously held value. The
difference will be calculated and applied to the clock outputs. All skew changes are made in a glitch-free fashion.
When a phase adjustment is in progress, any new CLAT[7:0] values are ignored until the update is complete. The
CLATPROG register bit is set to 1 during a coarse skew adjustment. The time for an adjustment to complete is
dependent on bandwidth and the delta value in CLAT. To verify a written value into CLAT, the CLAT register should
be read after the register is written. The time that it takes for the effects of a CLAT change to complete is
proportional to the size of the change, at 83 msec for every unit change, assuming the lowest available loop
bandwidth was selected. For example, if CLAT is zero and has the value 100 written to it, the changes will
complete in
100 x 83 msec = 8.3 sec.
If it is necessary to set the high-speed output clock divider N1_HS to divide-by-4 in order to achieve the desired
overall multiplication ratio and output frequency, only phase increments are allowed and negative settings in the
CLAT register or attempts to decrement the phase via writes to the CLAT register will be ignored. Because of this
restriction, when there is a choice between using N1_HS = 4 and another N1_HS value that can produce the
desired multiplication ratio, the other N1_HS value should be selected. This restriction also applies when using the
INC pin.
With the INCDEC_PIN register bit set to 1 (pin control on), the INC and DEC pins function the same as they do for
pin controlled parts. See "6.6. Output Phase Adjust (Si5323, Si5366)" on page 71.
7.7.1.1. Unlimited Coarse Skew Adjustment (Si5326, Si5368)
Using the following procedure, the CLAT register can be used to adjust the device clock output phase to an
arbitrarily large value that is not limited by the size of the CLAT register:
1. Write a phase adjustment value to the CLAT register (Register 16). The DSPLLsim configuration software
provides the size of a single step.
2. Wait until CLATPROGRESS = 0 (register 130, bit 7), which indicates that the adjustment is complete (Maximum
time for adjustment: 20 seconds for the Si5326 or Si5368).
3. Set INCDEC_PIN = 1 (Register 21, bit 7).
4. Write 0 to CLAT register (Register 16).
5. Wait until CLATPROGRESS =0.
6. Set INCDEC_PIN =0.
7. Repeat the above process as many times as desired.
Steps 3-6 will clear the CLAT register without changing the output phase. This allows for unlimited output clock
phase adjustment using the CLAT register and repeating steps 1–3 as many times as needed.
Note: The INC and DEC pins must stay low during this process.
7.7.2. Fine Skew Control (Si5326, Si5368)
An additional fine adjustment of the overall device skew can be used in conjunction with the INC and DEC pins or
the CLAT[7:0] register bits to provide finer resolution output phase adjustments. Fine phase adjustment is available
using the FLAT[14:0] bits. The nominal range and resolution of the FLAT[14:0] skew adjustment word are:
Range FLAT = ±110 ps
Resolution FLAT = 9 ps

Si53xx-RM
Rev. 0.5 91
Before writing a new FLAT[14:0] value, the FLAT_VALID bit must be set to 0 to hold the existing FLAT[14:0] value
while the new value is being written. Once the new value is written, set FLAT_VALID = 1 to enable its use.
To verify a written value into FLAT, the FLAT register should be read after the register is written.
Because the FLAT resolution varies with the frequency plan and selected bandwidth, DSPLLsim reports the FLAT
resolution each time it creates a new frequency plan.
7.7.2.1. Output Phase Adjust (Si5324, Si5327, Si5369, Si5374)
Because of its very low loop bandwidth, the output phase of the Si5324, Si5327, Si5369, and Si5374 are not
adjustable. This means that the Si5324, Si5327, Si5369, and Si5374 do not have any INC or DEC pins and that
they do not have CLAT or FLAT registers.
7.7.3. Independent Skew (Si5324, Si5326, Si5368, Si5369, Si5374)
The phase of each clock output may be adjusted in relation to the phase of the other clock outputs, respectively.
This feature is available when CK_CONFIG_REG = 0. The resolution of the phase adjustment is equal to [NI HS/
FVCO]. Since FVCO is approximately 5 GHz and N1_HS = (4, 5, 6, …, 11), the resolution varies from approximately
800 ps to 2.2 ns depending on the PLL divider settings. Silicon Laboratories' PC-based configuration software
(DSPLLsim) provides PLL divider settings for each frequency translation, if applicable. If more than one set of PLL
divider settings is available, selecting the combination with the lowest N1_HS value provides the finest resolution
for output clock phase offset control. The INDEPENDENTSKEWn[7:0] (n = 1 to 5) register bits control the phase of
the device output clocks. By programming a different phase offset for each output clock, output-to-output delays
can easily be set.
7.7.4. Output-to-output Skew (Si5324, Si5326, Si5327, Si5368, Si5369, Si5374)
The output-to-output skew is guaranteed to be preserved only if the following two register bits are both high:
Register Bit: Location
CKOUT_ALWAYS_ON addr 0, bit 5
SQICAL addr 3, bit 4
In addition, if SFOUT is changed, the output-to-output skew may be disturbed until after a successful ICAL.
Note: CKOUT5 phase is random unless it is used for Frame Sync (See section 7.8).
7.7.5. Input-to-Output Skew (All Devices)
The input-to-output skew for these devices is not controlled.
7.8. Frame Synchronization Realignment (Si5368 and CK_CONFIG_REG =1)
Frame Synchronization Realignment is selected by setting CK_CONFIG_REG = 1. In a typical frame
synchronization application, CKIN1 and CKIN2 are high-speed input clocks from primary and secondary clock
generation cards and CKIN3 and CKIN4 are their associated primary and secondary frame synchronization
signals. The device generates four output clocks and a frame sync output FS_OUT. CKIN3 and CKIN4 control the
phase of FS_OUT. When CK_CONFIG_REG = 1, the Si5368 can lock onto only CKIN1 or CKIN2. CKIN3 and
CKIN4 are used only for purposes of frame synchronization.
The inputs supplied to CKIN3 and CKIN4 can range from 2 to 512 kHz. So that two different frame sync input
frequencies can be accommodated, CKIN3 and CKIN4 each have their own input dividers, as shown in Figure 32.
The CKIN3 and CKIN4 frequencies are set by the CKIN3RATE[2:0] and CKIN4RATE[2:0] register bits, as shown in
Table 44. The frequency of FS_OUT can range from 2 kHz to 710 MHz and is set using the NC5_LS divider
setting. FS_OUT must divide evenly into CKOUT2. For example, if CKOUT2 is 156.25 MHz, then 8 kHz would not
be an acceptable frame rate because 156.25 MHz/8 kHz = 19,531.25, which is not an integer. However, 2 kHz
would be an acceptable frame rate because 156.25 MHz/2 kHz = 78,125.

Si53xx-RM
92 Rev. 0.5
Figure 32. Frame Sync Frequencies
Table 44. CKIN3/CKIN4 Frequency Selection (CK_CONF = 1)
CKLNnRATE[2:0] CKINn Frequency (kHz) Divisor
000 2–4 1
001 4–8 2
010 8–16 4
011 16–32 8
100 32–64 16
101 64–128 32
110 128–256 64
111 256–512 128
CKIN3
CKIN4
CLKIN3RATE
Clock select
DCO,
4.85 GHz
to 5.67 GHz CKOUT2
N1_HS NC2_LS
NC5_LS FS_OUT
CLKIN4RATE
to align
Typically the same frequency
CKIN3
CKIN4
CLKIN3RATE
Clock select
DCO,
4.85 GHz
to 5.67 GHz N1_HS NC2_LS
NC5_LS
CLKIN4RATE
to align
Typically the same frequency

Si53xx-RM
Rev. 0.5 93
The NC5_LS divider uses CKOUT2 as its clock input to derive FS_OUT. The limits for the NC5_LS divider are
NC5_LS = [1, 2, 4, 6, …, 219]
fCKOUT2 < 710 MHz
Note that when in frame synchronization realignment mode, writes to NC5_LS are controlled by FPW_VALID. See
section “7.8.4. FS_OUT Polarity and Pulse Width Control (Si5368)”.
Common NC5_LS divider settings on FS_OUT are shown in Table 45.
7.8.1. FSYNC Realignment (Si5368)
The FSYNC_ALIGN_PIN bit determines if the realignment will be pin-controlled via the FS_ALIGN pin or register-
controlled via the FSYNC_ALIGN_REG register bit. The active CKIN3 or CKIN4 edge to be used is controlled via
the FSYNC_POL register bit.
In either FSYNC alignment control mode, the resolution of the phase realignment is 1 clock cycle of CKOUT2. If
the realignment control is not active, the NC5 divider will continuously divide down its fCKOUT2 input. This
guarantees a fixed number of high-frequency clock (CKOUT2) cycles between each FS_OUT cycle.
At power-up, the device automatically performs a realignment of FS_OUT using the currently active sync input.
After this, as long as the PLL remains in lock and a realignment is not requested, FS_OUT will include a fixed
number of high-speed clock cycles, even if input clock switches are performed. If many clock switches are
performed in phase build-out mode, it is possible that the input sync to output sync phase relationship will shift due
to the accumulated residual phase transients of the phase build-out circuitry. The ALIGN_ERR[8:0] status register
reports the deviation of the input-to-output sync phase skew from the desired FSYNC_SKEW[16:0] value in units of
fCKOUT2 periods. A programmable threshold to trigger the ALIGN_INT alarm can be set via the ALIGN_THR[2:0]
bits, whose settings are given in Table 46. If the sync alignment error exceeds the threshold in either the positive or
negative direction, the alarm becomes active. If it is then desired to reestablish the desired input-to-output sync
phase relationship, a realignment can be performed. A realignment request may cause FS_OUT to
instantaneously shift its output edge location in order to align with the active input sync phase.
Table 45. Common NC5 Divider Settings
CKOUT2 Frequency (MHz) NC5 Divider Setting
2 kHz FS_OUT 8 kHz FS_OUT
19.44 9720 2430
77.76 38880 9720
155.52 77760 19440
622.08 311040 77760
Table 46. Alignment Alarm Trigger Threshold
ALIGN_THR [2:0] Alarm Trigger Threshold (Units of TCKOUT2)
000 4
001 8
010 16
011 32
100 48
101 64
110 96
111 128

Si53xx-RM
94 Rev. 0.5
For cases where phase skew is required, see Section “7.7. Output Phase Adjust (Si5326, Si5368)” for more details
on controlling the sync input to sync output phase skew via the FSYNC_SKEW[16:0] bits. See Section “8.2. Output
Clock Drivers” for information on the FS_OUT signal format, pulse width, and active logic level control.
7.8.2. FSYNC Skew Control (Si5368)
When CKIN3 and CKIN4 are configured as frame sync inputs (CK_CONFIG_REG = 1), phase skew of the sync
input active edge to FS_OUT active edge is controllable via the FSYNC_SKEW[16:0] register bits. Skew control
has a resolution of 1/fCKOUT2 and a range of 131,071/fCKOUT2. The entered skew value must be less than the
period of CKIN3, CKIN4, and FS_OUT.
The skew should not be changed more than once per FS_OUT period. If a FSYNC realignment is being made, the
skew should not be changed until the realignment is complete. The skew value and the FS_OUT pulse width
should not be changed within the same FS_OUT period.
Before writing the three bytes needed to specify a new FSYNC_SKEW[16:0] value, the user should set the register
bit FSKEW_VALID = 0. This causes the alignment state machine to keep using the previous FSYNC_SKEW[16:0]
value, ignoring the new register values as they are being written. Once the new FSYNC_SKEW[16:0] value has
been completely written, the user should set FSKEW_VALID = 1 at which time the alignment state machine will
read the new skew alignment value. Note that when the new FSYNC_SKEW[16:0] value is used, a phase step will
occur in FS_OUT.
7.8.3. Including FSYNC Inputs in Clock Selection (Si5368)
The frame sync inputs, CKIN3 and CKIN4, are both monitored for loss-of-signal (LOS3_INT and LOS4_INT)
conditions. To include these LOS alarms in the input clock selection algorithm, set FSYNC_SWTCH_REG =1. The
LOS3_INT is logically ORed with LOS1_INT and LOS4_INT is ORed with LOS2_INT as inputs to the clock
selection state machine. If it is desired not to include these alarms in the clock selection algorithm, set
FSYNC_SWTCH_REG = 0. The frequency offset (FOS) alarms for CKIN1 and CKIN2 can also be included in the
state machine decision making as described in Section “7.11. Alarms (Si5319, Si5324, Si5325, Si5326, Si5327,
Si5367, Si5368, Si5369, Si5374, Si5375)”; however, in frame sync mode (CK_CONFIG_REG = 1), the FOS alarms
for CKIN3 and CKIN4 are ignored.
7.8.4. FS_OUT Polarity and Pulse Width Control (Si5368)
Additional output controls are available for FS_OUT. The active polarity of FS_OUT is set via the FS_OUT_POL
register bit and the active duty cycle is set via the FSYNC_PW[9:0] register. Pulse width settings have a resolution
of 1/fCKOUT2, and a 50% duty cycle setting is provided. Pulse width settings can range from 1 to (NC5-1) CKOUT2
periods, providing the full range of pulse width possibilities for a given NC5 divider setting.
The FS_OUT pulse should not be changed more than once per FS_OUT period. If a FSYNC realignment is being
made, the pulse width should not be changed until the realignment is complete. The FS_OUT pulse width and the
skew value should not be changed within the same FS_OUT period.
Before writing a new value into FSYNC_PW[9:0], the user should set the register bit FPW_VALID = 0. This causes
the FS_OUT pulse width state machine to keep using the previous FSYNC_PW[9:0] value, ignoring the new
register values as they are being written. Once the new FSYNC_PW[9:0] value has been completely written, the
user should set FPW_VALID = 1, at which time the FS_OUT pulse width state machine will read the new pulse
width value.
Writes to NC5_LS should be treated the same as writes to FSYNC_PW. Thus, all writes to NC5_LS should occur
only when FPW_VALID = 0. Any such writes will not take effect until FPW_VALID = 1.
Note that fCKOUT2 must be less than or equal to 710 MHz when CK_CONFIG_REG = 1; otherwise, the FS_OUT
buffer and NC5 divider must be disabled.
7.8.5. Using FS_OUT as a Fifth Output Clock (Si5368)
In applications where the frame synchronization functionality is not needed (CK_CONFIG_REG = 0), FS_OUT can
be used as a fifth clock output. In this case, no realignment requests should be made to the NC5 divider (hold
FS_ALIGN = 0 and FSYNC_ALIGN_REG = 0). Output pulse width and polarity controls for FS_OUT are still
available as described above. The 50% duty cycle setting would be used to generate a typical balanced output
clock.

Si53xx-RM
Rev. 0.5 95
7.9. Output Clock Drivers (Si5319, Si5324, Si5325, Si5326, Si5327, Si5367, Si5368,
Si5369, Si5374, Si5375)
The device includes a flexible output driver structure that can drive a variety of loads, including LVPECL, LVDS,
CML, and CMOS formats. The signal format of each output is individually configurable through the
SFOUTn_REG[2:0] register bits, which modify the output common mode and differential signal swing.
Table 47 shows the signal formats based on the supply voltage and the type of load being driven. For the CMOS
setting, both output pins drive single-ended in-phase signals and should be externally shorted together to obtain
the maximum drive strength.
The SFOUTn_REG[2:0] register bits can also be used to disable the outputs. Disabling the outputs puts the
CKOUT+ and CKOUT– pins in a high-impedance state relative to VDD (common mode tri-state) while the two
outputs remain connected to each other through a 200 on-chip resistance (differential impedance of 200 ). The
clock output buffers and DSPLL output dividers NCn are powered down in disable mode.
The additional functions of “Hold Logic 1” and “Hold Logic 0”, which create static logic levels at the outputs, are
available. For differential output buffer formats, the Hold Logic 1 state causes the positive output of the differential
signal to remain at its high logic level while the negative output remains at the low logic level. For CMOS output
buffer format, both outputs remain high during the Hold Logic 1 state. These functions are controlled by the
HLOG_n bits. When entering or exiting the “Hold Logic 1” or “Hold Logic 0” states, no glitches or runt pulses are
generated on the outputs. Changes to SFOUT or HLOG will change the output phase. An ICAL is required to re-
establish the output phase. When SFOUT = 010 for CMOS, bypass mode is not supported.
7.9.1. Disabling CKOUTn
Disabling CKOUTn output powers down the output buffer and output divider. Individual disable controls are
available for each output using the DSBLn_REG.
7.9.2. LVPECL TQFP Output Signal Format Restrictions at 3.3 V (Si5367, Si5368, Si5369)
The LVPECL and CMOS output formats draw more current than either LVDS or CML; therefore, there are
restrictions in the allowed output format pin settings that limit the maximum power dissipation for the TQFP devices
when they are operated at 3.3 V. When Vdd = 3.3 V and there are four enabled LVPECL or CMOS outputs, the fifth
output must be disabled. When Vdd = 3.3 V and there are five enabled outputs, there can be no more than three
outputs that are either LVPECL or CMOS. All other configurations are valid, including all with Vdd = 2.5 V.
Table 47. Output Signal Format Selection
SFOUTn_REG[2:0] Signal Format
111 LVDS
110 CML
101 LVPECL
011 Low-swing LVDS
010 CMOS
000 Disabled
All Others Reserved

Si53xx-RM
96 Rev. 0.5
7.10. PLL Bypass Mode (Si5319, Si5324, Si5325, Si5326, Si5327, Si5367, Si5368, Si5369,
Si5374, Si5375)
The device supports a PLL bypass mode in which the selected input clock is fed directly to the output buffers,
bypassing the DSPLL. In PLL bypass mode, the input and output clocks will be at the same frequency. PLL bypass
mode is useful in a laboratory environment to measure system performance with and without the jitter attenuation
provided by the DSPLL. The BYPASS_REG bit controls enabling/disabling PLL bypass mode.
Before going into bypass mode, it is recommended that the part enter Digital Hold by setting DHOLD. Internally, the
bypass path is implemented with high-speed differential signaling for low jitter. Note that the CMOS output format
does not support bypass mode.
7.11. Alarms (Si5319, Si5324, Si5325, Si5326, Si5327, Si5367, Si5368, Si5369, Si5374,
Si5375)
Summary alarms are available to indicate the overall status of the input signals and frame alignment (Si5368 only).
Alarm outputs stay high until all the alarm conditions for that alarm output are cleared. The Register VALTIME
controls how long a valid signal is re-applied before an alarm clears. Table 48 shows the available settings. Note
that only for VALTIME[1:0] = 00, hitless switching is not possible.
7.11.1. Loss-of-Signal Alarms (Si5319, Si5324, Si5325, Si5326, Si5327, Si5367, Si5368, Si5369, Si5374,
Si5375)
The device has loss-of-signal circuitry that continuously monitors CKINn for missing pulses. The LOS circuitry
generates an internal LOSn_INT output signal that is processed with other alarms to generate CnB and
ALARMOUT.
An LOS condition on CKIN1 causes the internal LOS1_INT alarm become active. Similarly, an LOS condition on
CKINn causes the LOSn_INT alarm become active. Once a LOSn_INT alarm is asserted on one of the input
clocks, it remains asserted until that input clock is validated over a designated time period. If another error
condition on the same input clock is detected during the validation time then the alarm remains asserted and the
validation time starts over.
7.11.1.1. Narrowband LOS Algorithms (Si5319, Si5324, Si5326, Si5327, Si5368, Si5369, Si5374, Si5375)
There are three options for LOS: LOS, LOS_A, and no LOS, which are selected using the LOSn_EN registers. The
values for the LOSn_EN registers are given in Table 49.
Table 48. Loss-of-Signal Validation Times
VALTIME[1:0] Clock Validation Time
00 2 ms
(hitless switching not available)
01 100 ms
10 200 ms
11 13 s
Table 49. Loss-of-Signal Registers
LOSn_EN[1:0] LOS Selection
00 Disable all LOS monitoring
01 Reserved
10 LOS_A enabled
11 LOS enabled

Si53xx-RM
Rev. 0.5 97
7.11.1.2. Standard LOS (Si5319, Si5324, Si5326, Si5327, Si5368, Si5369, Si5374, Si5375)
To facilitate automatic hitless switching, the LOS trigger time can be significantly reduced by using the default LOS
option (LOSn_EN = 11). The LOS circuitry divides down each input clock to produce a 2 kHz to 2 MHz signal. The
LOS circuitry over samples this divided down input clock using a 40 MHz clock to search for extended periods of
time without input clock transitions. If the LOS monitor detects twice the normal number of samples without a clock
edge, an LOS alarm is declared. The LOSn trigger window is based on the value of the input divider N3. The value
of N3 is reported by DSPLLsim.
The range over which LOS is guaranteed to not produce false positive assertions is 100 ppm. For example, if a
device is locked to an input clock on CKIN1, the frequency of CKIN2 should differ by no more than 100 ppm to
avoid false LOS2 assertions.
The frequency range over which FOS monitoring may occur is from 10 to 710 MHz.
7.11.1.3. LOSA (Si5319, Si5324, Si5326, Si5327, Si5368, Si5369, Si5374, Si5375)
A slower response version of LOS called LOSA is available and should be used under certain conditions. Because
LOSA is slower and less sensitive than LOS, its use should be considered for applications with quasi-periodic
clocks (e.g., gapped clocks with one or more consecutive clock edges removed), when switching between input
clocks with a large difference in frequency and any other application where false positive assertions of LOS may
incorrectly cause the Any-Frequency device to be forced into Digital Hold.
For example, it is recommended that while in Free Run Mode LOSA be used instead of LOS because the two clock
inputs will not be the same exact frequency. This will avoid false LOS assertions when the XA/XB frequency differs
from the other clock inputs by more than 100 ppm. See Section 7.11.1.3 for more information on LOSA.
7.11.1.4. LOS disabled (Si5319, Si5324, Si5326, Si5327, Si5368, Si5369, Si5374, Si5375)
For situations where no form of LOS is desired, LOS can be disabled by writing 00 to LOSn_EN. This mode is
provided to support applications which implement custom LOS algorithms off-chip. If this approach is taken, the
only remaining methods of entering Digital Hold will be FOS or by setting DHOLD (register 3, bit 5).
7.11.1.5. Wideband LOS Algorithm (Si5322, Si5365)
Each input clock is divided down to produce a 78 kHz to 1.2 MHz signal before entering the LOS monitoring
circuitry. The same LOS algorithm as described in the above section is then used. FOS is not available in wideband
devices.
7.11.1.6. LOS Alarm Outputs (Si5319, Si5324, Si5325, Si5326, Si5327, Si5367, Si5369, Si5374, Si5375)
When LOS is enabled, an LOS condition on CKIN1 causes LOS1_INT to become active. Similarly, when LOS is
enabled, an LOS condition on CKIN2 causes LOS2_INT to become active. Once a LOSn_INT alarm is asserted on
one of the input clocks, it remains asserted until the input clock is validated over a designated time period. If
another error condition on the same input clock is detected during the validation time then the alarm remains
asserted and the validation time starts over.
7.11.2. FOS Algorithm (Si5324, Si5325, Si5326, Si5368, Si5369, Si5374)
The frequency offset (FOS) alarms indicate if the input clocks are within a specified frequency range relative to the
frequency of a reference clock. The reference clock can be provided by any of the four input clocks (two for Si5324,
Si5325 or Si5326) or the XA/XB input. The default FOS reference is CKIN2. The frequency monitoring circuitry
compares the frequency of the input clock(s) with the FOS reference clock If the frequency offset of an input clock
exceeds a selected frequency offset threshold, an FOS alarm (FOS_INT register bit) is declared for that clock
input. Be aware that large amounts of wander can cause false FOS alarms.
Note: For the Si5368, If CK_CONFIG_REG = 1, only CKIN1 and CKIN2 are monitored; CKIN3 and CKIN4 are used for
FSYNC and are not monitored.
The frequency offset threshold is selectable using the FOS_THR[1:0] bits. Settings are available for compatibility
with SONET Minimum Clock (SCMD) or Stratum 3/3E requirements. See Table 8 on page 40. The device supports
FOS hystereses per GR-1244-CORE, making the device less susceptible to FOS alarm chattering. A reference
clock with suitable accuracy and drift specifications to support the intended application should be used. The FOS
reference clock is set via the FOSREFSEL[2:0] bits as shown in Table 50. More than one input can be monitored
against the FOS reference, i.e., there can be more than one monitored clock, but only one FOS reference. When
the XA/XB input is used as the FOS reference, there is only one reference frequency band that is allowed: from
37 MHz to 41 MHz.

Si53xx-RM
98 Rev. 0.5
Both the FOS reference and the FOS monitored clock must be divided down to the same clock rate and this clock
rate must be between 10 MHz and 27 MHz. As can be seen in Figure 33, the values for P and Q must be selected
so that the FOS comparison occurs at the same frequency. The registers that contain the values for P and Q are
the CKINnRATE[2:0] registers.
Figure 33. FOS Compare
The frequency band of each input clock must be specified to use the FOS feature. The CLKNRATE registers
specify the frequency of the device input clocks as shown in Table 51.
When the FOS reference is the XA/XB oscillator (either internal or external), the value of Q in Figure 33 is always
2, for an effective CLKINnRATE of 1, as shown in Table 51.
For example, to monitor a 544 MHz clock at CKIN1 with a FOS reference of 34 MHz at CKIN2:
CLK1RATE = 5
CLK2RATE = 1
FOSREFSEL[2:0] = 010
Table 50. FOS Reference Clock Selection
FOS Reference
FOSREFSEL[2:0] Si5326 Si5368
000 XA/XB XA/XB
001 CKIN1 CKIN1
010 CKIN2 (default) CKIN2 (default)
011 Reserved CKIN3
100 Reserved CKIN4
all others Reserved Reserved
Table 51. CLKnRATE Registers
CLKnRATE Divisor, P or Q Min Frequency, MHz Max Frequency, MHz
0 1 10 27
1 2 25 54
2 4 50 105
3 8 95 215
416190435
532375710
CKIN
FOS_REF
P
Q
FOS
Compare
10 MHz min,
27 MHz max

Si53xx-RM
Rev. 0.5 99
7.11.3. C1B, C2B (Si5319, Si5324, Si5325, Si5326, Si5327, Si5374, Si5375)
A LOS condition causes the associated LOS1_INT or LOS2_INT read only register bit to be set. A LOS condition
on CKIN_1 will also be reflected onto C1B if CK1_BAD_PIN = 1. Likewise, a LOS condition on CKIN_2 will also be
reflected onto C2B if CK2_BAD_PIN =1.
A FOS condition causes the associated FOS1_INT or FOS2_INT read only register bit to be set. FOS monitoring is
enabled or disabled using the FOS_EN bit. If FOS is enabled (FOS_EN = 1) and CK1_BAD_PIN = 1, a FOS
condition will also be reflected onto its associated output pin, C1B or C2B. If FOS is disabled (FOS_EN =0), the
FOS1_INT and FOS2_INT register bits do not affect the C1B and C2B alarm outputs, respectively.
Once an LOS or FOS alarm is asserted on one of the input clocks, it is held high until the input clock is validated
over a designated time period. The validation time is programmable via the VALTIME[1:0] register bits as shown in
Table 48 on page 96. If another error condition on the same input clock is detected during the validation time then
the alarm remains asserted and the validation time starts over.
[Si5326]: Note that hitless switching between input clocks applies only when the input clock validation time
VALTIME[1:0] = 01 or higher.
7.11.4. LOS (Si5319, Si5375)
A LOS condition causes the LOS_INT read only register bit to be set. This LOS condition will also be reflected onto
the INT_CB pin.
7.11.5. C1B, C2B, C3B, ALRMOUT (Si5367, Si5368, Si5369 [CK_CONFIG_REG = 0])
The generation of alarms on the C1B, C2B, C3B, and ALRMOUT outputs is a function of the input clock
configuration, and the frequency offset alarm enable as shown in Table 52. The LOSn_INT and FOSn_INT signals
are the raw outputs of the alarm monitors. These appear directly in the device status registers. Sticky versions of
these bits (LOSn_FLG, FOSn_FLG) drive the output interrupt and can be individually masked. When the device
inputs are configured as four input clocks (CK_CONFIG = 0), the ALRMOUT pin reflects the status of the CKIN4
input. The equations below assume that the output alarm is active high; however, the active polarity is selectable
via the CK_BAD_POL bit.
Operation of the C1B, C2B, C3B, and ALRMOUT pins is enabled based on setting the C1B_PIN, C2B_PIN,
C3B_PIN, and ALRMOUT_PIN register bits. Otherwise, the pin will tri-state. Also, if INT_PIN = 1, the interrupt
functionality will override the appearance of ALRMOUT at the output even if ALRMOUT_PIN =1.
Once an LOS or FOS alarm is asserted for one of the input clocks, it is held high until the input clock is validated
over a designated time period. The validation time is programmable via the VALTIME[1:0] register bits as shown in
Table 48 on page 96. If another error condition on the same input clock is detected during the validation time then
the alarm remains asserted and the validation time starts over.
Note that hitless switching between input clocks applies only when the input clock validation time
VALTIME[1:0] = 01 or higher.
For details, see "Appendix D—Alarm Structure" on page 144.
Table 52. Alarm Output Logic Equations (Si5367, Si5368, and Si5369 [CONFIG_REG = 0])
FOS_EN Alarm Output Equations
0
(Disables FOS) C1B = LOS1_INT
C2B = LOS2_INT
C3B = LOS3_INT
ALRMOUT = LOS4_INT
1C1B = LOS1_INT or FOS1_INT
C2B = LOS2_INT or FOS2_INT
C3B = LOS3_INT or FOS3_INT
ALRMOUT = LOS4_INT or FOS4_INT

Si53xx-RM
100 Rev. 0.5
7.11.6. C1B, C2B, C3B, ALRMOUT (Si5368 [CK_CONFIG_REG = 1])
The generation of alarms on the C1B, C2B, C3B, and ALRMOUT outputs is a function of the input clock
configuration, and the frequency offset alarm enable as shown in Table 53. The LOSn_INT and FOSn_INT signals
are the raw outputs of the alarm monitors. These appear directly in the device status registers. Sticky versions of
these bits (LOSn_FLG, FOSn_FLG) drive the output interrupt and can be individually masked. Since, CKIN3 and
CKIN4 are configured as frame sync inputs (CK_CONFIG_REG = 1), ALRMOUT functions as the alignment alarm
output (ALIGN_INT) as described in Section “7.8. Frame Synchronization Realignment (Si5368 and
CK_CONFIG_REG = 1)”. The equations below assume that the output alarm is active high; however, the active
polarity is selectable via the CK_BAD_POL bit.
Operation of the C1B, C2B, C3B, and ALRMOUT pins is enabled based on setting the C1B_PIN, C2B_PIN,
C3B_PIN, and ALRMOUT_PIN register bits. Otherwise, the pin will tri-state. Also, if INT_PIN = 1, the interrupt
functionality will override the appearance of ALRMOUT at the output even if ALRMOUT_PIN =1.
Once an LOS or FOS alarm is asserted for one of the input clocks, it is held high until the input clock is validated
over a designated time period. The validation time is programmable via the VALTIME[1:0] register bits as shown in
Table 8, “AC Characteristics—All Devices”. If another error condition on the same input clock is detected during the
validation time then the alarm remains asserted and the validation time starts over.
Note that hitless switching between input clocks applies only when the input clock validation time
VALTIME[1:0] = 01 or higher.
7.11.7. LOS Algorithm for Reference Clock Input (Si5319, Si5324, Si5326, Si5327, Si5368, Si5369, Si5374,
Si5375)
The reference clock input on the XA/XB port is monitored for LOS. The LOS circuitry divides the signal at XA/XB by
128, producing a 78 kHz to 1.2 MHz signal, and monitors the signal for LOS using the same algorithm as described
in Section “7.11.1. Loss-of-Signal Alarms (Si5319, Si5324, Si5325, Si5326, Si5327, Si5367, Si5368, Si5369,
Si5374, Si5375)”. The LOSX_INT read only bit reflects the state of a loss-of-signal monitor on the XA/XB port. For
the Si5374 and Si5375, the XA/XB port refers to the OSC_P and OSC_N pins.
7.11.8. LOL (Si5319, Si5324, Si5326, Si5327, Si5368, Si5369, Si5374, Si5375)
The device has a PLL lock detection algorithm that indicates the lock status on the LOL output pin and the
LOL_INT read-only register bit. The algorithm works by continuously monitoring the phase of the input clock in
relation to the phase of the feedback clock. A retriggerable one-shot is set each time a potential phase cycle slip
condition is detected. If no potential phase cycle slip occurs for the retrigger time, the LOL output is set low,
indicating the PLL is in lock. The LOL pin is held in the active state during an internal PLL calibration. The active
polarity of the LOL output pin is set using the LOL_POL register bit (default active high).
The lock detect retrigger time is user-selectable, independent of the loop bandwidth. The LOCKT[2:0] register bits
must be set by the user to the desired setting. Table 54 shows the lock detect retrigger time for both modes of
operation. LOCKT is the minimum amount of time that LOL will be active.
Table 53. Alarm Output Logic Equations [Si5368 and CKCONFIG_REG =1]
FOS_EN Alarm Output Equations
0
(Disables FOS) C1B = LOS1_INT or (LOS3_INT and FSYNC_SWTCH_REG)
C2B = LOS2_INT or (LOS4_INT and FSYNC_SWTCH_REG)
C3B tri-state,
ALRMOUT = ALIGN_INT
1C1B = LOS1_INT or (LOS3_INT and FSYNC_SWTCH_REG) or
FOS1_INT
C2B = LOS2_INT or (LOS4_INT and FSYNC_SWTCH_REG) or
FOS2_INT
C3B tri-state,
ALRMOUT = ALIGN_INT

Si53xx-RM
Rev. 0.5 101
7.11.9. Device Interrupts
Alarms on internal real-time status bits such as LOS1_INT, FOS1_INT, etc. cause their associated interrupt flags
(LOS1_FLG, FOS1_FLG, etc.) to be set and held. The interrupt flag bits can be individually masked or unmasked
with respect to the output interrupt pin. Once an interrupt flag bit is set, it will remain high until the register location
is written with a “0” to clear the flag.
7.12. Device Reset
Upon powerup or asserting Reset via the RST pin or software, the device internally executes a power-on-reset
(POR) which resets the internal device logic and tristates the device outputs. The device waits for configuration
commands and the receipt of the ICAL = 1 command to start its calibration. Any changes to the CMODE pin
require that RST be toggled to reset the part. The power-up default register values are given in the data sheets for
these parts.
Table 54. Lock Detect Retrigger Time (LOCKT)
LOCKT[2:0] Retrigger Time (ms)
000 106
001 53
010 26.5
011 13.3
100 6.6 (value after reset)
101 3.3
110 1.66
111 .833

Si53xx-RM
102 Rev. 0.5
7.13. I2C Serial Microprocessor Interface
When configured in I2C control mode (CMODE = L), the control interface to the device is a 2-wire bus for
bidirectional communication. The bus consists of a bidirectional serial data line (SDA) and a serial clock input
(SCL). Both lines must be connected to the positive supply via an external pull-up. In addition, an output interrupt
(INT) is provided with selectable active polarity (determined by INT_POL bit). Fast mode operation is supported for
transfer rates up to 400 kbps as specified in the I2C-Bus Specification standard. To provide bus address flexibility,
three pins (A[2:0]) are available to customize the LSBs of the device address. The complete bus address for the
device is as follows:
1 1 0 1 A[2] A[1] A[0] R/W.
Figure 34 shows the command format for both read and write access. Data is always sent MSB first. The timing
specifications and timing diagram for the I2C bus can be found in the I2C-Bus Specification standard (fast mode
operation) (See: http://www.standardics.nxp.com/literature/books/i2c/pdf/i2c.bus.specification.pdf).
The maximum I2C clock speed is 400 kHz.
Figure 34. I2C Command Format
In Figure 35, the value 68 is seven bits. The sequence of the example is: Write register 00 with the value 0xAA;
then, read register 00. Note that 0 = Write = W, and 1 = Read = R.
Figure 35. I2C Example
AData AData PA1Slave AddressSA
Byte
Address
A0Slave AddressSAData AData P1Slave AddressSA
Byte
Address
A0Slave AddressS
From master to slave
From slave to master
A – Acknowledge (SDA LOW)
S
– START condition
P– STOP condition
Write Command
Read Command
–address auto incremented after each data read or write
(this can be two separate transactions)
PADataADataA
Byte
Address
A0Slave AddressS PADataADataA
Byte
Address
A0Slave AddressS
AData1Slave AddressSA
Byte Address
A0Slave AddressSData0
Write Command
Read Command
ADataAByte AddressA0Slave AddressS
68 W00 68 RAA
68 W00 AA

Si53xx-RM
Rev. 0.5 103
7.14. Serial Microprocessor Interface (SPI)
When configured in SPI control mode (CMODE = H), the control interface to the device is a 4-wire interface
modeled after commonly available microcontroller and serial peripheral devices. The interface consists of a clock
input (SCLK), slave select input (SSb), serial data input (SDI), and serial data output (SDO). In addition, an output
interrupt (INT) is provided with selectable active polarity (determined by INT_POL bit).
Data is transferred a byte at a time with each register access consisting of a pair of byte transfers. Figure 36 and
Figure 37 illustrate read and write/set address operations on the SPI bus, and AC SPEC gives the timing
requirements for the interface. Table 55 shows the SPI command format.
The first byte of the pair is the instruction byte. The “Set Address” command writes the 8 bit address value that will
be used for the subsequent read or write. The “Write” command writes data into the device based on the address
previously established and the “Write/Address Increment” command writes data into the device and then
automatically increments the register address for use on the subsequent command. The “Read” command reads
one byte of data from the device and the “Read/Address Increment” reads one byte and increments the register
address automatically. The second byte of the pair is the address or data byte.
As shown in Figure 36 and Figure 37, SSb should be held low during the entire two byte transfer. Raising SSb
resets the internal state machine; so, SSb can optionally be raised between each two byte transfers to guarantee
the state machine will be reinitialized. During a read operation, the SDO becomes active on the falling edge of
SCLK and the 8-bit contents of the register are driven out MSB first. The SDO is high impedance on the rising edge
of SS. SDI is a “don’t care” during the data portion of read operations. During write operations, data is driven into
the device via the SDI pin MSB first. The SDO pin will remain high impedance during write operations. Data always
transitions with the falling edge of the clock and is latched on the rising edge. The clock should return to a logic
high when no transfer is in progress.
The SPI port supports continuous clocking operation where SSb is used to gate two or four byte transfers. The
maximum speed supported by SPI is 10 MHz.
Table 55. SPI Command Format
Instruction(BYTE0) Address/Data[7:0](BYTE1)
00000000—Set Address AAAAAAAA
01000000—Write DDDDDDDD
01100000—Write/Address Increment DDDDDDDD
10000000—Read DDDDDDDD
10100000—Read/Address Increment DDDDDDDD

Si53xx-RM
104 Rev. 0.5
Figure 36. SPI Write/Set Address Command
Figure 37. SPI Read Command
7.14.1. Default Device Configuration
For ease of manufacture and bench testing of the device, the default register settings have been chosen to place
the device in a fully-functional mode with an easily-observable output clock. Refer to the data sheet for your device.
7.15. Register Descriptions
See the device data sheet for a full description of the registers.
7.16. DSPLLsim Configuration Software
To simplify frequency planning, loop bandwidth selection, and general device configuration, of the Any-Frequency
Precision Clocks. Silicon Laboratories has a configuration utility - DSPLLsim for the Si5319, Si5325, Si5326,
Si5327, Si5367, Si5368 and Si5369. For the Si5374 and Si5375, there is a different configuration utility -
Si537xDSPLLsim. Both are available to download from www.silabs.com/timing.
SS
SCLK
SDI
SDO
7654321076543210
High Impedance
Instruction Byte Address or Write Data
SS
SCLK
SDI
SDO
7654321
76543210
High Impedance
0
Read Command
Read Data

Si53xx-RM
Rev. 0.5 105
8. High-Speed I/O
8.1. Input Clock Buffers
Any-Frequency Precision Clock devices provide differential inputs for the CKINn clock inputs. These inputs are
internally biased to a common mode voltage and can be driven by either a single-ended or differential source.
Figure 38 through Figure 41 show typical interface circuits for LVPECL, CML, LVDS, or CMOS input clocks. Note
that the jitter generation improves for higher levels on CKINn (within the limits in Table 8, “AC Characteristics—All
Devices”).
AC coupling the input clocks is recommended because it removes any issue with common mode input voltages.
However, either ac or dc coupling is acceptable. Figures 38 and 39 show various examples of different input
termination arrangements.
Unused inputs should have an AC ground connection. For microprocessor-controlled devices, the PD_CKn bits
may be set to shut off unused input buffers to reduce power.
Figure 38. Differential LVPECL Termination
Figure 39. Single-Ended LVPECL Termination
40 k
C
C
±
CKIN _
CKIN+
VICM
300
130
130
3.3 V
82
82
Si53xx
LVPECL
Driver
40 k
40 k
C
C
±
CKIN _
CKIN +
VICM
300
130
3.3 V
82
Si53xx
Driver
40 k

Si53xx-RM
106 Rev. 0.5
Figure 40. CML/LVDS Termination (1.8, 2.5, 3.3 V)
Figure 41. CMOS Termination (1.8, 2.5, 3.3 V)
40 k
C
C
±
CKIN _
CKIN +
VICM
300
100
Si53xx
CML/
LVDS
Driver
40 k
VDD VDD VDD
CMOS Driver
R1
33 ohms
50 R2
See Table
R3
150 ohms
C1
100 nF
R4
150 ohms C2
100 nF
VICM
CKIN+
CKIN–
R5 40 kohm
R6 40 kohm
VDD R2 Notes
3.3 V 100 ohm Locate R1 near CMOS driver
2.5 V 49.9 ohm Locate other components near Si5317
1.8 V 14.7 ohm Recalculate resistor values for other drive strengths
Additional Notes:
1. Attenuation circuit limits overshoot and undershoot.
2. Not to be used with non-square wave input clocks.
Si53xx

Si53xx-RM
Rev. 0.5 107
8.2. Output Clock Drivers
The output clocks can be configured to be compatible with LVPECL, CML, LVDS, or CMOS as shown in Table 56.
Unused outputs can be left unconnected. For microprocessor-controlled devices, it is recommended to write
“disable” to SFOUTn to disable the output buffer and reduce power. When the output mode is CMOS, bypass
mode is not supported.
8.2.1. LVPECL TQFP Output Signal Format Restrictions at 3.3 V (Si5367, Si5368, Si5369)
The LVPECL and CMOS output formats draw more current than either LVDS or CML; however, there are
restrictions in the allowed output format pin settings so that the maximum power dissipation for the TQFP devices
is limited when they are operated at 3.3 V. When Vdd = 3.3 V and there are four enabled LVPECL or CMOS
outputs, the fifth output must be disabled. When Vdd = 3.3 V and there are five enabled outputs, there can be no
more than three outputs that are either LVPECL or CMOS. All other configurations are valid, including those with
Vdd = 2.5 V.
8.2.2. Typical Output Circuits
It is recommended that the outputs be ac coupled to avoid common mode issues. This suggestion does not apply
to the Si5366 and Si5368 when CKOUT5 is configured as FS_OUT (frame sync) because it can a have a duty
cycle significantly different from 50%.
Figure 42. Typical Output Circuit (Differential)
Table 56. Output Driver Configuration
Output Mode SFOUTn Pin Settings
(Si5316, Si5322, Si5323, Si5365)
SFOUTn_REG [2:0] Settings
(Si5319, Si5325, SI5326, Si5327,
Si5367, Si5368, Si5369, Si5374,
Si5375)
LVDS HM 111
CML HL 110
LVPECL MH 101
Low-swing
LVDS ML 011
CMOS LH 010
Disabled LM 000
Reserved All Others All Others
Note: The LVPECL outputs are “LVPECL compatible.” No DC biasing circuitry is required to drive a
standard LVPECL load.
Si53xx
Rcvr
100
Z0 = 50
Z0 = 50

Si53xx-RM
108 Rev. 0.5
Figure 43. Differential Output Example Requiring Attenuation
Figure 44. Typical CMOS Output Circuit (Tie CKOUTn+ and CKOUTn– Together)
Unused output drivers should be powered down, per Table 57, or left floating.
The pin-controlled parts have a DBL2_BY pin that can be used to disable CKOUT2.
Table 57. Disabling Unused Output Driver
Output Driver Si5365, Si5366 Si5325, Si5326, Si5367, Si5368
CKOUT1 and CKOUT2 N/A Use SFOUT_REG to disable individ-
ual CKOUTn.
CKOUT3 and CKOUT4 DBL34
CKOUT5/FS_OUT DBL5/DBL_FS
Si53xx
Rcvr
10
10
80
All resistors are located next to RCVR
Si53xx
CMOS
Logic
CKOUTn
Optionally Tie CKOUTn
Outputs Together for Greater Strength

Si53xx-RM
Rev. 0.5 109
Figure 45. CKOUT Structure
8.2.3. Typical Clock Output Scope Shots
Table 58. Output Format Measurements1,2
Name SFOUT Pin SFOUT Code Single
Vpk–pk
Diff
Vpk–pk
Vocm
ReservedHH————
LVDS HM 7 .35 .7 1.2
CML HLK 6 .25 .5 3.05
LVPECL MH 5 .75 1.5 2.10
Reserved MM 4 — — —
Low Swing LVDS ML 3 .25 .5 1.2
CMOS LH 2 3.3 — 1.65
Disable LM 1 — — —
Reserved LL 0 — — —
Notes:
1. Typical measurements with an Si5326 at VC=3.3V.
2. For all measurements:
Vpk-pk on a single output, double the values for differential.
Vdd=3.3V.
50 ac load to ground.
Output Disable
100 100
+
CKOUT+
CKOUT -

Si53xx-RM
110 Rev. 0.5
8.3. Typical Scope Shots for SFOUT Options
Figure 46. sfout_2, CMOS
Figure 47. sfout_3, lowSwingLVDS

Si53xx-RM
Rev. 0.5 111
Figure 48. sfout_5, LVPECL
Figure 49. sfout_6, CML

Si53xx-RM
112 Rev. 0.5
Figure 50. sfout_7, LVDS

Si53xx-RM
Rev. 0.5 113
8.4. Crystal/Reference Clock Interfaces (Si5316, Si5319, Si5323, Si5324, Si5326, Si5327,
Si5366, Si5368, Si5369, Si5374, and Si5375)
All devices other than the Si5374 and Si5375 can use an external crystal or external clock as a reference. The
Si5374 and Si5375 are limited to an external reference oscillator and cannot use a crystal. If an external clock is
used, it must be ac coupled. With appropriate buffers, the same external reference clock can be applied to CKINn.
Although the reference clock input can be driven single ended (See Figure 51), best performance is with a crystal
or differential LVPECL source. See Figure 55.
If the crystal is located close to a fan, it is recommended that the crystal be covered with some type of thermal cap.
For various crystal vendors and part numbers, see " Appendix A—Narrowband References" on page 119.
1. For SONET applications, the best jitter performance is with a 114.285 MHz third overtone crystal. The
Si5327 crystal is fundamental mode and is limited to values between 37 MHz and 41 MHz.
2. The jitter transfer for the external reference to CKOUT is nearly 1:1 (see " Appendix A—Narrowband
References" on page 119.)
3. In digital hold or VCO freeze mode, the VCO tracks any changes in the external reference clock.
Figure 51. CMOS External Reference Circuit
Figure 52. Sinewave External Clock Circuit
3.3 V
CMOS buffer,
8mA output current
3.3 V
130
150
150
XA 10 k
0.1 F
.6 V
0.1
F
XB
Si53xx
For 1.8 V operation, change 130 to 47.5 .
For 2.5 V operation, change 130 to 82 .
External Clock Source 50
0.01 F
1.2 V
0.6 V
10 pF
Si53xx
10 k
XA
0 dBm into 50
0.01 FXB
0.1 µF

Si53xx-RM
114 Rev. 0.5
Figure 53. Differential External Reference Input Example
(Not for Si5374 or Si5375)
Figure 54. Differential OSC Reference Input Example for Si5374 and Si5375
LVDS, LVPECL, CML, etc.
0.01 F1.2 V
0.6 V
Si53xx
XA
XB 10 k
100
0.01 F10 k
LVDS, LVPECL, CML, etc.
0.01 F1.2 V
0.6 V
Si5374/75
OSC-P
OSC-N
100
0.01 F2.5 k

Si53xx-RM
Rev. 0.5 115
8.5. Three-Level (3L) Input Pins (No External Resistors)
Figure 55. Three Level Input Pins
Parameter Symbol Min Max
Input Voltage Low Vill — .15 x VDD
Input Voltage Mid Vimm .45 x Vdd .55 x VDD
Input Voltage High Vihh .85 x Vdd —
Input Low Current Iill –6 µA —
Input Mid Current Iimm –2 µA 2 µA
Input High Current Iihh — 6 µA
Note: The above currents are the amount of leakage that the 3L inputs can tolerate from an external driver.
External Driver
Si53xx
Iimm 75 k
VDD
75 k

Si53xx-RM
116 Rev. 0.5
8.6. Three-Level (3L) Input Pins (With External Resistors)
Figure 56. Three Level Input Pins
Any resistor pack may be used.
-The Panasonic EXB-D10C183J is an example.
-PCB layout is not critical.
Resistor packs are only needed if the leakage current of the external driver exceeds the listed currents.
If a pin is tied to ground or Vdd, no resistors are needed.
If a pin is left open (no connect), no resistors are needed.
Parameter Symbol Min Max
Input Low Current Iill –30 µA —
Input Mid Current Iimm –11 µA –11 µA
Input High Current Iihh — –30 µA
Note: The above currents are the amount of leakage that the 3L inputs can tolerate from an external
driver.
External Driver
Si53xx
Iimm 18 k
VDD
18 k
75 k
VDD
75 k
One of eight resistors from a Panasonic EXB-D10C183J
(or similar) resistor pack

Si53xx-RM
Rev. 0.5 117
9. Power Supply
These devices incorporate an on-chip voltage regulator to power the device from supply voltages of 1.8, 2.5, or
3.3 V. Internal core circuitry is driven from the output of this regulator while I/O circuitry uses the external supply
voltage directly.
Figure 57 shows a typical power supply bypass network for the TQFP packages. Figure 58 shows a typical power
supply bypass network for QFN.
In both cases, the center ground pad under the device must be electrically and thermally connected to the ground
plane.
Figure 57. Typical Power Supply Bypass Network (TQFP Package)
Figure 58. Typical Power Supply Bypass Network (QFN Package)
TQFP
PKG
VDD GND
C1 – C8
C9
Ferrite
Bead
System
Power
Supply
(1.8, 2.5 or
3.3 V)
0.1 uF
1.0 uF
Ferrite bead is Venkel BC1206-471H
or equivalent.
QFN
PKG
VDD GND
C1 – C3
C4
Ferrite
Bead
0.1 uF
1.0 uF
System
Power
Supply
(1.8, 2.5, or
3.3 V)
Ferrite bead is Venkel BC1206-471H
or equivalent.

Si53xx-RM
118 Rev. 0.5
10. Packages and Ordering Guide
Refer to the respective data sheet for your device packaging and ordering information.

Si53xx-RM
Rev. 0.5 119
APPENDIX A—NARROWBAND REFERENCES
Resonator/External Clock Selection
Table 59 shows the 114.285 MHz third overtone crystals that have been approved for use with the Si53xx jitter
attenuating clocks.
In some applications, a crystal with frequencies other than 114.285 MHz may be used. Contact Silicon Labs for
details and a current list of crystal vendors and approved part numbers.
External reference (and crystal) frequency values should be avoided that result in an output frequency that is an
integer or near integer multiple of the reference frequency. See Appendix B for details.
Because the crystal is used as a jitter reference, rapid changes of the crystal temperature can temporarily disturb
the output phase and frequency. For example, it is recommended that the crystal not be placed close to a fan that
is being turned off and on. If a situation such as this is unavoidable, the crystal should be thermally isolated with an
insulating cover.
Table 59. Approved Crystals
Manufacturer Part Number Web Site Stability Initial
Accuracy
TXC 7MA1400014 http://www.txc.com.tw 100 ppm 100 ppm
Connor Winfield CS-018 http://www.conwin.com 100 ppm 100 ppm
Connor Winfield CS-023 http://www.conwin.com 20 ppm 20 ppm
NDK EXS00A-CS00871 http://www.ndk.com/en/ 100 ppm 100 ppm
NDK EXS00A-CS00997 http://www.ndk.com/en/ 20 ppm 20 ppm
Siward XTL573200NLG-
114.285 MHz-OR http://www.siward.com 20 ppm 20 ppm
Saronix/eCera FLB420001 http://www.pericom.com/saronix
http://www.ecera.tw
100 ppm 100 ppm
Mtron M1253S071 http://www.mtronpti.com 100 ppm 100 ppm
Table 60. XA/XB Reference Sources and Frequencies
RATE[1:0] NB/WB Type Recommended Lower limit Upper limit
HH WB No crystal or external clock — — —
HM NB Reserved — — —
HL NB Reserved — — —
MH NB External clock 114.285 MHz 109 MHz 125.5 MHz
MM NB 3rd overtone crystal 114.285 MHz — —
ML NB Reserved — — —
LH NB Reserved — — —
LM NB External clock 38.88 MHz 37 MHz 41 MHz
LL NB Fundamental mode crystal 40 MHz 37 MHz 41 MHz

Si53xx-RM
120 Rev. 0.5
Fundamental Mode Crystals
For cost sensitive applications that do not have the most demanding jitter requirements, all of the narrow band
devices can use fundamental mode crystals that are in the lowest frequency band ranging from 37 to 41 MHz
(corresponding to RATE = LL). Unlike the other narrowband members of the family, the Si5327 is only capable of
using fundamental mode crystals that are in this range. For a more detailed discussion of the trade-offs associated
with this approach and a list of approved low frequency crystals, please see the application note AN591, which can
be downloaded from www.silabs.com/timing.
Reference Drift
During Digital Hold, long-term and temperature related drift of the reference input result in a one-to-one drift of the
output frequency. That is, the stability of the any-frequency output is identical to the drift of the reference frequency.
This means that for the most demanding applications where the drift of a crystal is not acceptable, an external
temperature compensated or ovenized oscillator will be required. Drift is not an issue unless the device is in Digital
Hold. Also, the initial accuracy of the reference oscillator (or crystal) is not relevant as long as it is within one of the
frequency bands described in Table 60.
Reference Jitter
Jitter on the reference input has a roughly one-to-one transfer function to the output jitter over the band from
100 Hz up to about 30 kHz. If the XA/XB pins implement a crystal oscillator, the reference will have suitably low
jitter if a suitable crystal is used. If the XA/XB pins are connected to an external reference oscillator, the jitter of the
external reference oscillator may also contribute significantly to the output jitter. A typical reference input-to-output
jitter transfer function is shown in Figure 59.
Figure 59. Typical Reference Jitter Transfer Function
38.88MHz XO, 38.88MHz CKIN, 38.88MHz CKOUT
-30
-20
-10
0
10
1 10 100 1000 10000 100000 1000000
Frequency (Hz)
Power (dB)
Jitter Xfer

Si53xx-RM
Rev. 0.5 121
APPENDIX B—FREQUENCY PLANS AND JITTER PERFORMANCE (Si5316, Si5319,
Si5323, SI5324, Si5326, Si5327, Si5366, Si5368, Si5369, Si5374, Si5375)
Introduction
To achieve the best jitter performance from Narrowband Any-Frequency Clock devices, a few general guidelines
should be observed:
High f3 Value
f3 is defined as the comparison frequency at the Phase Detector. It is equal to the input frequency divided by N3.
DSPLLsim automatically picks the frequency plan that has the highest possible f3 value and it reports f3 for every
new frequency plan that it generates. f3 has a range from 2 kHz minimum up to 2 MHz maximum. The two main
causes of a low f3 are a low clock input frequency (which establishes an upper bound on f3) and a PLL multiplier
ratio that is comprised of large and mutually prime nominators and denominators. Specifically, for
CKOUT = CKIN x (P/Q), if P and Q are mutually prime and large in size, then f3 may have a low value. Very low
values of f3 usually result in extra jitter as can be seen in Figure 60.
Figure 60. Jitter vs. f3
For the f3 study, the input, output and DCO frequencies were held constant while the dividers were manipulated by
hand to artificially reduce the value of f3. Two effects can be seen as f3 approaches the 2 kHz lower limit: there are
“spur like” spikes in the mid-band and the noise floor is elevated at the near end. It is also clear that once f3 is
above roughly 50 kHz, there is very little benefit from further increasing f3. Note that the loop bandwidth for this
study was 60 Hz and any noise below 60 Hz is a result of the input clock, not the Any-Frequency Precision Clock.
Phase Noise versus f3, 155.52 MHz in, 622.08 MHz out
-160
-140
-120
-100
-80
-60
-40
-20
0
10 100 1000 10000 100000 1000000 1E+07 1E+08
Frequency (Hz)
Phase Noise (dBc/Hz)
1709 kHz
855 kHz
427 kHz
214 kHz
107 kHz
54 kHz
27 kHz
13 kHz
7 kHz
3 kHz

Si53xx-RM
122 Rev. 0.5
Figure 61 shows similar results and ties them to RMS jitter values. It also helps to illustrate one potential remedy
for solutions with low f3. Note that 38.88 MHz x 5 = 194.4 MHz. In this case, an FPGA was used to multiply a
38.88 MHz input clock up by a factor of five to 194.4 MHz, using a feature such as the Xilinx DCM (Digital Clock
Manager). Even though FPGAs are notorious for having jittered outputs, the jitter attenuating feature of the
Narrowband Any-Frequency Clocks allow an FPGA’s output to be used to produce a very clean clock, as can be
seen from the jitter numbers below.
Figure 61. Jitter vs. f3 with FPGA
Table 61. Jitter Values for Figure 61
f3 = 3.214 kHz f3 = 16.1 kHz
CKIN = 38.88 MHz CKIN = 194.4 MHz
Jitter Bandwidth Jitter, RMS Jitter, RMS
OC-48, 12 kHz to 20 MHz 1,034 fs 285 fs
OC-192, 20 kHz to 80 MHz 668 fs 300 fs
OC-192, 4 MHz to 80 MHz 169 fs 168 fs
OC-192, 50 kHz to 80 MHz 374 fs 287 fs
800 Hz to 80 MHz 3,598 fs 378 fs
38.88 MHz in, 194.4 MHz in, 690.57 MHz out
-160
-140
-120
-100
-80
-60
-40
-20
0
10 100 1000 10000 100000 1000000 10000000 100000000
Offset Frequency (Hz)
Phase Noise (dBc/Hz)
Dark blue—38.88 MHz in, f3 = 3.214 kHz
Light blue—194.4 MHz in, f3 = 16.1 kHz

Si53xx-RM
Rev. 0.5 123
Reference vs. Output Frequency
Because of internal coupling, output frequencies that are an integer multiple (or close to an integer multiple) of the
XA/XB reference frequency (either internal or external) should be avoided. Figure 62 illustrates this by showing a
38.88 MHz reference being used to generate both a 622.08 MHz output (which is an integer multiple of 38.88 MHz)
and 696.399 MHz (which is not an integer multiple of 38.88 MHz). Notice the mid-band spurs on the 622.08 MHz
output, which contribute to the RMS phase noise for the SONET jitter masks. Their effect is more pronounced for
the broadband case. For more information on this effect, see "Appendix G—Near Integer Ratios" on page 162.
Figure 62. Reference vs. Output Frequency
The crystal frequency of 114.285 MHz was picked for its lack of integer relationship to most of the expected output
frequencies. If, for instance, an output frequency of 457.14 MHz (= 4 x 114.285 MHz) were desired, it would be
preferable not to use the 114.285 MHz crystal as the reference. For a more detailed study of this, see "Appendix
G—Near Integer Ratios" on page 162.
Table 62. Jitter Values for Figure 62
696.399 MHz Out 622.08 MHz Out
Jitter Bandwidth Yellow, fs RMS Blue, fs RMS
SONET_OC48, 12 kHz to 20 MHz 379 679
SONET_OC192_A, 20 kHz to 80 MHz 393 520
SONET_OC192_B, 4 MHz to 80 MHz 210 191
SONET_OC192_C, 50 kHz to 80 MHz 373 392
Broadband, 800 Hz to 80 MHz 484 1,196
155.52 MHz in, 622.08 MHz out, 696.399 MHz out
-160
-140
-120
-100
-80
-60
-40
-20
0
100 1000 10000 100000 1000000 10000000 100000000
Offset Frequency (Hz)
Phase Noise (dBc/Hz)
Yellow—696.399 MHz output
Blue—622.08 MHz output

Si53xx-RM
124 Rev. 0.5
High Reference Frequency
When selecting a reference frequency, with all other things being equal, the higher the reference frequency, the
lower the output jitter. Figures 63 and 64 illustrate this. For a discussion of the available reference frequencies, see
section " Resonator/External Clock Selection" on page 119.
Figure 63. Jitter vs. Reference Frequency (1 of 2)
37 MHz thru 163 MHz Ext Ref, 155.52 MHz in, 622.08 MHz out
-160
-140
-120
-100
-80
-60
-40
-20
0
100 1000 10000 100000 1000000 10000000 100000000
Offset Frequency (Hz)
Phase Noise (dBc/Hz)
Dark Blue—37 MHz
Violet—55 MHz
Light Blue—109 MHz
Yellow-Green—163 MHz

Si53xx-RM
Rev. 0.5 125
Figure 64. Jitter vs. Reference Frequency (2 of 2)
All phase noise numbers are in fs, RMS
External Reference Frequency: 37 41 55 61 109 125.5 163 180
Jitter Bandwidth: MHz MHz MHz MHz MHz MHz MHz MHz
SONET_OC48, 12 kHz to 20 MHz 1092 858 633 715 330 321 292 298
SONET_OC192_A, 20 kHz to 80 MHz 1086 855 639 698 356 335 325 331
SONET_OC192_B, 4 MHz to 80 MHz 226 229 232 221 217 183 221 226
SONET_OC192_C, 50 kHz to 80 MHz 1028 797 597 651 340 316 314 320
BroadBand, 800 Hz to 80 MHz 1165 956 728 773 423 375 393 393
41 MHz thru 180 MHz Ext Ref, 155.52 MHz in, 622.08 MHz out
-160
-140
-120
-100
-80
-60
-40
-20
0
100 1000 10000 100000 1000000 10000000 100000000
Offset Frequency (Hz)
Phase Noise (dBc/Hz)
Dark Blue—41 MHz
Light Blue—61 MHz
Red—125.5 MHz
Green—180 MHz

Si53xx-RM
126 Rev. 0.5
APPENDIX C—TYPICAL PHASE NOISE PLOTS
Introduction
The following are some typical phase noise plots. The clock input source is a Rohde and Schwarz model SML03
RF Generator. Except as noted, the phase noise analysis equipment is the Agilent E5052B. Also (except as noted),
the Any-Frequency part was an Si5326 operating at 3.3 V with an ac-coupled differential PECL output and an ac-
coupled differential sine wave input from the RF generator at 0 dBm. Note that, as with any PLL, the output jitter
that is below the loop bandwidth of the Any-Frequency device is caused by the jitter of the input clock, not the Any-
Frequency Precision Clock. Except as noted, the loop bandwidths were 60 Hz to 100 Hz.
Figure 65. 155.52 MHz In; 622.08 MHz Out

Si53xx-RM
Rev. 0.5 127
Figure 66. 155.52 MHz In; 622.08 MHz Out; Loop BW = 7 Hz, Si5324

Si53xx-RM
128 Rev. 0.5
Figure 67. 19.44 MHz In; 156.25 MHz Out; Loop BW = 80 Hz

Si53xx-RM
Rev. 0.5 129
Figure 68. 19.44 MHz In; 156.25 MHz Out; Loop BW = 5 Hz, Si5324

Si53xx-RM
130 Rev. 0.5
Figure 69. 27 MHz In; 148.35 MHz Out; Light Trace BW = 6 Hz; Dark Trace BW = 110 Hz, Si5324

Si53xx-RM
Rev. 0.5 131
Figure 70. 61.44 MHz In; 491.52 MHz Out; Loop BW = 7 Hz, Si5324

Si53xx-RM
132 Rev. 0.5
Figure 71. 622.08 MHz In; 672.16 MHz Out; Loop BW = 6.9 kHz

Si53xx-RM
Rev. 0.5 133
Figure 72. 622.08 MHz In; 672.16 MHz Out; Loop BW = 100 Hz

Si53xx-RM
134 Rev. 0.5
Figure 73. 156.25 MHz In; 155.52 MHz Out

Si53xx-RM
Rev. 0.5 135
Figure 74. 78.125 MHz In; 644.531 MHz Out
Table 63. Jitter Values for Figure 74
Jitter Bandwidth 644.531 MHz
Jitter (RMS)
Broadband, 1 kHz to 10 MHz 223 fs
OC-48, 12 kHz to 20 MHz 246 fs
OC-192, 20 kHz to 80 MHz 244 fs
OC-192, 4 MHz to 80 MHz 120 fs
OC-192, 50 kHz to 80 MHz 234 fs
Broadband, 800 Hz to 80 MHz 248 fs

Si53xx-RM
136 Rev. 0.5
Figure 75. 78.125 MHz In; 690.569 MHz Out
Table 64. Jitter Values for Figure 75
Jitter Bandwidth 690.569 MHz
Jitter (RMS)
Broadband, 1 kHz to 10 MHz 244 fs
OC-48, 12 kHz to 20 MHz 260 fs
OC-192, 20 kHz to 80 MHz 261 fs
OC-192, 4 MHz to 80 MHz 120 fs
OC-192, 50 kHz to 80 MHz 253 fs
Broadband, 800 Hz to 80 MHz 266 fs

Si53xx-RM
Rev. 0.5 137
Figure 76. 78.125 MHz In; 693.493 MHz Out
Table 65. Jitter Values for Figure 76
Jitter Bandwidth 693.493 MHz
Jitter (RMS)
Broadband, 1 kHz to 10 MHz 243 fs
OC-48, 12 kHz to 20 MHz 265 fs
OC-192, 20 kHz to 80 MHz 264 fs
OC-192, 4 MHz to 80 MHz 124 fs
OC-192, 50 kHz to 80 MHz 255 fs
Broadband, 800 Hz to 80 MHz 269 fs

Si53xx-RM
138 Rev. 0.5
Figure 77. 86.685 MHz In; 173.371 MHz and 693.493 MHz Out
Table 66. Jitter Values for Figure 77
Jitter Bandwidth 173.371 MHz
Jitter (RMS)
693.493 MHz
Jitter (RMS)
Broadband, 1 kHz to 10 MHz 262 fs 243 fs
OC-48, 12 kHz to 20 MHz 297 fs 265 fs
OC-192, 20 kHz to 80 MHz 309 fs 264 fs
OC-192, 4 MHz to 80 MHz 196 fs 124 fs
OC-192, 50 kHz to 80 MHz 301 fs 255 fs
Broadband, 800 Hz to 80 MHz 313 fs 269 fs
86.685 MHz in, 173.371 MHz and 693.493 MHz out
-1.80E+02
-1.60E+02
-1.40E+02
-1.20E+02
-1.00E+02
-8.00E+01
-6.00E+01
-4.00E+01
-2.00E+01
0.00E+00
1.00E+02 1.00E+03 1.00E+04 1.00E+05 1.00E+06 1.00E+07 1.00E+08
Offset Frequency (Hz)
Phase Noise (dBc/Hz)
Red = 693.493 MHz Blue = 173.371 MHz

Si53xx-RM
Rev. 0.5 139
Figure 78. 86.685 MHz In; 173.371 MHz Out

Si53xx-RM
140 Rev. 0.5
Figure 79. 86.685 MHz In; 693.493 MHz Out

Si53xx-RM
Rev. 0.5 141
Figure 80. 155.52 MHz and 156.25 MHz In; 622.08 MHz Out
Table 67. Jitter Values for Figure 80
Jitter Bandwidth 155.52 MHz Input
Jitter (RMS)
156.25 MHz Input
Jitter (RMS)
Broadband, 100 Hz to 10 MHz 4432 fs 4507 fs
OC-48, 12 kHz to 20 MHz 249 fs 251 fs
OC-192, 20 kHz to 80 MHz 274 fs 271 fs
OC-192, 4 MHz to 80 MHz 166 fs 164 fs
OC-192, 50 kHz to 80 MHz 267 fs 262 fs
Broadband, 800 Hz to 80 MHz 274 fs 363 fs
155.52 MHz and 156.25MHz in, 622.08 MHz out
0.00E+00
-
6.00E
+
01
-4.00E+01
-2.00E+01
B
c/Hz)
-1.00E+02
-8.00E+01
6.00E 01
a
se Noise (d
B
-1.40E+02
-1.20E+02
Ph
a
-1.60E+02
1.00E+02 1.00E+03 1.00E+04 1.00E+05 1.00E+06 1.00E+07 1.00E+08
Offset Frequency (Hz)
Blue = 155.52 MHz Red = 156.25 MHz

Si53xx-RM
142 Rev. 0.5
Figure 81. 10 MHz In; 1 GHz Out

Si53xx-RM
Rev. 0.5 143
Digital Video (HD-SDI)
Phase noise equipment: Agilent model JS500.
Jitter Band Jitter
Brick Wall, 10 Hz to 20 MHz 2.42 ps, RMS
Peak-to-peak 14.0 ps
27 MHz in, 148.5 MHz out
-160
-140
-120
-100
-80
-60
-40
-20
0
10 100 1000 10000 100000 1000000 10000000 100000000
Offset Frequency (Hz)
Phase Noise (dBc/Hz)

Si53xx-RM
144 Rev. 0.5
APPENDIX D—ALARM STRUCTURE
Figure 82. Si5324 and Si5326 Alarm Diagram
in out
Sticky
Write 0
to clear
LOS_INT LOSX_FLG
LOSX_MSK
in out
Sticky
Write 0
to clear
LOL_INT LOL_FLG
LOL_MSK
in out
Sticky
Write 0
to clear
FOS2_INT FOS2_FLG
FOS2_MSK
in out
Sticky
Write 0
to clear
FOS1_INT FOS1_FLG
FOS1_MSK
in out
Sticky
Write 0
to clear
LOS2_INT LOS2_FLG
LOS2_MSK
in out
Sticky
Write 0
to clear
LOS1_INT LOS1_FLG
LOS1_MSK
WIDEBAND MODE
INT_POL
FOS1_EN
LOS1-EN
INT_C1B
E
1
0
CK1_BAD_PIN
INT_PIN
CK_BAD_POL
LOS1_INT
LOS
Detector
FOS
Detector
CKIN1
LOS2_EN
C2B
E
CK2_BAD_PIN
CK_BAD_POL
LOS2_INT
LOS
Detector
FOS
Detector
CKIN2
PD_CK1
PD_CK2
FOS2_INT
FOS2_EN
FOS_EN
FOS_EN

Si53xx-RM
Rev. 0.5 145
Figure 83. Si5368 Alarm Diagram (1 of 2)
in out
Sticky
Write 0
to clear
LOS_INT LOSX_FLG
LOSX_MSK
in out
Sticky
Write 0
to clear
LOL_INT LOL_FLG
LOL_MSK
in out
Sticky
Write 0
to clear
FOS4_INT FOS4_FLG
FOS4_MSK
in out
Sticky
Write 0
to clear
FOS3_INT FOS3_FLG
FOS3_MSK
in out
Sticky
Write 0
to clear
FOS2_INT FOS2_FLG
FOS2_MSK
in out
Sticky
Write 0
to clear
FOS1_INT FOS1_FLG
FOS1_MSK
in out
Sticky
Write 0
to clear
LOS4_INT LOS4_FLG
LOS4_MSK
in out
Sticky
Write 0
to clear
LOS3_INT LOS3_FLG
LOS3_MSK
in out
Sticky
Write 0
to clear
LOS2_INT LOS2_FLG
LOS2_MSK
in out
Sticky
Write 0
to clear
LOS1_INT LOS1_FLG
LOS1_MSK
in out
Sticky
Write 0
to clear
ALIGN_INT ALIGN_FLG
ALIGN_MSK
WIDEBAND MODE
INT_POL
LOS
Detector
FOS
Detector
FOS4_EN
FOS_EN
LOS4_EN
INT_ALM
E
1
0
1
0
ALRMOUT_PIN
INT_PIN
CK_BAD_POL
LOS4_INT
ALIGN_INT
CK_CONFIG_REG
CKIN4
PD_CK4
To Next Page

Si53xx-RM
146 Rev. 0.5
Figure 84. Si5368 Alarm Diagram (2 of 2)
LOS
Detector
FOS
Detector
FOS3_EN
LOS3_EN
LOS3_INT
C3B
E
CK_BAD_POL
LOS
Detector
FOS
Detector
FOSI_EN
LOSI_EN
LOS1_INT
C1B
E
1
0
LOS
Detector
FOS
Detector
FOS2_EN
LOS2_EN
LOS2_INT
C2B
E
1
0
LOS4_INT
CK_CONFIG_REG
FSYNC_SWTCH_REG
CK3_BAD_PIN
CK_CONFIG_REG
CK1_BAD_PINCK2_BAD_PIN
CKIN2
CKIN1
CKIN3
PD_CK3
PD_CK1
PD_CK2
FOS_EN
FOS_EN
FOS_EN

Si53xx-RM
Rev. 0.5 147
APPENDIX E—INTERNAL PULLUP, PULLDOWN BY PIN
Tables 68–79 show which 2-Level CMOS pins have pullups or pulldowns. Note the value of the pullup/pulldown
resistor is typically 75 k.
Table 68. Si5316 Pullup/Down
Pin # Si5316 Pull?
1RST U
11 RATE0 U, D
14 DBL2_BY U, D
15 RATE1 U, D
21 CS U, D
22 BWSEL0 U, D
23 BWSEL1 U, D
24 FRQSEL0 U, D
25 FRQSEL1 U, D
26 CK1DIV U, D
27 CK2DIV U, D
30 SFOUT1 U, D
33 SFOUT0 U, D
Table 69. Si5322 Pullup/Down
Pin # Si5322 Pull?
1RSTU
2FRQTBLU, D
9 AUTOSEL U, D
14 DBL2_BY U, D
21 CS_CA U, D
22 BWSEL0 U, D
23 BWSEL1 U, D
24 FRQSEL0 U, D
25 FRQSEL1 U, D
26 FRQSEL2 U, D
27 FRQSEL3 U, D
30 SFOUT1 U, D
33 SFOUT0 U, D

Si53xx-RM
148 Rev. 0.5
Table 70. Si5323 Pullup/Down
Pin # Si5323 Pull?
1RSTU
2FRQTBLU, D
9 AUTOSEL U, D
11 RATE0 U, D
14 DBL2_BY U, D
15 RATE1 U, D
19 DEC D
20 INC D
21 CS_CA U, D
22 BWSEL0 U, D
23 BWSEL1 U, D
24 FRQSEL0 U, D
25 FRQSEL1 U, D
26 FRQSEL2 U, D
27 FRQSEL3 U, D
30 SFOUT1 U, D
33 SFOUT0 U, D
Table 71. Si5319, Si5324, Pullup/Down
Pin # Si5326 Pull?
1RSTU
11 RATE0 U, D
15 RATE1 U, D
21 CS_CA U, D
22 SCL D
24 A0 D
25 A1 D
26 A2_SS D
27 SDI D
36 CMODE U, D

Si53xx-RM
Rev. 0.5 149
Table 72. Si5325 Pullup/Down
Pin # Si5325 Pull?
1RSTU
21 CS_CA U, D
22 SCL D
24 A0 D
25 A1 D
26 A2_SS D
27 SDI D
36 CMODE U, D
Table 73. Si5326 Pullup/Down
Pin # Si5326 Pull?
1RSTU
11 RATE0 U, D
15 RATE1 U, D
19 DEC D
20 INC D
21 CS_CA U, D
22 SCL D
24 A0 D
25 A1 D
26 A2_SS D
27 SDI D
36 CMODE U, D

Si53xx-RM
150 Rev. 0.5
Table 74. Si5327 Pullup/Down
Pin # Si5327 Pull?
1RSTU
11 RATE0 U, D
15 RATE1 U, D
21 CS U, D
22 SCL D
24 A0 D
25 A1 D
26 A2_SS D
27 SDI D
36 CMODE U, D
Table 75. Si5365 Pullup/Down
Pin # Si5365 Pull?
3RSTU
4FRQTBLU, D
13 CS0_C3A D
22 AUTOSEL U, D
37 DBL2_BY U, D
50 DSBL5 U, D
57 CS1_C4A U, D
60 BWSEL0 U, D
61 BWSEL1 U, D
66 DIV34_0 U, D
67 DIV34_1 U, D
68 FRQSEL0 U, D
69 FRQSEL1 U, D
70 FRQSEL2 U, D
71 FRQSEL3 U, D
80 SFOUT1 U, D
85 DBL34 U
95 SFOUT0 U, D

Si53xx-RM
Rev. 0.5 151
Table 76. Si5366 Pullup/Down
Pin # Si5366 Pull?
3RSTU
4FRQTBLU, D
13 CS0_C3A D
20 FS_SW D
21 FS_ALIGN D
22 AUTOSEL U, D
32 RATE0 U, D
37 DBL2_BY U, D
42 RATE1 U, D
50 DBL_FS U, D
51 CK_CONF D
54 DEC D
55 INC D
56 FOS_CTL U, D
57 CS1_C4A U, D
60 BWSEL0 U, D
61 BWSEL1 U, D
66 DIV34_0 U, D
67 DIV34_1 U, D
68 FRQSEL0 U, D
69 FRQSEL1 U, D
70 FRQSEL2 U, D
71 FRQSEL3 U, D
80 SFOUT1 U, D
85 DSBL34 U
95 SFOUT0 U, D

Si53xx-RM
152 Rev. 0.5
Table 77. Si5367 Pullup/Down
Pin # Si5367 Pull?
3RSTU
13 CS0_C3A D
57 CS1_C4A U, D
60 SCL D
68 A0 D
69 A1 D
70 A2_SSB D
71 SDI D
90 CMODE U, D
Table 78. Si5368 Pullup/Down
Pin # Si5368 Pull?
3RSTU
13 CS0_C3A D
21 FS_ALIGN D
32 RATE0 U, D
42 RATE1 U, D
54 DEC D
55 INC D
57 CS1_C4A U, D
60 SCL D
68 A0 D
69 A1 D
70 A2_SSB D
71 SDI D
90 CMODE U, D

Si53xx-RM
Rev. 0.5 153
Table 79. Si5369 Pullup/Down
Pin # Si5368 Pull?
3RSTU
13 CS0_C3A D
21 FS_ALIGN D
32 RATE0 U, D
42 RATE1 U, D
57 CS1_C4A U, D
60 SCL D
68 A0 D
69 A1 D
70 A2_SSB D
71 SDI D
90 CMODE U, D
Table 80. Si5374/75 Pullup/Down
Pin # Si5374/75 Pull?
D4 RSTL_A U
D6 RSTL_B U
F6 RSTL_C U
F4 RSTL_D U
D1 CS_CA_A U/D
A6 CS_CA_B U/D
F9 CS_CA_C U/D
J4 CS_CA_A U/D
G5 SCL D

Si53xx-RM
154 Rev. 0.5
APPENDIX F—TYPICAL PERFORMANCE: BYPASS MODE, PSRR,
CROSSTALK, OUTPUT FORMAT JITTER
This appendix is divided into the following four sections:
Bypass Mode Performance
Power Supply Noise Rejection
Crosstalk
Output Format Jitter
Bypass: 622.08 MHz In, 622.08 MHz Out
Normal,
Locked In Digital Hold In Bypass Marconi RF
Source
Jitter Bandwidth Jitter (RMS) Jitter (RMS) Jitter (RMS) Jitter (RMS)
Broadband, 1000 Hz to 10 MHz 296 fs 294 fs 2,426 fs 249 fs
OC-48, 12 kHz to 20 MHz 303 fs 304 fs 2,281 fs 236 fs
OC-192, 20 kHz to 80 MHz 321 fs 319 fs 3,079fs 352 fs
OC-192,4 MHz to 80 MHz 169 fs 165 fs 2,621 fs 305 fs
OC-192, 50 kHz to 80 MHz 304 fs 303 fs 3,078 fs 340 fs
Broadband, 800 Hz to 80 MHz 329 fs 325 fs 3,076 fs 370 fs
Dark blue — normal, locked Pink — bypass
Light blue — digital hold Green — Marconi RF generator
622.08 MHz in, 622.08 MHz out
-160
-150
-140
-130
-120
-110
-100
-90
-80
-70
-60
100 1000 10000 100000 1000000 10000000 100000000
Offset Frequency (Hz)
Phase Noise (dBc/H
z

Si53xx-RM
Rev. 0.5 155
Power Supply Noise Rejection
Power Supply Noise to Output Transfer Function
-105
-100
-95
-90
-85
-80
-75
-70
-65
-60
1 10 100 1000
kHz
dB
38.88 MHz in, 155.52 MHz out; Bandwidth = 110 Hz

Si53xx-RM
156 Rev. 0.5
Clock Input Crosstalk Results: Test Conditions
Jitter Band 155.52 MHz in,
622 MHz out,
For reference,
No crosstalk
155.521 MHz in,
622.084 MHz
out,
No crosstalk
155.521 MHz in,
622.084 MHz
out,
155.52 MHz
Xtalk,
99 Hz loop
Bandwidth
155.521 MHz in,
622.084 MHz
out,
155.52 MHz
Xtalk,
6.72 kHz loop
Bandwidth
155.521 MHz in,
622.084 MHz
out,
155.52 MHz
Xtalk,
In digital hold
OC-48,
12 kHz to 20 MHz
262 fs 262 fs 269 fs 422 fs 255 fs
OC-192,
20 kHz to 80 MHz
287 fs 290 fs 296 fs 366 fs 280 fs
Broadband,
800 Hz to 80 MHz
285 fs 289 fs 298 fs 1,010 fs 277 fs
Measurement conditions:
1. Using Si5365/66-EVB.
2. Clock input on CKIN1, a 0dBm sine wave from Rohde and Schwarz RF Generator, model SML03
3. Crosstalk interfering signal applied to CKIN3, a PECL output at 155.52 MHz
4. All differential, AC coupled signals

Si53xx-RM
Rev. 0.5 157
Clock Input Crosstalk: Phase Noise Plots
Dark blue — No crosstalk
Light blue — With crosstalk, low bandwidth
Yellow — With crosstalk, high bandwidth
Red — With crosstalk, in digital hold
155.521 MHz in, 622.084 MHz out
-180
-160
-140
-120
-100
-80
-60
-40
-20
0
100 1000 10000 100000 1000000 10000000 100000000
Offset Frequency (Hz)
Phase Noise (dBc/Hz)

Si53xx-RM
158 Rev. 0.5
Clock Input Crosstalk: Detail View
Dark blue — No crosstalk
Light blue — With crosstalk, low bandwidth
Yellow — With crosstalk, high bandwidth
Red — With crosstalk, in digital hold
155.521 MHz in, 622.084 MHz out
-130
-120
-110
-100
-90
-80
-70
-60
100 1000 10000 100000
Offset Frequency (Hz)
Phase Noise (dBc/Hz)

Si53xx-RM
Rev. 0.5 159
Clock Input Crosstalk: Wideband Comparison
Jitter Band Jitter, w/ Xtlk Jitter, no Xtlk
OC-48, 12 kHz to 20 MHz 303 fs RMS 422 fs RMS
OC-192, 20 kHz to 80 MHz 316 fs RMS 366 fs RMS
Broadband, 800 Hz to 80 MHz 340 fs RMS 1,010 fs RMS
155.521 M Hz in, 622.084 M Hz out
-180
-160
-140
-120
-100
-80
-60
-40
-20
0
100 1000 10000 100000 1000000 10000000 100000000
Offset Frequency (Hz)
Phase Noise (dBc/
Dark blue — Bandwidth = 6.72 kHz; no Xtalk
Light blue — Bandwidth = 6.72 kHz; with Xtalk

Si53xx-RM
160 Rev. 0.5
Clock Input Crosstalk: Output of Rohde and Schwartz RF
Rohde and Schwarz: 155.521 MHz
-120
-110
-100
-90
-80
-70
-60
100 1000
Offset Frequency (Hz)
Phase Noise (dBc/
H

Si53xx-RM
Rev. 0.5 161
Jitter vs. Output Format: 19.44 MHz In, 622.08 MHz Out
Spectrum Analyzer: Agilent Model E444OA
Table 81. Output Format vs. Jitter
Bandwidth LVPECL Jitter
(RMS) LVDS Jitter
(RMS) CML Jitter (RMS) Low Swing LVDS
Jitter (RMS)
Broadband, 1 kHz to 10 MHz 282 fs 269 fs 257 fs 261 fs
OC-48, 12 kHz to 20 MHz 297 fs 289 fs 290 fs 291 fs
OC-192, 20 kHz to 80 MHz 315 fs 327 fs 358 fs 362 fs
OC-192, 4 MHz to 80 MHz 180 fs 222 fs 277 fs 281 fs
OC-192, 50 kHz to 80 MHz 299 fs 313 fs 348 fs 351 fs
Broadband, 800 Hz to 80 MHz 325 fs 332 fs 357 fs 360 fs
19.44 MHz in, 622.08 MHz out
-160
-140
-120
-100
-80
-60
-40
-20
0
100 1000 10000 100000 1000000 10000000 100000000
Offset Frequency (Hz)
Phase Noise (dBc/Hz)

Si53xx-RM
162 Rev. 0.5
APPENDIX G—NEAR INTEGER RATIOS
To provide more details and to provide boundaries with respect to the “Reference vs. Output Frequency” issue
described in Appendix B on page 121, the following study was performed and is presented below.
Test Conditions
XA/XB External Reference held constant at 38.88 MHz
Input frequency centered at 155.52 MHz, then scanned.
Scan Ranges and Resolutions:
-± 50 ppm with 2 ppm steps
-± 200 ppm with 10 ppm steps
-± 2000 ppm with 50 ppm steps
Output frequency always exactly four times the input frequency
-Centered at 622.08 MHz
Jitter values are RMS, integrated from 800 Hz to 80 MHz
Figure 85. ±50 ppm, 2 ppm Steps
38.88 MHz External XA-XB Reference
0
200
400
600
800
1000
1200
155.51 155.515 155.52 155.525 155.53
Input Frequency (MHz)
RMS jitter, fs
Input Frequency Variation = ±50 ppm

Si53xx-RM
Rev. 0.5 163
Figure 86. ±200 ppm, 10 ppm Steps
Figure 87. ±2000 ppm, 50 ppm Steps
38.88 MHz External XA-XB Reference
0
200
400
600
800
1000
1200
155.49 155.5 155.51 155.52 155.53 155.54 155.55
Input Frequency (MHz)
RMS jitter, fs
Input Frequency
38.88 MHz External XA-XB Reference
0
200
400
600
800
1000
1200
155.2 155.3 155.3 155.4 155.4 155.5 155.5 155.6 155.6 155.7 155.7 155.8 155.8 155.9 155.9
Input Frequency (MHz)
RMS jitter, fs
Input Frequency Variation = ±2000 ppm

Si53xx-RM
164 Rev. 0.5
APPENDIX H—JITTER ATTENUATION AND LOOP BW
The following illustrates the effects of different loop BW values on the jitter attenuation of the Any-Frequency
devices. The jitter consists of sine wave modulation at varying frequencies. The RMS jitter values of the modulated
sine wave input is compared to the output jitter of an Si5326 and an Si5324. For reference, the top entry in the
table lists the jitter without any modulation. For each entry in the table, the corresponding phase noise plots are
presented.
Table 82. Jitter Values
Fmod Fdev Jitter Start RF Gen Si5326 Si5324
0 0 500 Hz 1.18 ps 283 fs 281 fs
50 Hz 50 Hz 10 Hz 181 ps 169 ps 10.6 ps
100 Hz 100 Hz 50 Hz 177 ps 136 ps 2.04 ps
500 Hz 500 Hz 100 Hz 175 ps 18.6 ps 295 fs
1 kHz 1 kHz 500 Hz 184 ps 4.28 ps 292 fs
5kHz 5kHz 500Hz 138ps 297fs 302fs
10kHz 10kHz 500Hz 139ps 302fs 304fs
Notes:
1. All phase noise plots are with 622.08 MHz input and 622.08 MHz output.
Si5326 bandwidth = 120 Hz; Si5324 bandwidth = 7 Hz.
2. FM modulation at F = Fmod with modulation amplitude = Fdev.
3. Jit start is the start of the brick wall integration band. All integration bands end at 50 MHz.
4. Phase noise measured by Agilent model E5052B.
5. RF Generator was Rohde and Schwarz model SML03.

Si53xx-RM
Rev. 0.5 165
Figure 88. RF Generator, Si5326, Si5324; No Jitter (For Reference)
Figure 89. RF Generator, Si5326, Si5324 (50 Hz Jitter)
622.08 MHz in, 622.08 MHz out
-1.80E+02
-1.60E+02
-1.40E+02
-1.20E+02
-1.00E+02
-8.00E+01
-6.00E+01
-4.00E+01
-2.00E+01
0.00E+00
1.00E+01 1.00E+02 1.00E+03 1.00E+04 1.00E+05 1.00E+06 1.00E+07 1.00E+08
Offset Frequency (Hz)
Phase Noise (dBc/Hz)
Blue = RF Generator Green = Si5326 Red = Si5324
622.08 MHz in, 622.08 MHz out
-1.80E+02
-1.60E+02
-1.40E+02
-1.20E+02
-1.00E+02
-8.00E+01
-6.00E+01
-4.00E+01
-2.00E+01
0.00E+00
1.00E+01 1.00E+02 1.00E+03 1.00E+04 1.00E+05 1.00E+06 1.00E+07 1.00E+08
Offset Frequency (Hz)
Phase Noise (dBc/Hz)
Blue = RF Generator

Si53xx-RM
166 Rev. 0.5
Figure 90. RF Generator, Si5326, Si5324 (100 Hz Jitter)
Figure 91. RF Generator, Si5326, Si5324 (500 Hz Jitter)
622.08 MHz in, 622.08 MHz out
-1.80E+02
-1.60E+02
-1.40E+02
-1.20E+02
-1.00E+02
-8.00E+01
-6.00E+01
-4.00E+01
-2.00E+01
0.00E+00
1.00E+01 1.00E+02 1.00E+03 1.00E+04 1.00E+05 1.00E+06 1.00E+07 1.00E+08
Offset Frequency (Hz)
Phase Noise (dBc/Hz)
Blue = RF Generator Green = Si5326 Red = Si5324
-1.80E+02
-1.60E+02
-1.40E+02
-1.20E+02
-1.00E+02
-8.00E+01
-6.00E+01
-4.00E+01
-2.00E+01
0.00E+00
1.00E+02 1.00E+03 1.00E+04 1.00E+05 1.00E+06 1.00E+07 1.00E+08
Phase Noise (dBc/Hz)
Offset Frequency (Hz)
622.08 MHz in, 622.08 MHz out
Blue = RF Generator Green = Si5326 Red = Si5324

Si53xx-RM
Rev. 0.5 167
Figure 92. RF Generator, Si5326, Si5324 (1 kHz Jitter)
Figure 93. RF Generator, Si5326, Si5324 (5 kHz Jitter)
622.08 MHz in, 622.08 MHz out
-1.80E+02
-1.60E+02
-1.40E+02
-1.20E+02
-1.00E+02
-8.00E+01
-6.00E+01
-4.00E+01
-2.00E+01
0.00E+00
1.00E+02 1.00E+03 1.00E+04 1.00E+05 1.00E+06 1.00E+07 1.00E+08
Offset Frequency (Hz)
Phase Noise (dBc/Hz)
Blue = RF Generator Green = Si5326 Red = Si5324
622.08 MHz in, 622.08 MHz out
-1.80E+02
-1.60E+02
-1.40E+02
-1.20E+02
-1.00E+02
-8.00E+01
-6.00E+01
-4.00E+01
-2.00E+01
0.00E+00
1.00E+02 1.00E+03 1.00E+04 1.00E+05 1.00E+06 1.00E+07 1.00E+08
Offset Frequency (Hz)
Phase Noise (dBc/Hz)
Blue = RF Generator Green = Si5326 Red = Si5324

Si53xx-RM
168 Rev. 0.5
Figure 94. RF Generator, Si5326, Si5324 (10 kHz Jitter)
622.08 MHz in, 622.08 MHz out
-1.80E+02
-1.60E+02
-1.40E+02
-1.20E+02
-1.00E+02
-8.00E+01
-6.00E+01
-4.00E+01
-2.00E+01
0.00E+00
1.00E+02 1.00E+03 1.00E+04 1.00E+05 1.00E+06 1.00E+07 1.00E+08
Offset Frequency (Hz)
Phase Noise (dBc/Hz)
Blue = RF Generator Green = Si5326 Red = Si5324

Si53xx-RM
Rev. 0.5 169
APPENDIX I—Si5374 AND Si5375 PCB LAYOUT RECOMMENDATIONS
The following is a set of recommendations and guidelines for printed circuit board layout with the Si5374 and
Si5374 devices. Because the four DSPLLs are in close physical and electrical proximity to one another, PCB layout
is critical to achieving the highest levels of jitter performance. The following images were taken from the Si537x-
EVB (evaluation board) layout. For more details about this board, refer to the Si537x-EVB Evaluation Board User's
Guide.
Figure 95. Vdd Plane
Use a solid and undisturbed ground plane for the Si537x and all of the clock input and output return paths.
For applications that wish to logically connect the four RSTL_x signals, do not tie them together underneath the
BGA package. Instead connect them outside of the BGA footprint.
Where possible, place the CKOUT and CKIN signals on separate PCB layers with a ground layer between
them. The use of ground guard traces between all clock inputs and outputs is recommended.
IsolatedVdd’s
MainVdd
IsolatedVdd’s
ThefourVddsuppliesshouldbeisolatedfromoneanotherwithfourferritebeads.Theyshouldbe
separatelybypassedwithcapacitorsthatarelocatedveryclosetotheSi537xdevice.

Si53xx-RM
170 Rev. 0.5
Figure 96. Ground Plane and Reset
ThesefourresistorsforcethecommonRESETconnectionawayfromtheBGAfootprint

Si53xx-RM
Rev. 0.5 171
The following is a set of recommendations and guidelines for printed circuit board layout with the Si5374 and
Si5374 devices. Because the four DSPLLs are in close physical and electrical proximity to one another, PCB layout
is critical to achieving the highest levels of jitter performance. The following images were taken from the Si537x-
EVB (evaluation board) layout. For more details about this board, please refer to the Si537x-EVB Evaluation Board
User's Guide.
Figure 97. Output Clock Routing
As much as is possible, do not route clock input and output signals
underneath the BGA package. The clock output signals should go
directly outwards from the BGA footprint.

Si53xx-RM
172 Rev. 0.5
Figure 98. OSC_P, OSC_N Routing
OSC_P,
OSC_N
AvoidplacingtheOCS_PandOSC_Nsignalsonthesamelayerastheclockoutputs.Add
groundedguardtracessurroundingtheOSC_PandOSC_Nsignals.

Si53xx-RM
Rev. 0.5 173
APPENDIX J—Si5374 AND Si5375 CROSSTALK
While the four DSPLLs of the Si5374 and Si5375 are in close physical and electrical proximity to one another,
crosstalk interference between the DSPLLs is minimal. The following measurements show typical performance
levels that can be expected for the Si5374 and Si5375 when all four of their DSPLLs are operating at frequencies
that are close in value to one another, but not exactly the same.
Si5374, Si5375 Crosstalk Test Bed
All four DSPLLs share the same frequency plan:
38.88 MHz input.
38.88 MHz x 4080 / 227 = 698.81 MHz output (rounded).
There are four slightly different input frequencies:
DSPLL A: 38.88 MHz + 0 ppm => 38.88000000 MHz
DSPLL B: 38.88 MHz + 1 ppm => 38.88003888 MHz
DSPLL C: 38.88 MHz + 10 ppm => 38.88038880 MHz
DSPLL D: 38.88 MHz + 20 ppm => 38.88077760 MHz
OSC_P, OSC_N Reference:
Si530 at 121.109 MHz
Test equipment:
Agilent E5052B
Table 83. Si5374/75 Crosstalk Jitter Values
DSPLL Jitter, fsec RMS
A334
B327
C358
D331

Si53xx-RM
174 Rev. 0.5
Figure 99. Si5374, Si5375 DSPLL A

Si53xx-RM
Rev. 0.5 175
Figure 100. Si5374, Si5375 DSPLL B

Si53xx-RM
176 Rev. 0.5
Figure 101. Si5374, Si5375 DSPLL C

Si53xx-RM
Rev. 0.5 177
Figure 102. Si5374, Si5375 DSPLL D

Si53xx-RM
178 Rev. 0.5
DOCUMENT CHANGE LIST
Revision 0.3 to Revision 0.4
Updated AC Specifications in Table 8, “AC
Characteristics—All Devices”
Added Si5365, Si5366, Si5367, and Si5368
operation at 3.3 V
Updated Section “7.8. Frame Synchronization
Realignment (Si5368 and CK_CONFIG_REG = 1)”
Added input clock control diagrams in Section “7.4.
Input Clock Control”
Added new crystals into Table 59, “Approved
Crystals”
Updated "Appendix D—Alarm Structure" on page
144
Added "Appendix F—Typical Performance: Bypass
Mode, PSRR, Crosstalk, Output Format Jitter" on
page 154
Revision 0.4 to Revision 0.41
Added Si5324.
Revision 0.41 to Revision 0.42
Moved Si5326 specifications to the Si5326 data
sheet.
Corrected Figure 23, “Jitter Tolerance Mask/
Template.”
Simplified Section “4. Device Specifications”
Updated Figure 41, “CMOS Termination (1.8, 2.5,
3.3 V).”
Revision 0.42 to Revision 0.5
Added Si5327, Si5369, Si5374, and Si5375.
Removed Si5319 and Si5323 from the spec tables.
Updated the typical phase noise plots.
Added new appendixes G, H, I, and J.
Updated spec table values.
Added examples and diagrams throughout.

Si53xx-RM
Rev. 0.5 179
NOTES:

Si53xx-RM
180 Rev. 0.5
CONTACT INFORMATION
Silicon Laboratories Inc.
400 West Cesar Chavez
Austin, TX 78701
Tel: 1+(512) 416-8500
Fax: 1+(512) 416-9669
Toll Free: 1+(877) 444-3032
Please visit the Silicon Labs Technical Support web page:
https://www.silabs.com/support/pages/contacttechnicalsupport.aspx
and register to submit a technical support request.
Silicon Laboratories, Silicon Labs, and DSPLL are trademarks of Silicon Laboratories Inc.
Other products or brandnames mentioned herein are trademarks or registered trademarks of their respective holders.
The information in this document is believed to be accurate in all respects at the time of publication but is subject to change without notice.
Silicon Laboratories assumes no responsibility for errors and omissions, and disclaims responsibility for any consequences resulting from
the use of information included herein. Additionally, Silicon Laboratories assumes no responsibility for the functioning of undescribed features
or parameters. Silicon Laboratories reserves the right to make changes without further notice. Silicon Laboratories makes no warranty, rep-
resentation or guarantee regarding the suitability of its products for any particular purpose, nor does Silicon Laboratories assume any liability
arising out of the application or use of any product or circuit, and specifically disclaims any and all liability, including without limitation conse-
quential or incidental damages. Silicon Laboratories products are not designed, intended, or authorized for use in applications intended to
support or sustain life, or for any other application in which the failure of the Silicon Laboratories product could create a situation where per-
sonal injury or death may occur. Should Buyer purchase or use Silicon Laboratories products for any such unintended or unauthorized ap-
plication, Buyer shall indemnify and hold Silicon Laboratories harmless against all claims and damages.