Simcom 2013072402 GSM/GPRS Wireless Data Module User Manual UDV 2013072402
Shanghai Simcom Ltd. GSM/GPRS Wireless Data Module UDV 2013072402
Simcom >
Contents
- 1. Evaluation Board Manual
- 2. User Manual
User Manual

SIM800L Document
- 1 -
SIM800L User Manual
Compliance Information
FCC Compliance Statement: This device complies with Part 15 of the FCC Rules . Operation is subject to the
following two conditions: 1. This device may not cause harmful interference, and 2. This device must accept
any interference received, including interference that may cause undesired operation. This device must accept
any interference received, including interference that may cause undesired operation. Product that is a radio
transmitter is labeled with FCC ID.
FCC Caution:
(1)Exposure to Radio Frequency Radiation. This equipment must be installed and operated in accordance with
provided instructions and the antenna(s) used for this transmitter must be installed to provide a separation
distance of at least 20 cm from all persons and must not be collocated or operating in conjunction with any other
antenna or transmitter. End-users and installers must be provided with antenna installation instructions and
transmitter operating conditions for satisfying RF exposure compliance.
(2) Any changes or modifications not expressly approved by the grantee of this device could void the user's
authority to operate the equipment.
(3) This Transmitter must not be co-located or operating in conjunction with any other antenna or transmitter.
(4) Changes or modifications to this unit not expressly approved by the party responsible for compliance could
void the user authority to operate the equipment.
(5) the modules FCC ID is not visible when installed in the host, or
(6) if the host is marketed so that end users do not have straight forward commonly used methods for access to
remove the module so that the FCC ID of the module is visible; then an additional permanent label referring to
the enclosed module: Contains Transmitter Module FCC ID: UDV-2013072402 or Contains FCC ID:
UDV-2013072402 must be used.
1. SIM800L Description
1.1. Summarize
SIM800L designed by SIMCom is a quad band module which supports GSM/GPRS. The baseband circuit is
based on MTK and RF circuit is based on RFMD. It works at quad bands------GSM850, EGSM900, DCS1800,
and PCS1900. CPU clock is based on 26MHz crystal. The main IC includes MT6260S and RF7176.
1.2. Feature
● Quad-Band 850/900/1800/1900MHz
● GPRS multi-slot class 12/10
● GPRS mobile station class B
● Compliant to GSM phase 2/2+
– Class 4 (2 W @ 850/900 MHz)
– Class 1 (1 W @ 1800/1900MHz)

SIM800L Document
- 2 -
● Dimensions: 15.8*17.8*2.4 mm
● Weight: 1.25 g
● Control via AT commands (3GPP TS 27.007, 27.005 and SIMCom enhanced AT Commands)
● Supply voltage range 3.6~4.2 V
● Low power consumption
● Operation temperature:-30~80℃
● 88 LGA pads include
– Interface to external SIM 3V/1.8V
– Analog audio interface
– RTC backup
– Serial interface
– USB interface
– Keypad interface
– LCD interface
– Antenna pad
– PCM
– GPIO
– ADC

SIM800L Document
- 3 -
1.3. Pin
1.4. Picture
Figure 1: Top and Bottom view of SIM800L

SIM800L Document
- 4 -
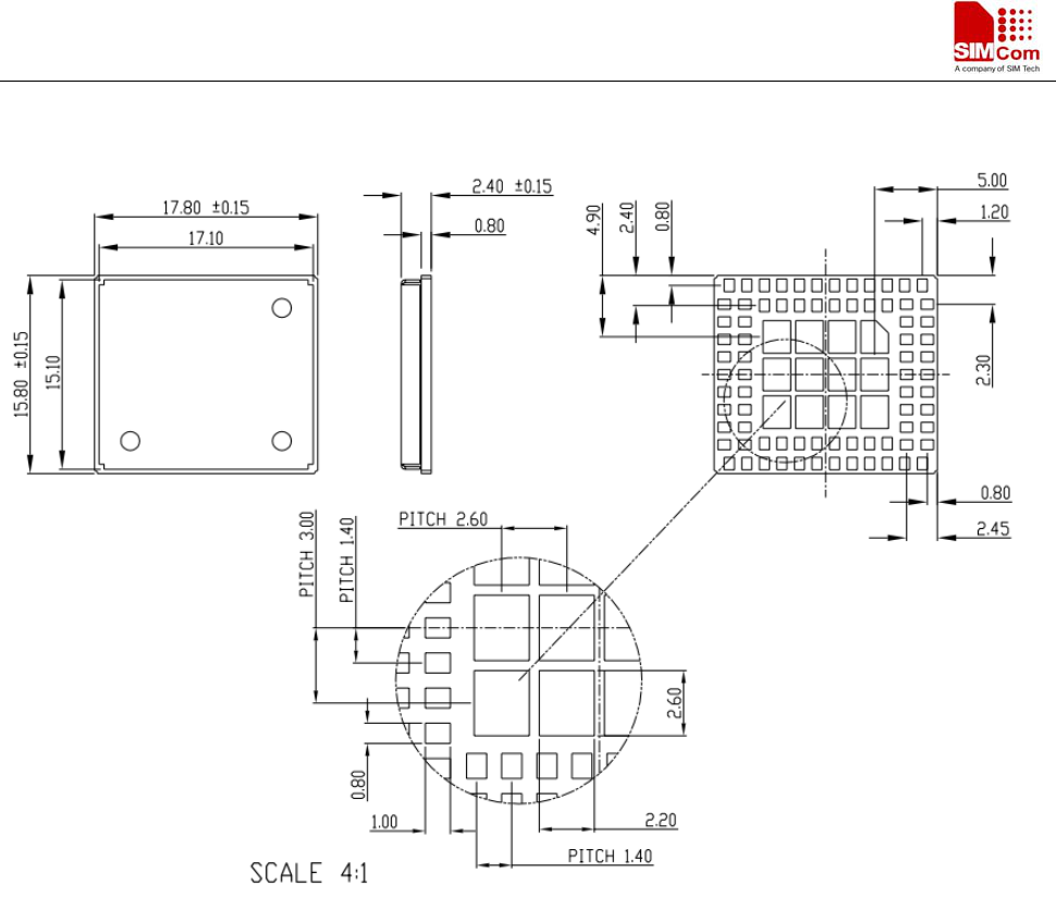
1.5. Dimension
Figure 2: Dimention

SIM800L Document
- 5 -
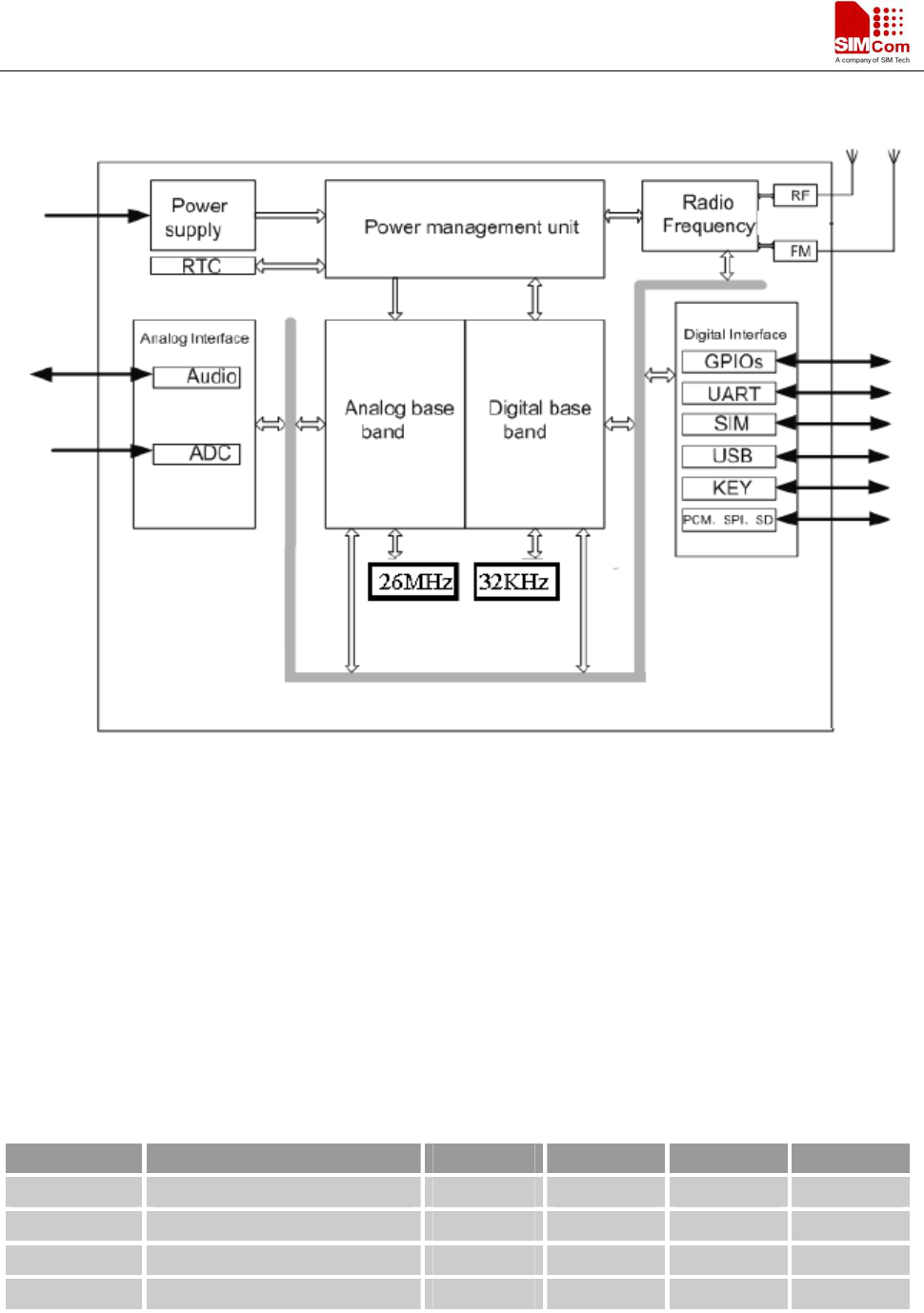
2. Detail Block Diagram
Figure 3: Block diagram of SIM800L
3. Electrical and Reliability Characteristics
3.1. Absolute Maximum Ratings
The absolute maximum ratings stated in following table are stress ratings under non-operating conditions. Stresses
beyond any of these limits will cause permanent damage to SIM800L.
Table 1: Absolute maximum ratings
Symbol Parameter Min Typ Max Unit
VBAT Power supply voltage - - 4.5 V
VBUS - - 30 V VBUS
II* Input current - - 8 mA
IO* Output current - - 8 mA
*These parameters are for digital interface pins, such as keypad, GPIO, I2C, UART, LCD and DEBUG.

SIM800L Document
- 6 -
3.2. Digital Interface Characteristics
Table 2: Digital interface characteristics
Symbol Parameter Min Typ Max Unit
IIH High-level input current 2.1 - 3.1 V
IIL Low-level input current -0.3 - 0.7 V
VOH High-level input voltage 2.4 - - V
VOL Low-level input voltage - - 0.4 V
* These parameters are for digital interface pins, such as keypad, GPIO, I2C, UART, LCD, PWMs and DEBUG.
3.3. SIM Card Interface Characteristics
Table 3: SIM card interface characteristics
Symbol Parameter Min Typ Max Unit
IIH High-level input current -1 - 1 uA
IIL Low-level input current -1 - 1 uA
VIH High-level input voltage 1.4 - - V
2.4 - - V
VIL Low-level input voltage - - 0.27 V
0.4 V
VOH High-level output voltage 1.62 - - V
2.7 - - V
VOL Low-level output voltage - - 0.36 V
- - 0.4 V
3.4. SIM_VDD Characteristics
Table 4: SIM_VDD characteristics
Symbol Parameter Min Typ Max Unit
VO Output voltage 2.70 2.80 2.90 V
IO Output current - - 50 mA
3.5. VRTC Characteristics
Table 5: VRTC characteristics

SIM800L Document
- 7 -
Symbol Parameter Min Typ Max Unit
VRTC-IN VRTC input voltage 2.8 V
IRTC-IN VRTC input current - 3 - uA
VRTC-OUT VRTC output voltage - 2.8 - V
IRTC-OUT VRTC output current - 2 mA
3.6. Current Consumption (VBAT = 3.8V)
Table 6: Current consumption
Symbol Parameter Conditions Value Unit
IVRTC VRTC current VBAT disconnects. Backup battery is 3 V 2 uA
IVBAT VBAT current
Power down mode 50 uA
Sleep mode
BS-PA-MFRMS=9 1.0
mA BS-PA-MFRMS=5 1.2
BS-PA-MFRMS=2 1.8
Idle mode
GSM 850
19 mA
EGSM 900
DCS 1800
PCS 1900
Voice call
GSM 850
EGSM 900
PCL=5 250
mA
PCL=12 110
PCL=19 76
DCS 1800
PCS 1900
PCL=0 168
PCL=7 89
PCL=15 76
Data mode
GPRS(1Rx,1Tx)
GSM 850
EGSM 900
PCL=5 240
mA PCL=12 110
PCL=19 83
DCS 1800
PCS 1900
PCL=0 170
mA PCL=7 95
PCL=15 80
Data mode
GPRS(4Rx,1Tx)
GSM 850
EGSM 900
PCL=5 270
mA PCL=12 150
PCL=19 120
DCS 1800
PCS 1900
PCL=0 205
mA PCL=7 130
PCL=15 115
Data mode GSM 850 PCL=5 440 mA

SIM800L Document
- 8 -
GPRS(3Rx,2Tx) EGSM 900 PCL=12 185
PCL=19 130
DCS 1800
PCS 1900
PCL=0 300
mA PCL=7 155
PCL=15 122
IVBAT-peak Peak current During Tx burst 2 A
3.7. Electro-Static Discharge
SIM800L is an ESD sensitive component, so more attention should be paid to the procedure of handling and
packaging. The ESD test results are shown in the following table.
Table 7: The ESD characteristics (Temperature: 25℃, Humidity: 45 %)
Pin Contact discharge Air discharge
VBAT ±6KV ±12KV
GND ±6KV ±12KV
RXD, TXD ±2KV ±8KV
Antenna port ±5KV ±10KV
SPK_P/SPK_N/MIC_P/MIC_N ±2KV ±5KV
PWRKEY ±2KV ±8KV
4. Radio Characteristics
4.1. Module RF Output Power
The following table shows the module conducted output power, it is followed by the 3GPP TS 05.05 technical
specification requirement.
Table 8: SIM800L GSM 900 and GSM 850 conducted RF output power
GSM850、EGSM900
PCL Nominal output power (dBm) Tolerance (dB) for conditions
Normal Extreme
5 33 ±2 ±2.5
6 31 ±3 ±4
7 29 ±3 ±4
8 27 ±3 ±4

SIM800L Document
- 9 -
9 25 ±3 ±4
10 23 ±3 ±4
11 21 ±3 ±4
12 19 ±3 ±4
13 17 ±3 ±4
14 15 ±3 ±4
15 13 ±3 ±4
16 11 ±5 ±6
17 9 ±5 ±6
18 7 ±5 ±6
19-31 5 ±5 ±6
Table 9: SIM800L DCS 1800 and PCS 1900 conducted RF output power
DCS1800、PCS1900
PCL Nominal output power (dBm) Tolerance (dB) for conditions
Normal Extreme
0 30 ±2 ±2.5
1 28 ±3 ±4
2 26 ±3 ±4
3 24 ±3 ±4
4 22 ±3 ±4
5 20 ±3 ±4
6 18 ±3 ±4
7 16 ±3 ±4
8 14 ±3 ±4
9 12 ±4 ±5
10 10 ±4 ±5
11 8 ±4 ±5
12 6 ±4 ±5
13 4 ±4 ±5
14 2 ±5 ±6
15 0 ±5 ±6
For the module’s output power, the following is should be noted:
At GSM900 and GSM850 band, the module is a class 4 device, so the module’s output power should not exceed
33dBm, and at the maximum power level, the output power tolerance should not exceed +/-2dB under normal
condition and +/-2.5dB under extreme condition.

SIM800L Document
- 10 -
At DCS1800 and PCS1900 band, the module is a class 1 device, so the module’s output power should not exceed
30dBm, and at the maximum power level, the output power tolerance should not exceed +/-2dB under normal
condition and +/-2.5dB under extreme condition.
4.2. Module RF Receive Sensitivity
The following table shows the module’s conducted receive sensitivity, it is tested under static condition.
Table 10: SIM800L conducted RF receive sensitivity
Frequency Receive sensitivity(Typical) Receive sensitivity(Max)
GSM850 -108dBm -106dBm
EGSM900 -108dBm -106dBm
DCS1800 -108dBm -106dBm
PCS1900 -108dBm -106dBm
4.3. Module Operating Frequencies
The following table shows the module’s operating frequency range; it is followed by the 3GPP TS 05.05 technical
specification requirement.
Table 11: SIM800L operating frequencies
Frequency Receive Transmit
GSM850 869 ~ 894MHz 824 ~ 849 MHz
EGSM900 925 ~ 960MHz 880 ~ 915MHz
DCS1800 1805 ~ 1880MHz 1710 ~ 1785MHz
PCS1900 1930 ~ 1990MHz 1850 ~ 1910MHz
5. Antenna interface
There are three antenna ports for SIM800L, GSM antenna port named RF_ANT, FM antenna port named
FM_ANT_P, The RF interface of the two antenna ports has an impedance of 50Ω.The maximum gain of the
GSM antenna gain should not exceed 3dBi considering the SAR radio. No antenna gain may be used that would
exceed the 2W EIRP power limit in 1900MHz band.
The input impendence of the antenna should be 50Ω, and the VSWR should be less than 2.
It is recommended that the GSM antenna be placed as far as better.
The isolations of the three antenna should be bigger than 30dB
5.1 GSM Antenna Interface
There is a GSM antenna pad named RF_ANT for SIM800L the connection of the antenna must be decoupled

SIM800L Document
- 11 -
from DC voltage. This is necessary because the antenna connector is DC coupled to ground via an inductor for
ESD protection.
The external antenna must be matched properly to achieve best performance, so the matching circuit is
necessary, the connection is recommended as following:
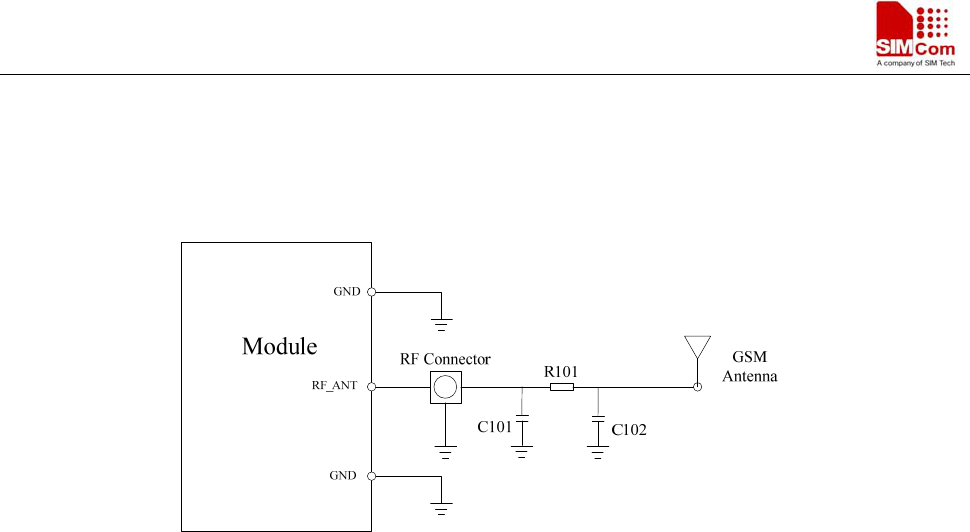
Figure1: GSM antenna matching circuit
R101,C101,C102 are the matching circuit, the value should be defined by the antenna design. normally R101
is 0Ω, C101 和C102 are not SMD. The RF connector is used for conducted.
There are some suggestions to components placing and lying for GSM RF traces:
The RF connector is used for conducted test, so keep it as close as pin RF_ANT;
Antenna matching circuit should be closed to the antenna;
Keep the RF traces as 50Ω;
The RF traces should be kept far away from the high frequency signals and strong disturbing source.