Simoco Australasia SRM9000AC VHF MOBILE TRANSMITTER User Manual SRM9000 Service Manual 231104

Simoco Australasia Pty Ltd VHF MOBILE TRANSMITTER SRM9000 Service Manual 231104

Contents

USERS MANUAL 1

      Page i TNM-M-E-0001 Issue 3     SRM 9000 Series FM VHF/UHF Mobile Radio Transceiver  SERVICE MANUAL      TNM-M-E-0001 ISSUE 3   November 2004 f
 Page ii TNM-M-E-0001 Issue 3      SRM9000 Series FM VHF/UHF Mobile Radio Transceiver  TNM-M-E-0001 ~ Iss 3
      Page iii TNM-M-E-0001 Issue 3 Declaration The performance figures quoted are subject to normal manufacturing and service tolerances. The right is reserved to alter the equipment described in this manual in the light of future technical development.  Copyright All rights reserved. No part of this publication may be reproduced in any form or by any means without the prior permission of TMC Radio.  Errors and Omissions The usefulness of this publication depends upon the accuracy and completeness of the information contained within it. Whilst every endeavour has been made to eliminate any errors, some may still exist. It is requested that any errors or omissions noted should be reported to:  TMC Radio Pty Ltd. 1270 Ferntree Gully Road Scoresby Vic 3179 Australia  Ph:  +61  3-9730-3800 (Direct: -3914) Fax: +61  3-9730-3968 Mob: +61  408-160-661  e-mail: jkuhrt@tmcradio.com
 Page iv TNM-M-E-0001 Issue 3 Document History Issue Date  Comments 1  February 2002  Initial issue 2  August 2002  Re-branded to TMC Radio. 3  November 2004  Rev 9 information              List of Associated Publications Document No.  Description  Issue TNM-I-E-0005  SRM9000 Series Installation Instructions  5 TNM-U-E-0012  SRM9020 Trunk Operating Instructions  2 TNM-U-E-0013  SRM9020 PMR Operating Instructions  2 TNM-U-E-0014  SRM9025 PMR Operating Instructions  2 TNM-U-E-0015  SRM9025 Trunk Operating Instructions  2 TNM-U-E-0003  SRM9030 PMR Operating Instructions  2 TNM-U-E-0004  SRM9030 Trunk Operating Instructions  2 TNM-U-E-0020  SRM9030 Brief User Guide  2 TNM-U-E-0042  SRM9010 Brief User Guide  2 TNM-U-E-0043  SRM9020 Brief User Guide  2 TNM-U-E-0044  SRM9025 Brief User Guide  2
      Page v TNM-M-E-0001 Issue 3 Warnings and Cautions   Caution During disassembly and assembly, refer to Torque Settings in Section 1.7 Caution Preparing the radio for alignment will erase from the radio all customer PMR and Trunking configuration data (channel, signalling information etc).  The only data retained by the Alignment Tool is the factory alignment data for the radio (DAC settings for TX power, front-end tuning etc).  WARNING SRM9000 radio equipment is to be connected only to 12-volt negative earth systems. In vehicles with a 24-volt supply, an approved 24V/12V converter must be used.  The supply must not be taken from a 12V tap on the battery. WARNING To avoid RF injury, do not touch the Antenna when the Transmitter is in use. WARNING Double-fused 12V Supply Leads, Antenna cables and Speaker wiring is to be routed as far away as possible from gas or fuel lines or any electronic control device.  The radio transceiver and antenna are to be mounted as far away as possible from these devices and their cabling. Equipment is to be installed, by a competent person, in accordance with the requirements of local radio communications authorities and/or Health and Safety regulations. Post installation checks should be performed to ensure that there is no effect on the operation of the vehicle’s electronics. WARNING Do not operate your radio, without a handsfree kit, whilst driving a vehicle. WARNING Do not operate your radio in an explosive atmosphere. Obey the “Turn Off Two-way Radios” signs where these are posted, e.g. on a petrol station forecourt. WARNING Compliance with RF Energy Exposure Standards: To minimise exposure to RF fields during equipment service and repair, the antenna terminal of the SRM9000 radio should be connected to a suitable non-radiating RF load when the transmitter is in use.
 Page vi TNM-M-E-0001 Issue 3 GLOSSARY OF TERMS A summary of common radio terms and some other terms used in this document, and their meanings, are given below.  3RP  Trunking Signalling Specification relating to trunked networks for shared use. Used primarily for networks in France. ADC  Analogue to Digital Converter. AFC  Automatic Frequency Control. AGC  Automatic Gain Control. Alarm  A selcall sequence sent from a subscriber equipment to indicate an Emergency situation.  When activated the radio will enter a repeating sequence consisting of an Alarm Live Transmit Time and an Alarm Dead Receive Time. Certain special conditions for the radio may also occur during the alarm - see Conditions during Alarm. A dedicated SFM (trunked system) that is sent by pressing the Alarm Key. ANN  Abbreviation for Algorithmic Network Numbering. This is the numbering system where the numbers presented to the radio user can be mapped directly to the MPT1327 PFIX/IDENTs and vice versa by use of a fixed algorithm in combination with some other customisation parameters.  See also FPP and MEP. Auto Interrogate  An Acknowledge identity sent as a response to an individual reset call. Automatic Power  Feature whereby the transmit power is automatically set to a level determined by the level of the received signal. This is used to extend the battery life of a Portable. Automatic Volume  Feature whereby the background audio level is monitored and if this is found to be noisy then the volume level is increased to compensate, allowing the user to hear better. Background Hunting  The searching for an alternative and 'better' control channel whilst already on a valid control channel. BCAST  MPT1327 broadcast message. Used to transmit information about the trunked radio system to radio units. Busy  The state of a channel such that: •  For a non-signalling channel - if Busy this means that the carrier is above squelch. •  For a channel with CTCSS/DCS - if Busy this means a signal is being received with either no CTCSS tone / DCS code or the correct CTCSS tone /DCS code. •  For a channel with Selcall - if Busy this means a closed channel where the signal is above squelch.   A feature that equates to 'Do Not Disturb' such that the radio will reject all non-emergency calls. This feature can be activated using the Busy key (if assigned) or from a menu; it is reset to disabled at switch on. C4FM  Compatible 4-Level Frequency Modulation. Call Back  A request, sent by the dispatcher, to a unit requesting that the unit calls the dispatcher back. CCSC   Control Channel System Codeword.
      Page vii TNM-M-E-0001 Issue 3 Channel Spacing  The distance (in Hz) between the defined frequency channels.  CHEKKER  System Interface Specification for Trunked Networks in Germany. CLIM  Call Limit Time; time limit on calls made. Normally this is defined by the Call Time Limit parameter but can by overridden by the TSC depending upon the setting of TSCLIM. CLIME  Emergency Call Limit Timer. Clipboard  A temporary storage area in Windows used to store data in cut, copy and paste operations. Closed  A state where transmit and receive are not allowed until a Selcall message to open the channel has been received. A Closed Channel is one which defaults (when selected or after timed reset) to its closed state. Contrast with Open. Normally a Closed channel would have Selcall Mute and PTT Inhibit would be enabled. CODEC  COde (Analogue to Digital Converter) / DECode (Digital to Analogue Converter). Community Repeater  A communications set-up whereby different groups of radios can operate by using only one base station. This is achieved by the use of CTCSS tone signalling such that each group has a different CTCSS tone (encode and decode) and radios can only communicate with other radios in their group. Only one group of radios can use the base station at any one time. Continuous  A continuous control channel is one that is only used by one site. There are no breaks in the transmission of signalling. Emergency Call Time Limit Control Channel  A channel used for the transmission of messages that enables the TSC to control radios. Control channels may either Continuous or Timed Shared. Control Channel Burst  A feature that enables control channel burst transmissions on systems using time-shared control channels. It is unavailable if the control channel acquisition type is not 'Time Shared'. To make available: go to Control Channel Acquisition Type and set to Time-shared. CTCSS  CTCSS stands for Continuous Tone Controlled Signalling System. A continuous tone (lower than the audio range of the receiver) is modulated onto the carrier as well as other signalling or voice traffic. Compare with DCS. Only receivers which have been instructed to recognise the same CTCSS tone are able to receive the transmissions, since the squelch of receivers looking for different CTCSS tones prevents the audio from being heard. This provides a simple method of sending messages to selected receivers only and allows several different networks to use the same frequencies. CTCSS is also known as Tone Lock or Tone Squelch. DAC  Digital to Analogue Converter. Dash (-) digits  Digits known as 'No Tone' digits used in Selcall Identities. DCS  Digital Coded Squelch system is based on sending a continuous stream of binary codewords using, low deviation, direct frequency shift keying. Only receivers which have been instructed to recognise the same DCS sequence are able to open their squelch and receive the associated speech transmissions. This provides a simple method of sending messages to selected receivers only and allows several different networks to use the same frequencies. Decode  Reception of signalling. Either Selcall where encoded tone frequencies are decoded and identified as specific tones digits or CTCSS/DCS where tones are analysed to see if the channel should be opened. Demanded  Demanded Registration; a procedure in which the TSC forces a single radio unit to attempt registration immediately (providing the radio is not already attempting to register).
 Page viii TNM-M-E-0001 Issue 3 Disabled  The 'False' state of a parameter. That indicates this parameter is not active. Typically this state is represented by an unmarked check box. Compare with Enabled. DSP  Digital Signal Processor. DTMF  Abbreviation of Dual Tone Multi-Frequency signalling. Used to dial into Telephone networks using tone dialling. Dual Watch  A facility that enables the Radio to periodically monitor another channel for a signal above squelch. Typically applications are checking an emergency channel whilst on another channel. Dynamic User Groups  These groups use a temporary user Ident to group a number of units together who would not normally make up a group. These groups are formed by the TSC (contrast with User Defined Groups) sending a special message to units instructing them to add a new group Ident to their list of groups. Up to 8 groups can be defined. These temporary groups are lost at switch off unless 'Save Groups at Switch Off' is enabled. Economiser  A process by which the Receiver is powered down whilst there is no received signal. Periodically the receiver is powered up to check for such a signal. This is used to extend the battery life of a Portable. Enabled  The 'True' state of a parameter. That indicates this parameter is active. Typically this state is represented by a mark (either a tick or a cross) in a check box. Compare with Disabled. Encode  Transmission of signalling. Either Selcall where selcall tone digits are encoded into tone frequencies or CTCSS/DCS where tones modulated onto the channel's carrier. ETS  European Technical Standard. External Alert  A facility for switching on various ancillary devices to meet customer's individual requirements (e.g. car horn, flashing lamp etc.) when 'called'. Only available on a mobile radio. To make available: go to Hardware Components, Terminal Settings and set Product Type to a Mobile type. Fallback  A mode of operation that may be entered when the Network is suffering a malfunction. During this mode certain facilities (e.g. PSTN) may not be available. FFSK  Fast Frequency Shift Keying. This is a signalling system for the transfer of digital information. It works by using one of two audio tones to represent data being transmitted. Fleet  A group of units formed such that only a shortened form of dialling (2 or 3 digits) is required between them. These groups are normally assigned contiguous ident's. FOACSU  Full Off Air Call Set Up. A method of call set-up where the calling party has to manually answer the incoming call before the trunking system will allocate a traffic channel to the call. This reduces the loading on traffic channels as it prevents them being allocated to calls when the called party is not present to deal with the call. FPGA  Field Programmable Gate Array. FPP  Field Personality Programmer.
      Page ix TNM-M-E-0001 Issue 3 Hash (#) digits  These digits are used for two purposes:  •  For Selcall identities (encode and decode) - known as User Id digits. These digits are replaced by the user id entered at switch on (if enabled) •  Use in DTMF dialled strings - their use is network dependent to access special services. IDENT  A 13 bit number used for Identification purposes. Associated with a Prefix (PFIX) this forms a 20 bit address which is used for identification purposes in signalling between the radio and the trunking system. Identity  Name given to a sequence of tones which is used in sequential tone signalling. See Valid Selcall Digits. Idle State  The state of the radio when it is not in a call. Inaccessible  A state of a channel such that it is unavailable to the user through normal methods of channel selection. Therefore inaccessible channels will not appear on the channel menu. Include Calls  These type of calls are used to allow a 3rd party to join into an existing call. Link Establishment   A delay incorporated into the start of every selective call  or DTMF transmission  Time   which allows for the finite delay of the radio equipment in responding to any radio signal. This includes both the commencement time of the originating transmitter and the response time of the receiver.  Locked  A state of a channel whereby it is not possible to change channels using the normal up/down keys on the channel menu until the OK key is pressed. See Auto Channel Selection Lock. MEP  Miniaturisation Extent Parameter. Used in systems that use ANN numbering. Modifier  Part of a dialled string that modifies the nature of the call made to a number (e.g. dialling "*9" before the number that is to be dialled will modify the call to be an emergency call). MPT1327  A signalling standard for Trunked Private Land Mobile Radio Systems. Defined for systems in the UK but also used outside the UK. Issued January 1988. MPT1343  A System Interface Specification for commercial Trunking networks. Defined for systems in the UK but also used outside the UK. Issued January 1988. NDD  Network Dependent Data. This is a field within the CCSC codeword that is used by the trunking system to identify information about the trunking network and, in particular, information specific to the site that is radiating the control channel. It is used by the radio when it is acquiring a control channel to identify valid channels.  Null Id  A selcall identity that is not defined and whose tones' field is displayed as a blank. Open  A state where transmit and receive are allowed. The channel is no longer open when reset. Contrast with Closed. Normally an Open channel would not have Selcall Mute and PTT Inhibit would be disabled. OPID  Network Operator Identity used in Regional Systems. See Roaming. PABX  Private Automatic Branch Exchange.
 Page x TNM-M-E-0001 Issue 3 Password  An optional password system available on the radio. This feature is only available if the radio does has a display and a keypad. To make available: go to Hardware Components, Terminal Settings and set Product Type to one which has a display and a keypad. PFIX  The 7 most significant bits of an MPT1327 address number. Normally same fleet units have same prefix. Relates to individual and group address numbers. PLL  Phased Locked Loop. PMR  Private Mobile Radio (not normally trunked). Priority Channel  A channel in a search group that is scanned between every other channel. PSD  Peak System Deviation. PSTN  Public Switched Telephone Network PTT  Press To Talk. This is the term given to the operator’s key normally used to commence transmitting a message. PTT Inhibit  A state whereby transmission using the PTT is not allowed. Also know as Tx Lockout. Queuing  The storing of an Selcall Identity for later transmission. If inhibited from transmitting a selcall sequence because the channel is busy then the radio can queue the Send 1 / Send 2 sequence for later transmission. When a radio unit is in Queuing mode all incoming calls are stored automatically in a queue for later examination. The caller is given an indication that the call has been queued by the called party. The queue will contain the identity of the caller and the status value received (if a status call). Up to 20 calls may be queued. The Queuing mode may be selected using the Modes Menu. Note: Connecting a MAP27 device to a radio that is in queuing mode will disable queuing.  All incoming calls will then be routed both to the radio user interface and to the MAP27 device connected to the radio. Also known as Logging Mode Reference Frequency  Normally this is generated from a high stability crystal oscillator reference and is divided digitally in a frequency synthesiser for comparison with other frequency sources, e.g. a VCO. Registration  Registration is a technique used to ensure that the trunking system knows the location of radio units that are using the system. This allows the system to setup calls quickly without having to search the whole system for the called radio. Repeat Tone  A selcall tone that is used to replace repeated tones. Fixed at tone E. Example: An identity entered as '12333' would be sent by the radio as '123E3'. Reset  Resetting is caused by Three Tone Reset, a Remote Reset, an Individual reset or a Group reset (Call Types in Decode Identity). When a radio is reset the effect on the radio will be as follows: •  Any Call Alerts will be stopped •  The Call LED flashing will stop •  If the channel is in Open mode then the channel is closed •  The PTT is optionally inhibited see PTT Inhibit After Reset Sequence. •  In searching - if paused on a selcall channel then searching resumes •  If the Acknowledge property of a Decode Identity is set to 'Auto Interrogate' or 'Transpond & Auto Interrogate' then the Auto Interrogate encode identity is transmitted.
      Page xi TNM-M-E-0001 Issue 3 Roaming  This is a process that allows changing between regional trunking systems which have different Operator Identities (OPID 's). Not allowed on MPT1343 Systems. RSSI  Received Signal Strength Indicator. Scanning  Process of switching between the channels in the nominated search group in cyclic sequence, stopping when the search condition (which may be to look for either a free or a busy channel) is satisfied. SDM  Short Data Message. Search Group  A group of channels that are either scanned for a signal above the search threshold or are compared and voted for the strongest signal Selcall  Selective Calling - a system of signalling which allows 'dialling up' of specific mobiles, portables and controllers. Such a system may be used to pass messages as a data message to a specific user or group of users. It can be used to provide remote switching facilities and to provide access control into community repeaters or similar devices. Selcall Mute  A state of the audio gate whereby the loudspeaker is muted (closed). Selcall System  Selective Calling, uses a tone sequence at the start, and end, of a call to control which members of a fleet react to the transmission. SFM  Short Form Memory. Sidetone  Sidetone is the audio which can be (optionally) heard when Selcall, DTMF and toneburst transmissions are made. Simplex  Mode of operation whereby the radio operates as a conventional fixed channel radio outside the Trunking network. Squelch  System used to prevent weak, unintelligible signals and random noise from being heard by a radio operator while still allowing intelligible signals to be received normally. This is accomplished by the use of a threshold below which any received signals are ignored. Only signals whose signal-to-noise ratio is above the squelch level cause the audio circuits of the radio to be enabled, with the result that only satisfactory signals are received. The squelch level is specified in SINAD. Star (*) digits  Digits known as Status or Message digits. These digits are used for three purposes:  •  Status Digits for Selcall Identities •  Wildcard digits in Status strings •  Use in DTMF dialled strings - their use is network dependent to access special services. Status  A feature whereby a radio's status (or usually the status of the radio's user) can be transmitted and a status message from other radios can be displayed. This operates through status digits in selcall identities. Either in Encode Identities or Decode Identities as follows: Encode Identities: Status digits within the identity are used to transmit the current situation of the radio's user (E.g. "Out To Lunch"). Decode Identities: Status digits are looked up in a table (Status Menu) for possible messages to display. SW  Software. SYS  System Identity Code part of the CCSC. TCXO  Temperature Compensated Crystal Oscillator.
 Page xii TNM-M-E-0001 Issue 3 Temporary  Temporary Registration; a process carried out by the Dispatcher due to some system failure that prevents it from carrying out normal registration. The radios will recognise this temporary registration mode but will otherwise use the network in the same way as if they were registered. They may be required to re-register when normal registration mode is resumed. Three Tone Reset  This is a system whereby a call to a user automatically reset all other users in a group. Example: a call to user '12345' would call 12345 and reset all other users on this channel with an identity 123nn where n can be any digit 0-9, A-F. Timed Reset  Facility that causes the Radio, after a certain period of time, to restore current channel to it's initial condition e.g. if it was previously searching it will resume searching. Time Shared  A time-shared control channel is one which is used by more than one site. This allows a wide coverage area to be obtained using only one frequency.   The forward channel from the TSC to the radio is divided into timeslots. Each site using the channel is allocated one timeslot in which to transmit and send signalling.  Therefore, when on a timeshared channel. the radio may be able to receive bursts of signalling from different sites at different signal strengths and may receive periods when no signalling is received.  Depending on the type of system, the radio may be able to perform transactions with any site it can receive from or only with a specific site. TMR  Trunked Mobile Radio. Tone Burst  An audio tone is transmitted at the start of transmission to inform a relay (repeater) station to switch itself on to relay the transmission. Transpond  An Acknowledge identity sent as a response to an individual call. TRAXYS  Air Interface for the PTT Telecom Trunked Radio Network, used in the Netherlands. TSC  Trunking Site Controller. Central control required for the Trunking System to function. Controls base stations. Tx Inhibit  A facility which prevents the user from transmitting,(other than alarms), while the channel is Busy. UMP  User Memory Plug. A special device which contains the customisation data for the radio. If this is removed then this can cause the radio to behave in a number of ways. User Defined Groups  These groups are set up by the user (contrast with Dynamic User Groups) when the user desires to be included, temporarily, in an existing group. Up to 8 groups may be defined (in addition to the Network group Idents defined by Network Group Numbers). This feature is only available if User Defined Groups parameter is enabled. These temporary groups are lost at switch off unless 'Save Groups at Switch Off' is enabled. User Identity  This is a sequence of up to four digits entered by the user when the Radio is switched on, if this option is programmed. These digits are then substituted into any transmitted selcall identity which includes # digits. VCO  Voltage Controlled Oscillator. Vote  Method used to compare the signal strength on a current channel with another specified channel and then to choose the channel having the stronger signal.
      Page xiii TNM-M-E-0001 Issue 3 Voting  Feature used during searching when there is more than one channel which satisfies the required conditions. It involves examining all the channels which satisfy the required conditions, and then selecting the channel with the highest signal strength. VOX  Voice Operated Transmit.
 Page xiv TNM-M-E-0001 Issue 3 (Intentionally Blank)
      Page xv TNM-M-E-0001 Issue 3 Table of Contents  DECLARATION............................................................................................................................................III COPYRIGHT ................................................................................................................................................III ERRORS AND OMISSIONS ........................................................................................................................III DOCUMENT HISTORY............................................................................................................................... IV LIST OF ASSOCIATED PUBLICATIONS .................................................................................................. IV WARNINGS AND CAUTIONS ..................................................................................................................... V GLOSSARY OF TERMS............................................................................................................................. VI TABLE OF CONTENTS.............................................................................................................................XV 1. INTRODUCTION..............................................................................................................................1.1 1.1 GENERAL......................................................................................................................................1.1 1.2 SCOPE..........................................................................................................................................1.1 1.3 DESCRIPTION................................................................................................................................1.1 1.4 PRODUCT VARIANTS AND FACILITIES .............................................................................................1.2 1.5 SOFTWARE VERSIONS AND NAMING ...............................................................................................1.5 1.5.1 Filename Structure.................................................................................................................1.5 1.5.2 Application Code ....................................................................................................................1.5 1.5.3  Software Type Code ..............................................................................................................1.5 1.5.4 Version Number .....................................................................................................................1.6 1.5.5 Exclusions ..............................................................................................................................1.6 1.5.6  Displaying Software Versions.................................................................................................1.6 1.5.7 Automatic Version Upgrade Prompting..................................................................................1.7 1.5.8  Transceiver SW Description, Start-up and Backup-Software................................................1.8 1.5.9  Wailing Siren (Boot-up Software Corrupted)..........................................................................1.8 1.6 ADJUSTMENT AND ALIGNMENT.......................................................................................................1.9 1.7 TORQUE SETTINGS........................................................................................................................1.9 1.8 SPECIFICATION..............................................................................................................................1.9 1.8.1 General ..................................................................................................................................1.9 1.8.2 Transmitter...........................................................................................................................1.10 1.8.3 Receiver...............................................................................................................................1.11 1.8.4 Signalling..............................................................................................................................1.12 1.8.4.1 CTCSS..................................................................................................................1.12 1.8.4.2 FFSK.....................................................................................................................1.13 1.8.4.3 Selcall ...................................................................................................................1.13 1.8.4.4 DTMF....................................................................................................................1.15 1.8.4.5 DCS ......................................................................................................................1.16 1.8.4.6    C4FM………………………………………………………………………………………1.2  1.8.5 Environmental ......................................................................................................................1.17 2. SERVICE PHILOSOPHY .................................................................................................................2.1 2.1 SERVICE CONCEPT........................................................................................................................2.1 2.2 WARRANTY ...................................................................................................................................2.1 2.2.1 Service Within and Out Of Warranty......................................................................................2.1 2.2.2 Ancillary Items........................................................................................................................2.1 2.3 SOFTWARE POLICY .......................................................................................................................2.1 3. TECHNICAL DESCRIPTION...........................................................................................................3.1
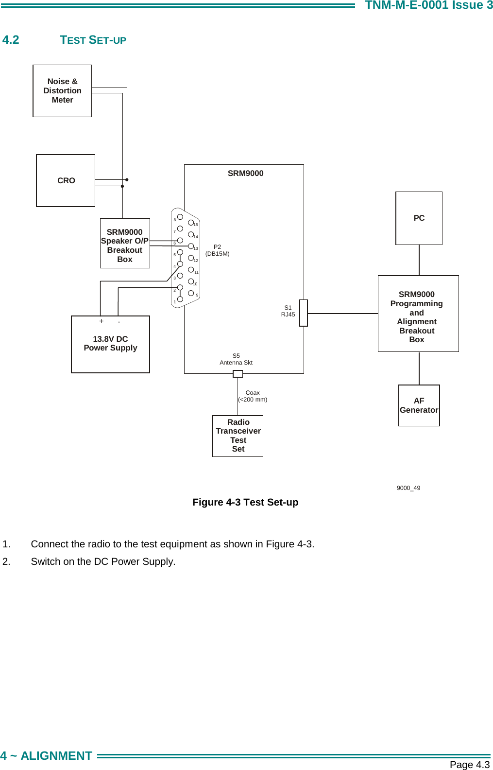
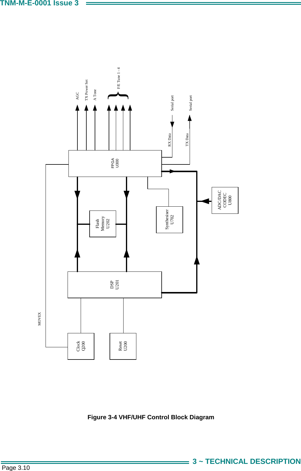
 Page xvi TNM-M-E-0001 Issue 3 3.1 RECEIVER.....................................................................................................................................3.1 3.1.1  Front End Filters and RF Amplifier.........................................................................................3.1 3.1.2  First Mixer and IF Section......................................................................................................3.1 3.1.3 Quadrature Demodulator .......................................................................................................3.1 3.1.4  Receiver Audio Processing....................................................................................................3.3 3.2 TRANSMITTER ...............................................................................................................................3.4 3.2.1 Drivers and PA Stages...........................................................................................................3.4 3.2.2 Power Control ........................................................................................................................3.4 3.2.3  Antenna Changeover and Harmonic Filter.............................................................................3.4 3.2.4  Transmitter Audio Processing................................................................................................3.4 FREQUENCY SYNTHESISER .......................................................................................................................3.6 3.2.5 General ..................................................................................................................................3.6 3.2.6 PLL.........................................................................................................................................3.6 3.2.7 VCO .......................................................................................................................................3.6 3.2.8  Negative Bias Generator and Loop Filter...............................................................................3.6 3.2.9 Phase Modulator....................................................................................................................3.6 3.2.10 Reference  Oscillator ..............................................................................................................3.7 3.3 CONTROL .....................................................................................................................................3.9 3.3.1  DSP and FPGA......................................................................................................................3.9 3.3.2 DSP Clock Oscillator..............................................................................................................3.9 3.4 MEMORY ......................................................................................................................................3.9 3.5 POWER SUPPLIES .......................................................................................................................3.11 3.5.1  Power On Function ..............................................................................................................3.11 3.5.2 Power Supplies ....................................................................................................................3.11 3.5.2.1 +8V Regulator U900.............................................................................................3.11 3.5.2.2 +5V Regulator U901.............................................................................................3.11 3.5.2.3 +3.3V Regulator U912..........................................................................................3.12 3.5.2.4 +2.5V Regulator U903 .........................................................................................3.11 3.5.2.5 Negative Power Supply U904E/F .........................................................................3.12 4.  ALIGNMENT (LEVEL 3 SERVICE ONLY)......................................................................................4.1 4.1 TEST EQUIPMENT..........................................................................................................................4.1 4.2 TEST SET-UP ................................................................................................................................4.3 4.2.1  COMMS Set up......................................................................................................................4.4 4.2.2 Radio Preparation ..................................................................................................................4.5 4.2.3 Alignment Procedure .............................................................................................................4.6 4.2.3.1 VCO DAC Alignment ..............................................................................................4.6 4.2.3.2  TCXO (Radio Netting Adjustment) .........................................................................4.7 4.2.3.3  RX Front End.............................................................Error! Bookmark not defined. 4.2.3.4 Mute Adjustment.....................................................................................................4.9 4.2.3.5 RSSI .....................................................................................................................4.10 4.2.3.6 TX Power..............................................................................................................4.11 4.2.3.7 Modulation ............................................................................................................4.12 4.2.3.8 Programming........................................................................................................4.13 4.2.3.9 Customers Radio Configuration Data...................................................................4.13 5. REPLACEABLE PARTS..................................................................................................................5.1 5.1 COMMON PARTS ...........................................................................................................................5.1 5.2 BAND-SPECIFIC PARTS .................................................................................................................5.2
      Page xvii TNM-M-E-0001 Issue 3 APPENDICES  APPENDIX A ~ TRANSCEIVER CONNECTIONS APPENDIX B ~ SRM9010 MICROPHONE APPENDIX C ~ SRM9020 MICROPHONE APPENDIX D ~ SRM9025 HANDSET APPENDIX E ~ SRM9030 CONTROL HEAD APPENDIX F ~ ANCILLARIES
 Page xviii TNM-M-E-0001 Issue 3   (Intentionally Blank)
       Page  1.1 1 ~ INTRODUCTION TNM-M-E-0001 Issue 3 1. INTRODUCTION 1.1 GENERAL The SRM9000 series of FM mobile radio transceivers is designed for PMR and Trunked operation in VHF and UHF radio systems. The system is available in a number of functional variants.  Each variant uses the standard SRM9000 mobile transceiver, which is software configured for different control ancillaries.  The software configuration together with the type of controller (Basic or Enhanced microphone, Handset, or Alphanumeric Control Head) determines the radio features for the different variants as follows.  PMR/Trunked Basic Telemetry Transceiver No Display or Control Head.  SRM9005 Low Range Version with Basic Fist Microphone.  SRM9010 Mid Range Version with Enhanced Alphanumeric Fist Microphone.  SRM9020 High-end Version with Alpha Display Handset.  SRM9025 System Level Remote Control Head with Alpha capability and Handset / Fist Microphone / Desk Microphone options.  SRM9030 1.2 SCOPE This manual provides technical specifications, description and servicing details for the SRM9000 series of mobile radio transceivers together with the related microphones and control heads. Unless specifically stated otherwise, the text and illustrations refer to all versions in the series. 1.3 DESCRIPTION The design concept utilises wide band analogue techniques for RF transmit and receive circuitry with digital signal processing analog or digital modulation and demodulation.  Electronic tuning is used throughout the mobile to eliminate manual tuning and level adjustment. A Digital Signal Processor (DSP) and a Field Programmable Gate Array (FPGA) are used with other dedicated devices in the SRM9000 to perform the following functions under software control: •  Frequency Synthesis of all operating frequencies. •  Modulation and demodulation of 10/12.5/20/25kHz FM signals on a per channel basis. •  Modem functionality for specified data modulation schemes. •  Filtering, pre-emphasis, de-emphasis, limiting, compression, muting, CTCSS, Selcall or any other frequency or level dependent signal modification. •  Serial communications with the Control Ancillaries and Alignment Tool. •  Tuning Control data for TX and RX. The SRM9000 Transceiver comprises a rugged extruded aluminium sleeve, which houses a single printed circuit board assembly and provides all heatsink requirements.  The sleeve housing is closed at each end by high-impact plastic end caps; all cable ports and mechanical interfaces are sealed against moisture and dust ingress.   The PCB assembly comprises a single, multi-layer PCB containing all the RF and control circuitry.  The PCB seats on an extruded aluminium tray that slides into the outer aluminium sleeve where it is secured with screws accessed from the outside of the case.  Provision is made under the main PCB tray assembly for additional hardware options. There are two installation methods available for the SRM9000.  The outer aluminium extrusion has side flanges that allow the mobile to be bolted directly to any flat surface in the vehicle. A quick release cradle is also available.
 Page 1.2 TNM-M-E-0001 Issue 3 1 ~ INTRODUCTION 1.4 PRODUCT VARIANTS AND FACILITIES Product variants and facilities are detailed in Table 1-1, Table 1-2 and Table 1-3.  Table 1-1 Common Features for All Variants  Feature: Model: 9005 9010 9020 9025 9030 Control  None or Serial or Parallel if Option Board Display Microphone   Display Microphone   Display Handset  Control Unit with Microphone  Display  -  1 digit LED  6 char LCD  2x12 char LCD  8x14 char  graphic LCD Adjustable Display Illumination - - Yes Yes Yes  Buttons and Keys  - Vol Up/Down Select 1 Function Vol Up/Down 4 Function Scroll Up/Down Vol Up/Down 6 Function 12 Keypad  Send/End Menu + Scroll 6 Function 12 Keypad  Send/End Menu + Scroll  Speaker  -  Yes Yes Yes* Yes* Frequency Bands  66-88MHz,  136-174MHz, 174-208MHz,  208-245MHz,  335-375MHz, 400-450MHz,  440-512MHz,  470-530MHz Channel Spacing  10/12.5/20/25kHz Menu driven  - - Yes Yes Yes Customisable Menus  - - Yes Yes Yes * Note:  Handsets have a built-in earpiece therefore an external speaker is optional.
       Page  1.3 1 ~ INTRODUCTION TNM-M-E-0001 Issue 3  Table 1-2 Conventional-PMR Variants  Feature: Model: 9005 9010 9020 9025 9030 Channels  1000 10  100 + 1000 1000 Signalling  CTCSS / DCS  CTCSS / DCS ANI  CTCSS / DCS Selcall  CTCSS / DCS Selcall   CTCSS / DCS Selcall  Attack Operation  -  Yes Yes Yes Yes DTMF Encode  -  Fixed Seq  Fixed Seq  Yes  Yes PTT Limit Timer with warning beeps Yes PTT Inhibit on Busy  Yes Voting  Yes Scanning  Yes  10 fixed groups  124 fixed,  4 user 124 fixed,  4 user 124 fixed,  4 user Priority Scanning  Yes Nuisance Delete  - - Yes Yes Yes Multiax  Yes Mod/Demod Fctn  Option - - - - Ignition Sense Input  Yes VOX Handsfree  Option Option Option Yes  Option General External IO  Option Option Option Option Option 600 Ohm Interface  Option Option Option Option Option Internal GPS  Option Option Option Option Option
 Page 1.4 TNM-M-E-0001 Issue 3 1 ~ INTRODUCTION Table 1-3 Trunked Variants  Feature: Model: 9005 9010 9020 9025 9030 Channels  1024 channels in 50 sub-bands Frequency Bands  Specifically :  136-174MHz,   400-450MHz  (and possible in all other bands) Background Hunt and Vote-Now Yes Yes Yes Yes Yes MPT1343 dialstrings  Yes Yes Yes Yes Yes ANN Numbering  - - - Yes Yes Memories  250 10  100+ 250 250 User Phonebook  -  -  Yes Yes Yes Alpha Status List  -  -  Yes Yes Yes SDM/EDMs  Yes -  -  Yes Yes NPDs  Yes -  -  TBA TBA Mod/Demod Fctn  Option - - - - Attack Operation  Yes Yes Yes Yes Yes Ignition Sense Input  Yes Yes Yes Yes Yes VOX Handsfree  Option Option Option Yes*  Yes* General External IO  Option Option Option Option Option 600 Ohm Interface  Option Option Option Option Option * Note:  Requires external microphone for optimum performance.
       Page  1.5 1 ~ INTRODUCTION TNM-M-E-0001 Issue 3 1.5 SOFTWARE VERSIONS AND NAMING There are various associated items of Software (SW) required for the SRM9000 radio and programmer to operate.  This section simply defines the naming rules of the SW files to allow identification and conformity.   This allows different versions of SW to be distributed and co-exist without confusion. The SRM9000 Transceiver has three items of SW for digital and analog PMR, Trunking and Alignment.    The 9030 Control Head has two SW files for its Flash and EEPROM. 1.5.1  Filename Structure Basically the Filename Structure is defined as follows: •  2-character Application code •  2-character SW Type code •  3-character version number •  File Extension as required. eg.  9kTm103.BIN   9kP_105.BIN   9kS_103.BIN   9kCf101.HEX   9kCe101.HEX  1.5.2  Application Code This identifies the application the SW was initially designed for:   9k     =   Standard SRM9000 Software   Rw   =   Specific SW for Raywood Taxi Applications  1.5.3  Software Type Code This identifies different types of SW within an application.   Td   =   Trunk Data   =   9005 Transceiver-only code   Tb   =   Trunk Basic   =   9010/20 Basic Mic code   Tm   =   Trunk MPT   =   9025/30 MPT-Numbering code   Ta   =   Trunk ANN   =   9025/30 ANN-Numbering code   P_   =   Conventional PMR code   S_   =   Startup code (for alignment and startup)   Bo   =   Transceiver Boot-code   Bc   =   Transceiver Boot-Backup-code   Bf   =   Transceiver FPGA-code   Ba   =   Transceiver FPGA-Backup-code   Cf    =   9030 Control Head FLASH code   Ce   =   9030 Control Head EEPROM code   Cp   =   9030 Control Head PIC code
 Page 1.6 TNM-M-E-0001 Issue 3 1 ~ INTRODUCTION 1.5.4  Version Number This is a 3-digit number allocated by Engineering to identify the SW version. e.g.   103   =   Version 1.03  1.5.5  Exclusions The Programmer SW does not follow the above rules as it is a PC based Program and its version number can be easily identified by starting the SW.  Later releases of SW will be backward compatible, unless deliberately not so, in which case a different directory structure/path may be implemented.  1.5.6  Displaying Software Versions Each Transceiver SW code file (e.g. 9kTm258.BIN, etc.) contains version information about itself and possibly compatible Programming SW.      For Radio SW saved on Disk, this information can be displayed via the Programmer function:   Options : Upgrade_Software : Get_File
       Page  1.7 1 ~ INTRODUCTION TNM-M-E-0001 Issue 3 For Software loaded in the radio, information can be read from the Transceiver and displayed via the Programmer function:   Options : Radio_Information            SRM9030 Control Head SW can be displayed on the Control Head by holding the ‘3’ button down when the radio is switched on.  This is only implemented in CH V1.06 SW (Oct/2000) and later. SRM9025 Handset SW has a similar method of Version identification.  SRM9020 Microphone SW has a similar method of Version identification.  SRM9010 Microphone does not have any method of determining loaded SW.  There is only one version of this SW in the field. 1.5.7  Automatic Version Upgrade Prompting When a configuration is downloaded to the Transceiver, the Programmer performs a brief check on the SW currently installed in the radio.   If a later version of SW exists (on PC hard-disk) then the Programmer will prompt the user with the following message:  If YES is selected, the Transceiver Radio code is updated before the new configuration is downloaded. If NO is selected, only the configuration is downloaded. This only applies for standard SRM9000 SW  - i.e. for Startup-Code (9kS_….BIN), Trunking-Code  (9kTa…, 9kTm…, 9kTb…, 9kTd….BIN) and PMR-Code (9kP_….BIN).  This process also updates the Startup-Code code to ensure it is compatible with the loaded PMR or Trunk-Code. Note :  If the …\SRM9000\FPP\RadioSW folder contains no files, then the above check will not be performed.
 Page 1.8 TNM-M-E-0001 Issue 3 1 ~ INTRODUCTION 1.5.8  Transceiver SW Description, Start-up and Backup-Software The SRM9000 Transceiver software is split into the following separate modules: •  Bootloader and Backup Software •  Start-Up Software •  FPGA and FPGA-Backup Software (FPGA = Field Programmable Gate Array) •  Mainline PMR Software •  Mainline Trunk Software When the Transceiver starts, it basically performs the following steps: •  Initial execution starts with the Bootloader code, which attempts to load the Start-Up Software (if Start-Up checksum is bad, then the Backup Software is loaded.) •  Start-Up Software then downloads the FPGA code (or FPGA-Backup code if FPGA checksum is bad) to the FPGA device. If both FPGA and FPGA-Backup checksums are bad then the radio is not operational and serial communication is not possible. •  Start-Up Software then reads the On/Off switch plus Ignition-Sense lines and compares these with saved parameters to determine if the radio should be continue to power-up or switch itself off again. •  Start-Up software then attempts to load either PMR or Trunk Mainline Software (dependent on saved parameter) and switches execution to complete the power-up process and start normal operation. If the Mainline Software cannot be loaded, or a Jobfile configuration has not been loaded (e.g. non-existent or checksum fail) then execution switches to Backup Software until the error is corrected (e.g. by FPPing the radio).   There are three states that the radio can configure after switch-on: •  Mainline Trunk Software or Mainline PMR Software (normal power-up) If the radio does not have a valid Jobfile configuration loaded, then it will display a “No PMR Cfg” or “No TMR Cfg” message. •  Start-Up Software (characterised by “Alignment Mode” shown on the display).  This is also the code that is running when the radio is being aligned using the Alignment Tool. •  Backup Software (via various paths from above.) 1.5.9  Wailing Siren (Boot-up Software Corrupted) A “WAILING SIREN” sound is emitted from the Loudspeaker while the radio is running in Boot Backup Software.  In this mode the FPP can be used to re-load a Jobfile, or re-load Start-Up or Mainline Operating Software. Simply writing a Jobfile to the radio should allow the FPP to determine and update the offending software – however there may be instances where the FPP cannot determine this and the Start-Up and Mainline Software should be updated manually.  This can be done using the FPP : Upgrade_Software : Get_File … then Download.  Both Start-Up Software (filename = 9kS_xxx.BIN) and Mainline PMR (9kP_xxx.BIN) or Trunk (9kTxxxx.BIN) should be loaded if the FPP cannot automatically fix the problem.  The wailing siren should stop once the problem is fixed.  Note 1: Backup Software prior to V1.05 (~Apr 2000) does not enable the +13.8V power line to the Control Unit / FPP-Cable.  This means that when the wailing Siren tone is present, power needs to be externally supplied to the FPP Cable in order to re-load any Software.  Note 2: Backup Software V2.10 (~Oct 2000) improved operation protecting the radio FLASH from irrecoverable corruption if a download was inadvertently terminated prior to completion.  Care should be exercised when programming radios operating in Backup Software (i.e. with wailing siren sounding) prior to V2.10, so that downloads are not aborted accidentally.
       Page  1.9 1 ~ INTRODUCTION TNM-M-E-0001 Issue 3 Note 3: Shorting pin-2 (to ground) of the main FLASH Memory IC, when power is applied to the radio, will also force the radio to startup in Backup Software.  This may be useful in some situations. Note 4: Should these steps fail to restore the set and the Wailing Siren cease, the radio will need to be returned to a Level 3 Service Centre for FLASH replacement.  1.6   ADJUSTMENT AND ALIGNMENT There are no manual internal adjustments in the SRM9000.  Re-programming and alignment is done with the unit installed using software tools.  For servicing, the radio PCB can be operated as a stand alone unit provided a temporary heatsink is fitted under the transmitter PA module for transmitter servicing and that the receiver audio output be kept below 100mW for receiver servicing. Radio performance is not adversely affected by operating without the outer sleeve but there will be some change to performance when the metal cans are removed from the RF sections of the board. On re-assembly, the PA module should be checked for a thin layer of heat-conducting paste. If this is missing or dried-out, it should be replaced prior to re-assembly.  1.7 TORQUE SETTINGS Assembly of 'Chassis' (Inner Extrusion) to 'Outer Extrusion'  8-10 Lb/In (0.90 - 1.13 Nm). Assembly of 'Front' and 'Rear' end-caps to 'Outer Extrusion'  13-14 Lb/In (1.47 - 1.58 Nm).   1.8 SPECIFICATION 1.8.1  General Operation Single or two frequency simplex (half-duplex). Modulation Frequency modulation (phase) F3E, F1D, F1E. Supply Voltage Requirements 10.8 to 16.2V DC negative earth  (13.8V nom.) Current Consumption  Mobile With Control Mic  Mobile With Alpha Mic  Mobile With Alpha Head Radio off  ≤ 5mA  ≤ 5mA  ≤ 5mA Standby(squelched):  ≤ 200mA  ≤ 210mA  ≤ 210mA*       RX Audio O/P:       300mW (not bridged)  ≤ 450mA  ≤ 470mA  ≤ 500mA * 4.0W  ≤ 1200mA  ≤ 1220mA  ≤ 1250mA*       Transmit:  VHF UHF  25W  ≤ 7.5A  ≤ 7.5A   1W  ≤ 2.5A  ≤ 2.5A   *Add 250mA to current consumption for Control Head with backlight on.
 Page 1.10 TNM-M-E-0001 Issue 3 1 ~ INTRODUCTION Frequency Bands  Frequency Range  Band  Frequency Range E0  66 - 88 MHz  R1  335 - 375MHz AC  136 - 174MHz   TK  400 - 450MHz  K1  174 - 208MHz  UW  440 - 512MHz KM  208 -245MHz  WR  470 - 530MHz      Switching Bandwidth Radio covers the complete band without retuning     Channel Spacing 10/ 12.5 / 20 / 25kHz        Frequency Stability Better than  ±2.0ppm        Dimensions (mm)  Height Width Depth Transceiver 9030 Alpha Control Head 9025 Alpha Display Handset 9020 Alpha Mic 9010/30 Microphone 9030 Desk Microphone 9030 Handset 56 65 165 96 82 300 200 170 188 52 68 57 120 50 165 45 30 44 38 130 40       Weight Transceiver 1.8kg     1.8.2  Transmitter Power Output High Power:  25W  Adjustable down to 1W Low Power:   1W  Adjustable up to 25W      Transmitter Rise Time Less than 40 ms       Duty Cycle 1 minute transmit : 4 minutes receive      Spurious Emissions < 0.25uW  (9kHz to 1GHz) < 1.0uW   (1GHz to 4GHz))      Residual Noise 60% deviation. CCITT Weighted 25kHz Channel Spacing   >45dB   12.5kHz Channel Spacing  >40dB
       Page  1.11 1 ~ INTRODUCTION TNM-M-E-0001 Issue 3 Audio Frequency Distortion ≤ 3%  (at 60% deviation)     Audio Frequency Response 300 to 3000Hz* +1dB -3dB Figures apply for a flat audio signal or a 6dB/octave pre-emphasis curve (*2550Hz 12.5kHz channel spacing)  1.8.3  Receiver Sensitivity ≤ 0.3µV PD (-117.5dBm) for 12dB SINAD ≤0.4µV PD for 20 dB Quieting.     Adjacent Channel Selectivity 25kHz Channel Spacing   > 73dB 12.5kHz Channel Spacing  > 65dB     Intermodulation Rejection ETS Method     > 65dB AS4295 Method   > 70dB     Spurious Response Rejection > 75dB     Blocking > 95dB  ( ±1MHz)     Conducted Spurious Emissions < 2nW (-57dBm)    9kHz to 4GHz     FM Residual Noise (CCITT weighted) 25kHz :                   > 45dB 12.5kHz :      > 40dB      Mute Range Typically 6 to 25dB SINAD Typical setting 10 to 12dB SINAD     Mute Response Time <30mS (no CTCSS) add 200mS for CTCSS     Voting Response Time Searches at 50ms/channel     Audio Distortion < 3%  (1W / 4ohm, 60% modulation) <5%   (4W / 4ohm, 60% modulation)
 Page 1.12 TNM-M-E-0001 Issue 3 1 ~ INTRODUCTION      Audio Frequency Response 300 to 3000Hz*, +1dB to -3dB  Figures apply for a flat audio response or a 6dB/octave de-emphasis curve (*2550Hz for 12.5kHz channel spacing)  1.8.4  Signalling 1.8.4.1 CTCSS All 38 standard CTCSS Tones are supported as per the table below.  Identifier Frequency Identifier Frequency Identifier Frequency Q 67.0 C 107.2 0 167.9 R 71.9 L 110.9 1 173.8 S 74.4 D 114.8 2 179.9 T 77.0 M 118.8 3 186.2 U 79.7 E 123.0 4 192.8 I 82.5 N 127.3 5 203.5 V 85.4 F 131.8 6 210.7 A 88.5 O 136.5 7 218.1 W 91.5  G 141.3 8 885.7 J 94.8 P 146.2 9 223.6 = 97.4 H 151.4 * 241.8 B 100 X 156.7 # 250.3 K 103.5 Y 162.2 ‘ ‘ NONE  Encoder Tone Deviation:   25kHz channel spacing  500 to 750Hz   20kHz channel spacing  400 to 600Hz 12.5kHz channel spacing  250 to 375Hz Tone Distortion   Less than 5.0%  Frequency Error   Less than ±0.5%
       Page  1.13 1 ~ INTRODUCTION TNM-M-E-0001 Issue 3 Decoder Bandwidth   Not greater than ±3.0%  Deviation Sensitivity    Less than 6.0% of system deviation (for decode with full RF quieting) Noise Immunity   Less than 500ms dropout per minute at 10dB sinad  (CTCSS tone deviation 10% of system deviation. RF deviation 60% at 1000Hz). False Decode Rate   Less than 5 false decodes per minute (no carrier input)  Talkoff    For no dropouts in one minute, interfering tone at 90% of system deviation (CTCSS tone at 10% of system deviation).     Full quieting signal:    310Hz to 3000Hz      20dB sinad RF signal:    320Hz to 3000Hz    12dB sinad RF signal:    350Hz to 3000Hz Response Time   Less than 250ms (full quieting/tone >100Hz)          Less than 350ms (full quieting/tone <100Hz) De-Response Time    Less than 250ms Reverse Tone Burst    none  1.8.4.2 FFSK 1200 Baud : 1200 / 1800 Hz MPT1317 based 2400 Baud : 1200 / 2400 Hz MPT1317 based  1.8.4.3 Selcall The following tone sets are supported as per tables below: •  ST-500:     CCIR,  EEA,  ZVEI,  DZVEI,  EIA •  ST500/CML:    ZVEI_3,  DZVEI •  CML:     CCIR,  EEA,  ZVEI •  SIGTEC:     CCIR,  CCIRH,  EEA,  ZVEI_1,  XVEI_2,  ZVEI_3,  NATEL,  EIA •   SEPAC:     CCIR,  EEA,  ZVEI_1,  ZVEI_2,  ZVEI_3,  EIA
 Page 1.14 TNM-M-E-0001 Issue 3 1 ~ INTRODUCTION Selcall Tone Frequency Table  Tone  CML  ST500  SIGTEC SIGTEC SEPAC  CML  ST500  SIGTEC   CCIR  CCIR   CCIR   CCIRH   CCIR   EEA   EEA   EEA 0  1981 1981 1981 1981 1981 1981 1981 1981 1  1124 1124 1124 1124 1124 1124 1124 1124 2  1197 1197 1197 1197 1197 1197 1197 1197 3  1275 1275 1275 1275 1275 1275 1275 1275 4  1358 1358 1358 1358 1358 1358 1358 1358 5  1446 1446 1446 1446 1446 1446 1446 1446 6  1540 1540 1540 1540 1540 1540 1540 1540 7  1640 1640 1640 1640 1640 1640 1640 1640 8  1747 1747 1747 1747 1747 1747 1747 1747 9  1860 1860 1860 1860 1860 1860 1860 1860 A  2400 1055 2110 2400 2400 1055 1055 2110 B    930    ....  2400    930  1055    930     ....  1055 C  2247 2400 1055 2247 2247 2247 2400 2400 D    991   ....  2247    991    991    991    ....  2247 E  2110 2110   930 2110 2110 2110 2110   930 F    ....    ....    991  1055    ....    ....    ....    991  Tone SEPAC CML  ST500  SIGTEC SEPAC SIGTEC SEPAC SIGTEC   EEA  ZVEI  ZVEI   ZVEI-1   ZVEI-1   ZVEI-2   ZVEI-2  ZVEI-3 0  1981 2400 2400 2400 2400 2400 2400 2200 1  1124 1060 1060 1060 1060 1060 1060   970 2  1197 1160 1160 1160 1160 1160 1160 1060 3  1275 1270 1270 1270 1270 1270 1270 1160 4  1358 1400 1400 1400 1400 1400 1400 1270 5  1446 1530 1446 1446 1446 1446 1446 1400 6  1540 1670 1670 1670 1670 1670 1670 1530 7  1640 1830 1830 1830 1830 1830 1830 1670 8  1747 2000 2000 2000 2000 2000 2000 1830 9  1860 2200 2200 2200 2200 2200 2200 2000 A  1055 2800   970 2600 2800   970   885 2400 B    970    810  ....  2800    970    885    741    885 C  2247    970  2800    741    885    741  2600    741 D  2400    886  ....    970    ....  2600     ....  2600 E  2110 2600 2600   810 2600 2800   970 2800 F    ....    ....  ....    886    ....    600     ....    600
       Page  1.15 1 ~ INTRODUCTION TNM-M-E-0001 Issue 3 Tone  SEPAC      ST500/CML  ST500  SIGTEC  SIGTEC  SEPAC  ST500   ZVEI-3  ZVEI-3  DZVEI   DZVEI   NATEL     EIA     EIA    EIA 0  2200 2400 2200 2200 1633  600   600   600 1   970  1060   970   970   631   741   741   741 2  1060 1160 1060 1060  697   882   882   882 3  1160 1270 1160 1160  770  1023 1023 1023 4  1270 1400 1270 1270  852  1164 1164 1164 5  1400 1530 1400 1400  941  1305 1305 1305 6  1530 1670 1530 1530 1040 1446 1446 1446 7  1670 1830 1670 1670 1209 1587 1587 1587 8  1830 2000 1830 1830 1336 1728 1728 1728 9  2000 2200 2000 2000 1477 1869 1869 1869 A   885    885  2600    825  1805    459  2151  2151 B    741  ....   ....     ....  1995  2151  1091  .... C  2600    810    886   2600   1300  2600  2400  2010 D  ....      ....    810      ....   1700  2010     ....  .... E  2400    970   2400   2400   2175  2433    459   459 F    ....     ....    ....     ....   2937  2292     ....  ....  Selcall Tone Periods  The Selcall tone period : 4 preset lengths selectable : 20ms and 30 seconds in 1ms increments.   1.8.4.4 DTMF DTMF Encode supported via keypad:  TONES 1209Hz 1336Hz 1477Hz 697Hz 1  2  3 770Hz 4  5  6 852Hz 7  8  9 941Hz *  0  #  Tone Period, programmable : 0 - 2550 mSec in 10mS steps Inter-Tone Period, programmable : 0 - 2550 mSec in 10mS steps Link Establishment Time, programmable : 0 - 10000 mSec in 10mS steps. Tx Hang Time, programmable : 0 - 9999 mSec in 10mS steps. Side-Tone in Loudspeaker : selectable via programmer
 Page 1.16 TNM-M-E-0001 Issue 3 1 ~ INTRODUCTION 1.8.4.5 DCS  Data rate  134 bits per second, frequency modulated 7.46ms/bit 171.6ms per codeword continuously repeating Deviation  0.5kHz for 12.5kHz systems 1kHz for 25kHz systems Codeword size  23 bits comprising: 8 bits - DCS code (3 octal digits 000-777) 3 bits - Fixed octal code 4 11 bits - CRC (error detection) code Available Codes  104 codes from 512 theoretically possible codes – see below Turn off code  200ms 134Hz tone at PTT release  DCS Codes can be Transmitted “Normal” or “Inverted” (programmable).  The radio can Receive DCS codes in either Transmitted “Normal” or “Inverted” or both (selectable via programmer).  Valid DCS Codes 023 132 255 413 612 025 134 261 423 624 026 143 263 431 627 031 145 265 432 631 032 152 266 445 632 036 155 271 446 654 043 156 274 452 662 047 162 306 454 664 051 165 311 455 703 053 172 315 462 712 054 174 325 464 723 065 205 331 465 731 071 212 332 466 732 072 223 343 503 734 073 225 346 506 743 074 226 351 516 754 114 243  356  523   115 244  364  526   116 245  365  532   122 246  371  546   125 251  411  565   131 252  412  606    1.8.4.6 C4FM Digital speech format in accordance with TIA/ EIA 102 requirements.
       Page  1.17 1 ~ INTRODUCTION TNM-M-E-0001 Issue 3  1.8.5  Environmental  Note:  Operation of the equipment is possible beyond the limits stated but is not guaranteed. Operational Temperature -30°C to +60°C      Storage Temperature -40°C to +80°C     Vibration Specification IEC 68-2-6 with additional frequency acceleration from 60 – 150 Hz     Cold IEC 68-2-1 Test 5 hours at -10°C     Dry Heat IEC 68-2-2 Test 5 hours at +55°C     Damp Heat Cycle IEC 68-2-30 Test 2 cycles at +40°C     Product Sealing Main Radio Unit:  IEC529 rating IP54 Microphones:    IEC529 rating IP54 Remote Control Head  IEC529 rating IP54  MIL STD810 Low Pressure  500.4 Procedure II High Temperature Storage  501.4 Procedure I High Temperature Operation  501.4 Procedure II Low Temperature Storage  502.4 Procedure I Low Temperature Operation  502.4 Procedure II Temperature Shock  503.4 Procedure I Humidity  507.4 Figure 507.4-1 Sand and Dust  510.4 Procedure I – Blowing Dust Random Vibration  514.5 Figure 514.5C-1 Transit Drop  516.5 Table 516.5-V1 Functional Shock of severity 25g   Acceleration, 6ms pulse duration, 500 shocks in 6 directions.
 Page 1.18 TNM-M-E-0001 Issue 3 1 ~ INTRODUCTION  (Intentionally Blank)
      Page 2.1 2 ~ SERVICE PHILOSOPHY TNM-M-E-0001 Issue 3 2.  SERVICE PHILOSOPHY  2.1 SERVICE CONCEPT The SRM9000 series has been designed to provide low cost trunked, non-trunked analogue and digital speech mobile transceivers, using common core electronics, software and interfacing. It is a requirement that once the customer has purchased equipment, TMC Radio can follow this by providing an ongoing, high level of customer support together with a competitive and professional servicing activity. There are three levels of service available:  Level  Activity  Recommended Spares  Recommended Test Equipment 1  Replacement of complete transceiver/antenna/fuses Reprogramming Antennas, Fuses Ancillaries  Multimeter P.C.  Radio software Programmer 2  Replacement of PCB or mechanical  component replacement, Cosmetic repair Listed in Level 2 Spares Schedule  As above + service aids and test equipment 3  Repair by PCB or mechanical component replacement, Cosmetic repair. Repair of Radio PCB to component level in CRU. Listed in Level 2 Spares Schedule  Radio PCB components only available to CRU. As above + service aids and test equipment  2.2 WARRANTY Initially, the normal 12-month warranty will apply to all radios and ancillaries. 2.2.1  Service Within and Out Of Warranty The field Service Level for the SRM9000 mobile is LEVEL 2, PCB replacement. LEVEL 2 service, PCB (only) and case part replacement, will be carried out in field repair workshops, or the Central Repair Unit (CRU) if required. LEVEL 3 Service (Radio PCB component level repair) will ONLY be carried out in the Central Repair Unit.  For this, the complete radio must be returned to the CRU.  A PCB replacement program may be offered by the CRU in some countries. 2.2.2  Ancillary Items All ancillary items  (except remote alphanumeric control head) are Level 1 service. These items should be replaced if faulty; they are non-repairable, and non-returnable to the CRU. 2.3 SOFTWARE POLICY Software provided by TMC Radio shall remain the Company's property, or that of its licensors and the customer recognises the confidential nature of the rights owned by the Company. The customer is granted a personal, non-exclusive, non-transferable limited right of use of such software in machine-readable form in direct connection with the equipment for which it was supplied only.  In certain circumstances the customer may be required to enter into a separate licence agreement and pay a licence fee, which will be negotiated at the time of the contract.
 Page 2.2 TNM-M-E-0001 Issue 3 2 ~ SERVICE PHILOSOPHY The customer undertakes not to disclose any part of the software to third parties without the Company's written consent, nor to copy or modify any software. The Company may, at its discretion, carry out minor modifications to software. Major modifications may be undertaken under a separate agreement, and will be charged separately. All software is covered by a warranty of 3 months from delivery, and within this warranty period the Company will correct errors or defects, or at its option, arrange free-of-charge replacement against return of defective material. Other than in the clause above, the Company makes no representations or warranties, expressed or implied such, by way of example, but not of limitation regarding merchantable quality or fitness for any particular purpose, or that the software is error free, the Company does not accept liability with respect to any claims for loss of profits or of contracts, or of any other loss of any kind whatsoever on account of use of software and copies thereof.
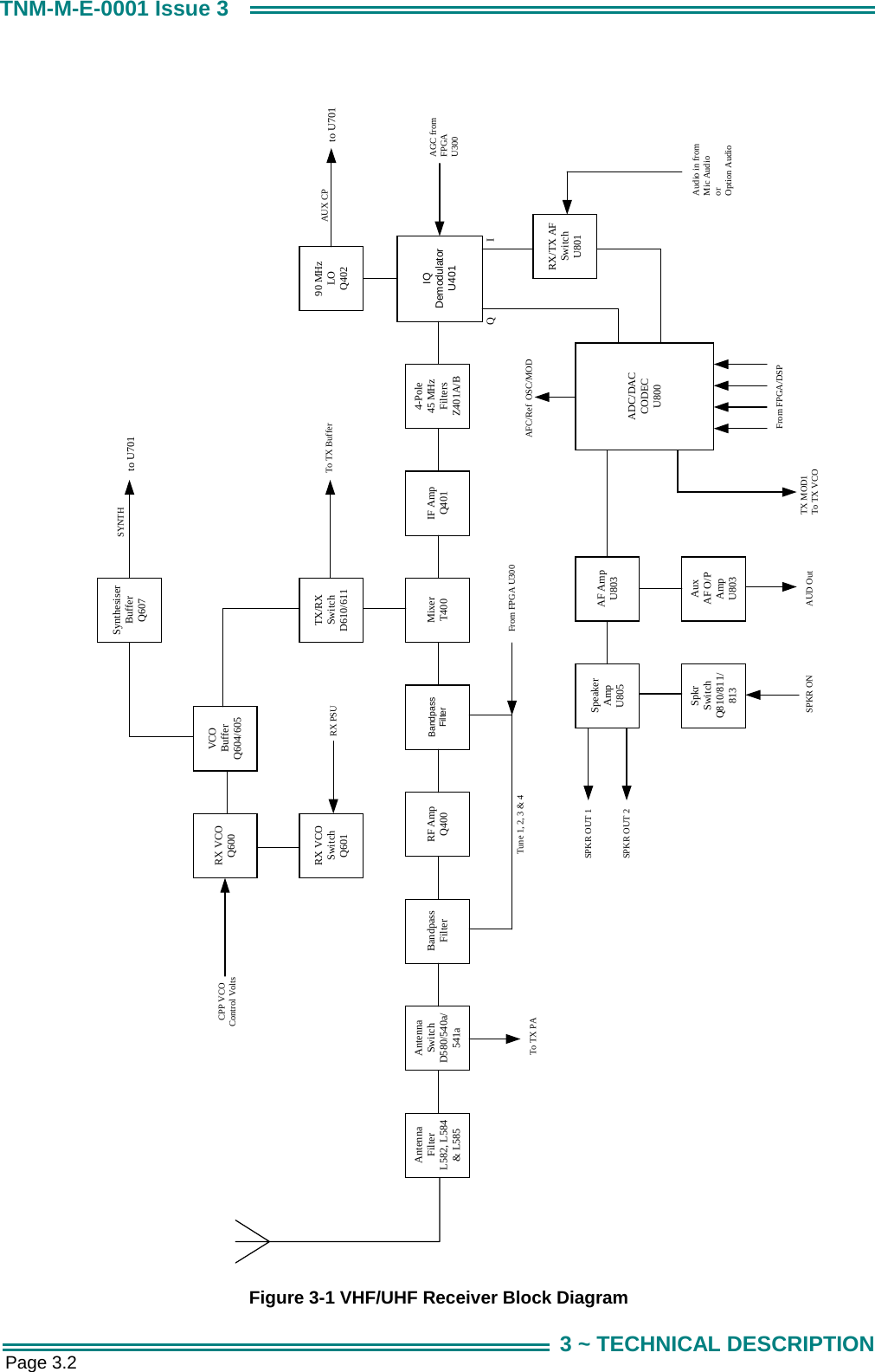
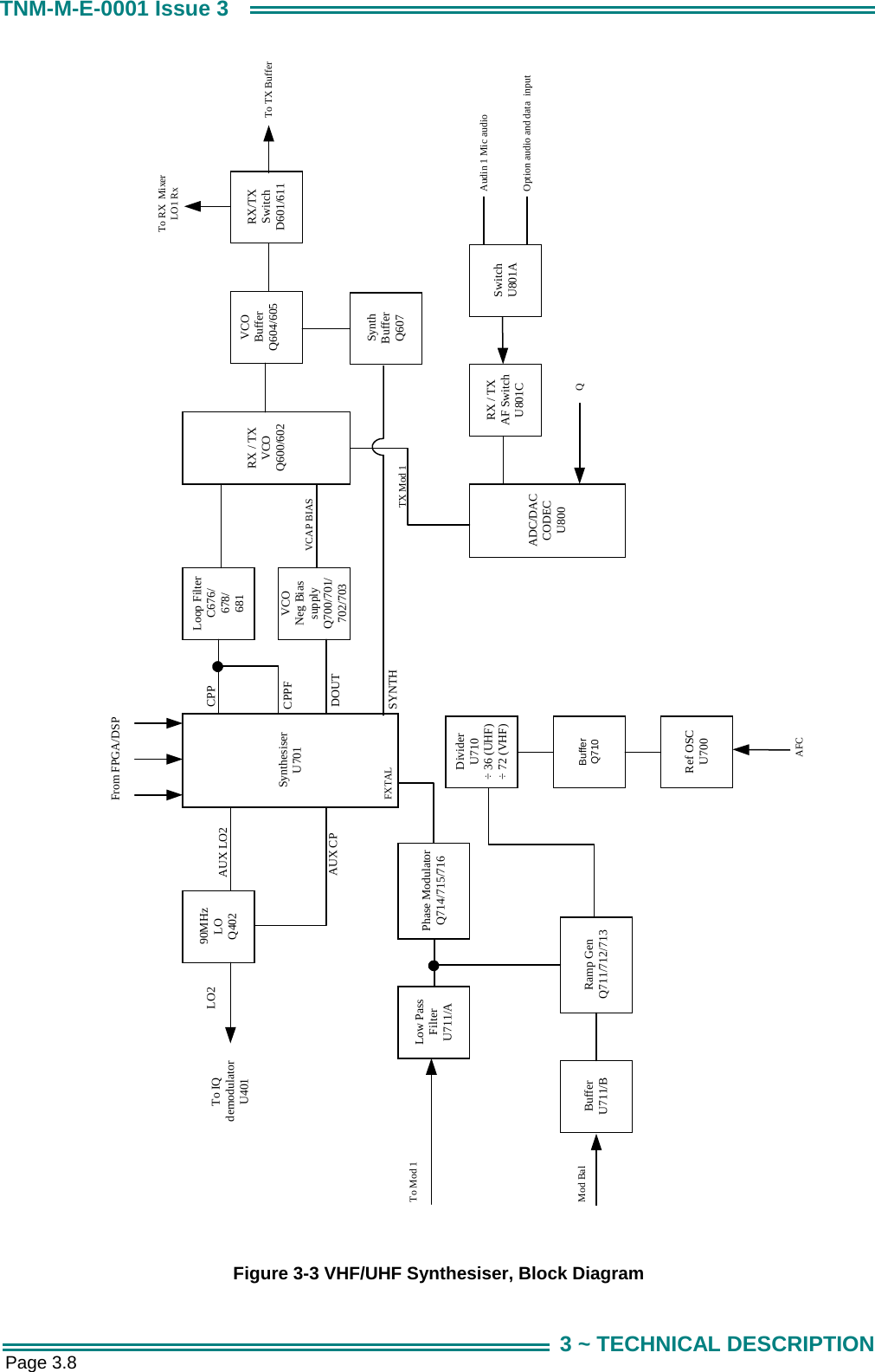
      Page 3.1 3 ~ TECHNICAL DESCRIPTION TNM-M-E-0001 Issue 3 3. TECHNICAL DESCRIPTION 3.1 RECEIVER Refer to Figure 3-1. 3.1.1  Front End Filters and RF Amplifier The receiver input signal from the antenna passes through the antenna filter comprising L582, L584, L585 and associated tuning capacitors. With the mobile in receive mode, diodes D580, D540a and D541a in the antenna switch are reverse biased allowing the receiver input signal to be coupled through to the front end with minimal loss. The overall insertion loss of the antenna filter and switch is approximately 0.8dB. Front end selectivity is provided by varactor-tuned bandpass filters at the input and output of the RF amplifier.  Front end tuning voltages are derived from the alignment data stored in the radio. The DSP processes these  data to optimise front end tuning relative to the programmed channel frequencies, which may be changed at any time without re-aligning the radio.  To achieve the required varactor tuning range an arrangement of positive and negative bias power supplies is used to provide a total bias across the varactors of up to 14.0VDC. A fixed 2.5V positive bias derived from the 5.0V supply and voltage divider R425/426 is applied to the cathodes of the varactor diodes. The negative bias supply originates at the DSP/FPGA as a PWM signal (FE TUNE) for the four front end tuning values, TUNE 1 to 4, for the particular channel frequency selected.  The PWM signal is dependent on channel frequency and tuning. The PWM signal passes through level shifting transistors  Q405, Q407, Q409 and Q411 where it is converted to a high level negative voltage (-0.5 to -11.5V). The -12.0V rail of the level translators is generated by U904E/F with D903 to D906 providing the required voltage multiplier effect.  The RF amplifier stage comprises a low noise transistor amplifier (Q400) that is compensated to maintain good linearity across the required frequency bands and temperature range. This provides excellent intermodulation and blocking performance across the full operating range. The gain of this stage is typically 17dB for both UHF and VHF versions. 3.1.2  First Mixer and IF Section The output of the last front end bandpass filter is coupled into single balanced mixer T400/D413 which converts the RF signal to an IF frequency of 45MHz. The local oscillator injection level is typically +8dBm at T400 pin 1 with low side injection used for UHF and high side for VHF. Following the mixer is IF amplifier Q401 that provides approximately 15dB of gain and in association with its output circuitry, presents the required load conditions to the 4 pole 45MHz crystal filter Z401A/Z401B.  3.1.3  Quadrature Demodulator Additional IF gain of approximately 30dB occurs at U401, which is a dedicated IF AGC amplifier/Quadrature Demodulator. The AGC voltage for U401 is derived from the RSSI function of the DSP. The onset of AGC operation occurs when RF input signal levels at the antenna exceed -90dBm.  Conversion of the 45MHz IF signal to I and Q baseband signals is carried out by the demodulator section of U401. The 90MHz local oscillator signal is generated by VCO Q402 which is phase locked by the auxiliary PLL output of U701 via feedback signal AUX LO2.
 Page 3.2 TNM-M-E-0001 Issue 3 3 ~ TECHNICAL DESCRIPTION  AntennaSwitchD580/540a/541aBandpassFilter RF AmpQ400 BandpassFilter MixerT400 IF AmpQ4014-Pole45 MHzFiltersZ401A/BAntennaFilterL582, L584& L585IQDemodulatorU401TX/RXSwitchD610/611RX VCOQ600RX VCOSwitchQ601VCOBufferQ604/605SynthesiserBufferQ60790 MHzLOQ402RX/TX AFSwitchU801ADC/DACCODECU800AuxAF O/PAmpU803SpkrSwitchQ810/811/813SpeakerAmpU805AF AmpU803to U701CPP VCOControl VoltsRX PSU To TX BufferSYNTHAUX CP to U701QIAFC/Ref  OSC/MODFrom FPGA/DSPTX MOD1To TX VCOAUD OutSPKR ONSPKR OUT 1SPKR OUT 2From FPGA U300Tune 1, 2, 3 & 4To TX PAAudio in fromMic AudioorOption AudioAGC fromFPGAU300 Figure 3-1 VHF/UHF Receiver Block Diagram
      Page 3.3 3 ~ TECHNICAL DESCRIPTION TNM-M-E-0001 Issue 3 3.1.4  Receiver Audio Processing All receiver audio processing and filtering functions are performed by the CODEC U800 under the control of the DSP.  The receiver I and Q analog baseband signals are converted to digital signals by the CODEC ADC before being applied to a series of digital filters which provide the final stage of adjacent channel filtering, high pass and low pass filtering and mute noise processing for narrow and wideband operation.  The processed signals are then converted to analog audio signals by the CODEC DAC and are applied to conventional audio amplifiers U803A/B and the speaker amplifier U805.   There are two speaker options available.  A half bridged configuration using a speaker across balanced output SPKR OUT1 and 2, which provides an audio, output level of up to 4 watts into 4 ohms.  The other option is a full bridge configuration using a high power speaker across SPKR OUT1 and 2 and providing an audio output level of up to 10 watts into 8 ohms.  The carrier and signalling mute functions are performed by Q810/811/813 under DSP control. De-emphasis to the audio PA U805 is performed by R861 and capacitors C866 to C871. Flat audio is provided to S1-6 via amplifier U803A.
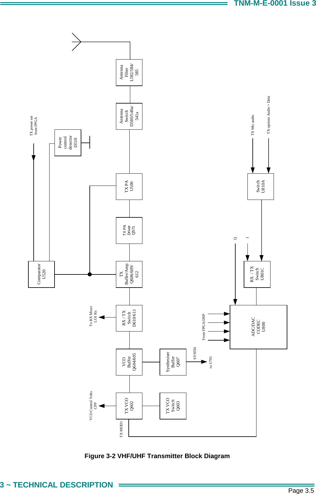
 Page 3.4 TNM-M-E-0001 Issue 3 3 ~ TECHNICAL DESCRIPTION 3.2 TRANSMITTER  Refer to Figure 3-2. 3.2.1  Drivers and PA Stages The RF output level from the VCO buffer Q604 is typically +5dBm (UHF) and +8dBm (VHF). TX buffer Q606 increases this level by approximately 3dB (UHF) and 11dB (VHF) and also provides additional VCO isolation. The following section of the TX buffer Q612 is controlled by the transmitter power control loop and Q609. Q609 is normally saturated in transmit mode so there is no minimum gain control applied to this stage. The gain of Q612 is typically 10dB (UHF) and 15dB (VHF) but the output level is reduced by input and output resistive attenuators to limit the PA driver input level to typically +20dBm. The gain of PA driver Q571 is controlled by the power control loop to ensure that transmitter output power remains within defined limits. The PA driver output level is typically +16dBm. PA module U500 utilises three stages (UHF) and two stages (VHF) to achieve the required final RF output power level of +44dBm (25 watts). Power output settings are derived from alignment data stored in flash memory during the initial factory alignment. The DSP processes this data to optimise the power output level relative to the programmed channel frequencies. 3.2.2  Power Control Output power is stabilised by a power control feedback loop. L580, R580, a printed circuit transmission line, D510 and associated components comprise the power detector, and U520A/B and associated components providing the power setting and control sections. Forward and reverse power is sampled by the power detector and applied as a DC voltage to the inverting input of comparator U520A. The TX PWR SET voltage is a DC voltage proportional to the programmed TX power setting and is applied to the non-inverting input of the comparator. PA module output level changes due to supply voltage, load or temperature variations are detected and applied to the comparator which proportionally adjusts the PA module bias supply and the PA driver (Q571) supply, and therefore the PA drive level. High temperature protection is provided by thermistor R552 that progressively reduces the power level if the PA module temperature becomes excessive.  3.2.3  Antenna Changeover and Harmonic Filter The antenna changeover circuit consisting of pin diodes D580/D540a/D541a, is switched by Q541/Q542/Q543 and associated circuitry allowing the transmitter output to be coupled to the antenna while providing isolation for the receiver input. With the transmitter switched on, the diodes are forward biased allowing power to be coupled through to the antenna and isolating the receiver by grounding its input at C558. The short circuit at the receiver input is transformed to an effective open circuit at D580 by L583, which minimises transmitter loading. With the transmitter switched off the diodes are reverse biased allowing the receiver input signal to reach the receiver front end with minimal loading and loss. The harmonic rejection low pass filter comprises L582/L584/L585 and associated capacitors.   3.2.4  Transmitter Audio Processing Microphone audio input signals of 40mV RMS with a source impedance of 470 ohms are provided at the microphone input (AUDIO IN1) by an external microphone unit comprising an electret microphone insert and a preamplifier with a gain of 18dB. U801 is a control gate for the microphone audio signals. OPTION AUDIO1 is the external audio options and data input, which is controlled by gate U801A.   U801C provides CODEC input switching which selects either the receiver I signal or transmitter audio/data signals depending on the TX/RX mode.  All pre-emphasis, filtering, compression and limiting processes for narrow and wideband operation are carried out in the CODEC (U800) under the control of the DSP. The processed transmitter audio/data from the CODEC output at VOUTR is applied to the VCO as a modulation signal with a level of approximately 200mV P/P.
      Page 3.5 3 ~ TECHNICAL DESCRIPTION TNM-M-E-0001 Issue 3  SynthesiserBufferQ607TX VCOSwitchQ603TXBuffer/AmpQ606/609/612TX PADriverQ571TX PAU500AntennaSwitchD580/540a/541aTX VCOQ602ComparatorU520PowercontroldetectorD510AntennaFilterL582/584/585RX / TXSwitchD610/611ADC/DACCODECU800SwitchU810ARX  / TXSwitchU801CVCOBufferQ604/605TX power setfrom FPGATX options Audio + DataTX Mic audioFrom FPGA/DSPVCO Control VoltsCPPTX MOD1QSYNTHto U701ITo RX MixerLO1 Rx  Figure 3-2 VHF/UHF Transmitter Block Diagram
 Page 3.6 TNM-M-E-0001 Issue 3 3 ~ TECHNICAL DESCRIPTION FREQUENCY SYNTHESISER 3.2.5  General The SRM9000 frequency synthesiser consists of individual transmitter and receiver (local oscillator) voltage controlled oscillators, loop filter, varactor negative bias generator, reference oscillator and an integrated, dual phase locked loop device U702.  3.2.6  PLL The PLL device contains two prescalers, programmable dividers and phase comparators to provide a main and auxiliary PLL. The main PLL of U702 controls the frequency of the TX/RX VCOs via Control Voltage outputs at pins 2 and 3 and VCO Feedback to pin 6. The auxiliary PLL is used to control the receiver 90MHz second local oscillator via the Control Voltage output at pin 17 and VCO Feedback to pin 15. The PLL operation involves the division of the 14.4MHz reference oscillator frequency by divider U710 and the internal divider of U702, down to a lower frequency that corresponds to a sub-multiple of the radio channel spacing ie. 6.25kHz for 12.5/25kHz channel spacing, 5kHz for 10/20kHz channel spacing or 7.5kHz if required. The VCO frequency is sampled and divided down to the same frequency after which it is phase compared to the reference. Any error produces an offset to the Control Voltage output that is used to correct the VCO frequency. A valid lock detect output is derived from pin 20 and is sampled by the FPGA during transmit. If an unlocked signal is detected the radio will switch back to receive mode. 3.2.7  VCO The transmitter and receiver VCOs use low noise JFET transistors (Q600 RX, Q602 TX) and inductors L602 (RX), L608 (TX) to generate the signals for the required band coverage. Electronic tuning is provided by varactor diodes D600 to D608 with their control voltages derived from the Loop Filter, PLL and Negative Bias Generator. VCO selection and timing is controlled by the DSP via the RX and TX power supplies and applied through switches Q601 (RX) and Q603 (TX). VCO buffer Q604/605 isolates the VCO from load variations and active power supply filter Q615 minimises supply related noise. A PLL feedback signal is sampled from the VCO buffer output via buffer Q607. 3.2.8  Negative Bias Generator and Loop Filter A positive and negative varactor bias supply similar to the front-end varactor arrangement has been used to achieve the required broadband tuning range of the VCOs. PLL device U702 is programmed to deliver a fixed nominal +2.5V output from phase detector/charge pump CPPF or CPP (selection depends on radio setup) regardless of the channel frequency selected. This voltage is filtered to remove synthesiser noise and reference products by loop filter C676/678/681 and R653/654/655. The resulting low noise voltage is applied to the cathode side of the VCO varactor tuning diodes as a positive bias voltage. The negative bias supply originates as a positive DC voltage (0.1V to 3.0V) at the DAC output of U702 (DOUT) with a level relative to the programmed state of the radio (eg. channel frequency, TX/RX state). The voltage is converted to a high level negative supply by VCO Varicap Negative Supply Q700 to Q703. The -17V rail of this supply is generated by U904E/F with D903 to D906 providing the voltage multiplying effect needed to achieve -17V. The output of the negative supply is applied directly to the VCO varactor anodes as the negative tuning voltage VCAP BIAS.  3.2.9  Phase Modulator The modulation path for audio, data and higher frequency CTCSS signals is via varactor D609 and its associated components in the TX VCO.  The reference input to the PLL (FXTAL) provides the low frequency modulation path in conjunction with phase modulator Q714 to Q716. U711A is a low pass filter that provides 6dB per octave attenuation to frequencies above approximately 180Hz.  Modulation balance adjustment is carried out using a CODEC generated 100Hz square wave applied to TX MOD. A DAC output from the Alignment Tool is applied to buffer U711B and ramp generator Q711 to Q713 via the MOD BAL line to adjust the low frequency modulation level.
      Page 3.7 3 ~ TECHNICAL DESCRIPTION TNM-M-E-0001 Issue 3 3.2.10  Reference Oscillator TCXO U700 determines the overall frequency stability and frequency setting of the radio. The frequency setting is achieved by adjusting its ADJ voltage with the Alignment Tool. In addition, the ADJ input is used in a frequency control loop with the receiver I and Q signals to provide receiver AFC. U700 operates at 14.4MHz and is specified at ±2.0ppm frequency stability over the temperature range -30° to +75°C.
 Page 3.8 TNM-M-E-0001 Issue 3 3 ~ TECHNICAL DESCRIPTION Phase ModulatorQ714/715/716DividerU710÷ 36 (UHF)÷ 72 (VHF)BufferQ710Ref OSCU700SynthBufferQ607VCOBufferQ604/605Low PassFilterU711/AVCONeg BiassupplyQ700/701/702/70390MHzLOQ402SynthesiserU701Loop FilterC676/678/681 RX / TXVCOQ600/602RX/TXSwitchD601/611ADC/DACCODECU800RX / TXAF SwitchU801CFrom FPGA/DSPVCAP BIASTo TX BufferAudin 1 Mic audioQAFCTo Mod 1To IQdemodulatorU401LO2 AUX LO2AUX CPCPPCPPFDOUTTo RX  MixerLO1 RxSYNTHSwitchU801AOption audio and data  inputTX Mod 1Ramp GenQ711/712/713Mod Bal BufferU711/BFXTAL  Figure 3-3 VHF/UHF Synthesiser, Block Diagram
      Page 3.9 3 ~ TECHNICAL DESCRIPTION TNM-M-E-0001 Issue 3 3.3 CONTROL Refer to Figure 3-4. 3.3.1  DSP and FPGA The SRM9000 transceiver operates under the control of a DSP (U201) and FPGA (U300) combination that together with a number of other dedicated devices perform all the operational and processing functions required by the radio. The FPGA is configured by the DSP under software control to provide the following functions: •  Channel set-up of all operating frequencies  •  Modulation processing and filtering  •  De-modulation processing and filtering  •  TX power output reference  •  Receiver front end tuning  •  Serial communications with alignment tool, microphone  and control head •  Modem functionality for data modulation •  All signalling / CTCSS generation and decoding •  Crystal Oscillator control •  Receiver muting control •  TX / RX switching •  PLL detect 3.3.2  DSP Clock Oscillator The DSP is clocked by a 15.360MHz oscillator that consists of crystal X200 and an internal DSP oscillator. Q200 forms a crystal switching circuit with C205 which, when activated by a command from the FPGA, steers the oscillator away from potential interfering frequencies.  3.4 MEMORY Memory consists of the internal DSP memory and an external 8MB non-volatile Flash Memory U202. When power is off, program and data are retained in Flash Memory. At power-on, a boot program downloads the DSP’s program from Flash Memory to its internal RAM for faster program execution and access to data.
 Page 3.10 TNM-M-E-0001 Issue 3 3 ~ TECHNICAL DESCRIPTION  DSPU201SynthesiserU702FPGAU300ResetU200ClockQ200FlashMemoryU202ADC/DACCODECU800Serial portSerial portTX DataRX DataMOVEXAGCTX Power SetA Tone}F/E Tune 1 - 4     Figure 3-4 VHF/UHF Control Block Diagram
      Page 3.11 3 ~ TECHNICAL DESCRIPTION TNM-M-E-0001 Issue 3 3.5 POWER SUPPLIES 3.5.1  Power On Function The unregulated 13.8V DC input (13V8_UNSW_F) is routed directly to all high current devices and is then switched via FET Q900 to provide BAT_SW supply for all other circuits. The output from Q900 feeds four, low drop out series regulators and associated switched and auxiliary supplies that along with a negative voltage generator, provides all the switched power requirements of the transceiver. Radio ON/OFF function is achieved through Q902, 908 and 909. A low voltage pulse from the control unit or microphone handset PWR ON or PWR OFF momentarily turns on Q900, which supplies input voltage to the four regulators. Q909 is then kept switched on by the PWR OFF line that is set to high by the DSP and FPGA and so maintains the BAT_SW supply. PWR OFF operation requires the PWR ON/ OFF button of the control unit to be held down for more than 2 seconds. This is sensed by the FPGA via the PWR SENSE line and so turns the radio off by placing a low voltage to Q909 base. Supply lines are held on for a short period at switch off while the DSP stores critical data. 3.5.2  Power Supplies The following is a list of the SRM9000 power supplies and some of the devices and circuits they supply. 3.5.2.1  +8V Regulator U900 Regulated +8.0V supply (8V0 and +8V) •  TX buffer Q571 •  VCOs and VCO buffers via active filter Q615 •  RX second local oscillator via Q403 Regulated +8.0V switched supply (RX PSU) •  RX front end •  IF Amplifier •  Various switching functions 3.5.2.2  +5V Regulator U901 Regulated +5.0V supply (5V0 and +5V) •  RX front end varactor positive bias •  Synth. buffer Q607 •  VCO varactor negative supply Q700 to Q703 •  TCXO U700 •  RX audio amplifiers U803A/B •  RX mute switch Q810/813  •  FE TUNE level translators, Q404/411 Regulated +5.0V switched supply (TX PSU and TX PSU+) •  TX power control U520 •  TX buffer Q606 •  Various switching functions
 Page 3.12 TNM-M-E-0001 Issue 3 3 ~ TECHNICAL DESCRIPTION 3.5.2.3  +3.3V Regulator U912 Regulated +3.3V supply (3V3) •  Digital supply for CODEC U800 •  FPGA U300 Regulated +3.3V supply (3Q3) •  I Q demodulator U401 Regulated +3.3V supply (3C3) •  Analog supply for CODEC U800 Regulated +3.3V supply (3P3) •  PLL U702 •  TCXO divider U710 Unregulated 13.8V (13V8_UNSW_F) •  TX PA module U500 •  Antenna changeover switch Q541/542/543 •  RX mute switch Q811 •  RX speaker amplifier U805 3.5.2.4  +2.5V Regulator U903 •  DSP core U201 3.5.2.5  Negative Power Supply U904E/F Provides -17.0V output (-17V0) •  Negative rail for VCO Varicap Negative Supply Q700, 701, 702 and Q703  -12.0V Output (-12V0) •  Negative rail for FE TUNE level translator Q404-Q411.
      Page 4.1 4 ~ ALIGNMENT TNM-M-E-0001 Issue 3 4.  ALIGNMENT (LEVEL 3 SERVICE ONLY) This procedure is applicable to all versions of SRM9000 mobile transceivers.         If the radio contains customer configuration data that must be retained, you must first use the SRM9000 Configuration Programmer (FPP) software to read the radio and save the data on an FPP file before commencing with the alignment procedure. When the Alignment is completed, use the SRM9000 Field Personality Programmer (FPP) software to retrieve this stored data from the FPP file and write it back to the radio. It is preferred that the radio remain installed in its aluminium extruded case throughout this alignment procedure.  If the radio is to be aligned when removed from the case, a temporary heat sink must be fitted under the Transmitter PA module and the receiver output must be kept below 100mW.  4.1 TEST EQUIPMENT 1.  Radio transceiver test set  CMT, 52/82 or similar. 2.  Variable DC power supply  10.8V to 16.2V at 10 amps 3.  Oscilloscope   20 MHz bandwidth minimum 4.  SRM9000 Programming & Alignment Breakout Box  As detailed in Figure 4-1 5.  SRM9000 Speaker O/P Breakout Box  As detailed in Figure 4-2 6.  Personal Computer   486 DX 66 or better. Operating system Windows 95 or later. Minimum RAM - 16MB. 5MB free hard disk space. Floppy drive - 1.44MB. Mouse and serial port required 7.  SRM9000 Alignment Tool  Computer Software file 8.  SRM9000 Configuration Programmer (FPP)  Computer Software file  Caution Preparing the radio for alignment will erase from the radio all customer PMR and Trunking configuration data (channel, signalling information etc).  The only data retained by the Alignment Tool is the factory alignment data for the radio (DAC settings for TX power, front-end tuning etc). Using the Alignment Tool will allow changes to the original factory alignment and will invalidate  all warranties and guarantees unless performed by an authorised level 3 service centre.
 Page 4.2 TNM-M-E-0001 Issue 3 4 ~ ALIGNMENT               Figure 4-1 SRM9000 Programming & Alignment Breakout Box              Figure 4-2 SRM9000 Speaker Output Breakout Box T1600E 1:1Line MatchingTransformerToNoise & Distortion Meter&CROToSRM9000 P2Pins 6 & 139000_49/3RR = Audio Power Load (set as appropriate)orResistor 4E 4W for 1/2 Bridge Speaker optionResistor 8E 12W for full Bridge Speaker optionBlackRedYellowBlueBrownOrangeGreen(4)White (8)(Not Used)+470E WhiteGreenMic Audio inMic GroundGroundHandset AF Output13.8V SwitchedOn/OffRx DataTx Data84765321RJ45PRM80Programming CableP/N 9525-001-00016BNC (F)Connector22uF to 47uFTant. or ElectDB25Access and modify cable as shown9000_49/225-9 WayAdaptorPC ToSRM9000S1AF Generator
      Page 4.3 4 ~ ALIGNMENT TNM-M-E-0001 Issue 3 4.2 TEST SET-UP                          Figure 4-3 Test Set-up  1.  Connect the radio to the test equipment as shown in Figure 4-3. 2.  Switch on the DC Power Supply.  765432181514131211109SRM9000P2(DB15M)PCSRM9000ProgrammingandAlignmentBreakoutBoxS5Antenna SktS1RJ45AFGenerator13.8V DCPower SupplyCRO9000_49+-RadioTransceiverTestSetNoise &DistortionMeterSRM9000Speaker O/PBreakoutBoxCoax(<200 mm)
 Page 4.4 TNM-M-E-0001 Issue 3 4 ~ ALIGNMENT 4.2.1  COMMS Set up 1.  Copy the SRM9000 Alignment Tool Computer Software file to the PC hard drive and run the program The Alignment Tool Opening Menu is displayed.   2.  Go to the Options menu and choose Comms Setup.   3.  The Comms Setup dialogue box is displayed. Select the Comms Port setting appropriate to the configuration of your PC and choose 9OK. (Usually COM1)
      Page 4.5 4 ~ ALIGNMENT TNM-M-E-0001 Issue 3 4.2.2  Radio Preparation Radio parameters are to be aligned sequentially as detailed in this procedure. 1.  At the Opening Menu, select the Align Menu and choose Prepare/Read Radio.   2.  The WARNING is displayed. Choose No if you want to save the configuration and use the FPP software to read and save the data to a file. Choose Yes if you want to proceed and go to step 3.    3.  The radio alignment data is read (indicated by percentage bar) and stored. The test alignment data is downloaded into the radio.    Note:   In test alignment mode the radio is configured only for 12.5 kHz channel spacing, therefore all alignment is carried out at 12.5 kHz levels.  When the radio is configured with the FPP for other channel spacings, the deviation related levels are calculated on a per channel basis by the radio software.
 Page 4.6 TNM-M-E-0001 Issue 3 4 ~ ALIGNMENT 4.2.3  Alignment Procedure Radio alignment must be done in the sequence detailed in the following paragraphs.  This alignment assumes that the radio is functioning normally. 4.2.3.1  VCO DAC Alignment   1.  Select the VCO DAC page. 2.  Select Auto Align. The Synth DAC Rx slider will automatically adjust its value for each receiver alignment frequency to set the VCO loop filter value between 140 and 150. 3.  Select PTT and then select Auto Align. The Synth DAC Tx slider will automatically adjust its value for each transmitter alignment frequency to set the VCO loop filter value between 140 and 150.
      Page 4.7 4 ~ ALIGNMENT TNM-M-E-0001 Issue 3 4.2.3.2  TCXO (Radio Netting Adjustment)   1.  Select the Mute/TCXO page. 2.  Select PTT. 3.  Adjust the TCXO slider to ensure that the transmit frequency error is within normal tolerance for the selected channel (to be measured on the RF Test Set frequency counter).
 Page 4.8 TNM-M-E-0001 Issue 3 4 ~ ALIGNMENT 4.2.3.3  RX Front End    1.  Select the Rx Front End Page 2.  Ensure that the TCX0 Alignment has been done before proceeding with this section. 3.  Select Open Mute. 4.  Set the Volume slider to 15.  Speaker audio should now be visible on the CRO, if required readjust the Volume slider to a suitable level. 5.  Select Channel 0 6.  Set the Signal Generator to the Channel 0 carrier frequency, with a 1000Hz modulation signal, a deviation of ±1.5 kHz and a RF level of -90dBm.  The RSSI barchart display should now be (typically) well above a reading of 20 - if so, jump to step 9. 7.  If the RSSI is not visible or is very low, Manual Tuning may be required. To do this, adjust the four Filter sliders (1-4) in combination for the maximum RSSI reading or for the best sinad reading.  Proceed to step 9 when an RSSI of better than 20 is achieved. Note: For optimum results, the sliders should be adjusted to be approximately in line. 8.  Select Auto Align. The front end will be tuned automatically. 9.  Verify that the receiver sensitivity is better than -117.5dBm for 12dB sinad.  (Sensitivity is typically -120dBm). 10.  Repeat Steps 6 to 10 for the remaining 3 Channels (1, 2, & 3).
      Page 4.9 4 ~ ALIGNMENT TNM-M-E-0001 Issue 3 4.2.3.4 Mute Adjustment   1.  Select the Mute/TCXO page and select Open Mute.. 2.  Set the RF signal generator to the receiver alignment frequency, and adjust the RF level such that the desired mute opening sinad (typically 10dB sinad) is achieved. 3.  Select Close Mute and remove the RF input from the radio. 4.  Set the Squelch Open and Squelch Close sliders to the fully left position. This ensures the receiver will be muted. 5.  Set the Squelch Close slider to the fully right position. 6.  Reconnect the RF input to the radio. 7.  Adjust the Squelch Open slider to the right until the mute opens. 8.  Reduce the Signal Generator output level by approximately 2dB (or by an amount equal to the desired mute hysteresis level). 9.  Adjust the Squelch Close slider to the left until the mute closes. 10.  The mute should now open and closes at the desired RF levels.
 Page 4.10 TNM-M-E-0001 Issue 3 4 ~ ALIGNMENT 4.2.3.5 RSSI    1.  Select the RSSI Cal page. 2.  Set the Signal Generator for a RF output level of -90dBm at the specified frequency. 3.  Activate the RSSI button. The receiver RSSI threshold setting is calibrated.
      Page 4.11 4 ~ ALIGNMENT TNM-M-E-0001 Issue 3 4.2.3.6 TX Power   1.  Select Tx Power/Mod page. 2.  Select Channel 0. 3.  Select the 25W-power level. 4.  Press the PTT button. 5.  Adjust the Tx Final Value slider for a power output of 25W. The supply current shall be less than 7.5A. 6.  Select the 5W-power level. 7.  Adjust the Tx Final Value slider for a power output of 5W. 8.  Select the 1W power level. 9.  Adjust the Tx Final Value slider for a power output of 1W. 10.  Release the PTT button. 11.  Repeat steps 2 to 10 inclusive for the remaining 3 Channels (1, 2, & 3).
 Page 4.12 TNM-M-E-0001 Issue 3 4 ~ ALIGNMENT 4.2.3.7 Modulation   1.  Select Tx Power/Mod page. 2.  Select Channel 0. 3.  Select the 1W power level. 4.  Set the microphone input signal from the Audio Generator to 1000Hz at 400 mV RMS. 5.  Adjust the VCO Modulation Limit slider for a deviation of ±2.05kHz  6.  Reduce the microphone input level to 40mV RMS and check that the deviation is within the range ±1.25 kHz to ±1.75 kHz. 7.  Repeat steps 2 to 7 inclusive for the remaining 3 Channels (1, 2, & 3). 8.  Remove the microphone audio input signal 9.  Select the Generate Square Wave function. 10.  Select PTT and, while viewing the de-modulated signal on the transceiver test set oscilloscope, adjust the Modulation Balance slider for the best square wave symmetry. 11.  Repeat steps 8 to 11 inclusive for the remaining 3 Channels (1, 2, & 3).
      Page 4.13 4 ~ ALIGNMENT TNM-M-E-0001 Issue 3 4.2.3.8 Programming When all channels have been aligned the radio is programmed with the new alignment data: 1.  Select Align and choose Write Alignment.   2.  A warning message is displayed.   3.  Choose Yes. New alignment data is written to the radio.      4.2.3.9  Customers Radio Configuration Data  If the Customers Radio Configuration Data was stored in an FPP file, use the SRM9000 Configuration Programmer to write this data to the radio.
      Page 5.1  5.1~REPLACEABLE PARTS TNM-M-E-0001 Issue 2 5. REPLACEABLE PARTS 1294734568109000_51 Figure 5-1 Replaceable Parts 5.1 COMMON PARTS Ident Description  Quantity per Assembly  Part Number 2 Case  1  3513-901-70071 3  End Cap, Rear  1  3513-903-91082 4  Screw End Cap  12  3513 993 85009 5  Screw Tray Retention M3 x 16  3  3513 993 57117 6  Screw Tray Retention M3 x 12  2  3513 993 57116 7  Label Transceiver Top  1  6102 303 00051 8  End Cap, Front  1  3513-903-91072 9  Label Front End Cap  1  6102 303 00041 10  Inner Tray  1  3513 901 70082   DC power installation kit  1  MA-DCPOWER   TX PA Shield cover  1  3502 310 63223   RJ45 Connector  1  3513 993 05529   DB15 Connector  1  3513 993 02063   Antenna BNC connector  1  3513 505 05991   Audio PA Module U805  1  3513 999 52036   Voltage Regulator U900, U901, U912   1  3513 999 42084   Voltage Regulator U903  1  6102 822 00011-0   Temperature Controlled Crystal Oscillator U700  1  3513 999 99200   Transient Suppressor Diode D900  1  3513 999 42083   Transmit Receive Switch Q541  1  3513-999-00006   ON/OFF FET Q7, Q900  1  3513 999 05046
 Page 5.2 TNM-M-E-0001 Issue 3 5.2~BAND SPECIFIC PARTS 5.2 BAND-SPECIFIC PARTS  Ident Description  Quantity per Assembly  Part Number   Tx PA Module U500 (E0 Band)  1  6102 861 00111   Tx PA Module U500 (AC Band)  1  6102 861 00011   Tx PA Module U500 (TK Band)  1  6102 861 00031   Tx PA Module U500 (R1 & R2 Band)  1  6102 861 00021   Tx PA Module U500 (UW & WR Band)  1  6102 861 00041   Tx PA Module U500 (K1 Band)  1  6102 861 00121   Tx PA Module U500 (KM Band)  1  6102 861 00131

Navigation menu