Skidata ASX70KT Port. Keyterminal for 123 kc and 13.56 Mc keycards User Manual Manual KeyTerminal AS x70 KT
Skidata AG Port. Keyterminal for 123 kc and 13.56 Mc keycards Manual KeyTerminal AS x70 KT
Skidata >
User manual

Manual
KeyTerminalASx70KT

Installation & Maintenance Instructions KeyTerminal AS x70 KT
Page 2 © SKIDATA AG, June 2003
SKIDATA AG
Technical Documentation
Untersbergstrasse 40
A-5083 Gartenau
Telephone +43-(0)6246 888-0,
Telefax +43-(0)06246 888-7
Internet http://www.skidata.com
e-mail docu@skidata.com
Copyright
© 2003 by SKIDATA AG. All rights reserved. All information in the
following document is protected by copyright law. No part of this
document may be reproduced without the written consent of SKI-
DATA AG. SKIDATA AG reserves the right to make any changes
of specification and other information in this document without
further notice.
Please note
During the compilation of this Technical Documentation, great
care has been taken to ensure the accuracy of the information
contained in it. However, despite our constant effort to ensure the
highest degree of accuracy and comprehensiveness possible,
the information provided cannot be guaranteed to be absolutely
error-free.
Trademarks
This documentation may contain representations of registered
product or service trademarks owned by SKIDATA AG or third
parties, as well as references to proprietary know-how protected
by copyright laws or other legal provisions. In any case the intel-
lectual property rights remain exclusively with their respective
owners.
Declaration of Conformity
The KeyTerminal AS x70 KT product family have been devel-
oped, designed and manufactured in accordance with the follow-
ing EU directions:
R&TTE (99/5/EC)
0408
List of EU countries where these KeyTerminals may be sold:
AT, DE, FI, FR, IT, SE
Version June 2003

KeyTerminal AS x70 KT Installation & Maintenance instructions
© SKIDATA AG, June 2003 Page 3
FCC 15.19:
This device complies with Part 15 of the FCC Rules. Operation
is subject to the following two conditions: (1) this device may not
cause harmful interference, and (2) this device must accept any
interference received, including interference that may cause un-
desired operation.
FCC 15.21:
IMPORTANT: Any changes to or modifications of AS x70 KT (all
variants) unless expressly approved by SKIDATA™, may void
the user's authority to operate this device.

Installation & Maintenance Instructions KeyTerminal AS x70 KT
Page 4 © SKIDATA AG, June 2003
KeyTerminal AS x70 KT 1
Document Management – Version Table
Tab. 1: Document Version Table for Installation & Maintenance Instructions
Section Document Pages Version Date
1 KeyTerminal AS x70 KT 4 1.0 17-06-2003

KeyTerminal AS x70 KT 1
1
KeyTerminal
AS x70 KT
Version 1.0
4 pages
Copyright 2003 by SKIDATA AG

KeyTerminal AS x70 KT 1
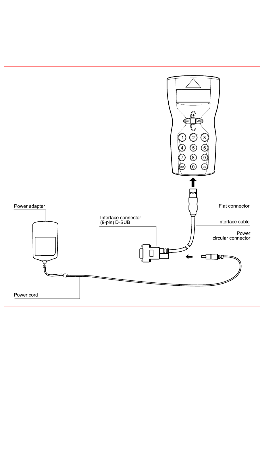
Electrical connections of the device 1.2
© SKIDATA AG, Version 1.0 Page 3
1.2 Electrical connections of the
device
Plug the circular connector of the power adapter into its coun-
terpart on the backside of the interface connector.
Plug the flat connector of the interface cable into its counter-
part on the KeyTerminal (below the key ‘0’)
Plug in the power adapter.
These connections are sufficient to power the KeyTerminal
from mains and to charge the rechargeable battery pack.
Depending on the variant of the KeyTerminal, the interface
cable comes either with a 9-pin female or male connector.
The female connector is used to be connected to an RS 232
interface (COM), while the male connector is designed for a
connection to a modem.

1 KeyTerminal AS x70 KT
1.2 Electrical connections of the device
Page 4 © SKIDATA AG, Version 1.0
Fig. 1: Connection KeyTerminal
