Skidata COX70ITXBC Coder working with 123 kHz and 13.56 MHz keycards User Manual COx70TX
Skidata AG Coder working with 123 kHz and 13.56 MHz keycards COx70TX
Skidata >
Installation Manual

Installation & Maintenance Instructions
Coder Models CO x70 TX, CO x70 TX/BC and
CO x70i TX, CO x70i TX/BC

Installation & Maintenance Instructions Coder models COx70TX
Page 2 © SKIDATA AG, February 2003
SKIDATA AG
Technical Documentation
Untersbergstrasse 40
A-5083 Gartenau
Telephone +43-(0)6246 888,
Telefax +43-(0)06246 8887
Internet http://www.skidata.com
e-mail docu@skidata.com
Copyright
© 2003 by SKIDATA AG. All rights reserved. All information in the
following document is protected by copyright law. No part of this
document may be reproduced without the written consent of SKI-
DATA AG. SKIDATA AG reserves the right to make any changes
of specification and other information in this document without
further notice.
Please note
During the compilation of this Technical Documentation, great
care has been taken to ensure the accuracy of the information
contained in it. However, despite our constant effort to ensure the
highest degree of accuracy and comprehensiveness possible,
the information provided cannot be guaranteed to be absolutely
error-free.
Trademarks
This documentation may contain representations of registered
product or service trademarks owned by SKIDATA AG or third
parties, as well as references to proprietary know-how protected
by copyright laws or other legal provisions. In any case the intel-
lectual property rights remain exclusively with their respective
owners.
Declaration of Conformity
The Coders of the COx70TX product family have been devel-
oped, designed and manufactured in accordance with the
following EU directives:
R&TTE (99/5/EC)
Machinery (98/37/EC)
0408
Version February 2003

Coder models COx70TX Installation & Maintenance instructions
© SKIDATA AG, February 2003 Page 3
List of EU countries where these Coders may be sold:
AT, BE, DE, DK, ES, FI, FR, GB, GR, IE, IT, LU, NL, PT, SE
FCC 15.19 :
This device complies with Part 15 of the FCC Rules. Operation
is subject to the following two conditions: (1) this device may not
cause harmful interference, and (2) this device must accept any
interference received, including interference that may cause un-
desired operation.
FCC 15.21 :
IMPORTANT: Any changes to or modifications of COx70TX (all
variants) unless expressly approved by SKIDATA™, may void the
user's authority to operate this device.

Installation & Maintenance Instructions Coder models COx70TX
Page 4 © SKIDATA AG, February 2003
Main Table of Contents 1
Introduction, Safety Requirements 2
Operation & Maintenance Coder models 3
Document Management – Version Table
Tab. 1: Document Version Table for Installation & Maintenance Instructions
Section Document Pages Version Date
1 Main Table of Contents 4 1.0 17-02-2003
2 Introduction, Safety Requirements 6 1.0 17-02-2003
3 Operation & Maintenance of Coder Models 24 1.0 17-02-2003

Contents 1
1
Contents
Version 1.0
4 Pages
Copyright 2003 by SKIDATA AG

1 Contents
1.1 Content
Page 2 © SKIDATA AG, Version 1.0
1.1 Contents
Contents 1
1.1 Contents 2
Introduction, Safety requirements 2
2.1 Contents 2
2.2 About this Documentation 3
2.2.1 Structure of this Document 3
2.3 Typographical Conventions 4
2.3.1 Text 5
2.3.2 Important product safety notice 5
2.4 Safety instructions 5
2.4.1 Danger of injury by rotating parts 5
2.4.2 Environmental conditions 5
2.4.3 Power cord 6
2.4.4 Warranty and liability 6
Operation & Maintenance 3
3.1 Contents 2
3.2 Installation 4
3.2.1 Space Requirements 4
3.2.2 Placement 4
3.2.3 Unpacking and Set-Up 5
3.2.4 Installing a Single-Hopper Module 6
3.2.5 Installing a Triple-Hopper Module 8
3.2.6 Installing the hopper attachment 8
3.3 Coder Components 10
3.4 Safety Notes 12
3.5 Preparing the Coder for usennnn 13
3.5.1 Inserting Cards 13
3.5.2 Connecting the Coder and Power
Supply 15
3.5.3 Connection of Coder and
CashComputer 15
3.6 Maintenance 16
3.6.1 Removing the Housing Cover 16
3.6.2 Cleaning the Transport Path 17

Contents vvvvc 1
Content 1.1
© SKIDATA AG, Version 1.0 Page 3
3.6.3 Cleaning or replacing the Thermal print
head / Barcode Reader 18
3.6.4 Cleaning the Transport Rollers 19
3.6.5 Cleaning the Separating Roller 21
3.7 Troubleshooting 22
3.7.1 Cards are not issued 22
3.7.2 Card stuck in mechanism 22
3.7.3 Cards are not Drawn In 23
3.7.4 Poor Print Quality 23
3.8 Technical characteristics 24
3.8.1 Data Carriers 24
3.8.2 Devices 24

1 Contents
1.1 Content
Page 4 © SKIDATA AG, Version 1.0

Introduction, Safety Requirements 2
2
Introduction,
Safety Require-
ments
Version 1.0
6 Pages
Copyright 2003 by SKIDATA AG

2 Introduction, Safety Requirements
2.1 Contents
Page 2 © SKIDATA AG, Version 1.0
2.1 Contents
2.1 Contents 2
2.2 About this Documentation 3
2.2.1 Structure of this Document 3
2.3 Typographical Conventions 4
2.3.1 Text 4
2.3.2 Important product safety notice 4
2.4 Safety Instructions 5
2.4.1 Danger of injury by rotating parts 5
2.4.2 Environmental conditions 5
2.4.3 Power cord 6
2.4.4 Warranty and liability 6

Introduction, Safety Requirements, 2
About this Documentation 2.2
© SKIDATA AG, Version 1.0 Page 3
2.2 About this Documentation
This manual contains a description of the Series CO x70 TX and
CO x70 TX/BC as well as the Series CO x70i TX and CO x70i TX/BC
coding units, as well as instructions for the correct installation
and connection of the device, and details on operation and main-
tenance.
NOTE: Throughout this documentation, Coder models
CO x70 TX (or KeyPrinter), CO x70i TX, CO x70 TX/BC and
CO x70i TX/BC are uniformly referred to as “COx70TX”, disregard-
ing any distinction between 1-hopper and 3-hopper models.
2.2.1 Structure of this Document
Chapter 1 contains the main table of contents of this manual.
Chapter 2 (i.e. the chapter you are just reading) provides some
general information about this documentation and its use, as well
as a number of important safety instructions.
In Chapter 3 you will find instructions on how to install and con-
nect the coding units, as well as details on its operation and
maintenance.

2 Introduction, Safety Requirements
2.3 Typographical Conventions
Page 4 © SKIDATA AG, Version 1.0
2.3 Typographical Conventions
Text passages which are of particular importance are highlighted
by a different layout and special symbols.
2.3.1 Text
Step-by-step instructions and listed items are printed in the
form of bulleted lists . . .
. . . just like this one.
Important hints and notes are printed in a box. Text passages
like this usually caution the user against potential technical
damage or health hazards. Boxed messages may also contain
special instructions.
2.3.2 Important product safety notice
All safety instructions mentioned in this manual must be adhered
to when installing or using the Coder COx70TX.
Failure to comply with these safety instructions may lead to per-
sonal injury and may also cause damage to the coding unit.
The following symbols are used throughout this document:
Warning against personal injury or technical damage.
Information regarding the appropriate use of a device, or im-
portant hints, explanations, etc.

Introduction, Safety Requirements, 2
Safety Instructions 2.4
© SKIDATA AG, Version 1.0 Page 5
2.4 Safety Instructions
Coding models of series COx70TX may only be used for
their intended purpose as declared by the manufacturer.
Unauthorised modifications of coding units COx70TX or the
use of components or ticket stock not approved by SKIDATA
may cause personal injury to operating staff or damage the
device. The manufacturer will under no circumstances accept
any liability for personal injury or device damage resulting
from unauthorised device modifications.
2.4.1 Danger of injury by rotating parts
Caution – Danger of injury:
Coder models COx70TX contain rotating gears and transport
rollers, which pose a danger of bruising when moving.
Always power off the device before opening the housing for
maintenance purposes.
Never reach into the device with your hand while it is running
to avoid bruising your fingers.
Persons with long hair should never bend over the device
while it is open and running, as the hair may get caught in the
gears, causing personal injury. The same applies to lose
clothing such as scarfs or ties.
2.4.2 Environmental conditions
Warning: Avoid metal objects such as paper clips or screws
from dropping inside the device, as these may short out the
device or cause mechanical damage.
If any metal object does get inside the device, power off the
device immediately. In case you are unable to remove the ob-
ject without difficulty, please contact your SKIDATA technical
support provider.
Always protect the device against liquids or rain. If any liquid
substance should get inside the device, power off the device
immediately and contact a SKIDATA technical support pro-
vider.

2 Introduction, Safety Requirements
2.4 Safety Instructions
Page 6 © SKIDATA AG, Version 1.0
2.4.3 Power cord
Caution: A defective power cord may cause electric shock or
fire.
In case the mains power cord (i.e., the cord connecting the
power supply to an outlet) is damaged or worn, it must be re-
placed immediately.
2.4.4 Warranty and liability
In the event of damage to person or property, all warranty and li-
ability claims shall be excluded if this damage is attributable to
one or more of the following:
Inappropriate use of the coding unit
Improper installation of the printer
Irregular or insufficient maintenance
Use of material not approved by SKIDATA
Insufficient training of operating personnel
Unauthorised modifications of the printer or any parts thereof
Disaster situations caused by impact of foreign bodies or
force majeure

Operation & Maintenance of Coder models COx70TX (All Versions) 3
3
Operation &
Maintenance
Coder Models
CO x70 TX and
CO x70 TX/BC
CO x70i TX and
CO x70i TX/BC
Version 1.0
24 Pages
Copyright 2003 by SKIDATA AG

3 Operation & Maintenance of Coder models COx70TX (All Versions)
3.1 Contents
Page 2 © SKIDATA AG, Version 1.0
3.1 Contents
3.1 Contents 2
3.2 Installation 3
3.2.1 Space requirements 3
3.2.2 Placement 3
3.2.3 Unpacking and setup 4
3.2.4 Installing a single-hopper module 5
3.2.5 Installing a triple-hopper module 7
3.2.6 Installing the hopper attachment 7
3.3 Coder Components 9
3.4 Safety Notes 11
3.5 Preparing the Coder for use 12
3.5.1 Inserting cards 12
3.5.1.1 Adjusting the hopper attachment 12
3.5.1.2 Filling the card hoppers 13
3.5.2 Connecting the Coder and power
adapter 14
3.5.3 Connecting the Coder to the
CashComputer 14
3.6 Maintenance 15
3.6.1 Removing the housing cover 15
3.6.2 Cleaning the transport channel 16
3.6.2.1 Printing test cards 16
3.6.3 Cleaning or replacing the thermal
print head 17
3.6.4 Cleaning the transport rollers 18
3.6.5 Cleaning the separating roller 20
3.7 Troubleshooting 21
3.7.1 Cards are not issued 21
3.7.2 Card stuck in mechanism 21
3.7.3 Cards are not drawn in 22
3.7.4 Poor print quality 22
3.8 Technical Characteristics 23
3.8.1 Data carriers 23
3.8.2 Devices 23

Operation & Maintenance of Coder models COx70TX (All Versions) 3
Installation 3.2
© SKIDATA AG, Version 1.0 Page 3
3.2 Installation
3.2.1 Space requirements
Select a location that provides sufficient space on all sides of the
Coder. The operating surface should be at least 580 x 470 mm.
3.2.2 Placement
When choosing a space to set up the Coder and power adapter,
please note the following:
Main unit
The Coder should be set up on a stable, flat surface, such as
a desk.
The Coder must be protected from direct sunlight, excessive
heat, humidity and dust.
Make sure that all cables are readily accessible for connecting
and disconnecting.
Fig. 1: Space requirements
465 mm
50 mm 50 mm
50 mm
200 mm
580 mm
Height: 250 mm
Leave sufficient space for replenishing hoppers

3 Operation & Maintenance of Coder models COx70TX (All Versions)
3.2 Installation
Page 4 © SKIDATA AG, Version 1.0
The oder must be easily accessible for operation and
maintenance work.
Power adapter
Dimensions (mm): W x H x D: 120 x 70 x 240 (110 x 70 x 210)
Make sure that the ventilation slits of the power supply are not
obstructed
3.2.3 Unpacking and setup
Grasp the Coder by the carriage with both hands and lift it out
of the packaging.
Remove the transport screw at the bottom of the device.
Fig. 2: Removing transport screw
Transport screw
Bottom view

Operation & Maintenance of Coder models COx70TX (All Versions) 3
Installation 3.2
© SKIDATA AG, Version 1.0 Page 5
3.2.4 Installing a single-hopper module
Take the hopper unit out of the packaging.
Place the carriage at the base of the coder and slide it in as
far as it will go (see Fig. 3: Installing the single-hopper mod-
ule).
Secure the carriage to the main unit using the four locking
screws (see Fig. 4: Single-hopper module attached to the
Coder).
Fig. 3: Installing the single-hopper module

3 Operation & Maintenance of Coder models COx70TX (All Versions)
3.2 Installation
Page 6 © SKIDATA AG, Version 1.0
Fig. 4: Single-hopper module attached to the Coder

Operation & Maintenance of Coder models COx70TX (All Versions) 3
Installation 3.2
© SKIDATA AG, Version 1.0 Page 7
3.2.5 Installing a triple-hopper module
The assembly of the triple-hopper version is the same as de-
scribed in section 3.2.4 Installing a single-hopper .
However, the 3-hopper attachment additionally requires the car-
riage drive motor to be connected to the basic mechanical array.
To do so, hook up the motor cable to the connector on the
motor.
3.2.6 Installing the hopper attachment
Unpack the plastic hopper attachment and place it carefully onto
the drive assembly as shown in Fig. 6. Make sure that the ad-
justment dials face forward (towards the Coder).
Fig. 5: Motor connector for triple-hopper module

3 Operation & Maintenance of Coder models COx70TX (All Versions)
3.2 Installation
Page 8 © SKIDATA AG, Version 1.0
Fig. 6: Installing the hopper attachment

Operation & Maintenance of Coder models COx70TX (All Versions) 3
Coder Components 3.3
© SKIDATA AG, Version 1.0 Page 9
3.3 Coder Components
Fig. 7: Components – view of right side, view of left side

3 Operation & Maintenance of Coder models COx70TX (All Versions)
3.3 Coder Components
Page 10 © SKIDATA AG, Version 1.0
Fig. 8: Components (inside view)

Operation & Maintenance of Coder models COx70TX (All Versions) 3
Safety Notes 3.4
© SKIDATA AG, Version 1.0 Page 11
3.4 Safety Notes
Warning: The Coder is equipped with rotating toothed wheels
and transport rollers.
Always switch off the Coder before opening the housing cover!
Keep fingers, etc. away from an open Coder when switched
on - this can lead to injury, especially pinched fingers.
Be careful of hopper attachment movement – do not place
hand between housing and hopper attachment when unit is
switched on!
Persons with long hair should never bend over the device to
open it while it is powered on (this is to prevent injury resulting
from the hair getting caught in the drive mechanism).
Hot thermal print head:
CAUTION: When opening the device, never touch the print
head while the unit is in operation or shortly afterwards. Doing
so may cause serious burns.

3 Operation & Maintenance of Coder models COx70TX (All Versions)
3.5 Preparing the Coder for use
Page 12 © SKIDATA AG, Version 1.0
3.5 Preparing the Coder for use
3.5.1 Inserting cards
The hopper attachment has three hoppers for three different
kinds of blank cards. The thickness of the blank cards depends
on the material (cardboard, PVC, etc.). Adjust the card thickness
of the hopper before filling.
3.5.1.1 Adjusting the hopper attachment
Remove the hopper attachment from the carriage.
Insert the blank card into the feed-in slot of the appropriate
hopper.
Rotate the adjustment wheel clockwise (–) until the card is in
position.
Loosen adjustment wheel (+) until the card can be removed
easily.
Repeat the adjustment process if the cards are not being
drawn in properly or when two cards are drawn in simultane-
ously.
Readjust when switching to a different type of blank card.
Fig. 9: Adjusting hopper attachment

Operation & Maintenance of Coder models COx70TX (All Versions) 3
Preparing the Coder for use 3.5
© SKIDATA AG, Version 1.0 Page 13
3.5.1.2 Filling the card hoppers
The card hoppers can be filled completely with blank cards. Make
sure that sufficient space remains for the weight.
Load card stock into the card hopper. Make sure that cards
are inserted properly and are not tilted.
Place the card weight on top of the stack.
Single cards can also be fed through the card output slit
independent of the control software configuration.
Fig. 10: Loading cards

3 Operation & Maintenance of Coder models COx70TX (All Versions)
3.5 Preparing the Coder for use
Page 14 © SKIDATA AG, Version 1.0
3.5.2 Connecting the Coder and power adapter
The Coder is supplied with operating power by an external power
adapter.
Make sure that the Coder is switched off.
Plug the power cord into the Coder and screw in both locking
pins.
Attach the cold device connector to the power adapter and
plug the power adapter into a shockproof mains socket.
3.5.3 Connecting the Coder to the CashComputer
The Coder is equipped with a parallel interface for connection of
a Coder cable.
Connect the printer cable to the parallel interface port on the
Coder; screw in locking pins.
Plug the other end ofd the cable to the parallel interface port
on the CashComputer; screw in locking pins.
Fig. 11: Power supply

Operation & Maintenance of Coder models COx70TX (All Versions) 3
Maintenance 3.6
© SKIDATA AG, Version 1.0 Page 15
3.6 Maintenance
To ensure optimum operation of the Coder, it should be cleaned
as needed at more or less regular intervals, depending on
frequency of use.
Switch off Coder before performing maintenance work!
Important: Never clean the Coder with solvents or thinners -
these substances can damage parts and the housing.
As legal regulations prohibit the shipping of flammable liquids,
the cleaning kit contains an empty bottle which should be filled
with cleaning spirit.
Perform the following maintenance tasks:
Clean transport path with cleaning card
Clean or exchange printing head
Clean transport rollers
Clean separating roller
3.6.1 Removing the housing cover
Remove housing cover by lifting it up.
Fig. 12:
Opening housing

3 Operation & Maintenance of Coder models COx70TX (All Versions)
3.6 Maintenance
Page 16 © SKIDATA AG, Version 1.0
3.6.2 Cleaning the transport channel
This requires the SKIDATA COx60/COx70 cleaning set:
Item number: CPZUBEHÖR4113;
The transport path should be cleaned with a cleaning card after
printing approximately 2000 cards.
Dampen fleeced side of cleaning card with cleaning fluid;
shake off any excess.
Launch cleaning function in CashComputer application
Insert cleaning card (fleeced side up) into Coder from front.
Cleaning card will be moved along transport path several
times and then expelled.
If desired, check print quality by printing test card – white test
cards have been provided in cleaning set.
3.6.2.1 Printing test cards
If the Coder cable is not connected, a test card will be printed
automatically when the unit is switched on.
At first, the unit will try to draw in a card from the front slit. If a
card is not inserted within one second, a blank card will be drawn
from the card magazine.
Switch off Coder
Disconnect Coder cable
Switch on Coder
Insert test card into front of unit

Operation & Maintenance of Coder models COx70TX (All Versions) 3
Maintenance 3.6
© SKIDATA AG, Version 1.0 Page 17
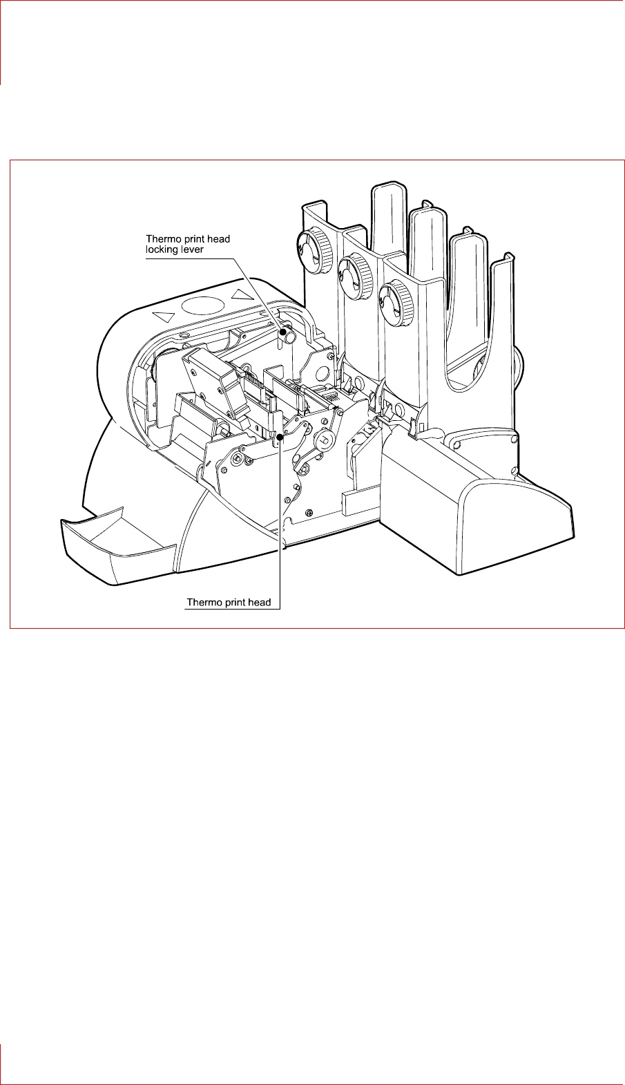
3.6.3 Cleaning or replacing the thermal print
head
The thermal print head should be cleaned whenever printing
quality becomes unsatisfactory, but at least every 5,000 printing
cycles. If cleaning does not improve the printing quality, you
should replace the thermal print head.
When handling the thermal print head, be careful not to damage
the delicate printing line.
Deinstalling the thermal print head
Switch off the Coder and disconnect the power cable.
Unplug the print head connection cable.
Push up the thermal print head locking lever.
Remove the thermal print head.
Please note: The thermographic elements of the print head
are quartz glass coated. Any external physical impact (e.g.,
rough handling) can damage this coating, making the entire
print head unusable.

3 Operation & Maintenance of Coder models COx70TX (All Versions)
3.6 Maintenance
Page 18 © SKIDATA AG, Version 1.0
Moisten a soft, lit-free cloth with some cleaning spirit and use
it to clean the printing line of the thermal print head. Make
sure that no liquid gets on any other part of the print head.
Installing the thermal print head
Raise the clamping lever on the print head, then position the
print head on the locking pin and adjust and lower clamping
lever.
Plug in the print head cable.
3.6.4 Cleaning the transport rollers
The transport rollers should be cleaned after printing 5000 cards.
Switch off Coder and disconnect power cable.
Dampen soft, lint-free cloth with small amount of cleaning fluid
(provided in cleaning set).
Fig. 13: Cleaning the thermal print head

Operation & Maintenance of Coder models COx70TX (All Versions) 3
Maintenance 3.6
© SKIDATA AG, Version 1.0 Page 19
Clean transport rollers while rotating manually with card ejec-
tor wheel.
Fig. 14: Cleaning transport rollers

3 Operation & Maintenance of Coder models COx70TX (All Versions)
3.6 Maintenance
Page 20 © SKIDATA AG, Version 1.0
3.6.5 Cleaning the separating roller
The separating roller draws individual cards from a hopper and
into the Coder. Dirt reduces the separating roller’s grip and could
result in malfunction.
Lift the hopper attachment from card magazine carriage.
Dampen soft, lint-free cloth with small amount of cleaning fluid
(provided in cleaning set).
Tilt rocker with separating roller forward.
Clean separating roller while rotating manually with toothed
wheel located next to roller.
Fig. 15: Cleaning the separating roller

Operation & Maintenance of Coder models COx70TX (All Versions) 3
Troubleshooting 3.7
© SKIDATA AG, Version 1.0 Page 21
3.7 Troubleshooting
The following section provides help for diagnosing and
eliminating problems. Most problems can be eliminated most
efficiently by closely following the steps listed below. Should you
be unable to solve problems and require help, please prepare an
exact description before contacting our technical support
department.
3.7.1 Cards are not issued
Cards are not issued; Coder does not respond.
Switching off the Coder and then back on will make the card
transport unit operational for a short period – this will show
whether the Coder is functioning properly.
Printer cable between CashComputer and Coder might be
loose at either end - check connection at both ends; tighten
safety pins.
Power supply cable might not be plugged in firmly enough -
check connection at power supply and socket.
Socket is dead - check by plugging an operational electrical
device into socket.
3.7.2 Card stuck in mechanism
Cards become stuck in the Coder.
Important: Do not use pointed metallic tools to remove a
card, as this can damage the Coder’s mechanical and/or
electronic components.
The blank cards in the magazine are bent or damp - check the
quality of the blank cards and replace them if necessary.
To remove a stuck card: Switch off Coder; open housing
cover; carefully transport card to ejection slit by turning ejector
wheel or pull up and out of unit. Make sure that card is
removed in its entirety and pieces do not remain in Coder.

3 Operation & Maintenance of Coder models COx70TX (All Versions)
3.7 Troubleshooting
Page 22 © SKIDATA AG, Version 1.0
3.7.3 Cards are not drawn in
Cards are not being drawn in from the hopper attachment.
The hopper attachment has not been adjusted properly – take
out the hopper attachment and adjust the hopper (see Prepa-
ration of Coder)
Separating roller is dirty – remove and clean separating roller
(see Maintenance).
3.7.4 Poor print quality
The quality of the imprints is unsatisfactory or there are
white stripes.
Thermal print head is dirty or defective– remove and clean. If
this does not produce satisfactory results, replace thermal
print head (see Maintenance).

Operation & Maintenance of Coder models COx70TX (All Versions) 3
Technical Characteristics 3.8
© SKIDATA AG, Version 1.0 Page 23
3.8 Technical Characteristics
3.8.1 Data carriers
3.8.2 Devices
* ED: German abbreviation for “operating duration”
Tickets KeyCards
Coding method: Barcode Contactless
Printing type– visual imprint: Thermographic Thermographic
Card material: Paper or PVC with
thermo-sensitive
coating
PVC with thermo-
sensitive label
Card format: ISO ISO
Card thickness: 0.4 mm max. 1.0 mm max.
Capacity of card magazine
Paper: approx. 400
Thermo Re-Write:
approx. 160
approx. 160
Tab. 1:
Technical data - data carriers
KeyPrinter Power supply
Power supply 24 VDC 85 – 260 VAC;
47 – 63 Hz.
Power consumption max. 200 W 120 W ED=100%;
240 W ED Ê 35%*
Operating temperature: 0 – +35 °C -10 – +70 °C
Storage temperature: -10 – +70 °C -30 – +85 °C
System of protection IP 20 IP 20
Dimensions in mm W x H x D:
365 x 250 x 330 mm
W x H x D:
120 x 70 x 240 mm
(110 x 70 x 210 mm)
Weight 8.2 kg 1.7 kg
Tab. 2:
Technical data - devices

3 Operation & Maintenance of Coder models COx70TX (All Versions)
3.8 Technical Characteristics
Page 24 © SKIDATA AG, Version 1.0