Skylab M and C Technology SKW71 WIFI module User Manual SKW18 2X2 USB Wi Fi Module

Skylab M&C; Technology Co.,Ltd. WIFI module SKW18 2X2 USB Wi Fi Module

User manual

    深圳市天工测控技术有限公司                                                 SKW71-User Manual      SKW71-UM-001,A/1  1   SKW71 User Manual   General Description  The module SKW71 compliant to 802.11 b/g/n Wi-Fi Solution for low power, low-cost, and highly integrated AP and consumer electronic devices, the module requiring only a external 3.3V power supply and connection to antenna. The module based on the single chip AR9331 which integrates an 802.11n 1x1 MAC/BB/radio with internal PA and LNA. It supports 802.11n operations up to 72 Mbps for 20 MHz and 150 Mbps for 40 MHz channel respectively, and IEEE 802.11b/g data rates. The module support AP mode and client mode and repeater mode and UART wifi.  Applications   AP WIFI  UART WIFI  Repeater WIFI  IP TV  IP DVD(Internet VOD Player)  Set Top Box  Home Gateways  Gaming Consoles  DVR       Figure 1: SKW71 Top View
    深圳市天工测控技术有限公司                                                 SKW71-User Manual      SKW71-UM-001,A/1  2 Features  Compliant to IEEE 802.11b/g/n 1x1WLANs  DDR2 memory up to 512Mb  Flash memory up to 64Mb  1LAN ports and 1 WAN port  High-speed UART    USB 2.0 host device mode support  Support AP/Client/Repeater mode  Support UART to wifi transparent  Security: WEP 64/128, WPA, WPA2, TKIP, AES, WAPI  RoHS compliance meets environment-friendly requirement.  45(L) x 17.3(W) x 9.0(H) mm small dimension   Module Pinout   Figure 2: SKW71 Dimensions   Figure 3: SKW71 Pin Package  Pin Description
    深圳市天工测控技术有限公司                                                 SKW71-User Manual      SKW71-UM-001,A/1  3 1  VDD_3.3V 3.3V input 1000mA, recommended voltage 3.3V,Min2.97V, MAX 3.63V 2  GND  Ground 3  GPIO_23  KEY_INPUT, be free for customer defined. 4  WAN_PORT_RX+  Ethernet port 5  I2S_WS(GPIO_19)  Word select for stereo 6  WAN_PORT_RX-  Ethernet port 7  I2S_MICIN(GPIO_22)  I2S Data input 8  WAN_PORT_TX+  Ethernet port 9  I2S_MCK(GPIO_21)  Master clock 10  WAN_PORT_TX-  Ethernet port 11  I2S_SD(GPIO_20)  Serial data input/output 12  LAN_PORT0_RX+  Ethernet port 13  I2S_CK(GPIO_18)  Stereo clock 14  LAN_PORT0_RX-  Ethernet port 15  USB + USB signal, carries USB data to and from the USB 2.0 PHY 16  LAN_PORT0_TX+  Ethernet port 17  USB -  USB signal, carries USB data to and from the USB 2.0 PHY 18  LAN_PORT0_TX-  Ethernet port 19  LED7(GPIO_27)  SYSTEM LED 20  GND  Ground 21  LED8(GPIO_26)  JMP_START LED 22  VDD_2.0V OUTPUT Power supply output for peripheral network transformer 23  RESET_CONFIG (UART_CTS) (GPIO_12) resets the firmware to its default configuration, it    has a internal 10k drop down resistance, and trigger while Pulling up 24  VDD_2.0V OUTPUT  Power supply output for peripheral network transformer 25  JUMPSTART (UART_RTS) (GPIO_11) KEY_INPUT to start WPS function, it    has a internal 10k drop down resistance, and trigger while Pulling up 26  GND  Ground 27  GND  Ground 28  SPI_MISO SPI serial interface 29  VDD_3.3V 3.3V input 1000mA, recommended voltage 3.3V,Min2.97V, MAX 3.63V 30  SPI_CLK SPI serial interface 31  VDD_3.3V 3.3V input 1000mA, recommended voltage 3.3V, Min2.97V, MAX 3.63V 32  SPI_MOSI SPI serial interface 33  LED6 (GPIO_17)  WLAN LED
    深圳市天工测控技术有限公司                                                 SKW71-User Manual      SKW71-UM-001,A/1  4 34  LED2 (GPIO_13)  LAN_PORT0_LED 35  LED1 (GPIO_1) USB LED 36  LED0 (GPIO_0) Wireless LED 37  UART_RX (SPI_CS1) Serial data in 38  UART_TX (SPI_CS2) Serial data out 39  GND  Ground 40  GND  Ground   PCB Footprint and Dimensions    Figure 4: SKW71 Footprint
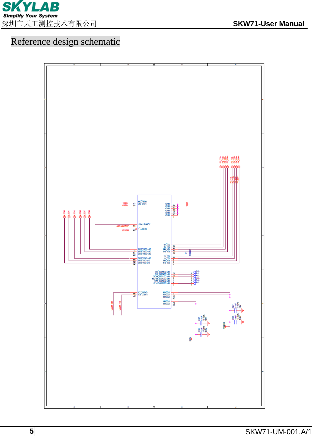
    深圳市天工测控技术有限公司                                                 SKW71-User Manual      SKW71-UM-001,A/1  5 Reference design schematic
    深圳市天工测控技术有限公司                                                 SKW71-User Manual      SKW71-UM-001,A/1  6
    深圳市天工测控技术有限公司                                                 SKW71-User Manual      SKW71-UM-001,A/1  7
    深圳市天工测控技术有限公司                                                 SKW71-User Manual      SKW71-UM-001,A/1  8  Skylab M&C Technology Co., Ltd.          Address: 9th Floor, Zhongguang Building, Yayuan Road, Bantian, Shenzhen Phone: 86-755 8340 8210(Sales Support) Phone: 86-755 8340 8510(Technical Support) Fax: 86-755-8340 8560 E-Mail: sales1@skylab.com.cn Website: www.skylab.com.cn   Changes or modifications not expressly approved by the party responsible for compliance could voidyour authority to operate the equipment.NOTE: This equipment has been tested and found to comply with the limits for a Class B digital device,pursuant to Part 15 of the FCC Rules. These limits are designed to provide reasonable protectionagainst harmful interference in a residential installation.This equipment generates uses and can radiate radio frequency energy and, if not installed and usedin accordance with the instructions, may cause harmful interference to radio communications. However, there is no guarantee that interference will not occur in a particular installation. If thisequipment does cause harmful interference to radio or television reception, which can be determinedby turning the equipment off and on, the user is encouraged to try to correct the interference by oneor more of the following measures:1.Reorient or relocate the receiving antenna.2.Increase the separation between the equipment and receiver.3.Connect the equipment into an outlet on a circuit different from that to which the receiver isconnected.4.Consult the dealer or an experienced radio/TV technician for help.Warning:Any company of the host device which install this modular with limit modular approval should perform the test of radiated emission and spurious emission according to FCC part 15C : 15.247 ;  IC RSS 247  ;15.209 ; RSS GEN requirement, Only if the test result comply with FCC part 15C : 15.247 ;  IC RSS 247  ;15.209 ; RSS GEN requirement,then the host can be sold legally.
FCC StatementThisdevicecomplieswithpart15oftheFCCRules.Operationissubjecttothefollowingtwoconditions:(1)Thisdevicemaynotcauseharmfulinterference,and(2)thisdevicemustacceptanyinterferencereceived,includinginterferencethatmaycauseundesiredoperation.Changesormodificationsnotexpresslyapprovedbythepartyresponsibleforcompliancecouldvoidtheuser'sauthoritytooperatetheequipment.NOTE:ThisequipmenthasbeentestedandfoundtocomplywiththelimitsforaClassBdigitaldevice,pursuanttoPart15oftheFCCRules.Theselimitsaredesignedtoprovidereasonableprotectionagainstharmfulinterferenceinaresidentialinstallation.Thisequipmentgenerates,usesandcanradiateradiofrequencyenergyand,ifnotinstalledandusedinaccordancewiththeinstructions,maycauseharmfulinterferencetoradiocommunications.However,thereisnoguaranteethatinterferencewillnotoccurinaparticularinstallation.Ifthisequipmentdoescauseharmfulinterferencetoradioortelevisionreception,whichcanbedeterminedbyturningtheequipmentoffandon,theuserisencouragedtotrytocorrecttheinterferencebyoneormoreofthefollowingmeasures:‐‐Reorientorrelocatethereceivingantenna.‐‐Increasetheseparationbetweentheequipmentandreceiver.‐‐Connecttheequipmentintoanoutletonacircuitdifferentfromthattowhichthereceiverisconnected.‐‐Consultthedealeroranexperiencedradio/TVtechnicianforhelp.FCCRadiationExposureStatementThemodularcanbeinstalledorintegratedinmobileorfixdevicesonly.Thismodularcannotbeinstalledinanyportabledevice,forexample,USBdongleliketransmittersisforbidden.ThismodularcomplieswithFCCRFradiationexposurelimitssetforthforanuncontrolledenvironment.Thistransmittermustnotbeco‐locatedoroperatinginconjunctionwithanyotherantennaortransmitter.Thismodularmustbeinstalledandoperatedwithaminimumdistanceof20cmbetweentheradiatoranduserbody.IftheFCCidentificationnumberisnotvisiblewhenthemoduleisinstalledinsideanotherdevice,thentheoutsideofthedeviceintowhichthemoduleisinstalledmustalsodisplayalabelreferringtotheenclosedmodule.Thisexteriorlabelcanusewordingsuchasthefollowing:“ContainsTransmitterModuleFCCID:2ACOE‐SKW71OrContainsFCCID:2ACOE‐SKW71”whenthemoduleisinstalledinsideanotherdevice,theusermanualofthisdevicemustcontainbelowwarningstatements;1.ThisdevicecomplieswithPart15oftheFCCRules.Operationissubjecttothefollowingtwoconditions:(1)Thisdevicemaynotcauseharmfulinterference.(2)Thisdevicemustacceptanyinterferencereceived,includinginterferencethatmaycauseundesiredoperation.2.Changesormodificationsnotexpresslyapprovedbythepartyresponsibleforcompliancecouldvoidtheuser'sauthoritytooperatetheequipment.Thedevicesmustbeinstalledandusedinstrictaccordancewiththemanufacturer'sinstructionsasdescribedintheuserdocumentationthatcomeswiththeproduct
IC STATEMENT ThisdevicecomplieswithIndustryCanada’slicence‐exemptRSSs.Operationissubjecttothefollowingtwoconditions:(1)Thisdevicemaynotcauseinterference;and(2)Thisdevicemustacceptanyinterference,includinginterferencethatmaycauseundesiredoperationofthedevice.CetappareilestconformeauxCNRexemptesdelicenced'IndustrieCanada.Sonfonctionnementestsoumisauxdeuxconditionssuivantes:(1)Cedispositifnepeutcauserd'interférences;et(2)Cedispositifdoitacceptertouteinterférence,ycomprislesinterférencesquipeuventcauserunmauvaisfonctionnementdel'appareil.ICRadiationExposureStatementThemodularcanbeinstalledorintegratedinmobileorfixdevicesonly.Thismodularcannotbeinstalledinanyportabledevice,forexample,USBdongleliketransmittersisforbidden.ThismodularcomplieswithICRFradiationexposurelimitssetforthforanuncontrolledenvironment.Thistransmittermustnotbeco‐locatedoroperatinginconjunctionwithanyotherantennaortransmitter.Thismodularmustbeinstalledandoperatedwithaminimumdistanceof20cmbetweentheradiatoranduserbody.Cettemodulairedoitêtreinstalléetutiliséàunedistanceminimumde20cmentreleradiateuretlecorpsdel'utilisateur.IftheICnumberisnotvisiblewhenthemoduleisinstalledinsideanotherdevice,thentheoutsideofthedeviceintowhichthemoduleisinstalledmustalsodisplayalabelreferringtotheenclosedmodule.Thisexteriorlabelcanusewordingsuchasthefollowing:“ContainsIC:20742‐SKW71”whenthemoduleisinstalledinsideanotherdevice,theusermanualofthisdevicemustcontainbelowwarningstatements;1.ThisdevicecomplieswithIndustryCanada’slicence‐exemptRSSs.Operationissubjecttothefollowingtwoconditions:(1)Thisdevicemaynotcauseinterference;and(2)Thisdevicemustacceptanyinterference,includinginterferencethatmaycauseundesiredoperationofthedevice.2.CetappareilestconformeauxCNRexemptesdelicenced'IndustrieCanada.Sonfonctionnementestsoumisauxdeuxconditionssuivantes:(1)Cedispositifnepeutcauserd'interférences;et(2)Cedispositifdoitacceptertouteinterférence,ycomprislesinterférencesquipeuventcauserunmauvaisfonctionnementdel'appareil.Thedevicesmustbeinstalledandusedinstrictaccordancewiththemanufacturer'sinstructionsasdescribedintheuserdocumentationthatcomeswiththeproduct

Navigation menu