Skylab M and C Technology SKW71 WIFI module User Manual SKW18 2X2 USB Wi Fi Module
Skylab M&C; Technology Co.,Ltd. WIFI module SKW18 2X2 USB Wi Fi Module
User manual

深圳市天工测控技术有限公司 SKW71-User Manual
SKW71-UM-001,A/1
1
SKW71 User Manual
General Description
The module SKW71 compliant to 802.11 b/g/n Wi-Fi Solution for low power, low-cost, and
highly integrated AP and consumer electronic devices, the module requiring only a external 3.3V
power supply and connection to antenna.
The module based on the single chip AR9331 which integrates an 802.11n 1x1
MAC/BB/radio with internal PA and LNA. It supports 802.11n operations up to 72 Mbps for 20
MHz and 150 Mbps for 40 MHz channel respectively, and IEEE 802.11b/g data rates.
The module support AP mode and client mode and repeater mode and UART wifi.
Applications
AP WIFI
UART WIFI
Repeater WIFI
IP TV
IP DVD(Internet VOD Player)
Set Top Box
Home Gateways
Gaming Consoles
DVR
Figure 1: SKW71 Top View

深圳市天工测控技术有限公司 SKW71-User Manual
SKW71-UM-001,A/1
2
Features
Compliant to IEEE 802.11b/g/n 1x1WLANs
DDR2 memory up to 512Mb
Flash memory up to 64Mb
1LAN
ports
and
1
WAN
port
High-speed
UART
USB
2.0
host device
mode
support
Support AP/Client/Repeater mode
Support UART to wifi transparent
Security: WEP 64/128, WPA, WPA2, TKIP, AES, WAPI
RoHS compliance meets environment-friendly requirement.
45(L) x 17.3(W) x 9.0(H) mm small dimension
Module Pinout
Figure 2: SKW71 Dimensions
Figure 3: SKW71 Pin Package
Pin Description

深圳市天工测控技术有限公司 SKW71-User Manual
SKW71-UM-001,A/1
3
1 VDD_3.3V 3.3V input 1000mA, recommended voltage 3.3V,Min2.97V, MAX
3.63V
2 GND Ground
3 GPIO_23 KEY_INPUT, be free for customer defined.
4 WAN_PORT_RX+ Ethernet port
5 I2S_WS(GPIO_19) Word select for stereo
6 WAN_PORT_RX- Ethernet port
7 I2S_MICIN(GPIO_22) I2S Data input
8 WAN_PORT_TX+ Ethernet port
9 I2S_MCK(GPIO_21) Master clock
10 WAN_PORT_TX- Ethernet port
11 I2S_SD(GPIO_20) Serial data input/output
12 LAN_PORT0_RX+ Ethernet port
13 I2S_CK(GPIO_18) Stereo clock
14 LAN_PORT0_RX- Ethernet port
15 USB + USB signal, carries USB data to and from the USB 2.0 PHY
16 LAN_PORT0_TX+ Ethernet port
17 USB - USB signal, carries USB data to and from the USB 2.0 PHY
18 LAN_PORT0_TX- Ethernet port
19 LED7(GPIO_27) SYSTEM LED
20 GND Ground
21 LED8(GPIO_26) JMP_START LED
22 VDD_2.0V OUTPUT Power supply output for peripheral network transformer
23 RESET_CONFIG
(UART_CTS)
(GPIO_12)
resets the firmware to its default configuration, it has a internal
10k drop down resistance, and trigger while Pulling up
24 VDD_2.0V OUTPUT Power supply output for peripheral network transformer
25 JUMPSTART
(UART_RTS) (GPIO_11) KEY_INPUT to start WPS function, it has a internal 10k drop
down resistance, and trigger while Pulling up
26 GND Ground
27 GND Ground
28 SPI_MISO SPI serial interface
29 VDD_3.3V 3.3V input 1000mA, recommended voltage 3.3V,Min2.97V, MAX
3.63V
30 SPI_CLK SPI serial interface
31 VDD_3.3V 3.3V input 1000mA, recommended voltage 3.3V, Min2.97V, MAX
3.63V
32 SPI_MOSI SPI serial interface
33 LED6 (GPIO_17) WLAN LED

深圳市天工测控技术有限公司 SKW71-User Manual
SKW71-UM-001,A/1
4
34 LED2 (GPIO_13) LAN_PORT0_LED
35 LED1 (GPIO_1) USB LED
36 LED0 (GPIO_0) Wireless LED
37 UART_RX (SPI_CS1) Serial data in
38 UART_TX (SPI_CS2) Serial data out
39 GND Ground
40 GND Ground
PCB Footprint and Dimensions
Figure 4: SKW71 Footprint

深圳市天工测控技术有限公司 SKW71-User Manual
SKW71-UM-001,A/1
5
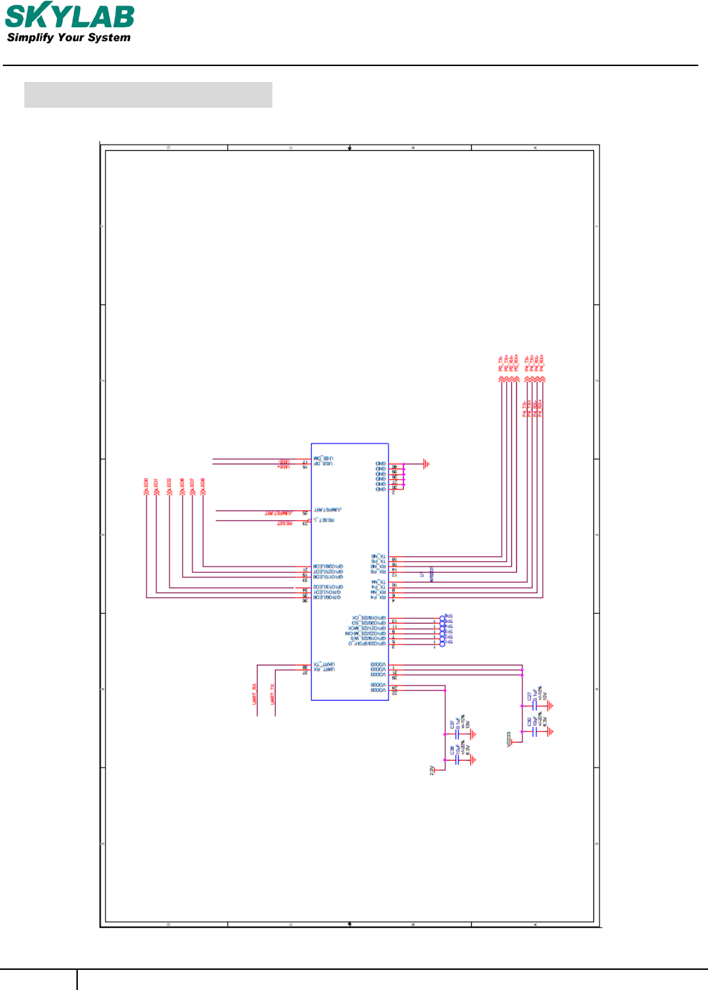
Reference design schematic

深圳市天工测控技术有限公司 SKW71-User Manual
SKW71-UM-001,A/1
6

深圳市天工测控技术有限公司 SKW71-User Manual
SKW71-UM-001,A/1
7

深圳市天工测控技术有限公司 SKW71-User Manual
SKW71-UM-001,A/1
8
Skylab M&C Technology Co., Ltd.
Address: 9th Floor, Zhongguang Building, Yayuan Road, Bantian, Shenzhen
Phone: 86-755 8340 8210(Sales Support)
Phone: 86-755 8340 8510(Technical Support)
Fax: 86-755-8340 8560
E-Mail: sales1@skylab.com.cn
Website: www.skylab.com.cn
Changes or modifications not expressly approved by the party responsible for compliance could void
your authority to operate the equipment.
NOTE: This equipment has been tested and found to comply with the limits for a Class B digital device,
pursuant to Part 15 of the FCC Rules. These limits are designed to provide reasonable protection
against harmful interference in a residential installation.
This equipment generates uses and can radiate radio frequency energy and, if not installed and used
in accordance with the instructions, may cause harmful interference to radio communications.
However, there is no guarantee that interference will not occur in a particular installation. If this
equipment does cause harmful interference to radio or television reception, which can be determined
by turning the equipment off and on, the user is encouraged to try to correct the interference by one
or more of the following measures:
1.Reorient or relocate the receiving antenna.
2.Increase the separation between the equipment and receiver.
3.Connect the equipment into an outlet on a circuit different from that to which the receiver is
connected.
4.Consult the dealer or an experienced radio/TV technician for help.
Warning:
Any company of the host device which install this modular with limit modular approval should perform the test of radiated
emission and spurious emission according to FCC part 15C : 15.247 ; IC RSS 247 ;15.209 ; RSS GEN requirement, Only if the test
result comply with FCC part 15C : 15.247 ; IC RSS 247 ;15.209 ; RSS GEN requirement,then the host can be sold legally.
FCC Statement
Thisdevicecomplieswithpart15oftheFCCRules.Operationissubjecttothefollowingtwoconditions:(1)Thisdevicemaynotcauseharmful
interference,and(2)thisdevicemustacceptanyinterferencereceived,includinginterferencethatmaycauseundesiredoperation.
Changesormodificationsnotexpresslyapprovedbythepartyresponsibleforcompliancecouldvoidtheuser'sauthoritytooperatethe
equipment.
NOTE:ThisequipmenthasbeentestedandfoundtocomplywiththelimitsforaClassBdigitaldevice,pursuanttoPart15oftheFCCRules.
Theselimitsaredesignedtoprovidereasonableprotectionagainstharmfulinterferenceinaresidentialinstallation.Thisequipmentgenerates,
usesandcanradiateradiofrequencyenergyand,ifnotinstalledandusedinaccordancewiththeinstructions,maycauseharmfulinterference
toradiocommunications.However,thereisnoguaranteethatinterferencewillnotoccurinaparticularinstallation.Ifthisequipmentdoes
causeharmfulinterferencetoradioortelevisionreception,whichcanbedeterminedbyturningtheequipmentoffandon,theuseris
encouragedtotrytocorrecttheinterferencebyoneormoreofthefollowing
measures:
‐‐Reorientorrelocatethereceivingantenna.
‐‐Increasetheseparationbetweentheequipmentandreceiver.
‐‐Connecttheequipmentintoanoutletonacircuitdifferentfromthattowhichthereceiverisconnected.
‐‐Consultthedealeroranexperiencedradio/TVtechnicianforhelp.
FCCRadiationExposureStatement
Themodularcanbeinstalledorintegratedinmobileorfixdevicesonly.Thismodularcannotbeinstalledinanyportabledevice,forexample,
USBdongleliketransmittersisforbidden.
ThismodularcomplieswithFCCRFradiationexposurelimitssetforthforanuncontrolledenvironment.Thistransmittermustnotbeco‐located
oroperatinginconjunctionwithanyotherantennaortransmitter.Thismodularmustbeinstalledandoperatedwithaminimumdistanceof20
cmbetweentheradiatoranduserbody.
IftheFCCidentificationnumberisnotvisiblewhenthemoduleisinstalledinsideanotherdevice,thentheoutsideofthedeviceintowhichthe
moduleisinstalledmustalsodisplayalabelreferringtotheenclosedmodule.Thisexteriorlabelcanusewordingsuchasthefollowing:
“ContainsTransmitterModuleFCCID:2ACOE‐SKW71OrContainsFCCID:2ACOE‐SKW71”
whenthemoduleisinstalledinsideanotherdevice,theusermanualofthisdevicemustcontainbelowwarningstatements;
1.ThisdevicecomplieswithPart15oftheFCCRules.Operationissubjecttothefollowingtwoconditions:
(1)Thisdevicemaynotcauseharmfulinterference.
(2)Thisdevicemustacceptanyinterferencereceived,includinginterferencethatmaycauseundesiredoperation.
2.Changesormodificationsnotexpresslyapprovedbythepartyresponsibleforcompliancecouldvoidtheuser'sauthoritytooperatethe
equipment.
Thedevicesmustbeinstalledandusedinstrictaccordancewiththemanufacturer'sinstructionsasdescribedintheuserdocumentationthat
comeswiththeproduct
IC STATEMENT
ThisdevicecomplieswithIndustryCanada’slicence‐exemptRSSs.Operationissubjecttothefollowingtwoconditions:
(1)Thisdevicemaynotcauseinterference;and
(2)Thisdevicemustacceptanyinterference,includinginterferencethatmaycauseundesiredoperationofthedevice.
CetappareilestconformeauxCNRexemptesdelicenced'IndustrieCanada.Sonfonctionnementestsoumisauxdeuxconditionssuivantes:
(1)Cedispositifnepeutcauserd'interférences;et
(2)Cedispositifdoitacceptertouteinterférence,ycomprislesinterférencesquipeuventcauserunmauvaisfonctionnementdel'appareil.
ICRadiationExposureStatement
Themodularcanbeinstalledorintegratedinmobileorfixdevicesonly.Thismodularcannotbeinstalledinanyportabledevice,forexample,
USBdongleliketransmittersisforbidden.
ThismodularcomplieswithICRFradiationexposurelimitssetforthforanuncontrolledenvironment.Thistransmittermustnotbeco‐located
oroperatinginconjunctionwithanyotherantennaortransmitter.Thismodularmustbeinstalledandoperatedwithaminimumdistanceof20
cmbetweentheradiatoranduserbody.Cettemodulairedoitêtreinstalléetutiliséàunedistanceminimumde20cmentreleradiateuretle
corpsdel'utilisateur.
IftheICnumberisnotvisiblewhenthemoduleisinstalledinsideanotherdevice,thentheoutsideofthedeviceintowhichthemoduleis
installedmustalsodisplayalabelreferringtotheenclosedmodule.Thisexteriorlabelcanusewordingsuchasthefollowing:
“ContainsIC:20742‐SKW71”
whenthemoduleisinstalledinsideanotherdevice,theusermanualofthisdevicemustcontainbelowwarningstatements;
1.ThisdevicecomplieswithIndustryCanada’slicence‐exemptRSSs.Operationissubjecttothefollowingtwoconditions:
(1)Thisdevicemaynotcauseinterference;and
(2)Thisdevicemustacceptanyinterference,includinginterferencethatmaycauseundesiredoperationofthedevice.
2.CetappareilestconformeauxCNRexemptesdelicenced'IndustrieCanada.Sonfonctionnementestsoumisauxdeuxconditionssuivantes:
(1)Cedispositifnepeutcauserd'interférences;et
(2)Cedispositifdoitacceptertouteinterférence,ycomprislesinterférencesquipeuventcauserunmauvaisfonctionnementdel'appareil.
Thedevicesmustbeinstalledandusedinstrictaccordancewiththemanufacturer'sinstructionsasdescribedintheuserdocumentationthat
comeswiththeproduct