Skylab M and C Technology WG209 wifi module User Manual WG209 20140604
Skylab M&C; Technology Co.,Ltd. wifi module WG209 20140604
Users Manual

Sk
y
lab M&C Technolo
gy
Co., Ltd. WG209-User Manual
WG209-UM-001,A/1
1
WG209 User Manual
General Description
WG209 is a 802.11n/ b/g WiFi one-stream USB interface designed specifically
to provide enhanced WiFi performance and value for home gateways, set-top boxes,
gaming consoles, printers, IP cameras, and variety of other products that host
processors not originally intended to support WiFi functions. WG209's MT7601
single-chip features a new architecture that integrates both a CPU and memory to
run more of the WiFi function on-chip. The integrated CPU offloads the wireless
processing overhead from the host appliance and enables consumer electronic
devices to support WiFi functions seamlessly without change of original host
processors.
Applications
Desktop Computer
Laptop Computer,
IP Camera
IP TV
IP DVD(Internet VOD Player)
Set Top Box
Home Gateways
Gaming Consoles
Printers
Features
Compliant to IEEE 802.11b/g/n WLANs
2.4 GHz WLAN MAC/BB processing
Security: WEP 64/128, WPA, WPA2, TKIP, AES, WAPI
Supports for Windows XP 32/64, 2000, Vista 32/64bit, Windows 7 32/64bit,
Linux, Android.
Power Supply: 3.6V to 5.5V

Sk
y
lab M&C Technolo
gy
Co., Ltd. WG209-User Manual
WG209-UM-001,A/1
2
Package: 6pin Connector
USB 2.0 high speed interface.
Supports 72.2 Mbps for 20 MHz and 150 Mbps for 40 MHz channel operations.
RoHS compliance meets environment-friendly requirement.
30(L) x 15(W) mm small dimension
Module Pinout
Figure 1: WG209 Pin Name
Pin Description
Pin No. Pin name I/O Description Remark
1 LED O LED pin
2 GND G Ground
3 D+ I/O USB Interface DP
4 D- I/O USB Interface DM
5 VCC P Module Power Supply
6 WPS I WPS pin
7 NC
8 NC

Sk
y
lab M&C Technolo
gy
Co., Ltd. WG209-User Manual
WG209-UM-001,A/1
3
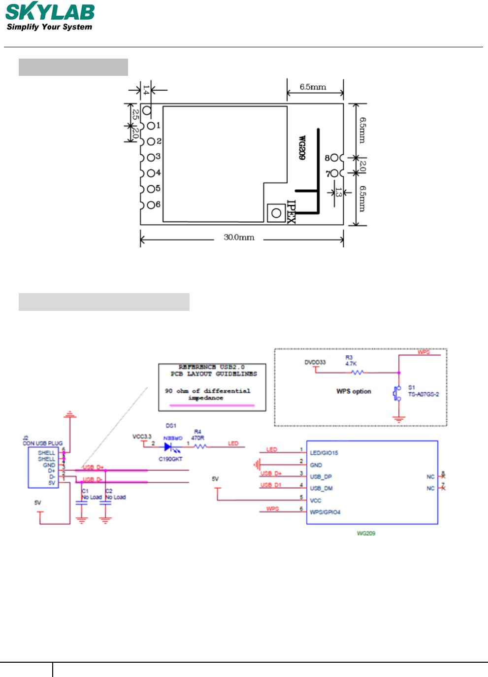
PCB Dimensions
Figure 2: WG209 Dimensions
Reference design schematic
Figure 3: WG209 Reference design schematic
FCC Information and Copyright
This equipment has been tested and found to comply with the limits for a Class B digital device,
pursuant to part 15 of the FCC Rules.
These limits are designed to provide reasonable protection against harmful interference in a residential
installation. This equipment generates,
uses and can radiate radio frequency energy and, if not installed and used in accordance with the
instructions, may cause harmful interference
to radio communications. However, there is no guarantee that interference will not occur in a particular
installation. If this equipment does
cause harmful interference to radio or television reception, which can be determined by turning the
equipment off and on, the user is
encouraged to try to correct the interference by one or more of the following measures:
—Reorient or relocate the receiving antenna.
—Increase the separation between the equipment and receiver.
—Connect the equipment into an outlet on a circuit different from that to which the receiver is
connected.
—Consult the dealer or an experienced radio/TV technician for help.
This device complies with part 15 of the FCC Rules. Operation is subject to the
following two conditions:
(1)This device may not cause harmful interference, and
(2) this device must accept any interference received, including interference that may
cause undesired operation.
changes or modifications not expressly approved by the party responsible for compliance could
void the user's authority to operate the equipment.
This equipment complies with FCC radiation exposure limits set forth for an uncontrolled
environment .This equipment should be installed and operated with minimum distance 20cm
between the radiator& your body. This transmitter must not be co-located or operating in
conjunction with any other antenna or transmitter.
using of non-approval antenna with this radio module may subject to additional testing
and FCC certification.
The labeling instruction for final product using this radio module,it contains FCC ID : 2ACOE-WG2089.
The final OEM that the final product manual should have 20cm warning statement to User.