Skyline Partners Technology Fastback Networks 101 Intelligent Backhaul Radio ISM 5.8GHz band User Manual Installation manual
CBF Networks, Inc., dba Fastback Networks Intelligent Backhaul Radio ISM 5.8GHz band Installation manual
Contents
- 1. Install Guide
- 2. Installation manual
Installation manual

2460NFirstSt.,Suite200,SanJose,CA95131U.S.A. Doc#770‐00001‐13
(408)430‐5440www.fastbacknetworks.comSept.21
,2014
IntelligentBackhaulRadio
Installation&Operation
Guide

IBRInstallationGuide
Page2of40Doc#770‐00001‐13
Sept.21,2014
Purpose
&ApplicabilityofThisGuide
ThisGuideprovidesdetailedinformationrelatedtouseoftheGraphicalUserInterface(“GUI”)and
totheCommandLineInterface(“CLI”)commandsandsyntaxthatareimplementedinFastback
Network’sIntelligentBackhaulRadio(“IBR”)
*
.
ThisGuideprovidesinformationthatisspecificallyapplicabletothefollowing:
1. TheIBRthattransmitsinthe5.8GHzrangeandisidentifiedas:
ModelNumber
**
:IBR‐2A3xGECuinterfaces
ProductNumber
***
:IBR‐1000‐83‐NA
FederalCommunicationsCommissionID:2AAEH‐101
IndustryCanadaID:11158A‐101
2. TheIBRthattransmitsinthe5.3GHzrangeandisidentifiedas:
ModelNumber:IBR‐2B3xGECuinterfaces
ProductNumber:IBR‐1000‐38‐NA
FederalCommunicationsCommissionID:2AAEH‐102
IndustryCanadaID:11158‐102
3. ThefeaturescontainedinIBRsoftwarerelease1.5.0
NOTES:Patents:www.fastbacknetworks.com/patents
**
“ModelNumber”isusedbyregulatorybodiesforregulatorycompliancepurposes.
***
“ProductNumber”isusedtoidentifyauniqueproductandforordering.
SpecialConsiderationsandSafetyWarnings
Priortoinstallingandoperatingthisequipment,readallinstructionsandwarningnoticesmarked
ontheequipmentorinaccompanyingdocumentation.
Donotattempttoapplypowertoequipmentthatshowssignsofdamage,tampering,or
mishandling.
Donotopentheequipmentorattempttorepairormodifyit.Doingsowillvoidthewarrantyand
mightcreateasafetyhazardand/orcausetheequipmenttobeoutofcompliancewithregulations.
Thisequipmentshouldbeinstalled,operated,andservicedonlybyqualifiedpersonnelandina
locationthatisaccessibleonlybyauthorizedservicepersonnel.
Installationandoperationofthisequipmentshouldbeincompliancewithapplicablenationaland
localcodes.
Ensurethatthisequipmentisgroundedatalltimesinaccordancewithlocalcodes.
IBRInstallationGuide
Page3of40Doc#770‐00001‐13
Sept.21,2014
TableofContents
Purpose&ApplicabilityofThisGuide 2
SpecialConsiderationsandSafetyWarnings 2
TableofContents 3
1.Introducing Intelligent Backhaul Radio (“IBR”) 5
1.1Overview.........................................................................................................................................................5
1.2IBRModels‐Transmit&ReceiveFrequencies................................................................................................5
1.3RadioFeatures................................................................................................................................................5
1.4SwitchFeatures..............................................................................................................................................5
1.5DeploymentOptions.......................................................................................................................................6
1.6Physical&EnvironmentalFeatures................................................................................................................6
2.Getting Started 7
2.1PhysicalInspection.........................................................................................................................................7
2.2Inventory.........................................................................................................................................................7
2.3ExternalFeatures............................................................................................................................................8
2.4PowerRequirements......................................................................................................................................8
2.5TechnicalAssistance.......................................................................................................................................9
3.Communicating with IBR 9
3.1SerialConsole.................................................................................................................................................9
3.2GraphicalUserInterface(“GUI”or“WebUI”)..............................................................................................10
3.3CommandLineInterface(“CLI”)...................................................................................................................10
3.4AccessControl–Factory‐SetUserNames&Passwords...............................................................................10
3.5GigabitEthernetPorts&Interfaces..............................................................................................................11
3.6ExternalEthernetConnectors.......................................................................................................................12
3.7PowerConnector..........................................................................................................................................12
3.8LEDs..............................................................................................................................................................12
4.Preconfiguring IBRs 12
4.1Power............................................................................................................................................................12
4.2CLIPrivilegedMode......................................................................................................................................13
4.3RSL................................................................................................................................................................13
4.4ManagementTraffic.....................................................................................................................................13
4.5HostName....................................................................................................................................................16
4.6UserNames&Passwords.............................................................................................................................16
4.7PasswordRecovery&ReinstatingIBRDefaultSettings...............................................................................17
4.8SystemClock.................................................................................................................................................17
4.9NameServer.................................................................................................................................................18
4.10NTPServer....................................................................................................................................................18
4.11SNMPServer.................................................................................................................................................18
4.12LinkID...........................................................................................................................................................18
4.13RadioLink.....................................................................................................................................................18
5.MAC Address Table & Counters 18
5.1MACAddressTable.......................................................................................................................................18
5.2Counters.......................................................................................................................................................19
6.Installing IBR 20
6.1SafetyConsiderations...................................................................................................................................20
6.2InstallationChecklist.....................................................................................................................................20
6.3IBRMountingBracket...................................................................................................................................21
6.4Power&EthernetConnections.....................................................................................................................22
6.5FabricatinganEthernetCable......................................................................................................................22
6.6SurgeSuppressorInstallation.......................................................................................................................24
6.7CommunicationwithIBRViatheSerialPort,Telnet,orSSH(Optional).......................................................24
IBRInstallationGuide
Page4of40Doc#770‐00001‐13
Sept.21,2014
6.8LinkEstablishment........................................................................................................................................24
6.9Pointing&LinkOptimization........................................................................................................................25
6.10PathPredictionTools....................................................................................................................................26
7.Features & Functionality 26
7.1AnyLOSTechnology......................................................................................................................................26
7.2CommunicationProtocols.............................................................................................................................26
7.3SoftwareManagement.................................................................................................................................26
7.4SNMP............................................................................................................................................................26
7.5Switching&Transport..................................................................................................................................27
7.6DataHandling...............................................................................................................................................27
7.7CarrierEthernet............................................................................................................................................27
7.8Timing&Synchronization.............................................................................................................................27
7.9NetworkTimeProtocol(NTP).......................................................................................................................27
7.10SystemMessageLogging.............................................................................................................................28
7.11QualityofService(QoS)&ClassofService(CoS)..........................................................................................28
7.12Security.........................................................................................................................................................28
8.Field Test Procedure 28
8.1FirmwareUpgrade........................................................................................................................................28
8.2RFC2544TrafficTests..................................................................................................................................28
8.3EnduranceTest.............................................................................................................................................28
8.4TrafficClassificationTest..............................................................................................................................28
Appendix A: Troubleshooting Guide 30
A1.IBRRebootsDuringtheBootProcess...........................................................................................................30
A2.IBRsCannotEstablishALink.........................................................................................................................30
A3.PacketFloodorStormCondition..................................................................................................................32
A4.LinkIsEstablishedButNotPassingTraffic...................................................................................................33
A5.IBRCannotBeReachedViatheNetwork.....................................................................................................33
A6.IBRIsDroppingFrames.................................................................................................................................34
A7.CommunicatingWithIBRViaCommandLineInterface(CLI).......................................................................35
A8.ContactingFastbackTechnicalSupport........................................................................................................36
FederalCommunicationsCommission(Fcc)ComplianceStatement 37
IndustryCanadaLicence‐ExemptRSSCompliance 37
EuropeanUnion&EuropeanFairTradeAssociationRegulatoryCompliance 38
DeclarationofConformity 38
EuropeanCommunityDeclarationofConformity 38
WEEEStatement 40

IBRInstallationGuide
Page5of40Doc#770‐00001‐13
Sept.21,2014
1. IntroducingIntelligentBackhaulRadio(“IBR”)
1.1 Overview
IBRcombinesaCarrierEthernetswitchandanAnyLOS™radiowhichcanoperatesimultaneouslyinnon‐,
near‐,andclearlineofsightradioconditions.Itisdesignedforsmallcelldeploymentindenseurban
environmentswherelineofsightbetweenradiosisdifficultorimpossibletoachieve.
IBRissmall,passively‐cooled,andenvironmentallyprotectedforusemainlyinmacro‐cellularbackhaul,
commercialservicesfiberfill‐in,andsmallcellbackhaulapplications.Itcanbemountedonmasts,poles,
walls,celltowers,orinothersuchlocationsandrequireslittleornoalignmentwhentheradiosarepointedin
thegeneraldirectionofoneanother.
NOTE:Forsafetyreasonsandregulatorycompliance,IBRshouldbeinstalledinarestrictedaccess
locationthatisaccessibleonlybyauthorizedservicepersonnel.
1.2 IBRModels‐Transmit&ReceiveFrequencies
TwomodelsofIBRtransmitandreceiveindifferentbandsandoperateasapairtoformthetwoendsofa
link.IBRmaybeaccessedremotelyoverthenetworkfromtelnetorSSH.ThedefaultIPaddressesare:
192.168.128.101fortheradiothattransmitsinthe5.8GHzband(IBR101);and
192.168.128.102fortheradiothattransmitsinthe5.3GHzband(IBR102).
ThedefaulthostnamesareIBR101andIBR102respectivelyandthesubnetmaskis/16or255.255.0.0.
TheyarereferredtoasIBR101andIBR102throughoutthisdocument,andhavethefollowingcharacteristics:
BW(MHz)CenterTransmitFrequency(MHz)
IBR101
IBR102
1.3 RadioFeatures
IBRusesadaptiveratemodulation,proprietaryinterferenceavoidanceandcancellationtechniques,AES
encryption,andantennaarraysignalprocessingtodeliverreliableandsecurehighspeeddatatransmission
overlinkswhereline‐of‐sightbetweenradiosisdifficultorimpossibletoachieve.ThetablebelowshowsIBR
performanceinatypicalinstallation.
IBRPerformance1
DataRate Scalableto500Mbps
AverageLatency <500μsec
OperatingRange Upto500mNLOS2and2KmLOS3
EIRP <30dBm
1.4 SwitchFeatures
IBRprovidesthefollowingCarrierEthernet2.0features:
Layer2transport
‐ VLAN(upto4096)
‐ Bridgemode(passthrough)
Management
1 Performance might vary depending on environmental conditions
2 Non-line-of-sight
3 Line-of-sight

IBRInstallationGuide
Page6of40Doc#770‐00001‐13
Sept.21,2014
‐ CLI
‐ Telnet
‐ SSH
‐ Serialconsole
‐ SNMPv2MIB
‐ Interface‐MIB
‐ MIBII
‐ EnterpriseMIB
Packet‐basedtiming–1588v2transparentclockw/submicrosecondlatency
QinQ(IEEE802.1ad)
QoS
‐ Eightqueues
‐ 802.1pclassification
‐ Strictscheduling
‐ WeightedDeficitRoundRobin(WDRR)Scheduling
‐ PIRshaping
256bitAESencryption
Physicallinkandnetworklayerredundancyformaximumserviceuptime
Serviceprotectionandreliability
1.5 DeploymentOptions
IBRisdesignedtobedeployedinpairscreatingapoint‐to‐pointlink,asillustratedinthediagrambelow.In
referringtothetworadios,IBRnearesttothefiberconnectioniscalledthe“aggregationIBR”andtheone
nearesttothecellsiteisthe“remoteIBR”.
IBRcanbeconnectedtoanedgeswitch.
IBRscanbeconnectedtooneanotherinamulti‐hopconfiguration.
IBRcanprovidebackhaulforadirectconnectiontoasmallcellsite.
1.6 Physical&EnvironmentalFeatures
IBR:
Ispassivelycooledandcanoperatecontinuouslyatfullpoweranddutycycleundermaximumsolar
loadatambienttemperaturesfrom‐40ᵒCto+60ᵒC.
Canbestoredsafelyattemperaturesintherangefrom‐55ᵒCto+85ᵒC.
HasanIP664environmentalrating.
Weighsapproximately5kgwithandhastheapproximatedimensionsshownintheillustrationbelow.
4 Ingress Protection Rating

IBRInstallationGuide
Page7of40Doc#770‐00001‐13
Sept.21,2014
ReturntoTableofContents
2. GettingStarted
2.1 PhysicalInspection
Priortoopeningtheshippingcrate,inspectitvisuallyforevidencethatithasbeenopenedormishandled.
Afteropeningthecrate,carefullyinspectthecontentsforcompletenessorevidenceofdamageortampering.
Intheeventtheshippingcrateisdamagedorthecontentsaredamagedorincomplete,notifyFastback
Networksbytelephone,fax,oremail.Theshippingcrate,dividers,andpackingmaterialsshouldberetained
foruseintheeventthatequipmentmustbereturnedtoFastbackNetworks.
AfterremovingIBRfromitspackingcrate,recordtheserialnumberandproductnumber(e.g.,75JPor57JP),
bothofwhichwillbeneededincaseitisnecessarytoseekassistancefromFastbackNetwork’sCustomer
SupportGroup.
DONOTOPENIBRFORANYREASON.DOINGSOWILLVOIDTHEWARRANTYANDMIGHTCREATEA
SAFETYHAZARDAND/ORCAUSETHEEQUIPMENTTOBEOUTOFCOMPLIANCEWITHREGULATIONS.
DONOTATTEMPTTOAPPLYPOWERTOANIBRTHATSHOWSSIGNSOFDAMAGE,TAMPERING,OR
MISHANDLING.
2.2 Inventory
Thefollowingcomponentsarerequiredforsuccessfulinstallationofalink:
a. OneIBR101andoneIBR102,eachofwhichincludesthefollowing:
ThreeweatherproofRJ‐45cable‐endconnectorsforCAT5E&CAT6cables
*
;
Aweatherproofcapforthefour‐pinserialconnectorthatisattachedtoIBRwhentheIBRserial
connectorisnotinuse*.
TwoweatherproofcapsforRJ‐45connectorsthatareattachedtoIBRwhentheIBRRJ‐45connectors
arenotinuse*.
Atwo‐meterserialcablewithaDB‐9connectorononeendandafour‐pinconnectorontheother
end;

IBRInstallationGuide
Page8of40Doc#770‐00001‐13
Sept.21,2014
Sixcrimp‐onendsforRJ‐45connectors&instructions
Aninformationsheetforaccessingregulatorydocumentsandmanualsonline;
Aquickreferenceguide;
Awarrantyregistrationcard;
*
Note:ForproperoperationofIBR,theweatherproofintegrityofallcablesandconnectorsshouldbemaintained
andweatherproofcapsshouldbefirmlyinstalledonunusedconnectorsatalltimes.
b. AmountingbracketforeachIBRthatissuitableforthatradio’slocation.Mountingbracketsthatare
availablefromFastbackNetworksarediscussedinthesectiontitledInstallingIBRinthisGuide.
c. APoE
+
injectorcapableofsupplyingatleastthirty‐five(35)watts.
d. AgroundinglugasdescribedinthesectiontitledInstallingIBRinthisGuide.
e. AppropriatemountinghardwareforthePoEinjector.
2.3 ExternalFeatures
TheillustrationbelowidentifiesexternalfeaturesofIBR.Thesmallcapattheendoftheradome(facing
upwardintheillustration)housestheDFS(dynamicfrequencyselection)antenna.
Thesidewherethemountinglugsandserialportarelocatedisreferredtoasthe“back”,sinceitistheside
thatwillbeagainstawallormastwhenIBRismounted.
ThesidethathasthethreeEthernetconnectorsandtwoLEDsisreferredtoasthe“bottom”.Eventhough
theconnectorsareweatherproof,IBRshouldbemountedwiththeconnectorsfacingdownwardfor
maximumenvironmentalprotection.
2.4 PowerRequirements
IBRmustbepoweredviaPoE
+
throughtheRJ‐45connectorthatisnearesttheLEDs(port0).ApplyingPoE
+
throughanyoftheotherEthernetconnectorswillcausenoharm,butwillnotpowerIBR.
IBRrequiresthirty(30)watts.Basedonanestimatedlossoffive(5)wattsinaonehundredmeterrunof
Ethernetcable,thepowerinjectorshouldbecapableofdeliveringatleastthirty‐five(35)wattsat60ᵒC.
IBRdoesnothaveacapabilitytoprovidePoEtootherdevicesonthenetwork.

IBRInstallationGuide
Page9of40Doc#770‐00001‐13
Sept.21,2014
2.5 TechnicalAssistance
IntheeventthereisaproblemwithIBRorotherequipmentprovidedbyFastbackNetworks(e.g.,itarrives
damagedorincomplete,orappearstonotworkproperly),theoperatorshouldcontactFastbackNetworks’
servicecenterviatelephoneoremailandbepreparedtoprovide:
Producttypeandserialnumber
Productservicehistory(e.g.,whenwasitreceived,howlonghasitbeeninservice,otherrelevant
information)
Descriptionoftheproblem
Customercontactinformation
FastbackNetworks’CustomerServicecanbereachedbyanyofthefollowing:
Telephone:(408)430‐5440Selectserviceoption(2)between0800–1700PTonbusinessdays
Email:support@fastbacknetworks.com
Web:http://support.fastbacknetworks.com
ReturntoTableofContents
3. CommunicatingwithIBR
IBRhasnoexternalorinternalkeypads,switches,dials,knobs,orotherphysicalcontrols.Therefore,an
operatorwillrequireasmartterminal,computer,workstation,orothersuchdevicetocommunicatewithIBR
usingcommandlineinterfaceandaccessingIBRviaanyoftheEthernetportsusingTelnetorSSHorviathe
serialconsoleport.
3.1 SerialConsole
IBRhasafour‐pinconnectorthatprovidesaserialinterfaceforconnectiontoalocaloperatorterminal.This
interfacecanbeusedbyanoperatortocommunicatewithandcontroltheIBRduringpreconfigurationand
troubleshootingoratothertimeswhenalocaloperatorneedstocommunicatewithIBRotherthanoveran
Ethernetlink.
ThematingcablethatisprovidedwithIBRhasaDB9connectorontheotherend.Theillustrationsbelow
showthepinoutsofthetwoconnectorsandthecablewiringscheme.
Thisinterfacecanbeusedbyanoperatoronlytocontrol,configure,andtroubleshootIBR,butnotforgeneral
networkconnectivityordatatransmission.Pin‐outsofthefour‐pinserialconnectorareshowninthetable
below.

IBRInstallationGuide
Page10of40Doc#770‐00001‐13
Sept.21,2014
ThefollowingsettingsarerecommendedwhencommunicatingwithIBRviatheserialinterface:
115,200bps
8databits
1stopbit
Noparity
Noflowcontrol
25linesand80columnswindowsize
NOTE:Ifaserialdeviceisdisconnectedandthenreconnected,CLImightbeleftina“badcommand”stateandnotrespondto
legitimatecommands.Thisconditioncanbeclearedbyenteringthefollowingsequence:<cr><cr><Ctrl‐C>.
3.2 GraphicalUserInterface(“GUI”or“WebUI”)
IBR’sinternalHTTPbrowser‐basedGUIprovidesaneasyalternatewaytomonitorandcontrolIBR.A
detaileddiscussionoftheGUIcanbefoundintheCLIGuide.
3.3 CommandLineInterface(“CLI”)
WhenanoperatorlogsontoIBR,CLIwillbelaunchedinUserMode(i.e.,startupmode),whichprovides
minimalfunctionality.
CLIissupportedontheserialinterfaceandviaTelnetorSSHconnectionsthroughtheEthernet
interface.
CLIusesamixofIOSsyntax.
Accesstothefullfunctionalitymode(i.e.,“Privileged”mode)canbecontrolledbypassword.
ThecommandsshownbelowaretheonlycommandsavailableinUsermode.
UserModeCommands
CommandDescription
IBR102>
! Comments
enable EnterPrivilegedMode
exitExitfromCLI
ping Sendmessagestonetworkhosts
telnet IPaddressorhostnameofaremotesystem
traceroute Determineroute&transittimetoaremotehost
ipIPv4
ipv6IPv6
DetailedinformationcanbefoundintheCLIGuide.
3.4 AccessControl–Factory‐SetUserNames&Passwords
IBRcanbeconfiguredtorequireavaliduserIDandpasswordforaccess.Twolevelsofaccesscanbe
established:minimumfunctionalityandfullfunctionality.DetailedinstructionsforcontrollingaccesstoIBR
arecontainedintheCLIGuide.
WhenCLIislaunchedandthe“username”dialogboxappears,theusermustenteravalidusernameand
password.Factory‐setusernamesarefbnandadmin(eithercanbeused)andthefactory‐setpassword

IBRInstallationGuide
Page11of40Doc#770‐00001‐13
Sept.21,2014
(forbothusernames)isfastback.Thesamefactory‐setpasswordwillallowausertoenterthePrivileged
Mode(seetheCLIGuidefordetailedinformation).
Whenauserwithprivilegedaccesschangeseitherofthepasswordsforthefactory‐setusernames,both
factory‐setuseraccountswillbeassignedthenewpassword.
Afterlogin,CLIwillbeintheUserMode,whichoffersalimitedsetofcommands.TheCLIcommandprompt
inUserModeisthesymbol>followedbyaspace.Whenthecommandpromptisdisplayed,itwillbe
precededbythehostnameifonehasbeenassigned.ThroughoutthismanualandtheCLIGuide,thehost
nameIBR102willbeused.Withthishostname,theUserModepromptwillappearasshownbelow:
IBR102>
ThehostnamecanbechangedoromittedbyaPrivilegeduser.Antennas
TheradomeontopofIBRhousestransmitandreceiveantennaswhichfaceoutwardthroughtheflatsidesof
theradome.Thedirectioninwhichtheantennasarepointedcanbechangedonlybychangingthe
orientationoftheIBRitself.
IBRisnotdesignedtobeusedwithexternalantennas.
3.5 GigabitEthernetPorts&Interfaces
IBRincludesa4‐portEthernetswitch.ThreeGigabitEthernetportsareexposedexternally,andoneis
connectedinternallytotheradio.BeginningwiththeportnearesttheLEDsasseenintheillustrationbelow,
theexternalGigabitEthernetportsarenumbered0,1,and2(i.e.,ge0,ge1,ge2).
IBR
TheGigabitEthernetportthatisconnectedtotheradio(notexternallyavailable)isidentifiedasGigabit
Ethernet3(ge3).Radioparametersareconfiguredthroughtheradio0interface,whileswitchingparameters
thatapplybothtothephysicalGigabitEthernetportsandtheradioport,suchasVLAN,QoS,andCoS,are
configuredthroughtheGigabitEthernetinterface.
InthisGuideandintheCLIGuide,portisusedinreferencetothephysicalEthernetexternalconnections,and
interfaceisusedinreferencetothevirtualinterfacetowhichanIPaddresshasbeenassigned.Ethernet
interfaces,includingloopbackinterfaces,canbecreated,asdiscussedintheCLIGuide,andeachportcanbe
assignedtooneormoreinterfaces.Ethernetinterfaces,includingloopbackinterfaces,areassociatedwith
VLANsandcanbecreatedandconfiguredasdiscussedintheCLIGuideinthesectiontitledVLANs.

IBRInstallationGuide
Page12of40Doc#770‐00001‐13
Sept.21,2014
3.6 ExternalEthernetConnectors
IBRhasthreeRJ‐45connectorslocatedonthebottomoftheunit,asshownintheillustrationinthepreceding
section.BeginningwiththeportnearesttheLEDs,theGigabitEthernetportsarenumbered0,1,and2(ge0,
ge1,ge2).
AllthreeEthernetconnectorscanbeusedfortrafficandIBRmanagementdata,butonlytheonenearestthe
LEDs(ge0)canpowerIBRviaPoE+.
TheRJ‐45connectorswillacceptshieldedandbondedRJ‐45typematingconnectorswithaweatherproof
seal.ItisessentialthatonlyweatherproofconnectorsbeconnectedtoIBR.
3.7 PowerConnector
Powermustbeconnectedtoge0asshowninthegraphicbelow.Connectingpowertoge1orge2willnot
harmIBR,butwillnotpowerit.
3.8 LEDs
TwoweatherproofLEDsthataremountedadjacenttoge0provideavisualmeansforanoperatorto
determinethestatusofIBR.BothLEDscanbedeactivatedviatheCLI.SeetheCLIGuidefordetailed
information.TheLEDscanbeseenintheIBRimage.TheLEDnearesttothecoolingfinsistheradioLEDand
theLEDnearesttotheradomeisthesystemLED.
WhentheLEDsareactive(thedefaultcondition):
TheupperLED(whentheLEDsareontheleftfromtheviewer’sperspective)isasystemindicatorand
willprovidethefollowinginformation:
‐ Off:Systemhasnopower.
‐ Amber:Bootloaderactivated.
‐ Green:FastbackOperatingSystemloaded.
ThelowerLEDistheradioindicatorandwillprovidethefollowinginformation:
‐ Off:Radionotinitialized.
‐ Amber:Radioinitialized.
‐ Green:Radioinitializedandalinkestablished.
ReturntoTableofContents
4. PreconfiguringIBRs
ThefollowingprocedureisforpreconfiguringapairofIBRspriortoinstallation.ConsulttheCLIGuideas
necessaryfordetailedinformation.
4.1 Power
CAUTION:
Whenpowerisapplied,theradiosautomaticallywillbegintransmittingwithinsixty(60)seconds.
ToavoidthepossibilityofdamaginganIBRbyoverdrivingthefrontendofthereceiver,priorto

IBRInstallationGuide
Page13of40Doc#770‐00001‐13
Sept.21,2014
connectingapowersource,positionthetwoIBRssothattheyaretiltedawayfromeachother,facing
downward,andseparatedbyatleastonemeter.
IBRdoesnothaveapoweron/offswitch,eitherinhardwareorsoftware.Whenpowerisappliedtothe
unit,IBRwillbeina“poweron”conditionandthesystemLEDbesidethege0portconnectorwillbe
illuminated.
ApplypowertoeachIBRusingaPoE+sourceconnectedtoGigabitEthernetinterface0.AlthoughPoE+
sourcescanbeappliedharmlesslytoanyport,onlyge0canbeusedtopowerIBR.
4.2 CLIPrivilegedMode
EnterPrivilegedmodebyenteringtheenablecommand:
IBR102>enable
Thefactory‐setpasswordforenteringPrivilegedmodeisfastback.ThePrivilegedModecommandprompt,
withIBR102ashostnamewillbe:
IBR102#
ThefollowingCLIcommandsareavailableinPrivilegedmode.
PrivilegedModeCommands
CommandDescription
IBR102#
! Comments
clear Resetfunctions
alarms Clearalarmhistory
config Resettofactorydefaults
counters Clearcountersononeorallinterfaces
configureterminal EnterGlobalConfigmodetomanagedeviceparameters
copy Copyafile(e.g.,running‐config)
ethernet Ethernetsubcommands
exit ReturntoUserMode
ping[string] Sendmessagestonetworkhosts[hostnameorIPaddress]
reload Halt&performacoldrestart
show Showrunningsysteminfo(seeCLIGuideforacompletelistofshowcmds)
telnetIPaddressorhostnameofaremotesystem
traceroute Printtheroutepacketstracetonetworkhost
ipIPv4
ipv6IPv6
[string]HostnameorIPaddresstotracetheroute
upgradeUpgradecommands
httpUpgradehttp(enterA.B.C.D[/mask]oranyhttpserverIPaddress)
sftpUpgradesftp(enterA.B.C.D[/mask]oranysftpserverIPaddress)
tftpUpgradetftp(enterA.B.C.D[/mask]oranytftpserverIPaddress)
ForadetaileddiscussionofCLIcommands,refertotheCLIGuide.
4.3 RSL
ChecktheRSLoneachIBRusingthefollowingCLIcommandinthePrivilegedmode:
IBR102#showinterfaceradio0status
RSLshouldbe‐36dBmorless.IfRSLisgreaterthan‐36dBm(e.g.,‐30dBm)oneitherIBR,thereceived
signallevelistoohighandgreaterseparationoftheIBRsisrecommendedtoavoidreceiversaturation.
4.4 ManagementTraffic
IBRinterfacesshouldbeconfiguredinsuchawayastoseparateinternalmanagementtrafficfromuserdata
traffic(i.e.,preventmanagementtrafficfrombeingsentoverthenetwork).Thefollowingsequenceof

IBRInstallationGuide
Page14of40Doc#770‐00001‐13
Sept.21,2014
commandsillustratesawaytoaccomplishthis.VLAN2,VLAN823,andtheIPaddressesshownareusedonly
asexamples.(SeetheCLIGuidefordetailedinformationrelatingtotheVLANinterfaces.)
4.4.1 ConfigureVLANInterfaces.
Promp
t
Command
IBR102(config)# interfacevlan1
IBR102(config‐vlan‐1)# ipaddress192.168.128.101 255.255.255.0
IBR102(config‐vlan‐1)# exi
t
IBR102(config)# interfacevlan2
IBR102(config‐vlan‐2)# noshutdown
IBR102(config‐vlan‐2)# ipaddress10.22.12.201255.255.0.0
IBR102(config‐vlan‐2)# exi
t
IBR102(config)# interfacevlan823
IBR102(config‐vlan‐823)# ipaddress10.1.1.158255.255.0.0
IBR102(config‐vlan‐823)# exi
t
IBR102(config)#
Note:Whenthemanagementporthasbeenreassigned,theTelnetconnectionwillbelostandtheoperatorwill
berequiredtoTelnettothenewmanagementportaddress.SeetheCLIGuideformoreinformationrelatingto
theVLANinterfaces.
4.4.2 RemoveVLAN1fromge1,g2,andge3.
Promp
t
Command
IBR102(config)# interfacegigabitethernet1
IBR102(config‐if‐ge1)# noswitchporttrunknativevlan1
IBR102(config‐if‐ge1)# exi
t
IBR102(config)# interfacegigabitethernet2
IBR102(config‐if‐ge2)# noswitchporttrunknativevlan1
IBR102(config‐if‐ge2)# exi
t
IBR102(config)# interfacegigabitethernet3
IBR102(config‐if‐ge3)# noswitchporttrunknativevlan1
IBR102(config‐if‐ge3)# exi
t
IBR102(config)# interfacevlan823
4.4.3 AddVLAN2totheGigabitEthernetInterfaces(useTrunkNativetoallowbothuntaggedandVLAN2tagged
traffic).
Promp
t
Command
IBR102(config)# interfacegigabitethernet1
IBR102(config‐if‐ge1)#
s
witchporttrunknativevlan2
IBR102(config‐if‐ge1)# exi
t
IBR102(config)# interfacegigabitethernet2
IBR102(config‐if‐ge2)#
s
witchporttrunknativevlan2
IBR102(config‐if‐ge2)# exi
t
IBR102(config)# interfacegigabitethernet3
IBR102(config‐if‐ge3)#
s
witchporttrunknativevlan2
IBR102(config‐if‐ge3)# exi
t
IBR102(config)# interfacevlan823
4.4.4 AddVLAN823toGigabitEthernet3(useTrunkAllowedtoallowonlyVLAN823taggedtraffic).

IBRInstallationGuide
Page15of40Doc#770‐00001‐13
Sept.21,2014
Promp
t
Command
IBR102(config)# interfacegigabitethernet3
IBR102(config‐if‐ge3)#
s
witchporttrunkallowedvlan823
IBR102(config‐if‐ge3)# exi
t
4.4.5 VerifyVLANsettings.
Promp
t
Command
IBR102#
s
howvlanbrief
VLANNameStatusNativeAllowed
‐‐‐‐‐‐‐‐‐‐‐‐‐‐‐‐‐‐‐‐‐‐‐‐‐‐‐‐‐‐‐‐‐‐‐‐‐‐‐‐‐‐‐‐‐‐‐‐‐‐‐‐‐‐‐‐‐‐‐‐‐‐‐‐
1VLAN1activege0
2VLAN2activege1ge2ge3ge1ge2ge3
823VLAN823activege3
IBR102#
4.4.6 Confirmthattheinterfaceswerecorrectlyconfigured.
SampleOutputoftheshowipinterfacesCommand
Promp
t
Command
showipinterfaces
IBR102#
1:lo:<LOOPBACK,UP,LOWER_UP>mtu16436qdiscnoqueue
link/loopback00:00:00:00:00:00brd00:00:00:00:00:00
inet127.0.0.1/8scopehostlo
2:eth0:<BROADCAST,MULTICAST,UP,LOWER_UP>mtu1500qdiscpfifo_fastqlen1000
link/ether18:48:d8:00:00:49brdff:ff:ff:ff:ff:ff
3:danipc:<BROADCAST,MULTICAST,UP,LOWER_UP>mtu1500qdiscpfifo_fastqlen1000
link/ether00:24:86:00:00:00brdff:ff:ff:ff:ff:ff
4:eth0.1@eth0:<BROADCAST,MULTICAST,UP,LOWER_UP>mtu1500qdiscnoqueue
link/ether18:48:d8:00:00:49brdff:ff:ff:ff:ff:ff
inet192.168.128.158/24brd192.168.128.255scopeglobaleth0.1
5:eth0.2@eth0:<BROADCAST,MULTICAST,UP,LOWER_UP>mtu1500qdiscnoqueue
link/ether18:48:d8:00:00:49brdff:ff:ff:ff:ff:ff
inet10.22.12.201/16brd10.22.255.255scopeglobaleth0.2
6:eth0.823@eth0:<BROADCAST,MULTICAST,UP,LOWER_UP>mtu1500qdiscnoqueue
link/ether18:48:d8:00:00:49brdff:ff:ff:ff:ff:ff
inet10.1.1.158/16brd10.1.255.255scopeglobaleth0.823
IBR102#
Followingthefirstthreeinterfacesintheoutput,therewillbeanadditionalinterfaceforeachVLAN.The
nameofaninterfacewillbeeth0.nnwherennistheVLANnumbertowhichtheIPaddressisassigned.Note
thateventhoughtheinterfaceisshownaseth0,theIPaddresscanbereachedonlythroughinterfacesto
whichthatVLANhasbeenassigned.
4.4.7 Reviewthenewconfiguration.
TheconfigurationcreatedinthissectioncreatesthreedistinctinterfacesforuseonIBR.
a. eth0.1isthemanagementinterfaceonVLAN1(thedefaultVLANonIBR).VLAN1hasbeenassignedto
GigabitEthernetportge0andgiventheIPaddress192.168.128.101/16.
ThisinterfaceisisolatedfromtheotherinterfacesandcanbeusedtoaccesstheIBRandmanagethe
switchwithoutallowingmanagementtraffictotraversetheRFlink.BecauseVLAN1isassociatedonly
withge0andnotge3,VLAN1trafficwillnottransversethelink.
b. eth0.2isthedatainterfaceonVLAN2,whichhasbeenassignedtoGigabitEthernetportsge1,ge2,and
ge3.
TrafficonVLAN2canbesentacrosstheRFlinkandoutontothenetwork.Itallowsalluntaggedtraffic
andtraffictaggedwithVLANID2tobesenttothenetwork.
IBRInstallationGuide
Page16of40Doc#770‐00001‐13
Sept.21,2014
GigabitEthernetports1and2arephysicalportsallowingconnectionstotheprovidernetwork.
GigabitEthernet3isdedicatedtotheIBRRFlinkandcreatesawirelessbridgebetweentwonetwork
segments.
c. eth0.823isanisolateddebuginterfaceonVLAN823.
VLAN823willallowtrafficonlytobesentfromoneIBRtotheotheracrossthewirelesslinkandrequires
thatthesenderbeloggedontooneoftheIBRs.
OneuseofthisinterfaceistoallowausertosendpingpacketstotheoppositeIBRtoverifylinkintegrity.
ThisVLANhasnoexposuretoaphysicalnetworkinterfacesotrafficonthisVLANisisolatedfromthe
network.
AnotherimportantuseofthisconfigurationistomanagethelinkpartnerfromthelocalIBR.
4.4.8 SavetheNewConfiguration.
Usethefollowingcommandstosavethenewsettingstothestartupconfigurationfile.
IBR102#copyrunning‐configstartup‐config
4.5 HostName
Changethehostname(optional)usingthefollowingcommandinGlobalConfigmode.
IBR102(config)#hostname[newname]
4.6 UserNames&Passwords
IBRcanbeconfiguredtorequirevalidusernamesandpasswordsforaccesstoCLIUserMode,CLIPrivileged
Mode,andtheGUI.Eachusernameandpasswordwillbeindependentoftheothers.
PasswordsarestoredpermanentlyinIBRandarenotpartofthestartup‐configorrunning‐configfiles.
Passwordswillbedisplayedinencryptedformintheshowrunning‐configoutput.
Passwordsarestringsofatleastsixandnotmorethansixteencharactersandcanincludeanyletter,any
numeral,andanyofthefollowingsymbols:!@$%
4.6.1 CLIUserMode‐IBRcanbeconfiguredtorecognizeindividualusernames,eachwithitsownpassword.The
commandtoconfigureUserModeusernamesandpasswordsis:
IBR102(config)#username[user_id]password[newpassword]
Ifthepasswordofanexistinguserisbeingchanged,user_idwillbetheusername(orID)oftheexistinguser
andnewpasswordwillbethenewlyassignedpassword.
Ifanewuserisbeingcreated,user_idwillbethenewusernameandnewpasswordtheassignedpasswordfor
thatuser.
Thecommandtoremoveanexistingusernameis:
IBR102(config)#nousername[user_id]
whereuser_idisthenameoftheuserthatisbeingremoved.
Thefactory‐setusernameisfbnandthepasswordisfastback.Thefactory‐setusername(fbn)
cannotbechangedordeleted,butthepasswordforfbncanbechangedusingeitherofthefollowing
commands:
IBR102(config)#usernamefbnpassword[newpassword]or
IBR102(config)#enablepasswordlevel1[newpassword]
wherenewpasswordisthenewlyassignedpassword.

IBRInstallationGuide
Page17of40Doc#770‐00001‐13
Sept.21,2014
4.6.2 CLIPrivilegedMode–PrivilegedModecanbeenteredonlyfromUserModeandcanbeprotectedwithasingle
passwordforallusers.TherequirementtouseapasswordtoenterPrivilegedModecanbeenabledor
disabledfromthePrivilegedModeasfollows:
IBR102(config)#enablepassword{level(1‐15)}[newpassword]
wherelevelmusteitherbethenumber1orthenumber15andnewpasswordisthenewlyassignedpassword.
Whenlevel=1,thepasswordfortheusernamedfbnwillbechanged.
Whenlevel=15,thepasswordtoenterPrivilegedModewillbeaffected.
Whennoleveloptionisentered,PrivilegedModewillbeaffected.
TherequirementforausertoenterapasswordtomovefromUserModetoPrivilegedModecanbedisabled
usingthefollowingcommand;however,thisisnotarecommendedconfigurationbecauseitcancreate
securityproblems:
IBR102(config)#noenablepassword
Thefollowingareexamplesofcommandsforcreating,changing,ordisablingpasswords.
SettingPasswords
CommandDescription
IBR102(config)#
enablepasswordlevel1fastbackuserSetPWasfastbackuserfortheusernamedfbn
enablepasswordlevel15fastb@ckuser SetthePWforalluserstoenterPrivilegeModeasfastb@ckuser
enablepasswordfast$$$user SetthePWforalluserstoenterPrivilegeModeasfast$$$user
noenablepasswordlevel1 RemovetherequirementforfbntouseaPWtoenterUserMode
noenablepasswordlevel15 RemovetherequirementforalluserstouseaPWtoenterPrivilegedMode
noenablepasswordRemovetherequirementforalluserstouseaPWtoenterPrivilegedMode
4.6.3 WebGraphicalUserInterface(GUI)–UsernamesandpasswordsfortheGUIaremanagedindependentlyfrom
CLIusernamesandpasswords.Foradditionalinformation,seetheGUIsectionoftheCLIGuide.
4.7 PasswordRecovery&ReinstatingIBRDefaultSettings
IntheeventthatuserscannotgainaccesstoIBRbecausepasswordshavebeenforgotten,thefollowing
procedurecanbeusedtoresetallIBRsettingstotheirdefaultvalues,therebyallowingausertoregain
accesstoIBR.ThisprocedurewillbootIBRintoaLinuxrootshellsingle‐usermodewheretheusercan
changethePrivilegedModepassword.
Initiateasystemrebootand,withintwo(2)seconds,pressCtrlCtointerrupttherebootprocess.Enter
thefollowingcommandwhentheuMON>promptisdisplayed5:
uMON>runflashlinuxsingle
Thesystemwilltakeseveralminutestoreboot.WhentheLinuxpromptisdisplayed,enterthe
commandpasswordrootandthenrespondtothesucceedingpromptstochangethePrivilegedMode
passwordandrebootthesystembyenteringthecommandreboot.
WhenIBRrebootstoCLIUserMode,usethedefaultusernameandpasswordtologontothesystem.
UsethenewPrivilegeModepasswordtoenterPrivilegeMode.
ThenfollowthestandardproceduretochangetheUserModeusernameandpassword.
Note:Tointerruptanongoingreboot,interruptpowertoIBR.
4.8 SystemClock
ThecommandtosettheIBRsystemclockisexecutedinGlobalConfigmodeandhasthefollowingform.
5 This works only with a serial console connection.

IBRInstallationGuide
Page18of40Doc#770‐00001‐13
Sept.21,2014
IBR102(config)#clockset[hh:mm:ss][YYYY‐MM‐DD]
wherealloftheargumentsareintegers.
4.9 NameServer
ThefollowingcommandcanbeusedtoconfiguretheNameserver.
IBR102(config)#ipname‐server[ip‐address}
4.10 NTPServer
ThefollowingcommandcanbeusedtoconfiguretheNTPserver.
IBR102(config)#ntpserver[ip‐address}
4.11 SNMPServer
CommandsforconfiguringSNMPareshowninthetablebelow.Fordetailedinformation,seetheCLIGuide.
ConfiguringSNMP
CommandDescription
IBR102(config)#snmp‐server ConfigureSNMP
community SNMPcommunityconfiguration
contact Setthesystemcontact
enableEnableSNMPnotificationtypes(traps)
group SNMPgroupconfiguration
host SNMPtraphostconfiguration
location Setthesystemlocation
trap‐envSetSNMPtrapenvironment(standardorx.733)
trap‐thresholdsSetSNMPtrapthresholdvalues
view SNMPviewconfiguration
4.12 LinkID
ThecommandtosetLinkIDhasthefollowingsyntax:
IBR102(config)#link‐id[linkname]
wherelinknameisanalphanumericstringfromonetothirty‐twocharactersinlengththatcancontainanyof
thefollowingsymbols:!@#$%‐_
UsingLinkIDCommand
Promp
t
Command Remarks
IBR102(config)# interfaceradio0Configradiointerface“0”
IBR102(config‐if‐rad0)# link‐id58$a2 SetslinkIDto“58$a2”
IBR102(config‐if‐rad0)# exi
t
ReturntoGlobalConfig
IBR102(config)#
4.13 RadioLink
IBRswillautomaticallyestablishalinkusingthebestfrequenciestooptimizedatathroughput.
ReturntoTableofContents
5. MACAddressTable&Counters
5.1 MACAddressTable
TheMACAddresstable,sometimesreferredtoastheL2(orLayer2)table,associatesMACaddresseswith
theirrespectiveVLAN’sandports.
IBRInstallationGuide
Page19of40Doc#770‐00001‐13
Sept.21,2014
IBRautomaticallyrecordstheMACaddressofareceivedpacket,theportonwhichitwasreceived,and
whetherthepackethasaVLANdesignation.WhenanincomingpacketarrivesatIBR,thecorrectportand
VLANfordeliveryofthepacketisdeterminedbycomparingtheMACaddressofthepacketwiththe
correspondingentryinL2.IftheMACaddressisnotintheL2table,IBRwillsendthepacketouttoallports
excepttheoneonwhichitwasreceived,andthenrecordtheportandVLANofthedevicethatrespondstothe
packet.
WhenaMACaddressintheL2tablehasnotbeenusedwithinapresettime(the“agingtime”),theMAC
addressentryisautomaticallydeletedfromthetable.Thedefaultagingtimeisthreehundred(300)seconds.
AgingtimeistheonlypropertyoftheL2tablefunctionalitythatcanbechanged.TheL2tablecancontainup
tosixty‐fourthousandentriessothat,withareasonableagingtime,thereislittlechanceofanoverflow
condition.
UsingtheCLI“show”command,anoperatorcandisplaythecontentsoftheL2table.
5.2 Counters
Countersareimplementedastwo‐dimensionalarraysthatassociatetrafficmetricswiththecorresponding
IBRports(interfaces).Countersareactivatedbydefaultandcannotbedisabled;however,thecontentsof
counterscanberesettozeroordisplayedbyoperatorcommand.ThecountersinIBRarelistedbelow
organizedthewaytheywouldbedisplayedusingtheshowcommand.
IBR102#showinterfacecounters Showsabriefview,notincludingerrors
IBR102#showinterfacecountersall ShowsallexceptTxQueue
IBR102#showinterfacecountersdetail Showsthefollowingcounters
InBytes Bytesreceivedataport
InUcastPkts Unicastpacketsreceivedataport
InMcastPkts Multicastpacketsreceivedataport
InBcastPkts Broadcastpacketsreceivedataport
OutBytes Bytessentfromaport
OutUcastPkts Unicastpacketssentfromaport
OutMcastPkts Multicastpacketssentfromaport
OutBcastPkts Broadcastpacketssentfromaport
RxPause Pauserequestsreceived
TxPause Pauserequestssent
IBR102#showinterfacecounterserrorsShowserrorcounters
CrcAlign‐Err Frameswithoutaneven#ofoctetsorwithCRCerrors
Collisions Collisionsbeforesuccessfultransmission
Symbol‐Err Symbolerrors
Undersize Framesrcvdthatare<64bytes
Oversize Framesrcvdthatare>1514bytes
Fragments Oversizedpacketssentasfragments
Jabbers Frameslongerthan1518octets
FCS‐Err Framescorruptedduringtransmission
Deferred‐Xmit Timesxmsndelayed
Single‐Col Timesonlyonecollisionoccurredbeforesuccessfulxmsn
Multi‐Col Timesmultiplecollisionsoccurredbeforesuccessfulxmsn
Late‐Col Collisionsdetectedafter>512bitssent
Excess‐Col Framesnotsentduetoexcess#ofretries
IBR102#showinterfacecounterstxqueueShowsTxQueuecounters
Octets TXqueueoctets

IBRInstallationGuide
Page20of40Doc#770‐00001‐13
Sept.21,2014
Packets TXqueuepackets
MCScounterscanbedisplayedusingthefollowingcommand:
IBR102#showinterfacesradio0status
Counterscanbeclearedusingthefollowingcommands:
IBR102#clearcountersmcsclearsmcscounters
IBR102#clearcountersradioclearsradiocounters
IBR102#clearcountersswitchclearscountersonallswitchinterfaces
IBR102#clearcountersgigabitEthernet[arg]argcanbe0,1,2,or3
ReturntoTableofContents
6. InstallingIBR
6.1 SafetyConsiderations
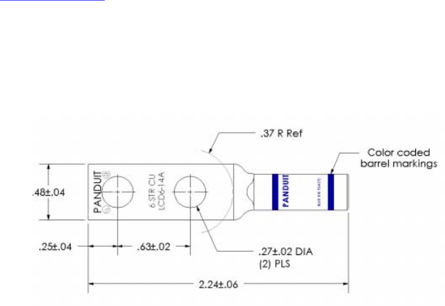
Ensurethatgroundingisinaccordancewithlocalcodes.IBRshouldbegroundedusingthegroundlug
connectoronthebackofIBRwithalugsuchasPanduitTwo‐HoleStandardBarrelCopperLug,Panduit
part#LCD6‐14A‐L(shownbelow).Notethatsincethegroundinglugmountsbetweenthefins,anylug
greaterthan0.48inchesinwidthwillnotfit.
Useoverheadworkmethodsand/orequipmentthatareappropriateforthelocation;e.g.,climbing
equipment,ladder,manlift,etc.
Notethelocationsofotherequipment,powerlines,vehicletraffic,andotherpotentialsafetyhazardsat
theinstallationsite.
6.2 InstallationChecklist
ApretestedandpreconfiguredIBR.Note:Alinkwillrequireoneeachofa5.5GHzIBRanda5.7GHz
IBR.
IBRmountingbrackets.
APoE+sourcecapableofsupplyingatleastthirty‐five(35)wattstotalontwopairs(pins4&5and7&8)
oronallfourpairs.
AsurgesuppressorthathasbeenvalidatedtofunctionproperlywithIBR,suchasTransectorModelT‐
419899.
MaterialsforgroundingIBR:
‐ GroundingIBRrequiresterminatingthetwo‐holegroundlug,whichwillaccommodatetwoeach12‐
24x1/2”orM6groundtaps.TheIBRchassishastwopre‐tappedholesforthislug.
IBRInstallationGuide
Page21of40Doc#770‐00001‐13
Sept.21,2014
‐ Groundterminationsshouldbecoatedwithano‐oxidecompoundsuchasadielectricgreaseto
protectthegroundconnectionsagainstoxidation.
‐ Groundshouldbeterminatedwith#6AWGsolidgroundwiretoalocalTelcogroundingbus.
‐ Thesurgesuppressorshouldbegroundedinaccordancewithitsmanufacturer’sspecifications.
Handtoolsandmaterialsasappropriateforthemountinglocationsthatwillbeused:
‐ Polemount:Bandingstraporhoseclamp,maximum¾”strapwidthofappropriatelengthforthe
polediameter.Note:Whenmountedonapole,FBN’sarticulatingmountrequiresthatthepolehave
aminimumdiameteroftwoinches(5.08cm).
‐ Wallmount:8mmor5/16”diameterboltappropriateforthemountingsurface.
‐ Torquewrenchtotightenallconnectionsto10ft‐lbs(138kgf‐cm).
‐ 2x13mmopen‐endedwrenchorsocketsfortheM8mountingbolts.
‐ 5mmAllenwrenchforthesocketbutton‐headcapscrewstoattachthemounttotheIBR.
Ethernetconnections:
‐ 17mmopen‐endedwrenchtotightentheweatherizedEthernetboot.SeethesectiononEthernet
connectorsfortorquespecifications.
‐ RJ45Ethernetterminationtools.
‐ Ethernetcables.TheIBRhasanintegratedswitchandcanacceptupto3individualEthernet
connections,thoughonlyoneisabsolutelyrequiredtopassdata.
Serialconnection(requiredforinitialconfiguration).
USB‐to‐DB9converter.RequiredifthePCusedforconfigurationdoesnothaveaDB9connector.Most
PCsdon’thaveaDB9connector,sothisusuallywillberequired.
Asafeandsuitablemeansofliftingtheequipmentandinstallerattheinstallationsite.(NOTE:The
mountingbracketforIBRhasholesthatcanbeusedtosuspendIBRfromautilitybeltorotherwiseas
anaidinliftingIBR.)
ShieldedEthernetcable.
AlaptopforconfiguringIBR.
6.3 IBRMountingBracket
IBRmustbemountedonasuitablebracketthatwillholdIBRsecurelyunderallenvironmentalconditions.
ThebaseofIBRhasfourmountingpostsformountingboltssetinasquarepattern.Operatorshavethe
optiontouseamountingbracketpurchasedfromFastbackNetworksortocreatecustommountingsolutions.
Fastbackoffersabracketthatcanbemountedeitheronawallorapolehavingaminimumdiameteroftwo
inches(5.08cm).Instructionsforinstallingthisbracketareshownbelow.
6.3.1 MountingLocation‐ChoosingthebestpossiblemountinglocationforIBRisimportantforsafety,security,
andlinkperformance.
InstallIBRinalocationwhereaccessisrestrictedtoauthorizedservicepersonnel.
SelectalocationthatiswithinonehundredmetersofaPoE+source.
Avoidlocationsthatmightpresenthazardstoinstallationormaintenancecrews.

IBRInstallationGuide
Page22of40Doc#770‐00001‐13
Sept.21,2014
6.3.2 FastbackNetworks’ArticulatingBracket‐FastbackNetworksoffersanarticulatingmountthatcanbe
mountedonwallsormastsandadjustedupto+45degreesinelevationandazimuthin15degree
increments.TheArticulatingMounthasaplatethatattachestoIBRandapartthatattachestothewallor
mast.AnarticulatingknuckleprovidesfreedomofmovementforpositioningandpointingIBR.Thediagram
belowisaguideforassemblingthearticulatingmountandattachingittoIBR.
6.4 Power&EthernetConnections
WhenIBRhasbeensecurelymounted,connectaPoE+sourcetoportge0.
IncludeasecureddriploopforallEthernetconnectionstoIBR.Theloopwillprovidesomestrainrelieftothe
RJ‐45connectionandpreventwaterfromflowingalongthecabletotheconnector.
ThepowerindicatorLEDwillturngreenwhenpowerisapplied.IfthePoE+sourceisalsoconnectedtoan
Ethernetsource,datawillflowthroughIBR’sEthernetportge0.
IfthepowerindicatorLEDdoesnotilluminatewhenthepowerconnectionismade,considerthefollowing:
IstheRJ‐45connectorsecurelyinsertedintoboththePoE+sourceandIBR?
IspowerappliedtothePoE+source?ChecktheindicatorlightsonthePoE+sourceifavailable.
Arethecablesofthepropertype(CAT5EorCAT6)?
Arethecablesingoodworkingorder?(CablesshouldbecertifiedusingaByteBrothers,Fluke,or
similarcertifier.)
6.5 FabricatinganEthernetCable
TheRJ‐45EthernetconnectorsonIBRwillmatewiththeGT225360‐00connectorfromGTContactCo.LTD.
Anexplodedviewoftheconnectorisshownbelow.

IBRInstallationGuide
Page23of40Doc#770‐00001‐13
Sept.21,2014
TheconnectorwillworkwithCAT5EandCAT6cablesandothercableshavinganouterdiameterbetween5.0
and6.0mm.NOTE:Useonlyweatherproof,shieldedcable.
ToinstalltheGT225360‐00connectorandRF‐45plugonashieldedcable:
Stripthecablejacket12.0mm.
Threadthecablethroughtheconnectorcomponentsintheordershowninthediagramabove.
InstalltheRJ‐45plug.
‐ Untwisttheindividualstrands.
‐ InsertthecablesintotheRJ‐45plugintheordershownbelow.
1. White/orange 5.White/blue
2. Orange 6.Green
3. White/green 7.White/brown
4. Blue 8.Brown
‐ WrapthegroundwirearoundthecablejacketunderneaththebackoftheRJ‐45plug.
‐ Crimptheplugusingacrimpingtool.
AssembletheGT225360‐00connector,tighteningtheglandnuttowithin0.6–0.7ft‐lb(9.0–10.0kgf‐
cm).
ConnectorsmaybeobtainedfromFastbackordirectlyfromthemanufacturer:
Model:GT225360‐00
Supplier:GTContactCo.LTD.
TheimagesbelowillustrateassemblyoftheRF‐45plug.
1. 2.
3. 4. 5.

IBRInstallationGuide
Page24of40Doc#770‐00001‐13
Sept.21,2014
6.6 SurgeSuppressorInstallation
InstallasurgesuppressorbetweenthePoE
+
injectorandIBRasnearaspossibletothePoE
+
injector.
Thesurgesuppressorshouldbeinstalledaheadofthecableingresstotheenclosureorstructurehousingthe
switchinordertomaximizeprotectiontotheswitch.Thesurgesuppressorshouldbeconnectedtoatrue
earthgroundwithmaterialsthatmeetthemanufacturer’sspecifications.
NOTE:ThetotallengthofcablebetweentheswitchandIBRmustnotexceedonehundredmeters(100m).
6.7 CommunicationwithIBRViatheSerialPort,Telnet,orSSH(Optional)
AlocaloperatorcanconfigureIBRbyconnectingtheFastback‐suppliedserialcabletoaPCwithaDB‐9RS‐
232connection.Ifsuchaconnectionisnotavailable,aUSB‐to‐serialconvertermaybeused.(Seethesection
titledSerialConsole.)
TheoperatormayalsotelnetorSSHtoaccesstheCLI.TheIBRdefaultIPaddressis192.168.128.101or
192.168.128.102forIBR‐1000‐57‐JPandIBR‐1000‐75‐JP,respectively.ConnectaPCviaEthernetcableto
thePoE+injector.IBRPort1andPort2aredisabledbydefault.OnlyPort0isaccessibleviatheconnection
onthePoE+supply.EnsurethePChasanIPaddressintherangeof192.168.128.<0‐254>.Immediatelyafter
configuringtheIBRIPaddressasindicatedbelow,changetheIPaddressonthePCtomatchthesubnet
configuredontheIBR.
OncetheoperatorhasaccesstotheCLI,setthesamelink‐IDonbothendsofthelinktoensurethelink
doesn’taccidentallycommunicatewithotherFastbacklinks.SettinganIPaddressallowsremoteIBRaccess.
Thefollowingarethecommandstosetthelink‐idandtheIPaddress:
Promp
t
Command
IBR102login: admin
Password: (factor
y
‐
s
e
t
passwordisfastback)
IBR102> enable
Password: (factor
y
‐
s
e
t
passwordisfastback)
IBR102# configuretermina
l
IBR102(config)# interfaceradio0
IBR102(config‐if‐rad0)# link‐id<yourlink‐id>
IBR102(config)# interfacevlan1
IBR102(config‐vlan‐1)# ipaddress<IPaddr><Netmask>
IBR102(config‐vlan‐1)# ipdefaul
t
‐
g
ateway<GWaddr>
IBR102(config)#exit
IBR102# copyrunning‐configstartup‐config
IBR102#
NOTE:Whentheserialportisnotinuse,aweatherproofprotectivecovershouldbeinstalledovertheserial
connectoronIBR.
6.8 LinkEstablishment
IBRwillautomaticallyselectthebestcombinationofchannelfrequenciesandbandwidthforalink.
Waitforradiostofinishbootingandestablishingalink.
UsetheCLIcommandshownbelowtoverifythatalinkhasbeenestablished.
IBRInstallationGuide
Page25of40Doc#770‐00001‐13
Sept.21,2014
IBR102#showinterfacesradio0status
Ifalinkisnotautomaticallyestablishedwithintenminutes,thenconsiderthefollowingtroubleshooting
suggestions:
ChecktoensurethatthepartnerIBRonthelinkisoperational.
ChangethedirectioninwhichtheIBRispointed.
ChangetheIBR’selevation.
Determineifthelinkistoolongfortheenvironment.
6.9 Pointing&LinkOptimization
IBR’stransmitandreceiveantennaseachhaveaonehundredandtwentydegree,3dBbeamwidthcentered
ontheridgeatthetopoftheradome.Therefore,aligningorpointinganIBR,asdiscussedbelow,means
orientingIBRsothattheridgeontheradomeisfacingthedesireddirection.
6.9.1 Line‐of‐SightandNearLine‐of‐SightLinks.
HorizontalAlignment‐OrienteachIBRsothatitsradomeispointedtowardtheotherendofthelink.
BecauseIBRhasarelativelywide(120‐degree)3‐dBbeamwidth,afewdegreesofmisalignmentisnotlikely
tohaveaneffectonlinkperformance.
VerticalAlignment–BecauseIBRhasonlyafifteendegree3‐dBbeamwidthintheverticaldirection,greater
careshouldbetakeninsettingtheelevationanglesothateachIBRispointingasnearlyaspossibletoward
theotherendofthelink.
6.9.2 Non‐Line‐of‐SightLinks.
HorizontalAlignment–Theprocessforfindingtheoptimumpositionforeachendofthelinkdependson
whetheritispossibletoestablishalinkbyaimingtheIBRsateachother,andifthereisthepossibilityof
reflectionfromabuilding.ThefollowingisasuggestedproceduretouseiftheIBRsdonotsynchronizeafter
beingaimedtowardseachotheranditispossibletobenefitfromreflectionoffabuilding:
StartwitheachIBRinabest‐guessorientationtowardtheotherendofthelink.
‐ KeepingthenearIBR’spositionfixed,rotatethedistantIBRhundredandtwentydegreesinazimuth.,
andallowoneminuteforthelinktosynchronize.
‐ RotatethedistantIBRanotheronehundredandtwentydegrees,andallowanotherminuteforthe
linktosynchronize.
‐ Repeattheprocessathirdtime.
RotatethedistantIBRanotheronehundredandtwentydegrees.Atthispoint,itwillbeinitsoriginal
position.
RotatethenearIBRonehundredandtwentydegrees.Nowrepeatthestepsin(a)above,rotatingthe
distantIBRthroughthreehundredandsixtydegreesinonehundredandtwentydegreeincrements.
Whenusingstepsofonehundredandtwentydegreesasindicatedabove,therewillbeatotalofninepossible
combinationsofpositionsforthetwoIBRs.Iftheradiosarerotatedonlyninetydegreeseachstep,therewill
beatotalofsixteencombinations,however,theresultingalignmentmightbemoreoptimal.
InasituationwheretheIBRssynchronizewhenpointedtowardeachother,anditisnotpossibletogeta
reflectionoffabuilding,amoreempiricalapproachmightproduceafasterresult.Whenalinkhasbeen
established,rotateoneIBRninetydegrees.IftheSNRimproves,rotateitanotherninetydegrees,and
continueinthiswayuntilSNRbeginstofall,thenmovebacktothepreviousposition.IfSNRdoesnot
improve,returntheIBRtoitsoriginalposition.Repeatattheotherendofthelink.
Ifalinkcannotbeestablished,tryallsixteenaimingcombinations,spendingoneminuteateachcombination
togivethelinktimetosynchronize.Dothisbylockingthenearendat0degreesazimuth,andthenaiming
thefarendofthelinkat0,90,180,and360degrees,spendingsixtysecondsateachposition.Next,movethe
nearendto90degreesandrepeatat0,90,180,and360degreesatthefarend.Continueuntilalinkhasbeen
establishedorallsixteencombinationshavebeentried.

IBRInstallationGuide
Page26of40Doc#770‐00001‐13
Sept.21,2014
6.10 PathPredictionTools
PathPredictionToolsareusefulfornon‐line‐of‐site,near‐line‐of‐site,andline‐of‐sitelinks.Fastbackdoesnot
recommendonepathpredictiontooloveranother;however,Fastbackiscommittedtoworkingwithvendors
ofpathpredictionproductstomaximizetheaccuracyofpredictedpathsforIBR.Fastbackhasworkedwith
thefollowingvendorstomaximizeaccuracy:
Siradel
InfoVistaEllipse
CTSPathloss
ReturntoTableofContents
7. Features&Functionality
7.1 AnyLOSTechnology
Fastback’sproprietaryAnyLOStechnologyenablesoperatorstouseIBRindifficultRFenvironmentswithout
worryingaboutRFtuning.IBRwillautomaticallyadjustthefollowingparameterstomaximizethroughput:
Channelbandwidth‐either10,19,or38MHz.
Centerfrequency.
Antennacombination‐IBRhaseight(8)internalantennasandwillautomaticallyselectthebestfour
forthelinkbeingestablished.
ModulationCodingScheme(MCS)–MCScanbeanyvaluefrom1–10.
Transmitteroutputpower‐IBRwilladjustthetransmitteroutputpowerautomaticallytoavoid
exceedingemissionsrequirements.IBRtakesoutputpowerintoaccountwhenestimatingthe
bandwidthavailableonanygivenfrequency.Thefrequencyvs.outputpowerrelationshipisshownin
theCLIGuide.
Theoperatorcannotmanuallyconfiguretheseradioparameters,butcanviewthesettingsusingCLI,SNMP,
ortheGUIasfollows:
CLIcommand:IBR102#showinterfacesradio0status
GUI:Monitor,Radio,Status
SNMP:FBN‐RADIO‐MIB
7.2 CommunicationProtocols
IBRcanbemanagedbyanoperatorusing:
CLI:SSH,Telnet,SerialConsole
SNMP
7.3 SoftwareManagement
SoftwareupgradestoIBRcanbemadebyanoperator.
BootloaderrecoverycanbeaccomplishedbyanoperatorviaCLI.
IBRhastheabilitytorecoveronitsownfromafailedsoftwareupgrade.
Add‐onlicensestoincreasetheavailablethroughputofIBRcanbedownloadedusingtheGUI.For
additionalinformation,seetheCLIGuide.
7.4 SNMP
IBRsupportsSNMP6agentsusingprotocolsv1andv2c.
6 Simple Network Management Protocol
IBRInstallationGuide
Page27of40Doc#770‐00001‐13
Sept.21,2014
IBRsupportsSNMPgetstatementsforSNMPv2‐MIB,IF‐MIB,andFBN‐RADIO‐MIB.Detailedinformationfor
configuringSNMPiscontainedintheCLIGuide.
7.5 Switching&Transport
IBRsupports802.1Q(VLAN).
7.6 DataHandling
IBRsupportsthefollowingOSI7Layer2standards:
IEEE802.3ab(GigabitEthernet);
IEEE802.3as(frameexpansion);
IEEE802.1Q(VLANs).
Inaddition,IBRsupportsportmirroringtomonitorporttraffic.
7.7 CarrierEthernet
IBRconformstothefollowingMEF8specifications:
MEF9–AbstractTestSuiteforEthernetServicesattheUNI
MEF14–AbstractTestSuiteforTrafficManagementPhase1
MEF19–AbstractTestSuiteforUNIType1
7.8 Timing&Synchronization
IBR’ssystemclockstartswhenIBRispoweredupandmaintainstimeanddatebasedonUniversalTime
Coordinated(UTC),alsoknownasGreenwichMeanTime(GMT).Thesystemclockcanbesetoverthe
networkviaNTP.
DetailedinstructionsforconfiguringIBRtimingandfordisplayingsystemtimeanddatearecontainedinthe
CLIGuide.
7.9 NetworkTimeProtocol(NTP)
NTPrunsoverUserDatagramProtocol(UDP),whichrunsoverIP.Itisveryefficientandtypicallyrequires
nomorethanoneNTPpacketperminutetosynchronizeIBR’ssystemclocktowithinonemillisecondofthe
NTPserver’sclock.
WhenIBRisconfiguredtoreceiveNTPpacketsfromanothernetworkdevice,therelationshipbetweenIBR
andthatdeviceiscalledan“association”anditisaserverrelationship,meaningthatIBRwillsynchronizeto
theotherdevice(the“server”)andtheotherdevicewillnotsynchronizetoIBR.
Bydefault,NTPisdisabledonIBR,noNTPassociationsaredefined,andtheNTPdaemonisnotrunning.
ProceduresforenablingandconfiguringNTParecontainedintheCLIGuide.
WhenIBRisrunningNTP,IBRcanbeassociatedwithmorethanoneNTPserver.Normally,IBRwill
synchronizetotheassociatedNTPserverthathastheloweststratumnumber;thatisthelowestnumberof
hopsbetweentheserveranditsclocksource.Astratum1timeserverhasaradiooratomicclockdirectly
attached,astratum2timeserverreceivesitstimethroughNTPfromastratum1timeserver,etc.
IBRwillavoidsynchronizingtoaserverwhosetimemightnothavebeensynchronizedortoonewhosetime
issignificantlydifferentthanthetimefromotherassociatedservers,evenifitsstratumislower.
WhenNTPisenabledonIBR,NTPtimewilltakeprecedenceovertimeprovidedbyanyothersourceor
method.
7 Open Systems Interconnection
8 Metro Ethernet Forum

IBRInstallationGuide
Page28of40Doc#770‐00001‐13
Sept.21,2014
7.10 SystemMessageLogging
IBRsendstheoutputofsystemmessagesandcertainPrivilegedcommandstoaloggingprocessthatcanbe
configuredtodistributesuchmessagestoaloggingfile,remotesyslogserver,oroperator’sconsole.Detailed
instructionsforconfiguringmessageloggingarecontainedintheCLIGuide.
7.11 QualityofService(QoS)&ClassofService(CoS)
IBRsupportsQoSpacketprioritizationincompliancewithIEEE802.p.Bydefault,QoSisdisabledandmust
beconfiguredandenabledbyanoperatorusingthecommandsandproceduresdescribedinthissection.
IBR’sCLIhascommandsthatallowanoperatortocreateandconfigureTrafficClassesandTrafficPolicies
thatareassociatedwithspecifiedIBRinterfaces.TheCLIGuidecontainsdetailedinformationforconfiguring
QoS/CoSfeatures.
7.12 Security
SecurityfeaturesofIBRinclude:
AESencryptiononover‐the‐airlinks;
Accesscontrollists;
Multicastandbroadcaststormcontrol;
Portprotectionandblocking
ReturntoTableofContents
8. FieldTestProcedure
ThefollowingprocedurecanberuntotestalinkaftersuccessfulinstallationofIBRsandlinkestablishment,
andatothertimesasnecessary.
8.1 FirmwareUpgrade
IfitisnecessarytoupgradeIBR’sfirmware,thiscanbeaccomplishedusingCLIorGUI.SeetheCLIGuidefor
detailedinstructions.
8.2 RFC2544TrafficTests
RebootbothIBRstoensuretheyareinfullautomaticmode.
EnsureMCSisat10/10inbothdirections.
ConnectanRFC2544testerandruntheRFC2544test.
Notetheresults,includinglatency.
Whenthechannelbandwidthissetto38MHz,theexpectedoutcomeis320Mbpsinbothdirectionswitha
packetdropratelessthan0.05%.
8.3 EnduranceTest
Establishtrafficinbothdirectionsat80%capacityandruncontinuouslyforseven(7)days.
Theexpectedoutcomeisthattherewillbenorebootsandtotalframelosseswillbelessthan5.0E‐4.
8.4 TrafficClassificationTest
ConfigureanEthernettesterfortwostreams,asfollows:
‐ Stream1:CoS=7;BW=50Mbps
‐ Stream2:CoS=6,BW=300Mbps

IBRInstallationGuide
Page29of40Doc#770‐00001‐13
Sept.21,2014
ObservethatthereareanegligiblenumberofdropsonStream1.
Theexpectedoutcomeisthatallhigherprioritytrafficwillbeservedaheadoflowerprioritytraffic.
ReturntoTableofContents
IBRInstallationGuide
Page30of40Doc#770‐00001‐13
Sept.21,2014
Appendix A: Troubleshooting Guide
NOTE:TheseprocedureshavebeendevelopedbyFastbackNetworkstoassistafieldengineerin
troubleshootinganIBRthatdoesnotappeartobeworkingproperly.Theseproceduresarenotintended
toreplaceorsupersedeacompany’sstandardproceduresforoperatingandtroubleshootingnetwork
devices.
ThisTroubleshootingGuideisorganizedbysymptomsthatanoperatormightobservethatsuggestthatIBRis
notoperatingproperly.
A1. IBRRebootsDuringtheBootProcess
IfIBRisrepeatedlyrebootingduringthebootprocessanddisplayingthefollowingmessage:
Message:“UncompressingLinux…done,bootingthekernel”.
Trythefollowing:ReplacethePoE+injectorandtrybootingtheIBRagain.ItmightbethatthePoE+power
sourceisnotprovidingsufficientpowertoIBR.IBRrequiresatleast35watts.
A2. IBRsCannotEstablishALink
BothIBRsonthelinkappeartobeworkingproperly,butcannotestablishalink.
2.1. TurnTransmittersON
TurnbothtransmittersONusingthefollowingprocedure:
a. CheckthestatusofthelinkwiththefollowingCLIcommand(whereIBR101isshownasthehost
name):
IBR101#showinterfaceradio0status
b. ThestatusreportthatisdisplayedshouldstatethatIBRisUPandtheTransmitterisON.
Status:UP,0d2h44m52s,TransmitterisON
c. IftheTransmitterisOFF,turnitonwiththefollowingCLIcommands:
IBR101#configureterminal
IBR101(config)#interfacesradio0
IBR101(config‐rad‐0)#txon
d. VerifythatthetransmitterisON:
IBR101(config‐rad‐0)#doshowinterfaceradio0status
e. IfthetransmitterstillisnotON,reboottheIBR:
IBR101(config‐rad‐0)#doreload
f. WhentheunitisbackuprepeatthesequenceabovetoturnONthetransmitter.Ifthetransmitterstill
innotON,escalatetheproblemtothenexthighersupportlevel.
2.2. CheckIBRCompatibility
WhenbothtransmittersareconfirmedtobeON,verifythattheirrespectivetransmitandreceivefrequencies
mirrored;thatis,thatthereceivefrequencyofeachIBRisthesameasthetransmitfrequencyoftheother
IBR.Thefollowingaresampleradiostatusoutputs:
5.8IBRFrequencyandBandwidth:
TX:5800MHzRX:5300MHz

IBRInstallationGuide
Page31of40Doc#770‐00001‐13
Sept.21,2014
TXBW:35MHzRXBW:35MHz
5.3IBRFrequencyandBandwidth:
TX:5300MHzRX:5800MHz
TXBW:35MHzRXBW:35MHz
NOTES:ThesevaluesmightbechangingaslongasRRCisrunning.
Thebandwidthsdonotneedtomatch.
Fromthereport,confirmthatthetwoIBRsarecompatible.Intheexampleabove,thelinkhasoneIBRthat
transmitsinthe5.8GHzbandreceivesinthe5.3GHzband,andoneIBRthattransmitsinthe5.3GHzband
andreceivesinthe5.8GHzband.Twoidenticalradioswillnotcommunicatewithoneanother.
2.3. ResettheLink
Resetthelinkwithasoftreset.(Ifpractical,dothisonbothendsofthelink.)
a. CheckthestatusofthelinkwiththefollowingCLIcommands:
IBR101#showinterfaceradio0status
b. IftheStatusindicatestheTransmitterisONbuttheStatusisDOWN,dothefollowing:
IBR101#configureterminal
IBR101(config)#interfacesradio0
IBR101(config‐rad‐0)#rrcsoft‐reset
Thiswillresetthelinkandradio,forcingaresync.
c. After3to5minuteschecktheradiostatusagain.
IBR101(config‐rad‐0)#exit
IBR101(config)#exit
IBR101#showinterfaceradio0status
2.4. ReboottheIBRs
a. IfaSoft‐ResetdoesnotestablishalinkthensaveanyconfigurationchangesandreboottheIBRs.
IBR101#copyrunning‐configstartup‐config
IBR101#reload
b. After3to5minuteschecktheradiostatusagain.
IBR101#showinterfaceradio0status
2.5. CheckEIRP,RSL,&SNR
IftheStatusindicatestheLinkStatusstillisDOWN,checkEIRP,RSL,andSNR.Valuesshownbeloware
samplesonly:
EIRP:(shouldbe>15dBm)
S0:27.0dBm S1:27.0dBm Total:30.0dBm
RSL:(shouldbe>‐84dBm;rememberthatthesearenegativenumbers)
1:‐68.5dBm 2:‐69.0dBm 3:‐68.0dBm 4:‐68.5dBm
SNR:(short‐termSNRshouldbe>3dB)
Short‐termSNR:S0:27dB S1:27dB
Long‐termSNR:S0:27dB S1:27dB

IBRInstallationGuide
Page32of40Doc#770‐00001‐13
Sept.21,2014
Ifanyofthesevaluesisoutsidetherequiredoperatingrange,itmightbenecessarytoreposition(i.e.,rotate,
elevate,ormove)oneorbothIBRs,ortoswapendsofthelink.
2.6. RepositionIBR
ItmightbenecessarytoperformoneormoreofthefollowingproceduresforeitherorbothIBRs.Which
repositioningstrategyshouldbetriedfirstwillbeadecisionthefieldengineerwillneedtomakebasedon
observationsatthemountinglocations.
Inallcases,bemindfulofcablelengthsandtie‐downs,andpowerconnections.
CAUTION:WHENPOWERISAPPLIEDTOIBR,IBRAUTOMATICALLYWILLBEGINTRANSMITTING.DONOT
TRYTOREPOSITIONIBRWHENPOWERISCONNECTED.
2.7. RotateIBR
IBRcanberotatedtopointmorecloselyinthedirectionoftheotherIBRortowardsomeobjectthatmight
providereflectionofthesignals.Theobjectiveistoimprovereceivedsignalsatbothendsofthelink.
1) Loosenthemountingbracket.
2) RotatetheIBRtothedesiredalignmentposition.
3) Retightenthemountingbracket.
4) Checktheradiostatustoverifysignallevelimprovement.
IBR101#showinterfaceradio0status
5) Repeatuntilthesignallevelimprovesandalinkisestablished.
2.8. ElevateIBR
IfIBRismountedonapoleormast,itmightbepossibletomoveitupwithoutremovingIBRfromits
mountingbracket.IfIBRismountedonawall,itwillbenecessarytoremoveIBRfromthebracketandmove
thewall‐mountportionofthebrackettoahigherlocation.
ElevatingIBRonlyafootortwocanmakeasignificantimprovementinreception.
2.9. ChangeLocation
Oftenamoresuitablelocationnearthecurrentlocationcanbeselectedtoreduceinterferencefromphysical
(non‐radiating)objects,and/orfromsourcesofRFradiations(e.g.,otherradios)thatareoperatinginthe
area.Anewlocationonthesamerooftoporevenonthesamemountingassetoftencanimprovereception
signallevels.
2.10. RepositionEachIBRtotheOtherEndoftheLink
BecausethetwoIBRsreceiveindifferentfrequencybands,swappingendsofthelinkcanimprovelink
performancewhenoneoftheradiosisoperatingnearanotherradiothatistransmittingneartotheIBR’s
receiveband.Thisisalsooftentheeasiestsolutionsincetheexistingmountsandconnectionscanbeutilized
andonlytheIBRsneedtobemoved.
ReturntoTableofContents
A3. PacketFloodorStormCondition
IfanIBRpairwithadefaultconfigurationestablishesawirelesslinkandtheconnectingEthernetinterfaces
areconnectedtothesamelayer2network,aloopwillbeformedandabroadcaststormwilloccur.Whenthis
happens,thenetworkinterfaceswillbecomeinaccessible,andtheIBRCLIwillbecomeslowtorespond.All
otherdevicesonthecollisiondomainwillbeinaccessible.

IBRInstallationGuide
Page33of40Doc#770‐00001‐13
Sept.21,2014
Bydefault,allIBREthernetportsareassignednativelytoVLAN1.Toavoidcreatingaloop,configureatrunk
nativeinterfaceongigabitEthernet3asshowninthefollowingexample:
IBR101(config)#interfacevlan2
IBR101(config‐vlan2)#noshutdown
IBR101(config‐vlan2)#exit
IBR101(config)#interfacegigabitEthernet3
IBR101(config‐if‐ge3)#noswitchporttrunknativevlan1
IBR101(config‐if‐ge3)#switchporttrunknativevlan2
IBR101(config‐if‐ge3)#docopyrunning‐configstartup‐config
Itisnecessarytoperformthissetupononlyonesideofthelink,unlessthereisuntaggedtrafficonthelink,in
whichcaseitshouldbeperformedonbothsidesofthelink.
NetworkloopsalsocanbeavoidedbycreatingaseparatemanagementinterfaceoneachIBR.SeetheIBR
Administration&CommandLineInterfaceGuideforinformationaboutcreatingamanagementinterface.
ReturntoTableofContents
A4. LinkIsEstablishedButNotPassingTraffic
Confirmthatalinkhasbeenestablishedby(i)pingingtheoppositeend,(ii)checkingtheinterfacecounters,
and/or(iii)viewingtheradiolinkstatususingthefollowingcommand:
IBR101#showinterfaceradio0status
Ifalinkhasbeenestablished,butwillnotpasstraffic,dothefollowing:
a. ConfirmthatIBRisconfiguredtopassallVLANtraffic,regardlessofVLAN,byusingthebridge
commandasshownbelow.
IBR101(config)#bridgelinklocalframesgigabitethernet1
DothisonbothsidesofthelinkusingtheconnecteddataportonVLAN2which,inthiscase,isge1.
b. Checksyslogformessagesthatindicatethatthelinkisgoingupanddown.
IBR101#showloggingactive
NOTE:UseCtrl‐Ctostopthedisplayfromcontinuingtoscroll.
c. ConfirmthatMTUissetcorrectlyonbothIBRs.
IBR101(config)#mtu9712
NOTE:WhenMTUissetto9712,itwillbe9712betweenthewiredswitchports;however,theover‐
the‐airMTUislimitedto2599.
d. Checkhistorylogsforradioconditionspriortothetimewhenthelinkwouldnotpasstraffic.
IBR101#showinterfaceradio0historymcs
IBR101#showinterfaceradio0historybler
IfhistoryshowsthatMCSdroppedto1andBLERincreasedbeforethelinkstoppedpassingtraffic,the
causemightbeinterference.
ReturntoTableofContents
A5. IBRCannotBeReachedViatheNetwork
FollowthesestepsifIBRcannotbereachedviathenetwork.

IBRInstallationGuide
Page34of40Doc#770‐00001‐13
Sept.21,2014
a. EstablishcommunicationswithIBRviatheserialinterface(Seethesectiononcommunicatingwith
IBRviaCLI).
b. ConfirmthatanEthernetinterfaceisenabledandconnectedtothenetwork:
IBR101#showinterfaces
c. Iftheinterfaceisconnected,butnotenabled,executethefollowingcommands:
IBR101(config)#interfacegigabitethernet2
where2isusedasanexample(couldbe0,1,or2).
IBR101(config‐if‐ge2)#noshutdown
IBR101(config‐if‐ge2)#exit
IBR101(config)#exit
IBR101#showipinterfaces
Thefollowingisasampleoutput.
Intheoutputabove:
upmeanstheinterfaceisenabledandconnected;
downmeanstheinterfaceisenabled,butnotconnectedtoanotherdevice;and
disabledmeanstheinterfacemightnotbeconnected.
d. IftheEthernetinterfaceisconnectedandenabled,checkthatthedefaultgatewayisconfigured
andrespondstopings.
e. VerifyanyVLANsettingsonbothIBRandtheconnectingdevice.
f. IfanEthernetlinkisunexpectedlydown:
ChecktheEthernetcablewithasuitablecablecertifier(e.g.,FlukeDTX1800,orByte
BrothersRWC1000K).
CheckthatspeedandduplexsettingsonIBRmatchthoseontheswitchport.
ReturntoTableofContents
A6. IBRIsDroppingFrames

IBRInstallationGuide
Page35of40Doc#770‐00001‐13
Sept.21,2014
Payloadframesmaybedroppedbytheswitch(inIBR)duetoafullqueueorbytheradioduetoerrors.
Framesdroppedovertheairaremeasuredatthereceiver.IBRreportsswitchandradiodropsinswitch
countersandradiocountersrespectivelythatcanbeviewedusingCLI,SNMPandGUIasdiscussedbelow.
a. Payloaddroppedbytheswitch.
CLI:
IBR101#showinterfacescountersdrops
SNMP:
IF‐MIBifInDiscardsandifInErrors
InErrorsshowthepacketsdiscardedbecausetheyfailCRCcheck.InDiscardsshowsthepackets
thatweredroppedbecausetheoutputqueuewasfull.
b. Payloaddroppedovertheair.
UseCLItoshowpayloadpacketerrorrateandcounters:
IBR101#showinterfacesradio0status
IBR101#showinterfacesradio0counters
UsingSNMP,payloadpacketerrorcanbeseenunderFBN‐RADIO‐MIBibrRxPktDropRate
UsingtheWebUI,payloadpacketerrorrateisshownontheMonitor/Dashboardscreen.
c. Framesdroppedbytheswitch.
Theswitchwilldropframeswhenthetransmitqueuefills.ThereisonetransmitqueueforeachCOS
level.TransmitqueueswillfillwhenevertheofferedloadexceedseithertheIBR‐imposedthroughput
limitortheover‐the‐aircapacity.TheIBR‐imposedthroughputlimitmightbeconfiguredviaapolicy
map.Policymapconfigurationscanbedisplayedwiththefollowingcommand:
IBR101#showrunning‐config
Todetermineiftheofferedloadisclosetothethroughputuseonofthefollowing:
CLI:
IBR101#showinterfacesradio0status
Compare“Payload”toRXMCSS0+RXMCSS1.
UsingWebUI,viewtheMonitor/Radio/Reportscreentoview:
MCSRXTheoretical&RXActualThroughput
MCSTXTheoretical&TXActualThroughput
UsingSNMP,FBN‐RADIO‐MIB:
ibrRxTputRateandibrTxTputRatewillshowthepayloadthroughput.
ibrRxTpS0+ibrRxTpS1andibrTxTpS0+ibrTxTpS1willshowcarryingcapacity.
ReturntoTableofContents
A7. CommunicatingWithIBRViaCommandLineInterface(CLI)
CLIcanbeusedtotroubleshootandconfigureIBR.ThefollowingarethestepsforloggingontoIBR.IfIBR
haspreviouslybeenconfigured,thefieldengineerwillneedtoknowthevalidusernameandpasswordto
use.
a. TocommunicatewithIBR,logontoIBRviaoneofthefollowingoptions:
SerialConsolew/settings

IBRInstallationGuide
Page36of40Doc#770‐00001‐13
Sept.21,2014
o XON/XOFFisdisabled
o Bitrate=115200bps
o NoParity
o 8bits
o 1stopbit
SSH
Telnet
SuccessfulconnectionwillreturntheLoginpromptshownbelow.
IBRlogin:
b. LogontoIBRusingavaliduserIDandpassword.IBRisshippedwiththefollowingdefaultcredentials:
usernames:fbnandadmin eithercanbeused
password:fastback validforbothusernames
EnteringavalidusernameandpasswordwillplacetheoperatorinCLIUserModeandthefollowing
promptwillbedisplayed(IBR101isshownasthedefaulthostname):
IBR101>
c. EnterCLIPrivilegedmodeusingthefollowingcommand:
IBR101>enable
ThesamepasswordthatwasusedtologontoIBRcanbeused(e.g.,fastbackforfactorydefault).
ThePrivilegedModepromptwillbedisplayed:
IBR101#
AllCLIresourcesareavailableinPrivilegedMode.Fordetailedinformation,seetheIBRAdministration
andCommandLineInterfaceGuide.
ReturntoTableofContents
A8. ContactingFastbackTechnicalSupport
FastbackNetworksProductDocumentationDownloads:
https://fastbacknetworks.zendesk.com/hc/en‐us/categories/200075157‐Documentation
FastbackNetworksSupportWebsite:
http://www.fastbacknetworks.com/support/
Forhelpwithaspecificproductissue:
http://www.fastbacknetworks.com/support/faq
ContactFastbackNetworksTechnicalSupport:
email:support@fastbacknetworks.com telephone(408)430‐5440option2
ReturntoTableofContents
IBRInstallationGuide
Page37of40Doc#770‐00001‐13
Sept.21,2014
FederalCommunicationsCommission(Fcc)ComplianceStatement
TheequipmentthatisthesubjectofthisGuidehasbeentestedandfoundtocomplywiththelimitsfora
ClassBdigitaldevicepursuanttoPart15oftheFCCRules.Theselimitsaredesignedtoprovidereasonable
protectionagainstharmfulinterferencewhentheequipmentisproperlyinstalledandoperatedin
accordancewithinstructionscontainedinthismanual.Inaddition,thisequipmentcomplieswithFCC
radiationexposurelimitsforoperationinanuncontrolledenvironment.
TheequipmentshouldnotbeoperatedifitbecomesoutofcompliancewithFCCRules.Inordertoensure
continuedcompliancewithFCCRules,theequipment:
Shouldbeinstalledinarestrictedareathatisaccessibleonlybyauthorizedservicepersonnel.
Shouldnotbeoperatedwithinthirtycentimeters(30cm)ofpersonnel.
Shouldnotbeoperatedifitisorbecomesdamaged.
Shouldbeconnectedtootherdevicesbyshieldedcablesofthecorrecttypes.
ShouldnotberepairedormodifiedexceptbyFastbackNetworks.
Thisdevicecomplieswithpart15ofFCCrules.Operationissubjecttothefollowingtwoconditions:(1)
Thisdevicemaynotcauseharmfulinterference,and(2)Thisdevicemustacceptanyinterferencereceived,
includinginterferencethatmaycauseundesiredoperation.
IndustryCanadaLicence‐ExemptRSSCompliance
ThisdevicecomplieswithIndustryCanadalicence‐exemptRSSstandard(s).Operationissubjecttothe
followingtwoconditions:(1)thisdevicemaynotcauseinterference,and(2)thisdevicemustacceptany
interference,includinginterferencethatmaycauseundesiredoperationofthedevice.
LeprésentappareilestconformeauxCNRd'IndustrieCanadaapplicablesauxappareilsradioexemptsde
licence.L'exploitationestautoriséeauxdeuxconditionssuivantes:(1)l'appareilnedoitpasproduirede
brouillage,et(2)l'utilisateurdel'appareildoitacceptertoutbrouillageradioélectriquesubi,mêmesile
brouillageestsusceptibled'encompromettrelefonctionnement.
High‐powerradarsareallocatedasprimaryusers(i.e.priorityusers)ofthebands5250‐5350MHzand
theseradarscouldcauseinterferenceand/ordamagetoLE‐LANdevices.
Failuretocomplywiththeseinstructions,orchangesormodificationstothisdevicethatarenotexpressly
approvedbythemanufacturer,couldvoidtheoperator’sauthorizationtooperatetheequipment.

IBRInstallationGuide
Page38of40Doc#770‐00001‐13
Sept.21,2014
EuropeanUnion&EuropeanFairTradeAssociationRegulatoryCompliance
IBR‐2AandIBR‐2BmaybeoperatedinthecountriesthatcomprisethemembercountriesoftheEuropeanUnionand
theEuropeanFairTradeAssociation.Thosecountries,listedbelow,arereferredtoasTheEuropeanCommunity
throughoutthisdocument:
Austria,Belgium,Bulgaria,Cyprus,CzechRepublic,Denmark,Estonia,Finland,France,Germany,Greece,Hungary,
Iceland,Ireland,Italy,Latvia,Lichtenstein,Lithuania,Luxembourg,Malta,Netherlands,Norway,Poland,Portugal,
Romania,Slovakia,Slovenia,Spain,Sweden,Switzerland,UnitedKingdom.
DeclarationofConformity
MarkingbythissymbolindicatescompliancewiththeEssentialRequirementsoftheR&TTEDirectiveofthe
EuropeanUnion(1999/5/EC).
Warning!
ThisisaClassBproduct.Inadomesticenvironment,thisproductmaycauseradiointerference,inwhichcase,the
usermayberequiredtotakeappropriatemeasures.
Achtung!
DiesesisteinGerätderFunkstörgrenzwertklasseB.InWohnbereichenkönnenbeiBetriebdiesesGerätes
Rundfunkstörungenauftreten,inwelchenFällenderBenutzerfürentsprechendeGegenmaßnahmenverantwortlich
ist.
Attention!
CeciestunproduitdeClasseB.Dansunenvironnementdomestique,ceproduitrisquedecréerdesinterférences
radioélectriques,ilappartiendraalorsàl’utilisateurdeprendrelesmesuresspécifiquesappropriées.
EuropeanCommunityDeclarationofConformity
AcopyofthesignedDeclarationofConformitycanbedownloadedfromthefollowingwebsite:
http://fbnet.co/IBR2A_IBR2B_DoC_May_2014.pdf
Bulgaria
български
Стова,FASTBACKNETWORKSобявява,четозимоделнарадионаIBR‐2A&IBR‐2B,е
съссъгласиессъщественитеизискванияидругиважниусловиянадиректива
1999/5наевропейскисъюз
Czech
Republic
Èesky
FASTBACKNETWORKStímtoprohlašuje,žetentoIBR‐2A&IBR‐2B,jeveshodìse
základnímipožadavkyadalšímipøíslušnýmiustanovenímismìrnice1999/5/ES.
Denmark Dansk
UndertegnedeFASTBACKNETWORKSerklærerherved,atfølgendeudstyrIBR‐2A&IBR‐
2B,overholderdevæsentligekravogøvrigerelevantekravidirektiv1999/5/EF.
English English
Hereby,FASTBACKNETWORKSdeclaresthatthisIBR‐2A&IBR‐2B,isincompliancewith
theessentialrequirementsandotherrelevantprovisionsofDirective1999/5/EC.
Estonia Eesti
KäesolevagakinnitabFASTBACKNETWORKSseadmeIBR‐2A&IBR‐2B,vastavust
direktiivi1999/5/EÜpõhinõuetelejanimetatuddirektiivisttulenevateleteistele
asjakohastelesätetele.
Finland Suomi
FASTBACKNETWORKSvakuuttaatätenettäIBR‐2A&IBR‐2B,tyyppinenlaiteon
IBRInstallationGuide
Page39of40Doc#770‐00001‐13
Sept.21,2014
direktiivin1999/5/EYoleellistenvaatimustenjasitäkoskeviendirektiivinmuidenehtojen
mukainen.
France Français
ParlaprésenteFASTBACKNETWORKSdéclarequel'appareilIBR‐2A&IBR‐2B,est
conformeauxexigenciesessentiellesetauxautresdispositionspertinentesdeladirective
1999/5/CE.
German Deutsch
HiermiterklärtFASTBACKNETWORKS,dasssichdasGerätIBR‐2A&IBR‐2B,in
ÜbereinstimmungmitdengrundlegendenAnforderungenunddenübrigeneinschlägigen
BestimmungenderRichtlinie1999/5/EGbefindet.
Greece Ελληνική
ΜΕΤΗΝΠΑΡΟΥΣΑFASTBACKNETWORKSΗΛ.ΝΕΙΟΤΙIBR‐2A&IBR‐2B,
ΣΥΜΜΟΡΦ.ΝΕΤΑΙΠΡΟΣΤΙΣΟΥΣΙ..ΕΙΣΑΠΑΙΤΗΣΕΙΣΚΑΙΤΙΣΛΟΙΠΕΣΣΧΕΤΙΚΕΣ.ΙΑΤΑΞΕΙΣ
ΤΗΣΟ.ΗΓΙΑΣ1999/5/ΕΚ.
Hungary Magyar
Alulírott,FASTBACKNETWORKSnyilatkozom,hogyaIBR‐2A&IBR‐2B,megfelela
vonatkozóalapvetõkövetelményeknekésaz1999/5/ECirányelvegyébelõírásainak.
Italy Italiano
ConlapresenteFASTBACKNETWORKSdichiarachequestoIBR‐2A&IBR‐2B,èconforme
airequisitiessenzialiedallealterdisposizionipertinentistabilitedalladirettiva
1999/5/CE.
Latvia Latviski
AršoFASTBACKNETWORKSdeklarç,kaIBR‐2A&IBR‐2B,atbilstDirektîvas1999/5/EK
bûtiskajâmprasîbâmuncitiemartosaistîtajiemnoteikumiem.
Lithuania Lietuviø
ŠiuoFASTBACKNETWORKSdeklaruoja,kadšisIBR‐2A&IBR‐2B,atitinkaesminius
reikalavimusirkitas1999/5/EBDirektyvosnuostatas.
Malta Malti
Hawnhekk,FASTBACKNETWORKS,jiddikjaralidanIBR‐2A&IBR‐2B,jikkonformamal‐
tiijietessenzjaliumaprovvedimentiorajnrelevantilihemmfid‐Dirrettiva1999/5/EC.
Netherlands Netherlands
HierbijverklaartFASTBACKNETWORKSdathettoestelIBR‐2A&IBR‐2B,in
overeenstemmingismetdeessentiëleeisenendeandererelevantebepalingenvan
richtlijn1999/5/EG.
Poland Polski
NiniejszymFASTBACKNETWORKSooewiadcza,¿eIBR‐2A&IBR‐2B,jestzgodnyz
zasadniczymiwymogamiorazpozosta³ymistosownymipostanowieniamiDyrektywy
1999/5/EC.
Portugal Português
FASTBACKNETWORKSdeclaraqueesteIBR‐2A&IBR‐2B,estáconformecomos
requisitosessenciaiseoutrasdisposiçõesdaDirectiva1999/5/CE.
Romania Român
Astfel,FASTBACKNETWORKSdeclarãacelacestIBR‐2A&IBR‐2B,esteînconformitatecu
cerinþelenecesareºiproviziilealtesemnificativedeDirective19995EC.
Slovakia Slovensky
FASTBACKNETWORKStýmtovyhlasuje,žeIBR‐2A&IBR‐2Bspåòazákladnépožiadavkya
všetkypríslušnéustanoveniaSmernice1999/5/ES.
Slovenia Slovensko
FASTBACKNETWORKSizjavlja,dajetaIBR‐2A&IBR‐2B,vskladuzbistvenimizahtevami
inostalimirelevantnimidoloèilidirective1999/5/ES.

IBRInstallationGuide
Page40of40Doc#770‐00001‐13
Sept.21,2014
Spain Español
PormediodelapresenteFASTBACKNETWORKSdeclaraqueelIBR‐2A&IBR‐2B,cumple
conlosrequisitosesencialesycualesquieraotrasdisposicionesaplicablesoexigiblesdela
Directiva1999/5/CE.
Sweden Svenska
HärmedintygarFASTBACKNETWORKSattdennaIBR‐2A&IBR‐2B,stårI
överensstämmelsemeddeväsentligaegenskapskravochövrigarelevantabestämmelser
somframgåravdirektiv1999/5/EG.
WEEEStatement
Thissymbolontheproductoritspackagingindicatesthatthisproductmustnotbedisposedofwithyourother
householdwaste.Instead,itisyourresponsibilitytodisposeofyourwasteequipmentbyhandingitovertoa
designatedcollectionpointfortherecyclingofwasteelectricalandelectronicequipment.Theseparatecollectionand
recyclingofyourwasteequipmentatthetimeofdisposalwillhelpconservenaturalresourcesandensurethatitis
recycledinamannerthatprotectshumanhealthandtheenvironment.Formoreinformationaboutwhereyoucan
dropoffyourwasteforrecycling,pleasecontactyourlocalauthority,orwhereyoupurchasedyourproduct.
Reference:TheWasteElectricalandElectronicEquipmentDirective(WEEEDirective2012/19/EU)
ReturntoTableofContents